Редуктор цилиндрический двухступенчатый
Министерство
образования и науки Украины
ДонГТУ
Кафедра
Машин металлургического комплекса и прикладной механики
Пояснительная
записка
к
курсовому проекту по деталям машин
Тема:
«Редуктор цилиндрический двухступенчатый»
Алчевск
2010
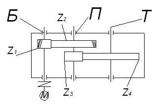
1. Исходные данные
Редуктор двухступенчатый, несоосный
Кинематическая схема редуктора:
Дано:
. Мощность на выходном валу Рвых=7,0 кВт
. Частота вращения выходного вала nвых=46 об/мин
. Передаточное число привода U=21.4
2. Кинематический и энергетический расчет
привода
.1 Формула определения требуемой мощности
электродвигателя
Формула определения требуемой мощности
электродвигателя:
где: Р - требуемая мощность электродвигателя,
кВт
общий
КПД привода
- КПД муфты
соединительной;
- КПД быстроходной
ступени редуктора;
- КПД тихоходной
ступени редуктора;
- КПД подшипников
качения (одна пара);
По каталогу выбираем асинхронный
короткозамкнутый двигатель мощностью Рэд
Р.
Тип электродвигателя: 4А по ГОСТ19523-81, с номинальной частотой вращения
об/мин,
об/мин,
мощностью Рном = 11 кВт и
мм.
.2 Угловая скорость электродвигателя
Угловую скорость электродвигателя определяем по формуле:
где
номинальная угловая
скорость вала электродвигателя, с-1;эд - номинальная частота вращения вала
электродвигателя, об/мин;
с-1
3. Определение силовых и кинематических
параметров привода
Уточним общее передаточное число привода Up:
Определяем передаточные числа ступеней привода:
передаточное число
быстроходной ступени;
передаточное число
цилиндрической передачи;
Определим частоты вращений и угловые скорости
валов
об/мин частота
вращения быстроходного вала
об/мин частота
вращения промежуточного вала
об/мин частота
вращения тихоходного вала
Угловая скорость на быстроходном валу:
Угловая скорость на промежуточном валу:
Угловая скорость на тихоходном валу:
Определим мощности на валах
реальная мощность
вала двигателя
мощность
быстроходного вала
мощность
промежуточного вала
мощность
тихоходного вала
Определим
Вращающий момент на быстроходном валу:
Нм
Вращающий момент на промежуточном валу Т2:
Нм
Вращающий момент на тихоходном валу Т3:
Нм.
4. Расчет быстроходной ступени редуктора (цилиндрическая
косозубая
передача)
Основные механические характеристики выбранных
материалов зубчатых колес приведены в таблице 1
|
Деталь
|
Материал
|
Р-р
заготовок, мм
|
Термообработка
|
Н,вер.
|
|
|
|
Шестерня
|
Сталь40Х
|
Dпред=120
|
У
|
275
|
930
|
690
|
|
Колесо
|
|
Dпред=160
|
У
|
245
|
830
|
540
|
Расчет допускаемых напряжений на контактную
выносливость
где
=2*НВ+70-предел
контактной выносливости при базовом числе циклов перемен напряжений
-коэффициент
безопасности
-коэффициент
долговечности
Допускаемые напряжения на контактную
выносливость:
шестерни:
колеса:
Расчет межосевого расстояния аw
По условию контактной прочности:
,
где:
аw - Межосевое расстояние, мм;
Ка = 43 для косозубых колес, (Н/мм2), принимая
ориентировочно β = 10°…15°;
Т2 - крутящий момент цилиндрического колеса,
;
- коэффициент
неравномерности распределения нагрузки по ширине зуба при несимметричном расположении
колес;
- коэффициент
ширины венца колеса;
Тогда:
мм
Полученное значение округляем до стандартного:=
120 мм
5. Расчет геометрических параметров
цилиндрической косозубой
передачи
Определим нормальный модуль зацепления
=(0,01…0,02)*aw=(0,01…0,02)*120=(1,2…2,4) мм
Принимаем
мм
Т.к. передача косозубая, примем угол наклона
линии зуба
Определим суммарное число зубьев:
Число зубьев шестерни
:
Число зубьев колеса
Определяем фактическое передаточное число
и
проверяем его отклонение
от заданного:
;
Условие соблюдается
Уточним угол наклона линии зуба
Окружной модуль зацепления равен
мм
Диаметр делительной окружности
шестерни
мм
колеса
мм
Определяем фактическое межосевое расстояние:
мм
Диаметры окружностей вершин зубьев
шестерни
мм
колеса
мм
Диаметры окружностей впадин зубьев
шестерни
мм
колеса
мм
Рабочая ширина венца колеса и шестерни:
мм
мм
Окружная скорость колес:
м/с
Примем степень точности передачи n=8
Проверочный расчет первой передачи:
Проверяем контактные напряжение
,
МПа
-межосевое
расстояние;
-вращающий момент
колеса быстроходной ступени;=5 -Фактическое передаточное число;
-рабочая ширина
венца колеса;
= 1,09 -
коэффициент, учитывающий распределение нагрузки между зубьями;
= 1 - коэффициент
неравномерности нагрузки по длине зуба;
- коэффициент
динамической нагрузки, зависящий от окружной скорости колес и степени точности
передачи;
Условие
МПа<
МПа
выполняется.
Усилия в зацеплении
Окружное усилие
Н
Радиальное усилие шестерни и колеса
Н
Осевое усилие шестерни и колеса
Н
Проверочный расчет передачи на изгибную
выносливость
Проверим зубья цилиндрических колес на
выносливость по напряжениям изгиба:
где:
-окружное
усилие;
-коэффициент
нагрузки;
- коэффициент
концентрации нагрузки;
- коэффициент
динамичности;
Определим эквивалентное число зубьев:
шестерни
примем
колеса
примем
Коэффициент формы зуба:
- коэффициенты
формы зуба шестерни и колеса;
-коэффициент,
введенный для компенсации погрешности.
Допускаемые напряжения изгиба:
шестерни
МПа
колеса
МПа
-коэффициент,
учитывающий нестабильность материала;
Допускаемые напряжения изгиба:
Шестерни
МПа
колеса
МПа
Определим отношения
для
шестерни и колеса и сравним их:

Проверочный расчет ведем для зубьев шестерни,
т.к. для них отношение
наименьшее.
МПа
Условие
выполняется.
Передача пригодна.
6. Расчет тихоходной ступени редуктора
(цилиндрическая прямозубая
передача)
Основные механические характеристики выбранных
материалов зубчатых колес приведены в таблице 2
Таблица 2
|
Деталь
|
Материал
|
Р-р
заготовок, мм
|
Термообработка
|
Н,вер.
|
|
|
|
Шестерня
|
Сталь40Х
|
Dпред=120
|
У
|
275
|
930
|
690
|
|
Колесо
|
|
Dпред=160
|
У
|
245
|
830
|
540
|
Расчет допускаемых напряжений на контактную
выносливость
где
=2*НВ+70-предел
контактной выносливости при базовом числе циклов перемен напряжений
-коэффициент
безопасности
-коэффициент
долговечности
Допускаемые напряжения на контактную
выносливость:
шестерни:
колеса:
Расчет межосевого расстояния аw
По условию контактной прочности:
,
где:
аw - Межосевое расстояние, мм;
Ка = 43 для косозубых колес, (Н/мм2), принимая
ориентировочно β = 10°…15°;
Т2 - крутящий момент цилиндрического колеса,
;
- коэффициент
неравномерности распределения нагрузки по ширине зуба при несимметричном
расположении колес;
- коэффициент
ширины венца колеса;
Тогда:
мм
Полученное значение округляем до стандартного:=
270 мм
Расчет геометрических параметров цилиндрической
прямозубой передачи
Определим нормальный модуль
зацепления=(0,01…0,02)*aw=(0,01…0,02)*270=(2.7…5.4) мм
Принимаем
мм
Т.к. передача прямозубая, примем угол наклона
линии зуба
Определим суммарное число зубьев:
Число зубьев шестерни
:
Число зубьев колеса
Определяем фактическое передаточное число
и
проверяем его отклонение
от заданного:
;
Условие соблюдается
Диаметр делительной окружности
шестерни
мм
колеса
мм
Определяем фактическое межосевое расстояние:
мм
Диаметры окружностей вершин зубьев
шестерни
мм
колеса
мм
Диаметры окружностей впадин зубьев
шестерни
мм
колеса
мм
Рабочая ширина венца колеса и шестерни:
мм
мм
Окружная скорость колес:
м/с
Примем степень точности передачи n=8
Проверочный расчет второй передачи:
Проверяем контактные напряжение
,
МПа
-межосевое
расстояние;
-вращающий момент
колеса быстроходной ступени;=4 -Фактическое передаточное число;
-рабочая ширина
венца колеса;
= 1,03 -
коэффициент, учитывающий распределение нагрузки между зубьями;
= 1 - коэффициент
неравномерности нагрузки по длине зуба;
- коэффициент
динамической нагрузки, зависящий от окружной скорости колес и степени точности
передачи;
Условие
МПа<
МПа
выполняется.
Усилия в зацеплении
Окружное усилие
Н
Радиальное усилие шестерни и колеса
Н
Проверочный расчет передачи на изгибную
выносливость. Проверим зубья цилиндрических колес на выносливость по
напряжениям изгиба:
где:
-окружное
усилие;
-коэффициент
нагрузки;
- коэффициент
концентрации нагрузки;
- коэффициент
динамичности;
Коэффициент формы зуба:
- коэффициенты
формы зуба шестерни и колеса;
Коэффициент торцового перекрытия:
Допускаемые напряжения изгиба:
шестерни
МПа
колеса
МПа
-коэффициент,
учитывающий нестабильность материала;
Допускаемые напряжения изгиба:
Шестерни
МПа
колеса
МПа
Определим отношения
для
шестерни и колеса и сравним их:

Проверочный расчет ведем для зубьев шестерни,
т.к. для них отношение
наименьшее.
МПа
Условие
выполняется.
Передача пригодна.
7. Предварительный расчет валов
Предварительный расчет быстроходного вала
Определим минимальный диаметр быстроходного вала
(входной конец посадка полумуфты)
24,55 мм
Согласно схемы привода вал электродвигателя (
)
передает движение на вал редуктора (входной конец быстроходного вала)
посредством муфты.
Ориентируемся на установку муфты упругой
втулочно-пальцевой МУВП 250-42.1.1-38.1.1 по ГОСТ 214254-75 с расточкой
полумуфт на d=42 мм (посадка на вал электродвигателя) и d=40 мм (посадка вала
редуктора).
Принимаем хвостовик цилиндрический, длинный по
ГОСТ-12080-72:
Принимаем к установке резиновую армированную
манжету по ГОСТ 8752-79-1.1-45-45-1
Т.к. передача косозубая, то ориентируемся на
установку роликовых подшипников с короткими цилиндрическими роликами по
ГОСТ-8328-75 легкой серии 2208:
Диаметр буртов:
Размеры шестерни быстроходной ступени:
мм
мм
мм
мм
Шестерню изготавливаем совместно с быстроходным
валом. Шестерня изготавливается врезанной.
Материал вала:
сталь 40Х, т.о. улучшение, НВ=270…290,
диаметр
заготовки до 120 мм.
Предварительный расчет промежуточного вала
Определим минимальный диаметр промежуточного
вала
41,87 мм
Посадочный диаметр подшипников промежуточного
вала должен быть больше или равен посадочному диаметру подшипников
быстроходного вала.
Ориентируемся на установку роликовых конических
подшипников по ГОСТ 333-71 легкой серии7209:
Диаметр буртов:
Примем посадочный диаметр под колесо
быстроходной ступени:
Размеры шестерни тихоходной ступени:
мм
мм
мм
мм
Шестерню изготавливаем совместно с промежуточным
валом.
Материал вала:
сталь 40Х, т.о. улучшение, НВ=270…290,
диаметр
заготовки до 120 мм.
Предварительный расчет тихоходного вала
Определим минимальный диаметр тихоходного вала
(входной конец посадка полумуфты)
64,14 мм
Диаметр буртов:
Примем посадочный диаметр под колесо тихоходной
ступени:
Материал вала:
сталь 40Х, т.о. улучшение, НВ=270…290,
диаметр
заготовки до 120 мм.
8. Конструирование крышки и корпуса редуктора
Толщина стенки корпуса редуктора:
Принимаем
Определим диаметр стяжных болтов, крепящих
основание корпуса и крышку редуктора:
Принимаем болты М 14 по ГОСТ 7798-70
Толщина фланца: b=1.5*
Ширина фланца без учета толщины стенки корпуса:
Принимаем ширину фланца
Диаметр фундаментальных болтов:
Принимаем
Толщина нижнего пояса редуктора:
Зазор между вращающимися деталями и внутренней
стенкой корпуса:
Принимаем
Зазор между торцом подшипника и внутренней
стенкой корпуса при смазке подшипников масляным туманом
Зазор между торцом шестерни тихоходной ступени и
ступицей колеса быстроходной ступени
Принимаем
9. Конструирование колес
Конструктивные размеры цилиндрического колеса
быстроходной ступени
Посадочный диаметр колеса:
Диаметр ступицы:
Длина ступицы:
Примем
Ширина торцов:
Принимаем
Толщина диска:
Принимаем
Конструктивные размеры цилиндрического колеса
тихоходной ступени
Посадочный диаметр колеса:
Диаметр ступицы:
Длина ступицы:
Примем
Ширина торцов:
Принимаем
Толщина диска:
Принимаем
10. Проверочный расчет промежуточного вала
Рассмотрим расчетную схему промежуточного вала
Рассмотрим расчетную схему промежуточного вала.
Расстояния между зубчатыми колесами получены при компоновке редуктора.
- окружное усилие
на колесах быстроходной ступени
- радиальное усилие
на колесах быстроходной ступени
- осевое усилие на
колесах быстроходной ступени
- окружное усилие
шестерни тихоходной ступени
-радиальное усилие
шестерни тихоходной ступени
Определим величину и направление реакций в
опорах А и В от сил
в горизонтальной
плоскости.
Опорные реакции определены, верно. Строим эпюру
изгибающих моментов.
Определим величину и направление реакций в
опорах А и В от сил
в горизонтальной
плоскости.
Опорные реакции в опорах определены, верно.
Строим эпюру изгибающих моментов.
Строим эпюру крутящего момента.
Определим суммарные реакции в опорах
Как видно из построенных эпюр и
сконструированного вала наиболее опасным является для вала нарезка шестерни
тихоходной ступени. Однако расхождение в размерах шестерни и минимального
диаметра промежуточного вала очень велико и поэтому данное сечение проверять
нет смысла.
Рассмотрим другое сечение. Концентратором
напряжений является фрезеровка шпоночного паза под колесо быстроходной ступени
-посадочный
диаметр колеса; размеры шпоночного паза:
Суммарный изгибающий момент в данном сечении
равен:
Определим расчетный коэффициент по нормальным
напряжениям и сравним его с допустимым
Коэффициент запаса прочности по нормальным
напряжениям
Коэффициент запаса прочности по касательным
напряжениям
Общий коэффициент запаса прочности
Условие выполняется, следовательно, вал
пригоден.
11. Проверочный расчет подшипников качения
промежуточного вала
Ориентировочно на промежуточном валу приняты к
установке конические роликоподшипники легкой серии 7209 по ГОСТ 333-71.
- угловая скорость
промежуточного вала;
-реакция в опоре А
-реакция в опоре В
- коэффициент
радиальной нагрузки;
- коэффициент
вращения;
- показатель
снижения для роликовых подшипников;
- температурный
коэффициент
- коэффициент
безопасности;
- долговечность
работы редуктора;
Определим величину эквивалентной нагрузки
Расчетная динамическая грузоподъемность
Условие
Расчет подшипников на долговечность не
требуется.
12. Расчет шпоночных соединений
Для передачи крутящего момента принимаем к
установке призматические шпонки по ГОСТ 23360-81. Материал шпонок - сталь 45.
Расчетные напряжения смятия:
Расчетные напряжения среза:
где Т - вращающий момент вала,
-диаметр
вала;
-расчетная длина
шпонки;- высота шпонки;
- глубина
шпоночного паза;
Результаты расчетов приведены в таблице.
Проверка прочности шпоночных соединений
|
Место
установки
|
Размеры
шпонки, мм
|
d,
мм
|
Т
|
|
|
|
b*h*l
|
|
|
|
|
|
|
|
Быстроходный
вал
|
Посадка
полумуфты
|
12*8*40
|
5
|
28
|
40
|
74
|
44,05
|
11,01
|
|
Промежуточный
вал
|
Посадка
колеса
|
14*9*50
|
5,5
|
36
|
50
|
367
|
116
|
29
|
|
Тихоходный
вал
|
Посадка
колеса
|
20*12*100
|
7,5
|
80
|
70
|
1382
|
109,6
|
24,6
|
Все шпонки пригодны.
13. Выбор смазки, назначение уплотняющих и
защитных устройств
Для редукторов общего назначения принимаем
непрерывное смазывание жидким маслом картерным непроточным способом.
Принимаем масло индустриальное по ГОСТ
17479.4-87 типа И-38 А.
Определим количество масла из расчета 1,4 л на
1,0 кВт передаваемой мощности.
Уровень масла в редукторе контролируем жезловым
маслоуказателем.
Для слива масла предусматриваем установку в
редукторе маслоспускной пробки.
В канавки сквозных крышек устанавливаем
резиновые армированные манжеты по ГОСТ 8752-79.
В редукторе предусматриваем установку отдушины,
для уменьшения давления в корпусе.
привод электродвигатель редуктор вал
Список литературы
1.
Дунаев П.Ф., Леликов О.П. Детали Машин: Курсовое проектирование.- М.: Высшая
школа., 1990-399с.
.
Курсовое проектирование деталей машин. /С.А. Чернавский, К.Н .Боков, И.М.
Чернин и др./-М.: Машиностроение, 1987-416с.
.
Шейнблит А.Е. Курсовое проектирование деталей машин - М.: Высшая школа.,
1987-432с.
.
Анурьев В.И. Справочник конструктора машиностроителя в 3-х томах./В.И.Анурьев.-
М.: Машиностроение, 1979-559с.