.2.3 Проверка на контактную и изгибную прочность при действии
максимальной нагрузки
.4.3 Проверка на контактную и изгибную прочность при действии
максимальной нагрузки
Целью данного курсового проекта является проектирование ленточного
конвейера с цилиндрическим редуктором для перемещения штучных грузов.
Конвейер - машина для непрерывного действия для перемещения сыпучих,
кусковых или штучных грузов.
Высокая производительность, непрерывность грузопотока и автоматизация
управления обусловили широкое применение конвейеров в различных отраслях
народного хозяйства.
Данный механизм состоит из электродвигателя переменного тока с
асинхронной частотой вращения. Двигатель передает вращающий момент через вал на
редуктор. На вал монтируется упругая муфта, предназначенная для смягчения
ударов, вибраций, компенсирования небольших деформаций валов. Вал передает
вращающий момент на редуктор, который имеет две ступени. Схема редуктора -
цилиндрическая с раздвоенной быстроходной ступенью. Редуктор служит для
понижения угловых скоростей и увеличения крутящего момента. От редуктора
вращающий момент передается на барабан. Между редуктором и барабаном находится
компенсирующая муфта, предназначенная для передачи крутящего момента и
способная компенсировать небольшие смещения осей валов (радиальное, угловое).
Цилиндрические двухступенчатые редукторы с раздвоенной быстроходной
ступенью (редуктор с разделенными потоками мощности) характеризуются
симметричным расположением колес тихоходной передачи, что является
преимуществом. Такие редукторы используют в целях улучшения работы наиболее
нагруженной тихоходной ступени. В этом случае деформации валов не вызывают
какой-либо существенной концентрации нагрузки по длине зубьев, вследствие
симметричного расположения колес относительно опор. Такие редукторы
применяются, как правило, в тяжело-нагруженных передачах.
Для
трехступенчатого цилиндрического редуктора выбираем двигатель с меньшей
массой и передаточным отношением: для мощности Р=1,1 кВт при синхронной частоте
вращения n=1000 мин-1,выбираем двигатель 4АМ90L4У3:
АМ - обозначение серии, Р - вариант привязки мощности к установочным размерам,
90-высота оси вращения; L - установочный размер по длине станины и сердечника
статора - первая длина станины с сердечником первой длины, 4 - число полюсов.
Асинхронная частота nасинхр=925 мин-1[4].
Для обеспечения наименьших габаритов нашего редуктора при расчете
разбиваем передаточное отношение на две ступени редуктора. Передаточное
отношение каждой ступени определяется по формулам:
Рассмотрим быстроходную ступень. Частота вращения шестерни определяется
по формуле:
Рассмотрим
тихоходную ступень. Частота вращения шестерни определяется по формуле:
|
Элемент передачи
|
Заготовка
|
Марка стали
|
Термо- обработка
|
 Твердость
сердцевиныТвердость поверхности не менее
|
|
|
|
|
шестерня
|
поковка
|
40ХН
|
Улучшение
|
850
|
600
|
HB 250
|
HВ 310
|
|
колесо
|
поковка
|
40ХН
|
Улучшение
|
850
|
600
|
HB 230
|
НВ 300
|
Определение числа циклов перемены напряжений колеса и шестерни
Базовое число циклов нагружения, соответствующее пределу выносливости
Количество
циклов напряжений при постоянном режиме работы
где
и
-
количество контактов зубьев шестерни и колеса соответственно за один оборот
(принимаем их равными 1).
Коэффициент
долговечности

где
показатель степени m=20 -т.к.
;
Предел
контактной выносливости поверхности зубьев
,
Коэффициент
надежности
Допускаемые
контактные напряжения
При
расчете допускаемых напряжений в соответствии с требованием ГОСТ 21354-87
принято
Предел
выносливости при изгибе
Коэффициент
запаса прочности
Базовое
число циклов напряжений
Коэффициент
долговечности при
Коэффициент
учитывающий способ получения заготовки, для штамповок и поковок
Коэффициент
учитывающий шероховатость переходной поверхности если Rz не более
40мкм то
Коэффициент
учитывающий размеры зубчатого колеса
Коэффициент
учитывающий двухстороннее приложение нагрузки
Допускаемые
изгибные напряжения
(МПа).
Допускаемые
контактные напряжения при проверке прочности под действием максимальной
нагрузки для закаленных по контуру колес
(МПа);
(МПа).
Допускаемые
напряжения для проверки изгибной прочности под действием максимальной нагрузки
где
- коэффициент запаса прочности
;
(МПа);
(МПа).
(МПа);
( МПа).
Проектировочный расчет
Определение начального (делительного) диаметра шестерни
где
по
-
коэффициент ширины шестерни относительно ее диаметра;
-
коэффициент учитывающий неравномерность распределения нагрузки по длине
контактных линий
- для
стальных колес при 20-градусном зацеплении без смещения рекомендуется принимать
при расчете прямозубых цилиндрических передач.
Вращающий
момент на валу колеса:
,
.
Определение
модуля зацепления
.
Округляя
это значение до ближайшего стандартного по ГОСТ9563-60, получаем
.
,
.
Межосевое
расстояние
.
5.2
Проверочный расчет 1-ой ступени
Проверка
передачи на контактную выносливость
,
где
- коэффициент, учитывающий форму сопряженных
поверхностей зубьев;
Коэффициент
торцевого перекрытия:
-
коэффициент, учитывающий суммарную длину контактных линий.
-
полезная окружная сила;
- ширина
зубчатого венца;
Уточняем
окружную скорость:
.
Уточняем коэффициент расчётной нагрузки:
,
где
- удельная окружная динамическая сила;
-
коэффициент, учитывающий влияние вида зубчатой передачи и модификации профиля
зубьев;
-
коэффициент, учитывающий влияние разности основных шагов зацепления зубьев
шестерни и колеса;
Cледовательно,
;
.
Сравнение действующих контактных напряжений с допускаемыми:
Проверка зубьев передачи на изгибную прочность
Коэффициент учитывающий форму зуба и концентрацию напряжений
Коэффициент
учитывающий внутреннею динамическую нагрузку
Коэффициент
учитывающий неравномерность распределения нагрузки по длине контактных линий
Коэффициент
учитывающий распределение нагрузки между зубьями в связи с ошибками
изготовления
Коэффициент
расчетной нагрузки
Расчетное
изгибное напряжение
Проверка
на контактную прочность под действием максимальной нагрузки
Проверка
на изгибную прочность под действием максимальной нагрузки
Определение геометрических и других размеров колеса и шестерни
диаметр вершин зубьев:
,
,
диаметр
впадины зубьев:
,
.
,
.
Определяем
диаметр отверстия под вал в колесе:
,
,
где
.
Принимаем
из конструктивных соображений
.
5.3
Проектировочный расчет 2-ой ступени
Подбор
материалов
Данные
о выбранных материалах занесены в таблицу 1
Таблица 1 -
Принятые материалы для колеса и шестерни I-ой ступени
|
Элемент передачи
|
Заготовка
|
Марка стали
|
Термо- обработка
|
 Твердость
сердцевиныТвердость поверхности не менее
|
|
|
|
|
шестерня
|
поковка
|
40ХН
|
Поверхностная закалка
|
850
|
600
|
HB 230-305
|
HВ 310
|
|
колесо
|
поковка
|
40ХН
|
Поверхностная закалка
|
850
|
600
|
HB 230-305
|
HВ 300
|
Определение числа циклов перемены напряжений колеса и шестерни
Базовое число циклов нагружения, соответствующее пределу выносливости
Количество циклов напряжений при постоянном режиме работы
где
и
-
количество контактов зубьев шестерни и колеса соответственно за один оборот
(принимаем их равными 1).
Коэффициент
долговечности

где
показатель степени m=20 -т.к.
;
Предел
контактной выносливости поверхности зубьев
,
Коэффициент
надежности
Допускаемые
контактные напряжения
При
расчете допускаемых напряжений в соответствии с требованием ГОСТ 21354-87
принято
Предел
выносливости при изгибе
Коэффициент
запаса прочности
Базовое
число циклов напряжений
Коэффициент
долговечности при
Коэффициент
учитывающий способ получения заготовки, для штамповок и поковок
Коэффициент
учитывающий шероховатость переходной поверхности если Rz не более
40мкм то
Коэффициент
учитывающий размеры зубчатого колеса
Коэффициент
учитывающий двухстороннее приложение нагрузки
Допускаемые
изгибные напряжения
(МПа).
Допускаемые
контактные напряжения при проверке прочности под действием максимальной
нагрузки для закаленных по контуру колес
(МПа);
(МПа).
Допускаемые
напряжения для проверки изгибной прочности под действием максимальной нагрузки
где
- коэффициент запаса прочности
;
(МПа);
(МПа).
(МПа);
( МПа).
Проектировочный
расчет
Определение начального (делительного) диаметра шестерни
где
по
-
коэффициент ширины шестерни относительно ее диаметра;
-
коэффициент учитывающий неравномерность распределения нагрузки по длине
контактных линий
- для
стальных колес при 20-градусном зацеплении без смещения рекомендуется принимать
при расчете цилиндрических передач.
Вращающий
момент на валу колеса:
,
.
Определение
модуля зацепления
.
Округляя
это значение до ближайшего стандартного по ГОСТ9563-60, получаем
.
Тогда
,
.
Межосевое
расстояние
.
5.4
Проверочный расчет 1-ой ступени
Проверка
передачи на контактную выносливость
,
где
- коэффициент, учитывающий форму сопряженных
поверхностей зубьев;
Коэффициент
торцевого перекрытия:
-
коэффициент, учитывающий суммарную длину контактных линий.
-
полезная окружная сила;
- ширина
зубчатого венца;
Уточняем
окружную скорость:
.
Уточняем
коэффициент расчётной нагрузки:
,
где
- удельная окружная динамическая сила;
-
коэффициент, учитывающий влияние вида зубчатой передачи и модификации профиля
зубьев;
-
коэффициент, учитывающий влияние разности основных шагов зацепления зубьев
шестерни и колеса;
Cледовательно,
;
.
Сравнение действующих контактных напряжений с допускаемыми:
Проверка зубьев передачи на изгибную прочность
Коэффициент учитывающий форму зуба и концентрацию напряжений
Коэффициент
учитывающий внутреннею динамическую нагрузку
Коэффициент
учитывающий неравномерность распределения нагрузки по длине контактных линий
Коэффициент
учитывающий распределение нагрузки между зубьями в связи с ошибками
изготовления
Коэффициент
расчетной нагрузки
Расчетное
изгибное напряжение
Проверка
на контактную прочность под действием максимальной нагрузки
Проверка
на изгибную прочность под действием максимальной нагрузки
Определение геометрических и других размеров колеса и шестерни
диаметр вершин зубьев:
,
,
диаметр
впадины зубьев:
,
.
,
.
Определяем
диаметр отверстия под вал в колесе:
,
,
где
.
Принимаем
из конструктивных соображений
.
6 КОНСТРУИРОВАНИЕ МЕХАНИЗМА
Размеры валов и подшипников в значительной мере определяются
компоновочными размерами прямозубых цилиндрических передач, взаимным
расположением агрегатов привода, заданными габаритными размерами привода.
Рисунок 6.1 - Компоновка редуктора
7 КОНСТРУИРОВАНИЕ И РАСЧЕТ ВАЛОВ И ОСЕЙ НА ПРОЧНОСТЬ
7.1 Проектировочный расчет валов
Основными условиями, которым должна отвечать конструкция вала являются
достаточная прочность, обеспечивающая нормальную работу зацеплений и подшипников;
технологичность конструкции и экономию материала. В качестве материала для
валов используют углеродистые и легированные стали.
Расчет вала выполняется на усталостную прочность.
За материал валов принимаем сталь 40ХН, с характеристикой:
-
временное сопротивление разрыву;
- предел
выносливости при симметричном цикле напряжений изгиба;
- предел
выносливости при симметричном цикле напряжений кручения;
-коэффициенты
чувствительности материала к асимметрии цикла напряжений соответственно при
изгибе и кручении.
Диаметральные
и линейные размеры валов рассчитываются с учетом компоновочного эскиза
изображенного на рисунке 6.1 и данных из пункта 5.
Для
быстроходного вала рассчитываем диаметр вала под муфту из условия прочности,
так как это наименьший диаметр вала, остальные диаметры и длины будут
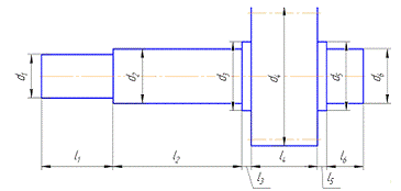
задаваться конструктивно, эскиз вала показан на рисунке 7.1:
Рисунок 7.1 - Эскиз быстроходного вала
Принимаем:
d1=20 мм l1=36 мм
d2=25 мм l2=62 мм
d3=30 мм l3=16 мм
d4=49,5 мм l4=24 мм
d5=30 мм l5=60 мм
d6=25 мм l6=17 мм
где:
-
размеры вала под муфту; 2 - под уплотнение и подшипник; 3,5 - свободные размеры
вала; 6 - под подшипник; 4 - под шестерню.
Для
промежуточного вала рассчитываем диаметр вала под колесо из условия прочности,
так как это наименьший рабочий диаметр вала, остальные диаметры и длины будут
задаваться конструктивно, эскиз вала показан на рисунке 7.2:
Рисунок 7.2 - Эскиз промежуточного вала
Принимаем:
d1=25 мм l1=30 мм
d2=30 мм l2=37 мм
d3=40 мм l3=5 мм
d4=35 мм l4=40 мм
d5 =60,5 мм l5=40 мм
d6=30 мм l6=10 мм
d7=25 мм l7=30 мм
где:
1,7 - размеры вала под подшипники; 3,4,6 - свободный размер вала; 5 - под
шестерню; 2 - под колесо.
Для
тихоходного вала рассчитываем диаметр вала под муфту из условия прочности, так
как это наименьший диаметр вала, остальные диаметры и длины будут задаваться
конструктивно эскиз вала изображен на рисунке 7.3:
Рисунок 7.3 - Эскиз тихоходного вала
Принимаем:
d1=35 мм l1=80 мм
d2=40 мм l2=80 мм
d3=55 мм l3=5 мм
d4=45мм l4=50 мм
d5=40 мм l5=40
мм
где:1
- размер вала под полумуфту; 2,5 - под уплотнение и подшипник; 3 - свободные
размеры вала ; 4 - под колесо.
.2
Проверочный расчет валов
Для
расчета вала на сложное сопротивление необходимо составить его расчетную схему:
разметить
точки, в которых расположены условные опоры;
определить
величину и направление действующих на вал сил: окружной
, радиальной
, осевой
. А также точки их приложения. Поскольку на валы не
действуют осевые силы, то
.
Проверочный расчет быстроходного вала:
Рис.4.1 - Расчетная схема быстроходного вала на сложное сопротивление
Длины расчетных участков находятся после предварительного проектирования:
Силы
действующие на входной вал:

Вертикальная
плоскость:
а)
Определяем опорные реакции
,
,
Проверка :
,
б) строим эпюру изгибающих моментов относительно оси х в характерных
сечениях:
Горизонтальная плоскость:
а) Определяем опорные реакции
,
,
Проверка :
,
б) строим эпюру изгибающих моментов относительно оси y в характерных сечениях:
Строим эпюру крутящих моментов:
Определяем суммарные радиальные реакции:
Определяем суммарные изгибающие моменты в наиболее нагруженных сечениях:
Наиболее опасным является второе сечение.
Осевой момент инерции:
Полярный момент инерции:
;
Суммарное
напряжение изгиба:
Суммарное
напряжение кручения:
.
Суммарное
эквивалентное напряжение:
.
Расчет валов на усталостную выносливость:
где
коэффициент запаса по нормальным напряжениям;
коэффициент запаса по касательным напряжениям;
где
пределы выносливости
материала соответственно при изгибе и кручении с симметричным знакопеременным
циклом,
амплитудные напряжения,
коэффициенты, характеризующие чувствительность
материала к асимметрии цикла напряжений,
средние значения напряжений,
суммарные коэффициенты, учитывающие влияние всех
факторов,
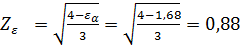
где ε - коэффициент абсолютных размеров поперечного сечения, ε
= 0,88;
- коэффициент влияния шероховатости поверхности,
;
- коэффициент влияния упрочнения,
;
и
- коэффициенты концентрации напряжений
,
Проверочный расчет промежуточного вала:
Длины расчетных участков находятся после предварительного проектирования:
Силы
действующие на входной вал:

Вертикальная
плоскость:
а)
Определяем опорные реакции
,
,
Проверка :
,
б) строим эпюру изгибающих моментов относительно оси х в характерных
сечениях:
Рис.4.2 - Расчетная схема промежуточного вала на сложное сопротивление
Горизонтальная плоскость:
а) Определяем опорные реакции
,
,
Проверка :
,
б) строим эпюру изгибающих моментов относительно оси y в характерных сечениях:
Строем эпюру крутящих моментов:
Определяем суммарные радиальные реакции:
Определяем суммарные изгибающие моменты в наиболее
нагруженных сечениях:
Наиболее опасным является третье сечение.
Осевой момент инерции:
Полярный
момент инерции:
;
Суммарное
напряжение изгиба:
Суммарное
напряжение кручения:
.
Суммарное
эквивалентное напряжение:
.
Расчет валов на усталостную выносливость:
где
коэффициент запаса по нормальным напряжениям;
коэффициент запаса по касательным напряжениям;
где
пределы выносливости
материала соответственно при изгибе и кручении с симметричным знакопеременным
циклом,
амплитудные напряжения,
коэффициенты, характеризующие чувствительность
материала к асимметрии цикла напряжений,
средние значения напряжений,
суммарные коэффициенты, учитывающие влияние всех
факторов,
где ε - коэффициент абсолютных размеров поперечного сечения, ε
= 0,81;
- коэффициент влияния шероховатости поверхности,
;
- коэффициент влияния упрочнения,
;
и
- коэффициенты концентрации напряжений
,
Проверочный расчет тихоходного вала:
Длины расчетных участков находятся после предварительного проектирования:
Силы
действующие на входной вал:
Вертикальная
плоскость:
а)
Определяем опорные реакции
,
,
Проверка :
,
б) строим эпюру изгибающих моментов относительно оси х в характерных
сечениях:
Рис.4.3 - Расчетная схема тихоходного вала на сложное сопротивление
Горизонтальная плоскость: а) Определяем опорные реакции
,
,
Проверка :
,
б) строим эпюру изгибающих моментов относительно оси y в характерных сечениях:
Строем эпюру крутящих моментов:
Определяем суммарные радиальные реакции:
Определяем суммарные изгибающие моменты в наиболее нагруженных сечениях:
Наиболее опасным является третье сечение.
Осевой момент инерции:
Полярный
момент инерции:
;
Суммарное
напряжение изгиба:
Суммарное
напряжение кручения:
.
Суммарное
эквивалентное напряжение:
.
Расчет валов на усталостную выносливость:

где
коэффициент запаса по нормальным напряжениям;
коэффициент запаса по касательным напряжениям;
где
пределы выносливости
материала соответственно при изгибе и кручении с симметричным знакопеременным
циклом,
амплитудные напряжения,
коэффициенты, характеризующие чувствительность
материала к асимметрии цикла напряжений,
средние значения напряжений,
суммарные коэффициенты, учитывающие влияние всех
факторов,
где ε - коэффициент абсолютных размеров поперечного сечения, ε
= 0,77;
- коэффициент влияния шероховатости поверхности,
;
- коэффициент влияния упрочнения,
;
и
- коэффициенты концентрации напряжений
,
8 РАСЧЕТ ПОДШИПНИКОВ РЕДУКТОРА
Проверочный
расчет предварительно выбранных в пункте 6 подшипников выполняется
отдельно для каждого вала. Пригодность подшипников определяется сопоставлением
расчетной динамической грузоподъемности
с
базовой
, или базовой долговечности
с требуемой
по условиям:
8.1
Проверочный расчет подшипников быстроходного вала
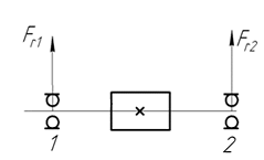
Схема
нагружения подшипников изображена на рис 8.1.
Рисунок
8.1 - Схема нагружения подшипников быстроходного вала
Исходные
данные для расчета Частота вращения вала
.
Вероятность безотказной работы 90%. Максимальные, длительно действующие силы:
данные взяты из пункта 7.2.1 Режим нагружения - I
(тяжелый). Возможны кратковременные перегрузки до 150% номинальной нагрузки.
Условия применения подшипников - обычные. Ожидаемая температура работы до 100
°С. Требуемая долговечность подшипника
.
Предварительно, в пункте 6, выбраны подшипники шариковые радиальные - условное
обозначение 205 - по каталогу
Вычисляем
эквивалентные нагрузки, приводя переменный режим нагружения к эквивалентному
постоянному
где
коэффициент эквивалентности, для переменного типового
режима нагружения I (тяжелого)
Расчет
эквивалентной динамической нагрузки выполняется по следующей формуле
где
при вращении внутреннего кольца подшипника;
коэффициент
безопасности, для конвеера с механическим приводом
температурный
коэффициент, для температура работы до 100°С
Расчетный
скорректированный ресурс
где
коэффициент надежности, при вероятности безотказной
работы 90%
;
коэффициент,
учитывающий влияние качества подшипника и качества его эксплуатации, для
шарикового радиального подшипника который эксплуатируется в обычных условиях
;
показатель
степени для шариковых подшипников;
Подшипник
205 ГОСТ 8338- 75 пригоден
8.2
Проверочный расчет подшипников промежуточного вала
Схема
нагружения подшипников изображена на рис 8.2.
Рисунок
8.2 - Схема нагружения подшипников промежуточного вала
Исходные
данные для расчета Частота вращения вала
.
Вероятность безотказной работы 90%. Максимальные, длительно действующие силы:
данные взяты из пункта 7.2.2 Режим нагружения - I
(тяжелый). Возможны кратковременные перегрузки до 150% номинальной нагрузки.
Условия применения подшипников - обычные. Ожидаемая температура работы до 100
°С. Требуемая долговечность подшипника
. Предварительно,
в пункте 6, выбраны подшипники шариковые радиальные - условное обозначение 305 - по
каталогу
Вычисляем
эквивалентные нагрузки, приводя переменный режим нагружения к эквивалентному
постоянному
где
коэффициент эквивалентности, для переменного типового
режима нагружения I (тяжелого)
Расчет
эквивалентной динамической нагрузки выполняется по следующей формуле
где
при вращении внутреннего кольца подшипника;
коэффициент
безопасности, для конвеера с механическим приводом
температурный
коэффициент, для температура работы до 100°С
Расчетный скорректированный ресурс
где
коэффициент надежности, при вероятности безотказной
работы 90%
;
коэффициент,
учитывающий влияние качества подшипника и качества его эксплуатации, для
шарикового радиального подшипника который эксплуатируется в обычных условиях
;
показатель
степени для шариковых подшипников;
Подшипник
305 ГОСТ 8338- 75 пригоден
8.3
Проверочный расчет подшипников тихоходного вала
Схема
нагружения подшипников изображена на рис 8.3.
Рисунок 8.3 - Схема нагружения подшипников тихоходного вала
Исходные
данные для расчета Частота вращения вала
.
Вероятность безотказной работы 90%. Максимальные, длительно действующие силы:
данные взяты из пункта 7.2.3 Режим нагружения - I
(тяжелый). Возможны кратковременные перегрузки до 150% номинальной нагрузки.
Условия применения подшипников - обычные. Ожидаемая температура работы до 100
°С. Требуемая долговечность подшипника
.
Предварительно, в пункте 6, выбраны подшипники шариковые радиальные - условное
обозначение 208 - по каталогу
Вычисляем
эквивалентные нагрузки, приводя переменный режим нагружения к эквивалентному
постоянному
где
коэффициент эквивалентности, для переменного типового
режима нагружения I (тяжелого)
Расчет
эквивалентной динамической нагрузки выполняется по следующей формуле
где
при вращении внутреннего кольца подшипника;
коэффициент
безопасности, для конвеера с механическим приводом
температурный
коэффициент, для температура работы до 100°С
Расчетный
скорректированный ресурс
где
коэффициент надежности, при вероятности безотказной
работы 90%
;
коэффициент,
учитывающий влияние качества подшипника и качества его эксплуатации, для
шарикового радиального подшипника который эксплуатируется в обычных условиях
;
показатель
степени для шариковых подшипников;
Подшипник
214 ГОСТ 8338- 75 пригоден.
9. РАСЧЕТ ШПОНОЧНЫХ СОЕДИНЕНИЙ
Для крепления муфты с быстроходным валом применена призматическая шпонка
6х6х28 ГОСТ 23360-78. Материал шпонки -
сталь 45 ГОСТ 1050-88.
Наиболее опасной деформацией для шпонок и пазов является смятие от
крутящего момента Т:
где
- рабочая длина шпонки, равная прямолинейной рабочей
части боковой грани;
- диаметр вала.
В
редукторах при среднем режиме работы допускаемые напряжения смятия принимают
равными
МПа.
Действующее
напряжение смятия:
Для крепления колеса промежуточного вала применена призматическая шпонка 8х7х32 ГОСТ 23360-78.
Материал шпонки - сталь 45 ГОСТ 1050-88.
Действующее напряжение смятия:
Для крепления колеса тихоходного вала применена призматическая шпонка 12х8х50 ГОСТ 23360-78.
Материал шпонки - сталь 45 ГОСТ 1050-88.
Действующее напряжение смятия:
Для крепления колеса тихоходного вала применена призматическая шпонка 14х9х40 ГОСТ 23360-78.
Материал шпонки - сталь 45 ГОСТ 1050-88.
Действующее напряжение смятия:
10. ВЫБОР МУФТ
Для данного соединения быстроходного вала редуктора с двигателем
выбирается стандартная упругая втулочно-пальцевая муфта, основным критерием для
выбора муфты служит вращающий момент на валу двигателя
где
- момент на валу, Нм
-коэффициент,
для тяговых лебедок
Согласно полученным данным выбираем муфту 125-20-І.40-І.2-У3 ГОСТ 21424-93
С выходного вала редуктора на вал барабана вращающий момент передается
через зубчатую муфту, здесь тоже основным критерием для выбора муфты является
вращающий момент.
Согласно полученным данным выбираем муфту 1000-35-1.1х35-1.1-У3 ГОСТ
20742-81
В МУВП упругий пакет проверяют на смятие:
где
z - число пальцев,
k - коэффициент
динамичности внешнего напряжения.
Материал
втулки - резиновая смесь марки 3826С по ТУ МХП 1166-58 с
.
В
зубчатой муфте зубчатое соединение рассчитывают на смятие, в предположении, что
нагрузка распределяется по зубьям равномерно.
где
K - коэффициент динамичности внешнего напряжения,
h - высота зуба,
b - ширина зуба, z - количество
зубьев,
D0 - делительный диаметр
Материал
зубчатой втулки и обоймы - Сталь 40 с
.
11. РАСЧЕТ БОЛТОВ КРЕПЛЕНИЯ РЕДУКТОРА К КОРПУСУ
Будем определять осевую нагрузку, которая действует на болт при креплении
корпуса редуктора к раме. Число болтов Z = 4.
Считая, что предварительная затяжка одинакова для всех болтов и
обеспечивает нераскрытие стыка при действии внешнего момента T4, и предполагая, что нагрузка между болтами и
поверхности стыка изменяется по линейному закону, можно записать формулу в
первом приближении для определения внешней силы Fвн [2].
Число болтов z = 4; L=445 мм; B=195 мм; h=160
мм; a=200 мм; s=45мм.
Условие нераскрытия стыка
.
.
.
.
.
Рисунок
11.1 - Схема нагружения
12. РАЗРАБОТКА СИСТЕМЫ СМАЗКИ
Смазку машин применяют в целях защиты от коррозии, снижения коэффициента
трения, уменьшения износа, отвода тепла и продуктов износа от трущихся
поверхностей, снижения шума и вибраций.
В связи с малыми окружными скоростями, предполагаемым состоянием
окружающей среды и температурного режима работы колес подшипники набиваем
консистентной смазкой солидол синтетический по ГОСТ 4366-76.
Для редукторов общего назначения применяют смазку жидким маслом. Способ
смазки - картерный непроточный (окунанием зубчатых колёс в масло, залитое в
корпус).
При
нижнем расположении червяка он должен окунаться в масло на величину
, при этом желательно, чтоб уровень смазки проходил
через центр нижнего тела качения подшипника.
Таким
образом приблизительный объем масла HxBxL
Марку смазки определяем по окружной скорости зубчатого колеса на
промежуточном валу.
Скорости
м/с соответствует смазка, имеющая значение
кинематической вязкости
м2/с. Этим условиям
соответствует масло цилиндровое 38 ГОСТ 21743-76.
ЗАКЛЮЧЕНИЕ
В процессе выполнения курсового проекта спроектирован привод. Выбраны
материалы элементов передач, произведены геометрические и проверочные расчеты
цилиндрических прямозубых передач. Рассчитаны валы передач на статическую и
усталостную прочность.
Выполнена проверка подшипников валов и барабана по динамической
грузоподъемности, подобраны и рассчитаны фундаментные болты крепления редуктора
к раме.
СПИСОК ИСПОЛЬЗУЕМОЙ ЛИТЕРАТУРЫ
1. Киркач
Н.Ф., Баласанян Р.А. Расчет и проектирование деталей машин, Х.: Основа, 1991,
276с.
. Анурьев
В.И. «Справочник конструктора-машиностроителя» (3 тома). М.,1980.
. Алферов
В.В. “Визначення
геометрычных параметрiв та
якiсних показникiв змiщення
евольвентного зачеплення”, ХАI,1999р.
.Бейзедьман
Р.Д., Цыпкин Б.В., Перель Л.Я. ”Подшипники качения” (справочник), М.
“Машиностроение”,1975, 574с.
. Иванов М.Н.
Детали машин. Учебн. М.: Высшая школа, 1984, 336с.
. Чернин
И.М., Кузьмин А.В., Ицкович Г.М. «Расчеты деталей машин» (справочное пособие).
Издание 2-е, переработанное и дополненное. - Минск: «Высшая школа», 1978 -
472с.
. Чернавский
С.А., Снесарев Г.А., Боков К.Н. «Проектирование механических передач».
Учебно-справочное пособие по курсовому проектированию механических передач.
Издание пятое, переработанное и дополненное. - Москва: «Машиностроение», 1984 -
560с.