Обоснование автоматизации технологических процессов

  • Вид работы:
    Дипломная (ВКР)
  • Предмет:
    Другое
  • Язык:
    Русский
    ,
    Формат файла:
    MS Word
    1,87 Мб
  • Опубликовано:
    2012-04-15
Вы можете узнать стоимость помощи в написании студенческой работы.
Помощь в написании работы, которую точно примут!

Обоснование автоматизации технологических процессов

Содержание

Введение

. Анализ объекта

.1 Описание технологического процесса и оборудования

.2 Описание технологического процесса как объекта управления

.3 Описание математической модели объекта

.4 Описание аналогов систем управления

.5 Выводы

. Разработка структурной схемы автоматизации

. Разработка функциональной схемы автоматизации

. Расчет и выбор технических средств

.1 Выбор средств измерения технологических переменных

.2 Выбор и расчет регуляторов

.3 Расчет и выбор исполнительных механизмов

.4 Выбор управляющего устройства

. Расчет САУ

.1 Разработка структурной схемы САУ

.2 Построение переходного процесса. Оценка качества системы

. Разработка принципиальной электрической схемы

.1 Разработка структурной электрической схемы

.2 Описание работы принципиальной электрической схемы

. Расчет надежности САУ

. Разработка алгоритма функционирования системы и подсистема

. Экономическая часть

.1 Основные технико-экономические показатели

.2 Капитальные затраты на осуществление проекта

.3 Расчет текущих издержек эксплуатации оборудования

9.3.1 Заработная плата

.3.2 Затраты на электроэнергию

.3.3 Амортизация оборудования

.3.4 Затраты на ремонт и содержание оборудования

9.4 Использование производственных площадей

.5 Дополнительные (цеховые) расходы

.6 Эксплутационные издержки

.7 Расчёт экономической эффективности автоматизации производства

.8 Определение срока окупаемости дополнительных капитальных вложений

.9 Выводы

. Охрана труда

.1 Общие положения

.2 Характеристика литьевой машины U-102

.3 Санитарно-гигиенические мероприятия. Вентиляция. Отопление

.4 Санитарно-гигиенические мероприятия. Освещение

.5 Мероприятия по пожарной безопасности

.6 Компенсация профессиональных вредностей. Индивидуальная защита. Личная гигиена

. Промышленная экология

Заключение

Литература

Введение

Научно-технический прогресс в промышленности определяется степенью совершенствования технологии, внедрением принципиально новых технологических процессов, модернизацией оборудования, прежде всего автоматизированного, с микропроцессорными и компьютерными системами контроля и управления; широким применением автоматизированных систем управления технологическими участками, цехами, предприятиями и т.д.

Высокие темпы автоматизации оборудования, а также участков, цехов требуют практически непрерывного совершенствования технических средств автоматики. Современное оборудование оснащено специализированными компьютерными системами управления, позволяющими выполнять сложные технологические операции без непосредственного участия человека с гарантированным качеством продукции. Постоянно повышаются экономические требования к автоматизации - быстрая окупаемость затрат, экономия энергии и т.д. Существенно повышены экологические требования и требования техники безопасности.

Изготовление обуви из деталей включает большое число разнородных операций на оборудовании, традиционно ориентированном на использование ручного труда. Автоматизация обувных машин предусматривает в основном автоматическое регулирование режимов нагрева, прессования и других операций с целью облегчения физических усилий рабочего, однако в целом доля ручного труда еще достаточно велика.

При анализе производственного процесса как технологического объекта управления заведомо упрощают модель объекта, отражая в ней лишь приоритетный процесс. Это удобно при анализе ТОУ, при синтезе автоматических систем регулирования (АСР), однако необходимо помнить, что модель объекта - лишь упрощенное представление технологического процесса.

В наиболее общем определении автоматизация технологического процесса (оборудования) означает применение автоматических устройств и систем для выполнения функций управления этим процессом с целью частичного, а в дальнейшем полного освобождения человека от ручного труда.

Известны следующие объективные причины, вызывающие необходимость применения автоматических устройств как самостоятельных функциональных блоков в схеме производственной машины или агрегата: 1) получение информации, необходимой для качественной и количественной оценки работы ТОУ; 2) обеспечение заданных пусковых и остановочных режимов; 3) предупреждение возникновения критических и аварийных ситуаций; 4) поддержание заданных значений технологических переменных и режимных параметров, определяющих нормальное функционирование оборудования при воздействии случайных возмущений и внешних управляющих команд; 5) оптимизация хода технологического процесса с целью повышения его эффективности при непрерывно изменяющихся внешних условиях и внутренней структуры модели управляемого объекта; 6) улучшение условий труда людей с одновременным изменением его содержания.

В связи с тем что практическое осуществление автоматизации может быть сопряжено со значительными затратами, возникает необходимость предварительного рассмотрения экономической целесообразности- внедрения автоматических устройств. Целесообразность автоматизации технологического процесса выявляется исходя из экономических показателей, оцениваемых с учетом таких факторов, как степень механизации и автоматизации рассматриваемого оборудования; однородность сырья; стабильность источников энергии и материальных потоков; неизменность требований к технологическим режимам обработки материалов (деталей, изделий); наличие датчиков, приборов, автоматических регуляторов, позволяющих проводить анализ сырья, измерение режимных параметров, контроль и управление; технические возможности осуществления управляющих воздействий и установки исполнительных устройств; потребность в вычислительных устройствах; ориентировочная стоимость устройств, устанавливаемых в связи с автоматизацией; численность и квалификация персонала по эксплуатации систем автоматизации.

Экономически обоснованная автоматизация технологических процессов ведет к росту объема производства, уменьшению численности основных производственных рабочих, повышению производительности труда и снижению удельного расхода заработной платы на единицу продукции. Однако одновременно увеличивается стоимость основных фондов и, следовательно, появляются дополнительные; затраты на амортизацию, а также на текущий ремонт и обслуживание; технических средств системы. При этом может возникнуть необходимость введения дополнительного обслуживающего персонала либо замена имеющегося на более квалифицированный. Годовой экономический эффект определяется по разности приведенных затрат сравниваемых вариантов с учетом совокупности экономии. В методиках расчета экономической эффективности автоматизации принимается во внимание также улучшение качества получаемой продукции влияние автоматизации на сопряженные процессы.

Особенность всех производств легкой промышленности - высокая доля стоимости сырья в общей стоимости готовых изделий (в меховом производстве - до 95% общей стоимости).

Острый дефицит натурального сырья (с учетом отмеченной особенности) приводит к требованию наиболее полного его использования, а в перспективе - к безотходному производству, т.е. использования; сырья на 100%. Это главное требование экономической эффективности автоматизации и вообще научно-технического прогресса в легкой промышленности.

В связи с невысокой интенсивностью некоторых технологических процессов (жидкостные операции в кожевенном и меховом производствах) простое "навешивание" автоматических приборов и регуляторов на оборудование часто не дает желаемого экономического эффекта. Эти задачи необходимо решать комплексно, т.е. кардинально менять технологию, оборудование с целью существенного усилений интенсивности процессов, тогда и автоматизация даст значительный экономический эффект.

1. Анализ объекта

 

1.1     Описание технологического процесса и оборудования


В производстве деталей и узлов низа и верха обуви, а также обувных колодок из полимерных материалов широко используют литьевые агрегаты и автоматы. Полимерный материал вначале пластифицируется в обогреваемом цилиндре и затем впрыскивается в замкнутую охлаждаемую (для термопластов) или обогреваемую (для реактопластов) пресс-форму, в которой деталь (или изделие) затвердевает. Температура цилиндра и пресс-формы регулируется и изменяется в зависимости от свойств полимерного материала. Наибольшее распространение получил метод литья полимерных материалов под давлением.

Процесс изготовления подошв основан на заполнение формующей полости расплавом с последующим его уплотнением за счет давления и охлаждения.

Плавление, пластикация и дозировка полимера осуществляется периодически с постоянной для каждого конкретного изделия частотой вращения червяка.

Подготовка гранул ТЭП для литья. Добавление втор сырья.

Контроль: Сырье должно быть одного цвета и марки. Сырье должно быть сухим.

Технологические нормативы:

. При избыточной влажности сырье должно быть подсушено.

. Сухое сырье одного цвета и марки насыпают в бункер накопитель.

3. Температура гранул (ТЭП) должна быть приближена к комнатной.

. Допустимое содержание вторичного сырья не более 10 %.

. Гомогенно перемешанная смесь засыпается по бункерам литьевых машин.

Литье подошв под давлением.

Контроль: Смесь в бункере машины должна быть тщательно перемешена.

Технологические нормативы:

. Литье - периодический процесс, в котором технологические операции выполняются в определенной последовательности:

а. Плавление и дозирование полимера,

б. Смыкание пресс-форм.

в. Литье в пресс-форму.

г. Пневматическое окончание литья.

д. Выдержка под давлением (допрессовка).

е. Период охлаждения изделия.

ж. Раскрытие пресс-форм.

з. Выталкивание изделий.

. Допустимое количество применяемого регенерата составляет 10-12%.

. Процесс литья осуществляется после достижения заданных температур в цилиндре пластификации.

Для монолитных материалов - 140-160 °С.

Для пористых материалов - 120-140 °С.

Температура литья может отличаться от нормативов, в зависимости от используемого материала.

. Основные параметры литья задаются на реле времени литьевой машины:

а. Время впрыска.

б. Время допрессовки.

в. Время охлаждения.

Реле имеет 2 шкалы: «N» и «SS», где N - шкала измерения (1-4), SS - величина измерения (10-99).

«N» «SS» = сек.

«1» --- 10 = 0.1 сек.

«2» --- 10 = 1сек.

«3» --- 10 = 10 сек.

«4» --- 10 = 60 сек.

Время впрыска равно:

для м/детского, детского ассортимента (ф.211Л559, 241213, 341213, Pina) - «N» = «3», «SS» = «20-30»;

для женского ассортимента (ф.Аllа, Ида): - «N» = «3», «SS» = «55-65», (ф.S-942 - «N» =«3», «SS» = «10-15»).

Время впрыска зависит от фасона, размера подошв и используемого материала. Время допрессовки подбирается экспериментальным путем, в зависимости от фасона, размера подошв и используемого материала.

Время охлаждения равно: «N» «SS»

ф.211Л559 - «3» «70-80»

ф.241213, 341213, Pina - «4» «10-15»

ф.Аlla, Ида - «4» «50-60»

ф.Б-942 - «3» «25-30»

Время охлаждения зависит от фасона, размера подошв и используемого материала.

. Отлитые подошвы извлекаются из пресс-форм и контролируются по качеству.

. Подошвы раскладываются на тележки по размерам и фасонам.

. Необходимо контролировать полный съем литников с пресс-форм.

Несмотря на большое разнообразие конструкций, у литьевой машины любой степени автоматизации можно выделить блок литьевой головки и блок прессовой части. Основными механизмами и устройствами блока литьевой головки являются устройство для дозирования полимерного материала (в виде гранул, порошка, ленты, шнура и т.п.); устройство для нагревания и плавления полимерного материала; механизм впрыска расплава или размягченной резиновой смеси в пресс-форму. Устройствами и механизмами блока прессовой части являются охлаждаемая или обогреваемая пресс-форма, состоящая цельных частей и раскрывающаяся для удаления готовой детали или изделия; механизм или устройство для выталкивания готовой детали или изделия из полости пресс-формы, механизм для замыкания и размыкания частей пресс-формы.

Помимо указанных механизмов и устройств литьевые машины имеют аппаратуру для управления основными параметрами цикла (температурой расплава или смеси, температурой пресс-формы, объёмом и давлением впрыска, продолжительностью цикла и т.д.); приводы; вспомогательную аппаратуру и устройства, обеспечивающие безопасность работы (системы электрической и механической блокировки и т.д.); устройства по охране окружающей среды.

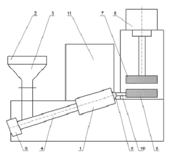
Исходным объектом для автоматизации служит литьевой агрегат SVIT модификация U 102 (Чехия).

Литьевой агрегат SVIT - двухсекционная машина и предназначена для литья подошв из термоэластопласта [1]. Каждая секция может работать независимо. Шнек подает материал так, что расплав легко заполняет гнездо пресс-формы.

Рисунок 1.1 - Литьевой агрегат SVIT

На рисунке 1.1 схематично изображена машина SVIT, работающая следующим образом. Машина включается заранее для разогрева термокамер экструдера 1 до требуемой температуры. Далее в загрузочный бункер 2 засыпается термоэластопласт. Гранулят поступает прямо из загрузочных воронок, установленных выше червячного механизма. Начало зоны питания образовано окончанием нарезки червяка, что обеспечивает плавное поступление полимера. При каждом обороте червяка освобождается такое количество гранулята, которое поместится до начала выемки в зоне питания червячного механизма.

Приводы червячных механизмов можно запускать только после достижения температуры 150°С в цилиндре пластификации. С помощью шнека 4, приводимого в движение электродвигателем 5, термоэластопласт проходит три зоны нагрева в экструдере, где он плавится и пластифицируется. При этом смыкаются верхняя 7 и нижняя 8 части пресс-формы S1. С помощью соответствующих кнопок сжимают пресс-форму, после чего начинается процесс литья, т.е. запускают привод червячного механизма и одновременно открывают сопло. Пластифицированный термоэластопласт через сопло 9 и литьевые каналы 10 нижней части пресс-формы под действием шнека попадает в форму, где выдерживается определенное время под давлением. При литье под давлением подошв в пресс-формах автоматическое окончание литья производится с помощью пневматического датчика. Небольшим отверстием в виде круглого кольца, установленного в пресс-форме, В момент достижения расплава этого отверстия сжатому воздуху закрывается проход. В схеме повышается давление, которое через мембрану с помощью микро выключателя немедленно прекратит ход двигателя. После окончания литья устанавливают давление сжатого воздуха с помощью редукционной станции по манометру до значения 0,03-0,05 МПа.

Одновременно с допрессовкой начинается охлаждение пресс-формы. Наконец пресс-форма раскрывается S2, и рабочий вынимает подошву и затвердевший в литниковой системе термоэластопласт. Во время охлаждения происходит усадка термо- эластопласта, и для этого нужна допрессовка, которая длится менее одной секунды.

Время допрессовки рассчитывается в зависимости от размера отливаемой подошвы и вида термоэластопласта и назначается по таблицам. Регулирование температуры шнека осуществляется в трех зонах в пределах от 0 до 250 °С.

Тактограмма работы литьевого агрегата Svit представлена на рисунке 1.2.

Рисунок 1.2 - Тактограмма работы SVIT U-102

Технические характеристики литьевого агрегата Svit представлены в таблице 1.1.

Таблица 1.1 - Технические характеристики литьевого агрегата Svit

Наименование показателей

Единицы измерения

Базисный вариант

Габаритные размеры агрегата: длина ширина высота

 мм мм мм

 1255 2175 2500

Площадь, занимаемая агрегатом

м2

6,82

Количество секций

шт

2

Высота рабочего стола

мм

1100

Диаметр червяка

мм

60

Соотношение размеров червяка L:d


20

Размеры пресс-форм: ширина глубина высота

 мм мм мм

 300-440 400 5-110

Расстояние литника от основания (регулируемое)

мм

15-95

Масса агрегата

кг

2250

Производительность агрегата при использовании материала: - ПВХ - ТЭП

  1/час 1/час

  до 130 до 100

Потребность сжатого воздуха (при максимальной производительности)

м3/час

до 35

Установленная мощность машины

кВт

31,5

Рабочая мощность машины

кВт

17

Мощность электродвигателей

кВт

2x9,5

Потребляемая мощность нагрева одного червяка

кВт

6

Регулируемая температура червяка

°С

0-250

Регулируемая температура пресс-формы

°С

0-150



1.2 Описание технологического процесса как объекта управления


При разработке автоматической системы управления данным технологическим процессом можно выделить следующие контуры управления:

3 зоны регулирования температуры расплава в экструдере;

контур регистрации уровня термоэластопласта в загрузочном бункере;

контур управления вращением шнека;

контур управления температурой пресс-форм;

контур управления положением пресс-форм;

контур управления механизмом выталкивания готовой детали;

контроль давления расплава в пресс-формах.

Контур регулирования температуры расплава в экструдере должны обеспечивать равномерный разогрев, расплавление и пластификацию термоэластопласта по всей длине экструдера. Температура расплава должна регулироваться в пределах 0 - 180 ˚С.

Контур регистрации уровня термоэластопласта в загрузочном бункере необходим для контроля уровня термоэластопласта. Уровень термоэластопласта в загрузочном бункере должен составлять 200 мм, при меньшей величине этого параметра система должна подать аварийный сигнал и затем выполнить программу аварийной остановки.

Контур управления температурой пресс-формы необходим для регулирования процесса нагрева, а затем и охлаждения пресс-формы в ходе рабочего цикла. Пределы регулирования температуры пресс-формы составляют 0-150 °С.

Контур управления вращением шнека необходим для контроля скорости вращения шнека в ходе цикла, автоматическом завершении цикла в критических ситуациях и информировании об этом оператора.

Контур управления положением пресс-форм необходим для регистрации положения пресс-форм и выдачи разрешения на дальнейшее протекание цикла.

Контур управления механизмом выталкивания готовой детали необходим для автоматического выталкивания готовой детали при завершении цикла.

Система контроля длительности цикла необходима для контроля всех стадий технологического процесса литья: процесс заливки расплава в пресс-форму - до 60 сек, допрессовка - до 1 сек, охлаждение - до 360 сек. Также необходимо предусмотреть ручную настройку параметров длительности каждой стадии процесса.

Кроме того, система должна иметь некоторые контуры контроля.

Контроль давления расплава в пресс-формах необходим для сигнализации об окончании процесса заливки термоэластопласта в пресс-формы или аварийном завершении цикла и информировании об этом оператора. Давление расплава в пресс-форме при окончании литья достигает 2 МПа.

Различные контуры аварийного окончания цикла обработки необходима для наискорейшего завершения цикла при возникновении аварийных ситуаций и информировании об этом оператора (падение температуры в 1, 2, 3 зонах; падение давления в пневматической системе; контроль уровня гранулированного сырья в бункере накопителя; блокировка пресс-формы; отказ холодильного оборудования).

1.3 Описание математической модели объекта


Температура по ходу движения термоэластопласта для качественного ведения процесса формования деталей низа обуви определяется технологическим регламентом термообработки термоэластопласта в экструдере. Прежде всего, необходимо плавное нарастание температур вдоль экструдера, не допустим перегрев полимера, при котором может произойти разрушение молекулярной структуры эксгрудата (явление деструкции).

Желаемое распределение температурного поля в термоэластопласте вдоль экструдера не всегда удается обеспечивать и тем более поддерживать стабильно по целому ряду причин. Во-первых, из-за сложности тепловых явлений в экструдере, которые сопровождаются изменением агрегатного состояния термоэластопласта, его теплофизических (удельная теплоемкость) и реологических (вязкость) характеристик, а также из-за тепловых взаимовлияний между тепловыми зонами и отдельными элементами экструдера (стенкой, полимером и червяком). Во-вторых, тепловая энергия поступает в термоэластопласт не только от нагревателей, но и выделяется внутри термоэластопласта в результате внутреннего трения, причем в зависимости от реологического состояния термоэластопласта внутреннее тепловыделение не одинаково. Поэтому уже по этой причине для изучения динамики тепловых процессов в экструдере требуется математическое моделирование процесса, тем более что число нагревателей фиксированное и, следовательно, возможности формирования температурных полей ограничены вообще и с точки зрения исключения явления деструкции в частности.

Сложность тепловых явлений в экструдере и наличие возмущений процесса термообработки полимера, с одной стороны, и высокие требования к качеству формуемых деталей - с другой, определило необходимость использования регуляторов с целью стабилизации температуры полимера на выходе из экструдера в целом [2].

Работа регуляторов оказывает влияние на все режимы работы экструдеров, в том числе и на динамику тепловых процессов в экструдере. С учетом изложенного задачи моделирования тепловых процессов в экструдере как таковом и моделирования тепловых процессов в нем при работе совместно с регуляторами являются весьма важными.

При описании математической модели процессов, протекающих в экструдере, необходимо рассматривать данный процесс как совокупность тепловых процессов, происходящих в термоэластопласте, стенке гильзы экструдера и в шнеке. По характеру физических процессов, протекающих на каждом участке червяка, его разделяют на три физические зоны: зона загрузки - участок, в котором материал движется в виде нерасплавленного сухого спрессованного стержня; переходная зона - участок, в котором на поверхности контакта материала с гильзой образуется, за счет плавления материала, пленка расплава, высота которой постепенно увеличивается и далее почти полностью происходит плавление материала; зона дозирования - участок, в котором материал движется в вязкотекучем состоянии. Поэтому рассмотрим каждый процесс в отдельной зоне экструдера.

Рассмотрение задачи регулирования тепловых режимов в экструдере начинается с составления уравнений элементов агрегата. Динамики нагрева термоэластопласта в каждой зоне экструдера описывается уравнением вида [2]:

, (1.1)

где Tст.ср. - осредненная температура стенки гильзы экструдера;

Тпл.ср. - осредненная температура полимера;

Тпл.шн. - осредненная температура поверхности шнека;

Тшн.ср. - осредненная температура шнека;

Тпл.вх. - температура полимера на входе в i-ю тепловую зону.

,         (1.2)

где pi - плотность полимера;

сi - удельная теплоемкость полимера;i - площадь поперечного сечения экструдера, заполненного полимером;i - длина i-й тепловой зоны;- массовый расход полимера;тп.ст.i - коэффициент теплопередачи через стенки экструдера.

,       (1.3)

где kтп.шн.i - коэффициент теплопередачи через шнек экструдера:

Коэффициенты влияния полимера, шнека, стенок на теплопередачу:

,      (1.4)

, (1.5)

,      (1.6)

,          (1.7)

При построении математической модели тепловых процессов в стенке гильзы экструдера будем считать, что на тепловое состояние стенки оказывают влияние нагреватели, расположенные на внешней поверхности гильзы экструдера, термоэластопласт, перемещающийся внутри экструдера, а также тепловое состояние стенок соседних зон.

Необходимо также учесть следующее обстоятельство. Обычно в тепловых объектах имеют место эффекты, близкие к эффектам запаздывания. Однако если при рассмотрении теплообмена между стенкой и термоэластопластом, термоэластопластом и шнеком тепловые процессы возможны в двух направлениях, то в случае теплообмена между нагревателями и стенкой тепловые процессы распространяются в одном направлении - от нагревателя к стенке и поэтому эффект чистого запаздывания выражается более четко. В связи с этим в уравнение динамики тепловых процессов следует ввести функцию запаздывания. Тогда с учетом изложенного уравнение динамики тепловых процессов в стенке гильзы экструдера имеет вид [2]:

, (1.8)

где Тстi - постоянная времени объекта;н.ст.i - коэффициент передачи объекта на участке «нагреватель - стенка», принимаем kн.ст.i = 1;

р - оператор Лапласа.

При построении математической модели тепловых процессов, протекающих в шнеке экструдера в пределах одной тепловой зоны, следует иметь в виду, что нагревание и охлаждение происходят в зависимости от изменения температуры термоэластопласта, перемещающегося в канале шнека. Кроме того, на тепловые процессы в шнеке в пределах тепловой зоны оказывают влияние тепловые процессы, протекающие в соседних зонах.

Уравнение динамики тепловых процессов в шнеке будет иметь вид [2]:

,          (1.9)

где Тшн.i - постоянная времени объекта;пл.шн.i - коэффициент передачи между полимером и шнеком;шн.i-1,i - коэффициент передачи между участками шнека предыдущей и данной тепловых зон (для первой тепловой зоны этот коэффициент равен нулю);шн.i+1,i - коэффициент передачи между участками шнека последующей и данной тепловых зон;

р - оператор Лапласа.

На основании уравнений динамики тепловых процессов для стенки, термоэластопласта и шнека можно составить математическую модель тепловой зоны, а затем математическую модель всего экструдера как систему моделей тепловых зон.

Объединив уравнения, описывающие динамику тепловых процессов в стенке, термоэластопласте и шнеке для некоторой i-ой тепловой зоны, получим модель тепловой зоны:

(1.10)

При дальнейшем упрощении, с учетом опытных данных, полученных при анализе работы экструдера ШР-20, имеющем три однотипные тепловые зоны, получаем математическую модель системы автоматического регулирования температуры в тепловой зоне экструдера [2]:

,             (1.11)

где T - постоянная времени объекта;н.ср. - коэффициент передачи объекта (нагреватель-стенка);

ΔТст.ср. - отклонение средней температуры стенки в тепловой зоне;

ΔJ - изменение значения силы тока на выходе регулятора;

τст - время чистого запаздывания;'(t) - суммарное возмущение, действующее на объект (возмущение по расходу, текущие возмущения, возмущение, эквивалентное неточности математической модели системы автоматического регулирования).

Таким образом, передаточная функция объекта управления (тепловой зоны) будет иметь вид:

  (1.12)

Выполним аппроксимирующую замену, используя выражения (1.13), и получим приближенное выражение передаточной функции объекта регулирования (1.14):

      (1.13)

          (1.14)

Исходя из передаточной функции объекта регулирования, можно сказать, что необходим регулятор с ПД или ПИД законом регулирования для уменьшения инерционности системы (т.к. необходима дифференциальная составляющая для уменьшения инерционности). Лучше использовать регулятор с ПИД законом регулирования, т.к. он обеспечивает лучшую точность за счет появления апериодической составляющей.

Уточнение закона регулирования и определение оптимальных параметров настройки регулятора будут произведены в процессе расчета системы автоматического управления.

 


1.4 Описание аналогов систем управления


Аналогом разрабатываемой системы управления может служить пневматическая система управления литьевого агрегата Svit U102. Данная система управления позволяет задаваться всеми основными параметрами технологического процесса, соблюдать очередность стадий процесса литья и получать готовые изделия с заданными параметрами качества.

Недостатком пневматической системы управления является отсутствие контуров диагностики технологических параметров и самодиагностики. Отсутствует сигнализация аварийных режимов:

падение температуры в 1, 2, 3 зонах;

падение давления в пневматической системе;

отсутствие контроля уровня гранулированного сырья в бункере накопителя;

отсутствует блокировка пресс-формы (только гидравлический замок);

отказ холодильного оборудования не контролируется.

В результате чего делается невозможным фиксирование аварийного состояния, обнаружение механизма, приведшего систему в аварийный режим. Вследствие этого система управления позволит продолжить технологический процесс, в результате которого произведенный продукт будет содержать брак.

Возможные аварийные ситуации:

. При падении давления в пневматической системе не срабатывают датчики останова электродвигателей.

. Отказ работы холодильного оборудования:

пресс-форма не охлаждается;

не полное охлаждение подошвы;

раздувание подошвы.

. Неплотное смыкание пресс-формы.

В случае не срабатывания механических замков пресс-формы происходит перелив подошвы, образуется «облой» материала.

 

.5 Выводы


В результате анализа работы литьевого агрегата были определены основные контуры регулирования:

контур регулирования температуры термореактопласта в экструдере - замкнутый контур локальною типа (регулирование температуры в пределах 0 - 180°С ± 5%);

контур управления температурой пресс-формы - замкнутый контур (регулирование температуры в пределах 0 - 150°С ± 5%);

контур управления положением пресс-формы - разомкнутый контур;

контур управления механизмом выталкивания готовой детали - разомкнутый контур.

Также для повышения надежности и стабильности работы агрегата необходимо ввести:

систему контроля уровня термореактопласта в бункере (минимальный уровень термореактопласта- 200 мм);

систему контроля за вращением шнека;

систему контроля давления расплава в пресс-форме;

систему контроля длительности цикла (общая длительность цикла до 200 сек);

систему аварийного окончания цикла;

систему контроля положения пресс-формы;

систему контроля снижения температуры в экструдере (1 и 2 зоны) и пресс-форме (3 зона);

систему контроля падения давления в пневматической системе агрегата;

cистему контроля работы холодильного оборудования (охлаждения пресс-формы).

2. Разработка структурной схемы автоматизации

Структурная схема (по ГОСТ) - это схема, определяющая основные функциональные части системы автоматизации, их назначение и взаимосвязи. Для автоматических систем часто составляют скелетные структурные схемы.

Структурная схема автоматизации предназначена для определения системы контроля и управления ТП данного объекта и установление связей между щитами и пультами управления, агрегатами, операторскими рабочими постами. Структурная схема является основным проектным документом, в котором устанавливаются оптимальные каналы административно-технического и операторского управления. В них отражаются особенности ТП и ТСА при создании локальных систем контроля и автоматизации.

Структурная схема в общем виде отражает используемый комплекс технических средств автоматизации, принцип взаимодействия технологического объекта с устройством управления и оперативным персоналом.

Построение структуры системы управления пресса для литья низа обуви будем производить исходя из контуров регулирования отдельных технологических параметров. Построение структурной схемы в общем виде позволит уточнить ее при выборе ТСА и компоновке выбранного оборудования.

На данном оборудовании можно выделить два объекта управления: ОУ1 - пресс-форма, ОУ2 - литьевая система.

Для первого объекта необходимо контролировать положение (Рисунок 2.1 ДП1, ДП2) и температуру пресс-формы (Рисунок 2.1 ДТ1).

В ОУ2 выделим следующие параметры: температура в трех зонах разогрева (Рисунок 2.1 ДТ2, ДТ3, ДТ4), давления расплава (Рисунок 2.1 ДД1), уровень термоэластопласта в загрузочном бункере (Рисунок 2.1 ДУ1), скорость вращения шнека в ходе цикла (Рисунок 2.1 ДС1).

Электрические сигналы с измерительных преобразователей поступают на управляющее устройство. Наиболее перспективным будет использование промышленного контроллера. Наличие встроенной памяти (RAM), таймеров, счетчиков, множество дискретных и аналоговых входов-выходов, возможность подключения дополнительных модулей, расширяющих возможности использования, унифицированный выходной сигнал - все это говорит в пользу применения промышленного контроллера.

Часть структурной схемы, показывающая устройства воздействия на технологический объект, имеет общий вид и представлена в виде 9 силовых преобразователей (ПР1 - ПР9) и 9 исполнительных механизмов (ИМ1 - ИМ9).

ИМ1 - привод пресс-формы;

ИМ2 - привод выталкивателя;

ИМ3 - регулятор напряжения, подаваемого на ТЭНы пресс-формы;

ИМ4 - двигатель системы охлаждения;

ИМ5, ИМ6, ИМ7 - регулятор напряжения, подаваемого на ТЭНы литьевой системы;

ИМ8 - двигатель вращения шнека;

ИМ9 - вентиль подачи расплава в пресс-форму.

Силовые преобразователи необходимы для преобразования управляющего сигнала промышленного контроллера в силовой, воздействующий непосредственно на ИМ.

На структурной схеме также изображены пульт управления (ПУ), блок аварийной сигнализации (БАС) и наличие канала связи с АСУ предприятия.

Структурная схема изображена на рисунке 2.1



























Рисунок 2.1 - Структурная схема автоматизации

3. Разработка функциональной схемы автоматизации

Функциональной схемой (по ГОСТ) называют схему, разъясняющую определенные процессы, протекающие в отдельных функциональных цепях (линиях, каналах, трактах определенного назначения).

Функциональные схемы автоматизации являются основным техническим документом, определяющим структуру и характер автоматизации ТП, оснащение их приборами и средствами автоматизации. Функциональные схемы служат исходным материалом для разработки всех остальных документов проекта автоматизации.

Функциональные схемы устанавливают:

. оптимальный объем автоматизации ТП;

. технологические параметры, подлежащие автоматическому регулированию, контролю, сигнализации и блокировкам;

. основные ТСА;

. размещение средств автоматизации - местных приборов, отборных устройств, аппаратуры на местных и центральных щитах и пультах;

. взаимосвязь между средствами автоматизации и способы передачи информации.

На функциональных схемах упрощенно изображают технологический процесс и показывают все приборы и аппаратуру, устанавливаемые на щитах, пультах и по месту. Функциональные схемы автоматизации разрабатывают с большей или меньшей степенью детализации, однако объем информации, представленный на схеме, должен обеспечить полное представление о принятых решениях по автоматизации данного технологического процесса.

Также возможность составления на стадии технического проекта заявочных ведомостей на приборы и средства автоматизации, на трубопроводную арматуру, щиты, пульты, основные монтажные материалы и изделия.

Функциональные схемы составляют для основного технологического оборудования и других частей установки, оборудуемых отдельными оперативными постами управления с элементами устройств автоматизации.

Функциональные схемы сложных систем автоматизации составляют раздельно: для устройств автоматического регулирования и дистанционного управления и для устройств технологического контроля и сигнализации. На функциональных схемах технологические линии изображаются толстыми сплошными линиями, а цепи контроля и регулирования - тонкими сплошными линиями.

Все виды автоматики показывают на функциональных схемах в виде условного обозначения, которое установлено ГОСТ 21.404-87.

На чертежах функциональных схем стараются избежать дублирования одинаковых ее частей, относящихся как к технологическому оборудованию, так и к средствам автоматизации. Допускается на свободном поле схемы давать краткую техническую характеристику автоматизируемого технологического объекта, поясняющие таблицы и диаграммы.

Для лучшего понимания режимов работы объекта автоматизации на функциональных схемах указывают предельные рабочие (максимальные или минимальные) значения измеряемых и регулируемых параметров в установившихся режимах работы.

На разработанной функциональной схеме условно показан пресс литья низа обуви в виде экструдера, загрузочного бункера с гранулятором, холодильной установки и пресс-форм. Функциональная схема показана на рисунке 3.1.

При включении питания на пульте управления задаются исходные параметры, т.е. задаются температуры для трех зон экструдера и температура пресс-форм (на нагрев и охлаждение), уровень материала в загрузочном бункере, давление в пресс-форме, координаты для устройства позиционирования. Устройство управления формирует задающие воздействия для регуляторов температуры 2и, 2ж, 3м, 3н, 3п. Также задаются постоянные времени технологического процесса, скорость вращения вала двигателя и параметры для регуляторов 1и, 1к, 5д.

В таблице 3.1 показаны наименования устройств функциональной схеме.

Таблица 3.1 - Наименование устройств функциональной схемы

Обозначение

Наименование

1

2


Первичный преобразователь (чувствительный элемент) для измерения температуры


Первичный преобразователь положения


Первичный преобразователь уровня (датчик уровня в загрузочном бункере)


Первичный преобразователь давления


Первичный преобразователь частоты вращения шнека


Вторичный преобразователь аналогового сигнала с датчиков температуры


Вторичный преобразователь аналогового сигнала с датчиков положения


Вторичный преобразователь аналогового сигнала с датчика уровня


Вторичный преобразователь аналогового сигнала с датчика давления


Вторичный преобразователь аналогового сигнала с датчика частоты вращения шнека


Продолжение таблицы 3.1

1

2


Устройства, регулирующие работу исполнительных механизмов по контуру температуры (дискретное управление)


Устройства, регулирующие работу исполнительных механизмов по контуру положения пресс-формы (дискретное управление)


Устройства, регулирующие работу исполнительных механизмов по контуру давления (дискретное управление)


Устройства, регулирующие работу исполнительных механизмов по контуру частоты вращения шнека (дискретное управление)


Управляющее устройство по контурам регулирования температуры, которое выполняет функции индикации, автоматического регулирования, регистрации и сигнализации


Управляющее устройство по контуру регулирования температуры, которое выполняет функции индикации, включения-отключения, регистрации и сигнализации


Управляющее устройство по контуру регулирования положения, которое выполняет функции индикации, включения-отключения и сигнализации


Управляющее устройство по контуру контроля уровня, которое выполняет функции индикации, регистрации и сигнализации


Управляющее устройство по контуру контроля давления, которое выполняет функции индикации и сигнализации, включения-отключения


Управляющее устройство по контуру регулирования частоты вращения, которое выполняет функции включения-отключения и сигнализации


Пульт управления


Во время работы происходит постоянный опрос датчиков температуры экструдера и пресс-форм (2а, 3а, 3б, 3в). При отклонении температуры от заданной устройство управления формирует сигнал управления, который поступает регуляторы. При этом регулятор обеспечивает непрерывное управление. Датчик давления 5а позволяет контролировать необходимое давление на выходе экструдера. Датчики положения необходимы для контроля смыкания пресс-форм.

Функциональный элемент 7 - ручной задатчик, т.о. реализуется возможность вручную задавать технологические параметры.

Выводы. Разработанная функциональная схема является необходимой частью рабочего проекта автоматизации, и дальнейшее проектирование должно опираться на созданную структуру. В процессе выбора технических средств автоматизации, реализации проекта могут возникнуть изменения, которые необходимо отразить на функциональной схеме.

Рисунок 3.1 - Функциональная схема автоматизации

 

.1 Выбор средств измерения технологических переменных


При автоматизации любого технологического процесса для получения информации об объекте управления используют измерительные преобразователи. Практически любой процесс может быть охарактеризован количественно и это возможно благодаря использованию датчиков совместно с различными измерительными схемами.

Технологический объект - пресс для литья низа обуви - имеет несколько потоков информации, которую необходимо измерить, преобразовать в унифицированный сигнал и передать на устройство управления.

Канал температуры в трех зонах разогрева и канал температуры пресс-формы. Обогрев экструдера осуществляется воротниковыми ТЭНами. Температуру гранулята в зонах разогрева целесообразно измерять погружными термоэлектрическими преобразователями, а температуру пресс-формы - контактным способом.

К датчику измерения температуры предъявлены следующие требования:

унифицированный токовый выход, мА 4... 20;

диапазон измерения, °С 0... 180;

класс точности должен, % 5;

Для измерения температуры используем термопреобразователь фирмы Метран с унифицированным выходным сигналом [22]. Этот датчик предназначен для измерения температуры жидких и газообразных, нейтральных и агрессивных сред, по отношению к которым датчик является коррозионостойким. При контактной установке позволяет измерять температуру поверхностей, что можно использовать в канале измерения температуры пресс-формы.

В таблице 4.1 приведены технические характеристики термопреобразователя, обозначаемого при заказе: Метран 276-09-Exd-100-0.25-Н10-(0..300) - 4-20 mA.

Таблица 4.1 - Технические характеристики датчика Метран 276-09

Параметр

Значение

Исполнение термопреобразователя

ТСПУ

Диапазон измерения, °С

0..300

Выходной сигнал, mА

4-20

Предел допускаемой основной погрешности, %

0.25

Зависимость выходного сигнала от температуры

линейная

Материал защитной арматуры

12Х18Н10Т

Напряжение питания, В

18-42

Потребляемая мощность, Вт

0.9

Длина монтажной части, мм

100

Масса, кг

0.4


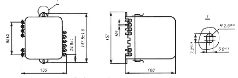
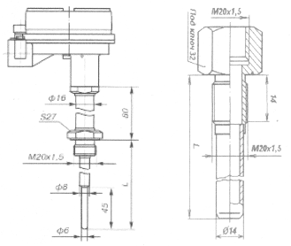
На рисунке 4.1 приведены габаритные и присоединительные размеры датчика и гильзы защитной ЮНКЖ.015.20-14 (материал - сталь 12Х18Н10Т, длина монтажной части - 100 мм):

Рисунок 4.1 - Датчик Метран 276-09 и гильза защитная ЮНКЖ.015.20-14

Схема внешних электрических подключений датчика температуры показана на рисунке 4.2.

Рисунок 4.2 - Схема внешних электрических подключений датчика Метран 276-09

Датчик положения необходим для контроля положения пресс-формы. Выберем магнито-индуктивные датчики линейных перемещений ряда РIM фирмы Turk [21]. Датчики выдают сигналы тока или напряжения (4...20 мА, 0...10 В), пропорциональные положению магнитного задатчика позиции. Датчики очень компактны и нечувствительны к небольшим боковым смещения задатчика позиции. Несмотря на это они обеспечивают очень точное значение позиции при воспроизводимости 0,5% от измеряемой величины. Температурный дрейф не превышает 0,09%. В результате этот ряд датчиков заполняет разрыв между чисто дискретным позиционированием и высокоточными измерительными системами.

На рисунке 4.3 изображены габаритные и присоединительные размеры магнито-индуктивного датчика положения, обозначаемого - PIM30P-Q20L60-UU5-H1141.

Рисунок 4.3 - Магнито-индуктивный датчик PIM30P

В таблице 4.2 приведены технические характеристики магнито-индуктивного датчика положения.

Таблица 4.2 - Технические характеристики магнито-индуктивного датчика PIM30P

Параметр

Значение

1

2

Идентификационный номер

1659874

Длина L, мм

60

Измерительный диапазон, мм

30

Напряжение питания, В

15-30

Диапазон рабочих температур, °С

0-120

Мертвая зона L3, мм

5

Продолжение таблицы 4.2

1

2

Мертвая зона L4, мм

25

Токовый выход, mА

4-20

Частота измерений, Гц

80

Вид защиты

IP67


Схема внешних электрических подключений датчика положения показана на рисунке 4.4.

Рисунок 4.4 - Схема электрических подключений датчика PIM30P

В качестве датчика давления используем пневмодатчик, осуществляющий преобразование пневмосигнала в электрический, сигнализирующий об окончании процесса впрыска расплава в прессформы. Принцип действия данного пневмодатчика (Рисунок 4.5) основан на срабатывании выключателя 1 после поступления воздуха под давлением в зону 2, расположенную перед мембраной 3. Во время подачи термоэластопласта в пресс-форму 4 в нее по пневмошлангу 5 через отверстие в пресс-форме подается воздух под давлением, который далее из пресс-формы отводится по специальным каналам. Воздух в это время в зону 2 не поступает, так как мембрана находится в прижатом состоянии (изображена пунктиром) под действием пружин 6. Как только отверстие в прессформе перекрывается термоэластопластом, воздух начинает воздействовать на мембрану, пружины сжимаются, и срабатывает выключатель 1; отключается электродвигатель, и подача расплава в пресс-форму прекращается. При этом одновременно подается сигнал на устройство управления, информирующий об окончании процесса заливки расплава в пресс-форму.

Рисунок. 4.5 - Датчик давления

Характеристики данного датчика представлены в таблице 4.3.

Таблица 4.3 - Технические характеристики пневмодатчика давления

Параметр

Значение

Номинальное напряжение контактов, В

220

Номинальный ток контактов, А

10

Максимальная допустимая частота включений в час

1200

Механическая износостойкость, млн. циклов ВО

не менее 20

Коммутационная износостойкость контактов реле, млн. циклов ВО: - в режиме нормальных коммутаций; - в режиме редких коммутаций.

  не менее 1,0 1,6

Присоединение внешних проводов к катушкам и контактам реле

Переднее

Климатическое исполнение реле

УЗ, ТЗ и УХЛ4 по ГОСТ 19150-69

Степень защиты

IP00

НТД

ТУ 16-647.043-86


Частота вращения электропривода агрегата составляет не более 1000 об/мин, поэтому в качестве датчика, сигнализирующего о вращении электропривода агрегата, выберем индуктивный датчик фирмы Turck: universal 5850 [21].

Характеристики данного датчика приведены в таблице 4.4.

Таблица 4.4 - Технические характеристики датчика Turck 5850

Параметр

Значение

Идентификационный номер

5850

Напряжение питания, В

постоянное, от 10 до 30

Максмиальная частота, об/мин

6000

Дистанция измерения, мм

20

Диапазон рабочих температур, ˚С

-25…90

Исполнение

IP65

Выходной сигнал, mA

4…20



Монтажные параметры данного датчика частоты вращения представлены на рисунке 4.6.

Рисунок 4.6 - Датчика частоты вращения Turck 5850

Схема внешних электрических подключений датчика частоты вращения показана на рисунке 4.7.

Рисунок 4.7 - Схема внешних электрических подключений датчика частоты вращения Turck 5850

Для контроля наличия гранулята в бункере будем использовать оптический датчик Q50BVI фирмы Turck, который позиционируется как отражательный тестер для контроля расстояния до объекта с аналоговым выходом [21]. Выбор данного датчика выполняем исходя из температурного диапазона работы данного датчика, точности измерения и параметров выходного сигнала.

Габаритные размеры оптического датчика уровня Q50BVI показаны на рисунке 4.8.

Рисунок 4.8 - Габаритные размеры датчика уровня Q50BVI

Технические характеристики оптического датчика уровня Q50BVI приведены в таблице 4.5.

Таблица 4.5 - Технические характеристики датчика Q50BVI

Параметр

Значение

Длина волны излучения, нм

685

Размер светового пятна, мм

max 20

Напряжение питания, В

15 - 30 DC

Потребляемый ток, мА

70

Защита

от переполюсовки, к.з., превышения напряжения

Токовый выход, мА

4...20

Выход по напряжению, В

0...10

Корпус

пластик ABS

Степень зашиты

IP67

Рабочая температура, °С

-10...55

Расстояние переключения, мм

100...300


Схема подключения датчика Q50BVI показана на рисунке 4.9.

Рисунок 4.9 - Схема подключения датчика Q50BVI

 

.2 Выбор и расчет регуляторов


В качестве регуляторов температуры необходимо применять регулятор, реализующий один из типовых законов регулирования (ПИ, ПД, ПИД).

Передаточная функция объекта управления (тепловой зоны) имеет вид: см. формулу 1.14.

Исходя из передаточной функции объекта регулирования, можно сказать, что необходим регулятор с ПД или ПИД законом регулирования для уменьшения инерционности системы (т.к. необходима дифференциальная составляющая для уменьшения инерционности). Лучше использовать регулятор с ПИД законом регулирования, т.к. он обеспечивает лучшую точность за счет появления апериодической составляющей.

Использование отдельного регулятора не требуется, т.к. функции регулирования по всем каналам может выполнять промышленный контроллер посредством разработанной программы.

 

.3 Расчет и выбор исполнительных механизмов


Исполнительный механизм являются оконечным устройством, взаимодействующим непосредственно с объектом управления. Они являются преобразователем электрической энергии непосредственно в механическое движение, тепловую энергию и др.

Выбор исполнительных механизмов основан на определении условий эксплуатации, технических параметров, предъявляемых к ним.

Источником движения в механизме привода шнека является асинхронный двигатель K106L06. Данный двигатель является встроенным в литьевую машину, его параметры взяты из паспорта [1].

Технические характеристики данного двигателя представлены в таблице 4.6.

Таблица 4.6 - Технические характеристики электродвигателя K106L06

Параметр

Значение

Тип

K106L06

Напряжение питания, В

380/220 (Y/A)

Частота питающей сети, Гц

50

Номинальный/пусковой ток, А

22/38

Потребляемая мощность, кВт

9.5

Номинальная частота вращения, об/мин

925

Масса, кг

145


Двигатель системы охлаждения - 4СОА4-12 - имеет характеристики, представленные в таблице 4.7. Также его параметры взяты из паспорта [1].

Таблица 4.7 - Технические характеристики электродвигателя 4СОА412

Параметр

Значение

Тип

4СОА4-12

Напряжение питания, В

380-440/220-254 (Y/A)

Частота питающей сети, Гц

50

Номинальный/пусковой ток, А

0.33/0.57

Потребляемая мощность, Вт

120

Номинальная частота вращения, об/мин

925

Исполнение

Solf


Смыкание пресс-формы и движение выталкивателя осуществляется пневматической системой, управляющий сигнал на пневмореле которой будет поступать с микроконтроллера.

В качестве запорной арматуры для управления пресс-формами и для системы выталкивания готового изделия будем использовать электромагнитные (соленоидные) клапаны запорные проходного прямого действия КЭО 50/1,0/2-6/123 (нормально закрытые) и КЭО 50/1,0/2-6/124 (нормально открытые) фирмы «Технопроект» [25].

Выбор данного исполнительного механизма произведен на основании допустимого давления среды, которое составляет 6 атм. (0,6МПа), и условий его работы.

Приведем технические характеристики сегментного клапана в таблице 4.8.

Таблица 4.8 - Технические характеристики клапана КЭО 50/1,0/2-6

Параметр

Значение

Рабочее давление, МПа

0,1-1,0

Тип среды

газ, жидкость

Температура среды, °С

до 150

Степень защиты

IP54

Посадочный диаметр, мм

50

Напряжение питания привода, В

220

Частота сети, Гц

50

Командный сигнал, В

0...5 DC


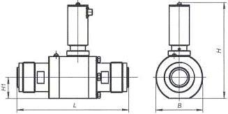
Выбираем электромагнитные (соленоидные) клапаны запорные проходного прямого действия с посадочным диаметром Dy=50 мм. Габаритные размеры изображены на рисунке 4.10, где L=235 мм, В=Т05 мм, Н=175 мм, Н1=44,5 мм.

Рисунок 4.10 - Электромагнитный клапан КЭО 50/1,0/2-6

К исполнительным механизмам следует отнести термоэлектрические нагреватели воротникового типа. Существующие ТЭНы имеют каркасную конструкцию, обеспечивающую более равномерное распределение тепловой энергии [1]. Чертеж воротниковых ТЭНов, установленных во всех зонах разогрева показан на рисунках 4.11, 4.12. Параметры 2 ТЭНов первой зоны (начало разогрева): 490 Вт, 95 В, 2 ТЭНов второй зоны (середина разогрева): 490 Вт, 95 В, 2 ТЭНов третьей зоны (сопло): 100 Вт, 190 В.

Рисунок 4.11 - ТЭН воротникового типа

Рисунок 4.12 - ТЭН воротникового типа

В качестве ТЭНов пресс-формы применим трубчатые электронагреватели патронного типа, которые эффективно работают при нагреве пресс-форм, штампов и литьевых форм. Конструктивно ТЭНП представляют собой металлический корпус, внутри которого расположен нагревательный элемент из проволоки высокого сопротивления (нихром), намотанной в виде спирали на керамический сердечник, изолированный от корпуса электротехническим периклазом. Кожух нагревателя выполнен из хромоникелевой стали с максимальной температурой 750°С. Для пресс-форм ТЭНП выполняются с допуском 0,02 мм. Для нашей пресс-формы выбираем ТЭНП с параметрами: D = 14 мм, L = 350 мм, Р = 358 Вт, Uпит = 220 В [23].

Для питания датчиков, цепи безопасности, контроллера выбираем блок питания фирмы Omron, исходя из потребляемой мощности (примем 5 Вт на элемент), которая составляет приблизительно 50 Вт, а также требуемое напряжение питания: S82H-10024.

В таблице 4.9 приведены технические характеристики выбранного блока питания, на рисунке 4.13 показана схема внешних подключений.

Таблица 4.9 - Технические характеристики блока питания S82H10024

Параметр

Значение

Выходное напряжение, В

24

Выходной ток, А

4.6

Пульсация выходного напряжения, %

2

Номинальная мощность, Вт

100

Диапазон входного напряжения, В

100-240

Диапазон входной частоты, Гц

47 - 450

Габаритные размеры, мм

200x60x110


Рисунок 4.13 - Схема внешних подключений S82H10024

Рассчитаем коммутационную аппаратуру двигателей машины, ТЭНов и системы управления:

) Асинхронный двигатель червяка K106LO6 (9,5 кВт, трёхфазный).

Рассчитаем номинальный ток обмотки статора двигателя:

,        (4.1)

где Р - мощность двигателя, кВт (9,5);- напряжение питающей сети, В (380).

А.      

К пускателю двигателя червяка загрузки предъявим следующие требования:

напряжение питания катушки, В     ~220;

номинальный ток контактов, А     не менее 15А.

Для включения в сеть двигателя червяка применим магнитный пускатель ПМЛ-2100 со следующими характеристиками [29]:

напряжение питания:   ~380В, 50Гц;

максимальный ток контактов: 25А;

степень защиты:            IP20;

На рисунке 4.14 представим габаритные и установочные размеры пускателя ПМЛ-2100.

Рисунок 4.14 - Габаритные и установочные размеры пускателя ПМЛ-2100

А1=90мм; А2=150мм; А3=105мм; L=126мм; L=127мм; H=137мм; H1=150мм.

Для защиты двигателя от тепловых перегрузок установим дополнительно электротепловое реле РТЛ-1322 со следующими характеристиками [29]:

напряжение питания: ~380В, 50Гц;

регулировка тока отключения:       1-25А;

степень защиты:            IP20;

На рисунке 4.15 представим габаритные и установочные размеры электротеплового реле РТЛ-1322.

Рисунок 4.15 - Габаритные и установочные размеры электротеплового реле РТЛ-1322

Для ручного включения и защиты двигателя от перегрузок применим выключатель автоматический.

Максимальный коммутируемый ток через выключатель равен 15А.

Исходя из этого тока выберем выключатель автоматический ВА69-29-3-20 со следующими характеристиками [29]:

номинальное рабочее напряжение:         ~380/660 В;

номинальный рабочий ток:  20А;

количество полюсов:  3;

предельное число коммутаций: 18000;

способ крепления: DIN-рейка 35х7,5мм.

На рисунке 4.16 представим габаритно-присоединительные размеры выключателя автоматического ВА69-29-3-20.

Рисунок 4.16 - Габаритно-присоединительные размеры выключателя автоматического ВА69-29-3-20

Исходя из тока, двигатель подключается четырёхжильным кабелем ПВ4х10.

) ТЭН 1-й зоны нагрева (490 Вт, однофазный).

Рассчитаем номинальный ток ТЭНа по формуле:

,    (4.2)

где Р - мощность двигателя, Вт (120);- напряжение питающей сети, В (220).

А.

Исходя из этого тока выберем выключатель автоматический ВА101-1-4 со следующими характеристиками [29]:

номинальное рабочее напряжение, В: ~220;

номинальный рабочий ток, А: 4;

количество полюсов, шт.: 1;

предельное число коммутаций: 18000;

способ крепления: DIN-рейка.

Исходя из тока, двигатель вентилятора подключается трёхжильным кабелем ПВС3х1.

Включим ТЭН через реле РН-33 со следующими техническими характеристиками [29]:

номинальное переменное напряжение контактов, В ~220;

максимальный ток контактов, А 5;

наименьший номинальный рабочий ток контактов, А 0,01;

потребляемая мощность, ВА 14;

максимальная частота включений, час-1 600;

количество контактов, шт. 1.

масса, кг 0,3.

Габаритные размеры реле РН-33 представлены на рисунке 4.17.

Рисунок 4.17 - Габаритные размеры реле РН-33

) ТЭН 2-й зоны нагрева (490 Вт, однофазный). Аналогично предыдущему.

) ТЭН 3-й зоны нагрева (100 Вт, однофазный).

Рассчитаем номинальный ток ТЭНа по формуле (4.2):

А.

Исходя из этого тока выберем выключатель автоматический ВА101-1-1 и реле РН-33.

Каждый ТЭН подключим трёхжильным кабелем ПВС3х1.

) Схема управления.

Схема управления потребляет ток 4А. Исходя из этого тока выберем выключатель автоматический ВА101-1-5 со следующими характеристиками [29]:

номинальное рабочее напряжение, В: ~220;

номинальный рабочий ток, А: 5;

количество полюсов, шт.: 1;

предельное число коммутаций: 18000;

способ крепления: DIN-рейка.

Все низковольтные датчики подключим трёхжильным кабелем КВВГ3х0,25, силовые цепи контроллера - трёхжильным кабелем ПВС3х2.

Для размещения этого оборудования предусмотрим следующие щиты:

щит управления (контроллера);

щит силовой (с пускателями, автоматами и реле).

В качестве щита управления (контроллера) выберем Estetica-12004 [30] с габаритными размерами: 400х300х200 мм.

Внутри щита силового в каждой из 4-х секций разместим следующие устройства:

главный автоматический выключатель машины;

автоматический выключатель системы управления;

пускатели ТЭНов;

пускатель холодильной установки;

пускатель двигателя червяка;

реле электротепловое двигателя червяка и холодильной установки.

На рисунке 4.18 представим внешний вид щита силового.

Рисунок 4.18 - Внешний вид щита силового

Вверху и внизу щита расположены кабельные вводы для подключения нагрузок. На щит напряжение питания ~380В, 50Гц приходит с общезаводского вводно-распределительного устройства.

На рисунке 4.19 приведём схему заземления электрооборудования литьевой машины.

Рисунок 4.19 - Схема заземления электрооборудования литьевой машины

К - контроллер (заземлению не подлежит, т.к. установлен в пластиковом корпусе);

ЩС - щит силовой.

В качестве устройства сигнализации применим удалённый светозвуковой сигнализатор аварии. Установим его на стойке контроллера. В качестве звуковой сирены применим МС-105, габаритный чертёж которой изображён на рисунке 4.20. В качестве световой части сигнализатора применим индикатор AD-22DS (красный).

Рисунок 4.20 - Габаритный чертёж звуковой сирены МС-105

Схема сигнализации изображена на рисунке 4.21.

Рисунок 4.21 - Схема сигнализации

А1 - управляющее устройство (контроллер);А1 - звуковая сирена;- световой сигнализатор.

 


4.4 Выбор управляющего устройства


В качестве устройства управления всеми процессами на прессе для литья низа обуви выберем промышленный контроллер, т.к. это дозволит использовать многие его достоинства:

расчет и выдача необходимых технологических команд;

повышение надежности функционирования АСУТП;

возможность накопления информации о ходе ТП для построения технико-экономических характеристик.

Выберем контроллер фирмы Mitsubishi серии MELSEC FX2N [27]/

Серия MELSEC FX2N оснащена более мощным процессором среди всех контроллеров MELSEC FX. Серия сочетает преимущества компактных контроллеров с производительностью модульных:

• Один из самых быстродействующих контроллеров в мире в данном классе: 0.08 мс на логическую инструкцию.

• Обширный набор инструкций: 125 специализированных инструкций для эффективного программирования сложных задач

• Простота обращения

• Встроенные часы реального времени

• Встроенный ПИД-регулятор с автоматической настройкой параметров

• Операции с плавающей запятой, функция квадратного корня

• Большой размер памяти: до 16000 байт управляющей программы

Особым достоинством этого контроллера является возможность подключения внешних модулей, совместимых с данным оборудованием. Одновременно можно подключить 8 таких модулей, а если использовать модуль расширения, то количество внешних устройств резко увеличится.

Проанализировав количество нужных входов/выходов, выбираем контроллер FX2N-32 MR-ES/UL.

Контроллер способен работать в реальном времени и может быть использован как для построения узлов локальной автоматики, так и узлов, поддерживающих интенсивный коммуникационный обмен через сети Indusrial Ethernet, Profibus.

В таблице 4.10 приведены характеристики контроллера с таким процессором.

Таблица 4.10 - Технические характеристики контроллера FX2N-32 MR-ES/UL

Параметр

Характеристика

1

2

Количество I/O

32

Напряжение питания, В

100-240

Частота напряжения питания, Гц

50-60 (±10%)

Потребляемая мощность, VA

40

Пиковый ток при включении, А

60

Количество входов

16

Гальваноразвязка между входами и питанием

Опторазвязка

Количество выходов/тип

16/реле

Уровень коммутируемого напряжения, В

<250

Срок службы контактов, число коммутаций

200000

Вес, кг

0,65

Габаритные размеры, мм

150Ч90Ч87

Номер при заказе

141274


Схема внешних подключений показана на рисунке 4.23, а расположение клемм показано на рисунке 4.22:

Рисунок 4.22 - Расположение клемм контроллера FX2N-32 MR-ES/UL

Рисунок 4.23 - Схема внешних подключений контроллера FX2N-32 MR-ES/UL

Для расширения системы ввода-вывода центрального процессора выберем два дополнительных модуля ввода-вывода аналоговых сигналов.

Модули аналогового ввода-вывода предназначены для аналого-цифрового преобразования внешних аналоговых сигналов и цифро-аналогового преобразования выходных сигналов ПЛК для формирования аналоговых воздействий на объект управления.

Преимущества использования модулей ввода-вывода:

а) оптимальная адаптация: использование аналоговых модулей позволяет в максимальной степени адаптировать контроллер к решению комплексных задач управления.

б) непосредственное подключение датчиков и исполнительных устройств: 8-разрядные и более преобразователи, широкий спектр входных и выходных сигналов позволяет производить непосредственное подключение аналоговых датчиков и исполнительных устройств без дополнительных усилителей.

в) гибкость: расширение спектра применения контроллеров за счет программной обработки аналоговых сигналов.

Данный модуль позволит подключить к промышленному контроллеру измерительные цепи, получать количественную информацию о ходе ТП.

Выберем дополнительные модули ввода аналоговых сигналов FX2n-8AD и FX2n-2AD. Техническая информация по модулю представлена в таблице 4.11.

Таблица 4.11 - Характеристика блоков FX2n-8AD и FX2n-2AD

Параметр

FX2n-8AD

FX2n-2AD

1

2

3

Аналоговые входы

8

2

Напряжение питания, В

24 DC

24DC

Диапазон аналоговых сигналов, mA

4-20

4-20

Разрешающая способность, бит

16

11

Время преобразования на канал, мксек

500

2500

Продолжение таблицы 4.11

1

2

3

Внутренняя память

EEPROM

-

Вес, кг

0,3

0,2

Габаритные размеры, мм

75Ч105Ч75

43Ч90Ч87

Номер при заказе

129195

102869


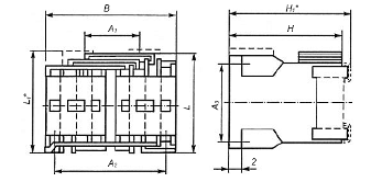
Расположение клемм модулей FX2n-8AD и FX2n-2AD показаны на рисунке 4.24.

Рисунок 4.24 - Расположение клемм модулей FX2n-8AD и FX2n-2AD

Схема внешних электрических соединений модулей FX2n-8AD и FX2n-2AD показана на рисунке 4.25.

Рисунок 4.25 - Схема внешних электрических соединений FX2n-8AD и FX2n-2AD

Для организации операторского интерфейса можно выбрать панель управления и отображения FX-10DM-E, которая позволяет получить доступ к параметрам управляющей программы. Дисплей имеет 2 строки по 16 символов. Подключение к контроллеру осуществляется через кабель FX-20P-CAB0. Питание: 5 V DC от базового модуля. Номер при заказе: 132600.

Т.о. используя промышленный контроллер с его техническим и программным обеспечением, можно осуществить управление всем технологическим процессом. А использование дополнительных модулей расширения дает возможность создания АСУ ТП более высокого уровня или интеграции в АСУП.

автоматизация модель оборудование

5. Расчет САУ

 

.1 Разработка структурной схемы САУ


Структурная схема системы автоматического регулирования температуры термоэластопласта представлена на рисунке 5.1.

Рисунок 5.1 - Структурная схема системы автоматического регулирования температуры расплава.

где WНЭ(p) - передаточная функция нагревательного элемента,оу(p) - передаточная функция объекта управления,д(p) - передаточная функция датчика.

Передаточная функция термоэлектрического нагревателя определяется:

       (5.1)

где  - коэффициент передачи термоэлектрического нагревателя;

 - постоянная времени термоэлектрического нагревателя.

При определении коэффициента передачи и постоянной времени термоэлектрического нагревателя будем исходить из того, что термоэлектрический нагреватель - катушка индуктивности, тогда напряжение на этой катушке определяется как

,     (5.2)

где  - напряжение на термоэлектрическом нагревателе;

 - действующее значение тока, протекающего по термоэлектрическому нагревателю;

 - сопротивление обмотки термоэлектрического нагревателя, 75 Ом;

 - индуктивность обмотки термоэлектрического нагревателя, 37 Гн.

Введем оператор Лапласа, который определяется как

       (5.3)

Тогда с учетом (5.3) выражение (5.2) принимает вид:

(5.4)

Коэффициент передачи и постоянная времени термоэлектрического нагревателя будут иметь вид:

      (5.5)

где  - максимальная температура разогрева (200 0С);

 - напряжение питания (220В ).



     (5.6)

Подставляя численные значения, получаем

Передаточная функция объекта управления, как указано имеет вид:

(5.7)

где Тст - постоянная времени объекта,н.ср. - коэффициент передачи объекта (нагреватель-стенка);

tст - время чистого запаздывания.

При проведении экспериментальных исследований экструдера РГШ-160, аналога экструдера, установленного на литьевом агрегате Svit, были получены следующие значения данных параметров:

Тст = 107с,н.ст. = 0,067,

tст = 50с.

Передаточная функция датчика температуры:

,   (5.8)

где  - коэффициент передачи датчика, принимаем 1,

 - постоянная времени датчика, принимаем 2 с.

5.2 Построение переходного процесса. Оценка качества системы

Для оценки качества системы построим переходный процесс из условия работы системы рабочая температура 1600С.

Переходный процесс представлен на рисунке 5.2.

Проведём анализ качества системы:

         систематическая ошибка равна 20С (при задании управления необходимо вносить корректировку на данное значение, т.е. в нашем случае сигнал задания 1620С)

         статическая ошибка равна 50С

         перерегулирование составляет 1,5 0С

         время регулирования 270 с.

Полученные результаты удовлетворяют заданным требованиям.



6. Разработка принципиальной электрической схемы

 

.1 Разработка структурной электрической схемы


На принципиальной схеме изображают все электрические элементы или устройства, необходимые для осуществления и контроля в изделии заданных электрических процессов, все электрические связи между ними, а также электрические элементы (соединители, зажимы и т. п.), которыми заканчиваются входные и выходные цепи.

На структурной электрической схеме должны быть изображены все устройства и элементы, входящие в состав изделия, их входные и выходные элементы (соединители, платы, зажимы и т.п.), а также соединения между этими устройствами и элементами, которые на схеме изображаются в виде прямоугольников или упрошенных внешних очертаний.

Структурная электрическая схема - последовательность соединения электрических модулей в общей цепи включения.

Проектирование электрической схемы будем вести с учетом выбранных компонентов, структурной и функциональных схем автоматизации.

Мы имеем девять измерительных каналов, которые выдают унифицированный токовый сигнал. Каждый датчик требует только напряжение питания.

Все сигналы с вторичных преобразователей поступают на модули ввода-вывода аналогового сигнала в составе промышленного котроллера.

Принципиальная электрическая схема изображена на рисунке 6.1.

Для управления работой исполнительных механизмов используются электромагнитные реле, управляемые с помощью контроллера.

На рисунке 6.1 использованы следующие обозначения:

А1, А2 - модули ввода аналоговых сигналов FX2n-8AD и FX2n-2AD;

А3 - панель управления и отображения FX-10DM-E;

А4 - контроллер FX2N-32 MR-ES/UL;

А5 - пневмодатчик;

В1 - В2 - датчик положения PIM30P;

В3 - датчик частоты вращения Turck; В4 - датчик уровня Q50BVI;

ВК1 - ВК4 - датчики температуры Метран 276-09;, G2 - блок питания S82H-10024;- FU12 - предохранители;

ЕК1, ЕК2 - ТЭНы ТЭНП-14-220;

ЕК3 - ТЭНП-100-190;

ЕК4, ЕК5 - ТЭНы ТЭНП-490-95;- HL4 - сигнальные лампы;

КК1, КК2 - тепловые реле;

КМ1 - КМ7 - электромагнитные пускатели;

КМ1.1, КМ2.1, КМ3.1, КМ3.2, КМ4.1, КМ5.1, КМ6.1, КМ7.1 - контакты электромагнитных пускателей;

М1, М2 - двигатели;- QF3 - автоматические выключатели;, YA2 - электромагнитные реле; Z1 - сетевой фильтр.

Питание блоков питания и модуля процессора осуществляется от сети питания 220 В 50 Гц. Питание исполнительных механизмов - от сети 380 В.

После обработки информации промышленным контроллером, через релейные выходы оказывается воздействие на исполнительные механизмы. Это отражено на электрической схеме.

 

.2 Описание работы принципиальной электрической схемы


Датчики запитываются от источника питания 24 В и непрерывно вырабатывают аналоговый сигнал 4 - 20 mA. Этот сигнал поступает на аналоговые модули ввода-вывода, где преобразуются в цифровую форму и затем поступают на обработку в контроллер. Контроллер в соответствии с заданной программой вырабатывает управляющее воздействие на исполнительные механизмы. Все исполнительные механизмы (кроме ТЭНов) работают в режиме «вкл - выкл», т.е. используется двухпозиционное регулирование с гистерезисом. При подаче управляющего напряжения на реле оно замыкает соответствующие контакты, и соответствующий исполнительный механизм начинает работать. При достижении требуемого технологического эффекта контроллер снимает управляющий сигнал, и исполнительный механизм останавливается.

Для регулирования температуры в зонах разогрева экструдера и пресс-форм используется встроенный в контроллер ПИД - регулятор. Параметры настройки регулятора по заданным критериям качества определяются при расчете САУ. Для защиты двигателей от перегрузки используем тепловые реле и предохранители. Для защиты цепей питания на каждой из них стоит отдельный автоматический выключатель.

Разработка электрической схемы велась в направлении использования модульно - блочной аппаратуры, поэтому основной схемой является схема подключений.

Рисунок 6.1 - Принципиальная электрическая схема

7. Расчет надежности САУ

Надежность - свойство систем выполнять заданную функцию, сохраняя во времени значения эксплуатационных показателей в заданных пределах, соответствующих заданным режимам и условиям использования, технологического обслуживания, ремонта и транспортировки.

Основным показателем для количественной оценки безотказности элемента является вероятность безотказной работы P(t) - вероятность того, что при заданных условиях эксплуатации в течение определенного времени не возникнет отказов.

Для анализа сложных изделий, прошедших период приработки, а так же систем, работающих в тяжелых условиях под воздействием механических и климатических нагрузок, используют экспоненциальный закон распределения вероятности [28].

Вероятность безотказной работы определим по формуле:

, (7.1)

где λ - среднее значение интенсивности отказов;- время.

Среднее время безотказной работы системы контроля можно найти по формуле:

,    (7.2)

где λ - среднее значение интенсивности отказов.

Расчет надежности производится следующим образом. Все элементы разбиваются на группы с примерно одинаковой интенсивностью, подсчитывается число элементов в каждой группе.

Тогда интенсивность отказов для группы элементов λ0, ч-1 определим по формуле:

,     (7.3)

где n - число элементов схемы данного наименования;

λ - среднее значение интенсивности отказов;- число наименований элементов схемы.

Вероятность отказа какого-либо элемента в течении года определим по формуле:

 (7.4)

В таблице 7.1 сведены данные по интенсивности отказов для технических средств.

Таблица 7.1 - Характеристика технических средств САУ

Технические средства

Гарантийный срок эксплуатации, лет

Число элементов, n

λj· ·10-6, ч-1

λjn· ·10-6, ч-1

 Рi(8760)

1

2

3

4

5

6

1. Блочно-модульная аппаратура

3

5

0.6

3.0

0.9947

2. Датчики

3

9

0.5

4.5

0.9956

3. ТЭН хомутовый

3

3

0.55

1.65

0.9952

1

2

3

4

5

6

4. ТЭН пальчиковый

3

2

0.55

1.1

0.9952

5. Магнитные пускатели

8

6

0.5

3.0

0.9956

6. Автоматические выключатели

8

2

0.6

1.2

0.9947

7. Электрические двигатели переменного тока

8

2

0.65

1.3

0.9943

8. Предохранители

3

8

2

16

0.9826

9. Тепловые реле

2

2

0.5

1

0.9956


λ0 = 32.75 · 10-6


Определим вероятность безотказной работы системы автоматизации за период работы 1 год (8760 ч) по формуле 7.4:

  (7.5)

Определим среднее время безотказной работы:

 часов.          (7.6)

Расчет показал, что при использовании данной элементной базы среднее время безотказной работы системы составляет 30530 часов, при этом вероятность безотказной работы системы равна 0.75.

8. Разработка алгоритма функционирования системы и подсистем

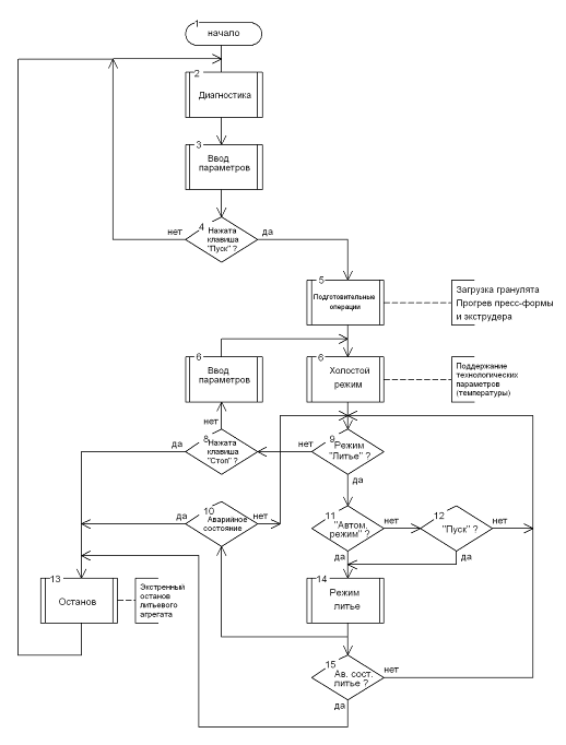
Алгоритм функционирования системы представляет собой структурную последовательность рабочих операций, выполняемых системой при ее работе. Такой алгоритм облегчает понимание правильного функционирования системы при разработке программного обеспечения для АСУ ТП.

Разработку алгоритма управления системой ведём в соответствии с технологией литья подошв, техническим заданием, структурной и

На рисунке 8.1 изображен основной алгоритм. Сначала проводится диагностика системы, после пуска и инициализации системы необходимо ввести параметры, необходимые для проведения технологических операций. Затем ожидается нажатие кнопки «Пуск». Если она нажата, то проводятся подготовительные операции и после выхода на рабочий режим, ожидается подтверждение на операцию литья.

Основной алгоритм функционирования системы обеспечивает связь человека с технологическим процессом и его ручное воздействие на режимы работы системы.

Система ожидает ввода параметров ТП, начало проведения последовательности операций, экстренный останов системы.

На рисунке 8.2 изображен алгоритм режима запуска. Здесь показано включение экструдера, регулятора температуры, производится опрос датчиков температуры и регулировка всех параметров до выхода на нормальный уровень.

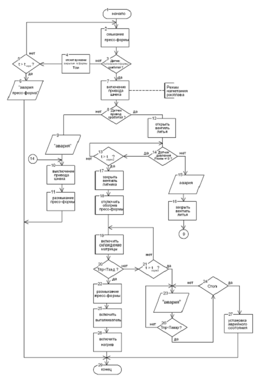
На рисунке 8.3 - изображен алгоритм режима литья. Здесь реализована последовательность работы механизмов, и контроль системы на аварийный режим.

Т.о. алгоритм функционирования системы облегчает понимание работы оборудования, последовательности технологических операций, что в итоге направлено на разработку программного обеспечения для управляющего устройства (промышленного контроллера).

Рисунок 8.1 - Основной алгоритм

Рисунок 8.2 - Алгоритм режима запуска

Рисунок 8.3 - Алгоритм режима литья

9. Экономическая часть

Оснащение агрегата для литья низа обуви автоматизированной системой управления позволит сократить время на операции, что повысит производительность труда. Эффективность производства при использовании автоматизированного литьевого агрегата очевидна.

Установка автоматизированной системы управления требует дополнительных денежных затрат, которые отразятся на стоимости оборудования. Расчет основных экономических показателей в сравниваемых вариантах поможет установить целесообразность применения такого агрегата.

Большое значение имеет оценка экономического эффекта, который может получить предприятие от применения автоматической системы управления, от повышения качества продукции, возможного увеличения производительности труда, благодаря современному автоматическому управлению агрегатом для литья низа обуви.

 

.1 Основные технико-экономические показатели


Характеристика основных технико-экономических показателей базисного и проектируемого варианта приведена в таблице 9.1.

Таблица 9.1 - Характеристика основных технико-экономических показателей базисного и проектируемого вариантов

Наименование показателей

Единицы измерения

Вариант



базисный

проектный

1

2

3

4

Производительность

пар/час

6

7

Годовой выпуск изделий при односменном режиме

пар/год

12000

14000

Количество обслуживающего персонала

чел.

1

0,25

Требующийся разряд рабочих

ед.

IV

IV

Номинальный годовой фонд времени работы оборудования

ч./год

2000

2000

Габаритная площадь единицы оборудования

м2/ед.

6,82

6,82

Производственная площадь единицы оборудования

м2/ед.

8

8

Мощность оборудования

кВт

31,5

27

Цена единицы базового оборудования

32205

32205


Как видим из таблицы 9.1, планируется увеличение производительности оборудования за счет применения новой системы управления. Причем при автоматизированной системе один рабочий может обслуживать четыре агрегата литья низа обуви.

 

.2 Капитальные затраты на осуществление проекта


В состав капитальных вложений, необходимых для создания и внедрения проектируемой системы, включатся следующие статьи единовременных затрат:

затраты на основное оборудование;

затраты на создание автоматизированной системы управления;

монтажные расходы.

Затраты на монтажные работы примем в размере 10% от стоимости оборудования.

Таблица 9.2 - Капитальные вложения по сравниваемым вариантам

Наименование показателей

Единицы измерения

Вариант



базисный

проектный

Цена единицы оборудования

тыс. руб.

32205

32205

Расчётное количество оборудования на принятый объём производства

ед.

1

1

Стоимость расчётного количества оборудования

тыс. руб.

32205

32205

Стоимость автоматизированной системы управления

тыс. руб.

0

12882

Затраты на монтаж

тыс. руб.

3221

4509

Итого капвложений

тыс. руб.

35426

49596



Так как автоматизированная система устанавливается на уже существующее оборудование, следовательно, возрастет стоимость оборудования в проектном варианте на сумму денежных средств, необходимых на создание и внедрение проекта.

 

.3 Расчет текущих издержек эксплуатации оборудования


Издержки эксплуатации оборудования с автоматизированной системой управления состоят из заработной платы рабочих, затрат на электроэнергию, амортизации оборудования и прочих затрат.

 

.3.1 Заработная плата

Расходы на заработную плату определяются по основным производственным рабочим исходя из отработанного времени, часовой тарифной ставки, премиальных доплат и отчислений на социальное страхование.

Таблица 9.3 - Расчет заработной платы по сравниваемым вариантам

Наименование показателей

Единицы измерения

Вариант



базисный

проектный

Норма обслуживания расчётного количества оборудования

чел.

1

0,25

Разряд работы

ед.

IV

IV

Часовая тарифная ставка

руб.

1353,859

1353,859

Номинальный годовой фонд времени работы оборудования

ч./год

2000

2000

Основная заработная плата на годовой объём производства

тыс. руб.

2708

677

Премии в размере 40%

тыс. руб.

1083,2

271

Итого заработная плата со всеми видами доплат за год

тыс. руб.

3791,2

948

Отчисления на социальное страхование (36,3%)

тыс. руб.

1376,2

344

Итого заработная плата с доплатами и отчислениями на социальное страхование

тыс. руб.

5167,4

1292


Учитывая, что производительность при внедрении автоматизированной системы увеличится, а затраты на заработную плату снизятся - существует возможность применения такой системы.

 

.3.2 Затраты на электроэнергию

Расход электроэнергии определяется исходя из общей потребляемой мощности устройств контроля, времени работы в году и потребного количества оборудования.

Годовые затраты на электроэнергию (Сэ) рассчитываются:

Сэ = NУСТ Ч ТНОМ Ч КО Ч ЦЭ  (9.1)

где NУСТ - установленная мощность оборудования, кВт;

ТНОМ - номинальный фонд времени работы оборудования, час;

КО - необходимое количество оборудования, ед.;

ЦЭ - стоимость 1 кВт×ч. электроэнергии, руб.

Таблица 9.4 - Затраты на электроэнергию по сравниваемым вариантам

Наименование показателей

Единицы измерения

Вариант



базисный

проектный

Установленная мощность электродвигателей

кВт.


19

Установленная мощность прочих потребителей электроэнергии

кВт.


8

Необходимое количество оборудования

ед.

1

1

Суммарная мощность оборудования

кВт.

31,5

27

Годовой фонд времени работы оборудования

час.

2000

2000

Годовой расход электроэнергии

кВт

63000

57000

Стоимость 1 кВт×ч. электроэнергии

руб.

188,4

188,4

Затраты на электроэнергию

тыс. руб.

11869,2

10173,6



9.3.3 Амортизация оборудования

Амортизационные отчисления определяются по данным предприятия в процентах от стоимости оборудования. Годовые амортизационные отчисления при сроке эксплуатации 10 лет составляют 10%.

Таблица 9.5 - Расчёт амортизационных отчислений по вариантам

Наименование показателей

Единицы измерения

Вариант



базисный

проектный

Стоимость расчётного количества оборудования с затратами на транспорт и монтаж

тыс. руб.

35426

49596

Годовые амортизационные отчисления

тыс. руб.

3543

4960


9.3.4 Затраты на ремонт и содержание оборудования

Затраты на ремонт и содержание оборудования принимаются по данным предприятия либо могут быть приняты ориентировочно в размере 5% от стоимости оборудования. Их размер приведен в таблице 9.6.

Таблица 9.6 - Расчет затрат на ремонт и содержание оборудования

Наименование показателей

Единицы измерения

Вариант



базисный

проектный

Стоимость оборудования

тыс. руб.

35426

49596

Затраты на ремонт и содержание оборудования

тыс. руб.

1771,3

2479,8


9.4 Использование производственных площадей


Производственная площадь определяется, исходя из габаритной площади машины с учётом дополнительной площади на проходы по длине и ширине машины.

Размеры дополнительной площади определяются по данным предприятия.

Таблица 9.7 - Показатели использования производственных площадей по сравниваемым вариантам

Наименование показателей

Единицы измерения

Вариант



базисный

проектный

Годовой выпуск изделий в расчёте на единицу проектируемого оборудования

м

12000

14000

Потребное количество оборудования на принятый объём выпуска продукции

ед.

1

1

Габаритная площадь единицы оборудования

м2

6,82

6,82

Габаритная площадь потребного количества оборудования

м2

6,82

6,82

Производственная площадь, занимаемая единицей оборудования

м2

8

8

Производственная площадь потребного количества оборудования

м2

8

8


9.5 Дополнительные (цеховые) расходы


Дополнительные расходы, приходящиеся на оборудование, включают амортизационные отчисления от стоимости цеховых зданий, затраты на содержание и текущий ремонт.

Дополнительные расходы (цеховые) устанавливаются на предприятии в процентном отношении к заработной плате рабочих.

На предприятии ОАО «Красный Октябрь» согласно разработанной плановой смете накладных расходов процент дополнительных расходов установлен в размере 71%.

Таблица 9.8 - Цеховые расходы по сравниваемым вариантам

Наименование показателей

Единицы измерения

Вариант



Базисный

Проектный

Заработная плата со всеми видами доплат

тыс. руб.

3791,2

948

Цеховые расходы

тыс. руб.

2691,8

673,1



Цеховые расходы, принятые дополнительно исходя из деятельности предприятия, рассчитываются от заработной платы рабочих, а следовательно, они изменятся в проектном варианте в расчете на 1 оборудование.

 

.6 Эксплутационные издержки


В таблице 9.9 приведены годовые эксплутационные затраты для базисного и проектируемого вариантов оборудования.

Таблица 9.9 - Сводная таблица эксплутационных издержек

Наименование показателей

Единицы измерения

Вариант



базисный

проектный

Заработная плата с доплатами и отчислениями

тыс. руб.

5167,4

1292

Затраты на электроэнергию

тыс. руб.

11869,2

10173,6

Амортизационные отчисления

тыс. руб.

3543

4960

Затраты на ремонт и содержание оборудования

тыс. руб.

1771,3

2479,8

Цеховые расходы

тыс. руб.

2691,8

673,1

Итого эксплутационные издержки

тыс. руб.

25042,7

19578,5


.7 Расчёт экономической эффективности автоматизации производства

Эффективность автоматизации производства, как и любого другого научно-технического проекта, выражается в виде отношения эффекта (результата) к затратам, связанным с ее реализацией.

Экономический эффект от автоматизации производства можно определить по следующей формуле:

ЭП = ЦБ Ч(КП ЧКД - 1) + И + К, (9.2)

где ЦБ - цена базового изделия;

КП - коэффициент учёта роста производительности автоматизированного станка по сравнению с базовым, рассчитываемый как отношение (В21) годовых объёмов продукции, производимой при использовании автоматизированного станка (В2) и базового (В1);

КП = В2 / В1 = 14000/12000 = 1,17.

КД - коэффициент учёта изменения срока службы автоматизированного объекта по сравнению с базовым и рассчитываем исходя из срока службы нового и базового оборудования (Т2 и Т1 соответственно) с учетом морального износа и принятого коэффициента эффективности капиталовложений (ориентировочно может применяться в размере 0,2 1/год):

КД = (1/Т2 + ЕП) / (1/Т1 + ЕП).                   (9.3)

В соответствии с формулой (9.3) коэффициент КД принимает значение равное:

КД = (1/10 + 0,2) / (1/10 + 0,2) = 0,3/0,3 = 1.

И - изменение текущих издержек эксплуатации у потребителя при использовании автоматизированного объекта взамен базового (без учета затрат на реновацию) за срок службы нового объекта с учётом морального износа, исходя из годовых эксплуатационных издержек потребителя (соответственно, И1 и И2) при использовании им базового и нового объекта в расчёте на объём продукции, производимой с помощью автоматизированного объекта:

И = (И1 - И2) / (1/Т2 + ЕП) (9.4)

Таким образом, изменение текущих издержек эксплуатации в соответствии с формулой (9.4) принимает значение, равное:

И = (25042,7 - 19578,5) / (1/10 + 0,2) = 18214 тыс. руб.

К - изменение отчислений от сопутствующих капитальных вложений потребителя за весь срок службы с учётом морального износа при использовании им автоматизированного объекта взамен базового:

К = ЕП Ч (К2 - К1) / (1/Т2 + ЕП) (9.5)

Изменение отчислений от капитальных вложений по проектному варианту равно:

К = 0,2 Ч (49596 - 35426) / (1/10 + 0,2) = 9446,7 тыс. руб.

Таким образом экономический эффект от автоматизации производства в соответствии с формулами (9.3) - (9.5) принимает значение, равное:

ЭП = 32205 Ч (1,17 Ч1 - 1) + 18214 + 9446,7 = 33135,55 тыс. руб.

 

.8 Определение срока окупаемости дополнительных капитальных вложений


Для временной характеристики сравнительной эффективности проектируемого и базового варианта целесообразно определить так называемый “срок окупаемости” дополнительных капиталовложений (ТОК), характеризующего число лет, в течение которых дополнительные капитальные вложения в более дорогой вариант оборудования окупаются за счёт годовой экономии в издержках производства:

ТОК = (К2 - К1) / (И1 - И2),      (9.6)

где К1, К2 - суммарные капитальные вложения по сравниваемым вариантам;

И1, И2 - ежегодные издержки по сравниваемым вариантам.

В соответствии с формулой (9.6) срок окупаемости дополнительных капиталовложений составляет:

ТОК = (49596 - 35426) / (25042,7 - 19578,5) = 2,6 года.

По рассчитанным данным проектного и базисного вариантов срок окупаемости проекта по автоматизации литьевой машины составил 2,6 года. Это свидетельствует о целесообразности внедрения автоматизированной системы управления.

 

.9 Выводы


Внедрение автоматизированной системы управления литьевой машины U-102 поможет снизить издержки, приходящиеся на работу данного оборудования, и повысить производительность труда работника. Следует отметить, что предприятию лишь необходимо будет затратить денежные средства на разработку и внедрение автоматизированной системы, которые в ближайшее время окупятся за счет снижения эксплутационных затрат.

Для внедрения автоматизированной системы и обслуживания литьевой машины необходимы капитальные вложения в размере 49596 тыс. рублей. Данная сумма окупается, поскольку один работник будет обслуживать четыре машины, а не четыре рабочих как было в базовом варианте. При этом экономический эффект от автоматизации литьевой машины составит 33135,55 тысяч рублей.

10. Охрана труда

 

.1 Общие положения


Охрана труда, создание безопасных и здоровых условий на предприятии лёгкой промышленности способствует повышению эффективности труда и улучшению качества выпускаемой продукции. Поэтому на всех предприятиях необходимо внедрение современных средств техники безопасности и обеспечение санитарно-гигиенических условий, устраняющих производственный травматизм и профессиональные заболевания. Особое внимание должно уделяться вопросам улучшений условий труда, санитарно-оздоровительным мероприятиям. При проектировании оборудования, используемого на предприятиях лёгкой промышленности, следует учитывать соответствие создаваемых конструкций требованиям норм охраны и гигиены труда.

Предприятия лёгкой промышленности оснащены сложным технологическим оборудованием и к лицам, обслуживающим это оборудование, предъявляются высокие требования с точки зрения обеспечения эффективности, надёжности и безопасности работы машин и аппаратов. Причина производственного травматизма или профессионального заболевания, как правило, определяется комплексом факторов, зависящих от надёжности и безопасности машины или технологического процесса, поведения человека, управляющего ими, его быстродействия, точности, надёжности, влияния окружающей среды и других факторов. Причинами травматизма могут быть опасные и вредные производственные факторы, которые подразделяются на следующие группы:

по природе воздействия они могут быть физические, химические, биологические и психофизические;

ошибки при изготовлении, наладке и ремонте технологического оборудования;

отказ в работе оборудования и систем, обеспечивающих его работу;

неправильная организация рабочего места и технологического процесса;

ошибки в действиях человека, управляющего технологическим процессом;

недостатки в подборе, обучении персонала.

Все планируемые мероприятия по охране труда должны обеспечить нормальные и безопасные условия труда обслуживающего персонала и должны разрабатываться исходя из конкретных особенностей проектируемого объекта.

Охрана труда в Республике Беларусь обеспечивается системой законодательных актов, социально-экономических, организационных, технических и лечебно-профилактических мероприятий и средств, обеспечивающих безопасность, сохранение здоровья и работоспособности человека в процессе труда. Основой законодательства о труде является Трудовой Кодекс РБ, принятый Палатой представителей и одобренный Советом Республики 30 июня 1999 года. Часть трудового законодательства составляет действующее законодательство об охране труда, которое заключено в главе 16 «Охрана труда» (статьи 221-232), раздел II - «Общие правила регулирования индивидуальных трудовых и связанных с ними отношений». Этот раздел регламентирует права работников на охрану труда, гарантии этих прав, права на компенсацию по условиям труда, обязанности нанимателя по обеспечению охраны труда и т.д.

Кроме вышеперечисленного в систему законодательных актов, регулирующих вопросы охраны труда в Республике Беларусь, входят:

Конституция РБ, гарантирующая право граждан на здоровье и безопасные условия труда;

Закон РБ «Об основах государственного социального страхования», в котором предусмотрены вопросы страхования граждан от несчастных случаев на производстве и профзаболеваний;

Закон РБ «О санитарно-эпидемическом благополучии населения», направленный на предупреждение воздействия неблагоприятных факторов среды на здоровье населения и регламентирует действия органов государственной власти и управления, предприятий и организаций, должностных лиц и граждан по обеспечению санитарно-эпидемического благополучия;

Закон РБ «О сертификации продукции, работ, услуг», который обеспечивает безопасность продукции для жизни, здоровья и имущества населения, а так же охрану окружающей среды;

Закон РБ «О коллективных договорах и соглашениях», определяющий правовые основы заключения и исполнения коллективных договоров и соглашений для содействия регулированию трудовых отношений и согласованию социально-экономических интересов работников и нанимателей, в частности в вопросах создания здоровых и безопасных условий труда, улучшения охраны здоровья, среды.

 

.2 Характеристика литьевой машины U-102


Данная характеристика отражена в таблице 10.1

На основе анализа данных даётся полная характеристика имеющихся на предприятии опасных, вредных, токсичных, пожароопасных и взрывоопасных веществ, отражены разработанные мероприятия по обеспечению безопасного труда обслуживающего персонала.

Таблица 10.1 - Характеристика литьевой машины U-102

Исходные параметры

Характеристика параметра

      Опасные и вредные факторы, имеющиеся в конструкции изделия либо проявляющиеся при его эксплуатации

Наличие вредных, опасных или токсичных веществ.

нет


Наличие источников ионизирующего излучения

нет


Наличие вибраций

Да (в пределах нормы)


Наличие шума

Да (в пределах нормы)


Наличие источников электромагнитных полей

нет


Наличие возможности поражения человека электрическим током

да, см. табл. 6.3


Наличие опасностей при работе изделия на холостом ходу и при обработке изделий

да, см. табл. 6.4


Все планируемые мероприятия по охране труда обеспечивают безопасные и здоровые условия труда обслуживающего персонала и разрабатываются исходя из проектируемого обувного производства. Анализ опасных и вредных факторов обувного производства и общая характеристика этого производства представлен в таблице 10.2.

Таблица 10.2 - Общая характеристика обувного производства

Исходные параметры

Характеристика реализуемого параметра

1

2

Класс помещения по опасности поражения электрическим током.

Особо опасные

Напряжение электрического тока питания электросистем изделия , В

Освещение: 220 Электрический привод: 380

1

2

Тип исполнения электрооборудования

закрытое

Класс электрооборудования по способу защиты человека от поражения электрическим током

I

Средства коллективной защиты от поражения электрическим током.

Защитное заземление, изоляция токоведущих частей

Способ отключения электрооборудования от сети.

Общий рубильник, кнопка «стоп», автомат

Сопротивление изоляции токоведущих частей, МОм

Не менее 0.5

Тип заземления

Выносное

Удельное сопротивление, Ом*м

1*102(суглинок)

Нормируемое значение сопротивления защитного заземления, Ом

3,3

Индивидуальные средства защиты

Диэлектрический коврик



Рассчитаем схему заземления, выполненную вертикальными стержнями d=6 см, l=2,5 м, грунт - суглинок ρ=100 Ом. Заземляющее устройство предполагается выполнить в виде прямоугольника 2030 м. Стержни соединены между собой стальной полосой 404 мм и зарыты на глубину t0=0,7 м. Коэффициент сезонности Кс=1.

Расчёт ведётся по следующей методике.

Сопротивление растеканию тока для одного вертикального стержневого заземлителя:


Расстояние между стержнями a принимаем равным 5 м.

Определяем предварительно число стержней. Длина соединительной полосы равна периметру прямоугольника: =100 м.

 стержней.

Коэффициент использования заземлителей: ηст=0,63.

Необходимое число труб для системы заземления при Rзаз=4 Ом:

 стержней.

Сопротивление растеканию соединительной стальной полосы, Ом:

,

где lп - длина соединительной полосы, м;- эквивалентный диаметр, d=0,04 м.

 Ом.

Требуемое сопротивление системы заземления:


В таблице 10.3 приведена характеристика опасностей при работе изделия на холостом ходу и при выполнении операций.

Таблица 10.3 - Характеристика опасностей при работе изделия на холостом ходу

Исходные параметры

Характеристика реализуемого параметра

Опасные зоны изделия

Привод, пресс-форма

Средства защиты, исключающие попадание человека в опасную зону

Ограждение, кожух

Средства механизации при установке, крепления и снятия обрабатываемой детали

 выталкиватель

Масса сырья, кг

до 10

Масса подошвы, кг

до 0.5

Средства защиты человека от пыли при обработке заготовки

 Общая вентиляция

Способ уборки пыли

сухой, вручную щёткой

Средства механизации, используемые при монтаже, ремонте и демонтаже изделия

Тележка, кран-балка

 


10.3 Санитарно-гигиенические мероприятия. Вентиляция. Отопление


В таблице 10.4 показаны метеорологические условия на участке, вентиляция, отопление участка.

Таблица 10.4 - Метеорологические условия на участке

Исходные параметры

Характеристика реализуемого параметра

1

2

Наименование производственного помещения

Закройно-заготовительный цех

Характеристика тяжести работы

Лёгкие работы,категория IIб

Период года

Холодный

Параметры микроклимата

Температура воздуха рабочей зоны, С

Оптимальная

17-19



Допускаемая

15-22


Относительная влажность воздуха , %

Оптимальная

60-40


Скорость движения воздуха, м/с

Оптимальная Допускаемая

0,2 0,2-0,3

Продолжение таблицы 10.4

1

2

Вентиляция

Система вентиляции в помещении и на рабочем месте

Приточно-вытяжная, естественная


Кратность обмена воздуха, Не менее 3



Баланс воздуха

Нулевой

Отопление

Система отопления в помещении

Центральная, водяная


теплоноситель и его параметры

Вода, t= 95-70 0С

 

.4 Санитарно-гигиенические мероприятия. Освещение


Данные мероприятия сведены в таблице 10.5

Таблица 10.5 - Санитарно-гигиенические мероприятия

Исходные параметры

Характеристика реализуемого параметра

Наименование помещения и рабочего места

Закройно-заготовительный цех

Площадь помещения, м2

1500

Разряд зрительной работы

IIIв

Освещенность при рабочем освещении , лк

Комбинированное (общее + местное) -750 общее -300

Освещенность при аварийном освещении: на рабочих местах %, на путях эвакуации , лк

 5 0,5

Источник питания аварийного освещения

Автономная сеть аварийного освещения

Источник света

Люминесцентная лампа ЛД-40-2

Исполнение светильников

Открытое

Мощность лампы светильника, Вт

40

Количество светильников , шт.

93


Расчёт количества светильников ведём, используя метод светового потока.

Рассчитаем общее люминесцентное освещение для цеха площадью 5030 м, имеющего высоту 5,8 м. Напряжение осветительной сети 220 В.

Исходные данные: требуемая освещённость по нормам Ен = 300 лк.; коэффициенты использования светового потока: ξп = 70%, ξс = 50%; hр = 0,8 м, hс = 0,5 м; отношение расстояния между светильниками к расчётной высоте подвеса: = 1,5.

Принимаем светильник с люминесцентными лампами ЛБ-40-4, имеющими световой поток:  = 3120 лм.

Расчётная высота подвеса:

 м.

Оптимальное расстояние между светильниками при многорядном расположении:

 м.

Светильники размещают в три ряда вдоль помещения.

Индекс площади помещения:

,

где А и В - длина и ширина помещения, А = 50 м, В = 30 м;

Нр - высота подвеса светильника, Нр = 4,5 м.

При i = 4,17 коэффициент использования светового потока η  47 %.

Число ламп:

,

где N - количество светильников или количество ламп накаливания, шт.;

Ен - нормируемая освещённость, Ен = 300 лк.;- площадь помещения, S = 1500 м2;- коэффициент неравномерности освещения, z = 1,2;- коэффициент запаса. Выбирается в зависимости от атмосферы в производственном помещении, k = 1,5;л - световой поток группы ламп в светильнике или лампы накаливания, Fл = 3120 лм;

η - коэффициент использования светового потока, зависящий от характеристики источника света, ограничивающих способностей интерьера помещения, кривой распределения света, а так же индекса помещения i.

Таким образом:

 шт.

Число светильников в каждом ряду:

при двухламповых светильниках:  шт.;

при трёхламповых светильниках:  шт.

 

.5 Мероприятия по пожарной безопасности


Данные по пожарной безопасности и молниезащите предприятия, а так же мероприятия по пожарной безопасности на предприятии приведены в таблице 10.6.

Таблица 10.6 - Данные по пожарной безопасности и молниезащите предприятия

Исходные параметры

Характеристика реализуемого параметра

1

2

Класс помещения по пожароопасности

П-IIа

Категория производства по пожароопасности

В

Характеристика материалов стен по сгораемости

Несгораемые

Характеристика материалов перекрытий по сгораемости

Несгораемые

Степень огнестойкости стен здания и их огнестойкость, ч

II, 2.0

Расстояние от рабочего места до Эвакуационного выхода, м

Не более 75

Средства пожаротушения

Огнетушители углекислотные ОУ-4, порошковые ОП-5

Категория молниезащиты здания

III

Тип молниеприёмника

Сетка 6*6 м

Сопротивление заземляющего устройства, Ом

Не более 4


10.6 Компенсация профессиональных вредностей. Индивидуальная защита. Личная гигиена


Данные мероприятия сведены в таблицу 10.7

Таблица 10.7 - Мероприятия по индивидуальная защита, личной гигиене

Исходные параметры

Характеристика реализуемого параметра

1

2

Профессия

Оператор

Условия труда

Нормальные

Продолжительность рабочей недели, ч

40

Дополнительный отпуск, дни

3

Пенсионный возраст, лет

55

Обеспечение лечебно-профилактическим питанием

Нет

Спецодежда

Халат (хлопчатобумажный)

Спецобувь

-

Индивидуальные средства защиты органов зрения

Нет

Индивидуальные средства защиты головы

Нет

Средства обеззараживания кожи

Мыло , вода

Метод обеззараживания кожи

Мытьё рук


Т.о. основными требованиями к помещениям обувного предприятия являются: благоприятный микроклимат, нормируемая температура воздуха, чистота воздушной среды, требуемая относительная влажность воздуха, рациональное освещение и пожарная безопасность.

11. Промышленная экология

Наряду с охраной труда большое значение приобретает охрана окружающей среды - одна из важнейших задач современности. Выбросы промышленных предприятий, энергетических систем и транспорта в атмосферу, водоемы и недра на современном этапе развития достигли таких размеров, что в ряде районов земного шара, особенно в крупных промышленных центрах, уровни загрязнения существенно превышают допустимые санитарные нормы.

Промышленная экология призвана на основе оценки степени вреда, приносимого природе индустриализацией, разрабатывать и совершенствовать инженерно-технические средства защиты окружающей среды, повсеместно развивать основы создания замкнутых, безотходных и малоотходных технологических циклов и производств.

На ОАО «Красный Октябрь» на литьевой машине U-102 производится литье подошвы. Осуществление этой работы при автоматизированном производстве повышает производительность, увеличивает качество выпускаемого изделия, тем самым уменьшая брак при выпуске данной продукции, что ведет к уменьшению отходов производства, и засорению ими окружающей среды.

При работе на проектируемой машине используются различные виды сырья. Сырье недефицитное и доступное для предприятий республики. На все виды обрабатываемого сырья есть сертификаты качества. Что касается самой литьевой машины, то для её производства используются черные и цветные металлы (сталь 35 относится к доступным, не токсичным).

Также используются пластмассы, которые также являются недефицитными и доступными материалами.

В процессе литья подошвы в воздух выделяется незначительное количество испарений. Их количество соответствует требованиям санитарных норм. Поэтому предусматривается приточно-вытяжная вентиляция.

Вода в процессе не используется, следовательно, не загрязняются и водные ресурсы.

По окончанию срока службы машины все детали и узлы перерабатываются на месте их образования или на других предприятиях, имеющих соответствующую технологию.

Учет отходов черных и цветных металлов ведется еженедельно и ежемесячно по форме 6СН (лом). Лом и отходы черных и цветных металлов отличаются от других видов отходов тем, что они представляют собой особо дорогостоящее сырье. Образующийся при ликвидации швейных машин лом черных металлов сдается в организацию «Вторчермет». Лом цветных металлов сдается в организацию «Белцветмет». Требования к лому, сдаваемому на утилизацию, регламентируются ГОСТ 1639-78 «Лом и отходы металлов и сплавов».

В конструкции используется масло индустриальное И-20, Гост 20799-79. агрегатное состояние жидкое, класс опасности 4, количество вещества в объекте 0,5 кг, предельной допустимой концентрации не более 5 мг/м2, группа взрывоопасности смеси Т3.

В соответствии с рядом принятых постановлений и директивных органов, все предприятия и организации обязаны осуществлять сбор, учет и сдачу отработанных нефтепродуктов. Отработанные масла перерабатываются с целью получения масляных компонентов. Наиболее перспективным и рациональным направлением использования отработанных масел является их переработка на масло перегонных заводах с получением отдельных компонентов для повторного использования. К методам обработки масел относятся отстаивание, центрифугирование, фильтрация, вакуумная перегонка и т.д.

Остальные материалы, такие как пластмассы также подлежат переработке либо утилизации.

При работе на литьевой машине используется оптимальное количество масла, пары которого не оказывают больших проблем загрязнения ими окружающей обстановки. Также идет определенный выброс пыли при обработке деталей. Количество которой зависит от используемого сырья и объемов работ. Но всегда соответствует нормам, при этом достаточно общеобменной вентиляции.

Все детали и узлы машины и оснастки являются разборными и по истечению срока службы полностью подлежат утилизации. Что также в значительной степени является положительным фактором в отношении экологической обстановки, за счет уменьшения отходов.

Т.о. экологическая экспертиза показывает, что использование данного литьевой машины не только соответствует всем нормам в отношении промышленной экологии, но способствует их снижению, путем замены выполнения старых технологических процессов новыми с более лучшими показателями.

Заключение

В результате выполненной работы были проведены следующие мероприятия:

. Проведен анализ объекта, и определены основные контуры управления и диагностики системы. Определены основные способы повышения надежности системы.

. Разработана структурная схема автоматической системы управления с учетом выявленных требований.

. Разработана функциональная схема, позволяющая более детально рассмотреть структуру автоматической системы управления и ее взаимосвязи с объектом.

. Проведен выбор датчиков, исполнительных механизмов, регуляторов.

. Разработана принципиальная электрическая схема, отражающая связи блока управления с периферийными устройствами.

. Проведена разработка и расчет пусковой и защитной аппаратуры.

. Разработан основной алгоритм функционирования системы.

. Проведен экономический расчет и определена экономическая эффективность от использования данной системы управления. Срок окупаемости при внедрении данной системы составил 2,6 года.

. Разработан план мероприятий в области охраны труда и промышленной экологии, по улучшения условий труда оператора, обслуживающего литьевой агрегат с САУ.

Литература

1.   Технический паспорт литьевого агрегата марки Svit U 102.

2.   АСУП в текстильной и легкой промышленности: учебн. для вузов / под общ. ред. В.А. Климова. - Москва: "Легпромбытиздат", 1986. - 316 с.

3.   Автоматизация технологических процессов легкой промышленности: учебн. пособие / Л.Н. Плужников [и др.]; под общ. ред. Л.Н. Плужникова. - Москва: Легпромбытиздат, 1993. - 250 с.

4.   Конспект лекций по курсу "Автоматизация технологических процессов в легкой промышленности". - Москва: 1978. - 47с.

5.   Айзенберг, Л.Г. Автоматизация производственных процессов в легкой промышленности / Л.Г. Айзенберг, А.Б. Кипнис, Ю.И. Стороженко; под общ. ред. Л.Г. Айзенберга. - Москва: Легкая индустрия, 1972. - 265 с.

6.   Процессы и аппараты легкой промышленности: учебн. для вузов / П.Г. Романков [и др.]. - Ленинград: Химия, 1989. - 233 с.

7.   Полтев, М.К. Охрана труда в машиностроении: учебн. для студ. машиностроит. спец. вузов / М.К. Полтев. - Москва: Высшая школа, 1980. - 140 с.

8.   Кнорринг, Г.М. Осветительные установки / Г.М. Кнорринг. - Ленинград: Энергоиздат, ленингр. отд-ние, 1981. - 288 с.

9.   Методические указания к курсовому проектированию по курсу "Теория автоматического управления". - Витебск: ВТИЛП, 1994. - 28 с.

10.Методические указания по курсу "Технические средства автоматизации". - Витебск: ВТИЛП, 1994. - 36 с.

11.Андреев, Б.П. Методические указания к выполнению экономической части дипломных проектов студентами специальности Т.11.03.00 / Б.П.Андреев. - Витебск: УО "ВГТУ", 2001. - 26 с

12. Справочник "Цифровые и аналоговые интегральные микросхемы". - Москва: Радио и связь, 1990. - 180 с.

13. Шабалин, С.А. Прикладная метрология / С.А. Шабалин. - Москва: Издательство стандартов, 1990. - 250 с.

14.Резисторы, конденсаторы, трансформаторы, дроссели, коммутационные устройства РЭА: справочник / Н.Н. Акимов [и др.]. - Минск, 1994. - 450 с.

15.Диоды: справочник / О.П. Григорьев [и др.]. - Москва: Радио и связь, 1990. - 150 с.

16.Полупроводниковые приборы: диоды, тиристоры, оптоэлектронные приборы: справочник / А.В. Баюков [и др.]. - Москва: Энергоатомиздат, 1983. - 230 с.

17.Полупроводниковые приборы: транзисторы: справочник / Н.Н. Горюнов [и др.]; под ред. Н.Н. Горюнова. - Москва: Энергоиздат,1982.-355 с.

18.Каталог DALLAS SEMICONDUCTOR [Электронный ресурс]. - Москва: DSH, 2000. - Электронный оптический диск (CD-ROM); 12 см.

Сайт компании Microchip [Электронный ресурс]: каталог продукции. - Режим доступа: <#"553604.files/image102.gif">


Похожие работы на - Обоснование автоматизации технологических процессов

 

Не нашли материал для своей работы?
Поможем написать уникальную работу
Без плагиата!
Без нейросетей!