Электромагнитные переходные процессы
ЭЛЕКТРОМАГНИТНЫЕ
ПЕРЕХОДНЫЕ ПРОЦЕССЫ
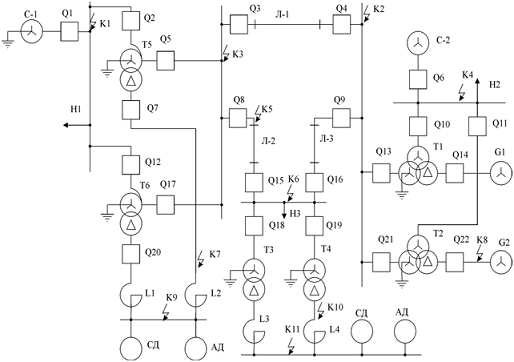
Рисунок 1- Исходная схема
Таблица
1
Исходные данные
|
Номинальная
мощность, МВА
|
КЗ
Расчётная точкаВид К.ЗЧисло и мощность двигателей на каждой секции
шинОтключенные выключателиДлины линий, км
|
|
|
|
|
|
|
G1 G2
|
T1 T2
|
T3 T4
|
T5 T6
|
С1
|
С2
|
|
|
СД,
МВт
|
АД,
МВт
|
|
Л1
|
Л2
|
Л3
|
Л4
|
|
353
|
400
|
80
|
125
|
8700
|
540
|
K8
|
(3), (2)
|
3200
|
2*1000
|
Q15,Q4
|
75
|
25
|
55
|
-
|
СОДЕРЖАНИЕ
Исходные
данные
Введение
1. Выбор
параметров элементов электрической системы
2. Расчёт
параметров схемы замещения прямой последовательности
3. Определение
величин токов при симметричном коротком трёхфазном замыкании
3.1 Определение
начального значения периодической составляющей тока короткого замыкания
3.2
Определение начального значения периодической составляющей тока короткого
замыкания для активных сопротивлений
3.3
Расчет токов короткого замыкания
3.4
Определение апериодической составляющей тока короткого замыкания в момент
времени t = 0,1; t
= 0,2; t = 0,5.
.5
Определения ударного тока короткого замыкания
.6
Определение периодической составляющей тока короткого замыкания в момент
времени t = 0,1; t
= 0,2; t = 0,5.
4. Расчёт
режима несимметричного короткого замыкания. 18 Составление схем замещения
4.1 Составление
схем замещения
4.2 Расчёт
токов несимметричного КЗ
4.3
Определение периодической составляющей тока короткого замыкания в момент
времени t = 0,1; t
= 0,2; t = 0,5. 21
Комплексная схема замещения
Заключение
Список
литературы
ВВЕДЕНИЕ
Целью данной курсовой работы является расчёт
симметричного и несимметричного короткого замыкания по заданной расчётной
схеме. Расчёт этих режимов очень важен, поскольку по расчётным данным тока
короткого замыкания устанавливаются установки релейной защиты, выполняется
проверка элементов сети на термическое и динамическое действие токов К.З
В начале расчёта мы по заданным мощностям
выбираем элементы схемы.
После чего составляем схему прямой
последовательности и рассчитываем её параметры с использованием приближенного
приведения в относительных единицах.
Далее рассчитываем симметричное короткого
замыкания, что включает в себя: расчёт периодической составляющей в различные моменты
времени; расчёт апериодической составляющей в различные моменты времени; расчёт
ударного тока.
Затем рассчитываем несимметричное короткое
замыкание, что включает в себя: составление схем обратной и нулевой
последовательности; расчёт периодической составляющей в различные моменты
времени; составление векторной диаграммы; комплексной схемы замещения.
Курсовая работа представляет собой комплексное
задание, включающее в себя вопросы расчёта симметричных и несимметричных
коротких замыканий.
В процессе эксплуатации электроснабжения одной
из основных причин нарушения нормального режима работы отдельных
электроустановок и системы в целом являются короткие замыкания. Они возникают в
результате нарушений изоляции электроустановок, являющиеся следствием различных
причин (механических повреждения, прямые удары молнии, набросы посторонних
предметов на токоведущие части, ошибочные действия оперативного персонала и
т.д.).
Последствия коротких замыканий могут привести к
выходу из строя электрооборудования, системы в целом. Поэтому чтобы обеспечить
безаварийное электроснабжения всех потребителей необходимо проектировать и
сооружать системы электроснабжения с учётом возможных коротких замыканий.
1. Выбор параметров элементов электрической
системы
Пользуясь исходными данными, убираем те участки,
на которых выключатели отключены. После чего получаем схему рис. 1.1
Рисунок 1.1- Общая схема
Рисунок 1.2 - Расчётная схема
Пользуясь данными таблицы 1, по заданным
мощностям и режимам нейтрали, выбираем из справочника Шапиро-Рокотяна элементы
схемы.
Генератор Г1, Г2:
Турбогенераторы ТГВ-500:
Трехобмоточный автотрансформатор Т1,Т2:
АТДЦТН-250000/220/110
2. Расчёт параметров схемы замещения прямой
последовательности
Расчёт будем вести с использованием
приближенного приведения в относительных единицах. При этом базисное напряжение
каждой ступени выбираем из среднего ряда напряжений
(рис.
2.1) Базисную мощность выбираем произвольно:
Рисунок 2.1- Значения базисных
напряжений
Базисные токи на различных ступенях
Источник бесконечной мощности C-2:
Индуктивное сопротивление системы бесконечной
мощности
Активное сопротивление системы бесконечной
мощности определим из соотношения
Синхронные генераторы Г1,Г2 :
Индуктивное сопротивление генераторов:
Активное сопротивление генераторов равно:
= 0,85
Трансформатор Т1,Т2
Индуктивные сопротивления автотрансформатора:
о.е
Активные сопротивления схемы замещения
автотрансформатора, т.к. номинальные мощности обмоток равны между собой, могут
быть найдены как
=
R*
симметричный
несимметричный короткий замыкание
3. Определение величин токов при симметричном
коротком трёхфазном замыкании
.1 Определение начального значения периодической
составляющей тока короткого замыкания
Элементы схемы заменяем их соответствующими
реактивными сопротивлениями (рис. 3.1.1):
Рисунок 3.1.1 - Схема замещения для расчёта
токов трёхфазного К.З.
Последовательно складываем сопротивление
генераторов и низких сторон трансформатора Т1,Т2.
Сопротивление высокой и средней сторон трансформатора образуют треугольник,
поэтому закорачиваются накоротко и далее в расчете не участвуют. Преобразуем
схему замещения к простейшему виду относительно точки короткого замыкания.
Получаем схему замещения в виде многолучевой звезды.
Рисунок 3.1.2 - Преобразованная
схема замещения
Определение начальных значений
периодической и апериодических составляющих тока короткого замыкания в заданной
точке.
Преобразуем схему замещения с учётом
коэффициентов токораспределения
Рисунок 3.1.3 - Преобразованная схема замещения
3.2 Определение начального значения
периодической составляющей тока короткого замыкания для активных сопротивлений
Составляем схему замещения для активных
сопротивлений и преобразуем её по аналогии с пунктом 3.1.

Рисунок 3.2.1- Схема замещения для
активных сопротивлений
Преобразуем схему замещения с учётом
коэффициентов токораспределения
Рисунок 3.2.3 - Преобразованная схема замещения
.3 Расчет токов короткого замыкания
Начальное значение периодической составляющей:
Найдем ток от каждого источника в отдельности
(при расчете пренебрегаем активными сопротивлениями).
Определяем начальное значение периодической
составляющей тока к.з. в каждой из ветвей многолучевой звезды, кА
,
где
- эквивалентная э.д.с.
-ой ветви,
о.е.;
- эквивалентное сопротивление
-ой ветви,
о.е.;
- базисный ток ступени, на которой
произошло к.з., кА:
Величину тока в месте к.з. определим, как токов
отдельных ветвей:
,
где
- число радиальных ветвей (лучей
многолучевой звезды) в преобразованной схеме замещения.
Определяем начальное значение апериодических
составляющих токов кз в каждой ветви:
Апериодическая составляющая тока к.з.
Апериодическая составляющая тока
к.з. в произвольный момент времени
, кА, может быть определена как
,
где
- постоянная времени затухания
апериодической составляющей тока к.з., с:
,
где
и
- результирующие индуктивное и
активное сопротивления цепи;
- синхронная угловая частота
напряжения в сети, рад/с.
Величины активных и реактивных
сопротивлений берём соответственно из пунктов 3.1 и 3.2.
Определим постоянную затухания
апериодической составляющей и ударный коэффициент для ветвей многолучевой
звезды.
3.4 Определение апериодической составляющей тока
короткого замыкания в момент времени t
= 0,1; t = 0,2; t
= 0,5.
Апериодическую составляющую тока кз в
произвольный момент времени определим как сумму апериодических составляющих
отдельных ветвей:
,
где
- количество радиальных ветвей
расчетной схемы;
- апериодическая составляющая тока
-ой ветви.
для момента времени
получим:
для момента времени
получим:
для момента времени
получим:
3.5 Определения ударного тока короткого
замыкания
Ударный ток определяем как:
где
-
ударный коэффициент, определяем как
Рассчитаем значение ударного коэффициента для
каждой ветви в отдельности.
Рассчитаем значение ударного тока для каждой
ветви в отдельности.
Значение ударного тока найдём как сумму значений
отдельных ветвей.
3.6 Определение периодической составляющей тока
короткого замыкания в момент времени t
= 0,1; t = 0,2; t
= 0,5
Значение периодической составляющей определяем
при помощи метода типовых кривых, при этом:
где
-
значение периодической составляющей i-ой
ветви в момент времени t
В ветви с источником бесконечной мощности
значение периодической составляющей постоянно. Подпитку от нагрузки не
учитываем. Рассчитаем значение периодической составляющей для ветви с
генератором, при этом:
где
-
коэффициент, определяемый по типовым кривым в зависимости от момента времени и
величины
,
характеризующий удалённость точки К.З. от источника подпитки
При этом учитываем то, что мы сложили
параллельно две ветви с генераторами и их мощность удвоилась:
Найдём номинальные токи всех источников К.З.
Для ветви
Имеем:
Пользуясь типовыми кривыми, находим значение
коэффициента
для значения
времени 0,1; 0,2; 0,5 для генератора
Генератор:
;
Находим значение периодической составляющей для
момента времени 0,1; 0,2; 0,5
Генератор:
Находим значение полной составляющей тока К.З. ,
суммируя значение периодических составляющих отдельных ветвей для каждого
момента времени:
Для ветви
Мощность симметричного кз в любой момент времени:
4. Расчёт режима несимметричного короткого
замыкания
.1 Составление схем замещения
Расчет токов несимметричного к.з. будем вести
методом симметричных составляющих.
Схема замещения обратной последовательности
(рис.4.1.2) составляется аналогично схеме замещения прямой последовательности,
за исключением того, что источники ЭДС отсутствуют и сопротивление генераторов
равно:
Составим схему замещения обратной
последовательности
Рисунок 4.1.1- Схема замещения
обратной последовательности
Разнесём сопротивление
Преобразуем схему, относительно точки К.З. путём
последовательно-параллельных преобразований получим схему рис. 4.1.2,
Рисунок 4.1.2 - Преобразованная
схема замещения обратной последовательности
Разнесём сопротивление
Рисунок 4.1.3 - Преобразованная
схема замещения обратной последовательности
Упрощаем схему замещения, после чего
получаем
Рисунок 4.1.4-
Преобразованная схема замещения
.2 Расчёт токов несимметричного КЗ
Составляем снова схему замещения
прямой последовательности, но с учётом
Рисунок 4.2.1- Преобразованная схема
замещения
Рисунок 4.2.2 - Преобразованная
схема замещения прямой последовательности
И разносим сопротивление
Рассчитаем базисный ток, после чего рассчитаем
начальное значение апериодической составляющей тока короткого замыкания, для
каждой из ветвей в отдельности (метод наложения).
Полный ток повреждённой фазы в месте К.З.
находим как:
Ток прямой последовательности
Ток обратной последовательности
Полный ток К.З.
.3 Определение периодической составляющей тока
короткого замыкания в момент времени t
= 0,1; t = 0,2; t
= 0,5
В ветви с источником бесконечной мощности
значение периодической составляющей постоянно. Подпитка от генераторов
учитывается до момента времени 0,5 с. включительно. Рассчитаем значение
периодической составляющей:
Для ветви Х1:
Поэтому
при
t=0,1=0,2=0,5=const
Для ветви Х2:
Периодическая составляющая тока К.З. в ветви с
источником бесконечной мощности неизменная
в течении всего времени К.З.
Int
= Inox2
= 83.86 кA
Для ветви Х3:
Поэтому
при
t=0,1=0,2=0,5=const
Определяем мощность К.З.
Sкз0=
*Uраб.мах*
=
Рисунок 4.3.1 - Комплексная схема
замещения
ЗАКЛЮЧЕНИЕ
В данной курсовой работе было рассчитано симметричное
и несимметричное короткое однофазное замыкание. Как видно из расчётов ток
симметричного короткого замыкание меньше тока несимметричного короткого
замыкания, что полностью совпадает с теорией.
СПИСОК ЛИТЕРАТУРЫ
1. Переходные
процессы в системах электроснабжения: Учебник / В.Н. Винославский, Г.Г. Пивняк,
Л.И. Несен и др.; Под ред. В.Н. Винославского.- К.: Вища шк., -1989.- 422с.
2. Перехідні
процеси в системах електропостачання: Підручник для вузів. Вид. 2-е, доправ. та
доп. / Г.Г. Півняк, В.М. Винославський, А.Я. Рибалко, Л.І. Несен / За ред. Г.Г.
Півняка.- Дніпропетровськ: Видавництво НГА України, 2000.- 597 с.
3. ГОСТ
27514-87. Короткие замыкания в электроустановках. Методы расчета в
электроустановках переменного тока напряжением свыше 1 кВ.-М.: Издательство
стандартов, 1988.- 40с.
. Крючков
И.П., Кувшинский Н.Н., Неклепаев Б.Н. Электрическая часть электростанций и
подстанций: Справочные материалы для курсового и дипломного проектирования /
Под ред. Б.Н. Неклепаева.- М.: Энергия, 1978.-456 с.
. Справочник
по проектированию электроснабжения / Под ред. Ю.Г. Барыбина и др.-М.:
Энергоатомиздат, 1990.-576 с.
. Справочник
по проектированию электроэнергетических систем / Под ред. С.С. Рокотяна и И.М.
Шапиро.- М.:Энергия,1977.
. Электротехнический
справочник: В 3-х т. Т.3. Кн.1. Производство, передача и распределение
электрической энергии / Под общ. Ред. В.Г. Герасимова и др.-6-е изд. испр. и
доп.- М.:Энергоиздат, 1982.-656 с.