Электромагнитные переходные процессы
Введение
Расчет режимов короткого замыкания необходим для
оптимального в технико-экономическом отношении конструирования
электрооборудования, определения характеристик защит и коммутационных
аппаратов.
В данной курсовой работе выполняется расчет
режимов трёхфазного короткого замыкания (КЗ) для проверки выключателя по
отключающей способности и двухфазного КЗ на землю для определения параметров
настройки релейной защиты.
Схемы замещения составляются в относительных
единицах с использованием точных коэффициентов трансформации.
При расчёте несимметричных КЗ используется метод
симметричных составляющих. Составляются схемы прямой, обратной, нулевой
последовательностей. По результатам расчётов строятся векторные диаграммы при
однофазном, двухфазном, двухфазном на землю коротком замыкании.
1. Расчет режима трехфазного
короткого замыкания
.1 Расчет параметров схемы замещения
в относительных единицах с использованием реальных коэффициентов трансформации
Исходные данные:
Генераторы СВ-712/227-24
=305 МВА
=260 МВт
=15,75 кВ
=0,85
=0,29
=0,294
= 8,34
Асинхронный электродвигатель 3
АН-15-64-12
=1 МВА
=6кВ
=0,83
=5,0
=1,0
=94,2 %
Двухобмоточные трансформаторы
ТДЦ-400000/220
=400 МВА
=242кВ
=15,75кВ
=11 %
=880 КВт
Двухобмоточные трансформаторы
ТДЦ-400000/330
=400 МВА
=347кВ
=15,7кВ
=11 %
=900 КВт
Трехобмоточный трансформатор
ТДТН-25000/220
=25 МВА
=230 кВ
=38,5 кВ
=6,6 кВ
=12,5 %
=20 %
=6,5%
=135 КВт
Автотрансформатор
АТДЦТН-240000/330/220
=240 МВА
=330 кВ
=242 кВ
=11 кВ
=9,5 %
=74 %
=60 %
=430 КВт
Линия электропередач
выполнена проводом 2
АСО-300
=330 кВ l=180 км
=0,325 Ом/км
=0,054 Ом/км
Система
=345 кВ
=2500 МВА
Принимаются базисные условия:
=1000 МВА
=6 кВ
Определяются базисные напряжения для
остальных ступеней :
где
- коэффициент трансформации
соответствующего трансформатора
кВ
кВ
кВ
кВ
кВ
кВ
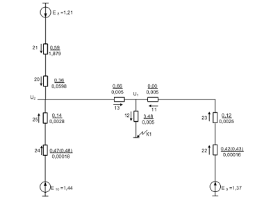
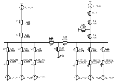
Рисунок 1.1 - Схема замещения сети
Индуктивное сопротивление
эквивалентного электродвигателя
где
ЭДС двигателя
Индуктивное сопротивление
трансформатора 7
Индуктивное сопротивление
автотрансформатора
Индуктивное сопротивление
трансформаторов 1-3

Индуктивное сопротивление
генераторов 1-3
Индуктивное сопротивление
генераторов 4-6
ЭДС генераторов 1-3
ЭДС генераторов 4-6
Индуктивное сопротивление ЛЭП
где
- число цепей ЛЭП
- удельное индуктивное сопротивление
Индуктивное сопротивление системы
ЭДС системы
1.2 Расчет периодической
составляющей тока короткого замыкания
Для определения периодической
составляющей тока короткого замыкания необходимо найти эквивалентное
индуктивное сопротивление и эквивалентную ЭДС.
Так как электродвигатель
электрически удален от точки короткого замыкания К1(отделен от нее двумя
трансформаторами) в расчете эту ветвь можно не учитывать (Рисунок 1.2).
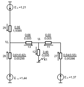
Рисунок 1.2 - Упрощенная схема
замещения сети
I.
Рисунок 1.3
.
Рисунок 1.4
III.
Рисунок 1.5
короткий замыкание ток
сопротивление
IV.
Эквивалентное индуктивное
сопротивление
Эквивалентная ЭДС
Рисунок 1.6
Периодическая составляющая тока в
начальный момент переходного процесса
или в именованных единицах

кА
1.3 Распределение токов и напряжений
в сети
В именованных единицах
где
кА
где
кА
Номинальные токи генераторов
Отсюда, отношения действующих
значений периодических составляющих токов короткого замыкания будут равны:
Так как
<2
<2
следовательно, короткое замыкание
будет удаленным от генераторов G1-3 и G4-6(схема вида «система»), следовательно
периодическая составляющая тока короткого замыкания, принимает установившееся
значение в первый же момент короткого замыкания и остается неизменной в течении
всего переходного процесса:
1.4 Расчет апериодической
составляющей тока короткого замыкания
Определяются индуктивные
сопротивления обратной последовательности для генераторов 1-3
Индуктивное сопротивление обратной
последовательности генераторов 4-6
Активное сопротивление генераторов
1-3
Где
- индуктивное сопротивление
обратной последовательности генераторов
-синхронная угловая частота
напряжения сети
-постоянная времени затухания
апериодической составляющей тока короткого замыкания, для генераторов1-6: 8,34
[1 таблица П.5]
Ом
Активное сопротивление генераторов
4-6
Активное сопротивление
трансформаторов 1-3
где
- потери короткого замыкания
Активное сопротивление
трансформаторов 1-3
Активное сопротивление автотрансформатора(считая,
что его обмотки выполнены на одинаковую мощность)
Активное сопротивление ВЛ
где n- число цепейпротяженность
линии, км
Активное сопротивление системы
где
- постоянная времени затухания
апериодической составляющей тока короткого замыкания от системы, принимается
равной 0,1 [1 таблица 3.8]
Определяется эквивалентное активное
сопротивление схемы замещения
Определяется эквивалентное
индуктивное сопротивление схемы замещения
Определяется эквивалентная
постоянная времени затухания апериодической составляющей тока короткого
замыкания
Действующее значение периодической
составляющей тока короткого замыкания в точке К1 в соответствии с ранее
выполненным расчетом - 21,57 кА, отсюда апериодическая составляющая в этой же точке
в момент времени
, с
=0,07 с)
будет равна
кА
Ударный ток короткого замыкания
определяется по формуле
где
- ударный коэффициент, так как
, т.е.
больше 5ти, то
Тогда ударный ток короткого
замыкания будет равен:
кА
Определяется интеграл Джоуля
за время
отключения короткого замыкания
, с (
=0,1 с)
так как короткое замыкание является
удаленным для всех генераторов, а
>
, интеграл Джоуля
определится
по формуле:
кА2·с
Рисунок 1.7 - Осциллограмма
суммарного тока КЗ и его составляющих
2. Расчет параметров несимметричного
короткого замыкания
.1 Расчет параметров схем замещения
прямой, обратной и нулевой последовательности
Для расчёта составляются 3 схемы
замещения: прямой обратной и нулевой последовательности. Схема замещения прямой
последовательности аналогична схеме, составленной для расчёта режимов
симметричных коротких замыканий (рисунок 1.1). Необходимо свернуть схему
относительно точки КЗ. Часть преобразований были выполнены в предыдущих
пунктах. Аналогично расчёту эквивалентных индуктивных сопротивлений
последовательностей, находятся суммарные активные и индуктивные сопротивления.
Активное сопротивление
электродвигателя
Где s - номинальное скольжение
асинхронного электродвигателя, которое определится по следующей формуле:
[4]
Где
- номинальная частота вращения вала
электродвигателя- 490 об./мин.
Где
- синхронная частота вращения,
ближайшая к
=490 об./мин
будет составлять- 500 об./мин, отсюда:
Для трехобмоточного трансформатора,
предполагая, что все его обмотки выполнены на одинаковую мощность, активное
сопротивление будет равно:

Рисунок 2.1 - Схема замещения прямой
последовательности
Схема замещения обратной
последовательности содержит сопротивления всех элементов сети за исключением
ЭДС всех генерирующих элементов.
Рисунок 2.2 - Схема замещения
обратной последовательности
Конфигурация схемы замещения нулевой
последовательности зависит от наличия в сети трансформаторов с заземленной
нейтралью, так как токи нулевой последовательности могут протекать только в
сторону трансформаторов имеющих схему соединения Y с заземленной нейтралью.
Токи нулевой последовательности могут трансформироваться в сторону обмоток
соединенных в Δ
и
циркулируя по замкнутому контуру треугольника не выходят за его пределы во
внешнюю сеть.
Сопротивления элементов вошедших в
схему замещения нулевой последовательности отличаются от соответствующих
сопротивлений схем замещения прямой и обратной последовательности. Ниже
приведен расчет сопротивлений элементов схемы замещения нулевой последовательности.
Сопротивление трансформаторов Т2-Т6:
так как обмотки этих трансформаторов
соединены по схеме
/Δ
Отсюда:
Сопротивление автотрансформатора и
трехобмоточного трансформатора:
так как, одна из обмоток соединена в
треугольник, следовательно
(
- реактивное сопротивление
намагничивания нулевой последовательности трансформатора) и сопротивление
нулевой последовательности автотрансформатора равно сопротивлению прямой
последовательности:
Сопротивление ЛЭП:
где 5,5- среднее значение отношения
x0 к x1 [2 таблица 2.2]
где rЗ - сопротивление земли
определяемое на основании выражения:
, (Ом/км)
что при f =50Гц дает rЗ=0,05 Ом/км,
отсюда:
Сопротивление системы:
Рисунок 2.3 - Схема замещения
нулевой последовательности
Схему замещения нулевой
последовательности также необходимо свернуть относительно точки КЗ
Рисунок 2.4 - Схема замещения
нулевой последовательности свернутая относительно точки
2.2 Расчёт двухфазного короткого
замыкания на землю
Необходимо рассчитать токи всех
последовательностей
Определяются напряжения всех
последовательностей:
В именованных единицах ток КЗ в фазе
В, кА
Ток трёхфазного КЗ в этой же точке,
кА
Необходимо сравнить токи
Определяется значение ударного тока,
кА
Коэффициент замыкания сети
где
Заключение
В результате проведенных расчетов
определены параметры трехфазного КЗ в точке К1:

кА
кА
кА
кА
определены параметры двухфазного КЗ
на землю в точке К2:
кА
ток трёхфазного КЗ в этой же точке:
Библиографический список
1. Васюра
Ю.Ф. «Расчеты параметров режимов трехфазного короткого замыкания» Киров 2004 г.
2. Васюра
Ю.Ф. «Расчеты режимов несимметричных коротких замыканий» Киров 2001 г.
. Блок
В.М. «Электрические сети и системы» Высшая школа М., 1986 г.
. Кацман
М.М. «Электрические машины» Высшая школа М., 1986 г.