Электромагнитные переходные процессы

  • Вид работы:
    Контрольная работа
  • Предмет:
    Физика
  • Язык:
    Русский
    ,
    Формат файла:
    MS Word
    244,28 kb
  • Опубликовано:
    2012-03-14
Вы можете узнать стоимость помощи в написании студенческой работы.
Помощь в написании работы, которую точно примут!

Электромагнитные переходные процессы

Общее условие задач

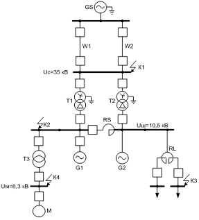
На основании схемы электрических соединений рис.1 (составлена по рис 4.2.1 "УМК Переходные процессы" применительно к данным варианта 60)

Рис. 1. Схема электрических соединений

И следующих исходных данных:

Генераторы G

Трансформаторы связи Т

Линии электропередачи W

Рном, МВт

Тип

Sном, МВ×А

Тип

U, кВ

l, км

2х25

ТВС-32-Т3

2х16

ТД-16000/35

35

40


Реактор секционный RS, Uном=10 кВ

Реактор линейный RL, Uном=10 кВ

Трансформатор Т3

Электродвигатель М

Мощность Sрс, МВ×А

Сопротивление Хр, %

Мощность Sрс, МВ×А

Сопротивление Хр, %

Мощность, МВ×А

Тип

Мощность, МВт

17,3

10

6,9

3

4

ТМ-4000/10

0,8

Мощность системы, МВ×А

2000

Сопротивление системы, о.е.

0,4


Технические данные турбогенераторов

Р, МВт

Тип

cosjном

Uном, кВ

КПД, %

Xd", %

Xd’, %

Xd, %

X2, %

X0," %

Td0, с

25

ТВС-32-Т3

0,8

10,5

98

13

21,6

220

16

8,1

10,3


Трансформаторы с высшим напряжением 35-330 кВ

Sном, МВ×А

Тип

Uвн, кВ

Uнн, кВ

кз, кВт

хх, кВт

Iхх,  %

16

ТДН-16000/35

36,75

10,5

10

85

17

0,7


Трансформаторы с высшим напряжением 10 кВ

Sном,  МВ×А

Тип

Uвн, кВ

Uнн,  кВ

Uк, %

кз,  кВт

хх,  кВт

Iхх,  %

4

ТМ-4000/10

10

6,3

7,5

33,5

5,2

0,9


Асинхронные электродвигатели серии 2АЗМ/6000

Тип

Рном, кВт

Uном, кВ

nном, об/мин

h, %

cosjном

Iпуск/Iном

2АЗМ-800

800

6

2970

95,8

0,9

5,2


Отношения Х/R для элементов электроэнергетической системы

Наименование элемента

Отношение Х/R

1

Турбогенераторы мощностью до 100 МВт

15-85

2

Трансформаторы мощностью 5-30 МВ×А

7-17

3

Реакторы 6-10 кВ до 1000 А То же 1500 А и выше

15-70 40-80

4

Воздушные линии

2-8

5

Обобщенная нагрузка

2,5

6

Система

50

электродвигатель ток замыкание трансформатор

Дополнительные условия:

-   генераторы работают с номинальной нагрузкой Uном = 10,5 кВ;

-       генераторы имеют тиристорную систему возбуждения;

-       частота вращения генератора при КЗ не изменяется;

-       ЭДС электродвигателя Ед″= 0,9;

-       удельное индуктивное сопротивление воздушной линии X0=0,4 Ом/км;

-       сопротивления обратной и нулевой последовательностей системы X1= =X2 = X0;

-       сопротивление обратной последовательности воздушных линий X0 = 5,5X1;

-       расчет начального значения тока трехфазного КЗ в точках К3 и К4 (рис.1) выполнить приближенно, принимая ЭДС системы и генераторов равными единице;

-       значения ударного коэффициента принять Куд=1,93 за линейным реактором генераторного напряжения 10,5 кВ; Куд= 1,8 - на шинах собственных нужд 6,3 кВ; Куд= 1,75 - для ветви электродвигателя.

Требуется рассчитать:

Задача 1

-   начальное значение периодической составляющей тока при трехфазном КЗ в точках К1, К2, К3, К4;

-       ударный ток трехфазного КЗ в точках К2 и К3.

Задача 2

На основании результатов расчетов в задаче 1 для заданной схемы электрических соединений (рис.1) требуется рассчитать в точке К2:

-   действующее значение периодической составляющей тока трехфазного КЗ для времени t = 0,1с;

-       значение апериодической составляющей тока для времени t = 0,1с.

Задача 3

На основании результатов расчетов в задачах 1 и 2 для схемы (рис. 1) требуется рассчитать для момента времени t = 0:

-   ток однофазного КЗ;

-       ток двухфазного КЗ на землю в точке К1.

Результаты расчета свести в таблицу.

Решение:

Задача 1

Найдем начальное значение периодической составляющей тока при трехфазном КЗ в точках К1, К2, К3, К4.

На основе расчетной схемы (рис. 1) составим общую схему замещения (рис.2), которая включает в себя источники ЭДС со своими сопротивлениями и сопротивления всех элементов схемы (линий, трансформаторов, реакторов).

Рис. 2. Общая схема замещения

Все сопротивления схемы замещения выражаем в относительных единицах, приведенных к базисным значениям. С этой целью задаем базисные единицы:

пусть базисная мощность Sб = 100 МВ×А, а базисное напряжение Uб1 =36,75 кВ, тогда базисный ток будет: 1,57 кА.

ЭДС генераторов Е″1 и Е″2 вводим в схему замещения за сверхпереходным индуктивным сопротивлением xd″. Значения Е″1 и Е″2 при номинальной нагрузке генератора берем из табл. 6.1 в [4]:

 о.е.

ЭДС за сопротивлением системы считаем постоянной и равной единице: Ес* = 1. Определим сопротивления всех элементов схемы замещения в относительных единицах при принятых базисных условиях. Округление проводим до первой значащей цифры: Сопротивление системы

,

где Хс = 0,4 - заданное эквивалентное сопротивление системы, отнесенное к заданной мощности системы Sc = 2000 МВ×А.

Сопротивления воздушных линий

,

где Х0 = 0,4 Ом/км - удельное сопротивление линии; l=40 км - протяженность линии.

Сопротивление трансформатора

,

где Uк = 10% - напряжение КЗ трансформатора; Sт ном = 16 МВ×А - номинальная мощность трансформатора.

Сопротивление секционного реактора

,

где Хр=10% - индуктивное сопротивление реактора; Uном=10кВ - номинальное напряжение реактора;Uб2=10,5кВ - базисное напряжение на ступени реактора; Sном= 17,3МВ×А - пропускная мощность реактора.

Сопротивление генератора

,

где Хd" = 13% - сверхпереходное индуктивное сопротивление генератора; S г ном = Pг ном /cosj = 25/0,8=31,25 МВ×А - номинальная полная мощность генератора.

Сопротивление эквивалентной схемы сдвоенного реактора RL

Х9* = - 0,5Х0,5* ;

Х10* = Х11* = 1,5Х0,5*,

где Х0,5* - сопротивление одной ветви реактора, приведенное к базисным единицам по формуле

.

Сопротивление трансформатора Т3

Х12* =,

где Uк = 7,5% - напряжение короткого замыкания трансформатора; S т ном = 4 МВ×А - его номинальная полная мощность.

Сопротивление асинхронного двигателя:

Х13* = =.

Нанесем вычисленные сопротивления элементов схемы в относительных базисных единицах на общую схему замещения (рис.2), введя новые обозначения. Каждый элемент схемы замещения (рис.3) обозначим дробью: в числителе - порядковый номер, а в знаменателе - вычисленное значение его сопротивления.

Рис. 3. Схема замещения.

Рассмотрим точку короткого замыкания К1.

"Свернем" схему замещения (рис.3) к точке К1, упростив её так, чтобы между этой точкой и эквивалентной ЭДС было одно результирующее сопротивление Хрез. В процессе этих преобразований используем формулы для определения сопротивлений при последовательном и параллельном соединениях электрических сопротивлений, а также преобразовании "треугольника" в "звезду" и обратном преобразовании "звезды" в "треугольник". Тогда , и схема примет следующий промежуточный вид:


Ветви с сопротивлениями Х4, Х7 и Х5, Х8 симметричны по отношению к точке короткого замыкания К1, поэтому исключая реакторное сопротивление Х6, получим схему (рис.4), в которой


Рис. 4. Эквивалентная схема замещения для точки К1.

При этом . Вычисляем начальное значение периодической составляющей тока при трехфазном КЗ в точке К1.

Для начального значения тока КЗ от генератора при точке КЗ вблизи его зажимов справедливо

 кА.

Для расчета тока КЗ от системы при Е″* = 1 имеем:

 кА.

Таким образом, начальное значение периодической составляющей тока при трехфазном КЗ в точке К1 будет


Запишем полученные результаты в Таблицу 1.

Рассмотрим точку короткого замыкания К2.

Короткое замыкание считается на выводах генератора G1. Схему необходимо свернуть к этой точке и расчет провести по индивидуальному изменению токов короткого замыкания.

Схема замещения выглядит так:


Общее сопротивление линий:

Получим схему:


И преобразуем "треугольник" сопротивлений Х4, Х5, Х6 в "звезду". Тогда

;

; .

Получим следующую промежуточную схему (рис.5), в которой

.

Рис.5. Промежуточная схема замещения.

По этой же схеме определяем результирующие сопротивления для ветвей генератора G2 и системы:

,

.

Имеем схему:


Приведем ветви генератора G2 и системы к точке К2 по следующей схеме:


Эквивалентное сопротивление ветвей:

.

тогда коэффициент токораспределения по ветвям будет

 и .

Проверка .

Результирующее сопротивление .

Сопротивления ветвей относительно точки К2

 - ветвь системы

и  - ветвь генератора G2.

Начальное значение тока КЗ от системы в точке К2 будет

 кА.

где для точки К2  = 5,5 кА.

Ток от генератора G2

 кА.

Ток от генератора G1

 кА.

Таким образом, начальное значение периодической составляющей тока при трехфазном КЗ в точке К2 будет

I″= Ic″ + IG1″ + IG2″ = 4,37 + 14,14 + 6,53 = 25,04 кА.

Запишем полученные результаты в Таблицу 1.

Рассмотрим точку короткого замыкания К3.

Это "удаленная" точка. Расчет для неё проводим приближённо с учётом дополнительных условий  и . Схема замещения преобразуется к однолучевой и расчет ведем по общему изменению токов короткого замыкания. Используем ранее полученную промежуточную схему замещения (рис.5). Здесь ещё необходимо учесть сопротивления Х9 и Х10=Х11. Сопротивления ветви генератора G1 и системы (рис.6а и рис.6б):

,

,

.

Рис.6. Схемы замещения.

Сопротивление ветви системы и всех генераторов:

.

Сопротивление однолучевой схемы (рис.7):

.

Рис.7. Схема замещения.

Начальное значение тока в точке К3:

 кА.

где для точки К3

 = 5,5 кА, так как =10,5кВ.

Запишем полученные результаты в Таблицу 1.

Рассмотрим точку короткого замыкания К4.

Расчет для этой точки аналогичен расчёту для точки К3. Так как расчётная схема относительно этих точек одна и та же, то сопротивление однолучевой схемы (рис. 8а) со стороны системы и генераторов равно

.

Схема замещения принимает вид двулучевой (рис. 8б)

 

Рис.8 Схемы замещения

Начальное значение тока в точке К4 в луче от системы:

 кА,

где для точки К4


Начальное значение тока в точке К4 в луче от электродвигателя:

 кА.

Суммарный ток в точке К4:

″= Ic″ + IД″ = 4,35 + 0,4 = 4,75 кА.

Внесем результаты в Таблицу 1.

Найдем ударный ток трехфазного КЗ в точках К2 и К3.

Для расчета ударного тока необходимо знать активные сопротивления элементов схемы. Величины этих сопротивлений примем по заданным в условии отношениям Х/R. Там, где по условию эти отношения находятся в интервале значений, берем середину интервала.

Получим R1=0,0004; R2=R3=0,236; R4=R5=0,053; R6=0,009; R7=R8=0,008; R9=-0,005; R10=R11=0,014; R12=0,157.

Точка К2. Обратимся к ранее построенной схеме замещения, заменив в ней значения Х на R:


Общее сопротивление линий:


Сопротивления эквивалентной схемы треугольника сопротивлений R4, R5, R6:

;

;

.

Сопротивления ветвей системы и генератора G2:

,

.


Эквивалентное сопротивление ветвей:

.

Коэффициенты токораспределения:

 и ,

тогда, так как результирующее сопротивление

,

то сопротивления ветвей относительно точки К2

 - ветвь системы

и  - ветвь генератора G2.

Постоянные времени для ветвей:

с,

с,

с.

Определяем ударные коэффициенты:

,

,

.

Находим ударные токи, кА:

,

,

.

Суммарный ударный ток в точке К2 со стороны шин:

кА.

Точка К3.

Так как по условию задачи Куд=1,93, то ударный ток короткого замыкания в точке К3 будет

 кА

Полученные результаты отразим в Таблице 1.

Задача 2

На основании результатов расчетов в задаче 1 для заданной схемы электрических соединений (рис.1) рассчитаем в точке К2:

-       действующее значение периодической составляющей тока трехфазного КЗ для времени t = 0,1 с;

Рассмотрим КЗ на выводах генератора G1.

Отношение начального значения периодической составляющей тока к номинальному току луча системы

кА,

где кА, а значение I''c получено ранее.

Обращаемся к графикам рис. 5.1 в [2].

Так как < 1, то в этом случае действующее значение периодической составляющей для времени t = 0,1 с равно начальному значению тока короткого замыкания кА.

Для луча генератора G2 кА,

где кА, а значение I''G2 получено ранее.

По графику рис. 5.1 в [2] находим gG2=0,85. Тогда действующее значение периодической составляющей тока КЗ в луче генератора G2 будет

 кА.

Для луча генератора G1

кА,

где кА, а значение I''G1 получено ранее.

По графику рис. 5.1 в [2] находим gG1=0,67. Тогда действующее значение периодической составляющей тока КЗ в луче генератора G1 будет

 кА.

Суммарное значение периодической составляющей тока КЗ со стороны шин

 кА.

-       значение апериодической составляющей тока для времени t = 0,1с.

Значение этой составляющей тока КЗ рассчитывается при помощи коэффициента затухания:

,


с,

с,

с.

Тогда

,

,

.

Находим апериодическую составляющую тока КЗ в точке К2 для момента времени t=0.1c, кА:

,

,

.

Суммарное значение апериодической составляющей:

кА.

Результаты расчётов помещаем в таблицу 1.

Задача 3

На основании результатов расчетов в задачах 1 и 2 для схемы (рис. 1) рассчитаем для момента времени t = 0 в точке К1:

-       ток однофазного КЗ;

-       ток двухфазного КЗ на землю.

Схема замещения прямой последовательности в точке короткого замыкания К1 соответствует схеме замещения на рис. 4. Сопротивления ветвей принимаем из проведенного ранее расчета  и . Результирующее сопротивление прямой последовательности

.

Схема замещения обратной последовательности в точке короткого замыкания К1 также соответствует схеме замещения на рис. 4. но без ЭДС.

Сопротивление ветви системы .

Сопротивление ветви генераторов

,

где ; ;

; .

Результирующее сопротивление обратной последовательности

.

Схема замещения нулевой последовательности выглядит так:

где ; ;

; .

Результирующее сопротивление нулевой последовательности

.

Комплексная схема замещения имеет вид (рис.9):

Рис.9 Комплексная схема замещения.

Однофазное короткое замыкание

Комплексная схема замещения для однофазного КЗ показа на рис.9. В этой схеме .

Эквивалентное сопротивление .

Коэффициенты токораспределения

 и .

Результирующее сопротивление .

Сопротивления ветвей:

 - ветвь системы

и  - ветвь генераторов.

Ток прямой последовательности в луче системы для начального момента КЗ (t=0):

кА,

для луча генераторов кА,

токи в фазах кА,

кА.

Суммарный ток однофазного короткого замыкания в точке K1 будет

(1) = I″(1)С + I″(1) Г = 2,76 + 3,54= 6,3 кА.

Заносим результат в таблицу 1.

Двухфазное короткое замыкание на землю

Схемы замещения прямой и обратной последовательности будут соответствовать схемам при однофазном коротком замыкании, значит их результирующие сопротивления мы уже высчитали:

; .

Схема замещения нулевой последовательности будет такой же, как и при расчете токов однофазного короткого замыкания, значит .

Комплексная схема замещения соответствует рис.9, но величина DХ вычисляется так .

Эквивалентное сопротивление схемы прямой последовательности и коэффициенты токораспределения принимаем из предыдущего расчета

;  и .

Результирующее сопротивление .

Сопротивления ветвей:

 - ветвь системы

и  - ветвь генераторов.

Ток прямой последовательности в луче системы для начального момента КЗ (t=0):

кА,

для луча генераторов кА,

токи в фазах кА,

кА,

Суммарный ток двухфазного короткого замыкания на землю в точке K1 будет

(1,1) = I″(1,1)С + I″(1,1) Г = 2,72 + 3,46= 6,18 кА.

Заносим результат в таблицу 1.

Таблица 1 Результаты расчетов

Точка КЗ

Источник энергии

Sном, МВ×А

Ток КЗ




Трехфазное КЗ

Однофазное КЗ (1)

Двухфазное КЗ (1.1)




I″, кА

iу, кА

Iпt, кА

iat, кА

I″, кА

I″, кА

К1

Система Генераторы G1, G2 Суммарное значение

2000 2х25 -

2,57 3,2 5,77




2,76 3,54 6,3

2,72 3,46 6,18

К2

Система Генератор G2 Генератор G1 Суммарное значение

2000 25 25

4,37 6,53 14,14 25,04

10,01 18,01 38,79 66,81

4,37 5,55 9,47 19,39

0,05 5,32 10,98 16,35



К3

Система Генераторы G1, G2 Суммарное значение

2000 2х25 -

-  8,87

-  24,24





К4

Система Генераторы G1, G2 Электродвигатель Суммарное значение

2000 2х25

- 4,35 0,4 4,75







Литература

. Куликов, Ю.А. Переходные процессы в электрических системах: учеб. пособие / Ю.А. Куликов. - М.: Мир, 2003.

. Мелешкин, Г.А. Электромагнитные переходные процессы в электроэнергетических системах / Г.А. Мелешкин. - СПб.: НОУ "Центр подготовки кадров энергетики", 2005.

. Шабад, В.К. Переходные электромеханические процессы в электроэнергетических системах: учеб. пособие / В.К. Шабад. - М.: МГОУ, 2005.

. Ульянов, С.А. Электромагнитные переходные процессы в электрических системах: учебник для вузов / С.А. Ульянов. - М.: Энергия, 1970.

. Руководящие указания по расчету токов короткого замыкания и выбору электрооборудования / под ред. Б.Н. Неклепаева. - М.: НЦ ЭНАС, 2006.


Не нашли материал для своей работы?
Поможем написать уникальную работу
Без плагиата!
Без нейросетей!