|
Наименование обородувания
|
Тип оборудования
|
Sн,МВА
|
Uн,кВ
|
cosφ
|
x’’d
|
x2
|
|
|
|
|
|
Генераторы
|
|
|
|
|
|
|
|
|
|
|
Г1
|
ТВФ-63-2ЕУЗ
|
78,75
|
10,5
|
0,8
|
0,136
|
0,166
|
|
|
|
|
Г2
|
СВ-850/120
|
40
|
10,5
|
0,8
|
0,23
|
0,2
|
|
|
|
|
Г3
|
ТВС-32-2ЕУЗ
|
40
|
10,5
|
0,8
|
0,153
|
0,187
|
|
|
|
|
Синхронный компенсатор
|
|
Sн,МВА
|
Uн,кВ
|
cosφ
|
x’’d
|
|
|
|
|
|
СК
|
КС-10-10УЗ
|
10
|
10,5
|
0,9
|
0,2
|
|
|
|
|
|
Трансформаторы
|
|
Sн,МВА
|
Uк,%
|
cosφ
|
Uквн,%
|
Uксн,%
|
Uквс,%
|
Uнн,кВ
|
Uнс,кВ
|
Uнв,кВ
|
|
|
Т1
|
ТДН-80/110
|
80
|
10,5
|
0,8
|
|
|
|
38,5
|
|
115
|
|
|
Т2,Т4,Т5
|
ТДН-40/110
|
40
|
0,8
|
|
|
|
38,5
|
|
115
|
|
|
Т3
|
ТЦ-160/200
|
160
|
11
|
0,8
|
|
|
|
15,75
|
|
242
|
|
|
АТ1
|
АТДЦТН-200/220/110
|
200
|
|
|
32
|
20
|
11
|
6,6
|
121
|
230
|
|
|
ЛЭП
|
Длина, км
|
|
|
|
|
|
|
Х0,Ом/км
|
|
|
Л1
|
130
|
|
|
|
|
|
|
0,4
|
|
|
Л2
|
20
|
|
|
|
|
|
|
0,4
|
|
|
Л3
|
50
|
|
|
|
|
|
|
0,4
|
|
|
Л4
|
35
|
|
|
|
|
|
|
0,4
|
|
|
Л5
|
50
|
|
|
|
|
|
|
0,4
|
|
|
Л6
|
10
|
|
|
|
|
|
|
0,4
|
|
|
Л7
|
125
|
|
|
|
|
|
|
0,4
|
|
|
Реактор
|
|
Uн,кВ
|
Iн,А
|
хр,%
|
|
|
|
|
|
|
L1
|
РТМТ-35-200-6
|
35
|
200
|
6
|
|
|
|
|
|
|
Нагрузки
|
Sн,МВА
|
|
|
|
|
|
|
|
|
|
Н1,Н2
|
35
|
|
|
|
|
|
|
|
|
|
Система
|
Sс,МВА
|
|
|
|
|
|
|
|
|
|
С
|
1500
|
|
|
|
|
|
|
|
|
Задание 1
1.1 Аналитический метод
расчета
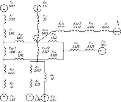
Выбираем
базисную мощность и базовое напряжение Sб = 1000 МВА, Uб=115 кВ.
Рассчитываем
ЕДС генераторов, нагрузок, а также рассчитываем реактивные сопротивления элементов
в относительных единицах в схеме.
Для
генераторов:
;
;
;
;
;
;
.
Для
трансформаторов:
2х
обмоточные
;
;
;
;
автотрансформаторы
;
;
;
;
;
;
;
;
;
;
;
.
Для линий
электропередач:
, где
;
;
;
;
;
;
;
.
Для
системы:
;
.
Для
нагрузок:
;
;
;
.
Для
реактора:
;
;
;
.
Для
синхронного компенсатора:
;
;
Рисунок 1.2 – Схема
замещения расчетной схемы
;
.
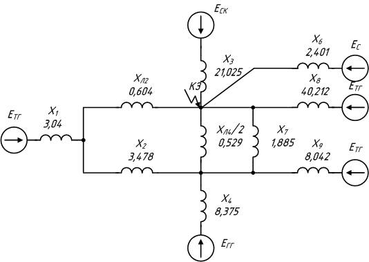
Рисунок 1.3 – Первый шаг
преобразования схемы замещения
;
;
Х3
= ХСК+ХАТН = 20+1,025 = 21,025; Х4 = ХТ5
+ХГ2 = 2,625 +5,75 = 8,375;
Х5
= ХТ4+ХГ3 = 2,625+3,825 = 6,45;
Х6
= ХАТВ+Хл7/2+ХТ3+ХС = 0,575+0,945/2+0,666 =
2,401.
Рисунок 1.4 - Второй шаг
преобразования схемы замещения
Х7 = Х1+ХЛ1/2+(Х1*ХЛ1/2)/ХЛ2
= 3,04+3,931/2+(3,04*3,931/2)/0,604 = 14,889;
Х8 = Х1+ХЛ2+(Х1*ХЛ2)/(ХЛ1/2)
= 3,04+0,604+3,04*0,604/(3,931/2) = 4,581;
Х9 = ХЛ1/2+ХЛ2+(ХЛ1/2*ХЛ2)/Х1
= 2,961;
Х10 = (Х3*Х6)/(Х3+Х6)
= (21,025*2,401)/(21,025+2,401) = 2,155;
Х11 = (Х4*ХН2)/(Х4+ХН2)
= (8,375*10)/(8,375+10) = 4,557;
Е1 =(ЕС*Х3+ЕСК*Х6)/(Х3+Х6)
= (1*21,025+1,12*2,401)(21,025+2,401) = 1,012;
Е2 =(ЕН2*Х4+ЕГ2*ХН2)/(Х4+ХН2)
= (0,85*8,375+1,138*10)/(8,375+10) = 1,006.
Рисунок 1.5 – Третий шаг
преобразования схемы замещения
Х12
= (Х7*Х2)/(Х7+Х2) = (14,889*12,625)/(14,889+12,625)
= 6,831;
Х13
= (Х8*Х10)/(Х8+Х10) =
(4,581*2,155)/(4,581+2,155) = 1,465;
Х14
= ХЛ5+Х5+ХЛ5*Х5/ХЛ6
=1,512+6,45+1,512*6,45/0,302 = 40,212;
Х15
= ХЛ5+ХЛ6+ХЛ5*ХЛ6/Х5 =
1,512+0,302+1,512*0,302/6,45 = 1,885;
Х16
= Х5+ХЛ6+Х5*ХЛ6)/ХЛ5 =
6,45+0,302+6,45*0,302/1,512 = 8,042;
Е3
=(ЕН1*Х7+ЕГ1*Х2)/(Х7+Х2)
=
(0,85*14,889+1,081*12,625)/(14,889+12,625)
= 0,956;
Е4
=(Е1*Х8+ЕГ1*Х10)/(Х8+Х10)
= (0,85*4,581+1,081*2,155)/(4,581+2,155) = 1,034.

Х17 =
(Х13*Х14)/(Х13+Х14) = (1,465*40,212)/(1,465+40,212)
= 1,414;
Х18 =
(Х15*ХЛ4/2)/(Х15+ХЛ4/2) = (1,885*1,058/2)/(1,885+1,058/2)
= 0,413;
Х19 =
(Х11*Х16)/(Х11+Х16) = (4,557*8,042)/(4,557+8,042)
= 2,909.
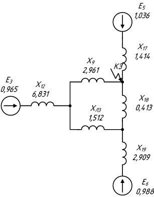
Е5
=(Е4*Х14+ЕГ3*Х13)/(Х14+Х13)
=
(1,034*40,212+1,091*1,465)/(40,212+1,465)
= 1,036.
Е6
=(Е2*Х16+Е3*Х11)/(Х11+Х16)
=
(1,006*8,042+0,956*4,557)/(8,042+4,557)
= 0,988.
Рисунок 1.7 – Пятый шаг
преобразования схемы замещения
Х20 = (Х9*ХЛ3)/(Х9+ХЛ3+Х18)
= (2,961*1,512)/(2,961+1,512+0,413) = 0,916;
Х21 = (Х9*Х18)/(Х9+ХЛ3+Х18)
= (2,961*0,413)/(2,961+1,512+0,413) = 0,250;
Х22 = (Х18*ХЛ3(Х9+ХЛ3+Х18)
= (0,413*1,512)/(2,961+1,512+0,413) = 0,127;
Рисунок 1.8 – Шестой шаг
преобразования схемы замещения
Х23
= Х12+Х20 = 6,831+0,916 = 7,748;
Х24
= Х19+Х22 = 2,909+0,127 = 3,037;
Х25
= (Х23*Х24)/(Х23+Х24) = (7,748*3,037)/(7,748+3,037)
= 2,181;
Х26 =
Х25+Х21 = 2,181+0,250 = 2,432;
Е7
=(Е3*Х24+Е6*Х23)/(Х24+Х23)
=
(0,956*3,037+0,988*7,748)/(3,307+7,748)
= 0,979.
Рисунок 1.9 – Седьмой шаг
преобразования схемы замещения
Е8
= (Е7*Х17+Е5*Х26)/(Х17+Х26)
=
(0,979*1,414+1,036*2,432)/(1,414+2,432)
= 1,021;
Х27
= (Х17*Х26)/(Х17+Х26) =
(1,414*2,432)/(1,414+2,432) = 0,894.
Нахождение
тока короткого замыкания
Iп* = E∑ / X∑ = 1,021/ 0,894 = 1,141;
Ток К.З. в
именованных единицах:
Iп = Iп**Iб = 1,141*1000/(1,732*115)
= 5,732 кA
Ударный ток
короткого замыкания:
Iу = 1,414*Ку * Iп = 1,414 *
1,8 * 5,732 = 14,590кA.
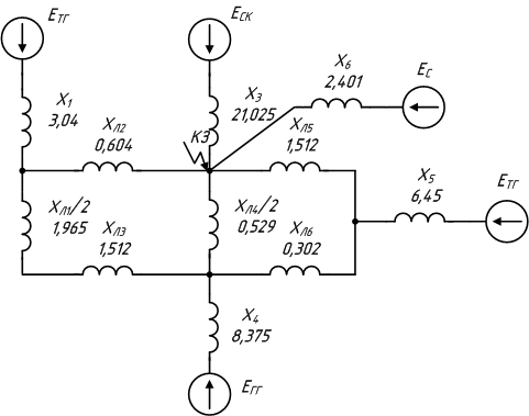
1.2 Метод расчётных
кривых
Для решения
свернем схему замещения, не смешивая при этом турбо- и гидрогенераторы, систему
и синхронный компенсатор, убрав при этом из схемы замещения нагрузки, так они
удаленны от точки короткого замыкания.
Также
воспользуемся расчётными данными, полученными в аналитическом методе.
Х1 =ХГ1+ХТ1
= 1,728+1,313 = 3,04; Х2 = ХТ2+ХН1
= 2,625+10 = 12,625;
Х3
= ХСК+ХАТН = 20+1,025 = 21,025; Х4 = ХТ5
+ХГ2 = 2,625 +5,75 = 8,375;
Х5
= ХТ4+ХГ3 = 2,625+3,825 = 6,45;
Х0
= ХЛ1/2+ХЛ3 = 3,931/2+1,512 = 3,478;
Рисунок 1.10 – Первый шаг
преобразования схемы замещения
Х6
= ХАТВ+Хл7/2+ХТ3+ХС = 0,575+0,945/2+0,666 =
2,401
Рисунок 1.11 – Второй шаг
преобразования схемы замещения
Х7
= ХЛ5+ХЛ6+ХЛ5*ХЛ6/Х5 =
1,512+0,302+1,512*0,302/6,45 = 1,885;
Х8
= ХЛ5+Х5+ХЛ5*Х5/ХЛ6 =
6,45+1,512+6,45*6,45/0,302 = 40,212;
Х9
= ХЛ6+Х5+Х5*ХЛ6/ХЛ5 =
0,302+6,45+6,45*0,302/1,512 = 8,042;
Х10
= (ХЛ4/2*Х7)/(ХЛ4/2+Х7) =
(1,058/2+1,885)/(1,058/2+1,885) = 0,413;
Рисунок 1.12 – Третий шаг
преобразования схемы замещения
Х11
= ХЛ2+Х0+ХЛ2*ХЛ3/Х1 = 0,604+3,478+0,604*1,512/3,04
= 2,582;
Х12
= ХЛ2+Х1+ХЛ2*Х1/Х0 = 0,604+3,931+0,604*3,04/3,478
= 3,357;
Х13
= Х1+Х0+Х1*Х0/ХЛ2 = 3,04+3,478+3,478*3,04/0,604
= 8,939;
Рисунок 1.13 – Четвертый
шаг преобразования схемы замещения
Х14
= (Х12*Х8)/(Х12+Х8) =
(3,357*40,212)/(3,357+40,212) = 3,098;
Х15
= (Х9*Х13)/(Х9+Х13) =
(8,042*8,939)/(8,042+40,212) = 4,107;
Х16
= (Х11*Х10)/(Х11+Х10) = (2,582+0,413)/(2,582+0,413)
= 0,356.
Рисунок 1.14 – Пятый шаг
преобразования схемы замещения
Х17
= Х16+Х15+Х16*Х15/Х4 =
0,356+4,107+0,356*4,107/8,375 = 4,638;
Х18
= Х16+Х4+Х16*Х4/Х15 =
0,356+8,375+0,356*8,375/4,107 = 9,457;
Х19
= Х4+Х15+Х4*Х15/Х16 = 8,375+4,107+8,375*14,107/0,356
= 109,026;
Х20
= (Х14*Х17)/(Х14+Х17) =
(3,098*4,638)/(3,098+4,638) = 1,857.
По расчетным
кривым найдем расчетные токи генераторов:
ХрасчГГ =
Х18*(SсумГГ/Sб) = 9,457*(40/1000) = 0,378;
ХрасчТГ =
Х20*(SсумТГ/Sб) = 1,857*((78,75+40)/1000) = 0,220;
ХрасчС =
Х6*(SС/Sб) = 2,401*(40/1000) = 3,602;
ХрасчСК=
Х3*(Sск/Sб) = 21,025*(10/1000) = 0,210;
I*пСК =
ЕСК/ХрасчСК = 1,12/0,21 = 5,326;
I*пС = 1/ХрасчС =
3,602 ;
I*пГ = 3,08
I*пТ
= 4,6;
IпсумТ =
SсумТ/√3*Uб = 118,75/1,732*115 = 0,596 кА;
IпсумГ =
SсумГ/√3*Uб = 40/1,732*115 = 0,2 кА;
IпсумС =
Sс/√3*Uб = 1000/1,732*230 = 7,53 кА;
IпсумСК =
Sск/ √3*Uб = 10/1,732*115 = 0,05 кА;
Рассчитаем
периодическую составляющую тока короткого замыкания:
Iп=I*пТ*IпсумТ+I*пГ*IпсумГ+I*пС*IпсумС+IпсумСК*I*пСК=
=4,6*0,596+3,08*0,2+3,602*7,53+5,326*0,05 = 5,71 кА;
Найдем
ударный ток короткого замыкания:
Iу = 1,414Ку * Iп = 1,414 *
1,8 *6,445 =14,55 кА;
Полученный
ток отличается от рассчитанного в предыдущем методе на
Δ%=((Iп-Iп)/Iп)*100%
= 0,2%.
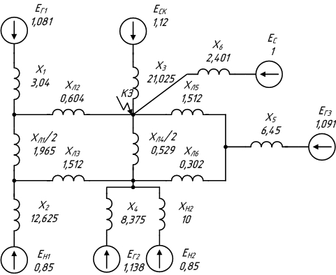
Задание 2
Использую
метод расчетных кривых, определить величину тока при несимметричном коротком
замыкании К(1) в этой же точке для начального момента времени, 0,2с
после начала короткого замыкания и в установившемся режиме.
Для
нахождения тока однофазного короткого замыкания нужно найти сопротивления прямой,
обратной и нулевой последовательностей.
Ток прямой
последовательности находится по данным метода расчетных кривых:
Х∑1=1/(1/X18 + 1/X20+ 1/X3+1/X36
) =
1/(1/9,457+1/1,857+1/21,025+1/2,401)
= 0,902;
Найдем
сопротивление обратной последовательности генераторов:
Xг1 = х2 * Sб/Sнг = 0,166*1000/ 78,75 = 2,108;
Xг2 = х2 * Sб/Sнг = 0,2 *1000/40 = 5;
Xг3 = 0,153 *1000/40
= 4,675;
Найдем
сопротивление обратной последовательности для заданной схемы по шагам метода
расчетных кривых:
Х1 =ХГ1+ХТ1
= 2,108+1,313 = 3,42; Х2 = ХТ2+ХН1
= 2,625+10 = 12,625;
Х3
= ХСК+ХАТН = 20+1,025 = 21,025; Х4 = ХТ5
+ХГ2 = 2,625 +5 = 7,625;
Х5
= ХТ4+ХГ3 = 2,625+4,675 = 7,3;
Х6 =ХЛ1/2+ХЛ3
= 3,931/2+1,512 = 2,401;
Х7
= ХЛ5+ХЛ6+ХЛ5*ХЛ6/Х5 =
1,512+0,302+1,512*0,302/7,3 = 1,885;
Х8
= ХЛ5+Х5+ХЛ5*Х5/ХЛ6 =
7,3+1,512+6,45*7,3/0,302 = 45,312;
Х9
= ХЛ6+Х5+Х5*ХЛ6/ХЛ5 =
0,302+7,3+7,3*0,302/1,512 = 9,062;
Х10
= (ХЛ4/2*Х7)/(ХЛ4/2+Х7) =
(1,058/2+1,885)/(1,058/2+1,885) = 0,413;
Х11 = ХЛ2+ХЛ3+ХЛ2*ХЛ3/(ХЛ1/2)
= 0,604+1,512+0,604*1,512/(3,931/2) = 2,582;
Х12 = ХЛ2+ХЛ1/2+(ХЛ2*ХЛ1/2)/ХЛ3
= 0,604+3,931/2+(0,604*3,931/2)/1,512 = 3,357;
Х13 = ХЛ1/2+ХЛ3+(ХЛ1/2*ХЛ3)/ХЛ2
= 3,931/2+1,512+(3,931/2*1,512)/0,604 = 8,939;
Х14 = (Х12*Х8)/(Х12+Х8)
= (3,357*40,212)/(3,357+40,212) = 3,125;
Х15 = (Х9*Х13)/(Х9+Х13)
= (8,042*8,939)/(8,042+40,212) = 4,375;
Х16 = (Х11*Х10)/(Х11+Х10)
= (2,582+0,413)/(2,582+0,413) = 0,355.
Х17 = Х16+Х15+Х16*Х15/Х4
= 0,355+4,375+0,355*4,375/7,625 = 4,916;
Х18 = Х16+Х4+Х16*Х4/Х15
= 0,355+7,625+0,355*7,625/4,375 = 8,603;
Х19 = Х4+Х15+Х4*Х15/Х16
= 7,625+4,107+7,625*14,107/0,355 = 105,3;
Х20 = (Х14*Х17)/(Х14+Х17)
= (3,125*4,916)/(3,125+4,916) = 1,19.
Суммарное
сопротивление обратной последовательности:
Х∑2 =1/(1/X18 + 1/X20+ 1/X3+1/Х6)
= 1/(1/8,603+1/1,19+1/21,025+1/2,401) = 0,906.
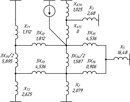
Найдем
сопротивление нулевой последовательности. Для этого сопротивления линий и
сопротивление реактора увеличим в три раза.
Рисунок 2.3- Схема
замещения нулевой последовательности
Рисунок 2.4 – Первый шаг
преобразования схемы замещения нулевой последовательности
Х1 = 3ХЛ1/2
= 3*3,931/2 = 5,897;
Х2 = (ХТ5*ХН2)
/(ХТ5+ХН2) = (2,625*10)/(2,625+10) = 2,079;
Х3 = ХАТВ+ХТ3+3ХЛ7
/2 = 0,575+0,687+3*0,945/2 = 2,680;
Х4 = 3ХЛ4
/2 = 3*1,058/2 = 1,588;
Х5 = 3ХР+ХТ4
= 3*4,618+2,625 = 16,48;
Х6 = (ХАТН*Х3)
/(ХАТН+Х3)+ХАТС =
(1,025*2,680)/(1,025+2,680)+0 = 0,741;
Х7 = ХТ1+3ХЛ2+ХТ1*3ХЛ2
/Х1 = 1,312+9*0,604+1,312*3*0,604/5,897 = 3,261;
Х8 = ХТ1+Х1+ХТ1*Х1/3ХЛ2
= 1,312+5,897+1,312*5,897/3*0,604 = 11,476;
Х9 = Х1+3ХЛ2+Х1*3ХЛ2
/ХТ1 = 5,897+3*0,604+5,897*3*0,604/1,312 = 15,867;
Х10 = 3ХЛ5+3ХЛ6+3ХЛ5*3ХЛ6
/Х5 = 3*1,512+3*0,302+9*1,512*0,302/17,471 = 5,679;
Х11 = 3ХЛ5+Х5+3ХЛ5*Х5
/3ХЛ6 = 3*1,512+17,471+3*1,512*17,471/3*0,302 = 109,366;
Х12 = 3ХЛ6+Х5+3ХЛ6*Х5
/3ХЛ5 = 3*0,302+17,471+3*0,302*17,471/3*1,512 = 21,873;
Рисунок 2.5 – Второй шаг
преобразования схемы замещения нулевой преобразования
Рисунок 2.6 – Третий шаг
преобразования схемы замещения нулевой последовательности
Х13
= (Х8*ХТ2) /(ХТ2+Х8) =
(11,476*2,625)/(11,476+2,625) = 2,136;
Х14
= (Х6*Х7) /(Х6+Х7) =
(0,741*3,261)/(0,741+3,261) = 0,604;
Х15
= (Х4*Х10) /(Х4+Х10) =
(1,588*5,697)/(1,588+5,697) = 1,240;
Х16
= Х9+Х13+Х9*Х13 /3ХЛ3 = 15,867+2,136+15,867*2,136/3*1,512
= 25,475;
Х17
= Х13+3ХЛ3+Х13*3ХЛ3 /Х9
= 2,136+3*1,152+2,136*3*1,512/15,867 = 7,284;

Х18 = Х9+3ХЛ3+Х9*3ХЛ3
/Х13 = 15,867+3*1,512+15,867*3*1,512/2,136 = 200,202;
Х19 = Х11+Х12+Х11*Х12
/Х5 = 109,366+21,873+109,366*21,873/16,48 = 268,159;
Х20 = Х11+Х5+Х11*Х5
/Х12 = 109,366+16,48+109,366*16,48/21,873 = 214,195;
Х21 = Х5+Х12+Х5*Х12
/Х11 = 16,48+21,873+16,48*21,873/109,366 = 42,839;
Рисунок 2.8 – Пятый шаг
преобразования схемы замещения нулевой последовательности
Х22
= (Х14*Х16) /(Х14+Х16) =
(0,604*25,475)/(0,604+25,475) = 0,590;
Х23
= (Х15*Х18) /(Х15+Х18) = (1,240*200,202)/(1,240+200,202)
= 1,233;
Х24
= (Х2*Х17) /(Х2+Х17) =
(2,079*7,284)/(2,079+7,284) = 1,617;
Рисунок 2.9 – Шестой шаг
преобразования схемы замещения нулевой последовательности
Х25
= (Х22*Х20) /(Х22+Х20) = (0,590*214,195)/(0,590+214,195)
= 0,855;
Х26
= (Х19*Х23) /(Х19+Х23) = (268,159*1,233)/(268,159+1,233)
= 1,213;
Х27
= (Х21*Х24) /(Х21+Х24) =
(42,839*1,617)/(42,839+1,617) = 1,764;
Рисунок 2.10 - Седьмой
шаг преобразования схемы замещения нулевой последовательности
Х28
= Х26+Х27 = 1,227+1,588 = 2,978;
Рисунок 2.11 – Восьмой
шаг преобразования схемы замещения нулевой последовательности
Х29
= (Х28*Х25) /(Х28+Х25) = (2,978*0,855)/(2,978+0,855)
= 0,665;
Сопротивление
нулевой последовательности: X∑0 = 0,665
Нахождение тока
однофазного короткого замыкания.
Найдем Х∆
:Х∆ = Х∑2 +X∑0 = 0,906+0,665 = 1,571;
Найдем
коэффициенты распределения токов:
СТГ=
Х∑1/ХТГ = 0,902/1,857 = 0,486;
СГГ
= Х∑1/ХГГ = 0,902/9,457= 0,096
ССК
= Х∑1/ХСК = 0,902/21,025 = 0,043;
СС
= Х∑1/ХС = 0,902/2,401 = 0,375;
Найдем
расчетные сопротивления генераторов и системы:
ХрассчТТ=
(Х∑1+ Х∆)/Стг *(S∑)/ Sб ;
Храссч.ТГ
= (0,902+1,571)/0,486*(40+78,75)/1000 = 0,604;
Храссч.ГГ
= (0,902+0,1,571)/0,096*(40)/1000 = 1,037;
Храссч.С
= (Х∑1+ Х∆)/СС *SС/ Sб = (0,902+0,1,571)/0,375*1500/1000
= 9,875;
Храссч.СК
= (Х∑1+ Х∆)/ССК *SСК/ Sб = (0,902+1,571)/0,043*10/1000
= 0,576;
По расчетным
кривым определим расчетные токи для генераторов в моменты времени 0, 0,2 и ¥ с.:
Iрассч.ТГ 0 = 1,62; Iрассч.ТГ 0,2 = 1,43; Iрассч.ТГ ∞ = 1,63
Iрассч.ГГ 0 = 1,02; Iрассч.ГГ 0,2 = 1,01; Iрассч.ГГ ∞ = 1,3
Найдем
расчетный ток системы :
IрассчС
= 1/XрассчС = 1/9,875 = 0,101;
IрасчСК
= ЕСК/ХрасчСК = 1,12/0,576 = 1,943;
Рассчитаем
номинальный ток генераторов, синхронного компенсатора и системы:
Iн∑ТГ = 118,75 /(√3 *115 ) = 0,596 кА
Iн∑ГГ = 40 /(√3 * 115 ) = 0,20 кА
Iн∑С = 1500 /(√3 * 115 ) = 7,531 кА.
Iн∑СК = 10 /(√3 * 115 ) = 0,050 кА.
Коэффициент
взаимосвязи токов: m(1) = 3
Рассчитаем
периодическую составляющую тока короткого замыкания для заданного момента
времени:
IП0 = m(Iрассч.ТГ0* Iн∑ТГ+ Iрассч.ГГ0* Iн∑ГГ+ IрассчС *IнС+ IрассчСК *IнСК)
IП0=
m*(IрасчТГ0*IнсумТГ+IрасчГГ 0*IнсумГГ+IрасчС*IнС+IрасчСК*IнСК)
IП0 = 3*(1,62*0,596+1,02*0,20+0,101*7,531+1,943*0,050)
= 6,092кА
IП0,2
= m*(IрасТг0,2*IнсумТг+IрасчГг0,2*IнсумГг+IрасчС*IнС+IрасчСК*IнскмСК)
IП0,2 = 3*(1,43*0,596+1,01*0,20+0,101*7,531+1,943*0,050)=
5,746 кА
IП∞
= m*(IрасТГ∞* IнсумТГ +IрасчГГ∞ *IнсумГГ
+IрасчС*IнС+IрасчСК*IнСК)
IП∞ = 3*(1,63*0,596+1,3*0,20+0,101*7,531+1,943*0,050)=
6,278 кА
Задание 3
Построение
векторной диаграммы токов и напряжений в точке короткого замыкания для начального
момента времени.
Граничные
условия
IКB1 = 0;
IКC1 = 0;
UКА = 0;
Найдем
прямую, обратную и нулевую последовательность тока короткого замыкания:
IКА1= IКА2= IКА0= Iп0/3 = 6,092/3 = 2,03 кА;
Рассчитаем
напряжение прямой последовательности фазы А:
UКА1 = j*IКА1*(Х∑2 +X∑0) = j*2,03*(11,985+8,798) = j42,2 кВ
Рассчитаем
напряжение обратной последовательности фазы А:
UКА2 = -j*IКА2*Х∑2 = -j*2,03*11,985 = -j24,33 кВ
Найдем
напряжение нулевой последовательности фазы А:
UКА0 = -j*IКА0*X∑0 = -j*2,03*8,798 = -j17,867 кВ
Рассчитаем
напряжения короткого замыкания фаз В и С:
UКВ = j*IКА1*[Х∑2*(а2-а)+X∑0(а2-1)] = j*2,03*[11,985*(а2-а)+8,798*(а2-1)]
UКС = j*IКА1*[Х∑2*(а-а2)+X∑0(а-1)] = j*1,246*[0,314*(а-а2)+0,485*(а-1)]
UКC = j*2,03*[11,985*(j*
)+8,798*(-0,5+j*
/2-1)] = -57,62-j26,8 кВ
Найдем модули
напряжений короткого замыкания фаз В и С:
|UКВ| = 63,55 кВ
|UКC| = 63,55 кВ
Векторная
диаграмма токов и напряжений представлена на рисунке 3.1, масштаб: 1см = 8,44 кВ;
1см = 0,8 кА .