Электромагнитные переходные процессы в электрических системах

  • Вид работы:
    Курсовая работа (т)
  • Предмет:
    Физика
  • Язык:
    Русский
    ,
    Формат файла:
    MS Word
    1,03 Мб
  • Опубликовано:
    2012-05-14
Вы можете узнать стоимость помощи в написании студенческой работы.
Помощь в написании работы, которую точно примут!

Электромагнитные переходные процессы в электрических системах

Федеральное агентство по образованию

Государственное образовательное учреждение высшего профессионального образования

«Национальный исследовательский Томский политехнический университет»

Институт - ИДО

Направление - Электрические системы и сети

Кафедра - ЭСС





ЭЛЕКТРОМАГНИТНЫЕ ПЕРЕХОДНЫЕ ПРОЦЕССЫ В ЭЛЕКТРИЧЕСКИХ СИСТЕМАХ

Расчетно-пояснительная записка к курсовой работе по дисциплине «Электромагнитные переходные процессы в электрических системах»

Вариант № 316.


Выполнил ст. гр. 9262 Бортник В.В





Томск - 2010

Содержание

Введение

Исходные данные

.Расчет трехфазного КЗ в сложной электрической системе

.1 Расчет параметров схемы замещения

.2 Преобразование схемы замещения

.3 Расчет коэффициентов токораспределения

.4 Расчет параметров аварийного режима для начального момента времени t=0

.5 Параметры тока КЗ, протекающего через выключатель

1.6 Периодические слагаемые токов источников, приведенных к ступеням напряжения этих источников

1.7 Расчет остаточных напряжений в узлах схемы для t=0

.8 Расчет токов КЗ для времени t=0.2

Ответы на вопросы

. Расчет режима несимметричного КЗ в сложной электрической сети

2.1 Схема прямой последовательности

.2 Преобразование схемы замещения

.2.1 Расчёт коэффициентов токораспределения

.3 Схема обратной последовательности

.3.1 Расчёт коэффициентов токораспределения

2.3.2 Схема нулевой последовательности

2.3.3 Преобразование схемы замещения

2.3.4 Расчёт коэффициентов токораспределения

2.4 Расчет параметров аварийного режима для t=0

.4.1 Расчет фазных токов, протекающих в Л1

.4.2 Расчет остаточных напряжений в месте КЗ

2.5 Расчет остаточных напряжений в узле

Ответы на вопросы

Заключение

Список используемых источников

Введение

Дисциплина “Электромагнитные переходные процессы в электрических системах” является одной из основных, изучаемых студентами электроэнергетических специальностей.

Главная цель изучения указанной дисциплины заключается в понимании и усвоении сущности явлений, сопровождающих электромагнитные переходные процессы в электрических системах, а основной практически важный результат - умение осознано выполнять расчеты режимов симметричных и несимметричных коротких замыканий простейших электрических систем. Именно это умение вырабатывается при выполнении курсовой работы.

Под переходными процессами понимается неустановившиеся состояние, причиной которых является разнородные возмущения (КЗ, сбросы и набросы мощности, отключение ЛЭП, трансформаторов и т.д.)

КЗ в электрических системах вызываются повреждением фазовой и линейной изоляции токоведущих частей. Основными причинами нарушения изоляции являются: прямые удары молний в токоведущие части, перетирание изоляции при неправильных операциях с разъединителями, старение изоляции, механические повреждения кабелей и т.д.

КЗ сопровождаются понижением уровня напряжения и резким увеличением тока. Особенно вблизи места повреждения. Резкое понижение напряжения при КЗ может привести к нарушению устойчивости параллельной работы генераторов и к системной аварии.

КЗ сопровождается переходным процессом, при котором значение токов и напряжений, а также характер их изменения во времени зависит от соотношения мощностей и сопротивлений источников питания и цепи, в которой произошло повреждение. В связи с этим все виды КЗ можно условно разделить на 2 группы: КЗ в цепях питающихся от шин неизменного напряжения и КЗ вблизи генератора ограниченной мощности.

Шиной неизменного напряжения считают такой источник напряжения, на зажимах которого остается практически неизменным при любых изменениях тока в подключенной к нему цепи.

Ко второй группе относятся повреждения, происходящие на выводах генераторов или на таком удалении от них, что сопротивление цепи КЗ соизмеримо с сопротивлениями генераторов. В этом случае изменение параметров самого генератора при КЗ существенно влияет на ход процесса и им нельзя пренебречь.

Исходные данные

Номер схемы - 1

Состояние секционного выключателя СВ-1 - Вкл.

Точка симметричного трёхфазного КЗ - 1.

Точка несимметричного двухфазного КЗ на землю - 8.

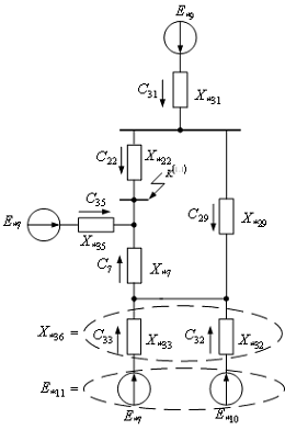
Схема сложной электрической сети (с учетом всех допущений и требований к курсовому проекту):

Рис.1. Принципиальная схема сложной электрической сети.

Исходные параметры оборудования:

Турбогенераторы (ТГ1 - ТГ3):

Тип: Т-12-2

Sном =15 МВА;

Uн =10.5 кВ;

X”d =0.131;

Iном =0.825 кА;

Cos(φн)=0.8;

Трансформаторы (Т1, Т2):

Тип: ТДН -32000/115

Sном =32 МВА;

UВН =115 кВ;

UНН =11 кВ;

UК = 10.5%

Трансформаторы (Т3):

Тип: ТМН -6300/115

Sном =6.3 МВА;

UВН =115 кВ;

UНН =11 кВ;

UК = 10.5;

Синхронный двигатель СД - 1(режим перевозбуждения):

Тип: СТД -16-84-6

Sном =4.61 МВА;

Uн =10 кВ;

Iпуск =5.8 o.e.;

Iном =0.266 кА;

Cos(φн)=0.87;

Автотрансформаторы (Т4, Т5):

Тип: АТДЦТН 63000/230

Sном =63 МВА;

UВН =230 кВ;

UСН =121 кВ;

UНН =11 кВ;

UК В-С = 11%;

UК В-Н = 35%;

UК С-Н = 22%;

Реактор СР:

Тип: РБУ -10 -2500 -0.2

Uном =6 кВ;

Хном =0.2 Ом;

Система:

Uс = 228 кВ;

Хном = 2400 Ом;

Асинхронный двигатель АД-2

Тип: ВА02 -630 L-4

Sном =2.22 МВА;

Uн =10 кВ;

Iпуск =6 o.e.;

Iном =0.128 кА;

Cos(φн)=0.9;

Параметры воздушных ЛЭП:

Длинна ЛЭП, км

Л5 = 20 км Л4 = 60 км  Л1 = 25 км Л2 = 50 км Л3 = 30 км






Все ЛЭП-110 кВ выполнены проводом АС-240 (х=0,4 Ом/км).

Исполнение линий: Л1, Л2, Л3 - одноцепные со стальным тросом;

Л4 - двухцепная с хорошо проводящим тросом;

Л5 - одноцепная без троса.

1. Расчет трёхфазного короткого замыкания в сложной электрической системе


При расчетах тока КЗ в сложных электрических сетях напряжением выше 1 кВ и в соответствии с ГОСТ 27514-87 «Короткие замыкания в электроустановках. Методы расчета в электроустановках переменного тока напряжением свыше 1 кВ» принимается ряд упрощений:

·        Рассматриваемая энергосистема строго симметрична при трехфазном коротком замыкании.

·        Не учитывается намагничивающий ток трансформаторов и автотрансформаторов. Не учитывается насыщение магнитной системы указанных элементов, что позволяет считать их сопротивления постоянными.

·        Не учитываются активные сопротивления элементов энергосистемы.

·        Для ВЛ напряжением до 220 кВ включительно не учитывается емкостная проводимость; для кабельных линий емкостная проводимость учитывается, начиная с напряжения 35 кВ и выше.

Расчет проведем в системе относительных единиц (о.е.) при приближенном учете коэффициентов трансформации. Сущность приближенного учета заключается в том, что для каждой ступени трансформации вместо действительного напряжения начала и конца, устанавливается среднее номинальное напряжение для каждой ступени:

.

Относительное значение какой-либо величины - есть отношение к другой одноименной величине, выбранной за единицу измерения, чтобы выразить отдельные величины в относительных единицах, нужно, прежде всего, выбрать те величины, которые должны служить соответственными единицами измерения, или, как говорят, установить базисные единицы (условия).

Принимаем базисные единицы:

Sб = 1000 МВА


Uб1 =10.5 кВ

на ступенях схемы с UН = 10 кВ

Uб2 = 115 кВ

на ступенях схемы с UН = 110 кВ

Uб3 = 230 кВ

на ступенях схемы с UН = 230 кВ



Где - базисная мощность рассматриваемой электрической сети;

- базисные напряжения отельных ступеней трансформации;

- базисные токи.

Независимые  и , выбираем произвольно (для упрощения расчетов ; - принимаем из стандартного ряда средненоминальных напряжений).

Зависимые - , получаются из указанных соотношений.

Для того чтобы перейти к электрической схеме замещения, необходимо привести сопротивления всех элементов к напряжению одной из ступеней (базисной).

1.1    Расчет параметров схемы замещения в относительных единицах

 

Система:

·      сопротивление системы:


·        ЭДС системы:


Турбогенераторы ТГ1 - ТГ3:

·      сопротивления генераторов:


·      номинальное напряжение генератора:


·      номинальный ток генератора:


·      ЭДС генераторов в режиме перевозбуждения:


ЭДС должно быть меньше 1.2, иначе расчет произведен не верно.

Автотрансформаторы АТ-4, АТ-5:

·      сопротивления ветвей:


-при дальнейших расчетах не учитываем, потому что сопротивление является отрицательным и его значение очень мало, что дает право им пренебречь.


Рассмотрим схему замещения автотрансформатора:

Как было сказано выше Хс мы не учитываем из-за его значения, но Хн мы не будем учитывать по другой причине - при протекании тока в сопротивлении Хн он дальше никуда не пойдет, потому что как мы видим нагрузка не подключена, за счет этого будет возникать холостой ход и это сопротивление можно не учитывать.

Трансформаторы Т1, Т2:

·      сопротивления трансформаторов:


Трансформатор Т3:

·      сопротивления трансформаторов:


Синхронный двигатель СД-1 (режим перевозбуждения):

·        сверхпереходное сопротивление двигателя:


· сопротивление двигателя:


·      номинальное напряжение двигателя:


·      номинальный ток двигателя:


·      ЭДС двигателя в режиме перевозбуждения:

ЭДС меньше 1.2, значит, подсчитано верно.

Реактор СР:

· сопротивление реактора:


Асинхронный двигатель АД-2:

·      сверхпереходное сопротивление двигателя:


·      сопротивление двигателя:


·      номинальное напряжение двигателя:


·      номинальный ток двигателя:


·      ЭДС двигателя:


ЭДС меньше 1.2,значит, подсчитано верно.

Воздушные линии Л1-Л5:

·      сопротивления линий:


Рис.2. Эквивалентная схема замещения сложной электрической сети.

1.2    Преобразование схемы замещения

Схема замещения преобразуется до эквивалентной ветви относительно точки короткого замыкания с результирующим значением ЭДС () и сопротивлением (). Использованные приемы преобразования основываются на последовательном, параллельном сложении элементов схемы, взаимном эквивалентном преобразованиях «звезды» и «треугольника» сопротивлений.

1.



Рис. 3. Преобразованная схема замещения и ее параметры.

2.



Рис. 4. Преобразованная схема замещения и ее параметры.

3.


Рис. 5. Преобразованная схема замещения и ее параметры.

4.


Рис. 6. Преобразованная схема замещения и ее параметры.

5.


Рис. 7. Преобразованная схема замещения и ее параметры.

6.



Рис. 8. Преобразованная схема замещения и ее параметры.

7.



Рис. 9. Преобразованная схема замещения и ее параметры.

8.



Рис. 10. Преобразованная схема замещения и ее параметры.

9.



Рис. 11. Преобразованная схема замещения и ее параметры.

10.


Рис. 12. Преобразованная схема замещения и ее параметры.

11.

Определим периодическую слагаемую тока КЗ (действующее значение) для времени t=0:


Рис. 13. Результирующая схема замещения и ее параметры.

1.3     Расчет коэффициентов токораспределения

Коэффициенты токораспределения служат для определения взаимных сопротивлений между точкой КЗ и источниками. Предполагают, что в месте КЗ ток равен 1 (о.е.), а ЭДС всех ветвей равны по модулю и по фазе, т.е. токи находятся в долях от 1. Значит, Коэффициент токораспределения характеризует долю участия каждого источника в питании места КЗ.

Коэффициент токораспределения ветви Ci численно равен току, протекающему по этой ветви Ii при условии, что суммарный ток в месте КЗ принят за единицу, т.е. . Расчет коэффициентов Ci основан на законах Кирхгофа.

Расчет ведем на основе предыдущих расчетов, постепенно разворачивая схему:

1) За основу примем С0 (см. Рис.12):


Проверка:

2) За основу примем С39 (см. Рис.11):


Проверка:

3) За основу примем С37 (см. Рис.9):


Проверка:

4) За основу примем С34 (см. Рис.7):


Проверка:


Проверка:


6) За основу примем С30 (см. Рис.6):


Проверка:

7) (см. Рис.5):


Проверка:


8) За основу примем С21 (см. Рис.3):


Проверка:

За основу примем С24 (см. Рис.3):


Проверка:

Проведем основную и заключительную проверку, на правильность нахождения коэффициентов токораспределения, которая гласит, что сумма всех коэффициентов токораспределения при ЭДС должна равняться 1.


Проверка сходится, следовательно, коэффициенты токораспределения найдены верно.

1.4 Расчет параметров аварийного режима для начального момента времени t=0

Периодическая слагаемая тока КЗ в относительных единицах: ,

в именованных единицах: .

Ударный ток КЗ: ,

где  - ударный коэффициент, показывает превышение ударного тока над амплитудой периодической составляющей; для рассчитываемого места КЗ по [1, табл.П1.5, стр.44] принимаем единый , . для всех источников подпитки места КЗ.

Таким образом, при расчете ударного тока КЗ по формуле с обобщенным коэффициентом  ударный ток КЗ несколько выше, чем при отдельном учете ударных коэффициентов каждого источника питания.

Тогда ударный ток:

Наибольшее действующее значение полного тока КЗ:

имеет место за первый период переходного процесса и соответствует времени t=0,01 с., т.е. моменту наступления ударного тока.

.5 Параметры тока КЗ, протекающего через выключатель В1 для t=0

Согласно рекомендациям [1, стр.10] для точек КЗ, имеющих двухстороннюю подпитку, необходимо ориентироваться на большую величину периодической слагаемой тока через выключатель.

Ориентируясь на коэффициенты токораспределения, видно, что максимальное значение тока, протекающего через выключатель, имеет место тогда, когда через выключатель протекают токи всех источников.

Действующее значение периодической слагаемой тока КЗ, протекающего через выключатель:


Мгновенное значение ударного тока, действующего на выключатель В1:

1.6    Периодические слагаемые токов источников, приведённые к ступеням напряжения этих источников

Для определения периодической слагаемой тока источника в именованных единицах, необходимо периодическую слагаемую тока КЗ в относительных единицах умножить на коэффициент токораспределения ветви источника и на базисный ток соответствующей ступени трансформации:

Периодическая слагаемая тока, приведенная к UБi в любой ветви i схемы, определяется по выражению: .

В результате получаем для t=0:

ТГ-1:

ТГ-2:

ТГ-3:

АД-2:

Система:

СД-1:

Наибольшую долю в питании места КЗ имеет ТГ1

.7 Расчет остаточных напряжений в узлах схемы для t=0

Расчет остаточных напряжений в узлах схемы основан на II законе Кирхгофа. В качестве опорных точек для нахождения остаточных напряжений можно принять точки с уже известными напряжениями: UКЗ=0 и ЭДС источников.

Для точек 1 и 2 рассчитаем остаточные напряжения методом от КЗ.

1) узелнаходится на 2 ступени:

Начинаем считать от места КЗ, UКЗ=0:

2) узелнаходится на 2 ступени: .


Или

Для точки 3 рассчитаем остаточное напряжение методом от ЭДС.

) Напряжение на шинах генератора ТГ-3 :


Остаточные напряжения меньше базисных, следовательно, расчет произведен верно.

1.8    Расчет токов КЗ для времени t=0,2 с

Для системы периодическая слагающая во времени не изменяется: .

Для источников конечной мощности периодическая слагающая тока с течением времени может затухать, что определяется их удаленностью от места КЗ. Для расчета периодической составляющей тока КЗ в произвольный момент времени t используется метод типовых кривых, персональных для синхронных генераторов [1, рис.П1.8, стр.50], синхронных двигателей [1, рис.П1.9, П1.10, стр.51] и асинхронных двигателей [1, рис.П1.11, стр.52].

Для каждого источника питания определяют соотношение периодической составляющей тока КЗ источника в начальный момент времени к его номинальному току. Указанный ток должен быть рассчитан при одном и том же напряжении.

; ; .

Эти соотношения указывают на условную электрическую удаленность источника от точки КЗ. Чем больше указанное отношение, тем ближе источник к точке КЗ.

Для генерирующих источников рассчитываемой схемы имеем:

ТГ-1:

ТГ-2:

ТГ-3:

СД-1:

АД-2:

Если значение , то затухание периодической составляющей тока КЗ с течением времени переходного процесса необходимо учитывать.

По типовым кривым [1,рис.П1.8,стр.50] для турбогенераторов для момента времени t=0,2 с. определяем соотношение: .

ТГ-1:  ТГ-2:  ТГ-3:

По типовым кривым [1, рис.П1.10, стр.51] для СД для момента времени t=0,2 с. определяем соотношение: .

По типовым кривым [1, рис.П1.11, стр.52] для АД для момента времени t=0,2 с. определяем соотношение: .

Для системы , т.е. периодическая слагаемая тока КЗ во времени остается неизменной.

Действующее значение периодической слагаемой в месте КЗ для t=0.2 с.


Значение периодической составляющей тока КЗ, протекающего через выключатель В1 при t=0,2 с.


Значение апериодической составляющей тока КЗ, протекающего через выключатель В1 при t=0,2 с.


Действующее значение полного тока протекающего, через выключатель В1 при t=0,2 с.


Отключающую способность выключателя при номинальном его напряжении Uн характеризуют номинальным током Iот.н. или пропорциональной ему номинальной отключаемой мощностью:

Соответственно, когда проверка выключателя производиться по отключаемой мощности, последняя должна быть сопоставлена с так называемой мощностью КЗ, которая независимо от вида КЗ условно определяется как:

, где Iкt-ток КЗ в момент t размыкания контактов выключателя, Uн номинальное напряжение ступени, для которой найден ток КЗ. Отключаемая мощность выключателя не постоянна, а зависит от напряжения, при котором он работает.

Мощность КЗ отключаемая выключателем В1 при t=0,2 с.


.8 Ответы на вопросы

) Какие используются напряжения для расчета коэффициентов трансформации при точном приведении параметров электрической схемы замещения?

Для расчета коэффициентов трансформации при точном приведении параметров электрической схемы замещения используют либо действительные, либо номинальные значения напряжений обмоток.

) На каких законах основан расчет коэффициентов распределения токов в элементах схемы замещения?

Расчет коэффициентов распределения токов в элементах схемы замещения основан на правиле разброса токов, которое является следствием 1-го 2-го законов Кирхгофа, а также на законе Ома.

) На какую слагающую тока переходного режима оказывает влияние автоматическое регулирование возбуждения (АРВ) генераторов и в чем это проявляется?

В режиме КЗ АРВ не влияет на апериодическую слагаемую тока. При t=0 АРВ не влияет также и на периодическую составляющую тока КЗ из-за того, что напряжение на выводах обмотки возбуждения генератора мгновенно не изменяется. Влияние АРВ на периодическую слагаемую проявляется для момента времени t>0. Использование АРВ оказывает влияние на действующее значение периодической слагаемой тока КЗ. Без АРВ амплитуда постоянно изменяется от наибольшего начального значения до наименьшего установившегося значения. С АРВ периодическая слагаемая тока КЗ уменьшается, а затем возрастает. АРВ сказывается в росте тока возбуждения и связанных с ним составляющих токов статора и продольной демпферной обмотки. Этот процесс протекает относительно медленно, поэтому он приводит к изменению практически только ЭДС вращения статора и вызванной ею периодической слагаемой тока статора. Апериодическая слагаемая не изменяется.

) От каких факторов зависит значение ударного коэффициента?

Значение ударного коэффициента зависит от места КЗ, от времени переходного процесса, от времени затухания апериодической слагаемой тока КЗ (от постоянной времени  или от отношения , а также от величины активной мощности двигателя).

) Какое влияние оказывают синхронные и асинхронные двигатели на ток КЗ, и от чего зависит это влияние?

В зависимости от дальности возникновения КЗ двигатели могут либо увеличивать ток КЗ, оказывая подпитывающее действие на место КЗ, либо уменьшать ток КЗ, потребляя его.

Нагрузка шунтирует поврежденную ветвь и тем уменьшает внешнее сопротивление цепи статора. Это приводит к увеличению тока генератора, уменьшению его напряжения и соответственно пропорциональному уменьшению тока в месте К.З. С увеличением удаленности К.З. влияние нагрузки сказывается сильнее.

Для синхронного двигателя необходимо рассмотреть два режима: недовозбуждение и перевозбуждение.

Если до КЗ СД работал в режиме перевозбуждения, то его ЭДС больше напряжения сети. Поэтому он посылал реактивный ток во внешнюю сеть. При КЗ ЭДС двигателя не изменяется, а напряжение сети падает и СД продолжает посылать реактивный ток в сеть, подпитывая тем самым ток КЗ. В режиме недовозбуждения СД имеет ЭДС меньшую, чем напряжение сети и потребляет реактивный ток. При удаленном от СД КЗ, напряжение падает, но оно по-прежнему больше ЭДС, двигатель продолжает потреблять ток из сети, но уже в меньшем количестве. Таким образом, СД уменьшает результирующий ток КЗ.

Асинхронный двигатель в нормальном режиме работает с малым скольжением порядка 2-5%. Это столь малое скольжение, что в начале переходного процесса АД рассматривается как СД в режиме недовозбуждения.

) Какими параметрами вводятся в схему генерирующие источники для начального момента КЗ?

Генерирующие источники вводятся в схему как сверхпереходное сопротивление и сверхпереходная ЭДС ( E’’ и х’’ ).(  - продольная сверхпереходная реактивность,  - поперечная сверхпереходная реактивность).

короткий замыкание электрический

2. Расчет режима несимметричного короткого замыкания в сложной электрической сети

Несимметричный режим обусловлен либо несимметричным КЗ, либо обрывом одной или двух фаз. В первом случае возникает поперечная несимметрия, во втором продольная. При несимметрии напряжения и токи по фазам не одинаковы и различны, углы сдвига отличаются от 120 град. Анализ несимметрии на основе метода симметричных составляющих применим с некоторыми допущениями. Метод симметричных составляющих с одной стороны позволяет воспользоваться однолинейными схемами. Несимметричное КЗ практически сводится к расчету трехфазного КЗ в некоторой фиктивной точке.

2.1 Задание

Для электрической схемы, исходная схема которой приведена на рис.1, выполнить в заданной точке расчет несимметричного короткого замыкания. Точка и вид к.з. выбираются по табл.4 [1,стр.12] в соответствии с кодовым номером №3.

При расчете для момента t=0 определить:

·        - действующее значение периодической составляющей тока к.з.;

·        - ударный ток к.з.;

·        фазные токи (кА) для ВЛ, связывающей точку к.з. с узлом схемы, обозначенного символом с номером N, равным номеру точки к.з. (для двухцепной ВЛ - на одну цепь);

·        фазные и линейные напряжения (кВ) для точки к.з. и узла с символом с номером N, равным номеру точки к.з.;

·        построить векторные диаграммы токов (в точке к.з. и ВЛ) и напряжений (в точке и узле ).

В практических расчетах несимметричных режимов используются те же допущения, что и при анализе симметричного трехфазного КЗ.

Расчет проводим в системе относительных единиц при тех же базисных условиях.

Используем те же исходные данные, что и при симметричном режиме.

Сопротивления системы для всех последовательностей принимаем одинаковыми и равными сопротивлению прямой последовательности.

Для расчета несимметричного КЗ используем метод симметричных составляющих.

Суть метода симметричных составляющих:

Используется принцип независимости действия симметричных составляющих, т.е. каждая последовательность рассматривается как отдельное симметричное К.З.

Источник питания схемы замещения прямой последовательности рассчитывается как сверхпереходная ЭДС.

В схеме замещения обратной последовательности все ЭДС источников приравниваются нулю. Элементы не содержащие вращающихся частей входят как сопротивления прямой последовательности.

В схеме замещения нулевой последовательности входят только те трансформаторы, которые имеют заземлённые нейтрали трансформации.

.2 Схема замещения прямой последовательности

Схема замещения прямой последовательности является обычной схемой, которую составляют для расчета любого симметричного трехфазного режима или процесса. В зависимости от применяемого метода расчета и момента времени в нее вводят генераторы и нагрузки соответствующие реактивностями ЭДС. Все остальные элементы вводят в схему неизменными сопротивлениями.

В нашем случае расчет будем производить как и в первой части, относительно новой точки КЗ.

Началом схемы прямой последовательности считают точку, в которой объединены свободные концы всех генерирующих и нагрузочных ветвей.

Концом схемы прямой последовательности считают точку, где возникла рассматриваемая несимметрия.

Рис.14. Схема замещения прямой последовательности сложной электрической сети.

2.2 Преобразование схемы замещения

1.





Рис.15. Преобразованная схема замещения прямой последовательности и ее параметры.

2.






Рис.16. Преобразованная схема замещения прямой последовательности и ее параметры.

3.


Рис.17. Преобразованная схема замещения прямой последовательности и ее параметры.

4.



Рис.18. Преобразованная схема замещения прямой последовательности и ее параметры.

5.



Рис.19. Преобразованная схема замещения прямой последовательности и ее параметры.

6.


Рис.20. Преобразованная схема замещения прямой последовательности и ее параметры.

7.



Рис.21. Преобразованная схема замещения прямой последовательности и ее параметры.

8.





Рис.22. Преобразованная схема замещения прямой последовательности и ее параметры.

9.


Рис.23. Преобразованная схема замещения прямой последовательности и ее параметры.

10.


Рис.24. Преобразованная схема замещения прямой последовательности и ее параметры.

.2.1 Расчет коэффициентов токораспределения

По заданию требуется определить фазный ток в линии Л12, поэтому последовательно рассчитываем коэффициенты токораспределения только для этой линии.

1) За основу примем С0 (см. Рис.23):


2) За основу примем С43 (см. Рис.22):


) За основу примем С42 (см. Рис.22):

4) За основу примем С30 (см. Рис.18):


) За основу примем С22 (см. Рис.15):


2.3 Схема замещения обратной последовательности

Схема замещения обратной последовательности по структуре полностью совпадает со схемой прямой последовательности. Отличие схемы обратной последовательности состоит в том, что в ней ЭДС всех генерирующих источников питания принимаются равными нулю, а в месте КЗ приложено напряжение обратной последовательности U2К.

Магнитный поток, созданный токами обратной последовательности синхронной частоты, вращаясь относительно ротора с двойной синхронной скоростью, встречает на своем пути непрерывно изменяющиеся магнитное сопротивление, это обусловлено магнитной несимметрией ротора и тем, что наведенные в продольных и поперечных контурах ротора токи создают различные ответные реакции. Поток обратной последовательности гармонически изменяется с двойной синхронной скоростью в пределах между его наибольшим и наименьшим значениями, разница между которыми зависит от степени несимметрии ротора, на велика при резкой несимметрии ротора и совсем исчезает при его полной симметрии. В качестве приближенных соотношений принимают:

Для машин без демпферных обмоток: Х=1,45.Х d’’.

Для турбогенераторов и машин с демпферными обмотками в обеих осях ротора: Х=1,22.Х d’’.

Принимаем, что схема обратной последовательности и её сопротивления совпадают со схемой прямой последовательности, т.е. ,.

Схема замещения обратной последовательности представлена на Рис.25.

Рис. 25. Схема замещения обратной последовательности сложной электрической сети.

.3.1 Расчет коэффициентов токораспределения

Рис. 26. Преобразованная схема замещения обратной последовательности сложной электрической сети.

1) За основу примем С0 (см. Рис.23):


2) За основу примем С43 (см. Рис.23):


3) За основу примем С42 (см. Рис.23):


4) За основу примем С22 (см. рис.15):

   

2.3.2 Схема замещения нулевой последовательности

Схема замещения нулевой последовательности существенно отличается от схемы замещения прямой последовательности и в значительной мере определяется соединением обмоток трансформаторов. Началом схемы замещения нулевой последовательности считают точку, в которой объединены ветви с нулевым потенциалом. А её концом - место КЗ, в которой приложено U0К.

Схема замещения нулевой последовательности представлена на Рис.26.

Рис. 26. Схема замещения нулевой последовательности сложной электрической сети.

Для автотрансформаторов АТ4, АТ5, трансформаторов Т1, Т2, Т3 и системы сопротивления нулевой последовательности равны сопротивлениям прямой последовательности.

Условие протекания тока нулевой последовательности:

Ток нулевой последовательности будет протекать лишь по той трансформаторной цепи, которая имеет соответствующие схемы соединения обмоток, и в конце которой, ток нулевой последовательности может замкнуться на землю.

В упрощенных практических расчетах сопротивление нулевой последовательности Х0 воздушных линий электропередач допускается определять через коэффициент К=Х01, значение которого зависит от конструктивного исполнения ЛЭП.

Определим сопротивления нулевой последовательности ВЛЭП, К определяем в соответствии с заданным в исходных данных конструктивным исполнением по [1, табл.П2.1, стр.58]:


.3.3 Преобразование схемы замещения

1.

Из первой части имеем:



Рис.27. Преобразованная схема замещения нулевой последовательности сложной электрической сети.

.



Рис.28. Преобразованная схема замещения нулевой последовательности сложной электрической сети.

3.


Рис.29. Преобразованная схема замещения нулевой последовательности сложной электрической сети.

.



Рис.30. Преобразованная схема замещения нулевой последовательности сложной электрической сети.

.


Рис.31. Эквивалентная схема замещения нулевой последовательности сложной электрической сети.

.3.4 Расчет коэффициентов токораспределения

1) За основу примем С0 (см. Рис.31):


2) За основу примем С29 (см. Рис.31):

) За основу примем С23 (см. Рис.28):

 

2.4 Расчет параметров аварийного режима для начального момента времени t=0

Перед началом расчета необходимо записать граничные условия. При одновременном замыкании фаз В и С на землю в одной точке (Рис.35) граничные условия будут:

В записи через симметричные составляющие эти условия дают:


Рис. 32. Схема двухфазного замыкания на землю.

Согласно методу симметричных составляющих, расчет несимметричных КЗ приводит к правилу эквивалентности тока прямой последовательности, в соответствии с которым ток прямой последовательности любого несимметричного КЗ в реальной точке численно равен току трехфазного КЗ в некоторой фиктивной точке, удаленной от реальной точки на дополнительный реактанс Δ.

Дополнительный реактанс для двухфазного короткого замыкания на землю вычисляется по формуле [1, табл.П 2.3, стр.62]:


Коэффициент пропорциональности:


Примем фазу ЭДС

Действующее значение периодической слагаемой тока прямой последовательности особой фазы А:


Токи обратной и нулевой последовательностей:


Из граничных условий:

 

Модуль периодической слагаемой тока поврежденных фаз (В, С) в именованных единицах:


Ударный ток КЗ:


где ;  поданным [1, табл.П1.5, стр.44].

.4.1 Расчет фазных токов протекающих в ВЛ-1:

Для ВЛ-1 имеем коэффициенты токораспределения:

Симметричные составляющие токов фазы А для Л-1 в расчете на одну цепь:


Фазные токи для Л-1:


где а - оператор фазы.

Для построения векторной диаграммы токов в Л-1 находим симметричные составляющие тока фазы А в именованных единицах:

 

2.4.2 Расчет остаточных напряжений в месте короткого замыкания

Симметричные составляющие напряжения в месте КЗ особой фазы А:

В относительных единицах:


В именованных единицах:

 

Остаточные фазные напряжения в точке КЗ в именованных единицах:

2.5 Расчет остаточных напряжений в узле

Симметричные составляющие остаточного напряжения в узлесхемы:


Фазные остаточные напряжения в узле схемы:


Линейные остаточные напряжения в узлесхемы:


2.6 Построение векторных диаграмм


Рис.33.Векторная диаграмма напряжений в точке К(1,1).

Рис.34.Векторная диаграмма токов в точке К(1,1).

Рис.35.Векторная диаграмма напряжений в узле при К(1,1).

Рис.37.Векторная диаграмма токов в Л1 при К(1,1).

ОТВЕТЫ НА ВОПРОСЫ:

) В чем состоит отличие схемы замещения обратной и нулевой последовательностей от схемы прямой последовательности?

Схема обратной последовательности по структуре полностью совпадает со схемой прямой последовательности. Отличие состоит в том, что в обратной последовательности ЭДС все генерирующих источников питания принимаются равными нулю, а в месте КЗ приложено напряжение обратной последовательности U. Кроме того, для генераторов сопротивления обратной последовательности , для всех прочих элементов сопротивления обратной и прямой последовательностей одинаковы.

Схема нулевой последовательности существенно отличается от схемы прямой последовательности, и в значительной мере определяется соединением обмоток трансформаторов. ЭДС всех генерирующих источников питания равны нулю. В месте КЗ приложено напряжение нулевой последовательности U. Сопротивление нулевой последовательности ЛЭП существенно больше сопротивления прямой последовательности и зависит от конструктивного исполнения ЛЭП. Все остальные сопротивления элементов равны сопротивлениям прямой и обратной последовательностей.

) Чем обусловлено отличие сопротивления нулевой последовательности ВЛ от сопротивления прямой последовательности; каково влияние грозозащитных тросов на сопротивление нулевой последовательности ВЛ?

Разница в сопротивлениях прямой и нулевой последовательностей обусловлена разницей характера токов этих последовательностей. Ток прямой последовательности сдвинут на 1200, в то время как, токи нулевой последовательности совпадают по фазе.

Токи нулевой последовательности, протекая по проводам, создают значительный результирующий магнитный поток той же последовательности, который сцеплен с тросом. Следовательно, в тросе наводится ЭДС со сдвигом на 900. Таким образом, ток в тросе сдвинут относительно токов провода приблизительно на 1800, т.е. они имеют встречное направление.

Вследствие этого, заземленный трос уменьшает Х0 линии на 3Х.

Сопротивления НП отличаются от сопротивлений ПП и ОП за счет других условий протекания токов НП. Эти токи, протекая в ЛЭП, возвращаются через землю и по заземленным цепям, расположенным параллельно данной линии (защитные тросы, рельсовые пути и т.д.). Это обуславливается тем, что в то время как при токе ПП и ОП взаимоиндукция с другими фазами уменьшает сопротивление фазы, при токе НП она, напротив, увеличивает его ( ). Грозозащитные тросы снижают индуктивное сопротивление НП линии, а активное могут как увеличивать, так и снижать.

) В чем состоит суть правила эквивалентности токов прямой последовательности ля несимметричных режимов?

Ток прямой последовательности при любом несимметричном КЗ в точке К численно равен току симметричного трехфазного короткого замыкания в некоторой фиктивной точке, удаленной от реальной точки на сопротивление шунта , которое определяется сопротивлениями нулевой и обратной последовательностей, в зависимости от вида короткого замыкания.

) Остаются ли в силе соотношения между симметричными составляющими токов и напряжений, полученные для места КЗ, для узлов схемы, удаленных от точки КЗ?

Нет. Соотношение между симметричными составляющими токов и напряжений для места КЗ определяются в зависимости от вида КЗ по таблицам, т.е. каждому КЗ соответствует своя симметричная составляющая. Симметричные составляющие для узлов схемы, удаленных от места КЗ определяются через коэффициенты токораспределения.

ЗАКЛЮЧЕНИЕ

Расчеты режимов КЗ трехфазных симметричных схем производятся на одну фазу в следствии подобия явлений, происходящих в каждой из фаз, и равенства значений одноименных величин.

При несимметрии в произвольной точке системы, которая может быть поперечной при коротком замыкании между фазами или между фазой и землей, или продольной - при неодинаковых сопротивлениях в фазах и обрывах, явления по фазам различны. Неодинаковы в том случае величины токов и напряжений, а также узлы сдвига между ними. Для нахождения токов и напряжения в любой фазе несимметричной системы необходимо составить трехфазную схему замещения и написать необходимое число уравнений с учетом взаимоиндукции, что сильно усложняет решение задачи, особенно для синхронных генераторов.

Сравнительно прост расчет несимметричных режимов в трехфазных схемах с помощью метода симметричных составляющих. Вычисление токов и напряжений при несимметричных КЗ сводится к вычислению этих величин при некотором фиктивном трехфазном КЗ. А это предоставляет возможность воспользоваться однолинейной схемой замещения и производить расчет на одну фазу. В этом состоит одно из достоинств метода симметричных составляющих.

СПИСОК ИСПОЛЬЗУЕМЫХ ИСТОЧНИКОВ

[1] Готман В.И., Хрущёв Ю.В. Электромагнитные переходные процессы в электрических системах: Учебное пособие по курсовому проектированию по дисциплине «Электромагнитные переходные процессы в электрических системах», Томск: изд-во ТПУ, 2002, - 68с.

[3] Ульянов С.А. Электромагнитные переходные процессы в электрических системах. М.:»Энергия», 1970 - 420с.

Похожие работы на - Электромагнитные переходные процессы в электрических системах

 

Не нашли материал для своей работы?
Поможем написать уникальную работу
Без плагиата!
Без нейросетей!