Теоретические основы электротехники
Задача № 1
Расчет сложной электрической цепи постоянного тока
Исходные данные:
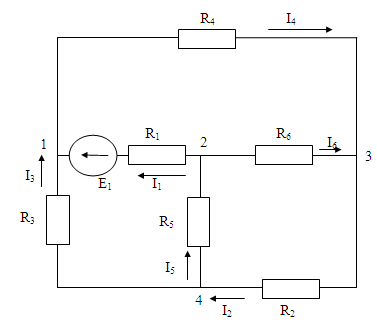
Задана сложная электрическая цепь (рисунок. 1.1 - 1.35). Параметры
отдельных элементов заданы в таблице 1.1. Вариант расчетной схемы определяется
номером студента по списку группы в журнале; вариант задания исходных данных к
расчетной схеме определяется номером группы.
Таблица 1.1.
|
Номер группы
|
Е1, В
|
Е2, В
|
J1, A
|
J2, A
|
R1, Ом
|
R2, Ом
|
R3, Ом
|
R4, Ом
|
R5, Ом
|
R6, Ом
|
Расчетная ветвь
|
|
106116
|
800
|
500
|
2,0
|
1,5
|
110
|
120
|
130
|
140
|
150
|
160
|
1
|
Содержание задания:
1 Определить токи в ветвях схемы
методом по законам Кирхгофа;
2 Определить токи в ветвях схемы
методом контурных токов;
3 Определить токи в ветвях схемы
методом наложения. Частичные токи ветвей определить с помощью уравнений,
составленных в п.1 или п.2.
4 Рассчитать частичные токи во всех
ветвях схемы для источника ЭДС Е1 методом эквивалентных
преобразований.
5 Определить токи в ветвях схемы
методом узловых потенциалов;
6 Определить ток в заданной расчетной
ветви (таблица 1.1) методом эквивалентного генератора напряжения (Еэ,Rэ) и эквивалентного генератора тока (Jэ,Rэ). Проверить соотношение между
параметрами по формуле Rэ=Uэ/Jэ;
7 Для метода эквивалентного генератора
напряжения рассчитать, составить таблицу значений и построить график функции Рk = f(Rk) для 1-ой ветви при изменении сопротивления резистора Rk в диапазоне от 0 до десятикратного
заданного;
8
Проверить
выполнение баланса мощностей SРист=SРпр;
9 Для выбранного контура схемы,
включающего два источника ЭДС, рассчитать и построить в масштабе
потенциальную диаграмму.
Методические указания:
1 Все результаты расчётов получить с
точностью до 4-х значащих цифр.
2 Решение систем алгебраических
уравнений выполнить с помощью ЭВМ;
3 Значения токов в ветвях расчетной
схемы, определенные различными методами свести в таблицу для сравнения
результатов расчета;
4 График Рk = f(Rk) и потенциальную диаграмму построить на миллиметровой
бумаге.


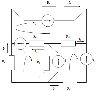
2. Определим
токи методом контурных токов:
Ik1=1,5880 А
Ik2=-2,5398 А
Ik3=-0,9346 А
Тогда токи на резисторах:
I1=Ik1-Ik2;2=Ik3;3=Ik2;4=Ik1-J1;5=-Ik2-J2+Ik3;6=Ik3-Ik1;
.
Определим токи методом наложения
4.
Преобразуем схему. Сперва треугольник R2 -R5 -R6 преобразуем
в звезду
’2
-R’3 -R’4 по формулам:
Получим
эквивалентную схему:
Определим
эквивалентное сопротивление:
Определим
разность потенциалов между точками 3, 2, 4 и токи.
Ответ:
5.Определим
ток в ветвях схемы методом узловых потенциалов:
6.Определим
ток в ветви эквивалентным генератором тока:
Определим
эквивалентное сопротивление:
Преобразуем
схему. Сперва треугольник R2 -R5 -R6 преобразуем
в звезду
’2
-R’1 -R’3 по формулам:
Получим схему:
Определим
ток в ветви эквивалентным генератором напряжения:
Проверим
соотношение
7.Для
метода эквивалентного генератора напряжения рассчитаем и составим таблицу
значений и построим график функции Р2 = f(R2) для
1-ой ветви при изменении сопротивления резистора R2 в
диапазоне от 0 до десятикратного заданного.
Имеем
|
R2,Oм
|
0
|
10
|
55
|
110
|
220
|
244,6
|
440
|
660
|
|
P2,Вт
|
0
|
16,9313
|
67,294
|
96,0113
|
111,8591
|
112,17
|
103,0353
|
88,5192
|
|
R2,Oм
|
880
|
1100
|
1320
|
1540
|
1760
|
1980
|
2000
|
2200
|
|
P2,Вт
|
76,3648
|
66,7749
|
59,1799
|
53,0696
|
48,0689
|
43,910
|
43,5671
|
40,403
|
8.Проверим выполнение баланса мощностей SРист=SРпр;
.Для выбранного контура схемы ABCDEF, включающего два источника ЭДС, рассчитаем и построим в
масштабе потенциальную диаграмму.
Задача
№ 2
Расчет однофазной электрической цепи переменного тока
Исходные данные:
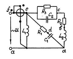
Задана однофазная электрическая цепь (рисунок. 2.1 - 2.33). К зажимам
электрической цепи подключен источник синусоидального напряжения u=Umsin(wt+Yu),
В и частотой f =50 Гц. Амплитуда, начальная фаза напряжения и параметры
элементов цепи заданы в таблице 2.1. Вариант расчетной схемы определяется
номером студента по списку группы в журнале; вариант задания исходных данных к
расчетной схеме определяется номером группы.
Таблица 2.1
|
Номер
|
Um,
|
Yu,
|
R1
|
R2
|
R3
|
L1
|
L2
|
C1
|
C2
|
|
группы
|
В
|
град.
|
Ом
|
мГн
|
мкФ
|
|
106116
|
141,4
|
90
|
25
|
50
|
30
|
79,5
|
127,2
|
127,2
|
79.5
|
Содержание задания:
1) Начертить расчетную схему электрической цепи для комплексной формы
расчета. Рассчитать и представить в комплексной форме входное напряжение и
сопротивления ветвей;
2) Определить действующие значения токов в ветвях цепи методом
эквивалентных преобразований;
) Определить токи в ветвях цепи методом по законам Кирхгофа;
) Записать уравнение мгновенного значения тока источника;
) Определить показание ваттметра и составить баланс активных и
реактивных мощностей;
) Рассчитать напряжения на каждом элементе цепи;
) Построить векторную диаграмму токов, совмещенную с
топографической векторной диаграммой напряжений.
Методические указания:
1) Расчеты выполнить в комплексной форме;
2) Все результаты расчётов вещественных, мнимых частей и модулей
комплексных величин получить с точностью до 4-х значащих цифр. Значения углов
начальных фаз напряжений и токов, а также углов разности фаз комплексных
сопротивлений вычислять в градусах и округлять до целых чисел;
) Решение системы алгебраических уравнений в п.3 выполнить с
помощью ЭВМ;
) Векторную диаграмму токов, совмещенную с топографической
векторной диаграммой напряжений построить на миллиметровой бумаге.
1) Начертим расчетную схему электрической цепи для комплексной формы
расчета.
)
Определим действующие значения токов в ветвях цепи методом эквивалентных
преобразований;
3)
Определим токи в ветвях цепи методом по законам Кирхгофа;
)
Запишем уравнение мгновенного значения тока источника
5) Определим показание ваттметра и составим баланс активных и реактивных
мощностей;
Баланс мощностей выполняется.
6) Рассчитаем напряжения на каждом элементе цепи;
7) Построим векторную диаграмму токов, совмещенную с топографической
векторной диаграммой напряжений.
Задача № 3
Расчет сложной электрической цепи переменного тока
Исходные данные:
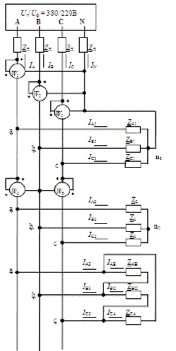
Задана схема трёхфазной цепи (рисунок 3.1), включающая симметричный
трёхфазный генератор с напряжением Uл/Uф=220/127
В, линию
электропередачи с сопротивлением Zл=Rл+jXл (Ом) и три приёмника энергии с различными
схемами соединения фаз (звезда с нулевым проводом, звезда без нулевого провода
и треугольник). Параметры отдельных элементов схемы приведены в комплексной
форме Z=R+jX в таблице 3.1.
Варианты заданий для групп:
гр. 106116: №№ 1 - 29 в соответствии с номером по списку группы в
журнале;
гр. 106216: №№ (30+N),
где N - номер студента по списку группы в
журнале;
гр. 106226: №№ (60+N),
где N - номер студента по списку группы в
журнале;
Содержание задания:
1) Определить линейные и фазные напряжения каждого из приёмников. Расчет
провести методом узловых потенциалов в комплексной форме. Решение системы
алгебраических комплексных уравнений выполнить на ЭВМ;
2) Определить линейные и фазные токи каждого из приёмников;
) Определить токи в проводах линии электропередачи;
) Выполнить проверку результатов расчета токов приемников и
линий, рассчитав их по методу законов Кирхгофа: составить комплексные уравнения
и решить их на ЭВМ;
) Определить потерю и падение напряжения в проводах линии;
) Определить активную Рист и реактивную Qист мощности источника энергии.
Определить активную Рпр и реактивную Qпр мощности каждого из приёмников
энергии и соответственно их суммы SРпр и SQпр.
Проверить выполнение балансов активных и реактивных мощностей: Рист=SРпр и Qист=SQпр;
) Определить показания первой группы ваттметров W1, W2 и W3 и проверить баланс мощностей: W1+W2+W3=P1+P2+P3;
) Определить показания второй группы ваттметров W4 и W5 и проверить баланс мощностей: W4+W5=P2+P3;
) Построить в единой системе координат на миллиметровой бумаге
в выбранных масштабах векторную диаграмму токов, совмещенную с топографической
векторной диаграммой напряжений.
Методические указания:
1) Все результаты расчётов вещественных, мнимых частей и модулей
комплексных величин получить с точностью до 4-х значащих цифр. Значения углов
начальных фаз напряжений и токов, а также углов разности фаз комплексных
сопротивлений вычислять в градусах и округлять до целых чисел.
Рисунок 3.1
электрический ток напряжение мощность
Таблица 3.1
|
Вариант
|
R, X
|
ZЛ
|
ZA1
|
ZB1
|
ZC1
|
Z2
|
ZAB
|
ZBC
|
ZCA
|
|
1
|
R
|
1
|
13
|
13
|
16
|
17
|
42
|
33
|
44
|
|
1
|
X
|
3
|
10
|
15
|
-11
|
15
|
-25
|
37
|
21
|
|
2
|
R
|
1
|
16
|
18
|
15
|
19
|
38
|
51
|
45
|
|
2
|
X
|
4
|
-12
|
14
|
-21
|
16
|
-54
|
27
|
-32
|
|
3
|
R
|
2
|
11
|
15
|
18
|
14
|
51
|
24
|
35
|
|
3
|
X
|
4
|
17
|
-16
|
14
|
-19
|
33
|
-41
|
50
|
|
4
|
R
|
2
|
15
|
18
|
12
|
18
|
37
|
48
|
52
|
|
4
|
X
|
3
|
11
|
-10
|
-16
|
15
|
54
|
-27
|
-30
|
|
5
|
R
|
2
|
17
|
15
|
20
|
19
|
24
|
57
|
38
|
|
5
|
X
|
5
|
18
|
-19
|
11
|
12
|
-52
|
24
|
41
|
|
6
|
R
|
1
|
16
|
18
|
21
|
20
|
33
|
61
|
27
|
|
6
|
X
|
5
|
-15
|
14
|
-10
|
-14
|
49
|
-20
|
-49
|
|
7
|
R
|
2
|
13
|
21
|
23
|
21
|
25
|
31
|
|
7
|
X
|
6
|
19
|
-15
|
-11
|
-12
|
37
|
-58
|
52
|
|
8
|
R
|
3
|
18
|
15
|
17
|
10
|
42
|
67
|
55
|
|
8
|
X
|
4
|
-13
|
11
|
16
|
22
|
-65
|
29
|
-53
|
|
9
|
R
|
3
|
32
|
13
|
23
|
24
|
37
|
31
|
67
|
|
9
|
X
|
5
|
-12
|
-28
|
26
|
-14
|
66
|
-57
|
40
|
|
10
|
R
|
3
|
26
|
17
|
15
|
12
|
57
|
40
|
31
|
|
10
|
X
|
5
|
13
|
34
|
-19
|
29
|
-42
|
55
|
-48
|
|
11
|
R
|
3
|
32
|
35
|
18
|
27
|
67
|
65
|
28
|
|
11
|
X
|
6
|
-14
|
17
|
28
|
-15
|
43
|
-37
|
-61
|
|
12
|
R
|
2
|
24
|
38
|
19
|
24
|
35
|
70
|
41
|
|
12
|
X
|
7
|
16
|
-11
|
-31
|
36
|
-71
|
33
|
47
|
|
13
|
R
|
3
|
27
|
32
|
22
|
35
|
64
|
52
|
39
|
|
13
|
X
|
7
|
-18
|
15
|
33
|
-21
|
86
|
-63
|
57
|
|
14
|
R
|
3
|
22
|
29
|
17
|
21
|
85
|
83
|
46
|
|
14
|
X
|
6
|
25
|
-14
|
-31
|
33
|
-42
|
51
|
-68
|
|
15
|
R
|
4
|
25
|
18
|
11
|
19
|
77
|
39
|
82
|
|
15
|
X
|
5
|
-16
|
-32
|
35
|
-35
|
62
|
-79
|
47
|
|
16
|
R
|
4
|
37
|
33
|
32
|
38
|
51
|
44
|
76
|
|
16
|
X
|
6
|
19
|
-16
|
-37
|
25
|
84
|
-81
|
52
|
|
17
|
R
|
4
|
14
|
37
|
27
|
31
|
61
|
76
|
85
|
|
17
|
X
|
7
|
36
|
-21
|
-34
|
29
|
-82
|
51
|
-40
|
|
18
|
R
|
4
|
29
|
30
|
17
|
25
|
94
|
38
|
62
|
|
18
|
X
|
8
|
18
|
-14
|
28
|
36
|
-56
|
91
|
58
|
|
19
|
R
|
5
|
33
|
19
|
21
|
37
|
55
|
97
|
86
|
|
19
|
X
|
6
|
-24
|
35
|
34
|
-27
|
105
|
-68
|
45
|
|
20
|
R
|
5
|
35
|
42
|
27
|
27
|
108
|
102
|
62
|
|
20
|
X
|
7
|
37
|
21
|
-38
|
39
|
-75
|
76
|
-104
|
|
21
|
R
|
4
|
32
|
47
|
17
|
42
|
74
|
117
|
103
|
|
21
|
X
|
9
|
39
|
-14
|
-41
|
-38
|
114
|
-54
|
78
|
|
22
|
R
|
4
|
31
|
38
|
29
|
31
|
71
|
128
|
84
|
|
22
|
X
|
10
|
47
|
-18
|
-46
|
-45
|
122
|
57
|
-114
|
|
23
|
R
|
5
|
41
|
47
|
31
|
42
|
86
|
121
|
72
|
|
23
|
X
|
7
|
-19
|
24
|
37
|
-16
|
115
|
-68
|
-125
|
|
24
|
R
|
5
|
45
|
34
|
27
|
37
|
77
|
81
|
99
|
|
24
|
X
|
8
|
-20
|
-39
|
41
|
-28
|
127
|
104
|
|
25
|
R
|
5
|
48
|
44
|
14
|
33
|
124
|
122
|
64
|
|
25
|
X
|
9
|
19
|
-26
|
-46
|
-42
|
78
|
-87
|
131
|
|
26
|
R
|
5
|
45
|
51
|
22
|
34
|
122
|
83
|
57
|
|
26
|
X
|
10
|
24
|
18
|
-38
|
45
|
-75
|
96
|
-128
|
|
27
|
R
|
5
|
36
|
52
|
19
|
43
|
84
|
76
|
131
|
|
27
|
X
|
11
|
-44
|
-24
|
37
|
-26
|
114
|
-123
|
42
|
|
28
|
R
|
6
|
52
|
38
|
67
|
48
|
104
|
95
|
74
|
|
28
|
X
|
7
|
42
|
-45
|
18
|
25
|
-121
|
132
|
-108
|
|
29
|
R
|
6
|
47
|
56
|
19
|
50
|
114
|
135
|
87
|
|
29
|
X
|
8
|
-28
|
21
|
61
|
-28
|
129
|
-102
|
-122
|
|
30
|
R
|
6
|
39
|
64
|
47
|
31
|
118
|
62
|
131
|
|
30
|
X
|
9
|
45
|
23
|
-52
|
54
|
-87
|
142
|
-93
|
|
31
|
R
|
6
|
48
|
32
|
55
|
36
|
153
|
144
|
76
|
|
31
|
X
|
10
|
-52
|
-62
|
24
|
-53
|
79
|
-88
|
134
|
|
32
|
R
|
7
|
55
|
37
|
46
|
42
|
96
|
128
|
85
|
|
32
|
X
|
7
|
-24
|
44
|
-32
|
48
|
-134
|
106
|
142
|
|
33
|
R
|
7
|
58
|
43
|
64
|
37
|
153
|
124
|
136
|
|
33
|
X
|
8
|
37
|
-47
|
31
|
-58
|
78
|
112
|
-107
|
|
34
|
R
|
7
|
32
|
48
|
51
|
48
|
146
|
69
|
146
|
|
34
|
X
|
9
|
-43
|
35
|
-24
|
39
|
-85
|
156
|
98
|
|
35
|
R
|
7
|
25
|
52
|
56
|
44
|
67
|
132
|
98
|
|
35
|
X
|
10
|
65
|
-23
|
28
|
-29
|
153
|
-117
|
-152
|
|
36
|
R
|
6
|
54
|
63
|
38
|
57
|
87
|
89
|
159
|
|
36
|
X
|
11
|
-42
|
45
|
51
|
34
|
-127
|
146
|
-74
|
|
37
|
R
|
6
|
25
|
72
|
52
|
62
|
124
|
133
|
167
|
|
37
|
X
|
12
|
61
|
28
|
-57
|
39
|
137
|
142
|
-112
|
|
38
|
R
|
6
|
32
|
69
|
29
|
41
|
118
|
87
|
103
|
|
38
|
X
|
13
|
-58
|
37
|
64
|
-52
|
148
|
-171
|
156
|
|
39
|
R
|
6
|
59
|
34
|
65
|
35
|
98
|
116
|
172
|
|
39
|
X
|
14
|
21
|
-26
|
38
|
67
|
-154
|
168
|
-126
|
|
40
|
R
|
7
|
45
|
52
|
71
|
51
|
104
|
121
|
167
|
|
40
|
X
|
10
|
48
|
-45
|
23
|
-37
|
124
|
-136
|
-89
|
|
41
|
R
|
7
|
65
|
27
|
59
|
62
|
126
|
117
|
163
|
|
41
|
X
|
11
|
-28
|
62
|
-35
|
27
|
-147
|
143
|
103
|
|
42
|
R
|
7
|
38
|
65
|
33
|
32
|
145
|
97
|
|
42
|
X
|
12
|
46
|
-26
|
-57
|
-61
|
132
|
-137
|
164
|
|
43
|
R
|
7
|
62
|
48
|
51
|
62
|
124
|
114
|
171
|
|
43
|
X
|
13
|
-25
|
-53
|
38
|
45
|
-163
|
153
|
-89
|
|
44
|
R
|
7
|
71
|
64
|
28
|
56
|
1`16
|
157
|
127
|
|
44
|
X
|
14
|
32
|
-36
|
57
|
63
|
186
|
-103
|
135
|
|
45
|
R
|
8
|
64
|
37
|
26
|
38
|
163
|
105
|
166
|
|
45
|
X
|
8
|
-45
|
53
|
-63
|
57
|
-118
|
157
|
102
|
|
46
|
R
|
8
|
72
|
68
|
55
|
42
|
31
|
116
|
102
|
|
46
|
X
|
9
|
32
|
51
|
-65
|
-66
|
-178
|
-162
|
-111
|
|
47
|
R
|
8
|
54
|
37
|
52
|
44
|
188
|
117
|
122
|
|
47
|
X
|
10
|
-45
|
-62
|
38
|
59
|
-106
|
164
|
138
|
|
48
|
R
|
8
|
64
|
42
|
37
|
53
|
194
|
171
|
108
|
|
48
|
X
|
11
|
31
|
-58
|
43
|
-58
|
109
|
-102
|
-162
|
|
49
|
R
|
8
|
38
|
69
|
45
|
61
|
186
|
101
|
111
|
|
49
|
X
|
12
|
-65
|
24
|
-56
|
38
|
-145
|
166
|
148
|
|
50
|
R
|
8
|
46
|
38
|
32
|
57
|
162
|
175
|
166
|
|
50
|
X
|
13
|
42
|
-54
|
64
|
-45
|
149
|
-118
|
112
|
|
51
|
R
|
5
|
36
|
41
|
51
|
28
|
133
|
162
|
131
|
|
51
|
X
|
8
|
54
|
52
|
-33
|
61
|
147
|
-129
|
-159
|
|
52
|
R
|
5
|
42
|
52
|
27
|
61
|
162
|
135
|
177
|
|
52
|
X
|
9
|
-38
|
36
|
51
|
-38
|
-144
|
108
|
132
|
|
53
|
R
|
5
|
45
|
51
|
32
|
34
|
122
|
87
|
76
|
|
53
|
X
|
10
|
24
|
28
|
-38
|
45
|
-89
|
122
|
-128
|
|
54
|
R
|
5
|
23
|
34
|
39
|
52
|
143
|
136
|
126
|
|
54
|
X
|
11
|
-47
|
51
|
-45
|
-34
|
95
|
112
|
-122
|
|
55
|
R
|
5
|
54
|
37
|
28
|
38
|
103
|
124
|
99
|
|
55
|
X
|
12
|
32
|
-46
|
44
|
49
|
-133
|
-89
|
138
|
|
56
|
R
|
5
|
26
|
53
|
36
|
28
|
141
|
103
|
143
|
|
56
|
X
|
13
|
41
|
34
|
-53
|
-58
|
109
|
127
|
-98
|
|
57
|
R
|
5
|
44
|
38
|
27
|
39
|
132
|
114
|
108
|
|
57
|
X
|
14
|
-47
|
51
|
62
|
-48
|
-97
|
138
|
146
|
|
58
|
R
|
5
|
36
|
57
|
28
|
61
|
144
|
89
|
79
|
|
58
|
X
|
15
|
48
|
-37
|
-51
|
37
|
103
|
-119
|
138
|
|
59
|
R
|
5
|
57
|
42
|
37
|
28
|
121
|
96
|
148
|
|
59
|
X
|
16
|
-31
|
46
|
55
|
-53
|
97
|
133
|
108
|
R
|
6
|
44
|
33
|
62
|
46
|
107
|
109
|
113
|
|
60
|
X
|
8
|
37
|
-51
|
-32
|
51
|
-148
|
155
|
126
|
|
61
|
R
|
6
|
51
|
62
|
51
|
51
|
162
|
106
|
171
|
|
61
|
X
|
9
|
45
|
33
|
-42
|
-38
|
121
|
-142
|
102
|
|
62
|
R
|
6
|
31
|
44
|
45
|
37
|
141
|
84
|
98
|
|
62
|
X
|
10
|
44
|
-29
|
-27
|
32
|
96
|
-132
|
118
|
|
63
|
R
|
6
|
34
|
42
|
28
|
48
|
109
|
116
|
125
|
|
63
|
X
|
11
|
-29
|
31
|
46
|
-37
|
127
|
-143
|
98
|
|
64
|
R
|
6
|
46
|
56
|
51
|
32
|
99
|
89
|
149
|
|
64
|
X
|
12
|
34
|
-39
|
47
|
36
|
-142
|
134
|
-107
|
|
65
|
R
|
6
|
56
|
48
|
29
|
38
|
114
|
124
|
157
|
|
65
|
X
|
13
|
41
|
-43
|
58
|
-47
|
-116
|
142
|
87
|
|
66
|
R
|
6
|
36
|
44
|
32
|
28
|
108
|
103
|
142
|
|
66
|
X
|
14
|
-56
|
41
|
-49
|
52
|
118
|
-137
|
-105
|
|
67
|
R
|
6
|
61
|
37
|
51
|
51
|
122
|
138
|
139
|
|
67
|
X
|
15
|
32
|
-47
|
27
|
-37
|
-98
|
113
|
108
|
|
68
|
R
|
7
|
39
|
28
|
32
|
36
|
107
|
79
|
137
|
|
68
|
X
|
10
|
-42
|
36
|
-54
|
38
|
88
|
-120
|
-101
|
|
69
|
R
|
7
|
28
|
38
|
41
|
55
|
112
|
107
|
154
|
|
69
|
X
|
11
|
46
|
-44
|
37
|
-38
|
125
|
135
|
-87
|
|
70
|
R
|
7
|
39
|
56
|
31
|
26
|
129
|
114
|
102
|
|
70
|
X
|
12
|
48
|
29
|
-61
|
52
|
131
|
-98
|
-133
|
|
71
|
R
|
7
|
52
|
28
|
37
|
32
|
102
|
121
|
156
|
|
71
|
X
|
13
|
-32
|
44
|
51
|
-48
|
-128
|
145
|
87
|
|
72
|
R
|
7
|
47
|
39
|
41`
|
51
|
137
|
124
|
118
|
|
72
|
X
|
14
|
56
|
-52
|
-62
|
39
|
145
|
-151
|
157
|
|
73
|
R
|
7
|
55
|
36
|
68
|
56
|
118
|
107
|
128
|
|
73
|
X
|
15
|
42
|
-61
|
27
|
-41
|
-156
|
159
|
142
|
|
74
|
R
|
7
|
48
|
31
|
45
|
39
|
154
|
135
|
171
|
|
74
|
X
|
16
|
-62
|
65
|
47
|
56
|
124
|
-162
|
-97
|
|
75
|
R
|
8
|
37
|
56
|
39
|
34
|
167
|
108
|
177
|
|
75
|
X
|
11
|
64
|
-47
|
51
|
-65
|
-131
|
174
|
116
|
|
76
|
R
|
8
|
47
|
39
|
67
|
61
|
122
|
181
|
153
|
|
76
|
X
|
12
|
-56
|
61
|
34
|
-52
|
176
|
-98
|
132
|
|
77
|
R
|
8
|
66
|
55
|
51
|
42
|
138
|
118
|
146
|
|
77
|
13
|
48
|
-71
|
-67
|
44
|
-165
|
173
|
-152
|
|
78
|
R
|
8
|
54
|
32
|
45
|
39
|
141
|
134
|
156
|
|
78
|
X
|
14
|
-43
|
67
|
56
|
-61
|
155
|
-167
|
133
|
|
79
|
R
|
8
|
38
|
46
|
51
|
54
|
133
|
109
|
116
|
|
79
|
X
|
15
|
57
|
-36
|
43
|
-64
|
-146
|
175
|
171
|
|
80
|
R
|
8
|
45
|
54
|
59
|
37
|
145
|
152
|
107
|
|
80
|
X
|
16
|
38
|
36
|
-41
|
68
|
154
|
-161
|
-165
|
|
81
|
R
|
9
|
49
|
63
|
54
|
61
|
175
|
168
|
172
|
|
81
|
X
|
12
|
62
|
-47
|
58
|
-51
|
133
|
-182
|
148
|
|
82
|
R
|
9
|
41
|
38
|
63
|
54
|
172
|
148
|
139
|
|
82
|
X
|
13
|
-55
|
62
|
41
|
39
|
-154
|
-162
|
157
|
|
83
|
R
|
9
|
48
|
71
|
52
|
43
|
137
|
181
|
168
|
|
83
|
X
|
14
|
67
|
-32
|
41
|
-54
|
167
|
145
|
-137
|
|
84
|
R
|
9
|
41
|
53
|
38
|
67
|
162
|
133
|
157
|
|
84
|
X
|
15
|
-65
|
49
|
-71
|
38
|
146
|
-171
|
137
|
|
85
|
R
|
8
|
64
|
37
|
26
|
38
|
163
|
105
|
166
|
|
85
|
X
|
8
|
-45
|
53
|
-63
|
57
|
-118
|
157
|
102
|
|
86
|
R
|
8
|
72
|
68
|
55
|
42
|
31
|
116
|
102
|
|
86
|
X
|
9
|
32
|
51
|
-65
|
-66
|
-178
|
-162
|
-111
|
|
87
|
R
|
8
|
54
|
37
|
52
|
44
|
188
|
117
|
122
|
|
87
|
X
|
10
|
-45
|
-62
|
38
|
59
|
-106
|
164
|
138
|
|
88
|
R
|
8
|
64
|
42
|
37
|
53
|
194
|
171
|
108
|
|
88
|
X
|
11
|
31
|
-58
|
43
|
-58
|
109
|
-102
|
-162
|
|
89
|
R
|
8
|
38
|
69
|
45
|
61
|
186
|
101
|
111
|
|
89
|
X
|
12
|
-65
|
24
|
-56
|
38
|
-145
|
166
|
148
|
|
90
|
R
|
8
|
46
|
38
|
32
|
57
|
162
|
175
|
166
|
|
90
|
X
|
13
|
42
|
-54
|
64
|
-45
|
149
|
-118
|
112
|
|
91
|
R
|
5
|
36
|
41
|
51
|
28
|
133
|
162
|
131
|
|
91
|
X
|
8
|
54
|
52
|
-33
|
61
|
147
|
-129
|
-159
|
|
92
|
R
|
5
|
42
|
52
|
27
|
61
|
162
|
135
|
177
|
|
92
|
X
|
9
|
-38
|
36
|
51
|
-38
|
-144
|
108
|
132
|
|
93
|
R
|
5
|
45
|
51
|
32
|
34
|
122
|
87
|
76
|
|
93
|
X
|
10
|
24
|
28
|
-38
|
45
|
-89
|
122
|
-128
|
|
94
|
R
|
5
|
23
|
34
|
39
|
52
|
143
|
136
|
126
|
|
94
|
X
|
11
|
-47
|
51
|
-45
|
-34
|
95
|
112
|
-122
|
|
95
|
R
|
53
|
51
|
49
|
72
|
177
|
156
|
142
|
|
95
|
X
|
16
|
64
|
-58
|
67
|
49
|
-138
|
144
|
-152
|
|
96
|
R
|
5
|
45
|
42
|
27
|
27
|
108
|
102
|
62
|
|
96
|
X
|
7
|
37
|
21
|
-38
|
59
|
-75
|
86
|
-104
|
|
97
|
R
|
4
|
32
|
47
|
17
|
52
|
74
|
117
|
103
|
|
97
|
X
|
9
|
39
|
-34
|
-41
|
-38
|
114
|
-54
|
78
|
|
98
|
R
|
4
|
31
|
38
|
29
|
31
|
71
|
128
|
84
|
|
98
|
X
|
10
|
37
|
-48
|
-46
|
-45
|
122
|
57
|
-114
|
|
99
|
R
|
5
|
41
|
47
|
31
|
42
|
76
|
121
|
72
|
|
99
|
X
|
7
|
-29
|
24
|
37
|
-26
|
115
|
-68
|
-125
|
|
100
|
R
|
5
|
45
|
34
|
27
|
37
|
67
|
81
|
99
|
|
100
|
X
|
8
|
-20
|
-39
|
41
|
-28
|
107
|
-124
|
104
|
|
101
|
R
|
5
|
48
|
44
|
24
|
33
|
124
|
122
|
64
|
|
101
|
X
|
9
|
29
|
-26
|
-46
|
-42
|
78
|
-87
|
131
|
|
102
|
R
|
5
|
45
|
51
|
22
|
34
|
112
|
83
|
57
|
|
102
|
X
|
10
|
24
|
28
|
-38
|
45
|
-75
|
96
|
-128
|
|
103
|
R
|
5
|
36
|
52
|
29
|
43
|
84
|
76
|
121
|
|
103
|
X
|
11
|
-34
|
-24
|
37
|
-36
|
114
|
-113
|
42
|
|
104
|
R
|
6
|
52
|
38
|
57
|
48
|
104
|
95
|
74
|
|
104
|
X
|
7
|
42
|
-45
|
28
|
25
|
-121
|
132
|
-108
|
|
105
|
R
|
6
|
47
|
46
|
29
|
50
|
114
|
115
|
87
|
|
105
|
X
|
8
|
-28
|
21
|
51
|
-28
|
129
|
-102
|
-122
|
|
106
|
R
|
6
|
39
|
64
|
47
|
31
|
118
|
62
|
131
|
|
106
|
X
|
9
|
45
|
23
|
-52
|
54
|
-87
|
142
|
-93
|
|
107
|
R
|
6
|
48
|
32
|
55
|
36
|
153
|
144
|
76
|
|
107
|
X
|
10
|
-52
|
-62
|
24
|
-53
|
79
|
-88
|
134
|
|
108
|
R
|
7
|
55
|
37
|
46
|
42
|
96
|
128
|
85
|
|
108
|
X
|
7
|
-24
|
44
|
-32
|
48
|
-134
|
106
|
142
|
|
109
|
R
|
7
|
58
|
43
|
64
|
37
|
153
|
124
|
136
|
|
109
|
X
|
8
|
37
|
-47
|
31
|
-58
|
78
|
112
|
-107
|
|
110
|
R
|
7
|
32
|
48
|
51
|
48
|
146
|
69
|
146
|
|
110
|
X
|
9
|
-43
|
35
|
-24
|
39
|
-85
|
156
|
98
|
|
111
|
R
|
7
|
25
|
52
|
56
|
44
|
67
|
132
|
98
|
|
111
|
X
|
10
|
65
|
-23
|
28
|
-29
|
153
|
-117
|
-152
|
|
112
|
R
|
6
|
54
|
63
|
38
|
57
|
87
|
89
|
159
|
|
112
|
X
|
11
|
45
|
51
|
34
|
-127
|
146
|
-74
|
|
113
|
R
|
6
|
25
|
72
|
52
|
62
|
124
|
133
|
167
|
|
113
|
X
|
12
|
61
|
28
|
-57
|
39
|
137
|
142
|
-112
|
|
114
|
R
|
6
|
32
|
69
|
29
|
41
|
118
|
87
|
103
|
|
114
|
X
|
13
|
-58
|
37
|
64
|
-52
|
148
|
-171
|
156
|
|
115
|
R
|
5
|
48
|
44
|
24
|
33
|
114
|
122
|
64
|
|
115
|
X
|
9
|
19
|
-26
|
-46
|
-42
|
78
|
-87
|
121
|
|
116
|
R
|
5
|
45
|
51
|
22
|
34
|
125
|
83
|
57
|
|
116
|
X
|
10
|
24
|
28
|
-38
|
45
|
-75
|
96
|
-128
|
|
117
|
R
|
5
|
36
|
52
|
29
|
43
|
94
|
76
|
131
|
|
117
|
X
|
11
|
-44
|
-24
|
37
|
-26
|
114
|
-113
|
42
|
|
118
|
R
|
6
|
52
|
38
|
67
|
48
|
104
|
95
|
74
|
|
118
|
X
|
7
|
46
|
-45
|
28
|
25
|
-121
|
132
|
-108
|
|
119
|
R
|
6
|
47
|
56
|
29
|
50
|
114
|
135
|
87
|
|
119
|
X
|
8
|
-28
|
21
|
61
|
-28
|
129
|
-102
|
-122
|
|
120
|
R
|
6
|
39
|
64
|
47
|
31
|
118
|
62
|
111
|
|
120
|
X
|
9
|
45
|
26
|
-52
|
54
|
-87
|
142
|
-93
|
|
121
|
R
|
6
|
38
|
32
|
55
|
36
|
153
|
144
|
76
|
|
121
|
X
|
10
|
-52
|
-67
|
24
|
-53
|
89
|
-88
|
134
|
|
122
|
R
|
7
|
45
|
27
|
46
|
42
|
96
|
118
|
85
|
|
122
|
X
|
7
|
-24
|
44
|
-32
|
48
|
-134
|
106
|
132
|
|
123
|
R
|
7
|
58
|
43
|
64
|
37
|
143
|
124
|
126
|
|
123
|
X
|
8
|
37
|
-47
|
41
|
-58
|
78
|
112
|
-107
|
|
124
|
R
|
7
|
42
|
48
|
51
|
48
|
146
|
69
|
146
|
|
124
|
X
|
9
|
-43
|
38
|
-24
|
39
|
-85
|
156
|
98
|
|
125
|
R
|
7
|
25
|
42
|
36
|
44
|
67
|
132
|
98
|
|
125
|
X
|
10
|
55
|
-23
|
28
|
-29
|
143
|
-117
|
-142
|