Релейная защита электрической сети
Содержание
Введение
1. Принцип действия защиты линии в сети с изолированной нейтралью
от замыкания на землю, устройства защиты, принципиальная схема защиты и внешних
связей
2. Промышленные образцы защиты, элементная база устройств защиты.
Технология наладки устройств РЗА. Испытательное, настроечное и наладочное
оборудование
2.1 Токовая защита от однофазных замыканий на землю ЗЗП-1
2.2 Защита при однофазных замыканиях на землю ЗЗН
2.3 Устройства комплектные распределительные серии КРУ2-10
2.4 Технология наладки устройств РЗА
3. Преимущества и недостатки устройств защиты линии в сети с
изолированной нейтралью от замыкания на землю
4. Поведение УРЗА в аварийных режимах. Способы повышения
чувствительности и селективности
5. Сегодняшние тенденции в развитии и использовании релейной защиты
Литература
Введение
Защита электрической сети, система мероприятий,
предотвращающих и ограничивающих развитие аварии на линиях электропередачи и
электрических подстанциях. Имеет целью обеспечить надёжность снабжения
потребителей электрической энергией должного качества. Подавляющее количество
электроэнергии распределяется через электрической сети общего пользования.
Защита таких сетей имеет важное значение для нормального электроснабжения
промышленности, сельского хозяйства, ж. - д. транспорта и др. потребителей и
непрерывно совершенствуется.
1. Принцип
действия защиты линии в сети с изолированной нейтралью от замыкания на землю,
устройства защиты, принципиальная схема защиты и внешних связей
В сетях переменного тока при нормальной работе, наряду с
рабочими токами нагрузки по фазам проходят токи обусловленные емкостями фаз по
отношению к земле. При этом распределенные емкости фаз могут быть заменены
сосредоточенными емкостями СА, СВ, Сс,
напряжения фаз по отношению к земле равны соответствующим фазным напряжениям UA, UB, UC, относительно нейтрали
системы. Векторы фазных напряжений образуют симметричную звезду, в результате
напряжение нейтрали системы по отношению к земле равно нулю, а через
сосредоточенные емкости протекают равные по величине токи, опережающие
соответствующие напряжения на 900, то есть
.
аналогично для
,
, геометрическая сумма этих токов равна
нулю, поэтому ток в земле отсутствует.
При замыкании на землю, например фазы А (рис.1), напряжения фаз
относительно земли изменяются, а по отношению к нейтрали останутся такими же.
релейная защита нейтраль сеть
Рис. 1. Однофазное замыкание на землю в сети с изолированной
нейтралью и его векторные диаграммы напряжений
Таким образом
;
;
;
.
В итоге напряжение неповрежденных фаз В и С по отношению к земле
повышается в
раза, то есть повышается до междуфазного.
Одновременно с изменением фазных напряжений изменяются и полные фазные токи.
Токи неповрежденных фаз
и
, будут замыкаться через точку К1 и поврежденную фазу,
образуя ток:
,
где Uф - фазное напряжение сети.
Для практических расчетов тока
в точке (А) могут служить упрощенные формулы:
для воздушных линий
; для кабельных линий
,
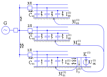
Рис. 2. Распределение емкостных токов нулевой
последовательности в сети при однофазном замыкании на землю.
где U, кВ - линейное напряжение; l, км - длина
электрической сети; Суд, мкФ/м - удельная емкость жилы кабеля по
отношению к оболочке.
Вследствие нарушении симметрии и баланса емкостных токов и
фазных напряжений появляются составляющие нулевой последовательности:
напряжение U0к и ток I0, которые могут быть определены по следующим выражениям:
,
,
где Uн - напряжение, которое имела поврежденная фаза по отношению к
земле в нормальном режиме и равно напряжению нейтрали.
Токи, возникающие под действием U0к,
замыкаются через емкости фаз относительно земли, токи нулевой
последовательности всех фаз равны между собой и вычисляются следующим образом:
Таким образом, ток замыкания на землю в месте повреждения
.
ток I0 в обмотках генератора будет отсутствовать, так как нулевая точка
генератора изолирована, и сумма токов в фазах генератора равна нулю.
На рис.2 показана схема сети в однофазном исполнении, состоящая из
трех линий. При повреждении в точке К1, через место повреждения
проходит ток
, обусловленный не только емкостью
поврежденной линии С01, но и емкостями неповрежденных линий С02,
С03, то есть
.
Таким образом от шин неповрежденной линии направляется ток нулевой
последовательности
, величина которого определяется емкостью
всех неповрежденных линий.
В случае замыкания на землю на 2Л или 3Л линиях по 1Л к шинам
будет протекать ток
, если
, то на 1Л может быть использована токовая защита нулевой
последовательности.
Рис. 3. Схема общего контроля изоляции
Замыкание на землю одной фазы в сетях с изолированной нейтралью
еще не является аварией, так как потребители включенные на линейные напряжения
продолжают работать, что дает возможность выполнять защиту действующую на
сигнал. Схема устройства рис.3 состоит из трех максимальных реле напряжения
включенных на напряжение фаз по отношению к земле рис.3, или из одного
максимального реле напряжения, включенного на напряжение нулевой
последовательности (схемы срабатывают, так как было указанно ранее при
однофазных замыканиях возникают напряжения нулевой последовательности и фазные
напряжения увеличиваются в
раза).
Место повреждения в таких сетях при возникновении сигнала
отыскивается дежурным персоналом путем поочередного отключения линий. При этом
допускается работа с не отключенным повреждением в течении не более 2-х часов,
исключение составляют сети напряжением 2 - 10 кВ, где по условиям техники
безопасности (сети торфоразработок), однофазные замыкания должны отключаться
немедленно.
Длительная работа сети при однофазном замыкании недопустима, так
как происходит нарушение междуфазной изоляции и однофазное замыкание может
перейти в многофазное. Поэтому в протяженных сетях, помимо устройства
контролирующего изоляции (рис.3. а, б), должна быть предусмотрена селективная
защита на каждом присоединении - обычно это токовая защита. Допустимые токи
замыкания на землю должны быть не более 30 А в сетях 6-15 кВ, и не более 10 А в
сетях 20-35 кВ (для предотвращения перехода однофазного замыкания в
многофазное). Таким образом, допустимые токи замыкания на землю обычно меньше
рабочих токов защищаемого элемента. Поэтому токовая защита от замыканий на
землю выполняется с включением реле на фильтр тока нулевой последовательности.
Защита срабатывает при прохождении по поврежденному участку тока нулевой
последовательности
; обусловленного емкостями неповрежденных
участков сети. Защита не должна срабатывать при повреждениях на других
присоединениях сети, в этом случаи по защищаемой линии будет протекать ток
, обусловленный емкостью самой линии.
Следовательно, ее ток срабатывания
,
где Кзап. =4÷5 - для защит без выдержки времени; Кзап.
≥2÷2,5 -
для защит с выдержкой времени. Кзап. определяется броском емкостного
тока в момент замыкания.
Без выдержки времени выполняются защиты торфоразборок и других
подобных сетей, в таких сетях токи однофазного замыкания не более 1÷1,5 А, а величина напряжения прикосновения не
более 40 В.
где ток
, следует определять по режиму с
минимальным количеством включенных ЛЭП.
Чувствительность достаточна, если Кч≥1,5 для
воздушных и если Кч≥1,25 для кабельных ЛЭП.
В качестве фильтра нулевой последовательности может быть
использован трех трансформаторный фильтр, однако более совершенным является
одно трансформаторный фильтр тока нулевой последовательности (ТНП).
Чувствительность рассмотренной токовой защиты, ограничивается
необходимостью ее отстройки от бросков емкостного тока при замыканиях на землю
на других ЛЭП. Недостаточная чувствительность, особенно проявляется на
подстанциях с малым числом ЛЭП, а так же в компенсированных сетях (сети, в
которых нейтраль соединена с землей через дугогасящую катушку для компенсации
емкостной составляющей тока) с малым остаточным током. В этих случаях емкостной
ток неповрежденной ЛЭП (от которого отстраивается защита) становится
соизмеримым с током замыкания в поврежденной ЛЭП. В связи с этим, такая защита
в компенсированных сетях применяется редко. В сетях торфоразработок используют
токовое реле МТР-77 повышенной чувствительности, которое питается от
специального фильтра ТНП типа КНТ-36. В результате защита действует при токах
0,3 А.
Помимо рассмотренных типов защит, так же используют защиты,
действующие во время переходного процесса; защиты реагирующие на высшие гармоники
содержащиеся в токе замыкания на землю, а так же токовые направленные защиты.
Область применение данных защит: сети 35 кВ и ниже, так как они выполняются с
изолированной нейтралью.
2.
Промышленные образцы защиты, элементная база устройств защиты. Технология
наладки устройств РЗА. Испытательное, настроечное и наладочное оборудование
2.1 Токовая
защита от однофазных замыканий на землю ЗЗП-1
Рис.4 Монтажные размеры реле ЗЗП-1
Защита типа ЗЗП-1 предназначена для селективного отключения
защищаемого присоединения при однофазном замыкании на землю в сетях с
изолированной нейтралью напряжением от 2 до 10 кВ с суммарными емкостными
токами от 0,2 до 20 А при использовании кабельных трансформаторов тока нулевой
последовательности (ТТНП).
Вспомогательное устройство типа ВУ-1 предназначено для защиты
фазочувствительного усилителя защиты типа ЗЗП 1 при перенапряжениях в
защищаемой цепи. Вспомогательное устройство представляет собой фильтр L-C с частотой резонанса 50
± 2,5 Гц. На одно устройство может быть одновременно включено до 10 защит типа
ЗЗП 1.
Условия эксплуатации:
Климатическое исполнение УХЛ или О, категория размещения
"4" по ГОСТ 15150-69.
Диапазон рабочих температур окружающего воздуха от - 40°С до
+ 50°С.
Группа механического исполнения М39 по ГОСТ 17516.1-90, при
этом вибрационные нагрузки с максимальным ускорением 0,25 g в диапазоне частот от 5
до 100 Гц.
Степень защиты оболочки защиты IP40, а контактных зажимов
для присоединения внешних проводников - IP00 по ГОСТ 14255-69.
Основные параметры
Номинальное напряжение питания цепей постоянного тока защиты
(Uпит. ном), В 24
Номинальное напряжение цепей переменного тока защиты (3Uо. ном), В 100
Ток срабатывания защиты (3 Iо) (на входе ТТНП типа
ТЗЛ) при 3Uo=3Uо ном. и Uпит. = Uпит. ном, А:
на уставке 10,07 ± 0,021
на уставке 20,5 ± 0,15
на уставке 32,0 ± 0,6
Зона срабатывания защиты при 3Uо. ном; Uпит. ном; 3 Iо = 0,2 А на уставке 1 и
при 3 Iо
= 2 Iср.
на уставках 2 и 3, град 180 +20-40
Угол максимальной чувствительности при тех же условиях (j м. ч.), град:
на уставке 190 +40-30
на уставках 2, 390 +20-30
Время срабатывания защиты при Uпит. ном; 3Uо. ном; j м. ч. = 90 град. и
двукратном токе срабатывания - не более, с0,045
Технические данные
Степень отстройки защиты от третьей гармоники тока нулевой
последовательности на уставке 2 при U пит. ном; 3Uо = 0 и токе 3 Iо от 0,1 до 1 А, не менее
3
Напряжение срабатывания, (3Uо), В от 20 до 40
Ток термической стойкости при Uпит. ном. в течение 1 с,
А26
Длительно допустимый ток (на входе ТТНП) при Uпит. ном, А30
Выходные контакты 2 переключающих
Коммутационная способность контактов защиты при напряжении от
24 до 250 В или токе до 2 А в цепях:
постоянного тока с постоянной времени индуктивной нагрузки не
более 0,005 с, Вт50
переменного тока с коэффициентом мощности не менее 0,5, ВА
300
Коммутационная износостойкость, циклы ВО1250
Потребляемая мощность:
в цепи постоянного тока защиты при Uпит. ном., 3Uо=0 и 3Iо=0, Вт, не более0,15
в цепи напряжения 3Uо при 3Uo ном., Uпит. = 0 и 3Io = 0, ВА, не более 3
в цепи 3 Iо на входе защиты при Uпит. ном., 3Uо ном. и j м. ч. = 90°, ВА, не
более, на уставках:
-й при 3Io = 0,07 А3 x 10-6
-й при 3Io = 0,5 А 400 x 10-6
-й при 3Io = 2,0 А 10000 x 10-6
Конструктивное исполнение по способу присоединения внешних
проводников: переднее, заднее (винтом или шпилькой)
Габаритные размеры, мм, не более:
защиты118 х 147 х 168
устройства147 х 185 х 136
Масса реле, кг, не более: защиты1,7
устройства2,6
Защита выполнена с использованием современной
микроэлектронной базы. Элементы схемы установлены на печатной плате. Защита
размещена в унифицированном корпусе.
Структура условного обозначения
ЗЗП 1 Х4
З - защита;
З - земляная;
П - полупроводниковая;
- номер конструктивной модификации;
Х4 - климатическое исполнение (УХЛ, O) и категория размещения
(4) по ГОСТ 15150-69 и ГОСТ 15543.1-89.
НТД - ТУ 16-529.014-75
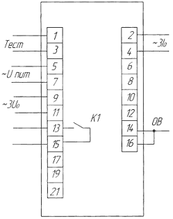
Схема присоединения реле ЗЗП-1показана на Рис.5
Рис.5 Схема присоединения реле ЗЗП-1
2.2 Защита
при однофазных замыканиях на землю ЗЗН
Рис.6 Монтажные размеры реле ЗЗН
Защита типа ЗЗН предназначена для селективного отключения
защищаемого присоединения при однофазных замыканиях на землю в сетях
напряжением 2-10 кВ, работающих с изолированной или заземленной через активный
резистор нейтралью, а также в сетях с частичной компенсацией емкостного тока
сети с токами замыкания на землю от 0,2 до 150 А. Токовые цепи защиты
подключаются к трансформатору тока нулевой последовательности - ТТНП.
В защите введена "Экспресс-проверка" исправности
ТТНП, его вторичных цепей и самой защиты.
В защите имеется встроенный блок питания c выходным напряжением
±15,0 ± 0,5 В.
Условия эксплуатации
Климатическое исполнение УХЛ или О, категория размещения
"4" по ГОСТ 15150-69.
Диапазон рабочих температур окружающего воздуха от - 40°С до
+ 55°С.
Группа механического исполнения М39 по ГОСТ 17516.1-90, при
этом вибрационные нагрузки с максимальным ускорением 0,7 g в диапазоне частот от 5
до 100 Гц.
Степень защиты оболочки устройства IP40, а контактных зажимов
для присоединения внешних проводников - IP00 по ГОСТ 14255-69.
Основные параметры
Номинальное напряжение питания от сети переменного тока (Uпит. ном), В 100
Номинальное напряжение цепей переменного тока (3Uо. ном), В100
Номинальное напряжение питания цепей постоянного тока, В ± 5
Номинальная частота переменного тока, Гц50
Токи срабатывания защиты (Iср) при Uпит. ном и 3Uо ном., А:
на уставке 10,07± 0,02
на уставке 20,25 ± 0,05
на уставке 32,5 ± 0,3
Напряжение срабатывания защиты, (Uср) при 2 Iср, Uпит. ном, В:
на уставке 110 ± 1,0
на уставке 215± 1,5
на уставке 320 ± 2,0
Зона срабатывания защиты (j) при Uпит. ном; 3Uо. ном; 3 Iо = 0,2 А на уставке по
току 1 и при 3 Iо=2 Iср. на уставках по току 2 и 3, град 180 ± 10
Угол середины зоны срабатывания (j о) при тех же условиях,
град:
на уставках 1 и 2120 ± 10
Время срабатывания защиты при Uпит. ном, поданных
толчком 3Uо.
ном; 3Io = 2 Iср; j = j о, на любой уставке по току и напряжению, с, не более 0,045
Время возврата при сбросе 3Io = 2 Iср и напряжения 3Uо = 100 В до нуля, с, не
более0,02
Технические данные
Защита термически устойчива: 26
в течение 1 с при токе на входе защиты, А30
в течение 2 с при токе на входе защиты, А18
длительно при токе на входе ТТНП при Uпит. = 120 В, j o = 120 ± 180°, 3 Uo = 120 В, A 30
Длительно допустимый ток через контакты, А2,5
Выходные контакты1 замыкающий
Коммутационная способность контактов выходного реле при
напряжении от 24 до 250 В или токе до 2 А в цепях:
постоянного тока с постоянной времени индуктивной нагрузки не
более 0,005 с, Вт50
переменного тока с коэффициентом мощности не менее 0,5, ВА
250
Коммутационная износостойкость, циклы ВО5x103
Потребляемая мощность на входе защиты, ВА, не более:
в цепи питания при Uпит. ном8
в цепи напряжения нулевой последовательности (3Uо) при 3Uo ном
в цепи тока нулевой последовательности (3 Iо) при токе на входе ТТНП
0,5 А на второй уставке по току 3 Io0,06
Конструктивное исполнение по способу присоединения внешних
проводников: переднее, заднее (винтом)
Габаритные размеры, мм, не более:
х 152 х 200
Масса защиты, кг, не более: 2
Конструкция
Защита выполнена с использованием современной
микроэлектронной базы. Элементы схемы установлены на печатных платах. Защита
размещена в унифицированном корпусе "СУРА" второго габарита
несъемного исполнения.
Структура условного обозначения
ЗЗН Х4
З - защита;
З - земляная;
Н - направленная;
Х4 - климатическое исполнение (УХЛ, О) и категория размещения
(4) по ГОСТ 15150-69 и ГОСТ 15543.1-89.
НТД - ТУ 16-529.014-75
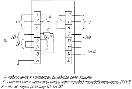
Рис.7 Схема присоединения реле ЗЗН.
2.3
Устройства комплектные распределительные серии КРУ2-10
Комплектные распределительные устройства серии КРУ 2-10
предназначены для работы в электрических установках трехфазного переменного
тока частоты 50 и 60 Гц напряжением 6 и 10 кВ для систем с изолированной
нейтралью или заземленной через дугогасящий реактор нейтралью. Климатические
исполнения У и Т категории размещения 3 по ГОСТ 15150.
Отличительные особенности КРУ2-10
разделение шкафа на отсеки: релейный, сборных шин, верхних
разъемных контактов, трансформаторов тока, выдвижного элемента;
наличие специального разгрузочного клапана и выключателя, для
защиты от повреждений при возникновении электрической дуги внутри шкафа;
механизированное перемещение выкатного элемента из контрольного
положения в рабочее и обратно;
наличие различных блокировок для безопасности обслуживающего
персонала;
удобство и простота обслуживания;
наличие полного комплекта схем главных цепей и цепей вторичной
коммутации, удовлетворяющих требованиям заказчика;
использование по требованию заказчика коммутационных аппаратов и
устройств РЗА (в т. ч. микропроцессорных) российских или зарубежных
производителей;
возможность применения в вариантах двустороннего и одностороннего
обслуживания;
высокая надежность и качество.
Шкафы серии КРУ-2-10 включают в себя перечисленную ниже
номенклатуру исполнения в зависимости от установленной в них аппаратуры главных
цепей и токопроводов.
КВЭ - комплектный шкаф с выключателем со встроенным
электромагнитным приводом ВМПЭ-10-20; ВМПЭ-10-31,5; ВВТЭ-М-10-20;
ВВТЭМ-10-31,5; ВВПЭ-10-20; ВБЧЭ-10; ВВ/TEL-10-20; ВБПЭ-10-20 и пружинно-моторным приводом VF;
КТН - комплектный шкаф с трансформаторами напряжения НАМИ - 10;
НОМ-6 (10); НОЛ-08; ЗНОЛ-06;
КРД - комплектный шкаф с разъёмными контактами;
КРВП - комплектный шкаф с разрядниками;
КСБ - комплектный шкаф с кабельными сборками и кабельными
перемычками;
КА - комплектный шкаф комбинированный, например: с разрядниками и
конденсаторами, с разрядниками и трансформаторами напряжения и т.д.;
КПК - комплектный шкаф с силовыми предохранителями;
КШП - комплектный шкаф с шинными перемычками;
КСТ - комплектный шкаф с силовым трансформатором.
Токопроводы: ШНВА - шкаф низковольтной температуры.
Ш - токопроводы, соединяющие противостоящие секции КРУ при их
двухрядном расположении, а также для прохода в местах строительных колонн (900
мм длины).
Примечания:
Шкафы кабельных сборок, шинных перемычек, с конденсаторами и
разрядниками и другие могут быть выполнены без выдвижного элемента.
Степень защиты IP20
соответствует состоянию КРУ при закрытых дверях шкафов и релейных отсеков, при
открытых дверях их степень защиты IP00 по
ГОСТ 14254.
В шкафах КПК устанавливаются силовые предохранители с плавкой
вставкой на ток не более 32А.
Технические характеристики Наименование параметра
Значение
Номинальное напряжение (линейное), кВ6,0; 10,0
Наибольшее рабочее напряжение (линейное), кВ7,2; 12,0
Номинальный ток шкафов главных цепей шкафов КРУ, А
; 630; 1000; 1600; 2000; 2500; 3150
Номинальный ток токопровода (кроме токопроводов длиной 900 мм), А630;
1000; 1600; 2000; 2500
Номинальный ток сборных шин и токопроводов длиной 900 мм, А630;
1000; 1600; 2000; 2500; 3150
Номинальный ток отключения выключателя встроенного в КРУ, кА20;
31,5
Степень защиты по ГОСТ 1 4254-96защищенное исполнение - IP20
Тип выключателя:
на номинальный ток до 1600 АВВТЭ-М, ВБ-10, ВБТЭ-М-10
ВБЧЭ, ВКЭ-10, ВБКЭ-10, ВВ/TEL, Эволис, VF, HD 4, LF
на номинальный ток до 3150 АВВЭ-СМ, HD 4, LF, ВБЭС-10
Типы применяемых микропроцессорных защитSEPAM, SPAC, MICOM, Сириус, Орион, ТЭМП, Siprotec
Тип разъединителяштепсельный, силовой типа РВР-10/4000
Типы трансформаторов токаТОЛ-10 (ТЛК-10); ТЛШ-10, ТЛО-10
Типы трансформаторов напряжения НОЛ.08; ЗНОЛ.06; НАМИ-10
Типы силовых трансформаторовТСКС-40
Типы высоковольтных предохранителейПК1-6; ПК1-10; ПК2-6; ПК2-10
Габаритные размеры шкафа отходящих линий (ШхГхВ), мм750х1300х2150
(2310)
Рис.8 Шкаф с выключателем и трансформаторами тока типа ТОЛ10-1 и с
шинными выводами влево:
. Отсек сборных шин;
. Изолятор опорный;
. Изолятор проходной типа ИП10/1600;
. Разъемные контакты верхние;
. Верхняя съемная крышка;
. Перегородка;
. Нижняя съемная крышка;
. Отсек трансформаторов тока;
. Трансформаторы тока;
. Шторочный механизм;
. Кабельные заделки (места установок);
. Разъемные контакты нижние;
. Трансформатор тока нулевой последовательности;
. Ножи заземляющие;
. Выдвижной элемент;
. Передняя дверь;
. Релейный шкаф;
. Корпус шкафа;
. Сигнализатор дуговых испытаний.
2.4 Технология
наладки устройств РЗА
Проверку (наладку) устройств РЗА при новом
включении проводят при вводе в работу вновь смонтированного, отдельного
присоединения или при реконструкции устройств РЗА на действующем объекте. Это
необходимо для оценки исправности аппаратуры и вторичных цепей, правильности
схем соединений, регулировки реле, проверки работоспособности устройств РЗА в
целом. Проверка при новом включении выполняется персоналом службы РЗА
предприятия или специализированной наладочной организацией.
Если проверка при новом включении
проведена сторонней наладочной организацией, то включение новых и
реконструированных устройств производится после приемки их службой РЗА.
Монтажно-наладочные работы на новых
устройствах РЗА, расположенных в непосредственной близости к действующим
устройствам, выполняются при условии, что новые устройства РЗА полностью
отключены от действующих вспомогательных цепей, и сам характер работ не может
повлечь за собой неправильные действия устройств РЗА.
Производство монтажных и других видов
работ, могущих вызвать отключение основного оборудования, или неправильные
действия устройств РЗА, должно оформляться заявками на вывод соответствующих
устройств или при необходимости на отключение первичного оборудования.
2.5
Испытательное, настроечное и наладочное оборудование РЗА
Проверку электрических характеристик
устройств РЗА рекомендуется производить с использованием комплектных
испытательных устройств Уран-1, Уран-2, Нептун-1, Нептун-2, Сатурн-М, Сатурн-M1 (НПФ
"Радиус", Москва), Реле-томографа (НПП "Динамика") и
аналогичных испытательных устройств
Рис.9 общий вид комплектного испытательного устройства Уран-1
(Уран-2).
Уран-1, Уран-2.
Блок регулировочный
Предназначен:
Для формирования регулируемого переменного напряжения в
диапазоне 0,1-410 В с максимальным выходным током до 10 А или регулируемого
постоянного (выпрямленного со сглаживанием) напряжения с диапазоном регулировки
0,1-240 В и максимальным выходным током 5 А.
Для проверки однополярных выводов последовательной и
параллельной обмоток реле постоянного тока блок формирует выпрямленный (без
сглаживания) ток I∂ с плавной регулировкой в диапазоне 0,01-5 А. Значения
формируемого тока, напряжения и тока I∂ одновременно выводятся на
жидкокристаллический индикатор.
Для питания оперативных цепей проверяемого устройства защиты
блок имеет дополнительный выход переменного или постоянного напряжения 220
(110) В с максимальным выходным током 1 А.
Блок позволяет измерять время срабатывания, возврата или
длительность проскальзывающего импульса в диапазоне 0,001-100 с.
Предусмотрены следующие сервисные функции:
расчет средних значений тока, напряжения, мощности, времени
срабатывания и отпускания, полного сопротивления и коэффициента возврата;
циклический режим работы при измерении временных
характеристик с возможностью задания количества циклов 1-99, длительности
включения 1-99 с и паузы 0,1-9,9 с;
хранение и возможность просмотра значений десяти последних
измерений;
световое и звуковое сопровождение момента срабатывания
проверяемого устройства.
Максимальная потребляемая мощность по цепям питания не более
5500 ВхА.
Габаритные размеры блока составляют 480×240×510 мм, масса - не более 32 кг.
Блок нагрузочный
Предназначен для формирования переменного тока с диапазоном
регулировки 0,5-200 А, либо переменного напряжения с диапазоном регулировки
0,1-500 В.
Измерение и отображение значений формируемых выходных величин
осуществляется измерительной схемой блока регулировочного.
Габаритные размеры блока составляют 480×200×510 мм, масса - не более 25 кг.
Блок трехфазного напряжения
Предназначен для формирования трехфазного переменного
напряжения с плавной регулировкой в диапазоне 0,1-63,5 В и максимальным током
0,5 А в каждой фазе.
Блок позволяет осуществлять плавную регулировку угла сдвига
фаз между опорным сигналом и фазным или линейным напряжением формируемой
системы в диапазоне 0-360°. В качестве опорного сигнала могут выступать:
внешнее напряжение 4-400 В; напряжение, формируемое блоком регулировочным; ток,
формируемый блоком нагрузочным; напряжение одной из фаз формируемой системы.
Блок можно использовать как источник однофазного переменного
напряжения с плавной регулировкой выходного сигнала в диапазонах: 0,1-200 В и
максимальным током 0,5 А; либо 0,1-65 В с максимальным током 1,5 А, а также как
источник однофазного переменного тока с плавной регулировкой сигнала в
диапазоне 0,1-25 А. При формировании блоком однофазного сигнала (напряжения или
тока) имеется возможность регулировки угла сдвига фаз между опорным и
формируемым сигналами в диапазоне 0-360°; либо регулировки частоты: плавной
регулировки в диапазоне 40-60 Гц с дискретностью 0,1 Гц или ступенчатой в
диапазоне 50-550 Гц с дискретностью 50 Гц.
Блок позволяет имитировать однофазные, двухфазные и
трехфазные короткие замыкания со сбросом напряжения в аварийных фазах до
значения напряжения уставки с сохранением симметричности относительно
неповрежденных фаз.
Блок может использоваться:
как вольтметр для измерения внешнего напряжения в диапазоне
0,1-400 В;
как амперметр для измерения внешнего тока в диапазоне 0,1-25
А;
как фазометр для измерения угла сдвига фаз между двумя
внешними напряжениями или внешним напряжением и внешним током в диапазоне
0-360°;
как омметр для измерения внешнего сопротивления в диапазоне
0,01-10 Ом.
Максимальная потребляемая мощность по цепям питания не более
200 ВхА.
Габаритные размеры блока - 480×160×510 мм, масса блока - не
более 20 кг.

Переносное проверочное устройство Нептун-3 при сохранении
всех возможностей устройства Нептун-2 реализует часть функций установки Уран-2,
что позволяет кроме проверки простых устройств защиты, требующих подачи только
тока или напряжения, проверять большой круг фазо - и частотозависимых устройств
защиты, таких как реле мощности, реле сопротивления, реле частоты, земляные
защиты, устройства АЧР и т.д.
Нептун-3 имеет три независимых источника, выходы которых
гальванически развязаны от питающей сети.
На выходе источника 1 формируется либо переменное напряжение,
регулируемое в диапазоне от 0 до 300 В, либо постоянное напряжение,
регулируемое от 0 до 240 В, либо переменный ток, регулируемый в диапазоне от 0
до 100 А. Максимальная выходная мощность источника 1 составляет 500 ВА.
Регулировка выходных значений осуществляется с помощью ЛАТРа, а форма выходного
напряжения или тока соответствует имеющейся в сети.
Источник 2 формирует синусоидальный сигнал правильной формы с
регулируемой частотой и фазой. На выходе формируется переменное напряжение,
регулируемое от 0 до 120 В, или переменный ток, регулируемый в диапазоне от 0
до 20 А. Частота выходного сигнала регулируется в диапазоне от 40 до 550 Гц. В
диапазоне от 40 до 60 Гц частота регулируется с дискретностью 0,01 Гц. Фаза выходного
сигнала может регулироваться от 0 до 360° относительно тока или напряжения,
формируемого источником 1, либо относительно внешнего тока или внешнего
напряжения. Максимальная выходная мощность источника 2 составляет 100 ВА.
На выходе источника 3 формируется переменное напряжение,
регулируемое в диапазоне от 0 до 65 В с регулировкой фазы относительно
напряжения источника 2 в диапазоне от 0 до 360°. Максимальная выходная мощность
источника составляет 30 ВА. Регулировка выходных величин каналов 2 и 3 осуществляется
с помощью клавиатуры. При необходимости можно расширить диапазон выходного
напряжения устройства до 450 В, соединив последовательно все три источника.
Нептун-3 позволяет:
измерять значения напряжения и токов срабатывания и возврата;
определять частоту срабатывания и возврата реле частоты;
определять значения углов зоны срабатывания реле направления
мощности для расчета угла максимальной чувствительности;
проверять срабатывание реле при сбросе обратной мощности;
плавно с регулируемой скоростью изменять один из параметров
(ток, напряжение, частоту или фазу) в заданном диапазоне;
измерять временные характеристики проверяемых устройств
защиты, а именно: время срабатывания, время возврата, время замкнутого
состояния контактов, разновременность срабатывания контактов.
"Нептун-3" может использоваться в качестве
измерительного прибора для измерения параметров внешних сигналов:
переменного тока в диапазоне от 0,001 до 10 А;
переменного напряжения в диапазоне от 0,01 до 600 В;
угла сдвига фаз между током и напряжением в диапазоне от 0 до
360°;
частоты синусоидального сигнала в диапазоне от 40 до 550 Гц;
длительности внешнего сигнала.
В устройстве предусмотрена аппаратно-программная защита от
перегрузок и коротких замыканий, а также тепловая защита силовых узлов.
Габаритные размеры устройства - 400×320×220 мм. Вес - не более 24 кг.
3.
Преимущества и недостатки устройств защиты линии в сети с изолированной
нейтралью от замыкания на землю
Режим изолированной нейтрали используют при напряжении до 1
кВ только в электроустановках с повышенными требованиями безопасности
(взрывоопасные установки и др.). При напряжении 6.35 кВ такой режим нейтрали
рекомендован ПУЭ во всех электроустановках.
Причина широкого распространения режима работы с
изолированной нейтралью заключается в том, что в такой сети замыкание одной
фазы на землю не является КЗ. Сеть с изолированной нейтралью может
эксплуатироваться до нескольких часов с замыканием фазы на землю. Ток замыкания
на землю получается во много раз меньше, чем ток междуфазных КЗ. Это главное
достоинство сети с изолированной нейтралью. В такой сети обычно нет
необходимости в применении специальных быстродействующих защит от замыкания на
землю, т.е. не требуются дополнительные затраты на выполнение и эксплуатацию
защиты.
Однако при замыкании на землю обнаруживается такой недостаток
сети, как возникающие перенапряжения на поврежденных фазах относительно земли.
На рис.11, а приведена упрощенная схема с изолированной
нейтралью при замыкании на землю фазы А. В месте замыкания проходит ток
замыкания на землю I з. з. Он обусловлен емкостями фаз сети СВ, СС относительно земли.
Значение
этого тока невелико и обычно не превышает 100 А.
Рис.11. Упрощенная схема с изолированной нейтралью при
замыкании на землю фазы А
В нормальном режиме (рис.11, б) напряжения фаз относительно
земли одинаковы и составляют UФ = UЛ /√3, где UЛ - линейное напряжение. При замыкании фазы А на
землю потенциал фазы А становится равным нулю, т.е. потенциалу земли (рис.11,
в). Напряжения поврежденных фаз В и С относительно фазы А останутся такими же,
как и в нормальном режиме, потому что линейные напряжения не изменяются. Таким
образом, напряжения фаз В и С относительно земли возрастают до линейных, U’В = U’C = UЛ (увеличиваются в √3
раз), т.е. коэффициент замыкания на землю равен √3. При этом
увеличивается возможность перехода замыкания на землю в двойное, которое
является коротким замыканием и сопровождается большим током.
В сети с изолированной нейтралью изоляция фаз относительно земли
выбирается по линейному напряжению, чтобы сеть могла длительно работать с
замыканием на землю.
Правила технической эксплуатации (ПТЭ) электрических станций
и сетей Российской Федерации допускают работу воздушных линий с замыканием на
землю при изолированной нейтрали сети до устранения повреждения. При этом к
отысканию места повреждения следует приступать немедленно и ликвидировать
повреждение в кратчайший срок из-за опасности поражения током людей и животных.
Фазные напряжения в сети с изолированной нейтралью при
замыканиях на землю могут превышать линейные напряжения, что обусловлено
возникновением так называемой перемежающейся электрической дуги. Термин
"перемежающаяся" означает, что электрическая дуга горит неустойчиво:
загорается на некоторое время, затем гаснет и, спустя интервал времени,
загорается вновь. Переходные процессы, возникающие в электрической схеме сети
(рис.11, а) с учетом перемежающейся дуги, приводят к появлению перенапряжений,
которые могут достигать (3,0+3,5) 11, где U - амплитуда фазного
напряжения в нормальном режиме. Такое часто приводит к пробою изоляции.
Наличие перенапряжений, обусловленных перемежающейся
электрической дугой, является основным недостатком сети с изолированной
нейтралью. Этот недостаток объясняет обилие предложений по оптимизации режима
нейтрали городских электрических сетей.
4. Поведение
УРЗА в аварийных режимах. Способы повышения чувствительности и селективности
Работа защит в сетях с изолированной нейтралью:
Не всегда удается реализовать эффективную ненаправленную
токовую защиту нулевой последовательности в сетях с изолированной нейтралью
(без дугогасящего реактора и резистивного заземления нейтрали), это относится к
сетям с воздушными линиями электропередачи, в частности напряжением 35 кВ, где
используются трехтрансформаторные фильтры тока нулевой последовательности, а в
месте однофазного замыкания на землю - ОЗЗ могут возникать большие переходные
сопротивления. Здесь защиту надо отстраивать не только от собственного
емкостного тока защищаемого присоединения, а еще и от тока небаланса нулевой
последовательности, появляющегося из-за неодинаковых характеристик
трансформаторов тока, из которых собран фильтр тока нулевой последовательности.
При возникновении в месте ОЗЗ большого переходного сопротивления, защита, отстроенная
от собственного емкостного тока и тока небаланса трехтрансформаторного фильтра,
может не сработать. В таких сетях, а также в сетях, в которых эксплуатируются
одновременно воздушные и кабельные ЛЭП, целесообразно использовать направленные
токовые защиты нулевой последовательности.
Ток срабатывания защиты кабельной линии от ОЗЗ в сети с
изолированной нейтралью Iсз принято выбирать из следующего условия:
,
где kн - коэффициент надежности; kбр - коэффициент
"броска", учитывающий бросок емкостного тока в момент возникновения
ОЗЗ, а также способность реле реагировать на него; Ic. фид. макс -
максимальный емкостный ток защищаемого фидера. Для реле РТЗ-51 рекомендуется
принимать kбр=
2-3. При этом защита выполняется без выдержки времени. "При использовании
для защиты от ОЗЗ современных цифровых реле, например, серии SPACOM, в том числе SPAC-800 … можно принимать
значения kбр=
1-1,5. Чувствительность проверяется по величине коэффициента kч:
,
где Iзащ - ток в защите поврежденной ЛЭП, равный разности
суммарного емкостного тока сети в рассматриваемом расчетном режиме и емкостного
тока поврежденной ЛЭП; kч. норм - нормативный коэффициент чувствительности.
Для воздушных ЛЭП рекомендуется принимать kч. норм = 1,5.
Для защит воздушных ЛЭП, в которых используются
трехтрансформаторные фильтры тока ЗI0, ток срабатывания следует выбирать следующим
образом:
,
где Iнб - ток небаланса фильтра. Поскольку емкостный ток воздушных
ЛЭП невелик (примерно в 35 раз меньше, чем в кабелях при одинаковой длине), ток
небаланса может оказать существенное влияние на выбор тока срабатывания защиты.
Следует принимать во внимание, что эксплуатация защит,
построенных на токовых реле устаревших конструкций, например серий РТ-40/0,2,
может привести к неселективной работе из-за резкого увеличения токов нулевой
последовательности при дуговых замыканиях.
Более совершенными являются защиты, построенные на отечественных
реле типа РТЗ-51, блоках микропроцессорной защиты БМРЗ (например, БМРЗ-КЛ-11,
БМРЗ-КЛ-36, БМРЗ-КЛ-42, БМРЗ-КЛ-51) НТЦ "Механотроника", терминалах
защиты SEPAM типа S20 (код ANSI 50N/51N или 50G/51G) фирмы Schneider Electric, защиты серии SPACOM, например, SPAC-800 производства
"АББ Реле-Чебоксары", устройства типа MiCOM P121, P122 Compact, P123 компании AREVA (бывшая ALSTOM), защита типа SIPROTEC 4 7SJ61 фирмы SIEMENS и т.д.
Меньше всего затрат требует установка реле РТЗ-51, но эти
устройства способны обеспечить защиту присоединений только от ОЗЗ. Остальные же
перечисленные микропроцессорные терминалы обеспечивают также защиту от
междуфазных коротких замыканий и некоторых других ненормальных режимов работы.
Большинство импортных релейных терминалов имеют опции,
обеспечивающие их правильное функционирование в режимах с прерывистой дугой.
Для этого в них предусматривается возможность использовать задержку времени на
возврат токового органа после его кратковременного срабатывания.
Установка в сети заземляющего резистора облегчает условия
выбора уставок и улучшает селективность работы релейных защит от ОЗЗ.
5.
Сегодняшние тенденции в развитии и использовании релейной защиты
В настоящее время очень остро стоит проблема - совместное
использование устройств РЗА разных производителей, применение двух терминалов
на одном присоединении и совместная работа устройств, установленных на объектах
разных собственников. Так, например, проблему совместимости в части организации
каналов обмена данными помогает решить выполнение требований стандарта МЭК
61850. Общее решение должно учитывать, что функционирование системы РЗА сегодня
необходимо рассматривать во взаимосвязи с функциями других систем управления
электроэнергетических объектов, также многие специалисты отмечают, что цифровые
системы РЗА еще уступают по надежности традиционным электромеханическим, а суть
проблемы заключается в следующем. Традиционные системы релейной защиты строятся
так, что в них практически отсутствуют физические каналы связи между устройствами,
размещенными на удаленных элементах электрической системы. Используются в
основном логические связи, организованные на стадии проектирования РЗА за счет
выбора параметров срабатывания отдельных устройств РЗА. Эти связи не подвержены
влиянию внешних электрических и электромагнитных помех и работают в любых
сложнейших условиях.
Защищенность системы РЗА от внешних помех особенно важна,
т.к. наиболее ответственные периоды работы РЗА совпадают по времени с
интенсивными переходными процессами в электрической системе. Действительно, при
КЗ, когда релейная защита должна работать безошибочно и с наибольшей точностью,
электромагнитная обстановка значительно ухудшается. В этих условиях возрастает
вероятность сбоев в любых физических каналах связи.
Таким образом, электромагнитную совместимость можно признать
одним из значимых факторов, снижающих надежность и достоверность работы
цифровых систем РЗА.
И всё же объективные преимущества новых цифровых систем РЗА
состоят в их, по сути решающих, неисчерпаемых интеллектуальных возможностях.
Литература
1. Чернобровов
Н.В. Релейная защита. Учебное пособие для техникумов. Изд.4-е. перераб. и
доп.М., "Энергия", 1971.624с. с илл.
2. ОАО
"ИНЖЕНЕРНЫЙ ЦЕНТР ЕЭС" ФИЛИАЛ ОАО ИНЖЕНЕРНЫЙ ЦЕНТР ЕЭС" -
"ФИРМА ОРГРЭС" СО 34.35.302-2006 "Инструкция по организации и
производству работ в устройствах релейной защиты и электроавтоматики
электростанций и подстанций".