Релейная защита тяговой подстанции
СОДЕРЖАНИЕ
Введение
Исходные данные
. Выбор видов защит от аварийных и ненормальных
режимов для всех элементов подстанции
. Расчет уставок защит заданных элементов подстанции
.1 Расчет токов КЗ в максимальном и минимальном режиме
работы системы
.2 Расчет уставок защиты первой ступени и токовой отсечки.
Характеристики срабатывания защит.
.3 Расчет уставок защиты второй ступени и характеристика
срабатывания.
.4 Расчет уставок защиты третьей ступени и
характеристика срабатывания.
. Построение графиков селективности защит, совмещенная
характеристика срабатывания защит, векторных и временных диаграмм, поясняющих
принцип работы заданных защит
. Разработка функциональных и принципиальных схем
заданных защит
. Проверка по условию 10 % погрешности трансформаторов
тока для заданной защиты
. Разработка методики наладки заданной защиты
Заключение.
Список используемой литературы.
ВВЕДЕНИЕ
Целью курсовой работы является углубление знаний и приобретение
практических навыков по выбору типов релейной защиты (РЗ) и противоаварийной
автоматики (ПА), расчету уставок и разработке схем устройств релейной защиты.
Проектирование РЗ осуществляется для тяговой подстанции электрифицированной
железной дороги.
Релейная защита является основным видом электрической автоматики,
осуществляет непрерывный контроль за состоянием всех элементов системы
электроснабжения, обеспечивает подачу сигнала при нарушении нормальных режимов
работы или быстрое автоматическое отключение поврежденного электрического
оборудования, ЛЭП и электрических сетей при аварийных режимах, и не допускает
развития разрушений при коротких замыканиях, при возникновении ненормальных
режимов работы, например перегрузками токами выше установленных допустимых
значений. Релейная защита действует на световой или звуковой сигнал или на
отключение в зависимости от характера ненормального режима. Релейная защита
является важным элементом, обеспечивающим высокую надежность и устойчивость
работы электрических установок. К релейной защите предъявляются следующие
основные требования: селективность, быстрота действия, чувствительность и
высокая надежность работы.
Релейная защита устройств электрификации и электроснабжения ж.д.
выполняется, в основном так же, как и защита общественных электроустановок. Ее
специфические особенности обуславливаются характером тяговых нагрузок, типами
применяемого оборудования и условиями эксплуатации.
Особенностью режимов работы фидеров контактной сети переменного тока
является, как правило, соизмеримость максимальных токов нагрузки с минимальными
токами КЗ. Так как в этих случаях максимальные токовые защиты не могут
обеспечить селективной работы, то для защиты фидеров контактной сети применяют
дистанционные защиты, срабатывание которых зависит как от отношения напряжения
в месте установки защиты к величине протекающего тока, так и угла сдвига между
напряжением и током.
Для повышения надежности электроснабжения на фидерах контактной сети
тяговых подстанций и постов секционирования применяют однократное
автоматическое повторное включение (АПВ).
ИСХОДНЫЕ ДАННЫЕ
Необходимо выбрать и рассчитать электронную защиту для фидера контактной
сети.
|
Заданное присоединение
|
фидер контактной сети
|
|
исполнение защиты
|
электронная
|
|
Мощность КЗ на шинах ВН,
МВА
|
МАХ-1700
|
МIN - 1390
|
|
Тип подстанции
|
транзитная
|
|
Класс напряжения, к В
|
220
|
|
Напряжение ВН и НН
|
35;27,5
|
|
Мощность понизительного
трансформатора , МВА
|
2 х 40
|
|
Тип контактной подвески
|
ПБСМ - 70 + МФ - 100
|
|
Тип рельса
|
Р-65
|
|
Длина фидерной зоны, км
|
53
|
|
Число постов
секционирования на одной фидерной зоне
|
1
|
|
Длины секционированных участков,
км
|
ТПС - ПС - 24
|
1.
1. Выбор видов защит от аварийных и
ненормальных режимов для всех элементов подстанции
подстанция трансформатор защита замыкание
Набор релейных защит и автоматики для транзитной тяговой подстанции
выбран согласно [2, стр. 125] и сведен в таблицу 1.
Таблица 1
Защиты элементов транзитной подстанции
|
Тип защиты
|
Исполнение
|
Режим работы
|
Исполнитель- ный элемент
|
Ступень
|
|
1. Питающая линия 220кВ
|
|
ДЗ
|
3х фазное 3х ступенчатая
|
Многофазное КЗ в ЛЭП
|
Выключатель 220 кВ перемычки,
выключатели на стороне ВН и НН трансф-ра
|
Iст=0 IIст= 0.3 III ст =
0.6
|
|
ТО
|
2х фазное
|
резерв I ст ДЗ при близких
КЗ
|
Выключатель 220 кВ
перемычки, выключатели на стороне ВН и НН трансф-ра
|
без выдерж-ки времени
|
|
МТЗ0
|
4х ступенчатая
|
Однофазное КЗ
|
Выключатель 220 кВ
перемычки, выключатели на стороне ВН и НН трансф-ра
|
Iст=0 IIст= 0.3 III ст =
0.6 IV ст = 0.9
|
|
АПВ
|
3х фазное
|
отключает выключатели от
защиты
|
однократное включение
|
-
|
|
2. Шины 220 кВ
|
|
ДЗ
|
3х фазная 3 х релей-ная
|
все виды КЗ на шинах
|
защищает 2 секционные шины
|
I ст =0
|
|
3. Понижающие трансформаторы 220/35/27,5
|
|
ДЗТ
|
3х фазное продольная 3х
релейное исполнение
|
КЗ в обмотках и на выводах
трансформа-тора
|
Отключение трансформато-ра
со стороны всех его обмоток
|
без выдерж-ки времени
|
|
ГЗ(двухсту-пенчатая)
|
отдельное реле на баке
тр-ра, расширите-ле(реле уровня масла) и в устройстве регулирования
напряжения под нагрузкой (РПН)
|
При внутренних
поврежде-ниях в баке тр-ра ( в том числе и витковых замыканиях) и в
устройстве РПН При слабом газообразовании(при токовой перегрузке) и медленном
снижении уровня масла в баке расширителя
|
Отключение тр-ра со всех
сторон Сигнал
|
I ст =на сигнал
II ст =0
|
|
ЗРПН
|
Датчик в устройстве РПН
|
при застревании механизма
РПН в промежуточ-ном положении
|
отключение тр-ра со стороны
всех его обмоток
|
без выдерж-ки времени
|
|
МТЗ 220 кВ
|
3х фазное 3х релейное с
пуском по напряжению
|
внешние КЗ., резервирование
ДЗТ, ГЗ, МТЗ на стороне СН и НН
|
Отключение выключателей
трансформа-тора
|
I ст =1,2
|
|
МТЗ 35 кВ
|
2х фазное 2х релейное с
пуском по напряже-нию
|
От многофазных КЗ
|
выключатель ввода 35 кВ,
резерв защит, присоединен-ных к 35 кВ
|
Iст = 0,9
|
|
МТЗ 27.5 кВ
|
2х фазное 2х релейное с
пуском по напряже-нию
|
на все КЗ., резервирует
защиты присоединений 27,5 кВ и согласуется с ними по времени
|
выключатель ввода 27,5 кВ,
резерв защит, присоединеных к 27.5 кВ
|
I ст =0,6
|
|
ЗП(МТЗП)
|
МТЗ с выдержкой времени и
действием на сигнал однофазное однорелей-ное
|
перегрузка трансформа-тора
током сверх номиналь-ного
|
Сигнал отключение
выключателей трансформа-тора
|
I ст- обдув IIст -сигнал
III ст- откл.=9
|
|
АПВ
|
3х фазное
|
отключение вводов от защит
внешних КЗ
|
однократное включение
выключателя ввода
|
-
|
|
АВР
|
3х фазное
|
отключение тр. от защит
внутрен повреждений
|
откл. секционного
выключателя, восстановление питания
|
-
|
|
4. Сборные шины 35 кВ
|
|
ТО
|
2х фазное 2х релейное
|
многофазные КЗ
|
секционный выключатель 35
кВ
|
I ст =0,6
|
|
АПВ
|
2х фазное 2 релейное
исполнение
|
откл. секционного
выключателя от защит внешних КЗ
|
однократное включение
выключателя
|
-
|
|
5. Фидера 35 кВ
|
|
МТЗ
|
2х фазное 3х релейное с
выдержкой времени
|
Многофазное КЗ, до шин
подстанции. Резервирует защиту фидерных потребителей
|
Откл. выключателя фидера 35
кВ
|
I ст = 0.3
|
|
ТО
|
2х фазное 2х релейное
|
Многофазное КЗ
|
Откл. выключателя фидера 35
кВ
|
I ст=0
|
|
АПВ
|
3х фазное
|
откл. выключателя от защиты
|
однократное включение
|
без выдерж-ки времени
|
|
6. Ввод 27.5 кВ
|
|
ЗМН
|
3х фазное 3х релейное
|
КЗ на шинах 27,5 кВ и
резерв на ФКС, ДПР
|
отключение выключателей
ввода 27,5
|
I ст =0.6
|
|
Токовая защита нулевой
последовательности
|
|
однофазные КЗ в ЛЭП 220 кВ
|
отключение выключателей
ввода 27,5
|
I ст =0,3
|
|
Защита от подпитки Umin
220
|
|
КЗ в ЛЭП 220 кВ
|
отключение выключателей
ввода 27,5
|
I ст =0.3
|
|
7. Шины 27,5 кВ
|
|
ЗМН (Защита по min
напряжению)
|
2х фазное
|
резервирует отходящий фидер
в случае отказа выключате-ля, предот-вращает подпитку КЗ на ЛЭП 220 со
стороны ТП
|
Срабатывание выключателей,
подключенных к шинам
|
I ст =0.6
|
|
УРОВ
|
2х фазное
|
Отказ выключателя фидера КС
|
отключение всех
выключателей присоединения 27.5 кВ
|
I ст =0.6
|
|
8. Фидер КС
|
|
ДЗ1
|
2х ступенчатая электронная
защита дополнен-ная УТО и телеблоки-ровкой
|
1-ая ст.-КЗ в зоне
п/ст-пост секционирования(80-85%) 2-ая ступень до шин смежной
подстанции(30-40%)
|
откл. выкл ФКС ВВК-27.5
|
Iст=0
|
|
УТО
|
электронная
|
близкое КЗ с большими
токами
|
откл. выкл ФКС ВВК-27.5
|
Iст=0
|
|
ДЗ2
|
|
КЗ в зоне п/ст-смежная п/ст
|
откл. выкл ФКС ВВК-27.5
|
Iст=0.3
|
|
ДЗ3
|
|
КЗ в зоне п/ст-смежная п/ст
|
откл. выкл ФКС ВВК-27.5
|
Iст=0.6
|
|
9. Фидер ДПР
|
|
ТО
|
2х фазное
|
2х фазные, 3х фазные КЗ на
15-20% линии
|
откл. выкл. ВВК-35
|
I ст =0
|
|
МТЗ
|
2хфазное 2х релейное
|
2х фазные, 3х фазные КЗ
|
отключение выключателя
фидера ДПР
|
I ст =0.3 II ст=
|
|
10. ТСН
|
|
ТО
|
2хфазное 2х релейное
|
КЗ в обмотках
трансформатора и на его выводах
|
откл. выкл. ВВК-35
|
I ст =0
|
|
МТЗ с выдержкой времени
|
2х фазное 3х релейное
исполнение
|
внешние (сквозные)КЗ
|
откл. выкл. ВВК-35
|
I ст =0.3
|
|
ЗП (МТЗ с выдержкой времени
и действием на сигнал)
|
1 фазное 1 релейное
|
перегрузка трансформа-тора
током сверхноми-нального
|
откл. выключателей
трансформатора
|
Iст=сиг-нал IIст =9
|
|
АПВ
|
3х фазное
|
откл. выключателя от МТЗ
|
однократное включение
|
без выдерж-ки
|
В таблице приняты следующие обозначения:
ГЗ - газовая защита;
ДЗ - дистанционная защита;
ДЗН - дистанционная направленная защита;
ДЗТ- дифференциальная защита трансформатора;
ЗП - перегрузка по току сверх номинального;
ЗМН - защита по минимальному напряжению;
МТЗ - максимальная токовая защита;
МТЗ0 - максимальная токовая защита нулевой последовательности;
ТО - токовая отсечка;
УРОВ - устройство резервирования отказа выключателей;
УТО - ускоренная токовая отсечка;
ЗРПН- защита от застревания механизма РПН в промежуточном положении.
Указанные в таблице 1 типы защит обеспечивают надежную защиту
рассматриваемой подстанции, резервирование защищаемых элементов, селективную
работу защит и устойчивость функционирования.
Составим график селективности защит от шин 220кВ тяговой подстанции по
направлению к потребителю (рис.1.1), по которому определяем зоны действия и
ступени защит, их время срабатывания, обеспечивающее селективность работы защит
при максимальном быстродействии.
2.
2. Расчет уставок защит фидера контактной сети
2.1 Расчет токов КЗ в максимальном и
минимальном режиме работы системы
Расчетные условия работы РЗ определяются максимальными токами нагрузки,
токами КЗ в минимальном и максимальном режимах работы энергосистемы и
количеством трансформаторов, включенных на подстанции. Максимальным режимом
является режим, при котором включены все ЛЭП внешнего электроснабжения и все
генераторы, питающие систему. Минимальный режим, при котором включено наименьшее
количество питающих генераторов, а схема включения ЛЭП и трансформаторов на
подстанции такова, что ток КЗ в конце зон защиты имеет минимальное значение. В
данном курсовом проекте для минимального расчетного режима примем схему с одним
понизительным трансформатором при минимальном значении мощности КЗ на шинах
высшего напряжения подстанции.
Схему замещения подстанции представим на рис. 2.
Рис.
2. Схема замещения подстанции с указанием точек КЗ
Тип
понизительного трансформатора: ТДТНЖ - 40000/220;
Схема
соединения: Y/Y/∆
МВА -
мощность К.З. на шинах 220 кВ в МАХ - режиме работы системы.
МВА -
мощность К.З. на шинах 220 кВ в МIN - режиме работы системы.
-
напряжение К.З. на стороне ВН - СН.
-
напряжение К.З. на стороне ВН - НН.
-
напряжение К.З. на стороне СН - НН.
кВ -
номинальное напряжение трансформатора со стороны ВН.
кВ -
номинальное напряжение трансформатора со стороны НН.
кВ -
номинальное напряжение трансформатора со стороны СН.
Определим
сопротивления системы в МАХ и MIN режимах, Ом:
,
(2.1)
где Uст - напряжение ступени на стороне ВН,
кВ.
Ом.
, (2.2)
Ом.
Периодический
ток трехфазного КЗ в точке К 1
(2.3)
Ударный ток в точке К1, [3,табл.6]
(2.4)
Ток однофазного замыкания на землю в точке К1 определим по упрощенной
формуле:
(2.5)
Определим ток двухфазного КЗ на шинах 27,5 кВ
, (2.6)
где
=27.5 кВ
Учитываем сопротивления, приведенные к напряжению 27,5 кВ, в Омах, в
минимальном и максимальном режимах.
(2.7)
(2,8)
Где
напряжение к.з трансформатора ВН-НН =22%
Тогда ток двухфазного к.з на шинах 27.5 кВ
Ударный ток двухфазного КЗ в точке К3, [3,табл.6]
(2.9)
Найдём сопротивление обмоток трансформатора в относительных единицах:
где Sн - номинальная мощность трансформатора, мВА
Результирующее сопротивление до точки К3, отн.ед
(2.10)
Мощность к.з. в точке К 3
(2.11)
Базисный ток
Ток трехфазного КЗ на шинах 27.5 кВ
(2.12)
Ударный ток трехфазного КЗ в точке К 3
(2.13)
Определим ток КЗ в точке К 2
Определим относительные сопротивления обмоток трансформатора
Результирующее сопротивление до точки К 2
Мощность к.з. в точке К2, [3,табл.6]
(2.14)
Определим базисный ток для шин 38.5 кВ, [3,табл.6]
(2.15)
Определим периодическую составляющую тока КЗ в точке К2, кА [3,табл.6]
Ударный ток в точке К2, [3,табл.6]
(2.16)
Определим ток КЗ в точке К 4 на шинах 0.4 кВ собственных нужд
Расчет в именованных еденицах.
Трансформатор ТМЖ -250/27,5 -74У1
группа и схема соединения обмоток У/Ун-0
Потери мощности при КЗ - 3.7
Напряжение КЗ - 6.0 %
Ток ХХ - 2.0 %
Сопротивление Хс питающей системы приведенное к напряжению ступени 0.4
кВ, мОм
(2.17)
Где
-действующее значение тока трехфазного КЗ у выводов обмотки
высшего напряжения трансформатора, кА
-условная мощность КЗ у выводов высшего напряжения
трансформатора, мВА
известна из результатов расчета гл 3.2
Начальное действующее значение периодической составляющей тока
трехфазного КЗ на шинах 0.4 кВ находим по формуле:
[3. Стр36] (2.18)
Где
соответственно суммарное активное и суммарное индуктивное
сопротивление прямой последовательности цепи КЗ, мОм
В суммарные сопротивления включаем сопротивления трансформатора и кабеля
Активное сопротивление трансформатора ТСН, мОм
(2.19)
Где
потери короткого замыкания трансформатора, кВт
номинальная мощность трансформатора, кВА
номинальное напряжение обмотки низшего напряжения, кВ
Индуктивное сопротивление трансформатора ТСН
(2.20)
Где
напряжение короткого замыкания трансформатора, %
Кабель АПВБ -2 шт, параллельно подключенный четырехжильный с алюминиевыми
жилами, бронированный, сечение 150 мм2
Параметры выбранного кабеля R0=0.208
мОм/м=0.208 Ом/км;
Х0=0.079 мОм/м=0.079 Ом/км
Активное сопротивление двух параллельно подключенных кабелей длиной 30 м
Индуктивное сопротивление двух параллельно подключенных кабелей длиной 30
м
Суммарное активное сопротивление цепи КЗ, мОм
Суммарное индуктивное сопротивление цепи КЗ, мОм
Ток КЗ на шинах 0.4 кВ, кА
Ударный ток КЗ
Где
=1.2 ударный коэффициент для трансформаторов S=100…400 кВА [3. Стр36]
Данные расчетов сведем в таблицу 2
Таблица 2
|
Мах режим системы
|
Uст
|
Xрез
|
I”(3)
|
|
|
|
|
|
кВ
|
Ед/ мОм
|
кА
|
кА
|
мВА
|
кА
|
кА
|
|
220
|
31,12м/Ом
|
3.49
|
8.9
|
1700
|
|
1.92
|
|
27.5
|
0.45
|
2.79
|
13.85
|
137,93
|
5.43
|
3.0
|
|
38.5
|
0.605
|
2.48
|
6.32
|
165,29
|
4.25
|
2.34
|
|
0.4
|
31.91 м/Ом
|
7.45
|
12.64
|
3.13
|
6.39
|
3.51
|
|
Мин. режим
|
|
|
220
|
38,06 м/Ом
|
4.27
|
10.89
|
1390
|
|
2.35
|
|
27.5
|
0.54
|
1.86
|
14.92
|
91,74
|
5.85
|
3.22
|
|
38.5
|
0,85
|
1.76
|
4.49
|
117,65
|
4.43
|
2.44
|
|
0.4
|
59.2 м/Ом
|
4.01
|
6.81
|
1,69
|
6.7
|
3.69
|
Расчетные схемы подстанции для максимального и минимального режимов
работы представим на рис. 3 и рис. 4.
Рис.
3 Расчетная схема подстанции в максимальном режиме.
Рис.4
Расчетная схема подстанции в минимальном режиме.
2.2 Расчет уставок защит
фидера КС ТПС
Расчет будем вести для узловой схемы питания типа тяговой сети ТП для
двухпутного участка пути.
Расчетное значение напряжений Upac подстанций принимают равным 26200 или 28900 В (27500 ± 5 %
В).[4]
При вычислении минимальных значений токов короткого замыкания,
протекающих к месту повреждения от данной подстанции, расчетное напряжение на
ней принимают -26200 В. Если вычисляют максимальные значения токов короткого
замыкания, то на данной подстанции расчетное напряжение принимают 28900 В.
Сопротивление тяговой подстанции при двухфазном коротком замыкании
вычисляют по формуле, 4.2 [4]Ом:
, (2.21)
где
Хп - индуктивная составляющая сопротивления подстанции. Ом;
Uп - напряжение на выводах тяговой обмотки
трансформатора, кВ;
Sc -
мощность короткого замыкания на вводах в подстанцию, ΜΒΆ;
Sт - номинальная мощность трансформатора, MB А;
nт - число включенных в работу трансформаторов;
uк - напряжение короткого замыкания трансформатора, %;
з - заводской допуск на величину напряжения короткого
замыкания.
Из
расчетов курсового п.2 мощность короткого замыкания на вводах в тяговую
подстанцию - 137,93 мВА и 91,74 мВА, соответственно для максимального и
минимального режимов
Для
минимального режима:
Uп=27.2 кВ, uк=12%, αз=+0.05, nт=1
Для
максимального режима:
Uп=27.5 кВ, uк=9,5%, αз=-0.05, nт=2
Принимаем,
что сопротивления подстанций одинаковы.
По
таблице 4.3 [4] определяем справочные значения погонных сопротивлений:
Zmn - результирующее погонное сопротивление
тяговой сети m- путного
тягового участка при условии, что в работу включены и соединены параллельно
контактные сети n путей. Z22
= 0,301Ом/км
Z_1,n - сопротивление контактной сети
одного пути (при включенных в работу контактных сетях на n путях) при условии, что на этот
путь оказывает индуктивное влияние суммарный ток остальных путей такой же
величины, но провотиположного направления. Z_1,2 = 0,336 Ом/км
Z_q,n - сопротивление контактной сети q путей (при наличии контактной сети на n путях) при условии, что на эти q путей оказывает индуктивное
влияние ток контактной сети других n-q путей. Z_21 =0,47 Ом/км
Z’p,m- падение напряжения в тяговой сети данного пути за счет
индуктивного влияния токов смежных путей. Z’p,2 = 0,139 Ом/км.
2.3 Расчет первой ступени ДЗ
Рис.
5. Узловая схема питания контактной сети в межстанционной зоне
Первая ступень обеспечивает защиту без выдержки времени большей части
зоны подстанция - пост (80%) во избежание излишних срабатываний при внешних КЗ
и посылает сигнал на запуск телеблокировки. Первая ступень - это дистанционная
защита, работающая в двух режимах:
) токовая блокировка при ненаправленном реле сопротивления;
) направленная защита.
Первая ступень работает без выдержки времени.
Для узлового питания основная защита рассчитывается по схеме № 4 [4]. Для
укоренного отключения близких КЗ защита выключателя QАl снабжается
дополнительной защитой в виде токовой отсечки, параметры которой выбираются для
расчетных схем № 4 и № 23.
Уставку срабатывания ZyДЗ1 выбирают по условию селективности, так чтобы
защита не срабатывала при КЗ за ПС.ДЗ1
КотсZк,мин,
где Zк,мин - сопротивление петли КЗ, измеряемое защитой выключателя
QАl (рис.5); Котс - коэффициент отстройки 0.85-0.9
к
мин=z21
lАП = 0,336
24 =
8,064 Ом
ДЗ1
КотсZк,мин
ДЗ1
0,85
8,064=6,85
Ом
Принимаем
ZyДЗ1 = 7,0 Ом
проверим
на нечувствительность к режимам нормальной работы по формуле:ДЗ1
, при кв = 1, кз =1.1; кн
= 1 (2.21) минимальное значение сопротивления, измеряемое защитами выключателей
подстанций определим:
Zн мин =
=
,
-
максимально возможный ток нагрузки (ток одного трансформатора с учетом 40 % -й
перегрузки):
=
=
= 1,18 кА.
н
мин -примем минимальный ток нагрузки 1000АДЗ1
,
условие выполняется.
Применим
направленную дистанционную защиту первой ступени с рабочей областью от 0 до 110
эл. градусов.
Рисунок 7-Характеристика срабатывания 1-ой ступени (ДЗ)
ТО применяется в качестве дополнительной защиты
фидеров тяговой подстанции и постов секционирования.
Уставка срабатывания Iу, ТО выбирается по
формуле:
уТО
КОТС
к, мах (2.22)
Максимальный ток
к, мах, протекающий
при КЗ через выключатель фидера подстанции рассчитывается по схеме № 4.
В режиме мах энергосистемы
ПA =ZПВ =ZП мах=
12,67 Омн.мах = 1180 А
Сопротивления результирующей схемы замещения
= ZпA + ZТСА
ZB = ZпВ + ZТСВ
ZAB = ZТСАВ + Rд+Rтгз + Rз.
ZТСА = zР,mlAП = 0,139
2
ZТСВ =
mnIПВ
ТСВ =
29 = 10,34 Ом
ТСАВ = z_1, NIАП
ТСАВ = 0,336
= 16,128 Ом
При расчете уставок токовой и дистанционной защиты
допускается принимать Rд =0, Rз =0, ZТГЗ =0.
Погрешность компенсируется Кч.
ZТСАВ = 16,128 Ом
ZA=12,67+6,672=19,34 Ом
ZB= 10,34+12,67=23,01
Токи подстанций в месте КЗ рассчитываются по
формулам [4(5.1 и 5.2) и табл.6.1]
(2.23)
(2.24)
=410,59 Ак = 628,11+410,59 =
1038,7 А
Для сх № 4 [4] Iк = IQA1
Iу, ТО
1,2
1038,7
1246,44,
Принимаем, Iу, ТО = 1300 А и проверяем
чувствительность защиты по условию [4 (формула 6.2’] для расчетной схемы 23.
рис.8.
схема 23
Авх =0, ZВвх=ZmnlАП+ZmnlПВ
= 0,301
24+0,301
29 = 15,953 Ом
Т.к
для сх. 23 определяется Iк. мин, то по табл. 6.1[4] принимаем UА, рас = 26200В, UВ, рас
= 28900 В
ZПмин
=20,79 Ом
по
формулам 5.2 и 5.4[4]
А =
=
=1260,22
А
IВ =
=
=786,54 А
к
=1260,22+786,54 = 2046,76А
По формуле (6.2’)[4] для кч находим
; 1,2
1,57. условие чувствительности выполняется.
Проверяем по условию: Iу,ТО ≥ кз Iн,max,
коэффициент запаса принимают равным от 1,1 до 1,3
Условие выполняется
Рисунок 9-Характеристика срабатывания токовой блокировки
.4 Расчет уставок ДЗ 2-ой
ступени
Резервная защита -вторая ступень направленной
дистанционной защиты с выдержкой времени 0,3 с и рассчитывается по схеме № 6[4]
для узлового питания.
Эта защита выполняет функции основной на участке от
конца области действия защиты ДЗ1 до шин поста ПС, ближнего резервирования для
первой ступени защиты и дальнего резервирования для выключателей и шин поста ПС
(зона lПВ) и охватывает примерно 1.2 расстояния между подстанциями.
рис.10
-схема 6
к мах - мах сопротивление,
измеряемое защитой при КЗ на выводах выключателя смежной подстанции, Кч
не менее 1.5.
Уставка
срабатывания выбирается по условию Zy,ДЗi ≥ кчZк
По
табл.4.3[4] для двухпутного участка при
включении КС на всех путях находим z22 = 0,301 Ом/км.
Авх = zmnlАП = 0,301
А =
Пмах=12,67 ОмПмин = 20,79ОмАмах
=
= 1452,7 ААмин =
=
935,25А
QA1мин = IА/ni= 935,25/2=467,6 АQA1мах
= IА/ni= 1452,7/2=726,35 А
Согласно таблицы 5.4 [4] для схемы 6:
QA1 = niZmnlАП = 2
0,301
к мах = 14,448 ОмуДЗ 2
1,25
18,06 Ом, примем ZуДЗ 2
=18Ом
уДЗ 2
, при Кв =1
уДЗ 2
20,18; 18
20,18 - условие выполняется.
Рисунок 11-Характеристика срабатывания 2-ой ступени (ДЗ-2)
.5 Расчет уставок ДЗ
третьей ступени
Третья ступень защиты на выключателе QA1 подстанции
резервирует всю межпостанционную зону является направленной с выдержкой времени
0.6 с. Уставка рассчитывается по схемам № 8,9,10 и выбирается по той из них,
для которой условия защиты оказываются наиболее трудными. Будем использовать
направленную дистанционную защиту с угловой характеристикой 55
, т.к при этом
срабатывание защиты не попадает в область нагрузок ( 20-40
).
рис.12
Схема № 8
Авх=ZmnlАП+ZmnlПВ
= 0,301
24+0,301
29 = 15,953 Ом
табл. 5.4 для сх. 8
QA1=ni(ZmnlАП+ZmnlПВ)
= 2
IАмин =
=
= 713,06 А
IАмах =
=
= 1009,68А
по таблице 5.1 [4]для сх. 8
QA1мин = IА/ni= 713,06/2=356,53АQA1мах
= IА/ni= 1009,68/2=504,84 А
к мах = 31,91 Ому
1,2
н мин (отстройка от ложной работы в
нормальном режиме)у
1,2
26,64 Ом
у
Кч Zк мах
уДЗ 3
1,25
, примем 40 Ом
26,64 условие выполняется.
Кч =
= 1,2535- условие выполняется.
рис.13
схема № 9
TCA=ZmnlАП+Zp,mlПВ = 0,301
24+0,139
29 = 11,255 Ом
ZТСВ =
=4,872 ОмТСАВ =ZАВ= z_1, nIПВ
=0,336
9,74 ОмА =ZПА+
ZTCA =11,255+20,79=32,05 ОмВ
=ZПВ+ ZTCВ =4,872+20,79=25,66 Ом
к =466,6+688 =1154,6 А
QA =IA/ni = 466,6/2=233,3 А
ZQA1=ni(ZmnlАП+(z’p,m +z_1,n Ik
/I A )lПВ) = 2
к мах = 62,9 Ом
у
Кч Zк махуДЗ 3
1,25
, примем 80 Ом
Кч =
= 1,27- условие выполняется
рис
14. схема № 10
TCВ=ZmnlПВ+Zp,mlАП = 0,301
29+0,139
24 = 12,07 Ом
ZТСА =
=8,064 Ом
ZТСАВ =
= 0,336
ОмА =ZПА+ ZTCA =8,064+20,79=28,85 ОмВ
=ZПВ+ ZTCВ =12,07+20,79=32,86 Ом
IQA=
к=541,72+591,81=1133,53
АQA1=(ni-1)(z_q,n +z_1,n
Ik /I A )lАП =(2-1)
=17,55 Ом
к мах = 17,55 Ом
у
Кч Zк мах
уДЗ 3
1,25
, примем 22 Ом
Кч =
= 1,254- условие выполняется
Согласно
рекомендациям [4] принимаем наибольшее значение уставкиуДЗ 3= 80 Ом
Третья
ступень должна обеспечить коэффициент чувствительности не менее 1.5 при КЗ на
шинах поста секционирования ПС. Проверка в режиме минимума.
y,ДЗ3 ≥ кчZк
Из
расчетов курсового п. 2,2,2 -
Ом
Условия
чувствительности выполняются.
Рисунок 15-Характеристика срабатывания третьей ступени (ДЗ-3)
3.Построение графиков селективности защит,
совмещенная характеристика срабатывания защит, векторных и временных диаграмм,
поясняющих принцип работы заданных защит
Рисунок 16 -Общая характеристика срабатывания 3-х ступенчатой электронной
дистанционной защиты.
Рис. 17 График селективности защит для выключателя Q1 ТП.
Параметры срабатывания реле определяются путем пересчета уставок защиты
на вторичную сторону измерительных трансформаторов тока и напряжения.
Примем ТТ с коэффициентом трансформации 1000/5, ТН с коэффициентом
27500/100
В курсовом в защите фидера КС использованы ДЗ 1 с уставкой Zу ДЗ 1 = 7 Ом, ДЗ 2 с уставкой Zу ДЗ 2 = 18 Ом, ДЗ 3 с уставкой
Zу ДЗ 3 = 80 Ом, ТО с уставкой IуТО
= 1300 А.
Пересчет осуществляем по формулам:
cр = Iу/ Кт
Uср = Uу/ Кн
Zср= ZуКт/Кн
Iср,то
= 1300/200=6,5А
ZсрДЗ1=
7*200/275=5,09 Ом
С такой точностью настроить реле сопротивления не удастся, поэтому
принимаем 5 Ом. При такой настройке реле изменится уставка защиты. Ее новое
значение равно:
у ДЗ1 = Zср ДЗ1*Кн/Кт=5*275/200=6,875Ом,
принимаем 7 Ом
ср ДЗ2 =18*200/275=13,1 Ом,
Zу ДЗ2
= 13,1*275/200=18,01 Ом, принимаем 18 Ом
Z cр ДЗ 3 = 80*200/275=58,18 Ом
Zу ДЗ
3 = 58,18*275/200=80Ом
Новые значения уставок защит ФКС также проходят проверку.
4.Разработка функциональных и принципиальных
схем заданных защит
Функциональная схема поясняет происходящие процессы при различных режимах
работы. На схемы изображают функциональные части изделия ( элементы, устройства
и функциональные группы) и связи между ними. Графическое построение схемы
должно наглядно отражать последовательность функциональных процессов.
Действительное расположение в изделии элементов и устройств может не
учитываться. Функциональные части и связи между ними изображают в виде условных
графических изображений, установленных в стандартах ЕСКД. Отдельные
функциональные части на схеме допускается изображать в виде прямоугольников. В
этом случае части схемы с поэлементной детализацией изображают по правилам
выполнения принципиальных схем, а при укрупненном изображении функциональных
частей - по правилам структурных схем. Функциональная схема защиты определяет
количество входящих в состав зашиты реле, типы их характеристик срабатывания,
наличие элементов выдержки времени ступеней защиты, взаимосвязь между
отдельными измерительными органами и узлами защиты.
Принципиальная схема является наиболее полной электрической схемой, на
которой изображаются все электрические элементы и все связи между ними.
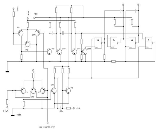
Принцип работы УЭЗФМК
Защита состоит из промежуточных трансформаторов тока и напряжения TLA и TLV , подключенные к выводам измерительных
трансформаторов фидера. Нулевые точки вторичных обмоток промежуточных
трансформаторов объединены и образуют среднюю точку схемы, к которой подключен
делитель напряжения на резисторах R1 иR2 и инвертирующие входы
дифференциальных усилителей всех пороговых элементов. Вторичное напряжение
трансформаторов выпрямляется двухполупериодными выпрямителями со средней
точкой. Выпрямитель трансформатора TLA подключен к блоку регулирования уставок БРУ, который представляет собой
набор резисторов, с их помощью уставка регулируется с погрешностью не более 5%.
Пороговый элемент ЕА, выполненный на нуль-органе ЕА-1, реализует токовую
отсечку ТО.
Нуль-орган ЕА2, фазоограничивающие органы Uф1 и Uф2 и
схема сравнения И (DD1)образуют
дистанционную защиту ДЗ1. Сигнал на выходе схемы И (DD1) появляется при наличии на его входе сигналов срабатывания
нуль-органа ЕА2 и фазовых органов Uф1 и Uф2. Каждый из фазовых органов
является однополупериодным, но реагируют на разные полупериоды, поэтому
совместно составляют двухполупериодный фазовый орган. Элемент задержки DL на 20 мс обеспечивает условие, при
котором защита не будет срабатывать, если из двух фазовых органов сработает
только один. Если переключить выключатель SB, то фазовые органы выводятся из работы, а пороговый орган
ЕА3 и логическая ячейка И (DD2)
вводятся в работу. Пороговый орган ЕА3 реализует блокировку по току первой
ступени при использовании ДЗ1 ненаправленной. Т. к в данном курсовом проекте мы
использовали направленную дистанционную защиту первой ступени, то пороговый
орган ЕА3 и логическая ячейка DD2 не
используется.
Ступень защиты ДЗ2 включает нуль-орган ЕА4, который реализует собой реле
сопротивления, фазовые органы Uф1 и Uф2, логические ячейки ИЛИ (DD3) и И (DD4). В эту ступень входит реле времени КТ1 (0.3с).
Третья ступень ДЗ3 содержит нуль-орган ЕА5, фазовый орган Uф3, логическую И (DD5) и реле времени КТ2 (0.6с).
Защита содержит блок отстройки от апериодической составляющей БОА, блок
частотной отстройки БЧО и блок памяти напряжения БПН. При наличии
апериодической составляющей или увеличения содержания высших гармоник в токе
фидера выходные напряжения блоков БОА и БЧО увеличиваются, и поступая на входы
нуль-органов, загрубляют уставки соответствующих защит. Блок БОА тормозит
действие ТО, ДЗ1, ДЗ2. Блок БЧО содержит фильтр верхних частот и выпрямитель.
Он тормозит действие ступеней ДЗ1, ДЗ2, ДЗ3.
При значительном снижении напряжения Uф фидера при близких КЗ фазовые органы Uф1 и Uф2 работать не могут. Блок БПН выполнен в виде активного
фильтра на частоту 50 Гц с высокой добротностью. Поэтому при значительном
снижении напряжения или исчезновении на его входе синусоидального напряжения,
на выходе напряжение имеет вид синусоиды с той же фазой, что и до момента
короткого замыкания. Амплитуда этой синусоиды затухает в течении 0.1-0.2 сек.
На это время ее величина достаточна для срабатывания фазовых органов, чем
достигается ликвидация мертвой зоны защиты ДЗ1 с направленной характеристикой.
Выходные сигналы ТО, ДЗ всех ступеней через логическую ячейку ИЛИ (DD6) поступают на выходной орган
(электронное реле), вызывающий отключение высоковольтного выключателя.
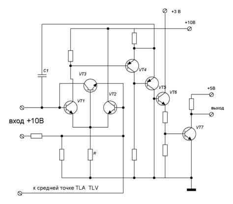
Схема
нуль-органа и принцип работы
Нуль-орган ЕА выполнен на основе дифференциального усилителя на
транзисторах VT1 VT2, сглаживание пульсаций выпрямленного тока осуществляется
конденсатором С, подключенным в цепь обратной связи с эмиттера транзистора VT5 на базу транзистора VT1. Транзистор VT3 выполняет роль диодного
ограничителя защиты от перенапряжения при больших кратностях входных сигналов.
Закрытому транзистору VT7
соответствует положительный потенциал выхода, при этом закрыты также
транзисторы VT5, VT6 а VT1 и VT4 открыты. Закрытие транзистора VT1 приводит к закрытию VT4 и открытию VT5, VT, VT7 . при этом потенциал выхода
становится равен нулю (потенциалу средней точки ). Транзисторы VT1 VT2 охвачены отрицательной связью через резистор R, поэтому один из них открыт, а
другой закрыт. При этом процесс переключения транзистора VT1 из одного состояния в другое
происходит скачком при очень небольшом отклонении от порога срабатывания,
значение которого определяется потенциалом средней точки. Если потенциал базы
транзистора VT1 превысит потенциал порога
срабатывания, то этот транзистор будет открыт и на выходе появится
положительный потенциал. Этот режим соответствует ждущему режиму. При
срабатывании нуль-органа потенциал еговхода понижается, а транзистор VT1закрывается.
Рис 19. Принципиальная схема нуль-органа
Схема и
принцип работы фазового органа
Рис 20. Принципиальная схема фазового органа
Фазовые органы входят в модули ИФМ-1 и ИФМ-2. Модуль ИФМ-1 используется в
дистанционной защите первой ступени. Он разрешает действие этой ступени, если
ток отстает от напряжения на величину фазового угла в пределах от 0 до 110ºэл. Фазовый орган модуля ИФМ-2
используется в дистанционной защите второй ступени и разрешает ее действие,
если ток отстает от напряжения на 50-110ºэл. Каждый модуль содержит каналы
формирования импульсов тока (транзисторы VT1-VT5) и напряжения
(VT6-VT11). А также преобразователь импульсов в потенциальный
сигнал, выполненный в виде триггера на элементах И-НЕ (DD1,DD2,DD3).
Нуль-орган на транзисторах VT1,VT3,VT4 формирует прямоугольные импульсы напряжения, длительность
которых совпадает с длительностью половины периода синусоиды тока Iф. На выходе транзистора VT5 формируется узкий импульс длительностью
2-3º,
совпадающий с моментом
перехода синусоиды тока через нулевое значение. Нуль-орган на транзисторах VT6,VT7,VT9 формирует
прямоугольные импульсы, длительность которых совпадает с длительностью половины
периода синусоиды напряжения Uф.
Два транзисторных каскада задержки в модуле ИФМ-2 (VT10,VT11)
формируют прямоугольный импульс, сдвинутый в сторону отставания относительно
начала полуволны синусоиды напряжения на 50º. Его длительность соответствует 40º
с погрешностью от-5 до
+20º
эл. Таким образом, зона
существования этого импульса находится в диапазоне 50-110ºэл с погрешностями. В модуле ИФМ-1
длительность прямоугольного импульса напряжения составляет 90º,
от -1 до +20ºэл, причем начало этого импульса
должно совпадать с началом полуволны синусоиды напряжения. Для этого
конденсатор, подключенный к коллектору транзистора VT10, отсоединяют от этого транзистора и вместо него между
коллектором VT9 и базой VT11 подключают другой конденсатор большей емкости.
Если узкий импульс тока, сформированный на коллекторе VT5, совпадает с прямоугольным
импульсом напряжения, сформированным на коллекторе VT11, то открывается элемент И-НЕ DD4, что заставляет триггер (DD1,DD2,DD3) переключиться в положение, которое
разрешает работу защиты.
Собственное потребление в цепях ТТ составляет 0.25 ВА при токе 5А, в
цепях ТН составляет 0.12 ВА при напряжении 100 В. Диапазон уставок по току
дистанционных защит 1.6-20А, токовой отсечки 1.8-25А, блокировки по току
1.3-25А, по сопротивлению 5-63 Ом.
Устройство УЭЗФМ ТУ 32ЦЭ-482-83 предназначено для защиты от коротких
замыканий тяговых фидеров участков железных дорог, электрифицированных на
переменном токе промышленной частоты.
Устройство унифицировано для применения в системах питания 27,5 кВ и 2х25
кВ и предназначено для установки на тяговых подстанциях с оперативным
напряжением 110 и 220 В постоянного тока и на постах секционирования с
оперативным напряжением 220 В выпрямленного несглаженного пульсирующего тока.
|
Технические характеристики
|
|
Основное питание от
источника переменного тока промышленной частоты напряжением, В
|
220
|
|
Мощность, потребляемая
устройством от источника основного питания, ВА, не более
|
15
|
|
Резервное питание от
источника постоянного напряжения, В
|
110 или 220
|
|
Резервное питание от
источника переменного тока промышленной частоты, В
|
220
|
|
Мощность, потребляемая от
источника резервного питания, Вт или ВА, не более
|
15
|
|
Напряжение питания
электронной схемы устройства (относительно общей шинки "общий
минус"), В
|
+(10±2) +(5±1) +(3,5±0,7)
|
|
Габаритные размеры, мм, не
более
|
306х410х80
|
|
Масса ЗИП, кг, не более
|
7,5
|
|
Масса, кг, не более
|
23,5
|
.
5. Проверка по условию 10 % погрешности
трансформаторов тока для заданной защиты
Благодаря ТТ приборы для измерения тока и реле не только изолируются от
высоковольтной цепи, но также могут быть удалены от нее на значительное
расстояние и находиться на щите управления дежурного по подcтанции.
5.1 Проверка ТТ по допустимой 10%-ной
погрешности
Работа ТТ, с погрешностью соответствующего класса обеспечивается лишь при
токах, не превышающих 120% от номинального, а вторичной нагрузке Z2,
не выходящей за пределы номинальной Z2н.
Для релейной защиты,в отличие от измерительных приборов, соответствующая
точность работы ТТ необходима главным образом при токах К.З. ,которые во много
раз превышают токи нормального режима. Поэтому только погрешности измерения
характеризуют класс точности ТТ не могут служить окончательным основанием
выбора ТТ.
Сопротивление вторичной обмотки:
2
= Zип + Zпров + Zконт (Ом), (5.1)
где Zип - общее сопротивление измерительных приборов, подключенных к ТТ,
Ом. Взято из [3 таб.№32].конт - сопротивление контактов реле, Ом; Z=0,1 Ом;пров
- сопротивление соединительных проводов, Ом;
пров = rАл×L/S (Ом), (5.2)
где rАл - удельное сопротивление алюминия; rАл=2,83*10-8
Ом*м;длина соединительных проводов, м; из [7 стр.59] выбираем: для РУ-27,5 kB;
L= 60 м;- сечение проводов, м2; по условию мех. прочности для
алюминиевых жил принимаем S=4×10-6 м2;пров = 2,83*10-8*60
/ (4*10-6)=0.4245Ом2=0.1+0.4245+0.1=0,6645Ом
Для питания реле тока разрабатываемых защит выбираем ТТ типа ТФЗМ-35А-У1
, который имеет следующие характеристики:
Класс
точности..................................................................10Р
Номинальное напряжение первичной обмотки............35 kB
Номинальный ток первичной обмотки.........................1000
Aип.......................................................................................0,1
Ом
Условие проверки:
Zдоп.
Zрасч (5.3)
где Zдоп - допустимое значение 10%-ной
погрешности (опреде ляется по кривым из [2 стр.61]
Zрасч
- расчетное значение 10%-ной кратности тока, опреденное по формуле:
Zрасч
= Iр / I1ном (5.4)
где Iном - номинальный первичный ток ТТ, А; Iном=1000 A;
Iр - расчетный первичный ток для релейной защиты данного типа,
подключенной к проверяемому ТТ. для большинства токовых защит:
I расч = 1,1∙ I сз , А (5.5)
I
сз - ток
срабатывания защиты, берется больший из:
ток срабатывания ускоренной токовой отсечки Iсз УТО = 1300 А;
ток срабатывания первой ступени ДЗ.
выбираем
ток срабатывания первой ступени ДЗ.
расч
= 1,1∙ 3928.6 = 4321.4 А
Для трансформатора ТФЗМ-35А-У1при кратности К max = 4.32 по
кривым предельных кратностей трансформаторов тока из [2] Zдоп. ≈ 15 Ом. Сравниваем его с
расчётным
расч. = 4.32 < Zдоп. ≈ 15
Проверка по 10% погрешности проходит.
.
6. Разработка методики наладки заданной защиты
Проверка устройств электронной защиты фидеров контактной сети можно
осуществить с помощью программы, предназначенной для проверки реле серии УЭЗФМК
и разработанной НПП «Динамика» г. Чебоксары в 2005 г.
Программа Проверка устройств электронной защиты
фидеров контактной сети используется для проверки реле серии УЭЗФМк, УЭЗФМ,
УЭЗФТ, УТБ-70 в автоматическом режиме.
Программа предназначена для автоматизации работ во
время проведения проверки защит фидеров контактной сети.
Программа позволяет:
) настраивать уставки:
§ реле токовой блокировки;
§ реле токовой отсечки;
§ реле сопротивления;
§ реле времени.
2) проверять параметры токовых защит:
§ ток срабатывания;
§ ток возврата;
§ время срабатывания;
§ время токовую характеристику.
3) проверять параметры дистанционных защит:
§ сопротивление срабатывания;
§ время срабатывания;
§ характеристики Z(j),
Z(I), Z(U).
4) настраивать и проверять:
§ устройство загрубления уставок;
§ устройство блокировки от бросков намагничивания.
Богатые возможности программы обеспечивают удобство и
наглядность проверок. Графическое представление характеристик реле тока и
сопротивления, позволяет детально проанализировать работу защиты в аварийных
режимах. Для проверки устройств загрубления уставок и блокировки от бросков
намагничивания, программа моделирует аварийный процесс сложной формы. В
программе используются гибкие настройки параметров испытаний. Все протоколы
проверок сохраняются в архиве и распечатываются на принтере. При настройке
уставок защиты, программа позволяет визуально контролировать срабатывания и
отпадания реле. Простой интерфейс и служба «Помощь» делают программу легкой для
изучения и использования.
Схема
подключения
Общие дискретные входы РЕТОМ объединяются и подключаются к Кл.17 УЭЗФМ.
Сигнальные клеммы дискретных входов РЕТОМ подключаются к контрольным точкам
УЭЗФМ в зависимости от проверяемого модуля.
Протокол
проверки
Результаты проведенных испытаний записываются в протокол, который
сохраняется в архиве. Протокол можно просмотреть на экране и распечатать на
принтере.
До начала проверок задаются параметры и уставки защиты. Для проверки реле
тока и сопротивления задается диапазон изменения тока в кратностях от уставки и
шаг в амперах. Для определения времени срабатывания задается кратность тока от
уставки. Для время-токовой характеристики задается диапазон изменения тока и
шаг в кратностях от уставки. для определения ZСР, ТСР, Z = f(I) и Z = f(U) задается угол проверки.
Для снятия характеристики Z = f(j), Z = f(I) и Z = f(U) в соответствующих полях вводятся
диапазоны изменения угла, тока и напряжения.
В разделе Задание времен ТХХ, ТКЗ, ТП
вводятся временные параметры для приращения тока и Z сопротивления.
Время холостого хода (ТХХ) - задается время до аварийного
режима. Этот параметр предназначен для введения реле в рабочий режим.
Время короткого замыкания (ТКЗ) - длительность тестового
воздействия на реле. Это время выбирается с учетом задержки на срабатывание
реле, плюс небольшого запаса.
Пауза (ТП) - время, во время которого на реле защиты никакого
воздействия со стороны РЕТОМ нет.
В разделе Выбор дискретных входов РЕТОМ для подключения к защите можно
для каждого реле защиты выбрать дискретный вход РЕТОМ.
Алгоритм проверки реле сопротивления
. Определение ZСР
Данная проверка производится на угле j, заданном в Условиях проверки. Поиск
сопротивления срабатывания Zср осуществляется методом
последовательного спуска, начиная с величины 1,2 ZУСТ. в первом проходе поиск производится грубо, с шагом DZ=1,2 ZУСТ/10. Если при Z
произошло срабатывание, вычисляется расчётный шаг по сопротивлению ∆ZРАС = Z*(точность по Z).
После этого происходит возврат на предыдущий шаг и производится повторный поиск
срабатывания с шагом ∆ZРАС. Точность по Z задается в Условиях проверки.
. Построение характеристики Z(j)
На каждом луче, начиная с φНАЧ по jКОН, с шагом φШАГ, производится поиск точек
срабатывания РС. Диапазон изменения угла φШАГ задаются в Условиях проверки. Поиск
идёт методом последовательного спуска. Поиск первой точки на угле φНАЧ начинается со значения Z1=1,2 ZУСТ и идёт с шагом DZ=1,2 ZУСТ/10. Если при сопротивлении Z произошло срабатывание РС, то рассчитывается новый шаг ∆ZРАС = Z*(Точность по Z), -
где (Точность по Z) задана в
Условиях проверки. Происходит возврат программы на предыдущий шаг, и с шагом ∆ZРАС производится поиск сопротивления
срабатывания ZСР. Для каждого последующего угла поиск
начинается со значения 1,2 ZСР и идёт с шагом DZ=1,2 ZСР/10. Снятие характеристики заканчивается нахождением
последней точки на луче φКОН.
На каждом угле производится поиск точек “сверху вниз”
(к нулю) и “снизу вверх” (от нуля), для случаев, если нет четкого срабатывания
в нуле.
. Построение характеристики Z(I)
Данная проверка производится на угле j заданном в Условиях проверки. Для
каждой величины тока, начиная с IНАЧ по IКОН, с шагом Iшаг,
производится поиск точек срабатывания РС. Диапазон изменения тока и шаг
задаются в Условиях проверки.
. Построение характеристики Z(U)
Данная проверка производится на угле j заданном в Условиях проверки. Для
каждой величины тока, начиная с UНАЧ по UКОН, с шагом UШАГ, производится поиск точек
срабатывания РС. Диапазон изменения напряжения и шаг задаются в Условиях
проверки.
Настройка и проверка реле загрубления уставки производится двумя
способами:
. Сначала на защиту выдается ток и напряжение номинального режима. Потом
на токовые входы защиты подается ток основной гармоники, а на входы напряжения
подаются гармонические составляющие (до 5-ой гармоники включительно).
. Сначала на защиту выдается ток и напряжение номинального режима. Потом
на входы напряжения защиты подается напряжение основной гармоники, а на токовые
входы защиты подается ток с гармоническими составляющими (до 5-ой гармоники
включительно).
В режиме настройки фиксируется срабатывание реле и уровень напряжения на
выходном транзисторе реле загрубления уставки. В режиме проверки определяется
срабатывание реле сопротивления. Выберите Режим НАСТРОЙКИ или Режим ПРОВЕРКИ.
Выберите СПОСОБ1 или СПОСОБ2. Введите параметры номинального режима IXX, UXX, fXX, TXX. Ведите параметры аварийного режима:
время выдачи сигнала в секундах, величины основной гармоники. Настройте
гармонические составляющие сигнала: действующее значение, частоту, фазу. По
ссылке Просмотр формы аварийного режима можно проконтролировать форму сигнала.

Заключение
В данном курсовом проекте были выбраны защиты для присоединений
транзитной понизительной подстанции 220/35/27,5 к В.Построены графики
селективности защиты подстанции. Расчитаны уставки защиты фидера контактной
сети. Для реализации выбрана электронная схема защиты УЭФЗМК, состоящая из
дистанционной трехступенчатой защиты, дополненной токовой отсечкой. Это
обеспечивает надежную защиту от коротких замыканий и отстройку от режимов
нормальной работы. Разработаны функциональная и принципиальная схемы защиты.
Изложена современная методика наладки защиты. Произведена проверка
трансформаторов тока по условию 10% погрешности. На приложенных чертежах
приведены однолинейная схема подстанции (приложение1) и принципиальная схема
защиты ( приложение 2).
Список литературы
1. Релейная
защита систем электрической тяги: му по выполнению курсового проекта по дисциплине
«Релейная защита»/Б.Е.Дынькин, П.С.Пинчуков.- Хабаровск: Изд-во ДВГУПС,
2005.-30с.
. Справочник
по электроснабжению железных дорог. Том 1,2./Под ред. К. Г. Марквардта /.-М.:
Транспорт , 1989 г.
. Гримберг-Басин
М. М. Тяговые подстанции: Пособие по дипломному проектированию. - М.: Транспорт
, 1986 г.
. Руководящие
указания по релейной защите систем тягового электроснабжения.-Трансиздат,
1999г. ч.2
. Релейная
защита: Учебник. В 2 ч.3-е изд., перераб. и доп. М.: ГОУ «Учебно-методический
центр по образованию на железнодорожном транспорте»2009.