Определение вида повреждения в распределительной электрической сети с резистивным заземлением нейтрали
Определение вида повреждения в распределительной электрической сети
с резистивным заземлением нейтрали
Реферат
Объектом исследования является распределительная сеть с низкоомным
заземлением нейтрали.
Цель проекта заключается в разработке блок-схемы определения вида
междуфазных замыканий в сети с резистивным заземлением нейтрали.
Установлены следующие индикаторы повреждений:
отсутствие токов обратной последовательности - режимы трёхфазного
короткого замыкания и трёхфазного короткого замыкания на землю;
отсутствие токов нулевой последовательности при присутствии токов
обратной последовательности - режим двухфазного короткого замыкания;
присутствие токов обратной и нулевой последовательности, значение функции
J(U,I)<1,4 - режим
двухфазного короткого замыкания на землю;
присутствие токов обратной и нулевой последовательности, значение функции
J(U,I)>1,4 - режим
двойного короткого замыкания на землю.
Выяснено, что режимы трёхфазного короткого замыкания и трёхфазного
короткого замыкания на землю не имеют различий.
Я, Никитенко Денис Владимирович, подтверждаю, что приведенный в дипломном
проекте расчётно-аналитический материал объективно отражает состояние
разрабатываемой блок-схемы, все заимствованные из литературных и других
источников теоретические и методологические положения и концепции
сопровождаются ссылками на их авторов.
THE ANNOTATION
purpose of present diploma project is the determination of
the form of damage in the distributive electrical net with the resistance
grounding of neutral particle.calculations are produced in the program Matlab
7.11. The block diagram is developed according to the results of the conducted
investigations and the forms of interphase faults are determined.
Оглавление
ВВЕДЕНИЕ
. АНАЛИЗ СХЕМ И КОНСТРУКЦИЙ
РАСПРЕДЕЛИТЕЛЬНЫХ ЭЛЕКТРИЧЕСКИХ СЕТЕЙ
. ПОВРЕЖДЕНИЯ В ВОЗДУШНЫХ
РАСПРЕДЕЛИТЕЛЬНЫХ ЭЛЕКТРИЧЕСКИХ СЕТЯХ
.1 Количество повреждений в
распределительных сетях
НЕОБХОДИМОСТЬ И ТЕХНИЧЕСКИЕ
РЕШЕНИЯ ЗАЗЕМЛЕНИЯ НЕЙТРАЛИ ЧЕРЕЗ РЕЗИСТОР
.1 Варианты заземления через
резистор
.2 Подходы к выбору резистора
.2.1 Снижение уровня
перенапряжений
.2.2 Гарантия работы РЗА
.2.3 Обеспечение
электробезопасности
. РЕЛЕЙНАЯ ЗАЩИТА И
АВТОМАТИКА ЭЛЕКТРИЧЕСКИХ СЕТЕЙ НАПРЯЖЕНИЕМ 10 КВ
.1 Релейная защита от
замыканий на землю
.2 Максимальная токовая
защита
.2.1 Расчёт максимальной
токовой защиты линии 10кВ
. МЕТОДЫ ОПРЕДЕЛЕНИЯ ВИДА И
МЕСТА ПОВРЕЖДЕНИЯ В РАСПРЕДЕЛИТЕЛЬНЫХ ЭЛЕКТРИЧЕСКИХ СЕТЯХ
.1 Классификация методов
определения мест повреждения ВЛ
. СРЕДСТВА ОПРЕДЕЛЕНИЯ ВИДА И
МЕСТА ПОВРЕЖДЕНИЙ В ЭЛЕКТРИЧЕСКИХ СЕТЯХ
. РЕЖИМЫ МЕЖДУФАЗНЫХ
ЗАМЫКАНИЙ В РАСПРЕДЕЛИТЕЛЬНЫХ ЭЛЕКТРИЧЕСКИХ СЕТЯХ С РЕЗИСТИВНЫМ ЗАЗЕМЛЕНИЕМ
НЕЙТРАЛИ
.1 Трёхфазное короткое
замыкание
.2Трёхфазное короткое
замыкание на землю
.3 Двухфазное короткое
замыкание
.4 Двухфазное короткое
замыкание на землю
.5 Двойное замыкание на землю
. СОСТАВЛЕНИЕ РАСЧЁТНОЙ СХЕМЫ
ЭЛЕКТРИЧЕСКОЙ СЕТИ С РЕЗИСТИВНЫМ ЗАЗЕМЛЕНИЕМ НЕЙТРАЛИ
.1 Составление принципиальной
схемы электрической сети
.2 Расчёт параметров расчётной
схемы
.2.1 Трансформатор
ТДН-10000/110
.2.2 Трансформатор ТМ-400/10
. РАСЧЁТ НОРМАЛЬНЫХ И
АВАРИЙНЫХ РЕЖИМОВ СЕТИ
. ТЕХНИКО-ЭКОНОМИЧЕСКАЯ
ОЦЕНКА ЭФФЕКТИВНОСТИ ИСПОЛЬЗОВАНИЯ СРЕДСТВ ПОИСКА ПОВРЕЖДЕНИЯ В ЭЛЕКТРИЧЕСКИХ
СЕТЯХ
. ОХРАНА ТРУДА ПРИ ЭКСПЛУАТАЦИИ
ВОЗДУШНЫХ ЭЛЕКТРИЧЕСКИХ ЛИНИЙ
.1 Требования к работающим в
электроустановках
.2 Оперативное обслуживание и
выполнение работ
.3 Состав бригады при
выполнении работ
.4 Надзор за выполнением
работ
. ЭКОЛОГИЧЕСКИЕ ПРОБЛЕМЫ
СООРУЖЕНИЯ И ЭКСПЛУАТАЦИИ РАСПРЕДЕЛИТЕЛЬНЫХ ЭЛЕКТРИЧЕСКИХ СЕТЕЙ
ЗАКЛЮЧЕНИЕПИСОК
ИСПОЛЬЗОВАННЫХ ИСТОЧНИКОВ
ВВЕДЕНИЕ
Быстрое обнаружение повреждения в сетях электроснабжения является одной
из важных задач по обеспечению бесперебойности потребителей электроэнергией.
Во многих странах мира, в том числе в Республике Беларусь и России,
широко распространена система изолированной нейтрали и система компенсированной
через дугогасящий реактор нейтрали распределительных сетей, достоинством
которых является то, что даже в режиме однофазных замыканий на землю
представляется возможным определенное время осуществлять электроснабжение
потребителей без отключения поврежденного участка сети. Однако это преимущество сопровождается негативными явлениями,
поэтому в Республике Беларусь признано целесообразным модернизировать режим
заземления нейтрали распределительных сетей, перейдя на её заземление через
резистор (резистивная система) или через резистор и дугогасящий реактор
(комбинированная система).
Одной из важных задач специалистов, занимающихся обслуживанием воздушных
линий, является быстрое определение вида и места повреждения.
Целью настоящего дипломного проекта является определение вида повреждения
в распределительной электрической сети с резистивным заземлением нейтрали.
Основное внимание в данном дипломном проекте уделяется разработке
блок-схемы определения вида повреждения.
1. АНАЛИЗ СХЕМ И КОНСТРУКЦИЙ РАСПРЕДЕЛИТЕЛЬНЫХ ЭЛЕКТРИЧЕСКИХ
СЕТЕЙ
Надежность электроснабжения сельских потребителей в значительной мере
зависит от схемы распределительных сетей 6…10кВ, которая предопределяет
возможности резервирования питания нагрузок и эффективность устанавливаемых в
сети коммутационных аппаратов, устройств автоматики, определения места
повреждения и др.
В электрических сетях 6…10кВ промышленных объектов и городов достаточно
широко применяются распределительные пункты (РП), представляющие собой
распределительные устройства указанных напряжений, приближенные к определенным
группам потребителей энергии (ПЭ). На промышленных предприятиях - это цеха с
крупными двигателями 6…10кВ, в городских сетях - это трансформаторные
подстанции (ТП) 6…10/0,38кВ, удаленные от основных источников питания (ИП).
Обоснованиями применения РП являются: сокращение количества ячеек выключателей
6…10кВ на ИП; уменьшение протяженности кабельных линий; упрощение оперативной
эксплуатации распределительных сетей. [1]
В настоящее время РП выполняются при радиальной схеме питающих линий, что
соответствует условиям питания крупных двигателей и районов городской застройки
(6…12МВт). По требованиям надежности электроснабжения РП относятся к
потребителям энергии I
категории. Секционный выключатель на РП оборудован устройством автоматического
включения резерва (АВР) при аварийном отключении одной из секций ИП или одной
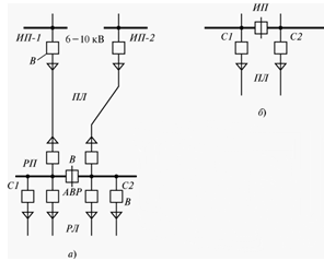
из питающих линий. На рисунке 1.1 изображена принципиальная схема РП. В
распределительных электрических сетях 6…10кВ и 380…660В применяются следующие
основные типы схем: радиальные, магистральные, кольцевые (петлевые) и их
комбинации.
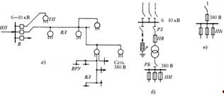
Рисунок 1.1 - Принципиальная схема распределительного пункта:
a -
питающегося от двух источников питания;
б - питающегося от одного источника питания;
ПЛ - питающие линии;
РЛ - распределительные линии;
С1, С2 - секции шин;
В - выключатель
В распределительных электрических сетях 6…10кВ и 380…660В применяются
следующие основные типы схем: радиальные, магистральные, кольцевые (петлевые) и
их комбинации. [4]
При радиальных схемах по каждой линии питается один ПЭ. Линии могут быть
одноцепными или двухцепными в зависимости от требований надежности
электроснабжения конкретных ПЭ, а также от конструктивного выполнения линий. По
одноцепным воздушным линиям могут питаться ПЭ, допускающие перерывы питания на
время ремонта линии и относящиеся к III категории по требованиям ПУЭ к надежности электроснабжения. Ввиду
длительности ремонтных работ после повреждения кабеля (например, в случае
необходимости прогрева грунта в зимнее время) радиальные линии необходимо
выполнять двухцепными при питании ПЭ всех категорий. ПЭ I и II категорий, во всех случаях должны питаться по двухцепным
радиальным линиям. При одноцепных воздушных радиальных линиях 6…10кВ ТП
6…10/0,38кВ выполняются однотрансформаторными в связи с существенно меньшей их
повреждаемостью по сравнению с линиями. При двухцепных радиальных линиях ТП
6…10/0,38…0,66кВ - двухтрансформаторные.
Магистральные линии характеризуются последовательным присоединением к ним
нескольких ПЭ, располагающихся по «одностороннему» направлению относительно ИП.
Приведенные выше сведения о радиальных схемах, о возможностях применения
одноцепных или двухцепных линий, однотрансформаторных или двухтрансформаторных
подстанций 6…10/0,38…0,66кВ полностью относятся и к схемам магистральных линий.
Кольцевые (петлевые) конфигурации схем распределительных электрических
сетей применяются как при воздушных, так и при кабельных линиях. Характерным
для таких электрических сетей 6…10 и 0,38кВ является применение одноцепных
линий, однотрансформаторных подстанций и односекционных распределительных щитов
380В вводов к ПЭ. В связи с замкнутой конфигурацией схем данного типа в
нормальных эксплуатационных режимах сети одна из линий должна быть отключена.
Необходимость такого режима сети определяется невозможностью избирательного
(селективного) отключения поврежденной линии. Последнее определяется
отсутствием (по технико-экономическим соображениям) линейных выключателей в
цепях всех линий, кроме их головных участков, а также практической
невозможностью применения в таких сетях релейных защит направленного действия.
Выбор линии, отключенной в нормальных режимах сети, производится по условиям
потокораспределения, соответствующего минимальным потерям мощности при
наибольших нагрузках ПЭ.
Рисунок 1.2 - Принципиальная схема распределительных электрических сетей
6…10кВ и 380В без резервирования линий и трансформаторов
a -
схема сети в целом;
б - трансформаторная подстанция;
в - вводное распределительное устройство в здание (ВРУ);
ВЛ - воздушные линии;
РЗ - разъединитель;
РБ - рубильник;
ПВ, ПН - соответственно плавкие предохранители 6…10кВ и 380В;
Радиальные и магистральные схемы сетей 6…10кВ и 380В без резервирования
воздушных линий при однотрансформаторных подстанциях 6….10кВ и односекционных
щитах вводных устройств 380В представлены на рисунке 1.2. Данный тип схемы
широко применяется в электроснабжении сельскохозяйственных населенных и
производственных пунктов, относящихся к III категории по требованиям надежности электроснабжения.
Характерными номинальными мощностями трансформаторов 6…10/0,38кВ являются
100…250кВА, реже 60 и 400кВА.
2. ПОВРЕЖДЕНИЯ В ВОЗДУШНЫХ РАСПРЕДЕЛИТЕЛЬНЫХ ЭЛЕКТРИЧЕСКИХ
СЕТЯХ
Линии электропередачи (ЛЭП) - наиболее часто повреждаемые элементы
энергосистемы из-за территориальной рассредоточенности и подверженности влиянию
внешних неблагоприятных условий окружающей среды.
Причины повреждения воздушных ЛЭП:
гололёдно-ветровые нагрузки;
перекрытие изоляции вследствие грозовых разрядов;
повреждение опор и проводов автотранспортом и другими механизмами;
дефекты изготовления опор, проводов, изоляторов;
перекрытие изоляции из-за птиц;
несоответствие опор, проводов, изоляторов климату;
неправильный монтаж опор и проводов, не соблюдение сроков ремонта и
замены оборудования.
Эти причины приводят в основном:
к ослаблению или нарушению механической прочности опор, проводов,
изоляторов;
поломке деталей опор;
коррозии и гниению металлических и деревянных частей;
«пляске» и обрыву проводов.
2.1 Количество повреждений в распределительных сетях
Количество повреждений в распределительных сетях зависит от конструкции
линий, срока их службы и уровня эксплуатации. Данные о повреждениях в воздушных
распределительных сетях в год приведены на примере распределительной сети,
имеющей хороший уровень эксплуатации. [2]
Повреждения в сети за год:
устойчивые повреждения на 100км линий - 6, в том числе: изоляторов - 1.5, проводов - 0.25, опор - 1.5, разъединителей - 1;
повреждения на 100 трансформаторных пунктов - 5, в том числе:
трансформаторов - 2.25, вентильных разрядников - 0.8, перегорание фаз
предохранителей на 100км линий - 0,1.
Распределение повреждений в распределительных сетях:
причины повреждений:
природные воздействия - 45%;
деятельность людей - 35%;
неисправность оборудования - 20%.
место повреждения:
на линиях - 75%;
в ТП - 7,4%;
у абонентов - 17,6%.
Зависимости относительного числа повреждений (q, %) по месяцам, дням недели, часам суток представлены на
рисунках 2.1-2.3.
Рисунок 2.1 - Зависимость q(%)
повреждений по месяцам
Как видно из рисунка 2.1, наибольшее количество повреждений приходится на
июль-август.
Рисунок 2.2 - Зависимость q(%) повреждений по дням недели
Как видно из рисунка 2.2, наибольшее количество повреждений приходится на
четверг.
Рисунок 2.3 - Зависимость q(%) повреждений по часам суток
Как видно из рисунка 2.3, наибольшее количество повреждений приходится на
9-12 часов.
3. НЕОБХОДИМОСТЬ И ТЕХНИЧЕСКИЕ РЕШЕНИЯ ЗАЗЕМЛЕНИЯ НЕЙТРАЛИ
ЧЕРЕЗ РЕЗИСТОР
Во многих странах мира, в том числе в Республике Беларусь и России,
широко распространена система изолированной нейтрали и система компенсированной
через дугогасящий реактор (ДГР) нейтрали сетей 6…35кВ.
Основным достоинством таких систем заземления нейтрали является то, что
даже в режиме однофазных замыканий на землю (ОЗЗ) представляется возможным
определенное время осуществлять электроснабжение потребителей без отключения
поврежденного участка сети. [7]
Однако отмеченное преимущество всегда сопровождается негативными явлениями:
при металлическом ОЗЗ напряжение на неповрежденных фазах повышается до
линейного, что представляет повышенную опасность для изоляции кабельных сетей с
длительным сроком эксплуатации;
возможно возникновение значительных дуговых перенапряжений, которые могут
вызвать переход ОЗЗ в двухфазные и трехфазные замыкания, многоместные
повреждения изоляции;
режим ОЗЗ может приводить к развитию феррорезонансных явлений и
повреждению трансформаторов напряжения - в случае резонансной настройки ДГР,
ОЗЗ сопровождается малыми токами замыкания на землю, что исключает возможность
создания простой, надежной и селективной защиты, способной выявить поврежденные
присоединения;
повышается опасность поражения людей и животных из-за длительного
существования ненормального режима работы электрической сети.
По этим причинам в Республике Беларусь признано целесообразным
модернизировать режим заземления нейтрали сетей 6…35кВ, перейдя на её
заземление через резистор (резистивная система) или через резистор и ДГР
(комбинированная система).
3.1 Варианты заземления через резистор
При ОЗЗ в сетях с заземленной через резистор нейтралью во всех
присоединениях протекают собственные емкостные токи, а в поврежденном
присоединении, кроме того, протекает активный ток, создаваемый резистором. Это
принципиальное отличие позволяет решить две важные задачи:
селективно определить поврежденное присоединение (за счет применения
простых релейных защит, действующих на отключение или сигнал) и незамедлительно
принять меры по устранению повреждения;
существенно ограничить уровень дуговых перенапряжений при ОЗЗ и исключить
феррорезонансные процессы (при этом появляется возможность защиты оборудования
ПС с помощью ОПН с более низким остающимся напряжением при коммутационном
импульсе).
Применяются три варианта заземления нейтрали сетей 6…35 кВ через
резистор: низкоомное, высокоомное и комбинированное.
Низкоомное резистивное заземление нейтрали применяется в случаях, когда
ОЗЗ должно быть селективно отключено в течение минимально возможного времени.
При этом ток в нейтрали должен быть достаточным для работы релейной защиты на
отключение.
Высокоомное резистивное заземление нейтрали целесообразно применять в
случаях, когда сеть должна иметь возможность длительной работы в режиме ОЗЗ до
обнаружения места ОЗЗ. При этом ток в нейтрали должен быть такой величины,
чтобы исключить появление опасных дуговых перенапряжений и снижение
электробезопасности, но быть достаточным для определения поврежденного
присоединения и работы релейной защиты на сигнал.
Комбинированное заземление нейтрали осуществляется путем присоединения
высокоомного резистора параллельно ДГР и позволяет снижать уровень
перенапряжений при неточной настройке ДГР, а также способствует работе на
сигнал релейных защит.
3.2 Подходы к выбору резистора
Выбор типа резистора для заземления нейтрали производится по трем
основным критериям:
резистор должен обеспечивать снижение уровня дуговых перенапряжений;
сопротивление резистора в нейтрали должно гарантировать протекание
активного тока в поврежденном присоединении, достаточного для действия релейных
защит на сигнал или на отключение поврежденного присоединения;
при заземлении нейтрали через резистор должны соблюдаться условия
электробезопасности для людей при ОЗЗ на ПС и РП с учетом существующего
нормирования величины допустимого напряжения прикосновения.
Основной параметр резистора - его активное сопротивление Rр, величина которого выбирается по критерию снижения
уровня перенапряжений и затем может корректироваться по условиям работы
релейной защиты и условию электробезопасности.
3.2.1 Снижение уровня перенапряжений
Аналитически и экспериментально установлено, что наибольшая эффективность
защиты сетей от дуговых перенапряжений достигается при условии, что активная
составляющая тока замыкания Iза, создаваемая резистором, больше
суммарного емкостного тока сети Ic.
3.2.2 Гарантия работы РЗА
Защита от ОЗЗ в сети организуется на всех присоединениях. Устанавливается
максимальная токовая защита нулевой последовательности с действием на
отключение присоединений без выдержки времени при низкоомном резистивном
заземлении нейтрали и с действием на сигнал при высокоомном резистивном
заземлении нейтрали и при комбинированном заземлении нейтрали.
Селективность защит нулевой последовательности присоединений определяется
тем, что активная составляющая тока ОЗЗ протекает только через поврежденное
присоединение.
Тип резистора по критерию работы РЗА выбирается в соответствии с
условием:
Iз > Iс.з.,
(3.1)
где Iз - ток замыкания на землю за вычетом емкостного тока
рассматриваемого присоединения, А;
Iс.з. - максимальный ток уставки защиты
из всех присоединений, А.
Ток уставки защиты Iс.з.
определяется по
выражению:
Iс.з.
= Кн *
Кб * Iсп, (3.2)
где Iсп - первичный емкостный ток нулевой
последовательности, протекающий по рассматриваемому присоединению при ОЗЗ на
данном присоединении, А;
Кн - коэффициент надежности, равный 1,2;
Кб - коэффициент, учитывающий бросок емкостного тока при
дуговых перенапряжениях, который принимается равным: для реле РТЗ-51 - 2…2,5;
для реле РТЗ-50 - 3…4; для реле РТЗ-40 - 4…5; для цифровых терминалов - 1,2.
Общие принципы организации работы РЗА при заземлении нейтрали сетей 6…35
кВ через резистор:
низкоомное резистивное заземление нейтрали производится в случаях, когда
ОЗЗ должно быть селективно отключено за минимально возможное время;
высокоомное резистивное заземление нейтрали и комбинированное заземление
нейтрали выполняются, когда сеть должна иметь возможность длительной работы при
ОЗЗ. Величина сопротивления резистора определяется в основном необходимостью
снижения уровня перенапряжений и обеспечения величины тока ОЗЗ, достаточного
для определения поврежденного присоединения при помощи простых токовых защит,
работающих на сигнал;
при отказе защит по отключению поврежденного присоединения должно быть
выполнено резервное действие защит от ОЗЗ по отключению секции, к которой
присоединено поврежденное присоединение, чтобы исключить перевод сети в режим
изолированной нейтрали и защитить резистор от повреждения;
в сетях с высокоомным заземлением нейтрали предпочтительно применение
цифровых защит, объединенных в локальную сеть, для быстрого определения
поврежденного присоединения.
3.2.3 Обеспечение электробезопасности
На ПС 6…35 кВ, включающих сети с заземленной через резистор нейтралью,
электробезопасность может быть обеспечена на основе действующих рекомендаций
ПУЭ-85 по норме на допустимое сопротивление заземляющего устройства (ЗУ) ПС.
Если выполнить ЗУ по данной норме невозможно, защитные мероприятия при
низкоомном заземлении нейтрали можно осуществить на основе системы нормирования
условий электробезопасности по допустимому напряжению прикосновения. В этом
случае электробезопасность обеспечивается за счет быстрого отключения
поврежденной линии, что позволяет в соответствии с ГОСТ 12.1.038 (таблица 3.1)
принимать для человека повышенные значения напряжения прикосновения по
сравнению с длительным его воздействием.
Таблица 3.1 - Предельно допустимые значения напряжения прикосновения (Uпр.доп)
в электроустановках с изолированной нейтралью напряжением выше 1 кВ переменного
тока частотой 50 Гц (ГОСТ 12.1.038)
|
Uпр.доп., В
|
550
|
340
|
160
|
135
|
120
|
105
|
95
|
85
|
75
|
70
|
60
|
20
|
|
t, с
|
0,05
|
0,1
|
0,2
|
0,3
|
0,4
|
0,5
|
0,6
|
0,7
|
0,8
|
0,9
|
1
|
> 1
|
В Республике Беларусь и в других странах СНГ до настоящего времени в
электрических сетях 6…35кВ применяется система обеспечения условий
электробезопасности на основе нормирования величины сопротивления заземляющего
устройства RЗУ, которая в соответствии с ПУЭ
принимается равной:
RЗУ=UЗУ/Iр≤10Ом, (3.3)
где Iр - расчетный ток замыкания на землю, А;
UЗУ - потенциал ЗУ, который равен: UЗУ=125В при общем ЗУ электроустановок
6…35кВ и 0,38кВ; UЗУ=250В при ЗУ.
Обе указанные системы нормирования параметров электробезопасности сетей
среднего и низкого напряжения по физической сущности должны быть тождественны.
Обосновать эту тождественность можно, введя понятие допустимого
коэффициента напряжения прикосновения aпр.доп,
который характеризует наихудшую степень выравнивания электрических потенциалов
в месте расположения человека при прикосновении его к заземленным частям
электроустановок.
Напряжение прикосновения (Uпр, В) на территории электроустановки
равно:
Uпр = UЗУaпр, aпр ≤ 1, (3.3)
где aпр - коэффициент напряжения
прикосновения, характеризующий степень выравнивания электрических потенциалов с
учетом переходного сопротивления между ногами человека и землей.
Для допустимого напряжения прикосновения и допустимого коэффициента
напряжения прикосновения получим следующие выражения:
Uпр.доп≤UЗУaпр.доп; (3.4)
aпр.доп
≥Uпр.доп /UЗУ≤1. (3.5)
Из этих выражений следует, что при заданном значении потенциала UЗУ (125В, 250В) и заданном значении Uпр.доп коэффициент aпр.доп однозначно связывает указанные выше две системы обеспечения
условий электробезопасности в сетях среднего и низкого напряжения и может
рассматриваться как базовый параметр для оценки той или иной системы заземления
нейтрали сетей 6…35кВ в отношении электробезопасности.
На рисунке 3.1 определены две зоны, характеризующие условия
электробезопасности в электроустановках 0,38…35кВ: зона заземления нейтрали
через низкоомный резистор и зона изолированной нейтрали и нейтрали, заземленной
через высокоомный резистор.
Рисунок 3.1 - Зависимость aпр.доп от времени воздействия
напряжения на человека tв для реального диапазона времени устранения
повреждения
- для случая общего ЗУ электроустановок 6…35 и 0,38кВ;
- для случая ЗУ только электроустановок 6…35кВ
Видно, что величина коэффициента aпр.доп в первой зоне значительно больше, чем во второй зоне.
Коэффициент напряжения прикосновения характеризует степень выравнивания
потенциалов, и его величина непосредственно связана с конструкцией ЗУ: чем
меньше его величина, тем более сложная должна быть конструкция ЗУ и, соответственно, наоборот.
Отсюда следует, что при стандартных конструкциях ЗУ заземление нейтрали
сетей 6…35кВ и 0,38кВ через низкоомный резистор имеет неоспоримое преимущество
перед изолированной нейтралью и нейтралью, заземленной через высокоомный
резистор.
Учитывая это, в энергосистеме РБ переход на резистивную систему
заземления сетей 6…35 кВ начат именно с низкоомного заземления нейтрали.
4. РЕЛЕЙНАЯ ЗАЩИТА И АВТОМАТИКА ЭЛЕКТРИЧЕСКИХ СЕТЕЙ
НАПРЯЖЕНИЕМ 10 КВ
4.1 Релейная защита от замыканий на землю
Наиболее частым видом повреждений в сетях 6…35кВ являются ОЗЗ (75-90% от
общего числа электрических повреждений).
Замыкание фазы на землю в сетях такого
напряжения могут привести к следующим неприятным последствиям:
в сети появляются перенапряжения порядка 2,4…3,5 кратных по сравнению с
фазным;
возможны явления феррорезонанса.
В настоящее время в Республике Беларусь и за рубежом применяются
следующие основные разновидности защит от ОЗЗ:
защиты, измеряющие напряжение нулевой последовательности;
ненаправленные защиты, регистрирующие составляющую промышленной частоты
тока нулевой последовательности;
направленные защиты, реагирующие на составляющие промышленной частоты
тока и напряжения нулевой последовательности;
защиты, фиксирующие «наложенный» ток с частотой, отличной от
промышленной;
защиты, реагирующие на высокочастотные составляющие в токе нулевой
последовательности, возникающие естественным путём;
защиты, реагирующие на составляющие тока и напряжения нулевой
последовательности в переходном процессе ОЗЗ. [10]
4.2 Максимальная токовая защита
Максимальная токовая защита (МТЗ) контролирует ток в защищаемом элементе,
отстраивается от тока нагрузки, и при превышении тока уставки, с выдержкой
времени действует на его отключение. МТЗ является главной, а иногда
единственной защитой линии 6…35кВ. Максимальная токовая защита - это защита с относительной
селективностью, которая не только обеспечивает отключение короткого замыкания
(КЗ) на своей линии, а если позволяет чувствительность, и резервирует
отключение КЗ смежного участка. [5]
На рисунке 4.1 приведена структурная схема трехфазной МТЗ с независимой
от тока выдержкой времени, характеризующая общие принципы выполнения МТЗ при
любой используемой элементной базе.
Рисунок 4.1 - Структурная схема трёхфазной МТЗ:
- измерительная часть;
- логическая часть;
- исполнительный орган
Измерительная часть МТЗ состоит из измерительных органов ИО (в данном
случае токовых реле КА мгновенного действия). В трехфазной схеме ИО
предусматриваются на каждой фазе, они питаются вторичными токами
соответствующих фаз трансформаторов тока (ТТ), соединенных по схеме звезды.
Логическая часть состоит из логического элемента (ЛЭ),
выполняющего функцию ИЛИ (DW), органа времени КТ (обычно одного на три фазы),
создающего выдержку времени t, сигнального реле КН.
Исполнительный орган 3, выполняемый посредством выходного промежуточного
реле KL, или тиристорной схемы, срабатывая, передает команду на отключение
выключателя Q. Исполнительный орган должен обладать мощным выходным сигналом,
достаточным для приведения в действие электромагнита отключения (ЭО) YAТ
привода выключателя.
При возникновении повреждения на защищаемой линии срабатывают токовые
реле тех фаз, по которым проходит ток КЗ. При этом у электромеханических реле
замыкаются контакты, у статических - появляется выходное напряжение (сигнал)
соответствующего уровня (логическая 1 или логический 0).
Сработавшие ИО воздействуют через логический элемент ИЛИ на орган времени
КТ, который по истечении заданной выдержки времени выдает сигнал, приводящий в
действие исполнительный орган KL. Последний срабатывает и подает напряжение от
источника оперативного тока в электромагнит отключения выключателя YAT. После
отключения повреждения ток короткого замыкания (КЗ) прекращается, измерительные
органы и все элементы РЗ возвращаются в исходное состояние. Для успешного
размыкания тока, проходящего по ЭО (YAT), контактами промежуточного реле KL
после отключения КЗ в цепи отключения на приводе выключателя предусматривается
блокировочный вспомогательный контакт (БК) SQ. При включенном выключателе SQ
замкнут и размыкается при отключении выключателя Q, разрывая цепь тока
электромагнита отключения YAT. [9]
4.2.1 Расчёт максимальной токовой защиты линии 10кВ
Ток при трехфазном КЗ в точке К3 IК= 3861,6А.
Ток
в нормальном режиме
= 138,26А.
Ток
срабатывания защиты:
. (4.1)
Приняв
предварительно коэффициент трансформации трансформаторов тока, например nт=50/5 получаем ток срабатывания реле:
. (4.2)
Ближайшая уставка на реле
PT-40/50 равна 30А. При этой уставке ток срабатывания
защиты:
. (4.3)
Коэффициент
чувствительности в основной зоне защиты по выражению равен:
. (4.4)
Условие
обеспечения достаточной чувствительности МТЗ выполняется.
5. МЕТОДЫ ОПРЕДЕЛЕНИЯ ВИДА И МЕСТА ПОВРЕЖДЕНИЯ В
РАСПРЕДЕЛИТЕЛЬНЫХ ЭЛЕКТРИЧЕСКИХ СЕТЯХ
Определение мест повреждения (ОМП) воздушных линий напряжением 10кВ и
выше с помощью фиксирующих приборов (индикаторов) стало неотъемлемой частью
технического обслуживания электрических сетей. По данным энергосистем
оснащенность ВЛ напряжением 10кВ и выше указанными приборами в большинстве из
них составила более 90% протяженности ВЛ длиной 20км и больше. Другой
показатель - среднее линейное отклонение на рассматриваемый период составил
около 5% длины ВЛ. Эффективность поиска мест повреждения ВЛ при неустойчивых
коротких замыканиях составила около 40% проверенных при обходе ВЛ с таким повреждением.
5.1 Классификация методов определения мест повреждения ВЛ
Существующие методы ОМП по параметрам аварийного режима с учетом
различных признаков подразделяются на:
методы на основе двусторонних (многосторонних) и односторонних измерений
параметров;
методы на основе измерений симметричных составляющих токов и напряжений и
их сочетаний.
Определение мест повреждения на основе двусторонних измерений выполняется
расчетным путем либо графически. Расчет производится вручную с использованием
простейших вычислительных средств либо на базе ЭВМ. В последнем случае
применяются специальные или универсальные программы. Возможно также определение
мест КЗ с помощью таблиц, составленных на основе предварительно выполненных
расчетов для отдельных ВЛ.
При одностороннем измерении параметров наиболее эффективным является
использование фиксирующих омметров, показания которых соответствуют расстоянию
до места КЗ. Они измеряют расстояние при всех видах КЗ в километрах.
Использование односторонних измерений тока (напряжения) возможно в качестве
дополнительного метода на линиях с двусторонним питанием при отсутствии данных
измерений на одном из концов, а также на тупиковых ВЛ при отсутствии
фиксирующих омметров.
В энергосистемах широко применяются методы ОМП с использованием
составляющих тока и напряжения нулевой последовательности. Реже используются
токи и напряжения обратной последовательности.
Широкое распространение методов с использованием параметров нулевой
последовательности объясняется высоким удельным весом всех видов КЗ на землю,
простотой измерения токов и напряжений нулевой последовательности,
независимостью сопротивления сетей, примыкающих к ВЛ, от нагрузки. Кроме того,
при усреднении параметров в общем случае несимметричной ВЛ погрешность ОМП на
основе составляющих нулевой последовательности не превышает 1,5… 2% длины линии
.
Методы ОМП, основанные на измерении параметров обратной
последовательности, несмотря на более высокую погрешность расчета (4…6% длины
ВЛ), следует применять в оптимальном сочетании с другими методами. Они
позволяют определять место повреждения как при однофазных, так и при двухфазных
КЗ. Методы ОМП на основе измерений параметров обратной последовательности
необходимо применять в следующих случаях:
на воздушных линиях со сложной электромагнитной связью при расчете
расстояния вручную. Применение параметров обратной последовательности
целесообразно и при использовании ЭВМ в целях упрощения алгоритма ОМП;
на воздушных линиях с подстанциями на ответвлениях от них при отсутствии
на этих подстанциях фиксирующих приборов, когда пренебрежение токами нулевой
последовательности ответвлений приводит к недопустимой погрешности ОМП (более
2%). В то же время пренебрежение токами обратной последовательности практически
не снижает точности расчета;
при необходимости определения мест повреждения на основе односторонних
измерений, а также и в сочетании с двусторонними измерениями параметров нулевой
последовательности либо без них;
в дополнение к другим методам для повышения достоверности и точности ОМП
для всех видов ВЛ.
Использование тех или иных методов ОМП в каждом конкретном случае должно
быть и обосновано расчетным путем в целях обеспечения максимальной
эффективности определения мест КЗ с учетом вида воздушной линии и ее
электромагнитной и электрической связи с другими элементами сети. Предпочтение
следует отдавать тем методам, которые обеспечивают для данных фиксирующих
приборов и имеющихся средств вычислительной техники высокую точность и
достоверность расчета. [6]
Кроме того, следует стремиться к максимально возможной автоматизации
процесса определения мест повреждения.
6. СРЕДСТВА ОПРЕДЕЛЕНИЯ ВИДА И МЕСТА ПОВРЕЖДЕНИЙ В
ЭЛЕКТРИЧЕСКИХ СЕТЯХ
Устройства ОМП предназначены для ускорения отыскания и ликвидации
междуфазных коротких замыканий и замыканий на землю.
Устройства ОМП ВЛ 6…20кВ могут быть классифицированы по следующим
основный признакам:
по назначению:
для отыскания мест междуфазных повреждений;
для отыскания мест замыканий на землю;
по способу
применения:
стационарные;
переносные;
по месту применения:
дистанционные, устанавливаемые, как правило, на питающей подстанции для
определения расстояния до места повреждения;
топографические (трассовые), устанавливаемые или перемещаемые вдоль
трассы линии для определения поврежденного участка или места повреждения.
Для отыскания мест междуфазных повреждений применяются стационарные,
дистанционные и топографические устройства. В качестве дистанционных могут быть
использованы:
фиксирующие приборы обратной последовательности, определяющие токи
(напряжения) обратной последовательности при КЗ; расстояние до места
повреждения определяется сравнением зафиксированных величин с предварительно
рассчитанными значениями токов (напряжений) КЗ в различных точках сети;
омметры, измеряющие сопротивление петли КЗ; омметры могут показывать
расстояние до места повреждения непосредственно в километрах.
В связи с разветвленностью сети дистанционные устройства ОМП во многих
случаях не позволяют однозначно определить место повреждения. Для уточнения
поврежденного участка применяются топографические устройства, называемые
указателями поврежденного участка, которые устанавливаются в этом случае, как
правило, на ответвлениях. Указатели срабатывают при превышении током в линии
заданной уставки.
Указатели поврежденного участка широко применяются и без дистанционных
устройств ОМП. В этом случае они устанавливаются как на ответвлениях, так и на
магистральной части линии.
Для отыскания мест однофазных замыканий на землю применяются, главным
образом переносные топографические устройства (приборы), реагирующие на высшие
гармонические составляющие магнитного поля тока (или тока и напряжения) нулевой
последовательности, измеряемые вблизи линий при замыкании на землю. Эти
устройства позволяют определить поврежденную линию, поврежденное ответвление и
место замыкания путем проведения ряда последовательных измерений.
Дополнительно к переносным устройствам могут применяться устанавливаемые
на подстанции устройства селективной сигнализации, определяющие поврежденную
линию при замыканиях на землю.
Отыскание мест повреждений производится персоналом
ОВБ, обслуживающей данный участок электрической сети, по распоряжению
диспетчера РЭС (ПЭС). При необходимости к этой работе может быть привлечен
эксплуатационный персонал участка.
При междуфазных повреждениях и наличии на питающей
подстанции дистанционного устройства ОМП поиск повреждения начинается с
определения расстояния до места повреждения по показаниям этого устройства.
Если из-за разветвленности ВЛ место повреждения
однозначно не определяется, поврежденное ответвление определяют по состоянию
указателей поврежденного участка, ближайших к предполагаемому месту
повреждения. При отсутствии дистанционного устройства поврежденный участок
определяется поочередной проверкой состояния указателей.
При однофазных замыканиях на землю сначала с помощью
переносных устройств (или устройств селективной сигнализации) определяется
поврежденная линия. Затем определяется место повреждения на линии путем
последовательных измерений в соответствии с указаниями заводской инструкции.
Во всех случаях отыскания мест повреждений необходимо
строгое соблюдение правил техники безопасности и указаний заводских инструкций
по технике безопасности при работе с устройствами ОМП.
Принцип определения места замыкания на землю в
разветвленной сети иллюстрируется схемой (рисунок 6.1), состоящей из линий W1,
W2, W3 и W4. При замыкании в точке К через место повреждения протекают
емкостные токи нулевой последовательности, замыкающиеся через распределенные
емкости линий, представленные сосредоточенными емкостями С1, С2, С3, С4’ и С4”.
Распределение этих токов в линиях сети показано эпюрами.
Рисунок 6.1 Схема сети и эпюры показаний переносного прибора в различных
ее участках
Величины токов, растекающихся по линии W4 влево (I04`) и
вправо (I04") от места замыкания пропорциональны суммарным
емкостям на землю:
I04`=k(C4’+C1+C2+C3)
; (6.1)04”=k(C4”), (6.2)
где k -
коэффициент пропорциональности.
Наибольший уровень емкостных токов нулевой
последовательности имеет место в поврежденной линии до места замыкания, после
которого уровень этих токов резко уменьшается.
Применение переносных приборов, реагирующих на
магнитные поля основной частоты (50 Гц), затруднено вследствие значительного
влияния на измерения рабочих токов линий. Поэтому при поиске мест замыканий на
землю используют приборы, реагирующие на высшие гармонические составляющие
магнитного поля токов нулевой последовательности. В этом случае влияние токов
нагрузки на результаты измерения существенно меньше.
7. РЕЖИМЫ
МЕЖДУФАЗНЫХ ЗАМЫКАНИЙ В РАСПРЕДЕЛИТЕЛЬНЫХ ЭЛЕКТРИЧЕСКИХ СЕТЯХ С РЕЗИСТИВНЫМ
ЗАЗЕМЛЕНИЕМ НЕЙТРАЛИ
Короткое замыкание в электроустановке - всякое случайное или
преднамеренное, не предусмотренное нормальным режимом работы, электрическое
соединение различных точек (фаз) электроустановки между собой или с землей, при
котором токи в ветвях электроустановки, примыкающих к месту его возникновения,
резко возрастают, превышая наибольший допустимый ток продолжительного режима.
Основными причинами, вызывающими повреждения на линиях, являются
перекрытия изоляции во время грозы, схлестывание и обрывы проводов при
гололеде, набросы, перекрытия загрязненной и увлажненной изоляции, ошибки
персонала и др. [3]
7.1 Трёхфазное короткое замыкание
Трёхфазное короткое замыкание (рисунок 7.1) - короткое замыкание между
тремя фазами в трехфазной электроэнергетической системе.
Рисунок 7.1 - Трёхфазное короткое замыкание
Векторная диаграмма для данного режима изображена на рисунке 7.2.
Рисунок 7.2 - Векторная диаграмма токов и напряжений на ПС при трёхфазном
коротком замыкании в точке К3
7.2 Трёхфазное короткое замыкание на землю
Трехфазное короткое замыкание на землю (рисунок 7.3) - короткое замыкание
на землю в трехфазной электроэнергетической системе с глухо или эффективно
заземленными нейтралями силовых элементов, при котором с землей соединяются три
фазы.
Рисунок 7.3 - Трёхфазное короткое замыкание на землю
Этот вид повреждения практически не отличается от трёхфазного короткого
замыкания.
7.3 Двухфазное короткое замыкание
Двухфазное короткое замыкание (рисунок 7.4) - короткое замыкание между
двумя фазами в трехфазной электроэнергетической системе.
Рисунок 7.4 - Двухфазное короткое замыкание
Векторная диаграмма для данного режима изображена на рисунке 7.5.
Рисунок 7.5 - Векторная диаграмма токов и напряжений на ПС при двухфазном коротком замыкании в точке К3
7.4 Двухфазное короткое замыкание на землю
Двухфазное короткое замыкание на землю (рисунок 7.6) - короткое замыкание
на землю в трехфазной электроэнергетической системе с глухо или эффективно
заземленными нейтралями силовых элементов, при котором с землей соединяются две
фазы.
Рисунок 7.6 - Двухфазное короткое замыкание на землю
Векторная диаграмма для данного режима изображена на рисунке 7.7.
Рисунок 7.7 - Векторная диаграмма токов и напряжений на ПС при двухфазном
коротком замыкании в точке К3
7.5 Двойное замыкание на землю
Двойное короткое замыкание на землю (рисунок 7.8) - короткое замыкание на
землю двух разных фаз в трехфазной электроэнергетической системе в разных, но
электрически связанных между собой точках.
Рисунок 7.8 - Двойное короткое замыкание на землю
Векторная диаграмма для данного режима изображена на рисунке 7.9.
Рисунок 7.9 - Векторная диаграмма токов и напряжений на ПС при двойном
замыкании на землю в точках K1 и K3
8. СОСТАВЛЕНИЕ РАСЧЁТНОЙ СХЕМЫ ЭЛЕКТРИЧЕСКОЙ СЕТИ С РЕЗИСТИВНЫМ
ЗАЗЕМЛЕНИЕМ НЕЙТРАЛИ
.1 Составление принципиальной схемы электрической сети
Проанализировав схему ПС “Южная”, была выбрана среднестатистическая линия
c 4-мя распределительными
трансформаторами ТМ-400/10 (соединение обмоток ∆-11/Yg), питающими нагрузки 400кВА,
проводом марки АС-50, трансформатором на ПС ТДН-10000/110 (соединение обмоток Yg/Yg). Принципиальная схема сети изображена на рисунке 8.1
Рисунок 8.1- Принципиальная схема электрической сети
Считая, что в нашей сети обеспечена необходимая степень резервирования и
автоматизации распределительных электрических сетей, систем электроснабжения и
технологических процессов, было выбрано низкоомное сопротивление заземления
нейтрали с возможностью отключения поврежденных участков сети. Сопротивление
заземления нейтрали было выбрано 10 Ом, позволяющее селективно отключить
однофазное замыкание на землю (ОЗЗ) в течение минимально возможного времени.
Суммарный емкостной ток сети Ic=0,37 А, ток, создаваемый резистором в нейтрали при ОЗЗ через переходное
сопротивление 100 Ом в точке K4 Iза=65 А. Iза≥ Ic, Iза > Iс.з - условия выполняются.
8.2 Расчёт параметров расчётной схемы
Параметры провода АС-50 рассчитывались в элементе Matlab PowerGui. Полученные результаты изображены на
рисунке 8.2.
[8]
Рисунок 8.2 - Параметры провода АС-50
Параметры схемы замещения для любого трансформатора можно определить по
данным опытов холостого хода (ХХ) и КЗ. Параметры ветви намагничивания
определяются по результатам опыта ХХ. В этом опыте размыкается вторичная
обмотка, а к первичной подводится номинальное напряжение. Трансформатор
потребляет в этом режиме только мощность, равную потерям холостого хода. На
рисунке 8.3 изображена схема замещения трансформатора для режима ХХ.
Рисунок 8.3 - Схема замещения трансформатора для режима ХХ
В опыте КЗ вторичная обмотка трансформатора замкнута накоротко, а
подводимое к первичной обмотке напряжение подбирается таким образом, чтобы ток
обмотки трансформатора был равен Uном.
Схема замещения трансформатора в режиме КЗ представлена на рисунке 8.4.
Рисунок 8.4 - Схема замещения трансформатора для режима КЗ
Здесь
суммарное значение активных сопротивлений (
)
обозначают rk и называют активным сопротивлением КЗ, а (
) - индуктивным сопротивлением КЗ xk.
8.2.1 Трансформатор ТДН-10000/110
Каталожные данные трансформатора ТДН-10000/110: U1н=110кВ, U2н=10кВ, Sн=10000кВА, Iх=0,9%, Pх=15,5кВт, Uk=10,5%, Pk=60кВт.
Расчёт параметров схемы замещения:
номинальный ток первичной обмотки трансформатора:
; (8.1)
фазный ток первичной обмотки трансформатора при соединении по схеме
"звезда":
; (8.2)
фазное напряжение первичной обмотки при соединении по схеме
"звезда":
; (8.3)
; (8.4)
мощность потерь холостого хода на фазу:
, (8.5)
где m - число фаз первичной обмотки трансформатора;
полное сопротивление ветви намагничивания:
; (8.6)
- активное сопротивление ветви намагничивания:
; (8.7)
реактивное сопротивление цепи намагничивания:
; (8.8)
индуктивность
цепи намагничивания:
; (8.9)
фазный коэффициент трансформации трансформатора:
; (8.10)
- фазное напряжение КЗ:
; (8.11)
полное
сопротивление КЗ:
; (8.12)
- мощность потерь КЗ на фазу:
; (8.13)
активное сопротивление КЗ:
; (8.14)
индуктивное сопротивление КЗ:
; (8.15)
индуктивность:
; (8.16)
Обычно принимают схему замещения симметричной, полагая:
,
; (8.17)
; (8.18)
, (8.18)
где
r1, L1 -
активное сопротивление и индуктивность первичной обмотки трансформатора;2’,L2’
-приведённое активное сопротивление и индуктивность вторичной обмотки
трансформатора.
.2.2 Трансформатор ТМ-400/10
Каталожные данные трансформатора ТМ-400/10: U1н=10кВ, U2н=0,4кВ, Sн=400кВА, Iх=2,1%, Pх=0,92кВт, Uk=4,5%, Pk=5,5кВт.
Группа соединений обмоток трансформатора ∆-11/Yg.
Для определения параметров схемы замещения трансформатора необходимо
рассчитать:
номинальный ток первичной обмотки трансформатора:
;
фазный ток первичной обмотки трансформатора при соединении по схеме
"треугольник":
;
- фазное напряжение первичной обмотки при соединении по схеме
"треугольник":
;
- фазный ток холостого хода трансформатора:
;
- мощность потерь холостого хода на фазу:
,
где m - число фаз первичной обмотки
трансформатора;
полное сопротивление ветви намагничивания:
;
активное сопротивление ветви намагничивания:
;
реактивное сопротивление цепи намагничивания:
;
индуктивность
цепи намагничивания:
;
фазный коэффициент трансформации трансформатора:
;
- фазное напряжение КЗ:
;
полное
сопротивление КЗ:
;
мощность потерь КЗ на фазу:
;
активное сопротивление КЗ:
;
индуктивное сопротивление КЗ:
;
индуктивность:
;
Обычно принимают схему замещения симметричной, полагая:
,
;
;
.
В качестве источника напряжения был выбран идеальный источник (напряжение
на зажимах которого не зависит от величины протекающего
через него тока) напряжением 110кВ (рисунок 8.5). Внутреннее сопротивление
идеального источника напряжения было принято равным нулю.
Рисунок 8.5 - Параметры источника напряжения
По результатам расчётов была составлена расчётная схема сети (рисунок
8.6).
Рисунок 8.6 - Расчётная схема электрической сети
9. РАСЧЁТ НОРМАЛЬНЫХ И АВАРИЙНЫХ РЕЖИМОВ СЕТИ
Все расчёты производились в программе Matlab. Измерялись следующие величины на шинах 10кВ
подстанции:
амплитуды и фазы фазных токов и напряжений;
амплитуды и фазы токов напряжений прямой, обратной и нулевой
последовательностей.
Нормальный режим характеризуется напряжением U=8073,15В, током I=138,28А. Расчёт аварийных режимов производился в относительных единицах.
Для упрощения расчёта базовые величины были выбраны таким образом, чтобы в
нормальном режимы все фазные токи и напряжения в относительных единицах (о.е.)
были равными единице. Для этого базисную мощность задали равной:
; (9.1)
Рассчитывались
следующие аварийные режимы:
трёхфазное
короткое замыкание (1);
трёхфазное
короткое замыкание на землю (Rg=0,001 Ом) (2);
двухфазное
короткое замыкание (3);
двухфазное
короткое замыкание на землю (Rg=0,001 Ом) (4);
двухфазное
короткое замыкание на землю (Rg =100 Ом) (5);
двойное
короткое замыкание на землю (Rg=0,001 Ом) (6);
двойное
короткое замыкание на землю (Rg1=0,001
Ом, Rg2=100 Ом)
(7);
двойное
короткое замыкание на землю (Rg=100 Ом) (8).
Моделирование
КЗ осуществлялось с помощью элемента 3-Phase
Fault (рисунок 9.1), представляющего трёхфазное устройство,
замыкающее фазы между собой и на землю. Величина сопротивления заземления
устанавливается равной Rg=1МОм, если замыкание на землю не задано в окне
параметра блока, величина сопротивления Ron=0,001Ом.
Рисунок 9.1- Схема элемента 3-Phase Fault
Таблица 9.1 - Амплитуды и фазы фазных токов и напряжений
Таблица 9.2 - Амплитуды и фазы токов и напряжений прямой, обратной и
нулевой последовательностей
В таблицах 9.1-9.2 изображены результаты измерений. Трёхфазное короткое
замыкание и трёхфазное короткое замыкание на землю легко определить по
отсутствию тока обратной последовательности I2, двухфазное короткое замыкание - по отсутствию тока нулевой
последовательности I0 при наличии тока обратной
последовательности I2. Режимы двухфазного короткого
замыкания на землю и двойного замыкания характеризуются наличием токов обратной
I2 и нулевой последовательности I0.
При расчёте были приняты следующие допущения:
при двухфазных замыканиях замыкались между собой фазы A и B;
при двойных замыканиях в первой точке замыкалась на землю фаза A, во второй - фаза B.
Это позволило получить следующее соотношение Ia≥ Ib≥ Ic, характерное практически для всех
режимов КЗ.
Таблица 9.3 - Амплитуды и фазы фазных токов и напряжений при двухфазном
коротком замыкании на землю в точке K4 и двойном коротком замыкании на землю в точках K3 и K4
Таблица 9.4 - Амплитуды и фазы токов и напряжений прямой, обратной и
нулевой последовательностей при двухфазном коротком замыкании на землю в точке
K4 и двойном коротком замыкании на землю в точках K3 и K4
Как видно из таблиц 9.3-9.4 отличить двухфазное короткое замыкание на
землю от двойного замыкания на землю по одному параметру (току или напряжению)
невозможно.
По результатам расчётов были определены отличительные особенности режима
двухфазного короткого замыкания на землю и режима двойного замыкания на землю:
режим двухфазного короткого замыкания на землю:
токи в фазах A и B не равны между собой, но отличаются
друг от друга незначительно;
напряжения в фазах A и B не равны между собой;
ток и напряжение в фазе A
больше тока и напряжения в фазе B;
при увеличении сопротивления замыкания на землю:
токи фаз A и B уменьшаются незначительно;
токи и напряжения прямой последовательности уменьшаются незначительно,
токи и напряжения обратной последовательности увеличиваются незначительно, токи
и напряжения нулевой последовательности уменьшаются в значительной мере;
режим двойного замыкания на землю:
токи в фазах A и B не равны между собой, и отличаются
друг от друга в зависимости от соотношения сопротивления замыкания на землю в
местах повреждений;
напряжения в фазах A и B не равны между собой;
ток в фазе A больше тока в
фазе B, но напряжение в фазе A меньше напряжения в фазе B;
при увеличении сопротивления замыкания на землю:
токи и напряжения прямой, обратной и нулевой последовательностей
уменьшаются в значительной мере.
На основе этих особенностей были разработаны две экспериментальные
формулы:

; (9.2)

(9.3)
Первая
формула характеризует малую разницу в токах фаз A и B при
двухфазном коротком замыкании на землю, вторая - отношения Ua≥Ub, Ia≥Ib при двухфазном коротком замыкании на землю.
Для
большей точности введём в расчёт новую точку K2.
Таблица
9.5 - Значение функций F(I), G(U,I) для сопротивлений заземления Rg=0,001/1/3Ом
Таблица 9.6 - Значение функций F(I), G(U,I) для сопротивлений заземления Rg=10/50/100Ом
Проанализировав таблицы 9.5-9.6, были получены следующие особенности
режимов КЗ:
для режима двухфазного короткого замыкания на землю:
F(I)≤1,1;
G(U,I)<1;
для режима двойного короткого замыкания на землю:
- F(I)>1,1 и G(U,I)>1 при Imax≥min
(Iкз(1,1)),
где Imax - максимальный из токов фаз A и B;
min (Iкз(1,1)) - минимальный из всех возможных
токов двухфазных коротких замыканий на землю (равен
току двухфазного короткого замыкания в конце линии). По результатам расчётов min (Iкз(1,1))=8,01о.е.=8,01Iн.
Максимальное значение функции max(F(I))=1,1 для режима двухфазного короткого замыкания на землю
было получено при КЗ в начале линии (точка K1).
Т.о., для того, чтобы различить двухфазное короткое замыкание на землю от
двойного замыкания на землю необходимо рассчитать:
ток двухфазного короткого замыкания в конце линии;
значение функции F(I) при двухфазном коротком замыкании
на землю без переходного сопротивления (Rg=0,001Ом) в начале линии.
Рисунок 9.2 - Блок-схема определения двухфазного короткого замыкания на
землю и двойного замыкания на землю для рассматриваемой сети.
На основе полученных результатов была построена блок-схема определения
двухфазного короткого замыкания на землю и двойного замыкания на землю для
рассматриваемой сети (рисунок 9.2). Использование полученной блок-схемы
затруднено необходимостью заранее вычислять 3 граничных значения.
Используя особенность, что при увеличении
сопротивления замыкания на землю в режиме двухфазного короткого замыкания на
землю токи и напряжения обратной последовательности увеличиваются
незначительно, а в режиме двойного короткого замыкания на землю токи и
напряжения обратной последовательности уменьшаются в значительной мере, была
предпринята попытка исследования воздействия на функции F(I), G(U,I) соотношения I1/I2.
Были разработаны две экспериментальные формулы:

; (9.4)

. (9.5)
Результаты
измерений изображены в таблицах 9.7-9.8.
Таблица
9.7 - Значение функций H(I), J(U,I) для сопротивлений заземления 0,001/1/3Ом
Таблица 9.8 - Значение функций H(I), J(U,I) для сопротивлений заземления
10/50/100Ом
Проанализировав таблицы 9.7-9.8, были получены следующие особенности
режимов КЗ:
для режима двухфазного короткого замыкания на землю:
J(U,I)≤1,22;
для режима двойного короткого замыкания на землю:
J(U,I)≥1,58.
В качестве граничного значения было принято значение функции J(U,I)=1,4.
На основе полученных результатов были построены:
блок-схема определения вида междуфазных замыканий для рассматриваемой
сети (рисунок 9.3).
зависимость функции J(U,I) от сопротивления заземления Rg (рисунок 9.4).
Как видно из рисунка 9.4 рассматривать режимы с Rg>100Ом не имеет смысла, так как
графики режимов двухфазного КЗ на землю и двойного КЗ на землю расходятся.
Рисунок 9.3 - Блок-схема определения вида междуфазных повреждений
рассматриваемой сети
Рисунок 9.4 - Зависимость функции J(U,I) от сопротивления Rg
Для точки K3 были построены
осциллограммы следующих режимов:
трёхфазное короткое замыкание (рисунки 9.5-9.8);
двухфазное
короткое замыкание (рисунки 9.9-9.12);
двухфазное короткое замыкание на землю (Rg=0,001Ом) (рисунки 9.13-9.16);
двойное замыкание на землю точек K1 и K3 (Rg=0,001Ом) (рисунки 9.17-9.20).
Рисунок 9.5 - Фазные напряжения на ПС при КЗ(3)
Рисунок 9.6 - Токи фаз на ПС при КЗ(3)
Рисунок 9.7 - Напряжения последовательностей на ПС при КЗ(3)
Рисунок 9.8 -Токи последовательностей на ПС при КЗ(3)
Рисунок 9.9 - Фазные напряжения на ПС при КЗ(2)
Рисунок 9.10 - Токи фаз на ПС при КЗ(2)
Рисунок 9.11 - Напряжения последовательностей на ПС при КЗ(2)
Рисунок 9.12 -Токи последовательностей на ПС при КЗ(2)
Рисунок 9.15 - Напряжения последовательностей на ПС при КЗ(1,1)
Рисунок 9.16 -Токи последовательностей на ПС при КЗ(1,1)
Рисунок 9.17 - Фазные напряжения на ПС при КЗ(1+1)
Рисунок 9.18 - Токи фаз на ПС при КЗ(1+1)
Рисунок 9.19 - Напряжения последовательностей на ПС при КЗ(1+1)
Рисунок 9.20 -Токи последовательностей на ПС при КЗ(1+1)
10. ТЕХНИКО-ЭКОНОМИЧЕСКАЯ ОЦЕНКА ЭФФЕКТИВНОСТИ ИСПОЛЬЗОВАНИЯ
СРЕДСТВ ПОИСКА ПОВРЕЖДЕНИЯ В ЭЛЕКТРИЧЕСКИХ СЕТЯХ
Основными экономическими показателями являются первоначальные
(капитальные) вложения и ежегодные (текущие) расходы. Кроме того очень важна
оценка ущерба, возникающего в случае, если происходит недоотпуск энергии
потребителям.
Принцип действия переносных приборов, используемых в электрических сетях
напряжением 10кВ, основан на измерении высших гармонических составляющих тока
замыкания на землю. Значительно больший уровень гармоник в спектре токов
замыкания на землю по сравнению с токами нагрузки обеспечивает эффективное
действие этих приборов.
В Барановичских электрических сетях 10кВ получили распространение прибор
УПП-10М. Устройство поиска повреждений типа УПП-10М предназначено для
применения в воздушных и кабельных электрических сетях до 10кВ
оперативно-выездными бригадами для ускорения выявления аварийных линий или их
участков при наличии коротких замыканий на землю. Устройство УПП-10М позволяет исключить пробные включения на возможное
короткое замыкание, опасное для оборудования и персонала, особенно в сетях с
большими токами коротких замыканий.
Для определения затрат на приобретение средств поиска повреждений в
распределительных электрических сетях составляется смета-спецификация в которой
приводится перечень всех необходимых средств, их техническая характеристика,
количество, цена единицы приобретаемого прибора.
Затраты предприятия на устранение повреждения имеют вид:
З1 = Зтр + Ззп + Зм + Унедоотп, (9.1)
где Зтр - транспортные расходы, связанные с амортизацией
техники и стоимостью топлива;
Ззп - расходы на заработную плату электротехническому
персоналу;
Унедоотп - ущерб от недоотпуска электроэнергии потребителю.
Эта величина включает в себя две составляющие: ущерб из-за аварийного нарушения
электроснабжения и ущерб из-за плановых простоев и вычисляется по формуле:
Унедоотп = Уав + Уп. (9.2)
Однако в нашем случае, для расчета стоимости устранения разового
повреждения плановые отключения в расчет не принимаем.
Для исследуемой сети примем, что суммарная наибольшая нагрузка
нормального режима Рнб= 1280 кВт; средняя нагрузка РП Рср= 320кВт,средняя длина
линии Lлин = 1,5 км; Количество часов работы
в году Т = 8760 ч. Удельный годовой ущерб от недоотпуска электроэнергии Уо= 2,0
у.е./кВт. Стоимость электроэнергии 0,02 у.е./кВт.
Уав = Wотп
Tнедоотп/Т, (9.3)
где Тнедоотп - время недоотпуска электроэнергии за год;
Т - количество часов работы в году;
Тнедоотп = Тпоиска + Тустр, (9.4)
где Тпоиска - среднее время поиска повреждения;
Тустр - среднее время устранения повреждения.
Таким образом, с учетом установленных средств поиска места повреждения
затраты предприятия примут вид:
З2
= Кзак(1 + ро) 
+ Зтр + Ззп + Зм + Унедоотп, (9.5)
где
Кзак - капитальные затраты на установку средства поиска места
повреждения;
ро
- коэффициент отчислений,связанные с эксплуатацией и ремонтом установленного
оборудования.Примем ро = 0.1;
Nоткл -
прогнозируемое число аварийных отключений за расчетный период амортизации:
Nоткл = Nгод
* Та, (9.6)
где
Nгод - среднее число годовых аварийных отключений;
Та
- срок амортизации.
Таким
образом, условие эффективности применения средств поиска места повреждения
будет иметь вид:
З2
- З1 < 0. (9.7)
Проведем
расчет целесообразности установки средства поиска места повреждения для
исследуемой сети:
для
сети без установленного средства поиска места повреждения и без использования
средств поиска поврежденного участка:
З1
= Зтр + Ззп + Зм + Унедоотп. (9.8)
Транспортные
расходы примем среднестатистическими, полученными в ходе преддипломной практики
и равными:
Зтр
= 550
тыс.руб.
Расходы
на заработную плату электротехническому персоналу:
Ззп
= 4*(5+4,2)*23=846,4 тыс.руб.
Стоимость
затраченных на ликвидацию повреждения материалов:
Зм
= 150 тыс.руб.
Ущерб
от недоотпуска электроэнергии потребителю:
Унедоотп
= Wнедоотп * Уо
= ((1280+320)/2)*(5+4,2)*2*5000 = 73 600 тыс.руб.
З1
= 550 + 846,4 + 150 + 73 600 = 75 146 тыс.руб.
для
сети с установленным средством поиска места повреждения
Расчет
проведем для оценки целесообразности установки прибора ФИП и закупки устройства
УПП 10М.
Срок
амортизации приборов примем равным сроку службы - 25 лет для прибора ФИП и 5
лет для устройства УПП 10М.
З2
= Кзат(1 + ро) 
+ Зтр + Ззп + Зм + Унедоотп;
Кзат1
= 5 100 тыс.руб; Кзат2 = 285 тыс.руб;
Nоткл1 =
0,51*1,7*25 = 21 откл;
Nоткл2 =
0,51*1,7*5 = 4,2 откл.
Уменьшение
транспортных расходов связано с уменьшением времени поиска повреждения. Примем
транспортные расходы на 40% меньше, чем без средств поиска места повреждения:
Зтр
= 550*0,6 = 330 тыс.руб.
Расходы
на заработную плату электротехническому персоналу уменьшатся в связи с
отсутствием необходимости искать место повреждения в рабочее время:
Ззп
= 4*(0,5+4,2)*23=432,4 тыс.руб.
Стоимость
затраченных на ликвидацию повреждения материалов:
Зм
= 150 тыс.руб.
Ущерб
от недоотпуска электроэнергии потребителю уменьшится в связи с уменьшением
затрат времени на поиск места повреждения:
Унедоотп
= Wнедоотп *
Уо = ((1280+320)/2)*(0,5+4,2)*2*5000 =7 600тыс.руб;
З2
= 5100*1,1/21 +285*1,1/4,2 + 330+ 432,4 + 150 + 37600= 38854тыс.руб;
З2
- З1 = 38854 - 75146 = -36292 тыс.руб < 0.
Таким
образом, на основе проведенного расчета при заданных среднестатистических
показателях установка прибора ФИП и закупка устройства поиска места повреждения
УПП 10М целесообразна. Срок окупаемости капитальных вложений равен:
Ток
= 
= (5100
+ 285)/36292*0.51 = 4 месяца.
11. ОХРАНА ТРУДА ПРИ ЭКСПЛУАТАЦИИ
ВОЗДУШНЫХ ЭЛЕКТРИЧЕСКИХ ЛИНИЙ
Охрана труда представляет собой систему обеспечения безопасности жизни и
здоровья работников в процессе трудовой деятельности. Охрана труда выявляет и
изучает возможные причины производственных несчастных случаев, профессиональных
заболеваний, аварий, взрывов, пожаров и разрабатывает систему мероприятий и
требований с целью устранения этих причин и создания, безопасных и
благоприятных для человека условий труда. С вопросами охраны труда неразрывно
связанно и решение вопросов охраны природы. Сложность стоящих перед охраной
труда задач требует использования достижений и выводов многих научных
дисциплин, прямо или косвенно связанных с задачами создания здоровых и
безопасных условий труда. Так как главным объектом охраны труда является
человек в процессе труда, то при разработке требований производственной
санитарии используются результаты исследований ряда медицинских и биологических
дисциплин. [13]
11.1 Требования к работающим в электроустановках
Эксплуатацию электроустановок должен осуществлять специально подготовленный
электротехнический персонал.
Электротехнический персонал организации подразделяется на:
административно-технический, организующий и принимающий непосредственное
участие в оперативных переключениях, ремонтных, монтажных и наладочных работах
в электроустановках. Этот персонал имеет права оперативного, ремонтного или
оперативно-ремонтного;
оперативный, осуществляющий оперативное управление электрохозяйством
организации, структурного подразделения, а также оперативное обслуживание
электроустановок (осмотр, проведение работ в порядке текущей эксплуатации,
проведение оперативных переключений, подготовку рабочего места, допуск и надзор
за работающими);
ремонтный, выполняющий все виды работ по ремонту, реконструкции и монтажу
электрооборудования. К этой категории относится также персонал
специализированных служб (испытательных лабораторий, служб автоматики и
контрольно-измерительных приборов и так далее), в обязанности которого входит
проведение испытаний, измерений, наладки и регулировки электроаппаратуры и тому
подобное;
оперативно-ремонтный - ремонтный персонал, специально обученный и
подготовленный для выполнения оперативных работ на закрепленных за ним
установках.
Персонал организации, осуществляющий эксплуатацию электротехнологических
установок (электросварка, электролиз, электротермия и тому подобное), а также
сложного энергонасыщенного производственно-технологического оборудования, при
работе которого требуется постоянное техническое обслуживание и регулировка
электроаппаратуры, электроприводов, ручных электрических машин, переносных и
передвижных электроприемников, переносного электроинструмента, имеющий группу
по электробезопасности II и выше, является электротехнологическим. В своих
правах и обязанностях электротехнологический персонал приравнивается к электротехническому
и подчиняется в техническом отношении энергослужбе организации.
Электротехническому персоналу, имеющему группу по электробезопасности II
- V включительно, предъявляются следующие требования:
лица, не достигшие 18-летнего возраста, не могут быть допущены к
самостоятельным работам в электроустановках;
лица из электротехнического персонала не должны иметь увечий и болезней
(стойкой формы), мешающих работе в электроустановках;
лица из электротехнического персонала после соответствующей теоретической
и практической подготовки должны пройти проверку знаний по вопросам охраны
труда в объеме требований, определяемых профессией и занимаемой должностью, и
иметь удостоверение о проверке знаний по охране труда при работе в
электроустановках (далее - удостоверение). При отсутствии удостоверения либо
при наличии удостоверения с истекшим сроком проверки знаний, а также при не
прохождении в установленный срок медицинского осмотра работник к работе не
допускается.
распоряжением по организации, для рабочих - распоряжением по структурному
подразделению.
Периодическая проверка знаний по вопросам охраны труда должна
производиться в следующие сроки:
1 раз в год - для электротехнического персонала, непосредственно
обслуживающего действующие электроустановки или производящего в них наладочные,
электромонтажные, ремонтные работы или профилактические испытания, а также для
персонала, оформляющего наряды, распоряжения и организующего эти работы;
1 раз в 3 года - для инженерно-технических работников, не относящихся к предыдущей
группе.
Работающие в электроустановках должны быть обучены практическим приемам
освобождения потерпевшего от действия электрического тока, оказанию доврачебной
помощи потерпевшим при несчастных случаях. [11]
11.2 Оперативное обслуживание и выполнение работ
Оперативное обслуживание электроустановок может осуществляться
оперативно-ремонтным персоналом, за которым закреплена данная электроустановка,
и оперативно-выездным персоналом, за которым закреплена группа
электроустановок.
Осмотр электроустановок может выполнять единолично:
оперативно-ремонтный персонал, обслуживающий данную электроустановку,
имеющий группу по электробезопасности не ниже III для электроустановок до 1000В
и группу по электробезопасности IV для электроустановок выше 1000 В;
административно-технический персонал, имеющий группу по
электробезопасности V в электроустановках напряжением выше 1000В и имеющий
группу по электробезопасности IV в электроустановках напряжением до 1000В.
Право единоличного осмотра электроустановок административно-техническому
персоналу предоставляется приказом или распоряжением руководителя организации
либо распоряжением лица, ответственного за электрохозяйство.
Осмотр электроустановок неэлектротехническим персоналом и экскурсии при
наличии разрешения руководства организации могут проводиться под надзором
работающего, имеющего право единоличного осмотра.
Персоналу, имеющему право единоличного осмотра, при осмотре
электроустановок напряжением до 1000В разрешается открывать двери щитов,
сборок, пультов управления и других устройств без прикосновения к открытым
токоведущим частям.
При осмотре электроустановок напряжением выше 1000В единолично
запрещается открывать двери помещений, камер ячеек, не оборудованных
ограждениями или барьерами, препятствующими приближению менее допустимого
расстояния до токоведущих частей, находящихся под напряжением.
Камеры ячейки в РУ следует осматривать через смотровые окна с порога или
стоя перед барьером.
Во время осмотра запрещается выполнять какие-либо работы, проникать за
ограждения и барьеры.
При замыкании на землю в электроустановках напряжением 6…35кВ
приближаться к обнаруженному месту замыкания на расстояние менее 4м в ЗРУ и
менее 8м в ОРУ и на ВЛ допускается только для освобождения людей, попавших под
напряжение. При этом обязательно следует пользоваться электрозащитными
средствами.
Операции с разъединителями, отделителями, выключателями нагрузки
напряжением выше 1000В с ручными приводами необходимо выполнять в
электроизолирующих перчатках и ботах.
При снятии и установке предохранителей под напряжением необходимо
пользоваться в:
электроустановках напряжением выше 1000В - электроизолирующими клещами
(штангами), перчатками, средствами индивидуальной защиты лица и глаз, а также
специальными приспособлениями к штангам при замене предохранителей с земли;
электроустановках напряжением до 1000В - электроизолирующими клещами или
перчатками и средствами индивидуальной защиты лица и глаз.
Под напряжением без нагрузки допускается снимать и устанавливать
предохранители на мачтовых и столбовых подстанциях, а также на присоединениях,
в схеме которых отсутствуют коммутационные аппараты, позволяющие снять
напряжение.
Под нагрузкой допускается заменять предохранители во вторичных цепях,
предохранители трансформаторов напряжения и предохранители пробочного типа в
электроустановках напряжением до 1000В.
Двери помещений электроустановок, камер, щитов и сборок, кроме тех, в
которых выполняются работы, должны быть закрыты на замки.
Порядок хранения и выдачи ключей от помещений электроустановок определяется
приказом или распоряжением руководителя организации.
Для каждого помещения электроустановки должно быть не менее двух
комплектов ключей, один из которых является резервным. Ключи от помещений
электроустановок должны находиться на учете у оперативно-ремонтного персонала.
В электроустановках без оперативно-ремонтного персонала ключи могут быть
на учете у административно-технического персонала.
Ключи должны быть пронумерованы, храниться в запирающихся ящиках и
выдаваться под расписку:
работающим, имеющим право единоличного осмотра, - от всех помещений;
при выполнении работ по наряду или по распоряжению - производителю работ
(наблюдающему) - от помещений, в которых выполняются работы.
11.3 Состав бригады при выполнении работ
Численность бригады и ее состав должны определяться с учетом квалификации
работающих, группы по электробезопасности, условий выполнения работы и
возможности обеспечения надзора за членами бригады производителем работ или
наблюдающим.
Член бригады, работающий по наряду, должен иметь группу по
электробезопасности не ниже III.
В бригаду на каждого работающего, имеющего группу по электробезопасности
III, допускается включать одного работника с группой по электробезопасности II,
но общее число членов бригады с группой по электробезопасности II не должно
превышать трех.
Оперативно-ремонтный персонал по разрешению вышестоящего оперативного
персонала может быть привлечен к работе в ремонтной бригаде с записью в
оперативном журнале и оформлением в наряде.
Изменять состав бригады разрешается лицу, выдававшему наряд, или другому
работнику, имеющему право выдачи нарядов на работу в данной электроустановке.
Указания об изменениях состава бригады могут быть переданы по телефону,
радиосвязи или с нарочным допускающему, руководителю или производителю работ,
который в наряде за своей подписью записывает фамилию и инициалы работника,
давшего указание об изменении.
Производитель работ (наблюдающий) проводит целевой инструктаж введенным в
состав бригады работающим. Проведение инструктажа оформляется подписями производителя
работ (наблюдающего) и работающих в таблице 3 наряда с указанием даты и
времени.
При замене руководителя или производителя работ, а также изменении
состава бригады более чем наполовину от первоначального состава наряд должен
быть выписан заново.
11.4 Надзор за выполнением работ
После допуска к работе надзор за соблюдением членами бригады требований
охраны труда возлагается на производителя работ (наблюдающего), который обязан
так организовать свою работу, чтобы вести контроль за членами бригады, находясь
по возможности на том участке рабочего места, где выполняется наиболее опасная
работа.
При необходимости временного ухода с рабочего места производитель работ
(наблюдающий), если его не могут заменить руководитель работ, допускающий или
работник, имеющий право выдачи нарядов в данной электроустановке, обязан
вывести бригаду с места работы (с выводом ее из РУ и закрытием входных дверей
на замок, со спуском работающих с опоры ВЛ и тому подобное).
В случаях подмены производителя работ (наблюдающего) он обязан на время
своего отсутствия передать наряд работнику, его заменившему.
При необходимости в электроустановках до 1000В при работах по
распоряжению допускается временный уход производителя работ. В этом случае
разрешается оставаться на рабочем месте и продолжать работу одному или
нескольким членам бригады, имеющим группу по электробезопасности III.
В электроустановках напряжением выше 1000В запрещается оставаться одному
производителю работ (наблюдающему) или членам бригады без производителя работ
(наблюдающего).
Исключением могут быть следующие виды работ:
регулировка выключателей, разъединителей, приводы которых вынесены в
другие помещения;
монтаж, проверка вторичных цепей, устройств защиты, электроавтоматики,
сигнализации, измерений, связи и другие;
прокладка силовых и контрольных кабелей;
испытания электрооборудования с подачей повышенного напряжения, когда
необходимо осуществлять наблюдение за испытываемым оборудованием и
предупреждать посторонних лиц об опасности приближения к нему.
С разрешения производителя работ допускается временный уход с рабочего
места одного или нескольких членов бригады. При этом не требуется выводить их
из состава бригады. В электроустановках напряжением выше 1000В число членов
бригады, оставшихся на рабочем месте, должно быть не менее двух, включая
производителя работ.
Члены бригады, имеющие группы по электробезопасности III - IV, могут
самостоятельно выходить из РУ и возвращаться на рабочее место, имеющие группу
по электробезопасности II, - только в сопровождении члена бригады, имеющего
группу по электробезопасности III - IV, или работника, имеющего право
единоличного осмотра электроустановок.
Возвратившиеся члены бригады могут приступить к работе только с
разрешения производителя работ. До их возвращения производитель работ не имеет
права покидать рабочее место, если помещение, в котором находится
электроустановка, нельзя закрыть на замок. [12]
12. ЭКОЛОГИЧЕСКИЕ ПРОБЛЕМЫ СООРУЖЕНИЯ И ЭКСПЛУАТАЦИИ
РАСПРЕДЕЛИТЕЛЬНЫХ ЭЛЕКТРИЧЕСКИХ СЕТЕЙ
Энергетика - это та отрасль производства, которая развивается невиданно
быстрыми темпами. Если численность населения в условиях современного
демографического взрыва удваивается за 40-50 лет, то в производстве и
потреблении энергии это происходит через каждые 12-15 лет. При таком соотношении
темпов роста населения и энергетики, энерговооруженность лавинообразно
увеличивается не только в суммарном выражении, но и в расчете на душу
населения.
Нет основания ожидать, что темпы производства и потребления энергии в
ближайшей перспективе существенно изменятся (некоторое замедление их в
промышленно развитых странах компенсируется ростом энерговооруженности стран
третьего мира), поэтому важно получить ответы на следующие вопросы:
какое влияние на биосферу и отдельные ее элементы оказывают основные виды
современной (тепловой, водной, атомной) энергетики и как будет изменяться
соотношение этих видов в энергетическом балансе в ближайшей и отдаленной
перспективе;
можно ли уменьшить отрицательное воздействие на среду современных
(традиционных) методов получения и использования энергии;
каковы возможности производства энергии за счет альтернативных
(нетрадиционных) ресурсов, таких как энергия солнца, ветра, термальных вод и
других источников, которые относятся к неисчерпаемым и экологически чистым.
В настоящее время энергетические потребности обеспечиваются в основном за
счет трех видов энергоресурсов: органического топлива, воды и атомного ядра.
Энергия воды и атомная энергия используются человеком после превращения ее в
электрическую энергию. В то же время значительное количество энергии,
заключенной в органическом топливе, используется в виде тепловой и только часть
ее превращается в электрическую. Однако и в том и в другом случае высвобождение
энергии из органического топлива связано с его сжиганием, следовательно, и с
поступлением продуктов горения в окружающую среду.
В Барановичском сельском РЭС просеки и
земли выделяются под распределительные линии электропередач напряжением 10кВ.
Также по территории района проходят линии 35, 110 и 330кВ, которые также имеют
зону отчуждения земли.
замыкание
электрический сеть распределительный
ЗАКЛЮЧЕНИЕ
В ходе данного дипломного проекта
рассмотрены распределительная сеть с низкоомным заземлением нейтрали. Для
исследования выбрана магистральная схема сети с односторонним питанием.
Все расчёты произведены в программе Matlab 7.11.
Выполнены расчёты в нормальных режимах и в режимах междуфазных замыканий.
По результатам проведенных исследований переходных процессов разработана
блок-схема и определены виды междуфазных замыканий. В качестве анализируемой
информации использовались фазные токи и напряжения, токи и напряжения прямой,
обратной и нулевой последовательностей. Установлены следующие индикаторы
повреждений:
отсутствие токов обратной последовательности - режимы трёхфазного
короткого замыкания и трёхфазного короткого замыкания на землю;
отсутствие токов нулевой последовательности при присутствии токов
обратной последовательности - режим двухфазного короткого замыкания;
присутствие токов обратной и нулевой последовательности, значение функции
J(U,I)<1,4 - режим
двухфазного короткого замыкания на землю;
присутствие токов обратной и нулевой последовательности, значение функции
J(U,I)>1,4 - режим
двойного короткого замыкания на землю.
Отличить режим трёхфазного короткого замыкания от режима трёхфазного
короткого замыкания на землю не удалось.
В дипломном проекте выполнен расчёт максимальной токовой защиты,
проведена технико-экономическая оценка эффективности использования средств
поиска повреждений в электрических сетях. Срок оккупаемости средства поиска
составляет 4 месяца.
CПИСОК
ИСПОЛЬЗОВАННЫХ ИСТОЧНИКОВ
1. Федин
В.Т., Фадеева Г.А. Проектирование распределительных
электрических сетей. - Мн.: Вышэйшая школа, 2009. - 368 с.
. Савоськин
Н.Е. Надёжность электрических систем: Учебное
пособие. - Пенза: ПГУ, 2004. -101с.
. Силюк С. М.
Электромагнитные переходные процессы в электроэнергетических системах: Метод.
пособие. - Мн.: БНТУ, 2004.-104 с.
. Строев
В.А., Бурман А.П. Основы современной энергетики: Курс лекций. - М.: МЭИ, 2003.
- 454 с.
. Кузнецов
А.П. Определение мест повреждения на воздушных линиях электропередачи. - М.:
Энергоатомиздат, 1988. - 140c.
. Лихачев
Ф.А. Замыкания на землю в сетях с изолированной нейтралью и с компенсацией
емкостных токов. - М.: Энергия, 1974. - 152 с.
. Черных И.В.
Моделирование электротехнических устройств в MATLAB, SimPowerSystems и Simulink 2008 г. - СПб.: Питер, 2008. - 288c.
. Шабад М.А.
Максимальная токовая защита. - Л.: Энергоатомиздат. Ле-нингр. отд-ние,1991. -
96c.
. Шалин А.И.
Релейная защита от замыканий на землю в сетях с резистивным заземлением
нейтрали . - М.: Энергия, 2003. - 25с.
. Правила
техники безопасности при эксплуатации электроустановок / Минэнерго СССР - 4-е
изд., перераб. и доп. - М.: Энергоатомиздат, 1990 - 325 с.: ил.
. Охрана
труда в энергетической отрасли: Учебник/ А.М. Лазаренков, Л.П. Филянович, Мн.:
БНТУ, 2006. - 582с.
. Охрана
труда: Учебник/ А.М. Лазаренков, Мн.: БНТУ, 2004. - 497с.