Низковольтное комплектное устройство для управления и защиты асинхронного двигателя

  • Вид работы:
    Курсовая работа (т)
  • Предмет:
    Физика
  • Язык:
    Русский
    ,
    Формат файла:
    MS Word
    123,28 Кб
  • Опубликовано:
    2012-06-05
Вы можете узнать стоимость помощи в написании студенческой работы.
Помощь в написании работы, которую точно примут!

Низковольтное комплектное устройство для управления и защиты асинхронного двигателя

Содержание

Задание

Данные по курсовому проекту

Радиальная схема электроснабжения

Схема нагрузки

. Предварительные расчеты цепи питания асинхронного двигателя

.1 Расчет параметров трансформатора

.2 Расчет токов линии с асинхронным двигателем

.3 Выбор сечения и тип кабелей, соединяющих потребителей с питающим трансформатором

.4 Расчет сопротивлений и токов короткого замыкания

. Выбор электрических аппаратов управления защиты

2.1 Анализ общей схемы электроустановки

2.2 Выбор аппаратов защиты и управления

2.2.1 Выбор автоматического выключателя Q1

.2.2 Выбор автоматического выключателя Q2

.2.3 Выбор нижестоящих автоматических выключателей

.3.1 Выбор контактора КМ

.3.2 Выбор аппарата защиты в цепь управления

.3.3 Выбор кнопок управления

.3.4 Выбор клемм (зажимов)

.3.5 Выбор навесного корпуса щита

Формула заказа

Задание

1.      Предварительные расчеты:

1.1    Рассчитать параметры трансформатора

1.2    Рассчитать токи линии с асинхронным двигателем

.3      Выбрать сечение и тип кабелей, соединяющих потребителей с питающим трансформатором

.4      Рассчитать токи короткого замыкания и сопротивления кабелей

.5      Проверить условия падения напряжения на контакторе

2.      Выбор электрических аппаратов управления и защиты

2.1    Составить задание для выбора аппаратов, используемых в схеме управления двигателем и защиты линий

2.2    Провести выбор аппаратов по промышленным каталогам изделий.

Необходимо выбрать: аппараты, входящие в схему пуска двигателя (контактор или магнитный пускатель, тепловое реле, предохранитель цепи управления, кнопки), вводной автоматический выключатель на стороне низкого напряжения трансформатора и аппараты защиты отходящих линий (автоматические выключатели, УЗО, АВДТ), а также корпус НКУ и зажимы для ввода и вывода кабелей.

2.3    Провести проверку всех выбранных аппаратов.

2.4    Составить заказную спецификацию.

.5      Построить карту селективности защит выбранных выключателей.

3.      Конструкторская часть проекта:

3.1    Разместить выбранные аппараты в НКУ с учетом их габаритных и установочных размеров.

3.2    Выполнить схему соединений силовых цепей аппаратов и цепей управления. Провести маркировку проводов согласно заданной принципиальной схеме.

Данные к курсовому проекту

Параметры

Значения

Номер варианта

11

Мощность питающего трансформатора Sном, кВА

400

Напряжение КЗ, uк %

5

Номинальное линейное напряжение Uном.л, В

380

Материал кабеля

Cu

Потери в меди, Pcu, кВт

4,6

Длины соединительных кабелей, м

l0

40


l1

25


l2-l7

10

Номинальные токи нагрузки,A

I2-I4

9


I5-I7

5

Тип

А132М6

КПД двигателя, %

84,5

Номинальная мощность, РНОМ, кВт

7,5

Коэффициент мощности cos φ

0,77

Кратность пускового тока двигателя - ki

6,5



Рис. 1. Радиальная схема электроснабжения

Рис. 2. Вариант нагрузки

асинхронный двигатель электроустановка низковольтный

1. Предварительные расчеты цепи питания асинхронного двигателя

.1 Расчет параметров трансформатора

Полное сопротивление трансформатора Zтр:

Zтр=  мОм.

Номинальный ток трансформатора Iном.тр.:         

Iном.тр.= А.

Активное сопротивление трансформатора rтр.:

тр.= мОм.

Реактивное сопротивление трансформатора х:

= мОм.

Ток короткого замыкания (КЗ) на зажимах трансформатора Iкз.тр.:

= А.

1.2 Расчет токов линии с асинхронным двигателем

Номинальный ток двигателя:

,

где Pном - номинальная мощность двигателя; Uном.л - номинальное линейное напряжение на обмотке статора; h - коэффициент полезного действия при номинальном моменте на валу двигателя; cosj - коэффициент мощности.

 A.

Пусковой ток двигателя:

,

где  - кратность пускового тока двигателя


Ударный пусковой ток двигателя (амплитудное значение):

,



1.3 Выбор сечения и тип кабелей, соединяющих потребителей с питающим трансформатором

Выбор сечения кабелей низкого напряжения, соединяющих электродвигатель с питающим трансформатором, по номинальному напряжению и току надо вести, учитывая, что длительно допустимый ток кабеля должен быть на 20 % больше номинального тока линии. Сечение PEN проводника выбирать равным фазному.

Ток в кабеле l0:

 = =17,513+9+5=31,513 А.

 =1,2* =1,2*31,513=37,185 А.

Ток в кабеле l1:

 =1,2* =1,2*17,513=21,02 А

Ток кабелей l2 - l4:

 =1,2* =1,2*9=10,8 А

Ток кабелей l5 - l7:

 =1,2* =1,2*5=6 А

.4 Расчет токов короткого замыкания (КЗ) и сопротивлений кабелей

Сопротивление кабеля:

,

где lк - длина соединительного кабеля.

Таблица параметров кабелей

Номер кабеля Параметр

0

PEN0

1

PEN1

2-4

PEN2-4

5-7

PEN5-7

Длина кабеля L, м

30

30

25

25

10

10

10

10

Номинальный ток  нагрузки кабеля In, A

31,5

31,5

17,5

17,5

9

9

5

5

Длительно допустимый ток кабеля Iд.д., A

55

55

35

35

19

19

19

19

Материал

Cu

Cu

Cu

Cu

Cu

Cu

Cu

Cu

Количество жил

3

1

3

1

1

1

1

1

Сечение S, мм2

10

10

4

4

1,5

1,5

1,5

1,5

Удельное активное  сопротивление rуд.т., мОм/м

2,31

2,31

5,75

5,75

15,3

15,3

15,3

15,3

Удельное реактивное  сопротивление xуд, мОм/м

0,08

0,08

0,091

0,091

0,104

0,104

0,104

0,104

Активное сопротивление  r = rуд.т. ´ l, мОм

92,4

 92,4

143,75

143,75

153

153

153

153

Реактивное сопротивление  x= xуд ´ l, мОм

3,2

3,2

2,275

2,275

1,04

1,04

1,04

1,04


Суммарные сопротивления составляют:

активное: ,

реактивное: ,

c и xс - приведенные активное и индуктивное сопротивления энергосистемы (принимаем равным rc=0,1 мОм и xс=0,6 мОм);пк - переходное сопротивление контактов в местах соединения (принимаем равным 15 мОм).

, ,

где r и x - соответственно активное и индуктивное сопротивления нулевой последовательности трансформатора; r и x - активное и индуктивное сопротивления кабелей, (r = rк и x = xк); rн.п и xн.п. - активное и индуктивное сопротивления нулевого проводника, (находится также как и сопротивление кабеля).


Ток трехфазного КЗ:

 

Ток однофазного КЗ:


Трехфазные токи короткого замыкания:

. Определение тока трехфазного короткого замыкания в точке 1:


. Определение тока трехфазного короткого замыкания в точке 2:


Однофазные токи короткого замыкания:

а) Для точки 1:


б) Для точки 2:


в) Для точки 3:


Таблица 3. Сводные данные о токах в различных точках схемы

токи точки

0

1

2

3

60731,517,595






--114--






--209,2--






-37,81521,0210,86






12154,81941857-





-1096450434







2. Выбор электрических аппаратов управления и защиты

.1.Провести анализ общей схемы электроустановки. Составить перечень аппаратов и задание для их выбора


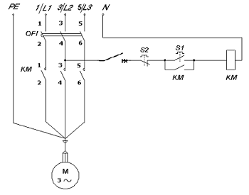
Схема защиты и управления пуском короткозамкнутого асинхронного двигателя включает в себя:

автоматический выключатель QF1. Он должен осуществлять защиту от коротких замыканий в цепях статора, т.е. ток отсечки Iотс=Kкр*Iном<Iкз, где Kкр - коэффициент кратности; Iном - номинальный ток электромагнитного расцепителя должен быть больше номинального тока АД; Iкз - ток короткого замыкания; а также защиту от длительных перегрузок, т.е. номинальный ток теплового расцепителя автоматического выключателя должен быть меньше длительно допустимого тока защищаемого кабеля. Предельная коммутационная способность должна быть больше тока трехфазного КЗ. QF1 должен иметь категорию применения АС3 и работать при номинальном напряжении в 380В.

контактор КМ. Предназначен для пуска, остановки. При выборе контактора необходимо соблюдать следующие правила: напряжение сети должно быть меньше или равно рабочему напряжению контактора; номинальный рабочий ток контактора должен быть больше или равен номинальному току запускаемого двигателя; число полюсов должно быть достаточным для коммутации. Выбранный контактор должен осуществлять запуск асинхронного двигателя, а также его отключение без предварительной остановки (торможения). Контактор должен иметь категорию применения АС3. Время срабатывания теплового реле должно лежать в заданных условиях пуска двигателя 1.5tп>=tср>tп.

автоматический выключатель QF2. Автоматический выключатель служит для защиты от КЗ цепи управления. Он выбирается по номинальному току цепи управления. Питание цепи управления осуществляется от одной фазы и нулевого провода, поэтому установлен один автоматический выключатель.

дифференциальный модуль FD2-4. Служит для защиты, во-первых, от КЗ нагрузки, т.к. в него входит автоматический выключатель, во-вторых, от токов утечки, которые могут возникнуть при касании корпуса рабочей части объекта, на котором стоит дифференциальный модуль.

автоматический выключатель QF5-7. Служит для защиты от КЗ нагрузки.

.2 Выбор аппаратов защиты и управления

.2.1 Выбор автоматического выключателя Q1

Необходимые характеристики:

а) род тока АС;

б) номинальное напряжение выключателя (Uном.выкл≥Uном.нагр = 380 В);

в) число главных контактов = 3;

г) номинальный ток выключателя (Iном.Q0>Iном.тр = 607А);

д) ток срабатывания выключателя (Iсраб.о< Iкз);

е) отключающая способность выключателя (Icu Q0>Iкз.тр(3) = 12154 А).

Предварительный выбор: автоматический выключатель Schneider Electric Compact NSX630F с электронным расцепителем защиты Micrologic 5.3 A

Проверка:

Сеть

Аппарат

Номинальное напряжение

380 В

Номинальное напряжение

690 В

Число полюсов

3

=

Число полюсов

3

Номинальный ток нагрузки

607 А

Номинальный ток

630 А

12154 А>Iсраб.о=10xIн 6300 А





12154 А<Отключающая способность, Iсu36 кА






Для обеспечения селективности установим время задержки отключения 0,2 с.

Вывод: автоматический выключатель Schneider Electric Compact NSX630F полностью подходит для условий эксплуатации.

.2.2 Выбор автоматического выключателя Q2

Необходимые характеристики:

а) род тока АС;

б) номинальное напряжение выключателя (Uном.выкл>Uном.нагр = 380 В);

в) число главных контактов = 3;

г) номинальный ток выключателя (Iном.Q2>Iном.т1 = 32 А);

д) ток срабатывания выключателя (Iсраб.о< Iкз.т1(1)=1096 А);

е) отключающая способность выключателя (Icu Q2>Iкз(3) = 1941 А).

Предварительный выбор: автоматический выключатель Schneider Electric Compact NSX100F с электронным расцепителем защиты Micrologic 5.2 A

Проверка:

Сеть

Аппарат

Номинальное напряжение

380 В

Номинальное напряжение

400 В

Число полюсов

3

=

Число полюсов

3

Номинальный ток нагрузки

31 А

Номинальный ток

100(50) А

Длительно допустимый ток кабеля

55 А



1096А>Iсраб.о=10xIн500 А





1941 А<Отключающая способность, Iсu7,5 кА






Для обеспечения селективности установим: tr=4 с и tsd=0,1 c

Вывод: автоматический выключатель Schneider Electric Compact NSX100F подходит под условия эксплуатации.

.2.3. Выбор нижестоящих автоматических выключателей

) Выбор автоматического выключателя QF1:

а) род тока АС;

б) номинальное напряжение выключателя (Uном.выкл>Uном.нагр = 380 В);

в) число главных контактов = 3;

г) исполнение расцепителя - с защитой в зоне КЗ и перегрузки

д) номинальный ток выключателя (Iном.Q1>Iном.нагр. = 18А);

е);

ж) беспрепятственное обеспечение пуска двигателя (Iуд. п. < Iсраб.0)

Всем данным параметрам удовлетворяет автоматический выключатель: Electric TeSys GV2 ME2 21

Установки тока электромагнитного расцепителя равна 327 А.

Проверка:

Сеть

Аппарат

Номинальное напряжение

380 В

Номинальное напряжение

400 В

Число полюсов

3

=

Число полюсов

3

Номинальный ток нагрузки

18 А

Номинальный ток

23 А

Длительно допустимый ток кабеля

35 А



1096 А>Iсраб.о 327 А





1941 А<Отключающая способность, Iсu15 кА





Ударный пусковой ток

210 А

Iсраб.о

327 А


Вывод: Исходя из таблицы, полагаем, что использование данного выключателя приемлемо для данного двигателя.

) Выбор дифференциального модуля FD2-4:

Необходимые характеристики:

а) род тока АС;

б) номинальное напряжение АВДТ (UАВДТ >Uном.нагр = 220 В);;

в) номинальный ток АВДТ (Iном.FD2-4 > Iном.нагр.=9 А);

г) ток срабатывания АВДТ (Iсраб.о< Iкз=450 А);

д) число главных контактов = 2;

е) ток утечки (Iутеч.= 30 мА);

ж) отключающая способность АВДТ (Icu FD2-4 >Iкз.(1)= 434А).

Предварительный выбор: автоматический выключатель дифференциального тока Schneider Electric DPN N Vigi C16

Проверка:

Сеть

Аппарат

Номинальное напряжение

220 В

Номинальное напряжение

230 В

Число полюсов

2

=

Число полюсов

2

Номинальный ток нагрузки

9 А

Номинальный ток

16 A

Длительно допустимый ток кабеля

19 А



434 А>Iсраб.о=(5-10)*Iн(80-160) А







Отключающая способность, Iсu

6 кА

Ток утечки

30 мА

=

Ток утечки

30 мА


Вывод: автоматический выключатель дифференциального тока Schneider Electric DPN N Vigi C16 подходит для использования.

) Выбор автоматического выключателя QF5-7:

Необходимые характеристики:

а) род тока АС;

б) номинальное напряжение АВ (UАВ >Uном.нагр = 220 В);;

в) номинальный ток АВ (Iном.QF5-7 > Iном.нагр. = 5 А);

г) ток срабатывания АВ (Iсраб.о< Iкз.(1) = 434 А);

д) число главных контактов = 1;

е) отключающая способность АВ (Icu QF5-7 >Iкз.(1) = 434 А).

Предварительный выбор: автоматический выключатель Schneider Electric C60а с характеристикой C

Проверка:

Сеть

Аппарат

Номинальное напряжение

220 В

Номинальное напряжение

230 В

Число полюсов

1

=

Число полюсов

1

Номинальный ток нагрузки

8 А

Номинальный ток

10

Длительно допустимый ток кабеля

19 А



302 А>Iсраб.о=(3-5)*Iн(30-50) А







Отключающая способность, Iсu

10 кА


Вывод: автоматический выключатель Schneider Electric C60a с характеристикой C подходит для использования.

) Выбор выключателя нагрузки QS0:

Необходимые характеристики:

а) род тока АС;

б) номинальное напряжение (Uвыкл >Uном.нагр = 380 В);

в) номинальный ток (Iном.выкл. > Iном.нагр. = 40 А);

г) число главных контактов = 3;

Предварительный выбор: выключатель нагрузки Schneider Electric Interpact INS 40

Проверка:

Сеть

Аппарат

Номинальное напряжение

380 В

Номинальное напряжение

400 В

Число полюсов

3

=

Число полюсов

3

Номинальный ток нагрузки

40

Номинальный ток

40




Номинальный кратковременный выдерживаемый ток Icw

3 кА




Время выдержки Icw


Проверка условия :

(1941)2x0.1          < (3000)2x1

,1< 9000000

Вывод: выключатель нагрузки Schneider Electric Interpact INS 40 подходит для использования.

.3.1 Выбор контактора КМ:

Необходимые характеристики:

а) род тока АС;

б) номинальное напряжение (UКМ ≥ Uном.нагр = 380 В);

в) номинальному рабочему току контактора (IКМ ≥ Iном.нагр.= 18 А);

г) число главных контактов = 3;

д) категория применения контактора АС3;

По данным параметрам выбираем контактор из каталога Electric TeSys D LC1 D25

Проверка:

Сеть

Аппарат

Номинальное напряжение

380 В

Номинальное напряжение

400 В

Число полюсов

3

=

Число полюсов

3

Номинальный ток нагрузки

18 A

Номинальный ток

25




Категория применения АС3


6xIн.р.>Iпуска

*25>114

>114

условие выполнено

Дополнительные параметры: Pсраб.= 70 Ва     

Вывод: контактор Schneider Electric TeSys D LC1 D25 подходит по всем параметрам.

.3.2 Выбор аппарата защиты в цепь управления

В качестве аппарата защиты в цепи управления выбираем автоматический выключатель.

Требования: а) род тока АС;

б) номинальное напряжение (UКМ ≥ Uном.СУ = 220 В);

в) номинальному рабочему току контактора (IКМ ≥ Iном.СУ= Iном.втяг.);

г) число главных контактов =1;


где Iном.втяг. - номинальный ток цепи управления; сраб. - мощность катушки контактора на втягивание;ном - номинальное напряжение.ном.у = 0,3 А;

Выбор: автоматический выключатель Schneider Electric C60N с характеристикой B

Проверка:

Сеть

Аппарат

Номинальное напряжение

220 В

Номинальное напряжение

230 В

Число полюсов

1

=

Число полюсов

1

Номинальный ток нагрузки

0,3 А

Номинальный ток

1 А


Вывод: автоматический выключатель Schneider Electric C60N с характеристикой B подходит по всем параметрам.

.3.3 Выбор кнопок управления

Требования:

а) номинальному напряжению = 220 В;

б) номинальному току = 0,1 А;

в) функциональное назначение - коммутация и размыкание цепи управления двигателем.

Обе кнопки рассчитаны на номинальный ток 3А и напряжение 220 В - что удовлетворяет условиям эксплуатации.

2.3.4 Выбор клемм (зажимов)

Выбор клемм проводится по следующим параметрам:

а) сечению кабеля;

б) номинальному току;

) Требования к клеммам, соединяющим FD2-FD4, QF5-QF7 с нагрузкой:

а) S = 1,5 мм2

б) I =30 А

Выбор: Клемма “Земля” M2.5-PE 1,5 мм2 с контактом на рейку (требуется 6 штук)

Выбор: Клемма ” M2.5 1,5 мм2 (требуется 9 штук)

) Требования к клеммам, соединяющим контактор с АД:

а) S = 4 мм2

б) I = 40 А

Выбор: Клемма ST4 4 мм2 шириной 5 мм (требуется 3 штуки)

Выбор: Клемма “Земля” ST4-PE 4 мм2 с контактом на рейку шириной 5 мм (требуется 1 штука)

.3.5 Выбор навесного корпуса щита

Выберем навесной корпус щита для размещения выбранной аппаратуры, в соответствии с    технической эксплуатацией, а именно: использование в сельскохозяйственных сооружениях, на         небольших промышленных объектах и на предприятиях сферы обслуживания.

Характеристики выбранного навесного корпуса щита:

номер по каталогу 57128

тип щита Spacial 3D

материал cтальной лист

размеры (ВхШхГ) 400x600x200

способ установки тационарный

завод-изготовитель Schneider Electric

крепление крышки 4 невыпадающими винтами Posidriv M5x35 из нержавеющей стали.

шкафы поставляются с 4 крепежными болтами для установки платы.

Комбинированная плата

номер по каталогу .55032

тип профиля .А

комплектация:

·    алюминиевые вертикальные рейки;

·        стальные горизонтальные рейки.

Формула заказа

) Автоматический выключатель QF1: Schneider Electric TeSys GV2 ME2 21 (1 шт.)

код заказа: GV2 ME2 21

) Выключатель нагрузки QS0: Schneider Electric Interpact INS 40(1 шт.)

код заказа: 28901       

) Дифференциальный автоматический выключатель FD2-4: Schneider Electric DPN N Vigi C16 (3 шт.)

код заказа: 19665

) Автоматический выключатель QF5-7: Schneider Electric C60а (3 шт.)

код заказа: 23850       

) Контактор КМ: Schneider Electric TeSys D LC1 D25 (1 шт.)

код заказа: LC1 D25 B7

6) Автоматический выключатель QF2: Schneider Electric C60N (1 шт.)

код заказа: 24395

7) Кнопки:

«Пуск» Schneider Electric XB4BA3311 (1 шт.); код заказа: XB4BA3311

«Стоп» Schneider Electric XB4BA4322 (1 шт.); код заказа: XB4BA4322

8) Клеммы:

Клемма “Земля” ST2.5-PE (требуется 6 шт.)

код заказа: 3031238

Клемма ” ST2.5 (требуется 9 шт.)

код заказа: 3031212

Клемма “Земля” ST4-PE (требуется 1 шт.)

код заказа: 3031380

Клемма “Земля” ST4 (требуется 3 шт.)

код заказа: 3031364   

9) Шкаф Schneider Electric Габаритные размеры:400х600х200, число рядов - 3 (1 шт.)

код заказа: 57128

Похожие работы на - Низковольтное комплектное устройство для управления и защиты асинхронного двигателя

 

Не нашли материал для своей работы?
Поможем написать уникальную работу
Без плагиата!
Без нейросетей!