|
Класс
|
У
|
А
|
Е
|
В
|
F
|
Н
|
С
|
|
|
90
|
105
|
120
|
130
|
155
|
180
|
180
|
Примечание.
Класс У—
непропитанные и непогруженные в жидкий электроизоляционный материал,
волокнистые материалы из целлюлозы и шелка, а также другие материалы,
соответствующие данному классу и другому сочетанию материалов.
Класс А
— пропитанные и погруженные в жидкий электроизоляционный состав волокнистые
материалы из целлюлозы или шелка, а также соответствующие данному классу другие
материалы и другие сочетания материалов.
Класс Е~
некоторые синтетические и органические пленки, а также соответствующие
данному классу другие материалы и другие сочетания материалов.
Класс В
— материалы на основе слюды (в том числе на органических подложках),
асбеста и стекловолокна, применяемые с органическими связующими и
пропитывающими составами, а также соответствующие данному классу другие
материалы и другие сочетания материалов.
Класс F— материалы на основе слюды, асбеста и стекловолокна,
применяемые в сочетании с синтетическими связующими и пропитывающими составами,
а также соответствующие данному классу другие материалы и другие сочетания
материалов.
Класс Н
— материалы на основе слюды, асбеста и стекловолокна, применяемые в
сочетании с кремнийорганическими связующими и пропитывающими составами,
кремнийорганические эластомеры, а также соответствующие данному классу другие
материалы и другие сочетания материалов.
Класс С
— слюда, керамические материалы, стекло, кварц, применяемые без связующих
составов или с неорганическими или кремнийорганическими связующими составами, а
также соответствующие данному классу другие материалы и другие сочетания
материалов.
Изолированные и неизолированные токоведущие части аппаратов при коротких
замыканиях
Короткое
замыкание в электроустановках сопровождается протеканием по проводникам токов,
значительно превышающих токи нормального рабочего режима. Так как длительность
протекания токов короткого замыкания измеряется обычно от долей до единиц
секунд, то естественно, что и допустимые температуры в конце короткого
замыкания могут быть значительно выше температур, допускаемых при длительной
нормальной работе.
В
настоящее время довольно широко распространено мнение о нецелесообразности
ограничения каким-либо ГОСТом температур при коротких замыканиях, и взамен
этого предлагается предъявлять требования к аппарату: быть пригодным к
дальнейшей эксплуатации после протекания тока короткого замыкания данной
длительности
(1 сек,
5 сек и т. д.). Для лучшей ориентировки при проектировании
электрических аппаратов приведем предельно допустимые температуры в конце
короткого замыкания, которые обычно принимаются за основу при расчете
устойчивости электрических аппаратов при коротких замыканиях:
а)для
медных проводников неизолированных или покрытых изоляцией органического
происхождения —250° С;
б)для
алюминиевых проводников как изолированных, так и не
изолированных —200° С;
в)для
медных проводников, покрытых изоляцией неорганического происхождения —350° С.
При
таких больших температурах слой изоляции, непосредственно прилегающий к проводнику,
повреждается; однако срок службы аппарата, как показывает опыт, все-таки
остается довольно большим и экономически приемлемым.
Следует
отметить, что при таких температурах, как 200–350о С, особое
внимание при проектировании электрических аппаратов должно быть уделено
уменьшению механической прочности и температурным деформациям частей
электрических аппаратов во избежание неудовлетворительной работы последних.
Простейшие методы расчета превышения температуры электрических аппаратов
Понятие
о видах теплообмена
При
наличии разницы температур в теле в нем происходит процесс выравнивания
температур из-за потока тепла от мест с более высокой температурой к местам с
более низкой температурой.
По
аналогичной причине происходит выравнивание температур двух тел, имеющих разные
температуры и находящихся в непосредственном соприкосновении или разделенных
друг от друга какой-либо средой (газом, жидкостью и др.). Процесс переноса
тепла называется теплообменом или теплоотдачей. Различают три способа
теплообмена: теплопроводность, конвекция, тепловое излучение.
Теплопроводностью
называют явление переноса тепловой энергии непосредственно от одной части тела
к другой (в чистом виде явление теплопроводности имеет место в твердых телах).
Конвекцией
называют явление переноса тепловой энергии путем перемещения частиц жидкости
или газа; явление конвекции всегда сопровождается явлением теплопроводности.
Различают
естественную (свободную) конвекцию, когда движение частиц
окружающей среды у нагретой поверхности обусловлено разностью плотностей
нагретых и холодных частиц жидкости или газа, и вынужденную конвекцию, когда
движение частиц окружающей среды происходит в результате действия вентилятора,
насоса или ветра и пр.
Исходя
из физических представлений, легко прийти к выводу, что отдача тепла конвекцией
в значительной мере будет зависеть от физических свойств среды
(теплопроводности, вязкости, теплоемкости, плотности), от обтекаемости тела, т.
е. от его геометрической формы и расположения в пространстве, от скорости
движения частиц окружающей среды около нагретой поверхности и от степени
шероховатости последней. Далее, поскольку физические свойства среды зависят от
температуры, то и отдача тепла конвекцией будет зависеть от температуры среды и
превышения температуры нагретой поверхности относительно среды.
Тепловым
излучением (лучеиспусканием) называют явление переноса тепловой энергии
электромагнитными волнами. Как будет видно из дальнейшего, теплообмен
излучением между нагретыми поверхностями зависит от температуры поверхностей,
от размеров, геометрии, обработки и их взаимного расположения, от физических
свойств материала.
Наружная
поверхность нагретого тела излучает тепло на окружающие поверхности, имеющие
меньшую температуру, чем поверхность нагретого тела, при этом мы будем
предполагать, что газовая среда, например воздух, разделяющая поверхность
нагретого тела от поверхностей, воспринимающих тепловые лучи, полностью
прозрачна для последних.
При
расчетах часто предполагается, что температура окружающего воздуха практически равна
температуре поверхностей, воспринимающих тепловое излучение нагретой
поверхности.
Жидкости
и твердые тела практически не пропускают тепловых лучей, следовательно, в
жидких средах имеет место только конвективный теплообмен. Следует подчеркнуть,
что физическая природа всех трех способов передачи тепла совершенно различна.
Применение формулы ньютона для расчета отдачи тепла с наружной поверхности окружающей
среде (жидкости, газу)
В
электротехнической практике весьма часто приходится рассчитывать превышение
температуры наружной поверхности относительно температуры жидкой или
газообразной среды, омывающей нагретую поверхность. В этих случаях оказывается
весьма удобной широко известная формула Ньютона
(6.25)

здесь мощность, отдаваемая конвекцией
и лучеиспусканием окружающей среде, Вт;
нагретая
поверхность, м2;
температура поверхности, °С;
температура окружающей среды
коэффициент теплоотдачи, учитывающий в общем случае отдачу тепла
конвекцией и лучеиспусканием, вт/м2 - град. Коэффициент теплоотдачи
численно равен мощности, отдаваемой нагретой поверхностью окружающей среде при
разности температур между нагретой
поверхностью и окружающей средой, равной
(6.26)
В
соответствии с отмеченными факторами, от которых зависит отдача тепла
конвекцией и лучеиспусканием, следует подчеркнуть, что коэффициент теплоотдачи
зависит от физических
постоянных (удельного веса, теплопроводности, вязкости, теплоемкости), жидкой
или газообразной среды, воспринимающей тепло от нагретого тела, или наоборот,
отдающей тепло твердому телу, от формы и расположения тела в жидкой или газообразной
среде, от состояния поверхностей и т. д.
Практический
интерес представляет расчет нагрева катушек электрических аппаратов. На основе
большого количества опытов, проведенных с различными цилиндрическими катушками,
можно предложить следующие приблизительные выражения для определения коэффициента
теплоотдачи:
для случая, когда теплоотдающая поверхность катушек
лежит в пределах формула
для коэффициента
теплоотдачи
имеет вид
(6.27)
для случаев, когда
(6.28)
Формула
может быть представлена в ином виде:
(6.29)
и
формально имеет такой же вид, как и формула закона Ома для электрического тока.
Поэтому знаменатель в этой формуле
часто
называют сопротивлением тепловому потоку при переходе от поверхности S к окружающей среде, при этом имеется в виду, что
превышение температуры не изменяется во времени.
Применение формулы ньютона для рассмотрения устанавливающегося процесса
нагрева тела от
источников тепла, расположенных внутри тела
Пусть
внутри тела действует источник тепла постоянной мощности Р. Введем
следующие предположения:
температура
тела в любой момент времени одинакова во всех точках объема тела;
теплоемкость
тела С не зависит от температуры;
коэффициент
теплоотдачи практически не зависит от превышения температуры и одинаков по всей
поверхности тела.


За время энергия, генерируемая в
теле, будет расходоваться на повышение температуры тела а часть
ее будет отдаваться в окружающую среду:
(6.30)
Следовательно,
уравнение процесса нагрева тела
(6.31)
Частное
решение последнего уравнения
(6.32)
Общее
решение дополнительного уравнения
(6.33)
будет
(6.34)
где А — постоянная интегрирования, определяемая условиями
задач.
Величина равная отношению полной теплоемкости
С тела к его теплоотдающей способности называется постоянной времени.
Общее
решение уравнения:
(6.35)
Для
определения постоянной А используем следующее условие: при

должно быть значит
(6.36)
Подставляя
полученное выражение, будем иметь
(6.37)
На
рис.6.6 представлено графическое изображение последнего выражения, из которого
видно, что при t
= со
(6.38)
Откуда следует,
что
(6.39)
Рис.6.6.
Зависимость превышения температуры от времени при нагреве однородного тела
Таким
образом, т0 равно установившемуся превышению температуры, когда
выделяемая мощность Р становится численно равной мощности, отдаваемой в
окружающую среду с поверхности нагретого тела (k^0SxJ).
Очевидно
(6.40)
Из (6.39)следует:
(6.41)
Касательная
к кривой
в начале координат отсекает на прямой too отрезок, равный в выбранном масштабе
постоянной времени Т.
Нетрудно показать, что при
(6.42)
На основании этого можно определять постоянную времени Т как
время, необходимое для достижения установившегося
превышения температуры (см. рис.6.6).

С точностью можно
считать, что процесс установления температуры происходит через время, равное
После
отключения аппарата начинается его охлаждение. Так как энергия, подводимая к
аппарату, равна нулю, то левая часть также равна нулю:
(6.43)
Решение
уравнения (6.43) имеет вид:
(6.44)
где А
— постоянная интегрирования, равная
(6.45)
Окончательно
получаем:
Основы теории передачи тепла теплопроводностью
Основной
закон теплопроводности био - Фурье
Основной
закон теплопроводности математически описывается выражением
(6.46)
Здесь: количество тепла, передаваемое за время dt
через площадку S в
направлении нормали к последней;
производная от температуры вдоль нормали (п) к
площадке
S;
коэффициент теплопроводности {вт/м°С).
Знак (—)
показывает, что тепло передается в направлении убывания температуры вдоль
нормали (п) к площадке (S).
Поделив
обе части равенства на dt, получим
количество тепла, проходящее в единицу времени через площадку S
(6.47)
Производная является тепловым потоком
через площадку S. Отношение
(6.48)
представляет
собой плотность теплового потока в какой-либо точке на поверхности S. Таким образом, равенство можно
написать в следующем виде
(6.49)
Передача тепла теплопроводностью сквозь толщу стенки, ограниченную двумя
плоскостями
Рассмотрим
простейшие случаи, когда тепловой поток Ф и его плотность Ф0 не
изменяются во времени (стационарное состояние) и в пространстве.
Такой
случай может иметь место при наличии стенки толщиной б, ограниченной
двумя параллельными плоскостями и разделяющей две среды (жидких или
газообразных) с различными температурами (рис. 6.7).
Пусть
температура fli на всем протяжении одной стороны
стенки 1 будет больше, чем температура Ь2 на
противоположной стороне. Предполагая, что площадь стенки достаточно велика
(теоретически не ограничена), можно предположить, что поверхности с одинаковой
температурой (изотермические поверхности) в толще стенки будут представлять
собой плоскости, параллельные граничным поверхностям, имеющим постоянные (но
различные) температуры на всем протяжении каждой поверхности. При этом
естественно, что изменение температуры будет происходить только в направлении
нормали к поверхности стенки. Вследствие этого, направляя ось ординат вдоль стенки
1, ось абсцисс — вдоль нормали к поверхности стенки, и заменяя букву п
буквой х в равенстве можно написать:
Этому
дифференциальному уравнению соответствуют следующие граничные условия:
Решением
уравнения будет
(6.50)
Для определения Сх используем условие:
т. е.
Из последнего
равенства следует, что температура в стенке изменяется по закону прямой.
Используя
условие получим:
т. е.
(6.51)
где падение (перепад) температуры в
толще стенки при данной плотности теплового потока.
Рис.6.7.
К расчету теплопередачи через плоскую стенку
Формулу (6.51) пишут иначе, учитывая, что
(6.52)
Следует
обратить внимание на аналогию уравнений соответствующим уравнениям для электрических
явлений,
Закон
Ома для теплового потока
(6.53)
Закон
Ома для однородного проводника
(6.54)
Тепловое
сопротивление стенки
(6.55)
Видно,
что между явлениями электрического тока в проводниках и явлениями теплового
потока существует далеко идущая аналогия, которой часто пользуются для
упрощения решения различных задач по теплопередаче. В частности, для решения
задач по нагреву электрических машин и аппаратов весьма удобным оказывается
применение понятия о сопротивлении тепловому потоку.
Режимы нагрева электрических аппаратов
Кратковременный
и повторно-кратковременный режимы нагрева
Температура
аппарата или отдельных его частей в процессе нагрева (или охлаждения)
определяется отношением времени нагрева к постоянной времени нагрева аппарата
или отдельной его части.
Уравнение
процесса нагрева при отдаче тепла в окружающую среду по закону Ньютона имеет
следующий вид
(6.56)
Теоретически время достижения установившегося превышения
температуры бесконечно, но если задаться точностью 2%, то при этом можно
считать, что для достижения установившегося превышения температуры время
нагрева должно быть больше, чем AT,так
как
Если
время нагрева t<4T, то, очевидно, температура аппарата не достигнет
установившегося значения.
Аналогично
при охлаждении аппарата, если время охлаждения аппарата (ток через аппарат не
протекает) больше 4T, то можно
считать, что за такой промежуток времени температура аппарата станет равной
температуре окружающей среды.
Часто встречаются такие режимы работы аппаратуры, когда
время, в течение которого аппарат включен (время нагрева) меньше, чем время,
необходимое для нагрева до установившейся температуры, т. е. ,
а время паузы t- (когда ток через аппарат не
протекает) много больше, т. е.
Подобный
режим работы аппарата называется кратковременным.
Очевидно,
что при кратковременном режиме работы допустимая величина тока может быть
принята большей, чем при длительном режиме.
Пусть
известны допустимое превышение температуры аппарата ТДОП, длительно
допустимый ток Iдл.доп или
длительно допустимая мощность потерь PДЛ.ДОП и
постоянная времени нагрева аппарата Т. Пусть через аппарат в
кратковременном режиме за время Ткр протекает некоторый ток Iкр. Току Iкр соответствует мощность потерь Ркр. Если бы ток Iкр протекал достаточно долго, то в
соответствии с уравнением (6.56) превышение температуры аппарата установилось
бы равным (рис.6.8):
(6.57)
При
времени протекания tкр максимальное превышение температуры
окажется равным
(6.58)
В
качестве условия мы примем, что это максимальное превышение температуры в
кратковременном режиме не должно превзойти установившегося значения в
длительном режиме, т. е.
(6.59)
то,
подставляя , получим
(6.60)
Откуда
коэффициент допустимой перегрузки по мощности в кратковременном режиме
Если
принять в простейшем случае, что мощность потерь пропорциональна квадрату тока,
то коэффициент перегрузки по току в кратковременном режиме
Рис.6.8.
Кратковременный процесс нагрева
При
конструировании аппаратов, специально предназначенных для кратковременного
режима работы, надо стремиться к увеличению его постоянной времени нагрева Т,
так как при этом растет коэффициент перегрузки по току и по мощности.
Увеличение постоянной времени Т, как правило, достигается увеличением
теплоемкости аппарата.

Если время бестоковой паузы недостаточно
для полного остывания аппарата, т.е. если то при
последующем включении аппарата его нагрев начнется при некотором значении
температуры, отличающимся от температуры окружающей среды
Рис.6.9.Повторно-кратковременный
процесс нагрева

Существует ряд аппаратов,
предназначенных для работы в повторно-кратковременном режиме. В этом
режиме циклы нагрева и охлаждения аппарата строго чередуются. Обозначим время
работы аппарата в одном цикле (время протекания тока) tр, а время бестоковой паузы tп. Пусть графически зависимость тока от времени в
повторно-кратковременном режиме представлена на рис.6.9. Сумму назовем временем
цикла tц.
В
течение первого цикла за время tр1 аппарат нагревается до некоторого превышения температуры
, а за время первой паузы tп1 произойдет его охлаждение до
. Во втором цикле нагрев аппарата
начнется при
=
и за
время tр2 будет достигнуто превышение
температуры
, но так как то
>
. За время второй паузы tn2 аппарат охладится и в конце второго цикла опять будет
иметь место превышение температуры, которое будет больше, чем
. Если такие циклы будут периодически
повторяться достаточно долго, то в конце концов установится процесс колебания
температуры аппарата, так называемый квазиустановившийся режим.
Если в повторно-кратковременном режиме мощность потерь в
аппарате в промежутки tр равна Рп.кр,
то, очевидно, максимальное превышение температуры в квазиустановившемся режиме
будет ниже, чем если бы мощность Рп.кр выделялась бесконечно
долго, т.е.
Для полного использования материалов в аппарате и для
обеспечения надежности его работы должно соблюдаться условие
(6.61)
Рассмотрим
п-й цикл при достаточно большом значении числа п квазиустановившегося
режима. Для этого цикла справедливы равенства
Подставив,
будем иметь
(6.62)
Установившееся
превышение температуры при длительном процессе выделения мощности
(6.63)
получим
(6.64)
тогда коэффициент перегрузки по мощности в
повторно-кратковременном режиме
(6.65)
а
коэффициент перегрузки по току
(6.66)
При
расчетах аппаратов, предназначенных для повторно-кратковременного режима
работы, часто используется величина относительной продолжительности
включения ПВ%. Она является выраженным в процентах отношением времени
работы ко времени всего цикла, т. е.
(6.67)
Для
аппаратов, предназначенных к работе в повторно-кратковременном режиме, обычно
задается частота включения в час п. Тогда время цикла и время работы
аппарата могут быть записаны в виде
(6.68)
где п
— заданная частота включений в час.
получим
выражение коэффициента перегрузки по току
(6.69)
Процесс нагрева при коротком замыкании. Понятие 0 термической
устойчивости
Режим
короткого замыкания в цепи большей частью является аварийным и его обычно
ликвидируют за малые промежутки времени — секунды и доли секунды, однако, как
ни мала длительность протекания токов короткого замыкания, их воздействие может
оказаться катастрофическим.
Обычно
время воздействия токов к. з. tK 3 значительно
меньше постоянной времени нагрева токоведущих частей. Легко показать, что при

процесс нагрева происходит так,
что тепло не отдается в окружающую среду. Такой процесс нагрева называют
адиабатическим.
Действительно,
если функцию разложить в ряд Маклорена, то выражение примет вид
(6.70)
Так как
температуры проводников в конце процесса короткого замыкания строго ограничены,
каждый аппарат может быть охарактеризован допустимой величиной произведения Обычно
задается не сама величина а величина тока неизменной силы, тепловое действие
которого аппарат может выдержать в течение заданного времени так, что это не
препятствует его дальнейшей нормальной работе. Эта величина тока называется
током термической устойчивости. Чаще всего задается ток десяти-, пяти- или
односекундиой термической устойчивости. Если необходимо найти ток термической
устойчивости при времени действия t, отличающемся от 10 сек (или 5 сек соответственно), то это
может быть легко сделано из условия
Лекция №7
Тема лекции:
Электроконтакты, понятия и теория. Конструкция и выбор коммутирующих
контактов
Назначение
и классификация электрических контактов
Любая
электротехническая установка состоит из элементов, так или иначе связанных
между собой. Соединение проводящих звеньев электрической цепи, обеспечивающее
протекание электрического тока при наличии источника э. д. с, осуществляется с
помощью электрических контактов.
Слово
контакт от латинского слова contactus — прикосновение. Под электрическим контактом весьма часто понимается
совокупность двух или нескольких проводников электрического тока, соединенных
между собой и сжатых с определенной силой.
ГОСТ 2774—44
определяет электрический контакт, как «место перехода тока из одной токоведущей
части в другую».
По
своему назначению электрические контакты можно разделить на две группы.
1. Соединительные контакты, которые служат только для соединения
различных звеньев электрической цепи, т. е. для обеспечения протекания тока от
одного звена к другому. Соединительные контакты всегда замкнуты.
2. Коммутирующие контакты, предназначенные для включения,
отключения и переключения электрических цепей.
Соединительные
контакты, применяемые в токопроводах электрических аппаратов, весьма
разнообразны. Некоторые типичные конструкции их изображены на рис. 3.1.
Основным
требованием, предъявляемым к соединительным контактам, является надежность в
длительной эксплуатации: соединительные контакты должны длительно, в
пределах срока службы всей установки в целом и без повреждений допускать
протекание токов нормального режима и кратковременных токов аварийных режимов
работы.
Надежность
в длительной эксплуатации соединительных (не размыкаемых) контактов будет
обеспечена, если сопротивление контакта электрическому току будет достаточно
стабильным. Для этого соединительный контакт должен обладать способностью
противостоять как воздействию окружающей среды, так и воздействию механических
усилий от температурных деформаций и от электродинамических усилий, возникающих
при протекании больших токов короткого замыкания.
Контактирующие
проводники в соединительных контактах могут быть либо неподвижны друг
относительно друга (хотя контакт в целом может и перемещаться с определенной
скоростью), либо перемещаться относительно друг друга без размыкания цепи, как,
например это имеет место роликовом или в щеточном контакте.
Коммутирующие
контакты могут находиться в замкнутом (соответствующая цепь включена) или
разомкнутом (соответствующая цепь отключена) состоянии.
Существует
большое разнообразие коммутирующих контактов. Например, могут быть контакты: рубящие,
торцовые, щеточные, пальцевые, розеточные и пр. По своему назначению
коммутирующие контакты в сильноточных аппаратах можно разделить на главные и
дугогасительные. Обычно главные контакты шунтируются дугогасительными, в
процессе размыкания цепи главные контакты выходят из соприкосновения ранее, чем
дугогасительные, а поэтому образование дуги происходит только на
дугогасительных. Таким образом
главные контакты защищены от воздействия дуги и служат для надежного
пропускания рабочих токов и токов короткого замыкания в замкнутом состоянии.
Рис.7.1.Некоторые
типы коммутирующих контактов:
а —
контакты контактора; б —релейные контакты на плоских пружинах
Часто
функции контактов совмещаются: они выполняют роль и токоведущих, и
дугогасительных контактов.
Некоторые
типы коммутационных контактов представлены на рис.7.1.
Как ни
тщательно обработаны поверхности соприкосновения контактов, электрический ток
проходит между ними только в отдельных точках, в которых эти поверхности
касаются, так как получить абсолютно гладкую поверхность практически
невозможно. Примерная картина соприкосновения контактов показана на рис..
Благодаря нажатию Р одного контакта на другой вершины выступов
деформируются и образуются площадки действительного касания контактов. Рассмотрим процесс перехода тока из одного контакта
в другой при касании двух цилиндрических контактов по торцам.
Рис.7.2 .Соприкосновение
поверхностей контактов
В
результате стягивания линий тока к площадке касания их длина увеличивается, а
сечение проводника, через которое фактически проходит ток, уменьшается, что
вызывает увеличение сопротивления. Сопротивление в области площади касания,
обусловленное явлениями стягивания линий тока, называется переходным сопротивлением
стягивания контакта.
Таким
образом, переходное сопротивление, обусловленное стягиванием линий тока,
пропорционально удельному сопротивлению материала контакта, корню квадратному
из временного сопротивления на смятие этого материала о и обратно
пропорционально корню квадратному из силы контактного нажатия. Одноточечный контакт применяется в
основном только три малых токах (до 20 А). При больших токах (100 А и более)
применяется многоточечный контакт. В многоточечном контакте ток проходит через
несколько контактных переходов, соединенных параллельно. Поэтому его переходное
сопротивление при неизменном нажатии меньше, чем у одноточечного
контакта. Однако нажатие в каждой контактной площадке уменьшается. Количество
контактных переходов увеличивается с ростом нажатия по весьма сложному закону.
Сопротивление
зависит и от обработки поверхности. При шлифовке поверхность выступов более
пологая с большой площадью. Смятие таких выступов возможно только при больших
силах нажатия. Поэтому сопротивление шлифованных контактов выше, чем контактов
с более грубой обработкой.
Переходное
сопротивление контактов обусловлено не только явлением стягивания линий тока.
Контактирующие поверхности покрыты адсорбированными молекулами газа, в котором
располагались контакты до их замыкания. Очень часто молекулы газа вступают в
химическую реакцию с материалом контактов, в результате чего на их поверхности
могут возникнуть пленки с высоким удельным сопротивлением.
Материалы
контактов
К
материалам контактов современных электрических аппаратов предъявляются
следующие требования:
1) высокие электрическая проводимость и
теплопроводность;
2) высокая коррозионная стойкость в
воздушной и других средах;
3) стойкость против образования пленок с
высоким электрическим сопротивлением;
4) малая твердость для уменьшения
необходимой силы нажатия;
5) высокая твердость для уменьшения механического
износа при частых включениях и отключениях;
6) малая эрозия;
7) высокая дутостойкость (температура
плавления);
8) высокие значения тока и напряжения,
необходимые для дугообразования;
9) простота обработки, низкая стоимость.
Свойства
некоторых контактных материалов рассмотрены ниже.
Медь. Положительные свойства: высокие удельная электрическая
проводимость и теплопроводность, достаточная твердость, что позволяет применять
при частых включениях и отключениях, простота технологии, низкая стоимость.
Недостатки:
достаточно низкая температура плавления, при работе на воздухе покрывается
слоем прочных оксидов, имеющих высокое сопротивление, требует довольно больших
сил нажатия. Для защиты меди от окисления поверхность контактов покрывается
электролитическим способом слоем серебра толщиной 20—30 мкм. В контактах на
большие токи иногда ставятся серебряные пластинки (в аппаратах, включаемых
относительно редко). Применяется как материал для плоских и круглых шин,
контактов аппаратов высокого напряжения, контакторов, автоматов и др.
Вследствие низкой дугостойкости нежелательно применение в аппаратах,
отключающих мощную дугу и имеющих большое число включений в час.
В
контактах, не имеющих взаимного скольжения, из-за пленки оксидов применение меди
не рекомендуется.
Серебро. Положительные свойства: высокие электрическая
проводимость и теплопроводность, пленка оксида серебра имеет малую механическую
прочность и быстро разрушается при нагреве контактной точки. Контакт серебра
устойчив благодаря малому напряжению на смятие. Для работы достаточны малые
нажатия (применяется при нажатиях 0,05 Н и выше). Устойчивость контакта, малое
переходное сопротивление являются характерными свойствами серебра.
Недостатки:
малая дугостойкость и недостаточная твердость препятствуют использованию его
при наличии мощной дуги и частых включениях и отключениях.
Применяется
в реле и контакторах при токах до 20 А. При больших токах вплоть до 10 кА
серебро используется как материал для главных контактов, работающих без дуги.
Алюминий. Положительные свойства: достаточно высокие
электрическая проводимость и теплопроводность. Благодаря малой плотности
токоведущая часть круглого сечения из алюминия на такой же ток, как и медный
проводник, имеет почти на 48 % меньшую массу. Это позволяет уменьшить массу
аппарата.
Недостатки:
1) образование на воздухе и в активных средах пленок с высокой механической
прочностью и высоким сопротивлением;
2)
низкая дугостойкость (температура плавления значительно меньше, чем у меди и
серебра);
3) малая
механическая прочность;
4) из-за
наличия
в окружающем воздухе влаги и оксидов медный и алюминиевый
контакты образуют своеобразный гальванический элемент. Под действием ЭДС этого
элемента происходит электрохимическое разрушение контактов (электрохимическая
коррозия). В связи с этим при соединении с медью алюминий должен покрываться
тонким слоем меди электролитическим путем либо оба металла необходимо покрывать
серебром. Алюминий и его сплавы (дюраль, силумин) применяются главным образом
как материал для шин и конструкционных деталей аппаратов.
Вольфрам. Положительные свойства: высокая дугостойкость, большая
стойкость против эрозии, сваривания. Высокая твердость вольфрама позволяет
применять его при частых включениях и отключениях.
Недостатки:
высокое удельное сопротивление, малая теплопроводность, образование прочных
оксидных и сульфидных пленок. В связи с образованием пленок и их высокой
механической прочностью вольфрамовые контакты требуют большого нажатия.
В реле
на малые токи с небольшим нажатием применяются стойкие против коррозии
материалы — золото, платина, палладий и их сплавы.
Металлокерамические
материалы. Рассмотрение свойств чистых металлов
показывает, что ни один из них не удовлетворяет полностью всем требованиям,
предъявляемым к материалу контактов.
Основные
необходимые свойства контактного материала— высокие электрическая проводимость
и дугостойкость — не могут быть получены за счет сплавов таких материалов, как
серебро и вольфрам, медь и вольфрам, так как они не образуют сплавов. Материалы,
обладающие необходимыми свойствами, получают методом порошковой металлургии
(металлокерамики). Полученные таким методом материалы сохраняют физические
свойства входящих в них металлов. Дугостойкость металлокерамики обеспечивается
такими компонентами, как вольфрам, молибден. Низкое переходное сопротивление
контакта достигается использованием в качестве второго компонента серебра или
меди. Чем больше содержание вольфрама, тем выше дугостойкость, механическая
прочность и меньше возможность приваривания металлокерамических контактов. Но
соответственно растет переходное сопротивление контактов и уменьшается их
теплопроводность. Обычно металлокерамика с содержанием вольфрама выше 50 %
применяется для аппаратов защиты на большие токи КЗ.
Композиции
из тонко измельченных порошков с диаметром зерна менее 10 мкм имеют
мелкодисперсную структуру и обладают большой механической прочностью, Их
износостойкость в 1,5—2 раза выше, чем у материалов не мелкодисперсного
типа.
Для
контактов аппаратов высокого напряжения наиболее распространена металлокерамика
КМК-А60, КМК-А61, КМК-Б20, КМК-Б21
В
аппаратах низкого напряжения чаще всего применяется металлокерамика КМК-А10 из
серебра и оксида кадмия CdO.
Отличительной особенностью этого материала является диссоциация CdO на пары кадмия и кислород.
Выделяющийся газ заставляет дугу быстро перемещаться по поверхности контакта,
что значительно снижает температуру контакта и способствует деионизации дуги.
Металлокерамика КМК-А20, состоящая из серебра и 10 % оксида меди, обладает
большей износостойкостью, чем КМК-А10.
Серебряно-никелевые
металлокерамики хорошо обрабатываются, обладают высокой стойкостью против
электрического износа. Контакты из этих материалов обеспечивают низкое и
устойчивое переходное сопротивление, но более подвержены привариванию, чем
контакты КМК-А60, КМК-Б20, КМК-А10.
Серебряно-графитовые
и медно-графитовые контакты благодаря высокой устойчивости против сваривания
применяются как дугогасительные. Применение металлокерамики увеличивает
стоимость аппаратуры, однако в эксплуатации эти затраты окупаются за счет
увеличения срока службы аппарата и повышения его надежности.
Конструкция
твердометаллических контактов
а) Неподвижные
разборные и неразборные контакты.
Такие
контакты служат для соединения неподвижных токоведущих деталей шин, кабелей и
проводов. Эти детали могут находиться как внутри электрического аппарата, так и
вне его. В последнем случае они служат для присоединения аппарата к источнику
энергии или к нагрузке. Контакты соединяются с помощью либо болтов (разборные
соединения), либо горячей или холодной сварки.
При
болтовом соединении медные шины перед сборкой тщательно зачищаются от оксидов и
смазываются техническим вазелином. После сборки места стыков между шинами
покрываются влагостойким лаком или краской. При этом уменьшается переходное
сопротивление и повышается его стабильность во времени.
Покрытие
соприкасающихся поверхностей контактов оловом (лужение) несколько увеличивает
начальное переходное сопротивление, но благодаря пластичности олова увеличивает
количество площадок смятия и переходное сопротивление становится более
стабильным. Для токоведущих деталей, от которых требуется повышенная надежность
при больших номинальных токах, рекомендуется серебрение соприкасающихся
поверхностей. Описанные разборные контактные соединения могут быть разобраны
при ремонте и монтаже и имеют малое переходное сопротивление.
Рекомендуемые
давления одной шины на другую,
Па,
при
болтовом соединении приведены ниже.
Материалы
соединения
Медь
луженая 500—1000
Медь,
латунь, бронза нелуженые 600—1200
Алюминий 2500
Момент
при затяжке болтов контролируется специальным тарированным моментным ключом.
Болтовые соединения могут оказаться недостаточно надежными, особенно при
алюминиевых контактах. Поэтому в настоящее время алюминиевые токоведущие детали
соединяются с помощью холодной или горячей (термитной) сварки и представляют
после этого неразборный контакт.
В
болтовом шинном соединении при КЗ токоведущий проводник нагревается до
температуры 200—300 °С.
Стягивающие
стальные болты нагреваются в основном за счет теплопроводности, так как ток
через болты практически не проходит. Температура болтов обычно не превосходит
20 % температуры шин. Температурный коэффициент расширения у меди и алюминия
значительно выше, чем у стали, поэтому шины, увеличиваясь по толщине больше,
чем удлиняются болты, растягивают их. При этом деформация болтов может перейти
за пределы упругости. Тогда после отключения цепи и остывания контакта из-за
вытягивания болтов нажатие в контактах уменьшится, что приведет к увеличению
сопротивления, сильному нагреву и последующему разрушению.
Для того
чтобы избежать пластической деформации шин, ставятся соответствующие шайбы.
Вследствие малой прочности алюминиевых шин может произойти пластическая их
деформация, что приведет к порче контакта. Поэтому для стабильности
алюминиевого контакта необходимо либо производить предварительный обжим,
уплотнение шин, либо ставить под гайки пружинящие шайбы или специальные
пружины, которые ограничивают деформации элементов контактов.
б)
Подвижные неразмыкающиеся контактные соединения. Такие соединения используются либо
для передачи тока с подвижного контакта на неподвижный, либо при не
большом перемещении неподвижного контакта под действием
подвижного.
Наиболее
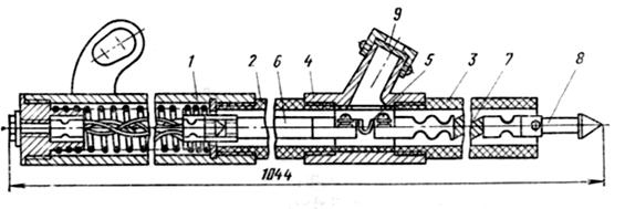
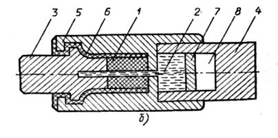
простым соединением такого типа является гибкая связь (рис.7.3). Неподвижный
контакт 1 крепится к каркасу аппарата на изоляционной подкладке.
Подвижный контакт 2 вращается относительно точки 0, расположенной
на контактном рычаге 4. Этот рычаг изолирован от вала 5, на который
действует электромагнит контактора. Гибкая связь 6 соединяет подвижный
контакт 2 с выводом аппарата. Контактное нажатие создается пружиной 3.
Для получения необходимой эластичности гибкая связь изготовляется из медной
ленты толщиной 0,1*10-3 м и менее или из многожильного жгута,
сплетенного из медных жил (0,1*10-3 м
и менее). При наличии резких перегибов гибкая связь быстро разрушается.
При
больших ходах подвижных контактов длина гибкой связи получается значительной, а
ее надежность уменьшается. Поэтому она применяется при перемещениях подвижного
элемента не более 0,25 м.
При
больших ходах и больших номинальных токах применяются контактные соединения в
виде скользящих и роликовых токосъемов. Принцип действия токосъема ясен из рис.
7.4 и 7.5. Подвижный контакт 1 скользящего токосъема (рис. 7.4) выполнен
в виде стержня круглого сечения. Цилиндрическая обойма 2 соединяется с
неподвижным выводом аппарата. Соединение контакта / и обоймы 2 осуществляется
пальцами (ламелями) 3. Контактное нажатие создается пружинами 4. Подвижный
контакт имеет возможность перемещаться поступательно. Неподвижный контакт имеет
поверхность касания в виде плоскости, подвижный — в виде цилиндрической
поверхности. Контактирование осуществляется по линии, отчего контакт называется
линейным.
Недостатком
скользящего токосъема является большая сила трения, которая требует
значительной мощности приводного механизма. Сила трения уменьшается при
роликовом контакте (рис. 7.5). Подвижный контакт 1 роликового токосъема (рис.
7.5) выполнен в виде стержня круглого сечения и имеет поступательное движение.
Токосъемные стержни 2 также имеют круглое сечение и соединены с выводом
аппарата. Соединение стержня 1 и стержней 2 осуществляется с помощью
конусных роликов 3, которые катятся по поверхности стержней 1 и 2. Контактное
нажатие создается пружинами 4.
Число
роликов зависит от номинального тока и тока КЗ. Этот контакт для своего
перемещения требует небольших усилий и широко применяется в современной
аппаратуре высокого напряжения.
Рис. 7.3.
Передача тока с подвижного контакта на вывод аппарата с помощью гибкой связи
Рис. 7.4.
Скользящий токосъемный розеточный контакт
Рис. 7.5.
Роликовый токосъемный контакт
в) Разрывные
контакты. Контакты многих аппаратов разрывают цепь с током, большим, чем
минимальный ток дугообразования. Возникающая электрическая дуга приводит к
быстрому износу контактов. Для надежного гашения дуги, образующейся при
отключении, необходимо определенное расстояние между неподвижным и подвижным
контактами, которое выбирается с запасом. Расстояние между неподвижным и
подвижным контактами в отключенном состоянии аппарата называется зазором
контактов (рис. 7.6, 7.7). Конструкция разрывных контактов определяется
значениями номинального тока, номинального напряжения, тока КЗ, режимом работы,
назначением аппарата и рассмотрена в разделах, посвященных устройству различных
аппаратов. Здесь же рассмотрим только некоторые общие вопросы.
Число
площадок касания и стабильность переходного сопротивления зависят от
конструкции крепления подвижного и неподвижного контактов. Подвижные контакты,
имеющие возможность устанавливаться в положение с максимальным числом
контактных площадок, называются самоустанавливающимися. Контактный узел с
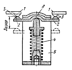
самоустанавливающимся контактом дан на рис. 7.6. Неподвижные контакты / и
подвижный мостиковый контакт 2 в месте касания имеют сферические (или
цилиндрические) напайки 3, выполненные из серебра или металлокерамики.
Контактное нажатие создается пружиной 4. После касания контактов скоба
5, связанная с приводом аппарата, продолжает свое движение вверх на величину
хода, равную провалу б. Применительно к конструкциям, показанным на рис. 7.6 и
7.7, провалом называется расстояние, на которое переместится подвижный контакт,
если убрать неподвижный.
Рис. 7.6.
Контактный узел с самоустанавливающимся контактом
На рис.
7.7 показана работа контактной системы, широко применяемой в контакторах с
медными контактами.
Для
наглядности точки начального и конечного касания обозначены буквами а и б.
При включении контактный рычаг 4 вращается электромагнитом вокруг
центра 02, а точка 0{ вращения контактной скобы 3
перемещается по радиусу 020].
Касание
пальцевых контактов 1 и 2 происходит в точках а (рис. 7.7,б). При
дальнейшем перемещении Ох точка касания переходит в точку b (рис. 7.7,в). При этом
происходит перекатывание контакта 2 по контакту1 с небольшим
проскальзыванием, за счет чего пленка оксида на них стирается.. При включении
контактов, отключавших дугу, из-за шероховатости поверхности касания появляется
дополнительная вибрация контактов. Для уменьшения вибрации проскальзывание
должно быть небольшим. При отключении дуга загорается между точками а—а,
что предохраняет от оплавления точки b—b, в которых
контакты касаются уже во включенном положении. Таким образом, контакт
разделяется на две части: в одной происходит гашение дуги, в другой ток
проводится длительно. Поскольку для контактов по рис. 7.7 непосредственный
контроль провала затруднен, о нем судят по зазору б' между рычагом 4 и
контактной скобой 3. Контактное нажатие создается пружиной 5.
Рис. 7.7.
Контактный узел с перекатыванием подвижного контакта
Во всех
без исключения аппаратах имеется провал контактов, который обеспечивает их
необходимое нажатие. Вследствие обгорания и износа контактов в эксплуатации
провал уменьшается, что приводит к уменьшению контактного нажатия и росту
переходного сопротивления. Поэтому при эксплуатации провал контактов должен
контролироваться и находиться в пределах, требуемых заводом-изготовителем.
Особенно это относится к аппаратам, работающим в режиме частых включений и
отключений (контакторы), где износ контактов интенсивен. Допустимое уменьшение
провала обычно составляет 50 % начального значения.
В
торцевом мостиковом контакте (рис. 3.14) провал обычно составляет 3—5 мм. В
мощных выключателях высокого напряжения он увеличивается до 8—10 мм.
В
высоковольтных масляных выключателях широко применяется розеточная система
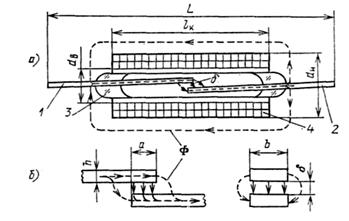
(рис. 7.8). Неподвижный контакт состоит из пальцев (ламелей) 1,
расположенных по окружности. Для уменьшения обгорания концы ламелей снабжены
металлокерамическими наконечниками 2. Контактное нажатие создается пружинами
3. Ламели с помощью гибких связей 5 соединяются с медным цоколем 4.
Параллельное соединение шести ламелей снижает переходное сопротивление
контакта и облегчает работу контакта при токах КЗ, так как через ламель
протекает примерно '/б полного тока контакта. Контактное нажатие обратно
пропорционально квадрату числа ламелей. Подвижный контакт выполнен в виде
стержня круглого сечения, движущегося поступательно. Конец стержня снабжен
металлокерамическим наконечником.
Рис 7.8
Неподвижный розеточный контакт
Для
главных контактов применяется щеточная система (рис. 7.9). Неподвижные контакты
1 выполняются в виде массивных медных призм, часто покрываемых серебром.
Подвижные контакты выполнены в виде пакета эластичных медных пластин 2. Большое
количество пластин создает многоточечный контакт с малым переходным
сопротивлением. При нажатии на подвижный контакт происходит деформация пластин,
скольжение линии касания по поверхности неподвижного контакта и разрушение
пленки оксидов.
Рис. 7.9.
Щеточные контакты
Широкое
применение получили пальцевые самоустанавливающиеся контакты (рис. 7.10).
Неподвижным контактом являются пальцы (ламели) /, выполняемые из меди. Пальцы
крепятся к выводу 2 гибкими связями 3. Нажатие контактов
создается плоскими пружинами 4. Для получения наибольшего числа площадок
касания пружина 4 действует на контакт 1 через сферическую поверхность
заклепки 5 (самоустанавливающийся контакт).
Если не
имеется возможности подвижному контакту самоустанавливаться, то такой контакт
называется не самоустанавливающимся (пружина 4 жестко соединена с
контактом 1). Подвижный контакт выполнен в виде латунной призмы 6.
На рис. 7.11
показана двухступенчатая контактная система с главными 1–1 и
дугогасительными 2— 2' контактами. Главные контакты выполняются
из меди, а поверхности их соприкосновения из серебра, нанесенного
электролитически (слой 20 мкм) или в виде припаянных пластин. Дугогасительные
контакты выполняются из меди и имеют наконечники из дугостойкого материала —
вольфрама или металлокерамики.
Рис 7.10.
Пальцевый самоустанавливающийся контакт
Ввиду
того, что переходное сопротивление цепи главных контактов значительно меньше,
чем дугогасительных, через них проходит 70—80 % длительного тока. При
отключении вначале расходятся главные контакты и весь ток цепи замыкается по
дугогасительным контактам.
Дугогасительные
контакты 2—2' расходятся в тот момент, когда расстояние между
главными контактами достаточно, чтобы выдержать наибольшее напряжение,
возникающее в процессе гашения дуги на дугогасительных контактах.
Рис. 7.11.Двухступенчатая
контактная система
Необходимо
отметить, что при отключении больших токов на главных контактах может
возникнуть дуга. Дело в том, что после размыкания главных контактов весь ток
цепи начинает проходить через дугогасительную систему и на главных контактах
появляется напряжение. Допустим, что дугогасительная система имеет
сопротивление
и индуктивность
, а скорость нарастания тока в этой цепи
. Тогда напряжение на главных
контактах может оказаться достаточным для пробоя промежутка между ними. Для
уменьшения обгорания главных контактов необходимо уменьшать индуктивность L.
При
включении двухступенчатой системы вначале замыкаются дугогасительные контакты,
а затем главные, что обеспечивает отсутствие дуги и оплавления серебряных
поверхностей главных контактов. Ввиду своей сложности двухступенчатые системы
применяются только при очень больших токах (более 2000 А) в автоматах и
выключателях высокого напряжения. Во всех остальных случаях надежная работа
контактов обеспечивается выбором их материала и конструкции при использовании
одноступенчатой системы.
В
заключение отметим, что в настоящее время начинают широко применяться
электрические аппараты с герметизированными контактами и контактами,
работающими в глубоком вакууме.
Жидкометаллические
контакты?
Наиболее
характерные недостатки твердометаллических контактов следующие:
1. С ростом длительного номинального
тока возрастают необходимое значение контактного нажатия, габариты и масса
контактов. При токах 10 кА и выше резко увеличиваются габариты и масса аппарата
в целом.
2. Эрозия контактов ограничивает
износостойкость аппарата.
3. Окисление поверхности и возможность
приваривания контактов понижают надежность аппарата. При больших токах КЗ
контактные нажатия достигают больших значений, что увеличивает необходимую
мощность привода, габариты и массу аппарата.
Рассмотрим
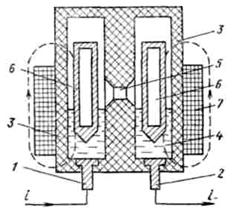
принцип действия контактора с жидкометаллическим контактом (ЖМК) (рис. 3.20).
Внешняя цепь подключается к электродам / и 2. Корпус 3 выполнен
из электроизоляционного
материала. Полости корпуса заполнены жидким металлом 4 и соединяются
между собой отверстием 5. Внутри полостей корпуса плавают пустотелые
ферромагнитные цилиндры 6. При подаче напряжения на катушку 7 цилиндры 6
опускаются вниз. Жидкий металл поднимается и через отверстие 5 соединяет
электроды / и 2, контактор включается.
Рис.
7.12 Контактор с жидкометаллическим контактом
По
сравнению с твердометаллическими ЖМК обладают следующими преимуществами:
1. Малое
переходное сопротивление и высокие допустимые плотности тока на поверхности
раздела электроизоляционного материала. Полости корпуса заполнены жидким
металлом 4 и соединяются между собой отверстием 5. Внутри полостей
корпуса плавают пустотелые ферромагнитные цилиндры 6. При подаче
напряжения на катушку 7 цилиндры 6 опускаются вниз. Жидкий металл
поднимается и через отверстие 5 соединяет электроды / и 2, контактор
включается.
По
сравнению с твердометаллическими ЖМК обладают следующими преимуществами:
1. Малое
переходное сопротивление и высокие допустимые плотности тока на поверхности
раздела жидкий металл—электрод (до 120А/мм2), что позволяет резко сократить
габаритные размеры контактного узла и контактное нажатие, особенно при больших
токах.
2. Отсутствие вибрации, приваривания,
залипания и окисления контактов при их коммутации.
3. Высокая механическая и электрическая
износостойкость ЖМК, что позволяет создавать аппараты с большим сроком службы.-
4. Возможность разработки коммутационных
аппаратов на новом принципе [автоматический восстанавливающийся предохранитель и
др.] благодаря свойствам текучести жидкого металла.
5. Возможность работы ЖМК при высоких
внешних давлениях, высоких температурах, в глубоком вакууме.
К
электрическим аппаратам обычно предъявляется требование сохранять
работоспособность в интервале температур ±40СС. Очевидно, что жидкий
металл должен сохранять свое состояние в указанном интервале. Из известных
материалов только ртуть находится в жидком виде при температуре ниже 0°С и может
быть в чистом виде пригодна для ЖМК. Высокая токсичность паров ртути
существенно осложняет технологию ее применения.
В ЖМК
перспективно применение диэлектрического или металлокерамического твердого каркаса,
пропитанного жидким металлом.
Герметичные
контакты (герконы)
Наименее
надежным узлом электромагнитных реле является контактная система. Электрическая
дуга или искра, образующиеся при размыкании и замыкании контактов, 



приводят к их быстрому разрушению.
Этому также способствуют окислительные процессы и покрытие контактных
поверхностей слоем пыли, влаги, грязи. Существенным недостатком
электромагнитных реле является и наличие трущихся механических деталей, износ
которых также сказывается на их работоспособности. Попытки разместить контакты
и электромагнитный механизм в герметизированном объеме с инертным газом не
приводят к положительным результатам из-за больших технологических и
конструктивных трудностей, а также из-за того, что контакты при этом не
защищаются от воздействия продуктов износа и старения изоляционных материалов.
Другим недостатком электромагнитных реле является их инерционность,
обусловленная значительной массой подвижных деталей. Для получения необходимого
быстродействия приходится применять специальные схемы форсировки, что приводит
к снижению надежности и росту потребляемой мощности.
Перечисленные
недостатки электромагнитных реле привели к созданию реле с герметичными
магнитоуправляемыми контактами (герконами).
Простейшее
герконовое реле с замыкающим контактом изображено на рис. 7.13, а. Контактные
сердечники (КС) 1 и 2 изготавливаются из ферромагнитного
материала с высокой магнитной проницаемостью (пермаллоя) и ввариваются в
стеклянный герметичный баллон 3. Баллон заполнен инертным газом — чистым
азотом или азотом с небольшой (около 3 %) добавкой водорода. Давление газа
внутри баллона составляет (0,4—0,6) • 105 Па. Инертная среда
предотвращает окисление КС. Баллон устанавливается в обмотке управления 4. При
подаче тока в обмотку возникает магнитный поток Ф, который проходит по КС1 и
2 через рабочий зазор б между ними и замыкается по воздуху вокруг
обмотки 4. Поток Ф при прохождении через рабочий зазор создает тяговую
электромагнитную силу Рэ, которая, преодолевая упругость КС,
соединяет их между собой. Для улучшения контактирования поверхности касания
покрываются тонким слоем (2—50 мкм) золота, родия, палладия, рения, серебра и
др.
При
отключении обмотки магнитный поток и электромагнитная сила спадают и под действием
сил упругости КС размыкаются. Таким образом, в герконовых реле отсутствуют
детали, подверженные трению (места крепления якоря в электромагнитных реле), а
КС одновременно выполняют функции магнитопровода, токопровода и пружины.
В связи
с тем что контакты в герконе управляются магнитным полем, герконы называют
магнитоуправляемыми контактами.
Рис. 7.13.
Простейшее герконовое реле с симметричным замыкающим контактом
На
основе герконов могут быть созданы также реле с размыкающими и переключающими
контактами. В герконе с переключающим контактом (рис. 7.14, а)
неподвижные КС 1, 3 и подвижный 2 размещены в баллоне 4. При
появлении сильного магнитного поля КС 2 притягивается
Рис. 7.14.
Переключающие герконы
к КС 1
и размыкается с КС 3. Один из КС переключающего геркона (например, 2)
может быть выполнен из немагнитного материала (рис. 7.14,б).
Герконовое реле (рис 11.4, в) имеет два подвижных КС 1, 2, два
неподвижных КС 5, 6 и две обмотки управления 7, 8. При согласном
включении обмоток замыкаются КС 1 и 2. При встречном включении обмоток
КС 1 замыкается с КС 5, а КС 2 с КС 6. При отсутствии тока
в обмотках все КС разомкнуты. Герконовое реле (рис. 7.14, г) имеет
переключающий контакт 3 сферической формы. При согласном включении
обмоток 7 и 8 контакт 3 притягивается к КС и КС 2 и
замыкает их. После отключения обмоток 7 и 8 и при согласном включении обмоток 9
и 10 контакт 3 замыкает КС 5 и КС 6. Так как КС
герконов выполняют функции возвратной пружины, им придаются определенные
упругие свойства. Упругость КС обусловливает возможность их вибрации
(«дребезга») после удара, который сопутствует срабатыванию. Длительность такой вибрации
достигает 0,25 мс при общем времени срабатывания 0,5—1 мс. Одним из способов
устранения влияния вибраций является использование жидкометаллических
контактов. В переключающем герконе (рис. 7.15, а) внутри подвижного КС 1
имеется капиллярный канал, по которому из нижней части баллона 4 поднимается
ртуть 5. Ртуть смачивает поверхности касания КС 1 с КС 2 или КС 3.
В момент удара контактов при срабатывании возникает их вибрация. Из-за
ртутной пленки на контактной поверхности КС 1 вибрация не приводит к разрыву
цепи. В конструкции на рис. 7.15,б между КС 2, КС 3 и
ртутью 5 находится ферромагнитная изоляционная жидкость 6. При
возникновении магнитного поля ферромагнитная жидкость 6 перемещается
вниз, в положение, при котором поток будет наибольшим. Ртуть вытесняется вверх
и замыкает КС 2 и КС 3. Следует отметить, что жидкометаллический
контакт позволяет уменьшить переходное сопротивление и значительно увеличить
коммутируемый ток. Наличие ртути удлиняет процесс разрыва контактов, что
увеличивает время отключения реле.
Управление
герконом можно осуществлять и с помощью постоянного магнита. Если постоянный
магнит установлен вблизи геркона, его магнитный поток замыкается через КС,
которые в результате этого находятся в замкнутом состоянии. Использование
постоянного магнита совместно с управляющей катушкой позволяет создать
герконовое реле с размыкающим контактом.
Рис.7.15.
Ртутные герконы
Лекция №8
Тема лекции:
Электрическая дуга, физические явления, основы горения и гашения дуги
постоянного тока
Общие
сведения
Большая
группа электрических аппаратов представлена коммутационными устройствами, с
помощью которых замыкается и размыкается электрическая цепь. Электрический
разряд, возникающий при размыкании контактов, приводит к их износу и в
значительной степени определяет надежность и долговечность аппарата. Этот
разряд в окружающем контакт газе является либо тлеющим разрядом, либо
электрической дугой. Тлеющий разряд возникает при отключении тока менее 0,1 А
при напряжении на контактах 250—300 В. Такой разряд происходит на контактах
маломощных реле, а в более мощных аппаратах является переходной фазой к разряду
в виде электрической дуги. Если ток и напряжение в цепи выше определенных значений,
то имеет место дуговой разряд, обладающий следующими особенностями;
1. Дуговой разряд имеет место только при
относительно больших токах. Минимальный ток дуги для различных материалов для
металлов составляет примерно 0,5 А.
2. Температура центральной части дуги
очень велика и может достигать 6000—25 000 К.
3. При дуговом разряде плотность тока на
катоде чрезвычайно велика и достигает 102—103 А/мм2.
4. Падение напряжение у катода
составляет всего 10— 20 В и практически не зависит от тока.
В
дуговом разряде можно различить три характерные области: околокатодную, область
столба дуги, околоанодную. В каждой из этих областей процессы ионизации и деионизации
протекают по-разному.
а) Околокатодная
область.
Занимает
весьма небольшое пространство длиной не более 10-6 м. Около катода
возникает положительный объемный заряд, создаваемый положительными ионами.
Между этим положительным объемным зарядом и катодом создается электрическое
поле с напряженностью до 107 В/м, в котором движутся электроны,
вышедшие из катода и создающие электрический ток. Электрическое поле
воздействует на электроны, увеличивая их скорость. При соударении такого
электрона с нейтральной частицей может произойти ионизация, для чего электрон
должен обладать определенной энергией.
Напряжение
(разгоняющее напряжение), которое должен пройти электрон для приобретения
энергии, необходимой для ионизации, называется потенциалом ионизации. Для
газов этот потенциал колеблется от 24,58 В (гелий) до 13,3 В (водород). Пары
металлов имеют значительно меньший потенциал ионизации. Так, для паров меди он
равен 7,7 В.
Положительные
ионы, так же как и электроны, разгоняются электрическим полем, но из-за большой
массы скорость их много меньше. При ударе положительного иона о нейтральную
частицу меньшая часть энергии передается на ионизацию, так что ионизация
толчком происходит в основном за счет электронов.
Ввиду
малой протяженности околокатодной области электроны не набирают скорости,
достаточной для ионизации ударом. Чаще всего после удара атом переходит в возбужденное
состояние (электрон атома переходит на более удаленную от ядра орбиту). Для
ионизации возбужденного атома требуется меньшая энергия. В результате
необходимый потенциал ионизации уменьшается. Такая ионизация называется
ступенчатой. При ступенчатой ионизации необходим многократный удар электронов
по атому: на каждый образующийся положительный ион требуются десятки
электронов. Поэтому ток около катода, несмотря на наличие положительных ионов,
носит электронный характер.
Образующиеся
электроны не создают около катода отрицательного объемного заряда, так как их
скорость значительно больше скорости тяжелых положительных ионов. Положительные
ионы разгоняются в поле катодного падения напряжения и бомбардируют катод.
Благодаря этому температура катода поднимается и достигает точки испарения
материала электрода. При высоких температурах появляется термоэлектронная
эмиссия катода, которая в сильной степени зависит от температуры электрода. Проведенные
исследования также показали, что дуга может существовать только за счет
автоэлектронной эмиссии, создаваемой у катода электрическим полем.
б) Область
дугового столба. Энергия, приобретенная заряженными частицами в
электрическом поле дугового столба, столь мала, что практически ионизация
толчком не происходит.
При
большой температуре, которая имеет место в области дугового столба, скорость
частицы возрастает до значения, при котором удар в нейтральный атом приводит к
его ионизации. Такая ионизация называется термической. Основным источником
ионов и электронов в столбе дуги является термическая ионизация. Чем меньше
масса частицы, тем больше ее скорость движения.
Таким
образом, с ростом давления степень ионизации уменьшается. В связи с этим во
многих дугогасящих устройствах (ДУ) электрических аппаратов создается
повышенное давление газа, что способствует гашению дуги. Очень сильное влияние
на ионизацию оказывает температура. Для большого числа двухатомных газов из-за
ступенчатой ионизации процесс образования ионов начинается при температурах 6-103
К. Пары металла ионизируются значительно легче. Заметная ионизация начинается
уже при температурах 3000—4000 К. Поэтому в ДУ необходимы меры против попадания
металлических паров электродов.
в)
Энергетический баланс дуги. Процесс ионизации и процесс деионизации в значительной
степени определяются температурой дугового промежутка. Последняя зависит от
количества тепла, выделяемого в дуге и отводимого от дуги.
Охлаждение
дуги происходит за счет излучения, теплопроводности и конвекции.
Для
открытой дуги, горящей в воздухе, излучением отдается 15—30 % выделяемой в дуге
энергии. Для дуги, горящей в закрытом ДУ, доля тепла, отдаваемого
лучеиспусканием, меньше.
Отвод
тепла за счет теплопроводности газа в значительной степени зависит от его
температуры. Так, при температуре 4000 К молекулы водорода диссоциируют на
атомы. При этом от дуги отводится большое количество тепла. Внешне этот процесс
представляется как резкое увеличение теплопроводности. Теплопроводность газа
сильно зависит от его природы. Так, средняя теплопроводность водорода в 17 раз
больше, чем воздуха. Благодаря своей высокой теплопроводности при прочих равных
условиях водород способствует более быстрому охлаждению столба дуги. Ток,
отключаемый в атмосфере водорода, в 7,5 раза больше, чем в воздухе при том же
давлении.
При
горении дуги в трансформаторном масле последнее разлагается с выделением
водорода, что способствует эффективному гашению дуги. В некоторых аппаратах под
действием магнитного поля дуга перемещается с большой скоростью относительно
воздуха, что приводит к ее охлаждению за счет конвекции. Этот вид теплоотдачи
наряду с теплопроводностью является определяющим для процесса гашения.
г) Околоанодная
область. Поток электронов из столба дуги устремляется к положительному
электроду — аноду. Анод при дуговом разряде не излучает положительных ионов,
которые могли бы нейтрализовать электроны. Поэтому вблизи анода создается
отрицательный объемный заряд, что и вызывает появление околоанодного падения
напряжения и повышение напряженности электрического поля. Околоанодное падение
напряжения зависит от температуры анода, его материала и значения тока.
Электроны
разгоняются в поле, образованном отрицательным объемным зарядом и анодом.
Энергия, приобретенная электронами, отдается аноду. Благодаря большой энергии
электронов анод нагревается до очень высокой температуры, которая, как правило,
выше температуры катода. Мощный поток электронов выбивает из анода электроны,
которые также участвуют в создании отрицательного объемного заряда.
Высокая
температура анода и околоанодная область не оказывают существенного влияния на
возникновение и условия существования дугового разряда. Роль анода сводится к
приему электронного потока из дугового столба.
Для дуги
большого тока околоанодное падение напряжения столь мало, что им можно
пренебречь.
Распределение
напряжения, напряженности электрического поля (градиента) и производной, пропорциональной
объемному заряду а в дуге, представлено на рис.8.1.
Падение
напряжения у катода составляет 10—20 В и зависит от материала катода и свойств
газа, в котором горит дуга. Околокатодное падение напряжения несколько меньше
потенциала ионизации газа из-за наличия около катода его паров, у которых
потенциал ионизации значительно ниже.
Околоанодное
падение напряжения составляет 5—10 В. При больших токах околоанодное напряжение
уменьшается, в то время как околокатодное напряжение остается постоянным.
Рис. 8.1.
Распределение напряжения, напряженности электрического поля и объемных зарядов
в электрической дуге
В
некоторых аппаратах низкого напряжения длина дуги невелика. Падение напряжения
на столбе дуги мало по сравнению с суммой падения напряжения у катода и анода.
Такие дуги называются короткими. Условия гашения короткой дуги в значительной
степени определяются процессами, происходящими у электродов, и условиями их
охлаждения.
В
аппаратах высокого напряжения падение напряжения на столбе дуги значительно
больше околоэлектродных, и последними можно пренебречь. Условия существования
таких дуг, называемых длинными, определяются процессами в столбе дуги.
Физические особенности дугового разряда при высокой плотности газовой
среды
Явление
прохождения электрического тока через газ, называемое газовым разрядом, может
наблюдаться практически при любых значениях тока. На рис. 8.2 изображена
вольтамперная характеристика последовательных стадий газового разряда в воздухе
при атмосферных условиях.
При
несамостоятельном разряде (зона О — В) ток поддерживается за счет
внешних ионизаторов (космические лучи, рентгеновские лучи и др.); при
самостоятельном разряде (зона В — Е) носители электричества
возникают в газоразрядном канале непосредственно за счет ионизирующих факторов,
присущих газоразрядному каналу.
Между
точками О — А зависимость и = / (t) следует закону степени трех вторых.
В стадии
«насыщения» (А — В) все заряды, содержащиеся в промежутке,
достигают электродов. Но так как никакой дополнительной ионизации здесь не
возникает, то значительное увеличение напряжения не ведет к существенному
изменению тока.
За
точкой В напряжение становится достаточным для возникновения ударной
ионизации (под действием сил электрического поля), начинается самостоятельная
форма разряда.
Участок В
— С соответствует стадии пробоя, или «таунсендовской» стадии (по имени
Таунсенда, разработавшего математическую теорию этой стадии).
Наиболее
характерные признаки стадии пробоя: ударная ионизация, незначительные пространственные
заряды, лавинообразный
процесс образования электронов (и
ионов). При больших расстояниях между электродами и достаточно высокой
плотности газа таунсендовская стадия может перейти в так называемую стримерную стадию
пробоя.
Когда
мощность источника становится достаточно большой, способной вызвать в цепи токи
порядка мА, стадия пробоя переходит в стадию тлеющего разряда (С — D). Для тлеющего разряда характерна ударная ионизация, но
уже в условиях резко неравномерного поля, когда основное падение напряжения
приходится на слой у катода. Основной столб разряда в данном случае
представляет собой как бы проводник тока, убыль электронов в котором восполняется
за счет столкновения наиболее «быстрых» электронов с атомами газа. Для тлеющего
разряда также характерно постоянство произведения давления газа на длину
околокатодного слоя.
При достаточно большом токе тлеющий разряд переходит в дуговой (переходная
стадия D — Е).
Рис. 8.2.
Вольтамперная характеристика газового разряда
Дуговой
разряд в газовой среде относительно высокой плотности (при атмосферном и более
высоком давлении) обладает следующими характерными чертами:
1) ясно
очерчена граница между дуговым столбом и окружающей средой;
2) высокая плотность тока в дуговом
столбе (десятки — сотни А/мм2);
3) высокая температура газа внутри
дугового столба, достигающая 5000 –10000° К и более высоких значений. В этих
условиях преобладает термическая ионизация газа (см. ниже). При нормальных
условиях дуговая стадия разряда (и термическая ионизация) в воздухе практически
прекращаются при температурах около 3000° К;
4) высокая плотность тока на катоде и
малое падение напряжения у катода.
Одно
время полагали, что характерной особенностью дуги является высокая температура
катода, однако теперь уже совершенно ясно, что дуговой разряд на металлических
электродах может существовать практически и при холодном катоде. На рис. 2. 2
приведено изображение дугового столба между металлическими контактами и
показано распределение напряжения вдоль него. Как можно видеть, падение напряжения
на дуге складывается из трех слагаемых: катодного падения напряжения; падения
напряжения в дуговом столбе и анодного падения напряжения.
Общее напряжение на дуге
При условии однородности дугового столба последний член —
напряжение на дуговом столбе — может быть представлен как произведение
напряженности электрического поля Е на длину канала дуги.
Катодное
падение
сосредоточено на очень небольшом участке дуги, непосредственно примыкающем к
катоду (около 0,001 мм при нормальном атмосферном давлении). Оно
составляет величину порядка 10 –20 В, следовательно, средняя
напряженность электрического поля у катода достигает величины порядка 105
В/см и выше. При таких напряженностях выход электронов с поверхности
катода может осуществляться в значительной степени за счет автоэлектронной
эмиссии. Если материал катода таков, что температура его кипения может
превысить 2500° К, то эмиссия электронов с поверхности катода может происходить
и за счет термических процессов (термоэлектронная эмиссия). При этих условиях
выход электронов с катода обеспечивается и при более низких падениях напряжения
у катода. В этом случае катодное падение является не прямой причиной выхода электронов
с катода, как при автоэлектронной эмиссии, а косвенной, обеспечивающей
выделение около катода необходимой энергии для подогрева катода.
Возможно
и совместное существование термической и автоэлектронной эмиссии при нагретом
катоде.
Дуга
может существовать между металлическими электродами и при холодном катоде. В
этом случае имеет место в основном автоэлектронная эмиссия.
Рис. 8.3.
Распределение напряжения по длине электрической дуги
Возможен
и такой механизм выхода электронов с катода, когда за счет высокой удельной
плотности энергии в области околокатодного пространства возникает высокая
степень термической ионизации газа. При этом электроны уходят в зону Дуговой
плазмы, а положительные ионы, падая на катод, забирают электроны из катода,
образуя нейтральные атомы. Таким образом создается электрический ток в цепи.
Вполне вероятно, что при холодном катоде имеет место совместное действие
автоэлектронной эмиссии и эмиссии за счет термической ионизации в околокатодном
пространстве. Следовательно, каким бы ни был механизм освобождения электронов с
катода, при всех условиях у катода должна совершаться работа, т. е. выделяться
энергия, что и обеспечивается благодаря катодному падению напряжения.
Анодное
падение напряжения имеет место в области, непосредственно примыкающей к аноду.
Оно не является необходимым условием существования дугового разряда, так как
задача анода относительно пассивная — принимать идущий к нему из зоны плазмы
дуги электронный поток. Повышение же напряженности электрического поля у анода
является следствием образования у анода пространственного отрицательного заряда
из-за недостатка ионов у анода. Анод в дуговом разряде не излучает
положительные ионы. Ионы же, возникающие в дуговом столбе, хотя и с небольшой
скоростью, движутся к катоду, таким образом непосредственно у поверхности анода
образуется преобладание отрицательных зарядов и создается условие для анодного
скачка напряжения (анодного падения напряжения). Величина анодного падения
напряжения зависит от температуры анода, рода металла и пр. Пришедшие из столба
дуги электроны, нейтрализуясь на аноде, освобождают «работу выхода»,
затраченную ранее на выход электронов из катода. Часто температура анода бывает
даже выше, чем температура катода.
Падение
напряжения в дуговом столбе UCT представляет собой произведение напряженности электрического
поля Е на длину столба l.
Произведение напряженности электрического поля на ток в дуге определяет
мощность, подводимую к дуговому столбу из сети на единицу его длины W = Ei.
При
установившемся состоянии эта мощность равна мощности, рассеиваемой дугой в
окружающее пространство Р, т. е. Р = W.
Рассеивание
энергии дуговым столбом идет посредством излучения, теплопроводности и
конвекции. При различных условиях гашения дуги в отключающих аппаратах может
преобладать тот или иной вид теплоотдачи. Это зависит от величины тока, среды,
в которой образуется дуга (различные газы или жидкости), давления, состояния
среды (неподвижная или движущаяся) и пр.
Величина
напряженности электрического поля в дуговом столбе также существенно зависит от
условий, в которых горит дуга, и свойств дугогасящей среды. На практике
наблюдается колебание напряженности электрического поля в пределах 10 – 200 В/см.
Меньшая цифра относится к открытым дугам в воздухе при относительно больших
токах, а большая — к дугам, находящимся в потоке газов или паров жидкости,
когда отбор тепла от дугового столба делается особо интенсивным.
В
дуговом разряде с изменением тока меняются радиус дугового столба, температура
газа и плотность ионизации. В результате часто получается падающая
вольтамперная характеристика, т. е. напряженность электрического поля в дуговом
столбе уменьшается с ростом тока, как показано на рис. 8.4 (кривая 1).
Можно
получить зависимость между напряженностью электрического поля и током в дуговом
столбе. Мощность, поглощаемая дугой, в стационарном состоянии полностью
отдается в окружающее пространство. Эту мощность дуга отдает не только с
поверхности, как это имеет место у твердого тела, но и всем своим объемом.
Но
иногда можно наблюдать, что Е остается постоянной величиной, не
зависящей от тока. Это может иметь место когда плотность зарядов в дуговом
канале остается величиной постоянной, не зависящей от тока. Такое состояние
получается в том случае, когда сечение дуги пропорционально току, текущему
через нее. Постоянство напряжения на дуге наблюдается при гашении дуги
переменного тока в выключателях, т.е. в условиях интенсивной деионизации
дугового канала. Отсюда можно заключить, что в таких дугах сечение канала
возрастает пропорционально току и плотность тока сохраняется постоянной.
Рис. 8.4.
Вольтамперные характеристики электрической дуги:
Рассмотренные
зависимости относятся к статическим вольтамперным характеристикам. Однако при
быстром изменении тока в дуге напряжение на ней может довольно существенно
отличаться от того, которое имеет место при установившемся значении. Это
происходит вследствие того, что процессы в дуговом канале обладают инерционностью
и для их установления требуется некоторое время.
Рассмотрим
рис. 8.4, а, на котором показано семейство вольт-амперных характеристик
для различных скоростей убывания тока. Кривая 1 — это статическая вольтамперная
характеристика, относящаяся к открытой дуге в воздухе. Если от значения i = I ток убывает с различными скоростями, то чем выше
скорость спада тока, тем ниже проходит вольтамперная характеристика. Это
происходит потому, что при снижении тока такие параметры дуги, как сечение дуги,
температура газа и степень ионизации, не успевают быстро измениться и
приобрести значения, соответствующие меньшему значению тока при установившемся
режиме. В результате напряжение на дуговом столбе может существенно отличаться
от значений, определяемых статической характеристикой. Эта серия характеристик
при резких скоростях спада тока носит название динамических вольтамперных характеристик.
При
бесконечно высокой скорости спада тока к нулю активное падение напряжения на
дуге изменяется по прямой 2, так как при очень быстром уменьшении тока в
цепи физические свойства канала не успевают сколько-нибудь измениться, т. е.
сопротивление канала остается неизменным и, следовательно, напряжение на дуге
будет падать прямо пропорционально току. Этот крайний предел — падающая к нулю
прямая — практически не достижим. Обычно те динамические характеристики,
которые получаются в аппаратах отключения при спаде тока, имеют всегда
возрастающий характер. Особенно большое отступление от статической
характеристики при спаде тока наблюдается в области малых токов, т. е. при
подходе тока к нулю (непосредственно перед гашением дуги), что способствует
ограничению перенапряжений на выключателе и элементах цепи.
Динамическая
характеристика дуги лежит в общем ниже статической, если она соответствует
условиям спадания тока от некоторого сравнительно большего значения к меньшему.
В другом случае, когда ток цепи не уменьшается, а, наоборот, возрастает
независимо от сопротивления дуги, динамическая характеристика дуги в принципе
может лежать выше ее статической характеристики.
На рис. 8.4,
б представлена динамическая характеристика дуги синусоидального тока. Ее
ветви 1 и 2 относятся к первой половине полупериода, когда ток нарастает
во времени, а ветви 3 и 4 — ко второй полуволне, когда ток
уменьшается.
Вид
статических (и динамических) характеристик определяется многими условиями, в
том числе и способом гашения дуги.
Гашение электрических дуг в цепях постоянного тока
При
размыкании контактов аппарата, находящегося в цепи постоянного тока, возникает
дуговой разряд. Для гашения возникающей дуги постоянного тока обычно стремятся
повысить напряжение на дуге (и ее сопротивление) или путем растяжения дуги, или
путем повышения напряженности электрического поля в дуговом столбе, а большей
частью — одновременно и тем и другим путями.
Это
достигается применением специальных дугогасительных камер в выключающих
аппаратах, задача которых состоит в том, чтобы обеспечивать быстрое растяжение
дуги и повышение напряжения на ней, с одной стороны, а с другой — ограничивать
распространение порождаемого ею пламени и раскаленных газов в приемлемом объеме
пространства.
Казалось
бы, что идеальным выключателем постоянного тока будет тот, сопротивление межконтактного
промежутка в котором может мгновенно возрастать от нуля до бесконечности. Тогда
мгновенно прекращалось бы протекание тока по цепи. Однако для реальных цепей
постоянного тока, которые всегда содержат индуктивность L, такой выключатель не пригоден. Дело в том, что
запасенная в индуктивной цепи электромагнитная энергия должна куда-то
израсходоваться в процессе отключения цепи. Она может уйти, например, на заряд
емкости С (рис. 8.5), параллельной дуговому промежутку, и существенно
повысить напряжение на ней.
В
пределе максимально возможное перенапряжение на емкости определится из
равенства энергии:
(8.1)
Для примера
возьмем реальные величины:
Тогда
Естественно,
что такие большие перенапряжения для низковольтных установок недопустимы.
Электрическую цепь следует отключать так, чтобы перенапряжения не превышали тех
величин, которые может выдержать без пробоя электрическая изоляция. Такие
условия выполняются в рационально сконструированных выключателях с
электрической дугой, при гашении которой большая часть электромагнитной энергии
цепи превращается в тепловую и рассеивается столбом дуги в окружающую среду. В
результате энергия, запасаемая в емкости, и перенапряжения на емкости
снижаются. В этом отношении электрическая дуга играет, очевидно, положительную
роль.
Рис.8.5.Цепь
постоянного тока с электрической дугой.

Для того чтобы уяснить условие угасания
дуги в цепи постоянного тока, необходимо сначала выяснить условия стабильного
ее горения, На рис. 8.6 показана статическая вольтамперная характеристика
дуги Там же приведены величина напряжения источника UИ и вольтамперная характеристика сопротивления цепи
На рис. 8.5
была изображена электрическая цепь постоянного тока с дугой. Принципиально во
всех реальных схемах присутствует емкость С (емкости между токоведущими
проводами, проводами и землей и т. д.). Но обычно в процессе горения дуги D через С протекают относительно
небольшие токи в сравнении с основным током цепи i, и влияние С обычно не учитывается. Это влияние
становится заметным в конце процесса гашения дуги, когда ток i приближается к нулевому значению, а
напряжение на дуговом промежутке резко возрастает. При таком допущении общее
уравнение баланса напряжений для цепи с дугой будет выглядеть следующим
образом:
(8.2)
Рис.8.6. Графическая интерпретация условия гашения дуги постоянного
тока

В установившемся состоянии при
(8.3)
Для удобства анализа вместо прямой проведем реостатную или
внешнюю характеристику . Это будет прямая (рис. 8.6), исходящая из точки на оси
ординат и пересекающая ось абсцисс в точке
где установившийся ток в цепи при замкнутом
выключателе В, т. е. при UR = 0.
Нетрудно
видеть, что прямая пересекает вольтамперную характеристику дуги " в
точках А и Б. В них соблюдается уравнение (8.3). Однако подлинно
устойчивое состояние обеспечивается в точке А, так как при меньшем токе
мы должны написать
а при
токе, большем, чем в точке
В
рассматриваемом контуре (см. рис.8.5) величина бU может компенсироваться только за счет
э. д. с. самоиндукции (см. соотношение 8.2), т. е.
При этом слева от точки А
, а следовательно, и
, должны быть
положительными. Справа же от точки А
, следовательно, и
, должны быть отрицательными. Это возможно
только в том случае, когда слева от точки А ток возрастает, а справа —
убывает. В точке Б это условие равновесия не обеспечивается, так как справа
от нее ток возрастает (переходит в точку А), а слева - убывает (дуга
угасает), точка Б характеризует собой неустойчивое равновесие.
Таким
образом, если разомкнуть цепь при токе I и при этом на контактах установится дуга с
напряжением Uл (полагаем, что дуга сразу достигает определенной длины,
которой соответствует характеристика UR = f(i), нанесенная на рис. 8.6), то ток спадет со значения I до
и
дуга при этом будет устойчиво гореть.
Для
обеспечения условий гашения дуги после размыкания контактов необходимо, чтобы
вольтамперная характеристика дуги оказалась выше внешней характеристики цепи, т.
е. прямой
когда не будет пересечения
этих кривых и не возникнет точка А. В этом случае ток в цепи со значения
I будет убывать до нуля. Во всем
диапазоне изменения тока от I
до 0 будет сохранено условие
(8.4)
Весьма
эффективным средством, повышающим дугогасящие свойства аппарата и снижающим
перенапряжения при отключении цепей постоянного тока, являются шунтирование
дугового промежутка активным сопротивлением г (рис. 8.7).
На рис.
8.8 дано построение, позволяющее сделать заключение об эффективности
шунтирования дугового промежутка сопротивлением r. Шунтирующее сопротивление r находится под тем же напряжением Uд, что и дуга. Ток в цепи, текущий через индуктивность L и сопротивление R, разветвляется на ток дуги и ток шунта, при этом
всегда остается справедливым равенство
Рис. 8.7.
Электрическая цепь постоянного тока с дугой, шунтированной активным
сопротивлением
Для
оценки условий гашения дуги необходимо построить зависимость напряжения на дуге
от общего тока, т. е. UA = f(i), чтобы судить, как ориентируется кривая напряжения по
отношению к реостатной характеристике цепи Uи — iR =
f(i). Из рис. 8.8 можно видеть, что (без шунта) кривая напряжения
на дуге проходит вблизи прямой почти касаясь ее. Условия гашения дуги здесь
соблюдаются, но они близки к предельным, так как даже небольшое понижение
характеристики дуги привело бы к устойчивой дуге. Кроме того, пик напряжения на
дуге в конце гашения весьма велик, а так же высоко значение
т. е. напряжение на индуктивности
Если же мы подключаем к дуговому
промежутку сопротивление r, имеющее
вольтамперную характеристику в виде прямой общий ток в цепи i должен складываться из токов дуги и шунта, т. е.
Кривая напряжения на дуге в функции общего тока 2
(рис. 8.8) лежит существенно выше, чем кривая напряжения на дуге без шунта 1.
Таким образом, процесс гашения происходит значительно быстрее, и наибольший пик
напряжения на дуге будет
В этот момент дуга гаснет. После этого ток продолжает убывать до момента пересечения прямых (iro). Этот ток остается
в цепи. Он равен
Для полного разрыва цепи ток iro необходимо
отключить дополнительным контактом К (рис. 8.5). В этом состоит
недостаток метода шунтирования, так как он несколько усложняет коммутационный
аппарат.
Рис.8.8.
Построение вольтамперной характеристики при шунтировании дуги активным сопротивлением
Аналогичных результатов можно достичь, прибегая к
шунтированию индуктивности цепи или всей нагрузки. Однако этот метод имеет
недостаток, потому что при включенной цепи через шунт будет непрерывно
протекать ток и в нем возникнут значительные потери. При сопоставлении
рассмотренных методов можно заключить, что более рациональным является
применение шунтов на выключателях.
Как уже было сказано, критическим можно назвать
такой режим, когда характеристика UA = f(i) делается
касательной к внешней характеристике цепи. Длину дуги, при которой наступает
такой режим, называют критической. При длине, большей критической, дуга
всегда гасится, а при меньшей — возможно устойчивое ее горение.
Лекция №9
Тема лекции:
Горения и гашения дуги переменного тока: в условиях активной деионизации,
высокого напряжения, низкого напряжения.
Условия
гашения дуг переменного тока
Дуга
переменного тока обычно гасится легче, чем дуга постоянного тока. Чтобы
погасить дугу постоянного тока, надо насильственно свести к нулю ток цепи путем
непрерывного увеличения сопротивления дугового столба (практически до
бесконечности). При переменном токе этого делать не требуется: здесь через
каждый полу период ток естественным путем проходит через нулевое значение, и
надо лишь воспользоваться этим обстоятельством и создать вблизи перехода через
нуль такие условия в межконтактном промежутке, чтобы протекание тока цепи вслед
за этим переходом не возобновлялось. Поэтому условия гашения дуги переменного
тока следует трактовать иначе, чем условия гашения дуги постоянного тока.
Исключением может быть лишь открытая дуга переменного тока в установках
высокого напряжения, когда определяющим фактором является активное
сопротивление сильно растянутого дугового столба. Тогда условия гашения дуги
переменного тока по существу становятся близкими к условиям гашения дуги при
постоянном токе. В другом крайнем случае сопротивление столба дуги во время ее
горения практически не влияет на процесс ее гашения (в условиях активной
деионизации), и тогда при определении условий гашения дуги рассматривается
взаимозависимость процессов за переходом тока через нуль. Но существует и
третий случай, когда при оценке условий гашения дуги надо считаться как с
влиянием активного сопротивления столба дуги, так и учитывать характер
протекания процессов за нулем тока.
Перейдем
к рассмотрению этих трех случаев.
А.
Открытая дуга переменного тока при высоком напряжении источника
Открытая
дуга переменного тока в моменты перехода тока через нуль сохраняет высокую
проводимость, и поэтому в установках высокого напряжения гашение открытой дуги
происходит не вследствие перехода через нуль и образования прочности промежутка,
а главным образом вследствие растяжения дугового столба и образования на нем
высокого напряжения горения (на всем протяжении полупериода). При таком режиме
ток в цепи начинает заметно падать за несколько периодов до полного обрыва дуги
и причиной его ограничения является возрастание сопротивления канала дуги.
При
определенной длине дуги переменного тока напряжение сети оказывается
недостаточным для поддержания горения дуги (критическая длина), наступает
нарушение баланса мощностей (подводимой и отдаваемой), и ток цепи довольно
быстро уменьшается и, наконец, совсем прекращается.
На рис. 9.1
приведена осциллограмма тока и напряжения на дуге переменного тока, возникшей
при размыкании ножа разъединителя высокого напряжения.
Рис. 9.1.
Осциллограмма тока и напряжения открытой дуги при высоком напряжении источника
В начале
процесса, как можно видеть, ток в цепи меняется очень слабо и его величина
определяется главным образом сопротивлением цепи. По мере же растяжения дуги
доминирующим становится сопротивление дуги.
Таким
образом, если в основу анализа процесса гашения открытой дуги переменного тока
положить условие нарушения баланса напряжений при горении дуги (но не в нулевые
переходы тока), то задача может быть сведена по существу к той же самой,
которая возникает и при гашении дуги постоянного тока.
Для этой
цели сделаем допущение, что статическая вольтамперная характеристика дуги при
постоянном токе отражает зависимость между напряжением на дуге при переменном
токе в момент максимума тока от амплитуды тока (амплитудная характеристика).
Также предположим, как это мы делаем в случае постоянного тока, что для цепи
переменного тока, содержащего только активное сопротивление, можно принять то
же условие устойчивости горения дуги, т. е.
(9.1)
где Um — амплитудное значение напряжения источника
(сети):
амплитуда тока в цепи с дугой;
напряжение па дуге в момент максимума тока
Если так
же, как и ранее, предположить, что напряжение при максимуме тока связывается с
амплитудой тока уравнением
(9.2)
то
критическая длина дуги может быть представлена
где
амплитудное значение тока в цепи, ограниченного
только собственным сопротивлением цепи R (дуговой промежуток замкнут накоротко). Если положить,
для воздуха и относительно небольших токов как и ранее, С = 80 и а = 0,5
и выразить ток и напряжение в действующих значениях, то для цепи, содержащей
только активное сопротивление (безиндуктивная цепь), получим
(9.2)
где действующее значение критического
тока, А;
действующее значение тока цепи при закороченном дуговом промежутке,
А;
действующее
значение напряжения сети, кВ критическая длина дуги, м При растянутой дуге
напряжение на дуговом промежутке приближается к синусоидальному, поэтому для
ориентировочных расчетов можно сделать допущение о синусоидальности напряжения на
дуге, что позволяет баланс напряжений для цепи содержащей индуктивное
сопротивление и сопротивление столба дуги представить так:
(9.3)
Используя
опять уравнение вольтамперной характеристики дуги и решая задачу в отношении
критической длины дуги и критического тока, получим после подстановки для частного
случая С = 80 и а = 0 5 получим'
(9.1)
где ток
выражен в амперах; напряжение в киловольтах; lкр — в метрах.
Из
сопоставления формул можно видеть, что в цепях с индуктивным сопротивлением
критический ток и критическая длина дуги имеют более высокие значения по
сравнению со значениями этих величин в цепи с чисто активным сопротивлением.
Приведенные
формулы не учитывают ряда факторов, имеющих влияние на процесс гашения дуги
(расположение электродов, ветровые условия и пр.), и могут служить лишь для
ориентировочных расчетов критических токов и критических длин дуг при их
угасании в установках высокого напряжения.
Б.
Дуга переменного тока в условиях активной деионизации
Если
столб дуги переменного тока подвергается интенсивной деионизации, то в этом
случае механизм гашения дуги существенно меняется по сравнению с предыдущим
(открытая дуга в цепи высокого напряжения). За счет активного воздействия
газовой или жидкой среды диаметр дугового канала сокращается (плотность тока
повышается) и изменение его следует почти синхронно с током.
При
подходе тока к нулю дуговой столб приобретает весьма малые размеры и благодаря
этому быстро распадается после достижения током нулевого значения, теряет свою
проводимость и приобретает заметную электрическую прочность. В таком случае
восстановление дуги в следующий полупериод связано с пробоем межконтактного
промежутка. Эти условия характерны для отключающих аппаратов относительно
высокого напряжения.
Таким
образом, дуга переменного тока в условиях активной деионизации дугового столба
представляет собой такое явление, когда при каждом переходе тока через нуль
возникает соревнование двух процессов, а именно: процесса восстановления
электрической прочности промежутка и процесса восстановления напряжения на
промежутке. Исходя из такой трактовки процесса, нетрудно заключить, что для
угасания дуги переменного тока при интенсивной деионизации необходимо
обеспечить такой режим, при котором электрическая прочность дугового промежутка
после достижения током его нулевого значения нарастала бы достаточно быстро и
достигала бы достаточного уровня.
На рис. 9.2
показано изменение тока в цепи и напряжения на дуге, подвергающейся интенсивной
деионизации, но все же горящей устойчиво в течение нескольких полупериодов. Как
видно из этого рисунка, после первого и второго переходов тока через нуль
напряжение на дуговом промежутке достигает относительно высоких значений пиков
напряжения зажигания U3, при которых возникает зажигание дуги
в последующий период. В процессе протекания тока наблюдается задержка на нуле
(ожидание пробоя). Эти задержки в токе на нуле могут быть большей или меньшей
величины в зависимости от существующих условий в цепи (сдвига фаз между током и
напряжением, величины напряжения, действующего в цепи, постоянных контура L, С и R).
Если
обратиться снова к рис. 9.2, можно установить, что после третьего перехода
через нуль прекратилось протекание тока по цепи, т. е. дуга погасла, а на
межконтактном промежутке выключателя полностью восстановилось напряжение,
развиваемое источником (рис. 9.2, а). Сдвиг фаз между током и
напряжением при этом принят близким к 90°. Как можно видеть из рисунка, при
активной деионизации дуги пики напряжения зажигания ее обычно значительно
превосходят по своей величине напряжение горения дуги. Таким образом, в отличие
от открытой дуги, напряжение горения UД не является определяющей величиной при оценке условий
угасания дуги.
Из рис. 9.2
также видно, что при первом переходе тока через нуль пик напряжения на дуге
несколько меньше напряжения источника, и дуга легко зажигается вновь. При втором
переходе тока через нуль, пик напряжения зажигания дуги несколько превышает
напряжение зажигания при первом переходе тока через нуль, но все же дуга
зажигается. При восстановлении напряжения на промежутке после третьего перехода
через нуль возникают колебания, вследствие чего напряжение на нем существенно
превосходит напряжение источника (в данном рассмотрении амплитуду напряжения).
Рис.9.2
.Процессы при гашении дуги переменного тока
Теоретически,
если пренебречь пиком гашения дуги и затуханием колебаний (контур без потерь),
амплитудное значение восстанавливающегося напряжения на дуговом промежутке
может достигнуть двойной величины. При третьем переходе тока через нуль
прочность промежутка достигает такой величины, что пик восстанавливающегося
напряжения U оказывается недостаточным, чтобы
вызвать повторное зажигание дуги, и цепь обрывается окончательно. Напряжение на
промежутке в своем переходном режиме совершает ряд колебаний и далее меняется с
рабочей частотой.
При
оценке жесткости сети обычно подразумевают идеальный выключатель, т. е.
полагают, что напряжение на дуге равно нулю, а после перехода тока через нуль
сопротивление промежутка становится сразу равным бесконечности. При таком
предположении восстановление напряжения на выключателе начинается с нуля, а не
с пика гашения, и на затухание восстанавливающегося напряжения оказывает
влияние только сопротивление цепи.
Существенно
важной величиной при оценке жесткости сетей является коэффициент превышения
амплитуды, представляющий собой отношение максимальной величины
восстанавливающегося напряжения Uвт к мгновенному значению напряжения источника в момент перехода тока через
нуль.
Таким
образом, условие гашения дуги переменного тока при активной деионизации
промежутка может быть сформулировано следующим образом: если после перехода
тока через нуль прочность промежутка нарастает быстрее и остается все время
выше, чем восстанавливающееся напряжение на выключателе, то процесс
заканчивается угасанием дуги.
При
несоблюдении этого условия наступают повторный пробой и восстановление дуги.
В.
Дуга переменного тока в условиях отключения цепей низкого напряжения
В
установках низкого напряжения (до 1000 в) электрическое сопротивление
столба дуги обычно бывает соизмеримым с сопротивлением отключаемой цепи, а
напряжение на дуге — с напряжением источника питания. В таких условиях уже
нельзя пренебрегать влиянием напряжения (и сопротивления) дуги, а с другой
стороны, — нельзя не рассматривать явлений на нуле тока, т. е. не учитывать
влияния восстановления прочности при переходе тока через нуль.
Общая
картина процессов при отключении цепи переменного тока низкого напряжения
представлена на рис. 9.3. До момента размыкания контактов аппарата (МРК) по
цепи протекал ток I,
определяемый в совокупности величинами
В момент
t0 разомкнулись контакты аппарата и начало возрастать
сопротивление дугового промежутка Rд
и напряжение на нем UД.
Увеличивающееся
при гашении дуги сопротивление Rд
приводит к некоторому уменьшению амплитудных значений тока (I1,I2,I3) по полупериодам и уменьшению сдвига
фаз между током цепи iД и
напряжением источника UИ. Соответствующие углы сдвига фаз,
определяемые отрезками времени между моментами перехода через нуль тока дуги и
напряжения источника, обозначены через
Понятие
о сдвиге фаз между током и напряжением относится к синусоидальным явлениям. В
процессе гашения электрической дуги в установках низкого напряжения синусоида
тока искажается вследствие роста сопротивления дуги. Поэтому понятие о сдвиге
фаз здесь носит условный характер. В моменты перехода тока дуги через нуль
(точки1 и 2) не создавалось необходимых условий для
окончательного погасания дуги за этими переходами и она повторно зажигалась
вслед за ними. В момент 3-го перехода тока через нуль такие условия создались,
дуга погасла и протекание тока по цепи прекратилось. За этим переходом по цепи
может протекать лишь небольшой остаточный ток i0CT, определяемый так называемой
остаточной проводимостью межконтактного промежутка аппарата.
При
анализе условий возникновения между контактами выключателя электрической
прочности, необходимой для гашения дуги, обычно рассматривают раздельно
короткие и длинные промежутки с целью наиболее четкого выявления тех
особенностей, которые необходимо использовать при конструировании
дугогасительных устройств выключателей, предохранителей, контакторов,
разрядников и пр.
В
действительности, особенно в аппаратах низкого напряжения, имеют место
смешанные процессы, т. е. свойственные и коротким, и длинным дугам
одновременно.
Рис.9.3.Характер
процессов при отключении цепи переменного тока низкого напряжения
Лекция №10
Тема лекции:
Магнитные усилители (МУ), дроссельный МУ, характеристики и режимы работы.
МУ с самоподмагничиванием (МУС). Двухполупериодные схемы МУС
Общие
сведения
Бесконтактными
электроаппаратами называют устройства, предназначенные для включения,
выключения или переключения (коммутации) электрических цепей без физического
разрыва цепи.
Основой
построения бесконтактных электроаппаратов служат различного рода нелинейные
элементы. Главными из них являются нелинейные индуктивности — ферромагнетик с
обмотками и нелинейные активные сопротивления — полупроводниковые приборы.
Ниже
будут рассмотрены выполняемые на базе ферромагнетиков и полупроводниковых
приборов некоторые основные элементы (магнитные и полупроводниковые усилители,
логические элементы), на базе которых могут быть выполнены различного рода
бесконтактные электрические аппараты.
Большинство
из рассматриваемых элементов называют усилителями. Блок-схема простейшего
усилителя приведена на рис. 10.1, в нем последовательно с напряжением питания
включены нагрузка Z„ и управляемое
нелинейное сопротивление (L = var, или R = var);
эта цепь называется рабочей. Нелинейное сопротивление управляется от
специального источника сигнала управления (чаше от источника постоянного
напряжения Uy). Цепь, состоящая из источника
сигнала управления, сопротивления Z.. и нелинейного сопротивления, называется цепью управления.
С
изменением тока цепи управления iy меняются параметры нелинейного сопротивления и ток в рабочей
цепи iр. В результате оказывается возможным малыми мощностями
в цени управления управлять
большими мощностями в нагрузке. Усиление происходит за счет мощности источника
питания.
Рис.
10.1. Блок-схема усилителя
Если
управляемым нелинейным сопротивлением является ферромагнитный сердечник с
обмотками (L = var) — усилитель называется магнитным. Если это полупроводниковый
прибор R= var) — усилитель называется полупроводниковым.
Полупроводниковые
усилители питаются от источника постоянного или переменного тока. Магнитные
усилители — от источника переменного напряжения (иногда импульсного,
однополярного).
В то
время как принцип работы полупроводникового усилителя весьма прост и достаточно
поясняется блок-схемой (рис. 6.1), принцип работы магнитного
усилителя требует специального пояснения.
Дело в
том, что при перемагничивании ферромагнитного сердечника на его рабочей обмотке
(включенной в рабочую цепь) создается противо-э. д. с, препятствующая
протеканию тока в рабочей цепи. Если при этом сердечник достиг насыщения
(состояния, при котором резко уменьшается магнитная проницаемость
ферромагнетика), противо-э. д. с. на его рабочей обмотке резко падает и
практически вовсе не препятствует протеканию рабочего тока, т. е. ферромаг нитный сердечник играет роль
дросселя, заслонка которого то закрыта (сердечник перемагничивается и не достиг
насыщения), то открыта (сердечник, перемагничиваясь, достиг насыщения). Причем
в течение одного полупериода напряжения питания сердечник может одну часть
этого полупериода находиться в «непроводящем состоянии» (перемагничивается, не
достигнув насыщения), а другую в «проводящем» (достигнув насыщения).
Ферромагнитный сердечник, работающий в таком режиме, будем называть дросселем
насыщения (ДН). В зависимости от того, какую часть полупериода ДН находится
в непроводящем состоянии, а какую — в проводящем, будет зависеть и величина
тока и напряжения на нагрузке. Соотношение проводящих и непроводящих долей
полупериода зависит от многих факторов, в частности от величины напряжения
питания и, что весьма существенно, от величины постоянной составляющей тока
(или напряжения) на какой-либо из обмоток ДН.
ДН, в
котором не предусмотрено протекание по обмоткам по-стоянной составляющей тока,
называется дросселем насыщения без подмагничивания, а в котором
предусмотрено протекание по какой-либо из обмоток постоянной составляющей тока,
называется дро& селем насыщения с подмагничиванием.
Магнитные
усилители выполняются на дросселях насыщения с подмагничиванием: благодаря
разной величине постоянной составляющей тока (или напряжения) изменяется
соотношение проводящих и непроводящих долей полупериода и изменяется ток
(напряжение) в нагрузке.
Магнитные
усилители делятся на две основные группы: дроссельные магнитные усилители и
магнитные усилители с самоподмагничиванием.
Дроссельным
называют магнитный
усилитель, по рабочим обмоткам которого протекает переменный ток (иногда их
называют ДН с подмагничиванием).
Магнитным
усилителем с самоподмагничиванием (МУС) называют усилитель, по рабочим обмоткам которого
протекает однополупериодный выпрямленный ток (или однополярный импульсный), т.
е. в МУС по рабочим обмоткам проходит постоянная составляющая тока, и его
сердечники можно было бы назвать ДН с самоподмагничиванием.
а)
Принцип действия. Магнитный усилитель (МУ) — это электрический аппарат,
предназначенный для усиления электрического сигнала по току, напряжению или
мощности. В схеме простейшего дроссельного МУ (ДМУ), называемого дросселем
насыщения (рис. 10.2), используется управляемое индуктивное сопротивление.
Замкнутый магнитопровод изготавливается из материала с резко выраженной
нелинейностью кривой намагничивания B=f(H). Рабочая обмотка переменного тока wp включается в цепь нагрузки RH. В обмотку управления wy подается управляющий постоянный ток Iу. Кривая намагничивания материала магнитопровода дана
на рис. 10.3. При прохождении переменного тока по обмотке wp на обмотке wy наводится ЭДС. Эта ЭДС будет
создавать переменный ток в цепи управления, для ограничения которого включается
балластный дроссель Хб.
Рис.
10.2. Дроссельный МУ на одном магннтопроводе
Рис. 10.3.
Изменение индукции В, напряженности Н и тока Iр при Iу = 0 и Iу = Iутах
При
отсутствии тока управления (цепь управления разомкнута) индуктивное
сопротивление обмотки
(10.1)
где
активное сечение
магнитопровода;
число витков рабочей
обмотки;
ее индуктивность;
средняя длина магнитной линии в магнитопроводе.
При
неизменных
индуктивность,
определяется абсолютной
магнитной проницаемостью
При
состояние магнитопровода
характеризуется ненасыщенной зоной 1 (рис. 10.3). В этой зоне магнитная проницаемость
велика и индуктивное
сопротивление обмотки
максимально.
Подадим в обмотку управления такой постоянный ток управления IУmax, чтобы рабочая зона перешла в
область 2. В этой области насыщения материал имеет магнитную проницаемость
Индуктивное сопротивление рабочей
обмотки
резко
уменьшается. Значения
выбираются
так, что
. Тогда ток в
цепи определяется только сопротивлением нагрузки. При этом все напряжение
источника питания приложено к сопротивлению нагрузки
и активному сопротивлению rр рабочей обмотки
Мы
рассмотрели два крайних режима усилителя — режим холостого хода, когда
и ток в нагрузке имеет
минимальное значение
и
режим максимального тока нагрузки. При плавном увеличении тока
ток нагрузки плавно увеличивается от
до максимального значения
за счет уменьшения магнитной
проницаемости. Характеристика управления ДМУ приведена на рис. 10.4. По
оси абсцисс отложен ток управления, приведенный к рабочей обмотке
Идеальная
характеристика управления 1 является прямой, идущей из начала координат под
углом 45° к оси
.
Реальная характеристика 2 отличается от идеальной наличием тока
холостого хода
и плавным
переходом от линейной части характеристики к току
В
линейной зоне характеристики соблюдается равенство средних значений МДС
(10.2)
Рис. 10.4.
Характеристика управления ДМУ
Равенство
(10.2) не зависит от колебаний питающего напряжения, сопротивления нагрузки и
частоты источника. Данному значению тока управления всегда соответствует
единственное значение тока нагрузки
Таким образом, ДМУ является управляемым
источником тока.
Вследствие
низких значений коэффициента усиления и большой массы ДМУ в настоящее время
применяются редко, в основном как измерительные трансформаторы постоянного тока
и напряжения. В первом случае роль обмотки управления wy выполняет шина, по которой проходит
измеряемый постоянный ток
.
Под воздействием магнитного потока, созданного током Iу, магнитопроводы 1 и 11 насыщаются (рис. 10.4,а).
Рабочие обмотки
подключены к источнику переменного напряжения uР и создают, магнитные поля с индукцией Bp1 и Вр2. В цепь рабочих обмоток через
выпрямительный мост включен измерительный прибор ИП, который является нагрузкой
усилителя. Допустим, в рассматриваемый полупериод вектор индукции ВР1
совпадает по направлению с вектором индукции Ву управляющего поля
обмотки wy, а вектор индукции Вр2 направлен встречно
вектору Ву. В результате магнитопровод 1 насыщен и сопротивление
обмотки хр1 переменному току равно нулю, а магнитопровод 11,
наоборот, далек от насыщения. Материал магнитопроводов 1 и 11 имеет кривую
намагничивания, форма которой близка к прямоугольной. Обозначим через Вs значение индукции насыщения материала
магнитопровода. В таком материале при суммарном значении магнитной индукции
напряженность поля
/ При B>BS
и, следовательно,
и не оказывает влияния на полное сопротивление
цепи рабочих обмоток. В магнитопроводе 11, где
можно записать
(10.3)
Из этого
равенства следует, что ток
в течение рассматриваемого полупериода
повторяет форму тока управления Iу.
Так как
то и ток
в течение данного
полупериода, т.е. принимает прямоугольную форму. В следующий полупериод
встречно направлены вектора индукции ВР1 и By в магнитопроводе 1. Ток
изменит знак, но сохранит прямоугольную форму.
На рис. 10., б показаны временные зависимости тока управления /у,
тока в цепи рабочих обмоток
и тока
протекающего через измерительный прибор ИП. Мгновенные
значения токов связаны равенством
которое выполняется и для средних значений
Реальная
форма кривой намагничивания материала магнитопроводов отличается от прямоугольной.
Поэтому и форма тока ip не прямоугольна, а в токе iН появляются
глубокие провалы, что вызывает определенную погрешность измерения.
Рассмотренное
устройство может быть использовано и в качестве измерительного трансформатора
напряжения постоянного тока. Для этого многовитковая обмотка управления wу подключается к измеряемому напряжению U через большое добавочное сопротивление
(рис. 10.5, в).
Ток в
обмотке управления wy пропорционален напряжению:
Для уменьшения потерь в добавочном
сопротивлении ток
берется малым — около 10 мА. Измерение этого тока производится так же, как в
рассмотренной выше схеме.
Рис.
10.5. Схема трансформатора постоянного тока (а), изменение токов в его
обмотках (б) и измерительный трансформатор постоянного напряжения (в)
Усилитель
с самонасыщением (МУС)
а) Физические
процессы. Если в цепь рабочей обмотки МУ включить диод, то под действием
постоянной составляющей выпрямленного тока происходит подмагничивание
магнитопровода. Такие усилители называются усилителями с самоподмагничиванием
или с самонасыщением (МУС). При рассмотрении такого усилителя (рис. 10.6)
примем, что обратное сопротивление диода VD равно бесконечности, а прямое учитывается
сопротивлением RB. В цепи
управления включен балластный дроссель Хб для ограничения переменного тока,
создаваемого рабочей обмоткой. Полярность напряжения источника, при которой
диод проводит ток, примем за положительную, полупериод, при котором ток
проходит через нагрузку, назовем рабочим (РП). Процессы, происходящие в МУС, в
основном определяются формой динамической петли гистерезиса материала
магнитопровода. Динамической петлей гистерезиса материала называется
зависимостьВ(Н) при быстром изменении намагничивающего тока. Вследствие
магнитной вязкости и вихревых токов в материале процесс перемагничивания замедляется
и ширина динамической петли гистерезиса превышает ширину статической петли. Чем
больше
тем шире петля
гистерезиза. Для материала с высокой степенью прямоугольности кривой
намагничивания динамическая петля гистерезиса имеет форму параллелограмма (рис.
6.6, о).
|
|
 |
Рис. 10.6.
Схема однополупериодного МУС
При
отсутствии управляющего поля магнитопровод под-магничивается полем, созданным постоянной
составляющей тока рабочей обмотки. Под действием этого поля в магнитопроводе
устанавливается остаточная индукция
В рабочем полупериоде рабочая точка, характеризующая
состояние магнитопровода, с ростом тока перемещается по участку 1—3. Так
как магнитопровод насыщен, индуктивное сопротивление обмотки wp равно нулю. Все напряжение источника
приложено к активному сопротивлению цепи
К концу рабочего полупериода состояние
магнитопровода вновь возвращается в точку 1. Таким образом, при отсутствии
сигнала управления ток нагрузки в рабочий полупериод
В
следующий полупериод диод не пропускает ток и состояние магнитопровода
характеризуется точкой 11 (напряжение источника приложено к вентилю и iР =0)








Двухполупериодные схемы МУС
Однополупериодная
схема (рис. 10.6) практически не применяется из-за следующих недостатков:
1.Для ограничения
наведенных в обмотке управления токов необходим балластный дроссель, наличие
которого ухудшает выходные параметры МУС.
2.Прохождение
рабочего тока лишь в течение одного полупериода уменьшает мощность нагрузки.
3.Схема пригодна
для питания нагрузки только выпрямленным током.
Рис. 10.7.
Магнитный усилитель с самонасыщением:
а — динамическая петля гистерезиса;
На рис.
10.7 изображены двухполупериодные мостовые схемы усилителя с нагрузкой на
постоянном и переменном токе. При полярности вторичной обмотки питающего
трансформатора, обозначенной на рис. 10.7, а, в верхнем усилителе МУС 1 имеет
место рабочий полупериод, а в нижнем МУС 11 — полупериод управления. В
следующем полупериоде МУС 11 будет находиться в рабочем полупериоде, а МУС1 — в
полупериоде управления.
При
большом сопротивлении в цепи управления переменная составляющая напряжения,
наведенная на обмотках wy обмотками wр, создает малый переменный ток,
которым можно пренебречь. Тогда по цепи управления протекает только ток Iу. Такой режим работы МУС называется режимом
вынужденного намагничивания. В этом случае условия работы каждого МУС
аналогичны рассмотренным ранее.
Обычно
сопротивление цепи управления мало и для компенсации наводимых на обмотках wy ЭДС начала и концы обмоток должны
соединяться, так, как показано на рис 10.8. Две обмотки управления могут быть
заменены одной. При этом для схемы 10.8, а необходимо изменить направление
включения рабочих обмоток wp (рис. 10.8).



Рис. 10.8.
Схемы двухполупериодного МУС с общей обмоткой управления
Параметры МУС
Статические
параметры
а)
Крутизна характеристики управления. Для МУС характерна зависимость выходного напряжения Up только от
:
(10.5)
Напряжение на нагрузке
Изменение
индукции
определяется
током управления Iу. Как видно из (10/5), выходное
напряжение Up не зависит от сопротивления рабочей
цепи, и при данном токе управления МУС является управляемым источником
напряжения. Если
то U мало зависит от сопротивления
нагрузки.
Характеристикой
управления МУС называется зависимость выходного напряжения от тока управления Up(Iy) или напряжения на нагрузке от тока управления Uн(Iy).
Крутизна
характеристики управления
Подставляя
в это выражение значение UB получаем
Но
Следовательно,
Производная
характеризует наклон кривой размагничивания
магнитопровода МУС и условно может определяться эквивалентной магнитной
проницаемостью размагничивания
Введем понятие индуктивного сопротивления
размагничивания:

Тогда имеем
Таким
образом,
б) Коэффициент
усиления МУС. Коэффициент усиления по току
Коэффициент
усиления по напряжению
Коэффициент
усиления по мощности
Лекция №11
Тема лекции:
Предохранители, параметры, требования, характеристики. Выбор
предохранителей.
Общие
сведения
Предохранители
— это электрические аппараты, предназначенные для зашиты электрических цепей от
токовых перегрузок и токов КЗ. Основными элементами предохранителя являются
плавкая вставка, включаемая последовательно с защищаемой цепью, и
дугогасительное устройство.
К
предохранителям предъявляются следующие требования.
1. Времятоковая характеристика предохранителя
должна проходить ниже, но возможно ближе к времятоковои характеристике
защищаемого объекта.
2. Время срабатывания предохранителя
при КЗ должно быть минимально возможным, особенно при защите полупроводниковых
приборов. Предохранители должны работать с токоограничением .
3. При КЗ в защищаемой цепи
предохранители должны обеспечивать селективность защиты.
4. Характеристики предохранителя должны
быть стабильными, а технологический разброс их параметров не должен нарушать
надежность защиты.
5. В связи с возросшей мощностью
установок предохранители должны иметь высокую отключающую способность.
6. Конструкция предохранителя должна
обеспечивать возможность быстрой и удобной замены плавкой вставки при ее
перегорании.
Нагрев
плавкой вставки при длительной нагрузке
Основной
характеристикой предохранителя является времятоковая характеристика,
представляющая собой зависимость времени плавления вставки от протекающего
тока. Для совершенной защиты желательно, чтобы времятоковая характеристика
предохранителя (кривая 1 на рис. 11.1) во всех точках шла немного ниже
характеристики защищаемой цепи или объекта (кривая 2 на рис. 11.1).
Однако реальная характеристика предохранителя (кривая 3) пересекает
кривую 2. Поясним это. Если характеристика предохранителя соответствует
кривой 1, то он будет перегорать из-за старения или при пуске двигателя.
Цепь будет отключаться при отсутствии недопустимых перегрузок. Поэтому ток
плавления вставки выбирается больше номинального тока нагрузки. При этом кривые
2 и 3 пересекаются. В области больших перегрузок (область Б) предохранитель
защищает объект. В области А предохранитель объект не защищает.
При
небольших перегрузках (l,5–2)
IH0M нагрев предохранителя протекает медленно. Большая
часть тепла отдается окружающей среде. Сложные условия теплоотдачи затрудняют
расчет плавкой вставки.
Ток, при
котором плавкая вставка сгорает при достижении ею установившейся температуры,
называется пограничным током IПОГР.
Рис.
11.1. Согласование характеристик предохранителя и защищаемого объекта
Для того чтобы предохранитель не срабатывал при номинальном
токе Iном., необходимо
. С другой стороны, для лучшей защиты значение IПОГР. должно быть возможно ближе к
номинальному. При токах, близких к пограничному, температура плавкой вставки
должна приближаться к температуре плавления.
В связи
с тем, что время плавления вставки при пограничном токе велико (более 1 ч) и
температура плавления ее материала составляет много сотен градусов Цельсия, все
детали предохранителя нагреваются до высоких температур. Происходит тепловое
старение плавкой вставки.
Для
снижения температуры плавления вставки при ее изготовлении применяются
легкоплавкие металлы и сплавы. Материалы плавких вставок и их свойства даны в
табл. 11.1.
|
Металл вставки
|
Удельное
сопротивление р , мкОм•м
|
Температура, °С
|
|
допустимая
|
плавления
|
|
Медь
Серебро
Цинк
Свинец
|
0,0153
0,0147
0,05
0,21
|
250
200
150
|
1083
961
419
327
|
Материалы
плавких вставок и их свойства Таблица 11.1
Наименьшую
температуру плавления имеет свинец. Но удельное сопротивление свинца в 12 раз
выше, чем у меди. Для того чтобы при прохождении данного тока вставка нагрелась
до допустимой температуры (150 °С), ее сечение должно быть значительно больше,
чем сечение вставки из меди.
При
плавлении вставки пары металла ионизируются в возникающей дуге благодаря
высокой температуре. Из-за большого объема вставки количество паров металла в
дуге велико, что затрудняет ее гашение и уменьшает предельный ток, отключаемый
предохранителем. Из-за этих особенностей вставок из легкоплавких металлов
широкое распространение получили медные и серебряные плавкие вставки с
металлургическим эффектом, который объясняется ниже. На тонкую медную проволоку
(диаметром менее 0,001 м) наносится шарик из олова. При нагреве вставки сначала
плавится олово, имеющее низкую температуру плавления (232СС). В
месте контакта олова с проволокой начинается растворение меди и уменьшение ее
сечения. Это вызывает увеличение сопротивления и повышение потерь в этой точке.
Процесс длится до тех пор, пока медная проволока не расплавится в точке
расположения оловянного шарика. Возникшая при этом дуга расплавляет проволоку
на всей длине. Применение оловянного шарика снижает среднюю температуру
плавления вставки до 280 °С.
Отношение
IПОГР / Iном., уменьшается до 1,2, что дает
улучшение времятоковой характеристики.
Стабильность
времятоковой характеристики в значительной степени зависит от окисления плавкой
вставки. Свинец и цинк образуют на воздухе пленку оксида, которая предохраняет
вставку от изменения сечения. Медная вставка при длительной работе и высокой
температуре интенсивно окисляется. Пленка оксида при изменении температурного
режима отслаивается, и сечение вставки постепенно уменьшается. В результате
плавкая вставка перегорает при номинальном токе, если ее температура при токе,
близком к пограничному, выбрана высокой. В табл. 11.1 приведены рекомендуемые
допустимые температуры вставок при номинальном токе. Температура медной вставки
при токе, близком к номинальному, должна быть значительно ниже тепмературы
плавления. Поэтому приходится завышать сечение вставки и тем самым увеличивать
отношение IПОГР / Iном., примерно до 1,8, что ухудшает
защитные свойства предохранителя.
Серебряные
плавкие вставки не подвержены тепловому старению, и для них отношение IПОГР / Iном., определяется только нагревом.
У
вставок из легкоплавких материалов эксплуатационная температура ближе к
температуре плавления, что позволяет снизить отношение IПОГР / Iном., до 1,2—1,4.
В
настоящее время в качестве материала плавкой вставки начали применять алюминий.
Пленка оксида на поверхности вставки защищает алюминий от коррозии и делает
характеристику предохранителя стабильной. Большее удельное сопротивление
материала компенсируется увеличением сечения вставки. Алюминий имеет
температуру плавления ниже, чем у меди (658 против 1083 °С).
Времятоковые
характеристики предохранителей со вставками постоянного сечения из
легкоплавкого металла хорошо согласуются с характеристиками силовых
трансформаторов и других подобных объектов. Это объясняется низкой температурой
плавления, стойкостью против коррозии и малой теплопроводностью материала таких
вставок.
Медная
вставка из-за высокой теплопроводности, высокой температуры плавления и
большого отношения IПОГР / Iном в области малых перегрузок не
обеспечивает защиту объекта (область А, рис. 11.1).
Конструкция
предохранителей низкого напряжения
а)
Предохранители с гашением дуги в закрытом объеме. Прсдохранители на токи от 15
до 60 А имеют упрощенную конструкцию. Плавкая вставка 1 прижимается к
латунной обойме 4 колпачком 5, которые является выходным контактом (рис.
16.3, а). Плавкая вставка 1 штампуется из цинка, являющегося
легкоплавким и стойким к коррозии материалом. Указанная форма вставки позволяет
получить благоприятную времятоковую (защитную) характеристику. В
предохранителях на токи более 60 А плавкая вставка 1 присоединяется к
контактным ножам 2 с помощью болтов (рис. 11.2, б).
Вставка
располагается в герметичном трубчатом патроне, который состоит из фибрового
цилиндра 3, латунной обоймы 4 и латунного колпачка 5.
При
отключении сгорают суженные перешейки плавкой вставки, после чего возникает
дуга. Под действием температуры дуги фибровые стенки патрона выделяют газ, в
результате чего давление в патроне за доли полупериода поднимается до 4—8 МПа.
За счет увеличения давления поднимается вольт-амперная характеристика дуги, что
способствует ее быстрому гашению.
Плавкая
вставка может иметь от одного до четырех сужений (рис 11.2, в) в
зависимости от номинального напряжения. Суженные участки вставки способствуют
быстрому ее плавлению при КЗ и создают эффект токоограничения.
Поскольку
гашение дуги происходит очень быстро (0,002 с), можно считать, что уширенные
части вставки в процессе гашения остаются неподвижными. Рассмотрим вставку с
четырьмя перешейками. После их перегорания образуются четыре разрыва. На каждом
катоде разрыва восстанавливается электрическая прочность около 200 В, а
суммарная прочность предохранителей достигает 800 В. Это явление наряду с
высоким давлением позволяет надежно гасить дугу при напряжении источника до 500
В.
Давление
внутри патрона пропорционально квадрату тока в момент плавления вставки и может
достигать больших значений. Поэтому фибровый цилиндр должен обладать высокой
механической прочностью, для чего на его концах установлены латунные обоймы 4.
Диски 6, жестко связанные с контактными ножами 2, крепятся к
обойме патрона 4 с помощью колпачков 5.
Предохранители
работают бесшумно, практически без выброса пламени и газов, что позволяет
устанавливать их на близком расстоянии друг от друга.
Рис. 11.2.
Предохранитель типа ПР-2

Предохранители выпускаются двух осевых размеров — короткие и
длинные. Короткие предназначены для работы на переменном напряжении не выше 380
В. Они имеют меньшую отключающую способность, чем длинные, рассчитанные на
работу в сети с напряжением до 500 В.
В
зависимости от номинального тока выпускается шесть габаритов патронов различных
диаметров. В патроне каждого габарита могут устанавливаться вставки на
различные номинальные токи. Так, в патроне на номинальный ток 15 А могут быть
установлены вставки на ток 6, 10 и 15 А.
В табл.
11.2 приведены значения испытательных токов для предохранителя типа ПР-2.
Различают нижнее и верхнее значения испытательного тока. Нижнее значение
испытательного тока — это максимальный ток, который, протекая в течение 1 ч, не
приводит к перегоранию предохранителя. Верхнее значение испытательного тока —
это минимальный ток, который, проходя в течение 1 ч, плавит вставку
предохранителя. С достаточной точностью можно принять пограничный ток равным
среднеарифметическому испытательных токов.
Предохранители
типа ПР-2 обладают токоограничением. Так, в цепи с током КЗ 50 000 А плавкая
вставка на номинальный ток 6 А перегорает при токе всего 400 А. Однако чем
больше номинальный ток, тем меньше эффект токоограничения. При номинальном токе
600 А токоограничение отсутствует, так как дуга горит весь полупериод.
Испытательные
токи плавких вставок Таблица 16.2.
Номинальный ток
вставки, А
|
Длительность прохождения
испытательного тока, ч
|
Кратность испытательного тока
по отношению к номинальному
|
|
Нижнее
значение
|
Верхнее
значение
|
|
6, 10
15, 20, 25
35—350
430—1000
|
1
1
1
2
|
1.5
1,4
1,3
1,3
|
2,1
1,75
1,6
1,6
|
б)
Предохранители с мелкозернистым наполнителем.
Эти
предохранители более совершенны, чем предохранители ПР-2. Корпус квадратного
сечения 1 предохранителя типа ПН-2 (рис. 11.3) изготавливается из прочного
фарфора или стеатита. Внутри корпуса расположены ленточные плавкие вставки 2
и наполнитель — кварцевый песок 3. Плавкие вставки привариваются к
диску 4, который крепится к пластинам 5, связанным с ножевыми контактами
9. Пластины 5 крепятся к корпусу винтами.
В качестве
наполнителя используется кварцевый песок с содержанием Si02 не менее 98 %, с зернами размером (0,2н-0,4) •
10-3 м и влажностью не выше 3 %. Перед засыпкой песок тщательно
просушивается при температуре 120—180 °С. Зерна кварцевого песка имеют высокую
теплопроводность и хорошо развитую охлаждающую поверхность.
Плавкая
вставка выполняется из медной ленты толщиной 0,1— 0,2 мм. Для получения токоограничения вставка имеет суженные сечения 8. Плавкая вставка разделена на
три параллельных ветви для более полного использования наполнителя. Применение
тонкой ленты, эффективный теплоотвод от суженных участков позволяют выбрать
небольшое минимальное сечение вставки для данного номинального тока, что
обеспечивает высокую токоограничивающую способность. Соединение нескольких
суженных участков последовательно способствует замедлению роста тока после
плавления вставки, так как возрастает напряжение на дуге предохранителя. Для
снижения температуры плавления на вставки наносятся оловянные полоски 7
(металлургический эффект).
При КЗ
плавкая вставка сгорает и дуга горит в канале, образованном зернами
наполнителя. Из-за горения в узкой щели при токах выше 100 А дуга имеет
возрастающую вольт-амперную характеристику. Градиент напряжения на дуге очень
высок и достигает (2–6)-104 В/м. Этим обеспечивается гашение дуги за
несколько миллисекунд.
Рис. 11.3.
Предохранитель типа ПН-2
После
срабатывания предохранителя плавкие вставки вместе с диском 4 заменяются,
после чего патрон засыпается песком. Для герметизации патрона под пластины 5
кладется асбестовая прокладка 6 , что предохраняет песок от увлажнения. При
номинальном токе 40 А и ниже предохранитель имеет более простую конструкцию.
Предохранители
ПН-2 выпускаются на номинальный ток до 630 А. Предельный отключаемый ток КЗ,
который может отключаться предо
хранителем, достигает 50 кА (действующее значение тока
металлического КЗ сети, в которой устанавливается предохранитель).
Малые
габариты, незначительная затрата дефицитных материалов, высокая
токоограничивающая способность являются достоинствами этого предохранителя.
В
малогабаритных распределительных устройствах применяются резьбовые
предохранители типа ПРС (рис. 11.4, а). Один конец цепи подводится к контакту 1,
который связан с контактной гильзой 2, соединенной резьбой с контактом
съемной головки 3. Плавкая вставка 4 располагается в фарфоровом
цилиндре 5, заполненном кварцевым песком. На торцах цилиндра 5 укреплены
контактные колпачки, с которыми соединена плавкая вставка 4. Второй
конец цепи через контакт 7 соединяется с контактным винтом 8. Предохранитель
имеет указатель срабатывания. При сгорании плавкой вставки освобождается
специальная пружина, которая выбрасывает глазок в застекленное отверстие 6. После
срабатывания предохранителя заменяется цилиндр 5 со сгоревшей плавкой
вставкой и сигнализирующим устройством.
Предохранители
этого типа выпускаются на токи до 100 А, напряжение до 440 В постоянного тока и
до 500 В переменного тока частотой 50 Гц. Предельно отключаемый ток составляет
60 кА.
Эти
предохранители более сложны в производстве и более дороги, чем предохранители
ПН-2. Поэтому их применение целесообразно при малых габаритах
распределительного устройства и ограниченном времени обслуживания (после сгорания
плавкой вставки).
в) Предохранители
с жидкометаллический контактом.
В таком
предохранителе (рис. 11.5, б) электроизоляционная трубка 1 имеет
капилляр, заполненный жидким металлом 2. Капилляр с жидким металлом
герметично закрыт электродами 3, 4 и корпусом 5 с уплотнением 6 и
имеет специальное демпфирующее устройство 7, 8. При протекании большого
тока жидкий металл в нем испаряется, образуется паровая пробка и электрическая
цепь размыкается. После определенного времени пары металла конденсируются и
контакт восстанавливается. Предельный отключаемый ток таких предохранителей
достигает 250 кА при напряжении 450 В переменного тока. Предохранители работают
многократно с большим токоограничением.
г) Быстродействующие
предохранители для защиты полупроводниковых приборов.
Малая
тепловая инерция, быстрый прогрев полупроводникового перехода крайне затрудняют
защиту мощных диодов, тиристоров и транзисторов при токовых перегрузках.
Обычные типы предохранителей и автоматических выключателей из-за относительно
большого времени срабатывания не обеспечивают защиту полупроводниковых приборов
при КЗ. Для выполнения этой задачи разработаны специальные быстродействующие
предохранители.
При
времени протекания тока t<0,02с
можно считать, что процесс нагрева прибора протекает по адиабатическому закону.
Для удобства согласования характеристик прибора и предохранителя вводится
понятие интеграла Джоуля
где t — длительность протекания тока через
прибор.
Рис.
11.4. Предохранитель типа ПРС (а),
Рис.
11.5. Жидкометаллический предохранитель (б)
Для
эффективной защиты необходимо, чтобы полный джоулев интеграл предохранителя был
меньше джоулева интеграла защищаемого прибора. Джоулев интеграл предохранителя
состоит из джоулева интеграла нагрева до температуры плавления вставки Спл
и джоулева интеграла гашения образовавшейся дуги Сгаш..С целью
сокращения первой составляющей предохранитель должен работать с большим
токоограничением. Для достижения этой цели плавкая вставка выполняется из
серебра, имеет перешеек с минимальным сечением и охлаждается кварцевым
наполнителем.
С целью
улучшения охлаждения при больших номинальных токах плавкая вставка выполняется
из ленты толщиной 0,05—0,2 мм. При больших токах вставка имеет несколько
параллельных ветвей. Помога


ет также заполнение кварцевым песком под большим давлением. В
некоторых случаях для дальнейшего уменьшения перешейка предохранитель имеет
искусственное водяное охлаждение.
Для
уменьшения времени горения дуги плавкая вставка имеет большое число перешейков.
После плавления вставки образуется ряд последовательно включенных дуг,
благодаря чему вольт-амперная характеристика предохранителя поднимается. Число
перешейков ограничивается перенапряжением, которое возникает при отключении
цепи.
При
постоянном токе гашение дуги осложняется тем, что ток не проходит через нуль и
вся электромагнитная энергия отключаемой цепи рассеивается в предохранителе.
Решающим фактором при постоянном токе является постоянная времени цепи
С увеличением постоянной
времени Т условия работы предохранителя утяжеляются. Необходимо выбирать
предохранитель на более высокое номинальное напряжение, чем при переменном
токе.
Конструктивно
быстродействующий предохранитель представляет собой корпус из прочного фарфора,
внутри которого расположены плав-, кие вставки и кварцевый песок. Контакты
укрепляются к корпусу винтами и могут иметь различное исполнение.
В
современных преобразовательных установках каждый полупроводниковый прибор имеет
предохранитель. Токи, протекающие через предохранитель, могут достигать 100—200
кА. При разрушении предохранителя может произойти авария преобразовательной
установки. В связи с этим быстродействующие предохранители должны иметь большую
механическую прочность и обладать высокой надежностью.
Выпускается
серия быстродействующих предохранителей ПП-57 на номинальные токи 40—800 А и
готовится к выпуску серия ПП-59 на номинальные токи 250—2000 А. Номинальные
напряжения составляют до 1250 В переменного и до 1050 В постоянного тока.
Быстродействующие
предохранители предназначены только для защиты от КЗ. Защита от перегрузок
должна выполняться другими аппаратами.
Выбор
предохранителей
а) Выбор
по условиям длительной эксплуатации и пуска. В процессе длительной
эксплуатации температура нагрева предохранителя не должна превосходить
допустимых значений. В этом случае обеспечивается стабильность времятоковых
характеристик предохранителя. Для выполнения этого требования необходимо, чтобы
патрон и плавкая вставка выбирались на номинальный ток, равный или несколько
больший номинального тока защищаемой установки.
Предохранитель
не должен отключать установку при перегрузках, которые являются эксплуатационными.
Так, пусковой ток асинхронного двигателя с короткозамкнутым ротором может
достигать 7 Iном. По мере
разгона пусковой ток падает до значения, равного номинальному току двигателя.
Длительность пуска зависит от характера нагрузки. Например, для привода
металлорежущих станков с относительно небольшой инерцией механизма время
разгона двигателя составляет 1 с. Процесс разгона центрифуги происходит
значительно медленней из-за большой инерции механизма, и длительность пуска
может достигать 10 с и более. Предохранитель должен не перегорать при
воздействии пусковых токов, а в плавких вставках не должно происходить старения
под действием этих токов. Экспериментально установлено, что старение плавкой
вставки не происходит при токах, равных половине тока плавления. Согласно рис. 11.6
вставка предохранителя ПН-2 при времени 1 с плавится при токе, равном 5 Iном. . Вследствие производственных
допусков времятоковая характеристика имеет разброс (штриховые кривые). Если
пуск длится 1 с, то среднее значение пускового тока за этот период должно быть
не более 0,5 тока плавления вставки за это же время. Таким образом, пусковой
ток Iп связан с током вставки соотношением Iп =0,5 Iпл = 0,5-5 Iв.ном, и, следовательно,
Iв.ном =0,4 Iп ,
т.е.
номинальный ток вставки выбирается по пусковому току нагрузки.
Для
тяжелых условий пуска, когда двигатель медленно разворачивается (привод
центрифуги), или в повторно кратковременном режиме, когда пуски происходят с
большой частотой, вставки выбирают с еще большим запасом:
Iв.ном =(0,5–0,6) Iп.
Если
предохранитель стоит в линии, питающей несколько двигателей, плавкую вставку
рекомендуется выбирать по формуле
где IР — расчетный номинальный ток линии, равный
Ном,дв. Разность
Iп - Iном.дв берется для двигателя, у которого она наибольшая.

Для двигателя с фазным ротором, если Iп
2Iном.дв плавкую вставку можно выбирать по
условию
Для
двигателей, работающих в повторно-кратковременном режиме, за номинальный
принимается ток в режиме ПВ = 25%.
Наряду с
проверкой вставки по условиям пуска или кратковременной перегрузки необходимо
проводить проверку по условиям К.З. При
время перегорания вставки не превышает 0,15—0,2
с, и на этом времени мало сказывается разброс характеристик вставок. При таком
времени сваривание контактов контактора или магнитного пускателя маловероятно.
Однако это требование часто не удается соблюсти, так как кратность Iк/ Iв.ном определяется мощностью питающего трансформатора и сопротивлением токопроводящих
проводов и кабелей. Допускается применение предохранителей при кратностях
. При такой кратности время
отключения может достигать 15 с, что создает опасность для обслуживающего
персонала, так как при этой кратности напряжение прикосновения может оказаться
опасно большим. При такой низкой кратности
Iк/Iв.ном нагрев провода при небольших
перегрузках (1,6—2) может быть очень большим и может приводить к выгоранию
изоляции. Поэтому установка плавких вставок с большим запасом может допускаться
только в крайних случаях, когда выгорание изоляции проводников не грозит
пожаром (провода уложены в стальных трубах и имеют огнестойкую изоляцию).
В
заключение следует указать, что номинальное напряжение предохранителя Uном.пр должно быть равно номинальному
напряжению сети Uном.с.
Рис. 11.6.
Времятоковая характеристика предохранителя ПН-2
Высоковольтные
предохранители
а)
Назначение, предъявляемые требования. При напряжении выше 3 кВ и частоте 50 Гц применяются
высоковольтные предохранители. Процесс нагрева плавкой вставки в высоковольтных
предохранителях протекает так же, как и в предохранителях низкого
напряжения.
В
отношении времени плавления к высоковольтным предохранителям предъявляется
следующее общее требование: длительность плавления вставки должна быть менее 2
ч при токе перегрузки, равном 2 Iном., и более 1 ч при токе перегрузки,
равном 1,3 Iном..
Высоковольтные
предохранители часто применяются для защиты трансформаторов напряжения от КЗ.
Ток, текущий через предохранитель в номинальном режиме, не превышает доли
ампера. В таких предохранителях время плавления вставки равно 1 мин при токе
1,25—2,5 А.
В связи
с высоким значением восстанавливающегося напряжения процесс гашения дуги
усложняется. В связи с этим изменяются габаритные размеры и конструкция
высоковольтных предохранителей. Наибольшее распространение получили
предохранители с мелкозернистым наполнителем и стреляющего типа.
б)
Предохранители с мелкозернистым наполнителем. Размер зерен и материал такие же,
как и в низковольтных предохранителях. Длина плавкой вставки, м, таких
предохранителей может быть определена по эмпирической формуле
где Uном. — номинальное напряжение
предохранителя, кВ.
Для
эффективного гашения дуги плавкая вставка берется малого диаметра.
Предохранители
типа ПК на напряжение 6—10 кВ (рис. 16.12, а) содержат фарфоровый цилиндр /,
армированный по торцам латунными колпаками 2. Наполнитель 7 в виде песка
засыпается через отверстие в колпаке, которое после засыпки запаивается крышкой
3. В предохранителях на ток до 7,5 А медная плавкая вставка 5
наматывается на керамический рифленый каркасе. Это позволяет увеличить длину
плавкой вставки и эффект токоограничения, а следовательно, повысить отключаемый
ток. Однако при перегрузках, меньших 3 /иом, возможно
образование токопроводящего канала из материала каркаса и расплавившейся
вставки. В результате наступает тепловое разрушение предохранителя. Поэтому
предохранители с каркасом следует применять только для защиты от КЗ.
При
номинальных токах, превышающих 7,5 А, плавкая вставка выполняется в виде
параллельных спиралей (рис. 11.7,а). Применение параллельных вставок позволяет
увеличить номинальный ток до 100 А при Uном.=3 кВ. При напряжении 10 кВ
номинальный ток предохранителя равен 50 А. При токе 200 А приходится
устанавливать четыре параллельных предохранителя. Применение параллельных
вставок позволяет изготавливать их из медной или серебряной проволоки малого
диаметра и сохранять эффект узкой щели в процессе дугогашения. Для снижения
температуры предохранителя при небольших длительных перегрузках плавкие вставки
имеют оловянные шарики 6.
Предохранитель
имеет указатель срабатывания 9. На указатель 9 действует пружина,
которая удерживается во втянутом состоянии специальной плавкой вставкой 8. Эта
вставка перегорает после перегорания основных вставок 5. При этом указатель
освобождается и выбрасывается в положение 9 с силой, определяемой пружиной.
Этот
указатель можно использовать для
автоматического отключения выключателя нагрузки после отключения КЗ
предохранителем. Указатель 9 может быть использован также в
предохранителях с автоматическим повторным включением. В этом случае
срабатывание указателя в первом предохранителе ведет к параллельному
подключению к нему другого предохранителя с исправной плавкой вставкой.
При КЗ
плавкая вставка испаряется по всей длине и в цепь вводится длинная дуга,
горящая в узкой щели и имеющая высокое сопротивление, особенно в начальной
стадии, когда пары металла
недостаточно ионизированы. Все это приводит к возникновению
больших перенапряжений — до 4,5 Uном на контактах предохранителя. Для
ограничения перенапряжений применяются вставки переменного сечения. Вначале
сгорает участок меньшего сечения, а затем большего. В результате длина дуги
растет медленней.
Рис.
11.7. Предохранитель типа ПК
Предохранители
с мелкозернистым наполнителем обладают токоограничением, особенно при больших
токах КЗ. В длительном режиме интенсивное охлаждение тонких плавких вставок
позволяет выполнять их с минимальным сечением и снизить ток плавления.
С ростом
номинального тока эффект токоограничения падает. Номинальный ток отключения
предохранителей достигает 20 кА при напряжении до 10 кВ. Предохранители серии
ПКТН на напряжение до 35 кВ имеют внутри керамический каркас с тонкой плавкой
вставкой. Так как номинальный ток вставок менее 1 А, то их сечение мало и
токоограничивающий эффект особенно велик. Плавкая вставка выполняется из
константановой проволоки с четырехступенчатым сечением для ограничения
перенапряжений. Плавление вставки происходит последовательно по ступеням.
Предохранитель обеспечивает защиту высоковольтных шин от повреждения
трансформатора напряжения при любой мощности источника питания (ток
ограничивается предохранителем).
Предохранители
серий ПК и ПКТН работают бесшумно, без выброса пламени и раскаленных газов.
Для
нормальной работы предохранителей особо важное значение имеет герметизация. При
проникновении влаги в предохранитель он теряет свойство дугогашения. Поэтому
места пайки и цементирующая замазка, крепящая колпачки, окрашиваются
специальной влагозащитной эмалью. Перезарядка предохранителя в эксплуатации не
допускается.
Как
правило, установки напряжением 35 кВ и выше работают на открытом воздухе и
подвержены воздействию атмосферы. В этих условиях трудно обеспечить надежную
работу предохранителя ПК из-за увлажнения наполнителя.
Перспективы
дальнейшего развития предохранителей на напряжение выше 35 кВ осложняются
технологическими трудностями изготовления и ростом их габаритов.
в)
Стреляющие предохранители. Для работы на открытом воздухе при напряжении 10 и 35 кВ и отключаемом
токе до 15 кА применяются так называемые стреляющие предохранители типов ПСН-10
и ПСН-35. На рис. 11.8 показан патрон предохранителя ПСН-35. В корпусе 1
установлены две винипластовые трубки 2 и 3, соединенные стальным
патрубком 4. Плавкая вставка 5 присоединяется к токоведущему стержню 6
и гибкому проводнику 7, соединенному с наконечником 8. Патрон,
установленный на изоляторах, показан на рис. 11.9. Изоляторы1 крепятся к
стальному цоколю 2. Цепь присоединяется к выводам 3 и 4. Вращающийся
контакт 5 действует на наконечник 8 (рис. 11.8) и с помощью своей
пружины стремится вытащить гибкий проводник 7 из трубки 3. При
перегорании плавкой вставки образуется дуга, которая, соприкасаясь со стенками
трубки, разлагает их, и образующийся газ поднимает давление в трубке. При
вытягивании наконечника из трубки длина дуги увеличивается, давление
возрастает. При больших токах мембрана 9 в патрубке 4 разрывается
и дуга гасится поперечным дутьем. Если ток невелик, то дуга гасится продольным
потоком газа, который вырывается из трубки после выброса гибкого контакта 7 из
трубки. Длительность горения падает при увеличении тока. При больших токах дуга
гаснет за 0,04 с. При малых токах (800—1000 А) время горения возрастает до 0,3
с.
|
|
 |
Рис.
11.8. Патрон стреляющего предохранителя типа ПСН-35
Рис.
16.14. Предохранитель типа ПСН-35
Процесс
отключения сопровождается сильным выбросом пламени, газов и стреляющим звуковым
эффектом. Поэтому стреляющие предохранители соседних фаз должны быть на
значительном удалении друг от друга.
В
процессе гашения дуга сначала имеет небольшую длину, а затем длина ее
увеличивается по мере выброса гибкого проводника. Это ограничивает скорость
роста сопротивления дугового промежутка и устраняет перенапряжения.
г)
Выбор предохранителей. При определении номинального тока вставки необходимо исходить из условия
максимальной длительной перегрузки.
Очень
часто обмотка высшего напряжения трансформатора присоединяется через
предохранитель. При подаче напряжения на трансформатор возникают пики
намагничивающего тока, среднее значение амплитуды которых достигает 10 Iном., а длительность прохождения примерно
равна 0,1 с. Выбранный по номинальному току предохранитель должен быть проверен
на прохождение в течение 0,1 с начального намагничивающего тока.
В
заключение необходимо проверить селективность работы предохранителя с
выключателями, установленными на стороне высокого и низкого напряжения.

При КЗ в самом трансформаторе время
отключения предохранителя должно быть меньше, чем выдержка времени выключателя,
установленного на стороне высокого напряжения и ближайшего к предохранителю.
При КЗ на стороне низкого напряжения предохранитель должен иметь время
плавления больше, чем уставка защиты выключателей на стороне низкого
напряжения. При выборе предохранителя необходимо соблюсти также соотношение
Лекция №12
Тема лекции:
Контакторы постоянного и переменного тока, параметры, требования.
Магнитные пускатели
Общие
сведения
Контактор
– это одноступенчатый аппарат, предназначенный для частых дистанционных
включений и отключений электрических силовых цепей. Замыкание контактов
контактора может осуществляться электромагнитным или гидравлическим приводом.
Наибольшее распространение получили электромагнитные контакторы.
В
настоящее время частота коммутаций в схемах электропривода достигает 3600 в
час. Этот режим работы является наиболее тяжелым. При каждом включении и
отключении происходит износ контактов. Поэтому принимаются меры к сокращению
длительности горения дуги при отключении и к устранению вибраций контактов.
Общие
технические требования к контакторам и условия их работы регламентированы ГОСТ
11206–77.
Основными
техническими данными контакторов являются номинальный ток главных контактов,
предельный отключаемый ток, номинальное напряжение коммутируемой цепи,
механическая и коммутационная износостойкость, допустимое число включений в
час, собственное время включения и отключения. Способность контактора, как и
любого коммутационного аппарата, обеспечить работу при большом числе операций
характеризуется износостойкостью. Различают механическую и коммутационную
износостойкость. Механическая износостойкость определяется числом циклов
включения-отключения контактора без ремонта и замены его узлов и деталей. Ток в
цепи при этом равен нулю. Механическая износостойкость современных контакторов
составляет (10-20) 106 операций.
Коммутационная
износостойкость определяется таким числом включений и отключений цепи с током,
после которого требуется замена контактов. Современные контакторы должны иметь
коммутационную износостойкость порядка (2-3) · 106 операций
(некоторые выпускаемые в настоящее время контакторы имеют коммутационную
износостойкость 106 операций и менее).
Собственное
время включения состоит из времени нарастания потока в электромагните
контактора до значения потока трогания и времени движения якоря. Большая часть
этого времени тратится на нарастание магнитного потока. Для контакторов
постоянного тока с номинальным током 100 А собственное время включения
составляет 0,14 с, для контакторов с током 630 А оно увеличивается до 0,37 с.
Собственное время
отключения – время с момента обесточивания электромагнита контактора до момента
размыкания его контактов. Оно определяется временем спада потока от
установившегося значения до потока отпускания. Временем с начала движения якоря
до момента размыкания контактов можно пренебречь. В контакторах постоянного
тока с номинальным током 100 А собственное время отключения составляет 0,07, в контакторах
с номинальным током 630 А – 0,23 с.
Номинальный
ток контактора
представляет собой ток,
который можно пропускать по замкнутым главным контактам в течение 8 ч без
коммутаций, причем превышение температуры различных частей контактора не должно
быть больше допустимого (прерывисто-продолжительный режим работы). Номинальный
рабочий ток контактора
– это допустимый ток через
его замкнутые главные контакты в конкретных условиях применения. Так, например,
номинальный рабочий ток
контактора для
коммутации асинхронных двигателей с короткозамкнутым ротором выбирается из
условий включения шестикратного пускового тока двигателя.
Номинальным
напряжением называется наибольшее напряжение коммутируемой цепи, для работы при
котором предназначен контактор. Вспомогательные контакты должны коммутировать
цепи электромагнитов переменного тока, у которых пусковой ток может во много
раз превышать установившийся.
Контактор
имеет следующие основные узлы: контактную систему, дугогасительное устройство,
электромагнит и систему вспомогательных контактов. При подаче напряжения на
обмотку электромагнита контактора его якорь притягивается. Подвижный контакт,
связанный с якорем электромагнита, замыкает или размыкает главную цепь.
Дугогасительное устройство обеспечивает быстрое гашение дуги, благодаря чему
достигается малый износ контактов. Система вспомогательных слаботочных
контактов служит для согласования работы контактора с другими устройствами.
Контакторы
постоянного тока коммутируют цепь постоянного тока и имеют, как правило,
электромагнит также постоянного тока.
Контакторы
переменного тока коммутируют цепь переменного тока. Электромагнит этих
контакторов может быть выполнен либо для работы на переменном токе, либо для
работы на постоянном токе. Способность аппарата обеспечивать работу при большом
числе операций характеризуется износоустойчивостью. Различают механическую и
электрическую износоустойчивость.
Механическая
износоустойчивость определяется числом включений-отключений контактора без
ремонта и замены его узлов и деталей. Ток в цепи при этом равен нулю. К
современным контакторам предъявляется очень высокое требование по механической
износоустойчивости (10-20) ·
операций.
Электрическая
износоустойчивость определяется числом включений и отключений, после которого
требуется замена износившихся контактов. Современные контакторы должны иметь
электрическую износоустойчивость порядка 2-3 млн операций. Эти требования очень
высоки (часть выпускаемых в настоящее время контакторов имеет электрическую
износоустойчивость 106 операций и менее). Наряду с высокой
механической и электрической износоустойчивостью контакторы должны иметь малый
вес и размеры. Зона выхлопа раскаленных газов дуги должна быть возможно малой,
что позволяет сократить размеры всей установки в целом.
Контактор
имеет следующие основные узлы: контактную систему, дугогасительную систему,
электромагнитный механизм, систему блокконтактов.
При
подаче напряжения на катушку электромагнита притягивается якорь. Подвижный
контакт, связанный с якорем, производит замыкание или размыкание главной цепи.
Дугогасительная система обеспечивает быстрое гашение дуги, благодаря чему
достигается малый износ контактов. Кроме главных контактов, контактор имеет несколько
дополнительных слаботочных контактов (блок-контактов) для согласования работы
контактора с другими аппаратами.
Устройство контактора с
управлением от сети постоянного тока
а)
Контактная система.
Контакты аппарата подвержены наиболее сильному электрическому и механическому
износу ввиду большого числа операций в час и тяжелым условиям работы. С целью
уменьшения износа преимущественное распространение получили линейные
перекатывающиеся контакты. В процессе работы контакты большого числа аппаратов
разрывают цепь с током, большим, чем минимальный ток дугообразования.
Возникающая электрическая дуга способствует быстрому износу контактов.
Для
надежного гашения дуги, образующейся при отключении, между неподвижным и
подвижным контактами необходимо создавать определенное расстояние. В реальных
аппаратах это расстояние выбирается с запасом.
Расстояние
между неподвижным и подвижным контактами в полностью отключенном положении
аппарата называется раствором контактовВ зависимости от конструкции
крепления контактов меняется число контактных точек соприкосновения и
стабильность контакта.
Контакт,
имеющий возможность свободно устанавливаться на поверхности, имеет максимальное
число точек касания. Такой контакт называется самоустанавливающимся. Пример
такого контакта дан на рис. 12.1. Неподвижные контакты 1 и подвижный мостиковый контакт
2 в месте касания имеют сферические (или цилиндрические) напайки 3,
выполненные из серебра или металлокерамики. Нажатие контактов создается
пружиной 4. После касания контактов скоба 5, связанная с якорем
электромагнита, продолжает свое движение вверх на величину, равную вжиму
(провалу) контакта 6.
Применительно
к рис.12.1 провалом (вжимом) контакта называется расстояние, на которое
переместится подвижный контакт, если убрать неподвижный контакт. В контактах рис.12.1 пленка окисла
не стирается, поэтому медь нельзя использовать в этой конструкции.
На рис.12.1
показана пальцевая система с перекатыванием, широко применяемая в контакторах с
медными контактами. Контактный рычаг 4 связывается с якорем
электромагнита. При включении центр О перемещается по дуге с радиусом 02Ох(1).
Касание пальцев 1 и 2 происходит в точке В. При
дальнейшем перемещении точка касания переходит в А. Перекатывание
контакта 2 по контакту 1 происходит с небольшим проскальзыванием.
При этом пленка окисла на контактах стирается. При включении контактов, из-за
шероховатости на поверхности касания появляется дополнительная вибрация
контактов. Поэтому величина
проскальзывания должна быть небольшой. При отключении дуга загорается между
точками В-В, что спасает от оплавления точки А-А, в которых
контакты касаются во включенном положении. Таким образом удается разделить
контакт на две части: в одной происходит гашение дуги, в другой ток проводится
длительно. Поскольку для контактов непосредственный контроль провала контактов
б затруднен, о величине провала судят по зазору, образующемуся между
рычагом и контактной скобой.

Рис. 12.1. Конструкции коммутирующих контактов:
а – перекатывающиеся; б –
мостиковые; в – сдвоенные
Во всех
без исключения аппаратах имеется вжим (провал) контактов, который обеспечивает
необходимое нажатие контактов. Вследствие обгорания и износа контактов в
процессе эксплуатации вжим уменьшается, что приводит к уменьшению силы нажатия
и росту переходного сопротивления контактов. Поэтому в
эксплуатации вжим контактов должен обязательно контролироваться и находиться в пределах,
требуемых заводом-изготовителем. Особенно это относится к аппаратам, работающим в режиме частых включений и отключений
(контакторы), где износ контактов особенно интенсивен. В торцевом мостиковом
контакте вжим обычно составляет 3-5 мм. В мощных выключателях высокого напряжения он увеличивается до 8-10 мм.
При
больших номинальных токах (более 2 000 А) применяется
сдвоенная контактная система (рис.12.1, а).
Аппарат имеет главные контакты 1 – 1' и дугогасительные 2 –
2'.
Тело
главных контактов выполняется из меди, а поверхности их соприкосновения – из
серебра, нанесенного электролитически
(слой 20 мк) или в виде припаянных серебряных пластинок.
Тело
дугогасительного контакта выполняется из меди. Наконечники дугогасительных
контактов выполняются из дугостойкого материала вольфрама или металлокерамики.
Ввиду того, что
сопротивление цепи главных контактов значительно меньше, чем дугогасительных,
75-80% длительного тока проходит через главные контакты, имеющие малое
переходное сопротивление.
При
отключении вначале расходятся главные контакты и весь ток цепи перебрасывается
в дугогасительные. Контакты
2 – 2' расходятся в тот момент, когда расстояния между главными
контактами достаточно, чтобы выдержать наибольшее напряжение, возникающее в
процессе гашения дуги на дугогасительных контактах.
При
включении таких контактов вначале замыкаются дугогасительные контакты, а затем
главные, что обеспечивает отсутствие дуги и оплавление на серебряных
поверхностях главных контактов. Ввиду громоздкости это решение применяется
только при очень больших токах в автоматах и выключателях высокого напряжения.
Во всех остальных
случаях стремятся подобрать соответствующий контактный материал и обойтись
одноконтактной системой.
Для предотвращения
вибраций контактов контактная пружина создает предварительное нажатие, равное
примерно половине конечной силы нажатия. Большое влияние на вибрацию оказывают
жесткость крепления неподвижного контакта и стойкость к вибрациям всего контактора
в целом.
Основным
параметром контактора является номинальный ток,
который определяет величину (размеры) контактора. Так, контактор II величины имеет ток 100 А, III – 150 А и т.д.
Номинальным
током контактора называется ток прерывисто-продолжительного режима работы. При
этом режиме работы контактор находится во включенном состоянии не более 8 ч.
По истечении этого промежутка аппарат должен быть несколько раз включен и
отключен (для зачистки контактов от окиси меди). После этого аппарат снова
включается.
Если контактор
располагается в шкафу, то номинальный ток понижается примерно на 10% из-за
ухудшающихся условий охлаждения.
В
продолжительном режиме работы, когда длительность времени непрерывного
включения превышает 8 ч, допустимый ток контактора снижается примерно на
20%. В таком режиме из-за окисления медных контактов растет переходное
сопротивление, что может привести к повышению температуры выше допустимой
величины.
Согласно
рекомендациям завода допустимый ток повторно-кратко-временного режима для контактора
КПВ-600 определяется по формуле
,
где
, а п – число включений в час.
Необходимо
отметить, что если при отключении в повторно-кратковременном режиме длительно
горит дуга (отключается большая индуктивная нагрузка), то температура контактов
может резко увеличиться за счет подогрева контактов дугой. В этом случае нагрев
контактов в продолжительном режиме работы может быть меньше, чем в
повторно-кратковременном режиме.
Как
правило, контактная система имеет один полюс.
б) Дугогасительная система. В контакторах постоянного тока
наибольшее распространение получили устройства с электромагнитным дутьем. Как
указывалось, при взаимодействии магнитного поля с дугой возникает
электродинамическая сила, перемещающая дугу с большой скоростью.
Электрическая
дуга является газообразным проводником тока. На этот проводник, так же как на
металлический, действует магнитное поле, создавая силу, пропорциональную
индукции поля и току в дуге. Магнитное поле, действуя на дугу, увеличивает ее
длину и перемещает элементы дуги в пространстве с большой скоростью.
Поперечное
перемещение элементов дуги создает интенсивное охлаждение, что приводит к
повышению градиента напряжения на столбе дуги.
При
движении дуги в среде газа с большой скоростью возникает расслоение дуги на отдельные
параллельные волокна. Чем длиннее дуга, тем сильнее происходит расслоение дуги.
С целью
создания эффективного охлаждения дуга с помощью магнитного поля втягивается в
узкую щель между стенками из дугостойкого материала с высокой теплопроводностью
(диаметр дуги больше ширины щели). Из-за увеличения теплоотдачи стенкам щели
градиент в столбе дуги при наличии узкой щели значительно выше, чем у дуги,
свободно перемещающейся между электродами. Это дает возможность сократить
необходимую для гашения длину дуги и время гашения.
Для
улучшения охлаждения дуги ее загоняют в щель из дугостойкого материала с
высокой теплопроводностью.
На рис.12.2
изображена зависимость раствора контактов, при котором происходит
гашение дуги, от величины тока и напряженности магнитного поля для контактора
одного типа. При всех значениях напряженности поля Н кривые имеют один и
тот же характер: при токе 5-7 А кривая достигает максимума, после
чего с ростом тока необходимый раствор падает и при токе 200 А все
кривые сливаются. Такой ход кривых объясняется следующими явлениями.
Электродинамическая сила, действующая на единицу длины дуги, равна
,
где
– ток; В – индукция магнитного
поля.
Рассмотрим случай,
когда H = 0 (кривая 1). При малом значении тока в дуге
величина электродинамической силы получается столь незначительной, что она не
оказывает никакого влияния на процесс гашения. Условия, необходимые для
гашения, создаются за счет механического растяжения дуги подвижным контактом.
Чем больше величина отключаемого тока, тем большая энергия должна быть рассеяна
в дуге. При этом условия гашения дуги наступают при большей ее длине.
При токе более
7 А на дугу действует электродинамическая сила, возникающая как за
счет магнитного поля подводящих проводников, так и за счет конфигурации самой
дуги (грубо можно представить, что дуга имеет форму части окружности). Эти силы
являются решающими для гашения дуги. Чем больше ток в цепи, тем больше
электродинамическая сила, растягивающая дугу. В результате при токе 200 А
для гашения дуги достаточно иметь раствор контактов около 1,5 мм. Фактически
при таком токе, как только контакты разойдутся, возникающие электродинамические
силы выталкивают дугу из межконтактного зазора и перемещают со скоростью
несколько десятков метров в секунду. При этом длина дуги, при которой она
гаснет, достигает 10 мм и более. Наличие внешнего магнитного поля
способствует резкому сокращению раствора контактов в области малых токов и
незначительно сказывается на процессе гашения при токах 100 А и
выше. Оптимальной напряженностью является H = 55 А/см.
Дальнейшее увеличение напряженности мало влияет на процесс гашения, но
требует большей мощности для создания магнитного поля, что связано с
увеличением затрат меди на катушку.
Хотя при
токах выше 100 А применение магнитного дутья кажется излишним (рис.12.2), во всех контакторах на
токи 100 А и выше такая система обязательно применяется. Дело в том, что
наличие внешнего магнитного поля способствует быстрому перемещению опорных
точек дуги на контактах, перегоняя ее на дугогасительные электроды – рога и тем
самым уменьшая оплавление контактов. Для каждого значения тока имеется свое
оптимальное значение поля. При напряженности, большей оптимальной, наступает
усиленный износ контактов за счет того, что жидкометаллический контактный
мостик, образующийся в стадии размыкания контактов, уносится и распыляется
сильным магнитным полем.
Рис. 12.2. Зависимость
раствора контактов от тока дуги
Величина
напряжения отключаемой цепи утяжеляет процесс гашения дуги только в области
малых токов до 30 А. В области с токами выше 100 А, когда
решающую роль играют электродинамические силы, величина питающего напряжения
практически не влияет на раствор контактов. Раствор контактов обычно берется
10-17 мм и определяется условиями гашения малого тока.
Характер
нагрузки отключаемой цепи также оказывает влияние только при малых токах в
области, где гашение дуги происходит за счет механического растяжения дуги. В
области больших токов следует опасаться больших перенапряжений и повторных пробоев
из-за резкого снижения тока к нулю при сильном магнитном поле.
В
зависимости от способа создания магнитного поля различают системы с
последовательным (сериесным) включением дугогасительной катушки и с
параллельным (шунтовым) включением катушки и системы с постоянным магнитом.
В случае
применения сериесной катушки она обтекается током, проходящим в отключаемой
цепи. Если пренебречь магнитным сопротивлением стали, то можно считать, что
индукция пропорциональна отключаемому току. Тогда выражение для силы, действующей
на дугу, можно преобразовать к виду
.
Таким
образом, сила, действующая на единицу длины дуги, пропорциональна квадрату
тока.
Как было
показано ранее, наиболее важно иметь необходимую величину магнитного поля для
дутья в области малых токов. Сериесная система обладает как раз тем
недостатком, что в этой области токов не создает необходимой напряженности
магнитного поля. В результате гашение дуги получается малоэффективным.
Согласно опытным
данным ток, надежно отключаемый контакторами с сериесным дутьем, составляет
20-25% номинального тока аппарата.
Для
надежного и быстрого гашения дуги в области малых токов применяются контакторы
на небольшой ток (блок-контакторы) со сменными дугогасительными катушками. Эти
катушки имеют номинальный ток 1,5-40 А. При малом отключаемом токе
катушка имеет большое число витков, благодаря чему создается необходимое магнитное
поле для гашения дуги за малое время.
Достоинства
системы с сериесной катушкой таковы.
1.
Система хорошо работает в области токов свыше 100 А. При этих токах
магнитное поле быстро сдувает дугу с рабочих поверхностей контактов и обеспечивает
малый их износ.
2.
Работа системы не зависит от направления тока. При изменении направления тока
меняет знак и магнитное поле. Сила, действующая на дугу, не изменяет своего
направления.
3.
Поскольку через катушку проходит номинальный ток контактора, она выполняется из
провода большого сечения. Такая катушка механически прочна и не боится ударов,
возникающих при работе контактора. Падение напряжения на катушке составляет
доли вольта. Поэтому к изоляции катушки не предъявляются высокие требования.
Наряду с
достоинствами эта система имеет и ряд недостатков.
1.
Плохое гашение
дуги при малых токах (5-7 А).
2.
Большая затрата
меди на катушку.
3.
Подогрев
контактов за счет тепла, выделяемого дугогасительной катушкой.
Несмотря
на эти недостатки, система с сериесной катушкой благодаря высокой надежности
при гашении номинальных и больших токов получила преимущественное
распространение.
В
параллельной (шунтовой) системе катушка, создающая магнитное поле, подключается
к независимому источнику питания. Напряженность магнитного поля, создаваемая
системой, постоянна и не зависит от отключаемого тока.
Сила, действующая
на дугу, пропорциональна отключаемому току.
На рис. 2.5 изображена эта зависимость для
случая, когда н.с. сериесной обмотки при номинальном токе равна н.с. шунтовой.
При токах от 0 до
сила, действующая на
дугу, при шунтовой катушке получается большей, чем при сериесной, – прямая F2. Это позволяет резко снизить длительность горения дуги
в области малых токов. При токах больших
сила,
действующая на дугу, при сериесной катушке больше, чем при шунтовой. Однако для
гашения это не имеет существенного значения, так как решающими являются силы,
возникающие в самом контуре дуги.
Зависимость
времени гашения дуги от тока для шунтовой обмотки приведена на рис. 2.5 (кривая
3).
Поскольку
в области малых токов шунтовая катушка действует более эффективно, чем
сериесная, при одной и той же длительности горения дуги требуется меньшая н.с.,
что дает экономию. Однако шунтовые катушки имеют и ряд крупных недостатков.
1.
Направление электродинамической силы, действующей на дугу, зависит от
полярности тока. При изменении направления тока дуга меняет направление своего
движения. Контактор не может работать при перемене полярности тока.
2.
Поскольку к катушке прикладывается напряжение источника питания, изоляция
должна быть рассчитана на это напряжение. Катушка выполняется из тонкого
провода. При ударах и вибрациях возможны повреждение изоляции провода и выход
из строя катушки. Близость дуги к такой катушке делает ее работу ненадежной.
3. При
коротких замыканиях возможна посадка напряжения па источнике, питающем катушки.
В результате процесс гашения дуги идет неэффективно.
В связи
с указанными недостатками системы с шунтовой обмоткой в настоящее время
применяются только в случаях, когда необходимо отключать небольшие токи от 5 до
10 А. В аппаратах на большие силы тока эта система не применяется.
Система
с постоянным магнитом по существу мало отличается по своей характеристике от
системы с шунтовой обмоткой. Магнитное поле создается за счет постоянного
магнита.
По
сравнению с системами, где поле создается обмотками, постоянный магнит имеет
ряд преимуществ.
1. Нет
затрат энергии на создание магнитного поля.
2. Резко
сокращается расход меди на контактор.
3.
Отсутствует подогрев контактов от катушки, как это имеет место в системе с
сериесной обмоткой.
4. По сравнению с
шунтовой системой, система с постоянным магнитом обладает высокой надежностью и
хорошо работает при любых токах. Применение постоянного магнита позволяет
сократить длительность горения дуги при малых токах. В силу своих преимуществ
эта система, очевидно, в дальнейшем будет широко использоваться.
Магнитное
поле, действующее на дугу, создает силу, которая перемещает дугу в
дугогасительную камеру. Назначение камеры – локализовать область, занятую
раскаленными газами дуги, препятствовать перекрытию между соседними полюсами.
При соприкосновении дуги со стенками камеры происходит интенсивное охлаждение
дуги, что приводит к подъему вольтамперной характеристики и успешному гашению.
Асбоцементные
камеры, применявшиеся в течение длительного времени, обладают тем недостатком,
что под действием высокой температуры дуги на поверхности стенок образуются
проводящие мостики. В результате возможно возникновение стабильной дуги,
которая горит в местах, где образовались эти проводящие мостики.
а б
Рис. 12.3. Дугогасительная
камера с прямой и зигзагообразной щелью
Наиболее совершенной является лабиринтно-щелевая камера. Под
действием магнитного поля дуга загоняется в суживающуюся зигзагообразную щель
(рис. 2.6, б). Благодаря увеличению длины дуги и хорошему тепловому
контакту дуги со стенками камеры происходит ее эффективное гашение. По
сравнению с обычной продольной щелью (рис. 2.6, а) зигзагообразная
щель уменьшает количество выброшенных из камеры раскаленных газов и,
следовательно, зону выхлопа.
в)
Электромагнитная система. В контакторах с приводом на постоянном токе преимущественное
распространение получили электромагниты клапанного типа.
С целью
повышения механической износоустойчивости в современных контакторах применяется
вращение якоря на призме. Выбранная компоновка электромагнита и контактной
системы, применение специальной пружины, прижимающей якорь к призме, позволили
повысить износоустойчивость узла вращения до 20-106. В случае
применения подшипникового соединения якоря и магнитопровода при износе
подшипника возникают люфты, нарушающие нормальную работу аппарата.
При
включении электромагнит преодолевает действие силы возвратной и контактной
пружин. Тяговая характеристика электромагнита должна во всех точках идти выше
характеристики противодействующих пружин при минимальном допустимом напряжении
на катушке (
) и нагретой катушке. Включение должно
происходить при постоянно нарастающей скорости. Не должно быть замедления в
момент замыкания главных контактов.
В
противодействующей характеристике наиболее тяжелым моментом является
преодоление силы в момент касания главных контактов. Наибольшее напряжение на
катушке не должно превышать 110%
, так как при
большем напряжении увеличивается износ из-за усиления ударов якоря, а
температура катушки может превысить допустимую величину.
Следует
отметить, что с целью уменьшения намагничивающей силы катушки, а следовательно,
и потребляемой ею мощности рабочий ход якоря выбирается небольшим, порядка 8-10 мм. В связи с тем, что для надежного гашения дуги при малых токах требуется раствор
контактов 17-20 мм, расстояние точки касания подвижного контакта от
оси вращения подвижной системы берется в 1,5-2 раза больше, чем расстояние от
оси полюса до оси вращения.
Собственное время
отпадания – время с момента обесточивания электромагнита до момента размыкания
контактов. Оно определяется временем спада потока от установившегося значения
до потока отпускания (временем движения с момента начала движения якоря до
момента размыкания контактов можно пренебречь). Переходный процесс в обмотке
мало сказывается на спаде потока, так как цепь обмотки быстро разрывается
отключающим аппаратом. Этот процесс в основном определяется токами,
циркулирующими в массивных элементах магнитной цепи (в основном за счет токов в
цилиндрическом сердечнике, на котором расположена катушка). Ввиду большого
удельного электрического сопротивления стали эти токи создают небольшое
замедление в спадании потока. В контакторах на 100 А время
отпадания составляет 0,07 сек, а в контакторах на 600 А – 0,23 сек.
Контакторы переменного тока
Контактная
система
Контакторы
переменного тока выпускаются на токи от 100 до 630 А. Число главных
контактов колеблется от одного до пяти. Это отражается на конструкции всего
аппарата в целом. Наиболее широко распространены контакторы трехполюсного
исполнения. Наличие большого числа контактов приводит к увеличению усилия и,
соответственно, момента, необходимых для включения аппарата.
Широкое
распространение получила мостиковая контактная система с двумя разрывами на
каждый полюс. Такая конструкция распространена в пускателях. Быстрое гашение
дуги, отсутствие гибкой связи являются большими преимуществами такой
конструкции. Применяется как прямоходовая система, так и с вращением якоря. В
первом случае якорь движется поступательно. Подвижные контакты связаны с якорем
и совершают тот же путь, что и якорь. При передаче усилия контактных пружин к
якорю из-за отсутствия рычажной системы нет выигрыша в силе. Электромагнит должен
развивать усилие большее, чем сумма сил контактных пружин и веса якоря (в
контактах с вертикальной установкой). В большинстве выполненных по этой схеме
контакторов наблюдается медленное нарастание силы контактного нажатия, из-за
чего имеет место длительная вибрация контактов (до 10 мсек). В
результате происходит сильный износ контактов при включении. Поэтому такая
конструкция применяется только при небольших номинальных токах.
Более совершенным является контактор,
который имеет мостиковую систему и рычажную передачу усилий от контактов к
якорю электромагнита.
Расстояние от оси вращения до места расположения контактов в
2,5 раза меньше, чем расстояние от оси вращения до точки крепления якоря. Такая
кинематика позволяет увеличить силу нажатия при данном габарите электромагнита.
Близкое расположение контактов к оси вращения снижает скорость движения
контактов. Малый вес контактного моста, низкая скорость в момент касания,
большая величина силы нажатия способствуют резкому снижению вибрации (она длится
всего 0,3 мсек). При этом электрическая износоустойчивость возрастает
до
операций включения и отключения.
В
настоящее время для работы в схемах с высокой частотой (500-10 000 Гц)
часто применяются контакторы, рассчитанные для работы при частоте 50 Гц.
При частотах выше 500 Гц существенное значение имеют потери в
токоведущих частях из-за эффекта близости и скин-эффекта. Для того чтобы
удержать температуру токоведущих частей контактора в допустимых пределах,
используется многополюсный контактор, у которого токоведущие цепи полюсов
включены параллельно. При этом ток, протекающий через каждый полюс, уменьшается.
Значительное уменьшение габарита высокочастотного контактора достигается за
счет применения водяного охлаждения.
Гашение дуги в контакторах
переменного тока
Гашение
дуги переменного тока имеет значительные особенности. Вопрос гашения дуги
переменного тока в низковольтных аппаратах подробно изучен О.Б. Броном.
Ниже изложены результаты этой работы, наиболее интересные для специалистов,
работающих в области эксплуатации аппаратов.
На рис.12.4 изображены
экспериментальные зависимости раствора контактов, необходимого для гашения
дуги, от величины тока цепи. Коэффициент мощности цепи
менялся
в пределах от 0,2 до 1. Контактор имеет один разрыв на полюс и не снабжен
никаким дугогасительным устройством.
В случае
активной нагрузки (
l) гашение дуги происходит при растворе контактов примерно
0,5 мм при любом токе и любом напряжении (до 500 В) – кривая 3,
рис. 12.4.
Рис. 12.4. Зависимость необходимого для гашения дуги раствора
контактов от тока дуги
При
индуктивной нагрузке (
= 0,2-0,5) такое же гашение
имеет место при напряжении до 220 В. Это объясняется тем, что
гашение дуги происходит за счет практически мгновенного восстановления
электрической прочности 200-220 В около катода.
При
напряжении источника питания, не превышающем 220 В, для гашения
дуги необходим всего один разрыв на полюс. Никаких дугогасительных устройств не
нужно.
Если в
цепи полюса аппарата создать два разрыва, например, за счет применения
мостикового контакта, то дуга надежно гасится за счет околоэлектродной прочности
при напряжении сети 380 В. На основании этих данных в настоящее
время широко применяются контакторы с двукратным разрывом цепи в одном полюсе.
При индуктивной нагрузке (
=0,2-0,5) и
напряжении источника свыше 380 В величина восстанавливающегося
напряжения становится больше околокатодной прочности. Кривые 1 и 2
сняты при
=0,2-0,5 и напряжениях источника 500 и
380 В. Гашение дуги в этом случае зависит от процессов в столбе
дуги и нагрева электродов током.
Кривые 1 и
2 рис. 12.4 аналогичны кривым рис. 12.2, полученным для постоянного тока. В
области до 40-50 А гашение происходит за счет механического растяжения
дуги. Максимальный раствор, требуемый для гашения, составляет 7 мм (против 18 мм для постоянного тока).
При
токах более 50 А необходимый раствор уменьшается. Гашение происходит за
счет действия на дугу электродинамических сил и влияет на процесс гашения дуги.
При токе более 200 А гашение происходит при растворе менее 1 мм. Таким образом, наиболее тяжелой для гашения является величина тока 40-50 А.
Исследования показали, что увеличение раствора сверх 8 мм недопустимо. Для эффективного гашения дуги, уменьшения износа контактов могут быть
использованы следующие системы.
1. Магнитное гашение дуги с помощью
сериесной катушки и дугогасительной камеры с продольной или лабиринтной щелью.
2.
Камера с дугогасительной решеткой из стальных пластин.
В
системе с сериесной дугогасительной катушкой сила, действующая на дугу,
пропорциональна квадрату тока. Поэтому и при переменном токе на дугу действует
сила, неизменная по направлению. Величина силы пульсирует с двойной частотой во
времени (так же как электродинамическая сила, действующая на проводник).
Средняя сила получается в 2 раза меньше, чем при постоянном токе, при условии,
что величина постоянного тока равна действующему значению переменного тока.
Указанные соотношения справедливы, когда потери в магнитной системе дутьевой
катушки отсутствуют и поток по фазе совпадает с током. Несмотря на эффективную
работу этого устройства, в настоящее время оно применяется только в контакторах,
работающих в тяжелом режиме (число включений в час более 600). Недостатки этого
метода гашения таковы.
1.
Увеличиваются потери в контакторе из-за потерь в стали магнитной системы дугогашения.
2. Эти
потери ведут к повышению температуры контактов, расположенных вблизи
дугогасительного устройства.
3. Из-за
принудительного обрыва тока (до естественного нуля) возможно возникновение
больших перенапряжений.
Применение
для гашения шунтовой катушки на переменном токе исключается из-за того, что
сила, действующая на дугу, меняет свой знак, так как поток, создаваемый
магнитной системой дугогашения, сдвинут по фазе относительно отключаемого тока.
Если ток и поток имеют один знак, то сила положительна; если же ток и поток
имеют разные знаки, то сила отрицательна.
Довольно широкое распространение получила система с дугогасительной
решеткой из стальных пластин; принцип действия такого устройства заключается во
втягивании дуги в стальную решетку под действием электродинамического усилия.
Для того чтобы
пластины решетки не подвергались коррозии, они покрываются тонким слоем меди
или цинка. Несмотря на быстрое гашение дуги, при частых включениях и
отключениях происходит нагрев пластин до очень высокой температуры. Возможно даже
прогорание пластин. В связи с этим число включений и отключений в час у
контакторов с деионной решеткой не превышает 600.
Дугогасительные системы
высокочастотных контакторов
В высокочастотных установках для
обеспечения нормальных условий работы генераторов cos
цепи стремятся
приблизить к единице. Как было показано, гашение дуги в этом случае получается
более тяжелым, чем при cos
=0.
Исследования
показали, что для гашения дуги с током высокой частоты (f>500Гц) дугогасительная
решетка со стальными пластинами не может применяться. Высокочастотный поток,
проходя по стальным пластинам, наводит в них ЭДС, пропорциональную частоте.
Возникающий под действием этой ЭДС ток в пластинах создает поток, который,
взаимодействуя с током дуги, выталкивает дугу из решетки. Чем больше частота,
тем больше выталкивающая сила. Если стальные пластины заменить на латунные, то
выталкивающая сила уменьшается, так как магнитная проницаемость латуни
значительно меньше, чем стали. Следовательно, поток в пластинах латуни будет
значительно меньше, чем в стальных пластинах. Однако при этом силы, втягивающей
дугу в решетку, не возникает и необходимо применение сериесной катушки
магнитного дутья
Электромагнитный механизм
контактора переменного тока
Для
привода контактов широкое распространение получили электромагниты с Ш-образным
и П-образным сердечниками.
Магнитопровод состоит из двух
одинаковых частей, одна из которых укреплена неподвижно, другая связана через
рычаги с контактной системой. В электромагнитах старой конструкции для устранения
залипания якоря между средними полюсами Ш-образной системы делался зазор. При
включении удар приходился на крайние полюсы, что приводило к их заметному
расклепыванию. В случае перекоса якоря на рычаге возможно «клевание»
поверхности сердечника острыми кромками якоря.
С целью устранения вибрации якоря во
включенном положении на полюсах магнитной системы устанавливаются
короткозамкнутые витки. Действие короткозамкнутого витка наиболее эффективно
при малом воздушном зазоре. Поэтому для плотного прилегания полюсов их
поверхность должна шлифоваться.
Известно, что из-за изменения
индуктивного сопротивления катушки ток в притянутом состоянии якоря значительно
меньше, чем в отпущенном состоянии. В среднем можно считать, что пусковой ток
равен десятикратному току притянутого состояния, но для больших контакторов
может достигать значения, равного 15-кратному от тока в замкнутом состоянии. В
связи с большим пусковым током ни в коем случае не допускается подача
напряжения на катушку, если якорь по каким-либо причинам удерживается в
положении «отключено». Катушки большинства контакторов рассчитаны таким
образом, что допускают до 600 включений в час при ПВ = 40%.
Электромагниты контакторов
переменного тока могут также питаться от сети постоянного тока. В этом случае
на контакторах устанавливается специальная катушка, которая работает с
форсировочным сопротивлением. Форсировочное сопротивление шунтировано нормально
закрытым блок-контактом контактора или более мощными контактами другого
аппарата. Параметры катушек и величины форсировочных сопротивлений приведены в
каталогах.
При уменьшении зазора тяговая
характеристика электромагнита переменного тока поднимается менее круто, чем в
электромагните постоянного тока. Благодаря этому тяговая характеристика
электромагнита более близко подходит к противодействующей. В результате
напряжение отпускания близко к напряжению срабатывания. Отношение этих
напряжений называется коэффициентом возврата. Относительно высокий коэффициент
возврата (0,6-0,7) дает возможность осуществить защиту двигателя от падения
напряжения. При понижении напряжения до 0,6-0,7 от
происходит
отпадание якоря и отключение двигателя.
Электромагниты контакторов
обеспечивают надежную работу в диапазоне колебания питающего напряжения 85-110%
. При коэффициенте возврата 0,7
якорь электромагнита отпадет при падении напряжения до 70%
. Поскольку катушка контактора
питается через замыкающий блок-контакт, то включение контактора не происходит
самостоятельно после подъема напряжения до номинального значения. Как
указывалось, срабатывание электромагнита переменного тока происходит
значительно быстрее, чем электромагнита постоянного тока. Собственное время
срабатывания контакторов составляет 0,03-0,05 сек, а время
отпускания 0,02 сек.



В случаях применения контакторов для
реверса предусматривается как механическая, так и электрическая блокировка.
Так же как и контакторы постоянного
тока, контакторы переменного тока имеют блок-контакты, которые приводятся в
действие тем же электромагнитом, что и главные контакты.
Магнитные пускатели
Требования
к пускателям и условия их работы
Магнитным
пускателем называется контактор, предназначенный для пуска в ход
короткозамкнутых асинхронных двигателей.
Как правило, в пускатель, помимо
контактора, встроены тепловые реле для защиты двигателя от перегрузок и «потери
фазы». Бесперебойная работа асинхронных двигателей в значительной степени
зависит от надежности пускателей. Поэтому к ним предъявляются высокие
требования в отношении износоустойчивости, коммутационной способности, четкости
срабатывания, надежности защиты двигателя от перегрузок, минимального
потребления мощности.
Особенности условий работы пускателя
состоят в следующем. При включении асинхронного двигателя пусковой ток
достигает 6-7-кратного значения номинального тока. Даже незначительная вибрация
контактов при таком токе быстро выводит их из строя. Это накладывает высокие
требования в отношении вибрации контактов и их износа. С целью уменьшения
времени вибрации контакты и подвижные части делаются возможно легче,
уменьшается их скорость, увеличивается нажатие. Эти мероприятия позволили
создать износоустойчивый пускатель типа ПА с электрической износоустойчивостью
до 106 операций.
Исследования
показали, что при токах до 100 А целесообразно применять серебряные
накладки на контактах. При токе выше 100 А хорошие результаты дает
композиция серебра и окиси кадмия типа СОК-15.
После разгона двигателя величина тока
падает до номинального значения.
При отключении восстанавливающееся
напряжение на контактах равно разности напряжения сети и ЭДС двигателя. В
результате на контактах появляется напряжение, составляющее всего 15-20%
, т.е. имеют место облегченные
условия отключения. При работе двигателя нередки случаи, когда двигатель
отключается от сети тотчас же после пуска. Пускателю приходится тогда отключать
ток, равный семикратному номинальному току при очень низком коэффициенте
мощности (cos
=0,3)
и восстанавливающемся напряжении, равном номинальному напряжению источника
питания. После 50-кратного включения и отключения заторможенного двигателя
пускатель должен быть пригоден для дальнейшей работы. В технических данных
пускателя указывается не только его номинальный ток, но и мощность двигателя, с
которым пускатель может работать при различных напряжениях. Поскольку ток,
отключаемый пускателем, относительно мало падает с ростом напряжения, мощность
двигателя, с которым может работать данный пускатель, возрастает с увеличением
номинального напряжения. Наибольшее рабочее напряжение равно 500 В.
Многочисленные исследования показали,
что электрическая износоустойчивость примерно обратно пропорциональна мощности
управляемого электродвигателя в степени 1,5-2. Если необходимо повысить срок
службы пускателя, то целесообразно выбрать его с запасом по мощности.
При уменьшении мощности двигателя
возрастает допустимое число включений в час. Дело в том, что двигатель меньшей
мощности быстрее достигает номинальной скорости вращения. Поэтому при отключении
пускатель разрывает установившийся номинальный ток двигателя, что облегчает
работу пускателя.
С учетом исключительно широкого
распространения пускателей большое значение приобретает снижение мощности,
потребляемой ими. В пускателе мощность расходуется в электромагните и тепловом
реле. Потери в электромагните составляют примерно 60%, в тепловых реле – 40%. С
целью снижения потерь в электромагните применяется холоднокатаная сталь Э-310.
Конструкция и схема
включения пускателя
Наибольшее распространение получили пускатели серии ПМЕ и ПА.
С учетом условий работы пускателя оказалось возможным, используя двукратный
разрыв цепи, отказаться от применения громоздких дугогасительных устройств в
виде решетки или камеры магнитного дутья. Широко применяются торцевые контакты
с металлокерамикой. Подвижный контакт выполняется мостикового типа с самоустанавливанием.
Прямоходовой электромагнит имеет Ш-образный сердечник и якорь. Короткозамкнутый
виток расположен на двух крайних стержнях сердечника.
При токах, больших 25 А, хорошо
себя зарекомендовала система пускателей серии ПА, в которой ход контакта
примерно в 2,5 раза меньше, чем ход якоря электромагнита. Для защиты двигателя
от перегрузки в двух фазах устанавливаются тепловые реле. В некоторых типах
пускателей, например, в серии П, тепловые реле расположены на одной панели с
контактором. В этих случаях обычно используются реле типа РТ тепловых реле.
Более совершенную тепловую защиту
дают реле типа ТРП и ТРИ, которые монтируются вне контактора пускателя. Схема
включения нереверсивного пускателя показана на рис. 4.1. Главные
(линейные) контакты КМ1, КМ2, КМ3 включаются в рассечку проводов,
питающих двигатель. В проводах двух фаз включаются также нагревательные
элементы тепловых реле ТРП-1 и ТРП-2. Катушка электромагнита К подключается
к сети через размыкающие контакты тепловых реле и кнопки управления. При
нажатии кнопки «Пуск» напряжение на катушку подается через замкнутые контакты
кнопки «Стоп» и замкнутые контакты кнопки «Пуск». После притяжения якоря
электромагнита замыкается блок-контакт КМ, шунтирующий кнопку «Пуск».
Это дает возможность отпустить


пусковую кнопку.
Для
отключения пускателя нажимается кнопка «Стоп». При перегрузке двигателя
срабатывают тепловые реле, которые разрывают цепь катушки К. Якорь
электромагнита отпадает. Происходит отключение пускателя. Высокий коэффициент
возврата электромагнитного механизма переменного тока позволяет осуществить
защиту двигателя от понижения напряжения питания (электромагнит отпускает якорь
при напряжении 60-70%
).
Если напряжение сети возрастет до своего номинального
значения, то самопроизвольного включения пускателя не произойдет, так как при
отключении блок-контакт КМ размыкается и цепь катушки К разрывается.
Рис. 4.1. Схема включения магнитного пускателя
Схема
включения реверсивного пускателя приведена на рис. 4.3. Кнопка управления
«Вперед» имеет замыкающие контакты 1-2 и размыкающие контакты 4-6. Аналогичные
контакты имеет кнопка пуска двигателя в обратном направлении («Назад»).
Рис. 4.3. Схема включения реверсивного пускателя
Соответственно,
индекс В отнесен к элементам, участвующим при работе «Вперед», и индекс Н – при
работе «Назад». При пуске «Вперед» замыкаются контакты 1-2 этой кнопки и
процесс протекает так же, как и у нереверсивного пускателя, с той лишь
разницей, что цепь катушки Кв замыкается через размыкающие
контакты 1-6 кнопки «Назад».
Одновременно
размыкаются размыкающие контакты 4-6 кнопки «Вперед», при этом
разрывается цепь катушки КВ. При нажатии кнопки «Назад»
вначале размыкаются контакты 1-6, обесточивается катушка КВ
и отключается пускатель «Вперед». Затем контактами 4-3 запускается
электромагнит пускателя «Назад». При одновременном нажатии кнопок «Вперед» и
«Назад» ни один из пускателей не будет включен. Блок-контакты в настоящее время
выпускаются в виде унифицированных блоков, которые могут устанавливаться в
различных пускателях.
Современные
контакторы, выпускаемые отечественной промышленностью
Контакторы относятся к аппаратам
управления низкого напряжения (до 1000 В). Контактором называется
электрический аппарат с самовозвратом для многократного дистанционного
включения и отключения силовой электрической нагрузки переменного и постоянного
токов, а также редких отключений токов перегрузки. Ток перегрузки составляет
7-10-кратное значение по отношению к номинальному току.
Контакторы переменного и постоянного
тока, как правило, имеют конструктивные отличия, поэтому обычно не
взаимозаменяемы.
В контакторах не предусмотрены
защиты, присущие автоматам и магнитным пускателям. Контакторы обеспечивают
большое число включений и отключений (циклов) при дистанционном управлении ими.
Число этих циклов для контакторов разной категории изменяется от 30 до 3600 в
час. Контакторы выпускаются переменного (типа К и КТ) и постоянного (типа КП,
КМ, КПД) токов.
.
Современные
магнитные пускатели, выпускаемые отечественной промышленностью
Устройство
и назначение
Магнитные пускатели предназначены для пуска, остановки,
реверсирования и тепловой защиты главным образом асинхронных двигателей.
Наибольшее применение находят магнитные пускатели с контактными системами и электромагнитным
приводом типов ПМЕ, ПМА, ПА (ПАЕ). Пускатели выполняются открытого,
защищенного, пылебрызгонепроницаемого исполнения, реверсивные и нереверсивные,
с тепловой защитой и без нее. Магнитный пускатель заключается, как правило, в
стальной кожух. Управление им осуществляется посредством кнопок управления Пуск,
Стоп, Вперед, Назад
Технические
параметры
Пускатели
серии ПМЕ, ПАЕ обладают коммутационной способностью до
операций
и частотой включений до 1200 в час. Выбор контакторов и пускателей
осуществляется по номинальному напряжению сети, номинальному напряжению питания
катушек контакторов и пускателей, по номинальному коммутируемому току электроприемника.
Наиболее
распространенные серии пускателей с контактной системой и электромагнитным
приводом: ПМЕ, ПМА, ПА, ПВН, ПМЛ, ПВ, ПАЕ.
Пускатели
серии ПМА предназначены для управления асинхронными
двигателями в диапазоне мощностей от 1,1 до 75 кВт на напряжение
380-660 В.
Пускатели
серии ПМЕ выполняются с прямоходовой магнитной
системой и управлением на переменном токе. Напряжение
от 36 до 500 В. Используются для управления электродвигателями с короткозамкнутым
ротором.
Пускатели
серии ПАЕ с
управлением на переменном токе: отдельные исполнения ПАЕ-313, -314, -411, -412
применяются преимущественно в станкостроении. Характеристики пускателей серии
ПМЕ и ПАЕ приведены в табл. 6.2.
Пускатели
серии ПМА предназначаются
для управления асинхронными двигателями мощностью 1,1...75 кВт; имеют
реверсивные и нереверсивные исполнения, бывают с тепловым реле и без него,
открытого и защищенного исполнения; износостойкость механическая в аппаратах на
ток до 63 А составляет 16...106, выше 63 А – 10 циклов;
коммутационная – соответственно 3...10 и 2,5... 10 циклов.
Номинальный ток контактов
вспомогательной цепи лежит в пределах от 4 до 10 А.
Пускатели
электромагнитные серии ПМЛ предназначены для дистанционного пуска
непосредственным подключением к сети, остановки и реверсирования трехфазных
асинхронных электродвигателей с короткозамкнутым ротором при напряжении до
660 В переменного тока частотой 50 Гц, а в исполнении с трехполюсными
тепловыми реле серии РТЛ – для защиты управляемых электродвигателей от
перегрузок недопустимой продолжительности и от токов, возникающих при обрыве одной
из фаз.
Пускатели
могут комплектоваться ограничителями перенапряжений типа ОПН. Пускатели, комплектуемые
ограничителями перенапряжения, пригодны для работы в системах управления с
применением микропроцессорной техники при шунтировании включающей катушки
помехоподавляющим устройством или при тиристорном управлении.
Номинальное
переменное напряжение включающих катушек: 24, 36, 40, 48, 110, 127, 220, 230,
240, 380, 400, 415, 500, 660 В частоты 50 Гц и 110, 220, 380, 400, 415,
440 В частоты 60 Гц.
Пускатели
ПМЛ на токи 10...63 А имеют прямоходовую магнитную систему Ш-образного
типа. Контактная система расположена перед магнитной. Подвижная часть электромагнита
составляет одно целое с траверсой, в которой предусмотрены подвижные контакты и
их пружины.
Тепловые
реле серии РТЛ подсоединяются непосредственно к корпусам пускателей.
Обозначение
магнитных пускателей ПМЛ-ХХХХХХХХХ:
ПМЛ —
серия;
X – величина
пускателя по номинальному току (1 – 10 А, 2 – 25 А, 3 – 40 А, 4 –
63 А);
X – исполнение
пускателей по назначению и наличию теплового реле (1 – нереверсивный, без
теплового реле; 2 – нереверсивный, с тепловым реле; 5 – реверсивный
пускатель без теплового реле с механической блокировкой для степени защиты IP00 и IP20 и с электрической и механической блокировками для степени
защиты IP40 и IP54; 6 – реверсивный пускатель с тепловым реле с электрической
и механической блокировками; 7 – пускатель звезда-треугольник степени защиты
54);
X – исполнение
пускателей по степени защиты и наличию кнопок управления и сигнальной лампы (0
– IP00; 1 – IP54 без кнопок; 2 – IP54 с кнопками «Пуск» и «Стоп»; 3 – IP54 с кнопками «Пуск», «Стоп» и сигнальной лампой
(изготавливается только на напряжения 127, 220 и 380 В, 50 Гц); 4 – IP40 без кнопок; 5 – IP40 с кнопками «Пуск» и «Стоп»; 6 – IP20);
X – число и вид
контактов вспомогательной цепи (0 – 1з (на ток 10 и 25 А), 1з + 1р (на ток 40 и
63 А), переменный ток; 1 – 1р (на ток 10 и 25 А), переменный ток; 2 – 1з (на
ток 10, 25, 40 и 63 А), переменный ток; 5 – 1з (на 10 и 25 А), постоянный ток;
6 – 1р (на ток 10 и 25 А), постоянный ток); X – сейсмостойкое исполнение пускателей (С);
X – исполнение
пускателей с креплением на стандартные рейки Р2-1 и Р2-3;
XX – климатическое
исполнение (О) и категория размещения (2, 4);
X – исполнение по
коммутационной износостойкости (А, Б, В).
Пускатели на токи
10, 25, 40 и 63 А допускают установку одной дополнительной контактной
приставки ПКЛ или пневмоприставки ПВЛ.
Номинальный
ток контактов приставок ПВЛ и сигнальных контактов пускателей – 10 А.
Номинальный
ток контактов приставок ПКЛ – 16 А. Приставки ПВЛ имеют 1 замыкающий и 1
размыкающий контакты.
Лекция №13
Тема лекции:
Автоматические воздушные выключатели (автоматы), виды, параметры. Электромагнитные
реле (тока и напряжения, для энергосистем и электроприводов)
Автоматические
воздушные выключатели
Автоматические
выключатели (автоматы) обеспечивают одновременно функции коммутации силовых
цепей (токи от единиц ампер до десятков килоампер) и защиты электроприемника, а
также сетей от перегрузок и коротких замыканий. По выполняемым функциям защиты
автоматы можно подразделять на:
1.Автоматы
максимального тока;
2.Автоматыминимального
тока;
3.Автоматы
понижения напряжения;
4.Автоматыобратной
мощности.
Принципиальные
схемы действия автоматов без выдержки времени представлены на рис.13.1 (с
электромагнитными расцепителями).
Основными
элементами всякого автомата являются:
чувствительный
орган в виде элемента защиты;
исполнительный
орган в виде контактного устройства;
промежуточное
кинематическое устройство- механизм выключателя;
дугогасительное
устройство;
механизм
управления- привод включения.
Элемент
защиты воспринимает изменение параметров электрической цепи и срабатывает при
наступлении ненормального режима в ней (недопустимое увеличение тока, понижения
напряжения и др.) При срабатывании элементов защиты происходит воздействие на механизм
свободного расцепления. Элементы защиты с промежуточными конструктивными
частями (пружинами и др.) воздействующие на механизм свободного расцепления,
называют расцеплениями.
Составной
частью кинематики многих конструкций автоматов является механизм свободного
расцепления. В различных конструкциях автоматов свободное расцепление
обеспечивается по разному: механизмом с ломающимся рычагом, механизмы с
защелкой и др.
На
рис.13.2 показана схема механизма свободного расцепления, выполненного в виде
системы шарнирно связанных ломающихся рычагов. Эти рычаги устроены так, что при
включенном состоянии автомата (положение1) «б» лежит несколько ниже мертвого
положения рычагов(ниже прямой, соединяющей шарниры «а»и «в» причем рычаги
опуститься ниже не могут. Следовательно. при включении и выключении автомата
система рычагов 6 является жесткой. Если под воздействием толкателя сердечника
5 включающий катушки 4 звенья рычага 6 будут повернуты так, что шарнир «б»
окажется выше прямой, соединяющей шарниры «а» и «в», то контакты 2 и 3 автоматически
разойдутся вне зависимости от положения рукоятки 1,даже если ее удерживать
(положение II). Чтобы вновь включить автомат, необходимо рукоятку поставить в
положение, соответствующее отключенному автомату (положение III), при котором
центр «б» окажется ниже прямой «а» и «в» (говорят–«зарядить» автомат).
Механизм
свободного расцепления чаще всего выполняется так, что при ручном отключении
происходит излом системы рычагов, а контакты быстро расходятся под действием
отключающих пружин.
Существует большое
разнообразие конструкций автоматов на различные номинальные токи,
предназначенные для работы в цепях переменного и постоянного тока.
Автоматы
защиты от перегрузок и коротких замыканий обеспечивают удобную установку и
монтаж как на панелях и щитах распредустройств, так и отдельных устройствах.
Таки автоматы на токи до 100-600А называют установочными.
Автоматы
на номинальные токи 200-1500-6000А обладают способностью отключать токи
короткого замыкания на десятки килоампер, имеют обычно несколько защит (от перегрузок,
коротких замыканий, снижения напряжения и др.), дистанционное управлние, сигнализацию.
Поэтому конструкции их значительно сложнее. Такие автоматы называют
универсальными.
Наибольшее
распространение получили автоматы серий А-3000;АЕ-1000, АЕ-2000, «Электрон».
Серия АЕ для защиты цепей электроприемников от перегрузок и коротких замыканий
на напряжения переменного тока 380,660В; постоянного – 110-220В; на номинальные
токи от16 до 100А
Серия
А-3000 выполняется на напряжении: переменные 380,660В; постоянные до 440В и
токи от50 до 630А. Серия имеет модификации по повышению частоты на 400и 1500Гц.
Серия
«Электрон» используется в распредустройствах на напряжения до 440 В постоянного
и 660В переменного и токи от 630Адо 4000А
Автоматы
выбирают по их номинальному току. Уставки токов расцепителей определяют по
следующим соотношениям:
Для
силовых одиночных электроприемников: ток уставки теплового расцепителя
Iг>1,25 Iн; ток уставки электродинамического расцепителя Iэ>1,2 Iпуск,
где Iн-номинальный ток электроприемника, Iг-пусковой ток электродвигателя.
Для
группы силовых (двигательных) электроприемников:
Iт>1,1Imax, Iэ>1,2(Iпуск+Imax),где
Imax-наибольший суммарный ток группы электроприемников в номинальном режиме.
Лабораторная
работа по исследованию автоматических воздушных выключателей направлена на
изучение характеристик элементов защиты.
Рис.13.1.Принципиальные
схемы автоматических воздушных выключателей
а–автомат максимального тока; б —
автомат максимального тока с выдержкой времени; в — автомат минимального
тока;
г — автомат понижения напряжения;д —
автомат обратной мощности.
Рис.13.2.
Принципиальная схема механизма свободного расцепления автомата. / — автомат
включен; //-после автоматического отключения автомата; ///—автомат подготовлен
к включению
Автоматическое
отключение автоматов происходит под действием встроенных в них тепловых и
максимально-токовых элементов защиты. Первые выполняются при помощи
биметаллических элементов, срабатывающих обратнозависимой от тока выдержкой
времени при появлении в цепи перегрузок; вторые при помощи электромагнитов,
срабатывающих мгновенно при коротком замыкании.
Электромагнитные реле (тока и напряжения, для энергосистем и
электроприводов)
Общие
сведения
Реле –
это электрический аппарат, в котором при плавном изменении входной
(управляющей) величины происходит скачкообразное изменение выходной
(управляемой) величины. Причём, хотя бы одна из этих величин должна быть
электрической.
По
принципу действия реле подразделяются на электромагнитные, поляризованные,
магнитоэлектрические, индукционные, тепловые, реле времени и др.
В
настоящих методических указаниях рассматриваются электромагнитные реле, принцип
действия которых основан на использовании электромагнитов.
По
области применения реле подразделяют:
а.
Для защиты
энергосистем;
б.
Для управления и
защиты электроприводов;
в.
Для схем
автоматики.
В
зависимости от входного параметра реле подразделяют на реле тока, напряжения,
мощности, частоты и др.
По
способу включения реле подразделяются на первичные и вторичные. Первичные реле
включаются непосредственно в цепь, вторичные – через измерительные трансформаторы.
Основной
характеристикой реле является характеристика управления – зависимость выходного
сигнала от входного.
Для реле
с замыкающим контактом характеристика «вход-выход» (рис.13.3) определяется
следующим: при отсутствии входного сигнала (
)
контакты разомкнуты и ток в управляемой цепи равен нулю (
). С увеличением входного сигнала, при
некотором его значении, происходит срабатывание реле. Это значение входного
сигнала называется параметром обрабатывания –
(напряжение,
ток и т.д.) До тех пор, пока
выходной параметр
равен нулю либо своему минимальному
значению
( для бесконтактных аппаратов). При
выходной параметр скачком меняется от
до
..
Происходит срабатывание реле. При дальнейшем увеличении
контакты реле остаются замкнутыми и
выходной параметр остаётся постоянным
.
Если
теперь начать уменьшать входной параметр, то при некотором его значении якорь
реле возвращается в исходное положение, контакты размыкаются и происходит
скачкообразное изменение входного параметра от значения
до
0.
Значение
входного параметра, при котором происходит возврат реле в исходное состояние,
называется параметром возврата –
.
Значения
параметров срабатывания или отпускания, на которые отрегулировано реле,
называются уставкой по входному параметру –
.
Значение
рабочего входного параметра
больше чем
. Отношение
называется коэффициентом запаса.
Для реле
очень важно отношение
, которые называются коэффициентом
возврата
.
Важным
параметром, характеризующим усилительные свойства реле, является отношение
максимальной мощности нагрузки в управляемой цепи
к минимальной
мощности входного сигнала
, при котором
происходит срабатывание реле.
В
зависимости от назначения к реле предъявляется ряд требований. Так, к реле
защиты энергосистем предъявляются требования селективности, быстродействия,
чувствительности, надёжности, высокого значения коэффициента возврата.
Рис.13.2.Характеристика
«вход-выход» реле.
Под
селективностью понимается избирательность. Для реле это означает способность
отключать только повреждённый участок.
Реле
защиты энергосистем эксплуатируются в облегчённых условиях. Они не подвержены
ударам, вибрациям, пыли и газов, вызывающих коррозию. К этим реле не
предъявляются требования высокой износостойкости, так как аварийные режимы в
энергосистемах редки. В этой связи электрическая и
механическая износоустойчивость может быть
значительно меньше, чем у реле для защиты электроприводов и систем автоматики,
где износоустойчивость достигает десятков миллионов циклов, а число включений в
час 1000 и более.
В связи
с такими условиями эксплуатации реле защиты энергосистем могут иметь сложную
конструкцию, выполняемой с высокой точностью; малое нажатие контактов, что
позволяет выполнять лёгкий якорь, обеспечивающий малую инерционность. Высокое
значение коэффициента возврата
достигается из
следующих соображений.
В общем
случае коэффициент возврата реле равен
,
где
– ток возврата,
–
ток срабатывания.
Значения
тока возврата и срабатывания связаны со значениями электромагнитной силы
срабатывания
и возврата
.Электромагнитная
сила, действующая на якорь определяется выражением
/1/
где
,
величина воздушного зазора,
– поперечное сечение зазора.
При
срабатывании
– силы противодействующих пружин.
При возврате электромагнитная сила
. Срабатывание
электромагнита соответствует уменьшению зазора между якорем и полюсным
наконечником, от начального (
) до конечного (
). В соответствии с /1/ с уменьшением
зазора электромагнитная сила возрастает пропорционально квадрату зазора а сила
противодействующей пружины с уменьшением зазора возрастает линейно. Поэтому при
уменьшении зазора от
до
при
срабатывании электромагнита разница между электромагнитной силой и силой
противодействующей пружины возрастает от 0 до
. В
этой связи ток возврата меньше тока срабатывания и имеют место соотношения:
при токе
срабатывании для конечного значения зазора электромагнитная сила равна
/2/
при
возврате электромагнитная сила
. /3/
из
отношения /3/ к /2/ следует
. /4/
Так как
, то коэффициент возврата максимальных
реле
. Для увеличения
необходимо
уменьшение
, то есть сближение тяговой
характеристики
и противодействующей
. Для максимального сближения
характеристик нужно придать противодействующий нелинейный характер. Однако это
сложно выполнить и такие решения применяются редко. При одной
противодействующей пружине рекомендуется выбирать её с максимально возможной
жёсткостью, чтобы противодействующая характеристика совпадала с касательной,
проведённой к тяговой характеристике при
.
Если выбрать достаточно большое значение
и
малый ход якоря, равный
, то характеристика
противодействующей пружины достаточно близко подойдёт к тяговой и коэффициент
возврата может быть получен порядка 0,7-0,8.
Хорошими
возможностями согласования характеристик обладает электромагнитная система с
поворотным якорем, кинематическая схема которого представлена на рис.13.3.
Якорь Г-образной формы выполнен из тонкой электротехнической стали. С уменьшением
зазора он насыщается,
уменьшается и
возрастает.
Помимо указанных
факторов на коэффициент возврата реле оказывают влияние трение перемещающихся
частей электромагнита и гистерезис материала магнитопровода. За счёт их
действия коэффициент возврата уменьшается. Для уменьшения влияния трения на
коэффициент возврата усилие противодействующей пружины должно значительно превышать
силу трения.
Конструкцию
и принцип действия реле рассмотрим на примере реле максимального тока,
кинематическая схема которого приведена на рис.13.3 (а и б).
На
шихтованном магнитопроводе 6 П-образной формы расположены две намагничивающие
обмотки 7, при протекании тока по которым создаётся магнитный поток
, который замыкается по цепи: -
магнитопровод – воздушный зазор – якорь – второй воздушный зазор –
магнитопровод. Якорь 3 выполнен из электротехнической стали и для увеличения
быстродействия очень лёгкий. Под действием электромагнитных сил якорь стремится
повернуться в сторону соответствующую уменьшению зазора (рис.13.3,б).
Под действием механических сил, создаваемых спиральной пружиной 14 (рис.13.3а),
якорь стремится повернуться против часовой стрелки до левого упора 2. При токе
срабатывания электромагнитная сила, при всех углах поворота якоря, от начального
до конечного, больше механической.
Таким
образом, если ток достигает тока срабатывания, якорь повернется до упора 1. С
якорем жестко связаны посредством контактного рычага 8 два подвижных контактных
мостика 10. При срабатывании в начале поворота якоря разомкнутся контакты 9
(выход 1), а в конце поворота якоря замкнутся контакты 13 (выход 2).
При токе
возврата происходит поворот якоря в обратном направлении и коммутация контактов
в обратной последовательности – размыкания контактов 13 и последующее замыкание
контактов 9.
Для
согласования механической и тяговой характеристик используются упоры 1 и 2.
Оптимальное согласование характеристик осуществляется изменением положения упоров.
Изменение
уставки тока срабатывания осуществляется:
грубое
(изменение в два раза) – путем различного (последовательного и параллельного)
соединения обмоток 7 (на рис.13.3 они соединены параллельно);
плавное
– осуществляется путем перемещения указателя уставки 11 по шкале уставок 12.
Указатель
уставки 11 соединен с пружиной 14 и при движении указателя пружина
закручивается или ослабляется, поднимая или опуская тем самым механическую
характеристику.
Данное
реле может работать как на постоянном, так и на переменном токе. Для устранения
вибраций якоря, возникающих на переменном токе, применяется гаситель колебаний
5, в котором энергия колебаний затрачивается на работу трения песчинок.
Гаситель
колебаний (демпфер) 5 устраняет и вибрации контактов при включении (дребезг
контактов).
Общий
вид реле серии РТ-40 представлен на рис.3
Рис.13.3.
Кинематическая схема реле тока РТ
Рис. 13.4.
Электромагнитное реле серии РТ-40
На базе
реле РТ-40 разработаны реле напряжения серии РН-50. Они отличаются от реле тока
следующим:
1.
обмоточными данными - большим числом витков обмоток с меньшим поперечным
сечением провода обмоток,
2.
отсутствием гасителя колебаний 5. Так как ток в обмотках относительно невелик,
то для уменьшения вибраций якоря применяется выпрямительная схема.
В
настоящее время промышленностью выпускаются реле напряжения серии РН и реле
тока серии РТ, основные данные которых приведены ниже.





Реле напряжения
Реле
напряжения РН-50. Реле максимального и минимального напряжения электромагнитное (П-образный
шихтованный сердечник с поворотным якорем).
Обмотки
реле через выпрямительный мост подсоединяются к сети переменного тока.
Изменение уставки осуществляется поворотом рычага и закручиванием спиральной пружины.
Номинальное
напряжение реле от 30 до 400 В.
Пределы
изменения уставки на срабатывание: 15...60 В при номинальных напряжениях реле
30 и 60 В; 50...200 В при 100 и 200 В; 100...400 В при 200 и 400 В.
Коэффициент
возврата 0,8.
Собственное
время срабатывания реле не более 0,15 с при снижении напряжения до 0,8
номинального.
Реле
напряжения РН-51 предназначено
для применения в схемах контроля изоляции цепей постоянного тока напряжением до
220 В. Реле имеет один замыкающий контакт.
Реле
максимального напряжения РН-53 предназначено для применения в качестве измерительного
органа, реагирующего на повышение напряжения. Реле имеет один замыкающий и один
размыкающий контакты.
Реле
минимального напряжения РН-54 предназначено для применения в качестве измерительного
органа, реагирующего на понижение напряжения. Реле имеет один замыкающий и один
размыкающий контакты.
Реле
сдвига фаз РН-55 или
контроля синхронизма. Реле электромагнитное. Его магнитная система состоит из
П-образного магнитопровода и поворотного якоря. Реле реагирует на
геометрическую разность векторов напряжения, подводимых к выводам.
Применяют
в схемах автоматического повторного включения линий электропередачи с
двусторонним питанием для контроля наличия напряжения на линии и угла сдвига
фаз между векторами напряжения на линии и шинах подстанции.
Исполняются
на напряжения от 30 до 100 В.
Реле
срабатывает при углах сдвига фаз между векторами напряжения в пределах от 20 до
40° при номинальном напряжении. Коэффициент возврата по углу до 0,8 при
номинальном напряжении. Время срабатывания 0,15 с при угле сдвига фаз равно
полуторакратному значению уставки.
Потребляемая
мощность каждой обмотки при номинальном режиме (номинальное напряжение и
нулевой сдвиг фаз) — 6,5 ВА.
Коммутируемые
мощности: постоянный ток — 60 Вт при напряжении до 220 В и ток до 2 А
(постоянная времени до 0,05 с); переменный ток — 300 ВА при напряжении до 220 В
и токе д 3 А.
Реле
имеют две обмотки напряжения, один замыкающий и один размыкающий контакты
Реле
максимального напряжения РН-153 и РН-154 предназначены для применения в качестве
измерительного органа, реагирующего на повышение напряжения. Реле имеет один замыкающий
и один размыкающий контакты.
Реле
напряжения обратной последовательности РНФ-1М предназначены для защиты различных
электрических установок при несимметричных коротких замыканиях.
Реле
имеет один замыкающий и один размыкающий контакты. Характеристики реле
напряжения РН приведены в табл. 1 – 6.
Реле
напряжения нулевой последовательности РНН-57. Используется в схемах поперечных
дифференциальных защит, дистанционных защит с высокочастотной блокировкой в
качестве реле максимального напряжения. Уставки напряжения реле — 4, 5, 6, 7 и
8 В, время срабатывания — 0,04 с при двукратном токе уставки
Реле
напряжения обратной последовательности РНФ-3. Предназначено для использования в
схемах защиты в качестве органа, реагирующего на напряжение обратной
последовательности при возникновении несимметричных коротких замыканий
Уставки
линейного напряжения обратной последовательности — 13,6...24 В. Коэффициент
возврата 0,95.
Реле
тока максимальное типа РТ-40. Реле электромагнитного принципа действия (П-образный
шихтованный сердечник и Г-образный якорь, имеет две обмотки управления, которые
могут соединяться последовательно или параллельно в зависимости от требуемого
тока срабатывания). Диапазон уставок тока срабатывания от 0,05 до 200
А.Коэффициент возврата от 0,7 до 0,85. Время срабатывания не более 0,1 с при
токе, равном 1,2 тока срабатывания, и не более 0,03 с при токе, равном
3-кратному току срабатывания [1].
Параметры реле тока
Реле
максимального тока РТ-40, РТ-140 (рис. 10.32) применяются в качестве измерительных реле в
схемах релейной защиты реле тока серий РТ-40 и РТ-140 выпускаются в
унифицированном корпусе «СУРА» и приспособлены для переднего или заднего под
винт присоединения внешних проводников.
Коэффициент
возврата реле не менее 0,85 на первой уставке и не менее 0,8 на остальных
уставках шкалы. Реле имеет один замыкающий и один размыкающий контакты.
Номинальная частота тока — 50 и 60 Гц. Габаритные размеры реле типа РТ-40 -—
67x128x158 мм; реле типа РТ-140 — 95x140x181 мм. Масса реле не более 0,85 кг.
Лекция №13
Тема лекции:
Тепловое реле. Устройство, характеристики. Реле времени
Тепловые
реле
Тепловые
реле основаны на принципе изменения физических свойств тел при их нагревании
электрическим током или другими источниками тепла. Они срабатывают при определённой
температуре нагрева основного чувствительного элемента.
В
качестве основного чувствительного к температуре элемента применяют материалы с
изменяющимся электрическим сопротивлением, материалы с различными
коэффициентами линейного расширения, «термобиметаллы» и др.
Нагрев
элемента осуществляется электрическим током, протекающем непосредственно в
элементе, в специальном нагревательном элементе, устройстве или окружающей среды.
Тепловые
реле являются основными представителями термических реле, к которым относятся
реле, работающие в функции температуры окружающей среды – термореле, термостаты
и др.
В
качестве нагреваемых тел – рабочих органов тепловых реле – наибольшее
применение получили биметаллические механизмы с непосредственным, косвенным или
комбинированным нагревом. В конструкциях этих реле биметаллический механизм,
нагреваясь под действием тепла, выделяемого в нем или в специальном
нагревательном элементе, воздействует на контакты реле, замыкая или размыкая
их.
Тепловые
реле имеют исполнения: токовые реле для защиты при перегрузках и токах
короткого замыкания, пусковые реле в функции тока, реле времени.
К
тепловым реле относятся терморасцепители, входящие в конструкции автоматических
воздушных выключателей, где они удерживают рычажную систему в рабочем положении
во включенном положении выключателя, а при соответствующей деформации биметалла
освобождают ее от зацепления и выключатель отключается.
Тепловые реле с
биметаллическими механизмами в большинстве случаев предназначаются для защиты
электрических установок, главным образом электрических машин, от недопустимого
перегрева при длительных перегрузках. Защитное действие реле обеспечивается тем,
что ток защищаемого объекта, проходя по реле, нагревает биметаллический
механизм; в тот момент, когда температура защищаемого объекта (обмотки машины и
др.) достигнет предельно допустимой величины, биметаллический механизм должен
нагреться до температуры срабатывания, то есть до температуры, при которой реле
замыкает или размыкает свои контакты. Время срабатывания реле, начиная с
момента появления нагрузки, зависит от начальной температуры, величины тока и
от конструкции реле.
Основным
рабочим элементом тепловых реле являются биметаллические или, точнее,
термобиметаллические пластины или спирали.
Биметаллический
элемент представляет собой жёсткое соединение двух металлов с разными
коэффициентами линейного расширения
и
. Если
, то
при нагреве такой элемент изгибается в сторону металла с меньшим значением
.
Такая
конструкция имеет значительно большую деформацию и, следовательно, большую
чувствительность в сравнении с отдельной пластиной при том же изменении температуры.
Так,
латунная пластина длиной 100 мм при нагреве до 100º С удлиняется на 0,18 мм. Прогиб такой же пластины, выполненной в виде биметалла со стальной пластиной равной толщины,
составляет при том же нагреве 17 мм, т.е. почти в 100 раз больше, причём этот
выигрыш в чувствительности достигается без дополнительных передаточных звеньев,
усложняющих конструкцию. Благодаря исключительной простоте конструкции, высокой
устанавливающей силе и чувствительности, биметалл (термобиметалл) находит
весьма широкое применение в электроаппаратостроении.
Появление
биметалла относится к началу XIX века, когда впервые был изготовлен
биметаллический термометр в виде спирали со стрелочным указателем,
приспособленным также и для записи температуры.
Для
увеличения работоспособности биметалла, его компоненты должны иметь высокое
значение модуля упругости Е на растяжение и сжатие. Работоспособность биметалла
определяется зависимостью:

где Q –
сила, развиваемая биметаллом при его тепловой деформации,
–
элементарная деформация биметалла.
Напряжение
сжатия и растяжения в биметалле определяется выражением:
и
величина
определяется
следующим соотношением:
где s- напряжение растяжения или сжатия в
биметаллах,
относительная деформация
биметалла,
– удлинение биметалла,
т.е
.
Из
представленных выражений и интегрирования работоспособность биметалла равна
Из этой
зависимости следует, что значение А тем больше, чем выше модуль упругости
компонентов биметалла при прочих равных условиях.
Термобиметалл
состоит из двух компонентов: пассивного с относительно малым значением
и активным с большим
значением
.Для
получения максимальной деформации необходимо, очевидно, иметь наибольшее
значение разности
.
До
начала CIC века термобиметалл изготавливался путем
спайки или склепки различных металлов, чаще всего стали с цинком или стали с
медью. Такой биметалл мог работать в малом диапазоне температур и имел низкую
работоспособность.
Широкое
распространение термобиметалла связано появлением никелевых сталей, имеющих
высокие механические качества, и усовершенствованием технологии изготовление
биметалла. Коэффициент линейного расширения стали зависит от содержания в ней
никеля. В качестве пассивного слоя обычно применяется сталь с содержанием
никеля от 36 до 46%. Наибольшее распространение имеет сплав с содержанием
36.1%Ni
+ 63.1%Fe + 0.4%Mn + 0.4%Cu,
имеющий
; 1/°c. При уменьшении содержания никеля
до 25% коэффициент линейного расширения возрастает до
.
В
качестве активного слоя могут применяться как черные так и цветные металлы и их
сплавы.
Чистое
железо применяется редко из-за малого значения коэффициента линейного
расширения и низкого модуля упругости. Наиболее часто применяются
никель-молибденовые стали
27%Ni Fe
+5%Mo
с
рабочей температурой 400-500°с и
42%Ni Fe
+5%Mo
с
рабочей температурой 150-350°С, для этих сталей L=(18-19)×10, 1/°c;
и модуль упругости Е=(20-24)×10 кг/мм
В
качестве цветных металлов для изготовления активного слоя применяются никель и
сплавы на медной основе: латунь, бронзы, томпак, монель-металл.
В нашей
стране в основном применяются следующие марки термобиметалла:
1)Инвар–маломагнитная
сталь (ИС) применяется при рабочей температуре до 170°C. Компоненты имеют высокие механические
свойства. Этот термобиметалл имеет высокое удельное сопротивление r=0.8
,
что позволяет осуществлять прямой подогрев.
2)Инвар-томпак
(ИТ)- максимальная допустимая температура до 100°С. Имеет низкое r, что требует косвенного подогрева.
3)Существуют
марки термобиметаллов по номерам: N 1,2,3,4,5,6; применяемые в диапазоне
температур от –60 до +375°с.
Термобиметалл
изготавливается следующим образом. Компоненты биметалла выплавляются в
высокочастотной электрической печи и полученные слитки разрезаются на бруски
размером 15х115х330 мм. С целью улучшения качества сварки производится
электролитическое железнение брусков (толщина слоя 0,015 мм) и затем их сварка по периметру. Полученные таким образом биметаллические бруски нагреваются
до температуры 1150-1200
C и прокатываются до
толщины 3,5 мм. Полученные таким образом биметалл служит основной заготовкой и в
дальнейшем прокатывается до требуемой толщины.
Основная
способность биметалла – изменять свою форму под воздействием температуры –
используется для производства многочисленных электрических аппаратов: реле
тепловой защиты, реле – указателей, автоматических ограничителей,
терморегуляторов, автоматов и др.
Все
многообразные биметаллические механизмы классифицируются по способу теплового
воздействия, по выполняемым функциям и по конструктивной форме исполнения.
По
способу теплового воздействия различают механизмы с непосредственным нагревом
биметалла (рис. 14.1,а), косвенным (рис.14.1,б) и комбинированным
(рис.14.1,в) нагревами. Часто ток на нагрев подается через промежуточный
трансформатор.
По
конструктивным исполнениям и функциям выполнения устройства с термобиметаллом
весьма многообразны:
1.
Механизм с биметаллической защелкой (рис.14.2).
Находит
применение в автоматах, пускателях и др. Принцип действия основан на
освобождении нагретым биметаллическим элементом оттягиваемого пружиной контакта.
В этом случае биметалл совершает только минимальную работу, необходимую для
освобождения контакта, всю остальную работу выполняет вспомогательный привод.
Возврат механизма в исходное положение чаще совершается вручную.
2.
Механизм теплового реле времени. (рис.14.3)
Биметаллический
механизм используется для получения определенной выдержки времени. Принцип
действия заключается в следующем.
Биметаллическая
пластина, неподвижно закрепленная одним концом, несет на другом конце небольшой
стальной якорек с подвижным контактом(рис.14.3). В холодном состоянии якорек
притягивается и удерживается небольшим постоянным магнитом. При нагревании
током биметаллическая пластина развивает усилие, которое стремится оторвать
якорек от полюсов магнита. При температуре срабатывания, наступающей через
некоторое время после включения тока, усилие пластины преодолевает притяжение
магнита и пластина скачком переходит в нижнее положение, замыкая контакты.
Выдержка времени может в некоторых пределах регулироваться током
биметаллического элемента или нагревателя. Возврат реле в исходное положение
происходит автоматически, через промежуток времени, необходимый для охлаждения
машины.
3.Измерительный
орган регулятора температуры (рис. 14.4).
Биметаллическая
пластина касается концом изоляционного штифта, укрепленного на плоской пружине,
несущей подвижный контакт. При повышении температуры окружающей среды биметаллическая
пластина изгибается вверх и размыкает контакты регулятора. Этот механизм
регулятора имеет медленное размыкание контактов, незначительную скорость
движения их и непостоянство контактного давления при включенном положении
регулятора, что приводит к искрению в контактах, привариванию и быстрому выходу
их из строя.
4.
Биметаллический термометр (рис.14.5).
Биметаллический
термометр представляет собой одно из первых применений биметалла. Этот
термометр в сравнении со ртутным имеет следующие преимущества:
а.
наличие круговой шкалы со стрелкой, что позволяет делать дистанционные
измерения;
б.
отсутствие хрупких частей, что позволяет использовать его в тяжелых производственных
условиях.
Биметаллический
термометр представляет собой биметаллическую ленту, свернутую в виде плоской
или винтовой спирали (рис.14.5, а и б). Недостатком плоской
спирали является смещение её центра при закручивании, что усложняет форму
шкалы. Недостаток винтовой спирали – большой габарит прибора.
5.
Механизм с «прыгающим контактом» (рис. 14.6).
Этот
механизм используется для ускорения размыкания и замыкания контактов. Принцип
действия заключается в использовании усилия дополнительной плоской пружины,
шарнирно закрепленной одним концом в неподвижной опоре, а другим на
биметаллической пластине. Благодаря этому не нагретая биметаллическая пластина всегда
прижимается к неподвижному контакту с некоторым постоянным усилием. По мере нагревания
пластина развивает усилие, направленное к противоположному упору, а при
температуре срабатывания преодолевает усилие пружины и скачком переходит в
крайне правое положение и размыкает контакты.
6.
Механизм с прыгающей биметаллической пластиной (рис.14.7).
Используется
для создания постоянного контактного давления. Биметаллическая пластина
упирается и призматические опоры В и С, одна из которых (В) неподвижна, а
другая (С) может поворачиваться в шарнире О. В холодном состоянии
биметаллическая пластина слегка выгнута вверх и используется для создания
постоянного контактного давления. Биметаллическая пластина упирается в
призматические опоры В и С, одна из которых (В) неподвижна, а другая (С) может
удерживается пружиной П, которая прижимает подвижную опору С к упору А. При
нагревании биметаллическая пластина изгибается вниз. При температуре срабатывания
она скачком переходит в нижнее, также выгнутое положение, встречает штифт
размыкающего контакта и размыкает контакты. После остывания пластина, также скачком,
возвращается в исходное положение и контакты замыкаются. В этой конструкции
контактное давление остается неизменным до момента размыкания контактов.
Механизм
Алексеевского В. В.
(рис.14.8)
Механизм
представляет собой оригинальную конструкцию с ,,прыгающей” контактной группой.
Биметаллический
элемент выполнен в виде плоской пластины 1, конец которой закреплен неподвижно,
а другой может перемещаться между упорами 4 и 5 (рис.14.8). В холодном
состоянии пластина удерживается у верхнего упора плоской изогнутой пружинной
рессоркой 2, которая одновременно прижимает к нижнему контактному колодку 3,
несущую контакты. На концах рессорки имеются специальные просечки, которыми она
надевается на соответствующие выступы пластины и колодки. Благодаря этому рессорка
может свободно поворачиваться вокруг опорных ребер биметаллической пластины и
колодки.
Нагревание
биметаллической пластины может быть косвенным, непосредственным или
комбинированным. Усилие, развиваемое при этом пластиной, направлено
противоположно удерживающему усилию рессорки.
При
некоторой температуре пластины её усилие
становится
больше удерживающего усилия
, создаваемой рессоркой, и пластина
отходит от верхнего упора. При этом и усилие рессорки и усилие биметаллической
пластины
будут уменьшаться, но выключающее
усилие механизма
может быть получено
возрастающим, вследствие чего биметаллическая пластина, отойдя от верхнего
упора, обязательно дойдет до нижнего упора.
В
зависимости от конкретного назначения механизма можно выбрать усилие рессорки и
положение упоров такими, что его возвращение будет автоматическим или ручным.
Этот
механизм успешно используется в ряде электрических аппаратов: автоматических
предохранителях, тепловых реле и многих других.
Одной из
основных характеристик тепловых реле является токовременная характеристика,
представляющая зависимость времени срабатывания реле от тока, протекающего
через него. Обычно для удобства сравнения этих характеристик между собой, ток
реле выражают в относительных единицах – в виде отношения тока реле
к допускаемому току
, т. е.

Под допустимым током
понимается такой ток, длительное
протекание которого через реле не приводит к срабатыванию его при заданной
неизменной температуре окружающей среды и выбранной уставке.
Рис.14.1.Способы
нагрева биметалла.
Рис.14.2.Механизм
с биметаллической защелкой
Рис.14.3.Механизм теплового
реле времени.
Рис.14.4.Измерительный
орган регулятора температуры.
Рис.14.5.Биметаллический
термометр.
Рис.14.6.Механизм
с «прыгающим» контактом
Рис.14.7.Механизм
с «прыгающей» биметаллической пластиной
Рис.8.Механизм
В.В. Алексеевского
Рис.14.9.
Типовые токовременные характеристики тепловых реле ТРА и ТРВ, снятые от «холодного»
состояния реле.
Рис.14.10.Схематичное
устройство реле ТТ-10
На рис. 14.9
представлены типовые токовременные характеристики тепловых реле,
предназначенных для защиты электрических машин от перегрузок.
Тепловые
реле, защищающие электрические машины от перегрузок, должны иметь определенные
токовременные характеристики, отвечающие следующим основным требованиям:
а)
промежуток времени отключения при перегрузках должен быть таким, в течение
которого перегрев защищаемой машины не превышает допустимой величины;
б) время
срабатывания реле не должно быть слишком мало с тем, чтобы полнее использовать
перегрузочную способность защищаемой машины;
в)
возможность прямого пуска от сети асинхронных двигателей.
Для
надежной защиты электрической машины от перегрузок необходимо, чтобы
токовременная характеристика реле как можно ближе располагалась к тепловой
(перегрузочной) характеристике машины, проходя ниже и не пересекаясь с ней.
Существенным
недостатком тепловых реле является зависимость их характеристик от температуры
окружающей среды. Такая зависимость может привести к тому, что, например, при
температуре 80 – 90° С реле может сработать даже при отсутствии тока. Поэтому
для получения благоприятной защитной характеристики необходимо, чтобы температура
окружающей среды для защищаемого объекта (электрической машины) и для реле
совпадала, или чтобы биметаллический механизм реле работал при более высоких
температурах – порядка110 - 120° С.
Среди
конструкций тепловых реле с биметаллом наибольшее распространение получили реле
с биметаллическими пластинами. Так на рис.14.10 представлено схематическое
устройство теплового реле с биметаллической пластинкой. При нагреве от обтекаемого
током элемента 2, биметаллическая пластинка 1 изгибается. При определенной
температуре (температуре срабатывания) пластинка изгибается настолько, что
освобождает защелку 3 подвижного контакта, который под действием пружины 4
поворачивается и размыкает контакты 5 реле. Реле же не имеет самовозврата,
возврат контактов ручной, осуществляется кнопкой 6 и может быть произведен
только после достаточного остывания биметаллической пластинки (через 15 – 90
с.). Нагревательный элемент является сменным, и подбором соответствующего
элемента осуществляется настройка реле. Так для реле ТТ – 10, 11, 12 имеется 54
стандартных нагревательных элемента на токи от 0,6 до 150 А.
В
большинстве случаев такие тепловые реле не обеспечивают защиты от токов
короткого замыкания, и их нагревательные элементы могут перегореть от токов
короткого замыкания до того, как реле сработает. Имеются конструкции тепловых
реле со встроенными электромагнитными элементами, срабатывающими без выдержки
времени от токов короткого замыкания.
Некоторые
конструкции реле, встраиваемые в магнитные пускатели, снабжаются
регулировочными устройствами, предназначенными для компенсации производственных
отклонений. Такими являются реле типа РТ.
Современные
электротепловые токовые реле РТЛ-1000 и РТЛ-2000 предназначены для защиты
трехфазных асинхронных электродвигателей с короткозамкнутым ротором от
перегрузок недопустимой продолжительности и от токов, возникающих при выпадении
одной из фаз. Применяются в схемах управления электроприводами переменного тока
с f=50;60Гц, напряжением до 660В, постоянного тока до 440В. Реле
пригодны в системах управления с применением микропроцессорной техники.
Различные
типы РТЛ-1000 с номинальным током 25А позволяют иметь регулируемый ток
несрабатывания от (0,1….0,17) Iн в реле типа РТЛ-1001 до (18…25) Iн в реле
РТ2053до (663…86) в реле РТЛ-2063/4/.
Электромеханические реле времени
Общие
сведения
Общими
требованиями для реле времени являются:
а) стабильность
выдержки времени при колебаниях напряжения, частоты питания, температуры
окружающей среды и воздействии других факторов;
б) малые
потребляемая мощность, масса и габариты.
Возврат
реле в исходное положение происходит, как правило, при его обесточивании.
Поэтому коэффициент возврата может быть очень низким.
В
зависимости от назначения к реле времени предъявляются различные специфические
требования. Для схем автоматического управления электроприводом при большой
частоте включений требуются реле с высокой механической износостойкостью — до
срабатываний. Требуемые выдержки
времени находятся в пределах 0,25—10 с. К этим реле не предъявляются требования
относительно высокой стабильности выдержки времени. Разброс времени
срабатывания может достигать 10 %. Реле должны работать в производственных
условиях при наличии интенсивных механических воздействий.
Реле для
защиты энергосистем должны иметь большую точность выдержки времени. Эти реле
работают относительно редко, поэтому к ним не предъявляются особые требования
по износостойкости. Износостойкость реле времени защиты порядка
срабатываний. Выдержки времени таких
реле составляют 0,1—20 с.
Для
автоматизации технологических процессов необходимы реле с большой выдержкой
времени — от нескольких минут до нескольких часов. В этом случае, как правило,
используются моторные реле времени. В настоящее время созданы также
полупроводниковые реле с таким же большим диапазоном выдержки времени.
Реле времени с электромагнитным замедлением
а) Устройство
реле и влияние различных факторов на его работу.
Принцип
электромагнитного замедления рассмотрен выше. Конструкция реле с таким
замедлением типа РЭВ-800 (рис.14.11) содержит П-образный магнитопровод 1
и якорь 2 с немагнитной прокладкой 3. Магнитопровод укрепляется
на плите 4 с помощью литого алюминиевого цоколя 5, на котором
устанавливается контактная система 6.
На
магнитопроводе установлена намагничивающая обмотка 7 и короткозамкнутая обмотка
в виде овальной гильзы 8. Усилие возвратной пружины 9 изменяется
с помощью регулировочной гайки 10 которая фиксируется шплинтом.
Рис.14.11.
Реле времени.
Для
получения большой выдержки времени при отпускании необходима высокая магнитная
проводимость рабочего и паразитного зазоров в замкнутом состоянии магнитной
системы .С этой целью все соприкасающиеся детали магнитопровода и якоря
тщательно шлифуются. Литой алюминиевый цоколь создает дополнительный
коротко-замкнутый виток, увеличивающий выдержку времени.
У
реальных магнитных материалов после отключения намагничивающей обмотки поток
спадает до
, который определяется свойствами
материала магнитопровода, геометрическими размерами магнитной цепи и магнитной
проводимостью рабочего зазора .
Чем меньше
коэрцитивная сила магнитного материала при заданных размерах магнитной цепи и
магнитной проводимости рабочего зазора, тем ниже остаточная индукция, а
следовательно, и остаточный поток. При этом возрастает наибольшая выдержка
времени, которая может быть получена от реле. Применение стали с низким значением
позволяет увеличить выдержку времени.
Выдержка
времени при отпускании для насыщенной магнитной системы с короткозамкнутым витком
или обмоткой может быть найдена с помощью формулы
где w — число витков короткозамкнутой
обмотки; R — ее сопротивление; i — ток в короткозамкнутой обмотке;
— значение магнитного потока, при
котором происходит отпускание якоря; Ф0 — установившееся значение
магнитного потока в магнитопроводе при включенной намагничивающей обмотке;
—МДС первичной обмотки. Можно показать,
что для получения большой выдержки времени материал магнитопровода должен иметь
высокую магнитную проницаемость на ненасыщенном участке кривой намагничивания.
б)
Схемы включения реле.
Время
срабатывания реле с электромагнитным замедлением очень мало, так как постоянная
времени мала из-за большого начального рабочего зазора, и трогание реле
происходит при малом значении МДС обмотки. МДС трогания значительно меньше
установившегося значения. Это время составляет 0,05— 0,2 с при наличии
короткозамкнутого витка и 0,02—0,05 с при его отсутствии. Таким образом,
возможности электромагнитного замедления при срабатывании весьма ограничены.
Поэтому используются специальные схемы включения электромагнитных реле (рис.14.12).
Если
необходима большая выдержка времени при замыкании контактов, то целесообразна
схема с промежуточным реле К (рис. 6, а). Обмотка реле времени КТ все
время подключена к напряжению через размыкающий контакт реле К. При
подаче напряжения на обмотку К последнее размыкает свой контакт и
обесточивает реле КТ. Якорь КТ отпадает, и его размыкающие
контакты срабатывают с необходимой выдержкой времени, обусловленной временем
срабатывания реле К и временем отпускания реле КТ.
В схеме
рис. 6, б роль короткозамкнутого витка играет сама намагничивающая
обмотка, которая питается через резистор
.
Напряжение, приложенное к обмотке, должно быть достаточным для насыщения
магнитной цепи при притянутом якоре. При замыкании управляющего контакта S обмотка реле закорачивается и
обеспечивается медленный спад потока в магнитной цепи. Отсутствие специальной
короткозамкнутой обмотки позволяет все окно магнитопровода занять
намагничивающей обмоткой и создать большой запас по МДС. При этом выдержка
времени неизменна при снижении питающего напряжения на обмотке до
. Такая схема широко применяется в
электроприводе. Обмотка реле включается параллельно ступени пускового реостата
в цепи якоря. При закорачивании этой ступени обмотка реле замыкается, а его
контакты с выдержкой времени включают контактор, шунтирующий следующую ступень
пускового реостата.
Применение
полупроводникового вентиля также позволяет использовать реле без
короткозамкнутого витка (рис. 6,в). При включении обмотки ток через вентиль
практически равен нулю. При отключении управляющего контакта S поток в магнитной цепи спадает и в
обмотке наводится ЭДС с полярностью, указанной на рис. 6, в. При этом
через вентиль протекает ток, определяемый этой ЭДС, активным сопротивлением
обмотки и вентиля и индуктивностью обмотки.
Для того
чтобы прямое сопротивление вентиля не приводило к уменьшению выдержки времени
(растет активное сопротивление короткозамкнутой цепи), оно должно быть на
один-два порядка ниже сопротивления обмотки.
При
любых схемах обмотки реле питаются от источника либо постоянного, либо
переменного тока с мостовой схемой выпрямления.
Рис. 14.12.
Схемы включения реле с выдержкой времени
в) Регулирование
выдержки времени.
Время
срабатывания реле можно плавно регулировать с помощью возвратной пружины 9 (рис.
14.12). С увеличением сжатия этой пружины увеличивается электромагнитное
усилие, необходимое для трогания якоря и определяемое потоком в магнитной цепи.
При большем сжатии пружины поток трогания возрастает. Следовательно, возрастает
время трогания.
При
разомкнутой магнитной цепи постоянная времени обмотки мала и максимальная
выдержка времени также незначительна (около 0,2 с). Выдержка времени
значительно увеличивается, если поток трогания близок к установившемуся
значению. Однако в этом случае реле работает на пологой части кривой
что вызывает большие разбросы времени
срабатывания.
Для
получения выдержки времени 1 с и более, необходимо использовать отпускание
якоря. Регулировка выдержки реле при отпускании может производиться плавно и
ступенчато (грубо).
Плавное
регулирование выдержки времени производится изменением усилия пружины 11 (рис.14.12).
Эта пружина верхним концом упирается в шайбу 14, которая удерживается
шпилькой 15, ввернутой в якорь реле. Нижний конец пружины посредством
специальной пластины 16 передает силу через два латунных штифта 12, которые
могут свободно перемещаться в отверстиях якоря. Оси латунных штифтов 12 смещены
относительно оси пружины. В притянутом положении якоря 2 штифты 12 перемещаются
вверх и пружина 11 дополнительно сжимается. Пружина 11 создает
основную силу, отрывающую якорь от сердечника. Начальное сжатие пружины
изменяется с помощью гайки 13. С увеличением силы пружины 11 электромагнитное
усилие, при котором происходит отрыв якоря, увеличивается и возрастает поток
отпускания
При этом время отпускания уменьшается
(рис. 7). Чем меньше сила пружины, тем больше выдержка времени. Следует
отметить, что при
близком к
, якорь реле вообще может не отпадать
от сердечника.
Возвратная
пружина 9 регулируется так, чтобы обеспечить необходимое нажатие
размыкающих контактов реле и четкий возврат якоря.
Грубое
регулирование выдержки времени осуществляется изменением толщины немагнитной
прокладки
. Поскольку при притянутом якоре
магнитная цепь насыщена, толщина немагнитной прокладки мало сказывается на установившемся
потоке. С уменьшением толщины немагнитной прокладки
растет
индуктивность катушки при ненасыщенном магнитопроводе и уменьшается скорость спадания
магнитного потока. В результате при неизменном усилии пружины 11 (рис.14.12)
выдержка времени увеличивается. Толщину немагнитной прокладки не рекомендуется
брать менее 0,1 мм. В противном случае при повторно-кратковременном режиме
работы якорь расклепывает немагнитную прокладку и толщина ее уменьшается, что
ведет к изменению выдержки времени. При толщине прокладки
мм этим явлением можно пренебречь.
Следует
отметить, что электромеханические реле времени достаточно просты по конструкции
и обладают большой ударо-, вибро- и износостойкостью. Допустимое число
включений достигает 600 в час. Они могут использоваться в схемах автоматики и
электропривода как реле тока, напряжения и промежуточные. Коэффициент возврата
их низок и составляет 0,1—0,3. Короткозамкнутые витки создают электромагнитное
замедление как при притяжении, так и при отпускании якоря. Поэтому токовые реле
с короткозамкнутым витком не реагируют на кратковременные перегрузки. При
кратковременных перегрузках МДС обмотки пропорциональна этим перегрузкам.
Поток в
магнитопроводе нарастает с постоянной времени
,
определяемой параметрами короткозамкнутого витка
.
Если перегрузка кратковременна и ее длительность
,
то поток к моменту
не достигнет значения потока
срабатывания и якорь останется неподвижным. Если
, то
реле сработает. Таким образом, предотвращается отключение нагрузки (двигателя)
при больших, но кратковременных токовых перегрузках, не опасных для двигателя.

Рис.7.
Регулирование времени отпускания с помощью пружины и регулирование времени
отпускания изменением немагнитного зазора
Промышленностью
выпускаются многочисленные модификации реле с электромагнитным замедлением и
выдержкой времени при отпускании 0,3—5 с.
Современные
реле имеют один или два унифицированных контактных узла. Каждый узел имеет один
замыкающий и один размыкающий контакты с общей точкой. Постоянный ток включения
контактов составляет 10 А при напряжении 110 В и 5 А при 220 В. Ток отключения
для индуктивной нагрузки (катушки реле, контакторов) составляет 0,2, для
активной 0,5 А.
Реле с
электромагнитным замедлением выполняют только на постоянном токе путем
замедления времени нарастания магнитного потока при срабатывании реле и времени
спадания тока при отпускании.
Реле с электромагнитным замедлением РЭ-100 – РЭ-570
Принцип
электромагнитного замедления используется в ряде конструкций реле (реле типа
РЭ-100, РЭ-180, РЭ-500, РЭ-570 и др.). Реле типа РЭ имеют магнитную систему
клапанного типа с короткозамкнутым витком (втулкой), и только реле РЭ-100 может
выполняться и без короткозамкнутого витка. Эти реле выпускаются на напряжения
48, 110 и 220В. Мощность, потребляемая обмотками, 20—25 Вт, мощность
контактов реле дана в табл. 1.
При
работе реле используется выдержка времени, даваемая ими при отпускании якоря.
Для реле РЭ-100 и РЭ-500 может быть получена выдержка порядка 0,25—0,9 сек. Для
реле РЭ-180 и РЭ-560 выдержка времени 1—3 и 3—5 сек.
Собственное
время притяжения якоря реле при наличии короткозамкнутого витка примерно в 3
раза больше, чем без него.
Лекция №15
Тема лекции:
Полупроводниковые реле. Устройство, параметры
Полупроводниковые
реле
а)
Общие сведения.
Полупроводниковые реле в отношении быстродействия, чувствительности,
селективности и надежности превосходят электромагнитные. В ряде случаев
полупроводниковые реле обладают характеристиками, которые невозможно получить с
помощью электромагнитных реле.
Полупроводниковые
реле защиты содержат измерительный орган и логическую часть. В измерительном органе
непрерывные входные величины преобразуются в дискретный выходной сигнал.
Дискретный выходной сигнал поступает на вход логической части, выдающей
управляющий сигнал чаще всего на электромагнитное реле.
Измерительный
орган полупроводникового реле тока обычно имеет на входе трансформатор тока,
нагруженный на малое активное сопротивление. Напряжение на этом сопротивлении
пропорционально первичному току в контролируемой сети.
В
измерительных органах используются следующие три принципа:
1) сравнение однородных физических
величин, например напряжений. В момент равенства измеряемого и опорного
напряжений на выходе появляется нулевой сигнал, который приводит к срабатыванию
нуль-органа. На выходе появляется дискретный сигнал. Регулируя опорное
напряжение, можно менять уставку срабатывания. Реализация такого принципа
показана на рис. 15.1. Выпрямленный сигнал, пропорциональный напряжению или
току, подается на мост RJ, R2, R3, VD1. В момент равенства напряжений на R2 и VDI на
выходе моста появляется нулевой сигнал, который приводит в действие нуль-орган.
Главным источником погрешности полупроводниковых реле является зависимость
параметров полупроводниковых приборов от температуры. Поэтому в схемы вводится
температурная компенсация. В данной схеме для температурной компенсации
последовательно со стабилитроном VD1 включается
в прямом направлении диод. С ростом температуры у стабилитрона падение
напряжения растет, а у диода в проводящем направлении падает;
|
|
 |
Рис.
15.1. Измерительный орган со стабилитроном
2) проявление физического эффекта,
возникающего при определенном значении измеряемого напряжения, — скачок в
нелинейной характеристике туннельного диода, релейная характеристика триггера
Шмидта и др.;
3)преобразование
непрерывного входного сигнала и опорного напряжения в цифровую форму. После
этого производится сравнение входного сигнала с опорным напряжением. Обработка
входного сигнала в цифровой форме может производиться по требуемому алгоритму
вычислительного устройства. Последний принцип наиболее перспективен ввиду высокой
универсальности и развития вычислительной техники.
Функциональная
схема трехфазного полупроводникового реле тока представлена на рис. 15.2.
Пропорциональные токам напряжения трех фаз подводятся к промежуточным
трансформаторам Т1—ТЗ. Между первичной и вторичной обмотками
установлен экран. На выходе трансформаторов включены нелинейные резисторы. Эти
мероприятия защищают усилители ОУ от перенапряжений. Сигнал со вторичных
обмоток трансформаторов, пропорциональный контролируемому току, подается на
входы ОУ А1—A3. На эти же усилители подается опорное напряжение с
резистора R. Входные и опорные напряжения сравнива






ются между собой. При их равенстве на
выходе усилителей А1—A3 появляется выходной сигнал, который через
элемент ИЛИ (§ 12.6), блок расширения импульса А5 и оконечный усилитель А4
подается на исполнительный орган. В блоке А5 кратковременный импульс
преобразуется в импульс большей длительности. Светоизлучаюшие диоды VD1—VD3 сигнализируют
о фазе, в которой произошла перегрузка.
Рис.
15.2. Трехфазное полупроводниковое реле тока
Для того
чтобы схема не реагировала на кратковременные и безопасные для защищаемой цепи
перегрузки, вводится выдержка времени (рис. 15.3). Для этого один сигнал с
элемента ИЛИ подается на элемент И непосредственно, второй — с выдержкой
времени, определяемой цепочкой Rl, C1. Сигнал на
выходе реле появляется только тогда, когда на элемент И придут оба сигнала.
Рис. 153.
Реле тока с выдержкой времени
б) Реле
тока с выдержкой времени, зависящей от тока. В таких реле используются и
аналоговые, и дискретные схемы. На рис. 15.4 в качестве примера показана
функциональная схема полупроводникового токового расцепителя автоматического
выключателя серии «Электрон». Напряжения, пропорциональные токам в фазах, через
промежуточные трансформаторы подаются на выпрямитель, после чего поступают на
резисторы Rl, R2, R4. Пропорциональный току сигнал И (I) с Rl подается
на суммирующий блок
, на
который приходит сигнал U(t), снимаемый с цепочки временной задержки R3, С1. Канал сигнала U(t) начинает работать, когда под действием тока перегрузки
срабатывает полупроводниковое реле К1. Когда суммарный сигнал
достигает порога срабатывания полупроводникового реле КЗ,
оно выдает сигнал на тиристорный усилитель А, воздействующий на
обмотку электромагнита расцепителя К5.
в) Реле
защиты от замыканий на землю. Реле применяется в схемах защиты при замыканиях на землю
генераторов, двигателей и линий с малыми токами замыкания на землю. Основные
параметры реле: ток срабатывания j
регулируется в пределах 0,02—0,12 А; коэффициент возвврата не менее 0,93;
коммутируемое напряжение не более 250 В; механическая износостойкость 104
циклов; электрическая износостойкость не менее 103 циклов.
Рис. 15.4.
Полупроводниковый расцепитель для управления автоматическим выключателем серии
«Электрон»
Схема
реле представлена на рис. 15.5. Измерительный орган реле содержит промежуточный
трансформатор ТА и резисторы R2—R7, которые
вместе с выключателями SB1—SB5 служат для дискретной регулировки тока срабатывания.
При отключенных выключателях ток срабатывания реле минимален. По мере включения
R3—R7 уменьшается напряжение на выходе операционного
усилителя А1. и ток срабатывания увеличивается. Диоды VD1—VD4 служат для
ограничения сигнала на входе А1. При большом входном сигнале
трансформатор ТА насыщается и его входное сопротивление падает. Резистор
R1 ограничивает ток в цепи трансформатора, ТА.
Операционный
усилитель А1 работает как активный фильтр. Многоконтурная отрицательная
обратная связь с помощью резисторов R8, R9, R10 и
конденсаторов CI, C2 позволяет
отфильтровать высшие гармоники в сигнале и оставить основную частоту
50 Гц.
Сравнивающая
часть реле состоит из порогового элемента на операционном усилителе А2,
время-измерительной цепи. VD5, R15, R16, С8 и триггера Шмидта на операционном усилителе A3.
Конденсаторы СЗ—С10 служат для стабилизации работы усилителя, исключая его
самовозбуждение. Резистор R17
создает положительную обратную связь. Выходной каскад реле выполнен на
транзисторе VT1, в цепь коллектора которого
включено быстродействующее электромагнитное реле К.
Питание
схемы осуществляется от сети постоянного тока (контакты 4, 1 при напряжении 220
В и 4, 2 при напряжении 110 В) или от сети переменного тока 100 В (контакты 4,
3). С помощью стабилитронов VD6 и VD7 получаются два симметричных
напряжения —15 В и +15 В для питания операционных усилителей.
Порог
срабатывания порогового элемента определяется резисторами R11—R14. Настройка реле на минимальную уставку производится
резистором R11.
Рис. 15.5.
Реле защиты от замыканий на землю
г)
Реле защиты асинхронных двигателей (РЗД). Реле (рис. 15.6) обеспечивает защиту асинхронных
двигателей от больших перегрузок и неполнофазных режимов. В цепи вторичных
обмоток трансформаторов тока через мосты VI—V3 включены
нагрузочные резисторы, напряжения на которых пропорциональны токам двигателя.
Конденсаторы С/—СЗ сглаживают пульсации напряжения. Эти напряжения через диоды VD1—VD3 приложены к потенциометру Rl, напряжение с которого поступает на пороговый элемент К1.
Если токи в фазах двигателя не превышают номинальное значение, то напряжение на
входе К.1 недостаточно для его срабатывания. Если токовая перегрузка превышает
допустимую, то К1 срабатывает и запускает промежуточное реле К4, которое подает
сигнал на цепь задержки R4,
С4. Напряжение с конденсатора С4 подайся на пороговый элемент КЗ, усилитель А и
выходное электромагнитное реле К, контакты которого включены в цепь
катушки пускателя или электромагнитного расцепителя автомата.
Если
длительность перегрузки меньше, чем время задержки в цепи R4, С4, то двигатель не отключается.
При нормальном пуске или допустимой технологической перегрузке благодаря
наличию цепи задержки двигатель не отключается. Если длительность перегрузки больше,
чем время задержки, то
двигатель обесточивается. При обрыве одной фазы, например фазы А, пропадает
напряжение на нагрузочном резисторе R3 этой фазы. Поскольку фазы В и С остались
под током, то на выходе MN имеется
напря жение {/Вых
указанной полярности. Под действием этого напряжения протекает ток через
резистор R3, диод VD4, который
открывается, и потенциометр R2. Напряжение
с потенциометра R2 прикладывается к пороговому элементу К2,
который срабатывает. После этого действует цепочка К4, R4, С4, КЗ, А, К и происходит отключение двигателя.
Рис.
15.6. Реле защиты асинхронных двигателей
д)
Трехфазные реле напряжения. В схеме трехфазного реле напряжения (рис. 15.7) напряжение срабатывания
регулируется резистором R1. Реле может
работать как максимальное (переключатель S в положении /) и как минимальное (переключатель 5 в
положении 2). Коэффициент возврата реле регулируется в широком диапазоне
с помощью резистора R2, которым
изменяется коэффициент положительной обратной связи в усилителях AI, A2, A3. Логический элемент И обеспечивает
срабатывание реле в случае, когда напряжение хотя бы в одной фазе падает ниже
допустимого (при S в положении 2).
Для
защиты электродвигателей, тиристорных преобразователей, других трехфазных
потребителей при недопу






стимом снижении симметричного напряжения, асимметрии
междуфазных напряжений, обратном чередовании фаз служит реле ЕЛ-10-1 (с
выдержкой времени) и ЕЛ-10-2 (без выдержки времени). Структурная схема этого
реле приведена на рис. 15.8. На входе реле включены пороговые элементы ПЭ1,
ПЭ2, ПЭЗ, образующие пороговый блок ПБ. С выхода ПБ система
полученных в нем прямоугольных импульсов (рис. 12.23) поступает в логический
блок ЛС, на триггеры 77, Т2 и логический элемент И. Полученная в ЛС
система прямоугольных импульсов через дифференцирующую цепочку RC подается на схему временной уставки СВУ,
которая с выдержкой времени открывает транзистор VT выходного усилителя ВУ. Если
контролируемое напряжение симметрично и близко к номинальному значению, то
выходные импульсы ЛБ не приводят к срабатыванию СВУ и ВУ.
Когда
изменения трехфазного напряжения или порядка чередования фаз выходят за пределы
допустимых, на выходе ЛС исчезает показанная на рис. 12.23
последовательность импульсов. При этом по истечении выдержки времени в СВУ выдается
сигнал на ВУ и выходное реле срабатывает. Допустим, исчезло напряжение в
фазе А. При этом перестает работать триггерТ1и на выходе логического
элемента И появится логический 0. Триггер Т2 тоже перестает
переключаться. На выходе RС-цепочки
сигнал пропадает, на вход СВУ и ВУ не подается сигнал ЛС, и
реле К отключает цепь. Реле срабатывает при снижении напряжения в одной
из фаз до 55 — 65 % Uном при номинальном напряжении в
остальных. При обрыве двух или трех фаз одновременно или при обратном
следовании фаз реле срабатывает при напряжении 70 — 75 % Uном. Коэф






фициент возврата реле не менее 0,9.
Время срабатывания реле ЕЛ-10-1 не превышает 5 с. Реле не срабатывает при
колебании симметричного напряжения в пределах 85—110 %-ном.
Рис.
15.7. Трехфазное реле напряжения
Рис. 15.8.
Структурная схема реле напряжения
е)
Полупроводниковые реле времени. Благодаря большому диапазону выдержек времени (от 0,1 с до
100 ч), высокой надежности и точности, а также малым габаритам в настоящее
время эти реле широко распространены. В схеме простейшего полупроводникового
реле времени 15.9 при замыкании контакта 1напряжение на конденсаторе С растет
по экспоненте с постоянной времени Т=RC. Напряжение Uc подается на пороговый элемент. При
равенстве Uc пороговому напряжению Uп пороговый элемент срабатывает и с выдержкой времени tср выдает сигнал на усилитель мощности,
который управляет выходным электромагнитным реле. Возможно использование
разряда конденсатора (замыкается контакт 2). Процесс разряда идет по
кривой 2 (рис. 15.9,б). Такие реле работают на начальных участках
кривых 1 и 2. Выдержку времени регулируют за счет изменения сопротивления
R (плавно) и емкости конденсатора С (скачкообразно).
Предельная выдержка времени — до 10 с. При больших выдержках времени
погрешность реле возрастает, так как экспонента становится пологой. Этим
ограничивается выдержка времени таких реле. Для повышения точности заряд
конденсатора производят через токостабилизирующее устройство.
Схема
реле и процесс заряда конденсатора показаны на рис. 15.9. Поскольку напряжение
на базе транзистора стабилизировано, то коллекторный ток не зависит от
напряжения на коллекторе (генератор тока). Ток заряда устанавливается
резистором R1. Чем больше ток заряда, тем меньше выдержка времени.
Стабилитрон VD делает
неизменным напряжение на резисторе R1, что
позволяет получить
постоянное время срабатывания при данном положении движка потенциометра.
Рис.
15.9. Полупроводниковое реле времени:
в —
принципиальная схема; б — процессы заряда / и разряда 2 конденсатора
С целью
увеличения выдержки времени можно использовать заряд конденсатора от источника
импульсного напряжения. При каждом импульсе напряжение на конденсаторе
поднимается на небольшую величину, после чего во время паузы остается
неизменным. Такое реле позволяет увеличить выдержку времени. Дело в том, что во
время паузы напряжение на емкости не меняется и это







время паузы входит в выдержку времени реле. Тем самым
уменьшается погрешность за счет нелинейности кривой заряда.
ж)
Цифровые реле времени. В цифровом реле времени управляющее устройство запускает генератор. Импульсы
от генератора подаются на вход не-синхронизируемого двоичного счетчика. В
момент совпадения кода времени с заданной уставкой сигнал дешифратора
скачкообразно меняется и выходной импульс подается на усилители.
После
каждого цикла счетчик переводится в нуль. Приведенная погрешность описанных
реле времени не превышает 5 %. Коммутационная износостойкость составляет не
менее 4*106 циклов.
Лекция №16
Тема лекции:
Бесконтактные контакторы и пускатели на базе тиристорных элементов.
































Бесконтактные коммутирующие и регулирующие полупроводниковые устройства
переменного тока (БКРПУ)
а)
Общие сведения. На
основе тиристоров возможно осуществление следующих операций:
1) включение и отключение электрической
цепи с активной и смешанной (индуктивной и емкостной) нагрузкой;
2) изменение тока нагрузки за счет
регулирования момента подачи сигнала управления.
Наиболее
широкое применение в бесконтактных электрических аппаратах получили фазовое и
широтно-импульс-ное управление (рис. 16.1).
В первом
случае среднее и действующее значения тока меняются зa счет изменения момента подачи на тиристор открывающего
сигнала — за счет угла
. Угол
называ




ется углом управления. Действующее
напряжение на нагрузке при двухполупериодной схеме и встречно-параллельном
включении двух тиристоров (рис. 16.2)
где Uт — амплитуда напряжения питания; Uc, Uно — действующее и среднее значения напряжения питания; у
— угол регулирования.
Рис. 16.1.
Напряжение на нагрузке при фазовом (а), фазовом с принудительной
коммутацией (б) и широтно-импульсном (в) управлении
Рис.
16.2. Встречно-параллельное включение тиристоров (а) и форма тока при
активной нагрузке (б)
Кривая
тока в сети и в нагрузке не синусоидальна, что вызывает искажение формы
напряжения сети и нарушения в работе потребителей, чувствительных к
высокочастотным помехам. Для уменьшения этих искажений необходимы специальные
меры.
При
широтно-импульсном управлении (рис. 12.46, в) в течение времени Тоткр
на тиристоры подан открывающий сигнал, они открыты и к нагрузке приложено
напряжение UH. В течение времени Тзакр управляющий сигнал
снят и тиристоры закрыты. Действующее значение тока в нагрузке
где
— ток нагрузки при Тзакр=0.
Регулирование
тока нагрузки возможно за счет изменения как угла
, так
и угла
. Принудительная коммутация (
<18О°) осуществляется с помощью
специальных узлов или специальных тиристоров, которые могут запираться подачей
сигнала управления. При больших токах из-за сложности такие схемы не
применяются. Создание транзисторов на большие токи (сотни ампер) и большие
напряжения (сотни вольт) позволяет упростить принудительную коммутацию цепей
постоянного и переменного тока, что особенно важно в аппаратах повышенного
быстродействия.
На
основе тиристоров работают следующие бесконтактные электрические аппараты:
1) тиристорные пускатели для прямого
пуска асинхронных двигателей;
2) тиристорные пускатели для плавного
пуска, реверса и останова асинхронных двигателей большой мощности (до 5000
кВт);
3) регуляторы мощности и напряжения;
4) автоматические выключатели
переменного тока высокого и низкого напряжения повышенного быстродействия;
5) регулирующие аппараты для управления
двигателями электрического транспорта переменного тока с рекуперацией энергии
при торможении.
Для
тиристорных аппаратов, как правило, необходима защита от токов перегрузки и КЗ,
а также от недопустимого повышения температуры корпусов тиристоров. Защита от
КЗ в данном случае осуществляется с помощью быстродействующих
токоограничивающих предохранителей или автоматических выключателей.
Ниже
приводятся основные технические данные тиристорных пускателей и регуляторов,
выпускаемых отечественной промышленностью.
Пускатели
тиристорные серии ПТ. В фазах А и В пускателя (рис. 16.3) установлены
трансформаторы тока ТА1 и ТА2, обеспечивающие работу устройства
токовой зашиты. Защита тиристоров от перегрузки осуществляется терморезистором Rt. Поскольку пускатель предназначен для реверса
двигателя, то в фазах А и В установлены дополнительные комплекты
встречно включенных тиристоров. При нажатии кнопки «Пуск вперед» включается
реле KI, которое подает напряжение на управляющие электроды
тиристоров, участвующих в пуске «Вперед». При нажатии кнопки «Пуск назад»
включается реле КЗ и подастся напряжение на управляющие электроды
тиристоров, участвующих в пуске «Назад». Питание блока защиты и реле К1 и
КЗ осуществляется выпрямителем, питающимся от фаз В и С.
Основные
параметры пускателя: Uном — 380 В; Iном—40 А; Iпуск = 360 А при tпуск =0,4с; электрическая износостойкость
циклов; ресурс работы не менее 10 000 ч.
Рис.
16.3. Тиристорный пускатель типа ПТ
Тиристорный
пускатель
На рис.
16.4 показан один из вариантов схемы бесконтактного — тиристорного пускателя.
Силовой блок Б1 содержит силовые тиристоры VS1—VS3 и диоды VD1—VD3, рассчитанные
на номинальный и пусковой токи двигателя М. При подаче сигнала
управления на электроды /—2, 3—4, 5—6 тиристоры
открываются и двигатель подключается к сети. В отрицательный полупериод, когда
тиристоры закрываются отрицательным анодным напряжением, ток двигателя проходит
по диодам VD1—VD3. Диоды могут
быть заменены тиристорами.
При
снятии сигнала управления (при перегрузке, потере фазы, нажатии кнопки «Стоп»)
тиристоры закрываются. Следующий полупериод тока пропускается диодами. После
этого диоды VD1, VD2, VD3 закрываются и двигатель отключается от сети. По
тиристорам и диодам протекает лишь небольшой ток утечки.
Сигналы
управления тиристорами формируются в блокинг-генераторе Б2, который
получает напряжение от блока питания БЗ. При нажатии кнопки «Пуск»
включается тиристор VS5 и все
напряжение прикладывается к резистору R3. При этом транзистор VT3 закрыт, так как напряжение на резисторе R3 больше, чем на резисторе R4. По мере заряда конденсатора С2 наступают
условия для открытия транзистора VT3 и
конденсатор С2 начинает разряжаться на обмотку
,
трансформатора Т2. Электродвижущая сила, наводящаяся при этом на обмотке
способствует быстрому и полному
открытию транзистора VT3. При разряде
конденсатора напряжение на резисторе R3 возрастает, транзистор VT3 закрывается и снова начинается заряд конденсатора С2.
Таким образом, генерируются импульсы тока в обмотке
и
в трех выходных обмотках
появляются
управляющие импульсы. Диоды VD5—VD7 пропускают импульсы только положительной
полярности.
Длительность
импульса 30 мкс при паузе между импульсами 300 мкс (частота около 3 кГц).
Аналогичные
схемы могут управляться сигналами постоянного тока или переменным током низкой
частоты. Использование блокинг-генератора дает возможность быстро включать
тиристор и уменьшить нагрузку по его управляющему электроду.
При
нормальном режиме транзистор VT2 блока Б2 насыщен
и лампа Л2 не горит. Если на контакты 7, 8 блока Б2 подано
напряжение с одноименных контактов блока защиты Б4, тиристор VS4 открывается и блокинг-генератор лишается питания. Блок
питания БЗ включается только на резистор R8. При потере питания генерация в блоке Б2 прекращается
и тиристор VS5 отключается. Одновременно транзистор VT2 закрывается и загорается лампа Л2, сигнализируя
об отключении пускателя от защиты. В случае потери фазы в выходном напряжении
(после диодов VD8—VDW) появляется пауза. В эту паузу блок Б2 оста навливается и тиристор VS5 отключается, что ведет к закрытию силовых тиристоров.
Блок Б4
защиты двигателя и силовых тиристоров от перегрузки питается от
трансформаторов тока ТА1—ТАЗ. Напряжение с нагрузочных резисторов
выпрямляется и подается на потенциометр R1. Параметры трансформаторов ТА1—ТАЗ и резисторов Rl, R5—R7 выбираются так что при номинальном токе во всех трех
фазах напряжение, снимаемое с потенциометра R1, меньше напряжения пробоя стабилитрона VD11. До тех пор пока напряжение на
стабилитроне меньше напряжения пробоя (1/<УПроб), сопротивление
стабилитрона очень высоко. При этом ток базы транзистора VT1 недостаточен для его открытия. Если ток хотя бы в
одной фазе превысит номинальное значение, то возникает неравенство U>U'проб, сопротивление стабилитрона резко падает, ток в
базе VT1 возрастает и он насыщается. Ток в стабилитроне
ограничивается резистором R2 до
допустимого значения. Если восстановится неравенство U<UnJme, то сопротивление стабилитрона снова возрастет,
транзистор VT1 закроется. После открытия транзистора VT1 начинается заряд конденсатора С1. Напряжение с
конденсатора С1 на выход 7, 8 не подается до тех пор, пока не превысит
напряжение переключения динистора VD4. Динистор
имеет такую же вольт-амперную характеристику, как и тиристор при /у=0.
Если перегрузка была настолько кратковременной, что конденсатор С2 не
успел зарядиться, то напряжение на выходе 7, 5 не появится и пускатель
останется в работе. Если Uc\ станет
больше напряжения переключения динистора VD4, произойдет разряд конденсатора С1 на цепь
управления тиристора VS4 блока Б2 и
последний откроется. При этом прекратится генерация импульсов, открывающих VS1—VS3, и двигатель
остановится. Параметр срабатывания блока защиты регулируется потенциометром R1. За счет усложнения блока защиты можно создать выдержку
времени в зависимости от условия перегрузки. Защита двигателя и силовых
тиристоров от токов КЗ в данном пускателе осуществляется быстродействующими
предохранителями Fill—FU3 типа ПНБ-5.
|
|
 |
\
Рис.
16.4. Тиристорный пускатель
По
сравнению с контактными тиристорный пускатель обладает следующими
преимуществами:
1. Отсутствие
электрической дуги при коммутациях делает аппарат незаменимым при работе во
взрывоопасных и пожароопасных средах.
2. Высокая
электрическая износостойкость (15-10е циклов).
3. Совершенная
защита от токов перегрузки и КЗ, а также при потере фазы, что обеспечивает
увеличение срока службы двигателей.
4. Допустимое
число включений достигает 2000 в час.
5. Длительность
отключения не превышает 0,02 с.
6. Высокая
надежность и долговечность, а также отсутствие необходимости в уходе при
эксплуатации.
Недостатками
тиристорного пускателя являются сложность схемы, большие габариты и высокая стоимость. Несмотря на эти недостатки,
бесконтактные пускатели находят широкое применение во взрыво- и пожароопасных
производствах и других областях техники, требующих высокой надежности.
Лекция №17
Тема лекции:
Электромагнитные муфты. Фрикционные, индукционные. Принцип действия, конструкция
Общие
сведения
Для
регулирования частоты вращения, вращающего момента на валу, для соединения и
разъединения ведущего и ведомого валов применяются электрические аппараты в
виде муфт с электрическим управлением. Эти муфты можно подразделить на
индукционные и электромагнитные.
Индукционные
муфты (рис. 17.1) по принципу действия аналогичны асинхронному двигателю с
короткозамкнутым ротором. Приводной двигатель соединяется со сплошным якорем 1,
ведомый вал связан с индуктором 2. Катушка возбуждения 4 создает
постоянный магнитный поток 5, замыкающийся по якорю 1. При вращении
якоря магнитное поле катушки индуктора пересекает цилиндрическое тело якоря, и
в нем наводятся вихревые токи. Взаимодействие этих токов с магнитным полем
создает силу, которая увлекает индуктор в направлении вращения якоря. Материал
якоря должен обладать малым удельным электрическим сопротивлением, что
обеспечивает возникновение достаточно больших вихревых токов, и высокой
магнитной проницаемостью для получения возможно больших значений магнитного
потока.
Регулируя
ток возбуждения Iв и тем самым меняя магнитное поле,
можно плавно регулировать в широких пределах частоту вращения и передаваемый
вращающий момент ведомого вала.
Рис. 17.1.
Индукционная муфта:
7 —
якорь; 2 — индуктор; 3 — магнитная система; 4 — катушка
возбуждения; 5—магнитный поток
На рис.
14.2 показаны механические характеристики индукционной муфты. На этом рисунке Iв*= Iв/Iв.ном — ток возбуждения в относительных
единицах; М* =М/Мном — передаваемый момент
в относительных единицах, где Мном — номинальный момент
муфты; Iв.ном — соответствующий ему номинальный
ток возбуждения; п — частота вращения в процентах частоты вращения при
отсутствии на ведомом валу нагрузки.
При
увеличении момента нагрузки угловая скорость ведомого вала уменьшается. При
этом возрастают скольжение и токи, наводимые в якоре муфты. Увеличение токов в якоре
увеличивает момент, развиваемый муфтой и передаваемый на ведомый вал.
Механические
характеристики индукционной муфты существенно зависят от нагрузки. Поэтому для
стабилизации скорости применяются специальные регулирующие устройства.
Более
широко применяются электромагнитные муфты, в которых используется
электромагнитное усилие притяжения между ферромагнитными телами. Эти муфты
удобны в эксплуатации, имеют малые габаритные размеры и небольшое время
срабатывания, передают большие мощности на валу при сравнительно малой мощности
управления. Ниже рассматриваются фрикционные, ферропорошковые и гистерезисные
электромагнитные муфты.
Рис. 17.2.
Механические характеристики индукционной муфты при различном токе возбуждения
Электромагнитные
фрикционные муфты
а) Принцип
действия. Простейшая конструкция электромагнитной фрикционной муфты
представлена на рис. 14.3. Постоянное напряжение подводится к щеткам,
скользящим по контактным кольцам 1, соединенным с выводами обмотки 2.
Обмотка имеет цилиндрическую форму и окружена магнитопроводом ведущей части
3 муфты. Направляющая втулка 7 имеет выступ 6, который входит в
паз 8 полумуфты 5, которая может перемещаться вдоль оси, оставаясь
соединенной с валом 10.
В
обесточенном состоянии пружина 9 упирается в направляющую втулку 7, жестко
закрепленную на валу 10, и отодвигает подвижную часть полумуфты 5 вправо. При
этом поверхности трения (диски 4) не соприкасаются и ведомый вал 10 разобщен с
ведущим валом П.
При
подаче на обмотку управляющего напряжения возникает магнитный поток Ф. На
полумуфты 3, 5, выполненные из магнитомягкого материала, начинает действовать
электромагнитная сила, притягивающая их друг к другу. Таким образом полумуфты и
обмотка представляют собой электромагнит. Между дисками 4, жестко связанными с
деталями 3 и 5, возникает сила нажатия, обеспечивающая необходимую силу трения
и их надежное сцепление.
На рис.
14.3,6 изображена поверхность трения. Элементарный момент трения
dMтр = kтрpyд2nR2dR,
(17.1)
где pyд — давление на поверхности трения, Па; kTP — коэффициент трения; R — текущий радиус поверхности трения,
м.
Рис.17.3.Электромагнитная
фрикционная муфта:
а–разрез муфты;
б–поверхность трения
Коэффициенты
трения для дисков из различных материалов приведены в табл. 17.1.
Коэффициенты
трения Таблица 17.1.
|
Материал
|
Режим покоя
|
Режимдвижения
|
|
Сталь — сталь
|
0,15
|
0,15
|
|
Сталь — чугун
|
0,3
|
0,18
|
|
Сталь — бронза
|
0,15
|
0,15
|
|
Чугун — чугун
|
0,15
|
0,15
|
|
Металлокерамический
материал на медной
основе — сталь
|
0,3—0,4
|
—
|
|
Металлокерамический
материал на желез-
ной основе —
сталь
|
0,4—0,8
|
—
|
|
Наиболее
совершенны диски из металлокерамики. Металлокерамика на медной основе состоит
из 68% меди, 8% олова, 7% свинца, 6% графита, 4% кремния и 7 % железа.
Составляющие в порошкообразном состоянии прессуются при высоком давлении (сотни
мегапаскалей) и затем спекаются при температуре 700—800 °С. Аналогично
изготовляется металлокерамика на железной основе. Металлокерамические материалы
имеют высокое значение kтр и
допускают высокую рабочую температуру (до 200 °С).
Давление
руд определяется износом поверхностей трения дисков. Для
металлокерамических материалов оно составляет 0,8—1, для сталей 0,4—0,6 МПа.
В
процессе пуска момент, который должен быть передан муфтой, возрастает, так как
кроме статического момента нагрузки Мн необходимо
передать динамический момент Мдин. При этом проскальзывание
(пробуксовка) поверхностей трения должно быть небольшим, иначе они могут выйти
из строя из-за нагрева до высокой температуры. В режиме пуска
Мтр
= Мн + Мдин = Ma + J
= Мн kз (I7.2)
где J — момент инерции подвижных частей,
кг-м2;
— угловая частота вращения,
1/с; k3 — коэффициент запаса, учитывающий возрастание момента
муфты при пуске. Значения k3 для различных видов нагрузок
приведены ниже:
Вид
нагрузки к3
Металлорежущие
станки . .1,25—2,5
Краны, подъемники
... 3—5
Центробежные
насосы . . . 2— 3
Воздуходувки
1,25—2
Мельницы,
дробилки . 4,0
При
большом передаваемом моменте для уменьшения габаритных размеров муфты
применяется многодисковая система (рис. 17.4). Диски 6 связаны с ведущей
частью муфты 5 и могут свободно перемещаться вдоль направляющих 7. Диски
8, связанные с электромагнитом ведомой части, также могут перемещаться
по направляющей 4. В данной конструкции магнитный поток, создаваемый
обмоткой 1, не проходит через диски, а замыкается через магнитопровод 2
и якорь 3, что позволяет уменьшить зазор электромагнита. Момент,
развиваемый такой муфтой,
Мтр = Мд(n-1),
(17.3)
где Мд
— момент трения одной пары дисков; п — общее число дисков.
Рис.
17.4. Многодисковая фрикционная муфта
Зная
поверхность трения S и допустимое
давление на поверхности одного диска руд, можно найти основные
параметры электромагнита. Поскольку рабочий зазор мал и магнитное поле в
рабочем зазоре равномерно, определить электромагнитное усилие можно по формуле
Максвелла.
Электромагниты
муфты изготавливаются из сплошного материала и поэтому имеют большую постоянную
времени. При отключении муфты на контактах коммутирующего аппарата возникает
дуга, которая замедляет процесс отключения и вызывает сильную эрозию контактов.
При быстром обрыве дуги возможны возникновение перенапряжения и пробой обмотки.
Для облегчения процесса отключения обмотка шунтируется разрядным резистором. Для
устранения залипания якоря в притянутом состоянии магнитная система должна
иметь конечный зазор.
Электромагнитные
ферропорошковые муфты
В
ферропорошковой муфте барабанного типа (рис. 17.5) ведущий вал 1 через
немагнитные фланцы 2 соединен с ферромагнитным цилиндром (барабаном) 3.
Внутри цилиндра располагается электромагнит 4, связанный с ведомым
валом 6. Обмотка 5 электромагнита питается через контактные
кольца (на рисунке не показаны). Внутренняя полость 7 заполнена ферромагнитным
порошком (чистое или карбонильное железо) с зернами размером от 4—6 до 20—50
мкм, смешанными с сухим (тальк, графит) или жидким (трансформаторное,
кремнийорганические масла) наполнителем. При обесточенной обмотке и вращении
ведущей части (барабана) электромагнит и ведомый вал остаются неподвижными,
поскольку ферромагнитные зерна наполнителя свободно перемещаются относительно
друг друга. Определенное трение между барабаном и электромагнитом существует,
но оно относительно невелико.
При
подаче напряжения на электромагнит зерна ферромагнитного порошка теряют свободу
перемещения под воздействием магнитного поля обмотки. Вязкость среды,
находящейся в барабане, резко возрастает. Увеличивается сила трения между
барабаном и электромагнитом. На ведомом валу появляется вращающий момент.
При
определенном значении тока возбуждения ферромагнитный порошок и наполнитель
полностью затвердевают. Барабан и электромагнит становятся жестко связанными.
Можно рассматривать передаваемый момент как момент от силы трения, действующей
между порошком и внутренней цилиндрической поверхностью барабана.
Рис.
17.5. Электромагнитная ферропорошковая муфта барабанного типа
Благодаря
тому, что зазор между барабаном и электромагнитом заполнен ферромагнитной
смесью, его магнитная проводимость очень велика, что позволяет уменьшить
необходимую МДС обмотки и увеличить коэффициент управления муфты, равный
отношению передаваемой мощности к мощности управления (мощности
электромагнита).
На зерна
ферромагнитного порошка кроме электромагнитных сил Рэм действуют
центробежные силы Рц, пропорциональные квадрату угловой скорости.
Для оценки влияния центробежных сил вводится отношение £ц = Рц/РЭм.
Это отношение увеличивается с ростом диаметра муфты, угловой скорости и
уменьшается с ростом индукции в зазоре. Даже при В=1,8Тл отношение PJP3K достигает 40%, если частота вращения
равна 3000 об/мин [14.1]. При определенном значении частоты вращения отношение Рп/РЭм
приближается к 100 % и муфта теряет управление. Поэтому ферропорошковые
муфты не применяют при скоростях более 3000 об/мин.
По сравнению
с электромагнитными муфтами трения ферропорошковые муфты имеют значительно
большее быстродействие (примерно в 10 раз) благодаря отсутствию якоря.
Изменение момента во времени для линейной части характеристики М{1) определяется
законом роста тока.


Поэтому в схемах автоматики
порошковая муфта является инерционным звеном первого порядка. Большим
преимуществом ферропорошковой муфты является отсутствие быстроизнашивающихся
дисков трения.
Ферропорошковые
муфты целесообразно применять там, где требуются высокое быстродействе, большая
частота включения и плавное регулирование скорости ведомого вала. Недостатком
ферропорошковых муфт является меньшая передаваемая мощность при одинаковых
габаритных размерах с муфтой трения.
Гистерезисные
муфты
Возможны
два варианта исполнения гистерезисных муфт: в первом — магнитное поле индуктора
создается обмоткой, во втором — постоянными магнитами. Недостатком первого
варианта является наличие контактной системы для передачи тока в индуктор,
достоинством — возможность электрического управления муфтой. Муфты с
постоянными магнитами (магнитогистерезисные) обладают высокой надежностью.
Однако регулирование передаваемого момента в них затруднено.
В
магнитогистерезисной муфте (рис. 17.6) постоянные магниты 1 с полюсными
наконечниками 2 укреплены в магнитопроводе 3 индуктора,
связанного с ведущим валом. На ось ведомого вала насажен ротор, состоящий из
втулки 5 из немагнитного или магнитомягкого материала и колец 4 активного
слоя. Кольца активного слоя изготовлены из материала с довольно широкой петлей
гистерезиса, имею щей высокие значения остаточной индукции и коэрцитивной силы.
Шихтованная структура активного слоя позволяет уменьшить вихревые токи и
асинхронный вращающий момент.
Пусть
ротор заторможен, а индуктор вращается приводным двигателем с угловой скоростью
. Под действием вращающегося магнитного
поля индуктора в активном слое появляются потери на гистерезис от
перемагничивания. Потери за один цикл перемагничивания определяются
максимальным значением индукции в активном слое ротора.
Преимущество
гистерезисной муфты заключается в постоянстве передаваемого момента. Если
нагрузочный момент Мн резко возрастает (неполадки,
поломки механизма), то максимальный момент, передаваемый на приводной
двигатель, ограничен Мг и гистерезисная муфта защищает
двигатель от перегрузки. Постоянство момента муфты обеспечивает быстрый разгон
нагрузки.
В ряде
схем автоматики необходима быстрая остановка привода. В этих случаях
применяются тормоза на базе гистерезисной муфты. Ведомая часть муфты делается
неподвижной, а ведущая соединяется с приводным двигателем. При торможении
двигатель отключается и включается муфта. Постоянный тормозной момент муфты обеспечивает
быструю остановку привода.
Гистерезисные
муфты широко применяются для передачи момента в агрессивную среду, отделенную
от окружающей среды металлической немагнитной оболочкой и находящуюся под
высоким давлением. В этом случае применяются муфты с аксиальным рабочим
зазором. Ведущая часть с индуктором отделена немагнитной стенкой от ведомой
части с активным слоем в виде колец.
Рис.
17.6. Магнитогистерезисная муфта с радиальным рабочим зазором
Лекция №18
Тема лекции:
Комплектные распредустройства. Виды, состав, конструкция. Ограничительные
аппараты. Реакторы разрядники. Ограничители напряжения
Назначение и классификация электрических аппаратов высокого напряжения
Электрические аппараты высокого
напряжения (АВН) используются в электроэнергетических системах (объединенных и
автономных) для осуществления всех необходимых изменений схем выдачи мощности и
электроснабжения потребителей в нормальном эксплуатационном режиме и в
аварийных условиях, обеспечения непрерывного контроля за состоянием
высоковольтных систем, ограничения возникающих в процессе эксплуатации
перенапряжений и токов короткого замыкания, а также для компенсации избыточной
зарядной мощности линий. Иными словами, с помощью высоковольтных электрических
аппаратов осуществляется управление энергетическими системами в самом широком
смысле этого понятия.
По функциональному признаку аппараты
высокого напряжения подразделяются на следующие виды:
- коммутационные аппараты (выключатели,
выключатели нагрузки, разъединители, короткозамыкатели, отделители);
- измерительные аппараты
(трансформаторы тока и напряжения, делители напряжения);
- ограничивающие аппараты
(предохранители, реакторы, разрядники, нелинейные ограничители перенапряжений);
- компенсирующие аппараты (управляемые
и неуправляемые шунтирующие реакторы).
Коммутационные
аппараты используются
для формирования необходимых схем выдачи мощности от электростанций, ее передачи
на расстояние и схем электроснабжения потребителей.
Выключатели
предназначены для включения и отключения токоведущих элементов
электроэнергетических систем в нормальных (отключение рабочего тока) и
аварийных (отключение тока короткого замыкания) режимах и тем самым для
предотвращения развития аварий в электроэнергетических системах. В связи с
такой ответственной ролью выключателей к ним предъявляются очень жесткие требования.
Они должны многократно (тысячи раз) обеспечивать коммутацию (включение и
отключение) токоведущих цепей при номинальном токе (либо при меньших токах). Во
включенном положении выключатели должны выдерживать в течение срока службы (25
лет) воздействие рабочих напряжений и тока. При возникновении короткого замыкания
(к.з.) выключатель должен выдержать воздействие тока к.з. и обеспечить
отключение поврежденного участка сети в течение нескольких полупериодов
напряжения промышленной частоты.
Из
сказанного следует, что выключатель должен иметь очень высокий коэффициент
готовности: при малой продолжительности процессов коммутации (несколько минут в
году) должна быть постоянно обеспечена готовность к осуществлению коммутаций.
В
эксплуатации используются различные типы выключателей. Наиболее распространены
масляные выключатели, в которых дугогасительной средой является минеральное
масло. Они изготовляются для распределительных устройств (РУ) напряжением до
220 кВ включительно.
Для РУ
напряжением 110 кВ и выше (вплоть до 1150 кВ) наиболее широко используются
воздушные выключатели, где гашение дуги осуществляется потоком сжатого воздуха.
В
последнее время интенсивно развиваются конструкции вакуумных выключателей, у
которых контактная система помещена в вакуумную камеру. Такие выключатели
изготовляются на напряжение до 35 кВ включительно. Их отличительная особенность
– погасание дуги при первом же переходе тока через нуль (после расхождения
контактов).
Развиваются
работы и по созданию элегазовых выключателей, в которых в качестве дугогасящей
среды используется электроотрицательный газ – шестифтористая сера (элегаз).
Такие выключатели создаются для герметичных распределительных устройств (ГРУ),
а также для наружной установки, где в качестве изоляции относительно земли
используются воздух и фарфоровые или стеклопластиковые изоляторы.
На
напряжение 6 и 10 кВ наиболее распространены электромагнитные выключатели, в
которых дуга горит в воздухе при атмосферном давлении и в результате
воздействия сильного магнитного поля удлиняется настолько, что отдача теплоты
стволом дуги (усиленная специальными мерами) превосходит ее поступление и дуга
распадается.
Выключатели
нагрузки применяются, как правило, в цепи генераторного напряжения на очень
большие номинальные токи (20-30 кА), когда токи короткого замыкания отключаются
высоковольтными выключателями за повышающими трансформаторами. В этом случае
ток электродинамической стойкости достигает сотен тысяч ампер. Кроме того,
выключатели нагрузки применяются на тупиковых подстанциях небольшой мощности, в
кольцевых линиях, когда применение выключателей оказывается неэкономичным. Существенно
меньшие токи, отключаемые выключателями нагрузки, определяют значительное
упрощение их конструкций и снижение массогабаритных показателей по сравнению с
выключателями.
Разъединители
применяются для коммутации обесточенных с помощью выключателей участков
токоведущих систем, для переключения присоединений распределительных устройств
с одной ветви на другую без перерыва тока и для коммутации очень малых токов
ненагруженных силовых трансформаторов и коротких линий.
Например,
при подготовке выключателя к ремонту он должен быть отделен от смежных
элементов токоведущих систем, находящихся под напряжением, с помощью
разъединителей
и
(рис. 1.1) после
отключения выключателя В. При этом разъединители отключают небольшой
ток, определяемый напряжением сети и емкостью токоведущих элементов выключателя
и подводящей ошиновки. Разъединители открытой установки создают видимые разрывы
токоведущей системы, обеспечивающие безопасность выполнения работ на
выключателе.
После
отключения разъединителей выключатель В должен заземляться с обеих
сторон с помощью переносных заземлителей либо специальных заземляющих ножей
и
,
встраиваемых в конструкцию разъединителя.
Отделитель
служит для отключения обесточенной цепи высокого напряжения за малое время (не
более 0,1 с). Он похож на разъединитель, но снабжен быстродействующим приводом.
Короткозамыкатель
служит для создания к.з. в цепи высокого напряжения. По конструкции он сходен с
заземляющим устройством разъединителя, но снабжен быстродействующим приводом.
Короткозамыкатели
и отделители устанавливаются на стороне высшего напряжения распределительных
устройств (РУ) малоответственных потребителей, когда с целью экономии площади и
стоимости выключатели предусмотрены только на стороне низшего напряжения. При
повреждении в РУ и токе к.з., недостаточном для работы защиты на отправном
конце питающей линии, короткозамыкатель заземляет линию. При этом увеличивается
ток к.з., что обеспечивает надежное срабатывание защиты и отключение линии с отправного
конца выключателем. После этого отключаются выключатель поврежденной
трансформаторной группы на стороне низшего напряжения и затем отделитель этой
же группы на стороне высшего напряжения. Таким образом, поврежденная
трансформаторная группа оказывается изолированной от
сети, что обеспечивает возможность повторного включения выключателя на
отправном конце питающей линии и восстановления питания потребителей
поврежденной трансформаторной группы в результате их подключения между шинным
выключателем к неповрежденной трансформаторной группе (рис. 1.2).
|
|
 |
Рис. 1.1. Схема соединения выключателя и
разъединителей
Короткозамыкатели
и отделители обладают большим быстродействием для ограничения длительности
аварийного режима в системе.
Измерительные
трансформаторы тока (ТТ) и напряжения (ТН) применяются для непрерывного контроля
за этими параметрами электрической цепи в качестве датчиков сигнала ее состояния,
воспринимаемого устройствами защиты и автоматики. Применяются ТТ и ТН при
высоких напряжениях и больших токах, когда непосредственное включение в
первичные цепи контрольно-измерительных приборов, реле и приборов автоматики
технически невозможно или недопустимо по условиям безопасности обслуживающего
персонала.
Рис. 1.2. Схема РУ с короткозамыкателями и отделителями
Измерительные
трансформаторы устанавливаются в открытых (ОРУ), закрытых (ЗРУ) и герметичных
(ГРУ) распределительных устройствах и связываются контрольными кабелями с
приборами устройств вторичной коммутации, которые размещаются на панелях щитов
и пультов и на стенах в помещениях щитов управления, машинного зала и
распределительных устройств. Основное требование к трансформаторам тока –
обеспечение передачи информации со стороны высокого потенциала на потенциал
земли с минимально возможными искажениями. Наиболее распространенными в
настоящее время являются электромагнитные трансформаторы тока и напряжения,
содержащие магнитопровод, первичную обмотку, включаемую непосредственно в цепь
высокого напряжения последовательно (ТТ) либо параллельно (ТН), и одну или
несколько вторичных обмоток. Номинальный ток вторичных обмоток ТТ составляет
обычно 5А, иногда 1А, номинальное напряжение вторичных обмоток ТН – обычно 100
В.
Эти
трансформаторы имеют очень небольшие погрешности в установившемся режиме – от
долей процента до нескольких процентов в зависимости от класса точности. Однако
в переходных режимах, связанных, например, с возникновением к.з., погрешности
измерения тока и напряжения могут достичь 10 % и более, прежде всего из-за
насыщения стали сердечника.
В связи
с этим в последнее время вместо электромагнитных ТН применяются емкостные
делители напряжения, а вместо электромагнитных ТТ – оптико-электронные (ОЭТТ),
в которых сигнал со стороны высокого потенциала передается на землю по оптическому
каналу с помощью волокнистых световодов. Такие трансформаторы тока передают
сигнал на устройства защиты и управления с малыми искажениями. Однако мощность
передаваемого по оптическому каналу сигнала недостаточна для использования в
обычных устройствах релейной защиты и автоматики, поэтому использование ОЭТТ
необходимо сочетать с применением микроэлектронных устройств и ЭВМ.
Ограничивающие
аппараты подразделяются
на аппараты ограничения тока и напряжения.
К
токоограничивающим аппаратам относятся высоковольтные предохранители и
реакторы. Плавкие предохранители высокого напряжения предназначены для защиты
силовых трансформаторов, воздушных и кабельных линий, конденсаторов, электродвигателей
и трансформаторов напряжения.
Токоограничивающие
предохранители с мелкозернистым наполнителем применяются на напряжение 3-35 кВ
с номинальным током 2-1000 А и током отключения от 2,5 до 63 кА.
Выхлопные
предохранители переменного тока, где гашение дуги происходит при переходе тока
через нуль, применяются на напряжение 6-220 кВ с номинальным током 2-200 А и
током отключения от 1,6 до 20 кА.
Токоограничивающие
реакторы представляют собой катушку индуктивности без сердечника, включаемую
последовательно в токоведущую цепь. Реактор выбирается из условия ограничения
тока к.з. в цепях 6-10 кВ до уровня, при котором обеспечивается динамическая и
термическая стойкость коммутационных аппаратов (когда их параметры недостаточны
для работы без реакторов), а также термическая стойкость защищаемых кабелей.
Менее распространены токоограничивающие реакторы в сетях 110-220 кВ. При
малых токах (вплоть до номинального) падение напряжения на реакторе обычно не
превышает 3-10 % номинального напряжения. При коротком замыкании на линии,
защищаемой реактором, напряжение на соседней линии не должно уменьшаться более
чем на 25 % по сравнению с до аварийным режимом.
Наиболее
распространенным средством ограничения грозовых и внутренних перенапряжений
являются разрядники. Эти аппараты состоят из нелинейных резисторов (варисторов)
и искровых промежутков, автоматически подключающих блок варисторов к токоведущей
цепи при превышении заданного уровня напряжения.
В настоящее время созданы
варисторы с такой высокой степенью нелинейности вольт-амперной характеристики,
что они могут быть подключены к токоведущим элементам без искровых промежутков.
Протекающий по варисторам ток при номинальном напряжении составляет
миллиамперы, а при повышениях напряжения возрастает до тысяч ампер. Отсутствие
искровых промежутков существенно упрощает конструкцию ограничителей
перенапряжений, но порождает новые проблемы, связанные с необходимостью
обеспечения надежной работы аппарата при рабочем напряжении.
Компенсирующие
аппараты. В сетях
сверхвысокого напряжения широко применяются реакторы, включаемые между токоведущими
элементами и землей (шунтирующие реакторы). Они предназначены для компенсации
избыточной зарядной мощности в режиме малых нагрузок (когда по линии передается
мощность меньше натуральной). При номинальной нагрузке линии реакторы
отключены, а по мере уменьшения нагрузки они подключаются с помощью высоковольтных
выключателей.
Регулируемые
(управляемые) реакторы обеспечивают возможность быстрого и плавного изменения
потребляемой ими реактивной мощности без отключения от линии. Такие реакторы в
настоящее время находятся в стадии разработки. Наличие обмотки подмагничивания
позволяет форсировать параметры реактора – кратковременно увеличивать его мощность
значительно выше номинальной, а следовательно, использовать регулируемые
реакторы в качестве средств глубокого ограничения внутренних перенапряжений.
Комплектные
распределительные устройства составляются из полностью или частично закрытых
шкафов или блоков с встроенными в них аппаратами, устройствами защиты и
автоматики, поставляемых в собранном или полностью подготовленном для сборки
виде. Комплектные распределительные устройства выпускаются для внутренней (КРУ)
и для наружной (КРУН) установки. Комплектные РУ 6-20 кВ в наибольшей степени
отвечают требованиям индустриализации энергетического строительства, поэтому
они становятся самой распространенной формой исполнения РУ.
В последние годы
начали применять комплектные РУ нового типа – герметичные (ГРУ), в которых все
токоведущие элементы и аппараты (сборные шины, выключатели, разъединители, трансформаторы
тока и напряжения) расположены внутри герметичной оболочки, заполненной сжатым
высокопрочным газом (элегазом). Такие РУ полностью изготовляются на заводе в
виде отдельных ячеек, набор которых может изменяться в зависимости от схемы
подстанции.
В
настоящее время освоен серийный выпуск ячеек ГРУ на напряжение 110 и 220 кВ и
осваивается серийный выпуск ГРУ на напряжение 330, 500, 750 и 1150 кВ.
Герметичные
распределительные устройства предполагается использовать прежде всего в крупных
городах с целью экономии площади и объема. Так, ГРУ 110 и 220 кВ могут быть
размещены в подвальных помещениях жилых зданий. Целесообразно использовать ГРУ
на гидростанциях, где, как правило, недостаточно места для размещения ОРУ, а
также в районах со сложными климатическими, метеорологическими и сейсмическими
условиями и в районах с сильным загрязнением атмосферы.
Прогрессивное
направление аппаратостроения – создание комплексов аппаратов – получило
развитие и при создании аппаратов на генераторное напряжение. В комплекс
объединяются все три аппарата, включаемые в рассечку токопровода – от генератора
до трансформатора: выключатель, разъединитель и трансформатор тока. Такое объединение
приводит к существенному уменьшению объема, занимаемого аппаратами, повышает их
технико-экономические характеристики, в том числе надежность.



Классификация АВН
Коммутационные
аппараты. В эту
группу входят высоковольтные выключатели, предохранители, выключатели сгрузки,
разъединители, отделители и короткозамыкатели.
Высоковольтный
выключатель –
важнейший из АВН. Он служит для включения и отключения токов любых режимов:
номинальных, токов КЗ, токов холостого хода (XX) силовых трансформаторов, токов холостых линий и кабелей.
Характерной особенностью этого аппарата является наличие дугогасительного
устройства (ДУ), которое обеспечивает гашение дуги, возникающей в цепи высокого
напряжения при ее размыкании.
Разъединитель служит для включения и отключения
цепей высокого напряжения при отсутствии тока. Эти аппараты необходимы для
изменения электрических схем энергоустановки и создания безопасных условий при
ремонте и ревизии АВН и силового оборудования (трансформаторов, генераторов и
др.). Отличительной особенностью разъединителя является видимый разрыв между
контактами в положении «отключено». Разъединитель не имеет ДУ. После снятия напряжения
с оборудования необходимо заземлить токоведущие части. Для этого разъединители
часто снабжаются заземляющими устройствами.
Высоковольтный
предохранитель – аппарат, производящий отключение защищаемой цепи при
к.з. и недопустимой перегрузке путем плавления металлического проводника малого
сечения и последующего гашения дуги высокого напряжения в ДУ.
Выключатель
нагрузки. Этот аппарат служит только для включения и отключения номинальных
токов установки. Отключение токов к.з. и перегрузок производит высоковольтный
предохранитель, включенный с выключателем нагрузки последовательно. В отличие
от разъединителя выключатель нагрузки имеет ДУ, рассчитанное на коммутацию
номинальных токов и токов х.х. трансформаторов и линий электропередачи.
Отделители и
короткозамыкатели. В связи с возрастанием мощности приемников напряжение
35-220 кВ подается непосредственно на территории заводов, фабрик, городов.
Выключатели на это напряжение имеют значительные габаритные размеры и высокую
стоимость. В связи с этим разработаны упрощенные схемы энергоснабжения, в
которых выключатели на повышенное напряжение заменяются простыми и дешевыми аппаратами
– отделителями и короткозамыкателями, не требующими большого помещения.
Отделитель
– это коммутационный аппарат, который служит для отключения обесточенной цепи
высокого напряжения за малое время. По своей конструкции отделитель похож на
разъединитель, но имеет быстродействующий привод, который отключает его за относительно
малое время (не более 0,1 с).
Короткозамыкатель
– это коммутационный аппарат, который служит для создания к.з. в цепи высокого
напряжения. По своей конструкции он напоминает заземляющее устройство
разъединителя. Включение и отключение короткозамыкатели производят также с
помощью быстродействующего привода. Время включения с момента подачи
управляющего сигнала до момента замыкания контактов не превышает 0,1 с.
Согласованная работа отделителя и замыкателя производится от специальной схемы
автоматики.
Ограничивающие
аппараты:
1)
токоограничивающий реактор – катушка индуктивности, которая служит для
ограничения тока КЗ и поддержания необходимого напряжения на сборных шинах
распредустройства. Реакторы позволяют применить высоковольтные выключатели и
другие АВН облегченного типа, а также повысить надежность работы электроустановки.
Наряду с токоограничивающими реакторами в установках высокого напряжения нашли
применение реакторы иного назначения: шунтирующие, нагрузочные, дугогасящие и
др.;
2) разрядники –
аппараты, ограничивающие напряжение в электроустановке при коммутационных и
атмосферных перенапряжениях. Они позволяют снизить требования к прочности
электрической изоляции аппаратов и оборудования, уменьшить габаритные размеры
электроустановки и значительно удешевить ее.
Измерительные
аппараты. В эту группу входят высоковольтные трансформаторы тока (ТТ) и напряжения
(ТН). Они изолируют силовые цепи высокого напряжения от токовых цепей и цепей
напряжения измерительных приборов и релейной защиты. Кроме того, они позволяют
различные номинальные токи и номинальные напряжения силовых цепей высокого
напряжения привести к стандартным значениям тока (1 и 5 А) и напряжения (100
В).
Комплектные
распределительные устройства (КРУ) представляют собой совокупность АВН (выключатель,
разъединители, ТТ, ТН, реактор и др.), которая позволяет осуществлять
управление потоком энергии и защиту от аварийных режимов. КРУ изготовляются на
аппаратном заводе и поставляются на подстанцию в готовом виде. Определенный
набор ячеек КРУ позволяет на месте монтажа создать распределительное устройство
высокого напряжения по одной из типовых схем. КРУ позволяет резко сократить
время монтажа распределительного устройства, повысить надежность работы
электроустановки, уменьшить затрату активных материалов и трудоемкость.
Содержание
1. Введение. Предмет и задачи.
Литература и ГОСТы, определения и классификация. Состояния и перспективы
развития.
Области применения, классификация электромагнитов,
расчет магнитных полей.
2. Расчет и экспериментальное
определение магнитных проводимостей воздушных промежутков.
3. Расчет магнитной цепи электромагнитов
постоянного тока, обмоточных данных.
Магнитные цепи электромагнитов
переменного тока. Расчет обмоток.
4. Энергетический баланс
электромагнита постоянного тока. Расчет силы тяги, формула Максвелла.
Сила тяги электромагнитов переменного
тока. Магнитный демпфер.
5. Тяговые и механические
характеристики электромагнитов постоянного и переменного тока.
Динамика электромагнитов, время
трогания и движения. Ускорение и замедление срабатывания.
6. Электродинамические усилия (ЭДУ), методы
расчета. Электродинамическая устойчивость.
Нагрев электроаппаратов. Нормы
нагрева, термическая устойчивость.
7. Электроконтакты, понятия и теория.
Конструкция и выбор коммутирующих контактов.
8. Электрическая дуга, физические
явления, основы горения и гашения дуги постоянного тока.
9. Горения и гашения дуги переменного
тока: в условиях активной деионизации, высокого напряжения, низкого напряжения.
10. Магнитные усилители (МУ), дроссельный
МУ, характеристики и режимы работы.
МУ с самоподмагничиванием (МУС).
Двухполупериодные схемы МУС.
11. Предохранители, параметры, требования,
характеристики. Выбор предохранителей.
12. Контакторы постоянного и
переменного тока, параметры, требования. Магнитные пускатели.
13. Автоматические воздушные
выключатели (автоматы), виды, параметры
Электромагнитные реле (тока и
напряжения, для энергосистем и электроприводов).
14. Тепловое реле. Устройство,
характеристики. Реле времени.
15. Полупроводниковые реле.
Устройство, параметры.
16. Бесконтактные контакторы и
пускатели на базе тиристорных элементов.
17. Электромагнитные муфты.
Функциональные, индукционные. Принцип действия, конструкция.
18. Комплектные распредустройства.
Виды, состав, конструкция.
Ограничительные аппараты. Реакторы разрядники.
Ограничители напряжения.