|
Тип 2ПБ200LУХЛ4
|
|
Мощность, кВт
|
15
|
Сопротивление
|
якоря
|
0,031
|
|
Напряжение, В
|
220
|
обмотки
|
добавочных
полюсов
|
0,02
|
|
Частота враще-
|
номинальная
|
2360
|
при 15°C, Ом
|
возбуждения
|
137 37,1
|
|
ния, об/мин
|
максимальная
|
3500
|
Индуктивность
цепи якоря, мГн
|
1,3
|
|
КПД, %
|
89,5
|
Момент инерции,
кг×м2
|
0,3
|
1.3 Выбор тиристоров по току
Выбор тиристоров осуществляется исходя из максимальной
загрузки по току, которой соответствует номинальный режим работы ЭД.
Определяем IН - номинальный ток нагрузки
электродвигателя:
(1.1)
где Pн - номинальная мощность электродвигателя, Вт;н
- номинальное напряжение на якоре электродвигателя, В;
ηн - номинальный КПД двигателя, берутся из таблицы 1.
Подставив значения в формулу (1.1) получаем:
;
Рассчитаем среднее и действующее значение тока
,
протекающего через прибор, для режима работы с максимальной
загрузкой по току:
; (1.2)
; (1.3)
Рассчитаем коэффициент формы тока:
(1.4)
;
Для номинального режима работы
, а условия охлаждения соответствуют номинальным если при
естественном охлаждении максимальная температура воздуха
.
По условию (1.5) предварительно выбираем тип прибора и охладитель:
(1.5)
где Кзрi - коэффициент запаса по току в рабочем режиме
(1,25…1,65);
Кзо - коэффициент запаса, учитывающий отклонения режима
работы и условий охлаждения от номинальных (0,8…1,2);TAV.M -
максимально допустимый средний ток через тиристор при заданных условиях
охлаждения, А.
Принимаем Кзо=0,9. Приняв Кзрi=1,25, по
условию (1.5) получаем:
;
Из справочника [3] по силовым полупроводниковым приборам
предварительно выбираем тиристор Т 151-100 с типовым охладителем О151-80, с
параметрами ITAV.m = 30 А при естественном охлаждении и Та
=40°С.
1.4 Выбор силового трансформатора
Находим требуемое значение фазного напряжения вторичной
обмотки трансформатора по формуле (1.1):
, (1.1)
где E2 - ЭДС вторичной обмотки трансформатора,
рассчитывающаяся по формуле (1.2):
, (1.2)
где UН - номинальное напряжение нагрузки; UН=220В;
В,схе - коэффициент схемы по ЭДС; kсхе=2,34;C
- коэффициент, учитывающий возможность снижения напряжения в сети; kC=1,1;R
- коэффициент, учитывающий падение напряжения на активных сопротивлениях
трансформатора, падение напряжения на вентилях и падение напряжения из-за
коммутации вентиля kR=1,05;α - коэффициент, учитывающий неполное
открывания вентилей. Для реверсивных выпрямителей kα=1,2;
В;
Рассчитываем типовую мощность трансформатора:
, (1.3)
где kp - коэффициент, учитывающий превышение типовой
мощности над мощностью постоянных составляющих; в нашем случае принимаем, что kр
= 1,045
Р - мощность постоянных составляющих напряжения и тока.
; (1.4)
Находим ST:
кВА;
полная мощность трансформатора:
где
- коэффициент прямоугольности тока,
учитывающий отклонение формы тока от прямоугольной.
кВА;
Из каталога [2] выбираем трансформатор ТС-25/0,5 по соотношениям:н
кат.³ Sрасч,2н кат.» U2ф.
Таблица 1.2 - Технические данные трансформатора ТС-25/0,5.
|
SН,
кВА
|
U2Ф,
В
|
Потери, Вт
|
ЕК,
%
|
|
|
DРxх
|
DРкз
|
|
|
25
|
127
|
350
|
600
|
4,5
|
Находим полное сопротивление короткого замыкания
трансформатора:
(1.5)
где ЕК - напряжение короткого замыкания трансформатора,2Н
- номинальный ток фазы вторичной обмотки трансформатора.
Определяем по формуле:
, (1.6)
где m2 - число фаз вторичной обмотки трансформатора.
А;
Из (1.5) получим:
Ом;
Находим активное сопротивление фазы трансформатора по формуле:
, (1.7)
где
- потери короткого замыкания, тогда:
Ом.
Тогда индуктивное сопротивление фазы трансформатора находим по
следующей формуле:
. (1.8)
Получаем:
Ом.
Найдем индуктивность фазы трансформатора:
мГн;
Найдем значение выпрямленной ЭДС на выходе преобразователя при
:
В;
Так как проектируется реверсивный преобразователь с совместным
управлением тиристорами, то имеет место протекание уравнительных токов, которые
должны быть ограничены уравнительными реакторами на уровне
Определим индуктивность уравнительного реактора:
,
где
- пульсность схемы выпрямителя,
;
Гн;
Выбираем из [1] реактора типа ФРОС-8/0,5 индуктивностью
Гн на номинальный ток
А и потерями мощности при номинальном токе
Вт.
Определим активное сопротивление уравнительного реактора:
Ом;
2. Расчет и построение механических и электромеханических
характеристик АЭП
Так как для реверсивного э/привода с совместным управлением
отсутствует режим прерывистого тока ,то характеристики линейны во всем
диапазоне регулирования тока или момента при согласованном управлении
комплектами вентилей.
Для расчета электромеханических характеристик для направления
движения «вперед» и «назад» воспользуемся следующими выражениями:
;
;
где
- активное сопротивление якорной цепи,
Ом;
Электромеханическую характеристику строим для номинальной угловой
скорости электропривода
и для пониженной скорости
, для которых первоначально найдем углы
открывания вентилей
и
:
;
,
где
- постоянная конструктивная двигателя;
;
- сопротивление якорной цепи:
Ом,
где
- активное сопротивление уравнительного
реактора;
- коммутационное сопротивление, обусловленное углом перекрытия
анодов;
- индуктивное сопротивление трансформатора ,
;
.
рад/с;
Тогда

;
- значение выпрямленной ЭДС при
;
Определим угол
который обеспечит номинальное напряжение на двигателе а
следовательно и номинальную скорость двигателя:
;
;
Угол
, обеспечивающий работу ЭД на
искусственной характеристике, соответствующей минимальному значению скорости
призаданом диапазоне регулирования D=10 определим из выражения:
;
;
Электромеханические характеристики для направления движения
«вперед» строим по 2 точкам: при
и
;
Скорость идеального холостого хода электродвигателя при
номинальном напряжении:
;
Скорость идеального холостого хода:
;
Для верхней границы диапазона регулирования:
рад/с;
Для нижней границы диапазона регулирования:
рад/с;
Установившаяся скорость:
;
Для верхней границы диапазона регулирования:
рад/с;
Для нижней границы диапазона регулирования:
рад/с;
Аналогично рассчитываем значения скорости для направления «назад».
Рисунок 2.1 - Электромеханические характеристики реверсивного ЭП.
Механической характеристикой называется зависимость среднего
значения скорости от среднего значения электромагнитного момента двигателя, при
постоянном угле
.
Выражение механических характеристик для направления движения
«вперед» и «назад» имеют вид:
;
;
М - момент на валу двигателя ЭД, Нм;
Нм;
Механические характеристики для направления движения «вперед»
строим по 2 точкам: при
и
;
Скорость идеального холостого хода для верхней и нижней
границы диапазона регулирования соответственно равны:
рад/с,
рад/с;
Установившаяся скорость:
;
Для верхней границы диапазона регулирования:
рад/с;
Для нижней границы диапазона регулирования:
рад/с;
Аналогично рассчитываем значения скорости для направления «назад».
Рисунок 2.2 - Механические характеристики реверсивного ЭП.
электропривод силовая цепь элемент
3. Расчет и построение характеристик управления системы управления
вентилями, вентильного комплекта, управляемого преобразователя энергии
.1 Расчет и построение характеристик управления
системы управления вентилями
Характеристика управления представляет собой зависимость угла
открывания тиристоров от напряжения управления
.
Характеристика управления СИФУ описывается уравнением:
И строится согласно выражению:
,
где
- напряжение смещения.
Задано, что опорное напряжение положительное пилообразное
.
- начальный угол открывания тиристоров, соответствующий
. Для 3-фазнай мостовой схемы при работе в
режиме непрерывного тока принимаем:
.
Углы открывания ограничиваются предельными углами открывания. Для
трёхфазной мостовой схемы
и
.
Напряжение управления:
;
;
Тогда характеристика управления будет иметь вид:
где
- напряжение управления;
Расчет идеальной характеристики СИФУ приведен в таблице:
Таблица 3.1
|
Uу,В
|
-6
|
-4,2
|
-4
|
-2,5
|
-2
|
-1
|
0
|
1
|
2
|
2,5
|
4
|
4,2
|
6
|
«В»
|
|
αгр
|
165,6
|
165,6
|
162
|
135
|
126
|
108
|
90
|
72
|
54
|
45
|
18
|
14,4
|
14,4
|
|
|
Uу,В
|
-6
|
-4,2
|
-4
|
-2,5
|
-2
|
-1
|
0
|
1
|
2
|
2,5
|
4
|
4,2
|
6
|
«Н»
|
|
αгр
|
14,4
|
14,4
|
18
|
45
|
54
|
72
|
90
|
108
|
126
|
135
|
162
|
165,6
|
165,6
|
|
Рис.3.1-Характеристика управления системы
управления вентилями
;
.2 Расчет и построение характеристик управления
вентильного комплекта
Данная характеристика выражает зависимость среднего
выпрямленного значения ЭДС от угла открывания тиристоров
.
Значение средней выпрямленной ЭДС можно определить как:
, где
- среднее значение выпрямленной ЭДС.
Таблица 3.2
|
αгр
|
5
|
15
|
30
|
45
|
60
|
75
|
90
|
105
|
120
|
135
|
150
|
165
|
180
|
«В»
|
|
E, В
|
287
|
287
|
257
|
210
|
148
|
77
|
0
|
-76
|
-148
|
-209
|
-257
|
-286
|
-286
|
|
|
αгр
|
5
|
15
|
30
|
45
|
60
|
75
|
90
|
105
|
120
|
135
|
150
|
165
|
180
|
«Н»
|
|
E, В
|
-287
|
-287
|
-257
|
-148
|
-77
|
0
|
76
|
148
|
209
|
257
|
286
|
286
|
|
Рис.3.2 - Характеристика управления вентильного комплекта
;
.3 Расчет и построение характеристик управления
преобразователя
Данная характеристика выражает зависимость выпрямленного ЭДС от
напряжения управления
;
Выразим данную характеристику:
Таблица 3.3
|
Uу,В
|
-6
|
-4,2
|
-4
|
-2,5
|
-2
|
-1
|
0
|
1
|
2
|
2,5
|
4
|
4,2
|
6
|
«В»
|
|
αгр
|
-287
|
-287
|
-282
|
-209
|
-174
|
-91
|
0
|
92
|
174
|
210
|
282
|
287
|
287
|
|
|
Uу,В
|
-6
|
-4,2
|
-4
|
-2,5
|
-2
|
-1
|
0
|
1
|
2
|
2,5
|
4
|
4,2
|
6
|
«Н»
|
|
αгр
|
287
|
287
|
282
|
210
|
174
|
92
|
0
|
-91
|
-174
|
-209
|
-282
|
-287
|
-287
|
|
Рис. 3.3 - Характеристика управления выпрямителя
;
4. Имитационное моделирование и исследование в установившихся
режимах системы электропривода
Для разработки имитационной модели воспользуемся библиотеками
“SimPowerSystems” и “Simulink” программного продукта MatLab 6.5.
Для вентильного комплекта «вперед» составим имитационную
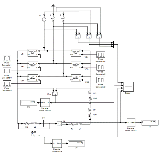
модель системы ЭП «Трехфазный мостовой управляемый выпрямитель - Двигатель».
Рисунок 4.1 - имитационную модель системы ЭП «Трехфазный
мостовой управляемый выпрямитель - Двигатель».
Двигатель моделируем в виде последовательным соединением
активного и индуктивного сопротивления и источника постоянного напряжения,
который заменяет противоЭДС. В результате моделирования получаем действующие
значения напряжения на якоре и тока якоря.
На модели введены обозначения:tr - активное
сопротивление фазы трансформатора;tr - индуктивность фазы
трансформатора;r, Lr - активное сопротивление и
индуктивность уравнительного реактора;d, Ld - активное
сопротивление и индуктивность цепи якоря двигателя;d - противоЭДС
двигателя;
Для номинальной скорости ЭД противоЭДС вычисляется по
следующей формуле:
В;
Для скорости двигателя соответствующей нижней границе диапазона
регулирования противоЭДСравно:
В;
Ниже, на рисунках 4.2 представлены формы выпрямленного напряжения
на двигателе и тока двигателя для верхней границы диапазона регулирования. На
рисунках 4.3 представлены формы выпрямленного напряжения на двигателе и тока
двигателя для нижней границы диапазона регулирования.
Рисунок 4.2 - U(t) и i(t) для верхней границы диапазона
регулирования.
Рисунок 4.3 - U(t) и i(t) для нижней границы диапазона
регулирования.
5. Расчет зависимости
при изменении напряжения управления по заданному закону
Задан закон изменения Uу:
.
Таблица 5.1 - Зависимости Еп=f(t) при изменении Uп=f(t) по
заданному закону.
|
t, c
|
0
|
0,1
|
0,2
|
0,3
|
0,4
|
0,5
|
0,6
|
0,7
|
0,8
|
0,9
|
1
|
|
|
Uу, В
|
0,5
|
1,45
|
2,4
|
3,35
|
4,3
|
5,25
|
6,2
|
7,15
|
8,1
|
9,05
|
10
|
|
|
Еп, В
|
46,70
|
130,9
|
203,5
|
258,1
|
290
|
296,2
|
276,3
|
232,0
|
167,1
|
87,57
|
0,236
|
|
|
Еп, В
|
-46,23
|
-130,4
|
-203,1
|
-257,9
|
-289,9
|
-296,3
|
-276,5
|
-232,3
|
-167,5
|
-88,02
|
-0,71
|
|
Рисунок 5.1 - Зависимость Uу=f(t) по заданному
закону.
Рисунок 5.2 - Зависимость Еп=f(t) при изменении Uу=f(t)
по заданному закону.
6. Расчет и выбор датчиков координат АЭП, проектирование их
принципиальных схем и схем подключения к АЭП
.1 Проектирование принципиальной схемы датчика тока
В качестве датчика тока для АЭП в данной работе применим
трансформатор тока. Датчики построенные по этому типу обеспечивают
гальваническую развязку.
Принципиальная электрическая схема датчика тока на основе ТТ
представлена на рисунке 6.1. Схема содержит три трансформатора тока,
нагрузочные сопротивления, трехфазный мостовой выпрямитель.
Рисунок 6.1 - Принципиальная схема трансформаторного датчика
тока.
Выбор ТТ произведем по первичному току:
,
где
- действующее значение номинального тока
ТТ,
- номинальное действующее значение тока якоря.
.
Тогда:
Из [4] выбираем ТТ типа ТЛ-0,66-I - для передачи сигнала
измерительной информации измерительным приборам, устройствам защиты и
управления.
Трансформатор ТТ типа ТЛ-0,66-I имеет параметры:
Таблица 6.1-Параметры трансформатора тока типа ТЛ-0,66-I.
|
Номинальное
напряжение, кВ
|
0,66
|
|
|
Номинальный
первичный ток, А
|
50
|
|
|
Номинальный
вторичный ток, А
|
5
|
|
|
Номинальная
вторичная нагрузка с коэффициентом мощности cosφ2=0,8, ВÌА
|
10
|
|
|
Класс точности
|
|
0,5
|
Определим величины нагрузочных сопротивлений
.
Ом.
Из стандартного ряда сопротивлений Е24 принимаем
Ом.
Из [5] выбираем резисторы типа С5-16В-8 Вт-0,43 Ом
%.
Определим коэффициент трансформации трансформатора тока:
.
Определим коэффициент передачи датчика тока:
,
где
- коэффициент передачи по току силового
выпрямителя,
- коэффициент передачи измерительного выпрямителя.
.
Напряжение на выходе измерительного преобразователя:
В.
Принимаем сопротивление нагрузочного резистора
.
Из [5] выбираем резистор типа МЛТ -0,125 Вт-1 кОм
.
По диодному мосту будет протекать ток:
А.
А.
Максимальное обратное напряжение на диодах не должно превышать:
Выбираем диоды VD1-VD6 из [6] Д104 с
Рассчитаем и построим характеристику управления датчика тока:
Таблица 6.2арактеристика управления датчика тока
|
Uдт,
В
|
5
|
0
|
5
|
|
I,А
|
-76,2
|
0
|
76,2
|
Рисунок 6.2 - Характеристика управления датчика тока.
Выберем элементы схемы переключателя характеристик:
Рисунок 6.3 - принципиальная схема переключателя характеристик.
Примем R1=10 кОм. Для того чтобы коэффициент усиления был равен 1
при различных направлениях тока якоря, должно быть выполнено
равенство:=R2=R3=10 кОм. Выбираем из [5] резисторы С2-33Н-0,125-10кОм±5%.
В качестве управляемого ключа применим полярный n-канальный
транзистор типа 2П302А [7].
Параметры транзистора 2П302А:
сопротивление сток-исток для полностью открытого ПТ при малых
напряжениях сток-исток : Rвкл=150 Ом.
напряжение затвор-исток: UЗИ=10 В.
пороговое напряжение: UПmin=0,5 В.
Пmax=4
В.
В качестве операционного усилителя выбираем из [8] микросхему
К140УД11 (быстродействующий ОУ). Параметры микросхемы:
|
Напряжение
питания
|
(5...18) В
|
|
Входной ток
|
не более 500 нА
|
|
Ток потребления
при Uп= 15 Вне более 10 мА
|
|
|
Коэффициент
усиления напряжения
|
не менее 25000
|
|
Скорость
нарастания выходного напряжения
|
(20...50) В/мкс
|
Рисунок 6.4 - схема операционного усилителя К140УД11.
Цоколевка корпуса:
- вход инвертирующий; 3-вход неинвертирующий; 4,7-питание;
, 5, - коррекция; 8 - балансировка; 6 - выход.
6.2 Проектирование датчика скорости
Двигатель типа 2ПБ200L выполнен с тахогенератором типа ТС1.
Тахогенератор имеет закрытое встроенное исполнение (якорь генератора жестко
закреплен на валу якоря ДПТ). Возбуждение тахогенератора - от постоянных
магнитов. Тахогенератор имеет следующие параметры:
номинальная нагрузка не менее Rн=2 кОм;
крутизна характеристики kтг=0,033 В/(об/мин);
-Максимальное напряжение на выходе
.
Рисунок 6.3 - Схема датчика скорости.
7. Расчет параметров регуляторов тока и скорости,
проектирование их принципиальных схем и схем подключения к АЭП
.1 Расчет регулятора тока
В качестве регулятора тока используем ПИ-регулятор.
Передаточная функция ПИ-регулятора:
Для компенсации электромагнитной постоянной времени необходимо
выполнение соотношения:
- постоянная времени регулятора тока.
- постоянная времени интегратора.
от
- коэффициент передачи обратной связи по току;
В/А,
где
- для двигателя типа 2ПБ в режиме
перегрузки по току в течение 10с.
βп - коэффициент усиления преобразователя;
Для систем с пилообразным опорным напряжением βп=βmax:
.
Тm - некомпенсируемая постоянная времени;
,
где
- постоянная времени фильтров,
- постоянная времени преобразователя.
Принимаем:
;
с,
где
- период сетевого напряжения,=6 -
пульсность схемы.

c.
Рисунок 7.1 - Схема регулятора тока.
Передаточные функции:
;
;
;
.
принимаем из диапазона 0,1-2,2 мкФ.
=2,0 мкФ.
кОм;
Принимаем из стандартного ряда Е24
кОм.
кОм;
Принимаем из стандартного ряда Е24
кОм.

В.

кОм.
Принимаем из стандартного ряда
кОм.
Таким образом выбираем из [3] и [5] конденсатор и резисторы
для регулятора тока:
СОТ: K53-1А-32В-2мкФ±10%,ОТ:
С2-33Н-0,125-39кОм±5%,ЗТ: С2-33Н-0,125-75кОм±5%,ДТ:
С2-33Н-0,125-200кОм±5%.
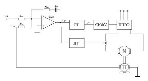
Рисунок 7.2 - Схема подключения регулятора тока к АЭП.
.2 Расчет регулятора скорости
Передаточная функция регулятора скорости:
;
Постоянная времени интегратора:
bс - статическая жесткость;
.
- коэффициент передачи обратной связи по скорости:
.
Постоянная времени регулятора скорости:
Трс = 8×Тm = 8×
=0,05с;
с;
с.
Рисунок 7.3 - Схема регулятора скорости.
Передаточные функции:
;
;
;
.
принимаем из диапазона 0,1-2,2 мкФ.
=2,0 мкФ.
кОм;
Принимаем из стандартного ряда сопротивлений Е24
кОм.
кОм;
Принимаем из стандартного ряда
кОм.

;
В.

кОм.
Принимаем из стандартного ряда
кОм.
Таким образом выбираем из [3] и [5] конденсатор и резисторы
для регулятора тока:
СОС: K53-1А-32В-2мкФ±10%,ОС:
С2-33Н-0,125-25кОм±5%,ЗС: С2-33Н-0,125-2,7кОм±5%,ДС:
С2-33Н-0,125-2,2кОм±5%.
Рисунок 7.4 - Схема подключения регулятора скорости к АЭП.
Таблица 7.1 - Перечень элементов, используемых в
принципиальной схеме АЭП.
|
Позиционное
обозначение
|
Наименование
|
Кол.
|
Примечание
|
|
|
|
|
|
Тахогенератор
|
|
|
|
|
|
|
|
ТГ
|
ТС-1
|
1
|
Встроен в
двигатель
|
|
|
|
|
|
Реакторы
|
|
|
|
|
|
|
|
L1, L2
|
ФРОС-8/0,5
|
2
|
|
|
|
|
|
|
Электродвигатель
|
|
|
|
|
|
|
|
М
|
2ПБ200L
|
1
|
|
|
|
|
|
|
Резисторы
|
|
|
|
|
|
|
|
R1
|
С2-33Н-0,125-2,7кОм±5%
|
1
|
|
|
R2
|
С2-33Н-0,125-2,2кОм±5%.
|
1
|
|
|
R3
|
С2-33Н-0,125-25кОм±5%
|
1
|
|
|
R4
|
С2-33Н-0,125-75кОм±5%
|
1
|
|
|
R5
|
С2-33Н-0,125-200кОм±5%
|
1
|
|
|
R6
|
С2-33Н-0,125-39кОм±5%,
|
1
|
|
|
R7…R9
|
С5-16В-8
Вт-0,43Ом %.3
|
МЛТ -0,125 Вт-1
кОм 1
|
|
|
|
R11…R13
|
С2-33Н-0,125-10кОм±5%
|
|
|
|
|
|
|
|
Конденсаторы
|
|
|
|
|
|
|
|
С1, C2
|
K53-1А-32В-2мкФ±10%,
|
2
|
|
|
|
|
|
|
Трансформаторы
|
|
|
|
|
|
|
|
TV
|
ТС-25/0,5
|
1
|
Трансформатор напряжения
|
|
TA1…TA3
|
ТЛ-0,66-I
|
3
|
Трансформатор
тока
|
|
|
|
|
|
Тиристоры
|
|
|
|
|
|
|
|
VS1…VS12
|
Т 151-100
|
12
|
|
|
Диоды
|
|
|
|
|
|
|
|
VD1…VD6
|
Д104
|
6
|
|
|
|
|
|
|
Микросхемы
|
|
|
|
|
|
|
|
DA1…DA3
|
К140УД11
|
3
|
|
|
|
|
|
|
Транзисторы
|
|
|
|
|
|
|
|
VT1
|
2П302А
|
1
|
|
|
|
|
|
|
|
Список литературы
1.
МЕТОДИЧЕСКОЕ ПОСОБИЕ к курсовому проектированию по силовой преобразовательной
технике для студентов специальности 53 01 05 “Автоматизированные
электроприводы”: Г.И. Гульков, Н.М. Улащик - БНТУ, 2005. - 95с.
2.
Справочник по электрическим машинам под редакцией И.П. Копылова
.
Резисторы. Конденсаторы. Трансформаторы. Дроссели. Коммутационные устройства.
РЭА: Справочник/Н.Н. Акимов, Е.П. Ващуков, В.А. Прохоренко - М.: “Беларусь”,
1994.
.
http://www.kenergo.su/?m=825&page=7558
.
Резисторы: Справочник / В.В. Дубовский, Д.М. Иванов, Н.Я.Петрусевич и др.; Под
общ. ред. И.И.Четверткова и В.М.Терехова. - М.: Радио и связь, 1987. - 352 с.;
ил.
.
В.И. Галкин, А.Л. Булычев, В.А. Прохоренко: Полупроводниковые приборы Галкин. -
Издательство «Беларусь» 1987г.
.
П. Хоровиц, У. Хилл: Искусство схемотехники. 3-е издание, М. «МИР», 1986.
1. Интегральные
схемы. Справочник. Под редакцией Б.В. Тарабрина, 1983.