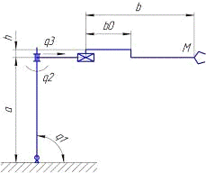
В рабочей зоне данного робота необходимо поместить
транспортер и обеспечить движение рабочего органа робота по заданной траектории
на этом транспортере:
Заданная траектория

0,6 рад/с, z0ст=0 м, y0ст=1.2, x0ст=0
В ходе работы необходимо решить обратную задачу кинематического
анализа, задачу позиционирования, произвести кинетостатический расчет механизма
и проверить его результаты, а также выбрать двигатель и оценить динамические
ошибки схвата по скорости.
робот траектория транспортер двигатель
2. Системы
отсчета
Свяжем со звеньями локальные прямоугольные системы координат.
Для вращательных пар: ось zнаправим вдоль оси
вращения, так, чтобы глядя с ее вершины, видеть вращение против часовой
стрелки.
Для поступательной пары: ось х направим вдоль линии движения
в сторону увеличения координаты.
3.
Матрицы перехода
Если известны координаты точки в s-й системе координат, то для перехода к (s-1) - й системе координат воспользуемся матрицами перехода. Введем
вектор положения:
. Тогда
Матрицы перехода будем искать как произведение матрицы перехода из
(s-1) в s* и
матрицы перехода из s* в s, где s* - s-я система координат в начальном положении при qS=0




4. Обратная
задача кинематического анализа
При решении обратной задачи кинематического анализа по
известным координатам хМ(t), уМ(t), zM(t) необходимо определить
законы q1(t),
q2(t), q3(t).
На участке ВС работы с транспортером (время изменяется от t3 = 3cдо t4 = 4.257c) решаем траекторную
задачу.
Траектория описывается следующими уравнениями:.
Для нахождения q1(t), q2(t), q3(t) определим вектор положения
Вектор положения полюса М в 3-ей системе:
Тогда
определится следующим образом:
В тоже время
Приравнивая выражения, выразим q1, q2, q3 через 
Она не имеет однозначного решения. Из всего множества решений
системы, выбираем удовлетворяющие условиям, накладываемым на робота.


5. Решение
задачи позиционирования
На участке АВ необходимо за время t3 перевести полюс схвата М
из начального положения М0в положение M1, т.е. известно qiAB(0)=0, qiAB(t3)= qiBC(t3), dqiAB(0)=0, dqiAB(t3)= dqiBC(t3), где i=1,2,3.
Задан закон распределения ускорений на участке АВ:
t1=0.5 t2=2.5


Траектория полюса схвата М имеет следующий вид:
6. Нахождение
угловых скоростей и ускорений
Относительные угловые скорости звеньев:
Абсолютная угловая скорость s-го звена
После проекции на оси s-й системы координат получим следующее
выражение:
Абсолютное угловое ускорение s-го звена
Проецируя это векторное равенство на оси s-й системы координат,
получим следующее выражение:
.
7. Нахождение
скоростей и ускорений отдельных точек звеньев
Скорость произвольной точки К:
, где
- относительная скорость точки К:
Для полюсов подвижных систем эта формула перепишется следующим
образом:
После проекции на оси s-й системы координат получим следующее
выражение:
.
Ускорение произвольной точки К:
. Первые три слагаемых - переносное ускорение, четвертое слагаемое
- относительное ускорение, пятое - кориолисово ускорение точки К.
Для полюсов подвижных систем эта формула перепишется следующим
образом:
После проекции на оси s-й системы координат получим следующее
выражение:

8. Скорость
и ускорение полюса схвата М
Для скорости и ускорения полюса схвата М справедливы
следующие формулы:
9.
Кинетостатический расчет механизма
Зная закон движения схвата робота, определим движущие усилия,
что позволит нам в дальнейшем выбрать приводные двигатели и узнать параметры
движения.
Уравнения кинетостатики:
Силы инерции:
.
Момент сил инерции k-го звена
относительно точки О:
.
Тензор инерции:
Выберем параметры звеньев робота (необходимо, чтобы выполнялось
условие m1>m2>m3):


Силовой расчет начнем с третьего звена.
звено:

звено:
10. Выбор
двигателя
Мгновенная мощность:
Необходимо выбрать двигатель с
Этому условию удовлетворяет двигатель постоянного тока серии
ДК1-1,7 МДН =1,7 Нм, Рном=170 кВт,
Осуществим проверку:
11. Определение
динамических ошибок
При программном движении
Уравнение динамической характеристики двигателя выглядит следующим
образом:
.
Для простоты реализации полагают, что двигатель обладает идеальной
характеристикой, т.е.
Из-за этого возникают динамические ошибки.
Управление
, где
Найдем возникающую динамическую ошибку, подставив выражение для
управления в уравнение динамической характеристики двигателя и представив
как сумму
и
.
Тогда
Максимальная динамическая ошибка 9.053% значит управление является
приемлемым.