Электроснабжение потребителей и режимы
Министерство
образования и науки Российской Федерации
Федеральное
государственное автономное образовательное учреждение высшего образования
«Национальный
исследовательский Томский
политехнический
Университет»
Институт
электронного обучения
Электроэнергетика
и электротехника
Курсовая
работа
«Электроснабжение
потребителей и режимы»
Томск
- 2017
Генплан вагоноремонтного завода
Таблица 1 - Сведения об электрических нагрузках
|
Наименование
цеха
|
Число
смен
|
Установленная
мощность, кВт
|
|
|
Номер
варианта задания
|
|
|
1
|
2
|
3
|
4
|
5
|
6
|
7
|
8
|
9
|
0
|
|
Пилорама
|
1
|
40
|
40
|
40
|
60
|
40
|
80
|
40
|
80
|
80
|
60
|
|
Литейный
|
2
|
-
|
1000
|
1500
|
1200
|
1100
|
740
|
700
|
800
|
-
|
1400
|
|
Кузнечный
|
2
|
600
|
-
|
400
|
700
|
250
|
1100
|
300
|
500
|
1000
|
-
|
|
Склад
|
1
|
20
|
30
|
10
|
40
|
20
|
50
|
40
|
30
|
20
|
15
|
|
Подъемный
|
2
|
100
|
150
|
200
|
100
|
110
|
150
|
170
|
110
|
170
|
300
|
|
Колесный
|
2
|
1200
|
2700
|
2100
|
1500
|
1100
|
1300
|
2000
|
2100
|
2300
|
1100
|
|
Инструментальный
|
2
|
470
|
630
|
-
|
520
|
430
|
500
|
800
|
-
|
900
|
740
|
|
Покрасочный
|
2
|
40
|
20
|
25
|
40
|
30
|
15
|
20
|
25
|
35
|
40
|
|
Деревообрабатывающий
|
2
|
330
|
410
|
520
|
-
|
670
|
450
|
-
|
370
|
200
|
240
|
|
Котельная
|
3
|
60
|
30
|
40
|
50
|
70
|
30
|
40
|
60
|
45
|
50
|
|
Компрессорный
6 кВ (СД) 0,38 кВ
|
2
|
300
25
|
270
30
|
400
60
|
450
35
|
410
55
|
280
25
|
320
30
|
330
40
|
600
40
|
700
50
|
|
Сварочный
ПВ=25%
|
2
|
150
|
120
|
170
|
240
|
170
|
150
|
230
|
250
|
400
|
270
|
|
Механический
|
2
|
620
|
770
|
810
|
640
|
-
|
-
|
500
|
400
|
360
|
710
|
|
Заготовительный
|
1
|
100
|
110
|
120
|
175
|
170
|
180
|
150
|
110
|
200
|
160
|
План кузнечного цеха
Таблица 2 - Сведения об электрических нагрузках
|
Номер
на плане
|
Наименование
электроприемника
|
Установленная
мощность ЭП, кВт
|
|
|
Номер
варианта
|
|
|
1
|
2
|
3
|
4
|
5
|
6
|
7
|
8
|
9
|
0
|
|
|
1,2,6,30
|
Кран-балка
ПВ=40%
|
40
|
30
|
50
|
24
|
15
|
20
|
34
|
28
|
40
|
20
|
|
|
18
|
Пресс
|
60
|
50
|
40
|
40
|
50
|
60
|
32
|
50
|
70
|
40
|
|
|
3-5
|
Фрезерный
станок
|
8
|
12
|
6
|
7
|
10
|
9
|
14
|
8
|
16
|
7
|
|
|
7,10
|
Трубогибочный
станок
|
10
|
10
|
20
|
20
|
30
|
15
|
18
|
12
|
10
|
14
|
|
|
9,26
|
Шлифовальный
станок
|
6
|
8
|
7
|
6
|
14
|
12
|
8
|
10
|
12
|
8
|
|
|
8,11,12,
13,14,24
|
Сварочный
трансформатор ПВ=25%
|
20
|
20
|
20
|
40
|
40
|
50
|
50
|
50
|
40
|
40
|
|
|
31
|
Вентилятор
|
12
|
8
|
10
|
4
|
2
|
6
|
4
|
8
|
10
|
7
|
|
|
15,27
|
Сушильный
шкаф
|
40
|
24
|
12
|
12
|
8
|
16
|
14
|
20
|
15
|
8
|
|
|
16,17
|
Закалочная
печь
|
30
|
30
|
28
|
20
|
20
|
40
|
100
|
60
|
50
|
40
|
|
|
19-23,
25,34
|
Токарный
станок
|
18
|
12
|
6
|
10
|
6
|
17
|
9
|
14
|
15
|
6
|
|
|
37
|
Сверлильный
станок
|
4
|
6
|
5
|
8
|
11
|
7
|
4
|
10
|
15
|
4
|
|
|
28,29
|
Электрованна
|
26
|
28
|
14
|
40
|
60
|
40
|
50
|
20
|
30
|
|
|
32,36
|
Электромолот
|
22
|
12
|
44
|
60
|
40
|
70
|
30
|
34
|
19
|
25
|
|
|
38
|
Поворотный
кран
|
6
|
8
|
7
|
9
|
5
|
8
|
7
|
10
|
6
|
5
|
|
|
33,40
|
Вентилятор
горна
|
10
|
14
|
12
|
12
|
14
|
19
|
20
|
10
|
20
|
15
|
|
|
35
|
Обдирочный
станок
|
24
|
14
|
8
|
12
|
14
|
16
|
10
|
13
|
17
|
21
|
|
|
39
|
Нагревательная
плита
|
14
|
20
|
8
|
15
|
15
|
8
|
6
|
13
|
8
|
10
|
|
Оглавление
Введение
.
Определение расчётной нагрузки кузнечного цеха вагоноремонтного завода
.
Определение расчётной нагрузки предприятия в целом
.
Картограмма и определение центра электрических нагрузок
.
Выбор числа и мощности трансформаторов цеховых подстанций
.
Схема внешнего электроснабжения
.
Схема внутризаводской сети 6 кВ
.
Расчёт токов короткого замыкания в сети выше 1000 В
.
Электроснабжение кузнечного цеха
.1
Распределение приёмников по пунктам питания
.2
Выбор сечений питающей сети по длительно допустимой токовой нагрузке из условия
нагрева и проверка их по потере напряжения, выбор силовой распределительной
сети и аппаратов защиты и управления цеха
.3
Расчёт токов короткого замыкания для участка цеховой сети от ТП до наиболее
мощного электроприёмника цеха
.4
Построение карты селективности действия аппаратов защиты для участка цеховой
сети 0,4 кВ от вводного автомата на подстанции до электроприёмника
Заключение
Список
литературы
кузнечный вагоноремонтный
трансформатор электрический
Введение
Темой по дисциплине “Электроснабжение
потребителей и режимы” является расчет электроснабжения кузнечного цеха
вагоноремонтного завода.
В данной работе преследуется несколько целей:
во-первых, рассматривается определение расчетных
нагрузок, как рассматриваемого цеха, так и предприятия в целом.
Для цеха расчет проводится по методу
упорядоченных диаграмм. Для чего электроприемники разбиваются на две группы:
первая группа - это приемники с переменным графиком нагрузки коэффициент
использования которых меньше 0,6; вторая группа - это приемники с практически
постоянным графиком нагрузки коэффициент использования, которых больше 0,6.
Определения расчетной нагрузки предприятия в
целом производится по расчетным активным и реактивным нагрузкам цехов с учетом
расчетной нагрузки освещения цехов и территории предприятия, потерь мощности в
трансформаторах п/ст , ГПП и линиях. Расчет производится отдельно для
высоковольтных и низковольтных нагрузок.
во-вторых, рассчитывается и чертится картограмма
нагрузок завода и по расчетам определяется центр электрических нагрузок.
Картограмма чертится на генплане завода в виде окружностей с секторами и
заштрихованных окружностей. Сектора отображают осветительную нагрузку,
заштрихованные же окружности представляют высоковольтную нагрузку.
в-третьих, рассчитывается схема внутризаводского
электроснабжения. Для этого выбирается число и мощности цеховых
трансформаторных подстанций и проводники, для их соединения и питания. Данный
расчет производится с использованием плотности нагрузки. Чертится схема питания
цехов завода по производству запасных деталей к тракторам с распределенными по
цехам трансформаторами.
в-четвертых, рассчитывается схема внешнего
электроснабжения. В данный расчет входит выбор напряжения сети, сечения
проводов, выбор мощности трансформаторов ГПП. Все это проводится с учетом
надежности электроснабжения питающегося предприятия.
в-пятых, рассчитываются токи короткого замыкания
в сети выше1000В для проверки правильности выбора сечений проводников и токи
короткого замыкания в сети ниже 1000В для построения карты селективности
действия защитных аппаратов, с помощью которой в свою очередь можно проверить
правильность выбора защитных аппаратов и селективность их действия.
Далее производится расчет электроснабжения
кузнечного цеха, который включает в себя: распределение приемников по пунктам
питания; определение расчетных нагрузок по пунктам питания; выбор сечений
питающей сети по длительно допустимой токовой нагрузке и проверка их по потере
напряжения; выбор силовой распределительной сети и аппаратов защиты; построение
эпюр отклонения напряжения от ГПП до наиболее удаленного ЭП.
1. Определение расчётной нагрузки кузнечного
цеха вагоноремонтного завода
Таблица 3 - Характеристика среды
производственных помещений
|
№
п/п
|
Наименование
цехов
|
Характеристика
производственных помещений
|
|
1.
|
Пилорама
|
Пыльная
|
|
2.
|
Литейный
|
Жаркая
,пыльная
|
|
3.
|
Кузнечный
|
Жаркая
,пыльная
|
|
4.
|
Склад
|
Нормальная
|
|
5.
|
Подьёмочный
|
Нормальная
|
|
6.
|
Колёсный
|
Нормальная
|
|
7.
|
Инструментальный
|
Нормальная
|
|
8.
|
Покрасочный
|
Нормальная
|
|
9.
|
Деревообрабатывающий
|
Пыльная
|
|
10.
|
Котельная
|
Жаркая
,пыльная
|
|
11.
|
Компрессорный
6 кВ
|
Нормальная
|
|
12.
|
Сварочный
ПВ=25%
|
Пыльная
|
|
13.
|
Механический
|
Нормальная
|
|
14.
|
Заготовительный
|
Нормальная
|
Таблица 4 - Категорийность электроприёмников по
цехам
|
№п/п
|
Наименование
цехов
|
Категории
ЭП по степени бесперебойности питания
|
|
1.
|
Пилорама
|
III
|
|
2.
|
Литейный
|
II
|
|
3.
|
Кузнечный
|
II
|
|
4.
|
Склад
|
III
|
|
5.
|
Подьёмочный
|
III
|
|
6.
|
Колёсный
|
II
|
|
7.
|
Инструментальный
|
II
|
|
8.
|
Покрасочный
|
III
|
|
9.
|
Деревообрабатывающий
|
III
|
|
10.
|
Котельная
|
II
|
|
11.
|
Компрессорный
6 кВ
|
II
|
|
12.
|
Сварочный
ПВ=25%
|
II
|
|
13.
|
Механический
|
III
|
|
14.
|
Заготовительный
|
III
|
Все электроприёмники разделим на две группы:
Группа А - ЭП с переменным графиком нагрузки Ки
< 0,6
Группа Б - ЭП с постоянным графиком нагрузки Ки ≥
0,6
Таблица 5 - Справочные данные для ЭП кузнечного
цеха
|
Наименование
ЭП
|
Ки
|
cosφ
|
|
Станки
разные
|
0,14
|
0,5
|
|
Кран-балки,
краны
|
0,06
|
0,6
|
|
Сварочный
трансформатор
|
0,3
|
0,35
|
|
Электромолот
|
0,3
|
0,6
|
|
Пресс
|
0,25
|
0,65
|
|
Электрованна
|
0,55
|
0,95
|
|
Вентиляторы
|
0,65
|
0,8
|
|
Сушильный
шкаф
|
0,75
|
1,0
|
|
Закалочная
печь
|
0,6
|
0,95
|
|
Нагревательная
плита
|
0,6
|
0,7
|
* Данные таблицы были приняты согласно
справочной литературе [1, стр.119-121]
Определение установленной мощности, приведенной
к ПВ=100%:
Трансформатор сварочный Рном=Рп·
=20
·
=
10 (кВт)
Кран-балка Рном=Рп·
=30
·
=
19 (кВт)
Определение
по
группе А:
Определение эффективного числа электроприёмников
:
т.к. m>3 и
>0,2
то
Определение осветительной нагрузки:
Рр.о.=Кс.о.·Рн.о.; где
Рн.о.=Руд.о.·Fц; Руд.о.=15 (ВТ/м²);
Ксо=0,85.
ц=91·49=4459 (м²);
Рн.о.=15·4459 = 66,89 (кВт);
Рр.о.=0,85·66,89 = 56,86 (кВт).
Определение расчётной нагрузки:
(кВА).
Определение расчётного тока:
Расчётный ток
(А)
Расчёты систематизируем в виде таблицы №6,
представленной ниже.
Таблица 6 - Определение расчётных нагрузок
кузнечного цеха
|
№
п/п
|
Наименование
узлов питания и групп электроприемников
|
Количество
ЭП n
|
Установленная
мощность, приведенная к ПВ=100 %
|
m
= Рн.макс / Рн.мин
|
Коэффициент
использования Ки
|
cosφ
/ tgφ
|
Средняя
нагрузка за максимально загруженную смену
|
Эффективное
число электроприемников nэ
|
Коэффициент
максимума Км
|
Максимальная
нагрузка
|
Расчетные
токи Iм / Iп
|
|
|
|
|
|
|
|
|
|
|
Рм
= КмРсм, кВт
|
Qм=Qсм
при nэ>10, Qм=1,1Qсм при nэ£10, кВАр
|
Sм
= Р м 2 + Q м 2, кВА
|
|
|
|
|
одного
ЭП (наименьшего, наибольшего) рн, кВт
|
общая
Рн, кВт
|
|
|
|
Рсм
= Ки.Рм, кВт
|
Qсм
= Рсм.tgφсм, кВАр
|
|
|
|
|
|
|
|
Приемники
группы А
|
|
|
|
|
|
|
|
|
|
|
|
|
|
|
|
1
|
Станки
разные
|
16
|
6-12
|
226
|
|
0,14
|
0,5/1,73
|
31,64
|
54,74
|
|
|
|
|
|
|
|
2
|
Кран-балки,
краны
|
5
|
8-19
|
84
|
|
0,06
|
0,6/1,33
|
5,04
|
6,7
|
|
|
|
|
|
|
|
3
|
Пресс
|
1
|
50
|
50
|
|
0,25
|
0,65/1,17
|
12,5
|
14,63
|
|
|
|
|
|
|
|
4
|
Электромолот
|
2
|
12
|
24
|
|
0,3
|
0,6/1,33
|
7,2
|
9,58
|
|
|
|
|
|
|
|
5
|
Электрованна
|
2
|
28
|
56
|
|
0,55
|
0,95/0,33
|
30,8
|
10,16
|
|
|
|
|
|
|
|
6
|
Сварочный
трансформатор
|
6
|
10
|
60
|
|
0,3
|
0,35/2,67
|
18
|
48,06
|
|
|
|
|
|
|
|
Итого
по группе А:
|
32
|
6-50
|
500
|
>3
|
0,2
|
-
|
105,2
|
143,9
|
20
|
1,50
|
157,8
|
143,9
|
|
|
|
Приемники
группы Б
|
|
|
|
|
|
|
|
|
|
|
|
|
|
|
|
7
|
Вентиляторы
|
3
|
8-14
|
36
|
|
0,65
|
0,8/0,75
|
23,4
|
17,55
|
|
|
|
|
|
|
|
8
|
Сушильный
шкаф
|
2
|
24
|
48
|
|
0,75
|
1,0/0
|
36
|
0
|
|
|
|
|
|
|
|
9
|
Закалочная
печь
|
2
|
60
|
|
0,6
|
0,95/0,33
|
36
|
11,88
|
|
|
|
|
|
|
|
10
|
Нагревательная
плита
|
1
|
20
|
20
|
|
0,6
|
0,7/1,0
|
12
|
12
|
|
|
|
|
|
|
|
Итого
по группе Б:
|
8
|
8-30
|
164
|
-
|
-
|
-
|
107,4
|
41,43
|
-
|
1
|
107,4
|
41,43
|
|
|
|
Итого
силовая нагрузка по цеху (гр. А и Б)
|
40
|
6-50
|
664
|
-
|
-
|
-
|
212,6
|
185,3
|
-
|
-
|
265,2
|
185,3
|
|
|
|
Электрическое
освещение
|
-
|
-
|
66,89
|
-
|
Кс=
=0,85
|
-
|
56,86
|
-
|
-
|
-
|
56,86
|
-
|
|
|
|
Итого
по цеху:
|
-
|
-
|
731
|
-
|
-
|
-
|
269,5
|
185,3
|
-
|
-
|
322,1
|
185,3
|
371,6
|
564,6
|
. Определение расчётной нагрузки предприятия в
целом
Расчётная полная мощность предприятия
определяется по расчётным активным и реактивным нагрузкам цехов (до и выше 1000
В) с учётом расчётной нагрузки освещения цехов и территории предприятия, потерь
мощности в трансформаторах цеховых подстанций и ГПП и потерь в высоковольтных
линиях.
Расчётная нагрузка (активная и реактивная )
силовых приёмников цехов определяются из выражений:
где
-
суммарная установленная мощность всех приёмников цеха;
- коэффициент
спроса, принимаемый по справочным данным;
- принимается по
соответствующему значению коэффициента мощности;
Приёмники напряжением выше 1000 В учитывается
отдельно. Расчётная активная и реактивная мощности групп приёмников выше 1000 В
определяются по выше приведённым формулам. Расчёты систематизируем в виде
таблицы №7, представленной ниже.
Так как трансформаторы цеховых подстанций и
кабели распределительной сети еще не выбраны, то приближенно потери мощности в
них можно определить из выражений:
где
-
расчётная мощность предприятия на шинах напряжением до 1000 В за максимально
загруженную смену.
Для удобства дальнейшего расчёта систематизируем
данные в виде таблицы.
Таблица 7 - Суммарные значения мощностей ЭП
|
Суммарное
Значение мощности
|
Электроприёмники
до 1000 В
|
Электроприёмники
выше 1000 В
|
|
,
кВт
|
3952,2
|
243
|
|
,
кВар
|
3692,6
|
243
|
|
,
кВт
|
705,1
|
─
|
(кВА)

Суммарные расчётные активная и реактивная
мощности, отнесённые к шинам 6 кВ ГПП, определяются из выражений:
(кВт)
(кВАр)
(кВА)
где
-
коэффициент разновременности максимумов нагрузки отдельных групп
электроприёмников, принимаемый 0,95 согласно [3,стр.32]
Таблица 8 - Определение полной нагрузки
предприятия в целом
|
№
на ген. плане
|
Наименование
потребителей
|
Силовая
нагрузка
|
Осветительная
нагрузка
|
Силовая
и осветительная нагрузка
|
|
|
Рн,
кВт
|
Кс
|
|
Рр,
кВт
|
Qр,
кВт
|
Fц,
м²
|
Руд.о,Вт
|
Рно,
кВт
|
Ксо
|
Рро,
кВт
|
Рр+Рро,
кВт
|
Qр,
кВАр
|
Sр,
кВА
|
|
Потребители
электроэнергии 0,38 кВ
|
|
1.
|
Пилорама
|
40
|
0,6
|
0,7/1,0
|
24
|
24
|
3981
|
15
|
59,7
|
0,95
|
56,7
|
80,7
|
24
|
84
|
|
2.
|
Литейный
|
1000
|
0,7
|
0,8/0,75
|
700
|
525
|
5329
|
15
|
79,9
|
0,95
|
75,9
|
775,9
|
525
|
937
|
|
3.
|
Кузнечный
|
664
|
-
|
-
|
265,2
|
185,3
|
4459
|
-
|
66,89
|
0,85
|
56,86
|
322,1
|
185,3
|
372
|
|
4.
|
Склад
|
30
|
0,4
|
0,6/1,33
|
12
|
16
|
3332
|
15
|
50
|
0,95
|
47,5
|
59,5
|
16
|
62
|
|
5.
|
Подъёмочный
|
150
|
0,6
|
0,7/1,0
|
90
|
90
|
4998
|
15
|
75
|
0,95
|
71,3
|
161,3
|
90
|
185
|
|
6.
|
Колёсный
|
2700
|
0,6
|
0,7/1,0
|
1620
|
1620
|
6248
|
15
|
93,7
|
0,95
|
89
|
1709
|
1620
|
2355
|
|
7.
|
Инструментальный
|
630
|
0,6
|
0,7/1,0
|
378
|
378
|
1715
|
15
|
25,7
|
0,95
|
24,4
|
402,4
|
378
|
552
|
|
8.
|
Покрасочный
|
20
|
0,7
|
0,8/0,75
|
14
|
10,5
|
2818
|
15
|
42,3
|
0,95
|
40,2
|
54,2
|
10,5
|
55
|
|
9.
|
Деревообрабатывающий
|
410
|
0,6
|
0,7/1,0
|
246
|
246
|
2205
|
15
|
33,1
|
0,95
|
31,4
|
277,4
|
246
|
371
|
|
10.
|
Котельная
|
30
|
0,7
|
0,8/0,75
|
21
|
15,75
|
1752
|
15
|
26,3
|
0,95
|
25
|
46
|
15,75
|
49
|
|
11.
|
Компрессорный
|
30
|
0,6
|
0,7/1,0
|
18
|
18
|
2576
|
15
|
38,6
|
0,95
|
36,7
|
54,7
|
18
|
58
|
|
12.
|
Сварочный
|
60
|
0,6
|
0,7/1,0
|
36
|
36
|
4459
|
15
|
66,9
|
0,95
|
63,6
|
99,6
|
36
|
106
|
|
13.
|
Механический
|
770
|
0,6
|
0,7/1,0
|
462
|
462
|
1764
|
15
|
26,5
|
0,95
|
25,2
|
487,2
|
462
|
671
|
|
14.
|
Заготовительный
|
110
|
0,6
|
0,7/1,0
|
66
|
66
|
1801
|
15
|
27
|
0,95
|
25,7
|
91,7
|
66
|
113
|
|
Территория
завода
|
─
|
─
|
─
|
─
|
─
|
161767
|
0,22
|
35,6
|
1,0
|
35,6
|
127
|
─
|
─
|
|
Итого
по 0,38 кВ
|
6644
|
─
|
3952,2
|
3692,6
|
47437
|
─
|
─
|
─
|
705,1
|
─
|
─
|
─
|
|
Потребители
электроэнергии 6 кВ
|
|
11.
|
Компрессорный
|
270
|
0,9
|
0,7/1,0
|
243
|
243
|
─
|
─
|
─
|
─
|
─
|
243
|
243
|
344
|
|
Итого
по 6 кВ
|
270
|
─
|
─
|
243
|
243
|
─
|
─
|
─
|
─
|
─
|
243
|
243
|
344
|
|
|
|
|
|
|
|
|
|
|
|
|
|
|
|
|
|
Потери мощности в трансформаторах ГПП определяются:
(кВт);
(кВАр).
Полная расчётная мощность предприятия со стороны
высшего напряжения трансформаторов ГПП определяется:
где
-
мощность компенсирующих устройств.
где
-
наибольшее значение реактивной мощности, передаваемой из сети энергосистемы в
сеть предприятия в режиме наибольших активных нагрузок энергосистемы:
Так как
<10000
(кВА), принимаем
для предприятий,
расположенных в Сибири и величине напряжения питающей линии 35 (кВ) согласно
[3, стр.35,41]
(кВАр);
(кВАр);
(кВА).
3. Картограмма и определение центра
электрических нагрузок
Картограмма нагрузок представляет собой
размещённые на генплане предприятия площади, ограниченные кругами, которые в
определённом масштабе соответствуют расчётным нагрузкам цехов.
Радиусы окружностей для каждого цеха
определяются из выражения:
где
-
расчётная площадь
го цеха с учётом
освещения, кВА;
- масштаб для
определения площади круга, кВА/мм² (постоянный
для всех цехов предприятия).
Силовые нагрузки до и выше 1000 В изображаются
отдельными кругами или секторами в круге. Считаем, что нагрузка по цеху
распределена равномерно, поэтому центр нагрузок совпадает с центром тяжести
фигуры, изображающей цех в плане.
Осветительная нагрузка наносится в виде сектора
круга, изображающего нагрузку до 1000 В. Угол сектора
определяется
из соотношения полных расчётных
и осветительных
нагрузок
цехов:
Расчёты систематизируем в виде таблицы №9,
представленной ниже.
На генплане завода произвольно наносятся оси
координат и определяются значения
и
для
каждого цеха. Координаты центра электрических нагрузок завода
и
определяются по формулам:
Таблица 9 - Расчётные данные для построения
картограммы нагрузок
|
№
цеха на генплане
|
,
кВА
|
,
кВт
|
,
мм
|
,
град
|
,
м
|
,
м
|
· ,
кВА·м
|
· ,
кВА·м
|
Примечания
|
|
Потребители
0,38 кВ
|
|
1.
|
84
|
56,7
|
5
|
243
|
80
|
315
|
6720
|
26460
|
m=1
кВА/мм²
|
|
2.
|
937
|
75,9
|
17
|
29
|
165
|
308
|
154605
|
288596
|
|
|
3.
|
372
|
56,86
|
11
|
55
|
252
|
298
|
93744
|
110856
|
(м)
|
|
4.
|
62
|
47,5
|
4
|
276
|
368
|
254
|
22816
|
15748
|
|
|
5.
|
185
|
71,3
|
8
|
139
|
385
|
200
|
71225
|
37000
|
|
|
6.
|
2355
|
89
|
27
|
14
|
413
|
147
|
972615
|
364185
|
|
|
7.
|
552
|
24,4
|
13
|
16
|
273
|
133
|
150696
|
73416
|
(м)
|
|
8.
|
55
|
40,2
|
4
|
263
|
63
|
140
|
3465
|
7700
|
|
|
9.
|
371
|
31,4
|
11
|
31
|
56
|
77
|
20776
|
28567
|
|
|
10.
|
49
|
25
|
4
|
184
|
221
|
49
|
10829
|
2401
|
|
|
11.
|
58
|
36,7
|
4
|
228
|
280
|
42
|
16240
|
2436
|
|
|
12.
|
106
|
63,6
|
6
|
216
|
378
|
77
|
40068
|
8162
|
|
|
13.
|
671
|
25,2
|
15
|
14
|
476
|
25
|
319396
|
16775
|
|
|
14.
|
113
|
25,7
|
6
|
82
|
70
|
21
|
7910
|
2373
|
|
|
Потребители
6 кВ
|
|
11.
|
344
|
─
|
10
|
─
|
294
|
42
|
101136
|
14448
|
─
|
|
Итого
|
6314
|
─
|
─
|
─
|
─
|
─
|
1992241
|
999123
|
─
|
* Так как расположить ГПП в центре электрических
нагрузок невозможно, смещаем его в сторону питания от системы.
Рис. 1. Генплан предприятия с картограммой
нагрузок
4. Выбор числа и мощности трансформаторов
цеховых подстанций
При установке на крупных промышленных
предприятиях группы цеховых трансформаторов их номинальная мощность
определяется плотностью нагрузки и выбирается, как правило, одинаковой для всей
группы. Удельная плотность нагрузки определяется по следующей формуле:
где
-
площадь всех цехов предприятия, м².
В зависимости от полученной плотности нагрузки,
наиболее предпочтителен вариант номинальной мощности цеховых трансформаторов
630 (кВА).
Минимальное возможное число трансформаторов
определяется по формуле:
где
-
коэффициент загрузки трансформаторов в нормальном режиме (принимаем 0,7
согласно [3,стр.41]).
- номинальная
расчётная активная мощность в сетях до 1000 В, кВт.
Полученное значение округляем до ближайшего
большего целого значения N=11 шт.
После выбора числа и мощности цеховых
трансформаторов распределяют активные нагрузки цехов между ними равномерно.
Активная нагрузка приходящаяся на один цеховой трансформатор может быть
определена по формуле:
(кВт).
Число трансформаторов
которое
следует установить в том или ином цехе, определяется делением нагрузки цеха
на
:
Для систематизации расчёта представим полученное
число трансформаторов, устанавливаемое в каждом цехе в виде таблицы №10,
представленную ниже.
Таблица 10 - Число трансформаторов в цехе
|
№
цеха на генплане
|
Наименование
цехов
|
,
кВт
|
Количество
трансформаторов шт
|
|
1.
|
Пилорама
|
80,7
|
0,19
|
|
2.
|
Литейный
|
775,9
|
1,83
|
|
3.
|
Кузнечный
|
322,1
|
0,76
|
|
4.
|
Склад
|
59,5
|
0,14
|
|
5.
|
Подъёмочный
|
161,3
|
0,38
|
|
6.
|
Колёсный
|
1709
|
4,03
|
|
7.
|
Инструментальный
|
402,4
|
0,95
|
|
8.
|
Покрасочный
|
54,2
|
0,13
|
|
9.
|
Деревообрабатывающий
|
277,4
|
0,65
|
|
10.
|
Котельная
|
46
|
0,11
|
|
11.
|
Компрессорная
|
54,7
|
0,13
|
|
12.
|
Сварочный
|
99,6
|
0,23
|
|
13.
|
Механический
|
487,2
|
1,15
|
|
14.
|
Заготовительный
|
91,7
|
0,22
|
Рис. 2. Схема питания цеховых подстанций и
высоковольтных электроприёмников. кабели 6 кВ прокладываются в траншеях
Таблица 11 - Распределение электрических
нагрузок по пунктам питания
|
№
п/п
|
Наименование
пункта питания
|
Потребители
электроэнергии
|
Месторасположение
пунктов питания на генплане
|
Примечания
|
|
1.
|
ТП-2
|
Цеха
№1,2
|
Цех
№2
|
|
|
2.
|
ТП-3
|
Цеха
№3,4
|
Цех
№3
|
|
|
3.
|
ТП-6
|
Цеха
№6
|
Цех
№6
|
|
|
3.
|
ТП-7
|
Цех
№7
|
Цех
№7
|
|
|
4.
|
ТП-9
|
Цеха
№8,9,14
|
Цех
№9
|
|
|
5.
|
ТП-13
|
Цеха
№5,10,11,12,13
|
Цех
№13
|
|
|
6.
|
РУ-11
|
Цех
№11
|
Цех
№11
|
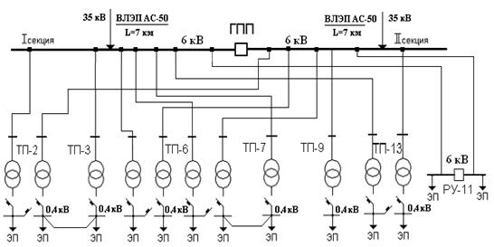
Потребители
выше 1000В
|
5. Схема внешнего электроснабжения
Мощность трансформаторов ГПП определяется по
выражению:
(МВА),
где
-
полная расчётная мощность предприятия со стороны высшего напряжения
трансформаторов ГПП;
- коэффициент
загрузки трансформаторов ГПП (принимаем 0,7 согласно [3,стр.41]);
- число трансформаторов на ГПП.
Полученное значение
округляем
до ближайшего стандартного значения и в соответствии со справочной литературой
[5, стр.613] принимаем в качестве трансформаторов ГПП два двухобмоточных
трансформатора типа ТД - 6300/35.
(А);
В аварийном режиме
(А).
Так как основные узлы предприятия работают в две
смены, то в соответствии с [1, стр.80] Тм=3500-4500 (ч). Соответственно
экономическая плотность тока будет равна
=1,1
А/мм²,
согласно
[2,стр.78].
Рассчитаем экономически целесообразное сечение:
(мм²).
Полученное
сечение округляем до стандартного и в соответствии с [5, стр.624] принимаем в
качестве ВЛЭП провода марки АС - 50. Для данного провода сделаем необходимые
проверки:
по нагреву
>
;
>
(А)
;
>
(А).
по механической прочности
>
;
>
(мм²).
по допустимой потере напряжения
где
-
длина линии при полной нагрузке на 1% потери напряжения, принимаем по
справочной литературе [3, стр.90], км;
- допустимая
потеря напряжения;
- коэффициент
загрузки линии;
- допустимая длина
линии, км;
- фактическая длина
линии, км;
>7 (км).
Проверку по условию коронированию проводов
делать нет необходимости, так как напряжение питающей ВЛЭП=35 (кВ) < 110
(кВ).
Принятая схема внешнего электроснабжения
отвечает основным требованиям, предъявляемым к схемам внешнего
электроснабжения:
необходимая надёжность;
простота и удобство в эксплуатации;
при аварийных ситуациях (выход из строя линии,
трансформатора) оставшийся в работе элемент принимает на себя полностью или частично
нагрузку с учётом дополнительной перегрузки в послеаварийном режиме работы
(трансформатор допускает перегрузку 40%, линии 30%);
схема учитывает перспективу развития
предприятия;
схема обеспечивает возможность проведения
плановых и внеплановых ремонтных работ.
Электроснабжение электротехнического завода
осуществляется от подстанции энергосистемы по двум ВЛЭП - 35 (кВ), выполненных
проводом АС - 50 на железобетонных опорах. ГПП размещается на территории завода
в соответствии с расчётным центром электрических нагрузок с некоторым смещением
в сторону источника питания, то есть расположена в западной стороне завода. На
ГПП установлены два двухобмоточных трансформатора ТД - 6300/35. Для принятого
напряжения 35 (кВ) принята упрощенная схема отделитель и короткозамыкатель. На
стороне 6 (кВ) одинарная система шин, секционированная масляным выключателем с
устройством АВР.
6. Схема внутризаводской сети 6 кВ
Распределительная сеть выше 1000 В по территории
завода выполняется кабельными линиями, проложенными в траншеях.
Сечение кабельных линий выбирается по
экономической плотности тока. Экономически целесообразное сечение определяется
из выражения:
где
-
расчётный ток установки, А;
- нормированное
значение экономической плотности тока, А/мм².
Полученное значение округляется до ближайшего
стандартного значения. Расчётный ток должен соответствовать условиям нормальной
работы, при его определении не следует учитывать увеличение тока при аварийных
ситуациях. Расчётным током линии для питания цеховых трансформаторов,
преобразователей, высоковольтных электродвигателей и трансформаторов
электропечей является их номинальный ток, независимо от фактической нагрузки.
Выбора кабеля для линии Л1 (ГПП - РУ-11):
Определяем
(А).
Определяем
(А).
Используя исходные данные и справочную
литературу [1, стр.80], [2,стр.78] найдем величину
(А/мм²).
Рассчитаем экономически целесообразное сечение
(мм²).
Округляем полученное значение до ближайшего
стандартного значения 120 (мм²).
Используя справочную литературу [3, стр.89] выбираем
кабель марки АСБ - 2(3×120), у
которого
(А);
учитывая поправочный коэффициент на количество работающих кабелей, лежащих
рядом в земле
[2, стр.79]
(А).
Сделаем необходимые проверки
<
(А);
<
(А).
Проверки показали, что кабель выбран верно.
Выбора кабеля для линии Л2 (ГПП - ТП-2):
Определяем
(А).
Определяем
(А).
Используя исходные данные и справочную
литературу [1, стр.80], [2,стр.78] найдем величину
(А/мм²).
Рассчитаем экономически целесообразное сечение
(мм²).
Округляем полученное значение до ближайшего
стандартного значения 50 (мм²).
Используя справочную литературу [3, стр.89]
выбираем кабель марки АСБ - 2(3×50), у
которого
(А);
учитывая поправочный коэффициент на количество работающих кабелей, лежащих
рядом в земле
[2, стр.79]
(А).
Сделаем необходимые проверки
60,6<131,75
(А);
121,2
171,3
(А).
Проверки показали, что кабель выбран верно.
Выбора кабеля для линии Л3 (ГПП - ТП-3):
Определяем
(А).
Используя исходные данные и справочную
литературу [1, стр.80], [2,стр.78] найдем величину
(А/мм²).
Рассчитаем экономически целесообразное сечение
(мм²).
Округляем полученное значение до ближайшего
стандартного значения 50 (мм²).
Используя справочную литературу [3, стр.89]
выбираем кабель марки АСБ - (3×50), у
которого
(А);
учитывая поправочный коэффициент на количество работающих кабелей, лежащих
рядом в земле
[2, стр.79]
(А).
Сделаем необходимые проверки
60,6<131,75
(А);
Проверки показали, что кабель выбран верно.
Выбора кабеля для линии Л4 (ГПП - ТП-6):
Определяем
(А).
Определяем
(А).
Используя исходные данные и справочную
литературу [1, стр.80], [2,стр.78] найдем величину
(А/мм²).
Рассчитаем экономически целесообразное сечение
(мм²).
Округляем полученное значение до ближайшего стандартного
значения 185 (мм²).
Используя справочную литературу [3, стр.89]
выбираем кабель марки АСБ - 4(3×185), у
которого
(А);
учитывая поправочный коэффициент на количество работающих кабелей, лежащих
рядом в земле
[2, стр.79]
(А).
Сделаем необходимые проверки
121,2<272
(А);
242,4
353,6
(А).
Проверки показали, что кабель выбран верно.
Выбора кабеля для линии Л5 (ГПП - ТП-7):
Определяем
(А).
Используя исходные данные и справочную
литературу [1, стр.80], [2,стр.78] найдем величину
(А/мм²).
Рассчитаем экономически целесообразное сечение
(мм²).
Округляем полученное значение до ближайшего
стандартного значения 50 (мм²).
Используя справочную литературу [3, стр.89]
выбираем кабель марки АСБ - (3×50), у
которого
(А);
учитывая поправочный коэффициент на количество работающих кабелей, лежащих
рядом в земле
[2, стр.79]
(А).
Сделаем необходимые проверки
60,6<131,75
(А);
Проверки показали, что кабель выбран верно.
Выбора кабеля для линии Л6 (ГПП - ТП-9):
Определяем
(А).
Используя исходные данные и справочную
литературу [1, стр.80], [2,стр.78] найдем величину
(А/мм²).
Рассчитаем экономически целесообразное сечение
(мм²).
Округляем полученное значение до ближайшего
стандартного значения 50 (мм²).
Используя справочную литературу [3, стр.89]
выбираем кабель марки АСБ - (3×50), у
которого
(А);
учитывая поправочный коэффициент на количество работающих кабелей, лежащих
рядом в земле
[2, стр.79]
(А).
Сделаем необходимые проверки
60,6<139,5
(А);
Проверки показали, что кабель выбран верно.
Выбора кабеля для линии Л7 (ГПП - ТП-13):
Определяем
(А).
Определяем
(А).
Используя исходные данные и справочную
литературу [1, стр.80], [2,стр.78] найдем величину
(А/мм²).
Рассчитаем экономически целесообразное сечение
(мм²).
Округляем полученное значение до ближайшего
стандартного значения 50 (мм²).
Используя справочную литературу [3, стр.89]
выбираем кабель марки АСБ - 2(3×50), у
которого
(А);
учитывая поправочный коэффициент на количество работающих кабелей, лежащих
рядом в земле
[2, стр.79]
(А).
Сделаем необходимые проверки
60,6<139,5
(А);
121,2
181,35
(А).
Проверки показали, что кабель выбран верно.
Расчеты для удобства представим в виде таблицы
№12, представленной ниже.
Таблица №12. Выбор сечений кабельных линий
распределительной сети 6 кВ
|
№
|
Назначение
линии
|
Количество
линий
|
Расчётная
нагрузка на один кабель
|
Длина
линии, км
|
Способ
прокладки
|
Поправочный
коэффициент прокладки кабеля
|
Марка
и сечение кабеля, выбранного по условию допустимого нагрева S, мм²
|
Допустимая
нагрузка на один кабель
|
|
|
|
в
нормальном режиме А
|
в
аварийном режиме А
|
|
|
|
|
в
нормальном режиме , А
|
а
аварийном режиме 1,3 , А
|
|
1.
|
ГПП
- РУ-11
|
2
|
46,9
|
93,2
|
0,420
|
траншея
|
0,85
|
АСБ
- 2(3×120)
|
221
|
287,3
|
|
2.
|
ГПП
- ТП-2
|
2
|
60,6
|
121,2
|
0,140
|
траншея
|
0,85
|
АСБ
- 2(3×50)
|
131,75
|
171,3
|
|
3.
|
ГПП
- ТП-3
|
1
|
60,6
|
-
|
0,245
|
траншея
|
0,85
|
АСБ
- (3×50)
|
131,75
|
-
|
|
4.
|
ГПП
- ТП-6
|
4
|
121,2
|
242,4
|
0,410
|
траншея
|
0,8
|
АСБ
- 4(3×185)
|
272
|
353,6
|
|
5.
|
ГПП
- ТП-7
|
1
|
60,6
|
-
|
0,330
|
траншея
|
0,85
|
АСБ
- (3×95)
|
131,75
|
-
|
|
6.
|
ГПП
- ТП-9
|
1
|
60,6
|
-
|
0,155
|
траншея
|
0,9
|
АСБ
- (3×50)
|
139,5
|
-
|
|
7.
|
ГПП
- ТП-13
|
2
|
60,6
|
121,2
|
0,665
|
траншея
|
0,9
|
АСБ
- 2(3×50)
|
139,5
|
181,35
|
. Расчёт токов короткого замыкания в сети выше
1000 В
Все электрические аппараты и токоведущие части
электрических установок должны быть выбраны таким образом, чтобы исключалось их
разрушение при прохождении по ним наибольших возможных токов КЗ, в связи с чем
возникает необходимость расчёта этих величин.
Расчёт токов КЗ ведётся в относительных
единицах. Для этого все расчётные данные приводят к базисному напряжению и
базисной мощности.
Величина базисного напряжения
превышает
номинальное на 5%. За базисную мощность
принимают
любое число кратное 10.
Для расчёта токов КЗ составляется расчётная
схема - упрощенная однолинейная схема электроустановки, в которой учитываю все
источники питания (п/ст энергосистемы, генераторы ТЭЦ), трансформаторы,
воздушные и кабельные линии.
По расчётной схеме составляется схема замещения,
в которой указываются сопротивления всех элементов и намечаются точки для
расчётов токов КЗ.
Базисные сопротивления в относительных единицах
определяются по следующим формулам:
сопротивление воздушных и кабельных линий
где
и
-
соответственно активное и индуктивное сопротивление линии на один км длины,
Ом/км;
- длина линии, км.
индуктивное сопротивление трансформатора
где
-
напряжение короткого замыкания трансформатора, %;
- номинальная
мощность трансформатора, МВА.
Для генераторов, трансформаторов, высоковольтных
линий обычно учитываются только индуктивные сопротивления. При значительной
протяжённости сети (кабельной и воздушной) учитываются также их активные
сопротивления. Считается целесообразно учитывать активное сопротивление, если
соотношение между суммарными активными
и
реактивными
сопротивлениями до
места КЗ следующие:
>
/3.
Действующее значение установившегося тока КЗ:
где
-
базисный ток;
- полное
сопротивление от источника питания до точки КЗ, выраженное в относительных
единицах и приведенное к базисной мощности (если активное сопротивление не
учитывается, то
.
Ударный ток КЗ
где
-
ударный коэффициент.
По величине
проверяют
электрические аппараты и токоведущие части на термическую устойчивость. По
величине
проверяются
аппараты на динамическую устойчивость.
Для расчёта токов КЗ принимаем базисные величины:
Согласно [3, стр.43] используя стандартный ряд
базисных напряжений, принимаем
(кВ),
(кВ).
За базисную мощность, согласно [3, стр.43]
принимаем
(МВА).
Принимаем, что мощность источника электроэнергии
(энергосистемы)
и соответственно
индуктивное сопротивление
Расчёт токов КЗ будем проводить для участка
распределительной сети 6 кВ ГПП - ТП-7 (рис.3). Для данного участка составляем
расчётную схему и схему замещения, представленные ниже.
Рис.3. Расчётная схема (а) и схема замещения (б)
для участка распределительной сети 6 кВ ГПП - ТП-7
Расчёт токов для точки К1:
Для ВЛЭП принимаем удельное индуктивное
сопротивление
(Ом/км), согласно
[5, стр.130].
(о.е);
(кА);
(о.е);
(кА);
Согласно [3, стр.45] принимаем
;
(кА);
(МВА).
Расчёт токов для точки К2:
Напряжение короткого замыкания для выбранного
трансформатора принимаем равным
, согласно [5,
стр.613].
(о.е);
(кА);
(о.е);
(кА);
Согласно [3, стр.45] принимаем
;
(кА);
(МВА).
Расчёт токов для точки К3:
Для кабельных линий принимаем удельное активное
сопротивление
(Ом/км), согласно
[3 стр.90].
(о.е);
(о.е);
(о.е);
Принимая во внимание соотношение
<
/3
согласно [3, стр.45] активное сопротивление не учитываем.
(кА);
(кА);
.
Используя полученные значения токов короткого
замыкания проверим принятые ранее сечение кабелей на термическую стойкость при
КЗ в начале линии. Термически стойкое сечение равно:
где
-
тепловой импульс тока КЗ, А²с;
- постоянная
затухания апериодической составляющей тока КЗ, принимаем равной 0,01 с,
согласно [5, стр.150];
- время отключения
КЗ, с;
- время действия
основной защиты, принимаем равной 1,2 с, согласно [5, стр.209];
- полное время
отключения выключателя; учитывая, что в ЗРУ ГПП установлены выключатели типа
ВМПЭ, у которого согласно [5, стр.630]
с;
- коэффициент,
зависящий от допустимой температуры при КЗ и материала проводника; принимаем,
согласно [3, стр.42] равным 85 (А·с½/мм²).
(с);
Линия ГПП - ТП-7
(мм²);
Полученное значение минимального сечения
показывает, что выбранный кабель, для данного участка распределительной сети 6
(кВ) АСБ -(3
70) не проходит по
термической стойкости к току КЗ:
.Поэтому принимаем
сечение 95 мм².
Таблица 13 - Расчет токов КЗ в сети 35-6 кВ
|
Расчетные
точки
|
К1
|
К2
|
К3
|
|
Токи
КЗ
|
I
∞, кА
|
7,8
|
6,6
|
6,3
|
|
iу,
кА
|
19,86
|
16,8
|
16,04
|
|
Sк,
МВА
|
500
|
71,94
|
68,63
|
8. Электроснабжение кузнечного цеха
Электроснабжение цеха выполняется в следующей
последовательности.
Приёмники цеха распределяются по пунктам питания
(силовым распределительным шкафам или шинопроводам), выбирается схема и способ
прокладки питающей сети цеха (от ТП до пунктов питания). Принятая схема
(радиальная, магистральная, смешанная) питающей сети должна обеспечивать
требуемую надёжность питания приёмников и требуемую по технологическим условиям
гибкость и универсальность сети в отношении присоединения новых приёмников и
перемещения приёмников по площади цеха. Выбор способа прокладки питающей сети
производится с учётом характера окружающей среды и возможных условий места
прокладки. Исполнение силовых распределительных пунктов и шинопроводов должно
также соответствовать характеру окружающей среды.
Определяются расчётные электрические нагрузки по
пунктам питания цеха.
Производится выбор сечений питающей сети по
длительно допустимой токовой нагрузке из условия нагрева и проверка их по
потере напряжения.
Производится выбор силовой распределительной
сети и аппаратов защиты и управления цеха.
Для участка цеховой сети ( от вводного автомата
на подстанции до самого мощного или самого удалённого электроприёмника)
строиться карта селективности действия аппаратов защиты.
Производится расчёт питающей и распределительной
сети по условиям допустимой потере напряжения и построения эпюры отклонений
напряжения для цепочки линий от шин ГПП до зажимов одного наиболее удалённого
от цеховой ТП или наиболее мощного электроприёмника для режимов максимальной и
минимальной нагрузок, а в случае двухтрансформаторной подстанции и
послеаварийного режима.
Производится расчёт токов короткого замыкания
для участка цеховой сети от ТП до наиболее мощного электроприёмника цеха.
Полученные данные наносятся на карту селективности действия аппаратов защиты.
.1 Распределение приёмников по пунктам питания
Распределение электроприёмников по пунктам
питания осуществляется путём подключения группы электроприёмников к
соответствующему распределительному шкафу ШР. Так как ШР бывают различных типов
и имеют определённое число присоединений, а именно 5 или 8, то для каждого
электроприёмника необходимо выбрать предохранитель, а затем, зная тип предохранителя,
подключить его к соответствующему ШР. Кроме того, для каждого ШР необходимо
выбрать защитный аппарат - автоматический выключатель.
Таблица 14 - Определение расчётных нагрузок по
пунктам питания инструментального цеха
|
Наименование
узлов питания и групп электроприемников
|
Количество
ЭП n
|
Установленная
мощность, приведенная к ПВ=100 %
|
m
= Рн.макс / Рн.мин
|
Коэффициент
использования Ки
|
cosφ
/ tgφ
|
Средняя
нагрузка за максимально загруженную смену
|
Эффективное
число электроприемников nэ
|
Коэффициент
максимума Км
|
Максимальная
нагрузка
|
Расчетные
токи Iм / Iп
|
|
|
|
|
|
|
|
|
|
Рм
= КмРсм, кВт
|
Qм=Qсм
при nэ>10, Qм=1,1Qсм при nэ£10, кВАр
|
Sм
= Р м 2 + Q м 2, кВА
|
|
|
|
одного
ЭП (наименьшего, наибольшего) рн, кВт
|
общая
Рн, кВт
|
|
|
|
Рсм
= Ки.Рм, кВт
|
Qсм
= Рсм.tgφсм, кВАр
|
|
|
|
|
|
|
|
Шкаф
распределительный ШР-1 ШР11-73505
|
|
|
|
|
|
|
|
|
|
|
|
|
|
|
|
Группа
А:
|
|
|
|
|
|
|
|
|
|
|
|
|
|
|
|
Станки
разные-№7,9,10
|
3
|
8-10
|
28
|
-
|
0,14
|
0,5/1,73
|
3,92
|
6,78
|
|
|
|
|
|
|
|
Сварочный
трансформатор-№8,11,12,13,14
|
5
|
10
|
50
|
-
|
0,3
|
0,35/2,67
|
15,0
|
40,05
|
|
|
|
|
|
|
|
Итого
по ШР-1
|
8
|
8-10
|
78
|
<3
|
0,24
|
-
|
18,92
|
46,83
|
8
|
1,88
|
35,57
|
51,51
|
60,94
|
92,6
|
|
Шкаф
распределительный ШР-2 ШР11-73511
|
|
|
|
|
|
|
|
|
|
|
|
|
|
|
|
Группа
А:
|
|
|
|
|
|
|
|
|
|
|
|
|
|
|
|
Фрезерный
станок-№3-5
|
3
|
12
|
36
|
-
|
0,14
|
0,5/1,73
|
5,04
|
|
|
|
|
|
|
|
Кран-балка-№1,2,6
|
3
|
19
|
57
|
-
|
0,06
|
0,6/1,33
|
3,42
|
4,55
|
|
|
|
|
|
|
|
Пресс-№18
|
1
|
50
|
50
|
-
|
0,25
|
0,65/1,17
|
12,5
|
14,63
|
|
|
|
|
|
|
|
Итого
по группе А:
|
7
|
12-50
|
143
|
>3
|
0,15
|
-
|
20,96
|
27,9
|
6
|
2,64
|
55,33
|
30,69
|
63,27
|
|
|
Группа
Б:
|
|
|
|
|
|
|
|
|
|
|
|
|
|
|
|
Сушильный
шкаф-№15
|
1
|
24
|
24
|
-
|
0,75
|
1,0/0
|
18
|
0
|
|
|
|
|
|
|
|
Итого
по группе Б:
|
1
|
24
|
24
|
-
|
-
|
-
|
18
|
0
|
-
|
1
|
18
|
0
|
18
|
|
|
Итого
по ШР-2
|
8
|
12-50
|
167
|
-
|
-
|
-
|
38,96
|
27,9
|
-
|
-
|
73,33
|
30,69
|
79,49
|
120,8
|
|
Шкаф
распределительный ШР-3 ШР11-73504
|
|
|
|
|
|
|
|
|
|
|
|
|
|
|
|
Группа
А:
|
|
|
|
|
|
|
|
|
|
|
|
|
|
|
|
Токарный
станок-№19-23
|
5
|
12
|
60
|
-
|
0,14
|
0,5/1,73
|
8,4
|
14,53
|
|
|
|
|
|
|
|
Итого
по группе А:
|
5
|
12
|
60
|
<3
|
0,14
|
-
|
8,4
|
14,53
|
5
|
2,94
|
24,7
|
15,98
|
29,42
|
|
|
Группа
Б:
|
|
|
|
|
|
|
|
|
|
|
|
|
|
|
|
Закалочная
печь-№16,17
|
2
|
30
|
60
|
-
|
0,6
|
0,95/0,33
|
36
|
11,88
|
|
|
|
|
|
|
|
Итого
по группе Б:
|
2
|
30
|
60
|
-
|
-
|
-
|
36
|
11,88
|
-
|
1
|
36
|
11,88
|
37,91
|
|
|
Итого
по ШР-3
|
7
|
12-30
|
120
|
-
|
-
|
-
|
44,4
|
26,41
|
-
|
-
|
60,7
|
27,86
|
66,79
|
101,5
|
|
Шкаф
распределительный ШР-4 ШР11-73504
|
|
|
|
|
|
|
|
|
|
|
|
|
|
|
|
Группа
А:
|
|
|
|
|
|
|
|
|
|
|
|
|
|
|
|
Станки
разные-№25,26
|
2
|
8-12
|
20
|
-
|
0,14
|
0,5/1,73
|
2,8
|
4,84
|
|
|
|
|
|
|
|
Электрованна-№28,29
|
2
|
28
|
56
|
-
|
0,55
|
0,95/0,33
|
30,8
|
10,16
|
|
|
|
|
|
|
|
Сварочный
трансформатор-№24
|
1
|
10
|
10
|
-
|
0,3
|
0,35/2,67
|
3,0
|
8,01
|
|
|
|
|
|
|
|
Итого
по группе А:
|
5
|
8-28
|
86
|
>3
|
0,43
|
-
|
36,6
|
23,01
|
5
|
1,7
|
62,22
|
25,31
|
67,17
|
|
|
Группа
Б:
|
|
|
|
|
|
|
|
|
|
|
|
|
|
|
|
Сушильный
шкаф-№27
|
1
|
24
|
24
|
-
|
0,75
|
1,0/0
|
18
|
0
|
|
|
|
|
|
|
|
Вентилятор-№31
|
1
|
8
|
8
|
-
|
0,65
|
0,8/0,75
|
5,2
|
3,9
|
|
|
|
|
|
|
|
Итого
по группе Б:
|
2
|
8-24
|
32
|
-
|
-
|
-
|
23,2
|
3,9
|
-
|
1
|
23,2
|
3,9
|
23,53
|
|
|
Итого
по ШР-4
|
7
|
8-28
|
118
|
-
|
-
|
-
|
59,8
|
26,91
|
-
|
-
|
85,42
|
29,21
|
90,28
|
137,2
|
|
Шкаф
распределительный ШР-5 ШР11-73701
|
|
|
|
|
|
|
|
|
|
|
|
|
|
|
|
Группа
А:
|
|
|
|
|
|
|
|
|
|
|
|
|
|
|
|
Электромолот-№32,36
|
2
|
12
|
24
|
-
|
0,3
|
0,6/1,33
|
7,2
|
9,58
|
|
|
|
|
|
|
|
Станки
разные-№34,35
|
2
|
12-14
|
26
|
-
|
0,14
|
0,5/1,73
|
3,64
|
6,3
|
|
|
|
|
|
|
|
Итого
по группе А:
|
4
|
12-14
|
50
|
<3
|
0,22
|
-
|
10,84
|
15,88
|
4
|
2,54
|
27,53
|
17,47
|
32,61
|
|
|
Группа
Б:
|
|
|
|
|
|
|
|
|
|
|
|
|
|
|
|
Вентилятор
горна-№33
|
1
|
14
|
14
|
-
|
0,65
|
0,8/0,75
|
9,1
|
6,83
|
|
|
|
|
|
|
|
Итого
по группе Б:
|
1
|
14
|
14
|
-
|
-
|
-
|
9,1
|
6,83
|
-
|
1
|
9,1
|
6,83
|
11,38
|
|
|
Итого
по ШР-5
|
5
|
12-14
|
64
|
-
|
-
|
-
|
19,94
|
22,71
|
-
|
-
|
36,63
|
24,3
|
43,96
|
66,8
|
|
Шкаф
распределительный ШР-6 ШР11-73702
|
|
|
|
|
|
|
|
|
|
|
|
|
|
|
|
Группа
А:
|
|
|
|
|
|
|
|
|
|
|
|
|
|
|
|
Сверлильный
станок-№37
|
1
|
6
|
6
|
-
|
0,14
|
0,5/1,73
|
0,84
|
1,45
|
|
|
|
|
|
|
|
Кран-балка,
кран-№30,38
|
2
|
8-19
|
27
|
-
|
0,06
|
0,6/1,33
|
1,62
|
2,15
|
|
|
|
|
|
|
|
Итого
по группе А:
|
3
|
6-19
|
33
|
-
|
0,07
|
-
|
2,46
|
3,6
|
-
|
-
|
33
|
24,75
|
41,25
|
|
|
Группа
Б:
|
|
|
|
|
|
|
|
|
|
|
|
|
|
|
|
Нагреват.
плита-№39
|
1
|
20
|
20
|
-
|
0,6
|
0,7/1,0
|
12
|
12
|
|
|
|
|
|
|
|
Вентилятор
горна-№40
|
1
|
14
|
14
|
-
|
0,65
|
0,8/0,75
|
6,83
|
|
|
|
|
|
|
|
Итого
по группе Б:
|
2
|
34
|
34
|
-
|
-
|
-
|
21,1
|
18,83
|
-
|
1
|
21,1
|
18,83
|
28,28
|
|
|
Итого
по ШР-6
|
5
|
6-20
|
67
|
-
|
-
|
-
|
23,56
|
22,43
|
-
|
-
|
54,1
|
43,58
|
69,47
|
105,5
|
|
ШР-1
и ШР-6
|
|
|
|
|
|
|
|
|
|
|
|
|
|
|
|
Группа
А:
|
|
|
|
|
|
|
|
|
|
|
|
|
|
|
|
Станки
разные-№7,9,10,37
|
4
|
6-10
|
34
|
-
|
0,14
|
0,5/1,73
|
4,76
|
8,23
|
|
|
|
|
|
|
|
Сварочный
трансформатор-№8,11,12,13,14
|
5
|
10
|
50
|
-
|
0,3
|
0,35/2,67
|
15,0
|
40,05
|
|
|
|
|
|
|
|
Кран-балка,
кран-№30,38
|
2
|
8-19
|
27
|
-
|
0,06
|
0,6/1,33
|
1,62
|
2,15
|
|
|
|
|
|
|
|
Итого
по группе А:
|
11
|
6-19
|
111
|
>3
|
0,2
|
-
|
21,38
|
50,43
|
11
|
1,8
|
38,48
|
50,43
|
63,43
|
|
|
Группа
Б:
|
|
|
|
|
|
|
|
|
|
|
|
|
|
|
|
Нагреват.
плита-№39
|
1
|
20
|
20
|
-
|
0,6
|
0,7/1,0
|
12
|
12
|
|
|
|
|
|
|
|
Вентилятор
горна-№40
|
1
|
14
|
14
|
-
|
0,65
|
0,8/0,75
|
9,1
|
6,83
|
|
|
|
|
|
|
|
Итого
по группе Б:
|
2
|
34
|
34
|
-
|
-
|
-
|
21,1
|
18,83
|
-
|
1
|
21,1
|
18,83
|
28,28
|
|
|
Итого
по ШР-1 и ШР-6
|
13
|
6-20
|
145
|
-
|
-
|
-
|
42,48
|
69,26
|
-
|
-
|
59,58
|
69,26
|
91,36
|
138,8
|
|
ШР-2
и ШР-3
|
|
|
|
|
|
|
|
|
|
|
|
|
|
|
|
Группа
А:
|
|
|
|
|
|
|
|
|
|
|
|
|
|
|
|
Станки
разные-№3-5, 19-23
|
8
|
12
|
96
|
-
|
0,14
|
0,5/1,73
|
13,44
|
23,25
|
|
|
|
|
|
|
|
Кран-балка-№1,2,6
|
3
|
19
|
57
|
-
|
0,06
|
0,6/1,33
|
3,42
|
4,55
|
|
|
|
|
|
|
|
Пресс-№18
|
1
|
50
|
50
|
-
|
0,25
|
0,65/1,17
|
12,5
|
14,63
|
|
|
|
|
|
|
|
Итого
по группе А:
|
12
|
12-50
|
203
|
>3
|
0,14
|
-
|
29,36
|
42,43
|
9
|
2,27
|
66,65
|
46,67
|
81,37
|
|
|
Группа
Б:
|
|
|
|
|
|
|
|
|
|
|
|
|
|
|
|
Сушильный
шкаф-№15
|
1
|
24
|
24
|
-
|
0,75
|
1,0/0
|
18
|
0
|
|
|
|
|
|
|
|
Закалочная
печь-№16,17
|
2
|
30
|
60
|
-
|
0,6
|
0,95/0,33
|
36
|
11,88
|
|
|
|
|
|
|
|
Итого
по группе Б:
|
3
|
24-30
|
84
|
-
|
-
|
-
|
54
|
11,88
|
-
|
1
|
54
|
11,88
|
55,3
|
|
|
Итого
по ШР-2 и ШР-3
|
15
|
12-50
|
287
|
-
|
-
|
-
|
83,36
|
54,31
|
-
|
-
|
120,65
|
58,55
|
134,11
|
203,8
|
|
ШР-4
и ШР-5
|
|
|
|
|
|
|
|
|
|
|
|
|
|
|
|
Группа
А:
|
|
|
|
|
|
|
|
|
|
|
|
|
|
|
|
Станки
разные-№25,34, 26,35
|
4
|
8-14
|
46
|
-
|
0,14
|
0,5/1,73
|
6,44
|
11,14
|
|
|
|
|
|
|
|
Электрованна-№28,29
|
2
|
28
|
56
|
-
|
0,55
|
0,95/0,33
|
30,8
|
10,16
|
|
|
|
|
|
|
|
Сварочный
трансформатор-№24
|
1
|
10
|
10
|
-
|
0,3
|
0,35/2,67
|
3,0
|
8,01
|
|
|
|
|
|
|
|
Электромолот-№32,36
|
2
|
12
|
24
|
-
|
0,3
|
0,6/1,33
|
7,2
|
9,58
|
|
|
|
|
|
|
|
Итого
по группе А:
|
9
|
8-28
|
136
|
>3
|
0,35
|
-
|
47,44
|
38,89
|
9
|
1,56
|
74,01
|
42,78
|
85,48
|
|
|
Группа
Б:
|
|
|
|
|
|
|
|
|
|
|
|
|
|
|
|
Сушильный
шкаф-№27
|
1
|
24
|
24
|
-
|
0,75
|
1,0/0
|
18
|
0
|
|
|
|
|
|
|
|
Вентиляторы-№31,33
|
2
|
8-14
|
22
|
-
|
0,65
|
0,8/0,75
|
14,3
|
10,73
|
|
|
|
|
|
|
|
Итого
по группе Б:
|
3
|
8-24
|
46
|
-
|
-
|
-
|
32,3
|
10,73
|
-
|
1
|
32,3
|
10,73
|
34,04
|
|
|
Итого
по ШР-4 и ШР-5
|
12
|
8-28
|
182
|
-
|
-
|
-
|
79,74
|
49,62
|
-
|
-
|
106,31
|
53,51
|
119,02
|
180,8
|
.2 Выбор сечений питающей сети по длительно
допустимой токовой нагрузке из условия нагрева и проверка их по потере
напряжения, выбор силовой распределительной сети и аппаратов защиты и
управления цеха
Условие выбора проводников:
Пример расчёта для линии КТП - ШР1+ШР6:
(А);
Используя справочную литературу [6, стр.67]
выбираем кабель марки АНРГ-(3×70+1×25), у
которого
>138,8
(А).
Выбранное сечение необходимо проверить по
допустимой потере напряжения
,
где
-
потеря напряжения в 3-х фазных сетях , %/А·км, принимаем по справочной
литературе [3, стр.91];
- расчётный ток;
- длина проводника.
<
;
Пример расчёта для ответвления к закалочной печи
:
(А);
Используя справочную литературу [6, стр.65]
выбираем провод марки АПВ- 3(1×16), у
которого
55>50,64
(А).
После выбора аппаратов защиты, выбранные сечения
проводников должны быть проверены на согласование с этими защитными аппаратами.
Условия выбора плавких предохранителей:
;
(для ЭП, у которых
есть электродвигатель),
где
-
номинальный (длительно протекающий) ток ЭП, А;
- номинальный ток
плавкой вставки предохранителя, А;
- критический или
пусковой ток электродвигателя, А;
- коэффициент,
характеризующий условия пуска двигателя.
Условия выбора автоматических выключателей:
;
- для группы ЭД в
количестве до 5 шт. (вкл).;
- для группы ЭД
больше 5 шт.,
где
-
номинальный ток расцепителя автоматического выключателя, А;
- номинальный ток
срабатывания уставки в зоне КЗ.
Выбор автоматических выключателей для защиты ШР:
ШР1+ШР6:
Используя справочную литературу [3, стр.86]
выбираем автоматический выключатель типа ВА57-35 с данными:
,
,
(А).
ШР2+ШР3:

Используя справочную литературу [3, стр.86]
выбираем автоматический выключатель типа ВА51-29 с данными:
,
,
.
ШР4+ШР5:
Используя справочную литературу [3, стр.86]
выбираем автоматический выключатель типа ВА57-35 с данными:
,
,
(А).
Выбор вводного автоматического выключателя для
КТП:
Используя справочную литературу [3, стр.88]
выбираем автоматический выключатель типа ВА85-41 с данными:
,
.
Таблица 15 - Выбор сечений линий питающей сети
цеха
|
№
п/п
|
Назначение
участка линии питающей сети
|
Расчетная
нагрузка Sр, кВА
|
Расчетный
ток Iр, А
|
Длина
линии l, км
|
Способ
прокладки
|
Коэффициент
прокладки, К
|
Марка
кабеля
|
Сечение,
выбранное из условия допустимого нагрева Sн, мм2
|
Допустимый
дли-тельный ток Iдоп, А
|
cosφ
|
Потери
напряжения на 1 А.км, ΔU0, %
|
Расчетные
потери напряжения ΔUр, %
|
Принятое
сечение и марка участка питающей сети
|
|
1.
|
КТП-
ШР1+ШР6
|
91,36
|
138,8
|
0,027
|
по
стене на скобах
|
1
|
АНРГ
|
(3×70+1×25)
|
140
|
0,7
|
0,169
|
0,63
|
АНРГ
- (3×70+1×25)
|
|
2.
|
ШР1
- ШР6
|
69,47
|
105,5
|
0,073
|
по
стене на скобах
|
1
|
АНРГ
|
(3×50+1×25)
|
110
|
0,8
|
0,251
|
1,93
|
АНРГ-
(3×50+1×25)
|
|
3.
|
КТП
- ШР2+ШР3
|
134,11
|
203,8
|
0,003
|
по
стене на скобах
|
1
|
АНРГ
|
(3×150+1×50)
|
235
|
0,9
|
0,100
|
0,06
|
АНРГ-(3×150+1×50)
|
|
4.
|
ШР2
- ШР3
|
66,79
|
101,5
|
0,043
|
по
стене на скобах
|
1
|
АНРГ
|
(3×50+1×25)
|
110
|
0,9
|
0,273
|
1,2
|
АНРГ-
(3×50+1×25)
|
|
5.
|
КТП
- ШР4+ШР5
|
119,02
|
180,8
|
0,043
|
в
полу
|
1
|
АНРГ
|
(3×120+1×35)
|
200
|
0,9
|
0,123
|
0,96
|
АНРГ-(3×120+1×35)
|
|
6.
|
ШР4
- ШР5
|
43,96
|
66,8
|
0,024
|
по
стене на скобах
|
1
|
АНРГ
|
(3×25+1×16)
|
75
|
0,8
|
0,48
|
0,77
|
АНРГ-
(3×25+1×16)
|
Таблица 16 - Выбор сечений линий питающей сети
цеха по условию согласования с аппаратом защиты
|
№ п/п
|
Назначение
участка линии питающей сети
|
Сечение,
выбранное из условия допустимого нагрева Sн, мм2
|
Допустимый
дли-тельный ток Iдоп, А
|
Согласование
выбранного сечения с аппаратом защиты
|
Iдоп.,
А
|
Принятое
сечение и марка участка питающей сети
|
|
|
|
|
Кз
|
Кп
|
Iз=Iн.расц.
|
Iдоп≥
Кз* Iз/ Кп, А
|
|
|
|
1.
|
КТП-
ШР1+ШР6
|
(3×70+1×25)
|
140
|
1
|
1
|
160
|
160
|
170
|
АНРГ-
(3×95+1×35)
|
|
2.
|
ШР1
- ШР6
|
(3×50+1×25)
|
110
|
1
|
1
|
160
|
160
|
170
|
АНРГ-
(3×95+1×35)
|
|
3.
|
КТП
- ШР2+ШР3
|
(3×150+1×50)
|
235
|
1
|
1
|
250
|
250
|
270
|
АНРГ-(3×185+1×50)
|
|
4.
|
ШР2
- ШР3
|
(3×50+1×25)
|
110
|
1
|
1
|
250
|
250
|
270
|
АНРГ-
(3×185+1×50)
|
|
5.
|
КТП
- ШР4+ШР5
|
(3×120+1×35)
|
200
|
1
|
1
|
200
|
200
|
200
|
АНРГ-(3×120+1×35)
|
|
6.
|
ШР4
- ШР5
|
(3×25+1×16)
|
75
|
1
|
1
|
200
|
200
|
200
|
АНРГ-
(3×120+1×35)
|
|
|
|
|
|
|
|
|
|
|
|
Таблица 17 - Выбор распределительной сети и
аппаратов защиты
|
Приёмник
|
Ответвление
к ЭП
|
Предохранитель
|
|
№
по плану цеха
|
Наименование
электроприёмника
|
Рн,
кВт
|
Ip,
А
|
Марка
и сечение проводника, мм2
|
Способ
прокладки
|
Длина,
м
|
Тип
предохранителя
|
А
|
|
1
|
Кран-балка
ПВ=40%
|
19
|
32,1
|
АПВ-4(1×8)
|
в
трубе
|
13
|
ПН2-100
|
100/80
|
|
2
|
Кран-балка
ПВ=40%
|
19
|
32,1
|
АПВ-4(1×8)
|
в
трубе
|
11
|
ПН2-100
|
100/80
|
|
3
|
Фрезерный
станок
|
12
|
20,3
|
АПВ-4(1×3)
|
в
трубе
|
18
|
ПН2-100
|
100/50
|
|
4
|
Фрезерный
станок
|
12
|
20,3
|
АПВ-4(1×3)
|
в
трубе
|
6
|
ПН2-100
|
100/50
|
|
5
|
Фрезерный
станок
|
12
|
20,3
|
АПВ-4(1×3)
|
в
трубе
|
14
|
ПН2-100
|
100/50
|
|
6
|
Кран-балка
ПВ=40%
|
19
|
32,1
|
АПВ-4(1×8)
|
в
трубе
|
19
|
ПН2-100
|
100/80
|
|
7
|
Трубогибочный
станок
|
10
|
16,9
|
АПВ-4(1×2,5)
|
в
трубе
|
6
|
ПН2-100
|
100/40
|
|
8
|
Сварочный
трансформатор ПВ=25%
|
10
|
15,2
|
АПВ-4(1×2,5)
|
в
трубе
|
19
|
ПН2-100
|
100/30
|
|
9
|
Шлифовальный
станок
|
8
|
13,5
|
АПВ-4(1×2,5)
|
в
трубе
|
3
|
ПН2-100
|
100/30
|
|
10
|
Трубогибочный
станок
|
10
|
16,9
|
АПВ-4(1×2,5)
|
в
трубе
|
4
|
ПН2-100
|
100/40
|
|
11
|
Сварочный
трансформатор ПВ=25%
|
10
|
15,2
|
АПВ-4(1×2,5)
|
в
трубе
|
14
|
ПН2-100
|
100/30
|
|
12
|
Сварочный
трансформатор ПВ=25%
|
10
|
15,2
|
АПВ-4(1×2,5)
|
в
трубе
|
3
|
ПН2-100
|
100/30
|
|
13
|
Сварочный
трансформатор ПВ=25%
|
10
|
15,2
|
АПВ-4(1×2,5)
|
в
трубе
|
15
|
ПН2-100
|
100/30
|
|
14
|
Сварочный
трансформатор ПВ=25%
|
10
|
15,2
|
АПВ-4(1×2,5)
|
в
трубе
|
19
|
ПН2-100
|
100/30
|
|
15
|
Сушильный
шкаф
|
24
|
36,5
|
АПВ-4(1×8)
|
в
трубе
|
32
|
ПН2-100
|
100/40
|
|
16
|
Закалочная
печь
|
30
|
45,6
|
АПВ-4(1×10)
|
в
трубе
|
3
|
НПН2-60
|
60/50
|
|
17
|
Закалочная
печь
|
30
|
45,6
|
АПВ-4(1×10)
|
в
трубе
|
8
|
НПН2-60
|
60/50
|
|
18
|
50
|
84,4
|
АПВ-4(1×35)
|
в
трубе
|
20
|
ПН2-250
|
250/200
|
|
19
|
Токарный
станок
|
12
|
20,3
|
АПВ-4(1×3)
|
в
трубе
|
2
|
НПН2-60
|
60/50
|
|
20
|
Токарный
станок
|
12
|
20,3
|
АПВ-4(1×3)
|
в
трубе
|
6
|
НПН2-60
|
60/50
|
|
21
|
Токарный
станок
|
12
|
20,3
|
АПВ-4(1×3)
|
в
трубе
|
9
|
НПН2-60
|
60/50
|
|
22
|
Токарный
станок
|
12
|
20,3
|
АПВ-4(1×3)
|
в
трубе
|
12
|
НПН2-60
|
60/50
|
|
23
|
Токарный
станок
|
12
|
20,3
|
АПВ-4(1×3)
|
в
трубе
|
15
|
НПН2-60
|
60/50
|
|
24
|
Сварочный
трансформатор ПВ=25%
|
10
|
15,2
|
АПВ-4(1×2,5)
|
в
трубе
|
27
|
НПН2-60
|
60/30
|
|
25
|
Токарный
станок
|
12
|
20,3
|
АПВ-4(1×3)
|
в
трубе
|
19
|
НПН2-60
|
60/50
|
|
26
|
Шлифовальный
станок
|
8
|
13,5
|
АПВ-4(1×2,5)
|
в
трубе
|
11
|
НПН2-60
|
60/30
|
|
27
|
Сушильный
шкаф
|
24
|
36,5
|
АПВ-4(1×8)
|
в
трубе
|
3
|
НПН2-60
|
60/40
|
|
28
|
Электрованна
|
28
|
42,5
|
АПВ-4(1×10)
|
в
трубе
|
27
|
НПН2-60
|
60/50
|
|
29
|
Электрованна
|
28
|
42,5
|
АПВ-4(1×10)
|
в
трубе
|
16
|
НПН2-60
|
60/50
|
|
30
|
Кран-балка
ПВ=40%
|
19
|
32,1
|
АПВ-4(1×8)
|
в
трубе
|
19
|
ПН2-100
|
100/80
|
|
31
|
Вентилятор
|
8
|
13,5
|
АПВ-4(1×2,5)
|
в
трубе
|
8
|
НПН2-60
|
60/30
|
|
32
|
Электромолот
|
12
|
20,3
|
АПВ-4(1×3)
|
в
трубе
|
5
|
НПН2-60
|
60/50
|
|
33
|
Вентилятор
горна
|
14
|
23,6
|
АПВ-4(1×4)
|
в
трубе
|
3
|
НПН2-60
|
60/50
|
|
34
|
Токарный
станок
|
12
|
20,3
|
АПВ-4(1×3)
|
в
трубе
|
10
|
НПН2-60
|
60/50
|
|
35
|
Обдирочный
станок
|
14
|
23,6
|
АПВ-4(1×4)
|
в
трубе
|
10
|
НПН2-60
|
60/50
|
|
36
|
Электромолот
|
12
|
20,3
|
АПВ-4(1×3)
|
в
трубе
|
19
|
НПН2-60
|
60/50
|
|
37
|
Сверлильный
станок
|
6
|
10,1
|
АПВ-4(1×2,5)
|
в
трубе
|
10
|
ПН2-100
|
100/30
|
|
38
|
Поворотный
кран
|
8
|
13,5
|
АПВ-4(1×2,5)
|
в
трубе
|
3
|
ПН2-100
|
100/30
|
|
39
|
Нагревательная
плита
|
20
|
30,4
|
АПВ-4(1×8)
|
в
трубе
|
3
|
ПН2-100
|
100/40
|
|
40
|
Вентилятор
горна
|
14
|
23,6
|
АПВ-4(1×4)
|
в
трубе
|
10
|
ПН2-100
|
100/50
|
*Выбранные сечения проводов проверены по условию
согласования с аппаратом защиты
Рис. 4. Схема силовой сети кузнечного цеха8.3.
Построения эпюры отклонений напряжения для цепочки линий от шин ГПП до зажимов
одного наиболее удалённого от цеховой ТП электроприёмника для режимов
максимальных и минимальных нагрузок
Отклонение напряжения - разность между
фактическим и номинальным напряжением, %.
Падение напряжения - геометрическая разность
между напряжением в начале и конце линии.
Потеря напряжения - арифметическая разность
между напряжением в начале и конце линии.
Основные расчётные выражения:
где
-
отклонение напряжения на соответствующем участке сети %;
- поток активной
мощности, передаваемый по соответствующему участку сети, кВт;
- поток реактивной
мощности, передаваемый по соответствующему участку сети, кВАр;
- активное
сопротивление линии соответствующего участка сети, мОм,
здесь
-
удельное активное сопротивление линии соответствующего участка сети,
Ом/км, принимаемое, согласно справочной
литературе [1, тср.139],
- длина линии
соответствующего участка сети, км;
- напряжение в
начале соответствующего участка сети, кВ;
- отклонение
напряжения на цеховом трансформаторе %;
- фактический
коэффициент загрузки цехового трансформатора,
здесь
-
поток мощности, предаваемый через цеховой трансформатор, кВА,
- номинальная
мощность цехового трансформатора, кВА;
- активная
составляющая напряжения короткого замыкания цехового трансформатора, %,
здесь
-
потери активной мощности при КЗ, кВт, принимаем согласно [1, стр.215];
- реактивная
составляющая напряжения короткого замыкания цехового трансформатора, %,
здесь
-
напряжение короткого замыкания, %, принимаем согласно справочной литературе [1,
стр.218];
- коэффициент
мощности для вторичной нагрузки цехового трансформатора,
здесь
-
поток активной мощности, передаваемой через цеховой трансформатор, кВт,
- поток реактивной
мощности, передаваемой через цеховой трансформатор, кВАр,
-
потери активной мощности в цеховом трансформаторе, кВт,
- потери реактивной
мощности в цеховом трансформаторе, кВАр;
-соответствующий
синус
для вторичной нагрузки цехового трансформатора.
Расчет максимального режима:
Участок 1-2:
Или в вольтах:
Участок 2-3:
С учетом потерь в обмотке ВН напряжение ВН:
Перерасчет напряжения НН:
Участок 3-4:
Или в вольтах:
Участок 4-5:
Или в вольтах:
Участок 5-6:
Или в вольтах:
Расчет минимального режима:
Для минимального режима необходим годовой график
активной и реактивной нагрузок, в качестве такого графика, используя справочную
литературу [6, стр.21], принимаем характерный суточный график нагрузок
ремонтно-механических заводов, представленный ниже.
Рис. 5. Характерные суточные графики нагрузок
ремонтно-механических заводов
Участок 1-2:
Или в вольтах:
Участок 2-3:
С учетом потерь в обмотке ВН напряжение ВН:
Перерасчет напряжения НН:
Участок 3-4:
Или в вольтах:
Участок 4-5:
Или в вольтах:
Участок 5-6:
Или в вольтах:
Расчёты для построения эпюры отклонений
напряжения для максимального и минимального режимов систематизируем в виде
таблицы, представленной ниже.
Таблица 18 - Расчётные данные для построения
эпюры отклонений напряжения
|
Максимальный
режим
|
Минимальный
режим
|
|
Р12,
кВт
|
381,6
|
141,19
|
|
Q12,
кВАр
|
201,3
|
110,72
|
|
ΔU12,%
|
0,07
|
|
ΔU12,В
|
10,71
|
4,2
|
|
βm
|
0,68
|
0,28
|
|
Uа
|
1,35
|
1,35
|
|
Uр
|
5,33
|
5,33
|
|
сosφ2
|
0,92
|
0,83
|
|
sinφ2
|
0,39
|
0,56
|
|
ΔU23
=ΔUm,%
|
2,24
|
1,15
|
|
ΔU23
=ΔUm,В
|
140,88
|
68,95
|
|
Р34,
кВт
|
59,58
|
22,04
|
|
Q34,
кВАр
|
69,26
|
38,09
|
|
ΔU34,%
|
0,44
|
0,2
|
|
ΔU34,В
|
1,72
|
0,75
|
|
Р45,
кВт
|
54,1
|
20,02
|
|
Q45,
кВАр
|
43,58
|
23,97
|
|
ΔU45,%
|
1,04
|
0,44
|
|
ΔU45,В
|
4,04
|
1,65
|
|
Р56,
кВт
|
19,0
|
19,0
|
|
Q56,
кВАр
|
9,2
|
9,2
|
|
ΔU56,%
|
1,09
|
1,16
|
|
ΔU56,В
|
4,2
|
4,33
|
Рис. 6. Эпюры отклонений напряжения
.3 Расчёт токов короткого замыкания для участка
цеховой сети от ТП до наиболее мощного электроприёмника цеха
Расчёт токов КЗ в сети до 1000 В обладает
следующими особенностями:
принимаем мощность системы
,
что правомерно
При этом напряжение
на шинах подстанции считается неизменным при КЗ в сети до 1000 В;
при расчёте учитываются все активные и
реактивные сопротивления до точки КЗ всех элементов сети: силовой
трансформатор, сопротивление токовой катушки автоматического выключателя и
переходное сопротивление контактов, сопротивление первичной обмотки
трансформаторов тока, сопротивление проводов и кабелей;
расчёт ведётся в именованных единицах,
напряжение берётся на 5% выше номинального напряжения сети. Принимаем U = 400
В, действующая величина тока короткого замыкания
.
Рис. 7. Расчётная схема для участка цеховой сети
0,4 кВ ТП - ЭП №18
Расчёт токов для точки К1:
- активное
сопротивление трансформатора;
- активная
составляющая напряжения КЗ;
% - реактивная
составляющая напряжения КЗ;
- активное
сопротивление трансформатора;
;
(кА);
Согласно [1, стр.128] принимаем
;
.
Расчёт токов для точки К2:
Принимаем для автоматического выключателя,
согласно [2, стр.63] следующие величины:
- активное
сопротивление токовой катушки автоматического выключателя;
- реактивное
сопротивление токовой катушки автоматического выключателя;
- переходное
сопротивление контактов.
Для трансформатора тока, согласно [2, стр.63]
при коэффициенте трансформации Кт=200/5 принимаем следующие величины:
- активное
сопротивление первичной обмотки трансформатора тока;
- реактивное
сопротивление первичной обмотки трансформатора тока.
Для кабеля АНРГ-(3×185+1×50)
рассчитаем
активное и реактивное сопротивления:
;
;
;
Согласно [1, стр.128] принимаем
;
.
Расчёт токов для точки К3:
Для провода АПВ- 4(1×35)
рассчитаем
активное и реактивное сопротивления:
;
;
;
;
;
Согласно [1, стр.128] принимаем
;
.
.4 Построение карты селективности действия
аппаратов защиты для участка цеховой сети 0,4 кВ от вводного автомата на
подстанции до электроприёмника
Карта селективности действия аппаратов защиты
строиться в логарифмической системе координат и служит для проверки
правильности выбора аппаратов зашиты. На карту селективности наносятся:
номинальный и пусковой токи электроприёмника;
расчётный и пиковый ток силового
распределительного шкафа;
расчётный и пиковый ток подстанции;
защитные характеристики защитных аппаратов
(автоматических выключателей и предохранителя);
значения токов КЗ в сети 0,4 кВ.
Защитные характеристики автоматических
выключателей, которые необходимо использовать для построения карты
селективности действия аппаратов защиты приведены в справочной литературе [3,
стр.88].
Таблица 19 - Данные для построения карты
селективности действия аппаратов защиты
|
Электроприёмник
|
Силовой
распределительный шкаф ШР №2
|
Подстанция
ТП-3
|
Значение
тока КЗ в соотв. точках, кА
|
|
Расчётный
ток, А
|
|
203,8
|
957,2
|
16,53
|
14,8
|
6,66
|
|
Пиковый
ток, А
|
|
604,7
|
1358,4
|
|
|
|
|
Номинальный
ток, А
|
84,4
|
|
|
|
|
|
|
Пусковой
ток, А
|
422,0
|
|
|
|
|
|
Таблица 20 - Данные для построения карты
селективности действия аппаратов защиты
|
Наименование
аппарата защиты
|
Номинальный
ток расцепителя, А
|
Номинальный
ток срабатывания уставки в зоне КЗ, А
|
Номинальный
ток плавкой вставки, А
|
|
ВА85-41
|
1000
|
2000
|
|
|
ВА57-35
|
250
|
1000
|
|
|
ПН2-250
|
|
|
200
|
Заключение
В данной выпускной работе произведен полный
расчет электроснабжения кузнечного цеха химического комбината.
По техническим соображениям выбрано напряжение
питающей сети 35 кВ. Электроснабжение вагоноремонтного завода осуществляется от
подстанции энергосистемы по двум воздушным ЛЭП-35 кВ, выполненных проводом
АС-50 на металлических двухцепных опорах.
По расчетным электрическим нагрузкам произведен
выбор числа и мощности трансформаторов ГПП и трансформаторов цеховых ТП. На ГПП
установлены два двухобмоточных трансформатора марки ТД-6300/35. ГПП
располагается на территории предприятия со смещением от центра электрических
нагрузок в сторону источника питания. В цехах установлено 6 комплектных
трансформаторных подстанций с трансформаторами марки ТМ-630/6.
Более детально рассмотрен расчет кузнечного
цеха. В цехе установлена однотрансформаторная КТП-3, питание которой
осуществляется кабельной линией марки АСБ-(3х50), проложенной в траншее.
Приемники цеха распределены по пунктам питания:
силовым распределительным шкафам серии ШР11. Принята смешанная схема питающей
сети. Были определены расчетные нагрузки цеха по пунктам питания, выбраны
кабели и защитные аппараты.
Произведен расчет питающей и распределительной
сети по условиям допустимой потере напряжения и построены эпюры отклонения
напряжения для цепочки линий от шин ГПП до зажимов наиболее удаленного
электроприемника для режимов максимальной и минимальной нагрузок. Произведен
расчет токов короткого замыкания для участка цеховой сети от ТП до наиболее
мощного электроприемника цеха и построена карта селективности действия аппаратов
защиты.
Список литературы
1.
Справочник по проектированию электроснабжения/под ред. Ю.Г. Барыбина и др. -
М.: Энергоатомиздат, 1990. - 576 с. - (Электроустановки промышленных
предприятий/Под общ. ред. Ю.Н. Тищенко и др.)
.
Барченко Т.Н., Закиров Р.И. Электроснабжение промышленных предприятий. Учебное
пособие к курсовому проекту. Томск, изд. ТПИ им. С.М.Кирова,1988. - 96 с.
.
Гаврилин А.И., Обухов С.Г., Озга А.И. Электроснабжение промышленных
предприятий. Методические указания к выполнению выпускной работы бакалавра для
студентов направления 551700 - «Электроэнергетика» - Томск: Изд.
ТПУ,2004.-112с.
.
Коновалова Л.Л., Рожкова Л.Д. Электроснабжение промышленных предприятий.
Учебное пособие для техникумов. - М: Энергоатомиздат, 1989. - 528с.: ил.
.
Постников Н.П., Рубашов Г.М. Электроснабжение промышленных предприятий. Учебник
для техникумов. - Л.: Стройиздат, Ленингр. Отделение, 1980.-376с.,ил
.
Кабышев А.В., Обухов С.Г. Расчет и проектирование систем электроснабжения:
Справочные материалы по электрооборудованию: Учеб. пособие / ТПУ. - Томск,
2005. - 168 с.