|
Токоприемник
|
Кс
|
Cos φ
|
tg φ
|
|
Станки-качалки
|
0,7
|
0,6
|
1,33
|
|
Электропогружные насосы
|
1,2
|
0,6
|
1,33
|
|
Перекачка нефти
|
0,85
|
0,85
|
0,62
|
|
Административное здание
|
0,6
|
0,8
|
0,75
|
|
Насосная
|
0,75
|
0,8
|
0,75
|
|
Ремонтно-механический цех
|
0,3
|
0,6
|
1,33
|
Расчет мощностей
подстанций. Расчет мощностей подстанции Городецк. Расчет мощностей подстанции
Городецк фидер 4
Определяем активную расчетную
мощность ТП 4-1
Определяем реактивную
расчетную мощность ТП 4-1
Определяем активную
расчетную мощность ТП 4-3
Определяем реактивную
расчетную мощность ТП 4-3
Определяем активную
расчетную мощность ТП 4-4
Определяем реактивную
расчетную мощность ТП 4-4
Определяем активную
расчетную мощность ТП 4-5
Определяем реактивную
расчетную мощность ТП 4-5
Определяем активную
расчетную мощность ТП 4-13
Определяем реактивную
расчетную мощность ТП 4-13
Определяем активную
расчетную мощность ТП 4-14
Определяем реактивную
расчетную мощность ТП 4-14
Определяем активную
расчетную мощность ТП 4-16
Определяем реактивную
расчетную мощность ТП 4-16
Определяем активную
расчетную мощность ТП 4-19
Определяем реактивную
расчетную мощность ТП 4-19
Определяем активную
расчетную мощность фидера 4
Определяем реактивную
расчетную мощность фидера 4
Определяем расчетную
полную мощность фидера 4
Расчет мощностей
подстанции Городецк фидер 5
Определяем активную расчетную
мощность ТП 5-1
Определяем реактивную
расчетную мощность ТП 5-1
Определяем активную
расчетную мощность ТП 5-2
Определяем реактивную
расчетную мощность ТП 5-2
Определяем активную
расчетную мощность ТП 5-3
Определяем реактивную
расчетную мощность ТП 5-3
Определяем активную
расчетную мощность ТП 5-4
Определяем реактивную
расчетную мощность ТП 5-4
Определяем активную
расчетную мощность ТП 5-5
Определяем реактивную
расчетную мощность ТП 5-5
Определяем активную
расчетную мощность ТП 5-6
Определяем реактивную
расчетную мощность ТП 5-6
Определяем активную
расчетную мощность ТП 5-7
Определяем реактивную
расчетную мощность ТП 5-7
Определяем активную
расчетную мощность ТП 5-8
Определяем реактивную
расчетную мощность ТП 5-8
Определяем активную
расчетную мощность ТП 5-9
Определяем реактивную
расчетную мощность ТП 5-9
Определяем активную
расчетную мощность ТП 5-10
Определяем реактивную
расчетную мощность ТП 5-10
Определяем активную
расчетную мощность ТП 5-11
Определяем реактивную
расчетную мощность ТП 5-11
Определяем активную
расчетную мощность ТП 5-12
Определяем реактивную
расчетную мощность ТП 5-12
Определяем активную
расчетную мощность фидера 5
Определяем реактивную
расчетную мощность фидера 5
Определяем расчетную
полную мощность фидера 5
Расчет мощностей
подстанции Городецк фидер 6
Определяем активную расчетную
мощность ТП 6-1
Определяем реактивную
расчетную мощность ТП 6-1
Определяем активную
расчетную мощность ТП 6-2
Определяем реактивную
расчетную мощность ТП 6-2
Определяем активную
расчетную мощность ТП 6-3
Определяем реактивную
расчетную мощность ТП 6-3
Определяем активную
расчетную мощность ТП 6-4
Определяем реактивную
расчетную мощность ТП 6-4
Определяем активную
расчетную мощность ТП 6-5
Определяем реактивную
расчетную мощность ТП 6-5
Определяем активную
расчетную мощность ТП 6-6
Определяем реактивную
расчетную мощность ТП 6-6
Определяем активную
расчетную мощность ТП 6-7
Определяем реактивную
расчетную мощность ТП 6-7
Определяем активную
расчетную мощность фидера 6
Определяем реактивную
расчетную мощность фидера 6
Определяем расчетную
полную мощность фидера 6
Расчет мощностей
подстанции Городецк фидер 7
Определяем активную
расчетную мощность ТП 7-3
Определяем реактивную
расчетную мощность ТП 7-3
Определяем активную
расчетную мощность ТП 7-4
Определяем реактивную
расчетную мощность ТП 7-4
Определяем активную
расчетную мощность ТП 7-7
Определяем реактивную
расчетную мощность ТП 7-7
Определяем активную
расчетную мощность ТП 7-8
Определяем реактивную
расчетную мощность ТП 7-8
Определяем активную
расчетную мощность ТП 7-9
Определяем реактивную
расчетную мощность ТП 7-9
Определяем активную
расчетную мощность ТП 7-10
Определяем реактивную
расчетную мощность ТП 7-10
Определяем активную
расчетную мощность ТП 7-11
Определяем реактивную
расчетную мощность ТП 7-11
Определяем активную
расчетную мощность ТП 7-14
Определяем реактивную
расчетную мощность ТП 7-14
Определяем активную
расчетную мощность ТП 7-15
Определяем реактивную
расчетную мощность ТП 7-15
Определяем активную
расчетную мощность ТП 71
Определяем реактивную
расчетную мощность ТП 71
Определяем активную
расчетную мощность ТП 72
Определяем реактивную
расчетную мощность ТП 72
Определяем активную
расчетную мощность ТП 75
Определяем реактивную
расчетную мощность ТП 75
Определяем активную
расчетную мощность ТП 76
Определяем реактивную
расчетную мощность ТП 76
Определяем активную
расчетную мощность фидера 7
Определяем реактивную
расчетную мощность фидера 7
Определяем расчетную
полную мощность фидера 7
Расчет мощностей
подстанции Городецк фидер 8
Определяем активную
расчетную мощность ТП 8-1
Определяем реактивную
расчетную мощность ТП 8-1
Определяем активную
расчетную мощность ТП 8-2
Определяем реактивную
расчетную мощность ТП 8-2
Определяем активную
расчетную мощность ТП 8-3
Определяем реактивную
расчетную мощность ТП 8-3
Определяем активную
расчетную мощность ТП 8-5
Определяем реактивную
расчетную мощность ТП 8-5
Определяем активную
расчетную мощность ТП 8-6
Определяем реактивную
расчетную мощность ТП 8-6
Определяем активную
расчетную мощность ТП 8-7
Определяем реактивную
расчетную мощность ТП 8-7
Определяем активную
расчетную мощность ТП 8-8

Определяем активную
расчетную мощность ТП 8-9
Определяем реактивную
расчетную мощность ТП 8-9
Определяем активную
расчетную мощность ТП 8-10
Определяем реактивную
расчетную мощность ТП 8-10
Определяем активную
расчетную мощность ТП 8-11
Определяем реактивную
расчетную мощность ТП 8-11
Определяем активную
расчетную мощность ТП 8-12
Определяем реактивную
расчетную мощность ТП 8-12
Определяем активную
расчетную мощность ТП 8-13
Определяем реактивную
расчетную мощность ТП 8-13
Определяем активную
расчетную мощность ТП 8-14
Определяем реактивную
расчетную мощность ТП 8-14
Определяем активную
расчетную мощность ТП 8-15
Определяем реактивную
расчетную мощность ТП 8-15
Определяем активную
расчетную мощность ТП 8-16
Определяем реактивную
расчетную мощность ТП 8-16
Определяем активную
расчетную мощность фидера 8
Определяем реактивную
расчетную мощность фидера 8
Определяем расчетную
полную мощность фидера 8
Расчет мощностей
подстанции Городецк фидер 14
Определяем активную
расчетную мощность ТП 14-1
Определяем реактивную
расчетную мощность ТП 14-1
Определяем активную
расчетную мощность ТП 14-2
Определяем реактивную
расчетную мощность ТП 14-2
Определяем активную
расчетную мощность ТП 14-3
Определяем реактивную
расчетную мощность ТП 14-3
Определяем активную
расчетную мощность ТП 14-4
Определяем реактивную
расчетную мощность ТП 14-4
Определяем активную
расчетную мощность ТП 14-5
Определяем реактивную
расчетную мощность ТП 14-5
Определяем активную
расчетную мощность ТП 14-6
Определяем реактивную
расчетную мощность ТП 14-6
Определяем активную
расчетную мощность ТП 14-7
Определяем реактивную
расчетную мощность ТП 14-7
Определяем активную
расчетную мощность ТП 14-8
Определяем реактивную
расчетную мощность ТП 14-8
Определяем активную
расчетную мощность ТП 14-9
Определяем реактивную
расчетную мощность ТП 14-9
Определяем активную
расчетную мощность ТП 14-10
Определяем реактивную
расчетную мощность ТП 14-10
Определяем активную
расчетную мощность ТП 14-11
Определяем реактивную
расчетную мощность ТП 14-11
Определяем активную
расчетную мощность ТП 14-14
Определяем реактивную
расчетную мощность ТП 14-14
Определяем активную
расчетную мощность ТП 14-15
Определяем реактивную
расчетную мощность ТП 14-15
Определяем активную
расчетную мощность фидера 14
Определяем реактивную
расчетную мощность фидера 14
Определяем расчетную
полную мощность фидера 14
Расчет мощностей
подстанции Городецк фидер 16
Определяем активную расчетную
мощность ТП 16-2
Определяем реактивную
расчетную мощность ТП 16-2
Определяем активную
расчетную мощность ТП 16-3
Определяем реактивную
расчетную мощность ТП 16-3
Определяем активную
расчетную мощность ТП 16-4
Определяем реактивную
расчетную мощность ТП 16-4
Определяем активную
расчетную мощность ТП 16-9
Определяем реактивную
расчетную мощность ТП 16-9
Определяем активную
расчетную мощность ТП 16-10
Определяем реактивную
расчетную мощность ТП 16-10
Определяем активную
расчетную мощность ТП 16-11
Определяем реактивную
расчетную мощность ТП 16-11
Определяем активную
расчетную мощность ТП 16-12
Определяем реактивную
расчетную мощность ТП 16-12
Определяем активную
расчетную мощность ТП 16-13
Определяем реактивную
расчетную мощность ТП 16-13
Определяем активную
расчетную мощность ТП 16-14
Определяем реактивную
расчетную мощность ТП 16-14
Определяем активную
расчетную мощность ТП 16-15
Определяем реактивную
расчетную мощность ТП 16-15
Определяем активную
расчетную мощность ТП 16-16
Определяем реактивную
расчетную мощность ТП 16-16
Определяем активную
расчетную мощность ТП 16-17
Определяем реактивную
расчетную мощность ТП 16-17
Определяем активную
расчетную мощность ТП 16-18
Определяем реактивную
расчетную мощность ТП 16-18
Определяем активную
расчетную мощность фидера 16
Определяем реактивную расчетную
мощность фидера 16
Определяем расчетную
полную мощность фидера 16
Расчет мощностей
подстанции Городецк фидер 17
Определяем активную
расчетную мощность ТП 17-1
Определяем реактивную
расчетную мощность ТП 17-1
Определяем активную
расчетную мощность ТП 17-2
Определяем реактивную
расчетную мощность ТП 17-2
Определяем активную расчетную
мощность ТП 17-4
Определяем реактивную
расчетную мощность ТП 17-4
Определяем активную
расчетную мощность ТП 17-5
Определяем реактивную
расчетную мощность ТП 17-5
Определяем активную
расчетную мощность ТП 17-6
Определяем реактивную
расчетную мощность ТП 17-6
Определяем активную
расчетную мощность фидера 17
Определяем реактивную расчетную
мощность фидера 17
Определяем расчетную
полную мощность фидера 17
Расчет мощностей
подстанции Городецк фидер 18
Определяем активную
расчетную мощность ТП 18-2
Определяем реактивную
расчетную мощность ТП 18-2
Определяем активную
расчетную мощность ТП 18-3
Определяем реактивную
расчетную мощность ТП 18-3
Определяем активную
расчетную мощность ТП 18-4
Определяем реактивную
расчетную мощность ТП 18-4
Определяем активную
расчетную мощность ТП 18-5
Определяем реактивную
расчетную мощность ТП 18-5
Определяем активную
расчетную мощность ТП 18-6
Определяем реактивную
расчетную мощность ТП 18-6
Определяем активную
расчетную мощность ТП 18-7
Определяем реактивную
расчетную мощность ТП 18-7
Определяем активную
расчетную мощность ТП 18-8
Определяем реактивную
расчетную мощность ТП 18-8
Определяем активную
расчетную мощность ТП 18-9
Определяем реактивную
расчетную мощность ТП 18-9
Определяем активную
расчетную мощность ТП 18-10
Определяем реактивную
расчетную мощность ТП 18-10
Определяем активную
расчетную мощность ТП 18-11
Определяем реактивную
расчетную мощность ТП 18-11
Определяем активную
расчетную мощность ТП 18-12
Определяем реактивную
расчетную мощность ТП 18-12
Определяем активную
расчетную мощность ТП 18-13
Определяем реактивную
расчетную мощность ТП 18-13
Определяем активную
расчетную мощность ТП 18-14
Определяем реактивную
расчетную мощность ТП 18-14
Определяем активную
расчетную мощность ТП 18-15
Определяем реактивную
расчетную мощность ТП 18-15
Определяем активную
расчетную мощность ТП 18-16
Определяем реактивную
расчетную мощность ТП 18-16
Определяем активную
расчетную мощность фидера 18
Определяем реактивную
расчетную мощность фидера 18
Определяем расчетную полную мощность
фидера 18
Определяем расчетную
полную мощность подстанции Городецк
В дальнейшем расчет
подстанций аналогичен. Полученные данные заносим в таблицы
Таблица 7 - Расчетные
нагрузки фидеров по подстанциям.
|
№ п/п
|
Подстанция
|
№ фидера
|
Р, кВт
|
Q, кВАР
|
S, кВА
|
|
I
|
Городецк
|
|
|
|
|
|
1
|
|
4
|
615,57
|
818,71
|
1024,31
|
|
2
|
|
5
|
1016,77
|
1352,3
|
1691,9
|
|
3
|
|
6
|
793,39
|
1055,2
|
1320,19
|
|
4
|
|
7
|
1293,87
|
1720,85
|
2153
|
|
5
|
|
8
|
1630,9
|
2169,1
|
2713,82
|
|
6
|
|
14
|
1007,85
|
1340,42
|
1677,05
|
|
7
|
|
16
|
1423,41
|
1892,68
|
2368,19
|
|
8
|
|
17
|
514,59
|
684,41
|
856,28
|
|
9
|
|
18
|
1128,8
|
1501,3
|
1878,32
|
|
II
|
Еременка
|
|
|
|
|
|
10
|
|
1
|
1506,46
|
1966,6
|
2477,28
|
|
11
|
|
12
|
1169,18
|
1560,11
|
1949,6
|
|
12
|
|
18
|
352,88
|
468,89
|
586,84
|
|
III
|
Знаменка
|
|
|
|
|
|
13
|
|
4
|
456,88
|
295,7
|
544,22
|
|
14
|
|
5
|
1422,09
|
1891,38
|
2366,36
|
|
15
|
|
6
|
216,75
|
134,39
|
255,03
|
|
16
|
|
7
|
1684,06
|
2239,64
|
2802,15
|
|
17
|
|
8
|
1777,78
|
2958,22
|
|
18
|
|
14
|
1109,36
|
1475,57
|
1846,07
|
|
19
|
|
15
|
1183,07
|
1573,49
|
1968,64
|
|
20
|
|
16
|
1251,63
|
788,44
|
1479,26
|
|
21
|
|
17
|
216,75
|
134,39
|
255,03
|
|
22
|
|
18
|
570,65
|
758,96
|
949,56
|
|
IV
|
Тураево
|
|
|
|
|
|
23
|
|
1
|
199,07
|
264,77
|
331,26
|
|
24
|
|
7
|
1945,91
|
2588,07
|
3238
|
|
25
|
|
12
|
1501,87
|
1997,5
|
2499,12
|
|
26
|
|
18
|
214,2
|
284,89
|
356,43
|
|
V
|
Яновка
|
|
|
|
|
|
27
|
|
1
|
531,76
|
707,24
|
884,85
|
|
28
|
|
7
|
1270,75
|
1690,09
|
2114,52
|
|
29
|
|
12
|
908,48
|
1208,28
|
1511,71
|
|
30
|
|
17
|
1968,26
|
2617,8
|
3275,2
|
|
31
|
|
18
|
815,49
|
1084,59
|
1356,97
|
Таблица 8 - Расчетные мощности
подстанций района нефтедобычи.
|
№ п/п
|
Подстанция
|
S, кВА
|
|
I
|
Городецк
|
15683,06
|
|
II
|
Еременка
|
5013,72
|
|
III
|
Знаменка
|
15029,39
|
|
IV
|
Тураево
|
6374,81
|
|
V
|
Яновка
|
9143,25
|
Расчет мощности
трансформаторов. Расчет мощности трансформаторов подстанции Городецк
Проверяем правильность
расчета
Принимаем номинальную
мощность трансформатора
(2шт.)
Таблица 9 - Технические
данные трансформатора подстанции Городецк.
|
Тип
|
Номинальная мощность, МВА
|
Потери, кВт
|
Ток ХХ, Iхх %
|
Напряжение КЗ, uк %
|
|
|
ХХ
|
КЗ
|
|
|
|
ТДН-16000/110
|
16
|
18
|
85
|
0,7
|
10,5
|
Расчет мощности
трансформаторов подстанции Еременка
Проверяем правильность
расчета
Принимаем номинальную
мощность трансформатора
(2
шт.)
Таблица 10 - Технические данные
трансформатора подстанции Еременка.
|
Тип
|
Номинальная мощность, МВА
|
Потери, кВт
|
Ток ХХ, Iхх %
|
Напряжение КЗ, uк %
|
|
|
ХХ
|
КЗ
|
|
|
|
ТМН-6300/110
|
6,3
|
11,5
|
44
|
0,8
|
10,5
|
Расчет мощности трансформаторов
подстанции Знаменка
Проверяем правильность
расчета
Принимаем номинальную
мощность трансформатора
(2
шт.)
Таблица 11 - Технические
данные трансформатора подстанции Знаменка.
|
Тип
|
Номинальная мощность, МВА
|
Потери, кВт
|
Ток ХХ, Iхх %
|
Напряжение КЗ, uк %
|
|
|
ХХ
|
КЗ
|
|
|
|
ТДН-16000/110
|
16
|
18
|
85
|
0,7
|
10,5
|
Расчет мощности
трансформаторов подстанции Тураево
Проверяем правильность
расчета
Принимаем номинальную
мощность трансформатора
(2
шт.)
Таблица 12 - Технические
данные трансформатора подстанции Тураево.
|
Тип
|
Номинальная мощность, МВА
|
Потери, кВт
|
Ток ХХ, Iхх %
|
Напряжение КЗ, uк %
|
|
|
ХХ
|
КЗ
|
|
|
|
ТМН-6300/110
|
6,3
|
11,5
|
44
|
0,8
|
10,5
|
Расчет мощности
трансформаторов подстанции Яновка
Проверяем правильность
расчета
Принимаем номинальную
мощность трансформатора
(2
шт.)
Таблица 13 - Технические данные
трансформатора подстанции Яновка.
|
Тип
|
Номинальная мощность, МВА
|
Потери, кВт
|
Ток ХХ, Iхх %
|
Напряжение КЗ, uк %
|
|
|
ХХ
|
КЗ
|
|
|
|
ТДН-10000/110
|
10
|
14
|
60
|
0,7
|
10,5
|
Выбор схемы и
конфигурации силовой цепи
Подстанции Городецк, Еременка,
Знаменка, Тураево, Яновка.
Выбираем схему РУ 110/10 кВ
двухтрансформаторной тупиковой подстанции в виде двух блоков с двумя секциями
шин, выключателями с разъединителями и не автоматической перемычкой со стороны
линии.
Рисунок 1 - Схема подстанции 110/10
кВ.
Выбираем схему подстанции 110/10 кВ.
Рисунок 2 - Схема РУ 110/10 кВ.
Расчет токовых нагрузок.
Расчет токовых нагрузок на подстанции Городецк
Определяем ток фидера Ф-4
Определяем ток фидера
Ф-5
Определяем ток фидера
Ф-6
Определяем ток фидера
Ф-7
Определяем ток фидера
Ф-8
Определяем ток фидера
Ф-14
Определяем ток фидера
Ф-16
Определяем ток фидера Ф-17
Определяем ток фидера
Ф-18
Определяем ток ввода №1,
ввода №2, секционного выключателя, разъединителя при протекании всей мощности
по аварийному току трансформатора на стороне 10 кВ
В дальнейшем расчет
аналогичен. Полученные данные заносим в таблицы
Таблица 14 - Расчетные
данные токовой нагрузки фидеров по подстанциям.
|
№ п/п
|
Подстанция
|
№ фидера
|
S, кВА
|
Iр, А
|
|
I
|
Городецк
|
ввод
|
|
1293
|
|
1
|
|
4
|
1024,31
|
59,14
|
|
2
|
|
5
|
1691,9
|
97,68
|
|
3
|
|
6
|
1320,19
|
76,22
|
|
4
|
|
7
|
2153
|
124,3
|
|
5
|
|
8
|
2713,82
|
156,7
|
|
6
|
|
14
|
1677,05
|
96,8
|
|
7
|
|
16
|
2368,19
|
136,7
|
|
8
|
|
17
|
856,28
|
49,4
|
|
9
|
|
18
|
1878,32
|
108,4
|
|
II
|
Еременка
|
ввод
|
|
509
|
|
10
|
|
1
|
2477,28
|
143
|
|
11
|
|
12
|
1949,6
|
112,6
|
|
12
|
|
18
|
586,84
|
33,88
|
|
III
|
Знаменка
|
ввод
|
|
1293
|
|
13
|
|
4
|
544,22
|
31,4
|
|
14
|
|
5
|
2366,36
|
136,6
|
|
15
|
|
6
|
255,03
|
14,72
|
|
16
|
|
7
|
2802,15
|
161,8
|
|
17
|
|
8
|
2958,22
|
170,8
|
|
18
|
|
14
|
1846,07
|
106,6
|
|
19
|
|
15
|
1968,64
|
113,7
|
|
20
|
|
16
|
1479,26
|
85,4
|
|
21
|
|
17
|
255,03
|
14,7
|
|
22
|
|
18
|
949,56
|
54,8
|
Таблица 14 - Расчетные данные
токовой нагрузки фидеров по подстанциям. (Продолжение).
|
№ п/п
|
Подстанция
|
№ фидера
|
S, кВА
|
Iр, А
|
|
IV
|
Тураево
|
ввод
|
|
509,22
|
|
23
|
|
1
|
331,26
|
19,13
|
|
24
|
|
7
|
3238
|
186,95
|
|
25
|
|
12
|
2499,12
|
144,29
|
|
26
|
|
18
|
356,43
|
|
V
|
Яновка
|
ввод
|
|
808,3
|
|
27
|
|
1
|
884,85
|
51,09
|
|
28
|
|
7
|
2114,52
|
122,1
|
|
29
|
|
12
|
1511,71
|
87,3
|
|
30
|
|
17
|
3275,2
|
189,1
|
|
31
|
|
18
|
1356,97
|
78,3
|
Расчет сечений фидеров.
Расчет сечений фидеров на подстанции Городецк. Расчет сечения фидера 4
Определяем сечение провода
Выбираем провод АС-70/11
По минимальному допустимому сечению
сталеалюминевых проводов ВЛ по условиям механической прочности т.к. республика
Башкортостан имеет VI район по гололеду, то толщина стенки гололеду 35 мм. Сечение
провода должно быть не менее 70 мм2.
Проверяем провод по длительно
допустимому току для аварийной ситуации
Принимаем провод
АС-70/11
Расчет сечения фидера 5
Определяем сечение
провода
Выбираем провод АС-95/16
По минимальному
допустимому сечению сталеалюминевых проводов ВЛ по условиям механической
прочности т.к. республика Башкортостан имеет VI район по гололеду, то толщина
стенки гололеду 35 мм. Сечение провода должно быть не менее 70 мм2.
Проверяем провод по
длительно допустимому току для аварийной ситуации
Принимаем провод
АС-70/11
Расчет сечения фидера 6
Определяем сечение
провода
Выбираем провод АС-70/11
По минимальному
допустимому сечению сталеалюминевых проводов ВЛ по условиям механической
прочности т.к. республика Башкортостан имеет VI район по гололеду, то толщина
стенки гололеду 35 мм. Сечение провода должно быть не менее 70 мм2.
Проверяем провод по
длительно допустимому току для аварийной ситуации
Принимаем провод АС-70/11
Расчет сечения фидера 7
Определяем сечение
провода
Выбираем провод
АС-120/27
По минимальному допустимому сечению
сталеалюминевых проводов ВЛ по условиям механической прочности т.к. республика
Башкортостан имеет VI район по гололеду, то толщина стенки гололеду 35 мм.
Сечение провода должно быть не менее 70 мм2. Проверяем провод по
длительно допустимому току для аварийной ситуации
Принимаем провод
АС-70/11
Расчет сечения фидера 8
Определяем сечение
провода
Выбираем провод
АС-150/24
По минимальному допустимому сечению
сталеалюминевых проводов ВЛ по условиям механической прочности т.к. республика
Башкортостан имеет VI район по гололеду, то толщина стенки гололеду 35 мм. Сечение
провода должно быть не менее 70 мм2. Проверяем провод по длительно
допустимому току для аварийной ситуации
Принимаем провод
АС-70/11
Расчет сечения фидера 14
Определяем сечение
провода
Выбираем провод АС-95/16
По минимальному допустимому сечению
сталеалюминевых проводов ВЛ по условиям механической прочности т.к. республика
Башкортостан имеет VI район по гололеду, то толщина стенки гололеду 35 мм. Сечение
провода должно быть не менее 70 мм2. Проверяем провод по длительно
допустимому току для аварийной ситуации
Принимаем провод
АС-70/11
Расчет сечения фидера 16
Определяем сечение
провода
Выбираем провод
АС-150/24
По минимальному допустимому сечению
сталеалюминевых проводов ВЛ по условиям механической прочности т.к. республика
Башкортостан имеет VI район по гололеду, то толщина стенки гололеду 35 мм. Сечение
провода должно быть не менее 70 мм2. Проверяем провод по длительно
допустимому току для аварийной ситуации
Принимаем провод
АС-70/11
Расчет сечения фидера 17
Определяем сечение
провода
Выбираем провод АС-50/8
По минимальному допустимому сечению
сталеалюминевых проводов ВЛ по условиям механической прочности т.к. республика
Башкортостан имеет VI район по гололеду, то толщина стенки гололеду 35 мм.
Сечение провода должно быть не менее 70 мм2. Проверяем провод по
длительно допустимому току для аварийной ситуации
Принимаем провод
АС-70/11
Расчет сечения фидера 18
Определяем сечение
провода
Выбираем провод
АС-120/27
По минимальному допустимому сечению
сталеалюминевых проводов ВЛ по условиям механической прочности т.к. республика
Башкортостан имеет VI район по гололеду, то толщина стенки гололеду 35 мм. Сечение
провода должно быть не менее 70 мм2. Проверяем провод по длительно
допустимому току для аварийной ситуации
Принимаем провод
АС-70/11
В дальнейшем расчет
аналогичен. Полученные данные заносим в таблицы
Таблица 15 - Расчетные
данные сечения проводов ВЛ фидеров по подстанциям.
|
№ п/п
|
Подстанция
|
№ фидера
|
Iр, А
|
Сечение провода, мм2
|
Длина фидера, км
|
|
I
|
Городецк
|
|
|
|
|
|
1
|
|
4
|
59,14
|
АС 70/11
|
3,9
|
|
2
|
|
5
|
97,68
|
АС 70/11
|
16,4
|
|
3
|
|
6
|
76,22
|
АС 70/11
|
8,25
|
|
4
|
|
7
|
124,3
|
АС 70/11
|
16,85
|
|
5
|
|
8
|
156,7
|
АС 70/11
|
17,3
|
|
6
|
|
14
|
96,8
|
АС 70/11
|
9,5
|
|
7
|
|
16
|
136,7
|
АС 70/11
|
7,8
|
|
8
|
|
17
|
49,4
|
АС 70/11
|
5,2
|
|
9
|
|
18
|
108,4
|
АС 70/11
|
7,1
|
|
II
|
Еременка
|
|
|
|
|
|
10
|
|
1
|
143
|
АС 70/11
|
15,35
|
|
11
|
|
12
|
112,6
|
АС 70/11
|
5,88
|
|
12
|
|
18
|
33,88
|
АС 70/11
|
5,7
|
|
III
|
Знаменка
|
|
|
|
|
|
13
|
|
4
|
31,4
|
АС 70/11
|
0,4
|
|
14
|
|
5
|
136,6
|
АС 70/11
|
13,4
|
|
15
|
|
6
|
14,72
|
АС 70/11
|
1,0
|
|
16
|
|
7
|
161,8
|
АС 70/11
|
17,6
|
|
17
|
|
8
|
170,8
|
АС 70/11
|
14,1
|
|
18
|
|
14
|
106,6
|
АС 70/11
|
16,7
|
|
19
|
|
15
|
113,7
|
АС 70/11
|
8,5
|
|
20
|
|
16
|
85,4
|
АС 70/11
|
0,4
|
|
21
|
|
17
|
14,7
|
АС 70/11
|
0,5
|
|
22
|
|
18
|
54,8
|
АС 70/11
|
6,8
|
|
IV
|
Тураево
|
|
|
|
|
|
23
|
|
1
|
19,13
|
АС 70/11
|
0,3
|
|
24
|
|
7
|
186,95
|
АС 70/11
|
18,1
|
|
25
|
|
12
|
144,29
|
АС 70/11
|
15,2
|
|
26
|
|
18
|
20,58
|
АС 70/11
|
8,4
|
|
V
|
Яновка
|
|
|
|
|
|
27
|
|
1
|
51,09
|
АС 70/11
|
11,35
|
|
28
|
|
7
|
122,1
|
АС 70/11
|
13,85
|
|
29
|
|
12
|
87,3
|
АС 70/11
|
9,7
|
|
30
|
|
17
|
189,1
|
АС 70/11
|
15,45
|
|
31
|
|
18
|
78,3
|
АС 70/11
|
8,4
|
Общая длина провода АС 70/11(ЛЭП 110
кВ и ВЛ 10 кВ):
. Подстанция Городецк-125 км; 2.
Подстанция Еременка-44 км;
. Подстанция Знаменка-95 км; 4.
Подстанция Тураево-58 км;
. Подстанция Яновка-78 км;
Определение потери
напряжения на фидерах подстанций. Определение потери напряжения фидера 8
подстанции Городецк
Конечная группа электроприемников ТП
8-1, 8-13, 8-14, 8-15, 8-16
Определяем активную мощность
конечной группы электроприемников
Определяем потерю
напряжения
Определение потери
напряжения фидера 1 подстанции Еременка
Конечная группа
электроприемников ТП 1-14, 1-15, 1-19, 1-20
Определяем активную
мощность конечной группы электроприемников
Определяем потерю
напряжения

Определение потери
напряжения фидера 7 подстанции Знаменка
Конечная группа
электроприемников ТП 7-14, 7-15, 7-25, 7-26, 7-29
Определяем активную
мощность конечной группы электроприемников
Определяем потерю напряжения

Определение потери
напряжения фидера 7 подстанции Тураево
Конечная группа
электроприемников ТП 7-9, 7-10, 7-13, 7-17, 7-18
Определяем активную
мощность конечной группы электроприемников
Определяем потерю
напряжения

Определение потери
напряжения фидера 17 подстанции Яновка
Конечная группа
электроприемников ТП 17-3, 17-4, 17-11, 17-20, 17-27
Определяем активную
мощность конечной группы электроприемников
Определяем потерю
напряжения

В
дальнейшем расчет аналогичен. Полученные данные заносим в таблицу.
Таблица 16 - Расчетные данные потерь
напряжения фидеров по подстанциям.
|
№ п/п
|
Подстанция
|
№ фидера
|
Потеря напряжения, %
|
|
I
|
Городецк
|
|
|
|
1
|
|
4
|
0,51
|
|
2
|
|
5
|
1,31
|
|
3
|
|
6
|
0,97
|
|
4
|
|
7
|
1,52
|
|
5
|
|
8
|
2,17
|
|
6
|
|
14
|
0,75
|
|
7
|
|
16
|
0,22
|
|
8
|
|
17
|
1,44
|
|
9
|
|
18
|
1,95
|
|
II
|
Еременка
|
|
|
|
10
|
|
1
|
2,31
|
|
11
|
|
12
|
0,12
|
|
12
|
|
18
|
0,57
|
|
III
|
Знаменка
|
|
|
|
13
|
|
4
|
0,11
|
|
14
|
1,46
|
|
15
|
|
6
|
0,12
|
|
16
|
|
7
|
2,18
|
|
17
|
|
8
|
2,08
|
|
18
|
|
14
|
1,7
|
|
19
|
|
15
|
0,16
|
|
20
|
|
16
|
0,28
|
|
21
|
|
17
|
0,11
|
|
22
|
|
18
|
0,95
|
|
IV
|
Тураево
|
|
|
|
23
|
|
1
|
0,1
|
|
24
|
|
7
|
2,87
|
|
25
|
|
12
|
3,6
|
|
26
|
|
18
|
0,84
|
|
V
|
Яновка
|
|
|
|
27
|
|
1
|
1,04
|
|
28
|
|
7
|
2,01
|
|
29
|
|
12
|
0,26
|
|
30
|
|
17
|
1,74
|
|
31
|
|
18
|
1,83
|
Расчет сечений питающей ЛЭП. Расчет сечений питающей ЛЭП подстанция
Городецк
Определяем ток расчетный
Определяем сечение
провода
Выбираем провод АС-70/11
Проверяем провод по
длительно допустимому току для аварийной ситуации
Проверяем провод по
условию коронирования
Определяем максимальное значения
начальной и критической напряженности электрического поля
,
где r0 - радиус провода, см;
Определяем среднее
геометрическое расстояние между проводами фаз
,
где
-
расстояние между соседними фазами, см.
Определяем напряженность
электрического поля около провода
Согласно условию
проверки на корону:
Условие выполняется
В дальнейшем расчет аналогичен. Полученные данные заносим в таблицу.
Таблица 17 - Расчетные
сечения и токи ЛЭП 110 кВ подстанций.
|
№ п/п
|
Подстанция
|
Iр, А
|
Iра, А
|
Сечение, мм2
|
|
I
|
Городецк
|
41,157
|
82,31
|
АС 70/11
|
|
II
|
Еременка
|
13,158
|
26,32
|
АС 70/11
|
|
III
|
Знаменка
|
39,442
|
78,884
|
АС 70/11
|
|
IV
|
Тураево
|
16,73
|
33,46
|
АС 70/11
|
|
V
|
Яновка
|
23,995
|
47,99
|
АС 70/11
|
Электрический расчет
линии электропередачи 110кВ. Электрический расчет линии электропередачи 110кВ
подстанции Городецк
Рисунок 3 - Схема замещения ЛЭП и
трансформатора
где: rл, xл - активное и индуктивное сопротивление линии, Ом; rт,
xт - активное и
индуктивное сопротивление трансформатора, Ом; Gт, Bт -активная и индуктивная
проводимость трансформатора, См; Вл - емкостная проводимость
линии, См; SГПП - мощность на шинах
10кВ, МВА.
Определяем активное сопротивление
двухцепной линии
,
где r0 - активное сопротивление одного километра линии, Ом/км; l - длина линии, км.
Определяем индуктивное сопротивление
двухцепной линии
,
где x0 - индуктивное сопротивление одного километра двухцепной линии,
Ом/км.
Определяем емкостную
проводимость двухцепной линии
,
где В0
- емкостная проводимость одного километра линии, См/км;
.
Определяем активное
сопротивление двух трансформаторов, электрически связанных на стороне 110 кВ
,
где DРм
- потери мощности при коротком замыкании, кВт (потери активной мощности в
меди); Sн - номинальная мощность трансформатора, кВА; Uн - номинальное напряжение основного вывода трансформатора, кВ.
Определяем индуктивное
сопротивление двух трансформаторов, электрически связанных на стороне 110 кВ
,
где Uк - напряжение короткого замыкания трансформатора, %;
Определяем проводимости трансформаторов

где DРст
- потери активной мощности в стали трансформатора, приближенно равные потерям
мощности при холостом ходе, кВт; I0
- ток холостого хода, %.
Определяем зарядную
емкостную мощность двухцепной линии
Определяем потери
мощности в обмотках и проводимостях трансформаторов для ГПП
Определяем потери
реактивной мощности в стали трансформатора
Определяем потери
мощности в проводимостях трансформаторов
Определяем мощность в
начале расчетного звена трансформаторов
Определяем мощность подводимую
к трансформаторам
Определяем мощность
линии в конце передачи
Определяем потери
мощности в сопротивлениях линии
Определяем мощность в
начале линии
В дальнейшем расчет аналогичен. Полученные данные заносим в таблицу.
Таблица 18 - Расчетные
данные электрического расчета ЛЭП 110 кВ по подстанциям.
|
ТП
|
Городецк
|
Еременка
|
Знаменка
|
Тураево
|
Яновка
|
|
rЛ
|
1,26
|
1,554
|
1,512
|
1,764
|
1,806
|
|
хЛ
|
1,275
|
1,573
|
1,53
|
1,785
|
1,828
|
|
ВЛ
|
3,216·10-5
|
3,966·10-5
|
3,86·10-5
|
4,502·10-5
|
4,61·10-5
|
|
rТ
|
2,009
|
6,707
|
2,009
|
6,707
|
3,63
|
|
хТ
|
39,709
|
100,833
|
39,709
|
100,833
|
63,525
|
|
GТ
|
3,14·10-6
|
1,901·10-6
|
3,14·10-6
|
1,901·10-6
|
2,314·10-6
|
|
ВТ
|
1,851·10-5
|
8,331·10-6
|
1,851·10-5
|
8,331·10-6
|
1,157·10-5
|
|
Qс
|
0,389
|
0,48
|
0,467
|
0,545
|
0,558
|
|
0,0408+j0,8070,0139+j0,2090,0375+j0,7410,0225+j0,3390,025+j0,439
|
|
|
|
|
|
|
0,1120,05040,1120,05040,07
|
|
|
|
|
|
|
0,038+j0,2240,023+j0,1010,038+j0,2240,023+j0,1010,028+j0,14
|
|
|
|
|
|
|
9,946+j13,3423,042+j4,2059,927+j12,3973,884+j5,4745,52+j7,747
|
|
|
|
|
|
|
9,504+ j13,5663,065+j4,3069,965+ j12,6213,907+j5,5755,548+j7,887
|
|
|
|
|
|
|
9,504+ j13,3723,065+j4,0669,965+ j12,3883,907+j5,3035,548+j7,608
|
|
|
|
|
|
|
0,028+j0,02840,0033+j0,00340,0316+j0,0320,0063+j0,00640,0132+j0,0134
|
|
|
|
|
|
|
9,532+ j13,2063,068+j3,8299,997+ j12,1873,913+j5,0375,561+j7,342
|
|
|
|
|
|
Определение напряжений и
потерь напряжения в ЛЭП 110 кВ. Определение напряжений и потерь напряжения в
ЛЭП 110 кВ подстанции Городецк
Определяем параметры для режима
максимальной нагрузки
Определяем напряжение в центре
питания на шинах районной подстанции
,
где dUmax - отклонение напряжения в ЦП; Uн - номинальное напряжение 110кВ.
Определяем потерю
напряжения в линии
Определяем напряжение в
конце ЛЭП
Определяем потерю
напряжения в линии в %
Определяем отклонение
напряжения в конце ЛЭП в %
Определяем потерю
напряжения в трансформаторе
Определяем напряжение на
шинах вторичного напряжения трансформатора, приведенное к первичному
Определяем потерю
напряжения в % на трансформаторе
Определяем отклонение напряжения на
шинах вторичного напряжения трансформатора
,
где dUТ - «добавка» напряжения трансформатора.
Для трансформаторов с
напряжением 110кВ и выше, dUТ
определяется следующими цифрами:
Ответвление +16% dUТ=5%;
Ответвление - 0% dUТ=10%;
Ответвление -16% dUТ=16%.
Определяем параметры для
режима минимальной нагрузки
Определяем напряжение в
центре питания на шинах районной подстанции
,
где dUmin - отклонение напряжения в ЦП; Uн - номинальное напряжение 110кВ.
Определяем потерю
напряжения в линии
Определяем напряжение в
конце ЛЭП
Определяем потерю
напряжения в линии в %
Определяем отклонение
напряжения в конце ЛЭП в %
Определяем потерю
напряжения в трансформаторе
Определяем напряжение на
шинах вторичного напряжения трансформатора, приведенное к первичному
Определяем потерю
напряжения в % на трансформаторе
Определяем отклонение
напряжения на шинах вторичного напряжения трансформатора
,
где dUТ - «добавка» напряжения трансформатора.
Для трансформаторов с
напряжением 110кВ и выше, dUТ
определяется следующими цифрами:
Ответвление +16% dUТ=5%;
Ответвление - 0% dUТ=10%;
Ответвление -16% dUТ=16%.
В дальнейшем расчет аналогичен. Полученные данные заносим в таблицу.
Таблица 19 - Расчетные данные
напряжений и потерь напряжения в ЛЭП 110 кВ по подстанциям.
|
ТП
|
Городецк
|
Еременка
|
Знаменка
|
Тураево
|
Яновка
|
|
104,5104,5104,5104,5104,5
|
|
|
|
|
|
|
0,276-j0,04290,103-j0,01080,323-j0,030,152-j0,01820,225-j0,0296
|
|
|
|
|
|
|
104,221104,396104,176104,347104,273
|
|
|
|
|
|
|
0,250,0950,2950,1390,206
|
|
|
|
|
|
|
-5,25-5,095-5,295-5,139-5,206
|
|
|
|
|
|
|
5,265+j3,3494,256+j2,6674,917+j3,5455,539+j3,4014,907+j3,09
|
|
|
|
|
|
|
97,98199,40298,11697,84798,58
|
|
|
|
|
|
|
5,674,5665,515,9095,272
|
|
|
|
|
|
|
55555
|
|
|
|
|
|
|
-5,92-4,661-5,805-6,048-5,478
|
|
|
|
|
|
|
115,5115,5115,5115,5115,5
|
|
|
|
|
|
|
0,125-j0,0190,0335-j0,00410,146-j0,0140,0709-j0,00820,054-j0,0081
|
|
|
|
|
|
|
115,374115,466115,353115,429115,445
|
|
|
|
|
|
|
0,1150,03060,1340,06450,0496
|
|
|
|
|
|
|
4,8854,9694,8664,9354,95
|
|
|
|
|
|
|
2,434+j1,511,924+j1,2062,22+j1,6012,504+j1,5372,218+j1,397
|
|
|
|
|
|
|
112,51113,196112,616112,491112,824
|
|
|
|
|
|
|
2,6042,062,4882,672,383
|
|
|
|
|
|
|
55555
|
|
|
|
|
|
|
7,2817,9097,3787,2657,567
|
|
|
|
|
|
Построение диаграмм
отклонения напряжений.
Рисунок 4 - Диаграмма отклонения
напряжения подстанции Городецк.
Рисунок 5 - Диаграмма отклонения
напряжения подстанции Еременка.
Рисунок 6 - Диаграмма отклонения
напряжения подстанции Знаменка.
Рисунок 7 - Диаграмма отклонения
напряжения подстанции Тураево.
Рисунок 8 - Диаграмма отклонения
напряжения подстанции Яновка.
Из построенной диаграммы видно, что
все отклонения находятся в пределах нормы.
Расчет токов короткого замыкания.
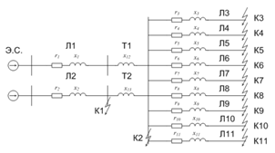
.14.1. Расчет токов
короткого замыкания на подстанции Городецк
Рисунок 9 - Расчетная схема
подстанции Городецк.
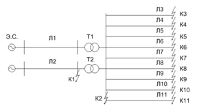
Рисунок 10 - Схема замещения
подстанции Городецк.
Определяем индуктивное сопротивление
воздушной линии Л1, Л2
Определяем активное
сопротивление воздушной линии Л1, Л2
Определяем индуктивное
сопротивление трансформаторов Т1, Т2
Определяем индуктивное
сопротивление воздушной линии Л3
Определяем активное
сопротивление воздушной линии Л3
Определяем индуктивное
сопротивление воздушной линии Л4
Определяем активное
сопротивление воздушной линии Л4
Определяем индуктивное
сопротивление воздушной линии Л5
Определяем активное
сопротивление воздушной линии Л5
Определяем индуктивное
сопротивление воздушной линии Л6
Определяем активное
сопротивление воздушной линии Л6
Определяем индуктивное
сопротивление воздушной линии Л7
Определяем активное
сопротивление воздушной линии Л7
Определяем индуктивное
сопротивление воздушной линии Л8

Определяем индуктивное
сопротивление воздушной линии Л9
Определяем активное
сопротивление воздушной линии Л9
Определяем индуктивное
сопротивление воздушной линии Л10
Определяем активное
сопротивление воздушной линии Л10
Определяем индуктивное
сопротивление воздушной линии Л11
Определяем активное
сопротивление воздушной линии Л11
Определяем токи КЗ в
точке К1
Определяем полное
сопротивление до точки К1
Определяем
результирующее сопротивление до точки К1
Определяем периодическую
составляющую тока КЗ для точки К1
Приводим периодическую
составляющую тока КЗ для точки К1
Определяем ударный
коэффициент по кривой
приложение
19
Определяем
результирующее активное сопротивление до точки К1
Определяем результирующее реактивное
сопротивление до точки К1
Определяем отношение
результирующих сопротивлений и находим ударный коэффициент
Определяем ударный ток
для точки К1
Определяем токи КЗ в
точке К2
Определяем
результирующее сопротивление до точки К2
Определяем периодическую
составляющую тока КЗ для точки К2
Определяем отношение
результирующих сопротивлений и находим ударный коэффициент
Определяем ударный ток
для точки К2
Определяем токи КЗ в
точке К3
Определяем
результирующее сопротивление до точки К3
Определяем периодическую
составляющую тока КЗ для точки К3
Определяем отношение
результирующих сопротивлений и находим ударный коэффициент
Определяем ударный ток
для точки К3
Определяем токи КЗ в
точке К4
Определяем результирующее
сопротивление до точки К4
Определяем периодическую
составляющую тока КЗ для точки К4
Определяем отношение
результирующих сопротивлений и находим ударный коэффициент
Определяем ударный ток
для точки К4
Определяем токи КЗ в
точке К5
Определяем
результирующее сопротивление до точки К5
Определяем периодическую
составляющую тока КЗ для точки К5
Определяем отношение
результирующих сопротивлений и находим ударный коэффициент
Определяем ударный ток
для точки К5
Определяем токи КЗ в
точке К6
Определяем
результирующее сопротивление до точки К6
Определяем периодическую
составляющую тока КЗ для точки К6
Определяем отношение
результирующих сопротивлений и находим ударный коэффициент
Определяем ударный ток
для точки К6
Определяем токи КЗ в
точке К7
Определяем
результирующее сопротивление до точки К7
Определяем периодическую
составляющую тока КЗ для точки К7
Определяем отношение
результирующих сопротивлений и находим ударный коэффициент
Определяем ударный ток
для точки К7
Определяем токи КЗ в
точке К8
Определяем результирующее
сопротивление до точки К8
Определяем периодическую
составляющую тока КЗ для точки К8
Определяем отношение
результирующих сопротивлений и находим ударный коэффициент
Определяем ударный ток
для точки К8
Определяем токи КЗ в
точке К9
Определяем
результирующее сопротивление до точки К9
Определяем периодическую
составляющую тока КЗ для точки К9
Определяем отношение
результирующих сопротивлений и находим ударный коэффициент
Определяем ударный ток
для точки К9
Определяем токи КЗ в
точке К10
Определяем
результирующее сопротивление до точки К10
Определяем периодическую
составляющую тока КЗ для точки К10
Определяем отношение
результирующих сопротивлений и находим ударный коэффициент
Определяем ударный ток
для точки К10
Определяем токи КЗ в
точке К11
Определяем
результирующее сопротивление до точки К11
Определяем периодическую
составляющую тока КЗ для точки К11
Определяем отношение
результирующих сопротивлений и находим ударный коэффициент
Определяем ударный ток
для точки К11
В дальнейшем расчет аналогичен.
Полученные данные заносим в таблицу.
Таблица
20 - Расчетные данные токов КЗ на стороне 110 кВ и 10 кВ по подстанциям.
|
ТП
|
Городецк
|
Еременка
|
Знаменка
|
Тураево
|
Яновка
|
|
36,930,0830,7526,44525,828
|
|
|
|
|
|
|
57,446,7947,8441,13940,18
|
|
|
|
|
|
|
16,086,46715,956,4510,097
|
|
|
|
|
|
|
43,5517,65143,0817,69627,559
|
|
|
|
|
|
Таблица
21 - Расчетные данные токов КЗ на стороне 10 кВ в конце линии на фидерах
подстанция Городецк.
|
№ Фидера
|
4
|
5
|
6
|
7
|
8
|
14
|
16
|
17
|
18
|
|
2,7940,6931,3290,6710,6491,1111,4231,9771,53
|
|
|
|
|
|
|
|
|
|
|
4,4251,0852,0821,051,0161,7412,2323,1122,402
|
|
|
|
|
|
|
|
|
|
Таблица
22 - Расчетные данные токов КЗ на стороне 10 кВ в конце линии на фидерах
подстанция Еременка.
|
№ Фидера
|
1
|
12
|
18
|
|
0,6521,6451,671
|
|
|
|
|
1,0252,6752,718
|
|
|
|
Таблица
23 - Расчетные данные токов КЗ на стороне 10 кВ в конце линии на фидерах
подстанция Знаменка.
|
№ Фидера
|
4
|
5
|
6
|
7
|
8
|
14
|
15
|
16
|
17
|
18
|
|
9,7940,8036,1990,6170,7440,6451,3299,7948,9281,768
|
|
|
|
|
|
|
|
|
|
|
|
18,2831,25710,520,9661,1651,012,08218,28316,0352,8
|
|
|
|
|
|
|
|
|
|
|
Таблица
24 - Расчетные данные токов КЗ на стороне 10 кВ в конце линии на фидерах
подстанция Тураево.
|
№ Фидера
|
1
|
7
|
12
|
18
|
|
5,4130,5770,661,183
|
|
|
|
|
|
12,3250,9061,0381,875
|
|
|
|
|
Таблица
25 - Расчетные данные токов КЗ на стороне 10 кВ в конце линии на фидерах
подстанция Яновка.
|
№ Фидера
|
1
|
7
|
12
|
17
|
18
|
|
0,9050,7571,1020,6761,267
|
|
|
|
|
|
|
1,4211,1851,7331,0581,994
|
|
|
|
|
|
Выбор компенсирующих
устройств. Выбор компенсирующих устройств на подстанции Городецк
Определяем средневзвешенный
коэффициент мощности всей подстанции
Необходимый коэффициент
мощности
Определяем мощность
компенсирующей установки для одной секции
По полученной мощности
выбираем компенсирующую установку
УКЛ(П)57-10,5-2250 У3 (4
шт. по 2 на секцию)
Таблица 26 - Паспортные
данные компенсирующей установки УКЛ(П)57-10,5-2250 У1.
|
UH, кВ
|
IH, А
|
Номинальная мощность, кВАР
|
Без разъединителя
|
|
10
|
124
|
2250
|
57
|
Выбор компенсирующих
устройств на подстанции Еременка
Определяем средневзвешенный
коэффициент мощности всей подстанции
Необходимый коэффициент
мощности
Определяем мощность
компенсирующей установки для одной секции
По полученной мощности
выбираем компенсирующую установку
УКЛ(П)57-10,5-1350 У3(2
шт. по 1 на секцию)
Таблица 27 - Паспортные
данные компенсирующей установки УКЛ(П)57-10,5-1350 У3.
|
UH, кВIH, АНоминальная мощность, кВАРБез разъединителя
|
|
|
|
|
10
|
75
|
1350
|
57
|
Выбор компенсирующих
устройств на подстанции Знаменка
Определяем средневзвешенный
коэффициент мощности всей подстанции
Необходимый коэффициент
мощности
Определяем мощность
компенсирующей установки для одной секции
По полученной мощности
выбираем компенсирующую установку
УКЛ(П)57-10,5-1800 У3(4
шт. по 2 на секцию)
Таблица 28 - Паспортные данные
компенсирующей установки УКЛ(П)57-10,5-1800 У3.
|
UH, кВIH, АНоминальная мощность, кВАРБез разъединителя
|
|
|
|
|
10
|
100
|
1800
|
57
|
Выбор компенсирующих
устройств на подстанции Тураево
Определяем средневзвешенный
коэффициент мощности всей подстанции
Необходимый коэффициент
мощности
Определяем мощность
компенсирующей установки для одной секции
По полученной мощности
выбираем компенсирующую установку
УКЛ(П)57-10,5-1800 У3 (2
шт. по 1 на секцию)
Таблица 29 - Паспортные
данные компенсирующей установки УКЛ(П)57-10,5-1800 У3.
|
UH, кВIH, АНоминальная мощность, кВАРБез разъединителя
|
|
|
|
|
10
|
100
|
1800
|
57
|
Выбор компенсирующих
устройств на подстанции Яновка
Определяем средневзвешенный
коэффициент мощности всей подстанции
Необходимый коэффициент
мощности
Определяем мощность
компенсирующей установки для одной секции
По полученной мощности
выбираем компенсирующую установку
УКЛ(П)57-10,5-2250 У3 (2
шт. по 1 на секцию)
Таблица 30 - Паспортные
данные компенсирующей установки УКЛ(П)57-10,5-2250 У1.
|
UH, кВIH, АНоминальная мощность, кВАРБез разъединителя
|
|
|
|
|
10
|
124
|
2250
|
57
|
Выбор
электрооборудования на стороне 10 кВ
Выбираем комплектное
распределительное устройство серии К-63 предприятия ОАО "Самарский завод
"Электрощит"
Выбор выключателей 10
кВ. Выбор выключателей 10 кВ на подстанции Городецк
Выбираем выключатели ввода №1, ввода
№2, секционного выключателя, разъединителя.
Проверяем на отключение
периодической составляющей расчетного тока к.з.
Проверяем выключатели на
термическую и динамическую стойкость
где IT, tT - нормированные ток и
время термической стойкости аппарата; iу, iдин - соответственно
расчетное значение амплитуды ударного тока и амплитудный ток динамической
стойкости аппарата; В - тепловой импульс По результатам проверки
выбираем вакуумный выключатель ВБТЭ-М-10-20/1600 У2 (3 шт.)
Таблица 31 - Паспортные данные
выключателя ВБТЭ-М-10-20/1600 У2.
|
UH, кВ
|
IH, А
|
Ток термической стойкости, кА
|
Время термической стойкости аппарата, с
|
Электродинам. стойкость, кА
|
Собственное время отключения, мс
|
|
10
|
1600
|
20
|
3
|
51
|
30
|
Выбираем выключатели отходящих линий
Проверяем на отключение
периодической составляющей расчетного тока к.з.
Проверяем выключатели на
термическую и динамическую стойкость
где IT,
tT
- нормированные ток и время термической стойкости аппарата; iу, iдин
- соответственно расчетное значение амплитуды ударного тока и амплитудный ток
динамической стойкости аппарата; В - тепловой импульс
По результатам проверки
выбираем вакуумный выключатель
ВБТЭ-М-10-20/630 У2 (13
шт.)
Таблица 32 - Паспортные
данные выключателя ВБТЭ-М-10-20/630 У2.
|
UH, кВ
|
IH, А
|
Ток термической стойкости, кА
|
Время термической стойкости аппарата, с
|
Электродинам. стойкость, кА
|
Собственное время отключения, мс
|
|
10
|
630
|
20
|
3
|
51
|
30
|
Выбор выключателей 10 кВ
на подстанции Еременка
Выбираем выключатели ввода №1, ввода
№2, секционного выключателя, разъединителя.
Проверяем на отключение
периодической составляющей расчетного тока к.з.
Проверяем выключатели на
термическую и динамическую стойкость
Выбираем выключатели
отходящих линий
Проверяем на отключение
периодической составляющей расчетного тока к.з.
Проверяем выключатели на
термическую и динамическую стойкость
По результатам проверки
выбираем вакуумный выключатель
ВБТЭ-М-10-20/630 У2 (8
шт.)
Выбор выключателей 10 кВ
на подстанции Знаменка
Выбираем выключатели
ввода №1, ввода №2, секционного выключателя, разъединителя.
Проверяем на отключение
периодической составляющей расчетного тока к.з.
Проверяем выключатели на
термическую и динамическую стойкость
По результатам проверки
выбираем вакуумный выключатель
ВБТЭ-М-10-20/1600 У2 (3
шт.)
Выбираем выключатели
отходящих линий
Проверяем на отключение
периодической составляющей расчетного тока к.з.
Проверяем выключатели на
термическую и динамическую стойкость
По результатам проверки выбираем
вакуумный выключатель ВБТЭ-М-10-20/630 У2 (14 шт.)
Выбор выключателей 10 кВ
на подстанции Тураево
Выбираем выключатели ввода №1, ввода
№2, секционного выключателя, разъединителя.
Проверяем на отключение
периодической составляющей расчетного тока к.з.
Проверяем выключатели на
термическую и динамическую стойкость

Проверяем на отключение
периодической составляющей расчетного тока к.з.
Проверяем выключатели на
термическую и динамическую стойкость
По результатам проверки выбираем
вакуумный выключатель ВБТЭ-М-10-20/630 У2 (9 шт.)
Выбор выключателей 10 кВ
на подстанции Яновка
Выбираем выключатели ввода №1, ввода
№2, секционного выключателя, разъединителя.
Проверяем на отключение
периодической составляющей расчетного тока к.з.
Проверяем выключатели на
термическую и динамическую стойкость
По результатам проверки
выбираем вакуумный выключатель
ВБТЭ-М-10-20/1600 У2 (3
шт.)
Выбираем выключатели
отходящих линий
Проверяем на отключение
периодической составляющей расчетного тока к.з.
Проверяем выключатели на
термическую и динамическую стойкость
По результатам проверки
выбираем вакуумный выключатель
ВБТЭ-М-10-20/630 У2 (7
шт.)
Выбор трансформаторов
тока 10 кВ. Выбор трансформаторов тока 10 кВ на подстанции Городецк
Выбираем трансформаторы тока
ТЛК-10-31,5 У3
Рассмотрим правильность выбора
трансформаторов тока на примере ввода №1, ввода №2, секционного выключателя
Таблица 33 - Паспортные
данные трансформатора тока ТЛК-10-31,5 У3.
|
UH, кВ
|
Ток термической стойкости, кА
|
Время термической стойкости аппарата, с
|
Электродинам. стойкость, кА
|
Класс точности обмотки: 0,5S
|
|
|
|
|
для измерения
|
для защиты
|
|
10
|
31,5
|
3
|
81
|
0,5
|
10P
|
Проверяем трансформаторы тока на
электродинамическую и термическую стойкость
Таблица 34 -