Электроснабжение микрорайона города
СОДЕРЖАНИЕ
ВВЕДЕНИЕ
. КРАТКАЯ ХАРАКТЕРИСТИКА ПОТРЕБИТЕЛЕЙ ЭЛЕКТРОЭНЕРГИИ
. расчет электрических
нагрузок электропотребителей
. проектирование системы наружного освещения микрорайона
.1 Выбор нормы освещенности
.2 Выбор системы освещения
.3 Светотехнический расчёт
.4 Надёжность работы осветительных установок
.5 Безопасность обслуживания персонала и населения
.6 Обслуживания и управления осветительными установками
.7 Расчёт осветительных нагрузок
. определение числа,
места и мощности трансформаторов
.1 Выбор числа и мощности силовых трансформаторов
.2 Расчёт условных центров электрических нагрузок
. ПРОЕКТИРОВАНИЕ ЭЛЕКТРИЧЕСКИХ СЕТЕЙ 10/0.4 кВ. ВЫБОР ТИПОВ И
КОНСТРУКЦИЙ ТП
. выбор высоковольтных
и низковольтных линий
.1 Выбор типа сечения жил кабелей на напряжение 10 кВ
.2 Выбор типа сечения сборных шин на напряжение 10 кВ
.3 Выбор сечений жил кабелей на напряжение 0.4 кВ и
проводников осветительных установок
. РАСЧЁТ ТОКОВ К.З
.1 Расчёт токов короткого замыкания на напряжение 10 кВ
.2 Расчёт токов короткого замыкания на напряжение 0.4 кВ
. ВЫБОР И ПРОВЕРКА КОМУТАЦИОННО-ЗАЩИТНОЙ АППАРАТУРЫ
. ВЫБОР КОМПЛЕКТНОГО ЭЛЕКТРООБОРУДОВАНИЯ
.1 Выбор панелей распределительных щитов на 0.4 кВ
.2 Выбор камер с выключателями нагрузки
.3 Выбор масляных выключателей
. УЧЁТ ЭЛЕКТРОЭНЕРГИИ
. РАСЧЁТ РЕЛЕЙНОЙ ЗАЩИТЫ
.1 Защита силовых трансформаторов
.2 Защита линий 10 кВ
.3 Расчёт АВР
.4 Расчёт АПВ
. ПРОВЕРКА ПРОВОДНИКОВ ПО УСЛОВИЯМ СТОЙКОСТИ К ТОКАМ
КОРОТКОГО ЗАМЫКАНИЯ
.1 Проверка кабелей на напряжение 10 кВ
.2 Проверка сборных шин на напряжение 10 кВ
. ОРГАНИЗАЦИОННО-ЭКОНОМИЧЕСКАЯ ЧАСТЬ
.1 Сметно-финансовый расчёт объекта проектирования
.2 Расчёт эффективности инвестиционных вложений в объект
проектирования
ЗАКЛЮЧЕНИЕ
СПИСОК ИСПОЛЬЗОВАННЫХ ИСТОЧНИКОВ
ПРИЛОЖЕНИЕ 1
ПРИЛОЖЕНИЕ 2
ПРИЛОЖЕНИЕ 3
ПРИЛОЖЕНИЕ 4
ПРИЛОЖЕНИЕ 5
ПРИЛОЖЕНИЕ 6
ПРИЛОЖЕНИЕ 7
ПРИЛОЖЕНИЕ 8
ПРИЛОЖЕНИЕ 9
ПРИЛОЖЕНИЕ 10
ПРИЛОЖЕНИЕ 11
ПРИЛОЖЕНИЕ 12
ПРИЛОЖЕНИЕ 13
ПРИЛОЖЕНИЕ 14
ВВЕДЕНИЕ
Городская электрическая сеть представляет собой комплекс
электроснабжающих сетей напряжением 110 (35) кВ и выше, распределительных сетей
напряжением 10 (6) кВ, содержащих ТП и линии, соединяющие ЦП с ТП и ТП между
собой, а также вводы к потребителям и распределительные сети напряжением 0,4
кВ. Указанный комплекс сетей служит для электроснабжения коммунально-бытовых,
промышленных и транспортных потребителей расположенных на территории города.
Источниками питания (ИП) систем электроснабжения города являются
городские электрические станции и понижающие подстанции.
Центром питания (ЦП) называется распределительное устройство,
генераторного напряжения электрической станции или распределительное устройство
вторичного напряжения 6 - 20 кВ, понижающей подстанции, к шинам которого
присоединяются распределительные сети данного района.
В составе электрических сетей систем электроснабжения города сооружаются
распределительные пункты (РП) 6 - 20кВ, предназначенные для приёма
электроэнергии от ЦП по ограниченному числу питающих линий
(2 - 4) и распределения электроэнергии без преобразования и трансформации
в сеть по большему числу линий.
Потребители электроэнергии - группы приемников электроэнергии,
объединенные общим законченным технологическим процессом и расположенные на
общей территории.
При проектировании системы электроснабжения города, согласно ПУЭ (п.1.2.11-1.2.13)
должны рассматриваться следующие вопросы:
. Перспектива развития систем электроснабжения с учетом рационального
сочетания вновь сооружаемых сетей с действующими и вновь сооружаемыми сетями
других классов напряжения.
. Обеспечение комплексного централизованного электроснабжения всех
потребителей, расположенных в зоне действия электрических сетей, независимо от
их принадлежности.
. Ограничение токов КЗ предельными уровнями, определяемыми на
перспективу.
. Снижение потерь электроэнергии.
5. Соответствие принимаемых решений условиям охраны окружающей среды.
При этом должны рассматриваться в комплексе внешнее и внутреннее
электроснабжение с учетом возможностей и целесообразности технологического
резервирования.
При решении вопросов резервирования следует учитывать перегрузочную
способность элементов электроустановок, а также наличие резерва в
технологическом оборудовании.
При решении вопросов развития систем электроснабжения следует учитывать
ремонтные, аварийные и послеаварийные режимы.
В данной выпускной квалификационной работе рассматривается вопрос
электроснабжения жилого микрорайона города, потребители электроэнергии которого
получают питание от понижающей подстанции 110/10 кВ через РП.
.
КРАТКАЯ ХАРАКТЕРИСТИКА ОБЪЕКТА ПРОЕКТИРОВАНИЯ
В данной выпускной квалификационной работе рассматривается вопрос
электроснабжения жилого микрорайона города. Основными потребителями
электроэнергии являются коммунально-бытовые потребители:
жилые дома высотой 5 этажей, относящиеся к 3 категории по степени
обеспечения надежности электроснабжения;
жилые дома высотой 10 и 12 этажей, относящиеся ко 2 категории, с лифтами
- 1 категория.
Кроме этого в микрорайоне предусмотрены объекты социально-культурной
сферы: магазины, лицей, детский сад, сберкасса, парикмахерская.
Также в проекте рассматривается вопрос наружного освещения микрорайона
города.
Перечень электропотребителей рассматриваемого микрорайона приведен в
приложении 1.
Генплан жилого микрорайона представлен на листе 1 данного проекта.
При проектировании принимаем следующие условия:
в жилых домах этажностью 10 и более этажей установлены электроплиты
мощностью 8,5 кВт;
в жилых домах 5 этажей - плиты на природном газе;
номинальные мощности двигателей лифтовых установок принимаем равными 5
кВт;
количество электродвигателей лифтовых установок в жилом доме указано без
учёта резервных двигателей;
надежность электроснабжения лифтов обеспечивается установкой дизель -
генераторов.
2. РАСЧЕТ ЭЛЕКТРИЧЕСКИХ НАГРУЗОК ЭЛЕКТРОПОТРЕБИТЕЛЕЙ
Расчётные нагрузки жилых зданий определяются исходя из количества
потребителей (квартира, семья), причём по мере увеличения количества квартир,
присоединенных к данному элементу сети, удельные нагрузки снижаются.
Расчётная нагрузка питающих линий, вводов и на шинах РУ - 0,4 кВ ТП от
электроприёмников квартир (Ркв) Ркв., определяется:
, кВт,
(2.1)
где Ркв.уд. - удельная расчетная электрическая нагрузка электроприемников
квартир, таблица 2.1.1 [8], кВт /квартира;
n -
число квартир, шт.
Удельные расчетные нагрузки квартир определены для зимнего вечернего
максимума с учетом коэффициента одновременности их максимумов в зависимости от
числа квартир. Удельные нагрузки квартир учитывают нагрузку освещения
общедомовых помещений без учета силовой нагрузки и нагрузки встроенных в жилые
дома торговых и коммунально-бытовых потребителей.
Расчетная нагрузка силовых электроприёмников Рс., приведенная к вводу
жилого дома, определяется по формуле:
, кВт,
(2.2)
где
Рр.л. - мощность лифтовых установок, которая определяется по формуле:
, кВт,
(2.3)
где
Кс.л. - коэффициент спроса лифтовых установок, принимается по таблице 2.1.2
[7];
Рл.i -
установленная мощностью электродвигателя i-го лифта;
Рст.у.
- мощность санитарно-технических устройств (по условиям проектирования не
предусмотрено), нагрузка силовых приёмников будет определятся нагрузками
лифтовых установок, а расчетная активная нагрузка на вводе жилого здания
определяется по формуле:
Рр.
(ж.з.д.) = Рр.кв + Кн.м.∙Рс, (2.4)
где
Рр.кв.- расчетная электрическая нагрузка квартир, приведенная к вводу жилого
дома, кВт;
Рс.
- расчетная нагрузка электроприёмников жилого здания, кВт;
Кн.м
- коэффициент, учитывающий несовпадение максимумов нагрузки квартир, и силовых
электроприёмников, принимаемый равным 0.9.
Расчетная
нагрузка на вводе в здание при наличии в жилом доме встроенного коммунального
предприятия:
Рр.зд.
= Рр.ж.д. + Ку.м. ∙ Рр.пр, (2.5)
где
Рр.пр. - расчетная нагрузка предприятия, кВт.;
Ку.м.
- коэффициент участия в максимум нагрузки встроенного
предприятия
по отношению к нагрузке жилого дома, определяем по таблице 2.3.1[1].
Расчетные
нагрузки на вводе в общественные здания или встроенные в жилые дома предприятия
определяются по укрупненным удельным нагрузкам таблице 2.2.1 [7].
Рр.общ.
- Рр. Пр. = Руд.пр. ∙ М , (2.6)
где
Руд.пр. - удельная расчетная нагрузка единицы количественного показателя
(рабочее место, площадь торгового зала, и так далее);
М
- количественный показатель, характеризующий пропускную способность
предприятия, объем производства.
Полная
нагрузка на вводе в общественное здание определяется с учетом коэффициентов
мощности, приведенных в таблице 46.3 и таблице 46 [2].
Результаты
расчета электрических нагрузок зданий, расположенных на территории микрорайона,
приведены в приложении 2.
В
качестве примера приводится расчет электрических нагрузок двенадцати этажного
жилого дома №28 с проектным бюро.
;
;
;
;
;
.
.
3. ПРОЕКТИРОВАНИЕ СИСТЕМЫ НАРУЖНОГО ОСВЕЩЕНИЯ ТЕРРИТОРИИ МИКРОРАЙОНА
3.1 Выбор нормы освещенности
Освещение улиц, дорог и площадей с регулярным транспортным движением в
городских поселениях проектируется исходя из норм средней яркости покрытий,
согласно п.7.28 [3], а освещение непроезжих частей территории микрорайона
исходя из норм средней горизонтальной освещенности.
Для расчета выбираем нормированные величины, соответствующие характеру
освещаемого объекта (табл.11, табл. 12, и табл. 13) [3] .
Выбранные значения сведены в таблице 3.1.
Таблица 3.1 - Нормированные величины освещаемых объектов
Освещаемый
объект Средняя яркость покрытия,
Средняя
горизонтальная
|
освещенность, лк.
|
|
|
|
Проезды территорий
микрорайона
|
0,3
|
4
|
|
Тротуары
|
0,3
|
2
|
|
Площадки для подвижных игр
территории детских яслей-садов
|
0,288
|
10
|
|
Физкультурные площадки
территории школ
|
0,288
|
10
|
|
Подъезды, подходы к
корпусам школ, детских яслей-садов
|
0,288
|
4
|
3.2 Выбор системы освещения
Сети наружного освещения рекомендуется выполнять кабельными или
воздушными с использованием самонесущих изолированных проводов.
В обоснованных случаях для воздушных распределительных сетей освещения
улиц, дорог, площадей, территории микрорайонов допускается использование
неизолированных проводов согласно п.6.3.25 ПУЭ.
Распределительные сети освещения территории детских яслей - садов,
общеобразовательных школ выполняются кабельными линиями проложенными в земле.
Осветительные приборы наружного освещения могут устанавливаться на
специально предназначенных для такого освещения опорах, а также на опорах
воздушных линий до 1 кВ, опорах контактной сети электрифицированного
транспорта, стенах зданий и сооружений, а также могут быть подвешены на тросах,
укрепленных на стенах зданий и опорах (п.6.3.2 ПУЭ).
Опоры установок уличного освещения площадей, улиц, дорог должны
располагаться на расстоянии не менее 1 метра от лицевой грани бордюра до
внешней поверхности цоколя опоры на магистральных улицах и дорогах с
интенсивным движением транспорта и не менее 0,6 метра на других улицах и
площадях (п.6.3.8 ПУЭ).
В
настоящее время для освещения улиц городов и поселков при нормированной яркости
дорожных покрытий
или при норме средней горизонтальной освещенности
- используются светильники с лампами ДНаТ.
Натриевые лампы высокого давления являются энергоэкономическими
высокоэффективными источниками света, предназначенными для внешнего освещения.
В проекте выбрана односторонняя схема расположения светильников по одному
светильнику на опоре.
3.3 Светотехнический расчёт
Условия расчета:
освещаемая полоса шириной 5 метров состоит из проезжей части шириной 3.5
метра и тротуара шириной 1.5 метра;
вдоль полосы установлены светильники типа ЖКУ 16-150-001 с лампами ДНаТ.
Расположение светильника относительно освещаемой полосы показано в
приложении 3.
Определяем расстояние между опорами (шаг светильников).
Согласно п. 9.2 [5]:
, (3.1)
где
- световой поток лампы в светильниках, установленных
на опорах, лм;
-
коэффициент использования светового потока по яркости покрытия;
- число
светильников на одной опоре, шт.;
- средняя
яркость покрытия,
;
-
коэффициент запаса, принимаемый согласно табл. 3 [3] равным 1.5;
- ширина
освещаемой полосы, м.
Коэффициент
использования светового потока зависящий от расположения светильника над
освещаемой полосой определяется как:
(3.2)
где
Высота
установки светильника h выбирается из условия ограничения слепящего действия
установки наружного освещения.
Согласно
п.9.2 [5] для светильников с защитным углом до
выбираем
минимально допустимую высоту установки в зависимости от типа ламп.
Таблица
3.2 - Выбор высоты установки светильников
|
Тип лампы в светильнике
|
Световой поток лампы, лм.
|
Минимально допустимая
высота установки, м.
|
|
ДнаТ-70 Вт
|
5500
|
7.5
|
|
ДнаТ-100 Вт
|
9000
|
7.5
|
|
ДнаТ-150 Вт
|
14000
|
8.0
|
Согласно табл. 9.5 [5] принимаем:
Отсюда
по формуле (3.1) находим:
Проверка
величины средней горизонтальной освещённости при
D = 32 м.
(расположение светильника относительно тротуара показано в приложении 3).
Согласно
п.9.2 [5] при установленной нормами величине средней горизонтальной
освещённости шаг светильников определяется как:
(3.3)
где
- коэффициент использования светового потока по
освещённости;
- средняя
горизонтальная освещённость, лк.;
- ширина
тротуара, м.
Определяем
коэффициент использования светового потока:
(3.4)
Согласно
табл. 9.6 [5] принимаем:
По
формуле (3.4) получаем:
Таким
образом, согласно формуле (3.3) имеем:
Средняя
горизонтальная освещённость тротуара при шаге светильников 32 метра
удовлетворяет требованиям установленных норм.
Согласно
п. 2.30 [4] отношение шага светильников к высоте их подвеса на улицах и дорогах
всех категорий должно быть не более 5:1 при одностороннем размещении
светильников.
Окончательно
для освещения проездов территорий микрорайона принимаем к установке
одностороннюю схему расположения светильников с лампами типа ДнаТ-150 при шаге
32 метра.
В
соответствии с п. 9.2 [5] число светильников, используемых при освещении
больших площадей не проезжих территорий, определяется как:
(3.5)
где
- площадь освещаемой территории,
;
-
коэффициент использования светового потока по освещенности, равный 0.288.
Результаты
расчета числа установок наружного освещения территории детских яслей - сада и
территории общеобразовательной школы приведены в табл. 3.3.
Таблица 3.3 Результаты расчета числа установок наружного освещения
Освещаемый
объект Средняя горизонтальная освещенность Площадь объекта,
.Тип
|
лампыЧисло светильников,
шт.
|
|
|
|
|
Территория детских
яслей-сада
|
10
|
4800
|
ДнаТ-150
|
15
|
|
Территория школы
|
10
|
3200
|
ДнаТ-150
|
8
|
Для освещения проездов, подходов к корпусам детских яслей - сада
необходимо 15 светильников ЖКУ 16-150-001 с лампами ДнаТ-150.
Для освещения проездов к корпусам общеобразовательной школы необходимо 8
светильников ЖКУ 16-150-001 с лампами ДнаТ-150.
Для включения дуговых ламп используется специальная пускорегулирующая
аппаратура.
3.4 Надёжность работы осветительных установок
Установки наружного освещения территории относятся к третьей категории
электроприёмников по требованию к обеспечению надёжности электроснабжения,
согласно п.п. 3.3, 3.4 [5] питание светильников установок наружного освещения
следует, как правило, осуществлять через пункты питания от трансформаторов,
предназначенных для питания сети общего пользования, а питание светильников
наружного освещения территории детских яслей - сада от вводных устройств этих
зданий.
3.5 Безопасность обслуживания персонала и
населения
Согласно
п. 2.4.15 [5] по условиям механической прочности на ВЛ следует применять
алюминиевые провода сечением не менее 25
.
Согласно
п. 6.3.20 [6] опоры для светильников уличного освещения на жилых улицах можно
располагать на тротуарах или зелёных полосах на расстоянии не менее 0.3 метра
от лицевой грани бортового камня до наружной поверхности опоры.
3.6 Обслуживание и управление осветительными
установками
При
количестве жителей в населённом пункте более 50 тыс. человек должно
предусматриваться централизованное телемеханическое управление, обеспечивающее
двухсторонний обмен информацией между диспетчерскими и исполнительными
пунктами, достаточный для нормального функционирования установок наружного
освещения согласно п. 3.23 [3].
3.7 Расчёт осветительных нагрузок
После
определения точного количества светильников установок наружного освещения,
производим расчёт осветительных нагрузок.
Расчетная
активная мощность осветительной установки:
(3.6)
где
- коэффициент спроса для расчёта сети наружного
освещения, принимаемый согласно п. 6.3.2 [6] равным
- коэффициент,
учитывающий потери мощности в пускорегулирующей аппаратуре (
, по п. 3.19 [3]);
-
количество установленных ламп, шт.;
-
номинальная активная мощность одной лампы, кВт.
Полная
нагрузка осветительной установки определяется с учётом коэффициентов мощности.
Для светильников, имеющих индивидуальную компенсацию реактивной мощности, с
лампами типа ДнаТ
(
).
Результаты
расчёта осветительных нагрузок приведены в таблице 3.4.
Таблица 3.4 -
Результаты расчёта осветительных нагрузок
Освещаемый
объект Наименование узла питания осветительной установки Тип
источника света Кол-во светиль-ников, шт.
,
кВт
,
квар
,
|
кВ∙А
|
|
|
|
|
Проезжая часть территории
микрорайона
|
ТП1
|
ДнаТ-150
|
28
|
4.62
|
2,86
|
5,43
|
|
ТП2
|
ДнаТ-150
|
28
|
4.62
|
2,86
|
5,43
|
|
ТП3
|
ДнаТ-150
|
28
|
4.62
|
2,86
|
5,43
|
|
ТП4
|
ДнаТ-150
|
28
|
4.62
|
2,86
|
5,43
|
|
ТП5
|
ДнаТ-150
|
28
|
4.62
|
2,86
|
5,43
|
|
ТП6
|
ДнаТ-150
|
28
|
4.62
|
2,86
|
5,43
|
Пример расчёта:
Используя формулу (3.6) ВКР, находим:
(кВт).
Расчётная
реактивная мощность находится по формуле:
, (3.7)
Подставляя
данные в формулу (3.7) получим:
(квар).
Полная
мощность находится по формуле:
, (3.8)
(кВ∙А).
4.
ВЫБОР ЧИСЛА И МОЩНОСТИ СИЛОВЫХ ТРАНСФОРМАТОРОВ
4.1 Выбор числа и мощности силовых
трансформаторов
Оптимальный вариант сетей выбирается согласно инструкции по определению
экономической эффективности капитальных вложений в развитие энергетического
хозяйства.
Согласно п. 4.4.3 [1] оптимальная мощность двухтрансформаторной ТП в
районах многоэтажной застройки (9 этажей и выше) - 2×630
кВ∙А.
Нагрузочная способность линий и трансформаторов определяется принятым
способом построения распределительной сети, расчетными режимами, с учётом
перегрузочной способности трансформаторов и кабелей в послеаварийном режиме.
Согласно п. 4.3.13 [1] для резервируемых распределительных сетей
.4 кВ допускается перегрузка силовых масляных трансформаторов общего
назначения - аварийная - до 1.8 номинальной мощности.
При расчёте суммарной полной нагрузки потребителей микрорайона, нагрузки
домов с газовыми плитами согласно п. 2.3.1 [1] используем коэффициент участия в
максимуме нагрузки, указанные в таблице 2.3.1 [1].
Согласно п. 5.2.9 [1] для районов с жилыми и общественными зданиями
компенсация реактивной нагрузки не предусматривается, поэтому число силовых
трансформаторов при предварительно принятой их мощности
кВ∙А будем определять по расчетной полной нагрузке потребителей
микрорайона (приложение 2) исходя из рациональной загрузки трансформаторов в
нормальном режиме:
(4.1)
где
- суммарная полная мощность нагрузки потребителей
микрорайона;
-
суммарная полная нагрузка освещения микрорайона;
-
номинальная мощность трансформатора;
-
коэффициент загрузки.
Согласно
п. 4.5 [8] при преобладании нагрузок II категории и наличии централизованного
резерва трансформаторов, а также при нагрузках III категории принимаем
коэффициент загрузки трансформаторов
.
(шт).
Принимаем
для данного микрорайона шесть двухтрансформаторных подстанций с номинальной
мощностью каждого из трансформаторов 630 кВ∙А.
4.2 Расчёт условных центров электрических нагрузок
Определим
координаты условного центра электрических нагрузок.
Согласно
п. 3.6 [8]:
(4.2)
Данные для расчёта УЦН приведены в приложении Г.
В результате расчётов получили следующие координаты мест ТП: ТП1
(411;101); ТП2 (163;157); ТП3 (348;504); ТП4 (643;481); ТП5 (714;267); ТП6
(591;162).
5. ПРОЕКТИРОВАНИЕ ЭЛЕКТРИЧЕСКИХ СЕТЕЙ 10/0.4 кВ ВЫБОР ТИПОВ И КОНСТРУКЦИЙ
ТП
К установке принимаем трансформаторные подстанции 10/0,4 кВ типа
К-42-630. Данная ТП выполняется в виде отдельно стоящего здания с кирпичными
несущими стенами.
Внутри сооружения в отдельных помещениях располагается РУ-10 кВ, силовые
трансформаторы и РУ - 0.4 кВ.
На напряжение 0.4 кВ принимаем одинарную, секционированную 2 рубильниками
на две секции, систему сборных шин. Питание секций шин осуществляется от
силовых трансформаторов, подключаемых к щиту 0.4 кВ плоскими шинами через
автоматические выключатели.
РУ - 0.4 кВ комплектуется распределительными панелями типа ЩО-70,
установленными в два ряда, с шинным мостом, панелями диспетчерского управления
уличным освещением. В этом же помещении располагаются групповые щитки
электроосвещения, шкафы учета и трансформаторов ремонтного освещения 220/36 В.
На напряжение 10 кВ принимаем одинарную, секционированную двумя
разъединителями на две секции, систему сборных шин, к которой может быть
присоединено до четырёх линий и два силовых трансформатора мощностью 630 кВ·А.
РУ - 10 кВ комплектуется стационарными камерами одностороннего
обслуживания типа КСО-393 [2], в которых монтируются выключатели нагрузки типа
ВНА-10/630з на номинальный ток 630 А.
РУ - 10 кВ распределительного пункта выполнено с одинарной
секционированной на две секции выключателем, системой сборных шин.
РУ - 10 кВ РП, схема первичных соединений которого предусматривает
присоединение к сборным шинам через выключатель, комплектуется стационарными
камерами одностороннего обслуживания типа КСО, в которых монтируются вакуумные
выключатели типа ВВ/TEL на номинальные
токи 630 и 1000 А.
В последнее время кабели с пластмассовой изоляцией активно замещают
кабели с бумажной изоляцией в классах среднего и высокого напряжения. Среди
пластмассовых изолирующих материалов наиболее предпочтительным является сшитый
полиэтилен (СПЭ) ввиду его хороших диэлектрических свойств (низкие величины
относительной диэлектрической проницаемости, фактора потерь) и большого запаса
термической стойкости. Практика применения этого кабеля показывает, что
повреждаемость кабеля с СПЭ намного ниже, чем кабеля с бумажной изоляцией.
Учитывая также, что основным видом повреждений на одножильном кабеле будет
однофазное замыкание, можно утверждать, что затраты на ремонт значительно
сократятся. Поэтому к проектированию сетей 10 кВ принимаем кабель с изоляцией
из сшитого полиэтилена марки АПвП.
Кабельные линии 0.4 кВ, проложенные в земле, выполняем кабелем марки
АВБбШВ.
Согласно п. 4.3.2 [1] построение городской электрической сети по условиям
обеспечения необходимой надёжности электроснабжения потребителей выполняется
применительно к основной массе электроприёмников рассматриваемого микрорайона.
Большинство потребителей относится ко 2 категории по обеспечению
надёжности электроснабжения и некоторые - к 3 категории. Исходя из этого,
согласно п. 4.3.9 [1] основными принципами построения распределительной сети
примем сочетание петлевых схем 10 кВ, обеспечивающих двухстороннее питание
каждой ТП, и двухлучевых схем по стороне 0.4 кВ для питания потребителей 2
категории. Для потребителей 3 категории (5 этажные жилые дома) допускается
применение петлевой схемы.
Кроме этого следует учесть, что лифты, независимо от этажности здания,
относятся к 1 категории по обеспечению надежности электроснабжения, поэтому в
зданиях с лифтами предусматриваем установку дизель -генераторов.
В петлевых сетях 10 кВ необходимо осуществление экономически
целесообразного режима, соответствующего или близкого к режиму минимума потерь
электроэнергии.
Расчётные активные нагрузки трансформаторов ТП 10/0.4 кВ, питающих группы
жилых и общественных зданий, определяются по формуле:
(5.1)
где
- наибольшая расчётная нагрузка одного из
общественных зданий или суммарная нагрузка жилых зданий с одинаковым типом
кухонных плит, питаемых от ТП, кВт.;
-
расчётные нагрузки других зданий, питаемых от ТП, кВт.;
-
коэффициент участия в максимуме нагрузок потребителей,
относительно
наибольшей нагрузки, определяемой по
Полная
расчетная нагрузка определяется:
. (5.2)
Расчётный
ток в линии 0.4 кВ, питающей общественные и жилые здания, и на шинах 0.4 кВ
трансформаторов ТП 10/0.4 кВ:
(5.3)
где
- номинальное напряжение сети, кВ.
Нагрузки
трансформаторных подстанций распределяются равномерно для каждого
трансформатора.
Коэффициенты
загрузки определяются как отношение расчетной мощности к номинальной мощности
трансформатора:
(5.4)
где
- номинальная мощность трансформатора, кВ∙А.
Расчётная
нагрузка всей ТП на шинах 0.4 кВ определяется как алгебраическая сумма
расчётных нагрузок каждого из трансформаторов.
Результаты
расчёта нагрузок для ТП 10/0.4 кВ приведены в
приложении
5.
Проверяем
нагрузку трансформаторов в аварийном режиме.
Согласно
п. 4.3.13.1 [1] для резервирования распределительных сетей
.4
кВ допускается аварийная перегрузка трансформаторов до 1.8 номинальной
мощности:
, (5.5)
где
- расчётная нагрузка, оставшегося в работе
трансформатора, кВ∙А;
.8
- дополнительный коэффициент загрузки трансформатора в аварийном режиме.
При
аварийном режиме работы потребителей 3 категории надёжности можно отключить.
Расчётный
ток на шинах 0.4 кВ ТП 10/0.4 в аварийном режиме, при котором производится
выбор секций сборных шин и секционной панели, типа ЩО - 70 с рубильником,
определяется по формуле:
(5.6)
Результаты
расчёта нагрузок оставшихся в работе трансформаторов ТП 10/0.4 кВ в аварийном
режиме приведены в таблице 5.1.
Таблица
5.1 - Результаты расчёта нагрузок оставшихся в работе трансформаторов ТП 10/0.4
кВ в аварийном режиме
|
Номер ТП
|
, кВ∙А , кВ∙А , кВ∙А , кВ∙А , А
|
|
|
|
|
|
|
ТП1
|
1146.39
|
59.04
|
1087.35
|
630
|
1.73
|
1652.06
|
|
ТП2
|
1114.17
|
376.44
|
737.73
|
630
|
1.17
|
1120.86
|
|
ТП3
|
1145.10
|
402.7
|
742.3
|
630
|
1.178
|
1127.96
|
|
ТП4
|
1139.04
|
118.8
|
1020.24
|
630
|
1.62
|
1550.09
|
|
ТП5
|
1126.44
|
-
|
1126.44
|
630
|
1.78
|
1711.45
|
|
ТП6
|
1156.60
|
301.17
|
855.43
|
630
|
1.36
|
1299.69
|
Пример расчёта:
Рассмотрим на примере ТП3.
находится
как сумма полных нагрузок домов, принадлежащих к 3 категории надёжности, т.е.
(кВ∙А),
(кВ∙А).
Коэффициент
загрузки трансформаторов в аварийном режиме находим по формуле (5.4):
Расчётный
ток на шинах 0.4 кВ ТП 10/0.4 кВ в аварийном режиме находится по формуле (5.6):
(А).
В
петлевых сетях 10 кВ необходимо осуществление экономически целесообразного
режима работы, соответствующего или близкого к режиму минимума потерь
электроэнергии. Петлевые сети 10 кВ в нормальных режимах работают, разомкнуто,
на основании определения экономически целесообразного потокораспределения выбираются
точки размыкания петлевой схемы.
Линия петлевой распределительной сети, размыкание на которой обеспечит
экономически целесообразное потокораспределение с шин РУ
кВ определяется из значения потерь активной мощности на участках петлевой
схемы, работающих разомкнуто, так как на территории микрорайона находится
чётное число ТП, а именно шесть (см. приложение 6), с практически одинаковыми
расчётными мощностями и одинаковыми длинами между ТП, то можно точку разрыва
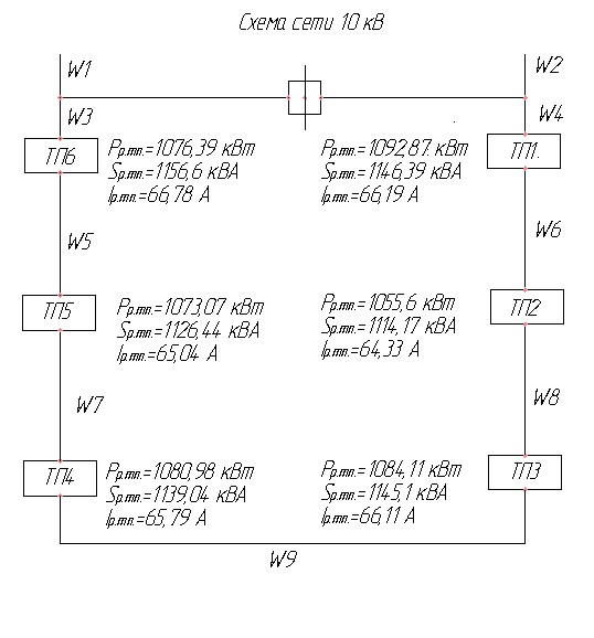
взять на линии W9 в ТП3 или в ТП4
(см. приложение 6). При этом по линии W3 будут питаться ТП4 - ТП6, а по линии W4 - ТП1 - ТП3.
6. ВЫБОР ТОКОВЕДУЩИХ ЧАСТЕЙ
6.1 Выбор сечения жил кабелей на напряжение 10
кВ
Cечение
жил кабелей выбирается по экономической плотности тока в нормальном режиме и
проверяется по допустимому длительному току в аварийном и послеаварийном
режимах, а также по допустимому отклонению напряжения п. 5.1.1 [1].
Сечение
, согласно п. 1.3.25 [6] определяется как отношение
расчетного тока к экономической плотности тока:
(6.1)
где
- экономическая плотность тока, принимаемая по табл.
1.3.36 [6] равной 1.4;
-
расчётный ток, А.
Результаты
выбора сечений жил кабелей приведены в таблице 6.1.
При
определении расчётной нагрузки
учитываем
коэффициенты совмещения максимумов нагрузки трансформаторов в зависимости от их
количества табл. 46.6 [2].
В
таблице 6.1. указан допустимый длительный ток
, взятый
из таблицы 1.3.16 [6].
Таблица
6.1 - Результаты выбора сечений жил кабелей
Номер
Линии
,
кВ·А
,
А
,
Выбранное
сечение 
,
|
А
|
|
|
|
|
|
|
W3
|
2737.66
|
158.06
|
112.9
|
3×120
|
240
|
|
W4
|
2724.53
|
157.30
|
112.36
|
3×120
|
240
|
|
W5
|
1925.66
|
111.18
|
79.41
|
3×95
|
205
|
|
W6
|
1920.38
|
110.87
|
79.19
|
3×95
|
205
|
|
W7
|
1025.14
|
59.19
|
42.28
|
3×70
|
165
|
|
W8
|
1030.59
|
59.50
|
42.50
|
3×70
|
165
|
Пример расчёта:
Рассмотрим на примере линии W3:
где
- коэффициент совмещения максимума нагрузки
трансформаторов, который находится по табл. 46.6 [2].
(кВ·А),
(А),
(
)
Проверка
по допустимому длительному току в послеаварийном режиме.
Рассмотрим
случай выхода из строя одной из линий от РП. При этом необходимо проверить
сечения всех кабелей, нагрузка которых увеличивается.
Условием
проверки является выражение:
, (6.2)
где
- послеаварийный ток, А;
-
коэффициент прокладки, принимаемый по табл. 1.3.26 [6];
-
коэффициент перегрузки, принимаемый по табл. 1.3.2 [6].
Результаты
проверки приведены в таблице 6.2.
Таблица
6.2 - Результаты проверки по допустимому длительному току в послеаварийном
режиме
Номер
линии
,
кВ∙А
,
А
,
АПринятое
сечение 
,
|
А
|
|
|
|
|
|
|
W3
|
5120.80
|
295.65
|
276
|
3×150
|
275
|
|
W4
|
5120.80
|
295.65
|
276
|
3×150
|
275
|
|
W5
|
4536.91
|
261.94
|
256.3
|
3×120
|
240
|
|
W6
|
4545.08
|
262.41
|
256.3
|
3×120
|
240
|
|
W7
|
3635.76
|
209.91
|
206.3
|
3×95
|
205
|
|
W8
|
3653.74
|
210.95
|
206.3
|
3×95
|
205
|
Пример расчёта:
Рассмотрим в качестве примера W3.
где
- коэффициент совмещения максимумов нагрузки
трансформаторов
принимаем по табл. 46.6 [2].
(кВ∙А),
(А),
(А).
Условие
проверки (6.2) не соблюдается: 276 А < 295.65 А, следовательно нужно
увеличить сечение со 120 мм до 150 мм. Условие в этом случае будет соблюдаться,
т.е.
Для
W9 выбираем кабель АПвП-10-3×95
;
.
Рассчитаем
потери напряжения в линиях 10 кВ в нормальном и послеаварийном режимах по
выражению:
(6.3)
где
- ток нагрузки, А;
- длина
кабеля, км;
-
коэффициент мощности нагрузки;
-
соответственно, удельное активное и индуктивное сопротивление, Ом/км.
Потери
напряжения в линиях указаны в таблице 6.3.
Таблица
6.3 - Потери напряжения в линиях
Режим Номер
линии Р, 
,
Ом/км
,
Ом/км
,
А
,
км
,
|
%
|
|
|
|
|
|
|
|
|
|
|
|
|
|
|
В
|
%
|
|
|
Нор- маль- ный
|
W3
|
3×150
|
0.206
|
0.079
|
158.06
|
1.08
|
65.19
|
0.6519
|
0.6519
|
|
W5
|
3×120
|
0.258
|
0.081
|
111.18
|
0.191
|
9.898
|
0.099
|
0.7509
|
|
W7
|
3×95
|
0.326
|
0.083
|
59.19
|
0.275
|
9.37
|
0.0937
|
0.8446
|
|
W4
|
3×150
|
0.206
|
0.079
|
157.30
|
1.27
|
76.29
|
0.7629
|
0.7629
|
|
W6
|
3×120
|
0.258
|
0.081
|
110.87
|
0.30
|
15.50
|
0.155
|
0.9179
|
|
W8
|
3×95
|
0.326
|
0.083
|
59.5
|
0.510
|
17.47
|
0.1747
|
1.093
|
|
П. ава- рий- ный
|
W3
|
3×150
|
0.206
|
0.079
|
295.65
|
1.08
|
121.94
|
1.2194
|
1.2194
|
|
W5
|
3×120
|
0.258
|
0.081
|
261.94
|
0.191
|
23.32
|
0.2332
|
1.4526
|
|
W7
|
3×95
|
0.326
|
0.083
|
209.91
|
0.275
|
33.24
|
0.3324
|
1.785
|
|
W9
|
3×95
|
0.326
|
0.083
|
158.06
|
0.45
|
54.36
|
0.5436
|
2.3286
|
|
W8
|
3×95
|
0.326
|
0.083
|
110.93
|
0.51
|
32.58
|
0.3258
|
2.6544
|
|
W6
|
3×120
|
0.258
|
0.081
|
59.57
|
0.30
|
8.33
|
0.0833
|
2.7377
|
Примечание - аварийным режимом считается повреждение на линии W4.
Приведём в качестве примера расчёт потери напряжения в линии W3 в нормальном режиме по формуле
(6.3):
(В),
где
- суммарные потери напряжения с учётом потерь в
предыдущих линиях.
6.2 Выбор сечения сборных шин на напряжение 10 кВ
Согласно
п. 1.3.28 [6] сборные шины электроустановок проверке по экономической плотности
тока не подлежат.
Условие
выбора сечения шин по нагреву длительным током:
,
где
- допустимый длительный ток для шин, А.
Допустимые
длительные токи для шин прямоугольного сечения приведены в таблице 1.3.31 [6].
На
основании условия (6.4) для ошиновки РУ-10 кВ на ТП 10/0.4 кВ принимаем плоские
шины из алюминиевого сплава АД31Т, расположенные горизонтально и имеющие
сечение 30×4
, имеем:
.65
А< 365 А.
Как
видно условие (6.4) выполняется.
6.3 Выбор сечений жил кабелей на напряжение 0.4 кВ и
проводников осветительных установок
Рассмотрим
выбор сечений проводников и кабелей на примере ТП1.
Распределительная
сеть 0.4 кВ, питающая жилые дома территорий микрорайонов выполняется кабелем,
проложенным в земле.
Сеть
наружного освещения территорий микрорайонов выполняется воздушной с
использованием самонесущих изолированных проводов, а сеть освещения территории
детских яслей-садов и школы - кабельной. Вывод питания из ТП для сети наружного
освещения (ТП - первая опора) выполняется кабелем, проложенным в земле.
Кабельные
линии 0.4 кВ выполняются кабелем марки АВБбШВ.
Выбор
трассы и прокладка кабельных линий произведены согласно общих требований,
приведённых в гл. 2.3 [6].
Расчёт
сечений проводников любого назначения согласно п. 1.3.2 [6] следует производить
с учётом требований в отношении предельно допустимого нагрева с проверкой по
предельно допустимой величине потери напряжения.
Согласно
п. 5.2.2 [1] и п. 3.18 [4] в электрических сетях должны быть обеспечены
отклонения напряжения у приёмников электрической энергии, а также у наиболее
удалённых светильников соответственно, не превышающие 5% номинального
напряжения сети.
В
нормальном режиме нагрев проводников не должен превышать допустимого.
Соответствующее этому требованию условие выбора:
, (6.5)
где
- допустимый длительный ток проводника, принимаемый
для кабелей марки АВБбШВ согласно табл. 1.37 [6];
-
коэффициент прокладки, учитывающий наличие нескольких проложенных рядом кабелей
в земле, принимаемый согласно таблице 1.3.26 [6].
Таким
образом, условие выбора проводников имеет вид:
для
кабелей:
,
для
проводов:
Как
указано в пункте 6.1 данной ВКР, падение напряжения в кабеле определяется как:
.
Согласно
п. 3.19 [4] расчёт по потере напряжения сетей наружного освещения, питающих
газоразрядные лампы с индивидуальной компенсацией коэффициента мощности,
следует выполнять без учёта реактивного сопротивления линий:
(6.6)
где
- удельное сопротивление провода принимаемое согласно
табл. 6.2 [10].
Кроме
того, согласно п. 3.13 [4] сечения нулевых жил кабелей в осветительных
установках с газоразрядными источниками света следует, как правило, принимать
равным сечению фазных жил. Для нулевых проводов воздушных линий указанное
требование является обязательным.
Выбор силовых кабелей сети 0.4 кВ для ТП1 приведён в приложении 7.
Выбор сечения кабелей сети наружного освещения приведён в приложении 8.
Рассмотрим расчёт приложения 9 на примере фазы В на участке КЛ-1
светильник.
Расчётная активная мощность осветительной установки рассчитывается по
формуле (3.6) данного дипломного проекта.
(кВт),
(кВ∙А),
(А),
(В)
7.
РАСЧЁТ ТОКОВ КОРОТКОГО ЗАМЫКАНИЯ
7.1 Расчёт токов короткого замыкания в распредсетях
10 кВ
Основной
причиной нарушения нормального режима работы системы электроснабжения является
возникновение токов короткого замыкания (К.З.) в сети или в элементах
электрооборудования в следствии повреждения изоляции или не правильных действий
обслуживающего персонала.
Расчетным
видом К.З. для выбора или проверки параметров электрооборудования обычно
считают трёхфазное К.З. Однако для выбора или проверки уставок релейной защиты
и автоматики требуется определение и не симметричных токов К.З.
Согласно
п. 1.4.4 [6] при выборе расчётной схемы для определения токов К.З. следует
исходить из предусматриваемых для данной электроустановки условий длительности
ёё работы и не считаться с кратковременными изменениями схемы.
Расчётная
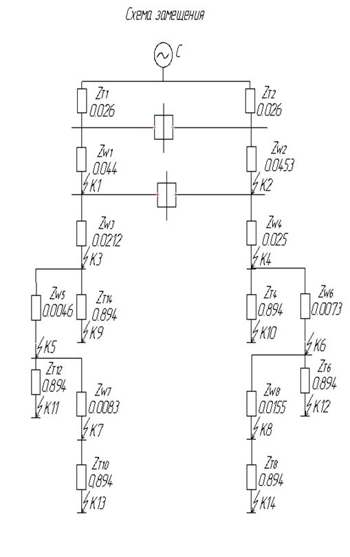
схема для определения токов К.З. приведена в приложении 10. На ней отмечены
характерные точки К.З. - точки, в которых токи имеют максимальные значения.
Определение
токов К.З. выполним в относительных единицах. Расчет проведём при следующих
условиях:
мощность
питающей системы
точки
К.З. значительно удалены от источника питания (И.П.);
сопротивление
системы до точки присоединения потребителей принимаем равным нулю (
).
При
расчете в относительных единицах все величины сравниваются с базисными. За
базисную мощность принимаем условную единицу мощности - 10 МВ·А.
.
В
качестве базисного напряжения принимаем:
ступени,
на которой имеет место К.З.:
кВ.
При
этом базисный ток будет:
(кА).
На
основании расчётной схемы составляем схему замещения, в которой все элементы
системы электроснабжения представлены сопротивлениями. Схема замещения
представлена в приложении 11.
Определяем
сопротивления элементов схемы замещения в базисных единицах.
Силовые
трансформаторы:
(7.1)
. (7.2)
Трансформаторы
ТРДН 40000/110 имеют следующие параметры:
,
,
.
Используя
формулы (7.1) и (7.2), получим:
о.е.;
о.е.
Исходные
данные для трансформаторов ТРДН-40000/110 и ТМГ-630/10 приведены в таблице 7.1.
Таблица
7.1 - Исходные данные для трансформаторов ТРДН-40000/110 и ТМГ-630/10
|
Трансформатор
|
     
|
|
|
|
|
|
|
|
Т1-Т2
|
40000
|
209.9
|
170
|
10.5
|
0.001
|
0.026
|
10
|
|
Т3-Т14
|
630
|
36.4
|
7.6
|
5.5
|
0.191
|
0.873
|
10
|
Полные сопротивления трансформаторов рассчитываем по формуле:
(7.3)
о.е.;
о.е.
Для
кабельных линий сопротивления рассчитываются по формулам:
; (7.4)
; (7.4)
(7.5)
Значения
,
приведены в таблице 6.2 [10]. В качестве примера
приведём расчёт сопротивления линий, питающих РП.
Линии
W1 и W2 проложены кабелем АПвП-10-3×240, длина линии
W1 - 3.4 км, W2 -
3.5 км.
;
;
;
;
;
.
Исходные
данные для расчёта линий W1-W9 приведены в таблице 7.2.
Таблица
7.2 - Исходные данные для расчёта линий W1-W9
|
Номер линии
|
Значение параметра
|
|
L, км
|
IР, А
|
F, r0,Ом/кмx0,Ом/кмr*w,
о.е.x*w, о.е.z*w, о.е.
|
|
|
|
|
|
|
W1
|
3.4
|
634.7
|
240
|
0.13
|
0.0587
|
0.0401
|
0.0181
|
0.044
|
|
W2
|
3.5
|
629.8
|
240
|
0.13
|
0.0587
|
0.0413
|
0.0186
|
0.0453
|
|
W3
|
1.08
|
158.06
|
150
|
0.208
|
0.0596
|
0.0204
|
0.0058
|
0.0212
|
|
W4
|
1.27
|
157.3
|
150
|
0.208
|
0.0596
|
0.024
|
0.0069
|
0.025
|
|
W5
|
0.191
|
111.18
|
120
|
0.261
|
0.0602
|
0.0045
|
0.0010
|
0.0046
|
|
W6
|
0.30
|
110.87
|
120
|
0.261
|
0.0602
|
0.0071
|
0.0010
|
0.0070
|
|
W7
|
0.275
|
59.19
|
95
|
0.329
|
0.0602
|
0.0082
|
0.0015
|
0.0083
|
|
W8
|
0.510
|
59.5
|
95
|
0.329
|
0.0602
|
0.0152
|
0.0028
|
0.0155
|
|
W9
|
0.45
|
158.06
|
70
|
0.447
|
0.612
|
0.0182
|
0.025
|
0.0309
|
Ток короткого трехфазного замыкания будет определяться по выражению:
электрический нагрузка трансформатор замыкание
(7.6)
где
- базисный ток ступени, на которой рассматривают ток
К.З.;
-
суммарное сопротивление участка сети от источника питания (И.П.) до точки К.З.
Ток двухфазного К.З.:
(7.7)
Наибольшее
возможное мгновенное значение тока К.З. (ударный ток) в рассматриваемой точке:
(7.8)
где
- значение периодической составляющей тока К.З. в
начальный момент времени, принимаемое при рассмотрении системы неограниченной
мощности, равным:
(7.9)
где
- ударный коэффициент, определяемый по выражению:
(7.10)
где
- постоянная времени апериодической слагающей тока
К.З., которая находится как:
(7.11)
где
,
-
суммарные, приведённые к базисным условиям индуктивное и активное сопротивления
участка сети от И.П. до точки К.З.
Результаты
расчёта токов К.З. на напряжение 10 кВ приведены в таблице 7.3
Таблица
7.3 - Результаты расчёта токов К.З. на напряжение 10 кВ
Точка
К.З.
,
о.е.
,
о.е.
,
о.е.

,
кА
,
кА
,
|
кА
|
|
|
|
|
|
|
|
|
|
|
К1
|
0.0441
|
0.0411
|
0.0603
|
1.073
|
3.417
|
9.121
|
7.899
|
1.054
|
13.596
|
|
К2
|
0.0446
|
0.0423
|
0.0615
|
1.054
|
3.357
|
8.948
|
7.749
|
1.051
|
13.299
|
|
К3
|
0.0499
|
0.0615
|
0.0792
|
0.811
|
2.583
|
6.945
|
6.015
|
1.0208
|
10.026
|
|
К4
|
0.0515
|
0.0663
|
0.08395
|
0.777
|
2.475
|
6.551
|
5.673
|
1.018
|
9.431
|
|
К5
|
0.0509
|
0.066
|
0.0833
|
0.7712
|
2.456
|
6.559
|
5.715
|
1.017
|
9.491
|
|
К6
|
0.0531
|
0.0734
|
0.09059
|
0.7234
|
2.304
|
6.071
|
5.258
|
1.013
|
8.697
|
|
К7
|
0.0524
|
0.0742
|
0.0908
|
0.7062
|
2.249
|
6.055
|
5.244
|
1.0117
|
8.663
|
|
К8
|
0.0559
|
0.0886
|
0.1048
|
0.6303
|
2.009
|
5.2501
|
4.547
|
1.007
|
7.477
|
|
К9
|
0.9229
|
0.2526
|
0.9568
|
3.655
|
11.640
|
0.575
|
0.498
|
1.424
|
1.158
|
|
К10
|
0.9245
|
0.2573
|
0.9563
|
3.5931
|
11.443
|
0.573
|
0.496
|
1.417
|
1.148
|
|
К11
|
0.9239
|
0.257
|
0.95898
|
3.595
|
11.449
|
0.5735
|
0.497
|
1.418
|
1.150
|
|
К12
|
0.9261
|
0.2644
|
0.9631
|
3.5026
|
11.155
|
0.5711
|
0.4946
|
1.408
|
1.137
|
|
К13
|
0.9254
|
0.2652
|
0.9627
|
3.489
|
11.111
|
0.5713
|
0.4948
|
1.407
|
1.136
|
|
К14
|
0.9289
|
0.2796
|
0.9701
|
3.32
|
10.573
|
0.5669
|
0.4910
|
1.388
|
1.113
|
В качестве примера приведём расчёт тока К.З. в точке К1.
Сопротивления будут равны:
;
;
Используя
формулы (6.13)-(6.18), имеем:
(кА);
(кА);
(с);
;
(кА).
7.2 Расчёт токов короткого замыкания на напряжение
0.4 кВ
В
электроустановках переменного тока напряжением до 1 кВ расчет токов короткого
замыкания выполняется с целью проверки коммутационной аппаратуры и шинопроводов
на динамическую стойкость, проверки чувствительности и селективности действия
защит.
При
напряжении до 1 кВ даже небольшое сопротивление оказывает существенное влияние
на ток К.З. поэтому в расчётах учитываются все активные и индуктивные
сопротивления К.З. цепи, включая активные сопротивления различных контактов и
контактных соединений, а также сопротивления электрической дуги в месте К.З.
При
расчёте токов К.З. параметры исходной расчётной схемы следует приводить к
ступени напряжения сети, на которой рассматривается точка К.З.
При
расчёте токов К.З. в электроустановках, получающих питание непосредственно из
энергосистемы, допускается считать, что понижающие трансформаторы подключены к
источнику неизменному по амплитуде напряжения.
В
основу расчёта положен метод симметричных составляющих [8], согласно которому
любую не симметричную систему векторов (токи, напряжение, и тому подобное)
можно заменить тремя условными симметричными составляющими: прямой, обратной и
нулевой.
Сопротивление
элементов трёхфазной цепи для разных последовательностей могут отличаться друг
от друга.
Для
всех элементов схемы замещения сопротивления прямой последовательности цепи
К.З. соответствуют сопротивлениям при симметричном режиме работы
(сопротивления, которые принимаются при расчёте трёхфазного К.З.).
Определим
сопротивление силового трансформатора ТМГ-630/10:
; (7.12)
. (7.13)
Используя
формулы (7.12) и (7.13), имеем:
;
Для
линий электропередач:
; (7.14)
. (7.15)
Сопротивление
обратной последовательности цепи К.З. для не вращающихся машин, аппаратов, а
также для линий в расчетах допускается принимать равным сопротивлению прямой
последовательности:
;
;
;
.
Значения
сопротивлений нулевой последовательности трансформатора зависят от конструкции
и схемы соединения обмоток трансформатора. Для двухобмоточных трансформаторов
при схеме соединения его обмоток Δ/Υ принимаем: согласно табл. 6.3 [8]:
;
.
Для
четырёхжильных кабелей принимаем:
;
.
Сопротивление
нулевой последовательности ВЛ зависят от конструктивного исполнения линий. Для
одноцепной линии без тросов принимаем:
;
.
Сопротивление
кабельных линий для разных последовательностей приведены в табл. 7.4 ВКР.
Сопротивления
кабелей до первой опоры и сопротивления участков сети наружного освещения
приведены в табл. 7.5 и 7.6 ВКР.
Таблица
7.4 - Сопротивление кабельных линий для разных последовательностей
|
Обозначение по плану
|
L, км
|
rуд, Ом/км
|
xуд, Ом/км
|
r1, мОм
|
х1, мОм
|
x0, мОм
|
r, мОм
|
x, мОм
|
|
Т1-31
|
0.14
|
0.208
|
0.0596
|
29.12
|
8.344
|
20.86
|
87.36
|
37.548
|
|
Т1-28
|
0.09
|
0.208
|
0.0596
|
18.72
|
5.364
|
13.41
|
56.16
|
24.138
|
|
28-28а
|
0.015
|
3.12
|
0.073
|
46.8
|
1.095
|
2.74
|
140.4
|
4.93
|
|
Т1-27
|
0.17
|
0.208
|
0.0596
|
35.36
|
10.132
|
25.53
|
106.08
|
45.594
|
|
27-27а
|
0.02
|
3.12
|
0.073
|
62.4
|
1.46
|
3.65
|
187.2
|
6.57
|
|
Т1-30
|
0.2
|
0.208
|
0.0596
|
41.6
|
11.92
|
29.8
|
124.8
|
53.64
|
|
Т2-26
|
0.055
|
0.208
|
0.0596
|
11.44
|
3.278
|
8.195
|
34.32
|
14.751
|
|
Т2-32
|
0.2
|
0.208
|
0.0596
|
41.6
|
11.92
|
29.8
|
124.8
|
53.64
|
|
Т2-25
|
0.12
|
0.261
|
0.0602
|
31.32
|
4.224
|
18.06
|
93.96
|
32.508
|
|
Т2-29
|
0.065
|
0.261
|
0.0602
|
16.956
|
3.913
|
9.783
|
50.895
|
17.609
|
Таблица 7.5 - Сопротивления кабелей до первой опоры
|
Обозначение по плану
|
L, км
|
rуд, Ом/км
|
xуд, Ом/км
|
r1, мОм
|
х1, мОм
|
x0, мОм
|
r, мОм
|
x, мОм
|
|
КЛ на панель УО
|
0.005
|
7.81
|
0.095
|
0.03905
|
0.000475
|
0.001188
|
0.1171
|
0.002138
|
|
I
|
0.015
|
7.81
|
0.095
|
0.11715
|
0.001425
|
0.003563
|
0.3514
|
0.006413
|
Примечание:
. КЛ на панель УО - кабельная линия, идущая на панель управления уличным
освещением от шин 0.4 кВ ТП до шин ночного и вечернего освещения.
. I - кабельная линия вывода питания на ВЛ - 0.4 кВ наружного освещения с
количеством светильников 28 шт.
Таблица 7.6 - Сопротивления участков сети наружного освещения
|
Назначение проводника
|
L, км
|
rуд, Ом/км
|
r1, мОм
|
r, мОм
|
|
0.8811.8381.5384.913
|
|
|
|
|
Примечания:
1.
- воздушная линия 0.4 кВ наружного освещения с
количеством светильников 28 шт.
.
Индуктивные сопротивления не учитываются в виду их малого значения.
Ток
трёхфазного К.З. при питании установки от энергосистемы через понижающий
трансформатор определяется по формуле:
(7.16)
где
- среднее номинальное напряжение сети, в которой
рассматривается КЗ, В;
-
соответственно, суммарное активное и суммарное индуктивное сопротивления прямой
последовательности цепи КЗ, мОм.
Сопротивления
в общем случае равны:
;
(7.17)
где
,
-
активное и индуктивное сопротивление прямой последовательности силового
трансформатора;
,
,
,
- активные и индуктивные сопротивления прямой
последовательности кабельных и воздушных линий;
-
активное сопротивление дуги в месте КЗ;
-
эквивалентное индуктивное сопротивление системы до понижающего трансформатора,
приведённое к ступени низшего напряжения, определяемое по формуле:
(7.18)
где
- среднее номинальное напряжение сети, подключенной к
обмотке низшего напряжения трансформатора, В;
-
среднее номинальное напряжение сети, подключённой к обмотке высшего напряжения
трансформатора, В;
-
действующее значение периодической составляющей тока при трёхфазном КЗ у
выводов обмотки высшего напряжения трансформатора, кА.
Найдём
до шин ТП1 по формуле (7.18):
При
расчёте тока КЗ следует учитывать ограничивающее действие активного
сопротивления электрической дуги,
.
Сопротивление дуги определяется отношением падения напряжения на дуге
и током КЗ
в месте
повреждения, рассчитанным без учёта дуги:
(7.19)
где
здесь
- напряжённость в стволе дуги, В/мм;
- длина
дуги, мм.
При
> 1000 А,
= 1.6
В/мм.
Длина
дуги определяется в зависимости от расстояния «а» между фазами проводников в
месте КЗ:
Расстояния
«а» (мм) между фазами проводников в сетях напряжением до 1 кВ приведены в табл.
6.8 [10], а расстояния «а» (мм) между фазами проводников в КТП в табл. 6.9
[10].
Ток
двухфазного КЗ определяется по выражению:
. (7.20)
Действующее
значение периодической составляющей тока однофазного КЗ
, кА, определяется по формуле:
(7.21)
где
- полное сопротивление питающей системы
трансформатора току однофазного КЗ;
- полное
сопротивление петли фаза-нуль от трансформатора до точки короткого замыкания.
Значение
приведены в табл. 6.11 [10].
Сопротивление
определяется по формуле:
. (7.22)
Согласно
табл. 6.3 [8] для трансформатора ТМГ-630/10 соединением обмоток Δ/Υ получим:
;
.
В
качестве примера приведём расчёт токов КЗ на шинах 0.4 кВ ТП1.
Ток
трёхфазного КЗ без учёта сопротивления дуги по формуле (7.16) дипломного
проекта:
(кА).
Найдём
сопротивление дуги: по табл. 6.9 [10] находим, что при мощности трансформатора
630 кВ·А расстояние а = 60 мм.
Следовательно,
,
. Далее
по формуле (7.19) получаем:
(мОм).
Ток
трёхфазного КЗ с учётом сопротивления дуги:
(кА).
Ток
двухфазного КЗ найдём по формуле (7.20) ВКР:
(кА).
Найдём
ток однофазного КЗ по формуле (7.21), используя формулу (7.22):
;
.
Найдём
ударный ток по формуле (7.8) ВКР:
где
- ударный коэффициент, определяемый согласно гл. 6
рис. 6.2 [8].
.
Подставляем
полученные значения в формулу (7.8):
(кА)
Результаты
расчёта токов КЗ на шинах ВРУ объектов территории микрорайона приведены в
приложении 12.
8.
ВЫБОР И ПРОВЕРКА КОМУТАЦИОННО-ЗАЩИТНОЙ АППАРАТУРЫ
Защита сетей напряжением до 1 кВ
Согласно п. 3.1.5 [6] в качестве аппаратов защиты должны применяться
автоматические выключатели или предохранители.
Согласно п. 3.1.8 [6] электрические сети должны иметь защиту от токов КЗ,
обеспечивающую по возможности наименьшее время отключения и требования
селективности. Защита должна обеспечивать отключение повреждённого участка при
КЗ в конце защищаемой линии: одно, - двух - и трёхфазных - в сетях с
глухозаземлённой нейтралью; двух - и трёхфазных - в сетях с изолированной
нейтралью.
Надёжное отключение повреждённого участка сети обеспечивается, если
отношение наименьшего расчётного тока КЗ к номинальному току плавкой вставки
предохранителя или расцепителя автоматического выключателя будет не менее 3.
Наибольшее распространение в сетях напряжением до 1 кВ получили предохранители
НПН и ПН2, технические данные которых приведены в табл. 11.1 [8].
Выбор предохранителей производим по условиям [8]:
1. Номинальное напряжение предохранителя должно быть равно или
больше номинального напряжения сети:
. (8.1)
.
(8.2)
где
- максимальный ток КЗ сети.
.
(8.3)
где
- максимальный рабочий ток.
.
Номинальный ток плавкой вставки выбирают по расчётному тока защищаемой цепи:
. (8.4)
Выбранные
плавкие предохранители проверяют на требуемую чувствительность защиты:
в
электрических сетях общего назначения:
(8.5)
где
- минимальный ток К.З. в конце защищаемой линии.
В
качестве примера приведём выбор предохранителя для линии, питающей дом,
обозначенный на плане №31:
;
;
.
В
соответствии с условиями выбора (5.1) - (5.5) принимаем: ПН 2-250 с
параметрами:
,
,
. Номинальный ток плавкой вставки 250 А.
Результаты
выбора предохранителей для ТП1 приведены в табл. 8.1.
Таблица 8.1 -
Результаты выбора предохранителей для ТП1
Обозначение
по плану
,
А
,
кА
,
кАТип
предохр-анителя
,
А
,
кА
,
|
А
|
|
|
|
|
|
|
|
|
|
31
|
244.77
|
13.57
|
2.75
|
ПН2-250
|
250
|
100
|
250
|
11.0
|
|
28
|
256.99
|
13.57
|
3.85
|
ПН2-400
|
400
|
40
|
315
|
12.2
|
|
27
|
247.44
|
13.57
|
2.35
|
ПН2-400
|
400
|
40
|
250
|
9.4
|
|
30
|
99.71
|
13.57
|
2.05
|
ПН2-250
|
250
|
100
|
125
|
16.4
|
|
26
|
244.77
|
13.57
|
5.34
|
ПН2-250
|
250
|
100
|
250
|
21.36
|
|
32
|
244.77
|
13.57
|
2.05
|
ПН2-250
|
250
|
100
|
250
|
8.2
|
|
25
|
213.04
|
13.57
|
2.53
|
ПН2-250
|
250
|
100
|
125
|
20.24
|
|
29
|
215.19
|
13.57
|
4.04
|
ПН2-250
|
250
|
100
|
125
|
32.32
|
Рассмотрим выбор вводного выключателя на примере ТП1 используем
выключатели серии ВА-55.
Автоматические выключатели выбираются по следующим условиям [10]:
соответствие номинального напряжения АВ номинальному напряжению сети:
; (8.6)
соответствие
номинального тока выключателя расчётному току защищаемой сети:
(8.7)
где
- максимальный расчётный ток на шинах 0.4 кВ.
(8.8)
где
для ТП1 равна 1087.35 кА (смотри табл. 8.2 дипломного
проекта).
По
формуле (8.8) имеем:
.
(8.9)
где
- ток срабатывания от перегрузки, определяется
перегрузочной
способностью
трансформатора:
. (8.10)
Используя
формулу (8.10), получим:
Выбираем
выключатели ВА-55-43 на ток 1600 А;
;
;
;
;
;
.
Время
срабатывания отсечки определяется по условию [10].
где
- время срабатывания предыдущей защиты, с;
- ступень
селективности, принимается для выключателя ВА-55 равной 0.15 с.
Принимаем
(табл. 7.9 [10]).
Выбранный
выключатель необходимо проверить по условиям:
1. Проверка по условиям стойкости при К.З.
(8.12)
где
ПКС - предельная коммутационная способность выключателя принимаемая по табл.
7.9 [10].
По
формуле (8.12) проверяем:
кА
> 21.88 кА,
Условие
выполняется.
2. Термическая стойкость проверяется:
(8.13)
где
Вк - тепловой импульс,
; проверку не выполняют, так как значение Вк в
каталоге отсутствует.
АВ
является термически стойким при всех значениях времени отключения, определяемых
его защитной характеристикой.
3. Проверка на чувствительность отсечки к минимальным токам К.З.
(8.14)
где
- коэффициент чувствительности отсечки;
-
минимальный ток КЗ в конце защищаемой линии;
- ток
срабатывания отсечки;
-
коэффициент разброса срабатывания отсечки по току, который равен 1.3 (см. табл.
7.3 [10]).
По
формуле (8.14) получаем:
.84
> 1.43, следовательно условие (8.14) выполняется.
9.
ВЫБОР КОМПЛЕКТНОГО ОБОРУДОВАНИЯ
9.1 Выбор панелей распределительных щитов на 0,4 кВ
Выбор
производим на основе номинальных токов аппаратуры установленной в панелях
(плавкие предохранители и автоматические выключатели).
В
качестве вводных панелей выбираем панели типа ЩО-70-2-45 У3 с автоматическими
выключателями на номинальный ток 1600 А.
Выбор
секционной панели производим по наибольшему расчётному току ТП на шинах 0,4 кВ.
Результаты
выбора панелей ЩО - 70 для ТП1 приведены в приложении 13.
Технические
данные панелей ЩО-70:
номинальное
напряжение 0,4/0,23 кВ;
ток
электродинамической стойкости 30 кА;
ток
термической стойкости ошиновки 20 кА.
Проверяем
выполнение условия:
(9.1)
где
(см. п.7.2 дипломного проекта).
По
условию (9.1) получаем:
кА
> 21,88 кА,
Условие
(9.1) выполняется.
9.2 Выбор камер с выключателями нагрузки
Для
РУ-10 кВ в ТП принимаем к установке камеры сборные одностороннего обслуживания
типа КСО-293. В них монтируются выключатели нагрузки с предохранителями типа
ВНА-10/630зп на присоединениях силовых трансформаторов и ВНА-10/630з на
присоединениях отходящих линий.
Для
линии 10 кВ по табл. 6.2 имеем максимальный расчётный ток:
Наибольшие
расчётные токи трансформаторов не превышают 50 А, следовательно выбираем
выключатели нагрузки с номинальным током:
Ток
динамической стойкости выключателя:
Ток
термической устойчивости для промежутка времени 1сек.: 10 кА.
При
этом имеем:
.
9.3 Выбор выключателей
Проектом предусматриваем комплектацию РУ 10 кВ распределительного пункта
стационарными камерами одностороннего обслуживания типа КСО с вакуумными
выключателями типа ВВ/TEL:
номинальное напряжение 10 кВ;
номинальный ток 630 А;
номинальный ток отключения 20 кА;
ток динамической стойкости 51 кА;
ток термической устойчивости для промежутка времени 4 сек. 20 кА;
время отключение до погасания дуги не более 0.075 сек., tа = 0.075 сек.
При этом имеем:
.
10. УЧЁТ ЭЛЕКТРОЭНЕРГИИ
Учет расхода электроэнергии в гражданских зданиях осущетвляется в
соответствии с требованиями ПУЭ, СН 297-73 и СП 31-110-2003.
Расчетные счетчики электроэнергии устанавливают в точках балансового
разграничения с энергоснабжающей организацией: на ВРУ, ГРЩ и вводах низшего
напряжения силовых трансформаторов ТП, в которых щит низшего напряжения
обслуживается эксплуатационным персоналом абонента; на вводах в квартиры жилых
домов.
Если от общего ввода осуществляется питание нескольких потребителей,
обособленных в административно-хозяйственном отношении, допускается установка
одного общего расчетного счетчика. В этом случае на вводе каждого потребителя (
субабонента ) устанавливают счетчик контрольного учета для расчетов с основным
абонентом.
Электропотребители помещений общественного назначения, встроенных в жилые
дома или пристроенные к ним, за расходуемую электроэнергию рассчитываются по
счетчику, который устанавливают на вводе каждого помещения независимо от
источника питания ( ТП, ВРУ жилого дома или ВРУ одного из потребителей ).
В жилых домах устанавливают один однофазный счетчик на каждую квартиру. В
необходимых случаях допускается установка на квартиру одного трехфазного
счетчика.
В последнее время широкое применение получили автоматизированные системы
коммерческого учета энергоресурсов (АСКУЭ).
Оснащение жилых домов и общественных зданий АСКУЭ осуществляется по
заданию на проектирование согласно требованиям СП-31-110-2003. Подключение
вновь строящихся объектов к существующим сетям АСКУЭ осуществляется в
соответствии с техническими условиями, выдаваемыми владельцем этих сетей.
АСКУЭ должна обеспечивать поквартирный и поценовой учет электроэнергии в
многотарифном режиме, автоматизированный расчет потребления и возможность
выписки электронных счетов абонентам для оплаты потребленной электроэнергии,
внутриобъектовый баланс поступления и потребления электроэнергии с целью
выявления очагов несанкционированного потребления, информирование потребителей
о состоянии оплаты и потребления электроэнергии.
АСКУЭ должна позволять применять дифференцированные по зонам суток тарифы
на электроэнергию, а также обеспечивать контроль переключения системы с тарифа
на тариф с передачей указанной информации в диспетчерский пункт АСКУЭ со
временем исполнения, как правило, до 5 минут.
АСКУЭ должна обеспечивать съем показаний в дискретном режиме, как
правило, с интервалом от 5 минут и более для получения данных графиков нагрузки
(суточных, месячных, годовых) и для определения максимального значения
потребляемой мощности в определенный период.
11. РАСЧЁТ РЕЛЕЙНОЙ ЗАЩИТЫ
11.1 Защита силовых трансформаторов
Согласно п. 3.2.58 [6] в случаях присоединения трансформаторов к линии
без выключателя одним из мероприятий для отключения повреждений в
трансформаторе является установка предохранителей на стороне высшего напряжения
понижающего трансформатора.
Выбираем предохранители ПКТ, получившие наибольшее распространение.
Для предотвращения срабатывания предохранителей в нормальном режиме и при
бросках тока намагничивания трансформатора плавкую вставку предохранителя
выбирают с номинальным током [11].
(11.1)
где
- номинальный ток трансформатора, А,
. (11.2)
В
формуле (11.2) подставляем известные данные и получаем:
.
По
формуле (11.1) получаем:
.
Выбираем
предохранители ПКТ-103-10-80 с
По
времятоковой характеристике, приведённой на рис. 5.2 [12], находим, что при
токе
время плавления вставки предохранителя составляет
11.2 Защита линий 10 кВ
Для защиты линий 10 кВ предусматриваем токовую отсечку и МТЗ
(максимальная токовая защита) согласно пункта 3.2.93. [ 5 ]. Также
предусматриваем защиту от замыкания на землю по пункту 3.2.96. [ 5 ].
Ток срабатывания токовой отсечки мгновенного действия Icо , кА, определим по формуле:
, (11.3)
где
Ik(3) - ток трехфазного КЗ в точке К10, кА.
Надежность
отстройки от бросков тока намагничивания трансформаторов определим по формуле:
, (11.4)
где
- суммарный ток трансформаторов, установленных на
подстанциях, А.
Ток
срабатывания реле определим по формуле:
, (11.5)
где
kсх - коэффициент схемы;
kТ - коэффициент
трансформации трансформатора тока.
Коэффициент
чувствительности отсечки определим:
, (11.6)
где
Ik(2) - ток двухфазного КЗ, кА.
Ток
срабатывания МТЗ определим по формуле:
, (11.7)
где
kн - коэффициент надежности;
kсзп -
коэффициент самозапуска;
kв - коэффициент
возврата;
Iраб.МАХ,W -
максимальный рабочий ток, А.
Ток
срабатывания реле и коэффициент чувствительности МТЗ определяется аналогично,
как и для токовой отсечки по (11.5) и (11.6).
Защиту
будем выполнять по однорелейной схеме. Схема соединений
ТТ
- неполная звезда (kсх=1). Трансформатор тока выберем марки ТПЛМ-10 класса
Р с kТ =500/5. Защиту будем строить на основе реле РТ -
40/10 с уставкой 5 А.
Рассчитаем
параметры токовой отсечки.
(кА),
ток
Ik2(3) из таблицы (табл. 7.3).
кА;
кА.
Уточняем
ток срабатывания реле: Ic.р.=8 А, ток срабатывания отсечки тогда будет равен:
(А);
>2 ,
отсечка
эффективна по [ 16 ].
Рассчитаем
параметры МТЗ.
При выборе тока срабатывания МТЗ используется ток послеаварийного режима,
например, обрыв на линии W4
(см. рис. 5.1).
В этом случае ток будет равен:
(см.
табл. 6.1 дипломного проекта).
(А);
(А);
(А).
Уточняем
ток срабатывания реле: Ic.р.=5 А, ток срабатывания МТЗ тогда будет равен:
(А);
основная
зона:
> 1,5 ;
зона
резервирования:
,
то
есть МТЗ эффективна по [ 16 ].
Ik3(2) из
таблицы (табл. 7.3) для точки К4.
Защита
от замыкания на землю подключается через трансформаторы тока нулевой
последовательности. Это защита с действием на сигнал, поэтому устанавливается
на главной понизительной подстанции, где есть обслуживающий персонал.
Селективность
действия МТЗ осуществляется путём выбора соответствующей выдержки времени,
которая должна согласовываться с временем сгорания предохранителя при токах
равным токам перегрузки.
(11.8)
где
- время срабатывания предохранителя при I =
573 А;
-
ступень селективности.
Как
указано в п. 11.1 дипломного проекта время плавления предохранителя при токе I =
573 А составляет 0.4 с, тогда время срабатывания МТЗ:
.
11.3 Расчет устройства автоматического включения резерва
Функция автоматического включения резерва (АВР) выполняется совместными
действиями «Сириус-С» (секционный выключатель) и двух «Сириус-В» (вводные
выключатели).
«Сириус-В» выполняет следующие функции:
1 контролирует напряжения UAB, UBC на
секции, напряжение до выключателя UВНР (схема нормального режима) и формирует
команды управления выключателем ввода и секционным выключателем;
2 выполняет АВР без выдержки времени
при срабатывании защит трансформатора;
3 контролирует параметры напряжения на
секции и формирует сигнал “Разрешение АВР” для «Сириус-С» соседней секции.
«Сириус-С» выполняет команды “Включение”, поступающие от «Сириус-В», без
выдержки времени. Исходной информацией для пуска и срабатывания АВР является
уровень напряжений UАВ, UВС и UВНР, контролируемых «Сириус-В», положение
силового выключателя ввода (“Вкл.”/”Откл”), а также наличие сигнала
"Разрешение АВР" от «Сириус-В» соседней секции.
1. Напряжение срабатывания защиты минимального действия:
. (11.9)
В.
2. Уставка на резервном источнике определяется из условия отстройки
от минимального рабочего напряжения:
. (11.10)
(В).
Время
срабатывания АВР:
tАВР = tмтз.В.В
+ Δt .
(11.11)
tАВР.ВН = 0,9 +
0,4 = 1,3 (с);
tАВР.НН = 1,1 +
0,4 = 1,5 (с).
11.4 Расчёт усройства АПВ линий W3, W4
Устроуство АПВ предусматривается для быстрого восстановления питания
потребителей путём автоматического включения выключателей, отключённых
устройством РЗА.
На линии W3, W4
устанавливаем устройство АПВ однократного действия типа РПВ - 58.
Время срабатывания устройства однократного АПВ первой линии обусловлено временем
готовности привода выключателя, временем деионизации среды в месте повреждения,
временем возврата реле защиты. Определяющим обычно является первое условие.
Из
опыта эксплуатации следует, что для повышения успешности функционирования АПВ
однократного действия рекомендуется брать
с. Берем
с. При такой выдержке времени до момента срабатывания
АПВ линии успевают в большинстве случаев самоустраниться причины, вызвавшие
неустойчивое КЗ, а также успевает произойти деионизация среды в месте КЗ.
Время
автоматического возврата устройств АПВ, выполненных с помощью специальных реле
серии РПВ, может не рассчитываться, т.к. оно определяется продолжительностью
заряда конденсатора (
с), которая надёжно обеспечивает однократность
действия АПВ.
12. ПРОВЕРКА ПРОВОДНИКОВ ПО УСЛОВИЯМ СТОЙКОСТИ К ТОКАМ КОРОТКОГО
ЗАМЫКАНИЯ
12.1 Проверка кабелей на напряжение 10 кВ
Согласно п. 1.4.17 [6] проверку на нагрев производим, исходя из КЗ в
начале КЛ 10 кВ.
Согласно
табл. 7.3 дипломного проекта принимаем
.
Условие
проверки:
(12.1)
где
- минимально допустимое сечение кабеля по условию
термической стойкости,
;
-
выбранное расчётное сечение, принимаемое согласно п. 6.1 дипломного проекта,
равным 150
.
(12.2)
где
- выдержка времени срабатывания защиты с учётом
времени отключения вакуумного выключателя до погашения дуги
для ВВ/TEL-10 10;
- время
затухания апериодической составляющей тока КЗ, определяется по табл. 7.3
дипломного проекта;
С
- температурный коэффициент, учитывающий ограничение допустимой температуры
нагрева жил кабеля, принимаемый для кабелей с изоляцией CПЭ
напряжением 10 кВ, согласно табл. 1.15 [13] равным 95
.
По
формуле (12.2) рассчитываем:
Выбранный
кабель удовлетворяет условию термической стойкости.
12.2 Проверка сборных шин 10 кВ
Согласно
п. 1.4.14 [6] усилия, действующие на жёсткие шины следует рассчитывать по
наибольшему мгновенному значению тока трёхфазного КЗ.
По
табл. 7.3 дипломного проекта принимаем
.
Проверку
производим исходя из требования:
, (12.3)
где
- расчётное механическое напряжение, возникающее в
материале шин при КЗ,
;
-
допустимое напряжение для материала АД31Т, равное
.
, (12.4)
где
- максимальная сила, приходящаяся на единицу длины
средней фазы при трёхфазном КЗ, Н/м;
- пролёт
между опорными изоляторами, принимаемый 1.5-2.0м;
W - момент
сопротивления шины,
.
Определяем
максимальную силу, приходящуюся на единицу длины средней фазы:
(12.5)
где
а - расстояние между шинами, м;
-
наибольшее мгновенное значение тока трёхфазного КЗ на шинах
кВ,
принимаемое, как указано выше, по табл. 7.3 дипломного проекта.
По
формуле (12.5) получаем:
.
Момент
сопротивления шины зависит от формы сечения шин, их размеров и взаимного
расположения. Для плоских шин, расположенных горизонтально:
, (12.6)
где
b - толщина шины, м;
h - ширина шины,
м.
.
Выбрав
пролёт между опорными изоляторами 2 метра, получим напряжение в материале шин,
по формуле (12.4):
.
Так
как
- то выбранные шины удовлетворяют требованиям
динамической стойкости при КЗ.
13. ЭКОНОМИЧЕСКАЯ ЧАСТЬ
13.1 Сметно-финансовый расчёт схемы
электроснабжения
Действующими нормативными документами являются ТЕРм - 2001,
инструкции и указания по производству и приёмке СМР, в том числе по
технике безопасности в строительстве.
На основании схемы электроснабжения разрабатывается смета-спецификация
оборудования, содержащая список монтируемого оборудования и расходных
материалов которые включаются в смету.
Стоимость работ в локальных сметах (расчетах) в составе сметной
документации может рассчитываться в двух уровнях цен [1]:
. В ценах базисного уровня, определяемых на основе действующих
сметных норм и цен, установленных по состоянию на 01.01.2001 г. в редакции 2014
года.
. В текущих (прогнозных) ценах, определяемых на основе цен,
сложившихся к моменту составления смет или прогнозируемых к периоду
осуществления строительства.
Полная стоимость объекта включает затраты на строительно-монтажные
работы, затраты на приобретение и монтаж оборудования и прочие затраты:
, (13.1)
где
- затраты на строительно-монтажные работы по
возведению зданий и сооружений, монтаж технологического оборудования, руб.;
-
затраты на приобретение основного и вспомогательного технологического
оборудования, руб.;
- прочие
и лимитированные затраты, включающие научно-исследовательские работы; авторский
надзор, подготовку кадров, дополнительные расходы, вызванные местными условиями
строительства объекта и др., руб.
Стоимость
строительно-монтажных работ в локальной смете включает прямые затраты,
накладные расходы и сметную прибыль:
, (13.2)
где
- прямые затраты, включающие стоимость материалов,
изделий, конструкций, оплату труда рабочих и эксплуатации строительных машин,
руб.;
-
накладные расходы, охватывающие затраты строительно-монтажных организаций,
связанных с созданием общих условий производства, его обслуживанием,
организацией и управлением, руб.;
-
сметная прибыль, представляющая собой сумму средств, необходимых для покрытия
расходов строительной организации на развитие производства, социальной сферы и
материальное стимулирование работников, руб.
Прямые
затраты на строительно-монтажные работы включают:
, (13.3)
где
Сзп - сдельная и повременная оплата труда рабочих, занятых непосредственно на
строительно-монтажных работах, руб.;
-
расходы по эксплуатации строительных машин и оборудования, руб.;
-
расходы на материалы, необходимые для выполнения строительно-монтажных работ,
руб.
Прямые затраты на строительно-монтажные работы иначе определяются исходя
из объемов работ и согласованных единичных расценок:
, (13.4)
где
- объем строительно-монтажных работ i-го
вида в натуральных измерителях;
- цена
(расценка) за единицу строительно-монтажной работы, руб./нат. ед.;
i=1…I -
число работ на объекте строительства.
Составление
сметы затрат на строительно-монтажные работы.
Полная сметная стоимость строительно-монтажных работ является
обоснованием необходимого объема инвестиций (капитальных вложений). Утвержденная
смета является предельно-допустимой величиной инвестиций на весь период
строительства.
Для расчетов используются ТЕРм 81-03-08-2001 и прайсы фирм-поставщиков
электрооборудования и кабельной продукции.
Локальная смета на строительные и монтажные работы и стоимость
оборудования приведена в приложении 14.
Согласно постановлению Правительства Вологодской области от 24.11.2014 №
1042 "О применении на территории Вологодской области Методики определения
стоимости строительной продукции на территории Российской Федерации базисные
индексы изменения сметной стоимости строительно-монтажных работ редакций 2009 и
2014 годов по видам строительства для Вологодской области на III квартал 2015
года (с учетом районного коэффициента и без учета НДС) по отношению к 2001 г. с
учетом инфляции составляют:
- стоимость
материалов
= 5,81;
заработная
плата
= 21,68;
эксплуатация
машин
= 7,64.
Применяемые индексы относятся к общеотраслевому строительству, код РТМ -
01-01-001-01.
Начисление накладных расходов и сметной прибыли при составлении локальных
смет (расчетов) без деления на разделы производим в конце сметы за итогом
прямых затрат, а при формировании по разделам - в конце каждого раздела и в
целом по смете (расчету).
Основные показатели в базисных, определяемые по смете, составляют:
- стоимость материалов Смат = 70814,1 руб.;
- стоимость монтажных работ Ссмр = 392261,11 руб.;
стоимость эксплуатации машин Сэм = 253576,42 руб.;
заработная плата рабочих Сзп = 68544,1 руб.;
заработная плата машинистов Сзпм = 21227,47 руб.
Детальный пересчет сметы затрат в текущие цены.
Таблица 13 - Детальный пересчет сметы затрат в текущие цены.
|
№ п/п
|
Наименование показателя
|
Коэффи-циент, отн. ед.
|
Значение, руб.
|
|
1.
|
Монтажные работы в базисных
ценах (01.01.2001 г.)
|
|
|
|
в том числе:
|
|
|
|
основная заработная плата
|
|
68544,1
|
|
заработная плата машинистов
|
|
21227,47
|
|
затраты по эксплуатации
машин
|
|
253576,42
|
|
строительные материалы
|
|
70814,1
|
|
2.
|
Пересчет стоимости
монтажных работ в текущие цены
|
|
|
|
Удорожание затрат на
заработную плату
|
21,68
|
1946247,6
|
|
Удорожание затрат по
эксплуатации машин
|
7,64
|
1937323,8
|
|
Удорожание строительных
материалов
|
5,81
|
411429,92
|
|
Всего прямых затрат в
текущих ценах:
|
|
4295001,3
|
|
Накладные расходы
|
0,95
|
1848935,2
|
|
Сметная прибыль организации
|
0,65
|
1265060,8
|
|
Всего затрат на монтажные
работы в текущих ценах по смете:
|
|
7408997,3
|
|
3.
|
Стоимость оборудования по
смете:
|
|
|
|
Стоимость оборудования в
текущих ценах
|
|
14283728
|
|
Расчет дополнительных
расходов на оборудование:
|
|
|
|
расходы на запасные части
|
0,02
|
285674,56
|
|
расходы на тару и упаковку
|
0,015
|
214255,92
|
|
транспортные расходы
|
0,05
|
714186,4
|
|
снабженческо-сбытовая
наценка
|
0,05
|
714186,4
|
|
заготовительно-складские
расходы
|
0,012
|
171404,73
|
|
расходы на комплектацию
|
0,008
|
114269,82
|
|
Всего дополнительные
расходы на оборудование:
|
|
2213977,83
|
|
Всего расходы на
оборудование в текущих ценах
|
|
16497705,83
|
|
4.
|
Стоимость материалов по
смете:
|
|
|
|
Оптовая цена на материалы в
текущих ценах
|
|
8580237,51
|
|
Расчет дополнительных
расходов на материалы
|
|
|
|
транспортные расходы
|
0,05
|
429011,87
|
|
расходы на тару и упаковку
|
0,015
|
128703,56
|
|
заготовительно-складские
расходы
|
0,012
|
109655,43
|
|
Всего дополнительные
расходы на материалы:
|
|
667370,86
|
|
Всего расходы на материалы
в текущих ценах
|
|
9247608,3
|
|
5.
|
Лимитированные и прочие
затраты в текущих ценах:
|
|
|
|
Затраты на временные здания
и сооружения
|
0,039
|
117301,13
|
|
Затраты на подвижной
характер работы
|
0,15
|
109853,46
|
|
Затраты на перевозку
крупногабаритных грузов
|
0,0003
|
|
Затраты на добровольное
страхование
|
0,03
|
90231,64
|
|
Затраты на НИОКР
|
0,015
|
388075,3
|
|
Затраты на премирование за
ввод в эксплуатацию
|
0,025
|
75193,04
|
|
Затраты на охрану объектов
строительства
|
0,013
|
39100,38
|
|
Сумма лимитированных и
прочих затрат
|
|
820657,27
|
|
Авторский надзор
|
0,002
|
59147,39
|
|
Непредвиденные расходы и
затраты
|
0,03
|
887210,78
|
|
Всего лимитированных и
прочих затрат в текущих ценах:
|
|
1767015,44
|
|
6.
|
Полная стоимость
электромонтажных работ в текущих ценах:
|
|
34921325
|
13.2 Расчёт эффективности инвестиционных
вложений
Определим насколько эффективен проект. Проект осуществляется за 15 шагов,
т.е. 15 лет.
Количество инвестиций (по смете) в нашем случае составляет 34921325 руб.
Это те средства, которые необходимо окупить. Окупаться проект будет за счет
амортизационных отчислений и части прибыли.
Амортизация определяется с помощью укрупненного показателя - 6% от
стоимости оборудования и материалов.
Прибыль организации идет от реализации электроэнергии потребителям.
Определим стоимость реализуемой в течение одного года электроэнергии.
Для одноставочного тарифа:
, руб, (13.5)
где
= 3,83 руб/кВт∙ч плата за потреблённую
электроэнергию;
-
реализованная электроэнергия за один год, кВт·ч, определяется как:
, кВт·ч, (13.6)
где
- суммарная мощность 12-ти силовых трансформаторов (
МВ·А);
t - количество
часов.
(кВт·ч).
Тогда
стоимость электроэнергии, реализуемой в течение одного года:
(руб).
Прибыль
определяется как:
(13.7)
где
Пр% - прибыль в % отношении 10%;
Пр
- прибыль от использования электроэнергии.
Пр
= 164868631,2 · 0,1 = 16486863,12 (руб.)
А
- амортизационные отчисления (6% от стоимости материалов и оборудования - 25
745 313 · 0,06 = 1 544,7 (тыс. рублей)).
Необходимо
определить показатели оценки целесообразности инвестирования:
чистый
дисконтированный доход по инвестиционному проекту;
чистая
приведенная стоимость финансового вложения;
индекс
рентабельности проекта предприятия.
А.
Для начала определим чистый доход предприятия от реализации инвестиционного
проекта.
Чистый
доход предприятия = Чистый доход от реализации + Сумма амортизации.
Чистый
доход (ЧД) предприятия за год = 16 486,8 + 1 544,7 = 18 031,5 (тыс.руб.).
В
нашем случае примем упрощенно, что ЧД предприятия каждый год у нас один и тот
же.
Б.
Определим чистый дисконтированный доход (ЧДД).
Ставка
дисконтирования используется при расчете срока окупаемости и оценке
экономической эффективности инвестиций для дисконтирования денежных потоков,
иными словами, для перерасчета стоимости потоков будущих доходов и расходов в
стоимость на настоящий момент.
В
этом случае в качестве ставки дисконтирования примем темп инфляции в России.
В
2015 году инфляция в России достигла 16% в годовом выражении, по заявлению
министерства финансов.
Чистый
дисконтированный доход определяется как:
i - порядковый
номер года.
Определим
ЧДД по годам за 15 лет:
ЧДД
= 15544,4 + 13400,3 + 11552 + 9958,6 + 8585 + 7400,9 + 6380 + + 5500 + 4741,4 +
4087,4 + 3523,6 + 3037,6 + 2618,6 + 2257,4 + 1946 = = 100533,8 (руб.).
В.
Определим величину дисконтированной суммы инвестиций в проект.
,
i - порядковый
номер года.
Определим
ДСИ по годам за 15 лет:
ДСИ=10623
+ 9157,9 + 7894,8 + 6805,9 + 5867,1 + 5057,9 + 4360 + 3758,8 + + 3240,4 +
2793,4 + 2408,1 + 2075,9 + 1789,6 + 1542,8 + 1329,9 = 68706,34 (руб.).
Г.
Определим чистую приведенную стоимость или чистый приведенный эффект (ЧПС).
ЧПС=ЧДД-ДСИ
ЧПС
= 100533,8 - 68706,34 = 31827,46 (руб.).
Положительное
значение ЧПС говорит о том, что проект эффективен, так как в каждый год доход
превышает дисконтированный объем инвестиций.
Д.
Определим индекс рентабельности или индекс прибыльности инвестиционного
проекта.
ИР
= ЧДД / ДСИ
Очевидно,
что индекс рентабельности больше единицы за каждый год, то это означает, что мы
можем принять решение о целесообразности реализации анализируемого
инвестиционного проекта.
ЗАКЛЮЧЕНИЕ
В данной выпускной квалификационной работе выполнен расчет
электроснабжения микрорайона города. Расчет производился на основе генерального
плана застройки города.
В ходе расчета по удельным электрическим нагрузкам определены
электрические нагрузки на вводах в жилые и общественно-административные здания,
электрические нагрузки наружного освещения и с учетом коэффициентов участия в
максимуме нагрузки - электрическая нагрузка микрорайона в целом.
В зависимости от категории электроснабжения потребителей микрорайона
приняли двухтрансформаторные ТП. По электрической нагрузке микрорайона,
расчетным путем было определено, что для электроснабжения данного микрорайона
необходимо шесть ТП 10/0,4 кВ. С учетом допустимого коэффициента перегрузки
трансформаторов, объекты электроснабжения распределены между принятыми ТП.
Графо-аналитическим методом определили наивыгоднейшее месторасположение ТП - в
центре электрических нагрузок, относительно которого с учетом архитектурных
соображений и требований пожарной безопасности, выбрано действительное
местоположение ТП.
Распределительная сеть напряжением 10 кВ выполнена по петлевой схеме,
сеть напряжением 0,4 кВ выполнена по радиальной схеме.
Для питания трансформаторных подстанций выбраны кабельные линии,
состоящие из двух кабелей типа АПвП сечением 70…150 мм2, прокладываемых в
земле, с последующей их проверкой по допустимой температуре нагрева кабелей в
нормальном и послеаварийном режиме работы и проверкой по допустимой потере
напряжения. При расчете сетей для защиты кабельных линий выбраны предохранители
серии ПКТ 103-10-80-20УЗ с последующей проверкой надежности их срабатывания.
Конструкция ТП 10/0,4 кВ принята типа К-42-630М5. ТП комплектуется
камерами серии КСО-293 на стороне напряжения 10 кВ. Щит НН комплектуется из
панелей заводского изготовления серии ЩО-70.
В организационно-экономической части определил сметную стоимость электрооборудования
и схемы электроснабжения проектируемого микрорайона в ценах 2015 года,
рассчитал эффективность инвестиционных вложений в объект проектирования.
Все расчеты в выпускной квалификационной работе проводились на основе
нормативно-технической документации.
Список использованных источников
1. Блок, В.М.
Электрические сети и системы /В.М. Блок: учебное пособие для студентов
электротехнических вузов. - М.: Высшая школа, 1986.- 430с.
. Князевский,
Б.А., Электроснабжение промышленных предприятий. / Б.А. Князевский, Б.Ю.
Липкин: учебник для вузов. - М.: Высшая школа, 1986. - 391с.
. Киреева,
Э.А. Автоматизация и экономика электроэнергетики в системах промышленного
электроснабжения /Б.А. Киреева, Т. Юнес, М. Айюби: справочные материалы и
примеры расчетов. - М: Энергоатомиздат, 1998. - 320с.
4. Коновалова, Л.Л. Электроснабжение промышленных предприятий и установок
/Л.Л. Коновалова, Л.Д. Рожкова: учеб. пособие для техникумов. - М.:
Энергоатомиздат, 1989. - 528 с.
5. Можаева,
С.В. Экономика энергетического производства: учеб. пособие для вузов. /С.В.
Можаева. - СПб., Лань, 2003. - 208с.
.
Микропроцессорные реле защиты. Новые перспективы или новые проблемы.// Новости
электроснабжения. - 2006. №1. - С.24-37.
.
Методические указания по курсовому проектированию /сост. Л.П. Летунова, В.А.
Воробьёв. - Вологда: ВоГТУ, 2003. - 52 с.
.
Межотраслевые правила по охране труда при эксплуатации электроустановок. - М.,
НЦ ЭНАС, 2003. - 192с.
9. Неклепаев, Б.Н. Электрическая часть станций и подстанций: Справочный
материал для курсового и дипломного проектирования /Б.Н. Неклепаев, И.П.
Крючков: учеб. пособие для вузов. - М.: Энергоатомиздат, 1989. - 608 с.2.
. Производство и распределение электрической энергии: Электротехнический
справочник /В. Г. Герасимова, П. Г. Грудинского, И. Н. Орлова и др.: под ред.
И. Н. Орлова. - М.: Энергоатомиздат, 1988. - 880 с.
11. Правила
устройства электроустановок: все действующие разделы ПУЭ-6 и ПУЭ 7, с изм. и
доп. по состоянию на 15 августа 2005г. - Новосибирск: Сиб. унив. изд-во, 2005.-
854 с.
. Постников,
Н.П. Монтаж электрооборудования промышленных предприятий /Н.П. Постников и др.
- Л., Стройиздат, 1991 - 159 с.
13. Старкова, Л.Е. Проектирование цехового электроснабжения /Л.Е.
Старкова, В.В. Орлов: учебное пособие. - Вологда. ВоГТУ, 2003.-175с.
. Самсонов, В.С. Экономика предприятий энергетического комплекса: учеб.
для вузов /В.С. Самсонов, М.А. Вяткин. - М.: Высш. шк., 2001. - 416с.
15.
Справочник по проектированию электрических сетей. /под ред. Д.Л. Файбисовича. -
М., НЦ ЭНАС, 2006. - 320с.
. Справочник
электромонтажника. /Ю.Д. Сибикин. - М., Академия, 2003. - 336с.
. Справочник
по проектированию электроснабжения /под ред. Барыбина - М.: Энергоатомиздат,
1990.- 579 с.
18. Тульчин, И.К. Электрические сети и электрооборудование жилых и общественных
зданий / И.К. Тульчин, Г.И. Нудлер. - М.: Энергоатомиздат, 1990. - 480 с.
. Федоров, А.А. Учебное пособие для курсового и дипломного проектирования
по электроснабжению промышленных предприятий /А.А. Федоров, Л.Е. Старкова:
учебное пособие для вузов. - М.: Энергоатомиздат, 1987.-368с.
20.
Чернобровов Н.В. Релейная защита /Н.В. Чернобровов: учеб. пособие для вузов. -
М.: Энергоатомиздат, 1998. -799с.
ПРИЛОЖЕНИЕ 1
(обязательное)
Перечень электропотребителей микрорайона
Таблица 1 - Данные электропотребителей микрорайона
|
Наименование электропри
ёмников
|
Обозна- чение по плану
|
Этаж-ность
|
Количество
|
Наим. встроенного ком.
предп.
|
Колич-ествен-ный
показа-тель
|
Уд.нагр кВт/м2 кВт/мес
|
Кате-горийность
|
|
|
|
Квар-тир
|
Лиф-тов
|
|
|
|
|
|
Жилой дом
|
1
|
10
|
78
|
2
|
|
|
|
2
|
|
Жилой дом
|
2
|
10
|
80
|
2
|
|
|
|
2
|
|
Жилой дом
|
3
|
10
|
200
|
5
|
|
|
|
2
|
|
Жилой дом
|
4
|
5
|
60
|
|
|
|
|
2
|
|
Жилой дом
|
5
|
5
|
60
|
|
|
|
|
3
|
|
Жилой дом
|
6
|
5
|
60
|
|
|
|
|
3
|
|
Жилой дом
|
7
|
5
|
69
|
|
|
|
|
3
|
|
Жилой дом
|
8
|
5
|
60
|
|
|
|
|
3
|
|
Жилой дом
|
9
|
10
|
160
|
4
|
|
|
|
2
|
|
Жилой дом
|
10
|
10
|
78
|
2
|
|
|
|
2
|
|
Жилой дом
|
11
|
12
|
48
|
2
|
|
|
|
2
|
|
Жилой дом
|
12
|
10
|
78
|
2
|
|
|
|
2
|
|
Жилой дом
|
13
|
12
|
120
|
2
|
|
|
|
2
|
|
Жилой дом
|
14
|
10
|
117
|
3
|
!!!!
|
|
|
2
|
|
Жилой дом
|
15
|
10
|
120
|
3
|
|
|
|
2
|
|
Жилой дом
|
16
|
10
|
80
|
2
|
|
|
|
2
|
|
Жилой дом
|
17
|
5
|
60
|
|
|
|
|
3
|
|
Жилой дом
|
18
|
10
|
160
|
4
|
|
|
|
2
|
|
Жилой дом
|
19
|
10
|
120
|
3
|
|
|
|
2
|
|
Жилой дом
|
20
|
5
|
60
|
|
|
|
|
3
|
|
Жилой дом
|
21
|
12
|
48
|
2
|
|
|
|
2
|
|
Жилой дом
|
22
|
10
|
78
|
2
|
|
|
|
2
|
|
Жилой дом
|
23
|
5
|
80
|
|
|
|
|
2
|
|
Жилой дом
|
24
|
10
|
200
|
5
|
Сберкасса
|
250
|
0,14
|
2
|
|
Жилой дом
|
25
|
10
|
70
|
2
|
|
|
|
2
|
|
Жилой дом
|
26
|
12
|
83
|
2
|
|
|
|
2
|
|
Жилой дом
|
27
|
10
|
64
|
2
|
|
|
|
2
|
|
Жилой дом
|
28
|
12
|
83
|
2
|
Проект.бюро
|
300
|
0,043
|
2
|
|
Жилой дом
|
29
|
9
|
144
|
4
|
|
|
|
2
|
|
Жилой дом
|
30
|
5
|
60
|
|
|
|
|
3
|
|
Жилой дом
|
31
|
12
|
83
|
2
|
|
|
|
2
|
|
Жилой дом
|
32
|
12
|
83
|
2
|
Ателье
|
15
|
1,5
|
2
|
|
Жилой дом
|
33
|
10
|
200
|
5
|
|
|
|
2
|
|
Жилой дом
|
34
|
9
|
81
|
2
|
|
|
|
2
|
|
Ясли-сад
|
35
|
|
|
|
|
320
|
0,46
|
2
|
|
Жилой дом
|
36
|
5
|
80
|
|
Прод. Маг.
|
200
|
0,23
|
3
|
|
Жилой дом
|
37
|
5
|
69
|
|
|
|
|
3
|
|
Жилой дом
|
38
|
10
|
100
|
4
|
|
|
|
2
|
|
Жилой дом
|
5
|
80
|
|
|
|
|
3
|
|
Жилой дом
|
40
|
5
|
80
|
|
Автозапчаст.
|
200
|
0,14
|
3
|
|
Жилой дом
|
41
|
5
|
60
|
|
|
|
|
3
|
|
Жилой дом
|
42
|
5
|
80
|
|
|
|
.!!!!!!
|
3
|
|
Лицей
|
43
|
3
|
|
|
|
1250
|
0,17
|
2
|
|
Жилой дом
|
44
|
5
|
69
|
|
|
|
|
3
|
|
Жилой дом
|
45
|
5
|
69
|
|
|
|
|
3
|
|
Жилой дом
|
46
|
10
|
160
|
4
|
|
|
|
2
|
|
Жилой дом
|
47
|
9
|
180
|
5
|
|
|
|
2
|
|
Жилой дом
|
48
|
5
|
69
|
|
Строй.мат.
|
150
|
0,14
|
3
|
|
Жилой дом
|
49
|
5
|
78
|
|
|
|
|
3
|
|
Жилой дом
|
50
|
5
|
69
|
|
Кафе
|
60
|
1,04
|
2
|
|
Жилой дом
|
51
|
5
|
60
|
|
|
|
|
3
|
|
Жилой дом
|
52
|
5
|
60
|
|
|
|
|
3
|
|
Жилой дом
|
53
|
5
|
48
|
|
|
|
|
3
|
|
Жилой дом
|
54
|
5
|
48
|
|
|
|
|
3
|
|
|
|
|
|
|
|
|
|
|
Примечание - при построении схемы питания жилых домов 9-12 этажей
необходимо учитывать, что лифты, эвакуационное и аварийное освещение, огни
светового ограждения, пожарные насосы, системы подпора воздуха, дымоудаления,
пожарной сигнализации и оповещения о пожаре являются электроприемниками первой
категории по надежности электроснабжения. Для таких зданий применяются
двухлучевые схемы с АВР на вводах, к силовым вводам присоединяются и
противопожарные устройства, огни светового ограждения, эвакуационное и
аварийное освещение.
ПРИЛОЖЕНИЕ 2
(обязательное)
Результаты расчетов силовых нагрузок
Таблица 2 - Результаты расчета электрических нагрузок зданий
|
Наименование Объекта
|
Жил. дом.
|
Жил. дом.
|
Жил. дом.
|
Жил. дом.
|
Жил. дом.
|
Жил. дом.
|
Жил. дом.
|
Жил. дом.
|
Жил. дом.
|
Жил. дом.
|
Жил. дом.
|
Жил. дом.
|
|
Обозначение по генплану
|
1
|
2
|
3
|
4
|
5
|
6
|
7
|
8
|
9
|
10
|
11
|
12
|
|
0.20.20.20.290.290.290.290.290.20.20.20.2
|
|
|
|
|
|
|
|
|
|
|
|
|
|
1.171.171.171.171.171.171.17
|
|
|
|
|
|
|
|
|
|
|
|
|
|
, кВт.1.831.81.361.051.051.051.051.051.4161.832.41.83
|
|
|
|
|
|
|
|
|
|
|
|
|
|
, кВт.142.714427263636369.363210142.7115.2142.7
|
|
|
|
|
|
|
|
|
|
|
|
|
|
, кВ∙А.145.6146.9277.565.6265.6265.6272.2365.62214.3145.6117.5145.6
|
|
|
|
|
|
|
|
|
|
|
|
|
|
0.80.80.70.70.80.90.8
|
|
|
|
|
|
|
|
|
|
|
|
|
|
, кВт.8.08.017.514.08.09.08.0
|
|
|
|
|
|
|
|
|
|
|
|
|
|
, кВ∙А.12.3112.3126.921.5412.3113.8512.31
|
|
|
|
|
|
|
|
|
|
|
|
|
|
0.90.90.90.90.90.90.9
|
|
|
|
|
|
|
|
|
|
|
|
|
|
, кВт.149.9151.2287.763636369.3463222.6149.9123.3149.9
|
|
|
|
|
|
|
|
|
|
|
|
|
|
, кВ∙А.156.7158301.765.6265.6265.6272.2365.62233.7156.7130156.7
|
|
|
|
|
|
|
|
|
|
|
|
|
|
Наименование встроенного
коммунального предприятия
|
|
|
.
|
|
|
|
|
|
|
|
|
|
|
, кВт.
|
|
|
|
|
|
|
|
|
|
|
|
|
|
|
|
|
|
|
|
|
|
|
|
|
|
|
|
, кВт.
|
|
|
|
|
|
|
|
|
|
|
|
|
|
, кВ∙А.
|
|
|
|
|
|
|
|
|
|
|
|
|
|
, (зд).
|
|
|
|
|
|
|
|
|
|
|
|
|
|
, кВт149.9151.2287.763636369.3463222.6149.9123.3149.9
|
|
|
|
|
|
|
|
|
|
|
|
|
|
, кВ∙А.156.7158301.765.6265.6265.6272.2365.62233.7156.7130156.7
|
|
|
|
|
|
|
|
|
|
|
|
|
|
Наименование Объекта
|
Жил. дом.
|
Жил. дом.
|
Жил. дом.
|
Жил. дом.
|
Жил. дом.
|
Жил. дом.
|
Жил. дом.
|
Жил. дом.
|
Жил. дом.
|
Жил. дом.
|
Жил. дом.
|
Жил. дом.
|
|
|
Обозначение по генплану
|
13
|
14
|
15
|
16
|
17
|
18
|
19
|
20
|
21
|
22
|
23
|
24
|
|
|
0.20.20.20.20.290.20.20.290.20.20.290.29
|
|
|
|
|
|
|
|
|
|
|
|
|
|
|
1.171.171.171.171.171.171.171.171.17
|
|
|
|
|
|
|
|
|
|
|
|
|
|
|
, кВт.2.41.4761.4721.81.051.4161.4721.052.41.830.951.36
|
|
|
|
|
|
|
|
|
|
|
|
|
|
|
, кВт.115.2172.6176.614463226.6176.663115.2142.776272
|
|
|
|
|
|
|
|
|
|
|
|
|
|
|
, кВ∙А.117.5176.2180.2146.965.62231.1180.265.62117.5145.679.17283.3
|
|
|
|
|
|
|
|
|
|
|
|
|
|
|
0.90.80.80.80.70.80.90.80.7
|
|
|
|
|
|
|
|
|
|
|
|
|
|
|
, кВт.9.012.0128.014.0129.08.017.5
|
|
|
|
|
|
|
|
|
|
|
|
|
|
|
, кВ∙А.13.8518.4618.4612.3121.5418.4613.8512.3126.92
|
|
|
|
|
|
|
|
|
|
|
|
|
|
|
0.90.90.90.90.90.90.90.90.9
|
|
|
|
|
|
|
|
|
|
|
|
|
|
|
, кВт.123.3183.4187.4151.263239.1187.463123.3149.976287.8
|
|
|
|
|
|
|
|
|
|
|
|
|
|
|
, кВ∙А.130192.8196.815865.62250.5196.865.62130156.779.17307.5
|
|
|
|
|
|
|
|
|
|
|
|
|
|
|
Наименование встроенного
коммунального предприятия
|
|
|
|
|
|
|
|
|
|
|
|
Сбер касса
|
|
|
|
|
|
|
|
|
|
|
|
|
|
|
|
|
|
|
|
|
, кВт.
.043
кВт
|
м2
|
|
|
|
|
|
|
|
|
|
|
|
|
|
|
0,48
|
|
|
|
|
|
|
|
|
|
|
|
|
|
|
, кВт.10,75
|
|
|
|
|
|
|
|
|
|
|
|
|
|
|
, кВ∙А.11,94
|
|
|
|
|
|
|
|
|
|
|
|
|
|
|
, (зд).0,4
|
|
|
|
|
|
|
|
|
|
|
|
|
|
|
, кВт123.3183.4187.4151.263239.1187.463123.3149.976292
|
|
|
|
|
|
|
|
|
|
|
|
|
|
|
, кВ∙А.130192.8196.815865.62250.5196.865.62130156.779.17312,3
|
|
|
|
|
|
|
|
|
|
|
|
|
|
|
Наименован. объекта
|
Жил. дом.
|
Жил. дом.
|
Жил. дом.
|
Жил. дом.
|
Жил. дом.
|
Жил. дом.
|
Жил. дом.
|
Жил. дом.
|
Жил. дом.
|
Жил. дом.
|
Дет. сад
|
Жил. дом.
|
|
Обозначение по генплану
|
25
|
26
|
27
|
28
|
29
|
30
|
31
|
32
|
33
|
34
|
35
|
36
|
|
0.20.20.20.20,290.290.20.20,20,290,290,29
|
|
|
|
|
|
|
|
|
|
|
|
|
|
1.171.171.171.171,171.171.171,171,17
|
|
|
|
|
|
|
|
|
|
|
|
|
|
, кВт.1.851.7552.041.770,8151.051.7551.4721,360,9450,95
|
|
|
|
|
|
|
|
|
|
|
|
|
|
, кВт.129.5145.6130.5145.1117,363145.6176.627276,5576
|
|
|
|
|
|
|
|
|
|
|
|
|
|
, кВ∙А.132.1148.6133.2148.1122,265.62148.6180.2277,578,1179,17
|
|
|
|
|
|
|
|
|
|
|
|
|
|
0.80.90.80.90,70.90.80,70,8
|
|
|
|
|
|
|
|
|
|
|
|
|
|
, кВт.8.09.08.09.0149.012.017,58,0
|
|
|
|
|
|
|
|
|
|
|
|
|
|
, кВ∙А.12.3113.8512.3113.8521,5413.8518.4626,9212,31
|
|
|
|
|
|
|
|
|
|
|
|
|
|
0.90.90.90.90,90.90.90,90,9
|
|
|
|
|
|
|
|
|
|
|
|
|
|
, кВт.136.7153.7137.7153.2129,963153.7187.4287,783,7576
|
|
|
|
|
|
|
|
|
|
|
|
|
|
,кВ∙А.140.2161.1144.3160.6141,665.62161.1196.8301,789,1979,17
|
|
|
|
|
|
|
|
|
|
|
|
|
|
Наименование встроенного
коммунального предприятия
|
|
|
|
Про-ект бюро
|
|
|
|
Па- рик- мах.
|
|
|
|
Прод маг
|
|
|
|
|
|
|
|
|
|
|
|
|
|
|
|
|
|
|
|
|
,
кВт.0.043
кВт
м21.5
кВт
место0,46
кВт
мест0.23
кВт
|
м2
|
|
|
|
|
|
|
|
|
|
|
|
|
|
0,480,250,330,7
|
|
|
|
|
|
|
|
|
|
|
|
|
|
, кВт.12,922,5147,246,0
|
|
|
|
|
|
|
|
|
|
|
|
|
|
, кВ∙А.14,323,2163,556,1
|
|
|
|
|
|
|
|
|
|
|
|
|
|
, (зд).0,60,80,40,8
|
|
|
|
|
|
|
|
|
|
|
|
|
|
, кВт136.7153.7137.7161129,963153.7205,4287,783,7558,9112,8
|
|
|
|
|
|
|
|
|
|
|
|
|
|
, кВ∙А.140.2161.1144.3169,2141,665.62161.1215,4301,789,1965,4124,1
|
|
|
|
|
|
|
|
|
|
|
|
|
|
Наименование объекта
|
Жил. дом.
|
Жил. дом.
|
Жил. дом.
|
Жил. дом.
|
Жил. дом.
|
Жил. дом.
|
Ли- цей
|
Жил. дом.
|
Жил. дом.
|
Жил. дом.
|
Жил. дом.
|
Жил. дом.
|
|
Обозначение по генплану
|
37
|
38
|
39
|
40
|
41
|
42
|
43
|
44
|
45
|
46
|
47
|
48
|
|
0.290.20,290,290,290,290,290.290,20,290.29
|
|
|
|
|
|
|
|
|
|
|
|
|
|
1.171,171,17
|
|
|
|
|
|
|
|
|
|
|
|
|
|
, кВт.1.0051,4160,950,951,050,951,0051,21,4160,7861,005
|
|
|
|
|
|
|
|
|
|
|
|
|
|
, кВт.69,32107676637669,3448226,6141,569,34
|
|
|
|
|
|
|
|
|
|
|
|
|
|
, кВ∙А.72,23214,379,1779,1765,6279,1772,2350231,2147,472,23
|
|
|
|
|
|
|
|
|
|
|
|
|
|
0,70,70,7
|
|
|
|
|
|
|
|
|
|
|
|
|
|
, кВт.1414,017,5
|
|
|
|
|
|
|
|
|
|
|
|
|
|
, кВ∙А.21,5421,5426,92
|
|
|
|
|
|
|
|
|
|
|
|
|
|
0,90,90,9
|
|
|
|
|
|
|
|
|
|
|
|
|
|
, кВт.69,3222,67676637669,3448239,2157,269,34
|
|
|
|
|
|
|
|
|
|
|
|
|
|
,кВ∙А.72,23233,779,1779,1765,6279,1772,2350250,6171,672,23
|
|
|
|
|
|
|
|
|
|
|
|
|
|
Наименование встроенного
коммунального предприятия
|
|
|
|
Пром Това- ры
|
|
|
Ли-цей
|
|
|
|
|
Прод това- ры
|
,
кВт.0.14
кВт
м20.25
кВт
Учащ0.23
кВт
|
м2
|
|
|
|
|
|
|
|
|
|
|
|
|
|
0,430,380,7
|
|
|
|
|
|
|
|
|
|
|
|
|
|
, кВт.28312,534,5
|
|
|
|
|
|
|
|
|
|
|
|
|
|
, кВ∙А.30,43328,942,07
|
|
|
|
|
|
|
|
|
|
|
|
|
|
, (зд).0,80,40,8
|
|
|
|
|
|
|
|
|
|
|
|
|
|
, кВт69,3222,67698,463,07612569,3448239,2157,296,95
|
|
|
|
|
|
|
|
|
|
|
|
|
|
, кВ∙А.72,23233,779,17103,565,6279,17131,572,2350250,6171,6105,8
|
|
|
|
|
|
|
|
|
|
|
|
|
Окончание приложения 2
|
Наименование объекта
|
Жил. дом.
|
Жил. дом.
|
Жил. дом.
|
Жил. дом.
|
Жил. дом.
|
Жил. дом.
|
|
Обозначение по плану
|
49
|
50
|
51
|
52
|
53
|
54
|
|
0,290.290,290.290,290,29
|
|
|
|
|
|
|
|
|
|
|
|
|
|
|
|
, кВт.0,961.0051,0051,0051,0051,005
|
|
|
|
|
|
|
|
, кВт.74,8869,3469,3469,3469,3469,34
|
|
|
|
|
|
|
|
, кВ∙А.7872,2372,2372,2372,2372,23
|
|
|
|
|
|
|
|
|
|
|
|
|
|
|
|
, кВт.
|
|
|
|
|
|
|
|
, кВ∙А.
|
|
|
|
|
|
|
|
|
|
|
|
|
|
|
|
, кВт.74,8869,3469,3469,3469,3469,34
|
|
|
|
|
|
|
|
,кВ∙А.7872,2372,2372,2372,2372,23
|
|
|
|
|
|
|
|
Наименование встроенного
коммунального предприятия
|
|
Кафе
|
|
|
|
|
|
, кВт.1,04
|
|
|
|
|
|
|
|
0,33
|
|
|
|
|
|
|
|
, кВт.62,4
|
|
|
|
|
|
|
|
, кВ∙А.69,33
|
|
|
|
|
|
|
|
, (зд.).0,6
|
|
|
|
|
|
|
|
, кВт74,88106,7869,3469,3469,3469,34
|
|
|
|
|
|
|
|
, кВ∙А.78113,8372,2372,2372,2372,23
|
|
|
|
|
|
|
ПРИЛОЖЕНИЕ 3
(справочное)
Расположение светильников
ПРИЛОЖЕНИЕ 4
(обязательное)
Данные для
расчёта УЦН
Таблица 4 -
Данные для расчёта УЦН
Источник
Питания Обозначение по плану
кВ∙АКоордината
по
оси ХКоордината
|
по оси У
|
|
|
|
|
ТП1
|
31
|
153.7
|
385
|
|
26
|
153.7
|
376
|
63
|
|
28
|
160.9
|
347
|
137
|
|
27
|
137.7
|
320
|
35
|
|
32
|
205.4
|
336
|
236
|
|
30
|
63.12
|
491
|
196
|
|
25
|
136.7
|
414
|
41
|
|
29
|
129.9
|
433
|
120
|
|
ТП2
|
37
|
69.3
|
267
|
214
|
|
35
|
65.4
|
217
|
114
|
|
33
|
287.7
|
222
|
41
|
|
38
|
222.6
|
196
|
189
|
|
39
|
76
|
179
|
240
|
|
34
|
83.75
|
71
|
68
|
|
36
|
112.8
|
72
|
133
|
|
41
|
63
|
179
|
322
|
|
40
|
98.4
|
69
|
285
|
|
42
|
76
|
66
|
446
|
|
ТП3
|
48
|
96.95
|
259
|
351
|
|
49
|
78
|
174
|
392
|
|
51
|
72.23
|
166
|
447
|
|
50
|
113.83
|
248
|
451
|
|
52
|
72.23
|
166
|
482
|
|
47
|
157.2
|
339
|
554
|
|
43
|
131.5
|
372
|
418
|
|
46
|
250.6
|
457
|
554
|
|
44
|
72.23
|
457
|
486
|
|
45
|
50
|
530
|
505
|
|
23
|
79.17
|
620
|
509
|
|
ТП4
|
24
|
312.3
|
611
|
543
|
|
|
22
|
156.7
|
778
|
478
|
|
|
20
|
65.62
|
620
|
451
|
|
|
18
|
250.5
|
551
|
416
|
|
|
31
|
161.1
|
388
|
206
|
|
|
19
|
196.8
|
659
|
408
|
|
|
17
|
65.62
|
605
|
300
|
|
|
ТП5
|
14
|
192.8
|
779
|
359
|
|
|
16
|
158
|
674
|
354
|
|
|
15
|
196.8
|
667
|
268
|
|
|
13
|
130
|
782
|
302
|
|
|
12
|
156.7
|
782
|
248
|
|
|
11
|
130
|
790
|
176
|
|
|
10
|
156.7
|
760
|
141
|
|
|
ТП6
|
9
|
233.7
|
528
|
273
|
|
|
1
|
156.7
|
759
|
92
|
|
|
7
|
72.23
|
679
|
192
|
|
|
2
|
158
|
674
|
126
|
|
|
4
|
65.62
|
622
|
108
|
|
|
8
|
65.62
|
605
|
209
|
|
|
3
|
301.7
|
558
|
41
|
|
|
5
|
65.62
|
558
|
109
|
|
|
6
|
65.62
|
484
|
99
|
|
|
|
|
|
|
|
|
|
|
|
ПРИЛОЖЕНИЕ 5
(обязательное)
Результаты расчёта нагрузок для ТП 10/0.4 кВ
Таблица 5 -
Результаты расчёта нагрузок для ТП 10/0.4 кВ
ИП Питаю-щий
тр-ор
кВ∙АОбозн.
по
ген план.
кВт
квар
кВ∙А
А
кВт
квар
кВ∙А
А
о.е.
кВт
квар
|
кВ∙А
|
|
|
|
|
|
|
|
|
|
|
|
|
|
|
|
ТП1
|
Т1
|
630
|
31
|
153.77
|
48.3
|
161.10
|
244.77
|
527.21
|
164.25
|
552.14
|
838.9
|
0.88
|
1092,9
|
345,51
|
1146,4
|
|
|
|
28
|
160.98
|
51.9
|
169.14
|
256.99
|
|
|
|
|
|
|
|
|
|
|
|
27
|
155.76
|
47.59
|
162.85
|
247.44
|
|
|
|
|
|
|
|
|
|
|
|
30
|
56.7
|
16.46
|
59.04
|
89.7
|
|
|
|
|
|
|
|
|
|
Т2
|
630
|
26
|
153.77
|
48.3
|
161.10
|
244.77
|
561.2
|
178.5
|
589.0
|
894.9
|
0.93
|
|
|
|
|
|
|
27
|
153.77
|
48.3
|
161.10
|
244.77
|
|
|
|
|
|
|
|
|
|
|
|
25
|
136.7
|
31.22
|
140.22
|
213.04
|
|
|
|
|
|
|
|
|
|
|
|
29
|
116.96
|
50.68
|
127.47
|
193.67
|
|
|
|
|
|
|
|
|
|
ТП2
|
Т1
|
630
|
35
|
13.5
|
6.3
|
14.9
|
22.64
|
531.55
|
182.84
|
563.1
|
855.54
|
0.89
|
1055.6
|
352.4
|
1114.2
|
|
|
|
33
|
287.75
|
90.95
|
301.78
|
458.5
|
|
|
|
|
|
|
|
|
|
|
|
39
|
68.4
|
19.95
|
71.25
|
108.25
|
|
|
|
|
|
|
|
|
|
|
|
36
|
105.2
|
49.18
|
116.13
|
176.44
|
|
|
|
|
|
|
|
|
|
|
|
41
|
56.7
|
16.46
|
59.04
|
89.7
|
|
|
|
|
|
|
|
|
|
Т2
|
630
|
37
|
62.41
|
18.2
|
65.01
|
98.77
|
519.59
|
166.81
|
545.33
|
829.3
|
0.87
|
|
|
|
|
|
|
38
|
222.6
|
71.17
|
233.7
|
355.07
|
|
|
|
|
|
|
|
|
|
|
|
34
|
75.38
|
27.59
|
80.27
|
121.96
|
|
|
|
|
|
|
|
|
|
|
|
40
|
90.8
|
29.9
|
95.59
|
145.24
|
|
|
|
|
|
|
|
|
|
|
|
42
|
68.4
|
71.25
|
108.25
|
|
|
|
|
|
|
|
|
|
ТП3
|
Т1
|
630
|
48
|
90.01
|
40.4
|
98.66
|
149.9
|
524.48
|
168.39
|
570.16
|
881.46
|
0.905
|
1084.1
|
363.9
|
1145.1
|
|
|
|
51
|
62.41
|
18.2
|
65.01
|
98.77
|
|
|
|
|
|
|
|
|
|
|
|
47
|
141.53
|
61.89
|
154.47
|
234.69
|
|
|
|
|
|
|
|
|
|
|
|
43
|
125.0
|
41.09
|
131.58
|
199.92
|
|
|
|
|
|
|
|
|
|
|
|
44
|
62.41
|
18.2
|
65.01
|
98.77
|
|
|
|
|
|
|
|
|
|
|
|
45
|
43.2
|
12.6
|
45.0
|
68.37
|
|
|
|
|
|
|
|
|
|
Т2
|
630
|
49
|
67.39
|
19.65
|
70.2
|
106.66
|
555.17
|
178.33
|
556.36
|
845.3
|
0.88
|
|
|
|
|
|
|
50
|
94.77
|
28.93
|
99.087
|
150.55
|
|
|
|
|
|
|
|
|
|
|
|
52
|
85.41
|
25.06
|
89.01
|
135.24
|
|
|
|
|
|
|
|
|
|
|
|
46
|
239.2
|
74.68
|
250.58
|
380.73
|
|
|
|
|
|
|
|
|
|
|
|
23
|
68.4
|
20.06
|
71.28
|
108.3
|
|
|
|
|
|
|
|
|
|
ТП4
|
Т1
|
630
|
24
|
263.28
|
99.78
|
281.55
|
427.77
|
526.6
|
178.33
|
589.0
|
556.36
|
0.88
|
1080.9
|
357.2
|
1139
|
|
|
|
22
|
149.94
|
45.63
|
156.73
|
238.13
|
|
|
|
|
|
|
|
|
|
|
|
20
|
56.7
|
16.46
|
59.04
|
89.7
|
|
|
|
|
|
|
|
|
|
|
|
17
|
56.7
|
16.46
|
59.04
|
89.7
|
|
|
|
|
|
|
|
|
|
Т2
|
630
|
18
|
239.16
|
74.75
|
250.57
|
380.7
|
549.9
|
176.14
|
577.44
|
877.33
|
0.917
|
|
|
|
|
|
|
21
|
123.3
|
41.26
|
130.02
|
197.54
|
|
|
|
|
|
|
|
|
|
|
|
19
|
187.44
|
60.13
|
196.85
|
299.08
|
|
|
|
|
|
|
|
|
|
ТП5
|
Т1
|
630
|
14
|
183.49
|
59.29
|
192.83
|
292.97
|
522.13
|
165.34
|
547.7
|
832.1
|
0.87
|
1073.1
|
341.9
|
1126.4
|
|
|
|
16
|
151.2
|
45.92
|
158.09
|
240.09
|
|
|
|
|
|
|
|
|
|
|
|
15
|
187.44
|
60.13
|
196.85
|
299.08
|
|
|
|
|
|
|
|
|
|
Т2
|
630
|
13
|
123.3
|
41.26
|
130.02
|
197.54
|
546.5
|
173.78
|
573.5
|
871.3
|
0.91
|
|
|
|
|
|
|
12
|
149.94
|
45.63
|
156.73
|
238.13
|
|
|
|
|
|
|
|
|
|
|
|
11
|
123.3
|
41.26
|
130.02
|
197.54
|
|
|
|
|
|
|
|
|
|
|
|
10
|
149.94
|
45.63
|
156.73
|
238.13
|
|
|
|
|
|
|
|
|
|
ТП6
|
Т1
|
630
|
9
|
222.6
|
71.17
|
233.7
|
355.07
|
542.6
|
166.18
|
567.6
|
862.3
|
0.9
|
1076.4
|
404.4
|
1156.6
|
|
|
|
1
|
149.94
|
45.63
|
156.73
|
238.13
|
|
|
|
|
|
|
|
|
|
|
|
8
|
56.7
|
16.46
|
59.04
|
89.7
|
|
|
|
|
|
|
|
|
|
|
|
5
|
56.7
|
16.46
|
59.04
|
89.7
|
|
|
|
|
|
|
|
|
|
|
|
6
|
56.7
|
16.46
|
59.04
|
89.7
|
|
|
|
|
|
|
|
|
|
Т2
|
630
|
7
|
62.41
|
18.2
|
65.01
|
98.77
|
529.3
|
235.5
|
583.9
|
887.1
|
0.91
|
|
|
|
|
|
|
2
|
151.2
|
45.92
|
158.01
|
240.09
|
|
|
|
|
|
|
|
|
|
|
|
4
|
56.7
|
16.46
|
59.04
|
89.7
|
|
|
|
|
|
|
|
|
|
|
|
3
|
258.98
|
154.92
|
301.78
|
458.5
|
|
|
|
|
|
|
|
|
|
|
|
|
|
|
|
|
|
|
|
|
|
|
|
|
|
|
|
|
|
|
|
|
|
|
|
|
|
|
|
|
|
|
|
|
|
|
|
|
|
|
|
|
ПРИЛОЖЕНИЕ 6
(обязательное)
ПРИЛОЖЕНИЕ 7
(обязательное)
Выбор силовых кабелей сети 0.4 кВ для ТП1
Таблица 7 - Выбор силовых кабелей сети 0.4 кВ для ТП1
Транс-
форма- тор Обозн. на плане
, кВ∙А
,
А
Кабель
,
А
,
Ом/км
,
Ом/км
,
|
км
|
|
|
|
|
|
|
|
|
|
|
|
|
|
|
|
|
|
|
|
|
|
В
|
%
|
|
T1
|
31
|
161.105
|
244.77
|
0.8
|
4×150
|
308.2
|
0.98/0.2
|
0.208
|
0.0596
|
0.14
|
12.81
|
3.37
|
|
28
|
169.145
|
256.99
|
0.9
|
4×150
|
308.2
|
0.98/0.2
|
0.208
|
0.0596
|
0.09
|
8.644
|
2.27
|
|
28а
|
14.3
|
21.73
|
0.9
|
4×25
|
115
|
0.9/0.44
|
3.12
|
0.073
|
0.015
|
1.603
|
0.42
|
|
21
|
162.859
|
247.44
|
0.9
|
4×150
|
308.2
|
0.98/0.2
|
0.208
|
0.0596
|
0.17
|
14.72
|
3.87
|
|
21а
|
23.2
|
35.25
|
0.9
|
4×25
|
115
|
0.97/0.24
|
3.12
|
0.073
|
0.02
|
3.717
|
0.98
|
|
30
|
65.625
|
99.71
|
0.9
|
4×150
|
308.2
|
0.98/0.2
|
0.208
|
0.0596
|
0.200
|
7.45
|
1.96
|
|
T2
|
26
|
161.105
|
244.77
|
0.9
|
4×150
|
308.2
|
0.98/0.2
|
0.208
|
0.0596
|
0.055
|
5.031
|
1.32
|
|
32
|
161.105
|
244.77
|
0.8
|
4×150
|
0.98/0.2
|
0.208
|
0.0596
|
0.200
|
14.82
|
3.9
|
|
25
|
140.22
|
213.04
|
0.9
|
4×120
|
271.4
|
0.98/0.2
|
0.261
|
0.0602
|
0.120
|
11.86
|
3.12
|
|
29
|
141.636
|
215.19
|
0.9
|
4×120
|
271.4
|
0.98/0.2
|
0.261
|
0.0602
|
0.065
|
6.49
|
1.71
|
Примечание - потери напряжения на ВРУ коммунального предприятия
рассчитаны с учётом потерь напряжения в силовом кабеле; питающим дом, в котором
находится данное предприятие.
ПРИЛОЖЕНИЕ 8
(обязательное)
Выбор сечения кабелей сети наружного освещения
Таблица 8 - Выбор сечения кабелей сети наружного освещения
Назначение
проводника Кол-во светиль-ников
, кВ∙А
,
АЧисло
и сечение жил, 
,
А
,
Ом/км
,
Ом/км
,
км
,
В
,
|
В
|
|
|
|
|
|
|
|
|
|
|
|
КЛ на панель диспетчерского
управления уличным освещением
|
27
|
5.241
|
7.96
|
4×4
|
24.84
|
7.81
|
0.095
|
0.005
|
0.92/0.39
|
0.495
|
-
|
|
КЛ вывода питания на ВЛ-0.4
кВ наружного освещения с шин 0.4 кВ
|
27
|
5.241
|
7.96
|
4×25
|
115
|
7.81
|
0.095
|
0.015
|
0.92/0.39
|
1.486
|
218.02
|
Примечание
-
- расчётное фазное напряжение в месте соединения
кабеля с СИП ВЛ - 0.4 кВ уличного освещения (на первой опоре).
ПРИЛОЖЕНИЕ 9
(обязательное)
Расчёт фазы В на участке КЛ - 1 светильник
Таблица 9 - Расчёт фазы В на участке КЛ - 1 светильник
|
Участок фазного провода
|
Фаза А
|
Фаза В
|
Фаза С
|
|
КЛ - 1светильник
|
, кВ∙А.-1.611.61
|
|
|
|
|
, А.-7.327.32
|
|
|
|
|
, км.-0.0330.066
|
|
|
|
|
ΔU,
В.
|
-
|
0.408
|
0.817
|
|
1-2 свет-к
|
, кВ∙А.1.431.431.43
|
|
|
|
|
, А.6.526.526.52
|
|
|
|
|
, км.0.0990.0990.099
|
|
|
|
|
ΔU,
В.
|
1.09
|
1.09
|
1.09
|
|
2-3 свет-к
|
, кВ∙А.1.261.261.26
|
|
|
|
|
, А.5.715.715.71
|
|
|
|
|
, км.0.0990.0990.099
|
|
|
|
|
ΔU,
В.
|
0.956
|
0.956
|
0.956
|
|
3-4 свет-к
|
, кВ∙А.1.081.081.08
|
|
|
|
|
, А.4.894.894.89
|
|
|
|
|
, км.0.0990.0990.099
|
|
|
|
|
ΔU,
В.
|
0.819
|
0.819
|
0.819
|
|
4-5 свет-к
|
, кВ∙А.0.8970.8970.897
|
|
|
|
|
, А.4.084.084.08
|
|
|
|
|
, км.0.0990.0990.099
|
|
|
|
|
ΔU,
В.
|
0.683
|
0.683
|
0.683
|
|
5-6 свет-к
|
, кВ∙А.0.720.720.72
|
|
|
|
|
, А.3.263.263.26
|
|
|
|
|
, км.0.0990.0990.099
|
|
|
|
|
ΔU,
В.
|
0.546
|
0.546
|
0.546
|
|
6-7 свет-к
|
, кВ∙А.0.5380.5380.538
|
|
|
|
|
, А.2.452.452.45
|
|
|
|
|
, км.0.0990.0990.099
|
|
|
|
|
ΔU,
В.
|
0.41
|
0.41
|
0.41
|
|
7-8 свет-к
|
, кВ∙А.0.3590.3590.359
|
|
|
|
|
, А.1.631.631.63
|
|
|
|
|
, км.0.0990.0990.099
|
|
|
|
|
ΔU,
В.
|
0.273
|
0.273
|
0.273
|
|
8-9 свет-к
|
, кВ∙А.0.180.180.18
|
|
|
|
|
, А.0.820.820.82
|
|
|
|
|
, км.0.0990.0990.099
|
|
|
|
|
ΔU,
В.
|
0.137
|
0.137
|
0.137
|
|
Сечение провода
|
СИП2А3*25
|
СИП2А3*25
|
СИП2А3*25
|
|
, А.105105105
|
|
|
|
|
R0, Ом/км.
|
1.838
|
1.838
|
1.838
|
|
cosφ
|
0.92
|
0.92
|
0.92
|
|
ΔU∑,
В.
|
4.914
|
4.914
|
4.914
|
|
ΔU∑,
%.
|
2.23
|
2.23
|
2.23
|
ПРИЛОЖЕНИЕ 10
(обязательное)
ПРИЛОЖЕНИЕ
11
ПРИЛОЖЕНИЕ 12
(обязательное)
Результаты расчёта тока КЗ на шинах ВРУ
Таблица 12 - Результаты расчёта тока КЗ на шинах ВРУ
Обозначение
на плане
,
мОм
,
мОм
,
кА
,
мОм
,
кА
,
кА
,
кА
,
мОм
,
|
кА
|
|
|
|
|
|
|
|
|
|
|
|
31
|
32.18
|
22.694
|
5.865
|
4.37
|
5.37
|
1.01
|
7.67
|
4.65
|
67.2
|
2.75
|
|
28
|
21.78
|
19.714
|
7.86
|
3.26
|
7.25
|
1.03
|
10.56
|
6.28
|
43.2
|
3.85
|
|
28а
|
68.58
|
20.809
|
3.22
|
3.18
|
3.09
|
1.0
|
4.37
|
2.68
|
154.35
|
1.35
|
|
27
|
38.2
|
24.482
|
5.07
|
5.049
|
4.63
|
1.0
|
6.55
|
4.01
|
81.6
|
2.35
|
|
27а
|
100.82
|
25.942
|
2.22
|
4.61
|
2.13
|
1.0
|
3.012
|
1.84
|
229.8
|
0.94
|
|
30
|
44.66
|
26.27
|
4.46
|
5.74
|
4.06
|
1.0
|
5.74
|
3.52
|
96.0
|
2.05
|
|
26
|
14.5
|
17.628
|
10.12
|
2.53
|
9.42
|
1.07
|
14.25
|
8.16
|
26.4
|
5.34
|
|
32
|
44.66
|
26.27
|
4.46
|
5.74
|
4.06
|
1.0
|
5.74
|
3.52
|
96.0
|
2.05
|
|
25
|
34.38
|
21.574
|
5.69
|
4.50
|
5.19
|
1.0
|
7.34
|
4.498
|
74.4
|
2.53
|
|
29
|
20.025
|
18.263
|
8.52
|
3.004
|
7.89
|
1.04
|
11.56
|
6.81
|
40.3
|
4.04
|
ПРИЛОЖЕНИЕ 13
(обязательное)
Результаты выбора панелей ЩО-70 для ТП1
Таблица 13 - Результаты выбора панелей ЩО-70 для ТП1
|
Обозначение питаемого
здания на плане
|
Тип предохранителя
|
Назначение панели
|
Тип панели
|
|
26
|
ПН2-250
|
Линейная (1 секция)
|
ЩО-70-1-02 У3
|
|
32
|
ПН2-250
|
|
|
|
25
|
ПН2-250
|
|
|
|
29
|
ПН2-250
|
|
|
|
|
ввод №1 (1 секция)
|
ЩО-70-2-45 У3
|
|
31
|
ПН2-250
|
Линейная (1 секция)
|
ЩО-70-1-03 У3
|
|
28
|
ПН2-400
|
|
|
|
27
|
ПН2-400
|
|
|
|
30
|
ПН2-250
|
|
|
|
|
секционная
|
ЩО-70-1-71 У3
|
|
31
|
ПН2-250
|
Линейная (2 секция)
|
ЩО-70-1-03 У3
|
|
28
|
ПН2-400
|
|
|
|
27
|
ПН2-400
|
|
|
|
30
|
ПН2-250
|
|
|
|
|
ввод №2 (2 секция)
|
ЩО-70-2-45 У3
|
|
26
|
ПН2-250
|
Линейная (2 секция)
|
ЩО-70-1-02 У3
|
|
32
|
ПН2-250
|
|
|
|
25
|
ПН2-250
|
ПН2-250
|
|
|
|
|
Диспетчерское управление
уличным освещением
|
ЩО-70-1-91 У3
|