Технология ремонта монитора ACER AL532

  • Вид работы:
    Курсовая работа (т)
  • Предмет:
    Информатика, ВТ, телекоммуникации
  • Язык:
    Русский
    ,
    Формат файла:
    MS Word
    991,48 Кб
  • Опубликовано:
    2016-12-02
Вы можете узнать стоимость помощи в написании студенческой работы.
Помощь в написании работы, которую точно примут!

Технология ремонта монитора ACER AL532

СОДЕРЖАНИЕ

Введение

1. Ремонтно-технологический раздел

.1 Технические характеристики устройства

.2 Описание структурной схемы

.3 Описание схемы электрической принципиальной

.4 Основные методы поиска неисправностей в РЭА

.5 Типичные неисправности и методы их устранения

. Контрольно-измерительный раздел

.1 Перечень приборов и оборудования для регулировки

.2 Параметры устройства, измеряемые при регулировке после ремонта

.3 Методики измерения параметров устройства

. Расчётная часть

.1 Расчёт интенсивности отказа электронной схемы

. Охрана труда и техника безопасности

.1 Безопасные условия труда при электромонтажных работах

.2 Безопасные условия труда при регулировочных работах

Заключение

Список используемых источников

Приложение А

Приложение Б

Введение

Темой данного курсового проекта является «Технология ремонта монитора ACER AL532»

Актуальность данного курсового проекта обусловлена тем, что на данный момент человечество не может комфортно существовать без всевозможных гаджетов, вычислительной, бытовой техники и прочих приспособлений, облегчающих те или иные задачи и потребности. На сегодняшний день персональные компьютеры занимают одну из важнейших позиций радиоэлектронной техники, они используются в производствах всех сфер деятельности, и добрались-таки почти до каждого дома. Сейчас уже невозможно представить жизнь без них. В данном курсовом проекте будет рассмотрено устройство ЖК монитора, являющегося составной частью, без которой работа персонального компьютера попросту не возможна.

Цели проекта подразумевают:

усовершенствование технологии ремонта.

сформулировать основные технические характеристики монитора

осуществить расчетную часть

рассмотреть требования по охране труда и технике безопасности

Поставленные задачи будут выполнены с помощью изучения принципиальных электрических и структурных схем узлов и блоков ЖК монитора, а так же современного оборудования. В данном курсовом проекте будут рассмотрены технические характеристики ЖК монитора ACER, описаны принципиальные электрические и структурные схемы его узлов и блоков, типичные неисправности и методы их устранения, а так же будет выполнен расчет надежности.

1. Ремонтно-технологический раздел

.1 Технические характеристики устройства

Размер экрана

15 дюймов

Максимальное\рекомендуемое разрешение

1024х768, 75 Гц\1024х768, 60 Гц

Глубина цвета

16.7 млн. цветов

Угол по горизонтали\вертикали

140 °\120 °

Полоса пропускания видеотракта

80 МГц

Контраст

500:1

Яркость

300кд\ м²

Время отклика ЖК панели

25 мс

Входной сигнал

Аналоговый, RGB, размахом 0.7 В, импеданс 75 Ом

Тип интерфейсного разъема

15-контактный D-sub

Источник питания

Переменное напряжение 100…240 В, частотой 50 ГЦ

Потребляемая мощность в режимах ON\STANDBY\OFF

36\5\5 Вт


1.2 Описание структурной схемы

Согласно рисунку 1 восьмиразрядный микропроцессор W7E62B (U2) контролирует параметры развертки и разрешения в соответствии с установками пользователя через OSD-меню, записывает в память EEPROM информацию о частотах и настройках развертки, контролирует настройку у-коррекции(цветовой баланс). Входной аналоговый RGB-сигнал с ПК может подаваться на 15-контактный разъем D-SUB (вход Video 1) или 21-контактный 1 3W3 (вход Video 2).

Рисунок 1 - Структурная схема ЖК-монитора

Переключение входов Video 1 или Video 2 осуществляется коммутатором, который реализован на микросхеме BA7657F. Синхроимпульс Н-Sуnс выделяется из сигнала зеленого цвета микросхемой LM1881 и поступает через буфер 74F1 25 на схему фазовой автоподстройки частоты (ФАПЧ). Схема ФАПЧ включает в себя фазовый детектор, фильтр нижних частот и управляемый напряжением генератор. В случае отклонения строчной частоты входного сигнала от частоты развертки подстройка управляемого напряжением генератора осуществляется сигналами CLK+, CLK-. Сигналы трех основных цветов поступают на аналого-цифровой преобразователь (АЦП). На его выходе формируются восьмиразрядные цифровые сигналы основных цветов. LCD-контроллер на микросхеме MASCOT V выполняет функции масштабирования изображения и коррекции цвета. Его выходные сигналы используются схемой интерфейса THC63LVDM63A, которая формирует цифровой код ТМОS для шинных дешифраторов. Дешифраторы управляют засветкой каждого пикселя и конструктивно расположены на стеклянной подложке LCD-панели. Две лампы подсветки (ЛП) питаются от инвертора напряжением 500 В, 48 кГц. Яркость ЛП регулируется изменением величины питающего напряжения в диапазоне 400…550 В. Вся схема монитора питается от DC/DC-конвертора, вырабатывающего 3 напряжения: 12 В, 5 В и 3,3 В, который, в свою очередь, питается от выносного AC/DC-адаптора.

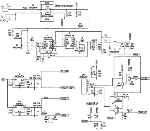
1.3 Описание схемы электрической принципиальной

Рисунок 2 - Источник питания

Источник питания.

В составе этого узла - сетевой адаптер AC\DC, конверторы DC\DC и конвертор DC\AC для питания ламп подсветки LCD-панели.

Конверторов DC\DC в схеме три. Первый из них на элементах U9 и U11 формирует из постоянного напряжения 12В, поступающего от сетевого адаптера AC\DC (на принципиальной схеме отсутствует), стабилизированное напряжение 5В (VСС). Это напряжение используется для питания микроконтроллера U2, представленного в таблице 1, микросхемы ЭСППЗУ U13 и других узлов.

монитор электрический регулировка ремонт

Таблица 1. Назначение выводов микросхемы AIC1578

Номер вывода

Описание

1

VIN

Напряжение питания 4…20В

2

DUTY

Вход регулировки рабочего цикла

3

SHDN

Вход выключения микросхемы (низкий уровень - активный)

4

FB

Вход компаратора обратной связи

5

GND

Общий

6

DRI

Тотемный выход для управления внешним Р-канальным MOSFET- или PNP транзистором

7

CS-

Входы токового компаратора (используется для контроля выходного тока конвертора)

8

CS+



Конвертер построен на основе интегрального импульсного DC\DC-конвертора AIC1578. Назначение выводов микросхемы приведено в табл. 1.2.

Микросхема работает на частоте 90…250 кГц, имеет высокий КПД (до 95%), низкий потребляемый ток (в статическом режиме - 90 мкА, в режиме энергосбережения - 8 мкА) и широкий диапозон входного напряжения (4…20 В). Тотемный (Push-Pull) выходной каскад микросхемы (вывод 6) позволяет подключить в качестве силового ключа как полевой MOSFET-транзистор с Р-каналом, так и биполярный NPN-транзистор. В данном случае используется первый вариант - полевой транзистор U9. Выходное напряжение микросхемы (вывод 2) определяется размахом импульсов обратной связи на выводе 4 микросхемы, которые формируются делителем R46 R55 и определяются по формуле: Uout = 1.22 х (R46+R55)\R55

Вход включения\выключения микросхемы (выв.3) не используется. Но него подается высокий потенциал с делителя R48 R49, подключенного к напряжению 12В.

Для питания графического контроллера U8, интерфейса LVDS и микросхемы ЭСППЗУ U1 необходимо напряжение (два канала) формируется микросхемами U7 (AIC1084-33М) и U12 (AIC1720-3.3), которые представляют собой линейные стабилизаторы семейства LDO (Low Drop Out) с низким падением напряжения на выходном транзисторе. Микросхемы отличаются только нагрузочной способностью: у микросхемы AIC1084-33М выходной ток до 5 А, а у AIC1720-3.3 - до 100 мА. Стабилизаторы имеют узлы защиты от перегрева, токовой защиты и защиты от превышения входного напряжения./AC-конвертор типа PLCD2615404 фирмы Етах используется для питания двух ламп подсветки LCD-панели (рис. 1.2). Он формирует из постоянного напряжения 12 В переменное напряжение 500...650 В частотой около 50 кГц (два канала). Собственно конверторы представляют собой двухтактные автогенераторы на транзисторах Q3, Q4 (Q5, Q6 - 2-й канал) и трансформаторе РТ1 (РТ2 - 2-й канал). В базовые цепи транзисторов включены обмотки самовозбуждения 1-6 трансформаторов РТ1 и РТ2. С вторичных обмоток 7-11 трансформаторов снимаются напряжения прямоугольной формы и через развязывающие цепи и разъемы CN2 и CN3 подаются на лампы подсветки.

Для питания автогенераторов служит двухканальный ШИМ регулятор на элементах U1, Q1, Q8, Q9 (Q2, Q11, Q8 - 2-й канал). Микросхема U1 типа FP1451 (аналог TL1451 фирмы TEXAS INSTRUMENTS) питается напряжением 10...12 В (выв. 9) через транзисторный ключ Q10 Q12, управляемый сигналом LCD_VBL_A с выв. 143 контроллера U8. Рабочая частота ШИМ регулятора определяется элементами С8 и R14; подключенными к выв. 1 и 2 микросхемы (составляет около 200 кГц), а длительность выходных импульсов на выводах 7 и 10 (т. е. выходное напряжение, а значит и яркость подсветки) определяется регулирующим напряжением. Оно складывается из напряжения обратной связи, формируемого цепью R1 D2 D5 R11 С5 С6 R41 (R2 D3 D6 R12 С9 СЮ R42 -2-й канал), и напряжением на контакте 4 разъема CN1 (CN5 - на рис. 1.2), которое формирует интегратор на микросхеме U5A из импульсного сигнала PWMD_A.

DC/AC-конвертор        питается напряжением 12 В, которое поступает через контакт 1 разъема CN1 непосредственно с выхода сетевого адаптера.

Тракт обработки видеосигналов.

Аналоговые видеосигналы основных цветов с контактов 9, 11 и 13 интерфейсного разъема J2 через согласующие цепи поступают на выходы АЦП - выв. 59, 53 и 47 микросхемы MASKOT V (рисунок 4). В состав микросхемы входят стабилизатор напряжения, три широкополосных видеоусилителя, схемы фиксации уровней черного в видеосигналах, трехканальный 8-битный АЦП, интерфейс 12С, схема синхронизации АЦП, схемы масштабирования и LCD-контроллер. Микросхема питается напряжением 3,3 В от DC/DC-конвертера. Опорный уровень 2,5 В для АЦП формируется прецизионным стабилизатором TU3 (TL431) и подается на выв. 43 микросхемы. На выходах АЦП микросхемы формируются 8-битные коды видеосигналов основных цветов, которые поступают для дальнейшей обработки на схему масштабирования.


Рисунок 4 - Микросхема MASCOT V

Для этой модели монитора рекомендуемое разрешение SXGA (1024x768), но кроме этого режима монитор обеспечивает поддержку режимов SVGA (800x600) и VGA (640x480). Для воспроизведения изображений в режимах SVGA и VGA они должны быть подвергнуты преобразованию, которое и выполняет узел масштабирования микросхемы MASCOT V.

Внутренний генератор микросхемы U8 стабилизирован кварцевым резонатором Х2 (12 МГц). Для временного хранения данных микросхема использует внутреннее ОЗУ.

В составе микросхемы присутствует LCD-контроллер, который формирует 8-битные коды видеосигналов основных цветов RGB_(A0...23), RGB_(B0...23) на выв. 81-139 и синхросигналы DISP_DE, DISP_VSYNC, SHCLK, DISPJHSYNC на выв. 76-79. Сигналы снимаются с выходов микросхемы 7701 и через разъемы CN3, CNA3, CN6 и CNA6 подаются на дешифраторы LCD-na-нели (рис. 1.6). Конструктивно они расположены на самой LCD-панели и их выходы управляют засветкой каждого отдельного пикселя.

Микросхема MASCOT V питается напряжением 3,3 В от стабилизатора U7.

Интерфейс LVDS реализован на микросхеме U3 типа THC63LVDM63A фирмы THine Electronics. Микросхема конвертирует цифровые RGB-сигналы с логическими уровнями CMOS в дифференциальные токовые сигналы, которые снимаются с выв. 34, 35, 38, 39, 40, 41 и подаются на 20-контактный разъем CN1.

1.4 Основные методы поиска неисправностей в радиоэлектронной технике

. Выяснения истории появления неисправности - история появления неисправности очень много может рассказать о локализации неисправности, о том, какой модуль является источником неработоспособности системы, а какие модули вышли из строя вследствие первоначальной неисправности, о типе неисправного элемента. Также знание истории появления неисправности позволяет сильно сократить время тестирования устройства, повысить качество ремонта, надежность исправленного оборудования. Выяснение истории позволяет выяснить, не является ли неисправность результатом внешнего воздействия, как то: климатические факторы (температура, влажность, запыленность и пр.), механические воздействия, загрязнение различными веществами и пр.

. Внешний осмотр - внешним осмотром зачастую пренебрегают, но именно внешний осмотр позволяет локализовать порядка 50% неисправностей, особенно в условиях мелкосерийного производства. Внешний осмотр в условиях производства и ремонта имеет свою специфику.

. Прозвонка - суть метода в том, что при помощи омметра, в том или ином варианте, проверяется наличие необходимых связей и отсутствие лишних соединений (замыканий).

. Снятие рабочих характеристик - при применении этого метода изделие включается в рабочих условиях или в условиях, имитирующих рабочие. И проверяют характеристики, сравнивая их с необходимыми характеристиками исправного изделия или теоретически рассчитанными. Также возможно и снятие характеристик отдельного блока, модуля, элемента в изделии.

.Сравнение с исправным блоком - заключается в том, что сравниваются различные характеристики заведомо исправного изделия и неисправного. По отличиям внешнего вида, электрических сигналов, электрического сопротивления судят о локализации неисправности.

.Моделирование - моделируется поведение исправного и неисправного устройства и на основе моделирования выдвигается гипотеза о возможной неисправности, и затем гипотеза проверяется измерениями. Метод применяется в комплексе с другими методами для повышения их эффективности.

. Включение функционального блока вне системы, в условиях, моделирующих систему - по сути метод является комбинацией методов: Разбиение на функциональные блоки и Снятие внешних рабочих характеристик. При обнаружении неисправностей «подозреваемый» блок проверяется вне системы, что позволяет либо сузить круг поиска, если блок исправен, либо локализовать неисправность в пределах блока, если блок неисправен.

. Метод замены - подозреваемый блок/компонент заменяется на заведомо исправный, и проверяется функционирование системы. По результатам проверки судят о правильности гипотезы в отношении неисправности.

.Типовые неисправности - на основании прошлого опыта ремонта конкретного изделия составляется список проявления неисправности и соответствующего неисправного элемента. Метод основан на том, что в массовых изделиях имеются слабые места, недоработки, которые, как правило, и приводят к выходу изделий из строя. Так же к этому методу стоит отнести и предположение о выходе того или иного элемента из строя на основании показателей надежности

1.5 Типичные неисправности и методы их устранения

. При включении монитора сетевой индикатор не светится, монитор не работает: с помощью вольтметра проверяют наличие напряжения 12 В на разъеме CN12 (рис. 1.1). Если напряжения нет или оно значительно меньше нормы, необходимо проверить исправность сетевого адаптера, наличие контакта в этом разъеме и качество его пайки на главной плате. Если на разъеме есть 12 В, а на выв. 1-2 микросхемы U11 напряжение равно нулю, проверяют фильтр L19 и предохранитель F1.

Если напряжение 12 В поступает на микросхему, а 5 В на конденсаторе С40 отсутствует, проверяют внешние элементы конвертера U11: R55, R46, U9, D3, D4, L7. Если они исправны, заменяют микросхему U11.

При наличии напряжения 5 В на входах стабилизаторов U7 и U12 необходимо проверить их выходные напряжения 3,3 В. Если одно из напряжений отсутствует, проверяют цепи потребления на отсутствие короткого замыкания, внешние элементы микросхем и сами микросхемы (заменой).

Если напряжения 5 и 3,3 В есть, проверяют питание микроконтроллера (3,3 В на выв. 44), наличие высокого уровня на выв. 10 U2, работоспособность генератора 11,05 МГц (выв. 20-21 U2). Если все указанные сигналы присутствуют, а на шине 12С (выв. 8 и 9 U2) нет импульсов, последовательно заменяют микросхемы U1 (ее необходимо заменить на микросхему с записанными заводскими параметрами) и U2.

Если же сигналы на шине 12С есть, но реакция микроконтроллера на нажатие кнопки POWER отсутствует, проверяют саму кнопку и цепь от нее до выв. 2 U2.

. Сетевой индикатор янтарного цвета, изображение отсутствует: вначале необходимо проверить, что источник сигнала (компьютер) включен, и интерфейсный кабель монитора подключен к источнику. Если все в норме, возможно активен режим энергосбережения и синхросигналы не поступают на вход монитора. Для контроля с помощью осциллографа проверяют их наличие на интерфейсном разъеме JP2. Иногда «пробиваются» защитные стабилитроны на входе D11, D12. Они проверяются омметром на отсутствие короткого замыкания.

Если все сигналы есть, проверяют прохождение синхросигналов на вход графического контроллера U8 (выв. 38, 39). Если один или оба сигнала отсутствуют, возможно, неисправна микросхема U10. Наличие синхросигналов на входе микросхемы U8 и их отсутствие на выходе микросхемы (выв. 78-80), а также отсутствие обмена с микроконтроллером по шине 12С (выв. 155, 156) говорит о ее неисправности. Перед заменой проверяют генератор 12 МГц (наличие сигнала размахом 2,5...3 В на выв. 74, 75 U8) - возможно, неисправен резонатор Х2.

. Сетевой индикатор зеленого цветом, но изображение отсутствует: вначале визуально контролируют работоспособность ламп подсветки LCD-панели. Если они не светятся, проверяют наличие напряжения 500...650 В частотой 40...50 кГц (частота зависит от уровня яркости подсветки) на разъемах CN2 и CN3 (рис. 1.2). Если напряжение равно нулю, проверяют входные сигналы (ON/OFF на контакте 3 CN1, регулировки яркости на контакте 4 CN1) и напряжение 12 В на контактах 1 и 2 CN1.

Если все сигналы и напряжение 12 В есть - необходим ремонт DC/AC-конвертера (см. «Неисправности DC/AC-конвертера»).

Если лампы подсветки работают, проверяют наличие напряжения 5 В на LCD-панели (контакты 38, 39 CNA3). Если напряжение равно нулю, проверяют наличие управляющего сигнала LCD_VDD (вывод 142 U8, активный - высокий уровень) и исправность транзисторов Q3 и U4 (рис. 1.6). Если питание LCD-панели в норме, то методом замены проверяют LCD-панель.

Если цифровые видеосигналы на выходах LCD-контроллера U8 отсутствуют, проверяют источник (видеокарту компьютера).

. Отсутствует одна или несколько вертикальных линий на изображении:

Как правило, это связано с неисправностью дешифраторов LCD-панели. В этом случае придется целиком заменить LCD-панель.

. Неисправности DC/AC-конвертера:

) Нет подсветки: в первую очередь методом визуального осмотра необходимо убедиться в том, что в выходных цепях инвертора отсутствуют обгоревшие или оплавленные элементы: конденсаторы С1, С2, С29, СЗО и разъемы CN2-CN5 (рис. 1.2). Если такие элементы есть, необходимо из заменить. Затем проверяют наличие напряжение 12 В на коллекторе транзистора Q10. Если оно равно нулю, возможно, неисправен предохранитель F1. Перед его заменой проверяют цепи после предохранителя на отсутствие короткого замыкания, и неисправные элементы заменяют. Чаще всего в этом случае оказываются неисправными стабилитроны D9, D11 и транзисторы Q3-Q6.

) Если напряжение 12 В есть, а инвертор не работает: проверяют поступление на него сигнала включения - высокого потенциала на контакте 3 разъема CN1. При отсутствии сигнала его можно подать через дополнительный делитель 10 кОм/1 мОм от напряжения 12 В (с контакта 1 CN1). Если при этом лампы включатся, необходим ремонт главной платы монитора.

) Иногда причиной неисправности служат сами лампы: чтобы в этом убедиться, вместо ламп к выходным разъемам подключают эквивалент - резисторы номиналом 1 кОм и мощностью 5...10 Вт. Если после этого инвертор включится (появятся выходные напряжения), лампы заменяют.

) Лампы подсветки загораются и сразу же гаснут: скорее всего, это связано с перегрузкой инвертора или неисправностью в «обвязке» микросхемы U1. Как и в предыдущем случае, методом визуального осмотра определяют и заменяют все подозрительные элементы. Если таковых нет, то неисправность надо искать в цепях «обвязки» контроллера FP1451 или в самой микросхеме. Вначале проверяют стабильность напряжения питания микросхемы на выв. 9, измеряют опорное напряжение 2,4...2,6 В на выв. 16 U1. Если оно отличается от указанного значения, микросхему заменяют. Затем методом замены проверяют времязадающие элементы внутреннего генератора (С8, R14) и элементы С20, D7, D8, С32, СЗЗ.

) Яркость изображения самопроизвольно изменяется: проверяют стабильность регулирующего напряжения на контакте 4 разъема CN1. Если оно «плавает», проверяют заменой конденсатор С18 и, если результата нет - микросхему U5 (LM358).

) Если регулирующее напряжение в норме: проверяют элементы в цепях обратной связи: (R1, D2, D5, R11, С5, С6, R41) - для 1-го канала, v\ (R2, D3, D6, R12, С9, СЮ, R42) - для 2-го канала.


2.1 Перечень приборов и оборудования для регулировки

1) Цифровой осциллограф GDS-806S

Параметры устройства:

Активное сопротивление :1 Мом ±2%;

Диапазон амплитуд:2мВ-300В;

Полоса пропускания :

для периодического сигнала:60 МГц;

для одного кратного сигнала:10 МГц.

) Генератор сигналов Г6-46

Параметры устройства:

Диапазон частот :0,1 Гц - 1 МГц;

Погрешность установки частоты :±1%;

Формируемые сигналы: синусоидальные, прямоугольные, пилообразные, треугольные.

) Цифровой универсальный мультиметр GDM-8135

Параметры устройства:

Напряжение:

Постоянное: 200 мВ - 1200В;

Переменное: 200мВ - 1000В;

Ток: постоянный, переменный: 200мкА- 20А;

Сопротивление:200 Ом - 20 Мом.

) Источник постоянного стабилизированного напряжения HY3003

Параметры устройства:

Выходное напряжение : 0-30 В;

Выходной ток:0-3А;

Точность показания напряжения: ±1%;

Точность показания тока: ±2%.

) Паяльная станция АТР-1104

Параметры устройства

Питание: 24В/50Вт

Диапазон температур: 200-480о С

Сопротивление изоляции 1000 МОм при температуре 400 о С

Инструменты:

паяльник электрический мощностью до 25 Вт;

паяльная станция АТР-1104

отвертки с изолированными ручками для винтов М-4;

отвертка для потенциометров СП3-38

пинцет П11М;

нож монтажный НМ 150;

острогубцы боковые;

кисть КФК-6;

Материалы:

припой ПОС-61 аналогичный;

канифоль;

монтажные провода марки ПВМГ-0,2; ПВМГ-0,5; ПМВ-0,2;

спирт гидролизный;

- паста теплопроводящая КПТ-8 ГОСТ 19783-74 для смазывания поверхностей транзисторов, диодов при их установке на радиаторы.

2.2 Параметры устройства, измеряемые при регулировке после ремонта

Контроль напряжения 12 В.

Необходимо подключить монитор к сетевому адаптеру и к источнику тестовых сигналов - компьютеру. Затем с помощью одной из тестовых программ, например, Nokia Test, необходимо сформировать сигнал «сетка» в режиме VGA (31,5 кГц, 640x480). Напряжение 12±0,2 В контролируется цифровым вольтметром на предохранителе F1 (см. рис. 1.2) или на выв. 1, 2 микросхемы U11. Если отклонение больше нормы, необходим ремонт сетевого адаптера.

Контроль работоспособности системы энергосбережения.

Для контроля подключают монитор к сети через измеритель потребляемой мощности. Отключают сигнальный кабель от монитора, сетевой индикатор должен мигать оранжевым цветом. В этом режиме монитор должен потреблять не более 5 Вт.

Режим заводских регулировок.

Для перевода монитора в этот режим, удерживая кнопку ◄ на передней панели, вначале выключают его кнопкой ON/OFF (компьютер, которому он подключен, не выключают, тестовый сигнал - «сетка», режим VGA: 31,5 кГц, 640x480). Затем отпускают кнопку ◄ и, удерживая кнопку ► , нажимают кнопку ON/OFF После того как монитор включился, на экране должно появиться меню заводских регулировок.

Используя кнопки ▼ и ^, последовательно выбирают необходимые для регулировки параметры и регулируют их с помощью кнопок ► и ◄

Регулировка баланса белого.

Для этой регулировки необходимо иметь цветовой анализатор спектра. Регулировку выполняют в следующей последовательности:

. Подают на вход монитора тестовый сигнал «сетка» (1024x768, 60 Гц) и включите монитор.

. Устанавливают датчик цветового анализатора в соответствии с инструкцией к прибору и переключают прибор в режим измерений.

. Переключают монитор в режим заводских регулировок (см. п. «Режим заводских регулировок»).

. В этом режиме устанавливают значение яркости 100, а контрастности - 50.

6. Подают на вход монитора сигнал белого поля (1024x768, 60 Гц).

. Выбирают строку 9300 К RGB и регулируют значения R, G и В, добиваясь показаний анализатора: х = 0,283±0,01; у = 0,297±0,01; V = 220.

. Выбирают строку 6500 К RGB и регулируют значения R, G и В, добиваясь показаний анализатора: х = 0,311 ±0,01; у = 0,338±0,01; Y = 220.

9. Для визуального контроля результата регулировок подают на вход монитора сигнал «градации серого» (32 уровня, режим 1024x768, 75 Гц, 60 кГц), устанавливают значение контрастности 50 и контролируют изображение. Если значение Y слишком большое, то самые яркие полосы будут сливаться. Если значение Y слишком мало, то сливаться будут самые темные полосы. При необходимости дополнительно регулируют баланс белого.

. Для выхода из режима заводских регулировок выключают монитор кнопкой ON\OFF.

2.3 Методики измерения параметров устройства

По возможности при проведении замеров используется цифровой подключение по DVI, т. к. именно в этом режиме (по рекомендации производителей) возможно достижение максимальных значений основных параметров матрицы.

Оригинальной частью методики тестирования является проведение аппаратных замеров с последующим программным анализом, для чего используются:

собственный комплекс с фотодатчиком, АЦП-блоком и управляющей программой;

программа анализа снятых данных скорости матрицы;


где -  - интенсивность отказов всей схемы,

N - количество элементов

λn - интенсивность отказов элементов схемы

В таблице 3 представлены элементы, входящие в ЖК-монитор ACER.

Таблица 3

№ п/п

Элементы схемы

Количество ( N )

Значение интенсивности отказов (λn)

1.

Резистор

40

0,03× 10-6

2.

Диод кремниевый

51

0,2× 10-6

3.

Диод германиевый

10

0,157 ×10-6

4.

Конденсатор электролитический

53

0,035 ×10-6

5.

Конденсатор керамический

31

0,15× 10-6

6.

Катушка индукционная

11

0,02× 10-6

7.

Трансформатор

15

0,045× 10-6

8.

М/с со средней степенью интеграции

6

0,013× 10-6

9.

Транзистор кремниевый до 150 МВт

27

0,84 ×10-6

10.

Предохранитель

13

0,5 ×10-6

11.

Соединители

2

0,248×10-6

12.

Клеммы

2

0,0005 ×10-6

13.

Гнезда

3

0,01 ×10-6

14.

Пайка

135

0,01 ×10-6


= 40·0,03·10-6 + 51·0,2·10-6 + 10·0,157·10-6 + 53·0,035·10-6 + 31·0,15·10-6 + 11·0,02·10-6 + 15·0,45·10-6 + 6 ·0,13·10-6 +27 ·0,84·10-6 + 13·0,5·10-6 + 2·2,5·10-6 + 2·0,0005·10-6 + 3·0,01·10-6 + 135·0,01·10-6 = 62,286·10-6

Определим среднюю наработку до первого отказа по формуле 2;

ср=1/ (2)

где Tср- средняя наработка до первого отказа.

Tср=1/62,286·10-6= 16056 часов.

Далее определим вероятность безотказной работы по формуле 3.

(t)=1-·tср (3)

где P(t) - вероятность безотказной работы;

tср- среднее время нормальной работы изделия, час.

tср=5000 час.

P(t)=1-62,286·10-6 ·5000 = 1- 0,311=6,8%

Исходя из этого, вероятность выхода из строя ЖК-монитора ACER AL532 составляет около 7%, что говорит о хорошей надежности данного устройства.

4. Охрана труда и техника безопасности

4.1 Безопасные условия труда при электромонтажных работах

При выполнении электромонтажных и ремонтных работ радиоэлектронного оборудования проявляется целый ряд неблагоприятных факторов, вредно влияющих на организм человека. Так при пайке оловяно-свинцовыми припоями образуются пары свинца. Свинец оказывает неблагоприятное воздействие на организм, вредно отражается на состоянии нервной и сердечно-сосудистой системы, вызывает ряд болезненных явлений кишечно-желудочного тракта. Свинец является ядом для организма. Поэтому на участках где производится пайка припоями содержащими свинец, необходима приточно-вытяжная вентиляция, а на рабочих местах должны быть установлены отсосы.

При снятии изоляции с проводов часто пользуются специальными обжигалками, выделяющиеся при этом пары и дым загрязняют воздух и оказывают вредное влияние на организм рабочих. Например, при горении резины, полихлорвинила и ряда других изоляционных материалов образуются вещества вызывающие раздражение дыхательных путей, кожи, глаз. Поэтому обжиг изоляции, залуживание концов проводов, пайку радиоэлементов на печатных платах разрешается проводить только при работающей местной вытяжной вентиляции.

Особое внимание необходимо обращать на освещенность рабочего места при электромонтажных работах, так как эти работы сопряжены со значительным напряжением зрения работающего. В цехе должно быть предусмотрено как общее, так и местное освещение рабочего места, причем осветительная арматура должна предохранять глаза работающего от слепящего действия ламп. Нельзя допускать образования теней на рабочих поверхностях при выборе расположения светильников. Наилучшим считается люминесцентное освещение.

При проведении электромонтажных работ необходимо соблюдать следующие правила: Во избежание ожогов в процессе пайки детали следует держать пинцетом, а не руками. Категорически запрещается принимать пищу и курить в помещениях, где производится пайка перед принятием пищи и после работы необходимо обмывать руки однопроцентным раствором соды или уксуса и тщательно мыть их теплой водой с мылом. Работы проводить только в спецодежде, которую следует регулярно стирать.

4.2 Безопасные условия труда при регулировочных работах

В устройстве используется источник лазерного излучения, категорически запрещается смотреть в линзу оптической головки при работающем проигрывателе.

При выполнении регулировочных работ различной радиоаппаратуры наиболее опасным видом травматизма является поражение электрическим током. Рабочий, выполняющий регулировочные работы должен соблюдать правила техники безопасности, в частности электробезопасности:

Все доступные для прикосновения токоведущие части электрооборудования должны быть ограждены.

Рубильники и выключатели должны быть мгновенного действия. Щитки и рубильники должны быть установлены в глухих металлических кожухах, запираться на замок и иметь надписи о применяемом напряжении.

Ручки, рукоятки, маховики должны быть сделаны из изолирующих материалов, металлические детали с изолирующими покрытиями должны быть изолированы от токоведущих частей и заземлены.

Все электрооборудование, а также оборудование и механизмы, которые могут оказаться под напряжением должны быть надежно заземлены.

Работы по ремонту оборудования и механизмов должны производится только после полного отключения от сети электропитания, на месте работ обязательно вывешивают предупредительные плакаты.

Ручной инструмент, применяемый для регулировочных работ (отвертки плоскогубцы, кусачки) должен быть снабжен изолированными ручками.

Измерительные приборы должны быть заземлены, соединительные провода и щупы не должны иметь повреждений и надежную изоляцию.

Внешний осмотр радиоэлементов и монтажа, а также замену вышедших из строя радиоэлементов разрешается производить только в отключенном от сети приборе.

Регулировать и проверять радиоприбор под напряжением можно только в том случае, когда в отключенном состоянии это сделать невозможно. Следует помнить, что самым опасным для человека является переменный ток частотой 50 Гц.

Техника безопасности при техническом обслуживании и ремонте электронных узлов компьютерной техники имеет свою специфику:

опасности подвергается ремонтник компьютерной техники;

- опасности подвергается сама компьютерная техника.

По этим двум причинам необходимо строго соблюдать правила по применению оборудования ремонтных помещений, инструкций по эксплуатации на монтажный инструмент.

Все виды опасностей подразделяются на пять групп:

опасность механического характера;

опасность электрического характера;

опасность термического характера;

опасность химического характера;

пожарная опасность.

Опасность механического характера.

Опасность механического характера связана с «выездными» работами на дому у клиента. Не всегда имеются стандартные инструменты, возможно использование приспособлений, изготовленных кустарным способом. К такому инструменту можно отнести специальные отвертки с сильно удлиненными или сильно укороченными стержнями, специальные захваты, немагнитные отвертки и т.д. Такой инструмент изготавливают часто из случайных подручных материалов, они не обладают достаточным запасом механической прочности, а изолирующие ручки - электрической прочностью. В случае поломки такого инструмента вероятно повреждение ремонтируемого компьютера и возможно повреждение руки ремонтника. Поэтому «Правилами техники безопасности» (ПТБиЭБ) запрещается использование любого нестандартного инструмента, не прошедшего специальные испытания и не имеющего сертификата.

Рабочее место ремонтника в стационарной мастерской должно удовлетворять специальным требованиям:

механическая прочность и устойчивость стола и стула (кресла);

нормируемая освещенность;

вытяжная вентиляция;

надежное механическое расположение измерительных приборов, устройств и приспособлений;

лабораторный температурный режим.

Опасность электрического характера

При ремонте радиоаппаратуры электробезопасности уделяется особое внимание. Несоблюдение правил электробезопасности может привести к тяжелым травмам и даже к летальному исходу.

К работе с любыми электроустановками допускаются лица:

не моложе 18 лет;

прошедшие медицинское освидетельствование;

знающие правила техники безопасности при эксплуатации электроустановок до и выше 1000 В;

обученные безопасным методам работы;

обученные практическим навыкам освобождения пострадавших от действия электрического тока и приемам искусственного дыхания;

обученные правилам и приемам пожаротушения на электроустановках;

получившие удостоверение на право работы.

Стационарные мастерские по ремонту компьютерной техники относятся к особо опасным помещениям, поэтому рабочее место ремонтника должно быть обеспечено индивидуальными средствами защиты от поражения электрическим током:

инструментом с изолированными ручками, способными выдержать любое рабочее напряжение;

диэлектрическими ковриками под ногами;

измерение режимов производить только одной рукой;

запрещается проверять наличие напряжения «на искру».

Кроме опасности поражения электрическим током ремонтника существует опасность повреждения электронных блоков компьютера от неправильных действий ремонтника:

включение аппаратуры на несоответствующее напряжение сети;

применение предохранителей на номинальное напряжение;

проверка отсутствия короткого замыкания с помощью тестера;

проверка токов утечки

Опасность термического характера.

К термическим поражениям относятся ожоги при случайном прикосновении к электропаяльнику, поэтому ремонтная мастерская должна иметь в наличии стандартную аптечку первой помощи и инструкцию по оказанию первой доврачебной помощи.

Опасность термического характера для аппаратуры заключается:

в перегреве и разрушении пластмассовых деталей;

в нарушении целостности печатного монтажа, в частности отслаивания фольги на печатной плате.

Опасность химического характера.

При ремонте любой радиоаппаратуры запрещено пользоваться сильнодействующими химическими реактивами, но на практике иногда в ремонтных мастерских нарушают этот запрет и применяют кислотосодержащие флюсы и агрессивные промывочные жидкости. Для ремонтников это не опасно, т.к. такие материалы применяются в небольших количествах, а в мастерских имеется вытяжная вентиляция. Для аппаратуры это может оказаться опасным, материалы из пластика могут раствориться в таких жидкостях как спирт, бензин, ацетон. Поэтому применение таких жидкостей или вообще исключить или применять при необходимости в минимальных количествах.

Противопожарная безопасность на любом предприятии указывается в инструкциях, где размещают правила противопожарной безопасности, поведение персонала при возникновении пожара, порядок эвакуации работников этого предприятия. План эвакуации вывешивается на самом видном месте. Пожарная инспекция должна проверять степень готовности каждого предприятия на случай возникновения пожара.

Причиной возникновения пожара может быть возгорание аппаратуры вовремя прогонок и любого перегрева.

В этом случае необходимо:

как можно быстрее обесточить аппаратуру;

для тушения пожара применить углекислотные (сухие) огнетушители, т.к. пенные и порошковые огнетушители полностью выводят из строя аппаратуру без возможности последующего восстановления.

Заключение

Современная промышленность выпускает огромное количество различной радиоэлектронной аппаратуры, конструкция которой зависит от её назначения и условий эксплуатации. По назначению радиоэлектронная аппаратура подразделяется на две основные группы: широкого применения и спец. назначения.

Технология ремонта ЖК-монитора - достаточно сложная, требующая высокой квалификации, аккуратности и терпения работа.

Цели курсового проекта выполнены, посредством использования новейшего оборудования, такого как паяльная станция «Актаком АТР-11004», осциллограф цифровой «GDS-806s», источник питания «HY3003», мультиметр «GDM-8135». Было успешно произведено усовершенствование технологии ремонта, сформулированы основные технические характеристики монитора, расчетная часть и рассмотрение требований по охране труда и техники безопасности.

Список использованных источников

1. Н. А. Тюнин, журнал «ремонт №95» ЖК мониторы, 2011г. - 4с.

. З.А. Хрусталёва, С.В. Парфёнов Источники питания радиоаппаратуры.

М.: Издательский центр «Академия» 2012г.- 240с.

.Конструкторско-технологическое проектирование электронной аппаратуры: Учебник для вузов / К. И. Билибин, А.В.Власов, Л.В.Журавлева и др. под общ. Ред. В.А. Шахнова. - М.: МГТУ им. Н.Э.Баумана, 2012. - 528с.

Internet-ресурсы

4. Технические характеристики. [Электронный ресурс] - Режим доступа: http//www.wikipedia.com

5. Безопасные условия труда. [Электронный ресурс] - Режим доступа: <#"903477.files/image006.jpg">

Похожие работы на - Технология ремонта монитора ACER AL532

 

Не нашли материал для своей работы?
Поможем написать уникальную работу
Без плагиата!
Без нейросетей!