|
Показатели
|
Ед.измерения
|
Значения
|
|
1
|
2
|
3
|
|
Полезная площадь
|
м2
|
6440,32
|
|
Общая площадь
|
м2
|
11304,41
|
|
Площадь застройки
|
м2
|
3306
|
|
Строительный объем
|
м3
|
63168,30
|
|
Количество квартир
|
шт
|
140
|
|
в т.ч. 1 комнатных
|
шт
|
43
|
|
в т.ч. 2 комнатных
|
шт
|
33
|
|
в т.ч. 3 комнатных
|
шт
|
36
|
|
в т.ч. 4 комнатных
|
шт
|
18
|
|
в т.ч. 5 комнатных
|
шт
|
10
|
.2 Конструктивное решение
1.2.1 Наружные и внутренние стены
Наружные стены толщиной 640 мм выполняются многослойными: наружная верста
120 мм, воздушная прослойка 20 мм, утеплитель ROCKWOOL, внутренняя верста 380 мм. По
теплотехническим расчетам, с учетом требований энергосбережения принимаем
толщину утеплителя 120мм. Теплоизоляционные плиты крепиться в 2 слоя толщиной
по 50 мм в двух взаимно-перпендикулярных направлениях. Между утеплителем и
внутренней верстой укладывается пароизоляция. Внутренняя верста выполняется из
красного кирпича пластического прессования К-75/1/15 ГОСТ 530-95 на растворе
М50. Наружная верста выполняется из силикатного кирпича. В кладке лицевого слоя
через 4 ряда выполняется перевязка вертикальных швов.
Наружная и внутренняя верста соединяются при помощи гибких оцинкованных
связей Ø5
В 500 с шагом 450 мм по
высоте и 500 мм по ширине стены здания. На гибкие связи в процессе возведения
наружной стены здания накалывается утеплитель.
В уровне перекрытий устанавливаются ж/б плиты для перевязки верст.
Вентиляция осуществляется через вертикальные щели, расположенные через четыре
кирпича вверху и внизу этажа.
Рисунок 1.1, Конструкция стены
Наиболее ответственными в слоистой конструкции являются гибкие связи из
нержавеющей стали, связывающие наружный и внутренний слои кладки. В местах
установки гибких связей ряда кладок наружного ивнутреннего слоев армируются
проволочными сетками из арматуры Ø5 В500 с ячейками50х50 м.
Внутренние стены выполнены из кирпича красного пластического прессования
марки К 75/1/15 ГОСТ 530-95 на цементном растворе М50 толщиной 380 мм. В местах
прохождения каналов в количестве 2 и более укладывать сетки из проволоки
обыкновенной холоднотянутой 3В-500 с ячейкой 50х50 мм через три ряда кладки. В
трёх верхних рядах под перекрытием сетки укладывать в каждом ряду
.2.2 Перекрытия и полы
В здании запроектированы железобетонные пустотные плиты перекрытия и
покрытия высотой 220мм, шириной 1200мм, 1500 и 1800 мм по серии 1.141-1 выпуск
60 и выпуск 64 и серии1.242-1 выпуск 29.
В местах невозможной укладки плит устроены монолитные участки из бетона
класса В15 и арматуры А - 240 с шагом 150 мм.
Покрытие - скатная кровля, состоит из профилированного настила
Н79х658х0,8, укладываемого на обрешетку из досок (зазор между досками 30 см). В
покрытии используются жесткие плиты утеплителя «Rockwool РуфБаттс». Уклон кровли 25˚.
Неотъемлемой частью перекрытий являются полы. Рациональное решение
конструкции полов требует особого внимания. Полы в зависимости от назначения
помещений приняты: из керамической плитки, из линолеума, мозаичные, бетонные.
Главным фактором, определяющим конструкцию чердачного перекрытия,
становятся его теплозащитные качества. Они необходимы для того, чтобы исключить
большие потери тепла помещениями в зимнее время и излишнее его поступление
влетнее.
Устраиваемый теплоизоляционный слой нужно защищать от конденсационного
увлажнения. Поэтому предусмотрен пароизоляционный слой в виде одного слоя
рубероида, который предшествует теплоизоляционному на пути теплового потока.
Толщина утеплителя принята согласно теплотехническому расчету.
теплотехнический фундамент строительство
1.2.3 Лестницы
Лестницы предназначены для сообщения между помещениями, а также для
осуществления аварийной эвакуации из здания людей.
Лестницы запроектированы сборными железобетонными по металлическим
косоурам. Косоуры выполнены из швеллеров №16 по ГОСТ 8240-89.
Сварку всех металлических изделий выполнять электродом Э-42 (ГОСТ 9467-75*).
Ограждения лестниц крепить к закладным деталям ступеней. Закладные детали
в ступенях для крепления ограждений должны располагаться таким образом, чтобы
подъем по лестнице осуществлялся против часовой стрелки.
.2.4 Кровля и водоотвод
В дипломном проекте запроектирована крыша - стропильная, кровля
металлическая из оцинкованной стали. Для крепления кровельных материалов по
стропилам устраивают обрешетку из досок или брусков. Для того чтобы защитить от
гниения деревянные конструкции крыши, чердачное пространство обязательно
вентилируют, устраивая слуховые окна в скатах щипцовых стенах крыши, все
опорные брусья (мауэрлаты на наружных стенах, лежни - на внутренних) располагают
выше чердачного перекрытия на 400 мм и укладывают на гидроизолирующие
прокладки. Места пересечения крыш с вертикальными элементами изолируют
«воротниками» из оцинкованной стали при любом материале кровли.
Запроектирован организованный водоотвод по оцинкованным стальным
настенным или навесным желобам и водосточным трубам.
Утепление крыши производится по перекрытию 5 и 6 этажа в
осях 1 - 3.
Элементы стропил изготовить из древесины хвойных пород с влажностью не
более 20%, обрешетку - из лиственных пород. Материалы стропильных ног, прогонов
- ель, сосна 1 категории, обрешетки-3 категории. Пороки древесины - гниль,
червоточина, трещины по плоскости скалывания не допускаются.
Элементы стропил, соприкасающиеся с кирпичными стенами покрыть
антисептиками. Не допускается глухая заделка частей стропил в каменные стены.
Мауэрлаты, кобылки, лежни антисептировать, между ними и каменной кладкой
стен проложить изоляцию из двух слоев рубероида.
Все соединения выполнять на врубках, болтах, гвоздях и скобах.
В местах примыкания к вентиляционным и дымовым каналам деревянные
конструкции выполнить с соблюдением норм и требований пожарной безопасности.
Стропильные ноги через одну крепить скрутками из проволоки диаметром -
4мм за штыри, заделанные в стену на 40 см ниже мауэрлата.
Площадь кровли - 948,8 м2
.2.5 Фундаменты
Фундаменты запроектированы свайными из сборных ж/б свай 8м по серии
1.011.1-10 на монолитных ж/б ростверках.
За относительную отметку 0,000 принят уровень чистого пола первого этажа,
чему соответствует абсолютная отметка +117.300.
Отметка пола технического подполья -2,100.
Расчетный отказ свай для молота С - 996 - 0,45 см, для молота ЭС-10011 -
0,66 см.
К массовой забивке свай по программе полевых испытаний приступить после
забивки шести пробных свай № 1, 146, 174, 233, 314, 344. минимальна
продолжительность отдыха 20 суток.
Если в процессе забивки свай (по данным 5-20 свай) выявится, что сваи не
добиваются до заданных в проекте отметок на 1 м и более, необходимо остановить
производственную забивку свай и совместно с проектной организацией выяснить
причины недобивки и решить вопрос об уточнении длины сваи или замене
сваепогружаемых средств.
В целях ликвидации разброса отметок верха голов свай, недобитых до
проектных отметок в пределах 1 м, несмотря на полученный проектный отказ, сваи
следует погружать до проектных отметок или до критического отказа, равного 0,2
см, при котором забивка свай прекращается, а сваи срубаются под проектную
отметку. Должна применяться механизированная срезка. Допускается ручная срезка
отбойным молотком с обязательным применением инвентарного обжимного хомута с
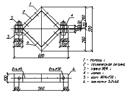
прокладкой из технической резины ( рисунок 1.2)
Рисунок 1.2, Обжимной хомут
При устройстве свайных фундаментов рекомендуется руководствоваться: СНиП
«Основания и фундаменты», ГОСТ 5686-94 «Сваи, методы полевых испытаний», серия
1.011.1-10 выпуск 1 «Сваи забивные железобетонные», ГОСТ «Изделия бетонные и
железобетонные. Общие технические требования».
Армирование ростверков предусмотрено сварными унифицированными каркасами
из стали класса А - 400 по ГОСТ, сборку которых в пространственные каркасы
следует производить на стройплощадке.
Стыки каркасов по длине ростверка следует располагать в разбежку.
Стыковка каркасов по длине осуществляется путем перехлеста каркасов или
установкой дополнительной арматуры того же диаметра, что и стыкуемые стержни.
При соединении под прямым углом стыки каркасов осуществлять с заведением
стержней длиной не менее 35 диаметров рабочей арматуры, а подлине каркаса
внахлестку - не менее 10 диаметров (встык накладкой не менее 20 диаметров).
При производстве работ следует обращать внимание на точность расположения
арматурных изделий в ростверке и соблюдение защитных слоев.
Продольная арматура каркасов большого диаметра должна располагаться в
верхней зоне ростверка.
Монолитные ж/б ростверки выполняются из бетона класса В15 марка бетона по
морозостойкости не менее 50.
Срезка растительного слоя (150 мм) производится бульдозером.
Монолитные заделки в стеновых блоках заполнить бетоном класса
В 12,5 (в зимних условиях В 20).
Кладку бетонных блоков выполнять с соблюдением следующих требований:
а) горизонтальные и вертикальные швы и пазы между блоками заполнить
раствором марки 100 на всю высоту и толщину шва;
б)перевязку блоков выполнять не менее 240 мм.
В узлах пересечения продольных и поперечных цокольных стен заложить
арматурные сетки в горизонтальные швы через один ряд блоков.
Горизонтальная гидроизоляция выполняется из двух слоев гидроизола на
битумной мастике по выровненной поверхности. Вертикальная гидроизоляция
выполняется путем обмазки стен горячей битумной мастикой за два раза.
По периметру здания выполнить асфальтовую отмостку толщиной 30 мм,
шириной 1000 мм по гравийно-песчаной подсыпке толщиной 100 мм и основанию из
мятой жирной глины толщиной 150 мм.
Защита подвальных помещений и понижение уровня грунтовых вод
осуществляется пристенно - кольцевым дренажем. Дренаж выполняется из асбесто-
цементных труб диаметром 150 мм по ГОСТ с укладкой выше подошвы фундамента. Для
приема воды в трубах сверлятся отверстия диаметром 12мм из расчета 25 отверстий
на 1 п.м. дрены. Вокруг трубчатой дрены устраивается трехслойная обсыпка
фильтрующим материалом, гравием и песком. Сброс дренажных вод осуществляется в
сеть ливневой канализиции по ул. Ленинградская с подключением в колодце.
.2.6 Окна
Проектом предусмотрены стеклопластиковые оконные блоки-стеклопакеты с
тройным остеклением.
.2.7 Двери
Проектом предусмотрены наружные двери шириной 910мм, 1310мм, 2100мм, и
внутренние двери шириной 710мм, 910мм и 1310мм. Основные наружные двери
предусмотрены стеклянные, открываются наружу. Для служебных входов
предусмотрены глухие двери. Внутренние двери тоже запроектированы глухими.
Высота полотен 1570мм, 2070мм и 2370мм.
.3 Наружная и внутренняя отделка
Цоколь здания, крыльца, ступени выполнены из керамогранита. Стены,
простенки - из силикатного тонированного утолщенного кирпича. Отдельные
фрагменты здания оштукатурены цементно-песчаным раствором марки М150 (по сетке
Р20-1,6, которая приварена за выпуски арматуры из кладки (d=6мм AIII, L=150мм),
выпуски арматуры выполнены с максимальным шагом 150мм), с последующей покраской
высококачественными фасадными эмалями «Tikkurila». Окна и двери окрашены эмалью
ПФ-115 ГОСТ 6465-76 по грунтовке ПФ-20 ГОСТ 18186-78.
Внутренняя поверхность кирпичных стен оштукатуривается улучшенной
штукатуркой. Стены и перегородки по всей высоте, кроме санузлов, окрашиваются
масляной или водоэмульсионной краской в зависимости от назначения помещения.
Стены помещений санузлов облицовываются керамической плиткой на высоту 2,5 м.
На потолке во всех помещениях - клеевая побелка. На кухнях над рабочей
поверхностью мойки, стола, газовой плиты на высоту 0,6 метра стена
облицовывается глазурованной плиткой.
Полы в жилых комнатах, прихожих, коридорах и кладовых комнатах
запроектированы из линолеума на теплоизолирующей основе. В ванных комнатах и
санузлах во всех квартирах полы выкладываются из керамической плитки с
шероховатой поверхностью. В тамбурах входов, на лестничных клетках полы также
выполняются из керамической плитки с шероховатой поверхностью, на балконах и
лоджиях - цементная стяжка с железнением.
Окна и двери окрашиваются масляной краской светлых тонов за 2 раза.
Конструкции и типы полов приведены в экспликации полов (смотри лист 4
графическая часть).
.4 Теплотехнический расчет ограждающих конструкций
.4.1
Теплотехнический расчет наружной стены
Исходные данные:
Тип работ: новое строительство;
Время строительства: с 1 января 2016 г.;
Тип здания: Жилое;
Тип конструкции:
Наружная стена;
Температура внутреннего воздуха: 21,0 °C;
Место проектирования: Российская Федерация,
Вологодская область,
Средняя температура наиболее холодной пятидневки,
обеспеченностью 0.92: -32,0
°C
Средняя температура отопительного периода (tоп) -4,1 °C
Продолжительность отопительного периода (Zоп) 231 сут.
Градусо-сутки отопительного периода (ГСОП) 5798,10
°C*сут.
Данные по слоям:
Слой №1:штукатурка
расчетный коэффициент теплопроводности 0,930
толщина слоя: 20 мм
Слой №2:кирпичная кладка
расчетный коэффициент теплопроводности 0,810
толщина слоя: 380 мм
Слой №3: утеплитель ROCKWOOL КАВИТИ БАТТС
(РАСЧЕТНЫЙ СЛОЙ)
расчетный коэффициент теплопроводности 0,044
толщина слоя 118 мм
принимаем 120 мм
Слой №4:кладка из облицовочного силикатного кирпича
расчетный коэффициент теплопроводности 0,870
толщина слоя: 120 мм
Расчетное сопротивление конструкции (Ro): 3,43 м2*°C/Bт
Требуемое сопротивление исходя из
санитарно-гигиенических условий (Ro_тр): 1,52 м2*°C/Bт
Требуемое сопротивление исходя из
условий энергосбережения (Ro_тр): 3,43 м2*°C/Bт
1.4.2 Теплотехнический расчет тамбура
Исходные данные:
Тип работ: новое строительство
Тип здания: Жилое;
Тип конструкции: Наружная стена;
Температура внутреннего воздуха: 20.0 °C;
Место проектирования: Российская Федерация,
Вологодская область,
Вологда
Средняя температура наиболее
холодной пятидневки, обеспеченностью 0.92: -31.0 °C
Средняя температура отопительного периода (tоп) -4.8 °C
Продолжительность отопительного периода (Zоп) 228 сут.
Градусо-сутки отопительного периода (ГСОП) 5654.40
°C*сут.
Данные по слоям:
Слой №1: Штукатурка по сетке
расчетный коэффициент теплопроводности 0.150
толщина слоя: 20 мм
Слой №2:Утеплитель - полужесткие минераловатные плиты
(РАСЧЕТНЫЙ СЛОЙ)
расчетный коэффициент теплопроводности 0.09
толщина слоя: 50 мм
Слой №3:Перегородка из кирпича КР 75/1800/25
расчетный коэффициент теплопроводности 0.870
толщина слоя: 120 мм
Расчетное сопротивление конструкции (Ro): 1.97 м2*°C/Bт
Требуемое сопротивление исходя из
санитарно-гигиенических условий (Ro_тр): 1.47 м2*°C/Bт
Требуемое сопротивление исходя из
условий энергосбережения (Ro_тр): 1.97 м2*°C/Bт
.4.3 Теплотехнический расчет чердачного покрытия
Исходные данные:
Тип работ: новое строительство;
Время строительства: 2016 г.;
Тип здания: Жилое;
Тип конструкции:
Перекр. чердачное (с кровлей из рулонных материалов);
Температура внутреннего воздуха: 21,0 °C;
Место проектирования: Российская Федерация,
Вологодская область,
Вологда
Средняя температура наиболее
холодной пятидневки, обеспеченностью 0.92: -32,0 °C
Средняя температура отопительного периода (tоп) -4,1 °C
Продолжительность отопительного периода (Zоп) 231 сут.
Градусо-сутки отопительного периода (ГСОП) 5798,10
°C*сут.
Данные по слоям:
Слой №1: ж/б плита перекрытия
расчетный коэффициент теплопроводности 2,040
толщина слоя: 110 мм
Слой №2: пароизоляция, рубероид
расчетный коэффициент теплопроводности 0,170
толщина слоя: 5 мм
Слой №3: утеплитель Rockwool
(РАСЧЕТНЫЙ СЛОЙ)
расчетный коэффициент теплопроводности 0,040
толщина слоя: 180 мм
Слой №4: цементно-песчаная стяжка
расчетный коэффициент теплопроводности 0,930:
толщина слоя: 40 мм
Расчетное сопротивление конструкции (Ro): 4,51 м2*°C/Bт
Требуемое сопротивление исходя из
санитарно-гигиенических условий (Ro_тр): 1,83 м2*°C/Bт
Требуемое сопротивление исходя из
условий энергосбережения (Ro_тр): 4,51 м2*°C/Bт
.5 Генплан
Проектируемый дом расположен на улице Ленинградская в г. Вологда. Въезд
на участок предусмотрен по ул.Ленинградская по асфальта-бетонному проезду. На
участке располагаются: детские площадки, площадка для отдыха, площадка для игр
детей дошкольного возраста, гостевые автостоянки для помещений общественного
назначения и жилого дома, , площадка для чистки спецодежды и площадка для
мусорных контейнеров.
Для сбора бытовых отходов предусмотрена площадка для установки
мусоросборных контейнеров. Контейнеры расположены на ж/б плите ПД1-6
сер.3.503.-17. , площадка ограждена ж/б забором высотой 1.5м. Вывоз и
утилизация мусора производится спецавтотранспортом на полигон на договорной
основе.
Вертикальная планировка решена на основе топосъемки, выполненной ООО
«Землемер».
Отвод поверхностных дождевых вод осуществляется по асфальто- бетонным
дорогам и тротуарам в пониженные места естественного рельефа и в ливневую
канализацию.
Плодородный почвенно-растительный слой грунта срезается и вывозится для
дальнейшего использования.
Проектом предусмотрены следующие конструкции покрытия проездов, тротуаров
и площадок: асфальтобетон - для автомобильных проездов и пешеходных тротуаров,
гравийно-песчаные и плиточные покрытия площадок отдыха и хозяйственных.
Детские, хозяйственные, спортивные и площадки отдыха оборудуются малыми
формами архитектуры. Свободная от застройки территория озеленяется путем
посадки отдельных деревьев, кустарников, посевом.
2. РАСЧЕТНО-КОНСТРУКТИВНЫЙ РАЗДЕЛ
.1 Расчёт фундамента по 3-м сечениям
.1.1 Сбор
нагрузки на фундамент.
Сбор нагрузок
производим в табличной форме.
Таблица 2.1 - Сбор нагрузки перекрытие 1-го этажа, Кн/м2
|
Наименование нагрузки
|
Нормативное значение
|
γf
|
γn
|
Расчетное значение
|
|
1
|
2
|
3
|
4
|
5
|
|
Постоянная нагрузка 1.
Конструкция пола: коммерческий линолеум t = 0,003м
|
0,054
|
1,2
|
1,0
|
0,062
|
|
поризованная
цементно-песчаная стяжка t = 0,05м,
|
0,60
|
1,3
|
1,0
|
0,741
|
|
- гидроизоляция-1 слой
рубероида t = 0,007 м
|
0,042
|
1,2
|
1,0
|
0,048
|
|
- гравий керамзитовый t =
0,1 м
|
0,6
|
1,2
|
1,0
|
0,741
|
|
железобетонная плита t = 0,13
м
|
3,25
|
1,1
|
1,0
|
3,396
|
|
2. Нагрузка от перегородок
|
2,43
|
1,1
|
1,0
|
2,54
|
|
Итого постоянной нагрузки:
|
6,976
|
|
|
7,414
|
|
Временная нагрузка 1. От
людей и оборудования
|
1,5
|
1,3
|
1,0
|
1,853
|
|
Итого:
|
8,476
|
Таблица 2.2 - Сбор нагрузок на междуэтажное перекрытие, кН/м2
|
Наименование нагрузки
|
Нормативное значение
|
γf
|
γn
|
Расчетное значение
|
|
1
|
2
|
3
|
4
|
5
|
|
Постоянная нагрузка 1.
Конструкция пола: линолеум на тканевой основе ,
|
0,11
|
1,2
|
1,0
|
0,125
|
|
поризованная стяжка из
легкого бетона В7.5 ,
|
0,6
|
1,3
|
1,0
|
0,741
|
|
прокладка звукоизоляционная
,
|
0,006
|
1,2
|
1,0
|
0,007
|
|
железобетонная плита ,
|
3,25
|
1,1
|
1,0
|
3,396
|
|
2. Нагрузка от перегородок
|
2,43
|
1,1
|
1,0
|
2,54
|
|
Итого постоянной нагрузки:
|
5,856
|
|
|
6,809
|
|
2. Временная нагрузка От
людей и оборудования
|
1,5
|
1,3
|
1,0
|
1,853
|
|
Итого:
|
7,356
|
|
|
8,662
|
Таблица 2.3 - Сбор нагрузки на покрытие, кН/м2
|
Наименование нагрузки
|
Нормативное значение
|
γf
|
γn
|
Расчетное значение
|
|
1
|
2
|
3
|
4
|
5
|
|
1. Постоянная нагрузка
кровельный ковер «Техноэласт ТКП» ,
|
0,168
|
1,2
|
1,0
|
0,1
|
|
армированная
цементно-песчаная стяжка ,
|
0,54
|
1,3
|
1,0
|
0,67
|
|
- гравий керамзитовый по
уклону ,
|
1,08
|
1,2
|
1,0
|
1,23
|
|
- утеплитель -
Пенополистирол ПСБ-С-50 ,
|
1.0
|
1,2
|
1,0
|
1.14
|
|
- пароизоляция - 1 слой
рубероида РПП-350 на горячей битумной мастике ,
|
0,042
|
1,2
|
1,0
|
0,048
|
|
- плита покрытия ,
|
3,25
|
1,1
|
1,0
|
3,396
|
|
Итого постоянной нагрузки:
|
5,38
|
|
|
5,878
|
|
2. Временная нагрузка
Снеговая
|
1,596
|
1,4
|
1,0
|
2.28
|
|
Итого:
|
7,06
|
|
|
8,278
|
.1.2 Сбор
нагрузки по сечениям
а) сечение а-а (наружная несущая стена по оси А)
Постоянная нагрузка на покрытие и перекрытия
,
где g - вся постоянная нагрузка,
b -
ширина грузовой площади,
n -
число междуэтажных перекрытий.
кН/м
Временная нагрузка на покрытие и перекрытия
,
где p - вся временная нагрузка,
кН/м
Нагрузка от кирпичной стены
,
где Нст = 31,615 м -высота всей стены,
δ - толщина кирпичной кладки,
где Аост - площадь остекления, м2,
А - площадь участка стены, м2
кН/м
Нагрузка от утеплителя наружной стены
кН/м
Нагрузка от фундаментных блоков
,
где δф = 0,7м - толщина блоков,
Нф = 2,4 м - высота стеновых блоков,
кН/м
Нагрузка от ростверка
кН/м
Общая нагрузка по сечению а-а будет равна
кН/м
б) сечение б-б (наружная самонесущая стена по оси 1)
Постоянная нагрузка на покрытие
кН/м
Временная нагрузка на покрытие
кН/м
Нагрузка от кирпичной стены
,
кН/м
Нагрузка от утеплителя наружной стены
кН/м
Нагрузка от фундаментных блоков
,
кН/м
Нагрузка от ростверка
кН/м
Общая нагрузка по сечению b-b будет равна
кН/м
в) сечение 3-3 (внутренняя несущая стена)
Постоянная нагрузка на покрытие и перекрытия
,
кН/м
Временная нагрузка на покрытие и перекрытия
,
кН/м
Нагрузка от кирпичной стены
,
кН/м
Нагрузка от фундаментных блоков
,
кН/м
Нагрузка от ростверка
кН/м
Общая нагрузка по сечению 3-3 будет равна
кН/м
2.1.3 Расчет сваи по несущей способности
Рассчитываем самое нагруженное нагруженное сечение 1-1.
Железобетонная свая С 80.35-9У (сер. 1.011-10в.1) сечением 350*350, L=8м.
Площадь поперечного сечения сваи А=0,35*0,35=0,13м2, периметр поперечного
сечения u= 4*0,3=1,4 м.
Острия свай располагаются в слое: суглинок полутвердый мореный.
Расчетная глубина погружения нижнего конца сваи от поверхности грунта
12,65 м.
По таблице для этой глубины находим расчетное сопротивление грунта в
плоскости нижнего конца сваи R=1000
кПа.
Далее определяем среднюю глубину расположения слоев грунта от дневной
поверхности и соответствующее значение расчетного сопротивления грунта на
боковой поверхности сваи по таблице.
слой: f1=5,96 тс/м2 = 59,6 кН/м2,
слой: f2=6,20 тс/м2 = 62 кН/м2 ,
слой: f3=6,8 тс/м2= 68 кН/м2,
слой: f4=6,9 тс/м2 = 69 кН/м2.
Несущая способность:
тс
Расчетная нагрузка на сваю равна
тс
Число свай
Расстояние между сваями:
Принимаю минимальное расстояние между сваями 0,9 м.
Найду толщину ростверка из условия на продавливание
,
где b=0,35 м - ширина или диаметр сваи,
N -
усилие приходящееся на одну сваю,
Rbt -
расчетное сопротивление бетона осевому растяжению (В15),
м
Высота ростверка принята 0,5 м, что больше полученной в результате
расчета на продавливание, то в дальнейшем расчет ростверка не производим.
Рисунок 2.1,Схема расположения свай
Нагрузка, воспринимаемая сваями 103,57/0,9=115,08 тс =1150,8 кН/м
Определяем осадку фундамента по формуле:
где п - погонная нагрузка на свайный фундамент, кН/м (кгс/см), с учетом
веса фундамента в виде массива грунта со сваями, ограниченного: сверху -
поверхностью планировки; с боков - вертикальными плоскостями, проходящими по
наружным граням крайних рядов свай; снизу - плоскостью, проходящей через нижние
концы свай;
Е, v - значения модуля деформации, кПа
(кгс/см2), и коэффициента Пуассона грунта в пределах сжимаемой
толщи, определяемые для указанного выше фундамента.
d0 -
коэффициент, принимаемый по номограмме в зависимости от коэффициента Пуассона
v, приведенной ширины фундамента
(где b - ширина фундамента, принимаемая по наружным граням крайних
рядов свай:
2.1.4 Расчетный (проектный) отказ сваи.
Определяю выбор типа молота для забивки свай. Минимальная энергия удара
молота определяется по формуле:
где N = 781,31 - расчетная нагрузка,
передаваемая на сваю, кН,
кДж
Принятый тип молота с расчетной энергией Еd→Eh,
должен удовлетворять условию
,
где к = 0,6 - коэффициент применимости,
m1 =
10,1 т -масса молота,
m2 =
2,5+0,3=2,8 т - масса сваи с наголовником,
m3 =
0,1 т - масса подбабка,
Ed =
76 кДж - энергия удара молота
кДж
кДж
Значение необходимой энергии молота Eh, кДж, обеспечивающей погружение свай до проектной отметки
без дополнительных мероприятий следут определять по формуле:
,
где Fi - несущая способность сваи в
пределах i-го слоя грунта, кН,
Hi -
толщина i-го слоя грунта, кН,
Bt -
число ударов молота, необходимое для погружения сваи, принимаемое обычно равным
не более 500 ударов,
n =
5,5,
m2 -
масса сваи, т,
m4 -
масса ударной части молота
кДж
условие не выполняется.
Значение контрольного остаточного отказа
,
где η = 1500 кН/ м2,
- площадь поперечного сечения сваи,
- принимаем по табл.3,
где G = 50 кН - вес ударной части молота,
Н = 2,5 м - фактическая высота падения ударной части дизель-молота,
- расчетная энергия удара молота,
m1=
10,1т - масса молота,
m2 =
2,5+0,3=2,8 т - масса сваи с наголовником,
m3 =
0,1 т - подбабка,
ξ2 = 0,2 - коэффициент восстановления удара,
Fd =
1013,2 кН - несущая способность сваи.
3. ТЕХНОЛОГИЧЕСКИЙ РАЗДЕЛ
Технологическая карта на монтаж
фундаментных блоков и плит перекрытия техэтажа
.1 Область применения
Данная технологическая карта применяется при монтаже фундаментных блоков
и плит перекрытия техэтажа.
.2 Указания к производству работ
В графической части разработана технологическая схема
на монтаж фундаментов многоэтажного жилого дома в г. Вологде. До начала работ
по монтажу фундаментов на захватке должны быть завершены работы по забивке свай
и устройству ростверка.
3.3 Организация и технология строительного процесса
) Монтаж фундаментных блоков.
Монтаж сборных фундаментов ведется в следующей
последовательности:
разметка осей фундаментов, разбивка углов и мест
сопряжений;
установка угловых и маячных блоков, инструментальная
выверка положения маячных блоков в плане и по высоте;
разметка мест положения каждого рядового блока;
укладка блоков по визиру.
Установку блоков стен следует выполнять с перевязкой.
Рядовые блоки следует устанавливать ориентируя вниз по обрезу блоков нижнего
ряда, вверх - по разбивочной сети. Блоки наружных стен, устанавливаемые ниже
уровня грунта, необходимо выравнивать по внутренней грани, а выше - по
наружной.
Кладку стен из бетонных блоков следует выполнять с
соблюдением следующих требований:
горизонтальные и вертикальные швы и пазы между блоками
заполнять раствором на всю толщину стены и высоту паза;
установку блоков фундаментов производить начиная с
установки маячных блоков в углах зданий и на пересечении осей. Маячные блоки
устанавливают, совмещая их осевые риски с рисками разбивочных осей по двум
взаимоперпендикулярным направлениям.
Борозды, ниши, отверстия должны выполняться в процессе
монтажа конструкций.
) Монтаж плит перекрытий.
До начала монтажа плит перекрытия необходимо:
закончить монтаж всех элементов наружных и внутренних
стен в пределах делянки (2-х несущих стен) или захватки;
провести проверку нивелиром положения верхних опорных
поверхностей стен, которые должны находиться на одной плоскости;
при нивелировании опорных поверхностей наносят отметки
среднего монтажного горизонта на рейки, установленные по периметру здания,
через каждые 5-6 м. При этом исходят из того, что растворные швы должны быть
наименьшей толщины. Натягивают причальный шнур и по нему расстилают растворную
постель под монтируемые плиты таким образом, чтобы поверхность постели была на
2-3 мм выше шнура;
Монтаж плит перекрытия начинается с укладки раствора
на опорную поверхность (постель под плиту) и монтажа первой плиты с лестниц -
стремянок. Монтаж последующих плит осуществляется с ранее смонтированных.
Поданную краном плиту разворачивают и направляют при
опускании в проектное положение. Небольшую передвижку плит монтажники делают
ломиками до снятия строп. Перемещать плиты в направлении, перпендикулярном
стенам недопустимо. Поэтому, прежде чем опустить плиту на растворную постель,
необходимо точно навести ее, чтобы получить опорную площадку требуемой
величины. После укладки каждой плиты проверяют горизонтальность потолка
визированием по его плоскости, а при необходимости и правилом.
Если обнаруживается, что плоскость монтируемой плиты
не совпадает со смежной, ранее установленной, то плиту поднимают краном,
исправляют растворную постель и устанавливают заново. Плиты перекрытия после
выверки закрепляют в соответствии с указаниями в проекте.
Стыки между плитами перекрытия заделывают раствором по
проекту вслед за монтажом перекрытия.
После монтажа плит перекрытия производится
инструментальная проверка монтажного горизонта.
Лестничные площадки, марши и плиты входных площадок
монтируются по окончании монтажа плит перекрытия в пределах одной захватки.
При монтаже лестничных площадок правильность их
установки по высоте контролируется по рискам, а горизонтальность, устанавливая
рейку с уровнем в двух взаимно перпендикулярных направлениях. Возможные
отклонения устраняют, изменяя толщину растворной постели и заново укладывая
площадку. Отклонения от проектного положения смонтированных фундаментов не
должны превышать величин, приведенных в таблице:
Таблица 3.1 - Перечень технологических процессов,
подлежащих контролю
|
Наименование
технологических процессов, подлежащих контролю
|
Предмет контроля
|
Способ контроля и
инструмент
|
Время проведения контроля
|
Ответствен-ный за контроль
|
Технические характерис-тики
оценки качества
|
|
1. Монтаж элементов
покрытия
|
Опирание концов элемента
|
Измерительный, нивелир с
рейкой, рулетка
|
|
|
Отклонение от
симметричности при установке элементов в направлении перекрывае-мого пролета
при длине свыше 4-8 м не более 6 мм
|
|
2. Замоноличи-вание стыков
|
Горизонталь-ность
поверхности стыкуемых элементов
|
Измеритель-ный, теодолит,
нивелир с рейкой, уровень жидкостный
|
|
|
Разность отметок лицевых
поверхностей двух смежных непреднапря-женных плит перекрытий в шве при длине
плит: св. 4 м до 8 м -10 мм, до 4 м- 8
мм
|
Таблица 3.2 - Допускаемые отклонения при производстве
монтажных работ
|
Параметр
|
Предельное отклонение, мм
|
Контроль (метод, вид
регистрации, объём)
|
|
1Отклонение от совмещения
установочных ориентиров фундаментных блоков с рисками разбивочных осей
|
12
|
Измерительный, каждый
элемент, исполнительная геодезическая схема
|
|
2 Разность отметок лицевых поверхностей двух смежных
не преднапряженных плит перекрытий в шве при длине плит: св. 4м до 8м до 4м
|
10 8
|
Измерительный, каждый
элемент, журнал работ
|
|
3 Отклонение от совмещения ориентиров (рисок
геометрических осей, граней) в нижнем сечении установленных элементов с
установочными ориентирами (рисками геометрических осей или гранями
нижележащих элементов, рисками разбивочных осей): - ригелей, прогонов, балок,
подкрановых балок, подстропильных ферм, стропильных балок и ферм
|
8
|
Измерительный, каждый
элемент, журнал работ
|
|
4. Отклонение от совмещения ориентиров (рисок
геометрических осей, граней) в верхнем сечении установленных элементов
(ригелей, прогонов, балок, подстропильных ферм, стропильных ферм и балок) на
опоре с установочными ориентирами (рисками геометрических осей или граней
нижестоящих элементов, рисками разбивочных осей) при высоте элемента на опоре,
м:- до 1
|
6
|
Измерительный, каждый
элемент, журнал работ
|
|
5. Отклонение от симметричности (половина разности
глубины опирания концов элемента) при установке ригелей, прогонов, балок,
подкрановых балок, подстропильных ферм, стропильных ферм (балок), плит покрытий
и перекрытий в направлении перекрываемого пролета при длине, м: - св.4 до 8
|
6
|
Измерительный, каждый
элемент, журнал работ
|
Таблица 3.3 - Требования, предъявляемые к законченным
бетонным и железобетонным конструкциям или частям сооружений
|
Параметр
|
Предельные отклонения
|
Контроль (метод, объем, вид
регистрации)
|
|
1
|
2
|
3
|
|
Отклонение линий плоскостей
пересечения от вертикали или проектного наклона на всю высоту конструкций
для:фундамент 1
|
20мм 2
|
Измерительный, каждый
конструктивный элемент, журнал работ 3
|
|
Отклонение горизонтальных
плоскостей на всю длину выверяемого участка
|
20 мм
|
Измерительный, не менее 5
измерений на каждые 50-100 м, журнал работ
|
|
Местные неровности
поверхности бетона при проверке двухметровой рейкой, кроме опорных
поверхностей
|
5 мм
|
То же
|
|
Длина или пролет элементов
|
±20 мм
|
Измерительный, каждый
элемент, журнал работ
|
|
Размер поперечного сечения
элементов
|
+6 мм; -3 мм
|
То же
|
|
Разница отметок по высоте
на стыке двух смежных поверхностей
|
3 мм
|
Измерительный, каждый стык,
исполнительная схема
|
Производство работ выполнять с соблюдением требований
техники безопасности, изложенных в нормативных документах ( пункт 6.6)
.4 Определение объемов работ и калькуляция трудозатрат
На основании данных проекта, определяем количество монтажных элементов,
их массу и размеры по спецификациям или каталогам типовых конструкций или
справочным данным.
Сводная ведомость объемов работ будет являться исходным документом для
составления калькуляции трудовых затрат и выбора монтажных машин.
Таблица 3.4 - Калькуляция трудовых затрат и заработной платы на монтажные
работы
|
Наименование работ
|
ЕниР
|
Ед. изм.
|
Кол-во
|
Норма времени, чел.-час
|
Расценка, руб.
|
Трудоем-кость чел.-час
|
Стои-мость, руб.
|
Состав рекомендуемого звена
|
|
1. Монтаж плит -до 5м2
для монтажника для машиниста
|
стр. 2
|
|
87
|
0.56 0.14
|
0.396 0.148
|
|
Монтажник конструкций 4р-1
3р-2 2р-1, машинист крана 6р-1
|
|
-до 10м2 для
монтажника для машиниста
|
стр. 3
|
|
28
|
0.72 0.18
|
0.509 0.191
|
20.16 5.04
|
|
|
|
2. Монтаж фундаментных
блоков - до 1т для монтажника для машиниста
|
Е4-1-3 табл. 3 стр.1
|
1 эле-мент
|
251
|
0.56
0.14
|
0.426
0.148
|
255.68 56.42
|
|
|
|
- до 2т для монтажника для
машиниста
|
стр.2
|
|
248
|
0.72
0.18
|
0.547 0.191
|
95.76 23.94
|
|
Монтажник конструкций 5р-1
4р-1 3р-2 2р-1, 9 машинист крана 6р-1 Гидроизоли-ровщик 4р-1 3р-1 2р-1
|
|
3. Вертикальная гидроизоляция
|
Е11-40 табл.1 стр.5
|
100 м2
|
1.27
|
11.5
|
8.17
|
14.6
|
|
|
|
1
|
2
|
3
|
4
|
5
|
6
|
7
|
8
|
|
|
4. Горизонтальная гидроизоляция
|
Е11-40 табл.1 стр.1
|
100 м2
|
0.47
|
10.5
|
7.46
|
4.9
|
|
|
|
5. Армирование кладки цоколя
|
Е4-1-44 табл.2
|
1 эле-мент
|
107
|
0.17
|
0.112
|
18.2
|
|
|
|
6. Замоноличи-вание отверстий
|
Е4-1-31
|
1м3
|
20.3
|
1.5
|
1.07
|
30.5
|
|
|
|
7. Кладка цоколя
|
Е3-3 табл.3 стр.7
|
1м3
|
105.3
|
2.9
|
2.16
|
305.37
|
|
Арматурщик 3р-1 2р-1
|
|
8. Заливка швов
|
Е4-1-26 стр.3
|
100 м
|
3.79
|
4
|
2.48
|
15.16
|
|
Бетонщик 4р-1 2р-1
|
|
|
|
|
|
|
|
|
Каменщик 4р-1 3р-1
|
3.5 Выбор монтажного крана
Вылет крюка крана определяем, используя разрез ( рисунок 3.1)
,
где: a - конструктивный размер,
определяемый строительными чертежами и схемой производства работ, a = 15,15 м
b -
размер, принимаемый равным 1 м.
c -
размер, определяемый по таблице 3, принимается равным c = 2м
d -
конструктивный размер конкретного крана, предварительно задаёмся величиной 2
м.,
Рисунок 3.1, К определению вылета крюка
Принимаем кран РДК-25 вылет стрелы 20,3м+5 м.
Таблица 3.5 - Техническая характеристика крана РДК - 25
|
Наименование
|
Ед. изм.
|
Количество
|
|
Длина стрелы
|
м
|
20,3+5 (гусек)
|
|
Грузоподъемность - при
наименьшем вылете - при наибольшем вылете
|
т
|
1,7/1,1 20,0/5,0
|
|
Вылет крюка -наименьший
-наибольший
|
м
|
18,3/23,75
4,45-5,05/9,3-14,35
|
|
Высота подъема крюка - при
наименьшем вылете - при наибольшем вылете
|
м
|
20,15/23,46 11,94/10,98
|
|
Габаритные размеры - длина
гусеничного хода - ширина - высота
|
м
|
4,8 3,25 4,3
|
|
Масса крана
|
т
|
46,4
|
|
Радиус, описываемый хвостовой
частью
|
м
|
3,9
|
|
Преодолеваемый краном уклон
|
град
|
15
|
|
Дорожный просвет
|
мм
|
450
|
|
В числителе приведены
значения для основного подъема, в знаменателе - для вспомогательного.
Характеристику уточнить по паспорту крана.
|
Инвентарно-расчётная стоимость - 51 тыс. руб.
Единовременные затраты - 983 руб.
Текущие эксплуатационные затраты на машино-час - 5,1 руб.
Для данного крана подбираем стропы с разъемной подвеской :
) двухветвевые ОМ.01.05.004 массой 27,32 кг. Дина ветвей строповки - 4м.
) четырехветвевые 035-3000 массой 47 кг. Дина ветвей строповки - 5м.
Максимальная грузоподъемность крана:
Для установки плиты перекрытия определяем высоту подъёма крюка
,
где:
- превышение обреза фундамента относительно уровня стоянки
крана,
- безопасный зазор,
- высота элемента, принимаем 0,22 м.
- высота строповки,
.6 Продолжительность монтажных работ
Принятое звено: монтажники 5 разр.-1
разр.-1
разр.-2
2 разр.-1
) Монтаж фундаментных блоков
чел/ч
смены
) Монтаж элементов перекрытия
чел/ч
смены
3) Гидроизоляция фундаментов
чел/ч
смена
4) Армирование
чел/ч
смены
5) Замоноличивание отверстий
чел/ч
смены
6) Кладка цоколя
Принимаем звено из 4 каменщиков: 5 разр.-1
разр.-1
чел/ч
смены
7) Заливка швов
чел/ч
смена
3.7 Техника безопасности при монтажных работах
Мероприятия безопасности при работе крана вблизи
существующих зданий.
До начала производства работ вблизи эксплуатируемого
здания генеральный подрядчик и администрация здания, обязаны разработать план
мероприятий, обеспечивающий безопасные условия работы, обязательные для всех
организаций и лиц на данной территории, а также оформить акт-допуск по форме
приложения «В» СНиП 12-03-2001. Ответственность за соблюдение мероприятий,
предусмотренных актом-допуском, несут руководители строительной организации и
эксплуатируемого здания.
При производстве строительно-монтажных работ в
непосредственной близости от эксплуатируемых частей зданий или попадающих в
опасную зону производства работ необходимо соблюдать следующие требования:
организовать вход в эксплуатируемую часть здания за
пределами опасной зоны;
закрыть оконные проемы со стороны работы монтажного
крана глухими щитами., снять с внутренней стороны примыкающей стены все
навесные предметы (полки, шкафы и т.п.);
выставить знаки безопасности, ограничивающие работу
крана (поворотом и изменением вылета стрелы крана), работу в данной зоне
выполнять в соответствии с «Мероприятиями при работе крана с ограничением»;
при производстве работ краном пронос груза над
существующими зданиями категорически запрещен;
обеспечить на время производства работ на захватке
отсутствие людей в опасной зоне эксплуатируемой части здания (отражается в
акте-допуске);
ознакомить под роспись с данными мероприятиями
крановщика, стропальщика и так далее.
перемещение грузов на участках, расположенных на
расстоянии менее 7 м от границы опасных зон, следует осуществлять с применением
предохранительных или страховочных устройств, предотвращающих падение груза.
Допускается производство СМР без защитных мероприятий
при соблюдении следующих условий, отражаемых в акте-допуске:
разграничение по времени и зонам (захватки и так
далее.) производства СМР и пребывания людей в существующем здании или его
отдельных частях с составлением разграничительного акта, подписанного
администрацией эксплуатируемого здания и строительной организации;
назначение администрацией эксплуатируемого здания
приказом лица, ответственного за выполнение условий безопасности;
устройство ограждений опасной зоны внутри
эксплуатируемого здания или запирания на замки с опечатыванием входов
помещения, попадающие в опасную зону.
При монтаже вне поля видимости машиниста крана между
ним и монтажниками, находящимися на рабочих местах должны быть назначены
сигнальщики.
Мероприятия по работе крана с ограничением поворота и
вылета стрелы крана.
. До начала работы на стройгенплане, где показана
установка грузоподъемных механизмов и даныуказания по их работе должны
расписаться лица, указанные в штампе.
. Ограничения зоны обслуживания крана (поворотом,
передвижением, изменением вылета крюка) производится путем установки знаковбезопасности,
предупреждающих и запрещающих перенос грузов ( по ГОСТ 124.025-75 знаки №1,2) и
концевых выключателей соответствующего механизма (в необходимых случаях).
. При любых ограничениях зоны обслуживания крана
машинист (крановщик) обязан остановить груз, не доходя полного метра до
предупредительногознака, далее до места установки груза перемещатьего
поворотными короткими включениями(подводить на пониженной скорости). При
ограничении рабочих движений крана, скорость перемещения грузов при их приближении
к границе рабочей зоны на расстояние не менее 7 м и дальнейшем
транспортировании должна быть снижена до минимальной
Зоны приближения должны быть обозначены на местности.
Рабочие движения крана должны быть ограничены таким
образом, чтобы перемещаемый ими груз не выходил за контуры здания и не
поднимался выше минимально допустимой величины над конструкциями здания,
установленными в проектном положении.
. Знаки безопасности на стенах здания, на перекрытиях
и на подставках высотой 2500 мм от уровня земли.
. Категорически запрещается присутствие людей в зоне
перемещения груза с площадки складирования к месту монтажа, с разгрузочной
площадки на промежуточную площадку складирования и так далее.
Подъем груза с автотранспорта и площадки складирования
осуществлять на высоту не более:
-х метров, далее на проектную отметку груз поднимать в
пределах крановой проходки.
При работе в стесненных условиях руководить
производством работ и подавать сигнал должен мастер или производитель работ.
Мероприятия по совместной работе нескольких механизмов
при строительстве подземной части жилого дома: экскаватора, сваебойного
агрегата и крана на гусеничном ходу РДК-25.
Совместная работа всех механизмов, занятых на
строительстве дома, регламентируется захватками, с ограничением поворота и
вылета стрел механизмов, а также работой в разные смены.
Для удобства производства работ дом в плане делится на
захватки. Каждая секция в доме соответствует одной захватке. Магазин строится
краном по окончанию устройства фундаментов под дом (5 захватка).
Работа крана, сваебойного агрегата и экскаватора
допускаются только за пределами опасной зоны работающих механизмов, которая
составляет для: экскаватора ЭО-3322- 13м; для сваебойного агрегата СП-49- 15м;
крана РДК-25 на подаче бетонной смеси 30 м, на монтаже плит перекрытий 32 м
(при рабочем вылете 17м).
При совместной работе всех механизмов необходимо
соблюдать следующие мероприятия по безопасной работе:
до начала производства работ необходимо ознакомить под
роспись с данными «Мероприятиями» - лиц, ответственных за безопасное
перемещение грузов краном, крановщиков, стропальщиков и т.д. обеих организаций;
между крановщиками должна быть установлена радиосвязь
или при ее отсутствии выставлены сигнальщики;
работа механизмов при перекрещивающихся стрелах и рабочих
зонах - запрещается;
работа механизмов должна регламентироваться захватками
с ограничением поворота и
вылета стрел в сторону друг друга и с соблюдением
«Мероприятий при работе крана с ограничением поворота и вылета стрелы крана»;
в зонах работы механизмов должны быть выставлены знаки
безопасности и ограничения поворота и вылета стрел кранов; обозначена знаками
зона работ каждого из механизмов с учетом обеспечения пространства,
достаточного для обзора рабочих зон и маневрирования. С этой целью на границах
захваток (и на расстоянии 7 м приближения к ним) выставляются знаки ограничения
поворота и вылета стрел кранов, подводить груз на указанных участках нужно на
пониженной скорости;
одновременная работа механизмов допускается при
условии, когда расстояние между выступающими частями кранов с подвешенными на
их крюках грузами составляет не менее 5 м (1,5 длины самой длинной конструкции)
и при условии, что при повороте с грузом, любой из механизмов не может задеть
конструкции другого;
на площадке должны быть разработаны способы
взаимодействия и сигнализации машинистов и сигнальщиков, обслуживающих
механизмы, а также определены места их нахождения;
складирование конструкций и материалов должно
предусматривать полный набор конструкций и материалов в зоне действия каждого
крана.
При работе в стесненных условиях на открытой площадке
,на кране должны быть выставлены ограничители, препятствующие созданию
аварийных изменений вылета стрелы, при недопустимом уклоне, при превышении
паспортного грузового момента и так далее.
Таблица 3.6 -
Последовательность работы механизмов
|
Марка кранов
|
Одновременная работа
механизмов на позиции №
|
|
1
|
2
|
3
|
4
|
5
|
6
|
|
Экскаватор ЭО-3322
|
Захватка №1
|
Захватка №2
|
Захватка №3
|
Захватка №4
|
-
|
Доработка котлована под
магазин: захватки1-3
|
|
Сваебойный агрегат
|
-
|
Захватка №1
|
Захватка №2
|
Захватка №3
|
Захватка №4
|
-
|
|
Кран Рдк-25
|
-
|
-
|
Захватка №1
|
Захватка №2
|
Захватка №3
|
Захватка №4
|
Монтажные работы
При выполнении монтажных работ необходимо соблюдать
требования техники безопасности. Особенно заострить свое внимание на выполнении
двух действий:
для предотвращения от раскачивания удерживать
длинномерные конструкции необходимо оттяжками и баграми;
только после установки и закрепления элемента
конструкции в проектное положение осуществлять расстроповку .
Нахождение посторонних лиц не занятых в производстве
монтажных работ запрещено, а также выполнение работ не связанных с монтажом.
Запрещается выполнять работы, связанные с нахождением
людей на одном участке, над которым производится перемещение, установка и временное
закрепление элементов сборных конструкций.
Строповку и последующий монтаж сборных ж/б конструкций
осуществлять только за монтажные петли обуславливающие их правильную строповку
и монтаж.
Только после полной фиксации элементов разрешается
делать перерывы в работе.
При перемещении конструкций расстояние между ними и
другими выступающими конструкциями должно быть не менее 1 м по горизонтали и
0,5 м по вертикали.
Все условные сигналы между лицом руководящим монтажом
и крановщиком должны быть согласованы до начала производства монтажных работ.
Подача сигнала должна осуществлятся только одним
человеком (бригадиром монтажной бригады, звеньевым,
такелажником-стропальщиком), кроме сигнала «Стоп», который может быть подан
любым работником, заметившим явную опасность.
Необходимо соблюдать следующие требования при работе
монтажного крана:
для строповки предназначенного к подъему груза должны
применяться грузозахватные приспособления соответствующей грузоподъемности;
при подъеме груза, установленного вблизи стены или
штабеля предотвратить возможное защемление стропальщика, между поднимаемым
грузом и указанными частями здания или оборудованием должно быть расстояние не
менее 1 метра (это требование должно также выполняться при отпускании и
перемещении груза);
перемещая или поднимая груз необходимо убедится в
отсутствии людей под ним;
При работе грузоподъемной машины не допускается:
) вход на грузоподъемную машину во время ее движения;
) нахождение возле работающего крана во избежание
зажатия между поворотной частью и неповоротной;
) подъем и перемещение груза с находящимися на нем
людьми;
) подтаскивание груза по земле;
) выравнивание поднимаемого груза собственным весом, а
также поправка стропов на весу;
) работа при выведенных из действия или неисправных
приборах безопасности и тормозах;
) пронос груза над существующими строениями.
Работа кранов в охранной зоне ЛЭП.
В охранной зоне действующих линий электропередач все
строительно-монтажные работы с применением машин и крановых установок следует
производить только в присутствии непосредственного руководителя ответственного
за безопасность проиводства работ в охранной зоне ЛЭП, при наличии письменного
разрешения энергетической организации - владельца линии и наряда-допуска,
разрешающего производство безопасных условий работ и выдаваемого в соответствии
с ниже приведенными требованиями при выполнении следующих мер безопасности:
наряд-допуск выдается непосредственно руководителю
работ (мастеру, бригадиру), лицом уполномоченным приказом руководителя
организации. Перед началом работ руководитель работы обязан ознакомить
работников, под роспись с мероприятиями по безопасному производству работ и
оформить инструктаж с записью в наряде-допуске;
при выполнении работ в охранных зонах сооружений или
коммуникаций наряд-допуск может быть выдан при наличии письменного разрешения
организации - владельца этого сооружения или коммуникации;
наряд-допуск выдается на срок, необходимый для
выполнения заданного объема работ. В случае возникновения в процессе
производства работ опасных или вредных производственных факторов, не
предусмотренных нарядом допуском, работы следует прекратить, наряд-допуск
аннулировать и возобновить работы только после выдачи нового наряда-допуска.
Лицо, выдавшее наряд-допуск, обязано осуществлять
контроль за выполнением предусмотренных в нем мероприятий по обеспечению
безопасности производства работ.
При установке строительных машин и применение
транспортных средств с подниманием кузовов в охранной зоне, воздушной линии
электропередачи (на расстоянии не менее 30 м от ЛЭП) необходимо снять
напряжение с воздушной линии электропередачи.
Если снятие напряжения с сети линий электро передач
невозможно то работу строительных машин в охранной зоне ЛЭП разрешается
производить при условии выполнении следующих требований:
расстояние от подъемной или выдвижной части
строительной машины в любом ее положении до находящейся под напряжением
воздушной линии электропередачи должно быть не менее 2 м;
корпуса машин, за исключением машин на гусеничном
ходу, должны быть заземлены при помощи инвентарного переносного заземления.
Установка стрелового самоходного крана в охранной зоне
линии электропередачи на выносные опоры и отцепление стропов перед подъемом
стрелы должны осуществляться непосредственно машинистом крана без привлечения
стропальщиков.
.8 Технико-экономические показатели
. Трудоёмкость на основные процессы:
чел.ч
. Стоимость работ.
С = 1597,4 руб.
. Продолжительность работ
Определяется по календарному плану производства работ.
Т =11,3 см.
4. Выработка на 1 рабочего в смену
,
где
- общий объём работ;
- состав звена на данный вид работ;
- количество смен, необходимых на выполнение данного вида
работ.
. Уровень механизации
,
где:
- общий объём работ;
- объём механизированных работ.
.9 Потребность в ресурсах
Таблица 3.7 - Перечень технологической оснастки, инструмента, инвентаря и
приспособлений для монтажника сборных железобетонных и бетонных конструкций.
|
Наименование оснастки,
инструмента, инвентаря и приспособлений
|
Марка, ГОСТ, ТУ или
организация-разработчик
|
Техническая характеристика
|
Назначение
|
Количество на звено
(бригаду), шт.
|
|
1. Кельма
|
КБ 1, ГОСТ 9533-81
|
|
|
|
|
2. Молоток слесарный
|
Молоток 4850-0122, ГОСТ
2310-77Е
|
|
|
|
|
3. Щетка ручная из
проволоки
|
ОСТ 17-830-80
|
|
|
|
|
4. Конопатка стальная
|
К-50, ТУ 22-4301-82
|
|
|
|
|
5. Ключ гаечный разводной
|
Ключ 7813-0034, ГОСТ
7275-75
|
|
|
|
|
6. Зубило слесарное
|
Зубило 2810-0187, ГОСТ
7211-86Е
|
|
|
|
|
7. Оправка монтажника
|
ГОСТ 1405-83
|
|
|
|
|
8. Кисть-ручник
|
Кисть-ручник КР 25-1, ГОСТ
10597-80
|
|
|
|
|
9. Уровень строительный
|
Уровень УС4-1-11, ГОСТ
9416-83
|
|
|
|
|
10. Отвес строительный
|
Отвес ОТ600-1, ГОСТ 948-80
|
|
|
|
|
11. Рулетка измерительная
металлическая
|
Рулетка ЗПКЗ-20АУТ/1, ГОСТ
7502-80
|
|
|
|
|
12. Метр складной
металлический
|
ТУ 2-12-156-76
|
|
|
|
|
13. Шнур разметочный в
корпусе
|
ТУ 22-5076-81
|
|
|
|
Таблица 3.8 - Перечень технологической оснастки, инструмента, инвентаря и
приспособлений для монтажника стальных конструкций
|
Наименование оснастки,
инструмента, инвентаря и приспособлений
|
Марка, ГОСТ, ТУ или
организация-разработчик
|
Техническая характеристика
|
Назначение
|
Количество на звено
(бригаду), шт.
|
|
1
|
2
|
3
|
4
|
5
|
|
1.Оправка монтажная
|
ГОСТ 1405-83
|
|
|
|
|
2. Ключи гаечные с открытым
зевом двусторонние
|
Ключ 7811-0003 Ключ
7811-0021 Ключ 7811-0023 Ключ 7811-0025, ГОСТ 2839-80Е
|
|
|
|
|
3. Ключи торцовые со
сменными головками
|
ТУ 27-27-1571-81
|
|
|
|
|
4. Молоток слесарный
|
Молоток 7850-0122, ГОСТ
2310-77Е
|
|
|
|
Продолжение таблицы 3.8
|
1
|
2
|
3
|
4
|
5
|
|
5.Щетка ручная из проволоки
|
ОСТ 17-830-80
|
|
|
|
|
6. Кернер слесарный
|
Кернер 7843-0036, ГОСТ
7213-72
|
Чертилка 7840-1001, ГОСТ
24473-80Е
|
|
|
|
|
8. Зубило слесарное
|
Зубило 2810-0187, ГОСТ
7211-86Е
|
|
|
|
|
9. Напильник слесарный
круглый тупоносый
|
Напильник 2822-0060, ГОСТ
1465-80
|
|
|
|
|
10. Рамка ножовочная
|
Рамка 6920-0001, ГОСТ
17270-71*Е
|
|
|
|
|
11. Полотна ножовочные
|
ГОСТ 6645-86
|
|
|
|
|
12. Отвес строительный
|
Отвес ОТ 1000-1, ГОСТ
7948-80
|
|
|
|
|
13. Уровень строительный
|
Уровень УС4-1-11, ГОСТ
9416-83
|
|
|
|
|
14. Рулетка измерительная
металлическая
|
Рулетка ЗПКЗ-20АУТ/1, ГОСТ
7502-80
|
|
|
|
|
15. Шнур разметочный в
корпусе
|
ТУ 22-5076-81
|
|
|
|
|
16.Метр складной деревянный
|
РСТ 149-81
|
|
|
|
Таблица 3.9 - Перечень машин, механизмов и оборудования
|
Наименование машин,
механизмов и оборудования
|
Тип, марка
|
Техническая характеристика
|
Назначение
|
Количество на звено
(бригаду), шт.
|
|
1
|
2
|
3
|
4
|
5
|
|
1. Кран стреловой
гусеничный
|
РДК-25
|
|
Монтаж элементов
фундаментов
|
|
|
2. Теодолит
|
ТТ-1
|
|
Измерения
|
|
|
3. Нивелир с рейкой
|
НВ-1
|
|
Измерения
|
|
|
4.Рулетка металлическая
|
РС-20
|
|
Измерения
|
|
|
3.Метр складной
|
ТУ 2-12-1156-76
|
|
Измерения
|
|
|
4.Уровень жидкостный
|
|
|
Измерения
|
|
|
5. Комплект гаечных ключей
|
|
|
Монтаж опалубки
|
|
4.
ОРГАНИЗАЦИОННЫЙ РАЗДЕЛ
4.1 Общие
данные
Исходными материалами для составления ППР служат:
ранее утвержденный проект; в т.ч. ПОС, РД и сметы;
данные о поставке сборных конструкций, деталей, изделий и полуфабрикатов;
данные о поставке технологического, энергетического и другого
оборудования;
данные строительных и монтажных организаций о наличии парка машин и
механизмов, возможности его расширения и использования;
действующие нормативные документы: СНиПы, инструкции и указания по
производству и приемке строительных, специальных и монтажных работ, в т.ч. и по
охране труда в строительстве.
ППР состоит из трех основных видов технологических документов: графиков
(календарных планов), СГП и технологических карт.
Объемы работ в ППР определяют по РД, спецификациям и сметам, расчеты всех
видов ресурсов ведут по производственным нормам.
ППР на подготовительные работы выполняют в той же номенклатуре, что и для
основных работ, но в меньшем объеме.
Для объектов строящихся по типовым размерам, в состав РД входят основные
положения по производству СМР.
При строительстве комплекса зданий разрабатываются сводные поточные
графики на весь объем строительства.
4.1.1
Характеристика условий строительства
Район строительства - Вологодской обл,
Характер строительства - новое;
Существующая застройка - имеется;
Обеспечение потребности в квалифицированной рабочей силе компенсируют
кадровые рабочие строительного управления.
Своевременное обеспечение площадки строительства ж/б изделиями и
конструкциями производится заводом ЖБИ. Строительными машинами механизмами
строительство обеспечивается передвижной механизированной автоколонной.
4.1.2
Природно-климатические условия строительства
Температура наружного воздуха наиболее холодных суток - 37о С
Температура наружного воздуха наиболее холодной пятидневки - 320 С
Нормативное давление ветра для I ветрового района:23кгс/м2;
Вес снегового покрова для IV
снегового района:150кгс/м2;
Нормативная глубина промерзания грунтов: 1,6 м;
Рельеф местности - ровный
Средняя температура воздуха наиболее холодного периода -4,5 о С
продолжительность зимнего периода - 235 суток
В основании фундамента залегает суглинок, глубина промерзания грунта 1,5
м. Особые условия отсутствуют.
4.2 Описание
методов выполнения основных СМР с указаниями по технике безопасности
4.2.1
Подготовительный период
Процесс
строительства обьекта делится на два периода: подготовительный и основной.
Первый
подготовительный этап заключается в процессе подготовки строительной площадки.
Первоначально необходимо расчистить территорию строительства от;
деревьев, кустарников и насаждений, обеспечить снос строений неиспользуемых в
процессе строительства.
Выполнить необходимые геодезические работы (закрепление репера с
привязкой к существующим геодезическим сетям, закрепление на строительной
площадке обноски, разбивка основных осей, вынесение красных линий, вынесение.
Установка строительного городка с бытовками для рабочих, штабами
строительста для ИТР работников, а также помещения общескладского хозяйства.
Инженерная подготовка территории строительства - выравнивание участка
строительства, обеспечивающее направленную организацию ливневых вод, срезка
растительного слоя грунта со складированием в отвал для последующего
использования под озеленение территории, устройство внутриплощадочных дорог,
прокладка сетей, водоснабжения, энергоснабжения, канализации, теплоснабжения,
телефонной линии.
Временные площадки и проезды обеспечивающие песпрепятственный подъезд к
строй площадке, уплотненные щебнем с шириной дороги не менее 3,5 м.
Необходимую освещенность строительной площадки обеспечивают прожектора
установленные на специальных опорах и инвентарных мачтах.
Временное освещение выполняется в соответствии с ГОСТ 12.1.046-85.
Строительная площадка по периметру имеет временное ограждение
предотвращающее проникновение посторонних лиц на обьект.
Конструкции ограждения выполняются в соответствии требованиям ГОСТ
23407-78. Ограждения, граничащие с местами массового прохода людей, оборудованы
проходами со сплошным защитным козырьком.
При въезде на строительную площадку необходимо установить дорожные знаки
ограничения скорости движения автотранспорта и предупреждения о въезде и входе
в опасную зону. На выезде необходимо оборудовать место для мойки колес
автомобилей, во избежании выноса грунта на проезжую часть. Оградить опасную
зону сигнальными ограждениями, вывесить в соответствующих местах плакаты
«Осторожно. Работает кран», « Проход без каски запрещен», «Опасно! Возможно
падение груза».
На территории строительства необходимо оборудовать площадку для
складирования материалов и конструкций в соответствии с требованиями
технических условий и стандартов, поверхность площадки необходимо выровнять и
утрамбовать щебнем, создать запас подкладочного материала из древесины, а также
принять меры против самопроизвольного смещения и раскатывания материалов и
конструкций.
4.2.2
Основной период строительства
Основной период строительства делится на две стадии:
) устройство нулевого цикла;
) устройство надземной части здания.
Устройство нулевого цикла
Для выполнения работ нулевого цикла, здание разбито на две захватки. На
захватках производится отрывка котлованов. Для выполнения земляных работ
используется экскаватор ЭО-4321 с объемом ковша 0,65 m³, а также автокран для монтажа
фундаментов. Для забивки свай используется копровая установка КН-2-10. Для
обратной засыпки котлованов применяется бульдозер ДЗ-18 на базе трактора Т100.
Возведение надземной части здания
Для выполнения работ поточным методом, здание разбивается на две
захватки. Захваткой является этаж.
Возведение надземной части здания производится башенным краном КБ-103.
Для погрузочно-разгрузочных работ с автотранспорта и для монтажа кирпичных стен
используется этот же кран.
Для монтажа конструкций здания предусмотрено использование типовой
монтажной оснастки, позволяющей осуществлять подъем, временное крепление и
выверку элементов.
4.2.3
Земляные работы
Мероприятия
по безопасным условиям труда при производстве земляных работ.
До начала
работ определить места расположения инженерных сетей и коммуникаций с
эксплуатирующими организациями.
Обозначить
коммуникации флажками с надписями о виде коммуникации и глубине их заложения.
Земляные
работы в зоне действующих инженерных сетей производить только под руководством
прораба или мастера с обязательным вызовом представителя организации
эксплуатирующим данную сеть.
При обнаружении взрывоопасных материалов земляные работы в этих
местахследует немедленно прекратить до получения разрешения от соответствующих
органов.
Перед началом производства земляных работ на участках с возможным
патогенным заражением почвы (свалка, скотомогильники, кладбища и т.п.)
необходимо разрешение органов Государственного санитарного эпидемиологического
надзора.
В местах пересечения траншей с пешеходными дорожками устроить переходные
мостики, а также обеспечить надлежащим освещением переходные мостики через
траншеи в ночное время суток.
При отрывке траншеи или котлована, край отвала следует размещать на
расстоянии не менее полуметра от откоса выемки.
Валуны и камни, а также отслоения грунта, обнаруженные на откосах, должны
быть удалены.
Запрещается устраивать вертикальные откосы при рытье котлованов и траншей
глубиной более 1.5 м в суглинках и глинах, выше уровня грунтовых вод. При
глубине более 1.5 м необходимо устраивать наклонные откосы, либо закреплять
вертикальные распорками или методом замораживания в зимний период производства
земляных работ.
Работы в котлованах и траншеях должны быть приостановлены если откосы
подверглись увлажнению, последующее производство работ разрешается только после
обследования состояния грунта мастером, и обрушения, неустойчивого грунта в
местах, где обнаружены -"козырьки" или трещины (отслоения).
Только после полной проверки устойчивости откосов разрешается допуск рабочих
в котлованы и траншеи.
После оттаивания откосов, необходимо принять меры к обеспечению их
устойчивости, смонтировать крепления, установить подкосы.
Прогреваемую площадь следует ограждать, устанавливать на ней
предупредительные сигналы, а в ночное время освещать. Расстояние между
ограждением и контуром прогреваемого участка должно быть не менее3 м.
На участках прогреваемой площади, находящихся под напряжением, пребывание
людей не допускается.
В кузов самосвала осуществлять погрузку только с бокового или заднего
борта.
Односторонняя засыпка пазух у свежее выложенных подпорных стен и
фундаментов допускается после осуществления мероприятий, обеспечивающих
устойчивость конструкции, при принятых условиях, способах и порядке засыпки.
4.2.4
Устройство фундаментов
Перед началом
производства работ по устройству оснований и фундаментов необходимо произвести
разбивку котлованов, траншей, земляных сооружений, осуществить привязку осей
высотных отметок на имеющейся геодезической основе и закрепления необходимых
разбивочных знаков.
Устройство
фундаментов производить при постоянной проверке глубины их заложения, размеров
и расположения их в плане, проёмов и ниш для пропуска инженерных коммуникаций,
качественное выполнение обмазочной и окрасочной гидроизоляции, а также качество
применяемых материалов.
Контроль за
высотной отметкой смонтированного ряда фундамента проверять нивелиром от
рэпера.
Основные
этапы возведения фундамента из сборных железобетонных блоков:
Разбивка осей
фундаментов, обозначение границ фундамента, разбивка углов и мест сопряжений;
Установку блоков ленточных фундаментов и стен подвала производить,
начиная с установки маячных блоков, в углах здания и на пересечении осей.
Маячные блоки устанавливают, совмещая их осевые риски с рисками разбивочных
осей, по двум взаимно перпендикулярным направлениям. К установке рядовых блоков
следует приступать после выверки положения маячных блоков в плане и по высоте.
Основание под фундаментные блоки необходимо отсыпать выравнивающим слоем
песка, тщательно утрамбовать, до проектной отметки, причём допуск не должен
превышать - 15мм.
Установку блоков стен подвала следует выполнять с соблюдением перевязки.
Рядовые блоки следует устанавливать, ориентируя низ по обрезу блоков нижнего
ряда, верх— по разбивочной оси. Блоки наружных стен, устанавливаемые ниже уровня
грунта, необходимо выравнивать по внутренней стороне стены, а выше - по
наружной. Вертикальные и горизонтальные швы между блоками должны быть заполнены
раствором и расшиты с двух сторон.
Фундаментные блоки и опорные поверхности, на которые в последствии будет
монтироваться следующий ряд блоков необходимо зачистить от снега и льда.
4.2.5 Монтаж
здания
Монтаж проектируемого здания осуществляется методом наращивания. Подъем
конструкций, рекомендуется осуществлять на «весу» со сложным перемещением
крана. Для монтажа конструкций здания предусмотрено использовать типовую
монтажную оснастку, позволяющую осуществлять подъем, временное крепление и
выверку элементов. По всем наружным стенам здания выполнить армированный пояс высотой
300 мм. Перекрытия не доводить до плит перекрытия на 30 мм.Сборные перемычки
укладываются по ходу кладки. Разность высот возводимой кладки на смежных
участках и при кладке примыканий наружных и внутренних стен не должна превышать
высоты этажа.
Пред монтажом плит перекрытия необходимо выровнять и очистить поверхность
для монтажа.
Плиты перекрытий должны монтироваться после возведения стен очередного
этажа с установкой всех анкеров и связей, предусматриваемых проектом,
замоноличиванием стыков, устройства монолитных участков.
При перемещении и подаче на рабочее место грузоподъемными кранами
кирпича, керамических камней и мелких блоков следует применять поддоны,
контейнеры и грузозахватные устройства, исключающие падение груза при подъеме.
При кладке стен зданий на высоту до 0,7 м от рабочего настила и
расстоянии от его уровня за возводимой стеной до поверхности земли (перекрытия)
более 1,3 м необходимо применять средства коллективной защиты (ограждающие или
улавливающие устройства) или предохранительные пояса.
Не допускается кладка наружных стен толщиной до 0,75 м в положении стоя
на стене. При толщине стены более 0,75 м разрешается производить кладку со
стены, применяя предохранительный пояс, закрепленный за специальное
страховочное устройство. Не допускается кладка стен зданий последующего этажа
без установки несущих конструкций междуэтажного перекрытия, а также площадок и
маршей в лестничных клетках.
При кладке стен высотой более 7 м необходимо применять защитные козырьки
по периметру здания Рабочие, занятые на установке, очистке или снятии защитных
козырьков, должны работать с предохранительными поясами. Ходить по козырькам,
использовать их в качестве подмостей, а также складывать на них материалы не
допускается. На участке (захватке), где ведутся монтажные работы, не
допускается выполнение других работ и нахождение посторонних лиц.
При возведении зданий и сооружений запрещается выполнять работы,
связанные с нахождением людей в одной секции (захватке, участке) на этажах
(ярусах), над которыми производятся перемещение, установка и временное
закрепление элементовсборных конструкций или оборудования.
Способы строповки элементов конструкций и оборудования должны
обеспечивать их подачу к месту установки в положении, близком к проектному.
Элементы монтируемых конструкций или оборудования во время перемещения
должны удерживаться от раскачивания и вращения гибкими оттяжками.
Расчалки для временного закрепления монтируемых конструкций должны быть
прикреплены к надежным опорам (фундаментам, якорям и т.п.). Количество
расчалок, их материалы и сечение, способы натяжения и места закрепления
устанавливаются проектом производства работ. Расчалки должны быть расположены
за пределами габаритов движения транспорта и строительных машин. Расчалки не
должны касаться острых углов других конструкций. Перегибание расчалок в местах
соприкосновения их с элементами других конструкций допускается лишь после
проверки прочности и устойчивости этих элементов под воздействием усилий от
Установленные в проектное положение элементы конструкций или оборудования
должны быть закреплены так, чтобы обеспечивалась их устойчивость и
геометрическая неизменяемость.
Расстроповку элементов конструкций и оборудования, установленных в
проектное положение, следует производить после постоянного или временного
надежного их закрепления. Перемещать установленные элементы конструкций или
оборудования после их расстроповки, за исключением случаев, обоснованных ППР,
не допускается.
Не допускается выполнять монтажные работы на высоте в открытых местах при
скорости ветра 15 м/с и более, при гололедице, грозе или тумане, исключающем
видимость в пределах фронта работ. Работы по перемещению и установке
вертикальных панелей и подобных им конструкций с большой парусностью следует
прекращать при скорости ветра 10 м/с и более.
Не допускается нахождение людей под монтируемыми элементами конструкций и
оборудования до установки их в проектное положение и закрепления.
При необходимости нахождения работающих под монтируемым оборудованием
(конструкциями), а также на оборудовании (конструкциях) должны осуществляться
специальные мероприятия, обеспечивающие безопасность работающих.
Монтаж конструкций каждого последующего яруса (участка) здания или
сооружения следует производить только после надежного закрепления всех
элементов предыдущего яруса (участка) согласно проекту. В процессе монтажа
конструкций, зданий или сооружений монтажники должны находиться на ранее
установленных и надежно закрепленных конструкциях или средствах подмащивания.
Монтаж фундаментных блоков предусматривается в такой последовательности:
разметка осей фундаментов, обозначение границ фундаментной ленты,
разбивка углов и мест сопряжений;
установка угловых маячных блоков, инструментальная выверка, положение
маячных элементов в плане и по высоте;
разметка местоположения каждого рядового блока;
- укладка
блоков по визиру.
Устройство
фундаментов производить при постоянной проверке глубины их заложения, размеров
и расположения их в плане, проёмов и ниш для пропуска инженерных коммуникаций,
качественное выполнение обмазочной и окрасочной гидроизоляции, а также качество
применяемых материалов.
4.2.6
Отделочные работы
Леса и
подмости осматриваются совместно с руководителем работ, с обязательной
проверкой их устойчивости на полу. Перед работой на высоте проверить внешним
осмотром лестницы, стремянки, леса и подмости. Леса и подмости должны иметь
перила высотой не менее 1м.
При производстве штукатурных работ при нанесении раствора на потолочную
или вертикальную поверхность необходимо находиться с боку от набрызга раствора.
Искуственную сушку оштукатуренных поверхностей необходимо осуществлять с
применением специально предназначенных нагревательных приборов: калориферов,
газовых горелок, софитов.
При их установке следует выполнять требования правил пожарной
безопасности при производстве строительно-монтажных работ.
Запрещается применять для сушки помещений мангалы, жаровни, бочки и
другие ёмкости, наполненные горячим углём.
Малярные составы следует готовить, как правило, централизованно. При их
приготовлении на строительной площадке необходимо использовать для этих целей
помещения, оборудованные вентиляцией, не допускающей превышения предельно
допустимых концентраций вредных веществ в воздухе рабочей зоны. При окрасочных
работах запрещается одновременное ведение газоэлектросварочных работ и огневых
работ.
Эксплуатация мобильных малярных станций для приготовления окрасочных
составов, не оборудованных принудительной вентиляцией, не допускается. Не
допускается приготовлять малярные составы, нарушая требования инструкции
завода-изготовителя краски, а также применять растворители, на которые нет
сертификата с указанием характера вредных веществ.
4.2.7
Перечень актов на скрытые работы
1. Акт на разбивку пятна здания
. Акт на разбивку осей здания
. Акт на обследование грунтов основания, с указанием характеристик грунта
и уровня подземных вод
. Журнал полевого испытания свай статическими нагрузками
. Сводная ведомость вдавленных свай
. Акт на устройство и выравнивание основания под ростверки
. Акт на устройство монолитных ростверков
. Акт на устройство армирования ростверков
. Заключение по прочности бетона ростверков
. Акт на монтаж фундаментных блоков
. Акт на устройство монолитных заделок в фундаментных блоках
. Акт на устройство дренажа с указанием его диаметра и марки дренирующего
материала
. Акт на герметизацию вводов инженерных коммуникаций в фундаментах и
стенах
. Акт на устройство гидроизоляции
. Акт на обратную засыпку пазух котлованов и траншей
. Акт на антикоррозионную защиту анкеров и металлоконструкций
. Акт технической приемки фундаментов с приложением исполнительной
документации
. Акт на кирпичную кладку стен
. Акт на кирпичную кладку звонницы
. Акт на установку закладных деталей
. Акт на устройство кирпичной кладки в зимних условиях
. Акт на устройство вентиляционных каналов
. Акт на монтаж перемычек и прогонов
. Акт на монтаж винтовых лестниц
. Акт на установку оконных и дверных блоков
. Акт на установку подоконных досок
. Акт на устройство полов с гидроизоляцией
. Акт на утепление чердачного перекрытия
. Акт на утепление вентканалов в зоне чердака
. Акт на устройство кровли
. Журнал сварочных работ
. Акт на антисептирование деревянных несущих элементов стропил и
обрешетки
. Акт на огнезащиту деревянных конструкций крыши
. Акт гидравлического испытания системы центрального отопления (летний
период)
. Акт на прогрев системы отопления на тепловой эффект (зимний период)
. Акт гидравлического испытания системы горячего водоснабжения
. Акт гидравлического испытания элеваторного узла или теплового пункта
. Акт гидравлического испытания внутреннего водопровода
. Акт приемки водомерного узла
. Акт на изоляцию трубопроводов внутри здания
. Акт на прокладку наружного водопровода
. Акт на устройство колодцев на наружных сетях водопровода и канализации
. Акт на прокладку наружных сетей хозбытовой канализации
. Акт герметичности канализационных выпусков
. Акт на пролив канализации
. Акт приемки внутренней канализации
. Акт приемки наружной канализации
. Заключение об анализе воды для питьевых целей и горячей воды для
хозяйственных нужд
. Акт приемки внутреннего водопровода
. Акт приемки в эксплуатацию наружного водопровода
. Акт приемки противопожарного водопровода
. Акт на устройство теплосети (канала и его гидроизоляции)
. Акт на гидравлическое (пневматическое) испытание наружной теплосети
. Акт приемки тепловых сетей (справка от эксплуатирующей организации)
. Акт на изоляцию трубопроводов и антикоррозионное покрытие труб
теплосети
. Акт на устройство молниезащиты
. Акт на осмотр уравнителей потенциалов
. Акт на прокладку скрытого кабеля
. Акт на заделку и испытание крюков для подвески светильников
. Акт приемки наружного освещения
. Акт приемки электрических работ
. Справка о выполнении работ радиофикации
. Акт на радио
. Акт приемки телефонной канализации
. Акт приемки телефонной сети
. Заключительный акт сдачи работ по антисептированию
. Акт приемки системы вентиляции
. Акт приемки приточно-вытяжной вентиляции
. Акт приемки фасадов здания
. Акт осмотра благоустройства участка
. Акт на устройство проездов, тротуаров с установкой бордюрного камня
. Квитанция из бюро инвентаризации
. Акт приемки здания рабочей комиссией заказчика
. Заявка заказчика начальнику ГАСН о назначении эксперта
4.2.8
Транспортные работы.
Потребность в
подвижном составе механизмах и транспорте должна обеспечивать подрядная организация
а также обеспечивать их своевременное обслуживание и ремонт. Негабаритный груз
транспортируется с помощью спец машин. Транспортирвку навалочных
производственных отходов (грунт, бой асфальтобетона, бетона, кирпича, древесный
лом, металлолом и т.п.) следует осуществлять самосвалами, оборудованными
специальными приспособлениями (например брезентом), предотвращающим загрязнение
окружающей среды (просыпи, пыление и т. п.) При перегрузке пылящих, навалочных
отходов следует принять необходимые меры по их увлажнению в целях
предотвращения запыленности рабочих мест и окружающей территории.
Груз должен быть размещен и закреплен в соответствии с техническими
условиями погрузки и крепления.
Подача автомобиля задним ходом в зоне работ производится по команде работающих.
4.2.9
Указания по охране труда:
Конструкции, поднимаемые краном, надо удерживать от раскачивания
оттяжками из пенькового каната или троса.
При подъеме элементов, устанавливаемых в горизонтальное положение, к
обоим их концам прикрепляются парные оттяжки.
Запрещается передвигать конструкции после их установки и снятия захватных
приспособлений.
При подъеме элементов с транспортных средств запрещается перемещать груз
над кабиной водителя.
На монтажных работах обязательно должна быть предусмотрена сигнализация.
Все сигналы машинисту крана и рабочим на оттяжках подает один человек -
бригадир.
Временные связи, расчалки, кондукторы разрешается снимать только после
окончательного закрепления конструкций.
Машинисты кранов, стоповщики, сигнальщики и сварщики проходят обучение по
спецпрограммам.
Монтажники, имеющие стаж работы менее одного года и разряд ниже третьего,
к работе на высоте не допускаются.
Отделочные работы
Отделочные работы делятся на следующие циклы:
) штукатурные работы;
) установка и остекление оконных и дверных блоков;
) подготовка под окраску и окраска поверхностей;
) устройство чистых полов;
) окончательная отделка и окраска поверхностей.
Производство штукатурных и облицовочных работ организуется
поточно-расчетным методом, что обеспечивает наиболее полное использование
рабочих по их квалификации.
Раствор и шпаклевку на отделываемые поверхности наносят механизированным
способом. Нанесение раствора вручную допускается лишь в небольших помещениях и
при малом объеме штукатурных работ. Водные составы для окраски стен и потолков
рекомендуется наносить механизированным способом. Ручную окраску стен и
столярных изделий рекомендуется производить малярным валиком.
4.3 Расчет
объектов строительного хозяйства
4.3.1 Расчёт
численности персонала строительства
Численность персонала строительства определяется по формуле:
= 1,06 × (Nосн + Nн.о.+ Nитр + Nмоп + Nуч.),
где 1,06 - коэффициент, учитывающий отпуска и невыходы рабочих по
болезни.
Nосн. = 31 чел. − численность
рабочих основного производства,
Nн.о
= 31 × 0,2 = 6
чел. − численность рабочих неосновного производства
Nитр
= (31 + 6) × 0,07 = 3 чел. − численность инженерно-технических работников
Nмоп.
= (31 + 6) × 0,04 = 2 чел. − численность младшего обслуживающего персонала
Nуч.
= (31 +6) × 0,05 = 2 чел. − численность учеников
N=1,06 × (31 + 6 + 3 + 2+ 2) = 44 чел.
4.3.2 Расчет временных зданий и сооружений.
Таблица 4.1- Расчет временных зданий и сооружений
|
Наименование зданий и
сооружений
|
Расчетная численность
персонала
|
Норма на одного чел-ка
|
Требуется
|
Принято
|
|
Всего
|
% одновременно пользующихся
|
Ед. изм.
|
Кол-во
|
Ед. изм.
|
Кол-во
|
Марка
|
Кол-во
|
|
1
|
2
|
3
|
4
|
5
|
6
|
7
|
8
|
9
|
|
Проходная
|
-
|
-
|
м2
|
7
|
м2
|
7
|
Вагончик 3x3
|
1
|
|
Контора прораба
|
3
|
100
|
м2
|
3
|
м2
|
9
|
Вагончик 3x3
|
1
|
|
Медицинское помещение
|
-
|
-
|
м2
|
12
|
м2
|
12
|
Вагончик 3x6
|
1
|
|
Помещение для приёма пищи
|
44
|
30
|
м2
|
1
|
м2
|
13,2
|
Вагончик 3x6
|
1
|
|
Помещение для обогрева
рабочих
|
44
|
100
|
м2
|
0,1
|
м2
|
4,4
|
Вагончик 3x3
|
1
|
|
Кладовая
|
-
|
-
|
м2
|
15
|
м2
|
15
|
Вагончик 3x6
|
1
|
|
Помещение для сушки и
обеспыливания одежды
|
44
|
50
|
м2
|
0,2
|
м2
|
4,4
|
Вагончик 3x3
|
1
|
|
Гардеробные с умывальными
|
44
|
70
|
м2
|
0,5
|
м2
|
15,4
|
Вагончик 3x6
|
1
|
|
Душевые
|
44
|
30
|
1рожок
|
8 чел
|
1рожок
|
2
|
контейнерная «Днепр»
|
|
|
|
|
1рожок
|
4 м2
|
м2
|
8
|
3x6
|
1
|
|
Туалет
|
44
|
1очко
|
20 чел.
|
1очко
|
2
|
Вагончик
|
1
|
|
|
|
1очко
|
2 м2
|
м2
|
4
|
3x3
|
|
4.3.3 Расчёт
потребности в коммунальном обеспечении
Расчёт
потребности в воде
Р = Рпож + 0,5 × (Рб + Рпр);
,
где Рпож = 10 л/с − расход воды на пожаротушение
Рб = Рб' + Рб'' − расход воды на
бытовые
;
− расход воды на принятие душа
а - норма водопотребления на 1 человека пользующегося душем: при
отсутствии канализации 30 литров, а при ее наличии-80 литров.
к1 = 0,3
0,4 - коэфф., учитывающий количество моющихся
t =
0,75 ч - время работы душевой установки в часах
= 0,15
;
− расход воды на умывание, принятия пищи и др. нужды
b -
норма водопотребления на 1 чел. в смену, при отсутствии канализации − 15
литров
к2 = 1,2
1,3 - коэфф. неравномерности потребления воды
n =
8,2 ч - продолжительность смены
= 0,03
Рб = 0,15 + 0,03 = 0,18
;
− расход воды на производственные нужды
,2 - коэффициент на неучтенные потребности
к3 = 1,3
1,5 - коэффициент неравномерности водопотребления,
Σq
= 150×4,2 = 630 л
= 0,036
Р = 10 + 0,5 × (0,18 + 0,036) = 10,108
Диаметр трубопровода временного водопровода:
,
где v = 2 м/с − скорость воды во
временном водопроводе
= 80 мм, принимаем Д = 80 мм.
Расчёт
потребности в электроэнергии
Требуемая мощность трансформатора для строительной площадки определяется:
,
где: 1,1 − коэфф., учитывающий потери в сети
ΣРС,
ΣРтех,
ΣРОВ,
ΣРОН −
сумма мощностей всех потребителей, см. в таблице
сosφ1 = 0,6; сosφ2 = 0,75 − коэффициент мощности, зависящие от
загрузки потребителей
к1 = 0,3
0,8; к2 = 0,7; к3 = 0,8; к4
= 1 - коэффициент спроса учитывающих не совпадение нагрузок
Таблица 4.2 - Расчет потребности в электроэнергии
|
Наименование
|
Мощность, кВт
|
|
Силовые потребители: кран
КБ-103 Технологические потребители: сварочный аппарат ТД-300
электрокраскопульт СО-61 - растворонасос СО-496 Наружное освещение: прожектор
ПКН-1000 с лампой ПЖ-53 Внутреннее освещение: - помещения временные
|
55 20 0,27
4,0 4 2
|
= 75,0 кВт
По полученной расчетной мощности трансформаторной подстанции необходимо
укомплектовать её как минимум двумя трансформаторами, один из которых должен
быть меньшей мощности.
Сечение провода временной электросети определяется по формуле:
где
- расчетная нагрузка на рассматриваемом участке сети, Вт.
l -
длина участка сети, м.
g -
удельная проводимость материала провода (для меди 57)
U -
номинальное напряжение (для силовых потребителей - 380 В, для остальных 220В)
- потери напряжения в %, принимается 6-8%
Расчет
потребности в сжатом воздухе
Требуемая мощность компрессорной установки:
= 1,3 × Sq
× к, м3/мин
где Sq - суммарный расход воздуха
приборами;
Для шлифовальной машинки - 1
мин
1,3 - коэффициент, учитывающий потери в сети;
к - коэффициент одновременно работающих аппаратов
при 1 аппарате к = 1
- 3 к = 0,9
- 6 к = 0,8
Q =
1,3 × 2× 0,9 = 2,34 м3/мин
Определяем Ø разводящего шланга: 
= 4,2 см
Расчет
потребности в кислороде
Потребность в кислороде определяется по отраслевым нормам на 1 млн. руб.
строительно-монтажных работ (в ценах 1984г.)
По объектам жилищно-коммунального и культурно-бытового строительства -
4400
Кислород на стройку доставляется в стальных баллонах синего цвета (40л),
вмещающих 6
кислорода. Требуется 810 стальных баллонов.
Расчет
потребности в тепле
Общая потребность тепла для строительных нужд:
, кДж/час,
где Q1 - расход тепла на отопление здания
Q2 - расход тепла на технологические
нужды
к1 - коэффициент учитывающий потери в сети, к1 =
1,15;
к2 - коэффициент на неучтенные расходы тепла, к2 =
1,2.
1
= a×q×V× (tв - tн), кДж/час,
где а - коэффициент, зависящий от расчетной температуры наружного воздуха
tн³ - 10 0С Þ а = 1,2;
tн³ - 20 0С Þ а = 1,1;
tн³ - 30 0С Þ а = 1.
q =
1,8-1,1 - удельная тепловая характеристика здания
V -
объем здания по наружному обмеру, м3
tв и tн -расчетная температура внутри помещения и наружного воздуха
Q2 = 0 - зависит от времени, вида и
объема работ.
Q1
= 1 × 1,6 ×17856× (18 - (- 32) = 1428480 кДж/час
Qобщ
= (1428480 + 0) × 1,15 × 1,2 = 1971302,4 кДж/час
Расчет
потребности в транспортных средствах
Требуемое количество машиносмен работы транспортного средства для
доставки однородного груза определяется:
, м.см
где Q - количество перевозимого
однородного вида груза, т;
Рсм = nр×q×кгр − сменная
производительность транспортной единицы, т/см;
nр - количество рейсов в смену
q -
паспортная грузоподъемность машины, т
кгр - коэффициент использования грузоподъемности машины в
зависимости от вида груза, в данном случае равен 1.
Для перевозки кирпича принимаем машину КАМАЗ-5511 с грузоподъемностью q=10 т.
nр- количество рейсов в смену.
Рсм =5 × 10 × 1 = 50
т/см ,
Т - продолжительность смены, час;
t - продолжительность
погрузочно-разгрузочных операций, час;
l - расстояние
перевозки, км ;
V - средняя
скорость движения транспорта, км/ч;
Для возведения данного здания требуется 562926,9 шт. кирпича. Принимаем
массу 1 кирпича = 3,5 кг.
Q =
562926,9 × 3,5/1000
= 1970,2 т.
машиносмен
4.3.4 Расчет
площадей складов материалов, изделий и конструкций
Требуется площадь склада для хранения однородного груза:
, м2
,
где q - запас материалов в натуральных
единицах:
Q -
количество однородных материалов для объекта (в натуральных единицах)
t -
продолжительность выполнения работ с использованием данного материала, дней
n -
норма запаса материалов, дней
При автомобильных перевозках n = 2 - 5 дней
к - коэффициент неравномерности снабжения, к = 1,2;
r -
норма хранения материала на 1 м²площади;
кп - коэффициент учитывающий проходы на складах:
закрытые - кп = 0,5 - 0,7
открытые - кп = 0,4 - 0,5;
Складские помещения:
) Кирпич:
q=(562926,9
/176)·3·1,2 = 11514,4 штук;
S=11514,4/700·0,5
= 32,9 м2
) Сваи:
q=(372/40)·3·1,2
= 33,5 штук;
S=33,5/2,5·0,5
= 26,8 м2
4.4
Стройгенплан
Строительный генеральный план участка, являясь важным документом после
ППР, влияет на эффективность организации производства, поскольку в нем решаются
вопросы размещения и транспортировки строительных конструкций и материалов, что
отражается на производстве труда и себестоимости работ.
Стройгенплан разработан на основании архитектурно-строительного генплана
объекта, согласно техники безопасности в строительстве.
При проектировании стройгенплана предусмотрено:
ограждение стройплощадки;
наличие временных дорог;
пересечение дорог с ЛЭП выполнено под прямым углом;
размещение складских площадок в зоне действия крана;
размещение двух пожарных гидрантов на расстоянии < 150м друг от друга,
не далее 2м от дороги с твердым покрытием.
Проектом предусмотрены бытовые временные помещения, которые обеспечивают
рабочих водоснабжением, канализацией, отоплением.
Элекроснабжение осуществляется за счет трансформаторной подстанции,
установленной на объекте.
Данное жилое здание будет расположено в городе Вологда, в районе
существующей застройки.
.5 - Технико-экономические показатели
|
№ п/п
|
Показатель
|
Величина и единица измерения
|
|
1
|
2
|
3
|
|
1
|
Нормативная трудоемкость
строительства
|
4400 чел. дней
|
|
2
|
Планируемая трудоемкость
строительства
|
4286,2 чел. дней
|
|
3
|
Нормативная
продолжительность строительства
|
370 дней
|
|
4
|
Планируемая
продолжительность строительства
|
350,5 дней
|
5. БЕЗОПАСНОСТЬ ПРОЕКТА
.1 Мероприятия по охране окружающей среды, по окончании строительства
Здания и сооружения оказывают большое влияние на окружающую среду. Их
появление вызывает значительные изменение в воздушной и водной средах, в
состоянии грунтов участка строительства. Меняется растительный покров - на
смену уничтожаемому природному приходят искусственные посадки. Меняется режим
испарения влаги. Средняя температура в районе застройки постоянно выше, чем вне
ее.
Непродуманные технологии, организация и само производство работ
определяют большие затраты энергии и материалов, высокую степень загрязнения
окружающей среды. Процесс строительства является относительно
непродолжительным. Взаимодействие здания или сооружения с окружающей средой,
его характер и последствия определяется в период длительной эксплуатации.
Отсюда вытекает важность этого периода в определении экономичности объекта, то
есть, каким образом отразится на состоянии окружающей среды не только
появление, но и его длительное функционирование.
В процессе проектирования необходим тщательный учет экономических
последствий принимаемых решений. Экологический подход должен характеризовать
проектирование, строительство, и эксплуатацию здания. При проектировании, в
свою очередь, он должен быть выдержан при решении как объемно - планировочном,
так и конструктивном; при выборе материалов для строительстве, при определении
технологии возведения и так далее.
Усилия всех руководящих органов, как центральных, так и на местах, должны
быть направлены на то, чтобы рачительное отношение к природе стало предметом
постоянной заботы коллективов, руководителей и специалистов всех отраслей
хозяйства, нормой повседневной жизни людей.
Сбор, хранение, погрузка и транспортировка промышленных отходов должны
исключать возможность их россыпи или разлива и самовозгорания, а также любого
загрязнения окружающей среды: почвы поверхности вод, атмосферного воздуха.
Твердые бытовые отходы должна собираться в полиэтиленовые мешки, которые по
наполнению должны быть надёжно завязаны, либо в металлические контейнеры с
крышками. Перед их транспортировкой следует проверить целостность и
герметичность тары. Транспортировку твёрдых бытовых отходов следует
осуществлять в специально оборудованных автотранспортных средствах.
Промасленную ветошь и загрязнённый ГСМ сорбент собирают в отдельную цельную
металлическую ёмкость, которая имеет крышку и промаркирована.
Не допускается смешивание её с твердыми бытовыми отходами. Нельзя
оставлять загрязнённые ГСМ отходы в открытом контейнере и на солнце.
градостроительные меры, направленные на экологически рациональное
размещение предприятий, населенных мест и транспортной сети,
архитектурно-строительные меры, определяющие выбор экологичных объемно -
планировочных и конструктивных решений,
выбор экологически чистых материалов при проектировании и строительстве,
применение малоотходных и безотходных технологических процессов и
производств при добыче и переработке строительных материалов,
строительство и эксплуатация очистных и обезвреживающих сооружений и
устройств,
рекультивация земель,
меры по борьбе с эрозией и загрязнением почв,
меры по охране вод и недр и рациональному использованию минеральных
ресурсов,
мероприятия по охране и воспроизводству флоры и фауны и так далее.
Мерой успеха в достижении указанных целей являются экологические,
экономические и социальные результаты. Экологический результат - это снижение
отрицательного воздействия на окружающую среду, улучшение ее состояния. Он
определяется снижением концентрации вредных веществ, уровня радиации, шума и
других неблагоприятных явлений.
Экономические результаты определяют рациональное использование и
предотвращение уничтожения или потерь природных ресурсов, живого и
овеществленного труда в производственной и непроизводственной сферах хозяйства,
а также в сфере личного потребления.
Социальный результат может быть выражен в повышении физического
стандарта, характеризующего население; сокращении заболеваний; увеличении
продолжительности жизни людей и периода их активной деятельности; улучшении
условий труда и отдыха; сохранении памятников природы, истории и культуры;
создании условий для развития и совершенствования творческих возможностей
человека, роста культуры.
Местом строительства жилого проектируемого дома выбран жилой микрорайон
расположенный с подветренной стороны. Рядом с домом находятся широкие
автомагистрали, которые продуваются ветром, что обеспечивает обмен воздуха и
отсутствие мест застоя воздуха.
Места стоянок автомобилей вынесены к основным автомагистралям и выведены
из внутриквартальных стоянок, что обеспечит уменьшение загазованности в жилой
зоне.
Посадки деревьев и кустарников между автодорогой и жилым домом,
запроектированные в благоустройстве территории, а также внутри квартала,
способствуют защите дома от городского шума и шума автотранспорта. Зеленые
насаждения ведут к улучшению газового состава воздуха и его очищению.
Водоснабжение жилого дома предусмотрено из городской сети артезианского
водоснабжения с полным циклом очистки и обеззараживания воды. Хозфекальные воды
сбрасываются по общегородским сетям канализации на очистные сооружения, где
проходят полный цикл очистки и утилизации. Удаление ТБО с накопительных
площадок производиться спецавтотранспортом.
Жилой дом запроектирован такой ориентацией, чтобы создать экран для
защиты от шума дворовую часть здания, а также от преобладающих ветров. Основные
конструкции жилого дома запроектированы из природных экологически чистых
материалов (красный керамический кирпич, сборные железобетонные конструкции,
гипсовые перегородки, деревянные конструкции окон, дверей, бумажные обои,
глазурованная плитка).
Для экономии тепловой энергии жилой дом ориентирован таким образом, что
одна сторона дома получает солнечную энергию до 12 часов, а другая половина
дома после 12 часов. Квартиры сблокированы таким образом, что они одной стеной
выходят на фасад, а тремя стенами блокируются друг с другом. Наружные стены
запроектированы с укладкой утеплителя, что улучшает энергосбережение и
уменьшает теплопотери здания.
5.2 Мероприятия по охране труда при выполнении работ нулевого цикла
Мероприятия по обеспечению безопасности при производстве
строительно-монтажных работ нулевого цикла решаются в проекте организации
строительства. Организация строительной площадки, участков работ и рабочих мест
должна обеспечивать безопасность труда работающих на всех этапах выполнения
работ по монтажу фундаментов до отметки 0,000 («0» цикла). При этом должны
выполняться следующие мероприятия:
ограждение территории и опасных зон при ведении строительно-монтажных
работ;
устройство дорог (проходов, проездов и переходов) и соблюдение правил
внутрипостроечного движения;
размещение и безопасная эксплуатация строительных машин и механизмов;
устройство хозяйственно-питьевого и противопожарного водоснабжения;
энергоснабжение и электроосвещение территории складов, проездов,
временных зданий и рабочих зон;
устройство складов для временного хранения материалов и конструкций;
устройством административных, санитарно-бытовых помещений, пунктов приема
пищи, здравпунктов;
устройство противопожарной сигнализации;
вывешивание знаков безопасности.
Исходными материалами при решении в ПОС вопросов по обеспечению
безопасности труда и санитарно-гигиеническому обслуживанию работающих являются:
требования нормативных документов; инструкции по разработке проектов
организации строительства и проектов производства работ;
инструкция по проектированию электрического освещения строительных
площадок;
указания по проектированию бытовых зданий и помещений
строительно-монтажных организаций.
При выполнении строительно-монтажных работ на стройплощадке, контроль за
соблюдением санитарно-технических норм осуществляет служба охраны труда
строительной организации.
Трудовые процессы, связанные с монтажом строительных конструкций,
являются наиболее сложными и опасными.
В процессе выполнения монтажных работ имеются специфические особенности,
которые требуют определенного подхода при решении вопросов безопасности и
охраны труда. К положениям по охране труда при выполнении монтажных работ можно
отнести следующее:
к монтажным работам допускаются лица, прошедшие специальное обучение по
типовой программе, проверку знаний безопасного ведения монтажа конструкций и
первичный инструктаж на рабочем месте;
на монтажной площадке должен быть установлен единый порядок обмена
сигналами между лицом, руководящим подъемом груза, и машинистом крана, а также
рабочими на оттяжках; все сигналы подает только одно лицо - бригадир монтажной
бригады, или звеньевой, или стропальщик; сигнал «стоп» может подавать любой
работник, заметивший опасность; при монтаже конструкций важна полная
согласованность действий: машинист крана должен знать, чьим командам он
подчиняется, если монтаж ведется вне его поля зрения, между ним и рабочими
местами монтажников устанавливают радио- или телефонную связь;
перед строповкой конструкции необходимо убедиться в ее целостности;
запрещается подъем конструкций, не имеющих монтажных петель или маркировки и
меток, обеспечивающих их правильную строповку и монтаж; строповку строительных
конструкций следует производить по заранее разработанным схемам; для строповки
конструкций целесообразно применять инвентарные стропы, а в необходимых случаях
- специально разработанные грузозахватные устройства; способы строповки во всех
случаях должны исключать возможность падения груза;
расстроповку элементов конструкций и оборудования, установленных в
проектное положение, следует производить после постоянного или временного
надежного их закрепления; перемещать установленные элементы конструкций или
оборудования после их расстроповки, за исключением случаев, обоснованных ППР,
не допускается;
при перемещении элементов и конструкций монтажники должны находиться вне
контура устанавливаемого груза или конструкций со стороны, противоположной
подачи их краном; поданный элемент опускают над местом установки, но не выше
чем на 0,3м от проектного положения, после чего заводят его на место установки;
расстроповку конструкций можно производить лишь после прочного и устойчивого ее
закрепления; для временного закрепления конструкций следует применять
инвентарные приспособления, предусмотренные в технологической карте;
одним из важных мероприятий предупреждения травматизма является
подготовка строительных конструкций к подъему на высоту для установки в
проектное положение, то есть, осмотр устранение дефектов и укрупнение
конструкций в максимально возможные блоки;
под местами производства монтажных работ движение транспорта и людей
запрещается; на всей территории монтажной площадки должны быть установлены
указатели рабочих проходов и проездов и определены зоны, опасные для прохода и проезда;
при работе в ночное время монтажная площадка освещается прожекторами; до начала
работ должна быть проверена исправность монтажного и подъемного оборудования, а
также захватных приспособлений; грузоподъемные механизмы перед пуском их в
эксплуатацию испытывают ответственные лица технического персонала стройки с
составлением акта в соответствии с правилами инспекции Госгортехнадзора;
такелажные и монтажные приспособления для подъема грузов надлежит испытывать
грузом, превышающим на 10% расчетный, и снабжать бирками с указанием их
грузоподъемности; все захватные приспособления систематически проверяют в
процессе их использования с записью в журнале;
на участке (захватке), где ведутся монтажные работы, не допускается
выполнение других работ и нахождение посторонних лиц;
при возведении зданий и сооружений запрещается выполнять работы,
связанные с нахождением людей в одной секции (захватке, участке) на этажах
(ярусах), над которыми производятся перемещение, установка и временное
закрепление элементов сборных конструкций или оборудования;
элементы монтируемых конструкций или оборудования во время перемещения
должны удерживаться от раскачивания и вращения гибкими оттяжками;
не допускается пребывание людей на элементах конструкций и оборудования
во время их подъема или перемещения;
во время перерывов в работе не допускается оставлять поднятые элементы
конструкций и оборудования на весу;
расчалки для временного закрепления монтируемых конструкций должны быть
прикреплены к надежным опорам (фундаментам, якорям); количество расчалок, их
материалы и сечение, способы натяжения и места закрепления устанавливаются
проектом производства работ; расчалки должны быть расположены за пределами
габаритов движения транспорта и строительных машин; расчалки не должны касаться
острых углов других конструкций; перегибание расчалок в местах соприкосновения
их с элементами других конструкций допускается лишь после проверки прочности и
устойчивости этих элементов под воздействием усилий от расчалок;
для перехода монтажников с одной конструкции на другую следует применять
инвентарные лестницы, переходные мостики и трапы, имеющие ограждение; не
допускается переход монтажников по установленным конструкциям и их элементам
(фермам, ригелям), на которых невозможно установить ограждение, обеспечивающее
требуемую ширину прохода, без применения специальных предохранительных
приспособлений (надежно натянутого вдоль фермы или ригеля каната для
закрепления карабина предохранительного пояса и другие);
установленные в проектное положение элементы конструкций или оборудования
должны быть закреплены так, чтобы обеспечивалась их устойчивость и
геометрическая неизменяемость;
в процессе монтажа конструкций, зданий или сооружений монтажники должны
находиться на ранее установленных и надежно закрепленных конструкциях или
средствах подмащивания; не допускается нахождение людей под монтируемыми
элементами конструкций и оборудования до установки их в проектное положение;
при необходимости нахождения работающих под монтируемым оборудованием
(конструкциями), а также на оборудовании (конструкциях) должны осуществляться
специальные мероприятия, обеспечивающие безопасность работающих;
при производстве монтажных работ не допускается использовать для
закрепления технологической и монтажной оснастки оборудование и трубопроводы, а
также технологические и строительные конструкции без согласования с лицами,
ответственными за правильную их эксплуатацию;
окраску и антикоррозионную защиту конструкций и оборудования в случаях,
когда они выполняются на строительной площадке, следует производить, как
правило, до их подъема на проектную отметку; после подъема производить окраску
или антикоррозионную защиту следует только в местах стыков или соединений
конструкций;
укрупнительная сборка и до изготовление подлежащих монтажу конструкций и
оборудования (нарезка резьбы на трубах, гнутье труб, подгонка стыков и тому
подобные работы) должны выполняться, как правило, на специально предназначенных
для этого местах;
в процессе выполнения сборочных операций совмещение отверстий и проверка
их совпадения в монтируемых деталях должны производиться с использованием
специального инструмента (конусных оправок, сборочных пробок и другие);
проверять совпадение отверстий в монтируемых деталях пальцами рук не
допускается;
при монтаже оборудования в условиях взрывоопасной среды должны
применяться инструмент, приспособления и оснастка, исключающие возможность
искрообразования;
при монтаже оборудования должна быть исключена возможность
самопроизвольного или случайного его включения;
при перемещении конструкций или оборудования расстояние между ними и
выступающими частями смонтированного оборудования или других конструкций должно
быть по горизонтали не менее 1 м, по вертикали - 0,5 м;
углы отклонения от вертикали грузовых канатов и полиспастов
грузоподъемных средств в процессе монтажа не должны превышать величину,
указанную в паспорте, утвержденном проекте или технических условиях на это
грузоподъемное средство;
все работы по устранению конструктивных недостатков и ликвидации
недоделок на смонтированном технологическом оборудовании, подвергнутом
испытанию продуктом, следует проводить только после разработки и утверждения
заказчиком и генеральным подрядчиком совместно с соответствующими субподрядными
организациями мероприятий по безопасности работ;
установка и снятие перемычек (связей) между смонтированным и действующим
оборудованием, а также подключение временных установок к действующим системам
(электрическим, паровым, технологическим и так далее) без письменного
разрешения генерального подрядчика и заказчика не допускается;
При демонтаже конструкций и оборудования следует выполнять требования,
предъявляемые к монтажным работам.
5.3 Защита объекта от возможного подтопления
Одним из важных в градостроительстве природных условий являются подземные
(грунтовые) воды. Они имеют большое значение и как источник водоснабжения, хотя
в настоящее время, в основном, главным источником водоснабжения для различных
нужд служит поверхностная вода водотоков и водоемов. Реки, озера,
водохранилища, пруды - лишь видимая часть воды, основной объем которой
находится под землей. Почти под каждой рекой протекает другая, под каждым
озером находится другой водоем, объемы которых могут во много раз превышать
поверхностные. Подземные воды распространены повсеместно.
Однако наряду с тем огромным положительным влиянием, которое оказывают
грунтовые воды на жизнедеятельность во многих районах, они могут вызвать и
отрицательные явления. При высоком уровне подземные воды вызывают подтопление
территории, затрудняя строительство и эксплуатацию зданий и сооружений,
вызывают затопления подвальных помещений, понижают несущую способность грунта,
способствуют эрозии почв, росту оврагов, активизации оползневых явлений и пр.
Выходя на поверхность или приближаясь к ней, они образуют болота и
заболоченности.
Источниками питания подземных вод на территории города являются:
атмосферные воды, проникающие в грунт инфильтрацией (просачиваемость) осадков;
русловые воды рек и водоемов, проникающие в береговой грунт в результате их
фильтрации; подземные воды, поступающие к территории города по водоносным
слоям.
Все грунты разделяются на водопроницаемые и водонепроницаемые
(водоупоры). Первые поглощают воду и транспортируют ее в своей среде. Вторые ее
не пропускают и, подстилая водопроницаемые водоносные слои, служат для них
водоупором. Основное водное свойство грунтов - водопроницаемость, то есть
способность пропускать воду. Водопроницаемость характеризуется коэффициентом
фильтрации (м/сутки), который зависит от грунта и изменяется в значительных
пределах: от 0,005 и менее (глина) до 200 и более (галечник).
Подземные воды разделяются на ряд видов. К основным видам относятся:
верховодка, подвешенные воды, основной горизонт, межпластовые воды. Верховодка
образуется на слабопроницаемых линзах на сравнительно небольшой глубине.
Образуется, как правило, при снеготаянии и при обильных дождях и имеет
незначительную площадь распространения. Образование верховодки во многом
зависит от организации поверхностного стока и общего благоустройства городской
территории.
Подвешенные воды образуются в результате инфильтрации атмосферных осадков
на участках слабопроникающих грунтов, они не имеют водоупора и удерживаются в
грунте капиллярным натяжением. Как правило, сохраняются они короткий срок, и их
образование также зависит от благоустройства территории.
Основной горизонт, который и называют грунтовыми водами, представляет
собой первый водоносный слой от поверхности земли. Он, как правило, имеет
большое распространение по площади, располагается на водоупоре и имеет
определенные закономерности изменения уровня в зависимости от климатических
условий и выпадения осадков. Основной горизонт имеет наибольшее значение в
подтоплении городских территорий. Они встречаются достаточно часто на
сравнительно небольшой глубине от поверхности, чем и объясняется большое
внимание к ним при проектировании города, его застройке и благоустройстве.
Межпластовые воды - это подземные воды, расположенные между двумя
водоупорами (водонепроницаемыми слоями). Они могут быть ненапорными и напорными
(артезианскими). Залегая на сравнительно большой глубине, эти воды очень редко
представляют серьезную опасность для городской территории.
Необходимо отметить, что большое влияние на изменение уровня подземных
вод оказывает хозяйственная деятельность человека. Выпуск промышленных и
поверхностных вод иногда приводит к повышению уровня подземных вод, утечка воды
из сети водопровода, канализации или резервуаров воды также может привести к
увеличению количества воды в почве. Все эти явления необходимо учитывать при
оценке гидрогеологических условий территории и при выборе решений для ее
осушения.
Задачами инженерной подготовки при подтоплении территории являются
понижение уровня подземных вод в целях ее осушения и защиты зданий и сооружений
от затопления. Эти задачи решаются устройством дренажных систем в комплексе с
вертикальной планировкой, организацией поверхностного стока и благоустройством
территории.
В зависимости от назначения территории устанавливают наивысший допустимый
уровень подземных вод. Наименьшая глубина от поверхности земли до наивысшего
уровня подземных вод определяется как норма осушения. Норма осушения
принимается для участков, предназначенных под застройку жилыми и общественными
зданиями, не менее 2 м (от проектной отметки территории); для стадионов,
парков, скверов - не менее 1 м.
Для защиты заглубленных частей зданий от подтопления грунтовыми водами
должны предусматриваться дренажи. Конструкции дренажей и устройство
гидроизоляции подземной части зданий и сооружений должно выполняться в
соответствии с нормативными документами.
Дренаж - основной способ осушения территории. Дренаж - инженерное
сооружение, предназначенное для искусственного понижения уровня подземных вод
или их полного перехвата, рассчитанное на длительный период непрерывного
действия. Дренажные системы представляют собой отдельные линии или дренажную
сеть, состоящую из различных элементов. В зависимости от конструкций приемных
устройств и расположения дренажей в водоносном слое используют горизонтальные и
вертикальные дренажи, отличающиеся принципом действия. В горизонтальных
дренажах осушающее действие обусловлено самотечным движением подземных вод,
которые поступают в дрены в силу значительного увеличения коэффициента
фильтрации дрены по отношению к окружающему грунту. В системе вертикальных
дренажей отвод и понижение уровня подземных вод осуществляются созданием
разряжения в системе с помощью насосов.
Устройство дренажей обязательно в следующих случаях:
·
полы подвалов,
технических подполий, внутриквартальных коллекторов, каналов для коммуникаций
расположены ниже расчетного уровня подземных вод или если превышение полов над
расчетным уровнем подземных вод составляет менее 50 см;
·
полы
эксплуатируемых подвалов, внутриквартальных коллекторов, каналов для
коммуникаций расположены в глинистых и суглинистых грунтах независимо от
наличия подземных вод;
·
полы подвалов
расположены в зоне капиллярного увлажнения, а в подвальных помещениях не
допускается появления сырости;
·
полы технических
подполий в глинистых и суглинистых грунтах заглублены более чем на 1,3 м от
планировочной поверхности земли независимо от наличия подземных вод;
·
полы технических
подполий (на фундаментной плите) в глинистых и суглинистых грунтах заглублены
менее чем на 1,3 м от планировочной поверхности земли, а также если с нагорной
стороны к зданию подходят песчаные линзы или расположен тальвег.
В зависимости от положения по отношению к водоупору различают дренажи
совершенного типа, расположенные на водоупоре, и несовершенного типа - в толще
водоносного слоя.
По конструктивным решениям дренажи подразделяются на:
открытый дренаж, представляющий собой открытые канавы или траншеи;
закрытый дренаж простейшего типа - траншеи, заполненные дренирующим
материалом;
закрытый трубчатый дренаж - дренажная труба с дренирующей обсыпкой
(фильтром) из гравия, щебня, крупнозернистого песка;
галерейный дренаж - галерея из бетонных или железобетонных конструкций,
имеющих в нижних частях стенок отверстия для приема грунтовых вод; пластовый
дренаж, который применяется для отвода грунтовых вод от отдельных объектов и
наиболее часто используется в основании подземных коллекторов.
По назначению, в зависимости от расположения дренажной сети по отношению
к источникам поступления подземных вод на защищаемую территорию или к
отдельному сооружению, различают следующие системы дренажей: головной,
систематический, кольцевой (контурный), береговой и специальный.
Головной дренаж предназначен для перехвата поступающего в направлении к
городу потока подземных вод. Его основная задача - защита территории города от
подтопления.
Систематический дренаж предназначен для осушения сравнительно больших
территорий с высоким уровнем горизонта подземных вод. Дренажная система состоит
из отдельных дрен-осушителей, понижающих уровень подземных вод между дренами;
дрены собирателя, принимающей выпуски из дрен-осушителей, и отводящего
коллектора, сбрасывающего собранные дренажные воды. Систематический дренаж
применяется на территориях микрорайонов, жилых районов, парков, садов и так
далее.
Противокапиллярная гидроизоляция в стенах и обмазочная или окрасочная
изоляция вертикальных поверхностей стен, соприкасающихся с грунтом, должна
предусматриваться во всех случаях независимо от устройства дренажей.
В данном дипломном проекте для защиты от грунтовых вод подвальных
помещений здания, закладываемого в глинистых и суглинистых грунтах,
устраивается пристенный кольцевой дренаж. Кольцевой дренаж применяют для защиты
отдельных зданий и сооружений и прокладывают по их контуру. При небольшой
водосборной площади и хорошей организации поверхностного стока уровень
подземных вод в замкнутом контуре устанавливается приблизительно на отметках
наполнения воды в дренах. Проектирование дренажа выполнено на основании
конкретных данных о гидрогеологических условиях места строительства объекта,
степени агрессивности подземных вод к строительным конструкциям,
объемно-планировочного и конструктивного решения защищаемого здания, а также
функционального назначения этих помещений. Кроме того должны учитываться
существующие или ранее запроектированные дренажи прилегающих территорий.
Пристенный дренаж прокладывают по контуру здания с наружной стороны.
Расстояние между дренажом и стеной здания определяется шириной фундаментов
здания и размещением смотровых колодцев дренажа. Линии дренажных систем должны
располагаться на расстоянии не менее 0,7 м от фундаментов.
Пристенный дренаж, как правило, должен прокладываться на отметках не ниже
подошвы ленточного фундамента или основания фундаментной плиты.
Продольные уклоны дренажа рекомендуется принимать не менее 0,002 для
глинистых грунтов и 0,003 для песчаных грунтов.
Смотровые колодцы следует устанавливать в местах поворотов трассы и
изменения уклонов, на перепадах, а также между этими точками при больших
расстояниях. Смотровые колодцы изготовляют из сборных железобетонных элементов.
На прямых участках дренажа нормальное расстояние между смотровыми
колодцами - 40 м. Наибольшее расстояние между смотровыми колодцами дренажа -
50м.
Выпуск из пристенного дренажа в существующую ливневую канализацию.
Для дренажа применяются асбестоцементные трубы. Для пристенного дренажа
предусматриваются асбестоцементные трубы диаметром 150 мм с отверстиями.
Водоприемные отверстия в трубах устраиваются в виде пропилов шириной 3-5
мм. Длина пропила должна быть равна половине диаметра трубы. Пропилы устраивают
с обеих сторон трубы в шахматном порядке. Расстояние между отверстиями на одной
стороне - 50 см. При укладке труб необходимо проследить, чтобы пропилы
оказывались сбоку трубы; верх и низ трубы должен быть без пропилов.
Для защиты техподполья от затопления грунтовыми водами проектом
предусмотрено устройство дренажа. Дренаж запроектирован из асбестоцементных
напорных труб марки «ВТ-9» по ГОСТ 539-80* В трубах сверлятся отверстия
диаметром 10 мм на расстоянии 200 мм друг от друга. Отверстия сверлятся с обеих
сторон трубы в шахматном порядке. Вокруг труб устраивается двухслойная обсыпка
из гравия и песка. Трубы укладываются на глубину 1.66-2.43м от поверхности
земли до низа трубы с уклоном 0.003. На сети устраиваются смотровые колодцы
диаметром 1000 мм из сборных железобетонных элементов ГОСТ8020-90 по типовому
проекту 902-09-22.84 выпуск 2. Выпуск дренажа предусматривается в проектируемый
коллектор, прокладываемый по дну существующего оврага.
6. ЭКОЛОГИЧНОСТЬ ПРОЕКТА
6.1 Мероприятия по снижению уровня шума при строительстве и эксплуатации
6.1.1 Источники возникновения шума
Шумовое загрязнение образуется в результате увеличения интенсивности и
повторяемости шума сверх природного уровня.
Человек с самого рождения окружён шумом и в течение всей своей жизни
находится под его воздействием.
Шум бывает промышленный, транспортный, уличного движения и бытовой.
Значительный шум в городах и посёлках создают транспортные средства.
Железнодорожный транспорт на современном путевом основании является самым
высоким источником экологического шума.
Источниками шума в жилых и общественных зданиях является шум с улицы с
его непрерывным и монотонным характером. Особенно беспокоит этот шум тех
жильцов, квартиры которых выходят на улицы. В помещениях, находящихся в
зданиях, расположенных на открытых местностях, имеющих скверы с большими
деревьями, шум значительно ниже, особенно это наблюдается летом, когда деревья
покрыты листвой.
Кроме уличных шумов, источниками шума в здании могут быть бытовые шумы,
например неисправности в системе водоснабжения. Но могут быть шумы и от
обслуживающих механизмов.
В природе также существует шум в виде естественных звуков: шорох листьев,
пение птиц, шум дождя и так далее.
По характеру спектра шум подразделяется на:
широкополосной с непрерывным спектром шириной более одной октавы;
тональный, в спектре которого имеются выраженные дискретные тона.
По временным характеристикам шум подразделяется на:
постоянный, с изменением не более чем на 5 дБА;
непостоянный, с изменением более чем на 5 дБА.
Кроме того, непостоянный шум подразделяется на колеблющийся во времени:
прерывистый, уровень звука которого ступенчато изменяется на 5 дБА и
более. Длительность интервалов, в течение которых уровень звука остается
постоянным, составляет 1 с и более;
импульсивный, состоящий из одного или нескольких звуковых сигналов,
каждый длительностью менее 1 с, при этом уровни звука отличаются не менее чем
на 7.
6.1.2 Показатели, характеризующие шум
С физиологической точки зрения шумом является любой звук, неприятный для
восприятия, мешающий разговорной речи и неблагоприятно влияющий на здоровье
человека.
Объективно действие шума проявляется в виде повышенного кровяного
давления, учащённого пульса и дыхания, снижения остроты слуха, ослабления
внимания, некоторого нарушения координации движения и снижения
работоспособности. Субъективно, действие шума может выражаться в виде головной
боли, головокружения, бессонницы, общей слабости. Комплекс изменений,
возникающих в организме под влиянием шума рассматривается, как «шумовая
болезнь».
Основой нормирования шума является ограничение звуковой энергии,
воздействуещей на организм человека в течение рабочей смены, значениями,
безопасными для его здоровья и работоспособности. Для жилых и общественных
зданий нормирование производиться по СН 3077-84 «Санитарные нормы допустимого
шума в помещениях жилой застройки, общественных зданий и на территории жилой
застройки».
Оценка шумового загрязнения окружающей среды осуществляется с помощью
следующих показателей:
предельно допустимый уровень шума ПДУШ, дБА. Шум с таким уровнем при
ежедневном систематическом воздействии в течение многих лет не должен вызывать
отклонений в состоянии здоровья человека, а особенно ребёнка и мешать
нормальной трудовой деятельности;
допустимый уровень шума ДУШ, дБА, при котором длительное систематическое
вредное воздействие шума на человека не проявляется или проявляется
незначительно.
допустимый уровень ультразвука ДУУ, дБ, при таком уровне длительного
систематического воздействия на организм человека не проявляется или
проявляется незначительно.
6.1.3 Средства и методы защиты от шума
Проблема снижения шума имеет громадное значение в улучшении окружающей
среды.
Работа двигателей различных транспортных средств и агрегатов создает в
посёлке шум. Как физическое явление шум представляет сочетание звуков различной
силы и высоты.
По санитарным нормам, человек может переносить без особых последствий в
течение продолжительного времени шум уровнем до 40 дБА. Разработка мероприятий
по борьбе с производственным шумом должна начинаться на стадии проектирования
технологических процессов и машин, генерального плана предприятия, а также
технологической последовательности операций. Этими мероприятиями могут быть
уменьшение шума в источнике возникновения; снижение шума на путях его
распространения; архитектурно - планировочные мероприятия; совершенствование
технологических процессов и машин; акустическая обработка помещений.
Архитектурно - планировочные мероприятия предусматривают меры защиты от
шума, начиная с разработки генерального плана. Наиболее шумные и вредные
производства рекомендуется компоновать в отдельные комплексы с обеспечением
санитарных разрывов. При планировке помещений нужно предусматривать максимально
возможное удаление малошумных помещений от помещений с шумным технологическим
оборудованием. В посёлке здание детсада расположено в области акустической
тени, внутри жилой застройки, что значительно снижает уровень шума.
К технологическим мероприятиям по борьбе с шумом относится выбор таких
технологических процессов, в которых используются механизмы и машины,
возбуждающие минимальные динамические нагрузки.
В случаях, когда техническими мероприятиями не удаётся снизить шум до
допустимых пределов, используют индивидуальные средства. К ним относятся
наушники, вкладыш из ультратонкого волокна, противошумные каски, действие
которых основано на изоляции и поглощении звука.
Средства индивидуальной защиты снижают уровень шума до допустимых
пределов на всех частотах спектра, не оказывают чрезмерного давления на ушную
раковину, не снижают восприятие речи, не заглушают звуковые сигналы опасности,
отвечают необходимым гигиеническим требованиям.
Борьба с шумом имеет жизненно важное значение, и ведут ее в различных
направлениях. Снижение уровня шума обеспечивается градостроительными
мероприятиями, объемно-планировочными решениями, конструктивными решениями.
Прежде всего, положительные результаты дают градостроительные мероприятия -
функциональное зонирование и структурное членение территории; использование
пересеченного рельефа местности с расположением автомобильных дорог в
понижениях; применение экранирующей застройки, защитного озеленения, экранов из
бетонных плит или др. искусственных материалов. К объемно-планировочным
мероприятиям относятся защита помещений квартир; защита внутреннего
пространства застройки, где в области акустической тени располагают детские
учреждения, площадки для отдыха населения.
Под звукоизоляцией строительных ограждающих конструкций понимается ее
свойство препятствовать передаче в соседнее помещение падающей на нее звуковой
энергии. Уменьшение передачи звука в зданиях связано с двумя принципиально
различающимися понятиями: поглощение его ограждающими конструкциями или
специальными облицовками стен и потолков материалами с высокой структурной
пористостью, поглощающими большую часть энергии падающего на них звука
(звукопоглощение), и ослабление передачи звука, достигаемое звукоизоляцией этих
ограждающих конструкций. Очень часто оба указанных процесса происходят
одновременно: падающие на ограждающую конструкцию звуковые волны частично отражаются
обратно, частично поглощаются, превращаясь в тепло, частично проходят сквозь
преграду. Максимальная звукоизоляция обеспечивается с учетом возможности
прохождения звука непосредственно через стену, через конструкцию пола и
потолка, утечки звука через щели. Пропускающие звук щели возникают во время
монтажных работ. Размеры щелей могут варьироваться от долей миллиметров до
нескольких миллиметров. Прохождение звука через щели предотвращается за счет их
заделки уплотнительной лентой или герметиком. Основное назначение уплотнений
заключается в обеспечении воздухонепроницаемости конструкций, что в
соответствии со звукотехникой дает является основным условием для
конструктивных решений.
В данном дипломном проекте в конструкции стены используется эффективный
утеплитель фирмы «Пеноплекс», который поглощает большую часть звуковых волн от
внешних источников шума, а также значительно уменьшает риск возникновения
вертикальных звуковых волн между поверхностями стены, улучшает воздушную
звукоизоляцию помещения, звукопоглощающие свойства материала, сокращает время
ревербитации, и тем самым, снижает звуковой уровень в соседних помещениях.
Конструкция окон представляет спаренные стекла с воздушной прослойкой
(стеклопакеты с тройным сотеклением по ГОСТ 24700-99).
В качестве перекрытий применяем пустотные плиты. Что касается устранения
шума с помощью одних только плит перекрытий, то это практически невозможно.
Чтобы обеспечить нормативные требования к несущим плитам, выбран вариант
устройства полов из линолеума на теплозвукоизолирующей основе толщиной 7 мм.
6.1.4 Понижение уровня шума с помощью защитного озеленения
Большую роль в борьбе с шумом играют зеленые насаждения. Установлено, что
кроны лиственных деревьев поглощают 26% падающей на них звуковой энергии, а
отражают и рассеивают 74% этой энергии. Для получения заметного шумозащитного
эффекта посадки должны быть густыми, имеющими плотную зеленую массу крон
деревьев и кустарников. Акустический эффект снижения уровня звука определяют
такие факторы как ширина полосы, дендрологический состав и конструкция посадок.
Посадка деревьев в полосе может быть рядовая или шахматная. При этом
шахматная посадка более эффективна для снижения шума.
Шумозащитные посадки должны одновременно служить защитой от выхлопных
газов автомобилей, и при выборе растений следует учитывать их газостойкость.
При густом озеленении обеспечивается не только экранирующий эффект, но и
создаётся дополнительное шумоглушение за счёт поглощения и отражения звука
внутри зелёной массы. Чем плотнее сформирована полоса зелёных насаждений
определенного дендрологического состава, тем менее проницаемым для звука
становится такой экран.
Шумозащитные свойства также присущи специальной полосе зелёных
насаждений, состоящей из одного - двух рядов кустарников плотной посадки одного
- двух рядов деревьев с сомкнутыми кронами при плотности листвы более 0,8.
Такой плотности можно добиться с помощью двухъярусной полосы деревьев посадкой
их в «шахматном» порядке.
При использовании территории санитарно-защитных зон вокруг промышленных и
коммунальных предприятий для размещения шумозащитных полос насаждений следует
применять древесно-теневой метод, при котором осуществляется многорядная
посадка деревьев. Чередуются главные и сопутствующие теневые породы внутри ряда
или ряды главной и сопутствующей пород. Деревья основной породы высаживаются
через 3-4 м в ряду, деревья сопутствующих пород - через 2-2,5 м. Крупные
кустарники высаживаются на расстоянии 1-1,5 м друг от друга, мелкие - 0,5 м.
7. НАУЧНО-ИССЛЕДОВАТЕЛЬСКАЯ РАБОТА
.1 Теория календарно-сетевого планирования и управления (КСПУ)
Проект как объект управления изучается в таком разделе современной теории
управления как управление проектами (УП). Исторически сложились четыре обширных
раздела теории управления проектами.
Календарно-сетевое планирование и управление (КСПУ),
использующее методы теории графов для построения и оптимизации сетевого графика
проекта и распределения ресурсов. Это направление появилось в начале 50-х годов
XX века и долгое время под управлением проектами понималось именно КСПУ.
«Методология» управления проектами, отражающая сложившуюся на
сегодняшний день терминологию и успешный опыт реализации проектов. Это
направление, которое условно можно считать разделом менеджмента, выделилось в
самостоятельное в начале 80-х годов XX века, и сегодня большинство, как
теоретических исследований, так и практико-ориентированных работ по управлению
проектами, относятся именно к этому направлению.
Механизмы управления проектами - организационные процедуры
принятия управленческих решений, основывающиеся на разработке и анализе
математических моделей организационного управления проектами. Это направление
появилось в начале 70-х годов XX века и может рассматриваться как разделобщей
математической теории управления организационными и социально-экономическими
системами.
Информационные системы управления проектами (ИСУП), позволяющие
получать, хранить, перерабатывать и использовать для принятия решений
информацию о проекте и его окружении. Информационное обеспечение УП стало
самостоятельным направлением информационных систем с середины 80-х годов XX
века, и на сегодняшний день существует множество программных средств управления
проектами самого разного масштаба.
Совокупность моделей и методов, использующих язык и результаты теории графов
и ориентированных на решение задач управления проектами, получила название
календарно-сетевого планирования и управления (КСПУ).
В рамках КСПУ решаются задачи определения последовательности выполнения
операций и распределения ресурсов между ними, оптимальных с точки зрения тех
или иных критериев (времени выполнения проекта, затрат, риска).
Теория графов - раздел дискретной математики. Неформальное определение
графа таково: графом называется совокупность вершин (изображаемых кружками) и
связей между ними, изображаемых ориентированными дугами (со стрелками) или
неориентированными ребрами (без стрелок) - рисунок 7.1.
Рисунок 7.1, Пример графа
Язык графов оказывается удобным для моделирования многих физических,
технических, экономических, биологических, социальных и других систем.
Приведем ряд примеров приложений теории графов:
а) «Транспортные» задачи, в которых вершинами графа являются пункты
погрузки/разгрузки, а ребрами - дороги (автомобильные, железные или другие транспортные
(например, авиационные) маршруты. Другой пример - сети снабжения
(энергоснабжения, газоснабжения, снабжения товарами ), в которых вершинами
являются пункты производства и потребления, а ребрами или дугами - возможные
маршруты перемещения (линии электропередач, газопроводы, дороги).
Соответствующий класс задач оптимизации потоков грузов, размещения пунктов
производства и потребления, иногда называется задачами обеспечения или задачами
о размещении. Их подклассом являются задачи о грузоперевозках;
б) «Технологические задачи», в которых вершины отражают производственные
элементы (заводы, цеха, станки), а дуги - потоки сырья, материалов и продукции
между ними, заключаются в определении оптимальной загрузки производственных
элементов и обеспечивающих эту загрузку потоков;
в) Обменные схемы, являющиеся моделями таких явлений как бартер,
взаимозачеты и так далее. Вершины графа при этом описывают участников обменной
схемы (цепочки), а дуги - потоки материальных и финансовых ресурсов между ними.
Задача заключается в определении цепочки обменов, оптимальной с точки зрения,
например, организатора обмена и согласованной с интересами участников цепочки и
существующими ограничениями;
г) Управление проектами с точки зрения теории графов проект -
совокупность операций и зависимостеймежду ними (сетевой график). Хрестоматийным
примером является проект строительства некоторого объекта;
д) Модели коллективов и групп, используемые в социологии, основываются на
представлении людей или их групп в виде вершин, а отношений между ними
(например, отношений знакомства, доверия, симпатии и так далее) - в виде ребер
или дуг. В рамках подобного описания решаются задачи исследования структуры
социальных групп, их сравнения, определения агрегированных показателей,
отражающих степень напряженности, согласованности взаимодействия.
ЗАКЛЮЧЕНИЕ
В выпускной квалификационной работе были разработаны следующие разделы:
архитектурно-строительный, расчетно-конструктивный,
технологический, организационный, безопасность и экологичность.
В архитектурно-строительном разделе проведено описание архитектуры дома,
определены технико-экономические показатели, выполнена привязка к местности,
выбраны конструкции здания.
В расчетно-конструктивном разделе выполнен расчет свайных фундаментов.
В технологическом разделе разработана технологическая карта на
кладочно-монтажный процесс, определены механизмы для производства работ, в
организационном - разработан строительный генеральный план и выполнены расчеты
объектов основного строительного хозяйства.
В разделах выпускной квалификационной работы по безопасности и
экологичности разработаны вопросы по: охране окружающей среды по окончании
строительства; охране труда при выполнении работ нулевого цикла; защите объекта
от возможного подтопления; мероприятия по снижению уровня шума при
строительстве и эксплуатации (источники возникновения шума, показатели,
характеризующие шум, средства и методы защиты от шума, понижение уровня шума с
помощью защитного озеленения).
СПИСОК ИСПОЛЬЗОВАННЫХ ИСТОЧНИКОВ
1.
СП 118.13330.2012.
Свод правил. Общественные здания и сооружения. утв. приказом Министерства
регионального развития Российской Федерации (Минрегион России) №636/10 от
29.12.2011- Актуализация СНиП 31-06-2009 введ. 01.01.2013. - М: Национальные
стандарты 2012.-12с.
2.
СНиП 21.01.97
Строительные нормы и правила. Пожарная безопасность зданий и сооружений: утв.
постановлением Минстроя России от 13.02.97г № 18 - 7. - М.: Государственные
стандарты 1997.-50с
3.
СП 70.13330.2012
Свод правил. Несущие и ограждающие конструкции. утв. приказом Минисерства
регионального развития Российской Федеации (Минрегион России) от 25 декабря
2012 г. № 109/ГС Актуализация СНиП 3.03.01-87 введ. 1 июля 2013 г. - М.:
Национальные стандарты 2013. - 102с.
4.
СП 20.13330.2011
Свод правил. Нагрузки и воздействия: утв. приказом Минисерства регионального
развития Российской Федерации (Минрегион России) от 19.11.2008 № 858. -
Актуализация СНиП 2.01.07 - 85: введ. 01.01.2011. - М.: Национальные стандарты, 2012.-
75с.
5.
СП 15.13330.2012
Свод правил. Каменные и армокаменные конструкции утв. приказом Министерства
регионального развития Российской Федерации от 29 декабря 2011 г. № 635/5 -
Актуализация : СНиП II -22-81. введ.
29 декабря 2011. - М.: Национальные стандарты 2012. - 50с.
6.
Строительные
нормы и правила: СНиП 2.02.01-83. Основания зданий и сооружений/ Госстрой СССР.
- М.: Стройиздат, 1985. - 40с. с изменениями №1,2.
7.
СНиП 23-01-99.
Строительные нормы и правила. Строительная климатология и геофизика: утв.
постановлением Госстрой России от 1999-06-11.- Актуализация СНиП 2.01.01-82;
введ. 01.01.2000.-
М.: ГУП ЦПП № 2000 ГУП ЦПП №2003-65с.
8.
СП 50.13330.2012
Свод правил. Тепловая защита зданий: утв. приказом Министерства регионального
развития РФ (Минрегион России) №265 от 30.06.2012 - Актуализация СНиП
23-02-2003; введ.01.07.2012.-М; Национальные стандарты, 2011.- 50с.
9.
СНиП 12-03-99.
Строительные нормы и правила. Безопасность труда в строительстве: утв. приказом
Минисерства регионального развития РФ (Минрегион России) от 14.03.2001 № 47 -
Актуализация СНиП III-4-80; введ. 12-05-2001. - М.: Стройиздат, 2002. - 145 с.
10.Архитектура гражданских и промышленных зданий. В 5 т.
Учеб. для вузов. Т 3. Жилые здания /Под общ. ред. К.К. Шевцова. - М.: Стройиздат, 1983. - 239 с.
12.Бондаренко В.М., Суворкин Д.Г. Железобетонные и
каменные конструкции: Учеб. для студентов вузов по спец. «Промышленное и гражданское
строительство» - М.: Высш.шк., 1987. 384 с.: ил
13.Конструкции гражданских зданий: Учебн. пособие для
вузов/ Т.Г. Маклакова, С.М. Нанасов, Е.Д. Бородай и др.; Под ред. Т.Г,
Маклаковой.- М.:
Стройиздат, 1986.-
135 с.
14.Байков В.Н., Сигалов Э.Е. Железобетонные конструкции:
Общий курс. Учебник для вузов. -4-е издание перераб. -М.:Стройиздат, 1985. -728
с.
15.Технология строительного производства/В.Н. Сизов, И.Я.
Руденко-Морган, Г.Р. Тхиладзе и др.; Под общ. ред. В.Н. Сизова.- М.: Высшая школа, 1964. - 614 с.
16.Технология строительного производства: Учебн. для
вузов/ А.П. Коршунова, Н.Е. Муштаева, В.А. Николаев и др.; Под ред. М.Я.
Сенаторова.- М.:
Стройиздат, 1982.-
288 с.
17.Справочник мастера- строителя/ В.А. Анзигитов, А.П.
Котов, А.П. Новак и др.; Под ред. Д.В. Коротеева. - 2-е изд., перераб. и доп.- М.: Стройиздат, 1989.- 544 с.: ил.
18.Стреловые самоходные краны и строповка грузов: Справ.
изд./ Ткач Л.Н., Слейчук Н.А., Носков А.И. и др.- М.: Металлургия, 1990.- 272 с.
19.Строительные краны: Справочник/ В.П. Станевский, В.Г.
Моисеенко, И.П. Колесник, В.В. Кожушко; Под общ. ред. канд. техн. наук В.П.
Станевского.- К.:
Будивельник, 1984.-
240 с.
20.Строительные машины. Справочник в 2-х т. Под ред. д-ра
техн. наук В.А. Баумана и инженера Ф.А. Лайкра. Т. 1. Машины для строительства
промышленных, гражданских, гидротехнических сооружений и дорог. Изд. 4-е,
перераб. и доп. М., «Машиностроение», 1976.- 502 с.: ил.
21.Альбом рекомендаций для разработки проектов работ на
строительство зданий и сооружений/ Проектно-технологический трест
«Оргтехстрой».- Вологда, 1989.- 95 с.
22.Дикман Л.Г. Организация и планирование строительного
производства. Управление строительными организациями, основами АСУ: Учебник для
строительных вузов и фак.-
М.: Высш. шк., 1988.-
559 с.
23.Дикман Л.Г. Организация жилищного гражданского
строительства.- М.:
Стройиздат, 1990.-
495 с. (Справочник строителя).
24.ЕНиР-87. Сб. 1, 3, 4, 5-8, 19, 20.- М.: Стройиздат, 1987 - 1990.
25.Каталог зональных единичных расценок общеотраслевого
назначения на строительные конструкции и работы промышленного и гражданского
строительства в Вологодской области. - Том III.- Вологда, 1983.-
463 с.
26.Пособие по разработке проектов организации
строительства и проектов производства работ для жилищно-гражданского
строительства/ к СНиП 3.01.01-85/ ЦНИИОМТП.- М.: Стройиздат, 1989.- 160 с.
27.Пчелинцев В.А. и др. Охрана труда в строительстве:
учебн. для строит. вузов.-
М.: Высшая школа, 1991.-
272 с.
28.Седельников Ф.И. Безопасность жизнедеятельности (охрана
труда): учебное пособие- Вологда: ВоГТУ - 388с.
29.Расход материалов на общестроительные работы: Справ./
С.И. Днипровский, В.И. Лубяной, В.А. Прохоровский, Г.С. Таций.- 2-е изд., перераб.- К.: Будивельник, 1986.- 559 с.
30.Сборник производственных норм расхода строительных
материалов/ Вологдагражданстрой.- Вологда, 1976.- 176 с.
31.О.В. Георгиевский. Правила выполнения
архитектурно-строительных чертежей.- М.: Интербук-бизнес, 1996.- 80 с.