Прибор для измерения линейных перемещений

  • Вид работы:
    Курсовая работа (т)
  • Предмет:
    Информатика, ВТ, телекоммуникации
  • Язык:
    Русский
    ,
    Формат файла:
    MS Word
    920,76 Кб
  • Опубликовано:
    2017-05-04
Вы можете узнать стоимость помощи в написании студенческой работы.
Помощь в написании работы, которую точно примут!

Прибор для измерения линейных перемещений














Прибор для измерения линейных перемещений

Содержание

 

Введение

1. Обзор литературы

1.1 Обзор первичных измерительных преобразователей

1.2 Обзор измерительных цепей

2. Выбор и обоснование направления проектирования

2.1 Выбор измерительного преобразователя

2.2 Выбор измерительной цепи

3. Выбор и расчет структурной схемы

3.1 Расчёт измерительного преобразователя

3.2 Расчет функциональной схемы

4. Выбор отсчетного устройства

5. Анализ метрологических характеристик

Заключение

Список использованных источников

Исходные данные

 

1.       Диапазон измерения, 0 - 5 мм;

2.       Допустимая основная погрешность не более, % 0,5

.        Питание прибора от сети переменного тока напряжением (220±22) В, частотой (50±0,5) Гц

.        Диапазон рабочих температур: (-20÷ +30)°С.

Содержание работы:

Пояснительная записка.

Техническое задание на проектирование датчика линейных перемещений.

Область применения.

Датчик линейного перемещения относится к области измерительной техники, в частности к технике определения величины линейного или углового механического перемещения какого-либо объекта.

Назначение.

Датчик линейного перемещения предназначен для преобразования линейных перемещений объекта измерения в электрический сигнал (пропорциональный, аналоговый или цифровой).

Технические требования

.1 Показатели назначения изделия

.1.1 Пределы измерения

Диапазон рабочих температур - 20°С - +30°

Диапазон измерения 0 - 5 мм;

.1.2 Основная погрешность измерений: не более 0,5%

.2 Условия эксплуатации

.2.1 Нормальные условия:

Температура окружающей среды (20±5) *С

Давление (750-762 мм. рт. ст)

Влажность (60-80) %

.2.2 Рабочие условия:

Питание прибора от сети переменного тока напряжением (220+/-22 В)

Частота (50+/-0,5 Гц)

Влажность (30-80%)

Давление (740-770 мм. рт. ст)

датчик перемещение измерительный преобразователь

Реферат

 

Курсовая работа состоит из 40 страниц, пояснительной записки, 22 рисунков.

Ключевые слова: измерительный преобразователь, измерительная цепь, источник питания, ёмкость, погрешность.

В работе разработан прибор для измерения перемещения от 0 до 5 мм класса точности 0,5.

Вывод информации осуществляется на вольтметр.

Введение


Измерения - единственный способ получения количественной информации о величинах, характеризующих те или иные физические явления или процессы. Поэтому развитие науки и техники на современном этапе немыслимо без применения измерений. Они необходимы при проведении исследований, разработки новых машин, механизмов, аппаратов, а также непосредственном осуществление сложных производственных процессов в современной промышленности.

Современная практика требует измерений множества физических величин, подавляющее большинство которых в процессе измерений преобразуется в электрические величины и измеряется методами и средствами электрических измерений. При этом число подлежащих измерению механических, тепловых, химических, оптических или акустических величин, т.е. так называемых неэлектрических величин, интересующих науку и производство, во много раз больше числа всех возможных электрических и магнитных величин. Поэтому измерение неэлектрических величин достигло сейчас высокого развития и образует наиболее крупную область современной электроизмерительной техники, а производство приборов для измерения различных неэлектрических величин составляет основную часть приборостроительной промышленности. Смысл действия всех электроизмерительных приборов в конечном итоге заключается в том, что с их помощью измеряемая величина преобразуется в определенное механическое перемещение указателя или электрический сигнал, который может быть воспринят с необходимой достоверностью. Подобно этому строятся многие измерительные приборы.

Однако развитие измерительной техники показало, что наиболее удобным является такое преобразование различных измеряемых величин, результат которого представлен не в виде механического перемещения, а в виде электрической величины. Тогда для всех последующих операций, будь то передача, регистрация, математическая обработка или управление, может быть использована стандартная электрическая аппаратура.

В современных условиях, когда измерительная информация от приборов непосредственно поступает в автоматически управляющее устройства, господствующее положение при измерении любых физических величин заняли электрические средства измерений благодаря присущим им, следующим преимуществам.

.        Исключительная простота изменения чувствительности приборов в широком диапазоне значений измеряемой величины, т.е. широкий амплитудный диапазон. Использование электроники позволяет в тысячи раз усиливать электрические сигналы, следовательно, в такое же число раз усиливать чувствительность аппаратуры. Благодаря этому электрическими методами можно измерять такие величины, которые другими методами вообще не могут быть измерены.

2.       Весьма малая инерционность электрической аппаратуры, т.е. широкий частотный диапазон. Это дает возможность измерять как медленно меняющиеся, так и весьма быстро меняющиеся во времени величины.

.        Возможность измерения на расстоянии, в недоступных местах, возможность централизации и одновременности измерения многочисленных и различных по своей природе величин, т.е. возможность создания комплексных информационно-измерительных систем, возможность передачи результатов измерения на большие расстояния, математической обработки этих результатов и использования их для управления (создания управляющих систем).

.        Возможность комплектования измерительных и обслуживаемых ими автоматических систем из блоков однотипной электрической аппаратуры.

1. Обзор литературы


Датчик перемещения - это прибор, предназначенный для определения величины линейного или углового механического перемещения какого-либо объекта. Разумеется, подобные приборы имеют колоссальное количество практических применений в самых разнообразных областях, поэтому существует множество классов датчиков перемещения, которые различаются по принципу действия, точности, цене и прочим параметрам. Следует сразу отметить, что все датчики перемещения можно разделить на две основных категории - датчики линейного перемещения и датчики углового перемещения <#"902744.files/image001.gif">

Рисунок 1 - Устройство емкостного датчика

Емкocтной бecконтакный датчик функционирует следующим образом:

Генератор обеспечивает электрическое поле взаимодействия с объектом.

Демодулятор преобразует изменение амплитуды высокочастотных колебаний генератора в изменение постоянного напряжения.

Триггер обеспечивает необходимую крутизну фронта сигнала переключения и значение гистерезиса.

Усилитель увеличивает выходной сигнал до необходимого значения.

Светодиодный индикатор показывает состояние выключателя, обеспечивает работоспособности, оперативность настройки.

Компаунд обеспечивает необходимую степень защиты от проникновения твердых частиц и воды.

Активная поверхность емкостного бесконтактного датчика образована двумя металлическими электродами, которые можно представить как обкладки "развернутого" конденсатора (см. рисунок 1). Электроды включены в цепь обратной связи высокочастотного автогенератора, настроенного таким образом, что при отсутствии объекта вблизи активной поверхности он не генерирует. При приближении к активной поверхности емкостного бесконтактного датчика объект попадает в электрическое поле и изменяет емкость обратной связи. Генератор начинает вырабатывать колебания, амплитуда которых возрастает по мере приближения объекта. Амплитуда оценивается последующей схемой обработки, формирующей выходной сигнал.

В основе работы датчиков данного типа лежит взаимосвязь ёмкости конденсатора с его геометрической конфигурацией. В простейшем случае речь идёт об изменении расстояния между пластинами вследствие внешнего физического воздействия (рисунок 1.1). Поскольку ёмкость конденсатора изменяется обратно пропорционально величине зазора между пластинами, определение ёмкости при прочих известных параметрах позволяет судить о расстоянии между пластинами. Изменение ёмкости можно зафиксировать различными способами (например, измеряя его импеданс), однако в любом случае конденсатор необходимо включить в электрическую цепь.

Рисунок 1.1 - Емкостной датчик линейного перемещения с изменяющейся величиной зазора.

Другой схемой, где выходным параметром является электрическая ёмкость, является схема, содержащая конденсатор с подвижным диэлектриком (Рисунок 1.2). Перемещение диэлектрической пластины между обкладками конденсатора также приводит к изменению его ёмкости. Пластина может быть механически связана с интересующим объектом, и в этом случае изменение ёмкости свидетельствует о перемещении объекта. Кроме того, если сам объект обладает свойствами диэлектрика и имеет подходящие габариты - он может быть использован непосредственно в качестве диэлектрической среды в конденсаторе.

Рисунок 1.2 - Емкостной датчик линейного перемещения с подвижным диэлектриком.

В основу принципа действия могут быть положены:

. Изменение расстояния между обкладкам (Рисунок 1.3 а);

Емкость такого датчика, пренебрегая краевыми эффектами, равна:

С = ε ε0 А/х

Недостаток данной конструкции: уравнение преобразования ЕИП перемещения, основанного на изменении расстояния между электродами, имеет нелинейную (гиперболическую) функцию преобразования

. Изменение площади перекрытия обкладок (Рисунок 1.3 б); Преобразователь с изменяющейся площадью пластин может быть выполнен в виде плоского конденсатора, уравнение преобразования которого

С (х) = ε 0bx/d.

По сравнению с предыдущей конструкцией датчик имеет линейную зависимость от х. Реально линейная зависимость искажается из-за краевого эффекта.

Обычно этот тип преобразователя реализуется или в виде конденсатора с цилиндрическими электродами, или в виде поворотного конденсатора для измерения угловых перемещений.

. Изменение диэлектрической проницаемости диэлектрика или его части (Рисунок.1.3 в, г) [3,4].

ЕИП с изменением положения диэлектрика имеет функцию преобразования

С (х) = С0 [1+х/а (ε г - 1)]

где С0 = С (0) = + ε0 ab/d.

Этот преобразователь имеет линейную функцию преобразования. Чаще всего он выполняется с цилиндрическими электродами и используется для измерения уровня неэлектропроводной жидкости в резервуаре. Непроводящая жидкость играет роль диэлектрика.

К достоинствам емкостных ИП можно отнести:. Принципиальное отсутствие шумов;. Отсутствие самонагрева;. Простоту конструкции, малую массу и габариты;. Возможность соответствующим выбором формы подвижного и неподвижного электродов получить заданную функциональную зависимость между изменением емкости и входным линейным или угловым перемещением (в преобразователях с переменной площадью перекрытия электродов);. Малую силу притяжения электродов;. Возможность применения как для статических, так и для динамических измерений.

Недостатками емкостных преобразователей являются:. Малая емкость и высокое выходное сопротивление преобразователя;. Зависимость результата измерения от изменения емкости кабеля.

Рисунок 1.3 - Емкостные ИП: а) с изменяющимся расстоянием между обкладкам; б) с изменяющейся площадью перекрытия обкладок; в) с изменяющейся диэлектрической проницаемости диэлектрика.

К погрешностям емкостных ИП можно отнести:. Погрешности, обусловленные зависимостью емкости от внешних условий;. Погрешность, обусловленную паразитными токами утечки.. Погрешность, обусловленную влиянием паразитных емкостей между электродами и заземленными деталями конструкции, между жилой соединительного кабеля и его заземленным экраном.

1.1.1 Оптические датчики перемещения

Существует множество вариаций схем датчиков перемещения, основанных на различных оптических эффектах. Пожалуй, наиболее популярной является схема оптической триангуляции - датчик положения является, по сути, дальномером, который определяет расстояние до интересующего объекта, фиксируя рассеянное поверхностью объекта излучение и определяя угол отражения, что даёт возможность определить длину (Рисунок 1.4). Важным достоинством большинства оптических датчиков является возможность производить бесконтактные измерения, кроме того такие датчики обычно довольно точны и имеют высокое быстродействие.

 

Рисунок 1.4 - Оптический датчик перемещения на основе схему оптической триангуляции.

В другой реализации оптического датчика, предназначенной для регистрации и определения параметров малых перемещений и вибраций, используется двойная решётчатая конструкция, а также источник света и фотодетектор (рисунок 1.5).

Одна решётка неподвижна, вторая подвижна и может быть механически закреплена на интересующем объекте или каким-либо способом передавать датчику его движение. Малое смещение подвижной решётки приводит к изменению интенсивности света, регистрируемой фотодетектором, причём с уменьшением периода решётки точность датчика возрастает, однако сужается его динамический диапазон.

Рисунок 1.5 - Оптический датчик перемещения на основе дифракционных решеток.

Дополнительными возможностями применения обладают оптические датчики, учитывающие поляризацию света. В таких датчиках может быть реализован алгоритм селекции объектов по отражательным свойствам поверхности, т.е. датчик может "обращать внимание" только на объекты с хорошей отражающей способностью, прочие объекты игнорируются. Разумеется, чувствительность к поляризации негативно сказывается на стоимости подобных устройств.

1.1.2 Индуктивные датчики перемещения

В одной из конфигураций датчика данного типа чувствительным элементом является трансформатор с подвижным сердечником. Перемещение внешнего объекта приводит к перемещению сердечника, что вызывает изменение потокосцепления между первичной и вторичной обмотками трансформатора (рисунок 1.6). Поскольку амплитуда сигнала во вторичной обмотке зависит от потокосцепления, по величине амплитуды вторичной обмотки можно судить о положении сердечника, а значит и о положении внешнего объекта.

Рисунок 1.6 - Индуктивный датчик перемещения на трансформаторе.

Другая конфигурация имеет более простую схему, однако она пригодна лишь для небольшого количества приложений, где требуется определять незначительные перемещения или вибрации объектов, состоящих из ферромагнитного материала. В данной схеме интересующий ферромагнитный объект играет роль магнитопровода, положение которого влияет на индуктивность измерительной катушки (рисунок 1.7).

 

Рисунок 1.7 - Индуктивный датчик перемещения для объектов из ферромагнитных материалов.

Принцип их действия основан на изменении собственной индуктивности катушки.

В настоящее время существуют следующие варианты конструктивного исполнения индуктивных преобразователей: с переменной длиной воздушного зазора, с переменной площадью воздушного зазора, соленоидальный, с переменными параметрами.

Рисунок 1.8 - Индуктивные ИП: а, б) с переменной длиной и площадью воздушного зазора; в) соленоидальные ИП; г) ИП с распределенными параметрами.

В преобразователях с переменной длиной или площадью воздушного зазора (рисунок 1.8 а, б) перемещение исследуемого объекта вызывает перемещение якоря 2. В результате этого изменяется магнитное сопротивление системы, что приводит к изменению индуктивности катушки 1, размещенной на магнитопроводе 3.

Преобразователи с переменной длиной воздушного зазора характеризуются высокой чувствительностью, но сравнительно малым диапазоном измерения. Они используются при малых перемещениях от единиц микрометров до единиц миллиметров (до 10 мм).

Преобразователь с меняющейся площадью воздушного зазора обладают линейной функцией преобразования и применяются при измерении перемещений порядка 5-20 мм.

Соленоидальные индуктивные преобразователи (рисунок 1.8 в) представляют собой преобразователи с разомкнутой магнитной цепью и работают на принципе изменения магнитного сопротивления участков рассеяния магнитного потока при перемещении якоря 2.

Преобразователи такого типа имеют худшие характеристики, по сравнению с преобразователями с переменной длиной или площадью воздушного зазора. Так как магнитный поток замыкается через воздух, их чувствительность ниже. Кроме того, они потребляют относительно большую мощность и, в связи с большим рассеянием магнитного потока, подвержены сильному влиянию магнитных полей. Функция преобразования не линейна. Подобные преобразователи применяются для измерения больших линейных перемещений (10-100 мм).

В преобразователях с распределенными параметрами (рисунок 1.8 г) изменение магнитного сопротивления происходит вследствие размагничивающего действия вторичных токов.

Данные преобразователи используются для измерения больших линейных перемещений.

Перечислим основные достоинства индуктивных ИП:. Большой диапазон измеряемых линейных и угловых перемещений;. Большая мощность выходного сигнала;. Высокая чувствительность;. Надежность;. Возможность питания от сети (для многих случаев).

Недостатками индуктивных ИП являются:. Большая инерционность;. Наличие электромагнитных сил притяжения [3].

Среди погрешностей индуктивных измерительных преобразователей можно выделить следующие:. Температурную погрешность, обусловленную температурным изменением активного сопротивления катушки, магнитной проницаемости материала магнитопровода и якоря и размеров магнитной цепи;. Погрешность, возникающая из-за действия силы притяжения якоря;. Погрешность линейности функции преобразования;. При работе преобразователей в мостовых схемах возникает погрешность из-за нестабильности напряжения и частоты питания моста, а также формы кривой питающего напряжения.

1.1.3 Вихретоковые датчики перемещения

Датчики данного типа содержат генератор магнитного поля и регистратор, с помощью которого определяется величина индукции вторичных магнитных полей. Вблизи интересующего объекта генератор создаёт магнитное поле, которое, пронизывая материал объекта, порождает в его объёме вихревые токи (токи Фуко), которые, в свою очередь, создают вторичное магнитное поле (Рисунок 1.9). Параметры вторичного поля определяются регистратором, и на их основании вычисляется расстояние до объекта, так как чем объект ближе, тем больший магнитный поток будет пронизывать его объём, что усилит вихревые токи и индукцию вторичного магнитного поля. Подобный принцип используется и в вихретоковых дефектоскопах, однако там на параметры вторичного магнитного поля влияет не расстояние до объекта, а наличие в его внутренней структуре скрытых несовершенств. Метод является бесконтактным, однако может применяться только для металлических тел.

Рисунок 1.9 - Вихретоковый датчик перемещения.

1.1.4 Ультразвуковые датчики перемещения

В ультразвуковых датчиках реализован принцип радара - фиксируются отражённые от объекта ультразвуковые волны, поэтому структурная схема обычно представлена источником ультразвуковых волн и регистратором (рисунок 1.10), которые обычно заключены в компактный корпус. Определение временной задержки между моментами отправки и приёма ультразвукового импульса позволяет измерять расстояние до объекта с точностью, доходящей до десятых долей миллиметра. Наряду с оптическими, ультразвуковые датчики на сегодняшний день являются, пожалуй, наиболее универсальным и технологичным бесконтактным средством измерения. Использование этого принципа измерений опять же можно найти в детекторах обнаружения дефектов, только на этот раз уже в ультразвуковых дефектоскопах.

 

Рисунок 1.10 - Ультразвуковой датчик перемещения.

1.1.5 Магниторезистивные датчики перемещения

В магниторезистивных датчиках перемещения используется зависимость электрического сопротивления магниторезистивных пластинок от направления и величины индукции внешнего магнитного поля. Датчик, как правило, состоит из постоянного магнита и электрической схемы, содержащей включённые по мостовой схеме магниторезистивные пластинки и источник постоянного напряжения (рисунок 1.11). Интересующий объект, состоящий из ферромагнитного материала, перемещаясь в магнитном поле, изменяет его конфигурацию, вследствие чего изменяется сопротивление пластинок, и мостовая схема регистрирует рассогласование, по величине которого можно судить о положении объекта.

 

Рисунок 1.11 - Магниторезистивный датчики перемещения.

1.1.6 Датчики на основе эффекта Холла

Датчики этого типа имеют конструкцию подобную конструкции магниторезистивных датчиков, однако в основу их работы положен эффект Холла - прохождение тока через проводник, на который воздействует внешнее магнитное поле, приводит к возникновению разности потенциалов в поперечном сечении проводника.

1.1.7 Магнитострикционные датчики перемещения

Как правило, магнитострикционный датчик представляет собой протяжённый канал - волновод, вдоль которого может свободно перемещаться постоянный кольцевой магнит. Внутри волновода содержится проводник, способный при подаче на него электрических импульсов создавать магнитное поле вдоль всей своей длины (рисунок 1.12). Полученное магнитное поле складывается с полем постоянного магнита, и результирующее поле создаёт момент вращения канала, содержащего волновод (эффект Вайдемана). Импульсы вращения распространяются по каналу в обе стороны со скоростью звука материала канала. Регистрация временной задержки между отправкой электрического импульса и приёма импульса вращения позволяет определить расстояние до постоянного магнита, т.е. определить его положение. Канал может иметь довольно большую длину (до нескольких метров), а положение магнита может быть определено с точностью до нескольких микрометров. Магнитострикционные датчики обладают отличной повторяемостью, разрешением, устойчивостью к неблагоприятным условиям и низкой чувствительностью к температурным изменениям.

 

Рисунок 1.12 - Магнитострикционный датчик перемещения.

1.1.8 Потенциометрические датчики перемещения

Датчик данного типа в своей основе имеет электрический контур, содержащий потенциометр (рисунок 1.13). Линейное перемещение объекта приводит к изменению сопротивления потенциометра (переменного резистора). Если через потенциометр пропускать постоянный ток, то падение напряжения на нём будет пропорционально величине сопротивления, и, следовательно, величине линейного перемещения интересующего объекта.

 

Рисунок 1.13 - Потенциометрический датчик перемещения.

        

1.1.9 Области применения емкостных датчиков

Возможные области применения емкостных датчиков чрезвычайно разнообразны. Они используются в системах регулирования и управления производственными процессами почти во всех отраслях промышленности. Емкостные датчики применяются для контроля заполнения резервуаров жидким, порошкообразным или зернистым веществом, как конечные выключатели на автоматизированных линиях, конвейерах, роботах, обрабатывающих центрах, станках, в системах сигнализации, для позиционирования различных механизмов и т.д. В настоящее время наиболее широкое распространение получили датчики приближения (присутствия), которые помимо своей надежности, имеют широкий ряд преимуществ. Имея сравнительно низкую стоимость, датчики приближения охватывают огромный спектр направленности по своему применению во всех отраслях промышленности. Типичными областями использования емкостных датчиков этого типа являются: сигнализация заполнения емкостей из пластика или стекла; контроль уровня заполнения прозрачных упаковок; сигнализация обрыва обмоточного провода;

регулирование натяжения ленты; поштучный счет любого вида и др. [5].

1.2 Обзор измерительных цепей


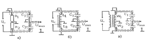
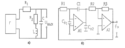
Существует множество различных измерительных цепей ЕИП. При построении измерительной цепи необходимо учитывать линейность зависимости выходного параметра цепи от измеряемой величины. Одной из трудностей построения измерительных цепей является их защита от наводок и исключение влияния паразитных емкостей. Кроме того, так как выходные мощности емкостных преобразователей малы, в измерительных цепях необходимо применять усилители. Наиболее распространенными являются измерительные цепи: в виде делителя напряжения, измерительные мосты, емкостно-диодные цепи, контурные цепи.

Цепь в виде делителя напряжения представлена в виде (рисунок 1.2.2 а). Одинарный емкостный ИП может быть включен в качестве С1 или С2. В случае дифференциального ИП его емкости образуют оба плеча делителя. При равенстве произведений R1C1 = R2C2, где R1 и R2 - сопротивления изоляции преобразователя, напряжение на выходе делителя в широком частотном диапазоне питающего напряжения определяется выражением

ВЫХ = U~ С1/ (С1+С2)

Погрешность такой цепи зависит от погрешностей ЕИП, погрешностей из-за нестабильности напряжения питания и погрешности указателя. На (рисунке 1.2.2 б) показана схема с использованием операционного усилителя (ОУ), построенная по принципу делителя напряжения. Выходное напряжение UВЫХ = U~C1/C2. Емкостный преобразователь может быть включен вместо С1 или С2 в зависимости от того, на каком принципе построен ЕИП, и какую функцию преобразования измерительной цепи необходимо реализовать. В данной схеме паразитные емкости Сп1 - Сп2 практически не влияют на работу измерительного устройства. Емкости Сп1 и СпЗ шунтируются низкими выходными сопротивлениями источника напряжения U~ и усилителя. Емкость Сп2 включена между входами ОУ и напряжение на ней близко к нулю.

Рисунок 1.2.2 - Измерительные цепи: а) цепь в виде делителя напряжения; б) цепь с использованием операционного усилителя.

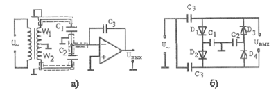
Мостовые измерительные цепи используются преимущественно с дифференциальными преобразователями. На рисунке 1.2.3 показаны некоторые варианты выполнения мостовых цепей. ЕИП включается в соседние плечи моста, в другие плечи моста включаются низкоомные резисторы (рисунок 1.2.3 а), взаимосвязанные индуктивности (рисунок 1.2.3 б), полуобмотки питающего трансформатора (рисунок 1.2.3 в).

Рисунок 1.2.3 - Мостовые измерительные цепи

Две паразитные емкости между жилами и экранами кабелей шунтируются малыми сопротивлениями (низкоомными резисторами, сопротивлениями индуктивностей, сопротивлениями обмоток трансформатора) нерабочих плеч моста и практически не влияют на работу мостовой схемы. Третья включается параллельно выходной диагонали моста. Обычно выходной сигнал цепи подается на усилитель и для уменьшения влияния емкости экранированного провода, соединяющего ЕИП с усилителем, применяется схема эквипотенциальной защиты. Для этой цели используются провода с двойным экраном.

При подсоединении выхода моста к инвертирующему входу ОУ (рисунок 1.2.4 а) необходимость в двух экранах отпадает. Выходное напряжение

ВЫХ = U~ С1/ (С1+С2).

Рисунок 1.2.4 - а) мостовая измерительная цепь с операционным усилителем; б) емкостно-диодная измерительная цепь.

Недостатком рассмотренных схем является то, что они могут использоваться для ЕИП, у которых все пластины изолированы от корпуса. При заземлении одной из пластин (обычно общей подвижной пластины) желательно элементы измерительной цепи располагать в одном корпусе с датчиком.

При работе дифференциального преобразователя с заземленной пластиной может использоваться емкостно-диодная измерительная цепь (рисунок 1.2.4 б). Если пренебречь падением напряжения на диодах, то

вых = U~ (C 1 - С2) / (С 1+С2+2С1С2/СЗ)

Если не предъявляется высоких требований к линейности характеристики преобразования, то в качестве измерительных цепей ЕИП могут быть использованы цепи резонансного L - С контура (рисунок 1.2.5 а), питаемого от генератора со стабильной частотой. При изменении емкости преобразователя сопротивление контура изменяется, при этом изменяется выходное напряжение, которое достигает максимума при частоте ω0 =√LC

При измерении физических величин с помощью емкостных ИП широко используются измерительные цепи с преобразованием емкости в частотно-временные сигналы. На (рисунке 1.2.5 б) показана одна из подобных цепей с использованием ОУ. Функция преобразования схемы, имеет следующий вид

=R3/ (4R1R2C1)

Рисунок 1.2.5 - а) цепь резонансного L - С контура; б) - цепь с преобразованием емкости в частотно-временной сигнал.

2. Выбор и обоснование направления проектирования


Выбор направления проектирования является одним из самых важных пунктов в курсовой работе. Выбор нужных схем, деталей и механизмов должен происходить с учетом важнейших практических сторон дела.

Именно в этом разделе закладывается фундамент для дальнейшего исполнения и расчета.

2.1 Выбор измерительного преобразователя


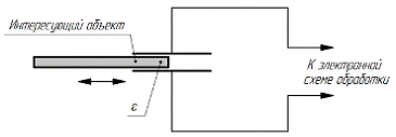
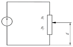
В результате анализа исходных данных и существующих (вышеуказанных) методов измерения перемещения был выбран плоскопараллельный емкостной датчик с изменяемой площадью перекрытия электродов.

Рисунок 2.1 - Плоскопараллельный емкостной датчик с изменяемой площадью перекрытия электродов.

Конструктивно датчик представляет собой две металлические пластины расположенный параллельно друг другу как изображено на рисунке 2.1 Площадь каждой пластины S=25 мм2, b=4мм, изменение перемещения подвижного электрода относительно неподвижного происходит в пределах от 0 до 110 мкм (d).

На конечный выбор ИП для проектируемого прибора повлияли следующие факторы:

принципиальное отсутствие шумов, в отличие от резистивных и индуктивных ИП;

отсутствие самонагрева;

простота конструкции;

малая масса и габариты;

возможность соответствующим выбором формы подвижного и неподвижного электродов получить заданную функциональную зависимость между изменением емкости и входным линейным или угловым перемещением (в преобразователях с переменной площадью перекрытия электродов);

малая сила притяжения электродов;

возможность применения, как для статических, так и для динамических измерений;

малая зависимость от температуры окружающей среды (важным техническим требованием проектируемого прибора является достаточно широкий диапазон изменения температуры);

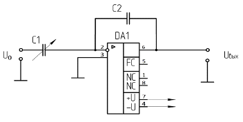
2.2 Выбор измерительной цепи


В результате анализа измерительных цепей, обзор которых приведен в разделе 2.1, выбрана схема, приведенная на рис 2.2 Измерительная цепь представляет собой ёмкостной делитель напряжения на операционном усилителе (рис.2.2). Датчик подключен к отрицательному входу операционного усилителя, на рисунке 2.2 датчик обозначен С1. Преимуществом является простота конструкции и малые значения паразитных ёмкостей. Выходное напряжение UВЫХ = U~C1/C2.

Рисунок 2.2 - Схема преобразователя емкости в напряжения.

3. Выбор и расчет структурной схемы


Выбор структурной схемы прибора во многом обусловлен выбором ПИП и измерительной цепи, их чувствительностью, значением величины выходного сигнала, диапазоном изменения выходного сигнала. Структурная схема прибора представлена на рисунке 3.1

Рисунок 3.1 - структурная схема: Д - датчик; ИЦ - измерительная цепь; ОУ - отсчетное устройство.

При последовательном соединении блоков измеряемая неэлектрическая величина X (линейное перемещение) с коэффициентом преобразования SД преобразуется емкостным датчиком в электрическую У1. Сигнал с выхода датчика подается на вход преобразователя ИЦ, который преобразует величину У1 в сигнал У2, информативным параметром которого является величина напряжения, измеряемая с помощью отсчетного устройства (вольтметра), шкала которого градуируется в единицах измеряемой величины (линейного перемещения).

Таким образом, уравнение преобразования прибора имеет вид

= SД * SИЦ * Х = SОБЩ * Х

Выходной величиной Y является положение указателя отсчетного устройства измерительного прибора (цифрового вольтметра).

Рассчитаем чувствительность измерительной цепи SИЦ.

Пусть изменение длины площади перекрытия пластин конденсатора на 5мм будет вызывать отклонение стрелки вольтметра на 5 В. Тогда SОБЩ =1 В/мм.

Так как SОБЩ = SИЦ ∙ SД,

то справедливо: SИЦ = SОБЩ / SД =1/0,32∙10-9 =3,125∙109 В/ФВЫХ = SИЦ ∙ С = 3,125∙109 ∙ 1,6 ∙10-12 = 5В

Общий коэффициент передачи:

ОБЩ = S1 ∙ S2 = 10n

SОБЩ = SИЦ ∙ SД = 3,125∙109 ∙ 0,32∙10-9 = 1 В/мм

3.1 Расчёт измерительного преобразователя


Рассчитаем коэффициент передачи датчика:

С (х) = = 8,85∙10-12 ∙ 4 ∙ 10-3 ∙ 5∙10-3/110 ∙10-6 = 1,6 ∙ 10-12 = 1,6 пФд = = 1,6 ∙ 10-12/5 ∙ 10-3 = 0,32∙10-9 Ф/мм

Построим график зависимости емкости датчика от перемещения (рисунок 3.2).

С, пФ

х, мм

0

0

0,16

0,5

0,32

1

0,48

1,5

0,64

0,8

2,5

0,96

3

1,12

3,5

1,28

4

1,44

4,5

1,6

5

Рисунок 3.2 - Зависимости емкости датчика от перемещения.

3.2 Расчет функциональной схемы


Выходное напряжение выбранной измерительной цепи вычисляется по формуле:

ВЫХ = U0∙C1/C2

где С1 - это ёмкостной преобразователь выбранный в пункте 2.1; С2 это конденсатор постоянной ёмкости. U0 - напряжение питания измерительной цепи. При расчёте структурной схемы в пункте 3 максимально выходное напряжение измерительной цепи приняли равным UВЫХ = 5 В, а чувствительность измерительной цепи SИЦ =3,125∙109 В/Ф. Изменение емкости датчика будет происходить в пределах от 0 до 1,6 пФ. Приняв U0 = 10 В рассчитаем С2:

С2 = U0C1/ UВЫХ = 10 ∙1,6 ∙10-12/5 = 3,2 ∙10-12 = 3,2 пФ

Конденсатор С2 выбираем S0603 NPO 3.3pF 0.1% 50V SAM, данный конденсатор полностью соответствует заданной погрешности [2].

Операционный усилитель К140УД13 полностью соответствует данным требованием. К основным характеристикам операционного усилителя относятся высокое входное сопротивление, более 100МОм, невысокая потребляемая мощность, 40мВт, и высокая точность преобразования, погрешность не превышает 0,2%.

Выберем источник питания с выходным напряжением 10 В. Подходящий по показателям прибор - источник постоянного напряжения ESW120K1U12T, который предназначен для электропитания радиоэлектронных устройств.

Основные технические характеристики: выходное напряжение 10В; ток нагрузки 0,5-10А; нестабильность выходного напряжения менее 0,1% при изменении напряжения сети на 10%; питание от сети переменного тока частотой 50±0,5 Гц, напряжением 22022.

Выбранные параметры измерительной цепи удовлетворяют установленной на нее погрешности.

Произведем градуировку шкалы прибора, для этого подставляем в уравнение преобразования электрической цепи каждое значение изменения линейного перемещения на 0,5мм, начиная с 0мм и заканчивая 5мм. Полученные значения занесены в (таблицу 2). По значениям таблицы построим график зависимости выходного напряжения от перемещения (рисунок 3.3).

ВЫХ = U0C1/C2 = U₀ ∙;

Uвых, В

х, мм

0

0

0,5

0,5

1

1

1,5

1,5

2

2

2,5

2,5

3

3

3,5

3,5

4

4

4,5

4,5

5

5

Рисунок 3.3 - Зависимости выходного напряжения от перемещения

4. Выбор отсчетного устройства


В качестве отсчетного устройства используется вольтметр переменного тока В3-63. Прибор предназначен для измерения напряжения в цепях переменного тока.

Технические характеристики вольтметра:

Класс точности 0,05%

Пределы измерения 5 В

Погрешность измерения ±0,05%

Габаритные размеры 251 × 91 × 291 мм

Масса 2,6 кг

5. Анализ метрологических характеристик


Рисунок 5.1 - Измерительная схема.

Проверка соответствия функциональной схемы предъявленным требованиям.

Для вторичного преобразователя, роль которого играет измерительная цепь:

ВЫХ = U0∙C1/C2ВЫХ = SИЦ ∙ С = 3,125∙109 ∙ 1,6 ∙10-12 = 5ВИЦ = 1/0,32∙10-9 =3,125∙109 В/ФОБЩ = 3,125∙109 ∙ 0,32∙10-9 = 1 В/мм

где SИЦ - коэффициент передачи измерительной цепи

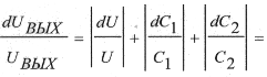
Проверка соответствия погрешностей предъявленным требованиям.

Основная приведенная погрешность δ = 0,5%. Она состоит из погрешности датчика, измерительной цепи и отсчетного устройства (вольтметра). В свою очередь погрешность измерительной цепи состоит из погрешности источника напряжения, датчика (С1), конденсатора С2.

δ = δ Д + δ ИЦ + δ ОУ = 0,5%

δ Д = 0,2%

δ ИЦ= 0,2%

δ ОУ = 0,1%

= δ U + δС1 + δ С2

δ Ц = δ U + δ С2 = 0,2%

δ U = 0,1%

δ С2 = 0,1%

Расчет суммарной погрешности измерительного устройства.

При проектировании устройства получены следующие погрешности: Датчик: γД = 0,2% Измерительной цепи: γИЦ =0,2%. Вольтметра: γОУ =0,05%.

Общая приведенная погрешность составляем:

γПР = γД + γИЦ + γОУ = 0,45%

Это значение удовлетворяет техническому требованию 0,5%.

Заключение


В данной курсовой работе, следуя условиям технического задания, был рассчитан механизм работы измерительного преобразователя для измерения перемещения.

Данный прибор представляет качественную и удобную для практического использования аналоговую структуру.

При этом осуществлён выбор конструкции и расчёт преобразователя перемещения в сопротивление, выбор и расчёт измерительной цепи, выбор источника напряжения и вольтметра прибора.

Список использованных источников


1.       Спектор, С.А. Электрические измерения физических величин: Методы измерений: Учеб. пособие для вузов / С.А. Спектор, Л.: Энергоатомиздат. Ленингр. Отд., 1987. - 320 с.

2.       Федотов, А.Ф. Расчет и проектирование индуктивных датчиков перемещений.

.        Бирюков С.В., Чередов А.И. Методы и средства измерений:: Учеб. пособие - Омск: Изд-во ОмГТУ, 2001. - 88 с.

.        Евтихиев, Н.Н. Измерение электрических и не электрических величин: Учебное пособие для вузов/Н.Н. Евтихиев, Я.А. Купершмидт, Ф.М. Папуловский, М.: Энергоатомиздат. 1990. - 352 с.

.        Виглеб Г. Датчики: устройство и применение: Пер. с нем. М.: Мир, 1989. - 196 с.

.        Левшина, Е.С. Электрические измерения физических величин: Измерительные преобразователи. Учеб. пособие для вузов/ Е.С. Левшина, П.В. Новицкий, Л.: Энергоатомиздат. Ленингр. отделение, 1983. - 320 с.

.        Справочник по электротехническим материалам/ Под ред. Ю.В. Корицкого, В.В. Пасынкова, Б.М. Тареева. - Т.3. - 3-е изд., перераб. - Л.: Энергоатомиздат. Ленингр. Отд., 1988. - 728 с

.        Резисторы: Справочник / В.В. Дубровский, Д.М. Иванов, Н.Я. Пратусевич и др.; Под ред.И. И. Четверткова и В.М. Терехова. - 2-е изд., перераб. и доп. - М.: Радио и связь, 1991. - 528 с.

.        Справочник по электроизмерительным приборам / К.К. Илюнин, Д.И. Леонтьев, Л.И. Набебина и др.; Под ред.К. К. Илюнина. - 3-е изд. - Л.: Энергоатомиздат. Ленингр. Отд., 1983. - 784 с.

.        Курсовое и дипломное проектирование: Метод, указ. для студентов специальности 190900 "Информационно-измерительная техника и технологии" / Бирюков С.В. - Омск: Изд-во ОмГТУ, 1998. - 40 с.

Похожие работы на - Прибор для измерения линейных перемещений

 

Не нашли материал для своей работы?
Поможем написать уникальную работу
Без плагиата!
Без нейросетей!