Конструирование устройства для измерения углового перемещения
Содержание
Введение
Теоретическая часть
.1 Обзор и классификация эффектов
.1.1 Преобразование механической энергии одного вида в
механическую энергии другого вида
.1.2 Преобразование механической энергии в электрическую и
термоэлектрическую энергию
.1.3 Гальваномагнитные эффекты
.1.4 Ядерные взаимодействия
.2 Приборы и способы измерения угловых перемещений
.3 Характеристики измерительных преобразователей
неэлектрических величин
.4 Датчики давления
.4.1 Климатическое исполнение
.4.2 Рабочее избыточное давление
.4.3 Метрологические характеристики датчиков
.4.4 Основная классификация датчиков давления
.4.5 Измерительные схемы индуктивных датчиков
.4.6 Измерительные схемы емкостных преобразователей
.5 Упругие элементы
.5.1 Виды упругих элементов
.5.2 Материалы, применяемые для изготовления упругих
элементов и их механические характеристики
.5.3 Погрешности чувствительности упругого элемента
.6 Индуктивные преобразователи
.7 Измерение перемещения
. Практическая часть
.1 Датчик давления на основе индуктивного преобразователя
.2 Расчет чувствительного элемента датчика
.2 Расчет первичного измерительного преобразователя
.3 Расчет емкостного датчика давления
Заключение
Приложения
Список использованных источников
Введение
Измерения играют важную роль в жизнедеятельности человека. Измерение
угловых перемещений весьма распространены, применяются в машиностроении,
геодезии, в военном деле, космонавтике, астрономии и т.п. Широкое применение
обусловлено тем, что наиболее используемые методы измерений основаны на промежуточном
преобразовании этих величин в линейное перемещение и измерении этих
перемещений.
Цель проекта заключается в разработке конструкции устройства для
измерений угловых перемещений. Для достижения данной цели была поставлена
задача: произвести обзор и составить классификацию физических явлений и
эффектов, применяемых при конструировании устройств получения первичной
измерительной информации.
Кроме того, был рассмотрен датчик давления, произведен расчет
чувствительного элемента датчика и первичного измерительного преобразователя.
1.
Теоретическая часть
.1 Обзор и
классификация эффектов
При конструировании датчиков и приборов, используемых в различных
отраслях жизнедеятельности человека, производят расширенный классифицированный
обзор физических явлений и эффектов для того, чтобы выбрать необходимый для
поставленной задачи.
Разнообразие физических эффектов обусловлено четырьмя типами
взаимодействия полей:
гравитационными;
магнитными;
ядерными;
слабыми.
Результат взаимодействия полей на объект может привести к изменению
параметров объекта и появлению новых полей.
На стадии измерительного преобразования происходит преобразования одного
вида энергии в другой:
1.1.1
Преобразование механической энергии одного вида в механическую энергии другого
вида
Акустический импеданс - комплексное сопротивление, представляющее собой
отношение комплексных амплитуд звукового давления к объёмной колебательной
скорости (последняя равна произведению усреднённой по площади колебательной
скорости частиц среды на площадь, для которой определяется акустический
импеданс). Вводится при рассмотрении колебаний акустических систем (излучателей
и приёмников звука и т. п.).
Аэродинамическая сила и момент - величины, характеризующие воздействие
газообразной среды на движущееся в ней тело (напр., на самолёт), (силы давления
и трения, действующие на поверхности тела). Аэродинамическая сила и момент для
тел различной формы и при всевозможных режимах полёта является одной из главных
задач аэродинамики и аэродинамического эксперимента.
Броуновское движение - беспорядочное движение малых частиц, взвешенных в
жидкости или газе, происходящее под действием ударов молекул окружающей среды.
Причина броуновского движения - тепловое движение молекул среды и отсутствие
точной компенсации ударов, испытываемых частицей со стороны окружающих её
молекул. В метрологии броуновское движение рассматривают как основной фактор,
ограничивающий точность чувствительных измерит, приборов. Предел точности
измерений оказывается достигнутым, когда флуктуационные (броуновские) смещения
подвижных частей измерит, прибора по порядку величины совпадут со смещением,
вызванным измеряемым эффектом.
Кориолиса сила и ускорение, одна из сил инерции; вводится для учёта
влияния вращения подвижной системы отсчёта на относительное" движение материальной
точки; она равна произведению массы точки на её Кориолиса ускорение и
направлена противоположно этому ускорению. Эффект, учитываемый силой Кориолиса,
состоит в том, что во вращающейся системе отсчёта материальная точка,
движущаяся не параллельно оси этого вращения, отклоняется по направлению,
перпендикулярному к её относительной скорости, или оказывает давление на тело,
препятствующее такому отклонению. В технике К. с. учитывается в теории
гироскопов, турбин и многих других вращающихся систем. Кориолиса ускорение,
составляющая полного ускорения точки, которая появляется при т.н. сложном
движении, когда переносное движение, т.е. движение подвижной системы отсчёта,
не является поступательным. Используют для создания приборов измеряющих угловую
скорость, углов поворота и ускорение[1].
Гидравлический удар, явление резкого изменения давления в жидкости,
вызванное быстрым (мгновенным) изменением скорости её течения в напорном
трубопроводе (напр., при быстром перекрытии трубопровода запорным устройством).
Для предупреждения гидравлических ударов на трубопроводах устанавливают
предохранительные устройства (уравнительные резервуары, воздушные колпаки,
вентили и др.).
Гидродинамическое сопротивление (гидравлическое сопротивление) -
сопротивление движению тела со стороны обтекающей его жидкости или
сопротивление движению жидкости, вызванное влиянием стенок труб, каналов и т.
д. Определение величины гидродинамического сопротивления имеет большое значение
при проектировании и постройке самых разнообразных гидротехнических сооружений,
установок и аппаратов (турбинные установки, воздухо- и газоочистительных
аппараты, газо-, нефте- и водопроводные магистрали, компрессоры, насосы и т.
д.). По изменению гидродинамического сопротивления можно судить как об
изменении скорости жидкости, так и об изменении её плотности [2].
Эффект Магнуса - возникновение поперечной силы, действующей на тело,
вращающееся в набегающем на него потоке жидкости (газа). Например, поперечная
сила возникает при набегании потока на вращающийся шар, чем объясняется
непрямолинейный полёт закрученного теннисного или футбольного мяча.
.1.2
Преобразование механической энергии в электрическую
Эффект Толмена. Толмен обнаружил явление инерции электронов в металлах.
При движении проводника с ускорением, мы можем наблюдать разность потенциалов
на концах проводника.
Трибоэлектричество - возникновение электрических зарядов при трении двух
разнородных тел. При трении химически одинаковых тел, положительный заряд
получает более плотное из них. При трении двух диэлектриков положительно
заряжается диэлектрик с большей диэлектрической проницаемостью. Вещества можно
расположить в трибоэлектрические ряды, в которых предыдущее тело электризуется
положительно, а последующее отрицательно.
Акусто-электрический эффект - возникновение постоянного тока ЭДС в
проводящей среде (проводник, полупроводник) под действием бегущей
ультразвуковой волны. Появление тока связано с передачей импульса от УЗ волны
электронам. Применяется для измерения интенсивности УЗ в твердых телах, большую
роль играет в изучении структуры вещества.
Пьезоэлектрический эффект наблюдается в анизотропных диэлектриках,
преимущественно в кристаллах некоторых веществ, обладающих определенной,
достаточно низкой симметрией. Внешние механические силы, воздействуя в определенных
направлениях на пьезоэлектрический кристалл, вызывают в нем не только
механические напряжения и деформации (как во всяком твердом теле), но и
появление на его поверхностях связанных электрических зарядов разных знаков.
При изменении направления механических сил на противоположное становятся
противоположными знаки зарядов. Нашел широкое применение в датчиках давления,
используются для измерения уровня вибраций, акустических антеннах,
дефектоскопии, гидроакустики, мощные источники УЗ волн [3].
.1.3 Преобразование тепловой энергии в электрическую и термоэлектрическую
энергию
Пироэлектричество - возникновение электрических зарядов на поверхности
пироэлектриков при их нагревании или охлаждении. Один конец пироэлектрика
заряжается положительно, а другой отрицательно, при охлаждении наоборот.
Пироэлектрики - диэлектрики, обладающие спонтанной поляризацией, используются в
качестве индикаторов и приемников излучений.
Эффект Зеебека - термоэлектрический эффект, возникновение электродвижущей
силы в электрической цепи, состоящей из последовательно соединённых разнородных
проводников, контакты между которыми находятся при различных температурах.
Можно использовать, как датчик термоэлектрический преобразователь.
Эффект Пельтье - эффект выделения или поглощения тепла при протекании
электрического тока через соединение двух металлов, сплавов или
полупроводников. Используется в термоэлектрических охлаждающих устройствах,
термоэлектрических преобразователях.
Эффект Томсона - состоит в выделении или поглощении теплоты в проводнике
с током, вдоль которого имеется градиент температуры, происходит помимо
выделения джоулевой теплоты. Если вдоль проводника, по которому протекает ток,
существует градиент температуры, причем направление тока соответствует движению
электронов от горячего конца к холодному, то при переходе из более нагретого
участка в более холодный электроны тормозятся и передают избыточную энергию
окружающим атомам (выделяется теплота); при обратном направлении тока
электроны, переходя из более холодного участка к более нагретому, ускоряются
полем термоЭДС и пополняют свою энергию за счёт энергии окружающих атомов
(теплота поглощается).
Эффект
Нернста-Эттингсхаузена - возникновение электрического поля в металлах
<#"563703.files/image001.gif"> и
перпендикулярного к нему внешнего магнитного поля. Относится к числу
термомагнитных явлений [4].
.1.4
Гальваномагнитные эффекты
Эффект Холла - возникновение поперечного электрического поля и разности
потенциалов в проводнике или полупроводнике, по которым проходит электрический
ток, при помещении их в магнитное поле, перпендикулярное к направлению тока. На
основе данного эффекта создают датчики измерения магнитных полей.
1.1.5 Ядерные
взаимодействия
Эффект Штарка. Расщепление спектральных линий атома в постоянном
электрическом поле для атомов, имеющих ненулевые дипольные моменты, сдвиг линий
пропорционален напряженности поля Е, т.е. в зависимости от направления поля
частота будет или возрастать, или убывать; для неполярных диэлектриков сдвиг
линий пропорционален Е². Это объясняется тем, что молекула или атом приобретают
дополнительную энергию вращения. Это явление может быть использовано в целях
измерений; например, в измерениях, связанных с определением e (влажность, состав, структура и
т.д.).
Ядерный магнитный резонанс (ЯМР). Качественно аналогичен ЭПР, но отличается
количественно. На основе ЯМР разработаны методы измерения напряженности
магнитных полей (магнитометры), методы контроля хода химических реакций.
.2 Приборы и способы измерения угловых перемещений
Для измерения углов поворота применяют приборы, называемые клинометрами.
В настоящее время наибольшее распространение имеют клинометры с уровнем Стопани
и маятниковые клинометры конструкции Н. Н. Аистова.
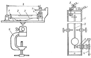
Условные обозначения:
- станина;
- уровень;
- пластинчатая пружина;
- микрометренный винт;
- диск;
- струбцина
- корпус;
- маятник;
- микрометренный винт;
-диск.
Рисунок 1 - Клинометр
Этими приборами можно измерять углы поворота только в вертикальной
плоскости при статических испытаниях. Клинометр с уровнем представляет собой
станину, к которой слева шарнирно прикреплен уровень 2, поддерживаемый
пластинчатой пружиной 3. Правый конец уровня микрометренным винтом 4 можно
перемещать в вертикальной плоскости. К микрометренному винту жестко прикреплен
диск с делениями 5. Прибор закрепляют на испытуемой конструкции струбциной 6,
соединенной шаровым шарниром со станиной. Для измерения угла поворота
конструкции к ней в определенной точке струбциной прикрепляют клинометр.
Продольная ось уровня должна находиться в плоскости измеряемого угла поворота.
Уровень посредством шарового шарнира устанавливают в горизонтальное положение.
Для точной установки уровня пользуются микрометренным винтом [5].
Это положение фиксируют снятием отсчета по шкале диска 5, показывающего
долю оборота винта. При повороте конструкции вследствие ее загружения
испытательной нагрузкой уровень повернется на тот же угол. Для определения угла
поворота уровень микрометренным винтом возвращают в горизонтальное положение и
снова снимают отсчет. Разность отсчетов, умноженная на шаг винта, дает величину
перемещения конца уровня.
.3 Характеристики измерительных преобразователей неэлектрических величин
Зависимость выходной величины измерительного преобразователя у от
входной х выражается уравнением преобразования у =f (х) Уравнение преобразования (функцию
преобразования) обычно приходится находить экспериментально, т. е. прибегать к
градуировке преобразователей. Результаты градуировки выражаются в виде таблиц,
графиков или аналитически [6].
Часто у преобразователей выходной сигнал у зависит не только от
входной измеряемой величины х, но и от внешнего фактора Z , т. е.
функция преобразования в общем виде,y =f(х,
Z).
В этом случае при градуировке определяется ряд функций преобразования при
разных значениях Z.
Знание функций преобразования при разных значениях влияющего фактора
позволяет тем или иным способом (введением поправки, автоматической коррекцией)
учесть влияние внешнего фактора. Например, электрическая проводимость к
растворов электролитов зависит от концентрации С и температуры t. Поэтому при использовании зависимости к =f(С) для определения концентрации нужно либо поддерживать
температуру раствора постоянной, либо вводить поправки (расчетным путем или
автоматически), зная влияние температуры на эту зависимость.
Важными характеристиками преобразователя являются его погрешности и
чувствительность.
Основная погрешность преобразователя может быть обусловлена принципом
действия, несовершенством конструкции и технологии изготовления и проявляется
она при номинальных значениях внешних факторов.
.4 Датчики давления
Приборы для измерения давления - манометры - можно разбить на три группы.
Первую группу составляют жидкостные манометры. Эти приборы имеют два
сообщающихся сосуда, заполненных жидкостью. На поверхность жидкости в одном
сосуде действует измеряемое давление. Это изменяет уровень жидкости в другом
сосуде. Разность уровней Dh
пропорциональна разности давлений p1-p2 действующих в сосудах:
, (1)
где r - плотность
жидкости;
g -
ускорение свободного падения.
Ко второй группе относятся пружинные манометры. В этих манометрах
измеряемое давление подается на манометрическую пружину и деформирует её на
величину (перемещение), пропорциональную давлению. В качестве манометрической
пружины используются сильфон, мембрана или трубчатая пружина (трубка Бурдона).
Деформация пружины с помощью преобразователя перемещения преобразуется в
электрическую величину. В данном курсовом проекте, для создания датчика давления,
используется именно этот метод.
Работа манометров третьей группы основана на изменении свойств газа
(плотности, теплопроводности, ионизационного тока и т.д.) под действием
давления. Изменение свойств газа преобразуется в измерение электрической
величины. Манометры этой группы в основном служат для измерения абсолютного
давления и с успехом применяются для измерения в вакууме.
Следует иметь в виду, что все преобразователи давления измеряют разность
двух давлений, воздействующих на измерительную мембрану (чувствтельный элемент)
датчика. Одно из этих давлений - измеряемое, второе - опорное, то есть
давление, относительно которого происходит отсчет измеряемого. В зависимости от
того, какое давление является опорным, все преобразователи относятся к одному
из следующих видов.
Преобразователи абсолютного давления ДА. Опорное давление - вакуум.
Воздух из внутренней полости сенсора (чувствительного элемента) откачан.
Частным случаем преобразователей абсолютного давления являются барометры -
приборы для измерения атмосферного давления.
Преобразователи избыточного давления ДИ. Опорное давление - атмосферное,
т.е. вторая сторона мембраны соединена с атмосферой.
Преобразователи вакууметрического давления (разрежения) ДВ. Как и в
предыдущем случае, опорное давление - атмосферное. Однако измеряемое давление
меньше атмосферного (разрежение относительно атмосферы).
Преобразователи давления-разрежения ДИВ. Сочетание преобразователей ДИ и
ДВ. Измеряют как давление, так и разрежение. Следует отметить, что в
современных интеллектуальных преобразователях применяются сенсоры, работающие
как в области разрежения, так и избыточного давления.
Преобразовали дифференциального давления (разности давлений) ДД. В данном
случае давление подается на обе стороны мембраны, а выходной сигнал зависит от
разности давлений.
Преобразователи гидростатического давления ДГ. Измеряют давление столба
жидкости, зависящее только от его высоты и от плотности самойжидкости. Давление
Р вычисляется по формуле:
Р = р*g*h, (2)
где g - ускорение свободного падения;- плотность;- уровень жидкости.
При измерении гидростатического давления (уровня жидкости) используются
два вида преобразователей давления: погружного исполнения и фланцевого монтажа.
Преобразователи давления погружного исполнения выполнены в виде металлического
зонда со специальным кабелем длиной до 25 м и предназначены для использования в
открытых резервуарах. Опорное давление - атмосферное. Подается через капилляр,
встроенный в кабель. Их достоинством является то, что не требуется врезка в
боковую стенку резервуара.
Преобразователи давления фланцевого монтажа устанавливаются на боковой
стенке вблизи дна резервуара. Опорное давление - давление над жидкостью.
Фактически, это преобразователи ДД. Их преимущество - возможность измерения
уровня в закрытых резервуарах с давлением наддува, отличного от атмосферного.
.4.1
Климатическое исполнение
Датчики имеют несколько климатических исполнений. Диапазон температуры
окружающего воздуха - от -55 до +80.
Для устойчивой и надежной работы датчиков необходимо выбирать материалы
мембран, штуцеров (фланцев) и уплотнительных колец химически стойкие к средам,
в которых производятся измерения. Широкая гамма материалов мембран сенсоров:
нержавеющая сталь AlSi316, 36НХТЮ, титановый сплав ВТ-9, керамика Al2O3,
тантал, хастеллой-С - позволяет подобрать датчик давления для различных сред
эксплуатации.
При работе с аммиаком следует заказывать кольца из материала
"буна" (EPDM).
Материал витон устойчив к воздействию большинства кислот и
нефтепродуктов. Для высокоагрессивных сред применяются уплотнительные кольца из
фторопласта (PTFE).
В качестве материалов штуцеров (фланцев) используются: нержавеющая сталь
12Х18Н10Т, высококоррозионностойкие стали 06ХН28МБТ и ХН65МВ, хастеллой 276.
1.4.2 Рабочее
избыточное давление
Некоторые системы в определенных условиях могут иметь динамическую
перегрузку до 600% от верхнего предела измерения (гидроудар). В датчиках
давления производства НПП "Элемер" применяются сенсоры с высокой
перегрузочной способностью 200...1000 % от верхнего предела преобразования.
Повысить
перегрузочную способность позволяет и применение преобразователя, настроенного
на более низкий диапазон. Особенно это эффективно, если имеется запас по
точности. Пусть, например, требуется измерять давление 2,5 МПа с погрешностью
0,5 %. Модель 160 датчика АИР-20/М2
<#"563703.files/image004.gif">); взаимная индуктивность (М); полная электрическая
добротность преобразователя в определенном диапазоне частот (Q);
собственная емкость преобразователя (С); активное сопротивление обмотки
преобразователя (R).
Кроме
перечисленных основных параметров, иногда возникает необходимость определения
некоторых дополнительных параметров, например таких, как мощность полных
потерь, частота собственного резонанса (
),
электрическая прочность и сопротивление изоляции обмотки.
Величину
L определяют в зависимости от режима работы
преобразователя одним из следующих методов - мостовым методом, резонансным
методом и методом резонансной схемы замещения.
В
настоящее время данные методы получили наибольшее распространение в
лабораторной и производственной практике. Благодаря относительной простоте этих
методов, высокой точности измерения и возможности дополнительно измерять
значение активного сопротивления преобразователя разработан ряд типовых четырехплечих
мостовых схем, среди которых следует выделить мостовые схемы Максвелла - Вина
(рисунок 1 а), Оуэна (рисунок 1 б), Хея (рисунок 1 в), и схему шестиплечевого
моста Андерсона-Быкова (рисунок 1 г).
датчик давление измерительный преобразователь
а)
б)
в)
г)
Условные обозначения:
а - Максвелла - Вина;
б - Оуэна;
в - Хея;
г - Андерсона-Быкова.
Рисунок 1 - Разновидности схем измерительных мостов
тате наложения изменений в двух и более независимых параллельных ветвях
элементами сопротивления, находящимися в квадратуре по отношению друг к другу.
В зависимости от вида мостовой схемы эти элементы могут иметь разнотипный
характер. Каждая из этих схем обеспечивает определенный уровень относительной
чувствительности преобразователя к изменению его параметров.
Одним из основных параметров мостовой схемы является угол сходимости,
представляющий собой угол между векторами напряжений в регулируемых ветвях
схемы. Для мостов с хорошей сходимостью (большой угол сходимости)
уравновешивание моста достигается путем небольшого числа последовательных
регулировок и заканчивается довольно быстро.
Определенный интерес представляют поиски путей расширения частотного
диапазона мостовых схем. Диапазон рабочих частот для большинства из известных к
настоящему времени схем ограничен областью звуковых частот. Попытки расширить
диапазон в сторону высоких частот наталкиваются на трудно преодолимое
препятствие - повышение роли токов утечки. Это явление обусловливает
значительное снижение точности измерений. Одним из основных способов подавления
таких помех является применение вспомогательных цепей с регулируемыми
параметрами.
В основу резонансных методов измерения параметров измерительного
преобразователя положено использование приближенной формулы Томсона. Например,
для определения индуктивности катушки индуктивного преобразователя используют
зависимость вида:
. (3)
Несмотря
на простоту этого метода, он не свободен от ряда существенных недостатков. Один
из них - приближенная исходная формула, которую можно считать справедливой для
измерительных преобразователей с высокой добротностью (более 25 - 30).
Метод
замещения можно рассматривать как модификацию рассмотренного выше резонансного
метода измерения. При реализации данного метода первоначально колебательный
контур, состоящий из переменной емкости и эталонной индуктивности,
настраивается в резонанс путем подстройки значения емкости. Затем производится
переключение схемы на измеряемую индуктивность и по величине напряжения на
вторичной обмотке трансформатора определяется значение индуктивности.
Метод
резонансной схемы замещения характеризуется высокой степенью универсальности
(позволяет производить измерения в широком диапазоне частот и амплитуд
сигналов).
В зависимости от характера измеряемой физической величины и условий
эксплуатации устройства производится выбор соответствующего типа измерительной
схемы датчика.
1.4.6
Измерительные схемы емкостных преобразователей
Емкости
большинства преобразователей составляют 10-100 пФ, и поэтому даже при относительно
высоких частотах напряжения питания (105 - 107 Гц) их выходные сопротивления
велики и равны
Ом. Выходные мощности емкостных преобразователей малы
и в измерительных цепях необходимо применение усилителей. Допустимые значения
напряжения питания емкостных преобразователей достаточно велики и напряжение
питания, как правило, ограничивается не возможностями преобразователя, а
условиями реализации измерительной цепи.
Основной
трудностью построения измерительных цепей с емкостными преобразователями
является защита их от наводок. Для этих целей, как сами преобразователи, так и
все соединительные линии тщательно экранируются. Однако экранированный провод
имеет емкость СК между жилой и экраном (
),
которая при неудачном выборе точки соединения экрана может оказаться включенной
параллельно емкости преобразователя.
При
этом падает чувствительность преобразователя, так как относительное изменение
емкости уменьшается на величину
, и
появляется весьма существенная по значению погрешность, вызываемая
нестабильностью емкости СК, поскольку любые изменения этой емкости воспринимаются
как изменение рабочей емкости ∆С0. Поэтому при построении измерительной
цепи с емкостными преобразователями в первую очередь обращается внимание на
включение так называемых паразитных емкостей.
Кроме
того, следует обращать внимание на линейность зависимости выходного параметра
измерительной цепи от измеряемой величины. При это нужно иметь в виду, что
емкостные преобразователи являются преобразователями высокоомными, а измеряемая
величина может быть связана линейной зависимостью как с сопротивлением
преобразователя (при изменении зазора), так и с его проводимостью (при
изменении площади S или диэлектрической проницаемости ε).
Для
работы с емкостными преобразователями применяют измерительные цепи, в основу
которых положены различные структуры - делители напряжения, измерительные
мосты, емкостно-диодные цепи, резонансные контуры.
На
рисунке 2 приведены варианты мостовых схем включения дифференциальных емкостных
датчиков давления с заземленным подвижным электродом (с мембраной).
Условные обозначения:
а - без учета паразитных емкостей,
б - с учетом паразитных емкостей.
Рисунок 2 - Варианты мостовых схем включения дифференциальных емкостных
датчиков давления
Для схемы, изображенной на рисунке 2 а, выходное напряжение разбаланса
моста без учета паразитных емкостей соединительных кабелей имеет вид:

. (4)
С
учетом паразитных емкостей двух кабелей, соединяющих датчик с питающим
генератором, выражение для Uвых усложняется:
(5)
Здесь
,
где
Ск, хк - паразитная емкость кабеля и его сопротивление;
С,
хс - емкость датчика и его сопротивление.
С учетом паразитных емкостей выходное напряжение нелинейно зависит от
перемещения мембраны. Нелинейность уменьшается с относительным уменьшением
величины паразитной емкости по сравнению с емкостью датчика.
Максимальная погрешность нелинейности достигает при максимальном прогибе
мембраны.
Для схемы, изображенной на рисунке 2 б, в которой емкость кабеля
присоединена параллельно мосту и незначительно влияет на его работу, при
равенстве переменных и постоянных плеч моста (R=X) выходное
напряжение имеет вид:
. (6)
Погрешность
от нелинейности в этом случае меньше, чем в первой схеме при вдвое большей
чувствительности. Однако эта схема более чувствительна к нестабильности
питающей частоты.
Для
определения погрешности нелинейности предварительно целесообразно
аппроксимировать нелинейную характеристику прямой линией. Причем желательно
иметь оптимальную аппроксимирующую прямую, поскольку через нелинейную
характеристику можно провести несколько прямых. Наилучшей аппроксимирующей
прямой будет такая, которая пересекает характеристику в области преобразования
по меньшей мере дважды (рисунок 3).
В
качестве первого приближения может служить прямая, проходящая через конечные
точки характеристики - y1. Второе приближение характеризуется точками
пересечения внутри диапазона преобразования - y2.
При
этом разности между характеристикой преобразования и аппроксимирующими прямыми
соответственно будут:
(7)
Рисунок
3 - Нелинейная характеристика датчика давления
Не
прибегая к специальной оптимизации полученных характеристик, можно добиться
хорошей аппроксимации, если выбрать две опорные точки, кратные
конечного значения.
Следует отметить, что эти рекомендации эффективны только для нелинейных
характеристик, представленных на рисунке 3 (или близких к ним).
.5 Упругие
элементы
.5.1 Виды
упругих элементов
В процессе работы детали приборов в большей или меньшей степени
деформируются. В большинстве случаев деформации нежелательны или, более того,
недопустимы. Но вместе с тем существуют детали, деформации которых используются
в работе прибора. Такие детали называются упругими элементами или пружинами.
Особенно ответственна роль упругих элементов в измерительных приборах,
если они применяются в качестве чувствительных элементов, воспринимающих
измеряемую величину. В этих случаях точность и надежность работы прибора во
многом зависит от качества чувствительного упругого элемента. Ответственную
роль в приборах выполняют измерительные пружины - чувствительные элементы
прибора. Они широко применяются в различных приборах, особенно манометрических.
Упругие элементы применяются также в качестве кинематических устройств: упругих
опор, направляющих, гибких связей.
Упругие элементы можно разделить на две основные группы: стержневые,
изготовляемые из проволоки или ленты, и упругие элементы в виде оболочек,
которые выполняются из листового материала. Стержневые пружины предназначаются
для восприятия, главным образом, сосредоточенных сил и моментов; упругие
элементы в форме оболочек при работе обычно нагружаются давлением.
Стержневые пружины имеют две конструктивные основные формы: винтовую и
плоскую. Упругие элементы в виде оболочек, реагирующих на изменение
давления, называются манометрическими. К ним относятся мембраны, сильфоны
и трубчатые пружины.
В динамометрах, где небольшие усилия (>10 кН) используются сплошные
стержни, работающие на сжатие или сдвиг; для меньшего усилия (10-1 кН)
используют кольца, а для малых усилий - тонкостенные цилиндры и плоские пружины
в виде балок. При этом более эффективными оказываются конструкции в виде
тонкостенного цилиндра или балки равного сопротивления, когда по всей
поверхности упругого элемента механическое напряжение одинаково и материал
используется наиболее рационально.
Наиболее часто применяемые в преобразователях являются спиральные
пружины, сплошные, полые и плоские торсионы и растяжки.
Особенно разнообразны упругие элементы, применяемые для измерения
давлений. Это плоские и гофрированные мембраны и мембранные коробки,
использующие собственную жесткость или опирающиеся на внешнюю плоскую пружину
или полый тонкостенный цилиндр, на который наклеены или напылены
тензорезисторы.
Для получения больших линейных перемещений применяется сильфоны и трубки
Бурдона, а для получения больших угловых перемещений - спиральные и винтовые
трубки с внутренним давлением [5].
Среди плоских пружин выделяют наиболее используемые: прямые, кривые,
спиральные пружины различных форм и размеров. Они называются плоскими, если оси
этих пружин представляют собой плоские кривые. Плоские пружины успешно
используются в качестве измерительных, направляющих, упругих подвесов,
подвижных частей прибора и др. Плоские пружины изготовляются из круглой
проволоки, но чаще они штампуются из пружинной ленты.
Плоские пружины применяются в различных устройствах, в роли
кинематических элементов приборов: упругих опор и направляющих, гибких связей и
деталей передаточно-множительных механизмов. Плоские пружины выполняют функции
измерения в вибрографах, акселографах, тахометрах, манометрах, тягомерах и так
далее.
Винтовые пружины обычно навиваются из проволоки в виде пространственной
спирали. Винтовые пружины бывают: цилиндрические, спиральные, конические,
параболоидные. Они используются особенно часто в качестве натяжных, обеспечивая
необходимую силу натяга между деталями прибора. Иногда они применяются как
пружинные двигатели
Во многих манометрических приборах в качестве упругого элемента
применяются мембраны - гибкая круглая пластинка, получающая значительные
упругие прогибы под действием давления.
Существуют плоские, гофрированные, выпуклые (сферические или конические)
мембраны. Неметаллические мембраны имеют весьма малую жесткость и поэтому, как
правило, работают совместно с измерительной винтовой пружиной, выполняя
преобразование давления в усилие, воспринимаемое упругим элементом - пружиной.
В манометрических приборах широко используется свойство полой трубки
деформироваться под действием давления. Обычно манометрическая трубчатая
пружина представляет собой тонкостенную кривую трубку вытянутого поперечного
сечения.
Манометрические трубчатые пружины бывают одновитковые (пружины Бурдона),
многовитковые - винтовые или спиральные (пружины Бойса). В последнее время в
манометрических приборах высокого давления (порядка сотен кгс/см2) нашли
применение так называемые «витые» трубчатые пружины, представляющие собой
естественную закругленную трубку [5].
.5.2 Материалы, применяемые для изготовления упругих элементов и их
механические характеристики
Материал упругих элементов должен удовлетворять многим требованиям в
зависимости от назначения элемента и условий работы. Он должен обладать высокими
упругими свойствами, достаточной прочностью и выносливостью. Если необходимо,
упругий элемент должен быть термостойким и высокопласгичным, иметь достаточную
коррозийную стойкость, магнитную проницаемость, отвечать требованиям высокой
или низкой электропроводимости, а также материал упругого элемента должен
обладать соответствующими свойствами в отношении сварки или спайки.
Механические характеристики должны быть стабильны во времени и в условиях
переменной температуры. Упругий элемент заданной формы можно приготовить только
из достаточно пластичного материала. Однако для изготовления упругого элемента
пригоден не любой пластичный материал, а лишь такой, который в результате
последующей механической или термической обработки способен приобрести высокую
упругость и прочность. Многие материалы, обладая высокой пластичностью в
отожженном состоянии, в результате нагартовки, возникающей во время
изготовления упругого элемента, значительно повышают свои упругие свойства.
К таким материалам относятся латуни, упругие элементы из нейзильбера,
кремнемарганцевой, оловянно-цинковой и оловянно-фосфористой бронз, элинвара.
Также к материалам для упругих элементов относится нержавеющая сталь 1Х18Н9Т,
титан ВТ1-1, высокоуглеродистая стальная проволока и дисперсионно-твердеющие
сплавы. В тех случаях, когда упругие элементы должны иметь особо малую
жесткость, их изготавливают из неметаллических материалов: кварца, резины,
пластмасс, модуль упругости которых значительно меньше, чем у металлов [5].
К механическим свойствам материалов относятся:
1) предел пропорциональности (sпц);
2) предел прочности (sпч);
) предел точности (sТ);
) предел упругости (sуп);
) предел выносливости (предел усталости);
) пластическое течение материала (ползучесть).
К основным свойствам материалов относятся:
1) упругая характеристика;
2) жесткость;
) чувствительность.
Упругая характеристика - это зависимость между перемещением l определенной точки упругого элемента
и величиной нагрузки р. Упругая характеристика является основным показателем
свойств упругих элементов.
Отклонения от линейной зависимости между нагрузкой и перемещением
оцениваются величиной нелинейности характеристики. Нелинейностью h называется наибольшее отклонение ∆макс
действительной характеристики от линейной, отнесенное к наибольшему перемещению
lмакс упругого элемента и выраженное в
процентах:
h = ∆макс / lмакс · 100%. (8)
∆макс = lл - l. (9)
где lл - перемещение, соответствующее линейной
характеристике, м;
l - действительное
перемещение упругого элемента, м.
Важное свойство упругого элемента - его жесткость, которая представляет
собой отношение нагрузки р к соответствующему перемещению l:
k = p / l.
(10)
Чувствительность - величина, обратная жесткости, равная отношению
перемещения к нагрузке:
s = l / р. (11)
Жёсткость показывает, какую нагрузку следует приложить к упругому
элементу, чтобы вызвать перемещение на одну единицу. Чувствительность же
численно равная перемещению, совершаемому упругим элементом под действием
единичной нагрузки.
Перестановочное или тяговое усилие - это способность упругого элемента
преодолевать сопротивление со стороны прибора. Способность манометрического
элемента развивать перестановочную силу удобно характеризовать удельной тяговой
силой Q / Р , соответствующей единице
давления.
Так как удельная тяговая сила Р имеет размерность площади, то
принято представлять её в виде так называемой эффективной площади:
Fэф = DQ / DР. (12)
Для правильно спроектированного упругого элемента наибольшее рабочее
напряжение не должно превышать:
smax = sпр / n, (13)
где n
- коэффициент
запаса;
sпр - предельное напряжение.
n = sуп / smax, (14)
где sуп - предел
упругости.
Коэффициент запаса по текучести:
nT = sT / smax , (15)
где sT - предел текучести.
Коэффициент запаса по устойчивости:
nуст =
sкр / smax. (16)
где sкр -
критическое напряжение.
Если упругий элемент работает при переменных напряжениях, то он должен
иметь необходимый коэффициент запаса по выносливости:
smax £ [s], (17)
где [s] - допустимое напряжение:
[s] = sT / nT = sпч / nпч. (18)
1.5.3
Погрешности чувствительности упругого элемента.
Погрешности упругого элемента прежде всего определяются свойствами
материала. Например, даже для элементов из лучших сортов упругих материалов
погрешность от гистерезиса составляет 0.2 - 0.05 %.
Гистерезис упругого элемента проявляется в несовпадении величин
перемещений при прямом и обратном ходе упругого элемента. Величина гистерезиса
определяется как наибольшая разность Г между перемещениями при одинаковой
нагрузке при прямом и обратном ходе, отнесенная к наибольшему перемещению
упругого элемента.
Поскольку возникновение заметных пластичных деформаций измеряемых упругих
элементов недопустимо, значение рабочих напряжений s в них должно быть всегда оставаться
меньше sдоп.
В условиях переменной температуры изменение модуля упругости материала и
линейных размеров упругого элемента приводят к температурным погрешностям
элемента.
Зависимость модуля упругости от температуры:
Et = Eo ( l - gEt ). (19)
Относительная температурная погрешность ht упругого элемента равна:
ht = Dlt / l, (20)
где Dlt - температурное изменение
перемещения упругого элемента.
Перемещение упругого элемента постоянной жесткости:
l = p / k = p / cE,
(21)
где с - коэффициент пропорциональности;
Е - модуль упругости материала.
Относительная температурная погрешность упругого элемента постоянной
жесткости:
ht = gEt . (22)
1.6
Индуктивные преобразователи
Индуктивный преобразователь представляет собой катушку индуктивности
(дроссель), полное сопротивление которой изменяется при взаимном относительном
перемещении элементов магнитопровода. Имеются две группы преобразователей: c изменяющейся индуктивностью и с
изменяющимся активным сопротивлением.
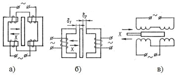
Пример схемы преобразователя первой группы показан на рисунке 4, а.
Преобразователь состоит из П-образного магнитопровода 1, на котором размещена
катушка 2, и подвижного якоря 3. При перемещении якоря изменяется длина
воздушного зазора и, следовательно, магнитное сопротивление, что вызывает
изменение индуктивности дросселя.
Другая широко используемая модификация (плунжерный преобразователь)
показана на рисунке 4, б. Преобразователь представляет собой катушку, из
которой может выдвигаться ферромагнитный сердечник (плунжер). При среднем
положении плунжера индуктивность максимальна [10].
Схема преобразователя второй группы приведена на рисунке 4, в. В зазор
магнитной цепи 1 вводится пластинка 2 с высокой электропроводностью, в которой
наводятся вихревые токи, приводящие к увеличению потерь активной мощности
катушки 3. Это эквивалентно увеличению ее активного сопротивления.
a)
б) в)
Условные обозначения:
преобразователь с изменяющейся индуктивностью;
плунжерный преобразователь с изменяющейся индуктивностью;
преобразователь с изменяющимся активным сопротивлением.
Рисунок 4 - Схемы различных типов индуктивных преобразователей
Функция преобразования преобразователя (рисунок 4, (а)) с некоторыми
допущениями может быть получена следующим образом.
Индуктивность катушки:
L = vФ / I, (23)
где v - число
витков;
Ф - пронизывающий ее магнитный поток;
I -
проходящий по катушке ток.
Ток связан с МДС Hl
соотношением:
I = Hl / v. (24)
Подставляя формулу (18) в (19), получаем:
L = v2Ф / Hl = v2 /
RМ , (25)
где RМ - магнитное сопротивление
преобразователя:
RМ = Hl / Ф. (26)
Если пренебречь рассеянием магнитного потока и нелинейностью кривой
намагничивания стали, то магнитное сопротивление:
RМ = RСТ + RЗ = lСТ / mrm0 QСТ + 2d / m0Q , (27)
где RСТ - магнитное сопротивление стальных
участков магнитопровода, Ом;
l СТ -
длина средней силовой линии по стальным участкам, м;
QСТ -
их поперечное сечение, м2;
mr - магнитная проницаемость стали, Гн/м;
m0 = 4p·10-7 Гн/м магнитная постоянная, Гн/м;
RЗ -
магнитное сопротивление магнитных зазоров, имеющих длину d и сечение Q.
Будем считать QСТ = Q. При этом индуктивность
преобразователя:
L = m0Qv2 / (2d + lСТ / mr). (28)
Если пренебречь активным сопротивлением дросселя, то функция
преобразователя, т.е. зависимость электрического сопротивления Z от размера воздушного зазора d, выражается зависимостью:
Z(d) = jwL = jwv2m0Q / (2d + lСТ / mr) » jwv2m0Q / 2d.
(29)
В последнем равенстве имеется в виду, что 2d » lСТ / mr вследствие большого значения
магнитной проницаемости магнитопровода.
Под чувствительностью индуктивного преобразователя понимают:
K ≈ ∆Z/∆d. (30)
Индуктивный преобразователь является электромагнитом, его сила
притяжения, возрастающая с увеличением чувствительности, нелинейно зависит от
перемещения якоря и может явиться причиной погрешности преобразователя,
предшествующего индуктивному.
Сила притяжения описывается следующим выражением:
, (31)
где
Wм - энергия магнитного поля;
L -
индуктивность преобразователя, Гн;
I - ток,
проходящий через обмотку преобразователя, А.
Описанные одинарные индуктивные преобразователи имеют ряд недостатков:
1) их функции преобразования нелинейны;
2) аддитивные погрешности, в частности погрешность реального
преобразователя, вызванная температурным изменением активного сопротивления
обмотки, велики;
3) сила притяжения якоря значительна.
Реализовать преобразователи первой группы, т.е. те, у
которых меняется индуктивность можно различными способами. Например, можно
менять длину δ, сечение воздушного участка магнитопровода s, потери в магнитопроводе и др. [2].
На рисунке 5 схематически показаны некоторые типы индуктивных
преобразователей.
Индуктивный преобразователь (рисунок 5 (а)) с
переменной длиной воздушного зазора δ характеризуется нелинейной
зависимостью L = f(δ). Такой преобразователь обычно
применяется при перемещениях якоря на расстояние 0,01 - 5 мм. Значительно
меньшей чувствительностью, но линейной зависимостью L = f(s) отличаются преобразователи с
переменным сечением воздушного зазора (рисунок 5 б). Эти преобразователи
используются при перемещениях якоря до 10 - 15 мм.
Если ферромагнитный сердечник преобразователя
подвергать механическому воздействию F, то
вследствие изменения магнитной проницаемости материала сердечника μ
изменится магнитное
сопротивление цепи, что повлечет за собой изменение индуктивности L и взаимной индуктивности M обмоток. На этом принципе основаны
магнитоупругие преобразователи (рисунок 5 в).
Условные обозначения:
а - с изменяющейся длинной зазора;
б - с изменяющимся сечение зазора;
в - магнитоупругий.
Рисунок 5 - Индуктивные преобразователи
Широко распространены индуктивные дифференциальные преобразователи
(рисунок 6), в которых под воздействием измеряемой величины одновременно и
притом с разными знаками изменяются два зазора двух электромагнитов. Благодаря
этому уменьшается аддитивная погрешность, улучшается линейность функции
преобразования, в 2 раза возрастает чувствительность и уменьшается сила
притяжения якоря [3].
Дифференциальные преобразователи в сочетании с
соответствующей схемой (обычно мостовой) имеют более высокую чувствительность,
чем обычные преобразователи, дают возможность уменьшить нелинейность функции
преобразования, испытывают меньшее влияние внешних факторов. В этих
преобразователях результирующее усилие на якорь со стороны электромагнитов
меньше, чем в недифференциальных.
Условные обозначения:
а - дифференциальный трансформаторный;
б - дифференциальный;
в - дифференциальный трансформаторный, с разомкнутой
магнитной цепью.
Рисунок 6 - Дифференциальные индуктивные
преобразователи
Применяются также индуктивные дифференциальные
преобразователи трансформаторного типа (рисунок 6 а), в которых две секции
первичной обмотки включены согласно, а две секции вторичной обмотки - встречно.
При питании первичной обмотки переменным током и при симметричном положении
якоря относительно электромагнитов ЭДС на выходных зажимах равна нулю. При
перемещении якоря возникает сигнал на выходных зажимах.
Для преобразования сравнительно больших перемещений
(до 50-100 мм.) применяются индуктивные преобразователи с незамкнутой магнитной
цепью. На рисунке 6, в схематически показано устройство
дифференциального трансформаторного индуктивного преобразователя с незамкнутой
магнитной цепью, используемого для передачи показаний различных неэлектрических
приборов (манометров, дифференциальных манометров).
Конструкция преобразователя определяется главным
образом значением измеряемого перемещения. Габариты преобразователя выбирают,
исходя из необходимой мощности выходного сигнала и других технических
требований.
Индуктивные преобразователи используются для
преобразования перемещения и других неэлектрических величин, которые могут быть
преобразованы в перемещение (усилие, давление, момент и т. д.).
По сравнению с другими преобразователями перемещения
индуктивные преобразователи отличаются значительными по мощности выходными
сигналами, простотой и надежностью в работе.
Недостатком их является наличие обратного воздействия преобразователя на
измеряемый объект (воздействие электромагнита на якорь) и влияние инерции якоря
на частотную характеристику прибора [1].
1.7 Измерение
перемещения
После того, как были рассмотрены некоторые эффекты и
преобразователи для измерения перемещения, можно сделать вывод, что наиболее
подходящими по своим характеристикам для нашего проекта являются емкостные
преобразователи. Для измерения выходного параметра емкостных преобразователей
применяют цепи с использованием резонансных контуров, которые позволяют
создавать приборы с высокой чувствительностью, способные реагировать на
перемещения порядка 10-7 мм. Цепи с емкостными преобразователями обычно питают
током повышенной частоты (до десятков мегагерц), что вызвано желанием увеличить
сигнал, попадающий в измерительный прибор, и необходимостью уменьшить
шунтирующее действие сопротивления изоляции.
Достоинствами емкостных преобразователей являются
простота устройства, высокая чувствительность и возможность получения малой
инерционности преобразователя.
Условные обозначения:
а - с изменяющимся расстоянием между пластинами;
б - дифференциальный;
в - дифференциальный с переменной активной площадью пластин;
г - с изменяющейся диэлектрической проницаемостью среды между пластинами.
Рисунок 7 - Емкостные преобразователи
В данной курсовой работе будет рассмотрен более
простой емкостной датчик. Ниже приведены результаты исследований этого датчика,
схема которого приведена в Приложении Б.
Датчик состоит из двух пакетов стеклянных, пластин на плоскости которых
нанесены электроды, а также двух оснований с пазами. В этих пазах перемещается
электрод-экран. Общая длина пластин равна 200 мм. в исходном состоянии экран
вдвинут до середины пакета, что обеспечивает диапазон преобразования 100мм.
Нелинейность не превышает 1,5%. Датчик предназначен для работы с измерительными
цепями (измерительными преобразователями), обеспечивающими преобразование
проходной емкости в трехзажимной схеме включения.
2.
Практическая часть
.1 Датчик
давления на основе индуктивного преобразователя
Прежде всего, давление определяется как скалярная величина, характеризующая
состояние сплошной среды, и оценивается как отношение силы, действующей
перпендикулярно поверхности, к площади этой поверхности.
В датчиках давления всегда испытывается большая потребность, и они
находят весьма широкое применение. Принцип регистрации давления служит основой
для многих других типов датчиков, например датчиков массы, положения, уровня и
расхода жидкости и др. В подавляющем большинстве случаев индикация давления
осуществляется благодаря деформации упругих тел, например диафрагмы, пружины
Бурдона, гофрированной мембраны. Такие датчики имеют достаточную прочность,
малую стоимость, но в них затруднено получение электрических сигналов.
Потенциалометрические (реостатные), емкостные, индукционные,
магнитнострикционные, ультразвуковые датчики давления имеют на выходе
электрический сигнал, но сравнительно сложны в изготовлении.
В большинстве случаев датчики давления соединяются с объектами измерения
при помощи соединительных трубок. Такие линии коммуникации давления,
заполненные воздухом или жидкостью, не вносят погрешностей при измерении
статических давлений, но сильно влияют на результаты измерений измеряющихся
давлений, обладая существенной инерционностью, присущей пневматическим и
гидравлическим звеньям.
В ряде случаев в датчиках давления может быть использован
преобразователь, выходной величиной которого является механическое напряжение
или давление. В этом случае используется мягкая, так называемая вялая мембрана,
которая выполняет функцию только разделительного элемента.
Индуктивные приборы измерения давления отличаются высокой точностью, дают
возможность вести дистанционные измерения. Сравнительно небольшие габаритные
размеры индуктивных преобразователей позволяют создавать компактные
измерительные устройства. Наличие одного источника энергии (электрического
тока) является существенным преимуществом индуктивных приборов перед
пневматическими, которые питаются электрическим током и сжатым воздухом.
В индуктивных приборах используется свойство катушки изменять свое
реактивное сопротивление при изменении некоторых ее параметров, определяющих
величину индуктивности L.
Индуктивный преобразователь представляет собой катушку индуктивности
(дроссель), полное сопротивление которой изменяется при взаимном относительном
перемещении элементов магнитопровода.
Одним из основных достоинств индуктивных преобразователей является
возможность получения большой мощности преобразователя (до 1-5 В×А), что позволяет пользоваться
сравнительно малочувствительным указателем на выходе измерительной цепи и
регистрировать измеряемую переменную величину самописцем или вибратором
осциллографа, без предварительного усиления. Лишь при малогабаритных
преобразователях приходится прибегать к включению усилителя.
Но индуктивные преобразователи имеют ряд недостатков: их функции преобразования
нелинейные; аддитивные погрешности, в частности погрешность реального
преобразователя, вызванная температурным изменением активного сопротивления
обмотки, велики; сила притяжения якоря значительная.
Работа датчика основана на том, что под действием давления пружина
Бурдона деформируется, что приводит к перемещению якоря индуктивного
преобразователя. В свою очередь перемещение якоря вызывает изменение воздушного
зазора, а значит и индуктивности преобразователя. Таким образом,
неэлектрический сигнал преобразуется в электрический, который легко
зарегистрировать и оценить величину давления
С целью измерения механической силы упругое тело может быть подвергнуто
действию силы. Возникающие при этом деформация или изменения размеров тела
можно измерить затем с помощью датчика смещения. Материал и форму упругого тела
в таком «динамометре» следует выбрать так, чтобы в широком диапазоне
удовлетворялся закон Гука без остаточной деформации. поперечного сечения
стержня
2.2 Расчет
чувствительного элемента датчика
Рисунок 8 - Пружина Бурдона
Исходные данные:
Подаваемое давление, кгс/см2
p = 7
кгс/см2.
Радиус центральной оси пружины, мм:
R = 52
мм.
Толщина стенки пружины, мм:
h =
2,1 мм.
Полуоси поперечного сечения по среднему контуру, мм:
a =
10,5 мм;
b =
3,22 мм.
E =
1,16 ∙ 106 кгс/см2.
Коэффициент Пуассона:
μ = 0,3.
Коэффициенты:
α = 0,481;
β = 0,045;
Г = 5,3.
Вычисляем главный параметр трубки :
=Rh/a2;
(32)
Находим
перемещение конца пружины, м:
; (33)
λ = 0,257 ∙ 10-3 м.
2.2 Расчет
первичного измерительного преобразователя
Определить измерительное усилие дифференциального индуктивного
преобразователя с Ш-образным сердечником и плоским якорем. Первоначальные
габаритные размеры по варианту (параметр t численно равен b).
Требования, в соответствии с которыми разрабатывается и рассчитывается
первичный измерительный преобразователь, такие:
диапазон измерения 0,1-0,2 мм;
чувствительность преобразователя 100-150 Ом/мм;
допустимая степень нелинейности 1%;
допустимая плотность тока 2-2,5 А/мм2;
частота питающего напряжения 50 Гц;
допустимое измерительное усилие не более 3Н.
Исходные данные, м:
a = 7 ∙
10-3 м,
b = 5 ∙
10-3 м,
с = 15 ∙ 10-3 м,
h = 19
∙10-3 м,
f = 6 ∙
10-3 м,
t = b
ПЭВ - 1
Перемещение конца пружины, м:
λ = 0,257 ∙ 10-3 м;
.
Коэффициент заполнения, зависящий от диаметра провода и вида изоляции и
соответствующий марке провода:
fZ = f0 = 0,6.
Постоянная магнитная константа, Гн/м:
μ0 = 1.257 ∙ 10-6 Гн/м.
Диаметр провода катушки преобразователя без изоляции, м:
d1 =
0,15 ∙ 10-3 м.
Сечение полого провода, м²:
q =
0,0176 ∙ 10-6 м2.
Толщина стенок каркаса, м:
n =
1,5 ∙ 10-3 м.
Зазор между поверхностью катушки и сердечником, м:
m =
2,5 ∙ 10-3 м.
Рассчитаем площадь, занимаемую обмоткой катушки, м²:
, (34)
Где
n - толщина стенок каркаса, выбирается в пределах 1-2
мм;
m - зазор между
поверхностью катушки и сердечником, выбирается в пределах 2-3мм.
Q = 110 ∙
10-3 м.
По
известной площади окна магнитопровода, предназначенного для размещения катушки,
с учетом каркаса катушки определим количество витков:
; (35)
ω=3735
Чтобы
уменьшить влияние изменения характеристик магнитного материала на параметры
катушек, индукцию В выберем из условия В=0,2-0,6 Т, такой, при которой
магнитная проницаемость данного материала достигает максимального значения:
В
= 0,2 Т.
Определим
начальный зазор между якорем и катушками индуктивности,
выбираем из двух условий:
; (36)
; (37)
δ0 = 1,1 ∙ 10-3.
Определим
максимальный зазор δmax и
минимальный зазор δmin,
возникающие между катушками и магнитопроводом вследствие его передвижения, м:
δmax=
+l/2; (38)
δmax = 1,2285∙10-3
Определим
параметры катушки при наибольшем зазоре.
Координаты
выпучивания магнитного поля
определим
по графику - Зависимость между координатами поля выпучивания.
Координата
обычно принимается равной
:
X1= 7,5 ∙10-3;
Z1b=X1*6/8b=5,625 ∙ 10-3;a = t;a = t;2b = t;
Х2=8*Z2b/6
X2=6.667 ∙
10-3.
Определим
толщину стенки четверти полого цилиндра, м:
; (39)
m2=4.653 ∙10-3
м.
Определим
толщину стенки половины полого цилиндра, м:
; (40)
m1=5,53 ∙
10-3 м.
Магнитная
проводимость воздушны зазоров
,
определим как сумму магнитных проводимостей фигур, их
составляющих
Для
зазора
, проводимость составит, Гн:
; (41)
= 7,08 ∙
10-8 Гн.
Для
зазора
проводимость составит, Гн:
; (42)
= 6,21 ∙
10-8 Гн.
Так
как рассматриваемая цепь симметрична, условно примем, что сопротивление
среднего сердечника состоит из двух равных параллельно включенных магнитных
сопротивлений
и двух равных сопротивлений воздушных зазоров
.
Для
любой половины магнитопровода полное магнитное сопротивление цепи
будет равно сумме сопротивлений остальных участков
цепи и сумме сопротивлений воздушных зазоров:
. (43)
Но поскольку мы пренебрегаем величинами сопротивлений сердечников, то:
, (44)
Где
; (45)
. (46)
Суммарное магнитное сопротивление всей цепи составит, Ом:
; (47)
= 1,61 ∙
107 Ом;
= 1,41 ∙
107 Oм.
Средняя
длина витка, м:
; (48)
lcp = 0,085 м.
Круговая
частота:
. (49)
Частота, Гц:
=50 Гц .
Удельное
сопротивление для медной проволоки, Ом∙мм2/м:
.
Активное
(омическое) сопротивление катушки преобразователя, Ом:
; (50)
Ra = 265,49 Ом.
По
найденной величине
определяем модуль полного электрического
сопротивления катушки преобразователя, Ом:
; (51)
Zэ = 460,49 Ом.
Находим
площадь сечения среднего сердечника, м²:
; (52)
S = 7 ∙
10-5.
Магнитный
поток в сердечнике:
, (53)
где
В = 0,2 Т;
= 1,4 ∙
10-5.
Определяем
эффективное значение тока, протекающего через катушку: преобразователя, А:
, (54)
где
; (54’)
Ом;
I = 0,0347 А.
Проверяем
катушку на допустимую плотность тока, А/мм².
Рекомендуемая
плотность тока:
; (55)
j = 1,97 А/мм2.
Катушка,
судя по полученному результату, имеет допустимую плотность тока.
Определяем
напряжение питания катушки, В:
; (56)
U =
15,979 В.
Определим параметры катушки при наименьшем зазоре δmin по формулам (14)-(32).
δmin = 0,9715∙10-3 ;
X1=
7,5 ∙10-3;
Z1b= 5,625 ∙ 10-3;
X2=6,67
∙ 10-3;
m1 =
5,53 ∙ 10-3 м;
m2 =
5,948 ∙ 10-3 м;
= 8,1 ∙
10-8 Гн;
= 7,228 ∙
10-8 Гн;
= 1,61 ∙
107 Ом;
= 1,41 ∙
107 Oм;
Zэ =
460,49 Ом.
Нахожу разность модулей полных электрических сопротивлений катушки
преобразователя, Ом:
ΔΖ = Zmax - Zmin; (57)
ΔΖ = 31,53 Ом.
Приближенно определим чувствительность преобразователя, Ом/мм:
; (58)
К
= 122,70 Ом/мм.
Полученная
чувствительность преобразователя должна удовлетворять условию К=100-150 Ом/мм.
Рассчитаем
максимальную электромеханическую силу притяжения
, якоря к
сердечнику:
, (59)
где
- сила
притяжения якоря к отдельному полюсу сердечника преобразователя, полученной из
формулы Максвелла:
, (60)
,
- проводимость зазора и зазор у полюса, силу
притяжения которого можно определить.
У
дифференциального преобразователя на якорь действует разность сил, направленная
в сторону уменьшения зазора:
. (61)
Максимальную
электромеханическую силу притяжения якоря можно представить таким образом, Н:
; (62)
= 0,12 Н.
Измерительное
усилие
преобразователя определяют, исходя из величины
максимальной электромеханической силы притяжения
, якоря к
сердечнику:
. (63)
Полученное
по условию должно составлять не более 3Н.
= 1,17
Н.
2.3 Расчет
емкостного датчика давления
Выбираем конструкцию емкостного датчика давления с деформируемой
диафрагмой (мембраной). Датчики давления мембранного типа конструируются таким
образом, что подвижная мембрана является средним электродом дифференциального
емкостного преобразователя. Изменения электрической емкости будет происходить
при изменении расстояния между электродами.
Параметры для расчета конструкции емкостного датчика давления приведены в
таблице 4.
Таблица 1 - Параметры емкостного датчика давления
|
Диапазон изменения
измеряемого давления, кПа
|
Данные для емкостного
датчика давления
|
|
Д,
|
|
|
|
0-500
|
0,08
|
8
|
0,16
|
Площадь электродов определяется формулой:
(64)
где
- радиус электрода.
Номинальная
емкость конденсатора, образованная мембраной и неподвижным электродом 3 или 4
при
, равна:
(65)
где
- диэлектрическая постоянная воздуха, равная
;
-
площадь электродов;
-
начальный зазор между мембраной и электродом.
Если
и
выражены
в сантиметрах, то:
(66)
Условные
обозначения:
-
мембрана;
-
изолятор;
,4
- электроды;
- радиус
периферии мембраны;
- радиус
электрода;
- радиус
мембраны;
-
разность давлений, действующих на мембрану;
-
начальный зазор между электродом и мембраной;
- прогиб в центре мембраны;
Рисункок
9 - Схема расположения катушки на сердечнике преобразователя
Чувствительность емкостного датчика по перемещению подвижного электрода:
(67)
Увеличение
чувствительности достигается уменьшением начального зазора между электродами и
увеличением размеров датчика. Как видно из рисунка, под действием измеряемого
давления мембрана получает переменный прогиб. Наибольшее перемещение имеет
центр мембраны, а наименьшее - периферия мембраны. Уравнение, выражающее
зависимость хода центра мембраны
под
действием равномерного нагружения избыточным давлением имеет вид:
(68)
где
- модуль Юнга;
-
коэффициент Пуассона;
- толщина
мембраны, см.
Условные
обозначения:
-
неподвижный электрод;
-
диафрагма;
-
держатель.
Рисунок
10 - Прогиб мембраны
Для
мембраны из стали:
=0,3 ,
=4.2·106
.
Зададим
параметры датчика:
, 
.
Связь
между давлением, диаметром мембраны и толщиной мембраны можно представить в
виде:
(69)
где
коэффициент
.
Для
закрепленной по контуру мембраны напряжение в заделке определяется выражением:
(70)
По
формуле найдем
:
(71)
По
заданию
следует, что
.
(72)
Для
практических расчетов удобно выражать чувствительность емкостного датчика
давления отношением относительного приращения емкости к давлению, вызвавшему
это приращение:
(73)
где
- коэффициент тензочувствительности датчика;
-
коэффициент упругой чувствительности датчика.
Для
малых δW
имеет место линейное приближение:
(74)
(75)
(76)
Отношение
радиуса электрода к радиусу мембраны. Отсюда Rc=3,9.
С
учетом паразитных присоединительных емкостей кабеля
коэффициент
получает
вид:
(77)
где
(С - емкость датчика при β=1).
По
условию
. Найдем значение
с учетом
этих данных:
(78)
В
выражение для коэффициента упругой чувствительности датчика
входит отношение
, которое
для плоской мембраны имеет вид:
(79)
Тогда:
(80)
Следовательно,
общая чувствительность датчика давления:
(81)
На
концах электродов 3 и 4 возникают краевые поля, т.е. происходит искривление
электростатического поля.
Условные
обозначения:
-
охранное кольцо;
,
4 - электроды;
-
краевой эффект.
Рисунок
11 - Краевые поля
Чтобы
исключить краевой эффект и получить равномерное электрическое поле на краях
электродов емкостного преобразователя, применяют специальное охранное кольцо
для одного из электродов. В тех случаях, когда невозможно применить охранное
кольцо, следует при расчетах емкости использовать поправочные коэффициенты.
Для
воздушного конденсатора с электродами круглой формы с радиусом
(W<<
) для
случая, когда краевым эффектом пренебречь нельзя, емкость для различных
положений мембраны равна:
(82)
График
функции
показан на рисунке 19.
Рисунок
12 - График зависимости краевого эффекта от деформации
График
функции
(83)
По
графику определим
:
(84)
Найдем
емкость для воздушного конденсатора с электродами круглой формы:
(85)
Заключение
В курсовом проекте были рассмотрены физические явления и эффекты,
используемые при конструировании датчиков, приборов, первичных измерительных
преобразователей. Цель проекта достигнута. Была разработана конструкция
устройства для измерения угловых перемещений. Задачи выполнены, был произведен
обзор и составлена классификация физических явлений и эффектов, применяемых при
конструировании устройств получения первичной измерительной информации. Так же
были рассмотрены датчики давления, произведен расчет чувствительного элемента
датчика и первичного измерительного преобразователя.
Приложение А
Приложение Б
Список
использованных источников
1 Евтихеев Н.Н., Измерение электрических и
неэлектрических величии. - М.: Энергоатомиздат, 1990. - 327 с.
2 Кудряшов Э.А., Измерительные преобразователи для емкостных
датчиков. - Приборы и системы управления, 1992
Левшина Е.Е., Новидский П.В. Измерительные преобразователи.
- Л.: Энергоатомиздат, 1983. - 452 с
Лежоев Р.С., Емкостной датчик перемещений. - Техническая
электродинамика, 1992. - 107с.
Основы метрологии и электрические измерения. Учебник для
вузов/ В.Я. Авдеев, Е.М. Антонов, Е.М. Душин. - Л.: Энергоатомиздат, 1987. -
480 с.
Седалищев В.Н., Надвоцкая В.В. Методические указания к
выполнению курсового проекта по дисциплине «Физические основы получения
информации» для студентов специальности 19.09.00. - Барнаул: Издательство
АлтГТУ им. И. И. Ползунова, 2005. - 32 с.
Международные стандарты ISO [Электронный ресурс]. - Режим доступа:
http://iso.staratel.com. - Загл. с экрана.
Международный стандарт информационной безопасности ISO/IEC 17799 [Электронный ресурс]. - Режим доступа:
ru.wikipedia.org/wiki/ ISO/IEC_17799 - Загл. с экрана.
Руководство Р 2.2.2006-05. Гигиена труда. Гигиеническая
критерии оценки условий труда по показателям вредности и опасности факторов
производственной среды, тяжести и напряжённости трудового процесса [Электронный
ресурс]. - Режим доступа: http://www.niiot.ru/doc/doc113/doc.htm. - Загл. с экран
Котюк А.Ф., Датчики в современных измерениях. - Москва:
Радио и связь - 2006
Виглеб.Г., Датчики. Устройство и применение. - Москва:
Издательство «Мир», 1989
Гинсбург В.Б., Магнитоупругие датчики.М.: Энергия, 1970
Государственная система промышленных приборов и средств
автоматизации (каталог). ЦНИИТЭИприборостроения, 1983
Левшина Е.С., Новицкий П.В., Электрические имерения
физических величин. Л.: Энергоатомиз, 1983
Мирский Г.Я.,Электронные измерения. М.: Радио и связь, 1986
Электрические измерения / Под ред. А.В. Фремке. Л.:Энергия,
1980
Электрические измерения неэлектрических величин / Под. Ред.
П.В. Новицкого. Л.: Энергия, 1977
Атоманян Э.Т., Приборы и методы измерения электрических
величин. М.: Высшая школа, 1982
Эрастов В. Е., Сидоров Ю. К., Отчалко В. Е. Измерительная
техника и датчики: Учебное пособие - Томск: Томский межвуз. центр дист.
обр-ния, 1999
И. Пфанцагль Теория измерений / Пер. с англ. В. Б. Кузьмина
- М.: Мир, 1976
Пейтон А. Дж., Волш В. Аналоговая электроника на
операционных усилителях.- М. :БИНОМ, 1994Кирсанов. Д.
Справочник инженера по контрольно-измерительным приборам и
автоматике. Учебно-практическое пособие - М.: Инфра-Инженерия, 2008
М. А. Великанов Ошибки измерения и эмпирические зависимости
- Л.: Гидрометеорологическое изд-во, 1962
Хамханова Д.Н. Общая теория измерений. Учеб. пособие -
Улан-Удэ: Изд-во ВСГТУ, 2006
Томпкинс У., Уэбстер Дж., Сопряжение датчиков и устройств
ввода данных с компьютерами IBM PC: Пер. с англ. - М. : Мир, 1992.