Производство земляных и бетонных работ при устройстве монолитных фундаментов промышленных и гражданских зданий
КУРСОВОЙ ПРОЕКТ
по дисциплине "Технология
строительных процессов"
Производство земляных и бетонных
работ при устройстве монолитных фундаментов промышленных и гражданских зданий
Содержание
1. Исходные данные
. Определение вида земляных работ для устройства фундамента
. Подсчет объемов земляных работ
. Подсчет объемов опалубочных работ
. Подсчет объемов арматурных работ
. Подсчет объёмов бетонных работ
. Определение числа захваток при бетонировании
. Выбор машин и механизмов для земляных и монтажных работ
.1 Выбор бульдозера для планировки
.2 Выбор экскаватора для разработки грунта
.3 Расчет автотранспорта для перевозки грунта в отвал
(резерв)
.4 Выбор крана для монтажных работ
.5 Выбор самоходных катков
.6 Выбор автобетоносмесителя
.7 Выбор автобетононасоса
.8 Выбор вибраторов
. Ведомость объемов работ по устройству монолитных
фундаментов
. Расчет калькуляции трудовых затрат и машинного времени
. Разработка графика производства работ
. Организация и технология строительного процесса
. Составление ведомости материально-технических ресурсов
.1 Потребность в строительных машинах, механизмах,
организационно-технической оснастке, инструменте
.2 Потребность основных материалов и конструкций
. Контроль качества и приемка работ
. Техника безопасности при производстве работ
Библиографический список
1.
Исходные данные
1. Назначение здания - промышленное,
отапливаемое с металлическим каркасом, бесподвальное.
2. Длина здания в осях Lзд =210 м
3. Ширина здания в осях Взд=90
м
4. Ширина пролета в осях Впр=15м
5. Шаг колонн в осях Вш=10 м
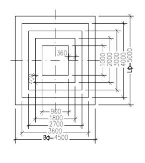
6. Высота подколонной части фундамента hi=1,5 м
7. Количество ступеней фундамента nст=4
8. Габариты подколонной части фундамента
Lф
i=1,0 м
В ф i =0,9
м
9. Высота ступени h1(2,3)=0,3м
10. Габариты ступени фундамента
l1(2,3,4)=0,5 м
b1(2,3,4)=0,45 м
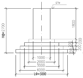
11. Размеры подошвы фундамента
Lф=5,0м
Вф=4,5м
12. Высота фундамента Нф=2,7м
13. Материал фундамента: класс бетона В
15, марка цемента ШПЦ 300
14. Бетон подготовки класса В 5
15. Температура выдерживания бетона tвб= ±0оС
16. Темп-ура наружного воздуха tн.в=(N1/5)-10-(N2/3)=(4/5)-10-(9/3)=
- 12,2оС
17. Растительный слой грунта - с примесью
щебня, гравия или строительного мусора
18. Грунт - Лесс мягкий без примесей;
средняя плотность в естественном состоянии - 1600 кг/м³
Армирование фундамента. Армирование ступеней.
19. Диаметр арматурных стержней в сетке
ступней dsс=20мм
20. Шаг стержней в сетке ступеней ас=200мм
21. Количество сеток в одной ступени nсс=2
Армирование подколонной части. Сетки подколонной части.
22. Диаметр арматурных стержней в сетке
поддколонника dsc=12 мм
23. Шаг стержней в сетке подколонной
части ас=200мм
24. Количество сеток в подколонной части n сc=2
25. Величина защитного слоя бетона взс=25мм
Вертикальное армирование подколонной части фундамента.
26. Диаметр арматурных стержней
периодического профиля для вертикального армирования dsn=18 мм
27. Шаг стержней в каркасе вертикального
армирования аc=100мм
28. Величина защитного слоя бетона для
вертикального армирования взс=30мм
29. Длина стержней вертикального
армирования 2,64м
30. Расстояние транспортировки грунта на
вывоз L= 7км
31. Расстояние транспортировки бетонной
смеси l=18 км
32. Срок планировочных работ - 2-3 дня
33. Срок выполнения работ Nдн -40 суток
Nфунд.=154шт
Согласно заданию принимаем металлический каркас здания, фундаменты
монолитные железобетонные. Всего Nфунд.=154 фундаментов (определено по плану
несущих конструкций).
Согласно табл.42 СП* "Стальные конструкции" наибольшее
расстояние между температурными швами по длине блока (L) для отапливаемого здания с металлическим каркасом
составляет 160 м, по ширине блока (В) -110м. Размеры здания в осях 210 (Lзд.)×90 (Взд.) м, поэтому
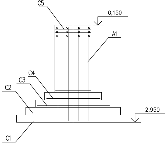
здание не делится на температурные блоки. Отметка заложения обреза фундамента
-0,150м. Тогда отметка дна котлована
Fдн= Нф+ Fобр+ hнед= 2,7+0,15+0,1=2,95 м
где, HФ - высота фундамента (принять по заданию);обр
- отметка обреза фундамента, м;нед - высота слоя грунта при
подчистке вручную (недобор), мдн=2,6+0,15+0,1=2,85м

Рис.1. Фундамент монолитный
2.
Определение вида земляных работ для устройства фундамента
. Определение высоты котлована:
Нк=Fдн - hср - hнед=2,95-0,15-0,1=2,7
м
где, hср - высота срезаемого слоя при планировке грунта.
Рис.2. Схема определения высоты котлована
. Определение горизонтального заложения откоса:
d=m·Hк=0,5·2,7=1,35м
где, m=0,5 - коэффициент откоса, для лесс
. Определение расстояния между выемками в поперечном направлении здания
(по ширине пролета):
L max=Впр-LФ-2·0,6-2·m·Hк,
где, Впр - ширина пролёта здания (минимальная) или расстояние
между осями в поперечном направлении здания, м;
LФ
- длина подошвы
фундамента, м.
L max=15-5-2·0,6-2·0,5·2,7=6,1 м
. Определение расстояния между выемками в продольном направлении здания
(по ширине шага):
Lmin = Bш - BФ - 2·0,6 - 2· m·Hк =10-4,5-2·0,6-2·0,5·2,7=1,6м
где, Bш - шаг несущих конструкций (колонн) или
расстояние между осями в продольном направлении здания, м;
BФ
-ширина подошвы
фундамента, м;
,1 - расстояние от основания откоса выемки до ближайшей грани фундамента
из условий безопасности производства работ.
. Назначение вида сооружения по результатам
При L max=0,1м< 8,0 м - устраиваем общий
котлован под все здание с устройством въездной траншеи.
3. Подсчет
объемов земляных работ
Расчетная схема котлована. При расчете расстояние от основания откоса
котлована до фундамента 0,6 м. Недобор грунта производиться вручную на высоту
0,10 м.
. Определение площади срезки растительного слоя грунта бульдозером:
=(Bзд+20) · (Lзд+20)=(90+20) · (210+20)=25300 м²
. Определение объема работ по перемещению срезанного грунта в отвал при
расстоянии перемещения:
Vпер.ср.=S·hср=25300·0,15=3795м³
lср.пер=
=
=105м
lср.пер - расстояние перемещения срезанного грунта
бульдозером в отвал,
hср- высота срезанного грунта при планировке, hср =0,15 м.
3. Определение объёма котлована:
Определение длины котлована по дну с учетом привязки крайних колонн
температурного блока 0,5м:
а=Lзд-0,5·2+ BФ+0,6·2=210-1+4,5+1,2=214,7 м;
где, 0,5 - привязка крайних колонн температурного блока, м.
Определение ширины котлована по дну:
= Bзд +LФ+0,6·2=90+5+1,2=96,2
м;
Определение длины котлована по верху, А:
А=а+2·d=214,7+2·1,35=217,4м;
Определение ширины котлована по верху, В:
В=b+2·d=96,2+2·1,35=98,9м;
. Определение объема котлована:
Vк.=Hк·(a·b+A·B+(a+A) ·(b+B)) / 6 = 2.7 ·
(214,7·96,2 + 217,4·98,9 + (214,7 + 217,4) ·(96,2 + 98,9)) / 6 = 2,7·(20654,14
+ 21500,86 + (432,1·194,8)) / 6 = 2,7·(20654,14 + 21500,86 + (84173,08) / 6 =
2,7·(126328,08/6) = 56847,64м³
5. Определение объёма съезда. Принимаем
Vсъезда
=
· (3·bсъезда + 2·m· Hк
·(m'-m) =
·(3·6 +
+2·0,5·2,7
·(8--0.5)=187,04 м³
.
Определение объемов земляных работ:
зем.раб.= Vк + Vсъезд
=56847,64 + 187,04=57034,68 м³
где,
Vк - объем котлованасъезда- объем съезда.
Определение объема фундаментов
фунд=(∑Vступ+Vподк)·Nфунд;
где, ∑Vступ - объём ступеней одного фундамента, м³
∑Vступ=∑(ВФ·LФ·h1+ВФ
1·LФ 1·h2+ВФ 2·LФ 2·h3+ВФ
3·LФ 3·h4)
∑Vступ =∑(4,5·5,0·0,3+3,6·4,0·0,3+2,7·3,0·0,3+1,8·2,0·0,3)=14,58
м³
подк - объём подколонника (стакана)
одного фундамента, м³
подк= ВФi·LФi·hi=0,9·1·1,5=1,35 м³
фунд=(14,58+1,35)·154=2453,22 м³
6. Определение объемов бетонной подготовки:
Определение размеров бетонной подготовки для фундамента:
Впод=ВФ+0,2=4,5+0,2=4,7 мпод=LФ+0,2=5,0+0,2=5,2
м
Определение объема бетонной подготовки:
бет.под.= Впод ·Lпод·hпод·Nфунд=4,7∙5,2∙0,1∙154=376,376
м³
где, hпод - высота бетонной подготовки hпод = 0,1.
Впод- ширина бетонной подготовки.
Рис.3. Продольный разрез
Рис.4. Поперечный разрез
Рис.5. Фрагмент плана фундамента
Определение объема ручных работ
1. Определение объема работ при подчистке грунта под фундаментами
вручную (объем недобора грунта):
нед.руч = (Впод+0,1)·(Lпод+0,1)·hнед ·
Nфунд
нед.руч =(4,7+0,1)·(5,2+0,1)·0,1·154=391,78 м³
где, hнед - высота слоя грунта при подчистке
вручную (недобор), м.
Грунт вблизи поверхностей фундамента для исключения повреждения
конструкции засыпается и уплотняется вручную. Оставшийся объем грунта
уплотняется с помощью специальных машин (катков).
2. Определение площади поверхности одного фундамента, соприкасающейся с
грунтом:
Ф = (ВФ·h1 + LФ·h1)·2 + (ВФ1·h2
+ LФ1·h2)·2 + (ВФ2·h3 + LФ3·h3)·2
+ (ВФ3·h4 + LФ3·h4)·2 + (ВФ3·h4
+ LФ3·h4)·2 + (ВФ·LФ - ВФi·LФi)
= (4,5·0,3 + 5,0·0,3)·2 + (3,6·0,3 + 4,0·0,3)·2 + (2,7·0,3 + 3,0·0,3)·2 +
(1,8·0,3 + 2,0·0,3) + (1,0·1,5·2 + 0,9 ·1,5·2) + (4,5·5,0 - 1,0·0,9) = 43,26 м²
3. Определение объема работ при обратной засыпке пазух котлована
вручную. Засыпка вручную поверхности фундамента производиться на толщину 0,6 м,
тогда:
обр.з.руч=SФ · tупл · Nфунд=
43,26·0,6·154=3997,2 м³
где, tупл - толщина слоя грунта (от поверхности фундамента),
уплотняемого вручную, tупл = 0,6 м.
4. Определение объёма работ при уплотнении грунта обратной засыпки
электротрамбовками вручную:
Определение площади уплотнения грунта у подошвы фундамента:
Sпод=4·(t2упл-b2cт+ Bфi(tупл+ bcт)), м²
где, tупл - толщина слоя уплотняемого грунта, tупл=0,6 м;
bcт
=0, при расчёте площади уплотнения у подошвы фундамента.
Sпод=2·(0,62+4,5·0,6)+ 2·(0,62+5,0·0,6)
=6,12+6,72=12,84 м²
Определение площади уплотнения грунта вблизи фундамента в уровне первой,
второй, третьей и четвертой ступеней:
Sст
1,2,3,4=4·(t2упл - b2cт + Bфi(tупл
+ bcт)), м²
где, bcт - ширина нижележащей ступени
фундамента, м;
tупл - толщина слоя уплотняемого грунта, tупл=0,6 м.
Sст1
= 2·(0,620,32
+ 4,5(0,6 + 0,3)) + 2·(0,62·0,32 + 5,0(0,6 + 0,3))
= 2·(0,27 + +4,05) + 2·(0,27 + 4,5) = 8,64 + 9,54 = 18,18 м²
Sст2
= 2·(0,62 -
0,32 + 3,6(0,6 + 0,3)) + 2·(0,62 - 0,32 +
4(0,6 + 0,3)) = 2·(0,27 + 3,24) + 2·(0,27 + 3,6) = 7,02 + 7,74 = 14,76 м²
Sст3
= 2·(0,62 -
0,32 + 2,7(0,6 + 0,3)) + 2·(0,62 - 0,32 +
3(0,6 + 0,3)) = =2·(0,27 + 2,43) + 2·(0,27 + 2,7) = 5,4 + 5,94 = 11,34м²
Sст4
= 2·(0,62 -
0,32 + 1,8(0,6 + 0,3)) + 2·(0,62 - 0,32 +
2(0,6 + 0,3)) = =2·(0,27 + 1,62) + 2·(0,27 + 1,8) = 3,78 + 4,14 = 7,92 м²
Sст
общ= 7,92 + 11,34
+ 14,76 + 18,18 = 52,2 м²
Определение площади уплотняемой поверхности грунта вблизи подколонной
части фундамента:
Sподк = (4·
) · (t2упл + Bфi · tупл) = ((2 ·
) · (0,62
+ 1,0·0,6) + ((2·
)·(0,62 + 0,9·0,6)=27 м²
где, h i - высота подколонной части
фундамента, м;
tcл - мощность (высота) уплотняемого слоя, tcл =0,3-0,4 м;
tупл - толщина слоя уплотняемого грунта, tупл=0,6 м.
Определение площади уплотняемой поверхности фундамента:
Sфунд=∑Sст + Sпод, м²
где, ∑Sст - сумма площадей уплотняемой
поверхности грунта у подошвы фундамента и в уровне каждой ступени;
Sпод - площадь уплотняемой поверхности
грунта вблизи подколонной части фундамента.
Sфунд=12,84+52,2+27=92,04 м²
Определение объёма работ при уплотнении грунта обратной засыпки всех
фундаментов электротрамбовками вручную:
Sупл.руч=Sфунд·Nфунд=92,04·154= 14 174,16 м²
где, S - площадь уплотняемой поверхности, м².
Определение объема механизированных работ
1. Определение объёма обратной засыпки:
Vобр.з
= Vзем.раб - Vфунд - Vбет.под
± (Vнед.руч - Vбет.под), м³
Vобр.з= 57 034,68-2
453,22-376,376+(391,78-376,376)=54 220,49 м³
2. Определение объёма работ при разработке грунта в транспорт:
Vвывоз
= Vфунд + Vбет.под ± (Vнед.руч - Vбет.под), м³
Vвывоз
= 2
453,22+376,376+(391,78-376,376)=2 845 м³
*Знак "+" следует учитывать, если грунт подчистки остается в
котловане, то есть грунт подчистки используется при обратной засыпке сразу
после устройства бетонной подготовки.
. Определение объёма при разработке грунта навымет (в отвал) Vотв, и перемещение грунта в отвал, Vпер. Грунт обратной засыпки храниться на
складе, тот же объем грунта перемещается до отвала:
Vотв
= Vпер = Vобр.з= 54 220,49 м³
. Определение объёма работ при обратной засыпке котлована бульдозером, Vобр.з.бульд, и уплотнение катками, Vупл.кат. Засыпка грунта производится, как
правило, бульдозером, уплотнение грунта - катками послойно. Толщина
уплотняемого слоя зависит от типа грунта и массы уплотняющей машины. Объем
грунта вычисляется без учета объема грунта ручной засыпки:
Vобр.з.бульд
= Vупл.ка = Vобр.з - Vобр.з.руч, м³
Vобр.з.бульд
=54 220,49-3
997,2=50 223,29м
4. Подсчет
объемов опалубочных работ
фундамент земляной арматурный бетонирование
1. Определение объема работ укрупнительной сборки опалубки. Площадь
укрупнённых панелей равна всей площади опалубки фундаментов:
укр.сб=Sоп· Nфунд=33,34·154 = 5134,36 м²
где, Sоп - площадь щитов опалубки 1
фундамента, м;
Длина схваток для нижней ступени фундамента:
Lсхниж= Вф+0,1 м = 4,5+0,1=4,6 м
Lсхниж= L ф+0,1 м = 5+0,1=5,1 м
где, Вф - ширина нижней ступени фундамента, м;
L
ф - длина нижней
ступени фундамента, м.
Длина остальных схваток для фундамента
Lсх= Вфi+(Вфi-1- Вфi/2) + 0,1 м
Lсх = Lфi +(Lфi-1- Lф /2) + 0,1 м
где, Вфi
- ширина ступени или подколонника фундамента, м;
Lфi - длина ступени или подколонника
фундамента, м;
Вфi-1 - ширина
нижележащей ступени фундамента, м;
Lфi-1- длина нижележащей ступени
фундамента, м.
Lсх1= 3,6+(4,5-3,6)/2+0,1= 4,15 м
Lсх2= 2,7+(3,6-2,7)/2+0,1= 3,25 м
Lсх3= 1,8+(2,7-1,8)/2+0,1= 2,35 м
Lсхверх= 1+0,1= 1,1 м
Lсх1 = 4+(5-4)/2+0,1= 4,6 м
Lсх2= 3+(4-3)/2+0,1= 3,6 м
Lсх3= 2+(3-2)/2+0,1= 2,6 м
Lсхверх= 0,9+0,1= 1м
Рис.7. Схема раскладки опалубочных щитов фундамента
Таблица №1 Спецификация элементов опалубки
|
Поз.
|
Марка
|
Размеры щита, м
|
Кол-во, шт.
|
Площадь щитов, м²
|
Масса, кг
|
Всего
|
|
|
Длина
|
Ширина
|
|
1 щита
|
на 1 фунд.
|
единицы
|
на 1 фунд.
|
Кол-во, шт.
|
Масса, т
|
|
1
|
ЩМ 1х 0,3
|
1
|
0,3
|
8
|
0,3
|
2,4
|
15
|
120
|
1232
|
18,48
|
|
2
|
ЩМ 1,5х 0,3
|
1,5
|
0,3
|
14
|
0,45
|
6,3
|
22,5
|
315
|
2156
|
48,51
|
|
3
|
ЩМ 2,0х 0,3
|
2
|
0,3
|
8
|
0,6
|
4,8
|
30
|
240
|
1232
|
36,96
|
|
4
|
ЩМ 2,5х 0,3
|
2,5
|
0,3
|
8
|
0,75
|
6
|
37,5
|
300
|
1232
|
46,20
|
|
5
|
ЩМ 0,9х 0,3
|
0,9
|
0,3
|
12
|
0,27
|
3,24
|
13,5
|
162
|
1848
|
24,96
|
|
6
|
ЩМ 1,35х 0,3
|
1,35
|
0,3
|
8
|
0,41
|
3,28
|
20,5
|
164
|
1232
|
25,26
|
|
7
|
ЩМ 1,8х 0,3
|
1,8
|
0,3
|
8
|
0,54
|
4,32
|
27
|
216
|
1232
|
33,26
|
|
8
|
ЩМ 0,5х 1,5
|
0,5
|
1,5
|
4
|
0,75
|
3
|
37,5
|
150
|
616
|
23,10
|
|
Итого:
|
|
|
|
Sоп=33,34
|
|
1667
|
Мщ=256,73
|
|
Схватки.
|
|
1
|
Сх-4,5
|
4,6
|
|
4
|
|
|
32,2
|
128,8
|
616
|
19,84
|
|
2
|
Сх-5,1
|
5,1
|
|
2
|
|
|
35,7
|
308
|
11
|
|
3
|
Сх-4,15
|
4,15
|
|
2
|
|
|
29,05
|
58,1
|
308
|
8,95
|
|
4
|
Сх-3,25
|
3,25
|
|
2
|
|
|
22,75
|
45,4
|
308
|
6,99
|
|
5
|
Сх-3,6
|
3,6
|
|
2
|
|
|
25,2
|
50,4
|
308
|
7,76
|
|
6
|
Сх-2,35
|
2,35
|
|
2
|
|
|
16,45
|
32,9
|
308
|
5,07
|
|
7
|
Сх-2,6
|
2,6
|
|
2
|
|
|
18,2
|
36,4
|
308
|
5,61
|
|
8
|
Сх-1,1
|
1,1
|
|
8
|
|
|
7,7
|
61,6
|
1232
|
9,49
|
|
9
|
Сх-1
|
1
|
|
8
|
|
|
7
|
56
|
1232
|
8,62
|
|
Итого
|
|
|
|
|
|
|
541
|
Мсх=83,33
|
|
Всего:
|
|
|
|
|
|
|
|
Моп=340,06
|
|
Кронштейн.
|
|
1
|
Кр
|
|
|
1
|
|
|
96,5
|
96,5
|
154
|
14,86
|
Вес квадратного метра опалубки - 50кг/м², масса одного погонного метра
схватки - 7кг/м;
2. Определение объема работ по монтажу опалубки. В блок собираем
элементы опалубки ступеней и подколонника. Для определения объёма работ по
монтажу опалубки - краном или вручную - необходимо рассчитать максимальную
массу блока:
Mбл = ∑M1щi·nщi + ∑M1схj·nсхj, кг,
где, M1щi - масса "i" щита опалубки блока;
nщi - количество "i" щитов опалубки в блоке;
M1схj - масса "j" схватки блока;
nсхj - количество "j" схваток блока.
Опалубка нижней ступени включает: 8 щитов(поз.4) массой 37,5 кг, 8
щитов(поз.7) массой 37 кг, 2 схватки марки Сх-5,1 массой 35,7 кг и 2 схватки
марки Сх-4,6 массой 32,2 кг, масса блока:
Mбл1 = 8·37,5+8·37+2·35,7+2·32,2 =
300+296+71,4+64,4=731,8 кг.
Опалубка второй ступени включает: : 8 щитов(поз.3) массой 30 кг, 8
щитов(поз.6) массой 20,5 кг, 2 схватки марки Сх-4,6 массой 32,2 кг и 2 схватки
марки Сх-4,15 массой 29,05 кг, масса блока:
Mбл2 = 8·30+8·20,5+2·32,2+2·29,05 =
240+164+64,4+58,1=526,5 кг.
Опалубка третей ступени включает: 8 щитов(поз.2) массой 22,5 кг, 8
щитов(поз.5) массой 13,5 кг, 2 схватки марки Сх-3,6 массой 25,2 кг и 2 схватки
марки Сх-3,25 массой 22,75 кг, масса блока:
Mбл
3 =
8·22,5+8·13,5+2·25,2+2·22,75 = 180+108+50,4+45,5=383,9 кг.
Опалубка четвёрой ступени включает: 8 щитов(поз.1) массой 15 кг, 4
щита(поз.5) массой 13,5 кг, 2 схватки марки Сх-2,6 массой 18,2 кг и 2 схватки
марки Сх-2,35 массой 16,45 кг, масса блока:
Mбл
4 =
8·15+4·13,5+2·18,2+2·16,45 = 120+54+36,4+32,9=243,3 кг.
Опалубка подколонника включает: 4 щита (поз.9) массой 37,5 кг, 6 щитов
(поз.2) массой 22,5 кг, 4 схватки марки Сх-1,1 массой 7,7 кг и 4 схватки марки
Сх-1 массой 7 кг, масса блока:
Mбл5 = 4·37,5+6·22,5+4·7,7+4·7 =
150+135+30,8+28=343,8 кг.
Таким образом, масса всех блоков превышает 50 кг и монтаж этих
конструкций производится краном.
. Определение площади опалубки подготовки:
Sпод= Sоп.под ·Nфунд = 1,98·154 = 304,92 м²
Таблица №2 Спецификация элементов опалубки на бетонную подготовку
|
Поз.
|
Марка
|
Размеры щита, м
|
Кол-во, шт.
|
Площадь щитов, м²
|
Масса, кг
|
Всего
|
|
|
Длина
|
Ширина
|
|
1 щита
|
на 1 подг.
|
Единицы
|
на 1 подг.
|
Кол-во, шт.
|
Масса, т
|
|
1
|
2
|
3
|
4
|
5
|
6
|
7
|
8
|
9
|
10
|
11
|
|
Щиты
|
|
1
|
ЩМ 5,2×0,3
|
5,2
|
0,1
|
2
|
0,52
|
1,04
|
26
|
52
|
308
|
8,32
|
|
2
|
ЩМ 4,7×0,3
|
4,7
|
0,1
|
2
|
0,47
|
0,94
|
23,5
|
47
|
308
|
7,24
|
|
3
|
Сх-5,2
|
5,2
|
|
2
|
|
|
36,4
|
72,8
|
308
|
11,21
|
|
4
|
Сх-4,9
|
4,9
|
|
2
|
|
|
34,3
|
68,6
|
308
|
10,56
|
|
|
ИТОГО:
|
|
|
|
Sоп.под=1,98
|
|
240,4
|
Мпод=37,33
|
Монтаж производим краном, так как масса блока: 52+47+72,8+68,6 = 240,4 кг
- более 50 кг.
Общая потребность опалубки для устройства фундаментов и бетонных
подготовок:
Общая площадь опалубки:
оп+Sпод=5 134,36+304,92 =5439,3 м²
Общая масса опалубки:
Моп+Мпод=340,06+37,33=377,4 т.
5. Подсчет
объемов арматурных работ
Таблица №3 Спецификация арматурных сеток и стержней фундаментов
|
Марка
|
Диаметр арматуры, мм
|
Шаг стержней, мм
|
Длина стержня
|
Количество стержней
|
Масса 1п.м, кг
|
Масса одной сетки, стержня,
кг
|
Количество сеток
|
Всего на 1 фундамент, кг
|
Всего
|
|
|
|
|
|
|
|
|
|
Количество, шт.
|
Масса, т
|
|
1
|
2
|
3
|
4
|
5
|
6
|
7
|
8
|
9
|
10
|
11
|
|
С1
|
20
|
200
|
4,45
|
24
|
2,47
|
581,7
|
2
|
1163,4
|
308
|
358,3
|
|
|
|
4,95
|
26
|
|
|
|
|
|
|
|
С2
|
20
|
200
|
3,95
|
21
|
2,47
|
371,5
|
2
|
743
|
308
|
228,8
|
|
|
|
3,55
|
19
|
|
|
|
|
|
|
|
С3
|
20
|
200
|
2,95
|
16
|
2,47
|
214,8
|
2
|
429,6
|
308
|
132,3
|
|
|
|
2,65
|
15
|
|
|
|
|
|
|
|
С4
|
20
|
200
|
1,95
|
11
|
2,47
|
96,2
|
2
|
192,4
|
308
|
59,3
|
|
|
|
1,75
|
10
|
|
|
|
|
|
|
|
С5
|
12
|
200
|
0,95
|
6
|
0,888
|
9,6
|
2
|
19,2
|
308
|
5,9
|
|
|
|
0,85
|
6
|
|
|
|
|
|
|
|
Итого:
|
mарм=2547,6
|
mарм.сет=784,6
|
|
Арматурные стержни
|
|
А1
|
18
|
100
|
2,625
|
66
|
2,0
|
5,25
|
-
|
346,5
|
10164
|
53,36
|
|
Всего:
|
|
mарм=837,96
|
1. Определение объёма работ по сортировке конструкций.
Для ручных работ подъем тяжести ограничен до 50 кг. Для сортировки
вручную принимаем сетку С 5 с массой 9,6 кг и арматурные стержни А 1, масса
каждого стержня составляет 5,25 кг. Определим процентное соотношение сеток,
сортируемых краном и вручную.
1.1 Определение количества сеток сортируемых краном весом более 50 кг:
Мсорт.кран=ΣМарм.сет
=784,6
=778,8 т
где, ΣМарм.сет - масса всех сеток фундаментов, т;
Σmi - масса всех сеток одного фундамента
весом более 50 кг;
Σmарм - сумма масс всех сеток одного фундамента, т
Определение количества сеток сортируемых вручную весом до 50 кг:
Мсорт.руч=
ΣМарм.сет
=784,6
=5,9 т
где, Σmj - масса всех сеток одного фундамента весом до 50 кг
2. Определение объема работ по установке арматурных сеток. Сетки С 1, С
2, С 3, С 4 массой свыше 50 кг устанавливаем в проектное положение краном,
сетки марки С 5 - вручную. Тогда: (308+308+308+308) = 1232 сеток монтируем
краном, и 308 сеток марки С 5 монтируем вручную.
3.Определение объёма работ по установке и вязке отдельных арматурных
стержней. Масса стержней составляет 53,36 т.
2. Объём арматурных работ:
Марм=Марм.сет + Марм.ст = 784,6+53,36=
837,96 т



Рис.8. Схема армирования фундамента.
6. Подсчет
объёмов бетонных работ
1.
Определение
объема работ по приему и укладке бетонной смеси на фундаменты и бетонную
подготовку:
Vприём бет.подг= Vподг = 376,376 м³
Vприём бет.фунд = Vфунд = 2 453,22 м³
2.
Определение
объема работ по подаче бетонной смеси на фундаменты и бетонную подготовку:
Vпод.бет.подг.= Vприём
бет.подг. · К=
376,376 ·1,02=383 м³
Vпод бет.фунд.= Vприём
бет.фунд. · К=
2453,22 ·1,02=2502,3 м³
где, К - коэффициент, учитывающий потери бетонной смеси при подаче к
месту укладки, К= 1,02.
7.
Определение числа захваток при бетонировании
При бетонировании фундаментов производительность работ
определяется числом рабочих-бетонщиков. Состав звена по Е 4-1-49, табл.1
включает бетонщиков 4р-2 чел., 2р-2 чел. Итого: 4 чел.
Производительность бетонщиков в смену при укладке
смеси:
Псм=
=
=123м³ /см
где,
n-кол-во рабочих в бригаде;
Hвр=0,26 чел х час, норма времени;
kз=1,0, коэффициент, учитывающий условия работы.
При
общем объеме бетонных работ Vфунд
=2502,3 м³
максимальное количество захваток должно
быть не более:
max=
=
=21 захватка
Разбиваем
весь объем работ на 21 захватку.
8. Выбор
машин и механизмов для земляных и монтажных работ
.1 Выбор
бульдозера для планировки
Для выполнения планировочных работ при перемещении грунта до 70-80м
принимаем бульдозер средней мощности ДЗ-8 на базе трактора Т-100.
Таблица №6 Технологическая характеристика бульдозера ДЗ-8.
|
№
|
Показатель
|
Значение
|
|
1
|
Высота отвала h,
м
|
1,2
|
|
2
|
Длина отвала l,
м
|
3,2
|
|
3
|
Габаритные размеры, м:
длина/ширина/высота
|
|
4
|
Технические характеристики
бульдозера: Скорость резания грунта V3, км/ч Скорость при перемещении грунта Vпер, км/ч Скорость при обратном ходе Vобх, км/ч
|
2,9 5,8 7,9
|
. Расчет производительности выбранного типа бульдозера ДЗ-8 в смену:
Пб
= 8ч·q·Кв·Кт·
=
.=
=1,65
-
объем грунта перед отвалом
где,
Кп - коэффициент, учитывающий потери грунта при перемещении;
Кп=1-0,005·lпер=1-0,005·27,5=0,86
где,
lпер - длина перемещения грунта при полном цикле работы
lпер
=0,25· Взд +5м=0,25·90+5=27,5
Кр
-коэффицент первичного разрыхления грунта, для мягкого лесса Кр=1,8;
tц - время полного цикла работы бульдозера
ц =tз +tп+tобх+tпер=0,0011+0,0047+0,0035+0,005=0,014ч
з - затраты времени на
резание грунта;
з=
=
=0,0011 ч
lз - длина пути резания грунта;
з=
=
=3,1 м
п- затраты времени на
перемещение и разравнивание грунта;
п =
=
=0,0047 ч
обх - затраты времени на
обратный ход;
Vобх - скорость при обратном ходе, равная 7,9 км/ч.
обх=
=
=0,0035ч
Пб=8·1,65·0,75·0,6·
=339 м³ /см
Объем
работ по срезке растительного слоя при высоте hср=0,15м
составляет:25 300м³
·0,15=3795 м³.
При
производительности 339 м³
/см объем работ будет выполнен двумя
машинами при работе в 2 смены за:
=3 дня,
что не превышает директивный срок выполнения работ 2-3 дня.
Экономические
показатели:
1. Определение стоимости эксплуатации
машин (разработки 1 м³ грунта:
С=
,
где,
Смсм - средняя стоимость машино× смены;
Псм
- производительность машины(комплекта);
СДЗ-8=
=0,081руб.
1. Определение капитальных вложений:
К=(
)·∑(
);
где,
Сир - инвентарно-расчетная стоимость машиныr
- нормативное число смен работы машин в году
КДЗ-8=(
)·(
)=0,08
руб.
.
Определение приведенных затрат работ:
П=С+
Ен ·К;
ПДЗ-8=0,081+0,15·0,08=0,093
руб./ м³
Производительность
339 м³
/см также может обеспечить прицепной
скрепер Д-374А на базе трактора С-100 с вместимостью ковша 6-6,5 м³ и самоходный скрепер Д-511 с вместимостью ковша 15 м³ .
Экономически
более выгоден прицепной скрепер, но при обратной засыпке планируем использовать
бульдозер, скрепер при этой работе неприменим.
Окончательно
для планировки принимаем бульдозер ДЗ-8.
.2 Выбор
экскаватора для разработки грунта
Предварительный выбор емкости ковша экскаватора.
При объеме земляных работ (≈34 000 м³ ), принимаем экскаватор ЭО-5122, с
объемом ковша 1,6 м³ и производительностью 154 м³
/ч.
Требуемая производительность экскаватора:
Птр=
=
=713 м³ /смен
Производительность
не менее 713 м³
/смен или
=89 м³ /ч могут также обеспечить:
экскаватор
Э-1251Б (Vк=1,25 м³ ) с
производительностью 110 м³
/ч;
экскаватор
Э-2503 (Vк=2,5м³ ) с
производительностью 171 м³
/ч;
Для
транспортировки грунта принимаем автотранспорт:
· для экскаватора ЭО-5122 с (Vк=1,6 м³
) принимаем бортовой
автомобиль марки МАЗ-543 с грузоподъемностью Q=16 т;
· для экскаватора Э-1251Б (Vк=1,25 м³
) принимаем автомобиль
марки КрАЗ-219Б с грузоподъемностью Q=12 т;
· для экскаватора Э-2503 (Vк=2,5 м³
) принимаем автомобиль
марки МАЗ-1538 с грузоподъемностью Q=26 т;
Расчет количества машин для транспортирования грунта на вывоз:
1. Определение эксплуатационной производительности экскаватора:
=
Hвр - норма времени работы экскаватора при погрузке грунта в
транспорт, Hвр
=1,38;1,8;2,1(Е 2-1-9);
=
=579,7 м³ /см
=
=444,4 м³ /см
=
=381м³ /см
2. Определение объема грунта в ковше экскаватора в плотном состоянии:
=
, м³
где,
Vк - геометрический объем ковша экскаватора;
Квр
- коэффициент первичного разрыхления, для лесс мягкий Кп.р.=6%
для
ЭО-5122
= 1,52 м³
-
для Э-1251Б
= 1,19 м³
-
для Э-2503
= 2,38 м³
3.
Определение веса грунта в ковше в плотном состоянии:
mгр=
где,
γгр -
объемный вес грунта - лесс мягкий, γгр - 1,6
т/ м³
-
для ЭО-5122 mгр=1,52·1,6=2,43 т
для
Э-1251Б mгр=1,19·1,6=1,9т
для
Э-2503 mгр=
2,38·1,6=3,81 т
.
Определение полного числа ковшей грунта:
в бортовом автомобиле МАЗ-543 с грузоподъемностью Q=16т:
nковш=
= 6,58=7 ковш.
в бортовом автомобиле КрАЗ-219Б с грузоподъемностью Q=12 т:
nковш
=
= 6,31=6 ковш.
в боротом автомобиле МАЗ-538 с грузоподъемностью Q=26 т:
nковш
=
=6,82=7 ковш.
.
Определение грузоподъемности автосамосвала в м³ :
для бортового автомобиля МАЗ-543
=1,52·7=10,64
м³
для
бортового автомобиля КрАЗ-219Б
=1,19·6=7,14
м³
для
бортового автомобиля МАЗ-538
=2,38·7=16,66
м³
. Определение коэффициента использования транспортной единицы:
МАЗ-543 с грузоподъемностью Q=16т
К1=
=
=1,06
Б
с грузоподъемностью Q=12т
К1=
=
=0,95
МАЗ-538
с грузоподъемностью Q=26т
К1=
=
=1,03
.
Определение сменной производительности автомсамосвала:
,
где,
Т1 - продолжительность смены автотранспорта, Т1 = 8ч;-
время простоя под погрузкой и разгрузкой;- дальность транспортировки грунта на
вывоз, L =7км;- средняя техническая скорость транспорта, V=18-36 км/ч.
для
МАЗ-543
=136,7 м³
для
КрАз-219Б
=82,2 м³
для
МАЗ-538
=208,03 м³
8. Определение необходимого количества машин:
, маш
для
МАЗ-543
=5,24=6 маш.
для
КрАз-219Б
=6,4=7 маш.
для
МАЗ-538
=2,83=3 маш.
Принимаем
варианты комплектов машин:
Таблица
№7
|
Комплекты машин
|
Машины
|
Производительность, ПСМ,
м³
/см
|
|
1 комплект
|
Экскаватор ЭО-5122 и 6
автомобилей МАЗ-543
|
154х 8=1232
|
|
2 комплект
|
Экскаватор Э-1251Б и 7
автомобилей КрАЗ-219Б
|
110х 8=880
|
|
3 комплект
|
Экскаватор Э-2503 и 3
автомобиля МАЗ-543
|
171х 8=1368
|
. Определение стоимости разработки 1 м³ грунта:
С=
,
где,
Смсм - средняя стоимость машино х смены;
Псм
- производительность машины;
С
ЭО-5122 =
=0,56 руб.
С
Э-1251Б =
=0,3 руб.
С
Э-2503 =
=0,43 руб.
.
Определение капитальных вложений:
К=(
)·∑(
);
где,
СИТ - инвентарно-расчетная стоимость машины;Г -
нормативное число смен работы машин в году
К
ЭО-5122 =(
)·(
)=0,77
руб.
К
Э-1251Б =(
)·(
)=0,31
руб.
К
Э-2503 =(
)·(
) =0,41
руб.
.
Определение приведенных затрат работ:
П=С+Ен
·К;
П
ЭО-5122 =0,56+0,15·0,77=0,68 руб./ м³
П
ЭО-1251Б =0,3+0,15·0,31=0,35 руб./ м³
П
ЭО-2503 =0,43+0,15·0,41=0,49 руб./ м³
Экономически
более выгоден 2 комплект машин, в который входят: экскаватор ЭО-1251Б с объемом
ковша 1,25 м³
и 7 автомобилей марки КрАЗ-219Б
грузоподъемностью 12,0 т.
Технические характеристики экскаватора Э-1251Б
|
№
|
Показатель
|
Обозначение
|
Значение
|
|
1
|
Емкость ковша, м³
|
g
|
1,25
|
|
2
|
Продолжительность рабочего
цикла, сек
|
tэ
|
23
|
|
3
|
Наибольший радиус резания
на уровне стоянки, м
|
Rсм
|
9,2
|
|
4
|
Длина рукояти, м
|
lp
|
4,9
|
|
5
|
Наибольший радиус выгрузки
в транспорт, м
|
Rв
|
8,3
|
|
6
|
Расстояние от оси пяты до
оси вращения, м
|
b
|
1,15
|
|
7
|
Высота до оси пяты стрелы,
м
|
h
|
1,57
|
|
8
|
Высота выгрузки, м
|
Hв
|
5,1
|
|
9
|
Габаритные размеры, м:
длина/ ширина/ высота
|
5,49/3,1/3,42
|
Технические характеристики самосвалов КрАЗ-219Б
|
№
|
Показатель
|
Обозначение
|
Значение
|
|
1
|
Грузоподъемность, т
|
Q
|
12
|
|
2
|
Ширина транспортного
средства, м
|
bк
|
2,65
|
Расчет ширины лобовой и боковых проходок:
. Определение длины рабочей передвижки экскаватора:
= 0,75×lр = 0,75×4,9 = 3,66 м.
. Определение наибольшей ширины первой торцевой проходки поверху при
погрузке грунта в транспортное средство или односторонний отвал:
. Определение ширины лобовой проходки понизу при односторонней выгрузке
грунта:
ВН=ВВ-2×m×Hк=14,4-2×0,5×2,7=11,7м.
4. Определение радиуса резания по дну котлована при наибольшей его
глубине:
a=
8,91м;
x=
=
=7,03м
Rн=b+x=1,15+7,03=8,18м
.
Определение ширины второй и последующих боковых проходок:
В
= b3 + b4=(Rb -
m·Нk -
- 1) +
= (8,3-
0,5·2,7-
-1) + +
= 13,94м
.3 Расчет
автотранспорта для перевозки грунта в отвал (резерв)
Определение количества автосамосвалов КрАЗ-219Б для перевозки грунта от котлована
до отвала. Среднее расстояние транспортирования равно половине длины здания
Lзд=
=105м =0,105км;
=
=380,95 м³ /см
= 1,19 м³; mгр=1,19·1,6=1,9т
nковш
=
= 6,31=6 ковш.
=1,19·6=7,14
м³
К1=
=
=0,95
=82,2 м³
=4,6=5
маш.
Принимаем
5 автомобиля КрАЗ-219Б для транспортировки грунта обратной засыпки в отвал и 7
автомобилей той же марки для транспортирования грунта на вывоз.
.4 Выбор
крана для монтажных работ
При выборе крана для производства работ по возведению монолитных
фундаментов руководствуемся принципами:
·
Кран выполняет
монтажные и демонтажные работы
·
Кран применяется
для подачи бетонной смеси к месту укладки;
·
Кран
располагается внутри котлована.
Для строповки элементов опалубки принимаем универсальные двух- и
четырехветвевые стропы типа 2СК и 4СК.
Таблица № 10
|
Марка стропа
|
Грузоподъемность, т
|
Масса, qс, кг
|
Высота, hс, м
|
|
2СК
|
5
|
56
|
4,5
|
|
4СК
|
20
|
147,8
|
4,5
|
1. Определение требуемой
грузоподъемности крана:
кр=Рэл+qс=2840+147,8=2987,8кг=3т
где, Рэл - наибольшая масса монтируемого элемента. Наибольшая
масса блока опалубки 731,8 кг, масса бадьи (объемом 1,0 м³
) с бетоном составляет
2840 кг. В расчете принимаем массу бадьи;
qс
- масса
строповочного средства, qс =147,8кг(см.таб.18.8.5.)
2. Определение высоты подъема крюка
крана:
Нкр=hо+hэл+hз+hс=2,7+1,75+0,5+4,5=9,45
м
где, hо - высота ранее смонтированных элементов, hо =
НФ=2,7м;эл - высота элемента в монтируемом положении,
высота блока опалубки подколонника 1,5 м, высота бадьи 1,75 м. В расчет
принимаем hэл=1,75м;
hс - высота стропа в рабочем положении, hс =4,5 м;
hз - высота запаса, hз=0,5 м.
3. Определение необходимого вылета
крюка:
=
+2=6 м
где,
c - минимальная величина зазора между конструкцией
стрелы крана и ближайшим краем монтируемого крана, с=1,5м;
hn-
высота полиспаста в стянутом состоянии, равна 2,0м;
hш-высота шарнира пяты стрелы от уровня стоянки
монтажного крана, равна 2,0м;
а-расстояние
от шарнира крепления пяты стрелы до оси вращения крана, а=2,0м;
d=расстояние от
центра строповки до края элемента, при длине блока 2,5 м: d=
2,5/2=1,25 м.
1. Определение длины стрелы крана:
Lстр=
=
=10,26 м
Принимаем
автомобильный кран КС-2561Е грузоподъемностью 4-6,3т со стрелой длиной 12,0м:
Требуемые
параметры крана: Технические параметры крана:.кр=3,0т Q.кр=4,0т
Нкр=9,45м
Нкр=12,0м
=6,0м
=10,2м стр=10,26м
Lстр=12,0 м
Таблица
№ 11 Технические характеристики крана КС-2561Е(Зил-130)
|
№
|
Показатель
|
Значение
|
|
1
|
Среднее давление на грунт,
МПа
|
0,13
|
|
2
|
Габариты, м: ширина/высота/
задний габарит, r
|
2,5/3,65/3,3
|
|
3
|
Масса в рабочем состоянии,
т
|
8,8
|
Проверка крана на условие безопасной работы:
≥r+1,0+D;
где,
r - наибольший радиус, описываемый поворотной частью
крана, r=3,3м;
,0
- расстояние между поворотной частью крана и возведенными конструкциями;
D - расстояние
между центром масс крюка и точки возведенной конструкции, D=4,5/2=2,25
м;
,2>3,3+1,0+2,25=6,55м
- условие выполняется
.5 Выбор
самоходных катков
Принимаем самоходный каток ДУ-29.Согласно Е 2-1-31 норма времени на
уплотнение 100 м³ грунта толщиной слоя от 0,2 до 0,3 м составляет Нвр
= 0,36маш*час;
Определение эксплуатационной производности катка ДУ-29 :
Пкатэкспл=100 м³ / 0,36=277,77 м³
/ч.
. Определение стоимости разработки 1м³ грунта:
СI
= 1,08ΣСмсм/Псм=
1,08·46,53/277,77 = 0,18 руб
. Определение капитальных вложений:
КI = 1,07/ПсмΣСир/tr = 1,07/277,77·34890/306 = 0,43 руб
. Определение приведённых затрат работ:
ПI = С + Ен
×К=
0,18+0,150·0,43 = 0,24 руб/м³
Соответствующую производительность обеспечивают пневмомашина ДУ-31 с
массой 16т и виброкаток ДУ-85 массой 13т.
С2 = 1,08ΣСмсм/Псм=
1,08·39,76/277,77 = 0,15 руб
К2 = 1,07/ПсмΣСир/tr = 1,07/277,77·18610/306 = 0,23 руб
П2 = С + Ен ×К= 0,15+0,150·0,23 = 0,18 руб/м³
С3 = 1,08ΣСмсм/Псм=
1,08·15,6/277,77 = 0,06 руб
К3 = 1,07/ПсмΣСир/tr = 1,07/277,77·6100/306 = 0,08руб
П3 = С + Ен ×К= 0,06+0,150·0,08 = 0,07 руб/м³
Принимаем варианты комплектов машин:
|
Комплект машин
|
машины
|
Производи-ть,Псм,
м³
/ч
|
|
1 комплект
|
Пневмомашина ДУ-31
|
1500
|
|
2 комплект
|
Пневмомашина ДУ-29
|
1800
|
|
3 комплект
|
Втбракаток ДУ-85
|
600
|
Экономически более выгоден самоходный каток ДУ-29.
Таблица № 12 Технические характеристики катка ДУ-29
|
№
|
Показатель
|
Значение
|
|
1
|
Ширина уплотняемой полосы,
м
|
2,22
|
|
2
|
Толщина уплотняемого слоя,
м
|
до 0,4
|
|
3
|
Масса
|
30
|
|
4
|
Габариты, м
|
6,4*2,6*3,2
|
8.6 Выбор
автобетоносмесителя
Производительность бетонщиков в смену: Псм=61,54м³
/см.
. Определение требуемой вместимости смесительного барабана по готовому
замесу:
=
=14 м³
где,
l - дальность перевозки бетонной смеси;
t1 = 5мин/60=0,083;
t2 = 0,083;
t3=0,3;
С
=продолжительность рабочей смены, 8ч;
Кв=
0,85 - коэффициент использования транспорта во времени;
V1 = 30км/ч;
V2 = 40км/ч.
.
Принимаем комплект машин:
Таблица
№13
|
Комплект
|
Машины
|
Вместимость барабана, м³
|
Итого, м³
|
|
1 комплект
|
1 машина СБ-159 1 машина
АМ-9НА
|
9+5
|
14
|
|
2 комплект
|
3 машины СБ-159
|
5
|
15
|
1. Определение стоимости эксплуатации
машин:
С=
,
где,
Смсм - средняя стоимость машино х смены;
Псм
- производительность машины.
С1=
=0,372 руб.
С2=
=0,404 руб.
1. Определение капитальных вложений:
К=
;
К
1=
=0,22 руб.
К
2=
=0,24 руб.
.
Определение приведенных затрат работ:
П
= С + Ен · К;
П1=0,372+0,15·0,22=0,405 руб./ м³
П2=0,404+0,15·0,24=0,44 руб./ м³
Следовательно 1 комплект экономичнее включающий: и 1 автобетоносмеситель
марки СБ-159 с вместимостью смесительного барабана 5м³
и и 1
автобетоносмеситель марки АМ-9НА с вместимостью смесительного барабана 9м³
.
Таблица № 14 Технические характеристики
|
СБ-159
|
АМ-9НА
|
|
№
|
Показатель
|
Значение
|
|
1
|
Вместимость смесительного
барабана, м³
|
5
|
9
|
|
2
|
Геометрический объем
смесительного барабана, м³
|
8
|
15
|
|
3
|
Базовый автомобиль
|
КамАЗ-5511
|
КрАЗ-258
|
|
4
|
Габаритный размер, м.:
длина/ширина/высота
|
7,38/2,5/3,52
|
11,9/2,6/3,8
|
|
5
|
Масса технологического
оборудования, т
|
13
|
19
|
8.7 Выбор
автобетононасоса
Требуемая производительность автобетононасоса: Псм=61,54м³
/см.
1. Подачу бетонной смеси в бетононасосе
можно регулировать, следовательно, выбираем бетононасос с производительностью
не менее 61,54м³ /см или 61,54/8=8м³ /ч.
Принимаем комплекты машин:
Таблица № 15
|
Комплект
|
Машины
|
Производительность, м³
|
|
1 комплект
|
БН 80-20
|
5-65
|
|
2 комплект
|
СБ-126А
|
5-65
|
1. Определение стоимости эксплуатации
машин:
С=
,
где, Смсм - средняя стоимость машино х смены;
Псм - производительность машины.
С
1=
=0,52руб.
С
2=
=0,52руб.
1. Определение капитальных вложений:
К=
;
где,
Сит - инвентарно-расчетная стоимость машины;r
- нормативное число смен работы машин в году.
К
1=
=0,07 руб.
К
2=
=0,08 руб.
.Определение
приведенных затрат работ:
П
= С + Ен ·К;
П1
= 0,52 + 0,15·0,07=0,531руб./ м³
П2
= 0,52 + 0,15·0,08=0,532 руб./ м³
Экономичнее
1 комплект машин, включающий: автобетононасос марки БН 80-20
производительностью 5-65 м³ .
Таблица
№ 16 Технические характеристики БН 80-20
|
№
|
Показатель
|
Значение
|
|
1
|
Вылет стрелы по вертикали,
м
|
80
|
|
2
|
Дальность подачи по
горизонтали, м
|
400
|
|
3
|
Габаритные размеры, м:
длина/ширина/высота
|
11,0/2,5/3,5
|
8.8 Выбор
вибраторов
Вибраторы предназначены для уплотнения бетонной смеси в монолитных
конструкциях.
Требуемая
эксплуатационная производительность комплекта вибраторов не менее 61,54м³ /см или 61,54/8=8м³ /ч. Так как в бригаде по укладке бетонной смеси работает 2 бетонщика,
то принимаем минимальное число вибраторов - 3шт (в каждом комплекте принимается
один свободный запасной вибратор). Тогда производительность одного вибратора:
=4,0 м³ /ч.
Принимаем
комплекты инструмента:
Таблица
№ 17
|
Комплект
|
Машины
|
Пэкс, м³ /ч
|
Си.р., т.руб.
|
|
1 комплект
|
ИВ-113
|
3-6
|
6,50
|
|
2комплект
|
ИВ-112
|
3-4
|
5,00
|
1. Определение капитальных вложений:
К=
;
где,
Сит - инвентарно-расчетная стоимость инструмента;
tr -
нормативное число смен работы инструмента в году.
К
1=
=0,01руб.
К
2=
=0,012руб.
Экономичнее
2 комплект инструмента, включающий: 3 шт. глубинного вибратора марки ИВ-113.
Таблица № 18 Технические характеристики ИВ-113
|
№
|
Показатель
|
Значение
|
|
1
|
Диаметр наконечника, мм
|
38
|
|
2
|
Радиус действия, м
|
0,25
|
|
3
|
Длина рабочей части, мм
|
450
|
|
4
|
Толщина уплотняемого слоя,
мм
|
200-400
|
Таблица № 19 Сводная таблица экономических параметров машин и механизмов
|
Машина, инструмент
|
Средняя стоимость машино
*смены. СМСМ руб.
|
Инвентарно-расчетная
стоимость машины, Си.р, т.руб
|
Нормативное число смен
работы машин в году
|
Стоимость, С, руб.
|
Капитальные вложения, К,
руб.
|
Приведенные затраты, П,
руб/м³
|
|
Бульдозеры и скреперы
|
|
ДЗ-8
|
25,29
|
8,43
|
306
|
0,081
|
0,08
|
0,093
|
|
Экскаваторы+
автотранспорт
|
|
ЭО-5122 (+8 авто Маз-543)
|
42,64 (+8*60,52)
|
37,34 (+8*53,71)
|
384 (425)
|
0,56
|
0,77
|
0,68
|
|
Э-1251Б(+7 авто Краз-219Б)
|
9,94 (+7*29,36)
|
21,51 (+7*9,95)
|
384 (425)
|
0,3
|
0,31
|
0,35
|
|
Э-2503(+ 3 Маз-543)
|
53,74 (+3*60,56)
|
56,07 (+3*53,71)
|
384 (425)
|
0,43
|
0,41
|
0,49
|
|
Автобетоносмесители
|
|
СБ-159
|
7,69
|
1,57
|
343
|
0,40
|
0,24
|
0,44
|
|
АМ-9НА+СБ-159
|
13,84+7,69
|
2,80+1,57
|
343
|
0,372
|
0,22
|
0,572
|
|
Автобетононасосы
|
|
БН 80-20
|
30,0
|
1,40
|
343
|
0,023
|
0,07
|
0,531
|
|
СБ-126А
|
30,0
|
1,65
|
343
|
0,027
|
0,08
|
0,532
|
|
Вибраторы (3 шт.)
|
|
ИВ-113
|
-
|
6,50
|
343
|
-
|
0,01
|
-
|
|
ИВ-112
|
-
|
5,00
|
343
|
-
|
0,012
|
-
|
|
Каток
|
|
ДУ-31
|
39,76
|
18,61
|
306
|
0,18
|
0,43
|
0,24
|
|
ДУ-29
|
46,53
|
34,89
|
306
|
0,15
|
0,22
|
0,18
|
|
ДУ-85
|
15,60
|
6,10
|
306
|
0,06
|
0,08
|
0,08
|
9.
Ведомость объемов работ по устройству монолитных фундаментов
Таблица №4
|
№
|
Виды работ
|
Формула подсчёта
|
Ед.изм.
|
Кол-во
|
|
1
|
2
|
3
|
4
|
5
|
|
Земляные работы
|
|
1
|
Срезка растительного слоя
грунта бульдозерами
|
S=(Lзд+20)·(Взд+20)
|
1000 м²
|
25,30
|
|
2
|
Перемещение срезанного
грунта
|
Vпер.ср=S·hср
|
100 м³
|
3,795
|
|
3
|
Разработка грунта
экскаватором с погрузкой в транспорт
|
Vвывоз= Vфунд-Vбет.под±(Vнед.руч-Vбет.под)
|
100 м³
|
28,45
|
|
4
|
Разработка грунта
экскаватором навымет (отвал)
|
Vотв=Vпер=Vобр.з
|
100 м³
|
542,21
|
|
5
|
Перемещение грунта в отвал
|
Vотв = Vпер = Vобр.з
|
100 м³
|
542,21
|
|
6
|
Разработка грунта вручную
(подчистка)
|
Vнед.руч=(Вподг+0,1)*(Lподг+0,1)* hнед*Nфунд
|
1 м³
|
391,78
|
|
7
|
Обратная засыпка котлована
бульдозерами
|
Vобр.з.бульд = Vупл.ка =
Vобр.з - Vобр.з.руч
|
100 м³
|
502,23
|
|
8
|
Обратная засыпка котлована
экскаватором
|
Vобр.з.бульд = Vупл.ка =
Vобр.з - Vобр.з.руч
|
100 м³
|
502,23
|
|
9
|
Засыпка грунтом пазух
траншей и котлована вручную
|
Vобр.з.руч=Sф·tупл·Nфунд
|
1 м³
|
3997,2
|
|
10
|
Уплотнение грунта
самоходными катками
|
Vобр.з.бульд = Vупл.ка =
Vобр.з - Vобр.з.руч
|
100 м³
|
502,23
|
|
11
|
Уплотнение грунта
электротрамбовками
|
Sупл.руч=S·Nфунд
|
100 м²
|
141,74
|
|
Вспомогательные работы
|
|
12
|
Разгрузка элементов
опалубки с транспортных средств
|
См. расчет опалубочных
работ
|
100 т
|
3,77
|
|
13
|
Сортировка конструкций
опалубки
|
|
т
|
377,4
|
|
14
|
Укрупнительная сборка
панелей
|
|
м²
|
5439,3
|
|
Устройство бетонной
подготовки
|
|
15
|
Подача панелей опалубки
подготовки к месту монтажа
|
См. расчет опалубочных
работ
|
100 т
|
0,37
|
|
16
|
Монтаж опалубки подготовки
|
|
м²
|
304,92
|
|
17
|
Прием бетонной смеси
|
Vприем.бет.полг = Vподг
|
100 м³
|
3,76
|
|
18
|
Подача бетонной смеси к
месту укладки
|
Vпод.бет.подг = Vприем.бет.подг*К
|
100 м³
|
3,83
|
|
19
|
Укладка бетонной смеси в
конструкцию
|
Vприем.бет.полг = Vподг
|
м³
|
3,76
|
|
20
|
Демонтаж панелей опалубки
подготовки
|
См. расчет опалубочных
работ
|
м²
|
304,92
|
|
21
|
Подача укрупнённых панелей
на площадку складирования
|
|
100 т
|
0,37
|
|
Монтаж опалубки фундаментов
|
|
22
|
Подача укрупнённых панелей
к месту монтажа
|
см.табл.№1
|
100 т
|
3,4
|
|
23
|
Монтаж укрупнённых панелей
опалубки фундаментов
|
Sукр.сб=Sоп·Nфунд
|
м²
|
5134,36
|
|
24
|
Установка кронштейнов для
подмащивания
|
см.табл.№1
|
шт
|
154
|
|
25
|
Демонтаж укрупнённых
панелей опалубки
|
Sукр.сб=Sоп* Nфунд
|
м²
|
5134,36
|
|
26
|
Демонтаж кронштейна
|
см.табл.№1
|
шт
|
154
|
|
27
|
Подача укрупнённых панелей
на площадку складирования
|
см.табл.№1
|
100 т
|
3,4
|
|
Установка арматуры
|
|
28
|
Разгрузка арматурных сеток,
стержней
|
Марм
|
100 т
|
8,4
|
|
29
|
Сортировка арматурных
сеток: краном
|
см. расчет опалубочных
работ
|
т
|
778,8
|
|
30
|
То же вручную
|
|
т
|
5,9
|
|
31
|
Подача сеток краном к месту
установки
|
см. табл.№3
|
100 т
|
8,4
|
|
32
|
Установка арматурных сеток
краном
|
см. табл.№3
|
1 сетка
|
924
|
|
33
|
То же вручную
|
см. табл.№3
|
1 сетка
|
616
|
|
34
|
Установка отдельных
арматурных стержней
|
см. табл.№3
|
1 т
|
53,36
|
|
Подача бетонной смеси
краном
|
|
1
|
Прием бетонной смеси из
автобетоносмесителя в бункеры
|
Vприем.бет.фунд = Vфунд
|
100 м³
|
24,53
|
|
2
|
Подача бетонной смеси к
месту укладки в бункерах краном
|
Vпод бет.фунд= Vприем бет.фунд.· К
|
м³
|
2502,3
|
|
3
|
Укладка бетонной смеси в
конструкцию объёмом до 25 м³
|
Vприем.бет.фунд = Vфунд
|
м³
|
2453,22
|
|
Подача бетонной смеси
автобетоносмесителем
|
|
1
|
Приём бетонной смеси из
автобетоносмесителя в бункеры автобетонасоса
|
Vприем.бет.фунд = Vфунд
|
100 м³
|
24,53
|
|
2
|
Подача бетонной смеси к
месту укладки в бункерах автобетононасосом
|
Vпод бет.фунд= Vрием бет.фунд ·К
|
100 м³
|
25,02
|
|
3
|
Укладка бетонной смеси в
конструкцию до 25 м³
|
Vприем.бет.фунд = Vфунд
|
м³
|
2453,22
|
|
Примечание: К началу земляных
работ выполнены все подготовительные работы (в весенний период) по
организации строительной площадки, в том числе: вертикальная планировка,
срезка растительного слоя грунта, перенос существующих зданий, сооружений,
коммуникаций.
|
10. Расчет
калькуляции трудовых затрат и машинного времени
1. При срезе грунта растительного слоя с примесью щебня, гравия или
строительного мусора бульдозером ДЗ-8 группа грунта - I (ЕНиР сб.2
"Земляные работы", табл.1, п.6)
2. Для Лесс мягкий без примесей, средняя плотность в естественном
состоянии - 1600 кг/м³ при разработке грунта бульдозером группа по трудности
разработки -II; при разработке грунта одноковшовым экскаватором группа - I.
. При обратной засыпке экскаватором группу грунта необходимо
принимать на одну группу ниже (п.2 глава 1, ЕНиР сб.2 "Земляные
работы"). То есть при разработке грунта экскаватором группа грунта - I,
при обратной засыпке грунта группа - I.
. При ручной разработке группа грунта - I (ЕНиР сб.2
"Земляные работы", табл.1, раздел ручные земляные работы).
. Для катка ДУ-29 число проходок массой 30 т число проходок - 4.
Пояснения к калькуляции
При нормировании работы по перемещению грунта в отвал коэффициент
"К" определяется в зависимости от среднего расстояния перемещения
ЗД/2=210/2=105м.
Перемещение грунта на расстояние до 10 м нормируется как НВР=0,55,
остальные 105-10=95 м нормируются с учетом коэффициента К=95/10=9,5.
При укрупненной сборке панелей опалубки нормами ЕНиР предусмотрены работы
строительных слесарей, без привлечения средств механизации. Принимаем работу по
укрупненной сборке с применением стрелового крана, тогда норма машинного
времени определяется
НВР/2=0,38/2=0,19 маш · час
При монтаже укрупненных панелей также принимаем работу краном, тогда
норма машинного времени определяется НВР/2=0,38/2=0,19 маш · час.
Краном устанавливаем элементы опалубки. Разметка мест установки, монтаж стоек,
проволочных скруток, выверка, крепление откосами производиться плотниками.
Принимаем работу краном 10%, тогда
Н
=Нвр·0,1=0,39*0,1=0,039
По
аналогии при демонтаже укрупненных панелей принимаем норму работы машин:
НВРКР=НВРх
0,1/2=0,21х 0,1/2=0,0105=0,01
Расчет 1
Расчет
нормы времени на разгрузку автобетоносмесителя СБ-159, АМ-9НА.
Время
разгрузки автобетоносмесителя по технической характеристике машины составляет
СБ-159 6 мин или 0,10 часа.
Полезная
вместимость барабана - 6 м³ . Норма
времени на разгрузку 100 м³ бетонной смеси составляет:
=2,0 чел · час.
Расчет
нормы времени на разгрузку автобетоносмесителя АМ-9НА.
Время
разгрузки автобетоносмесителя по технической характеристике машины составляет 8
мин или 0,13 часа.
Полезная
вместимость барабана - 9 м³ . Норма
времени на разгрузку 100 м³ бетонной смеси составляет:
=1,44 чел ·час.
Расчет 2
Расчет
нормы времени на подачу бетонной смеси в конструкцию автобетонона-сосом
БН-80-20.
Определение
эксплуатационной производительности автобетононасоса при подаче бетонной смеси:
Пэ=Пт
· К1 ·К2=65·0,4·0,65=16,9 м³ /ч
где,
Пт - техническая производительность автобетононасоса;
К1
- коэффициент перехода от технической производительности к эксплуатационной, К1=0,4;
К2
- коэффициент снижения производительности автобетононасоса, учитывающий
непостоянный режим подачи, К 2 =0,65.
Работу
выполняет звено из двух человек: машинист бетононасосной установки 4 разр. - 1
чел и бетонщик 2 разр. - 1 чел.
Норма
времени на 100 м³
бетонной смеси для одного рабочего:
=5,92
чел · час
Для
машиниста:
=5,92маш · час.
11.
Разработка графика производства работ
Состав бригады принимаем не менее состава звена, указанного в ЕНиР
(табл.20). Объединяем работы, выполняемые одним составом исполнителей (бригадой),
одним типом машин. При объединении работ принимаем звено с максимальным
количеством рабочих.
Согласно табл.6 СНиП 3.03.01-87 для распалубливания прочность бетона
должна быть не менее 40% проектной. Для бетона класса В 15 (Rb=19,26МПа)
срок достижения бетоном требуемой прочности не менее 40% от проектной - при
температуре ±00С составляет 6 суток.
Расчет продолжительности основных работ
1. Планировка площадки, срезка
растительного слоя и перемещение грунта в отвал (раб.1,2,2а). Срок выполнения
работ - 2-3 дня. Расчет продолжительности:
Ппл=
=1,88=2 дня
Принимаем
1 бульдозера ДЗ-8 в 2 смены. Бригада 1: Маш.6р. -1 чел.
1. Разработка грунта экскаватором (раб.
3,4). Принимаем раннее начало работ по разработке - начало работ по планировке
грунта на второй половине площади. Срок выполнения работы не более 30 дней.
Расчет необходимого количества машин и продолжительности работ:
nмаш=
=1,57=2
маш
Празр=
=23,52=24 дн
Принимаем
1 экскаватор ЭО-1251Б в 2 смены. Бригада 2: Маш. 6р - 1чел.
1. Бетонные работы (раб.37-39). Срок
бетонных работ определяется по максимальной производительности бетонщиков в
смену. Звено бетонщиков: 4
чел(4р - 2чел, 2р - 2чел):
Пбет=
=
=35дн
Бетонирование
производим по захваткам (всего 21 захваток)
Бригада
3: Маш.6р -1чел, бетонщик 4р - 1 чел, 2р -1чел.
1. Монтаж опалубки и армирование
фундаментов(раб.24-26, 30-33).
Принимаем раннее начало монтажных работ - начало разработки грунта во
второй половине котлована при соблюдении безопасного расстояния - не менее 10м
от работающих машин. Состав звена согласно ЕНиР - 4чел. Срок выполнения работы
ограничен продолжительностью бетонных работ, то есть Пмо=Пбет=26
дней. При установке опалубки, арматурных сеток ручные работы являются ведущими,
поэтому расчет продолжительности производим по трудоемкости:
nраб=
=
=8 чел
Пмо=
=
=25=25 дн
Принимаем
1 Кран КС-2561Е . Бригада 4: Маш. 6р - 1чел, монтажниик 4р -4чел.,3р - 4чел.
Расчет продолжительности вспомогательных работ
1. Демонтаж опалубки и кронштейнов (раб.
27-29). Начало работы зависит от срока набора прочности бетоном не менее 30% от
проектной, то есть - через 3 суток после начала бетонных работ. Окончание
работы - через 3 суток после
окончания бетонных работ, то есть Пдем=Пбет=35дн.
Расчет продолжительности аналогично монтажным работам:
nраб=
=
=2 чел
Фактическая
продолжительность демонтажных работ:
Пдем=
=
= 38 дн
Принимаем
Кран КС-2561Е. Бригада 5: Маш. 6р - 1чел, монтажник 4р - 1чел,3р - 1чел.
1. Устройство бетонной подготовки
(раб.17-23). Начало работ - за трое суток до начала монтажа опалубки. Окончание
работ - позднее окончания разработки грунта на 1-2дн. Состав звена согласно
ЕНиР - 2 чел. При устройстве подготовки ручные работы являются ведущими,
поэтому расчет проводим по трудоемкости:
Пбп=
=
=11=11дн
Принимаем
Кран КС-2561Е. Бригада 6: Маш. 6р - 1чел, бетонщик 4р - 1чел,3р - 1чел.
1. Разгрузка элементов опалубки,
арматуры, сортировка (раб. 11-16). Окончание работ по разгрузке, сортировке -
одновременно или ранее окончания монтажных работ опалубки. Тогда
продолжительность работ по разгрузке может выполняться параллельно работам по
планировке, разработке грунта, и монтажным работам опалубки.
Праз≤
=
=37 дн
Количество
машин для выполнения работ в заданный срок:
маш=
=2,6= 3маш
Тогда
фактическая продолжительность смешанных работ:
Праз=
=32 дн
Количество
рабочих для выполнения данного вида работ:
раб=
=6,14=7ч
Принимаем
1 кран МГК-25. Бригада 7: Маш. 6 р - 3чел, монтажник 4 р - 3чел, р - 4 чел.
1. Перемещение грунта в отвал (раб.5).
Работа ведется бригадой 1 параллельно разработке грунта, после выполнения работ
по планировке, тогда:
Ппер=Праз-0,5∙Ппл=24-0,5∙2=
23 дн
Количество машин для выполнения работ в заданный срок:
nмаш=
=1=1машина
Тогда
фактическая продолжительность механизированных работ:
Праз=
=23=23 дн
Принимаем
1 бульдозер ДЗ-8 в 2 смены. Работа выполняется бригадой 1.
1. Обратная засыпка (раб.7-8). Обратная
засыпка производится бульдозером и экскаватором. Принимаем то же количество
машин, что и при разработке.. Принимаем начало работы - после окончания работ
по разработке грунта и после демонтажа опалубки с первых захваток, то есть
расстояние между работающими машинами и монтажниками не менее 10 м (см. тех.
схему), что соответствует требованиям техники безопасности (см. технику
безопасности). Продолжительность работ экскаваторов и бульдозера:
Пзас.экс.=
=33=33 дн
Пзас.бульд.=
=11 дн
Принимаем
1 экскаватор ЭО-4121А в 2 смены (бригада №2) и 2 бульдозера ДЗ-8 (бригада №1)
1. Разработка грунта вручную (подчистка)
(раб. 6). Окончание работы - позднее окончания работ по разработке грунта на 1
дн. Работы по подчистке грунта могут проводиться параллельно устройству
бетонной подготовки, то есть Пруч=Пбп=11дней. Количество
рабочих для выполнения данного вида работ:
nраб=
=3,78=4чел
Принимаем
4 чел в 1 смену. Бригада 8: землекоп 2р - 4чел.
1. Обратная засыпка и уплотнение вручную
(раб. 9,11). Работа выполняется параллельно механизированной засыпке, тогда Пзас.руч=Пзас.экс:
nраб=
=4.4=5чел
Пзас.руч.=
=30дн
Принимаем
5 чел в 2 смену. Бригада 9: землекоп 2р - 5чел.
1.
Уплотнение
грунта катками (раб.10). Работа проводится параллельно механизированной засыпке
Пупл=Пзас.экс.
Определим необходимое количество машин:
nмаш=
0.6=1 машина
Пупл=
=20.4=21 дн
Принимаем
1 каток ДУ-29 в 2 смены. Бригада 10: Маш.6р.-1
Таблица
№21 Состав бригад
|
№ бригады
|
Состав звена
|
Разряд
|
Кол-во чел в звене
|
№ бригады
|
Состав звена
|
Разряд
|
Кол-во чел в звене
|
|
1
|
Маш. бульдозера
|
6
|
2
|
6
|
Бетонщик Машинист
|
4/2 6
|
1/1 1
|
|
2
|
Маш. экскаватора
|
6
|
2
|
7
|
Монтажник Машинист
|
4/3 6
|
1/2 1
|
|
3
|
Бетонщик Машинист
|
4/2 6
|
4/2 1
|
8
|
Землекоп
|
2
|
3
|
|
4
|
Монтажник Машинист
|
4/3 6
|
4/4 1
|
9
|
Землекоп
|
2
|
2
|
|
5
|
Монтажник Машинист
|
4/3 6
|
1/1 1
|
10
|
Машинист катка
|
6
|
1
|
Рабочие в составе звена совмещают профессии, монтажники занимаются
такелажными, арматурными, слесарными работами.
Расчет показателей графика:
. Коэффициент совмещения работ по времени: [лист 2]
Ксов=П/ПГР=296/58=5
П=296дн. (см. л.2, к. 12, график производства работ)
Пгр=58 (см. график производства работ)
. Коэффициент неравномерности движения рабочих:
Кнер=N max/Nср=58/33,7=1,8
12.
Организация и технология строительного процесса
Подготовительные работы
Работы по устройству монолитных фундаментов начинать в
весенний период. До начала устройства фундаментов выполнить следующие работы:
1.
Устроить
подъездные пути и автодороги;
2.
Обозначить пути
движения машин, места складирования, укрупнения
3.
арматурных сеток
и опалубки.
4.
Подготовить
монтажную оснастку и приспособления.
Вспомогательные работы
Планировку поверхности площадки производить вдоль
ширины здания бульдозером ДЗ-8 на базе трактора С-100 в промежуточные валы с
последующей доставкой в отвал (резерв).
До начала монтажа опалубки произвести укрупнительную
сборку щитов в блоки на площадке складирования, нанести риски на блоки. Условия
хранения блоков опалубки: под навесом в штабелях, остальные элементы
рассортировать по маркам и типоразмерам. Штабеля щитов устраивать высотой не
более 1-1,2 м на деревянных прокладках, схватки хранить по 5-10 ярусов общей
высотой не более 1 м с установкой деревянных прокладок между ними. Арматуру
доставлять на стройплощадку
отдельными стержнями. Сборку стержней в сетки производить
вязкой на площадке укрупнительной сборки. Для обслуживания склада принять кран
марки КС-2561Е.
Земляные работы
Разработку грунта осуществлять экскаватором Э-1251Б,с
ковшом вместимостью 1,25 м³ . Одновременно с разработкой грунта
выполнить работы по транспортировке грунта в отвал (резерв) автосамосвалами
КрАЗ-219Б (7 машин, см. расчет). Перемещение и разравнивание грунта в отвале
производить бульдозерами ДЗ-8. Для вывоза грунта принять 12 автосамосвалов
КрАЗ-219Б (см. расчет).
Начало работ по подчистке основания вручную
производить с учетом безопасного расстояния (не менее 10 м от работающей
машины). Организацию подъездных дорог, трамбование грунта и устройство бетонной
подготовки производить по мере освобождения фронта работ землеройными машинами
с учетом правил техники безопасности.
Опалубочные и арматурные работы
Монтажные (установку опалубки, арматурных сеток,
кронштейнов) и демонтажные работы (снятие кронштейнов и опалубки) вести с
помощью крана КС-2561Е .
Работы по устройству опалубки и армирования фундаментов
производить по захваткам.
Демонтаж опалубки производить после достижения бетоном
распалубочной прочности, то есть через 6 суток (t 30% R28).
Демонтажные работы производить в последовательности,
указанной на технологической схеме.
Порядок устройства опалубки и
армирования фундаментов:
1. Доставить блок и арматуру фундамента к месту
монтажа, произвести строповку конструкции.
. Установить арматурную сетку нижней ступени (марки
С1) на фиксаторы, обеспечивающие защитный слой бетона 50 мм по подошве и не
менее 25 мм от боковых поверхностей.
. Установить и закрепить блок опалубки нижней ступени
строго по осям краном КС-2561Е.
. Закрепить блок опалубки металлическими штырями к
основанию.
. Установить сетки армирования второй ступени (марки С
2) на подпорках, удерживающих сетку в проектном положении.
. По рискам опалубки нижней ступени установить блок
опалубки второй ступени.
. Произвести выверку и постоянное закрепление блока
второй ступени.
. В той же последовательности установить блок и
арматуру (сетка марки С3) третьей ступени.
. В той же последовательности установить блок и
арматуру (сетка марки С4) четвёртой ступени.
. Установить арматурные стержни (марки А1) и сетки
(марки С4) подколонника с креплением стержней к нижним сеткам ступеней
вязальной проволокой.
11. По рискам четвёртой ступени установить блок или
отдельные щиты подколенника.
За состоянием опалубки вести непрерывное наблюдение в
процессе бетонирования. В процессе снятия опалубки поверхность бетонной
конструкции не должна повреждаться. Демонтаж опалубки производить в порядке,
обратном монтажу.
После снятия опалубки произвести визуальный осмотр
опалубки, очистить от налипшего бетона все элементы опалубки, произвести смазку
палуб и всех соединений. Для смазки опалубки применить битум нефтяной БН-1 (1
часть), керосин (3-5 частей)
Бетонные работы
Ведущим процессом при производстве бетонных работ
является укладка бетонной смеси, так как она всецело определяет темп
бетонирования и всю организацию работ. До начала укладки бетонной смеси
выполнить следующие работы:
1.
Проверить
правильность установленной арматуры и опалубки:
2.
Устранить все
дефекты опалубки.
Работы по бетонированию конструкций начать согласно
технологической схеме 3-через три дня после установки опалубки на первых
захватках. Для уплотнения смеси применять глубинные вибраторы ИВ-113. Соблюдать
шаг перестановки вибратора до 1,5 радиуса действия вибратора и глубину
погружения более толщины уложенного слоя бетона. Обеспечить ритм потока:
бетонирование, выдерживание бетона (6 суток), распалубка и установка опалубки
на новых захватках. Обеспечить уход за бетоном: производить поливку бетона, при
необходимости утеплять и поддерживать положительную температуру.
Обратная засыпка
Обратную засыпку фундаментов производить после
демонтажных работ по захваткам согласно технологической схеме на листе 2. Для
работы применять комплект машин: автосамосвалы КрАЗ-219Б для доставки грунта с
отвала, бульдозер ДЗ-8 для перемещения грунта к бровке траншеи, экскаватор
Э-1251Б для подачи грунта в траншею. В траншее грунт разравнивать вручную, для
уплотнения смеси применять глубинные вибраторы ИВ-113, малогабаритным катком
ДУ-29. Работы вести с соблюдением правил техники безопасности.
.
Составление ведомости материально-технических ресурсов
.1
Потребность в строительных машинах, механизмах, организационно-технической
оснастке, инструменте
Таблица №22
|
№ п/п
|
Наименование машин
|
Марка, тип
|
Техническая характеристика
|
Кол-во
|
Назначение
|
|
1
|
Бульдозер
|
ДЗ-8
|
База трактор Т-100 Высота
отвала - 1,2 м, длина отвала - 3,2 м, габаритные размеры: длина-5,3 м,
ширина-3,2 м, высота - 3,1 м; глубина разработки - 1,0 м; мощность - 79 кВТ,
масса - 13,6 т; скорость резания грунта - 2,9 м, скорость при перемещении
грунта - 5,8 м, скорость при обратном ходе - 7,9 м.
|
2
|
Срезка растительного слоя,
планировка поверхности, обратная засыпка пазух
|
|
2
|
Экскаватор одноковшовый на
гусеничном ходу
|
ЭО-1251Б
|
Универсальное оборудование.
Вместимость ковша 0,65 м³ Продолжительность рабочего цикла - 20 сек,
наибольший ради-ус резания на уровне стоянки - 9,2 м, длина рукоятки - 2,99м,
наиб. радиус выгрузки грунта в транспорт - 6,7м, расст-е от оси пяты до оси
вращения -0,52м, наиб. радиус резания - 7,20м, высота до оси пяты - 2,02м,
высота выгрузки - 6,0м, Габариты:10,40/3,00/3,20м
|
1
|
Разработка грунта
|
|
3
|
Кран гусеничный
|
Кран КС-2561Е
|
Грузоподъёмность 3,0 т,
длина стрелы 22,5 м, вылет крюка 12м, высота подъёма 18 м. Среднее давление
на грунт -0,13МПа Габариты: ширина-3,21м, высо-та-3,79м, задний габарит -4,7м
Масса в рабочем состоянии-39т
|
4
|
Подача щитов опалубки,
арматурных каркасов и др., транспортные работы
|
|
4
|
Каток самоходный
|
ДУ-29
|
Мощность двигателя 6 кВт
Ширина уплотняемой полосы - 0,85м, толщина уплотняемого слоя - 20/15м; масса
1,5т; Габариты: длина - 2,5м, ширина - 1,09м
|
1
|
Послойное уплотнение грунта
при обратной засыпке
|
|
5
|
Автомобиль-самосвал
|
ЗиЛ-130-66
|
Грузоподъёмность 5т Ширина
- 2,5м
|
19
|
Транспортиров-е грунта,
материалов, изделий
|
|
6
|
Автобетоносмеситель
|
СБ-159
|
База КамаЗ-5511,
вместимость барабана 5 м³ Геомет. объем смесительного барабана - 8м³ Масса оборудования - 13т Габариты: 7,38/2,50/3,52
|
1
|
Транспортирование бетонной
смеси
|
|
7
|
Автобетононасос
|
БН 80-20
|
Регулируемая
производительно-сть 5-65 м³ /ч
Дальность подачи по горизонта-ли/вертикали - 400/80м Высота выгрузки бетонной
смеси - 1,4м Габариты:11,0/2,50/3,50
|
1
|
Подача бетонной смеси
|
|
8
|
Вибратор глубинный ручной с
гибким валом
|
ИВ-113
|
Производительность 3-6 м³ /ч Диаметр наконечника-38мм Длина рабочей
части-4,5м Толщина уплотняемого слоя-200-400мм Мощность - 0,55кВТ
|
3
|
Уплотнение бетонной смеси
|
|
9
|
Электротрамбовки с круглым
башмаком
|
ИЭ-4505
|
Мощность 0,6 кВт, Масса 27
кг Глубина уплотнения-0,2 м Габариты:255/440/785 мм Размеры трамбующей:
200*200
|
4
|
Уплотнение грунта в
стеснённых условиях при подготов. оснований, обратной засыпке
|
|
10
|
Машина ручная зачистка
угловая пневматическая
|
МП-2101
|
Мощность 0,5 кВт, Масса 4
кг
|
1
|
Счистка металлических,
бетонных и др. поверхностей
|
|
11
|
Гайковерт ручной электр.
ударный
|
ИЭ-3119Б или ИЭ-3118
|
Мощность 0,42 кВт, Масса
5,1 кг
|
1
|
Завертывание, зятяжка и
отвертывание болтов и гаек при сборке (разборке) опалубки
|
|
12
|
Преобразователь частоты
тока
|
Мощность 6 кВт (потребл.)
1,5 кВт (отдаваемая) Масса 4 кг
|
1
|
Для гайковерта
|
|
13
|
Трансформатор переносной
понижающий
|
ИВ-4
|
Масса 29 кг
Габариты:380/220/36 мм
|
1
|
Для вибратора, для
уплотнения бетонной смеси
|
|
14
|
Трансформатор сварочный
однопостовой
|
ТД-500
|
Масса 210 кг Потребляемая
мощность- 32кВт Напряжение В 220/380 (питающей сети), 36 (номинальн. рабоч.)
|
1
|
Сварочные работы
|
|
15
|
Строп 4-х ветвевой
|
4СК-1,0
|
Грузоподъемность - 1,0 т
Длина - 6,5 м ГОСТ 25573-82
|
1
|
Строповка грузов
|
|
16
|
Строп 2-х ветвевой
|
2СК-1,0
|
Грузоподъемность - 1,0 т
Длина - 6,5 м ГОСТ 25573-82
|
1
|
Строповка грузов
|
|
17
|
Топор строительный в сборе
|
А-I, II, III
|
ГОСТ 18578-73
|
2
|
Опалубочные работы
|
|
18
|
Молоток плотничный
|
МПЛ-1
|
ГОСТ 11042-83
|
2
|
Опалубочные работы
|
|
19
|
Ножовка по дереву
|
Тип 1 и 2
|
ГОСТ 26215-84
|
2
|
Опалубочные работы
|
|
20
|
Клещи строительные
|
КС-250 КС-225 КС-180
|
ГОСТ 14184-83
|
2
|
Опалубочные работы
|
|
21
|
Разводка для пил и ножовок
|
|
ТУ 2-16-214-76
|
2
|
Опалубочные работы
|
|
22
|
Напильник 3-ех гранный
|
|
ГОСТ 6476-80*
|
|
Опалубочные работы
|
|
23
|
Набор ключей гаечных с
открытыми зевами, двухсторонние
|
|
ГОСТ 2839-80Е
|
2
|
Опалубочные работы
|
|
24
|
Ключ монтажный
|
К1
|
Допустимая нагрузка-6,18
кН; Масса - 0,45 кг Изготовляется в мастерской строительной организации ГОСТ
25573-82
|
2
|
Подноска щитов опалубки к
месту сборки
|
|
25
|
Кувалда кузнечная тупоносая
|
|
Масса - 2-5 кг ГОСТ
11401-75*
|
2
|
Ударные операции с зубилом,
клиньями, правка арматуры
|
|
26
|
Кувалда кузнечная
остроносая
|
|
Масса - 3-5 кг ГОСТ
11402-75*
|
2
|
Арматурные работы
|
|
27
|
Лом монтажный
|
ЛМ-24
|
Масса - 4,2 кг ГОСТ 1405-83
|
2
|
Рихтовка элементов
|
|
28
|
Лом специальный
|
|
Длина - 1,0 м Масса - 3,5
кг
|
2
|
Грубая наводка отверстий
элементов опалубки при их совмещении в процессе монтажа
|
|
29
|
Конапатка стальная
|
К-50
|
ТУ 22-4301-78
|
2
|
Уплотнение стыков между
щитами опалубки
|
|
30
|
Зубила слесарные 200х 600
|
|
ГОСТ 7211-86Е
|
2
|
Рубка арматуры, скалывание
бетона
|
|
31
|
Молоток слесарный с круглым
(квадратным) бойком
|
|
Масса - 0,8 кг ГОСТ
2310-77*Е
|
2
|
Арматурные работы
|
|
32
|
Ножницы для резки арматуры
|
|
Длина 755 мм Масса - 2,7 кг
|
1
|
Арматурные работы
|
|
33
|
Кусачки торц. (острозубые)
|
|
ГОСТ 7282-75*Е
|
1
|
Арматурные работы
|
|
34
|
Плоскогубцы комбинированные
|
|
Типоразмер 180 ГОСТ
5547-86Е
|
1
|
Арматурные работы
|
|
35
|
Набор инструмента для
ручной дуговой сварки
|
ЭНИ-300
|
ТУ 36-1162-81
|
1
|
Сварочные работы
|
|
36
|
Электродержатель
|
ЭД-3105-У 1
|
ГОСТ 14651-78Е
|
1
|
Сварочные работы
|
|
37
|
Ключ гаечный разводной
|
|
ГОСТ 7275-75*Е
|
2
|
Сварочные работы
|
|
38
|
Отвертка слесарно-монтажная
|
|
Прямой шлиц ГОСТ 17199-71*Е
|
1
|
Сварочные работы
|
|
39
|
Напильник слесарный
плоский, тупоносый
|
|
Длина рабочей части-200мм
Насечка №1 ГОСТ 1465-80
|
1
|
Сварочные работы
|
|
40
|
Пенал для электродов
|
|
р.ч. 649-76
|
1
|
Сварочные работы
|
|
41
|
Щетка из стальной проволоки
|
Р 719-Р
|
ГОСТ 17-830-80
|
2
|
Для очистки металлических,
бетонных и др. поверхностей
|
|
42
|
Кисть из смеси волоса с
капроновой щеткой
|
КРВ-60
|
ТУ-17 РСФСР 30-7677-80
Диаметр пучка - 60мм
|
2
|
Для очистки металлических,
бетонных и др. поверхностей
|
|
43
|
Закрутки
|
3ВА-1А или 3ВА-1Б
|
Масса - 0,35 или 0,4 кг ТУ
67-399-82
|
1
|
Скручивание визуальной
проволокой стержней арматуры между собой
|
|
44
|
Приспособление для вязки
арматуры
|
|
Масса - 0,35 кг
|
1
|
Крепление арматурных
стержней между собой
|
|
45
|
Лопата совковая
|
|
ГОСТ 19596-87
|
3
|
Разравнивание бетонной
смеси
|
|
46
|
Гребок для бетонных
растворов
|
|
ТУ 22-4945-81
|
3
|
Разравнивание бетонной
смеси
|
|
47
|
Шуровка металлическая
|
|
Изготавливается в
мастер-ской строительной организации
|
1
|
Уплотнение бетонной смеси
|
|
48
|
Гладилка ленточная с
закругленным концом
|
ГЛЗ-1
|
Разм. 300х 900х 71 ГОСТ
10403-80
|
1
|
Заглаживание поверхности
бетона
|
|
49
|
Скребок с резиновым
полотном и длинной ручкой
|
|
Изготавливается в
мастерской строительной организации
|
1
|
Удаление излишков
цементного молока с поверхности уплотненного бетона
|
|
50
|
Валик малярный
|
|
ГОСТ 10831-80
|
1
|
Смазка щитов опалубки
|
|
51
|
Молоток-кирочка
|
МКИ-1
|
ГОСТ 11042-83
|
2
|
Околка наплывов бетона
|
|
52
|
Скребок
|
|
р.ч. 568-75
|
2
|
Очистка кузова
автосамосвала и др. поверхностей от остатков бетона
|
|
53
|
Лопата остроконечная
|
ЛКО-I ЛКО-II
|
ГОСТ 19596-87
|
2
|
Разработка грунта зачистка
дна котлована, обратная засыпка
|
|
54
|
Ведро
|
|
ГОСТ 20558-82Е Вместимость
8-10 л Изготавливается в постоянных условиях
|
3
|
Бетонные работы
|
|
55
|
Каска строительная
|
|
ГОСТ 12.4.087-84
Изготавливается в постоянных условиях
|
На все звено
|
Техника безопасности
|
|
56
|
Пояс предохранительный
|
|
ГОСТ 12.4.089-80
Изготавливается в постоянных условиях
|
На все звено
|
Техника безопасности
|
|
57
|
Очки защитные закрытые с
прямой вентиляцией
|
ЗИЗ-80
|
ГОСТ 12.4.013-85Е
Изготавливается в постоянных условиях
|
3
|
Сварочные работы Техника
безопасности
|
|
58
|
Рукавицы специальные
|
Тип Г
|
ГОСТ 12.4.010-75
|
3
|
Сварочные работы Техника
безопасности
|
|
59
|
Щиток защитный для
электросварщика
|
|
ГОСТ 12.4.035-78*
|
1
|
Сварочные работы
|
|
60
|
Перчатки резиновые
технические
|
Тип 1
|
ГОСТ 20010-74*
|
3
|
Бетонные работы
|
|
61
|
Перчатки ди электрические
резиновые бесшовные
|
|
ТУ 38-105977-76
|
3
|
Сварочные работы
|
|
62
|
Сапоги резиновые
|
|
ГОСТ 5375-79
|
3
|
Сварочные работы
|
|
63
|
Метр складной металлический
|
МСМ-74
|
Измерительный прибор ТУ
12-156-76
|
1
|
Контрольно-измерительные
приборы
|
|
64
|
Рулетка измерительная в
закрытом корпусе
|
ЗИК 3-20 ЛУТ/1
|
Измерительный прибор Длина
20,0м ГОСТ 7502-80*
|
1
|
Контрольно-измер. приборы
|
|
65
|
Уровень строительный
|
УС 2-300
|
Измерительный прибор Длина
300м ГОСТ 9416-83
|
1
|
Контрольно-измерительные
приборы
|
|
66
|
Отвес стальной строительный
|
ОТ-400 (600)
|
Измерительный прибор ГОСТ
7948-80
|
1
|
Контрольно-измер. приборы
|
|
67
|
Штангенциркуль
|
ШЦ-1-125-01
|
Контрольно-измерительные
приборы ГОСТ 166-80
|
1
|
Сварочные работы
|
|
68
|
Бригадная
инструментально-раздаточная кладовая (БИРК)
|
|
р.ч. Б-2-00-00 ПТС
"Прогресс"
|
1
|
Для всех видов работ
|
|
69
|
Валик малярный
|
|
ГОСТ 10831-80
|
1
|
Смазка щитов опалубки
|
|
70
|
Лестница для спуска в
траншею
|
|
|
4
|
|
|
71
|
Компрессор
|
СО-7А
|
Производительность 0,5
м/мин Давление сжатого воздуха 0,4- 0,6 МПа Габариты: 920/480/820мм Масса 140
кг Мощность 4 кВт
|
1
|
Входит в компле-кт с др.
ручными машинами для нанесения сма-зок, грунтовок и др. составов с помощью
сжатого воздуха
|
|
72
|
Краскораспылитель ручной
пневматический в комплекте с компрессором и красконагнетательным баком
|
СО-71Б (в комплекте с СО-7А
и СО-126А)
|
Расход краски 0,35л/мин
Расход воздуха 0,8м/мин Давление воздуха на распыление и на лакокрасочный
материал 0,01 и 0,01 МПа,Число бачков 1 Вместимость бачка - 0,6 л Габариты:
165/106/300 мм Масса 0,5 кг
|
1
|
Смазка щитов
|
|
73
|
Бак краскораспылительный
|
СО-126А
|
Вместимость - 20 л Давление
воздуха 0,4 МПа Габариты: 390/370/700 мм Масса 20 кг
|
1
|
Подача смазки к
краскронагревателю при выполнении опалубочных работ
|
|
74
|
Дрель универсальная
|
ИЭ-1035
|
|
1
|
Сверление отверстий
|
13.2
Потребность основных материалов и конструкций
Таблица №23
|
№ п/п
|
Наименование материала,
конструкций (марка, ГОСТ)
|
Един. измерения
|
Объем работ в нормативных
единицах
|
Принятая норма расхода
материала
|
Потребность в материале
|
|
1
|
2
|
3
|
5
|
6
|
|
1
|
Щитовая дерево-металлич.
опалубка
|
м²
|
14,06 [табл.1]
|
-
|
14,06
|
|
2
|
Арматурные сетки, стержни
|
т
|
191,80 [табл.3]
|
-
|
191,80
|
|
3
|
Схватки
|
т
|
49,9 [табл.1]
|
-
|
49,9
|
|
4
|
Кронштейн
|
т
|
8,1 [табл.1]
|
-
|
8,1
|
|
5
|
Бетонная смесь Vфунд + Vбет.подг
|
м³
|
1157,86 [объемы бет. работ]
|
1,01[13]
|
1157,86
|
|
6
|
Электроды Э-42 ГОСТ 9467-75
|
кг
|
-
|
-
|
4,0 [13]
|
|
7
|
Эмульсия для смазки щитов
опалубки: битум нефтяной БН-1; керосин
|
1м² формующей опалубки
|
14,06 [табл.1]
|
0,20- х) 0,35 0,45- 0,55
[13]
|
9,96-17,43 22,41-27,39 [13]
|
|
х) в числителе - расход при
нанесении пневмораспылителя, в знаменателе - при нанесении вручную или
валиком.
|
14.
Контроль качества и приемка работ
Контроль качества бетона вести на всех стадиях
бетонирования монолитных конструкций. Пооперационный контроль осуществлять при
изготовлении, приемке и установке опалубки, арматуры, приготовлении бетонной
смеси, транспортировке и укладке, уплотнении и уходе за бетоном.
После монтажа опалубки проверить правильность сборки,
плотность стыков, соблюдение геометрических размеров, точность установки
опалубки в проектное положение.
При обнаружении сверхдопустимых деформаций и смещений
опалубки принять меры к их устранению, при необходимости временно прекратить
бетонирование до устранения деформаций.
Арматура, поступающая на строительную площадку, должна
иметь товаросопроводительные документы: сертификаты металлургической
промышленности с указанием массы, марки, размера, номера партии арматуры;
физико-химические характеристики; положение арматурного каркаса и его линейные
размеры контролируется геодезическим методом при помощи приборов.
Положение арматурного каркаса и толщины защитного слоя
бетона осуществлять измерением расстояний от опалубки, выверенной,
зафиксированной и сданной под бетонирование в установленном порядке.
Установленную арматуру перед бетонированием принять по
акту, где указать качество работ, перечислить отступления от проекта, возможные
исправления и усиления и дать заключение о возможности бетонирования. За
процессом бетонирования вести систематический контроль на всех операциях.
Для приготовления бетонной смеси применять
качественные и чистые материалы. При этом систематически проверять крупность
песка и щебня, их влажность, количество вредных глинистых и пылеватых частиц, а
также прочность щебня на сжатие.
Организовать лабораторный контроль показателей
цемента: сроков схватывания, тонкости помола и прочности.
Перед укладкой бетонной смеси проверить ее
однородность, подвижность и объем.
При отклонении от заданной подвижности изменить
водоцементное отношение и улучшить условия транспортирования.
Контроль качества подачи, распределения и укладки бетонной
смеси вести техническому персоналу стройки.
Уделять особое внимание виброуплотнению бетонной
смеси.
Контроль процесса вибрирования вести визуально по
степени осадки смеси, прекращению выхода из нее пузырьков воздуха и появлению
цементного молока.
Таблица №24 Допуски и отклонения работ
|
Наименование операций
|
Предельное отклонение
|
Способы контроля
|
Время контроля
|
Кто контролирует
|
|
1
|
2
|
3
|
4
|
5
|
|
Отклонение отметок дна
котлована при черновой разработке
|
+ 10 см
|
Измерительный
|
В ходе разработки
|
Прораб, геодезист
|
|
То же планировочных отметок
дна котлована
|
недоборы 10 см переборы 20
см
|
Измерительный
|
В ходе разработки
|
Прораб, геодезист
|
|
Отклонение отметки дна
котлована после доработки недобора
|
±5 см
|
Измерительный
|
В ходе разработки
|
Прораб, геодезист
|
|
Размеры котловна по дну
|
Не менее проектных
|
Измерительный
|
В ходе разработки
|
Прораб
|
|
Отметки закладных деталей
|
±5 см
|
Нивелиром
|
В ходе разработки
|
Геодезист
|
|
Толщина защитного слоя
|
3-5 мм
|
Линейка измерительная
|
В процессе работы
|
Мастер
|
|
Смещение арматурных
стержней при их установке в опалубку
|
Не более 1/5 наибольшего
диаметра стержня
|
Линейка измерительная
|
В процессе работы
|
Мастер
|
|
Смещение осей опалубки
|
15мм
|
Линейка измерительная
|
В процессе монтажа
|
Мастер
|
|
Отклонение плоскости
опалубки от вертикали
|
20 мм
|
Отвес, линейка
|
В процессе монтажа
|
Мастер
|
|
Неровности поверхности
бетона
|
не более 5 мм
|
Измерительный 2-х мет.
рейкой
|
Готовая конструкция
|
Прораб
|
|
Геометрические плоскости
|
20 мм
|
Нивелир, теоделит
|
Готовая конструкция
|
Геодезист
|
|
Длина конструкции
|
±20см
|
Измерительный
|
Готовая конструкция
|
Геодезист
|
|
Размер поперечного сечения
|
+6 мм - 3 мм
|
Нивелиром
|
Готовая конструкция
|
Геодезист
|
|
Анкерные болты в плане
|
5 мм (внутри контура)
|
Нивелиром
|
Готовая конструкция
|
Геодезист
|
15.
Техника безопасности при производстве работ
При производстве работ соблюдать правила техники
безопасности согласно СП 49.133330.2010 "Безопасность труда в
строительстве":
К работам допускаются лица достигшие 18-летнего
возраста и прошедшие медицинский осмотр.
Перед началом выполнения строительно-монтажных работ
на территории организации генеральный подрядчик (субподрядчик) и администрация
организации, эксплуатирующая (строительная) этот объект, обязаны оформить
акт-допуск.
Перед началом работ в условиях производственного риска
необходимо выделить опасные для людей зоны, в которых постоянно действуют или
могут действовать опасные факторы связанные или не связанные с характером
выполняемых работ.
К зонам постоянно действующих опасных производственных
факторов относятся:
места вблизи от неизолированных токоведущих частей
электроустановок 4
места от неогражденных токоперепадов по высоте 1,3м и
более.
К зонам потенциально опасных производственных факторов
следует отнести:
участки территории вблизи строящегося здания
(сооружения);
зоны перемещения машин оборудования или их частей, рабочих
органов;
места над которыми происходит перемещение грузов
кранами.
На границах зон постоянно действующих опасных
производственных факторов должны быть установлены защитные ограждения, а зон
потенциально опасных производственных факторов - сигнальные ограждения и знаки
безопасности.
В случае возникновения угрозы безопасности и здоровью
работников ответственные лица (которые входят в службу безопасности труда)
обязаны прекратить работы и принять меры по устранению опасности, а при
необходимости обеспечить эвакуацию людей в безопасное место.
В соответствии с законодательством на работах с
вредными и (или) опасными условиями труда, а также на работах, связанных с
загрязнением, работодатель обязан бесплатно обеспечить выдачу сертифицированных
средств индивидуальной защиты: спецодежду, обувь и др.
Все лица находящиеся на строительной площадке, обязаны
носить защитные каски. Работники без защитных касок и других необходимых
средств индивидуальной защиты к выполнению работ не допускаются.
Производственные территории и участки работ в
населенных пунктах или на территории организации во избежание доступа
посторонних лиц должны быть ограничены
Складирование материалов, прокладка транспортных
путей, установка опор воздушных линий электропередачи и связи должны производиться
за пределами призмы обрушения грунта незакрепленных выемок (котлованов,
траншей).
Материалы (конструкции) следует размещать по нормам и
правилам на выровненных площадках, принимая меры против самопроизвольного
смещения, просадки, осыпания и раскатывания складируемых материалов.
Производственные территории должны быть оборудованы
средствами пожаротушения.
Машины и агрегаты, создающие шум при работе, чтобы
эксплуатироваться таким образом, чтобы уровни звукового давления и уровни звука
на постоянных рабочих местах в помещениях и на территории организации не
превышали допустимых величин, указанных в государственных стандартах.
При размещении мобильных машин на производственной
территории руководитель работ должен до начала работы определить рабочую зону
машины и границы создаваемой ею опасной зоны. При этом должна быть обеспечена
обзорность рабочей зоны, а также рабочих зон с рабочего места машиниста. В
случае, когда машинист, управляющий машиной, не имеет достаточного обзора, ему
должен быть виден сигнальщик.
При размещении и эксплуатации машин, транспортных
средств должны быть приняты меры, предупреждающие их опрокидывания или
самопроизвольное перемещение под действием ветра, при уклоне местности или
посадке грунта.
Перемещение, установка и работа машины, транспортного
средства вблизи выемок (котлованов, траншей, канав и т.п.) с неукрупненными
откосами разрешаются только за пределами призмы обрушения грунта на расстоянии,
установленном организационно-технической документацией.
При работах в шурфах и траншеях с повышенной
влажностью грунтов, где рабочие могут соприкасаться с заземленными
металлическими пред метами, электроинструмент применять с напряжением не выше
36 В.
Согласно табл.2 расстояние от нижнего откоса до опоры
машины принимать не менее 3,6 м при глубине траншеи до 3,0 м и грунте-супеси.
При работе автобетононасоса расстояние от верхней бровки котлована до опоры
машины принять не менее 1,1 м.
Для спуска в котлован рабочих установить стремянки,
которые содержать в исправном состоянии.
До начала работы рабочие места и проходы к ним
очистить от посторонних предметов, мусора и грязи, в зимнее время от снега и
льда, посыпать песком.
Запретить работать в зоне, где нет ограждений открытых
колодцев, шурфов. В темное время суток выставлять ограждения и световые сигналы
в опасных местах.
При обнаружении неисправности механизмов,
инструментов, ограждений работу прекратить и немедленно сообщить мастеру.
Персонал, эксплуатирующий средства механизации,
оснастку, приспособления и ручные машины, до начала работ должен быть обучен
безопасным методам и приемам работ с их применением согласно требованиям
инструкции завода-изготовителя и инструкции по охране труда.
Съемные грузозахватные приспособления и тара в
процессе эксплуатации должны подвергаться техническому осмотру лицом,
ответственным за их исправное состояние, в сроки, установленные требованиям.
Грузовые крюки грузозахватных средств (стропы,
траверсы), принимаемых в строительстве, промышленности строительных материалов
и строительной индустрии, должны быть снабжены предохранительными замыкающими
устройствами, предотвращающими самопроизвольное выпадение груза.
Подвесные лестницы и площадки, принимаемые для работы
на конструкциях, должны быть снабжены специальными захватками-крюками,
обеспечивающими их прочное закрепление за конструкцию.
При работе с приставной лестницы на высоте более 1,3м
следует применять предохранительный пояс, прикрепленный к конструкции
сооружения или к лестнице при условии ее закреплении к строительной
конструкции.
Эксплуатация ручных машин должна обслуживаться при
выполнении следующих требований:
проверка комплектности и надежности крепления деталей,
исправности защитного кожуха, кабеля (рукова) должна осуществляться при каждой
выдаче машины в работу;
ручные машины, масса которых, приходящаяся на руки
работающего, превышает 10 кг, должны применяться с приспособлениями для
подвешивания.
В соответствии с межотраслевыми правилами охраны труда
при эксплуатации электроустановок потребителей лица, допускаемых к управлению
ручными электрическими машинами, должны иметь 1 группу по электробезопасности,
подтверждаемую ежегодно.
Работающие с пневматическими машинами ударного или
вращательного действия должны быть обеспечены мягкими рукавицами с
антивибрационной прокладкой со стороны ладони.
Площадка для погрузочных и разгрузочных работ должны
быть спланированы и иметь уклон не более 5о, а их размеры и покрытии
- соответствовать проекту производства работ. В соответствующих местах
необходимо установить надписи "Въезд", "Выезд",
"Разворот".
Спуски и подъемы в зимнее время должны очищаться от
льда и снега и посыпаться песком или шлаком.
При размещении автомобилей на погрузочно-разгрузочных
площадках расстояние между автомобилями, стоящих друг от друга (в глубину),
должно быть не менее 1м, а между автомобилями, стоящими рядом (по фронту),- не
менее 1,5м.
Ответственный за производство погрузочно-разгрузочных
работ обязан проверить исправность грузоподъемных механизмов, такелажа,
приспособлений, подмостей и прочего погрузочно-разгрузочного инвентаря, а также
разъяснить работникам их обязанности, последовательность выполнения операций,
значение подаваемых сигналов и свойства материала, подаваемого к погрузке
(разгрузке).
Для обеспечения безопасности при производстве
погрузочно-разгрузочных работ с применением грузоподъемного крана его владелец
и организация, производящая работы обязаны выполнить следующие требования:
не разрешается опускать груз на автомашину, а также
поднимать груз при нахождении людей в кузове или в кабине автомашины;
на месте производства работ не допускается нахождения
лиц, не имеющих отношение к выполнению работ.
Масса груза не должна превышать грузоподъемности для
данного транспортного средства.
Земляные работы следует выполнять только по
утвержденному проекту производства работ.
При наличии в районе земляных работ подземных
коммуникаций любые раскопки можно вести только в присутствии представителя
организации, эксплуатирующей эти линии.
Обрушающиеся при разработке котлована козырьки грунта
следует обрушать, приняв при этом все меры предосторожности и удалив
предварительно рабочих из забоя.
Движущиеся по отсыпной насыпи транспортные и
землеройные машины не должны приближаться к бровке ближе чем на 0,5м.
При работе в ночное время рабочие места должны быть
освещены, а землеройные, транспортные и землеройно-транспортные машины должны
иметь индивидуальное освещение.
При разработке грунта экскаваторами рабочим
запрещается находиться под ковшом или стрелой и работать со стороны забоя.
При работе бульдозера запрещается во избежании поломки
или опрокидывания поворачивать его с погруженным или заглубленным в грунт
отвалом.
Запрещается перемещать бульдозером грунт на подъем
более 100 и под уклон более 300, а также выдвигать отвал
за бровку откоса выемки (при сталкивании грунта под откос).
При монтаже опалубки и арматуры, разгрузке бетонных
смесей в опалубку особое внимание следует обращать на прочность и устойчивость
поддерживающих конструкций, а также на прочность такелажных устройств для
подъема каркасов, блоков опалубки и арматуры.
При устройстве опалубки на высоте до 8м следует
принять подмости с перилами высотой 1м и бортовой упорной доской высотой 15см.
При разборке опалубки следует соблюдать осторожность,
опускать элементы опалубки с помощью лебедок и кранов.
При производстве электросварочных работ и вибрирования
бетонной смеси необходимо заземлять свариваемые конструкции и все металлические
части сварочных установок и вибраторов.
Рабочие, сваривающие арматуру, должны иметь средства
индивидуальной защиты (резиновые сапоги и перчатки, защитные маски и т.п.).
Рабочие, занятые вибрированием бетонной смеси, должны быть в резиновых сапогах.
Чистка и ремонт бетоносмесителей, бетононасосов,
цементушек и других машин допускается только при выключенном рубильнике.
Бетононасосы устанавливают в приямках так, чтобы
вокруг них имелись проходы шириной не менее 1м.
При продувке бетоновода (в зимнее время) сжатым
воздухом при рабочем давлении не более 1,5МПа рабочие должны находиться на
расстоянии не менее 10м от выходного отверстия бетоновода.
Бетоноводные эстакады и настилы сооружают в
соответствии с расчетом, ограждают перилами и колесоотбойными брусьями и
упорами.
К бетонированию в зимних условиях допускают рабочих
только после прохождения ими специального инструктажа.
При осуществлении электропрогрева, помимо ограничения
доступа людей к месту прогрева путем установки ограждений и предупреждающих
надписей, необходимо в зоне прогрева включить красную сигнальную лампочку.
Бетонирование, а также все работы, связанные с
переключением электродов, замерами температуры, ремонтом линий и др., выполняют
только при отключенных рубильниках на щитах "низкой" и
"высокой" сторон.
При производстве монтажных работ большое значение
имеют технологические карты, которые должны быть составлены с учетом требований
по технике безопасности.
К монтажу конструкций и сопутствующих ему работ
допускают рабочих после прохождения с ними вводного инструктажа, в процессе
которого их знакомят с основными правилами безопасного ведения работ с учетом
специфических особенностей данного здания или сооружения.
Одним из условий безопасного выполнения монтажных
работ является правильная эксплуатация монтажных кранов, обеспечивающая их
устойчивость. Для этого монтажный кран должен быть установлен на надежное и
тщательно выверенное основание.
Каждый кран необходимо оборудовать автоматическим
устройством для ограничения грузоподъемности, а его стальные канаты следует
периодически проверять.
Во избежание перегрузки монтажных кранов необходимо
знать массу поднимаемых элементов, которую указывают в марке, имеющейся на
элементах конструкций.
Особые меры предосторожности следует принимать при
ветреной погоде. При ветре более 6 балов прекращают монтажные работы, связанные
с применением кранов, а также на высоте и в открытом месте.
Библиографический
список
1. СП 70.13330.2012 . Несущие и
ограждающие конструкции. М.; ГП ЦПП, 2012
2. СП 49.13330.2010 Безопасность труда в
строительстве. М.:ГП ЦПП, 2010.
3. ГОСТ 23478-79. Опалубка для
возведения монолитных бетонных и
4. железобетонных конструкций.
Классификация и общие технические требования. М: Издательство стандартов, 1993.
5. ЕНиР. Общая часть
6. ЕНиР. Сборник Е1. Внутрипостроечные
транспортные работы.
7. ЕНиР. Сборник Е2. Земляные работы.
Выпуск 1. Механизированные и ручные земляные работы.
8. ЕНиР. Сборник Е4. Монтаж сборных и
устройство монолитных железобетонных конструкций. Выпуск 1. Здания и
промышленные сооружения.
9. ЕНиР. Сборник 5. Монтаж металлических
конструкций. Выпуск 1. Здания и промышленные сооружения.
10. О.А. Бессонова, О.В. Машкин, К.В. Бернгардт, Н.И.
Фомин. Производство земляных и бетонных работ при устройстве монолитных
фундаментов промышленных и гражданских зданий: Учебно-методическое пособие по
выполнению курсового проекта по дисциплине "Технология строительных
процессов" Екатеринбург: ГОУ ВПО УГТУ-УПИ, 2007
11. Н.А. Смирнов, Н.А. Вебер. Технология строительного
производства. Стройиздат. Ленинградское отделение, 1978
11. Ф. Палеев. Техника и технология
строительного производства.
УГТУ-УПИ, 2-е изд., дополненное, 2009
. А.А. Афанасьев, Н.Н. Данилов, В.Д.
Копылов, В.Б. Сысоев, О.М. Терентьев. "Технология строительных
процессов" ГУП Издательство "Высшая школа", - 2-е изд., перераб.
- М.: Высш. шк., 2001.-464 с
. Типовая технологическая карта на
бетонные и железобетонные работы (монолитный железобетон). Устройство
монолитных фундаментов под каркас гражданских и промышленных зданий с
применением щитовой опалубки. Москва-1990
. Типовая технологическая карта на
обратную засыпку грунтом траншей и пазух с уплотнением 1020.11-132, 1989
. Инструкция по устройству обратных
засыпок грунта в стесненных условиях. СН 536-81
. Дополнение №1 к методическим
указаниям для выполнения
курсового проекта по курсу
"Технология строительного производства"
17. Дополнение к
нормативно-технической информации для выполнения проекта. Строительные машины,
оснастка, инструмент.
18. Схемы операционного контроля
качества строительно-монтажных работ. Часть 1.Москва, 1989
. Схемы операционного контроля
качества строительных, ремонтно-строительных и монтажных работ. Издание 3-е,
исправленное и дополненное. Снкт-Петербург, 2004
. Текстовые и графические
учебные документы по архитектурно-строительной тематике. Общие требования. СТП
УГТУ-УПИ 5-1-2003. Екатеринбург, 2003
. Технологическая карта на
устройство монолитных железобетонных ростверков. Извлечение. Екатеринбург,
2004.
. Технологическая карта на
земляные работы при строительстве наружных сетей водопровода и канализации.
Извлечение. Екатеринбург, 2004
. Технологическая схема
строительства дождевой канализации, железобетонных раструбных труб диам. 600 м.
24. СНиП 5.02.02-86. Нормы
потребности в строительном инструменте
25. РД-10-33-93. Стропы грузовые
общего назначения, требования к устройству и безопасной эксплуатации. М:
Госгортехнадзор России, 1993.