Организация земляных и бетонных работ
ВВЕДЕНИЕ
Цель курсового проекта - закрепление и
дальнейшее углубление знаний в области технологии и организации земляных и
бетонных работ и выработка практических навыков в технологическом
проектировании при разработке технологических карт.
Технологическая карта (ТК) является одним из
основных документов по технологии и организации производства работ , т.к.
способствует улучшению организации производства, повышению производительности
труда и его научной организации, снижению себестоимости, улучшению качества и
сокращению продолжительности строительства, безопасному выполнению работ,
организации ритмичной работы и рациональному использованию трудовых ресурсов.
бетонный смесь опалубка
1. ОБЩИЕ УКАЗАНИЯ ПО ПРОИЗВОДСТВУ РАБОТ НУЛЕВОГО
ЦИКЛА
В зависимости от варианта разрабатывается
технологическая карта на нулевой цикл возводимого здания или сооружения.
Технологические карты разрабатываются в соответствии с руководством по
разработке типовых технологических карт и СНиП 12-01-2004 «Организация
строительства». В технологических картах должны отражаться следующие вопросы:
− область применения технологической
карты;
− организация и технология строительного
процесса;
− калькуляция трудозатрат и заработной
платы;
− потребность в материалах, машинах и
механизмах, оснастке и приспособлениях и средства защиты рабочих;
− технико-экономические показатели (ТЭП);
− техника безопасности, охрана труда и
окружающей среды.
При решении вопросов, связанных с производством
земляных работ, необходимо обосновать выбор способов производства работ и
подбор машин для разработки грунта.
Комплексный процесс устройства монолитных
фундаментов включает: установку опалубки, укладку арматуры, транспортировку
бетонной смеси, ее прием, укладку, уплотнение, уход за твердеющим бетоном и
распалубливание.
Организация процесса устройства монолитных
фундаментов должна обеспечивать соблюдение основных принципов поточного
производства − непрерывность и равномерность. Для этого проектируемые
фундаменты разбиваются на захватки, объем работ на которых должен быть
приблизительно равным. Исходя из состава комплексного процесса работ нулевого
цикла рассмотрены его основные разделы.
1.1 Земляные работы
Выбор метода производства земляных работ, выбор
экскаватора, схема его движения и тип забоя зависят от геометрических размеров
здания в плане, от типа фундаментов, глубины их заложения, вида и состояния
грунтов и ряда факторов, присущих конкретному объекту.
Некоторые типовые рекомендации:
− разработку грунта под ленточные
фундаменты жилых зданий без подвала целесообразно выполнять траншейным способом
экскаваторами, оборудованными обратной лопатой, продольными проходками по
главным осям здания;
− разработку грунта под ленточные
фундаменты жилых зданий с подвалом выполнять сплошным котлованом экскаваторами
с обратной лопатой, продольными проходками. За пределами границ фундаментов в
котлован устраивается съезд с i = 15 % ;
− разработку грунта под фундаменты
промышленных зданий (двух-, трех-, четырехпролетных) выполнять экскаваторами с
обратной лопатой, продольными проходками. При шаге колонн 6 м −
траншейным способом с устройством съездов; при шаге 12 м и более
грунт разрабатывать под каждый фундамент
отдельными котлованами;
− разработку грунта под свайное поле
(фундаменты на сваях − ростверки) выполнять сплошным котлованом с
устройством съезда. Габариты котлована должны предусматривать: а) уширение его
от проектных размеров по каждой оси в зависимости от схемы забивки свай,
движения сваебойного агрегата, его типа; б) дополнительную площадку перед
съездом для стоянки копровой установки при забивке последнего ряда (куста) свай
по окончании работ.
Разработка грунта производится с устройством
откосов, крутизна которых в грунтах естественной влажности принимается по СНиП
12-04-02 «Безопасность труда в строительстве» часть 2. Строительное
производство (прил. 2). При определении размеров котлована или траншеи понизу
необходимо учитывать, что расстояние от подошвы откоса до края фундамента
должно обеспечивать передвижение рабочих при выполнении работ и должно быть не
менее 60 см (рис. 1).
Рис. 1. Определение размеров котлована, траншеи
При разработке грунта под свайное
основание дается дополнительное уширение котлована (от 0,7 до 1,0 м), если сваи
подаются с бровки в котлован трубоукладчиком. Разработка грунта экскаваторами,
оборудованными обратной лопатой, производится, как правило, продольными
проходками, торцевым или боковым забоем. Ширина проходки, при которой
достигается наиболее производительная работа экскаватора, определяется как
. Число
проходок определяется делением ширины котлована поверху на ширину проходки.
Корректировка предпочтительнее на уменьшение ширины проходок при
соответствующем увеличении их числа.
.2 Опалубочные работы
Изготовление опалубки должно, как
правило, производиться централизованно на специализированных заводах или цехах.
Наиболее распространенный тип опалубки универсального назначения −
разборно-переставная мелкощитовая − применяется для бетонирования самых
различных конструкций. Опалубка включает щиты, поддерживающие элементы
крепления и соединения. Масса отдельных элементов не превышает 50 кг. Щиты
каркасной конструкции могут быть выполнены или полностью из металла, или
комбинированными, с использованием в качестве палубы дерева, фанеры,
древесно-стружечных плит, пластика. Для бетонирования фундаментов под отдельно
стоящие колонны распространение получили различные виды блочной опалубки.
Установленная конструкция опалубки должна быть прочной, устойчивой, герметичной
и обеспечивать соблюдение следующих общих требований:
− высокого качества
поверхности бетона и минимальной адгезии;
− удобства ремонта и замены
элементов, вышедших из строя;
− необходимой прочности,
жесткости и устойчивости под воздействием нагрузок при бетонировании;
− необходимой точности
размеров монолитных конструкций;
− быстрого монтажа, демонтажа
и возможности перекладки в условиях строительной площадки.
.3 Арматурные работы
Достоинство монолитного железобетона
во многом определяет рациональное армирование. Количество арматуры и ее
расположение определяются прочностными и деформативными требованиями. В
качестве арматуры применяют сталь, а также материалы в виде волокон из
пластмасс, стекла, базальта. Конструкции армируют отдельными прямыми или
гнутыми стержнями, сетками или пространственными каркасами. Соединение
арматурных стержней на стройплощадке осуществляется с помощью дуговой
электросварки или скрутки вязальной проволокой. В состав арматурных работ
включаются: изготовление, укрупнительная сборка, установка на место бетонирования
арматурных каркасов. При этом изготовление арматурных конструкций плоских
каркасов производится в специализированных арматурных цехах или мастерских
строительных организаций.
.4 Приготовление и транспортирование
бетонной смеси
Приготовление бетонной смеси
производится чаще всего на централизованных, высокомеханизированных
стационарных заводах и установках. Реже используются мобильные бетонные заводы
и установки в тех случаях, когда строительство ведется вдали от крупных
населенных пунктов. Также при расположении объекта строительства на большом
расстоянии от завода применяют технологию сухих бетонных смесей. В этом случае
доставку и приготовление бетонной смеси осуществляют автобетоносмесителями.
Для транспортирования бетонной смеси
в зависимости от ее первоначальной подвижности, скорости схватывания
применяемого цемента, дальности перевозок, а также состояния дорог могут
применяться автобетоновозы и усовершенствованные автосамосвалы. В целях
предотвращения расслоения и сохранения технологических свойств перевозимой
бетонной смеси рекомендуется следующее:
− перевозки бетонной смеси
осуществлять по дорогам и подъездным путям с жестким покрытием, не имеющим
выбоин и других дефектов;
− транспортирование бетонной
смеси организовать так, чтобы максимально сократить количество перегрузочных
операций и по возможности осуществить разгрузку смеси непосредственно в
бетонируемую конструкцию или бетоноукладочное оборудование;
− ограничить высоту свободного
падения бетонной смеси при выгрузке ее из автотранспортных средств до 1, 5 м;
− перевозку бетонных смесей в
зимних условиях или в условиях сухого и жаркого климата осуществлять согласно
специальным организационно-техническим мероприятиям. При соблюдении
перечисленных требований бетонную смесь допускается перевозить на расстояние до
20 км.
1.5 Бетонные работы (подача,
укладка, уплотнение, уход, распалубливание)
Укладка бетонной смеси состоит из
следующих операций: подачи бетонной смеси к месту укладки, выгрузки,
распределения, разравнивания и уплотнения. Перед началом работ по укладке
бетонной смеси основание должно быть очищено от мусора, грязи, снега, льда, при
необходимости промыто, а вода, оставшаяся на поверхности, удалена. Арматура
очищается от отслаивающейся ржавчины. При укладке бетонной смеси непрерывно
наблюдают за состоянием опалубки, оснастки. При появлении деформаций или
смещении отдельных элементов опалубки следует немедленно их устранить и в
случае необходимости прекратить работы на этом участке.
Метод подачи бетонной смеси в
конструкции для конкретных условий определяется проектом производства работ
(ППР). В большинстве случаев бетонирование монолитных конструкций производят по
схеме «кран−бадья». Для бетонирования конструкций нулевого цикла
применяются как самоходные стреловые краны (автомобильные, пневмоколесные), так
и рельсовые («нулевики») башенные краны.
Широкое применение кранового способа
подачи бетонной смеси определяется тем, что данный способ применим для любых
объемов и конструкций монолитного строительства. Доставленная на строительный
объект бетонная смесь выгружается в бадьи и подается кранами в опалубку
бетонируемой конструкции. По устройству и принципу действия бадьи подразделяют
на поворотные и неповоротные. Наиболее распространены поворотные бадьи. Подача
бетонной смеси в поворотных бадьях на строительной площадке производится
следующим образом. В зоне действия крана укладывается настил из щитов, на
котором вплотную одна к другой устанавливаются поворотные бадьи.
Автотранспортное средство, выгружаясь, равномерно заполняет бадьи бетонной
смесью. Вместимость кузова автомобиля должна быть кратна вместимости бадей, а
ширина кузова кратна или равна ширине их загрузочного отверстия. Перед подъемом
краном бадьи с бетонной смесью проверяется исправность предохранительного
устройства, исключающего самооткрывание затвора бадьи. Высота выгрузки бетонной
смеси в конструкцию не должна превышать 1,5 м, при большей высоте выгрузки во
избежание расслоения бетонной смеси следует применять виброхоботы.
Уплотнение бетонной смеси при
бетонировании монолитных фундаментов осуществляется глубинными вибраторами.
Эффективность уплотнения бетонной смеси при внутреннем вибрировании
определяется радиусом действия глубинного вибратора в бетонной смеси и
параметрами вибрирования. Диаметр рабочего наконечника глубинного вибратора
выбирают в зависимости от степени армирования и размеров бетонируемой
конструкции по открытой поверхности. Уплотняя бетонную смесь, вибратор
погружают в уплотняемый слой вертикально или с наклоном к вертикали под углом
не более 35°. При этом конец вибронаконечника погружают в ранее уложенный слой
на глубину 5−10 см. Вибратор быстро опускается в уплотняемый слой
бетонной смеси, остается неподвижным в течение 20−40 с, а затем медленно
вытаскивается дня обеспечения заполнения бетонной смесью пространства,
освобождаемого вибратором. Толщина слоя, уплотняемого ручным глубинным
вибратором, не должна превышать 1,25 длины рабочей части вибратора. Шаг
перестановки вибратора не должен превышать полуторного радиуса его действия.
Радиус действия, а следовательно, и шаг перестановки глубинных вибраторов
зависят от характеристики вибратора ( прил. 7).
Уплотнение бетонной смеси можно
считать хорошим, если оседание бетонной смеси закончено, в местах примыкания
бетона к опалубке появилось цементное молоко, прекратилось выделение больших
пузырьков воздуха на поверхности. Уход за бетонной смесью заключается в
наблюдении и контроле за тепловлажностным режимом твердения (зимой −
прогрев, летом − мероприятия по укрытию, поливу и т.д.). Распалубливание
(снятие опалубки) осуществляется после набора бетоном не менее 70 % проектной
прочности.
2. СОСТАВ И СОДЕРЖАНИЕ КУРСОВОГО
ПРОЕКТА
В состав курсового проекта входит
проектирование земляных работ и работ по устройству фундаментов, т.е.
разработка технологической карты на производство работ нулевого цикла.
Курсовой проект состоит из
графической части − лист формата А1 и расчетно-пояснительной записки,
содержащей 20 − 25 листов формата А4.
Расчетно-пояснительная записка
состоит из следующих основных разделов:
− исходные данные (по
вариантам);
− выбор и обоснование
рациональных способов производства земляных работ;
− определение объемов работ;
− выбор вариантов комплексной
механизации производства бетонных работ;
− определение количества
транспортных средств для доставки бетонной смеси;
− выбор комплексной
механизации производства бетонных работ на основе технико-экономической оценки
вариантов комплексной механизации;
− разработка калькуляции
трудовых затрат и заработной платы;
− проектирование графика
производства работ нулевого цикла;
−описание организации и
технологии производства всех работ нулевого цикла;
− мероприятия по охране труда
и технике безопасности;
− технико-экономические
показатели;
− использованная литература.
Графическая часть курсового проекта −
это технологическая карта, которая должна содержать:
− схему организации
производства работ по устройству монолитных фундаментов (показать план
котлована с размерами понизу и поверху, план фундаментов, основные оси, пути
движения кранов с привязкой к осям здания, захватки, место раскладки
материалов, место приема бетона, направление работ);
− схему разработки грунта
экскаватором (показать план котлована, размеры с привязкой к осям, путь
движения экскаватора, ширину проходок, направление работ);
− схему работы крана на подаче
бетонной смеси (разрез);
− график производства работ;
− ведомость машин, механизмов,
приспособлений (с краткой технической характеристикой);
− ведомость основных
материалов;
− технико-экономические
показатели (ТЭП);
− основные указания по производству
работ (организация и технология) и технике безопасности (четкие, краткие).
Технологическая карта
разрабатывается в соответствии с требованиями СНиП 12-01-2004 «Организация
строительства»; СНиП 12-03-01 ; СНиП 12-04-02 «Безопасность труда в строительстве»
ч. 1, 2; ЕНиР сб. 2, 4.
3. ИСХОДНЫЕ ДАННЫЕ И ОПРЕДЕЛЕНИЕ
ОБЪЕМОВ РАБОТ
Исходные данные для всех вариантов:
грунт суглинок естественной
влажности ;
разработка грунта − экскаватор
обратная лопата (ЭО-4321 с объемом ковша 0,65 м3 ) с погрузкой в транспорт;
доставка бетонной смеси с заводов по
дорогам с твердым покрытием на расстояние до 20 км.
Для проектирования процесса
устройства фундаментов предварительно требуется определить по соответствующему
варианту исходные данные (прил. 1) и подсчитать объемы работ.
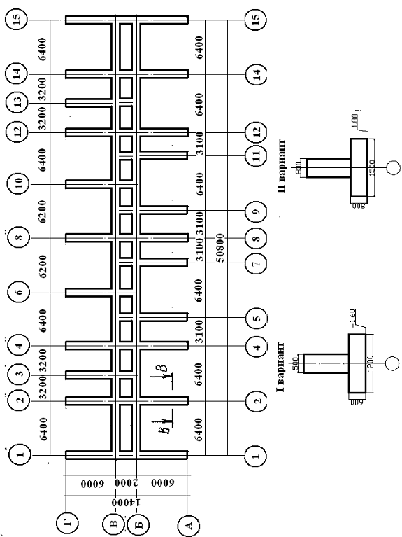
На рис. 3−8 приведены варианты
заданий по устройству монолитных фундаментов разных типов.
.1 Определение объемов земляных
работ
Определить рациональные границы
котлована или траншеи. В зависимости от вида грунта, глубины разработки
определить коэффициент откоса т (см. прил. 2) и найти заложение откоса по
формуле
, где h −
глубина разработки;
−
заложение откоса; т − коэффициент откоса.
Объем земляных работ по котловану (рис.
2) определяется по формуле
,
где Fср − площадь среднего
сечения, определяется по формуле
или 
;
− заложение откоса; ан −
ширина котлована понизу; ав − ширина котлована поверху; bн − длина
котлована понизу; bв − длина котлована поверху.
Рис. 2. Определение объемов земляных
работ
Пример. Грунт суглинок; h разработки
- 2,0 м; mоткоса - 0,5м
Ось проходит по центру фундамента,
размер подушки фундамента 1,6 м.
Определим ан -размер котлована
понизу (поперечное сечение).
Размер в осях - 12,0 м.
Минимальное расстояние от края
фундамента до подошвы откоса принимаем 0,6 м (для передвижения рабочих при
устройстве фундамента).
Определяем рациональные габариты
котлована. В поперечном сечении
ан = 12,0 + 2 ∙ 0,8+2 ∙
0,6 = 14,8 м ;
ав =ан+2l ,
где l = h∙m - заложение откоса
;
ав = 14,8+2 ∙ 1,0 = 16,8.
Аналогично определяется размер
котлована в продольном сечении bн и bв.
Полный объем разработки грунта −
это сумма объемов грунта по котловану и съезду в котлован, который устраивается
за пределами котлована:
.
Объем грунта при устройстве съезда
определяется по формуле
,
где L − длина съезда,
; h −
глубина разработки котлована; с − ширина съезда (принята 4,5 м); i −
уклон съезда, принят 15%.
После разработки грунта экскаватором
в котловане или траншее производится подчистка грунта до проектной отметки
бульдозером, а при разработке грунта отдельными котлованчиками подчистка
выполняется вручную. Объем подчистки определяется по формуле
,
где
− величина недобора грунта
экскаватором в сантиметрах, которая зависит от марки экскаватора (прил. 3).
.2 Определение объемов работ при
устройствемонолитных фундаментов
В первую очередь необходимо
определить объем бетонной смеси, необходимый для устройства фундаментов, исходя
из их вида и размера.
Пример. Ленточный фундамент.
Определяем объем бетона на одну
секцию по простейшей формуле
бетона = Lлент ∙ S,
где Lлент - длина ленточного
фундамента, м ; S - площадь сечения фундамента, м2(по варианту).
Для определения объема бетона (по варианту)
на две, три секции необходимо объем бетона на одну секцию умножить на
количество секций, но при этом учесть, что примыкание секций выполняется без
устройства деформационных швов, т.е. последняя ось первой секции - это первая
ось последующей. Значит, необходимо вычесть объем бетона в примыкании секций.
После определения объемов бетона
определяется потребность в опалубке для укладки бетонной смеси. Для установки
опалубки рекомендуется принимать щиты унифицированной инвентарной
сборно-переставной деревянной опалубки (прил. 5).
На плане и разрезе фундаментов
осуществляется раскладка щитов как с наружной, так и с внутренней стороны
фундамента, при этом щиты могут «выступать» как за обрезы фундаментов, так и за
габариты по высоте. Результаты расчетов заносят в табл. 1.
Таблица 1
Спецификация опалубки
|
№
п/п
|
Наименование
опалубки
|
размеры
|
Площадь
щита, м2
|
Количество
щитов,шт.
|
Общая
площадь опалубки, м2
|
|
|
длина
|
ширина
|
|
|
|
|
1
|
Щит
основной
|
2500
|
500
|
0,75
|
18
|
13,5
|
|
2
|
и
т.д.
|
|
|
|
|
|
|
|
|
|
|
|
|
|
Всего
|
|
При определении объемов арматурных работ
рекомендуется исходить из условного соотношения веса арматуры к объему бетона в
пределах 20-25 кг на 1м3 бетона. Армирование конструкций фундаментов
осуществляется сетками и плоскими каркасами, доставляемыми на строительную площадку
с производственных баз.
Стыковка сеток и каркасов осуществляется
электросваркой или скруткой вязальной проволокой внахлест не менее 250 мм.
Подсчитанный объем материала заносят в табл. 2.
Таблица 2
Основные материалы
|
№
п/п
|
Наименование
|
Ед.
изм.
|
Количество
|
|
1
|
Бетонная
смесь
|
м3
|
|
|
2
|
Опалубка
мелкощитовая, деревянная
|
м2
|
|
|
3
|
Арматура
|
т
|
|
4. ВЫБОР И ОБОСНОВАНИЕ МЕТОДОВ ПРОИЗВОДСТВА
БЕТОННЫХ РАБОТ
До начала устройства фундаментов должны быть выполнены
следующие работы:
определены места складирования арматурных сеток,
щитов опалубки;
определены места приема бетонной смеси;
произведена геодезическая разбивка осей и
разметка положения фундаментов.
Работы ведутся в следующей последовательности:
укладывают арматурные сетки подушек фундаментов
на фиксаторы, обеспечивающие защитный слой бетона по проекту, арматурные работы
должны выполняться в соответствии со СНиП 3.03.01-87 «Несущие и ограждающие
конструкции»;
принимают, укладывают и уплотняют бетонную смесь.
Весь комплекс работ по бетонированию ведется
поточным методом. Ведущей работой при устройстве монолитных фундаментов
является укладка бетонной смеси. Бетонирование производят только после проверки
правильности установки опалубки и арматуры. В состав работ по бетонированию
фундаментов входят прием и подача бетонной смеси, укладка и уплотнение, уход за
бетоном.
Бетонную смесь укладывают горизонтальными слоями
толщиной 0,3-0,5 м. Каждый слой бетона тщательно уплотняют глубинным
вибратором. При уплотнении бетона конец рабочей части вибратора должен
погружаться в ранее уложенный слой бетона на глубину
-10 м. Шаг перестановки вибратора не должен
превышать 1,5 радиуса его действия.
При укладке бетонной смеси в конструкцию
фундаментов могут быть рекомендованы две схемы механизации работ:
− доставка бетонной смеси самосвалами,
выгрузка ее в поворотные бадьи «туфельки», подача краном к месту укладки;
− доставка бетонной смеси
автобетоносмесителями, выгрузка в приемные бункеры бетононасоса или
бетоноукладчика и подача ее по трубопроводам к месту укладки.
Выбор схемы механизации обусловлен объемом
укладываемой бетонной смеси. Возможны и комбинации приведенных схем исходя из
конкретного задания. Для доставки бетонной смеси на строительную площадку
используются автосамосвалы, автобетоновозы и автобетоносмесители. Выбор вида
транспорта осуществляется исходя из дальности транспортирования, вида дорожного
покрытия и подвижности бетонной смеси. Технические характеристики транспортных
средств для доставки бетонных смесей приведены в прил. 8. В зависимости от
конструктивных особенностей возводимого объекта, от типа и расположения
фундаментов бетонную смесь, доставляемую на строительную площадку
автобетоновозами и автосамосвалами к месту укладки, подают бетононасосами либо краном
в бадьях.
В большинстве случаев бетонирование монолитных
фундаментов производится по схеме «кран-бадья». Для подачи бетонной смеси
применяются самоходные краны (автомобильные, пневмоколесные) и краны рельсовые
(«нулевики») башенные. Для выбора конкретного типа крана и определения его
параметров необходимо:
− рассчитать требуемый вылет стрелы крана
при подаче бетона в максимально удаленную точку, учитывая возможность
перемещения крана по периметру объекта, если подача осуществляется самоходным
краном (рис. 9), и при перемещении крана с одной стороны объекта, если подача
бетона осуществляется рельсовым краном (рис. 10);
− подобрать бадью по емкости
для работы с краном (разные типы кранов, а с ними и разные
) и
определить монтажную массу, т:
,
(принят 2,1 т/м3); γбет -
объемный вес бетона; qб− масса бадьи, т (прил.6). Наиболее применяемые
бадьи - унифицированные поворотные ЦНИИОМТП (прил.6).
Определяем монтажную массу каждой
бадьи в (т) и заносим в табл. 3.
Таблица 3
Определение монтажной массы
|
Емкость
бадьи, м3
|
Масса
бадьи, т
|
Масса
бетона в бадье,т
|
Qм
монтажная масса
|
|
1,0
|
0,45
|
2,1
|
2,55
|
|
1,5
|
0,62
|
3,15
|
3,77
|
|
2,0
|
0,88
|
4,2
|
5,08
|
По технологии производства работ на подаче
бетона могут применяться как рельсовые, так и самоходные краны. Наша задача
подобрать два возможных варианта комплектов машин на бетонировании фундаментов.
После экономического сравнения этих вариантов к производству работ принимается
вариант с минимальными удельно-приведенными затратами.
Определяем вылет стрелы Z при подаче бетона в
самую удаленную точку.
Вылет Zм-17,65 м.
Если вылет меньше 20 м, рекомендуется принимать
рельсовый кран «нулевик» МСК 3-5/20.
На mах вылете кран поднимает 3т.
Из табл.3 выбираем бадью объемом 1,0 м3,
монтажной массой 2,55 т
(Vб = 1,0 м3; Qм = 2,55 т).
При вылете более 20 м для подачи бетона
рекомендуется принять кран башенный со стрелой 25 м КБ-306 грузоподъемностью
5-8 т.
Выбираем бадью (табл. 3) с Qм до 5 т.(Vб = 1,5
м3; Qм =3,77 т).
Пример. Выбор самоходного крана.
Определяем максимальный вылет самоходного крана
(с учетом работы крана с двух сторон).
Определив вылет, необходимо выбрать бадью (бадьи
выбираем разные: если с рельсовым краном, принимаем Vб = 1,0 м3, с самоходным
принимаем Vб = 1,5 м3). Определив вылет Zм и приняв объем бадьи Vб с монтажной
массой Qм подбираем по справочным данным необходимый кран, который на вылете Zм
может поднять Qм (т).
Выбраны краны:
. Рельсовый (марка).
. Самоходный (марка).
При бетонировании фундаментов выбранные краны
работают в комплекте с автотранспортом, доставляющим бетонную смесь на
строительную площадку. Выбор автотранспорта по грузоподъемности для доставки
бетонной смеси на площадку зависит от емкости принятых бадей при расчете QM. На
площадке должно быть минимум две бадьи, которые устанавливаются вплотную на щит
(из металла). Вместимость кузова самосвала (бетоновоза) должна быть кратна
вместимости двух принятых бадей (м3)
Примеры:
1. Для работы с рельсовым краном
принята бадья V = 1,5 м3.Для заполнения двух бадей необходимо доставить 3,0 м3
бетонной смеси массой 6,3 т (при
= 2,1 т/м3). Отсюда
грузоподъемность самосвала должна быть не менее 6,3 т. Подбираем марку
автосамосвала необходимой грузоподъемности (прил. 9).
. Для работы с самоходным краном
принята бадья V = 1,0 м3, аналогично требуемая грузоподъемность самосвала
должна быть не менее 4,2 т. Выбираем марку самосвала необходимой
грузоподъемности (см. прил. 9).
Далее необходимо рассчитать
количество автотранспорта в смену для доставки бетонной смеси при соблюдении
заданного темпа бетонирования. Определяется количество самосвалов N по формуле
,
где
− общий объем бетона, м3;
−
объемный вес бетонной смеси (2,1 т/м3);
− расстояние доставки бетонной
смеси, км;
−количество
смен, в течение которых должно быть проведено бетонирование;
−полезная
работа, выполняемая одним самосвалом,т-км.
Нормативные сроки , в течение
которых должно быть проведено бетонирование заданного объема, определяется по
формуле
,
где Hвр - норма времени на
бетонирование 1м3 бетона, чел-ч (ЕНиР сборник 4); р - количество бетонщиков в
звене.
Полезная работа одного самосвала при
доставке бетонной смеси определяется по формуле
,
где q − грузоподъемность
автосамосвала;
−
коэффициент использования грузоподъемности; п − число рейсов самосвала в
смену,
,
где tс − время одной смены в
час;
−
время одного цикла работы самосвала,
,
где
− время погрузки одного
самосвала на бетонном заводе;
− время в пути,
или
где Vср − средняя скорости
самосвала (порожнего и с грузом);
− время на разгрузку и
маневры.
Данные для расчета приведены в прил.
10, 11. После окончательного выбора комплекта машин в табл. 4 заносят машины,
механизмы и приспособления с краткой технической характеристикой.
Таблица 4
Машины, механизмы, приспособления
|
№
п/п
|
Наименование
|
Марка
|
Кол-во
|
Краткая
техническая характеристика
|
|
1
|
Экскаватор
обратная лопата
|
ЭО-4321
|
1
|
Vковша=
0,65м3; Rк = 9,1м
|
|
2
|
и
т.д.
|
|
|
|
5. ТЕХНИКО-ЭКОНОМИЧЕСКОЕ СРАВНЕНИЕ ВАРИАНТОВ
МЕХАНИЗАЦИИ БЕТОННЫХ РАБОТ
По технологии выполнения работ на устройство
монолитных фундаментов могут быть выбраны 2−3 варианта комплекта машин.
Окончательный выбор комплекта машин для производства работ делается после их
технико-экономического сравнения. За критерий сравнения принимается величина
удельных приведенных затрат, которая определяется по каждому варианту по
формуле
,
где
− себестоимость производства
единицы работ, руб.;
−
нормативный коэффициент эффективности капитальных вложений,
= =0,15;
−
величина удельных капитальных вложений на единицу объема работ, руб.
Минимальная величина удельных
приведенных затрат показывает на экономически более выгодный вариант комплекта
машин, который и принимается к производству работ. Определяем себестоимость
единицы продукции по формуле
,
где
− себестоимость всего
механизированного процесса, руб., V − объем работ;
,
где С − производственная
себестоимость машиносмены каждой машины (прил. 12 и 13);
−
трудоемкость в маш.-см. (продолжительность работы каждой машины на площадке),
−
время работы ведущей машины, определяется по формуле
;
,
где расчет продолжительности работы
крана на бетонировании принят по расчету продолжительности укладки бетона
рабочими при условии, что их работа обеспечивается краном;
−
норма времени (ЕНиР сборник 4); 8,0 − количество часов в смене; р -
количество бетонщиков в звене.
Трудоемкость вспомогательных машин −
самосвалов, бетоновозов и т.д. − определяется
,
где
− количество транспортных
средств.
Определяем величину удельных
капитальных вложений, т.е. капитальные затраты на единицу объема работ:
,
где
− инвентарно-расчетная
стоимость машины, руб.;
−
нормативное количество смен работы в году;
и
− см. прил. 12, 13.
Определяем величину удельных
приведенных затрат по каждому варианту. Вариант комплекта машин с минимальной
величиной удельных приведенных затрат принимается к производству работ.
6. ОПРЕДЕЛЕНИЕ ТРУДОВЫХ ЗАТРАТ И
ЗАРАБОТНОЙ ПЛАТЫ
В расчетно-пояснительной записке
курсового проекта необходимо рассчитать калькуляцию трудовых затрат и
заработной платы на заданный комплекс строительно-монтажных работ (основанием
являются сборники ЕНиР). Расчет ведется в табличной форме (табл. 5).
Таблица 5
Калькуляция трудовых затрат
заработной платы на выполнение
работ
нулевого цикла (основные строительные работы)
|
Обоснование
|
Наимен.
работ
|
Объем
работ
|
Норма
времени
|
Трудо-
затраты
|
Расценка,
руб.
|
Сумма
за объем
|
Машины,
механизмы
|
Состав
звена
|
|
|
ед.изм.
|
кол-во
|
чел.-
ч
|
маш.-ч
|
чел.-дн.
|
маш.-см.
|
|
|
марка
|
кол-во
|
|
|
1
|
2
|
3
|
4
|
5
|
6
|
7
|
8
|
9
|
10
|
11
|
12
|
13
|
|
Е2-1-11
|
1.
Разработка грунта экскаватором обратная лопата с погрузкой в транспорт
|
100
м3
|
24,00
|
2,6
|
2,6
|
7,8
|
7,8
|
2-76
|
66,24
|
ЭО-4321
|
1
|
Машинист
бр-1
|
|
2.
Подчистка грунта до проектной отметки бульдозером
|
|
|
|
|
|
|
|
|
|
|
|
|
ИТОГО
по земляным работам
|
…
|
…
|
|
…
|
|
|
|
|
3.
Установка мелкощитовой деревянной опалубки вручную и т.д.
|
|
|
|
|
|
|
|
|
|
|
|
|
4.
и т.д.
|
|
|
|
|
|
|
|
|
|
|
|
|
5.
и т.д.
|
|
|
|
|
…
|
…
|
|
…
|
|
|
|
|
ИТОГО
по устройству фундаментов
|
|
|
|
|
|
|
|
|
|
|
|
|
|
|
|
|
|
|
|
|
|
|
Примечание. Графы 1,3,5,6,9,13 заполняются из
сборника ЕНиР.
Наименование работ заполняется обязательно в
технологической последовательности их выполнения. Объемы работ заносятся в
калькуляцию в единицах измерения, приведенных в ЕНиР.
В графу 4 заносятся объемы, подсчитанные по
варианту, но обязательно переведенные в единицы измерения по ЕНиР. Трудоемкость
рассчитывается по формуле
.
;
.
Сумма за объем равняется (
): расценка
за ед. измерения, умноженная на объем.
В итоге подсчитывается трудоемкость −
суммарные затраты на выполненные работы в чел.-дн. и маш.-см и заработная плата
за выполненный объем в рублях. Итоги даются отдельно по земляным работам и
устройству монолитных фундаментов.
7. ПРОЕКТИРОВАНИЕ ГРАФИКА
ПРОИЗВОДСТВА РАБОТ
За основу графика производства работ
принимается рассчитанная калькуляция. График производства работ составляется по
следующей форме (табл. 6).
Таблица 6
График производства работ нулевого
цикла
|
Наименование
работ (из калькулции)
|
Объем
работ
|
Трудо-
емкость
|
Машины,
механизмы
|
Состав
звена
|
Смен-ность
|
Продолж.
работ, дн.
|
Дни
|
|
ед.
изм.
|
кол-во
|
чел.-дн.
|
маш.-см
|
кол-во
|
|
|
|
1
|
2
|
3
|
4
|
|
|
|
n
|
|
1
|
2
|
3
|
4
|
5
|
6
|
7
|
8
|
9
|
10
|
11
|
График проектируется с учетом поточного метода
выполнения работ по устройству монолитных фундаментов, фундаменты делятся на
захватки.
Ленточный фундамент. Типовая секция делится на 2
захватки. Захватка 1/2 типовой секции.
Ростверки. Захватка - одна типовая секция.
Столбчатые фундаменты. Захваткой является одна
главная ось здания.
Работы по устройству опалубки и арматуры
выполняются вручную. Работы ведутся на захватке параллельно.
Бетонирование производится по схеме «кран−бадья»
со сдвигом по времени от работ по установке опалубки и арматуры на одну
захватку.
При поточном методе продолжительность работ в
днях в первую очередь определяется по основной работе, т.е. по бетонированию
фундаментов Тдн.
Работы по опалубке и арматуре должны выполнятся
с такой же продолжительностью, при необходимости увеличивая количество звеньев.
Пример графика производства работ в прил. 14.
Определение продолжительности работ в днях:
− при ведущей роли
строительной машины
,
где
− трудоемкость или количество
машиносмен на выполнение заданного объема конкретного вида работ; К −
количество машин; n − сменность (число смен в рабочем дне);
− при ведущей роли
строительных рабочих
,
где
− затраты труда на выполнение
заданного объема конкретного вида работ, чел.-дн.; Р − число рабочих в
смену; сменность (число смен в рабочем дне); п − число смен в рабочем дне
(сменность).
8. ОСНОВНЫЕ УКАЗАНИЯ ПО ПРОИЗВОДСТВУ
РАБОТ И БЕЗОПАСНОСТИ ТРУДА
Грунт разрабатывается экскаватором
обратная лопата с погрузкой в транспорт продольными проходками с устройством в
котлован съезда. (прил. 15).
Подчистка грунта до проектной
отметки производится бульдозером.
Устройство монолитных фундаментов
ведется поточным методом с разбивкой фундаментов на 3 захватки (захватка -
типовая секция).
Опалубочные и арматурные работы
выполняются параллельно.
Опалубка мелкощитовая деревянная,
устанавливается вручную при строгом соблюдении требований СНиПа. Опалубка
должна быть точной, прочной, герметичной.
Арматурные сетки укладываются
вручную на фиксаторы, соединение - вязальной проволокой.
Подача бетона в конструкцию опалубки
по схеме «кран - бадья».
Уплотнение бетона глубинным
вибратором, с шагом перестановки 1,5R (см).
Уплотнение считать достаточным, если
крупный заполнитель осел;
прекратилось выделение пузырьков
воздуха;
на стыках бетона с опалубкой
появилось цементное молоко.
Распалубку производить после набора
бетоном 70% проектной прочности.
При производстве работ необходимо
строго соблюдать требования СНиП «Безопасность труда в строительстве»:
При работе экскаватора в радиусе его
действия плюс 5м со стороны забоя - опасная зона.
Погрузку грунта производить только
со стороны заднего или бокового борта самосвала.
Для спуска рабочих в котлован
применять лестницы (тралы).
При работе крана башенного (КБ)
обозначить опасную зону (lстрелы + 5 м), пути КБ должны иметь сигнальное
ограждение.
При работе самоходного крана
запрещается изменение вылета стрелы и передвижение крана с грузом.
При подаче бетона в бадьях каждый
раз проверять затор бадьи.
При работе с вибратором соблюдать
требования электробезопасности.
9. ТЕХНИКО-ЭКОНОМИЧЕСКИЕ ПОКАЗАТЕЛИ
(ТЭП)
Итоговыми данными, характеризующими
эффективность разработанного проекта, являются технико-экономические
показатели, которые выполняются в виде табл. 7 и выносятся на графическую часть
проекта.
Таблица 7
Технико-экономические показатели
|
Показатели
|
Ед.
изм.
|
Земляные
работы
|
Бетонные
работы
|
|
Объем
работ (основные виды)
|
м3
|
Полный
объем разработки грунта
|
Объем
фундаментов
|
|
Общая
трудоемкость
|
чел.-дн.
|
∑
Из калькуляции
|
∑
Из калькуляции
|
|
маш.-см.
|
∑
Из калькуляции
|
∑
Из калькуляции
|
|
Выработка
1раб. в 1 смену (1 чел.-день)
|
м3
|
Объем
∑чел.-дн.
|
Объем
∑чел.-дн.
|
|
Заработная
плата 1 раб. в 1 смену (1чел.-день)
|
руб.
|
∑з/пл.по
калькул. ∑чел.-дн.
|
∑з/пл.по
калькул. ∑чел.-дн.
|
|
Продолжительность
работ (по графику)
|
дн.
|
Из
графика производства работ
|
БИБЛИОГРАФИЧЕСКИЙ СПИСОК
.
Технология строительного производства / под ред. СО. Литвинова, Ю.Н. Белякова.
- Киев: Высшая школа, 1985.
.
Основы проектирования производства строительных работ/ К.С. Марионков. - М.:
Стройиздат, 1980.
.
Бетонные и железобетонные работы: справочник строителя / под ред. В.Д. Топчия.
- М.: Стройиздат, 1987.
.
Строительные машины и оборудование: справочник/ С.С. Добронравов.- М.: Высшая
школа, 1993.
.
Методы обоснования эффективности применения машин в строительстве/ С.Е.
Конторер. - М.: Стройиздат, 1969.
.
СНиП 12-01-2004. Организация строительства.
.
СНиП 12-03-01, СНиП 12-04-02 «Безопасность труда в строительстве» часть 1,
часть 2.
.
ЕНиР. Сборник Е 2. Вып. 1. Механизированные и ручные земляные работы. - М.:
Стройиздат, 1985.
.
ЕНиР. Сборник Е 4. Вып. 1. Монтаж и устройство монолитных железобетонных
конструкций. - M.: Стройиздат, 1987.
.
Производство земляных работ: методические указания / сост.: Е.М. Кардаев, Т.Н.
Кардаева. - Омск: Изд-во СибАДИ, 2000.
.
Монтажные краны, строповочные приспособления: справочно-методическое пособие к
разработке технологических карт и ППР для студентов специальностей
2903,2905,0608 / сост. Е.М. Кардаев. - Омск: Изд-во СибАДИ, 2000. - 48 с.
.
Технология строительного производства. Курсовое и дипломное проектирование /
С.К.Хамзин, А.К. Карачев. - М.: Высшая школа, 1989.
ПРИЛОЖЕНИЕ 1
Исходные данные по вариантам
|
№
вари- анта
|
Тип
фун- дамента
|
План
типовой секции
|
Размеры
фундамента
|
Тип
примыкания секций
|
Дальность
доставки бетон. смеси
|
Примечания
|
|
1
|
Ростверк
|
Рис.
3
|
1-й
вариант
|
Рис.
4,а
|
5
|
|
|
2
|
−"−
|
−"−
|
2-й
вариант
|
−"−
|
6
|
|
|
3
|
−"−
|
−"−
|
1-й
вариант
|
−"−
|
7
|
|
|
4
|
−"−
|
−"−
|
2-й
вариант
|
Рис.
4,б
|
8
|
|
|
5
|
−"−
|
−"−
|
1-й
вариант
|
−"−
|
9
|
|
|
6
|
−"−
|
−"−
|
2-й
вариант
|
−"−
|
10
|
|
|
7
|
−"−
|
−"−
|
1-й
вариант
|
Рис.
4,в
|
12
|
|
|
8
|
−"−
|
−"−
|
2-й
вариант
|
−"−
|
14
|
|
|
9
|
Ленточный
|
Рис.
6
|
1-й
вариант
|
Рис.
5,а
|
16
|
|
|
10
|
−"−
|
−"−
|
2-й
вариант
|
−"−
|
18
|
|
|
11
|
−"−
|
−"−
|
1-й
вариант
|
Рис.
5,б
|
20
|
|
|
12
|
−"−
|
−"−
|
2-й
вариант
|
−"−
|
20
|
|
|
13
|
−"−
|
−"−
|
1-й
вариант
|
Рис.
5,в
|
20
|
|
|
14
|
−"−
|
−"−
|
2-й
вариант
|
−"−
|
16
|
|
|
15
|
−"−
|
−"−
|
1-й
вариант
|
Рис.
5,г
|
18
|
|
|
16
|
−"−
|
−"−
|
2-й
вариант
|
−"−
|
5
|
|
|
17
|
Столбчатый
|
Рис.
7
|
1-й
вариант
|
Рис.
8,а
|
6
|
|
|
18
|
−"−
|
−"−
|
3-й
вариант
|
Рис.
8,б
|
7
|
|
|
19
|
−"−
|
−"−
|
2-й
вариант
|
Рис.
8,в
|
8
|
|
|
20
|
−"−
|
−"−
|
1-й
вариант
|
Рис.
8,а
|
9
|
|
|
21
|
−"−
|
−"−
|
3-й
вариант
|
Рис.
8,б
|
10
|
|
|
22
|
−"−
|
−"−
|
2-й
вариант
|
Рис.
8,в
|
12
|
|
|
23
|
−"−
|
−"−
|
1-й
вариант
|
Рис.
8,а
|
14
|
|
|
24
|
−"−
|
−"−
|
2-й
вариант
|
Рис.
8,в
|
16
|
|
|
25
|
−"−
|
−"−
|
3-й
вариант
|
Рис.
8,б
|
18
|
|
ПРИЛОЖЕНИЕ 2
Наибольшая допустимая крутизна откосов в грунтах
естественной влажности
|
Виды грунтов
|
Глубина
выемки, м
|
|
до
1,5
|
до
3
|
до
5
|
|
угол
естеств. откоса, град
|
отношен.
Высоты откоса к его зало-жению
|
угол
естеств. откоса, град
|
отношен.
высоты откоса к его зало- жению
|
угол
естеств. откоса, град
|
отношен.
высоты откоса к его зало- жению
|
|
Песчаные
и гравелистые (влажные)
|
63
|
1:0,5
|
45
|
1:1
|
45
|
1:1
|
|
Глинистые
(супесь)
|
76
|
1:0,25
|
56
|
1:0,67
|
50
|
1:0,85
|
|
Суглинок
|
90
|
1:0
|
63
|
1:0,5
|
53
|
1:0,75
|
|
Глина
|
90
|
1:0
|
76
|
1:0,25
|
63
|
1:0,5
|
|
Лессовые
сухие
|
90
|
1:0
|
63
|
1:0,5
|
63
|
1:0,5
|
ПРИЛОЖЕНИЕ 3
Размер недобора грунта при разработке
экскаваторами
|
Наименование
машин
|
Емкость
ковша, м
|
Глубина
недобора грунта
|
|
Экскаватор,
оборудованный прямой лопатой
|
0,15
0,35 0,5−1
|
0,1
0,15 0,2
|
|
Экскаватор,
оборудованный обратной лопатой
|
2
и более 0,05−0,35 0,35−0,5 0,5−0,65
|
0,3
0,15 0,2 0,25
|
|
Экскаватор,
оборудованный драглайном
|
0,25−0,5
0,5−0 1,0−2,0
|
0,2
0,25 0,3
|
ПРИЛОЖЕНИЕ 4
Показатели разрыхления грунта
|
Виды
грунтов
|
Первоначальное
увеличение объема грунта после разрыхления
|
Остаточное
разрыхление грунтов
|
|
Глина
ломовая
|
28−32
|
6−9
|
|
Глина
мягкая, жирная
|
24−30
|
4−7
|
|
Растительный
грунт
|
20−25
|
3−4
|
|
Лесс
мягкий
|
18−24
|
6−6
|
|
Лесс
отвердевший
|
24−30
|
4−7
|
|
Песок
|
10−15
|
2−5
|
|
Скальные
грунты
|
45−50
|
20−30
|
|
Суглинок
легкий и лессовидный
|
18−24
|
3−6
|
|
То
же тяжелый
|
24−30
|
5−8
|
|
Супесь
|
12−17
|
|
Чернозем
|
22−28
|
5−7
|
|
Шлак
|
14−18
|
8−10
|
ПРИЛОЖЕНИЕ 5
Элементы инвентарной унифицированной
разборно-перестановочной мелкощитовой опалубки ЦНИИОМТП
|
Элемент
|
Размеры,
мм
|
Масса,
кг
|
|
длина
|
ширина
(сечение)
|
|
|
Щит
основной
|
800;
900; 1000; 1200;1500; 1800
|
500;
600
|
20,1−40,5
|
|
Щит
доборный
|
900;
1200; 1500; 1800
|
300;
400
|
10,7−14,35
|
|
Щит
угловой
|
600;
1800
|
300х300
|
12,2−35,2
|
|
Вставка
|
900;
1200; 1500; 1800
|
100
|
−
|
|
Схватка
|
2000;
2500; 3000; 3500
|
−
|
28,1−49,1
|
ПРИЛОЖЕНИЕ 6
Характеристика бадей
|
Бадьи
различных типов
|
Унифицированные
поворотные бадьи ЦНИИОМТП
|
|
Емкость
ковша, м3
|
Масса,
т
|
Емкость
ковша, м3
|
Масса,
т
|
|
0,45
|
0,15
|
0,5
|
0,315
|
|
0,6
|
0,3
|
1,0
|
0,45
|
|
0,8
|
0,38
|
1,5
|
0,62
|
|
1,0
|
0,4
|
−
|
−
|
|
1,2
|
0,55
|
2,0
|
0,88
|
|
1,6
|
0,77
|
−
|
−
|
|
3,0
|
1,0
|
−
|
−
|
ПРИЛОЖЕНИЕ 7
Технические характеристики вибраторов
|
Тип
вибратора
|
Диаметр
корпуса, мм
|
Радиус
действия, см
|
Длина
рабочей части, мм
|
Область
применения
|
|
ИВ-47
Б
|
71,5
|
35
|
440
|
Слабоармированные
конструкции
|
|
ИВ-113
|
38
|
25
|
360
|
Густоармированные
конструкции
|
|
ИВ-112
|
51
|
28
|
410
|
Среднеармированные
конструкции
|
ПРИЛОЖЕНИЕ 8
Характеристика транспортных средств для доставки
бетонных смесей
|
Подвижность
бетонной смеси, см
|
Вид
дорожного покрытия
|
Скорость
транспорировки, км/ч
|
Автобетоносмеси-
тели
|
Автобето-
новоз
|
Самосвал
|
|
|
|
Режим
транспортирования
|
|
|
|
А
|
Б
|
В
|
Готовая
смесь без побуждения в пути
|
|
|
|
Дальность
транспортировки, км
|
|
1-3
4-6 7-9 10-14
|
Жесткое:
асфальт, асфальтобетон и т.д.
|
30
|
неограничен
|
До
120 100 80 60
|
До
100 80 60 45
|
До
45 30 20 15
|
30
20 15 10
|
|
1-3
4-6 7-9 10-14
|
Мягкое:
грунтовое улучшенное
|
15
|
60
45 35 15
|
40
30 20 10
|
30
20 15 10
|
12
8 4,5 4
|
7,5
5 3,7 2,5
|
Примечание. А - включение барабана в пути или на
объекте за 10-20 мин до разгрузки;
Б - включение барабана непосредственно после
наполнения сухим материалом;
В - периодическое включение барабана во время
транспортировки смеси.
ПРИЛОЖЕНИЕ 9
Краткая техническая характеристика
автосамосвалов
|
Марка
автосамосвала
|
Грузоподъемность,
т
|
Емкость
кузова, м3
|
|
ГАЗ-5204
|
2,25
|
2,0
|
|
ЗИЛ-ММЗ-555
|
5,2
|
3,0
|
|
ЗИЛ
4502
|
5,8
|
3,8
|
|
МАЗ
5549
|
8,0
|
5,1
|
|
КамАЗ
256 Б
|
10,0
|
6,2
|
|
КрАЗ
256 Б
|
12,0
|
6,0
|
|
«Татра
1485»
|
15,0
|
9,0
|
|
«Магирус
290 D»
|
16,6
|
10,0
|
ПРИЛОЖЕНИЕ 10
Скорость пробега самосвалов, км/ч
|
Пробег
|
Тип
дорожного покрытия
|
Автосамосвал
|
Автобетоновоз
|
Авто-
бетоносмеситель
|
|
Груженый
|
Жесткое
Мягкое
|
30
15
|
30
15
|
25
15
|
|
Порожний
|
Жесткое
Мягкое
|
40
20
|
40
20
|
35
18
|
ПРИЛОЖЕНИЕ 11
Пооперационные затраты времени, ч
|
Параметры
перевозки
|
Автосамосвал
|
Автобетоновоз
|
Авто-
бетоносмеситель
|
|
Время
погрузки
|
0,1
|
0,1
|
0,2
|
|
Время
разгрузки
|
0,05
|
0,025
|
0,25
|
|
Время
маневрирования
|
0,05
|
0,05
|
0,1
|
|
Время
перемешивания
|
−
|
−
|
0,25
|
|
Коэф-т
использования грузоподъемности
|
−
|
0,96
|
1
|
ПРИЛОЖЕНИЕ 12
Расчетная стоимость и себестоимость машино-смены
кранов:башенных, автомобильных, пневмоколесных и гусеничных
|
Марка крана
|
Грузо-
подъем- ность, т
|
Инвентарно-расчетная
Стоимость машины ,
руб.Средняя себестоимость маш.-см. С, руб.Нормативное число смен работы машин
в году , см
|
|
|
|
Краны
башенные: МКС-3-5/20 КБ-100.2 КБ-160.2 КБ-306
|
3-5
5 5,5-8 5-8
|
19050
21110 41480 25150
|
22,6
245,1 33,4 25,7
|
344
344 344 344
|
|
Автомобильные
краны: КС 3571 (МКА-10 М) МК-16 К-162
|
10
16 16
|
20940
30350 23215
|
34,4
43,1 40,0
|
315
315 315
|
|
Краны
на пневмоколесном ходу: К-106 КС 4361А (К-161) К-255 КС 5363 (МПК-25)
|
10
16 25 25
|
13739
21495 32360 35984
|
26,4
33,4 44,1 45,3
|
384
384 384 384
|
|
Краны
на гусеничном ходу: Э-652 А МКГ-16 СКГ-25
|
10
16 25
|
12669
22780 25402
|
23,4
27,3 31,2
|
384
384 384
|
ПРИЛОЖЕНИЕ 13
Расчетная стоимость и себестоимость машино-смены
автосамосвалов
|
Марка
автосамосвала
|
Грузоподъ-
емность, т
|
Инвентарно-расчетная
стоимость маш.-см., руб.
|
Средняя
стоимость маш.-см., руб.
|
Нормативное
число смен работы машин в году , см
|
|
ГАЗ-5204
|
2,25
|
1580
|
13,2
|
335
|
|
ЗИЛ-ММЗ-555
|
5,2
|
3610
|
20,1
|
335
|
|
ЗИЛ-4502
|
5,8
|
4900
|
22,6
|
335
|
|
МАЗ-5549(МАЗ-503)
|
8,0
|
6420
|
26,8
|
335
|
|
КамАЗ-5511
|
10,0
|
9170
|
35,4
|
335
|
|
КрАЗ-256
Б
|
12,0
|
9009
|
35,5
|
335
|
|
«Татра
1485»
|
15,0
|
21840
|
59,6
|
415
|
|
«Магирус
290 D»
|
16,6
|
26145
|
65,7
|
415
|
ПРИЛОЖЕНИЕ 14
График производства работ нулевого цикла
|
Наименование
работ (Из калькуляции)
|
Объем
работ
|
Трудо-
емкость
|
Машины,
механизмы
|
Состав
звена
|
Сменность
|
Продолжит.
работ, дн.
|
Дни
|
|
ед.
изм.
|
кол-во
|
чел.-дн.
|
маш.-см.
|
марка
|
кол-во
|
|
|
|
1
|
2
|
3
|
4
|
5
|
6
|
7
|
8
|
9
|
10
|
11
|
12
|
13
|
14
|
15
|
|
1
|
2
|
3
|
4
|
5
|
6
|
7
|
8
|
9
|
10
|
11
|
|
1.Разработка
грунта экскаватором обратная лопата с погрузкой в транспорт
|
|
Из
калькуляции
|
5,8
|
5,8
|
ЭО-4321
|
1
|
Маш.
вр-1
|
2
|
3
|
|
|
2.
Подчистка грунта до проектной отметки (производить бульдозером)
|
|
|
0,06
|
0,06
|
ДЗ-8
|
1
|
Маш.
вр-1
|
2
|
1
|
|
|
3.
Установка мелкощитовой деревянной опалубки вручную
|
|
|
72
|
-
|
|
|
Плотник
4р-1 2р-1/ 12 чел.
|
1
|
6
|
|
|
4.
Укладка арматуры на фиксаторы вручную
|
|
|
18
|
-
|
|
|
Плотник
4р-1 2р-1/ 3чел.
|
1
|
6
|
|
|
5.Бетонирование
по схеме «кран - бадья»
|
|
|
24
|
12
|
КБ-306
|
|
Бетонщик
4р-1 2р-1/ 2чел.
|
2
|
6
|
|
|
6.Выдерживание
бетона
|
|
|
-
|
|
|
|
|
1
|
|
|
7.
Распалубка
|
|
|
15
|
-
|
|
|
Плотник
3р-1 2р-1/ 5чел.
|
|
3
|
|
Технологическая карта на нулевой цикл (схемы,
график, указания)
ПРИЛОЖЕНИЕ 15