|
εск,
в0,25
|
|
|
δ%
|
30
|
|
tр, с
|
0,35
|
Содержание
Задание
1. Введение
2. Найти передаточную функцию разомкнутой и замкнутой систем,
передаточную функцию замкнутой системы по ошибке и по возмущению
3. Оценить точность отработки заданных входных и возмущающих
воздействий
4. По критерию Гурвица определить устойчивость системы и найти Ккрит.
5. Исходя из заданной точности в установившемся режиме, найти кж
разомкнутой системы и оценить точность отработки возмущений с новым
коэффициентом
6. Синтезировать желаемую ЛАЧХ Lж. теор., гарантирующую заданные
динамические характеристики системы tр. и δ%
7. Промоделировать желаемую ЛАЧХ на пакете, при необходимом
изменении параметров ЛАЧХ получить требуемые характеристики
и
%, построить
полученную
8. По
, исходной ЛАЧХ при
построить ЛАЧХ
корректирующего устройства, разбить ее на ЛАЧХ возможных типовых КУ, выбрать
наилучший вариант
9. Осуществить расчет выбранных КУ, используя эквивалентные
варианты (последовательные, параллельные, с обратной связью)
10. Выбрать регулятор (астатизм), обеспечивающий отработку без
ошибки возмущающих воздействий. Оценить точность отработки входных воздействий
при выбранном регуляторе
11. Произвести синтез желаемой ЛАЧХ с выбранным регулятором
гарантирующей
и
% уточнить вид
регулятора (И, ПИ, ПИД), его коэффициент передачи, постоянную времени и, если
это необходимо, дополнительные КУ
12. Промоделировать желаемую ЛАЧХ, получить требуемый переходной
процесс, провести уточнение параметров регулятора и КУ
13. Заключение
Литература
1. Введение
ТАУ является изучением общих принципов построения САУ (систем
автоматического управления), происходящих в них процессов, методов исследования
этих процессов и методов синтеза САУ с заданными показателями качества.
Согласно этому определению, можно выделить следующие задачи,
которые будут решаться при выполнении курсовой работы:
. задача идентификации объекта, то есть определение
математической модели, описывающей его свойства.
. задача анализа системы, которая делится на две подзадачи:
.1 задача исследования устойчивости системы. Объекты
управления и системы в целом могут быть устойчивыми, неустойчивыми и
нейтральными. Кроме того, объект может быть устойчив при одном режиме работы и
неустойчив при другом. В курсовой работе исследование устойчивости производится
с помощью критерия Гурвица.
.2 задача анализа качества системы, которая также делится на
две подзадачи:
а) анализ точности в установившемся режиме (для того, чтобы
система была работоспособной, необходимо выполнить определенные требования к
точности воспроизведения входных сигналов и к величинам ошибок, вызванных
возмущениями).
б) анализ качества переходных процессов. Эта задача важна при
исследовании вида переходного процесса, так как в реальных системах на
параметры переходного процесса (величина перерегулирования и время
регулирования) накладываются ограничения.
. задача синтеза. Под синтезом (синтез базируется на
результатах анализа системы) понимается разработка управляющего устройства,
которое обеспечивает заданные при проектировании требования.
2. Найти
передаточную функцию разомкнутой и замкнутой систем, передаточную функцию
замкнутой системы по ошибке и по возмущению
Найдем передаточную функцию разомкнутой системы, которая
равна произведению всех передаточных функций, стоящих в прямой цепи:
Подставив по заданию значения, получим:
, (T1=0,02c,T2=0,08c).
Передаточную функцию замкнутой системы Ф (р) с единичной
отрицательной обратной связью можно найти по формуле:
.
Передаточная функция замкнутой системы по ошибке определяется, как
отношение сигнала рассогласования к входному сигналу:
Передаточная функция замкнутой системы по возмущению:
.
3. Оценить
точность отработки заданных входных и возмущающих воздействий
По заданию на входе системы подан линейно изменяющийся сигнал
, где
, а=30,
.
Передаточную функцию разомкнутой системы
можно представить в виде
, где
.
;
Ошибка по ускорению будет равна:
.
Передаточная функция объекта Wоб равна:
Передаточная функция регулятора Wрег:
Передаточная функция замкнутой системы по возмущению ФF (р) равна:
Так как F (t) =f·t, то ошибка
при отработке возмущающих воздействий будет равна:

Знаменатель передаточной функции замкнутой системы равен:
Так как необходимый признак устойчивости не выполняется, то
система абсолютно неустойчива.
5. Исходя из
заданной точности в установившемся режиме, найти кж разомкнутой
системы и оценить точность отработки возмущений с новым коэффициентом
Из требований к системе известно, что
,
,
;
Оценим точность отработки возмущающего воздействия при
, используя формулу:
Используя логарифмический критерий определить устойчивость системы
с k=kж. Отложим на частоте 0 =
1 (с-1) ординату, равную
. Проведем через эту точку прямую с наклоном - 40 (дБ/дек) (так
как порядок астатизма системы равен 2).
Через точку с абсциссой
проведем прямую с наклоном - 60 (дБ/дек). В результате построений
получили ЛАЧХ.
.
6.
Синтезировать желаемую ЛАЧХ Lж. теор., гарантирующую заданные динамические
характеристики системы tр. и δ%
По заданным данным (%=30 и tр=0,35 (с)) находятся
желаемая частота среза сж и ширина полосы пропускания L1L2
по таблице:
Из требований к системе известно, что
, следовательно
. Так как
, то
,
(дб).
Через точку
проведем прямую с наклоном - 20 (дб/дек),
отложив пунктиром
(Дб). Эта прямая пересекает отложенную
на частотах 10 (с-1) и 100 (с-1).
Построим высокочастотный участок характеристики. На частоте 100 (с-1)"ломаем"
характеристику на - 20 (дБ/дек) (наклон характеристики - 40 (дБ/дек) и на
частоте 200 (с-1) еще раз "ломаем" характеристику на - 20
(дБ/дек) (наклон характеристики - 60 (дБ/дек)). Теперь нужно сопрячь
среднечастотный участок с низкочастотным. Для этого продолжим среднечастотный
участок до пересечения с ЛАЧХ.
Получили желаемую ЛАЧХ.
система автоматическое управление качество
7.
Промоделировать желаемую ЛАЧХ на пакете, при необходимом изменении параметров
ЛАЧХ получить требуемые характеристики
и
%, построить полученную
Промоделировав желаемую ЛАЧХ на пакете, изменяя её параметры,
получаем требуемые характеристики (
и
(с)). Получили
(Т1м=0,2 (с)).
(Т2м=0,015 (с)).
(Т3м=0,01 (с)).
8. По
, исходной ЛАЧХ при
построить ЛАЧХ
корректирующего устройства, разбить ее на ЛАЧХ возможных типовых КУ, выбрать
наилучший вариант
Вид ЛАЧХ КУ определяется как дополнение к исходной ЛАЧХ Lисх. до получения желаемой Lж мод.
Определим передаточную функцию КУ:
Необходимо два дифференцирующих КУ. Первое включается на частоте 5
(с-1) и отключается на частоте 66,7 (с-1). Второе
включается на частоте 16,7 (с-1) и отключается на частоте 100 (с-1).
9.
Осуществить расчет выбранных КУ, используя эквивалентные варианты
(последовательные, параллельные, с обратной связью)
T1=0,08 (с); T=0,006 (с)
Дифференцирующее КУ имеет коэффициент ослабления
, поэтому снижает коэффициент передачи
системы
. В регулятор необходимо ввести
дополнительный усилитель с коэффициентом передачи
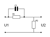
. Электрическая схема КУ:
и
Пусть R1=1 (кОм), тогда
и
10. Выбрать
регулятор (астатизм), обеспечивающий отработку без ошибки возмущающих
воздействий. Оценить точность отработки входных воздействий при выбранном
регуляторе
Для того чтобы система отрабатывала без ошибки заданные
возмущающее воздействие необходимо, чтобы порядок астатизма регулятора был хотя
бы на единицу больше степени этого воздействия, для этого необходимо в исходную
систему добавить еще один интегратор. Желаемая передаточная функция разомкнутой
системы будет равна:
Так как входное воздействие
- линейное r=1, а порядок
астатизма системы =2, то система отрабатывает это воздействие без ошибки.
11.
Произвести синтез желаемой ЛАЧХ с выбранным регулятором гарантирующей
и
% уточнить вид регулятора (И,
ПИ, ПИД), его коэффициент передачи, постоянную времени и, если это необходимо,
дополнительные КУ
Выберем регулятор. Наиболее оптимальным для нашей системы
будет ПИД-регулятор, т.к. регулятор исключит из системы корректирующее звено.
Тогда передаточная функция разомкнутой системы имеет вид:
Передаточная функция ПИД регулятора:
12.
Промоделировать желаемую ЛАЧХ, получить требуемый переходной процесс, провести
уточнение параметров регулятора и КУ
Промоделируем передаточную функцию разомкнутой системы с ПИД
регулятором для достижения требуемого процесса регулирования.
Получим функцию вида:
ЛАЧХ системы с ПИД регулятором (Приложение 1, график).
Передаточная функция ПИД регулятора будет ровна:
Полученная в процессе моделирования система имеет следующие
характеристики:
и
(с).
Так как полученная система с ПИД регулятором отвечает требуемым
характеристикам, то КУ можно не использовать.
13.
Заключение
В результате синтеза системы автоматического управления можно
сделать следующие выводы. Точность системы в установившемся режиме определяется
низкочастотным участком ЛАЧХ и зависит от величины коэффициента передачи
системы, причем ошибка от возмущающего воздействия зависит от коэффициента
регулятора. Однако чрезмерное увеличение коэффициента передачи может привести к
неустойчивости системы и необходимости ее коррекции с использованием КУ.
Динамические показатели системы, такие как время
регулирования и величина перерегулирования, в основном определяются среднечастотным
участком моделируемой ЛАЧХ. Величина перерегулирования зависит от запаса по
фазе на частоте среза и во многом определяет вид переходного процесса системы.
Время же регулирования зависит от полосы пропускания системы (частота от ноля
до частоты среза). Желательно, чтобы система пересекала ось частот с наклоном -
20дб/дек. В этом случае получаем более широкие возможности по динамическим
показателям системы. Высокочастотный участок ЛАЧХ в основном влияет на величину
запаса по фазе на частоте среза.
Для устранения коэффициентов ошибок от входных и возмущающих
полиномных воздействий необходимо увеличение порядка астатизма системы
(постановка регуляторов), что влечет за собой уменьшение запаса устойчивости
или неустойчивость системы. В этом случае необходима коррекция динамических
свойств системы, что осуществляется введением различных корректирующих средств,
которые подразделяются на интегрирующие, дифференцирующие и
интегро-дифференцирующие.
Введение регуляторов позволяет понизить коэффициент передачи
разомкнутой системы, т.к. исчезает ошибка от входных и возмущающих полиномных
воздействий, степень которых ниже степени астатизма регулятора
Литература
1. Бесекерский
В.А., Попов E.П. "Теория систем автоматического регулирования”, Москва,
"Наука”, 2010.
2. "Руководство
по проектированию САР" под редакцией Бесекерского В.А., Москва,
"Высшая школа”, 2014.
. Васильев
Д.В., Михайлов В.А. "Примеры и задачи по расчету судовых
автоматизированных систем”, Ленинград, "Судостроение”, 2009.
. Васильев
Д.В., Чуич В.Г. ”Системы автоматического регулирования”, Москва, "Высшая
школа”, 2009.
. Макаров
И.М., Менский Б.М. "Линейные автоматические системы", Москва,
"Машиностроение”, 2008.