Исследование полупроводникового терморезистора
Лабораторная
работа
Тема:
Исследование полупроводникового терморезистора
Цель: Снять вольтамперные характеристики при
двух температурах.
Приборы и оборудование: терморезистор,
термометр, цифровой мультиметр EC-890G,
магнитоэлектрический многопредельный вольтметр, источник питания.
Теоретические сведения
Терморезисторы или термисторы -
полупроводниковые резисторы с нелинейной вольтамперной характеристикой, которые
имеют явно выраженную зависимость электросопротивления от температуры.
- терморезистор
Ход работы
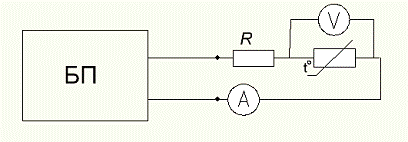
R=1.1 кОм
Рис. 1
Соберём схему и измерим ток и напряжения при t=22.5
°C
Таблица 1
|
А,
mA
|
V, B
|
|
0.10
|
1.2
|
|
0.17
|
2
|
|
0.27
|
|
0.36
|
4
|
|
0.44
|
5
|
|
0.5
|
6
|
полупроводниковый терморезистор
электросопротивление температура
Теперь измерим токи и напряжение при t=53
°C

Рис. 2
Таблица 2
|
A, mA
|
V, B
|
|
0.17
|
1
|
|
0.34
|
2
|
|
0.49
|
3
|
|
0.67
|
|
0.84
|
5
|
|
0.97
|
6
|
Вывод: в ходе выполнения лабораторной роботы мы
исследовали зависимость повышения температуры в терморезисторе от повышения
токов и напряжений. В ходе исследования мы выяснили, что у нас термистор.