Измерительный преобразователь сопротивления в ток

  • Вид работы:
    Курсовая работа (т)
  • Предмет:
    Информатика, ВТ, телекоммуникации
  • Язык:
    Русский
    ,
    Формат файла:
    MS Word
    33,79 Кб
  • Опубликовано:
    2016-02-06
Вы можете узнать стоимость помощи в написании студенческой работы.
Помощь в написании работы, которую точно примут!

Измерительный преобразователь сопротивления в ток

Министерство образования Республики Беларусь

Учреждение образования

«Могилевский государственный университет продовольствия»

Кафедра автоматизации технологических процессов и производств









измерительный преобразователь сопротивления в ток

Курсовая работа

по дисциплине «Электронные устройства автоматики»

Специальность 1-53 01 01 Автоматизация технологических процессов

и производств

Руководитель работы

Ассистент

А.В. Господ

Выполнил

студент группы АТПП-131

В.С. Галанов

Могилев 2015

Введение

Измерительные преобразователи сопротивления в ток (далее по тексту - RI-преобразователи) широко применяются во всевозможных технологических процессах, в которых контролируются температурные параметры. Основной функцией RI-преобразователей является приём сигналов от термопреобразователей сопротивления (далее по тексту ТС) и линейное преобразование их в токовые сигналы. Кроме того, к RI-преобразователям в зависимости от условий производства могут предъявляться требования по взрывозащите, сигнализации и блокировкам.

1. Технические данные

Технические характеристики RI-преобразователя:

а) входная цепь:

) количество аналоговых входов, шт.                                          1,

) тип ТС, подключаемого к RI-преобразователю              Pt100,

) диапазон измеряемых температур 0C                              0-100,

) схема подключения ТС:                                           трёхпроводная,

) длина линии связи между RI-преобразователем и ТС, м, не более 300,

) сопротивление одного провода, Ом, не более                           15,

) максимальная разность сопротивления проводов линии связи, Ом не более                                                                                           0,1;

б) выходы:

) количество аналоговых выходов, шт.                                                 1,

) диапазон выходного сигнала                                   от 4 до 20 мА,

) сопротивление нагрузки аналогового выхода, Ом, не более            500,

) наличие уставок по максимуму и минимуму                             нет,

) количество дискретных выходов, шт.                                        2,

) параметры дискретных выходов:

напряжение коммутации, В, не более                                 220,

ток коммутации, А, не более                                               0,5,

в) пределы допускаемой приведенной основной погрешности преобразования сопротивления в ток, %                                                       ±0,5;

г) напряжение питающей сети

переменное от 20,4 до 26,4 В частотой от 49 до 51 Гц;

д) потребляемая мощность, В*А, не более                                  6;

е) Наличие взрывозащиты                                                            есть;

) вид взрывозащиты              искробезопасная электрическая цепь,

) маркировка взрывозащиты                                               Ex ia IIC,

) электрические характеристики искробезопасной цепи:

напряжение холостого хода, В, не более                            9,5,

ток короткого замыкания, мА, не более                             35,

внешняя индуктивность, мГн, не более                     10,

внешняя ёмкость, мкФ, не более                                0,1.

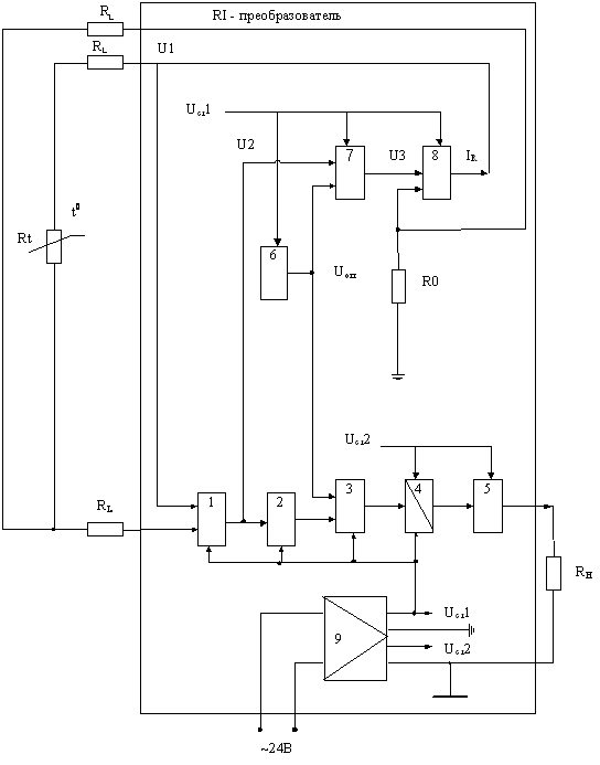
2. Схема структурная

Типовая структурная схема преобразования сигнала термопреобразователя сопротивления в ток (RI - преобразователя) приведена на рисунке 1.

Рисунок 1 - Структурная схема RI - преобразователя

В состав RI - преобразователя входят:

а) входной усилитель - 1;

б) масштабирующий усилитель - 2;

в) суммирующий усилитель - 3;

г) схема гальванической развязки - 4;

д) преобразователь напряжения в ток - 5;

е) формирователь опорного напряжения - 6;

ж) компенсирующий усилитель (линеаризатор) - 7;

з) источник постоянного тока - 8;

и) источник питания - 9;

к) опорный резистор - R0.

Опорный резистор R0 по величине равен значению термопреобразователя сопротивления Rt в начале измеряемого диапазона температур. Вначале сопротивление Rt преобразуется в напряжение, пропорциональное значению этого сопротивления. Это преобразование осуществляется с помощью постоянного тока IR , протекающего через сопротивление Rt. Ток IR формирует источник постоянного тока 8. Величина тока IR задается формирователем опорного напряжения 6 и опорным резистором R0

IR=U3/R0.

Затем сигнал, снятый в виде напряжения с резистора Rt, обрабатывается электронной схемой RI - преобразователя. После чего полученное в результате обработки напряжение, пропорциональное изменению измеряемой температуры, преобразуется в ток.

Термопреобразователь сопротивления Rt и опорный резистор R0 подключены к входному усилителю 1 по мостовой схеме, устраняющей влияние сопротивления RL соединительный проводников на результат измерения. Компенсирующий усилитель 7 необходим в тех случаях, когда номинальная статическая характеристика термопреобразователя сопротивления Rt нелинейная. Нелинейность номинальной статической характеристики ТС компенсируется путем подачи на один из входов компенсирующего усилителя 7 напряжения U2 с выхода входного усилителя 1.

Результирующее напряжение U2, полученное на выходе усилителя 1, поступает на вход масштабирующего усилителя 2. Коэффициент усиления масштабирующего усилителя выбирается таким, чтобы максимальное значение унифицированного сигнала на выходе RI - преобразователя соответствовало конечной температуре измеряемого диапазона температур. Для точной установки этого соответствия в масштабирующем усилителе имеется специальный потенциометр.

С выхода масштабирующего усилителя усиленный сигнал поступает на вход суммирующего усилителя 3. На второй вход суммирующего усилителя поступает опорное напряжение, предназначенное для точной установки минимального значения унифицированного сигнала на выходе RI - преобразователя. Точная установка достигается с помощью специального потенциометра, включенного в состав суммирующего усилителя.

С выхода суммирующего усилителя обработанный сигнал в виде напряжения поступает через гальваническую развязку 4 на схему преобразования напряжения в ток 5.

Источник питания 9 формирует на своем выходе гальванически развязанные напряжения Uст1 и Uст2. Напряжение Uст1 питает входную часть RI - преобразователя, а напряжение Uст2 выходную часть RI - преобразователя, гальванически развязанную с входной частью.

3. Схема электрическая принципиальная

Источником входного сигнала для RI-преобразователя служат ТС Государственной системы промышленных приборов (ГСП), температурные характеристики которых приведены в ГОСТ 6651-94. ТС характеризуется следующими параметрами:

) типом ТС, определяемым материалом чувствительного элемента (ЧЭ): платиновый (ТСП) - с ЧЭ из платины;

) номинальным значением сопротивления ТС при 0 °С, Ом;

) номинальной статической характеристикой преобразования (НСХ);

) классом допуска - допускаемым отклонением от номинального сопротивления ТС при 0 °С в %;

) номинальным значением отношения сопротивления ТС при температуре 100 °С к сопротивлению при 0 °С (W100);

) диапазоном измеряемых температур, °С.

Платиновые ТС имеют нелинейную характеристику зависимости сопротивления от температуры. Поэтому при расчёте входной цепи RI-преобразователя для платиновых ТС воспользуемся интерполяционной формулой

ΔT = (A + B • ΔR) • ΔR,                                             (1)

где ΔT = T - T1;

T - текущее значение контролируемой температуры;

T1 - значение контролируемой температуры в начале измеряемого диапазона;

ΔR = R - R1;

- сопротивление ТС при температуре T;- сопротивление ТС при температуре T1;и B - коэффициенты интерполяции.

Коэффициенты A и B для требуемого диапазона измерения температуры находим с помощью метода наименьших квадратов по табличным значениям, приведённым в приложении ГОСТ 6651-94. Для ТС Pt100 коэффициентам A и B задаем значения= 2,5574,= 0,00104.

Подставим значения коэффициентов A и B в формулу (1), получим

ΔT = (2,5574+ 0,00104• ΔR) • ΔR.                             (2)

.1 Состав нормирующего преобразователя

Нормирующий преобразователь состоит из блока искрозащиты, формирователя опорного напряжения, схемы сигнализации и последовательно соединённых входной цепи, масштабирующего усилителя и суммирующего усилителя.

3.2 Блок искрозащиты

Блок искрозащиты является разделительным элементом между искробезопасными и искроопасными цепями и предназначен для ограничения аварийного напряжения и тока искробезопасных входных цепей до безопасного уровня. Блок искрозащиты состоит из шунтирующих стабилитронов и ограничивающих ток резисторов. Основными критериями для выбора элементов блока искрозащиты являются напряжение холостого хода и ток короткого замыкания.

Стабилитроны VD1, VD2, VD4...VD7 предназначены для ограничения аварийных напряжений в искробезопасной сети до искробезопасного уровня, а резисторы R3...R6 для ограничения токов.

.3 Формирователь опорного напряжения

Формирователь опорного напряжения предназначен для получения высокостабильного напряжения, используемого для стабилизации параметров входной цепи и для задания уставок по минимуму и максимуму в цепях сигнализации и блокировок. Формирователь опорного напряжения может быть построен на операционных усилителях с применением прецизионных стабилитронов или на микросхемах типа REF02 фирм Analog Devices, Maxim и других.

Источник опорных напряжений выполнен на микросхеме DA3, транзисторах VT1, VT2, стабилитронах VD3, VD8, VD9 и резисторах R2, R7...R12, R18, R21. На транзисторах VT1, VT2, стабилитронах VD3, VD9 и резисторах R2, R7, R9, R12 выполнены два разнополярных источника тока, задающих ток порядка 8 мА в прецизионный термостабильный стабилитрон VD8. Источники имеют повышенную термостабильность за счет компенсации температурного дрейфа стабилитронов VD3, VD9 температурным дрейфом напряжения база-эмиттер транзисторов VT1, VT2. Напряжение U0 на выходе микросхемы DA3.1 определяется формулой

U0 = Uс • (R8 + R10)/(R8 + R10 + R11),

где Uc = 6,4 В, напряжение стабилизации стабилитрона VD8.

Резистором R8 напряжение U0 устанавливается равным (3,528 ± 0,005) В. Отрицательное опорное напряжение (минус 3,528 ± 0,005) В формируется на выходе инвертора, выполненного на микросхеме DA3.2 и резисторах R18, R21.

.4 Анализ работы входной цепи

Входная цепь состоит из ТС, текущее значение сопротивления R которого зависит от измеряемой температуры, источника постоянного тока DA1, входного усилителя, собранного на микросхеме DA2, резисторах R3, R6, R13 R14 и конденсаторе C2, и компенсирующего усилителя, собранного на микросхеме DA4.1 и резисторах R15, R17, R20.

Источник постоянного тока DA1 предназначен для формирования стабильного тока I, протекающего через R. Этот ток задаётся напряжением U3 и напряжением отрицательной обратной связи, снимаемым с опорного резистора R1. Величина сопротивления R1 выбирается равной значению сопротивления ТС в начале измеряемого диапазона.

Входной усилитель предназначен для формирования на своём выходе напряжения U2, пропорционального изменению сопротивления R. Усилитель DA2 является дифференциальным, и он формирует на своём выходе разность падений напряжения на R и опорном резисторе R1. Таким образом, на выходе входного усилителя формируется напряжение, пропорциональное изменению контролируемой температуры.

Компенсирующий усилитель DA4.1 предназначен для формирования на своём выходе напряжения U3, учитывающего квадратичную составляющую характеристики ТС. Напряжение U2, пропорциональное изменению контролируемой температуры, с выхода усилителя DA2 подаётся на вход компенсирующего усилителя DA4.1 и суммируется в заданной сопротивлениями R15, R17, R20 пропорции с опорным напряжением U0, поступающим с формирователя опорного напряжения. В зависимости от величины входного сигнала U2 компенсирующий усилитель DA4.1 корректирует выходной ток источника постоянного тока DA1, компенсируя тем самым нелинейность температурной характеристики ТС.

Ток I через ТС задаётся источником постоянного тока DA1. Величина тока I определяется сопротивлением резистора обратной связи R1 и напряжением U3, подаваемым на не инвертирующий вход микросхемы DA1 с выхода компенсирующего усилителя DA4.1 и вычисляется по формуле

= U3/R1.

Компенсирующий усилитель DA4.1 собран по схеме инвертирующего сумматора и напряжение U3 на его выходе определяется формулой

U3 = - (U0 • k1 + U2 • k2),                                         (3)

где U0 - опорное напряжение;

1 = R20/R17;

k2 = R20/R15;

преобразователь напряжение цепь усилитель

U2 - напряжение пропорциональное изменению контролируемой температуры.

Коэффициент k1 определяет составляющую тока, протекающую через ТС при температуре, соответствующей началу измеряемого диапазона, а коэффициент k2 определяет составляющую тока, компенсирующую кривизну температурной характеристики. Коэффициент k1 пропорционален коэффициенту интерполяции A в формуле (2), а коэффициент k2 пропорционален коэффициенту интерполяции B, поэтому k2 << k1.

Напряжение U2 формируется на выходе дифференциального усилителя DA2 и определяется соотношением

U2 = I • (RL + R1) • (R3 + R13)/R13 - I • (2 • RL + R + R1) • R13/R3,

где RL - сопротивление проводов линии связи между ТС и преобразователем.

Выбрав для дифференциального усилителя R3 = R13, получим

U2 = - I • (R - R1) = -U3 • k,                                       (4)

где k = (R - R1)/R1 = ΔR/R1.

Подставляя выражение (4) в формулу (3), получим

U3 = - U0 • k1/(1 - k • k2).

Так как k • k2 << 1, то

U3 = - U0 • k1 • (1 + k • k2).

Отсюда

U2 = U0 • k1 • (1 + k • k2) • k.

Или

= (a + b • ΔR) • ΔR,                                  (5)

где a = U0 • k1/R1;= a • k2/R1.

Из пропорции между формулами (1) и (5) находим

a = A • U2max/ΔTmax,= B • U2max/ΔTmax,

где ΔTmax = Tmax - T1;max - значение температуры в конце измеряемого диапазона;

T1 - значение контролируемой температуры в начале измеряемого диапазона;

2max = Imax • (Rmax - R1);

Rmax - сопротивление ТС, соответствующее конечной температуре измеряемого диапазона;

Imax - ток, протекающий через ТС при температуре, соответствующей концу измеряемого диапазона.

Ток, протекающий через ТС при температуре, соответствующей началу измеряемого диапазона, будет равен

I = - k1 • U0 /R1.

В обратную связь усилителя DA2 включён конденсатор C2, который вместе с резистором R13 образует RC-цепь. Таким образом, усилитель DA2 выполняет также функцию фильтра нижних частот. Частота среза fg определяется формулой

fg = 1∕(2 • π • R13 • C2).                                    (6)

.5 Анализ работы масштабирующего и суммирующего усилителей

Масштабирующий усилитель, выполненный на микросхеме DA5 и резисторах R16, R19, предназначен для усиления напряжения U2, формируемого входным усилителем. Коэффициент усиления масштабирующего усилителя подбирается так, чтобы амплитуда сигнала на выходе суммирующего усилителя DA4.2 лежала в диапазоне, определяемом выходным сигналом RI-преобразователя. Для унифицированного выходного сигнала от 4 до 20 мА этот диапазон обычно выбирается в пределах от 0,4 до 2В. Отсюда максимальное напряжение U5 на выходе масштабирующего усилителя определяется следующим выражением

= - U2 • R19/R16 = - 1,6 В.

Суммирующий усилитель выполнен на микросхеме DA4.2, резисторах R23...R28 и конденсаторе C3. Он предназначен для привязки диапазона напряжений U5 к начальному (0,4 В) и конечному (2 В) уровням и, соответственно, для корректировки минимального и максимального значения выходного тока RI-преобразователя.

Суммирующий усилитель выполнен по схеме с компенсацией ёмкостной нагрузки. При работе операционного усилителя на ёмкостную нагрузку, последняя вместе с выходным сопротивлением усилителя образует фильтр нижних частот, который даёт дополнительный фазовый сдвиг выходного напряжения. Это уменьшает запас по фазе, и схема усилителя может самовозбуждаться уже при незначительной величине нагрузочной ёмкости. Для предотвращения этого параллельно резистору отрицательной обратной связи R27 включена ёмкость C3, компенсирующая фазовый сдвиг вблизи критической частоты. Действие конденсатора C3 усилено развязывающим резистором R28.

На входы суммирующего усилителя, кроме напряжения U5, дополнительно поступают опорное напряжение минус U0 и напряжение Ux с потенциометра R22, которые должны сместить нулевой уровень выходного напряжения U4 на 0,4 В, то есть установить напряжение, соответствующее начальному значению контролируемого диапазона температур. Напряжением минус U0 производится грубая установка нулевого уровня напряжения U4, а напряжением Ux изменяющимся в пределах ± U0, точная. Потенциометр R22 предназначен для регулировки нулевого уровня выходного напряжения U4. Таким образом, напряжение U4 на выходе суммирующего усилителя определяется следующим выражением

U4 = - (- U0 • k3 + Ux • k4 + U5 • k5),                                (7)

где k3 = R27/R25;

k4 = R27/R23;

k5 = R27/(R24 + R26).

При U5 равном 0 В и установке потенциометра R22 в среднее положение U4 должно быть равно 0,4 В. Следовательно коэффициент k3 в этом случае будет равен:

k3 = U4/U0 = 0,4/U0.

Задавшись пределами регулировки напряжения U4 от 0,28 до 0,52 В (Ur = ± 0,12 В) определим коэффициент k4

k4 = Ur/U0 = 0,12/U0.

Потенциометр R24 предназначен для регулировки конечного уровня выходного напряжения U4. Задавшись пределами регулировки U4 от 1,88 до 2,12 В (Urk = ±0,12 В), рассчитаем коэффициенты k5max и k5min при U5 = 1,6 В

k5max = R27/R26 = (U4 + Urk - 0,4)/U5 = 1,075,min = R27/(R24 + R26) = (U4 - Urk - 0,4)/U5 = 0,925.

Шлицы потенциометров R22 «0» и R24 «Д» для удобства настройки нуля и диапазона выводятся на лицевую панель RI-преобразователя.

3.6 Расчёт измерительной цепи нормирующего преобразователя

.6.1 Расчёт входной цепи нормирующего преобразователя

Входная цепь состоит из компенсирующего усилителя DA4.1, источника постоянного тока DA1 и входного усилителя DA2.

Входной усилитель должен усиливать слабые электрические сигналы, поступающие от ТС. Эти сигналы сопровождаются значительным уровнем синфазных помех. Кроме того, предъявляются достаточно жёсткие требования к линейности передаточной характеристики входного усилителя. Исходя из этого, в качестве входного усилителя выбирается прецизионный операционный усилитель К140УД17, обладающий большим коэффициентом подавления синфазного сигнала, малым напряжением смещения и дрейфа нуля, малым уровнем шумов и большим входным сопротивлением. Аналогичные требования предъявляются и к остальным каскадам измерительной цепи. Поэтому для них также выбираем микросхемы типа К140УД17, для которых требуется напряжение питания +15 В и минус 15 В.

Операционный усилитель DA2 включён по схеме дифференциального усилителя с коэффициентом усиления, равным минус единице. Из этого условия выбираем

= R13 = 15 кОм.

Номиналы резисторов R3, R13 выбираем из ряда E192 с допуском ± 0,1%.

На входе дифференциального усилителя присутствует разность потенциалов

ΔU = I • (R - R1).

Так как при 0 °С сопротивление ТС равно 100 Ом, то сопротивление резистора R1 принимаем равным

R1 = 100 Ом.

Сопротивление R1 выбираем из ряда E192 с допуском 0,1%.

Величина тока I, протекающего через ТС, обычно задаётся в пределах от 0,5 до 10 мА. Принимаем ток Imax, протекающий через ТС при температуре 100 °С равным

Imax = - 3 мА.

Знак минус обозначает, что ток втекает в источник тока DA1.

Величину опорного напряжения U0 выбираем равной

U0 = 3 В.

Определяем максимальную разность потенциалов ΔUmax на входе дифференциального усилителя

ΔUmax = Imax • (Rmax - R1) = - 3 • (138,50 - 100) = - 115,5 мВ,

где - Rmax - сопротивление ТС, соответствующее температуре 100 °С.

Отсюда

U2max = - ΔUmax = 0,1155 В.

Определим значения коэффициентов a и b

a = A • U2max/ΔTmax = 2,5574 • 0,1155/(100 - 0) = 2,95• 10-3,= B • U2max/ΔTmax = 0,00104• 0,1155/(100 - 0) = 1,2012 • 10-6.

Отсюда

k1 = a • R1/ U0 = 2,95• 10-3 • 100/3 = 0,0983,

k2 = b • R1/a = 0,04.

Выбирая сопротивление R20 равным 2 кОм, находим

= R20/k1 = 20,3 кОм,= R20/k2 = 50 кОм.

Номинальные сопротивления резисторов R15, R17, R20 выбираем из ряда E192 с допуском ± 0,1%.

Номинальные сопротивления резисторов R5, R6 выбираем равными 12 кОм. Так как через эти резисторы протекают пренебрежимо малые токи, то выбираем их из ряда E24 с допуском ± 5%.

Сопротивление резистора R4 из условия устойчивой работы источника тока DA1 не должно превышать 3 кОм (U1 ≤ 12 В). Выбираем сопротивление резистора R4 равным 2 кОм. Так как этот резистор не влияет на точность измерений, то выбираем его из ряда E24 с допуском ± 5%. При искробезопасном исполнении RI-преобразователя резистор R4 находится в искробезопасной цепи, и поэтому его мощность рассчитывается исходя из аварийной ситуации, при которой на него может попасть напряжение сетевого питания 26,4 В

P = U2/R4 = 0,5 Вт.

Номинальную мощность теплового рассеяния остальных резисторов выбираем равной 0,125 Вт.

Потенциометр R14 предназначен для балансировки нуля операционного усилителя DA2. Выбираем номинальное сопротивление потенциометра R14 равным 10 кОм с допуском ± 5%.

В обратную связь усилителя DA2 включён конденсатор C2, который вместе с резистором R13 образует RC-цепь. Задаваясь частотой среза fg = 10 Гц, находим из формулы (6) значение требуемой ёмкости

C2 = 1∕(2 • π • fg • R13) = 1,5 мкФ.

Резистор R6 и конденсатор C1 образуют фильтр нижних частот, предназначенный для фильтрации помех. Задаваясь частотой среза fg = 10 Гц, находим значение требуемой ёмкости:

C1 = 1∕(2 • π • fg • R6) = 1,5 мкФ.

3.6.2 Расчёт схем масштабирующего и суммирующего усилителей

Напряжение U2 с выхода усилителя DA2 поступает на вход масштабирующего усилителя, выполненного на микросхеме DA5 и резисторах R16, R19. Коэффициент усиления масштабирующего усилителя подбирается так, чтобы амплитуда сигнала на выходе суммирующего усилителя DA4.2 лежала в диапазоне 0,4...2В. Отсюда максимальное напряжение U5 на выходе масштабирующего усилителя определяется выражением

= - U2 • R19/R16 = - 1,6 В.

Выбираем сопротивление резистора R19 равным 100 кОм. Отсюда

R16 = U2 • R19/U5 = 9,31 кОм.

Номинальные сопротивления резисторов R16, R19 выбираются из ряда E192 с допуском 0,1%.

Напряжение U5 поступает на вход суммирующего усилителя, выполненного на микросхеме DA4.2, резисторах R23...R28 и конденсаторе C3. Ёмкость C3, компенсирующую фазовый сдвиг вблизи критической частоты, выбираем равной 0,1 мкФ, а номинальное сопротивление развязывающего резистора R28 выбираем из ряда E24 равным 1,5 кОм ± 5%. Сопротивление обратной связи R27 выбираем из ряда E192 равным 10 кОм ± 0,1%.

На входы суммирующего усилителя дополнительно поступают опорное напряжение минус U0 и напряжение Ux с потенциометра R22, которые должны сместить нулевой уровень выходного напряжения U4 на 0,4 В, то есть установить напряжение, соответствующее начальному значению контролируемого диапазона температур. При U5 равном 0 В и установке R22 в среднее положение U4 должно быть равно 0,4 В. Отсюда в соответствии с формулой (7)

k3 = R27/R25= U4/U0 = 0,133.= R27/k3 = 75 кОм.

Номинальное сопротивление резистора R27 выбираем из ряда E192 с допуском ± 0,1%.

Потенциометр R22 предназначен для регулировки нулевого уровня выходного напряжения U4. Задавшись пределами регулировки от 0,28 до 0,52 В (Ur = ± 0,12 В) определяем номинальное сопротивление резистора R2

k4 = R27/R23 = Ur/U0 = 0,04;= R27/k4 = 249 кОм.

Номинальное сопротивление резистора R23 выбираем из ряда с допуском ± 0,1%. Номинальное сопротивление потенциометр R22 выбираем равным 22 кОм ± 5%.

Рассчитаем номинальные сопротивления резисторов R24, R26

R26 = R27/k5max = 10/1,075 = 9,31 кОм;

R26 + R24 = R27/k5min = 10/0,925 = 10,81 кОм,

R24 = 10,81 - 9,31 = 1,5 кОм.

Выбираем номинальное сопротивление потенциометра R24 из ряда E24 равным 1,5 кОм ± 5%. Номинальное сопротивление резистора R26 выбираем из ряда E192 с допуском 1,5 кОм ± 0,1%.

.7 Формирователь выходных сигналов

В общем случае формирователь выходных сигналов состоит из схемы гальванической развязки, схемы преобразования напряжения в ток и стабилизированного источника питания.

Стабилизированный источник питания формирует гальванически развязанные напряжения, предназначенные для питания входной и выходной цепей RI-преобразователя. Стабилизированный источник питания может быть разработан как с применением электронных компонентов мелкой интеграции, так и с применением DC/DC-преобразователей, выпускаемых фирмами BURR - BROWN, TRACO и другими. Для искробезопасного исполнения RI-преобразователя рекомендуется развязать напряжения питания искроопасной и искробезопасной частей с помощью развязывающего трансформатора.

Стабилизированный источник питания состоит из параметрического стабилизатора напряжения и преобразователя постоянного напряжения в постоянное.

Параметрический стабилизатор напряжения состоит из сетевого выпрямителя, схемы защиты от перенапряжения и схемы стабилизации. В состав сетевого выпрямителя входят конденсаторы C1, C2, резистор R1 и мост выпрямительный VD1. Схема защиты от перенапряжения состоит из предохранителя F1, симистора VS1, транзистора VT1, стабилитронов VD2...VD4 и резисторов R2...R5. Схема стабилизации реализована на интегральной микросхеме DA1, стабилитроне VD5 и конденсаторе C3.

Стабилизированный источник питания питается от сети 24 В переменного тока промышленной частоты. Сетевое напряжение величиной от 20,4 до 26,4 В поступает на мост выпрямительный VD1. Выпрямленное напряжение, сглаженное RC-цепочкой (R1, C2), поступает на схему защиты от перенапряжения.

Схема защиты от перенапряжения срабатывает либо при возрастании сетевого напряжения до значений превышающих 29 В, либо при выходе из строя интегральной микросхемы DA1. В первом случае пороговое напряжение срабатывания схемы защиты от перенапряжения задаётся стабилитронами VD2, VD3 и колеблется в пределах от 39 до 43 В, во втором случае пороговое напряжение срабатывания задаётся стабилитроном VD4 и колеблется в пределах от 24 до 26,5 В. При срабатывании схемы защиты от перенапряжения открывается транзистор VT1, который в свою очередь открывает симистор VS1, закорачивающий выход моста выпрямительного VD1. Резкое возрастание выходного тока моста выпрямительного VD1 приводит к перегоранию предохранителя F1.

С сетевого выпрямителя постоянное напряжение через предохранитель F1 U1 поступает также на стабилизатор напряжения, которым является интегральная микросхема DA1. Стабилитрон VD5 поднимает выходное напряжение параметрического стабилизатора напряжения до уровня (21 ± 0,5) В. Конденсатор C3 обеспечивает динамическую устойчивость работы стабилизатора напряжения. С выхода микросхемы DA1 напряжение поступает на преобразователь постоянного напряжения в постоянное и на выходные каскады сигнализации.

Преобразователь постоянного напряжения в постоянное состоит из преобразователя постоянного напряжения в переменное и выпрямителей напряжения ±15 В и +27 В.

Преобразователь выполнен по двухтактной схеме с независимым возбуждением и функционально состоит из задающего генератора прямоугольных импульсов, делителя частоты и усилителя мощности.

Задающий генератор прямоугольных импульсов выполнен на микросхеме DA2, конденсаторах C5, C6, и резисторах R7, R8. Частота f выходных прямоугольных импульсов генератора определяется соотношением

f = 1,44/(R7 + 2R8) • C5 = 46,4 кГц.

Делитель частоты DD1 делит частоту f на два. Две последовательности прямоугольных импульсов, сдвинутые по фазе относительно друг друга на 180 градусов, с выходов микросхемы DD1 поступают на базы ключевых транзисторов VT3, VT4 усилителя мощности. Ток базы транзисторов VT3, VT4 задается резисторами R9, R10. Форсирующие конденсаторы С7, С8 ускоряют переключение транзисторов. Диоды VD7, VD8 защищают от пробоя переходы база-эмиттер транзисторов VT3, VT4. Коллекторными нагрузками ключевых транзисторов VT3, VT4 являются первичные обмотки 1 - 2 и 2 - 3 трансформатора TV2. Для снижения уровня коммутационных перенапряжений в коллекторы ключевых транзисторов включена RC-цепь из резистора R12 и конденсатора C12. Микросхемы DA2 и DD1 питаются от стабилизатора напряжения 5,6 В, выполненного на резисторе R6, стабилитроне VD6 и конденсаторе C4.

Снимаемые с вторичных обмоток 4 - 5 и 5 - 6 трансформатора TV2 переменные напряжения выпрямляются выпрямителем, собранном по мостовой схеме на диодах VD9...VD12, и сглаживается П-образными фильтрами C10, L2, C22 и C11, L3, C23. Выпрямленные напряжения ± (15 ± 1) В предназначены для питания входной части RI-преобразователя.

Снимаемое с вторичной обмотки 9 - 10 трансформатора TV2 переменное напряжение выпрямляется выпрямителем, собранном по мостовой схеме на диодах VD13, VD14, VD16, VD17, и сглаживается П-образным фильтром С16, L1, C18. Выпрямленное напряжение (27 ± 1,5) В предназначено для питания схемы преобразования напряжения в ток и микросхемы DA3.

Трансформатор TV2 имеет следующие обмотки:

а) первичные обмотки 1-2-3;

б) вторичные обмотки источника напряжений ±15 В - 4-5-6;

в) вторичную обмотку источника напряжения 27 В - 9-10;

г) обмотки управления ключами гальванической развязки - 7-8 и 11-12.

Моточные данные трансформатора TV2 приведены в таблице 1.

Таблица 1 - Моточные данные трансформатора TV2

Данные обмоток

Номер обмотки

Номера выводов

Число витков

Диаметр провода

I

1 - 2 2 - 3

40 40

0,315 0,315

II

9 - 10

55

0,2

III

11 - 12

19

0,125

IV

4 - 5 5 - 6

31 31

0,2 0,2

V

7 - 8

19

0,125

Тип сердечника

Сердечник замкнутый М2000НМ - 9 Ш6 - 6 ОЖ0.707.140 ТУ


Схема гальванической развязки предназначена для гальванического разделения входной и выходной электрических цепей RI-преобразователя. Для искробезопасного исполнения RI-преобразователей гальваническая развязка реализуется с помощью трансформатора, для обычного исполнения гальваническая развязка может быть реализована путём применения оптоусилителей фирмы Analog Device.

Напряжение положительной полярности с выхода суммирующего усилителя нормирующего преобразователя поступает на схему гальванической развязки, состоящую из конденсаторов C9, C13, C15, полевых n - канальных транзисторов VT2, VT5, резисторов R11, R13...R15 и разделительного трансформатора VT1. На затворы полевых транзисторов VT1, VT2 с обмоток 7 - 8, 11 - 12 силового трансформатора TV2 через резисторы R11, R14 синхронно поступают модулирующие импульсы частотой около 23 кГц и амплитудой около 20 В. Сигнал, промодулированный транзистором VT2, передаётся с первичной обмотки трансформатора TV1 на вторичную, демодулируется транзистором VT5 и сглаживается П-образным фильтром С13, R15, С15, подавляющим коммутационные помехи. С конденсатора C15 сигнал положительной полярности напряжением от 0,4 до 2 В поступает на вход схемы преобразования напряжения в ток.

Моточные данные трансформатора TV1 приведены в таблице 2.

Таблица 2 - Моточные данные трансформатора TV1

Данные обмоток

Номер Обмотки

Номера выводов

Число витков

Диаметр провода

I

1 - 2

150

0,125

II

3 - 4

150

0,125

Тип сердечника

Сердечник замкнутый М2000НМ - 9 Ш4 - 4 ОЖ0.707.140 ТУ


3.8 Схема преобразования напряжения в ток

Схема преобразования напряжения в ток выполнена на базе микросхемы DA3 и транзисторов VT6, VT7 по схеме управляемого напряжением источника тока с незаземлённой нагрузкой. В состав схемы преобразования напряжения в ток входят также диоды VD15, VD18...VD20, конденсаторы C14, C17, C19, C20 и резисторы R16...R24.

Напряжение, пропорциональное измеренному сигналу, с конденсатора C15 схемы гальванической развязки поступает на неинвертирующий вход операционного усилителя DA3, с выхода которого сигнал подаётся на усилитель мощности, собранный на каскадной транзисторной паре VT6, VT7. Ток с выхода усилителя мощности протекает через диоды VD19, VD20, внешнюю нагрузку, резистор отрицательной обратной связи R23 и стабилитрон VD15. Внешняя нагрузка подключается к контактам 10, 11 соединителя XP1. Конденсатор С20 снижает уровень помех во внешней нагрузке, наводимых импульсным источником питания. На стабилитроне VD15 и конденсаторе С14 выполнен «искусственный нуль» снижающий синфазные помехи. Напряжение обратной связи с резистора R23 через резистор R17 поступает на инвертирующий вход микросхемы DA3. Цепь С17, R17 устраняет возбуждение операционного усилителя DA3.

Для визуального контроля выходного тока на лицевую панель RI-преобразователя выведены гнёзда XS1 и XS2, подключённые параллельно диодам VD19, VD20. Падение напряжения на миллиамперметре, подключаемом к этим гнёздам, должно быть меньше порогового напряжения открывания этих диодов.

4. Искробезопасные цепи и элементы взрывозащиты

Блок искрозащиты является разделительным элементом между искробезопасными и искроопасными цепями и предназначен для ограничения аварийного напряжения и тока искробезопасных входных цепей до безопасного уровня. Блок искрозащиты состоит из шунтирующих стабилитронов и ограничивающих ток резисторов. Основными критериями для выбора элементов блока искрозащиты являются напряжение холостого хода и ток короткого замыкания.

Стабилитроны VD1, VD2, VD4...VD7 предназначены для ограничения аварийных напряжений в искробезопасной сети до искробезопасного уровня, а резисторы R3...R6 для ограничения токов.

К приборам и устройствам, предназначенным для эксплуатации во взрывоопасных зонах, предъявляются специальные требования по взрывозащите. Искробезопасная электрическая цепь создается с помощью барьеров искрозащиты. Через барьер искрозащиты в электрический контур тока искробезопасной цепи поступает настолько малые токи и напряжения, что они не могут вызвать искру и поэтому не способны воспламенить искроопасную смесь ни при коротком замыкании, ни при обрыве, ни при замыкании на землю электрического контура. Такие малые токи в основном потребляют измерительные и регулирующие приборы с электронными элементами.

Приборы и элементы конструкций, от которых зависит искробезопасность, должны удовлетворять нормам стандартов по взрывозащите. Кабельные вводы и клеммы приборов, должны иметь четкую маркировку и светло-голубую окраску.

Заключение

В ходе выполнения работы были изучены метрологические характеристики термопреобразователей сопротивления, технические характеристики измерительных преобразователей, были изучены условия применения вида взрывозащиты «Искоробезопасная электрическая цепь Ex ‘‘i’’» и способы реализации, была изучена структура и назначение электронных узлов измерительных преобразователей. При выполнении работы были использованы методы расчета измерительных цепей, выполненных на операционных усилителях; методы выбора компонентов электронной цепи. При выполнении работы использовалась справочная и нормативная документация по компонентам электронных устройств.

Приложение А

(справочное)

Таблица А.1 - Перечень элементов нормирующего преобразователя

Обозначение

Наименование и параметры

Количество

Примечание

Конденсаторы К10-17б ОЖ0.460.172 ТУ

С1, C2

К10-17б-Н90-1,5 мкФ

2


С3

К10-17б-Н90-0,1 мкФ

1


Микросхемы

DA1, DA2

КР140УД17А бК0.348.095-10 ТУ

2


DA3, DA4

КР140УД20А бК0.348.095-12 ТУ

2


DA5

КР140УД17А бК0.348.095-10 ТУ

1


Резисторы C2-23 ОЖ0.467.104 ТУ С2-29 ОЖ0.467.130 ТУ С5-42В ОЖ0.467.570 ТУ СП5-22 ОЖ0.468.551 ТУ

R1

С2-29В-0.125-50 Ом ± 0,1 %

1


R2

С2-29В-0,125-499 Ом ± 1%-1,0-А

1


R3

С2-29В-1-15 кОм ± 0,1%-1,0-А

1


R4

С5-42В-5-2 кОм ± 5%

1


R5, R6

С2-23-1,0-12 кОм ± 5%-А-В-В

2


R7

С2-29В-0,125-1,5 кОм ± 1%-1,0-А

1


R8

СП5-22-1 ВТ-1,5 кОм ± 5%-В

1


R9

С2-29В-0,125-1,5 кОм ± 1%-1,0-А

1


R10

С2-29В-0,125-11,5 кОм ± 1%-1,0-А

1


R11

С2-29В-0,125-10 кОм ± 1%-1,0-А

1

С2-29В-0,125-499 Ом ± 1%-1,0-А

1


R13

С2-29В-0,125-15 кОм ± 0,1%-1,0-А

1


R14

СП5-22-1 ВТ-10 кОм ± 5%-В

1


R15

С2-29В-0.125-50 кОм ± 0,1 %

1


R16

С2-29В-0.125-9,31 кОм ± 0,1 %

1


R17

С2-29В-0,125-40 кОм ± 0,1%-1,0-А

1


R18

С2-29В-0,125-15 кОм ± 0,1%-1,0-А

1


R19

С2-29В-0,125-100 кОм ± 0,1%-1,0-А

1


R20

С2-29В-0.125-2,03 кОм ± 0,1 %

1


R21

С2-29В-0,125-15 кОм ± 0,1%-1,0-А

1


R22

СП5-22-1 ВТ-22 кОм ± 5%-В

1


R23

С2-29В-0,125-291 кОм ± 0,25%-1,0-А

1


R24

СП5-22-1 ВТ-1,5 кОм ± 5%-В

1


R25

С2-29В-0.125-88,7 кОм ± 0,1 %

1


R26

С2-29В-0,125-9,31 кОм ± 1%-1,0-А

1


 

R27

С2-29В-0,125-10 кОм ± 0,25%-1,0-А

1


 

R28

С2-23-0,125-1,5 кОм ± 5%-А-В-В

1


 

Диоды, стабилитроны

 

VD1, VD2

КС482А1 аА0.336.002 ТУ

2


 

VD3

КС147Г аА0.336.162 ТУ

1


 

VD4...VD7

КС482А1 аА0.336.002 ТУ

4


 

VD8

КС108В аА0.336.620 ТУ

1


 

VD9

КС147Г аА0.336.162 ТУ

1


 

Транзисторы

 

VТ1

КТ3107Б аА0.336.170 ТУ

1


 

VТ2

КТ3102БМ аА0.336.122 ТУ

1


 

Соединители

 

XP1

Вилка ОНП-ВГ-1-12/46•10-В21 бР0.364.056 ТУ

1


 

Устройства

 

A2-E1

Схема блокировки

1


 

Микросхемы

 

DA6

КР140УД20А бК0.348.095-12 ТУ

1


 

Резисторы C2-23 ОЖ0.467.104 ТУ С2-29 ОЖ0.467.130 ТУ СП5-22 ОЖ0.468.551 ТУ

 

R29

С2-23-0,125-330 Ом ± 5%-А-В-В

1


 

R30

С2-29В-0,125-7,5 кОм ± 0,5%-1,0-А

1


 

R31

С2-23-0,125-330 Ом ± 5%-А-В-В

1


 

R32, R33

С2-23-0,125-1 МОм ± 1%-А-В-В

2


 

R34, R35

С2-23-0,125-1 МОм ± 1%-А-В-В

2


 

R36, R37

С2-23-0,125-4,3 кОм ± 5%-А-В-В

2


 

R38, R39

С2-23-0,125-100 кОм ± 5%-А-В-В

2


 

Диоды, оптопары

 

V1, V2

Оптопара транзисторная АОТ128Б аА0.336.468 ТУ

2


 

VD10, VD11

КД510А ТТ3.362.100 ТУ

2


 


Таблица А.2 Перечень элементов формирователя выходных сигналов

Обозначение

Наименование и параметры

Количество

Примечание

Конденсаторы К10-17б ОЖ0.460.172 ТУ К50-35 ОЖ0.464.214 ТУ К73-11 ОЖ0.461.093 ТУ К73-17 ож0.461.104 ТУ

С1

К73-11-160 В-0,1 мкФ ± 10%

1


С2

К50-35-63 В-470 мкФ-В

1


С3

К50-35-40 В-47 мкФ-В

1


С4

К10-17б-Н90-1,5 мкФ

1


С5

К10-17б-М1500-220 пФ ± 5%

1


С6

К10-17б-Н50-1,5 мкФ ± 5%

1


С7,С8

К10-17б-Н50-0,01 мкФ

2


С9

К10-17б-Н90-1,5 мкФ

1


С10, С11

К50-35-25 В-22 мкФ

2


С12

К10-17б-М1500-220 пФ ± 5%

1


С13

К10-17б-Н90-1,5 мкФ

1


С14

К50-35-25 В-22 мкФ

1


С15

К10-17б-Н90-0,1 мкФ

1


С16

К50-35-40 В-47 мкФ

1


С17

К10-17б-Н90-0,1 мкФ

1


С18

К50-35-25 В-22 мкФ

1


С19

К10-17б-Н50-0,01 мкФ

1


С20

К50-35-25 В-22 мкФ

1


С21

К73-17-630 В-0,022 мкФ ± 5%

1


С22, C23

К50-35-25 В-22 мкФ В

2


Микросхемы

DA1

КР142ЕН8В бК0.348.634-03 ТУ

1


DA2

КР1006ВИ1 бК0.348.685 ТУ

1


DA3

КР140УД17А бК0.348.095-10 ТУ

1


DD1

КР1554ТМ2 АДБК.431200.005-03 ТУ

1


Предохранители

F1, F2

Вставка плавкая ВП1-2 0,25 А АГ0.481.003 ТУ

1


Дроссели высокочастотные

L1...L3

ДПМ-0,1-125 ± 5% Пе0.477.006 ТУ

3


Обозначение

Наименование и параметры

Количество

Примечание

Резисторы C2-23 ОЖ0.467.104 ТУ С2-29 ОЖ0.467.130 ТУ С2-33 ОЖ0.467.173 ТУ

R1

С2-33-0,5-5,1 Ом ± 5%-А-В-В

1


R2

С2-23-0,125-47 Ом ± 5%-А-В-В

1


R3

С2-23-0,25-200 Ом ± 5%-А-В-В

1


R4, R5

С2-23-0,125-2,2 кОм ± 5%-А-В-В

2


R6

С2-23-0,25-1,2 кОм ± 5%-А-В-В

1


R7

С2-23-0,125-39 кОм ± 5%-А-В-В

1


R8

С2-23-0,125-51 кОм +-5%-А-В-В

1


R9, R10

С2-23-0,125-680 Ом +-5%-А-В-В

2


R11

С2-23-0,125-10 кОм ± 5%-А-В-В

1


R12

С2-23-0,25-160 Ом ± 5%-А-В-В

1


R13

С2-23-0,125-100 кОм ± 5%-А-В-В

1


R14

С2-23-0,125-10 кОм ± 5%-А-В-В

1


R15

С2-23-0,125-100 кОм ± 5%-А-В-В

1


R16

С2-23-0,125-10 кОм ± 5%-А-В-В

1


R17

С2-23-0,125-100 кОм ± 5%-А-В-В

1


R18

С2-23-0,125-10 кОм ± 5%-А-В-В

1


R19, R20

С2-23-0,125-2,2 кОм ± 5%-А-В-В

2


R21

С2-23-0,125-2,2 кОм ± 5%-А-В-В

1


R22

С2-23-0,125-22 кОм ± 5%-А-В-В

1


R23

С2-29В-0.125-250 кОм ± 0.1 %

1


R24

С2-23-0,125-1,6 кОм ± 5%-А-В-В



Трансформаторы

TV1

ЮПШИ5.702.002

1


TV2

ЮПШИ5.702.003

1


Диоды, стабилитроны

VD1

Выпрямительный мост КЦ407А ТТ3.362.146 ТУ

1


VD2

КС216Ж аА0.336.110 ТУ

1


VD3, VD4

КС224Ж аА0.336.110 ТУ

2


VD5

КС405А аА0.336.594 ТУ

1


VD6

КС156Г аА0.336.162 ТУ

1


VD7...VD14

КД510А ТТ3.362.100 ТУ

8


VD15

КС433А аА0.336.001 ТУ

1


VD16...VD20

КД510А ТТ3.362.100 ТУ

5


VS1

ТС106-10-6 ТУ16-432.013-03

1


Транзисторы

VТ1

КТ961В аА0.336.358 ТУ

1


VТ2

КП501Б АДБК.432140.485 ТУ

1


VТ3, VT4

КТ961В аА0.336.358 ТУ

2


VТ5

КП501Б АДБК.432140.485 ТУ

1


VТ6

КТ3102Б аА0.336.122 ТУ

1


VТ7

КТ626А аА0.336.053 ТУ

1


Соединители

XP1

Вилка ОНП-ВГ-1-12/46•10-В21 бР0.364.056 ТУ

1






XS1, XS2

Гнездо Г1,6 ГОСТ24733-81

2



Устройства

A1-E1

Выходное устройство

1


F3, F4

Вставка плавкая ВП1-2 0,5 А АГ0.481.003 ТУ

2


H1, H2

Индикатор единичный АЛ307БМ (вариант 1) аА0.336.076 ТУ

2


R25, R26

Резистор С2-23-0,5-75 кОм ± 5%-А-В-В ОЖ0.467.104 ТУ

2


V1, V2

Реле оптоэлектронное 5П19Б1 ЕНСК.431162.001 ТУ

2




Список использованных источников

1 Общие требования и правила оформления учебных текстовых документов: СТП СМК 4.2.3-01-2011.- Введ. 2011-04-07. - Могилев: Могилевек. гос. ун-т продовольствия. 2011. -43 с.

Титце У. Полупроводниковая схемотехника: учебник/ У. Титце, К. Шенк. - Москва: МИР, 1982. - 512 с.

Похожие работы на - Измерительный преобразователь сопротивления в ток

 

Не нашли материал для своей работы?
Поможем написать уникальную работу
Без плагиата!
Без нейросетей!