Измерительный преобразователь для медного термопреобразователя сопротивления
МИНИСТЕРСТВО
ОБРАЗОВАНИЯ РЕСПУБЛИКИ БЕЛАРУСЬ
УЧРЕЖДЕНИЕ
ОБРАЗОВАНИЯ
ГОМЕЛЬСКИЙ
ГОСУДАРСТВЕННЫЙ ТЕХНИЧЕСКИЙ УНИВЕРСИТЕТ ИМЕНИ П. О. СУХОГО
Факультет
автоматизированных и информационных систем
Кафедра
«Промышленная электроника»
РАСЧЕТНО-ПОЯСНИТЕЛЬНАЯ
ЗАПИСКА
к курсовой
работе
по
дисциплине «Преобразовательная техника»
на тему:
«Измерительный преобразователь для медного термопреобразователя сопротивления»
Исполнитель:
Алампиев А.О.
Руководитель:
Карпов В.А.
Гомель 2013
СОДЕРЖАНИЕ
Введение
Аналитический
Обзор
. Исходные данные для проектирования
. Эквивалентная схема измерения
температуры с использованием термопреобразователя сопротивления
3. Эквивалентная схема первичного
измерительного преобразователя
. Модель датчика температуры
. Функциональная схема
измерительного преобразователя
. Выбор источника опорного
напряжения
. Источник тока
. Расчет коэффициента усиления и
напряжения смещения дифференциального усилителя
. Расчет влияния помехи общего вида
. Расчёт помехи нормального вида
. Расчет преобразователя
напряжение-ток
. Проектирование блока питания
Заключение
Список литературы
Введение
термопреобразователь температура
сопротивление
Измерению температуры придается
большое значение в различных отраслях промышленного производства. Температура является
наиболее массовым и, зачастую, решающим параметром, характеризующим различные
технологические процессы металлургической, химической, энергетической и других
видов промышленности. Точность измерения температуры очень важна для
автоматизации процессов производства. В зависимости от необходимого диапазона и
точности используют методы измерения температуры с помощью следующих средств:
- стеклянных жидкостных термометров;
манометрических термометров;
термопреобразователей сопротивления;
термоэлектрических преобразователей;
оптических и фотоэлектрических пирометров;
специальные способы измерения температуры.
Наиболее распространены методы измерения,
основанные на преобразовании температуры в электрический сигнал. Большинство
методов термометрии основано на изменении свойств материалов от температуры,
которые регистрируются вторичными измерительными приборами, как
унифицированными, так и специализированными.
В настоящее время в термометрической технике в
результате высокой чувствительности вторичных приборов на первый план
выдвигаются воспроизводимость свойств первичных измерительных преобразователей,
устойчивость используемых материалов к воздействию внешней среды, надежность и
долговечность всей конструкции датчиков температуры в условиях их эксплуатации.
Помимо указанных качеств также следует принимать во внимание технологичность и
стоимость используемых материалов и компонентов.
Целью курсовой работы по дисциплине
«САПР устройств промышленной электроники» является разработка и моделирование в
системе Micro-CAP схемы измерительного преобразователя для первичного
преобразователя температуры, обеспечивающей заданные метрологические
характеристики.
Термопреобразователь сопротивления (ТПС) -
первичный измерительный преобразователь, электрическое сопротивление которого
зависит от температуры. ТПС относятся к классу параметрических датчиков.
Материал, из которого изготавливается ТПС, должен обладать высоким
температурным коэффициентом сопротивления (ТКС), как можно более линейной
зависимостью сопротивления от температуры и хорошей воспроизводимостью
характеристик. Этим требованиям наиболее полно удовлетворяют платина (Pt),
медь (Cu) и никель (Ni),
имеющие положительный ТКС. Платина используется для измерения температур в
диапазоне (-200…+1100) 0С; медь - для температур (-200…+200) 0С;
никель - для температур (-60…+180) 0С. Лучшей воспроизводимостью
характеристик обладают платиновые датчики (нестабильность градуировочной
характеристики для лучших образцов не превышает 0,001 0С), а лучшей
линейностью характеристики обладают медные датчики.
Стандартные платиновые термопреобразователи
имеют обозначение ТСП, медные - ТСМ, а никелевые - ТСН. Номинальное
сопротивление термопреобразователей находится в диапазоне единицы - сотни Ом.
Тепловая инерционность стандартных
термометров сопротивления характеризуется постоянной тепловой инерцией,
составляющей от единиц секунд до единиц минут.
При моделировании в Micro-CAP7
конкретный ТПС может быть задан в виде модели резистора по известному
интерполяционному уравнению с учётом своего класса допуска.
Аналитический Обзор
Контроль над температурой составляют основу
многих технологических процессов. Измерение температуры жидкости, газа, твердой
поверхности или сыпучего порошка - каждый случай имеет свою особенность,
которую необходимо понимать, чтобы измерения максимально соответствовали
поставленной задаче. Существует множество датчиков температуры, построенных с
использованием различных физических законов. Одни из них прекрасно справляются
с конкретной задачей по измерению температуры, другие предназначены для
универсального использования. В данной статье описаны основные типы датчиков
для измерения температуры, их особенности, слабые и сильные стороны, задачи,
для которых они предназначены.
Если рассматривать датчики температуры для промышленного
применения, то можно выделить их основные классы: кремниевые датчики
температуры, биметаллические датчики, жидкостные и газовые термометры,
термоиндикаторы, термисторы, термопары, термометры сопротивления, инфракрасные
датчики температуры.
Кремниевые датчики температуры используют
зависимость сопротивления полупроводникового кремния от температуры. Диапазон
измеряемых температур для таких датчиков составляет от -50 С до +150 С. Внутри
этого диапазона кремниевые датчики температуры показывают хорошую линейность и
точность. Возможность производства в одном корпусе такого датчика не только
самого чувствительного элемента, но так же и схем усиления и обработки сигнала,
обеспечивает датчику хорошую точность и линейность внутри температурного
диапазона. Встроенная в такой датчик энергонезависимая память позволит
индивидуально откалибровать каждый прибор. Большим плюсом можно назвать большое
разнообразие типов выходного интерфейса: это может быть напряжение, ток, сопротивление,
либо цифровой выход, позволяющий подключить такой датчик к сети передачи
данных. Из слабых мест кремниевых датчиков температуры можно отметить узкий
температурный диапазон и относительно большие размерами по сравнению с
аналогичными датчиками других типов, особенно термопарами. Кремниевые датчики
температуры применяются в основном для измерения температуры поверхности,
температуры воздуха, особенно внутри различных электронных приборов. Например
можно назвать температурные регистраторы компании Dallas semiconductor
выпускаемые под маркой THERMOCHRON. Регистраторы имеют кремниевый датчик
температуры, микросхему обработки сигнала и память для сохранения результатов.
Биметаллический датчик температуры, как следует
из названия, сделан из двух разнородных металлических пластин, скрепленных
между собою. Различные металлы имеют различный коэффициент расширения при той
или иной температуре. Например, константан практически не расширяется при
температуре, железо, напротив испытывает заметное расширение. Если полоски из
этих металлов скрепить между собой и нагреть (или охладить), то они изогнутся.
В биметаллических датчиках пластинки замыкают или размыкают контакты реле, или
двигают стрелку индикатора. Диапазон работы биметаллических датчиков от -40 С
до +550 С. Биметаллические датчики используют для измерения поверхности твердых
тел, реже для измерения температуры жидкости. Основным преимуществом датчиков
является простота и надежность конструкции, возможность работы без
электрического тока, низкая стоимость. Вместе с тем, биметаллические датчики
температуры имеют большой разброс характеристик, а так же большой гистерезис
переключения, особенно при низких температурах. Основные области применения
биметаллических температурных датчиков - автомобильная промышленность, системы
отопления и нагрева воды.
Жидкостные и газовые термометры наиболее старые
типы датчиков температуры. Первая шкала температуры была предложена Фаренгейтом
в начале 18-го века именно для жидкостного термометра. Жидкостные термометры
используют эффект расширения жидкостей при повышении температуры. В качестве
жидкостей используется спирт или ртуть в диапазоне комнатных температур. Для
измерений низких температур, например в криогенной технике, может быть
использован жидкий неон, а для измерения высоких температур обычно используют
галлий, который находится в жидком состоянии уже от 20 С. В газовых термометрах
используется эффект расширения, при переходе вещества из жидкого в газообразное
состояние. Газ давит через мембрану и замыкает электрические контакты. Диапазон
измерений для жидкостных и газовых термометров от -200 С до +500 С. Термометры
этого класса обычно применяются для визуального контроля температуры, либо в
качестве термостатов в различных нагревателях и холодильной технике.
Термоиндикаторы - это особые вещества,
изменяющие свой цвет под воздействием температуры. Такое изменение цвета может
быть как обратимым, так и необратимым. В диапазоне комнатных температур
используются термоиндикаторы на основе жидких кристаллов. Они плавно изменяют
свой цвет при изменении температуры. Изменения эти, как правило, обратимые.
Производятся они в виде пленки, часто с клейкой подложкой, и служат для
оперативного визуального контроля температуры. Для низких и высоких температур
производятся в основном необратимые термоиндикаторы. То есть, если температура
хотя бы один раз превысила допустимую, то индикатор необратимо меняет свой
цвет. Такие термоиндикаторы используют, например, для контроля за замороженными
продуктами. Если в процессе хранения или транспортировки температура хоть раз
была выше допустимой, то изменившаяся окраска термоиндикатора сообщит об этом.
Основное достоинство термоиндикаторов низкая стоимость. Их можно использовать
как одноразовые датчики температуры.
Термисторы. В этом классе датчиков используется
эффект изменения электрического сопротивления материала под воздействием
температуры. Обычно в качестве термисторов используют полупроводниковые
материалы, как правило, оксиды различных металлов. В результате получаются
датчики с высокой чувствительностью. Однако большая нелинейность позволяет
использовать термисторы лишь в узком диапазоне температур. Термисторы имеют
невысокую стоимость и могут изготавливаться в миниатюрных корпусах, позволяя
увеличить тем самым быстродействие. Существует два типа термисторов,
использующих положительный температурный коэффициент - когда электрическое сопротивление
растет с повышением температуры и использующих отрицательный температурный
коэффициент - здесь электрическое сопротивление падает при повышении
температуры. Термисторы не имеют определенной температурной характеристики. Она
зависит от конкретной модели прибора и области его применения. Основными
достоинствами термисторов является их высокая чувствительность, малые размеры и
вес, позволяющие создавать датчики с малым временем отклика, что важно,
например, для измерения температуры воздуха. Безусловно, невысокая стоимость
так же является их достоинством, позволяя встраивать датчики температуры в
различные приборы. К недостаткам можно отнести высокую нелинейность
термисторов, позволяющую их использовать в узком температурном диапазоне.
Использование термисторов так же ограничено в диапазоне низких температур.
Большое количество моделей с различными характеристиками и отсутствие единого
стандарта, заставляет производителей оборудования использовать термисторы
только одной конкретной модели без возможности замены.
Инфракрасные датчики температуры или пирометры
измеряют температуру поверхности на расстоянии. Принцип из работы основан на
том, что любое тело при температуре выше абсолютного нуля излучает
электромагнитную энергию. При низких температурах это излучение в инфракрасном
диапазоне, при высоких температурах часть энергии излучается уже в видимой
части спектра. Интенсивность излучения напрямую связана с температурой
нагретого объекта. Диапазон измерений температур бесконтактными датчиками от
-45 С до +3000 С. Причем в диапазоне высоких температур инфракрасным датчикам
нет конкуренции. Для измерения в различных диапазонах температур используются
различные участки инфракрасного спектра. Так при низких температурах это обычно
диапазон длин волн электромагнитного излучения 7 - 14 микрон. В диапазоне
средних температур это может быть 3 - 5 микрон. При высоких температурах
используется участок о районе 1 микрон. Однако и здесь есть свои особенности,
связанные с решением конкретной задачи. Так для измерения температуры тонких
полимерных пленок используются датчики, работающих на длинах волн 3,43 или 7,9
микрометров, а для измерения температуры стекла используют датчики, работающие
в диапазоне 5 микрон. Для правильного измерения температуры необходимо еще ряд
факторов. Прежде всего это излучательная способность. Она связана с
коэффициентом отражения простой формулой: E = 1 - R, где Е - излучательная
способность, R - коэффициент отражения. У абсолютно черного теля излучательная
способность равна 1. У большинства органических материалов, таких как дерево,
пластик, бумага, излучательная способность находится в диапазоне 0,8 - 0,95.
Металлы, особенно полированные напротив имеют низкую излучательную способность,
которая в этом случае будет 0,1 - 0,2. Для правильного измерения температуры
необходимо определить и установить излучательую способность измеряемого
объекта. Если значения будут выбраны неправильно, то температура будет
измеряться неверно. Обычно показания занижаются. Так, если металл имеет
излучательную способность 0,2, а на датчике установлен коэффициент 0,95 (он
обычно используется по умолчанию), то при наведении на нагретый до 100 С
металлический объект датчик будет показывать температуру около 25 С.
Корректировать излучательную способность можно определив ее для различных
материалов по справочнику, либо измеряя температуру поверхности альтернативным
способом, например термопарой, вносить необходимые поправки. Хорошие результаты
при не очень высоких температурах дает окраска специальной термостойкой, черной
краской измеряемой поверхности. Второй важной характеристикой инфракрасного
датчика является оптическое отношение - это отношение расстояния до объекта
измерений к размеру области с которой эти измерения ведутся. Например
оптическое отношение 10:1 означает, что на расстоянии 10 метров размер площади,
с которой ведется измерение температуры составляет 1 метр. Современные
инфракрасные датчики температуры имеют оптическое отношение достигающие 300:1.
Основные достоинства инфракрасных датчиков температуры: малое время отклика.
Это самые быстродействующие датчики температуры. Возможность измерения
температуры движущихся объектов. Измерения температуры в труднодоступных и
опасных местах. Измерение высоких температур, там, где другие датчики уже не
работают. К достоинствам можно отнести то, что отсутствует непосредственный
контакт с объектом и соответственно не происходит его загрязнения. Это может
быть важно в полупроводниковой промышленности или фармацевтике.
Термометры сопротивления это резисторы,
изготовленные из платины, меди или никеля. Это могут быть проволочные
резисторы, либо металлический слой может быть напыленным на изолирующую
подложку, обычно керамическую или стеклянную. Платина чаще всего применяется в
термометрах сопротивления из-за ее высокой стабильности и линейности изменения
сопротивления с температурой. Медь используется в основном для измерения низких
температур, а никель в недорогих датчиках для измерения в диапазоне комнатных
температур. Для защиты от внешней среды платиновые термометры сопротивления
помещают в защитные металлические чехлы и изолируют керамическими материалами,
такими как оксид алюминия или оксид магния. Такая изоляция снижает так же
воздействие вибрации и ударов на датчик. Однако вместе с дополнительной
изоляцией растет и время отклика датчика на резкие температурные изменения.
Платиновые термометры сопротивления одни из самых точных датчиков температуры.
Кроме того, они стандартизированы, что значительно упрощает их использование.
Стандартно производятся датчики сопротивлением 100 и 1000 Ом. Изменение
сопротивления таких датчиков с температурой дается в любых тематических
справочниках в виде таблиц или формул. Диапазон измерений платиновых
термометров сопротивления составляет -180 С +600 С. Несмотря на изоляцию, стоит
оберегать термометры сопротивления от сильных ударов и вибрации.
Термопары представляют собой две проволоки из
различных металлов, сваренных между собой на одном из концов.
Термоэлектрический эффект открыл немецкий физик Зеебек в первой половине 19-го
века. Он открыл, что если соединить два проводника из разнородных металлов
таким образом, что бы они образовывали замкнутую цепь и поддерживать места
контактов проводников при разной температуре, то в цепи потечет постоянный ток.
Экспериментальным путем были подобраны пары металлов, которые в наибольшей
степени подходят для измерения температуры, обладая высокой чувствительностью,
временной стабильностью, устойчивостью к воздействию внешней среды. Это
например пары металлов хромель-аллюмель, медь-константан, железо-константан,
платина-платина/родий, рений-вольфрам. Каждый тип подходит для решения своих
задач. Термопары хромель-алюмель (тип К) имеют высокую чувствительность и
стабильность и работают до температур вплоть до 1300 С в окислительной или
нейтральной атмосфере. Это один из самых распространенных типов термопар.
Термопара железо-константан (тип J) работает в вакууме, восстановительной или
инертной атмосфере при температурах до 500 С. При высоких температурах до 1500
С используют термопары платина- платина/родий (тип S или R) в керамических
защитных кожухах. Они прекрасно измеряют температуру в окислительной,
нейтральной среде и вакууме.
Будь то платиновый термометр сопротивления,
термопара, инфракрасный датчик, кремниевый датчик или термистор, каждый из них
обладает рядом уникальных свойств, позволяющих наилучшим образом решить задачу
по измерению температуры. Высокая точность и стабильность отличают платиновые
термометры сопротивления. Достоинством кремниевых датчиков так же является
высокая точность, пусть и в узком температурном диапазоне. Термисторы обладают
высокой чувствительностью и невысокой ценой, что позволяет встраивать их в
различные электронные приборы. Инфракрасные датчики температуры позволяют
измерить быстропротекающие температурные процессы и объекты с очень высокой
температурой. К достоинствам термопар несомненно можно отнести точность и
стабильность показаний в широком диапазоне температур, их устойчивость в
неблагоприятным воздействиям внешней среды.
Термопреобразователи сопротивления:
технические характеристики
Термопреобразователь сопротивления (ТПС) -
первичный измерительный преобразователь, электрическое сопротивление которого
зависит от температуры. ТПС относятся к классу параметрических датчиков.
Материал, из которого изготавливается ТПС, должен обладать высоким
температурным коэффициентом сопротивления (ТКС), как можно более линейной
зависимостью сопротивления от температуры и хорошей воспроизводимостью
характеристик. Этим требованиям наиболее полно удовлетворяют платина (Pt),
медь (Cu) и никель (Ni),
имеющие положительный ТКС. Платина используется для измерения температур в
диапазоне (-200...+ 1100) °С; медь - для температур (-200... +200)°С; никель
- для температур (-60...+180) °С. Лучшей воспроизводимостью характеристик
обладают платиновые датчики (нестабильность градуировочной характеристики для
лучших образцов не превышает 0,001°С), а лучшей линейностью характеристики
обладают медные датчики.
Стандартные платиновые термопреобразователи
имеют обозначение ТСП, медные - ТСМ, а никелевые - ТСН. Номинальное
сопротивление термопреобразователей находится в диапазоне единицы - сотни Ом.
Тепловая инерционность стандартных термометров
сопротивления характеризуется постоянной тепловой инерции, составляющей от единиц
секунд до единиц минут.
Основные технические характеристики ТПС
регламентируются стандартом, в котором изменение сопротивления в функции
температуры описывается номинальными статическими характеристиками (НСХ). При
этом сопротивление ТПС определяется по формуле:
Rt=Wt
*R0
, (1.7)
где R0
-
сопротивление ТПС при 0°С, один из основных технических параметров ТПС;
Rt
-
сопротивление ТПС при температуре t
°C;
Wt
-
значение отношения сопротивлений при температуре t°C
и
при температуре 0°С.
На рисунке 1.7 показан пример НСХ, построенной
по табличным данным.
Рисунок 1.7 - НСХ платинового ТПС с Ro=100Ом,
W100=1.385
Аналитически каждая НСХ на определённых
температурных отрезках может быть описана интерполяционным уравнением. Вид
интерполяционного уравнения и его коэффициенты зависят от материала ТПС и
номинального значения сопротивлений при 100°С и при 0°С:
По точности воспроизводимости своей
градуировочной характеристики и по допускаемому отклонению сопротивления R0
от
номинального ТПС делятся на классы допуска А, В и С [2].
Термоэлектрические преобразователи
Термоэлектрические преобразователи (термопары)
основаны на термоэлектрическом эффекте, заключающемся в том, что в замкнутом
контуре, состоящем из двух разнородных проводников, течёт ток, если места спаев
находятся при разной температуре. Ток протекает под действием
термоэлектродвижущей силы (термоЭДС). При размыкании этой цепи на её выводах
будет присутствовать термоЭДС, изменяющаяся с температурным коэффициентом единицы-десятки
мкВ/°С. Таким образом, термопары относятся к классу генераторных датчиков.
Термопары используются для измерения температуры в широком диапазоне - в
зависимости от материала проводников от -270 до +2500 °С с хорошей точностью -
не хуже 20С. Материал электродов термопар стандартизирован.
Традиционное конструктивное устройство
промышленной термопары показано на рисунке 1.8.1,а; внешний вид современного
кабельного термопарного термопреобразователя - на рисунке 1.8,б. На рисунке
1.8.1,а термоэлектроды 1 изолированы друг от друга керамическими бусами 2
или керамической трубкой; одним из своих концов они сварены, другим
присоединены к зажимам в головке 5, служащей для подключения внешних
проводов. Термоэлектроды помещены в защитный чехол 4. Чехол выполняется
из жаропрочной ткани, а при измерении очень больших температур - из керамики
или кварца.
На рис. 1.8.1,б пара термоэлектродов 1 помещена
внутрь гибкой металлической трубки 2 и изолирована уплотненным плавленым
порошком - оксидом магния. Термоэлектроды термопары со стороны рабочего торца
сварены между собой лазерной сваркой, образуя рабочий спай внутри стальной
оболочки термопарного кабеля. При работе в потоках жидкости или газа,
двигающихся с большой скоростью, а также при высоких давлениях и температурах,
в агрессивных средах, кабельный термопреобразователь может быть помещен в
защитный чехол 3 стандартной конструкции.
Рисунок 1.8.1 - Устройство промышленной
термопары.
Место соединения термоэлектродов называется горячим
или рабочим спаем. Противоположные концы называются холодными или свободными.
Рабочий конец термопары погружается в среду, температуру которой требуется
измерить, а свободные концы предназначены для подключения к вторичному прибору.
Наиболее простой (классический) способ
подключения термопары к измерительному усилителю (ИУ) поясняет рисунок 1.8.2.
Рабочий спай находится в среде с измеряемой температурой tр.c.,
а
опорный (холодный) спай находится, как правило, возле вторичного измерительного
преобразователя при температуре tо.с..
Эквивалентная ЭДС на входе ИУ при этом
составляет:
(1.8)
В данной схеме опорный спай
позволяет избежать погрешности из-за наличия на входах ИУ двух различных
паразитных термопар «электрод-клемма», которые могут находиться в различных
температурных условиях.
Рисунок 1.8.2 - Классический способ
подключения термопары к ИУ
Если температура свободных концов
возле рабочего спая постоянна, то подключение к термопаре может быть сделано
медным проводом, а иначе оно выполняется удлинительными (компенсационными)
проводами. В качестве последних используются два провода из различных
материалов. Провода подбираются так, чтобы при температуре холодных спаев и в
паре между собой они имели такие же термоэлектрические свойства, как и рабочая
термопара. При присоединении к термопаре компенсационные провода удлиняют её и
дают возможность отвести холодный спай образованной составной термопары в такое
место, где температура остаётся постоянной [2].
Измерительные цепи для датчиков
температуры
Схемы подключения датчиков температуры к
измерительному преобразователю во многом определяется типом самого
температурного датчика. В случае если первичным датчиком является
термоэлектрический преобразователь с крутизной преобразования порядка десяти
мкВ/°С, к входному усилителю измерительного преобразователя предъявляются
повышенные требования по температурной стабильности параметров, входному
сопротивлению и коэффициенту усиления. Для параметрических температурных
датчиков (ТПС, термисторы) широкое распространение получили мостовые
измерительные схемы. Использование мостовой схемы в комбинации с операционным
усилителем, охваченным одновременно отрицательной и положительной обратной
связью, позволяет не только сформировать и усилить информационный сигнал, но и
линеаризовать зависимость выходного напряжения от температуры. Подобная схема
может применяться в случаях, когда температура измеряется в широком диапазоне
средствами аналоговой электроники и на результат начинает оказывать заметное
влияние нелинейность датчика. Следует отметить, что в современных измерительных
преобразователях для резистивных температурных датчиков, как правило,
линеаризация характеристики производится процессорным элементом после оцифровки
сигнала. В тех случаях, когда измерения проводятся в относительно узком
температурном диапазоне, достаточно получить линейную зависимость напряжения от
измеряемого сопротивления Rt.
При
этом целесообразно запитывать ТПС от источника измерительного тока I0
(постоянного или переменного), тогда падение напряжения на ТПС, равное I0
Rt
является
информационным параметром. В этом случае нужно учитывать, что сопротивление ТПС
уже будет зависеть не только от температуры окружающей среды, но и от
проходящего по нему тока I0.
Измерительный ток выбирается в диапазоне 0,1...50 мА. При этом перегрев медного
ТПС измерительным током не должен превышать 0,4°С, а платинового - 0,2°С [2].
1. Исходные данные
Основная погрешность 0.2 %.
Дополнительная температурная погрешность 0.2 %
на 10°С.
Рабочий температурный диапазон 0-100°С.
Схема соединения - трехпроводная.
Выходной унифицированный сигнал 0-10 мА.
Сопротивление термопреобразователя при 0°С - 50
Ом.
Диапазон измерения температуры Δt=(0÷100)°С.
Максимальный ток питания датчика не более 3мА.
Сопротивление изоляции 500 кОм.
Паразитная емкость 1 нФ.
Уровень синфазной помехи 10 В.
Уровень помехи нормального вида 1 В.
Пульсация выходного тока менее, чем 0.1 %.
. Эквивалентная схема измерения
температуры с использованием термопреобразователя сопротивления
Эквивалентная схема измерения представлена на
рис.2.1, где приняты следующие обозначения:
ИП -
измерительный преобразователь;
ОИ - объект
измерения;
ЗА -
защитная арматура чувствительного элемента термопреобразователя сопротивления
(ТПС);
ЧЭ -
чувствительный элемент ТПС;
ЛС - линия
связи;
Rлс
- сопротивление ЛС;
Rиз
- сопротивление изоляции между ЧЭ и ЗА ТПС;
Спар
- емкость между ЧЭ и ЗА, обусловленная конструктивными особенностями ТПС;
Uз -
напряжение между землями ИП и ЗА ТПС;
Uп -
эквивалентное напряжение помехи, приложенное к входу ИП;
ИТ - источник
тока ИП, при помощи которого запитывается ПТС;
ВУ - входной
усилитель, усиливающий падение напряжения на ПТС.
Рис.2.1. Эквивалентная схема
измерения температуры с использованием термопреобразователя сопротивления.
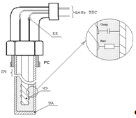
. Эквивалентная схема первичного
измерительного преобразователя
Эквивалентная схема ТПС представлена
на рис.3.1.
Рис 3.1. Эквивалентная схема
первичного измерительного преобразователя ( ТПС ):
РС - резьбовое соединение
КК - клеммная колодка;
ПЧ - погружаемая часть;
ЧЭ - чувствительный элемент;
ЗА - защитная арматура ЧЭ.
4. Модель датчика температуры
Первичным измерительным преобразователем
температуры является термопреобразователь сопротивления (ТПС).
С учетом заданного диапазона измеряемых
температур (0...+100)град С, выбираем медный термопреобразователь сопротивления
класса допуска B, для которого значения метрологических
характеристик определены при температурах (0...+100)град С. Для ТПС этого
класса допускаемое отклонение сопротивления от номинального при 0 град С не
превышает 0.1%, а допускаемое отклонение сопротивления (в температурном
эквиваленте) от номинальной статической характеристики преобразования не
превышает (0.25+0.0035|t|)град С.
Номинальная статическая характеристика ТПС в
диапазоне температур
-10...200 град.С0
описывается уравнением вида: 
Сопротивление ТПС изменяется по
закону: 
Допускаемое отклонение сопротивления
ТПС составляет:
Построим зависимость сопротивления
ТПС от температуры с учетом предельно допускаемых отклонений:
Рисунок 4.1-зависимость
сопротивления ТПС от температуры с учетом предельно допускаемых отклонений
Рисунок 4.2- увеличенная зависимость
сопротивления ТПС от температуры с учетом предельно допускаемых отклонений
При проведении расчета и моделирования
представим модель ТПС как резистор с допуском 0.1% и линейным ТКС, равным α
.
Определим значения сопротивлений ТПС для шести
равноотстоящих точек заданного температурного диапазона :
|
tC
|
0
|
10
|
20
|
30
|
40
|
50
|
60
|
|
Rt(tC)
|
50
|
52.1
|
54.2
|
56.3
|
58.4
|
60.5
|
62.6
|
Таким образом, считаем, что в пределах
измеряемого диапазона температур сопротивление ТПС изменяется по закону (1) от
50 Ом до 62.6 Ом.
. Функциональная схема
измерительного преобразователя
Один из вариантов функциональных схем ИП с
использованием ТПС приведён на рисунок 5.1.
Рисунок 5.1- Функциональная схема измерительного
преобразователя температуры с использованием ТПС (пунктиром показаны блоки и
связи, необходимость наличия которых определяется при проектировании):
ИП -
измерительны преобразователь сопротивление - ток:
ТПС -
термопреобразователь сопротивления соединенный с измерительным преобразователем
трехпроводной линией связи ;
r
-
сопротивление одного провода линии связи :
1,2,3 -
зажимы ТПС;
А,В,С -
зажимы ИП;
ИТ - источник
тока, служащий для задания рабочего (измерительного) тока через ТПС;
Rt
-
электрическое сопротивление термопреобразователя сопротивлений;
I0 -
ток источника ТПС;
ДУ - дифференциальный
усилитель коэф. усиления Кус;
ВУ -
вспомогательный усилитель, используемый для компенсации падения напряжения в
проводах линии связи;
Еоп
-
источник опорного напряжения, используемый для формирования напряжений Есм1,
Есм2 и для задания тока I0;
ФНЧ
- фильтр нижних частот, предназначенный для ослабления плмех общего и
нормального видов сетевой частоты.
ПНТ
- преобразователь напряжение - ток , предназначенный для формирования
унифицированного выходного сигнала в виде тока.
Iвых
- выходной ток ИП.
Eсм1
-
напряжение смещения, необходимое для компенсации выходного напряжения ДУ при
наинизшей (t1) температуре ТПС.
Eсм2
-
напряжение смещения, необходимое для согласования масштаба выходного напряжения
ФНЧ и выходного тока Iвых.
ИП - источник
питания, предназначенный для питания схемы измерительног преобразователя.
6. Выбор источника опорного
напряжения
Питание измерительных преобразователей (ИП) для
ТПС может осуществляться как от сети однофазного переменного тока, так и от
источника постоянного тока. Причем, перечень номиналов питающих напряжений
стандартизован. Предположим, что вся схема ИП получает питание от источника
выпрямленного переменного напряжения номиналами +-15 В, подключенного к сети
220 В, частотой 50 Гц.
Коэффициент высших гармоник питающего
напряжения ИП не должен превышать 5%. Для того, чтобы снизить возможное влияние
пульсаций питающего напряжения на точность ИП, необходимо применение источника
опорного напряжения. Лучшим решением в плане точности и температурной
стабильности в данном случае будет применение ИМС прецизионного
термостатированного ИОН.
Условное графическое обозначение ( УГО ) AD581U
приведено на рисунок 6.1.
Рисунок 6.1-УГО AD581U
Выберем трехвыводной интегральный ИОН AD581U,
имеющий следующие параметры - Таблица 6.1
Таблица6.1 -Предельно-допустимые и электрические
параметры ИОН AD581U
|
Параметр
|
Температурный диапазон, град С
|
Значение
|
|
Uст.ном, В
|
- 55 … + 125
|
10
|
|
ΔUст.max, мВ
|
|
5
|
|
Iвых min, мА
|
|
10
|
|
Uвх, В
|
|
12 … 30
|
|
ΔUст, В
|
|
10е-6[1/град С]
|
|
ΔUст, В
|
0 … 70
|
5е-6 [1/град С]
|
|
Iпотр, мА
|
- 55 … + 125
|
1
|
DC-анализ схемы ИОН в MicroCAP8 при
температуре 27 град С показывает, что при изменении входного (питающего)
напряжения AD581U в пределах (12...16)В его выходное (опорное) напряжение
находится в пределах (9.99510 … 9.99589) В. Кроме того, Transient-анализ
показывает, что при изменении средней рабочей температуры схемы от 0 до 100
град С опорное напряжение изменяется в пределах ( 9.99423686 … 10.00009314 ) В.
Рисунок 6.2- DC-анализ схемы ИОН в
MicroCAP8 при температуре 27 град С
Рисунок 6.3- Transient-анализ схемы ИОН в MicroCAP8 при температуре 0 град С и 60 град
С.
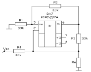
. Источник тока
Так как выходной сигнал должен быть 3 мА, то
применим преобразователь напряжение/ток.
Рисунок
7.1 - Выходной преобразователь
Получим расчетные соотношения :
где : Rп=R1 //R2; Rп’=R3 //R4 //Rн. Выражая из
приведенных уравнений ток Iн, можно
получить следующее выражение :
При соблюдении равенства :
,
окончательно можно записать :
Выходной ток и входное напряжение связаны
зависимостью:
Uвх=Iвых×R4,
при R4=R3=R2=R1,откуда:
Выбираем R4=R3=R2=R1=3.3кОм:
С2-29В-0.062Вт-3.3кОм±0.1%-А
В качестве ОУ выбираем операционный усилитель
К140УД17А.
8. Расчет коэффициента усиления и
напряжения смещения дифференциального усилителя
При питании ТПС током I0
потенциалы зажимов А и В будут иметь следующие выражения:
Для компенсации влияния
сопротивления проводов линии связи необходимо реализовать во входной цепи
следующие выражение:
Входное напряжение ДУ U1
будет равно:
С учетом напряжения смещения Есм1,
можно записать:
Учитывая, что
для двух
заданных температур t1 и t2 (t1 - низшая, t2
- высшая) можно записать:
Диапазон изменения выходного
напряжения ДУ будет равен:
Необходимо чтобы выходной сигнал ДУ
был равен нулю при низшей температуре, т.е.:
Из последних двух уравнений находим
коэффициент усиления и Есм1:
Нам известно, что R0 = 50 Ом, α = 4.28·10-3 0С-1,t1 = 0, t2 = 100, I0 = 3 мА и
тогда:
Есм1 =I0· R0·(1+ α·t1)=3·50·10-3·(1+4.28·10-3(0))=150
(мB)
Зададимся выходным напряжениемU1(t2) ДУ при
наивысшей температуре ТПС t2 равной 4.2
В. Тогда из выражения :
U1(t2)= I0· R0·(t2-t1) ·Кус
,
Находим Кус:
В качестве ДУ выбираем [6] AD620A, основные
характеристики которого приведены в таблице№8.1.
Рисунок 8.1 - Прецизионные
инструментальные усилители AD620
Таблица №8.1
|
Технические параметры
|
|
Набор устанавливаемых коэффициентов передачи
|
1 ... 10000
|
|
Коэффициент подавления синфазной помехи
|
100 дБ (G=10)
|
|
Малое время установления (до 0,01%)
|
15 мкс
|
|
Малое напряжение смещения
|
50 мкВ
|
|
Малый дрейф напряжения смещения
|
0,6 мкВ/°С
|
|
Малый ток смещения
|
1 нА
|
|
Низкий уровень шумов (f=1кГц)
|
9 нВ/sqrt(Гц)
|
|
Низкое потребление
|
1,3 мА
|
|
Широкий диапазон питающих напряжений
|
±2,3 В...±18 В
|
|
Промышленный диапазон температур
|
-40...+85oС
|
|
Корпус 8-контактный для всех модификаций
|
DIP-8, SOIC-8
|
Согласно описанию коэф. усиления данного
усилителя одним резистором Rус,
находим из следующего соотношения:
Выбираем Rус
[1]:
С2-29В-0.062Вт-8.8 кОм±0.1%-А
В качестве ДУ вспомогательного усилителя выбираем
усилитель К140УД17А. Прецизионный усилитель с малым напряжением смещения и
высоким коэффициентом усиления напряжения. Имеет внутреннюю частотную
коррекцию. Обладает отличным сочетанием параметров входных напряжений и тока
шума. Предназначен для применения в высокоточных измерительных цепях с большим
коэффициентом усиления. Основные электрические
параметры приведены в таблице №8.2.
Таблице №8.2
|
Напряжение питания
|
± 15 В ± 10%
|
|
Максимальное выходное напряжение
|
не менее ± 12 В
|
|
Напряжение смещения нуля
|
|
|
при Uп= ± 15 В
|
не более 75 мкВ
|
|
при Uп= ± 16,5 В
|
не более 135 мкВ
|
|
Входной ток
|
|
|
при Uп= ± 15 В
|
не более 4 нА
|
|
при Uп= ± 16,5 В
|
не более 5 нА
|
|
Ток потребления
|
|
|
при Uп= ± 15 В
|
не более 4 мА
|
|
при Uп= ± 16,5 В
|
не более 4,5 мА
|
|
Разность входных токов
|
|
|
при Uп= ± 15 В
|
не менее 3,8 нА
|
|
при Uп= ± 16,5 В
|
не менее 4,5 нА
|
|
Коэффициент усиления напряжения
|
|
|
при Uп= ± 15 В
|
не менее 200000
|
|
при Uп= ± 13,5 В
|
не менее 200000
|
|
Синфазное входное напряжение
|
|
|
не менее
|
± 13 В
|
|
типовое
|
± 15 В
|
|
Коэффициент влияния нестабильности
|
|
|
источников питания на напряжение смещения
|
не менее 94 дБ
|
|
Частота еденичного усиления
|
не менее 0,4 МГц
|
|
Скорость нарастания выходного напряжения
|
не менее 0,1 В/мкс
|
|
Средний температурный дрейф напряжения смещения
|
не более 3 мкВ/ °C
|
|
Средний температурный дрейф разности входных токов
|
не более 120 пА/ °C
|
Принципиальная схема ДУ и ВУ приведена на
рисунке 8.2. В качестве резисторов R
[1] выбираем :
R1,R2:
С2-29В-0.062Вт-10кОм±0.1%-А
Рисунок 8.2 - Принципиальная схема
дифференциального (DA2)
и вспомогательного усилителя (DA1)
Необходимо сформировать напряжение 150мВ. Для
этой цели используем схеме параметрического стабилизатора напряжения,
представленную на рисунке 8.3.
В качестве стабилитрона выберем прецизионный
стабилитрон 2С108Б [3] с номинальным напряжением стабилизации 6.4В, а в
качестве ОУ используем К140УД17А[5]. Делитель напряжения R4,
R5
должен обеспечить выходное напряжение 100мВ.
Рассчитаем делитель напряжения:

; 
,
откуда 
, задаемся R2=1кОм и
находим R1=42.7 кОм
Выбираем резисторы [1]:
R4:
С2-29В-0.062Вт-42.7кОм±0.1%-А
R5:
С2-29В-0.062Вт-1кОм±0.1%-А
Сопротивление Rб - баластное
должно пропустить ток стабилитрона и ток делителя Iд:
Ток стабилитрона Ic задаем 15
мА, тогда:
Выбираем Rб [1]:
С2-29В-0.062Вт-570 Ом±0.1%-А
Рисунок 8.3 - Формирователь
напряжения смещения
9. Расчет влияния помехи общего вида
Влияния помехи общего вида проведем
согласно схеме приведенной на рисунке 9.1. На данной схеме Спар,Rиз -
соответственно паразитная емкость и сопротивление изоляции чувствительного
элемента ТПС относительно его корпуса, который всегда заземляется.
Рисунок 9.1- Схема, поясняющая
действие помехи общего вида Ео.в
Точка D,
эквивалентная точка приложения Rt к корпусу
ТПС, разбивает Rt на две
составляющие R’t и R’’t , R’t+ R’’t= Rt.
Местонахождение точки D относительно Rt определяет
долю помехи Ео.в , приходящую на вход ИП. Rвх - входное
сопротивление усилителя , ZАС , ZВС -
эквивалентные комплексные сопротивления изоляции и паразитные емкости в точках
А и В отношении только заземленного корпуса ИП. Ео.в напряжение
между точками ИП и ТПС. Как правило RАС ≈ RВС ≈ (0.1÷10)ГОм и САС
≈ СВС ≈ (0.1÷10) нФ. Эквивалентная схема действия
помехи общего вида представлена на рисунке 9.2а. Откуда видно, что с учетом
того r, Rt « Zиз, ZАС, ZBC, Rвх, влияние
помехи Ео.в будет наибольшим (UАВ -
максимально) если точка D займёт положение между r и Rt,см. рисунок
6.2б. С учетом отмеченных неравенств можно перейти к схеме , представленной на
рисунке 6.2в, по которой оценим влияние помехи Ео.в . В данном
случае напряжение UАВ - это
напряжение на сопротивлении Rt , тогда:
С учетом тем, что: 
,
можно записать следующее выражение:

.
Рисунок 9.2 - Эквивалентные схемы
для оценки влияния помехи Ео.в
В нашем случае, Rиз=Rпар =500 кОм; Спар=1
нФ; ω=314
с-1;Ео.в=10
В;Rt=50 Ом,
Тогда получим: Спар· Rпар=10-9·3.14·500·103=0,157
с. « 1.
Для этого напряжения от полезного
напряжения, на входе ДУ:
Составляет: 1/64.2 = 1.55 (Это не
допустимо. Заданная погрешность δ < 0.2%).
10. Расчёт помехи нормального вида
Рисунок 10.1 - Схема поясняющая
действие помехи нормального вида
Помеха нормального вида Ен.в.
прикладывается непосредственно ко входу ИП, между точками А и В. Естественно
если она больше, чем часть прошедшая от помехи Ео.в., то
ориентироваться необходимо на нее.
Для расчета фильтра нижних частот
необходимо определить его коэффициент подавления на частоте помехи ( f=50Гц, w=314 с-1)
Необходимо обеспечить, чтобы доля
пульсации выходного напряжения от максимального полезного была меньше ем
основная погрешность δ.
В
пересчете ко входному напряжению можно записать:
Зададимся коэффициентом подавления
22·10-3, тогда оптимальное число звеньев пассивного фильтра НЧ можно
определить следующим образом:
n=0.5·lnKп=0.5·ln22000 =
4.999 ≈ 5
Коэффициент подавления будет равен:
Задаемся значением С =1 мкФ =10-6Ф,
получаем R=20 кОм.
Целесообразно ФНЧ разбить на два.
Несколько каскадов расположить на входе, перед ДУ и ВУ, а остальные после ДУ.
Определим число каскадов, расположенных на входе. Задаемся превышением
напряжения ∆U ДУ относительно U1(t2)·Kус можно
записать:

,
или
Откуда выбираем n=1. Т.е. во
входном каскаде располагаем три звена фильтра, а после ДУ еще одно звено. Схема
расположения каскадов приведена на рисунке 10.1.
Выбираем элементы фильтра:
Rф -
С2-33-0,125Вт-10кОм±5% -Г
Сф - К73-11-63В-1,0мкФ±5%
Рисунке 10.1- Схема расположения
каскадов
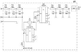
11. Расчет преобразователя
напряжение -ток
Выбираем схему преобразователя
напряжение-ток представлена на рисунок 11.1 можно получить:
Рисунок 11.1- Схема преобразователя
напряжение-ток
Запишем систему для выходного тока в
зависимости от температуры:

Диапазон изменения выходного тока 0÷10мА и входное
напряжение 4.28 В. Решая систему уравнений относительно R0 и Uвх1 можно
получить:
Отсюда следует: R0=428 (Ом), Uвх1=0 (В).
Выбираем R0=428 (Ом):
С2-33-0,125Вт-428Ом±0.1% -А
Ни один усилитель общего применения
не в состоянии отдать в нагрузку ток больше чем 10мА. Поэтому необходимо
выходной ток ОУ1 усиливать по току. Это можно сделать с помощью схемы
приведенной на рисунке 11.2.
Рисунок 11.2- Схема преобразователя
напряжение-ток
Выбираем R:
С2-29В-0.062Вт-10кОм±0.1%-А
Выбираем r:
С2-29В-0.062Вт-51Ом±0.1%-А
В качестве DA выбираем: LM324A
характеристики приведены в таблице №11.1.
Таблице №11.1
|
Каналов,шт
|
4
|
|
VOS (тип.),мВ
|
3
|
|
IBIAS (тип.),нА
|
100
|
|
Полоса пропускания (тип.),МГц
|
01.мар
|
|
Slew Rate (тип.),В/мкс
|
0.4
|
|
CMRR (тип.),дБ
|
80
|
|
Gain (тип.),дБ
|
100
|
|
Shutdown
|
Нет
|
|
VCC,В
|
от 3 до 30
|
|
ICC на канал (макс.),мА
|
3
|
|
TA,°C
|
от 0 до 70
|
|
Корпус
|
PDIP 14 SOIC-14 TSSOP-14
|
. Проектирование блока питания
Блок питания содержит 2 канала:
источники
и
питания ОУ.
Выберем выпрямитель, выполненный на
блоках диодов, т.е. мостах (рисунок 12.1).
Рисунок 12.1. Схема выпрямителя
Стабилизаторы рассчитываются на выходное
напряжение и ток. Стабилизаторы могут быть выполнены на интегральных
микросхемах. Выбираем стабилизаторы по
[ 2 ] с параметрами:
Таблица12.1:
|
КР1179ЕН15
|
КР1180ЕН15
|
|
Uвых = -15 0,3
ВUвых = 15 0,3
В
|
|
|
Iп ≤ 3 мА
|
Iп 8
мА
|
|
Uмин=2.5 В
|
Uмин = 2.5 В
|
|
Uвх ≤ | - 35| В
|
Uвх 35В
|
|
Iвых = 1,5 А
|
Iвых = 1,5 А
|
Входное (выпрямленное) напряжение выбирают из
условия:
Uв = Uвх
= (Uвых + Uмин)
∙ (1 + Кн + Кп),
где Кн = 0,1 - коэффициент нестабильности сети,
Кп = 0,1 - коэффициент пульсаций, Uмин
- минимальное напряжение на стабилизаторе.
Uв = (15 + 2,5) ∙
(1 + 0,1 + 0,1) = 21 В.
Блок питания содержит 2 канала: для каждого
канала стабилизатор свой.
Рисунок 12.2. Схемы включения
интегрального стабилизаторов КР1180.
Рисунок 12.3. Схемы включения
интегрального стабилизаторов КР1179.
Выбираем по справочнику [ 3
]танталовые оксидно-полупрводниковые конденсаторы :
С7: К53 - 1А - 40 В - 0,33 мкФ ± 10
%,
С8: К53 - 1А - 40 В - 1 мкФ ± 10 %.
Выбираем конденсаторы :
С9 - алюминиевый
оксидно-полупрводниковый:
К50 - 16 - 25 В - 30 мкФ ± 20 %,
С10 - с неорганическим диэлектриком:
К10 - 42 - 50 В - 10 пФ ± 10 %,
С11 - танталовый
оксидно-полупрводниковый:
К53 - 1А - 40 В - 10 мкФ ± 10 %.
Расчет трансформатора и выпрямителя.
Выпрямители могут быть выполнены как
на дискретных диодах, так и на блоках диодов (мостах). Требования к диодам:
где Uпр = 1 В -
прямое напряжение на диодах
По каналам:
Канал U:
мА,
В.
Таблица 12.2: Предельные электрические параметры
диодов [3]
|
На дискретных диодах КД208А
|
|
Uобрмакс = 100 В
|
|
Iпрср = 1,5 А
|
Действующие значения напряжений и токов
вторичных обмоток трансформатора:
,
.
По каналам:
Канал U:
мА,
В.
Трансформатор подбирается по вторичным
параметрам U2 и I2,
рекомендуется использовать многообмоточные унифицированные трансформаторы ТПП
для питания устройств на полупроводниковых приборах.
Выбираем по справочнику[ 3 ] трансформатор ТПП
на 50 Гц, 127/220 В на стержневых сердечниках ПЛМ, конструкция - с уменьшенным
расходом меди: ТПП304. Его параметры:
|
Ном. Мощность, В ∙ А
|
Ток первичной обмотки, А
|
Напряжения вторичных обмоток, В
|
Допустимый ток вторичных обмоток, А
|
|
|
Номера вторичных обмоток
|
|
|
|
11 - 12 17 - 18
|
13 - 14 19- 20
|
15 - 16 21 - 22
|
|
|
135
|
1,04 / 0,79
|
4,92
|
10,0
|
2,45
|
3,86
|
Рисунок12.4 - Трансформатор.
Трансформатор ТПП304 имеет шесть
обмоток. При использовании трансформатора ТПП304 - 127/220 В со стержневыми
сердечниками ПЛМ на 220 В необходимо: соединить выводы 3 и 9 или 4 и 8, подать
напряжение 220 В на выводы 2 и 7.
а обмотки
11-12,17-18,13-14,19-20,15-16,21-22 на 17,37В используем для питания ОУ.
Расчет ёмкостей фильтра
выпрямителей:
Сф = tр / (2 ∙
Кп ∙ Rн),
где tр = 0,007 с,
а Rн есть
отношение:
Rн = Uвхст / Iвхст.
От выпрямителей идёт ветвления на 2
канала:
Канал U:
Ом.
Ёмкость фильтров по каналам:
Канал U:
мкФ.
Выбираем танталовый
оксидно-полупрводниковый конденсатор[1]
К53 - 1А - 20 В - 47 мкФ ± 10 %.
Заключение
В результате данного курсового проекта нами был
спроектирован измерительный преобразователь для термопреобразователя
сопротивления.
Эксплуатационные характеристики устройства
полностью соответствуют требованиям, содержащимся в задании. К недостаткам
разработанного устройства можно отнести значительное количество типономиналов
элементов, причём большинство из них должны быть прецизионными, т.к. схема
чувствительна к разбаллансу элементов. Путем улучшения ситуации является более
широкое применение интегральных микросхем, в частности, ИОН AD581U
и инструментального усилителя AD620,
т.к. в интегральной технологии элементы их структуры практически идентичны.
Тем не менее, данный ИП имеет возможность гибкой
подстройки смещения и крутизны выходной характеристики, что говорит о
возможности использования элементов с большим процентным допуском разброса
номиналов.
Область применения данного ИП довольно широка:
он может применяться везде, где необходимо измерение температуры данного
диапазона, с высокой точностью измерения.
Список литературы
1. Резисторы, конденсаторы,
трансформаторы, дроссели, коммутационные устройства РЭА: Справочник/ Н. Н.
Амиков и др. Мн.: Беларусь, 1994.
. Аналоговые и цифровые
интегральные микросхемы. Справочное пособие . С.В. Якубовский и др.; Под ред.
С.В. Якубовского. - 2-е изд.
. Полупроводниковые приборы:
Диоды, тиристоры, оптоэлектронные приборы. Справочник А.В.Баюков и др. -
М.:Энергоиздат,1982.
. Проектирование и применение
операцоинных усилителей. Под ред. Дж Грэма, Дж.Тоби, Л.Хюлсмана, пер. с нагл.
М.: «Мир»,1974 год.
. Конспект лекций по
дисциплине “преобразовательная техника”.
. Гуснов В.С. Интегральная
электроника в измерительных устройствах.л.:Энергоатомандат, 1988.
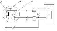
7. http://www.catalog.gaw.ru
8. http://www.radioradar.net