Реостатный измерительный преобразователь

  • Вид работы:
    Контрольная работа
  • Предмет:
    Информатика, ВТ, телекоммуникации
  • Язык:
    Русский
    ,
    Формат файла:
    MS Word
    375,38 kb
  • Опубликовано:
    2012-01-15
Вы можете узнать стоимость помощи в написании студенческой работы.
Помощь в написании работы, которую точно примут!

Реостатный измерительный преобразователь

ФЕДЕРАЛЬНОЕ АГЕНТСТВО ПО ОБРАЗОВАНИЮ

ГОСУДАРСТВЕННОЕ ОБРАЗОВАТЕЛЬНОЕ УЧРЕЖДЕНИЕ ВЫСШЕГО ПРОФЕССИОНАЛЬНОГО ОБРАЗОВАНИЯ

ВОЛГОГРАДСКИЙ ГОСУДАРСТВЕННЫЙ ТЕХНИЧЕСКИЙ УНИВЕРСИТЕТ

Кафедра: "Автоматизация производственных процессов"





Контрольная работа

по дисциплине "ТЕХНИЧЕСКИЕ ИЗМЕРЕНИЯ И ПРИБОРЫ"













Волгоград 2011г.

Содержание

. Конструкция реостатного измерительного преобразователя и принцип его работы

. Схемы включения реостатного преобразователя в измерительную цепь и положительное действие этих схем

. Структурная схема преобразования аналогового сигнала с измерительного преобразователя в цифровую форму

. Принцип работы параллельного АЦП, преобразующего выходной сигнал с преобразователя в цифровую форму

Список используемой литературы

1.       Конструкция реостатного измерительного преобразователя и принцип его работы

ПОТЕНЦИОМЕТРИЧЕСКИЕ (РЕОСТАТНЫЕ) ИЗМЕРИТЕЛЬНЫЕ ПРЕОБРАЗОВАТЕЛИ

Такие измерительные преобразователи широко используются в различных измерительных системах и системах автоматики и служат для преобразования линейных или угловых перемещений (входной сигнал) в электрическое напряжение (выходной сигнал). Потенциометрические измерительные преобразователи представляют собой проволоку, намотанную виток к витку на каркас и подвижный ползунок (рис. 1).

Рис. 1. Реостатный измерительный преобразователь

Полное сопротивление реостатного измерительного преобразователя:

, (1)

где R0 - сопротивление одного витка преобразователя;  - удельное сопротивление материала проволоки;  - длина одного витка;  - площадь поперечного сечения витка; w - количество витков.

Подставляя в (1)

; ; ,

 ,

где: t - шаг одного витка, d - диаметр проволоки, D - диаметр каркаса.

Потенциометрические измерительные преобразователи имеют дискретность преобразования за счет минимально возможного изменения сопротивления на длину одного витка (рис. 2), определяемую шагом t. Следовательно, такие преобразователи имеют межвитковую погрешность.

.

Кроме того, погрешности преобразователя возможны от неоднородности по длине, непостоянства диаметра каркаса, влияния температуры. Чем выше удельное сопротивление ρ проволоки, тем выше чувствительность преобразователя. Поэтому в качестве материала проволоки в потенциометрическом измерительном преобразователе используется нихром, манганин, константан, вольфрам, платина и сплавы на основе серебра и никеля. В качестве каркаса используется керамика, фарфор и другие термостойкие изоляторы.

Рис. 2. Передаточные характеристики потенциометрического измерительного преобразователя: 1 - идеальная, 2 - реальная

Рис. 3. Схема последовательного включения реостатного измерительного преобразователя

Рис. 4. Функция преобразования потенциометрического преобразователя при его последовательном включении с нагрузкой

.        Схемы включения реостатного преобразователя в измерительную цепь и положительное действие этих схем

При последовательном включении потенциометрического измерительного преобразователя в цепь они изменяют силу тока в цепи по формуле

.

,

где  - функция преобразования.

Функция преобразования графически представлена на рис. 4, ее вид нелинейный и зависит от соотношения  и .

При ,, а при   (2)

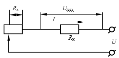
Выходное сопротивление падает по гиперболической зависимости, поэтому последовательное включение потенциометрического измерительного преобразователя с нагрузкой применяется редко из-за высокой нелинейности. Более распространенной является схема включения потенциометрического измерительного преобразователя и нагрузки по схеме представленной на рис. 5.

Рис. 5. Схема включения потенциометрического преобразователя (а) и его эквивалентная схема (б).

Рассматривая включение резисторов Rx и Rн, как параллельное, определим ток:

,

тогда напряжение на выходе преобразователя составит:

где  - функция преобразования.

На рис. 6. а представлена зависимость напряжения на нагрузке, подключенной к потенциометрическому измерительному преобразователю по схеме, представленной на рис. 5. а. При холостом ходе (Rн → ∞) зависимость линейная, с уменьшением нагрузки зависимость становится всё более нелинейной.

Рис. 6. Функция преобразования потенциометрического преобразователя (а), и его относительная погрешность (б)

На рис. 6. б показано изменение относительной погрешности преобразователя в зависимости от величины нагрузки и перемещения ползунка. Относительная погрешность определяется следующим образом:

; ;  ,

тогда .

Чувствительность схемы определяется изменением электрического параметра на преобразователе от минимально возможного изменения входного сигнала.

Рис. 7. К определению чувствительности потенциометрического  измерительного преобразователя

Ток, текущий в цепи:

, ,

,

.

Чувствительность по напряжению:

.

При условии >> получим

. (3)

Рис. 8. Зависимость мощности потребляемой преобразователем  от положения ползуна (X~Rx)

Чувствительность по току:

.

Мощность, потребляемая преобразователем:


При этом допустимое напряжение питания:

,

где - максимальное сопротивление преобразователя.

.        Структурная схема преобразования аналогового сигнала с измерительного преобразователя в цифровую форму

Измери́тельный преобразова́тель - техническое средство с нормируемыми метрологическими характеристиками, служащее для преобразования измеряемой величины в другую величину или измерительный сигнал, удобный для обработки, хранения, дальнейших преобразований, индикации и передачи, но непосредственно не воспринимаемый оператором. ИП или входит в состав какого-либо измерительного прибора (измерительной установки, измерительной системы и др.), или применяется вместе с каким-либо средством измерений.

Классификация

По характеру преобразования:

Аналоговый измерительный преобразователь - измерительный преобразователь, преобразующий одну аналоговую величину (аналоговый измерительный сигнал) в другую аналоговую величину (измерительный сигнал);

Аналого-цифровой измерительный преобразователь - измерительный преобразователь, предназначенный для преобразования аналогового измерительного сигнала в цифровой код;

Цифро-аналоговый измерительный преобразователь - измерительный преобразователь, предназначенный для преобразования числового кода в аналоговую величину.

По месту в измерительной цепи:

Первичный измерительный преобразователь - измерительный преобразователь, на который непосредственно воздействует измеряемая физическая величина. Первичный измерительный преобразователь является первым преобразователем в измерительной цепи измерительного прибора;

Датчик - конструктивно обособленный первичный измерительный преобразователь;

Детектор - датчик в области измерений ионизирующих излучений;

Промежуточный измерительный преобразователь - измерительный преобразователь, занимающий место в измерительной цепи после первичного преобразователя.

По другим признакам:

Передающий измерительный преобразователь - измерительный преобразователь, предназначенный для дистанционной передачи сигнала измерительной информации;

Масштабный измерительный преобразователь - измерительный преобразователь, предназначенный для изменения размера величины или измерительного сигнала в заданное число раз.

По принципу действия ИП делятся на генераторные и параметрические.

Измерительные преобразователи предназначены для преобразования сигналов, поступающих от термопреобразователей сопротивления, термоэлектрических преобразователей, омических устройств и милливольтовых устройств постоянного тока в унифицированный электрический выходной сигнал постоянного тока 4-20 мА (линейный по температуре или входному сигналу).

Измерительный преобразователь применяется для линейного преобразования среднеквадратичного значения тока в унифицированный аналоговый выходной сигнал постоянного тока. Информацию дает среднее значение выходного сигнала. Измерительный преобразователь отличается от других видов преобразователей способностью выполнять преобразования с установленной точностью. Измерительный преобразователь, выходной сигнал которого предназначен для наблюдения за объектом, является измерительным прибором высокой точности.

Работа измерительного преобразователя протекает в условиях, когда помимо основного сигнала Х, связанного с измеряемой величиной, на него воздействуют множество других сигналов Zi, рассматриваемых в данном случае как помехи

Рис. Структурная схема измерительного преобразователя (а) и его функция преобразования (б)

Важнейшей характеристикой измерительного преобразователя является функция преобразования (рис.5.4, б), которая описывает статические свойства преобразователя и в общем случае записывается в виде Y = F(X, Zi). Функция идеального измерительного преобразователя при отсутствии помех описывается уравнением Y = kX. Она линейна, безынерционна, стабильна и проходит через начало координат.

Реальная передаточная функция в статическом режиме имеет вид Y = k(1+γ)X + Δ0 + Δ[F(X)] и может отличаться от идеальной смещением нуля Δ0, наклоном γ и нелинейной составляющей Δ[F(X)].

Итак, для реализации основных операций управления необходимо аналоговый входной сигнал g(t) преобразовать в цифровую форму , т.е. представить его в виде последовательности кодов, поступающих с определенным тактовым интервалом (рис. 44). Такое преобразование включает в себя два этапа: амплитудное квантование и временное квантование.

рисунок - Амплитудное квантование сигналов

Квантование по уровню заключается в округлении значений процесса g(t) до величин , представленных конечным числом разрядов. Этот процесс можно пояснить графиком, представленными на рисунке. Процесс с непрерывными значениями сравнивается по величине с расположенными через интервал D амплитудного квантования уровнями. При этом вместо g(t) выбирается номер ближайшего уровня квантования. Предположим, что динамический диапазон значений входного сигнала g(t) ограничен и составляет интервал (gmin, gmax). Очевидно, общее число N уровней квантования определяется по формуле

.

При заданном числе уровней квантования N можно определить необходимое число разрядов для передачи. Например, для наиболее часто встречающейся двоичной системы число разрядов n = log 2 N . Если, скажем, N = 1024, то необходимо применять десятиразрядный двоичный код.

При замене аналогового сигнала g(t) числом  с конечным числом разрядов возникает случайная ошибка амплитудного квантования .


Диапазон возможных значений этой ошибки ограничен: - D/2<(t)<D/2. При большом числе уровней квантования считается, что ошибка имеет равномерное распределение в пределах этого диапазона


Нетрудно найти дисперсию случайной ошибки с равномерным распределением: (e) de =

Поскольку =g (t)+ e (t), можно считать, что амплитудное квантование приводит к появлению дополнительной помехи e (t) с дисперсией  . Таким образом, эквивалентная схема процесса амплитудного квантования может быть представлена в виде:


Число уровней квантования обычно выбирают исходя из анализа действия этой дополнительной помехи e(t) на систему управления. Обычно применяют стандартные схемы преобразования аналоговых сигналов в 8-, 10-, 12- или 16 - разрядный двоичный код. При этом соответственно число уровней квантования 28 = 256, 210 = 1024, 212 = 4096 или 216 = 64000.

При использовании цифровой обработки аналоговый сигнал должен быть сначала преобразован в цифровой с помощью таких операций, как дискретизация по времени и дискретизация по уровню (квантование). После обработки с помощью цифровых фильтров, цифровой сигнал преобразуется снова в аналоговый. Таким образом, структурную схему цифровой обработки аналогового сигнала можно представить в следующем виде


Блоки дискретизации по времени и квантования по уровню образуют аналогово-цифровой преобразователь (АЦП). Дискретизация осуществляется с помощью специального ключа, работающего с периодом Т от опорного высокостабильного генератора. На выходе ключа из аналогового сигнала образуется последовательность коротких импульсов с амплитудами, равными сигналу s(t) в момент отсчета. При квантовании по уровню каждый отсчет измеряется и преобразуется в кодовое слово - двоичное число, составленное из n разрядов, каждый из которых представлен нулем или единицей (например, паузой или стандартным импульсом). Число уровней квантования равно 2n

.        Принцип работы параллельного АЦП, преобразующего выходной сигнал с преобразователя в цифровую форму

реостатный преобразователь сигнал регулятор

В зависимости от области применения АЦП их основные характеристики (точность, разрешающая способность, быстродействие) могут существенно отличаться. При использовании АЦП в измерительных устройствах главную роль играет точность преобразования, а быстродействие этих устройств ограничено реальной скоростью регистрации результата измерения. При использовании АЦП в качестве устройства ввода измерительной информации в ЭВМ от него требуется быстродействие в большей степени. Широкое применение АЦП в различных областях науки и техники явилось предпосылкой создания разных структур АЦП, каждая из которых позволяет решить определенные задачи, предъявляемые к АЦП в каждом конкретном случае. Из всего многообразия существующих методов аналого-цифрового преобразования в интегральной технологии нашли применение в основном три:

) метод прямого (параллельного) преобразования;

) метод последовательного приближения (поразрядного уравновешивания);

) метод интегрирования. Каждый из этих методов позволяет добиться наилучших параметров (быстродействия, разрешающей способ­ности, помехоустойчивости и т. д.).

Большинство высокоскоростных осциллографов и некоторые высокочастотные измерительные приборы используют параллельные АЦП из-за их высокой скорости преобразования, которая может достигать 5Г (5*109) отсчетов/сек для стандартных устройств и 20Г отсчетов/сек для оригинальных разработок. Обычно параллельные АЦП имеют разрешение до 8 разрядов, но встречаются также 10-ти разрядные версии.


Параллельные АЦП в основном состоят из следующих узлов: делитель опорных напряжений, выполненный на резисторах R; набор компараторов напряжения; дешифратор; выходные каскады. Для получения более высокой полосы пропускания, при сохранении чувствительности, компараторы делают стробируемыми (рис 9). Возможно стробирование и других блоков.

АЦП работает по следующему принципу: входное напряжение одновременно подается на неинвертирующие входы компараторов, которые производят сравнение этого сигнала с напряжениями, поступающими с резистивного делителя напряжений на инвертирующие входы, в момент подачи стробирующего сигнала на тактовый вход. Дешифратор преобразует код, поступающий с выходов компараторов в двоичный код. Код с выхода дешифратора поступает на выходные каскады, которые преобразуют внутрисистемные уровни в стандартные уровни ЭСЛ, ТТЛ или КМОП. Также выходные каскады могут содержать интерфейсные схемы для связи с микропроцессорами.

Параллельные АЦП - достаточно быстрые устройства, но они имеют свои недостатки. Из-за необходимости использовать большое количество компараторов параллельные АЦП потребляют значительную мощность, и их нецелесообразно использовать в приложениях с батарейным питанием.

На рисунке показаны возможности основных архитектур АЦП в зависимости от разрешения и частоты дискретизации.


Список использованной литературы

. Технические измерения и приборы Б. В. Лесной, Е. В. Стегачев, И. Е. Грязнов Часть 1 Учебное пособие. электронный вид. "Политехник". Волгоград 2008

. Технические измерения и приборы Б. В. Лесной, Е. В. Стегачев, И. Е. Грязнов Часть 2 Учебное пособие. электронный вид. "Политехник". Волгоград 2008.

. Электрические измерения неэлектрических величин. Измерительные преобразователи. П.В. Новицкий. Энергоатомиздат, Л. 1983, 320с.

Похожие работы на - Реостатный измерительный преобразователь

 

Не нашли материал для своей работы?
Поможем написать уникальную работу
Без плагиата!
Без нейросетей!