Расчет и устройство фундаментов мелкого заложения
1. Оценка инженерно-геологических условий и свойств грунтов с
определением расчетного сопротивления грунтов основания
а) По шифру принимается схема сооружения и геологические условия
Шифр задания: 46.
Выбор варианта (табл. 3.1):
· вариант задания по табл. 1 Приложения 2 (10): номер схемы - 4
(Химический цех); вариант - четный (L=6 м, без подвала);
· вариант по геологическому разрезу - 1.
б) Устанавливаются нагрузки и характеристики грунтов
Вариант 1.
Рис.1 Геолого-литологический разрез
По варианту №1 геолого-литологического разреза четыре вида грунтов:
почвенно-растительный слой, глина серая пылеватая, слоистая (ленточная); супесь
серая, легкая, слабо слоистая с линзами песка; суглинок темно-серый, тяжелый, с
линзами песка, включениями гальки (морена); уровень поземных вод на глубине 5
м. Так как почвенно-растительный слой срезается при устройстве котлована под
фундамент (в виду того, что имеет малую мощность, низкие расчетные
характеристики и не может служить основанием), то его характеристиками можно
пренебречь.
Таблица 1. Характеристики грунтов 1
|
Номер грунта
|
Наименование грунта
|
Для расчета по деформациям
|
Удельный вес частиц грунта , γs, к Н/м 3
|
Влажность, ωL
|
Модуль деформации Е, мПа
|
Влажность на границе текучести
|
Влажность на границе раскатывания ωр
|
Коэффициент Пористости, е
|
Показатель текучести JL
|
Степень влажности Sr
|
|
|
удельный вес грунта γII , Кн/м 3
|
Угол внутреннего трения φII , град
|
Сцепление грунта СII , кПа
|
|
|
|
|
|
|
|
|
|
2
|
Глина
|
18,2
|
20
|
18
|
27,1
|
0,4
|
3,5
|
0,46
|
0,31
|
1,08
|
0,5
|
1
|
|
11
|
Супесь
|
19,2
|
24
|
8
|
26,5
|
0,3
|
14
|
0,33
|
0,31
|
0,69
|
0,55
|
1
|
|
4
|
Суглинок
|
21,5
|
26
|
40
|
26,5
|
0,15
|
18
|
0,24
|
0,11
|
0,42
|
0,31
|
0,95
|
Для расчетов по несущей способности (по первой группе предельных
состояний) некоторые показатели свойств нужно вычислить по формулам:
γI = γII /1,1; φI = φII /1,1; СI = СII /1,5
Таблица 2. Характеристики грунтов 2
|
Номер грунта
|
Наименование грунта
|
γII
|
γI
|
φII
|
φI
|
СII
|
СI
|
|
|
|
|
|
|
|
|
|
2
|
Глина
|
18,2
|
16,55
|
20
|
18,18
|
18
|
12,00
|
|
11
|
Супесь
|
19,2
|
17,45
|
24
|
21,82
|
8
|
5,33
|
|
4
|
Суглинок
|
21,5
|
19,55
|
26
|
23,64
|
40
|
26,67
|
в) Анализ инженерно-геологических условий и оценка строительных свойств
грунтов
Площадка строительства химического цеха находится в г. Москва. Порядок
напластования указан на Рис.1 Геолого-литологический разрез. Исходные
характеристики грунтов приведены в табл. 1.
Анализируя инженерно-геологические условия площадки строительства и
расчетные характеристики, представленные изыскателями, можно сделать следующие
выводы:
· Почвенно-растительный слой имеет малую мощность, низкие
расчетные характеристики и не может служить основанием.
· Грунт 2-го слоя: глина серая пылеватая, слоистая (ленточная),
мощность 4 м. По показателю текучести - коэффициент пористости е=1,08;
показатель текучести JL=0,5; согласно ГОСТ 25100-2011 тугопластичная,
сильносжимаемая Е0=3,5 Мпа, условное расчетное давление сопротивления R0=200 кПа (по интерполяции из табл. 5
«Методических рекомендаций к выполнению курсовой работы»).
· Грунт 3-го слоя: супесь серая, легкая, слабо слоистая с
линзами песка, мощностью 2,5 м. По показателю текучести - коэффициент
пористости е=0,69; показатель текучести JL=0,55; пластичная; средней
сжимаемости Е0=14 Мпа, условное расчетное давление сопротивления R0=225 кПа (по интерполяции из табл.
5).
· Грунт 4-го слоя: суглинок темно-серый, тяжелый, с линзами
песка, включениями гальки (морена), мощностью больше 5 м. По показателю
текучести - коэффициент пористости е=0,42; показатель текучести JL=0,31;
согласно ГОСТ 25100-2011 тугопластичный, Е0=18 Мпа, условное расчетное давление
сопротивления R0=280 кПа (по интерполяции из табл.
5).
Таким образом, все грунты, залегающие ниже насыпного слоя, обладают
небольшой сжимаемостью, за исключением 2-го слоя, и значительной прочностью,
причем последняя нарастает с глубиной (эпюра R 0 , рис.16). В качестве несущего
слоя для фундаментов на естественном основании могут служить мелкий песок или
суглинок; для свайных фундаментов - полутвердая глина. Супесь является
водоносным слоем (У.Г.В. на глубине 5 м).
Результаты расчёта представлены в таблице 2.
Таблица 3. Оценка инженерно-геологических условий площадки
строительства).
|
№ Слоя
|
1
|
2
|
3
|
4
|
|
Наименование грунта
|
Почвенно-растительный слой
|
Глина серая пылеватая, слоистая (ленточная)
|
супесь серая, легкая, слабо слоистая с линзами песка
|
суглинок темно-серый, тяжелый, с линзами песка, включениями
гальки (морена)
|
|
Мощность слоя, м
|
0,4
|
4
|
2,5
|
5
|
|
Удельный вес грунта γII, кН/м 3
|
.
|
18,2
|
19,2
|
21,5
|
|
Коэффициент пористости, е
|
.
|
1,08
|
26,50
|
0,42
|
|
Степень влажности, ωL
|
.
|
0,40
|
0,30
|
0,15
|
|
Показатель текучести, JL
|
.
|
0,50
|
0,55
|
0,31
|
|
Угол внутреннего трения φп, град
|
.
|
20,00
|
24,00
|
26,00
|
|
Сцепление С, кПа
|
.
|
18,00
|
8,00
|
40,00
|
|
Е0, кПа
|
.
|
3,50
|
14,00
|
18,00
|
|
R0, кПа
|
.
|
200,00
|
225,00
|
280,00
|
В конечном итоге:
· для глины серой пылеватой, слоистой (ленточной) - R0=200 кПа;
· для супеси серой, легкой, слабо слоистой с линзами песка -
R0=225 кПа;
· для суглинка темно-серого, тяжелого, с линзами песка,
включениями гальки (морена) - R0=280 кПа.
. Расчет фундамента мелкого заложения
.1 Определение глубины заложения подошвы фундамента
При выборе глубины заложения фундамента учитываются следующие факторы:
) инженерно-геологические условия площадки строительства: в соответствии
с приложением 1, грунты пригодны в качестве основания для фундаментов мелкого
заложения (расчетное сопротивление R=200 кПа, начиная с глубины dф = 1,7 м);
) особенности возводимого здания: глубина заложения подошвы фундамента
принимается равной 0,5 м, т. е. здание не имеет подвала, dф = 0,5 м;
) климатические особенности: основным климатическим фактором, влияющим на
глубину заложения фундаментов, является промерзание грунтов. Для определения
возможности промерзания грунтов под фундаментами необходимо, прежде всего,
знать нормативную глубину промерзания dfn:
=d0*
Mt
где Mt - безразмерный коэффициент, равный
сумме абсолютных среднемесячных отрицательных температур за зимний период в
районе строительства, принимаемый по СНиП 2.01.01-82 для г. Москвы Mt=34,3; d0 - величина, принимаемая равной для суглинков и глин - 0,23
м.
dfn=0,23*
34,3=1,35 м.
Принимаем глубину заложения фундамента равную 1,35 м.
Для определения расчетной глубины промерзания воспользуемся формулой
= dfn*kh*γc
где (dfn= 1,35 м - нормативная глубина
промерзания; kh - коэффициент, учитывающий влияние
теплового режима сооружения на глубину промерзания грунтов у фундаментов,
принимаемый по СНиП 2.01.01-82 (таблица 1): kh = 0,5; γc = 1 - коэффициент условий
промерзания грунта, учитывающий изменчивость климата.
df
=1,35*0,5*1=0,68 м.
Окончательно принимаем глубину заложения подошвы фундамента 1,35 м (в
зависимости от нормативной глубины промерзания).
.2 Определение расчетного сопротивления грунта основания при ширине
подошвы фундамента равной 1 м
Расчетное сопротивление грунта определяется по СП 12.13330.2011 (формула
(5.7).
где
с1 = 1,2 (коэффициент
зависит
от вида грунтов, лежащих в основании здания. IL =
0,5, т.е. 0,25≤ IL ≤
0,5, согласно СП - с1=1,2) и с2=1,1
(коэффициент с2 зависит как от вида грунта, залегающего
непосредственно под подошвой фундамента, так и от отношения длины здания L к
его высоте Н, а также жесткости здания. Длина здания L=36 м, высота
Н=34 м. L/H=36/34=1,06) - коэффициенты, условий работы,
принимаемые по табл. 5.4 <#"890886.files/image005.gif">
.3 Определение размеров
подошвы фундамента
Согласно варианту задания
необходимо запроектировать и рассчитать основание и фундаменты Химического
корпуса (вариант 4). Выбираем первое сочетание нагрузок.
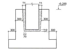
Рис.2 Химический корпус
(вариант 4), l=6 м.
Таблица 4. Усилия на обрезе
фундамента от расчетных нагрузок.
|
Номер схемы. Сооружение
|
Вариант
|
Номер фундамента
|
1-е сочетание
|
|
|
|
N, кН
|
M, кН*м
|
T, кН
|
|
Схема 4. Химический цех
|
Четный, L=6 м
|
1
|
160
|
-24
|
_
|
|
|
2
|
2810
|
38
|
_
|
|
|
3
|
3410
|
-45
|
_
|
|
|
4
|
2210
|
-122
|
_
|
|
|
5*
|
1060
|
-184
|
_
|
Размер подошвы фундамента Аф определяется по формуле:
Аф = N0II/(R- γсрIId)
где N0II - расчетная нагрузка по II группе
предельных состояний, приложенная к обрезу фундамента; R - расчетное сопротивление грунта основания; γсрII - средний удельный вес грунта; d - глубина заложения фундамента.
Аф = N0II/(224- 18,2*1,35)
0II - расчетная нагрузка по II группе предельных состояний для пяти типов фундаментов
и двух сочетаний.
Таблица 5. Нагрузка по типам фундамента
|
Тип фундамента
|
N, кН
|
|
1
|
160
|
|
|
2
|
2810
|
|
|
3
|
3410
|
|
|
4
|
2210
|
|
|
5*
|
1060
|
|
Результаты вычислений Аф сводим в таблицу:
Таблица 6. Размер подошвы фундамента
|
Тип фундамента
|
Аф
|
Аф*20%
|
|
1
|
0,80
|
0,96
|
|
2
|
14,09
|
16,91
|
|
3
|
17,10
|
20,52
|
|
4
|
11,08
|
13,30
|
|
5*
|
5,32
|
6,38
|
На фундамент действует изгибающий момент, поэтому найденную площадь
увеличиваем на 20%.
.4 Конструирование фундамента (определение размеров подошвы фундамента)
В методических указаниях по выполнению курсовой работы по дисциплине
«Основания и фундаменты» указано, что для определения размеров подошвы
прямоугольного фундамента, необходимо учитывать следующее условие:
/l
= 0,5÷0,85
где b - ширина подошвы фундамента; l - длина подошвы фундамента. 1-й тип.
Для ленточного фундамента из сборных ЖБ элементов ФЛ-10-12-2 (1-й тип
фундамента) усилия даны на 1 м их длины: b=1 м, а l=1 м.
Отсюда: b/l =1>0,85 . Увеличив l на 0,2 м (под значения ФЛ-10-12-2), получим b/l=1/1,2=0,83. Площадь подошвы: S=1*1,2=1,2 м2>0,96 - удовлетворяет условиям
(для 1-го типа). Проведем вычисления для остальных типов фундаментов:
-й тип. Размеры колонны 0,8x0,6 м, длину подошвы фундамента l можно расcчитать (см. рис. 2): l = 0,8 + 0,075*2 + 0,3*2 + 0,3*2 = 2,15 м.
Аналогично рассчитываем ширину подошвы b:
b =
0,6 + 0,075*2 + 0,3*2 + 0,3*2 =
1,95 м
Рис.3 Заделка колонны в монолитный ж/б фундамент
Отношение: b/l=1,95/2,15=0,9>0,85. Увеличим l на 0,6 и получим:b/l= =1,95/2,75=0,7<0,85.Удовлетворяет условиям по
соотношению b/l.
Площадь подошвы фундамента: S=1,95*2,75=5,36 м2<16,91 м2 (для 2-го типа). Не
удовлетворяет условиям. Следовательно, необходимо увеличить размеры подошвы
фундамента, путем подбора получаем (с учетом кратности размера фундамента = 300
мм):
b=1,95+1,65=3,6;
l=2,15+2,65=4,8.
Проверяем соответствие условиям:
b/l=3,6/4,8=0,75<0,85;
удовлетворяет условию отношения: 0,5<0,65<0,85;
а S=3,6*4,8=17,28 м2>16,91 м2
(для 2-го типа).
Так как расстояние между фундаментами в осях равно 6-4,55=1,45 м >1 м,
то размеры подошвы фундамента проходят.
-й тип. Размеры колонны 0,8x0,6 м, длину подошвы фундамента l можно расcчитать (см. рис. 2):
l =
0,8 + 0,075*2 + 0,3*2 + 0,3*2 = 2,15 м.
Аналогично рассчитываем ширину подошвы b:
b =
0,6 + 0,075*2 + 0,3*2 + 0,3*2 = 1,95 м
Отношение: b/l=1,95/2,15=0,9>0,85. Увеличим l на 0,6 и получим:b/l= =1,95/2,75=0,7<0,85.Удовлевторяет условиям по
соотношениям b/l.
Площадь подошвы фундамента: S=1,95*2,75=5,36 м2<20,52 м2 (для 3-го типа). Не
удовлетворяет условиям. Следовательно, необходимо увеличить размеры подошвы
фундамента, путем подбора получаем (с учетом кратности размера фундамента = 300
мм):
b=1,95+1,95=3,9;
l=2,15+3,35=5,5.
Проверяем соответствие условиям:
b/l=3,9/5,4=0,72<0,85;
удовлетворяет условию отношения: 0,5<0,72<0,85;
а S=3,9*5,4=21,06 м2
>20,52 м2 (для 3-го типа). Так как расстояние между фундаментами
в осях равно 6-5,4=0,6 м < 1 м, то размеры подошвы фундамента не проходят.
Необходимо увеличить глубину заложения фундамента до 1,55 м. Пересчитываем значение
R:
Определим
площадь подошвы фундамента с глубиной заложения 1,55 м.
А1ф
= 3410/(237- 18,2*1,55)=16,33 м2.
С
учетом момента: А1ф*1,2=19,6 м2.
Используем
полученное ранее значения l, а b возьмем немного меньше:
b=1,95+1,65=3,6;
l=2,15+3,55=5,7.
b/l=3,6/5,7=0,63<0,85;
удовлетворяет
условию отношения: 0,5<0,63<0,85; а S=3,6*5,7=20,52
м2 >19,6 м2 после увеличения глубины заложения
фундамента до 1,55 м (для 3-го типа). Окончательно принимаем площадь подошвы
фундамента 20,52 м2 (для 3-го типа).
-й
тип. Размеры колонны 0,8x0,6 м, длину l и ширину b
подошвы фундамента можно расcчитать (см. рис. 2):
l = 0,8 +
0,075*2 + 0,3*2 + 0,3*2 = 2,15 м; b = 0,6 + 0,075*2 + 0,3*2 + 0,3*2
= 1,95 м
Отношение:
b/l=1,95/2,15=0,9>0,85. Увеличим l на
0,6 и получим:b/l= =1,95/2,75=0,7<0,85.Удовлевторяет условиям по
соотношениям b/l. Площадь подошвы фундамента: S=1,95*2,75=5,36
м2<13,3 м2 (по 1-му сочетанию 4-го типа). Не удовлетворяет
условиям. Следовательно, необходимо увеличить размеры подошвы фундамента, путем
подбора получаем (с учетом кратности размера фундамента = 300 мм):
b=1,95+1,35=3,3;
l=2,15+2,05=4,2.
Проверяем
соответствие условиям:
b/l=3,3/4,2=0,78<0,85;
а
S=3,3*4,2=13,86 м2>13,3 м2 (по 1-му
сочетанию 4-го типа). Так как расстояние между фундаментами в осях равно
6-4,2=1,8 м >1 м, то размеры подошвы фундамента проходят.
-й
тип. Размеры колонны 0,4x0,4 м, длину подошвы фундамента l
можно расcчитать (см. рис. 2):
b =l =
0,4 + 0,075*2 + 0,3*2 + 0,3*2 = 1,75 м.
Отношение:
b/l=1,75/1,75=1>0,85. Увеличим l на
0,6 и получим:b/l= =1,75/2,35=0,74<0,85.Удовлевторяет условиям по
соотношениям b/l.
Площадь
подошвы фундамента: S=1,75*2,35=4,11 м2<6,09 м2
(по 1-му сочетанию 5-го типа). Не удовлетворяет условиям. Следовательно,
необходимо увеличить размеры подошвы фундамента, путем подбора получаем (с
учетом кратности размера фундамента = 300 мм):
b=1,75+0,35=2,1;
l=1,75+1,25=3.
Проверяем
соответствие условиям:
b/l=2,1/3=0,7<0,85;
а
S=2,1*3=6,3 м2>6,09 м2 (по 1-му сочетанию
5-го типа).
Так
как расстояние между фундаментами в осях равно 6-3=3 м >1 м, то размеры
подошвы фундамента проходят.
.5
Определение давления на грунт основания под подошвой фундамента
Вертикальная
расчетная нагрузка, приходящаяся на грунт основания под подошвой фундамента,
определяется по формуле:
NII=N0II+Nф+Nгр
где
N0II - расчетная нагрузка по
II группе предельных состояний, приложенная к обрезу фундамента;
Nф - вес фундамента, который определяется по формуле:
ф=Vф*γж/б
где
Vф - объем
фундамента:
ф=V1+ V2 +V3 +V4;
γж/б - удельный
вес железобетона, который равен 23 кН/м3 .
Nгр - расчетный вес грунта, лежащего на уступах
фундамента:
гр = Vгр
*γсрII
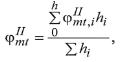
γсрII =ƩγhII /Ʃh
γсрII - усредненное значение
удельного веса грунта:
γсрII =ƩγhII /Ʃh
где
h - мощность слоя грунта.
Момент,
действующий по подошве фундамента, определяют по формуле
МII
= М0II +TII*Hф
где
М0II - момент, действующий по обрезу фундамента; TII - сдвигающее горизонтальное усилие; Hф - высота фундамента (размер по вертикали от обреза
фундамента до подошвы).
Эксцентриситет
равнодействующей относительно центра тяжести:
е
= МII /
NII
Среднее
давление под подошвой фундамента
РIIср = NII/ Аф
где
Аф - площадь подошвы фундамента.
Максимальное
и минимальное давление под подошвой фундамента
max = NII/Аф*(1+6e/l)min = NII/Аф*(1-6e/l)
Рис.4
Эпюра давлений под подошвой фундамента
Для
1-го типа фундамента согласно ГОСТ 13580-85: объем бетона: 0,26 м3; Размер:
1000*300*1180 мм.
Рис.5
Конструкция монолитного железобетонного фундамента
Конструируем
фундамент в соответствии с размерами колонн (фундаменты 2,3,4,5 типов),
глубиной заложения и площадью подошвы фундамента. Основные размеры приведены в
таблице 7 (рисунок 5).
Табл.
7 Основные размеры фундамента
|
Тип фундамента
|
Размеры фундамента, мм
|
Сечение колонны, мм
|
Размеры подколонника, мм
|
|
h
|
a1xb1 (а2хb2)
|
|
в плане
|
Размеры стакана
|
|
|
|
|
|
|
глубина
|
в плане
|
|
2
|
1350
|
4800х3600
|
4200х3000 (3600х2400)
|
600х800
|
1500х1500
|
900
|
750х950
|
|
3
|
1550
|
5700х3600
|
5100х3000 (4500х2400)
|
600х800
|
1500х1500
|
900
|
750х950
|
|
4
|
1350
|
4200х3300
|
3600х2700 (3000х2100)
|
600х800
|
1500х1500
|
900
|
750х950
|
|
5
|
1350
|
3000х2100
|
2400х1500
|
400х400
|
900х900
|
650
|
550х550
|
Табл.8 Размеры плитной части
|
Размеры плитной части
|
|
Высота плитной части, мм
|
Высота ступеней
|
|
h1
|
h2
|
h3
|
|
900
|
300
|
300
|
300
|
Для определения веса фундамента вычислим его объем для всех типов и
сведем результаты вычислений в таблицу 9 (т.к. «стакан» полый, то из объема
подстаканника надо вычесть объем стакана - V4= V4*-0,9*0,71=2,03-0,64=1,39 м3
(для 2,3,4 типов фундамента) и V4= V4*-0,65*0,3=0,73-0,19=0,54 м3
(для 5 типа фундамента):
Табл.9 Расчет объема фундамента
|
Тип фундамента
|
Размеры фундамента, м
|
Размеры подколонника, м
|
V1
|
V2
|
V3
|
V4
|
Vф
|
|
Высота ступеней
|
Размеры плит в плане
|
в плане
|
Размеры стакана
|
|
|
|
|
|
|
h1
|
h2
|
h3
|
axb
|
a1xb1
|
a2xb2
|
|
глубина
|
в плане
|
|
|
|
|
|
|
2
|
0,3
|
0,3
|
0,3
|
17,28
|
12,6
|
8,64
|
2,25
|
0,9
|
0,71
|
5,18
|
3,78
|
2,59
|
1,39
|
12,95
|
|
3
|
0,3
|
0,3
|
0,3
|
20,52
|
15,3
|
10,8
|
2,25
|
0,9
|
0,71
|
6,16
|
4,59
|
3,24
|
1,39
|
15,38
|
|
4
|
0,3
|
0,3
|
0,3
|
13,86
|
9,72
|
6,3
|
2,25
|
0,9
|
0,71
|
4,16
|
2,92
|
1,89
|
1,39
|
10,35
|
|
5
|
0,3
|
0,3
|
0
|
6,3
|
3,6
|
0
|
0,81
|
0,65
|
0,30
|
1,89
|
1,08
|
0,00
|
0,54
|
3,51
|
Зная объем фундамента, получим вес фундамента:
Табл.10 Расчет веса фундамента
|
Тип фундамента
|
Vф, м3
|
γж/б, кН/м3
|
Nф, кН
|
|
1
|
0,26
|
23,00
|
5,98
|
|
2
|
12,95
|
23,00
|
297,85
|
|
3
|
15,38
|
23,00
|
353,74
|
|
4
|
10,35
|
23,00
|
238,05
|
|
5
|
3,51
|
23,00
|
80,73
|
Для 1-го типа фундамента: Nф=0,26*23=5,98 кН.
Определим Nгр (расчетный вес грунта, лежащего на
уступах фундамента). Так как в пределах заложения фундамента тип грунта не
меняется, то γсрII - усредненное значение удельного
веса грунта тоже одинаково и равно 18,2 кН/м3.
Vгр - объем грунта, вычисляемый по
формуле:
гр =dф*b*l - Vф ,
где dф - глубина заложения подошвы фундамента; b - ширина подошвы фундамента; l - длина подошвы фундамента.
Проделаем вычисления для всех типов фундамента и результаты сведем в таблицу
11:
Табл.11 Расчет объема грунта и веса грунта
|
Тип фундамента
|
Vф, м3
|
dф, м
|
b, м
|
l, м
|
Аф, м2
|
Vгр, м3
|
Nгр, кН
|
|
1
|
0,26
|
1,35
|
1,00
|
1,18
|
1,18
|
1,33
|
24,21
|
|
2
|
12,95
|
1,35
|
3,60
|
4,80
|
17,28
|
10,38
|
188,88
|
|
3
|
15,38
|
1,55
|
3,60
|
5,70
|
20,52
|
16,43
|
298,95
|
|
4
|
10,35
|
1,35
|
3,30
|
4,20
|
13,86
|
8,36
|
152,17
|
|
5
|
3,51
|
1,35
|
2,10
|
3,00
|
6,3
|
5,00
|
90,91
|
Теперь можно определить вертикальную расчетную нагрузку, приходящуюся на
грунт основания под подошвой фундамента:
Табл.12 Расчет вертикальной расчетной нагрузки
|
Тип фундамента
|
Nф, кН
|
Nгр, кН
|
N0II, кН
|
NII, кН
|
|
1
|
5,98
|
24,21
|
160
|
190,19
|
|
2
|
297,85
|
188,88
|
2810
|
3296,73
|
|
3
|
353,74
|
298,95
|
3410
|
4062,69
|
|
4
|
238,05
|
152,17
|
2210
|
2600,22
|
|
5
|
80,73
|
90,91
|
1060
|
1231,64
|
Так как TII - сдвигающее горизонтальное усилие,
в нашем случае для всех типов фундамента, равно 0, то момент, действующий по
подошве фундамента, будет равен моменту, действующему по обрезу фундамента (МII = М0II).
Определим эксцентриситет равнодействующей относительно центра тяжести и
среднее давление под подошвой фундамента для всех типов фундамента и результаты
сведем в таблицу 13.
Табл.13 Расчет эксцентриситета и среднего давления
|
Тип фундамента
|
NII
|
МII
|
е
|
Аф
|
РIIср
|
|
1
|
190,19
|
-24
|
-0,13
|
1,18
|
161,17
|
|
2
|
3296,73
|
38,00
|
0,01
|
17,28
|
190,78
|
|
3
|
4062,69
|
-45,00
|
-0,01
|
20,52
|
197,99
|
|
4
|
2600,22
|
-122,00
|
-0,05
|
13,86
|
187,61
|
|
5
|
1231,64
|
-184,00
|
-0,15
|
6,3
|
195,50
|
Определим максимальное и минимальное давление под подошвой фундамента для
всех типов фундамента и результаты сведем в таблицу 14.
Табл.14 Расчет максимального и минимального давления под подошвой
фундамента
|
Тип фундамента
|
е
|
l
|
РIIср
|
1+6e/l
|
1-6e/l
|
Pmax
|
Pmin
|
|
1
|
-0,13
|
1,18
|
161,17
|
0,34
|
1,66
|
54,79
|
267,54
|
|
2
|
0,01
|
4,80
|
190,78
|
1,01
|
0,99
|
193,16
|
188,40
|
|
3
|
-0,01
|
5,70
|
197,99
|
0,99
|
1,01
|
195,91
|
200,07
|
|
4
|
-0,05
|
4,20
|
187,61
|
0,93
|
1,07
|
175,04
|
200,18
|
|
5
|
-0,15
|
3,00
|
195,5
|
0,70
|
1,30
|
136,85
|
254,15
|
Рис.6 Расчетная схема определения давления на фундамент
.6 Уточнение расчетного сопротивления грунта основания при выбранной
ширине подошвы фундамента
Расчетное сопротивление определяется по СП 12.13330.2011 (формула (5.7),
с учетом ширины подошвы фундамента.
где
с1 = 1,2 (коэффициент с1 зависит от вида грунтов,
лежащих в основании здания. IL = 0,5, т.е. 0,25≤ IL ≤ 0,5, согласно СНиПа с1
= 1,2) - коэффициент, условий работы, принимаемый по табл. 3
<#"890886.files/image012.gif">
.7
Проверка давления, действующего на грунт основания
а)
для среднего давления на грунт: РIIср ≤R
для
1,2,3,4,5 типов фундамента:
РIIср1=198,11
кПа ≤ 223,6 кПа
РIIср2=190,78
кПа ≤ 252,58 кПа
РIIср3=197,99
кПа ≤ 255,92 кПа
РIIср4=187,61
кПа ≤ 249,23 кПа
РIIср5=195,5
кПа ≤ 235,87 кПа
б)
для максимального краевого давления при эксцентриситете относительно главной
оси: Pmax ≤ 1,2*Rmax для
всех типов фундамента ≤1,2*R (т.к. эксцентриситет для 1,3,4,5 -го типов фундамента
<0, выбираем Pmax максимальные из значений Pmax и Pmin):max
1=267,54 кПа ≤ 223,6*1,2=303,09 кПаmax 2=193,16 кПа ≤
252,58*1,2=303,09 кПаmax 3=200,07 кПа ≤ 255,92*1,2=307,1 кПаmax
4=200,18 кПа ≤ (249,23*1,2)=299,07 кПаmax 5=254,15 кПа ≤
(235,87*1,2)=283,04 кПа
Данные,
сведенные в табл. 14, подтверждают выполнение данного условия. Для всех типов
фундаментов: Pmin ≥0. Таким образом, все требуемые условия
выполняются.
.8
Проверка слабого подстилающего слоя
Так
как в основании фундамента под несущим слоем грунта не залегает слой более
слабого грунта, необходимости в его проверке нет.
.9
Расчет основания по деформациям (по второму предельному состоянию). Определение
осадки фундамента методом послойного суммирования
Расчет
осадки фундамента производится методом послойного суммирования. Основание под
подошвой фундамента разбиваем на элементарные слои, 8-10 точек. Толщина каждого
слоя hi не должна превышать: hi≤0,4b,
где b - ширина подошвы фундамента.
Для
расчета осадки методом послойного суммирования на разных глубинах определяем
напряжение от собственного веса грунта σzg по
формуле:
где
σzg0 - природные напряжения в
точке 0, n - число слоев грунта в пределах глубины z; γi -
удельный вес i - го слоя, кН/м3; hi -
толщина i - го слоя, м. Дополнительные напряжения σzp
в точке 0 определяют по формуле:
Табл.15
Значения коэффициента α
В
нижележащих точках дополнительные напряжения определяются:
где
α
- коэффициент, зависящий от отношений l/b = КП,
2z/b = m и принимаемый по таблице 15, l и b
соответственно длина и ширина фундамента; z - расстояние
от подошвы фундамента до i-ой точки.
При
определении σzp
принимаем, что грунт однороден и изотропен на значительную глубину, давление по
подошве фундамента распределяется равномерно. По полученным значениям σzp
и σzg строим
эпюры давлений на разных глубинах: эпюру σzp - от
природной поверхности земли, а эпюру σzg - от
подошвы фундамента (рисунок 6.4). Эти эпюры строят до нижней границы активной
зоны, которую устанавливают из условия:
σ,гр ≤0,2 σ,zg
Для
определения напряжений σzp
необходимо найти дополнительные давления, МПа, в плоскости подошвы фундамента
из выражения:
σzp0 = pII - σz0g = pII - γIIddф
где
pII - давление по подошве фундамента от расчетных
нагрузок при расчете по II группе предельных состояний, кПа; σz0g - природное вертикальное напряжение на глубине
подошвы фундамента, считая от природного рельефа, кПа; γIId - удельный вес грунта в пределах глубины заложения фундамента d,
кН/м3. Ниже границы сжимаемой толщи грунт можно считать практически
несжимаемым, поэтому осадку фундамента считаем до нижней границы сжимаемой
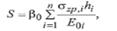
толщи по формуле:
Где
β0 -
безразмерный коэффициент, учитывающий условность расчетной схемы, принимаемый
равным 0,8; n - число слоев, на которые разделена сжимаемая толща
основания; σzpi - среднее вертикальное (дополнительное) напряжение, возникающее в i-ом
слое, кПа); hi - толщина i-ого слоя грунта (м) (не более
0,4b); E0i - модуль общей деформации
i-ого слоя грунта, кПа.
Для
типов фундамента 1,2,3,4,5 рассчитываем значения σzg0 и σzp0:
Табл.16
Значения σzg0 и σzp0
|
Тип фундамента
|
dф, м
|
γc
|
σzg0
|
РII
|
σzp0
|
|
1
|
1,35
|
18,20
|
24,57
|
198,11
|
173,54
|
|
2
|
1,35
|
18,20
|
24,57
|
190,78
|
166,21
|
|
3
|
1,55
|
18,20
|
28,21
|
197,99
|
169,78
|
|
4
|
1,35
|
18,20
|
24,57
|
187,61
|
163,04
|
|
5
|
1,35
|
18,20
|
24,57
|
195,5
|
170,93
|
Определяем α для каждого типа фундамента по таблице 15. Для 1-го
типа фундамента значение Кп=l/b, равно 1,2. Для 2-го и 4-го типов фундамента
значения Кп=l/b, равны соответственно 1,33 и 1,27, и α
практически одинаковы,
т.к. точность берем до второго знака после запятой.
А для 3-го и 5-го типов фундамента значения Кп=l/b, равны
соответственно 1,58 и 1,42, значения α различаются. Результаты вычислений
сводим в таблицы:
Таблица 17а
|
|
Тип фундамента 1
|
|
|
|
Слои основания
|
№ точки
|
hi, м
|
z, м
|
m=2z/b
|
α
|
σzg, кПа
|
σzp, кПа
|
0,2*σzg, кПа
|
σzpi*hi/E0i
|
S, м
|
|
глина серая пылеватая, слоистая (ленточная), γII=18,2
кН/м3, Е0=3500 кПа
|
0
|
0
|
0
|
0
|
1,00
|
24,57
|
173,54
|
4,91
|
0,0000
|
|
|
1
|
0,72
|
0,72
|
0,4
|
0,97
|
37,67
|
168,33
|
7,53
|
0,0346
|
|
|
2
|
0,72
|
1,44
|
0,8
|
0,83
|
50,78
|
144,04
|
10,16
|
0,0296
|
|
|
3
|
0,72
|
2,16
|
1,2
|
0,65
|
63,88
|
112,80
|
12,78
|
0,0232
|
|
|
4
|
0,72
|
2,88
|
1,6
|
0,50
|
76,99
|
86,08
|
15,40
|
0,0177
|
|
|
5
|
0,72
|
3,6
|
2
|
0,38
|
90,09
|
65,77
|
18,02
|
0,0135
|
|
|
6
|
0,72
|
4,32
|
2,4
|
0,29
|
103,19
|
51,02
|
20,64
|
0,0105
|
|
|
7
|
0,45
|
4,77
|
2,65
|
0,26
|
111,38
|
45,64
|
22,28
|
0,0059
|
|
|
супесь серая, легкая, слабо слоистая с линзами песка, γII=19,2
кН/м 3, Е0=14000 кПа
|
8
|
0,72
|
5,04
|
2,8
|
0,23
|
124,49
|
40,26
|
24,90
|
0,0083
|
|
|
9
|
0,72
|
5,76
|
3,2
|
0,19
|
137,59
|
32,45
|
27,52
|
0,0067
|
|
|
10
|
0,72
|
6,48
|
3,6
|
0,15
|
150,70
|
26,55
|
30,14
|
0,0055
|
0,124
|
|
11
|
0,72
|
7,2
|
4
|
0,13
|
163,80
|
22,04
|
32,76
|
0,0045
|
|
|
12
|
0,72
|
7,92
|
4,4
|
0,11
|
176,90
|
18,57
|
35,38
|
0,0038
|
|
|
13
|
0,72
|
8,64
|
4,8
|
0,09
|
190,01
|
15,97
|
38,00
|
0,0033
|
|
|
14
|
0,18
|
9,27
|
5,15
|
0,08
|
193,28
|
13,19
|
38,66
|
0,0007
|
|
|
суглинок темно-серый, тяжелый, с линзами песка, включениями
гальки (морена), γII =21,5 кН/м 3, Е0=18000 кПа
|
15
|
0,72
|
9,36
|
5,2
|
0,08
|
206,39
|
13,71
|
41,28
|
0,0028
|
|
|
16
|
0,72
|
10,08
|
5,6
|
0,07
|
219,49
|
11,97
|
43,90
|
0,0025
|
|
|
17
|
0,72
|
10,8
|
6
|
0,06
|
232,60
|
10,41
|
46,52
|
0,0021
|
|
|
18
|
0,72
|
11,52
|
6,4
|
0,05
|
245,70
|
9,20
|
49,14
|
0,0019
|
|
|
19
|
0,72
|
12,24
|
6,8
|
0,05
|
258,80
|
8,33
|
51,76
|
0,0017
|
|
|
20
|
0,72
|
12,96
|
7,2
|
0,04
|
271,91
|
7,29
|
54,38
|
0,0015
|
|
|
21
|
0,72
|
13,68
|
7,6
|
0,04
|
285,01
|
6,59
|
57,00
|
0,0014
|
|
|
22
|
0,72
|
14,4
|
8
|
0,04
|
298,12
|
6,07
|
59,62
|
0,0012
|
|
|
23
|
0,72
|
15,12
|
8,4
|
0,03
|
311,22
|
5,55
|
62,24
|
0,0011
|
|
|
24
|
0,72
|
15,84
|
8,8
|
0,03
|
324,32
|
5,03
|
64,86
|
0,0010
|
|
|
25
|
0,72
|
16,56
|
9,2
|
0,03
|
337,43
|
4,51
|
67,49
|
0,0009
|
|
|
26
|
0,72
|
17,28
|
9,6
|
0,02
|
350,53
|
4,16
|
70,11
|
0,0009
|
|
|
27
|
0,36
|
18,27
|
10,15
|
0,02
|
357,08
|
3,82
|
71,42
|
0,0004
|
|
Таблица 17б
|
|
Тип фундамента 2
|
|
|
|
Слои основания
|
№ точки
|
hi, м
|
z, м
|
m=2z/b
|
α
|
σzg, кПа
|
σzp, кПа
|
0,2*σzg, кПа
|
σzpi*hi/E0i
|
S, м
|
|
глина серая пылеватая, слоистая (ленточная), γII=18,2
кН/м3, Е0=3500 кПа
|
0
|
0
|
0
|
0
|
1,00
|
166,21
|
4,91
|
0,0000
|
|
|
1
|
0,72
|
0,72
|
0,4
|
0,97
|
37,67
|
161,22
|
7,53
|
0,0332
|
|
|
2
|
0,72
|
1,44
|
0,8
|
0,84
|
50,78
|
139,62
|
10,16
|
0,0287
|
|
|
3
|
0,72
|
2,16
|
1,2
|
0,67
|
63,88
|
111,36
|
12,78
|
0,0229
|
|
|
4
|
0,72
|
2,88
|
1,6
|
0,51
|
76,99
|
84,77
|
15,40
|
0,0174
|
|
|
5
|
0,72
|
3,6
|
2
|
0,40
|
90,09
|
66,48
|
18,02
|
0,0137
|
|
|
6
|
0,72
|
4,32
|
2,4
|
0,31
|
103,19
|
51,53
|
20,64
|
0,0106
|
|
|
7
|
0,45
|
4,77
|
2,65
|
0,28
|
111,38
|
46,54
|
22,28
|
0,0060
|
|
|
супесь серая, легкая, слабо слоистая с линзами песка, γII=19,2
кН/м 3, Е0=14000 кПа
|
8
|
0,72
|
5,04
|
2,8
|
0,24
|
124,49
|
39,89
|
24,90
|
0,0082
|
|
|
9
|
0,72
|
5,76
|
3,2
|
0,20
|
137,59
|
33,24
|
27,52
|
0,0068
|
|
|
10
|
0,72
|
6,48
|
3,6
|
0,16
|
150,70
|
26,59
|
30,14
|
0,0055
|
0,122
|
|
11
|
0,72
|
7,2
|
4
|
0,14
|
163,80
|
23,27
|
32,76
|
0,0048
|
|
|
12
|
0,72
|
7,92
|
4,4
|
0,11
|
176,90
|
18,28
|
35,38
|
0,0038
|
|
|
13
|
0,72
|
8,64
|
4,8
|
0,10
|
190,01
|
16,62
|
38,00
|
0,0034
|
|
|
14
|
0,18
|
9,27
|
5,15
|
0,08
|
193,28
|
13,30
|
38,66
|
0,0007
|
|
|
суглинок темно-серый, тяжелый, с линзами песка, включениями
гальки (морена), γII =21,5 кН/м 3, Е0=18000 кПа
|
15
|
0,72
|
9,36
|
5,2
|
0,09
|
206,39
|
14,96
|
41,28
|
0,0031
|
|
|
16
|
0,72
|
10,08
|
5,6
|
0,07
|
219,49
|
11,63
|
43,90
|
0,0024
|
|
|
17
|
0,72
|
10,8
|
6
|
0,06
|
232,60
|
9,97
|
46,52
|
0,0021
|
|
|
18
|
0,72
|
11,52
|
6,4
|
0,06
|
245,70
|
9,97
|
49,14
|
0,0021
|
|
|
19
|
0,72
|
12,24
|
6,8
|
0,05
|
258,80
|
8,31
|
51,76
|
0,0017
|
|
|
20
|
0,72
|
12,96
|
7,2
|
0,05
|
271,91
|
8,31
|
54,38
|
0,0017
|
|
|
21
|
0,72
|
13,68
|
7,6
|
0,04
|
285,01
|
6,65
|
57,00
|
0,0014
|
|
|
22
|
0,72
|
14,4
|
8
|
0,04
|
298,12
|
6,65
|
59,62
|
0,0014
|
|
|
23
|
0,72
|
15,12
|
8,4
|
0,03
|
311,22
|
4,99
|
62,24
|
0,0010
|
|
|
24
|
0,72
|
15,84
|
8,8
|
0,03
|
324,32
|
4,99
|
64,86
|
0,0010
|
|
|
25
|
0,72
|
16,56
|
9,2
|
0,03
|
337,43
|
4,99
|
67,49
|
0,0010
|
|
|
26
|
0,72
|
17,28
|
9,6
|
0,03
|
350,53
|
4,99
|
70,11
|
0,0010
|
|
|
27
|
0,36
|
18,27
|
10,15
|
0,02
|
357,08
|
3,32
|
71,42
|
0,0003
|
|
Таблица 17в
|
|
Тип фундамента 3
|
|
|
|
Слои основания
|
№ точки
|
hi, м
|
z, м
|
m=2z/b
|
α
|
σzg, кПа
|
σzp, кПа
|
0,2*σzg, кПа
|
σzpi*hi/E0i
|
S, м
|
|
глина серая пылеватая, слоистая (ленточная), γII=18,2
кН/м3, Е0=3500 кПа
|
0
|
0
|
0
|
0
|
1,00
|
28,21
|
169,78
|
5,64
|
0,0000
|
|
|
1
|
0,72
|
0,72
|
0,4
|
0,97
|
41,31
|
164,69
|
8,26
|
0,0339
|
|
|
2
|
0,72
|
1,44
|
0,8
|
0,85
|
54,42
|
144,31
|
10,88
|
0,0297
|
|
|
3
|
0,72
|
2,16
|
1,2
|
0,69
|
67,52
|
117,15
|
13,50
|
0,0241
|
|
|
4
|
0,72
|
2,88
|
1,6
|
0,55
|
80,63
|
93,38
|
16,13
|
0,0192
|
|
|
5
|
0,72
|
3,6
|
2
|
0,43
|
93,73
|
73,01
|
18,75
|
0,0150
|
|
|
6
|
0,72
|
4,32
|
2,4
|
0,34
|
106,83
|
57,73
|
21,37
|
0,0119
|
|
|
7
|
0,45
|
4,77
|
2,65
|
0,30
|
115,02
|
50,93
|
23,00
|
0,0065
|
|
|
супесь серая, легкая, слабо слоистая с линзами песка, γII=19,2
кН/м 3, Е0=14000 кПа
|
8
|
0,72
|
5,04
|
2,8
|
0,28
|
128,13
|
47,54
|
25,63
|
0,0098
|
|
|
9
|
0,72
|
5,76
|
3,2
|
0,23
|
39,05
|
28,25
|
0,0080
|
|
|
10
|
0,72
|
6,48
|
3,6
|
0,19
|
154,34
|
32,26
|
30,87
|
0,0066
|
|
|
11
|
0,72
|
7,2
|
4
|
0,16
|
167,44
|
27,16
|
33,49
|
0,0056
|
0,136
|
|
12
|
0,72
|
7,92
|
4,4
|
0,13
|
180,54
|
22,07
|
36,11
|
0,0045
|
|
|
13
|
0,72
|
8,64
|
4,8
|
0,12
|
193,65
|
20,37
|
38,73
|
0,0042
|
|
|
14
|
0,18
|
9,27
|
5,15
|
0,11
|
196,92
|
18,68
|
39,38
|
0,0010
|
|
|
суглинок темно-серый, тяжелый, с линзами песка, включениями
гальки (морена), γII =21,5 кН/м 3, Е0=18000 кПа
|
15
|
0,72
|
9,36
|
5,2
|
0,09
|
210,03
|
15,28
|
42,01
|
0,0031
|
|
|
16
|
0,72
|
10,08
|
5,6
|
0,08
|
223,13
|
13,58
|
44,63
|
0,0028
|
|
|
17
|
0,72
|
10,8
|
6
|
0,07
|
236,24
|
11,88
|
47,25
|
0,0024
|
|
|
18
|
0,72
|
11,52
|
6,4
|
0,06
|
249,34
|
10,19
|
49,87
|
0,0021
|
|
|
19
|
0,72
|
12,24
|
6,8
|
0,06
|
262,44
|
10,19
|
52,49
|
0,0021
|
|
|
20
|
0,72
|
12,96
|
7,2
|
0,05
|
275,55
|
8,49
|
55,11
|
0,0017
|
|
|
21
|
0,72
|
13,68
|
7,6
|
0,04
|
288,65
|
6,79
|
57,73
|
0,0014
|
|
|
22
|
0,72
|
14,4
|
8
|
0,04
|
301,76
|
6,79
|
60,35
|
0,0014
|
|
|
23
|
0,72
|
15,12
|
8,4
|
0,04
|
314,86
|
6,79
|
62,97
|
0,0014
|
|
|
24
|
0,72
|
15,84
|
8,8
|
0,03
|
327,96
|
5,09
|
65,59
|
0,0010
|
|
|
25
|
0,72
|
16,56
|
9,2
|
0,03
|
341,07
|
5,09
|
68,21
|
0,0010
|
|
|
26
|
0,72
|
17,28
|
9,6
|
0,03
|
354,17
|
5,09
|
70,83
|
0,0010
|
|
|
27
|
0,36
|
18,27
|
10,15
|
0,03
|
360,72
|
5,09
|
72,14
|
0,0005
|
|
Таблица 17г
|
|
Тип фундамента 4
|
|
|
|
Слои основания
|
№ точки
|
hi, м
|
z, м
|
m=2z/b
|
α
|
σzg, кПа
|
σzp, кПа
|
0,2*σzg, кПа
|
σzpi*hi/E0i
|
S, м
|
|
глина серая пылеватая, слоистая (ленточная), γII=18,2
кН/м3, Е0=3500 кПа
|
0
|
0
|
0
|
0
|
1,00
|
24,57
|
163,04
|
4,91
|
0,0000
|
|
|
1
|
0,72
|
0,72
|
0,4
|
0,97
|
37,67
|
158,15
|
7,53
|
0,0325
|
|
|
2
|
0,72
|
1,44
|
0,8
|
0,84
|
50,78
|
136,95
|
10,16
|
0,0282
|
|
|
3
|
0,72
|
2,16
|
1,2
|
0,67
|
63,88
|
109,24
|
12,78
|
0,0225
|
|
|
4
|
0,72
|
2,88
|
1,6
|
0,51
|
76,99
|
83,15
|
15,40
|
0,0171
|
|
|
5
|
0,72
|
3,6
|
2
|
0,40
|
90,09
|
65,22
|
18,02
|
0,0134
|
|
|
6
|
0,72
|
4,32
|
2,4
|
0,31
|
103,19
|
50,54
|
20,64
|
0,0104
|
|
|
7
|
0,45
|
4,77
|
2,65
|
0,28
|
111,38
|
45,65
|
22,28
|
0,0059
|
|
|
супесь серая, легкая, слабо слоистая с линзами песка, γII=19,2
кН/м 3, Е0=14000 кПа
|
8
|
0,72
|
5,04
|
2,8
|
0,24
|
125,21
|
39,13
|
25,04
|
0,0020
|
|
|
9
|
0,72
|
5,76
|
3,2
|
0,20
|
139,03
|
32,61
|
27,81
|
0,0017
|
|
|
10
|
0,72
|
6,48
|
3,6
|
0,16
|
152,86
|
26,09
|
30,57
|
0,0013
|
0,108
|
|
11
|
0,72
|
7,2
|
4
|
0,14
|
166,68
|
22,83
|
33,34
|
0,0012
|
|
|
12
|
0,72
|
7,92
|
4,4
|
0,11
|
180,50
|
17,93
|
36,10
|
0,0009
|
|
|
13
|
0,72
|
8,64
|
4,8
|
0,10
|
194,33
|
16,30
|
38,87
|
0,0008
|
|
|
14
|
0,18
|
9,27
|
5,15
|
0,08
|
197,78
|
13,04
|
39,56
|
0,0002
|
|
|
суглинок темно-серый, тяжелый, с линзами песка, включениями
гальки (морена), γII =21,5 кН/м 3, Е0=18000 кПа
|
15
|
0,72
|
9,36
|
5,2
|
0,09
|
213,26
|
14,67
|
42,65
|
0,0005
|
|
|
16
|
0,72
|
10,08
|
5,6
|
0,07
|
228,74
|
11,41
|
45,75
|
0,0004
|
|
|
17
|
0,72
|
10,8
|
6
|
0,06
|
244,22
|
9,78
|
48,84
|
0,0003
|
|
|
18
|
0,72
|
11,52
|
6,4
|
259,70
|
9,78
|
51,94
|
0,0003
|
|
|
19
|
0,72
|
12,24
|
6,8
|
0,05
|
275,18
|
8,15
|
55,04
|
0,0003
|
|
|
20
|
0,72
|
12,96
|
7,2
|
0,05
|
290,66
|
8,15
|
58,13
|
0,0003
|
|
|
21
|
0,72
|
13,68
|
7,6
|
0,04
|
306,14
|
6,52
|
61,23
|
0,0002
|
|
|
22
|
0,72
|
14,4
|
8
|
0,04
|
321,62
|
6,52
|
64,32
|
0,0002
|
|
|
23
|
0,72
|
15,12
|
8,4
|
0,03
|
337,10
|
4,89
|
67,42
|
0,0002
|
|
|
24
|
0,72
|
15,84
|
8,8
|
0,03
|
352,58
|
4,89
|
70,52
|
0,0002
|
|
|
25
|
0,72
|
16,56
|
9,2
|
0,03
|
368,06
|
4,89
|
73,61
|
0,0002
|
|
|
26
|
0,72
|
17,28
|
9,6
|
0,03
|
383,54
|
4,89
|
76,71
|
0,0002
|
|
|
27
|
0,36
|
18,27
|
10,15
|
0,02
|
391,28
|
3,26
|
78,26
|
0,0001
|
|
Таблица 17д
|
|
Тип фундамента 5
|
|
|
|
Слои основания
|
№ точки
|
hi, м
|
z, м
|
m=2z/b
|
α
|
σzg, кПа
|
σzp, кПа
|
0,2*σzg, кПа
|
σzpi*hi/E0i
|
S, м
|
|
глина серая пылеватая, слоистая (ленточная), γII=18,2
кН/м3, Е0=3500 кПа
|
0
|
0
|
0
|
0
|
1,00
|
24,57
|
170,93
|
4,91
|
0,0000
|
|
|
1
|
0,72
|
0,72
|
0,4
|
0,97
|
37,67
|
166,21
|
7,53
|
0,0342
|
|
|
2
|
0,72
|
1,44
|
0,8
|
0,85
|
50,78
|
145,65
|
10,16
|
0,0300
|
|
|
3
|
0,72
|
2,16
|
1,2
|
0,70
|
63,88
|
119,95
|
12,78
|
0,0247
|
|
|
4
|
0,72
|
2,88
|
1,6
|
0,54
|
76,99
|
92,53
|
15,40
|
0,0190
|
|
|
5
|
0,72
|
3,6
|
2
|
0,45
|
90,09
|
77,11
|
18,02
|
0,0159
|
|
|
6
|
0,72
|
4,32
|
2,4
|
0,35
|
103,19
|
59,97
|
20,64
|
0,0123
|
|
|
7
|
0,45
|
4,77
|
2,65
|
0,30
|
111,38
|
51,41
|
22,28
|
0,0066
|
|
|
супесь серая, легкая, слабо слоистая с линзами песка, γII=19,2
кН/м 3, Е0=14000 кПа
|
8
|
0,72
|
5,04
|
2,8
|
0,27
|
124,49
|
46,26
|
24,90
|
0,0095
|
|
|
9
|
0,72
|
5,76
|
3,2
|
0,22
|
137,59
|
37,70
|
27,52
|
0,0078
|
|
|
10
|
0,72
|
6,48
|
3,6
|
0,18
|
150,70
|
30,84
|
30,14
|
0,0063
|
0,133
|
|
11
|
0,72
|
7,2
|
4
|
0,15
|
163,80
|
25,70
|
32,76
|
0,0053
|
|
|
12
|
0,72
|
7,92
|
4,4
|
0,13
|
176,90
|
22,28
|
35,38
|
0,0046
|
|
|
13
|
0,72
|
8,64
|
4,8
|
0,11
|
190,01
|
18,85
|
38,00
|
0,0039
|
|
|
14
|
0,18
|
9,27
|
5,15
|
0,10
|
193,28
|
17,14
|
38,66
|
0,0009
|
|
|
суглинок темно-серый, тяжелый, с линзами песка, включениями
гальки (морена), γII =21,5 кН/м 3, Е0=18000 кПа
|
15
|
0,72
|
9,36
|
5,2
|
0,09
|
206,39
|
15,42
|
41,28
|
0,0032
|
|
|
16
|
0,72
|
10,08
|
5,6
|
0,08
|
219,49
|
13,71
|
43,90
|
0,0028
|
|
|
17
|
0,72
|
10,8
|
6
|
0,07
|
232,60
|
11,99
|
46,52
|
0,0025
|
|
|
18
|
0,72
|
11,52
|
6,4
|
0,06
|
245,70
|
10,28
|
49,14
|
0,0021
|
|
|
19
|
0,72
|
12,24
|
6,8
|
0,06
|
258,80
|
10,28
|
51,76
|
0,0021
|
|
|
20
|
0,72
|
12,96
|
7,2
|
0,05
|
271,91
|
8,57
|
54,38
|
0,0018
|
|
|
21
|
0,72
|
13,68
|
7,6
|
0,05
|
285,01
|
8,57
|
57,00
|
0,0018
|
|
|
22
|
0,72
|
14,4
|
8
|
0,04
|
298,12
|
6,85
|
59,62
|
0,0014
|
|
|
23
|
0,72
|
15,12
|
8,4
|
0,04
|
311,22
|
6,85
|
62,24
|
0,0014
|
|
|
24
|
0,72
|
15,84
|
8,8
|
0,04
|
324,32
|
6,85
|
64,86
|
0,0014
|
|
|
25
|
0,72
|
16,56
|
9,2
|
0,03
|
337,43
|
5,14
|
67,49
|
0,0011
|
|
|
26
|
0,72
|
17,28
|
9,6
|
0,03
|
350,53
|
5,14
|
70,11
|
0,0011
|
|
|
27
|
0,36
|
18,27
|
10,15
|
0,03
|
5,14
|
71,42
|
0,0005
|
|
В зависимости от типа фундамента нижняя граница сжимаемой толщи, где
соблюдается условие σгр
≤0,2 σzg (ниже
грунт можно считать практически не сжимаемым), для каждого вида:
для 1-го типа: в 10-й точке (3,6 м) и осадка S = 0,124 м;
для 2-го типа: в 10-й точке (3,6 м) и осадка S = 0,122 м;
для 3-го типа: в 11-й точке (4 м) и осадка S = 0,136 м;
для 4-го типа: в 10-й точке (3,6 м) и осадка S = 0,108 м;
для 5-го типа: в 10-й точке (3,6 м) и осадка S = 0,133 м;
Предельные деформации (максимальная предельная осадка) для
производственных многоэтажных зданий с устройством монолитных перекрытий равны
15 см (приложение Е, СП 50-101-2004). Таким образом, по всем видам фундаментов
полученные расчетные осадки проходят до уровня предельно допустимых. Большие
величины осадок вызваны тем, что первым слоем грунта является глина серая
пылеватая, слоистая (ленточная) сильносжимаемая (Е0=3,5 Мпа).
Рис.7 Расчетная схема распределения напряжений по оси фундамента на
горизонтальные площадки в грунте основания
Рис.8 Расчетная схема (размеры в мм)
.10 Расчет основания по несущей способности (по первому предельному
состоянию)
Целью расчета оснований по несущей способности является обеспечение
прочности и устойчивости оснований, а также недопущение сдвига фундамента по
подошве и его опрокидывания.
В п. 5.1.3. СП 50-101-2004 сказано: Расчет оснований по несущей
способности должен производиться в случаях, если:
а) на основание передаются значительные горизонтальные нагрузки (подпорные
стены, фундаменты распорных конструкций и т.п.), в том числе сейсмические;
б) сооружение расположено на откосе или вблизи откоса;
в)
основание сложено дисперсными грунтами, указанными в п. 5.6.5
<#"890886.files/image025.gif">
где
F - расчетная нагрузка на основание, кН; γn
- коэффициент надежности по назначению сооружения, принимаемый равным 1,2;
1,15; и 1,10 соответственно для зданий и сооружений I, II и III классов (в
нашем случае химический цех относится к III-му классу, т.е. γn=1,1);
Fu - несущая способность основания (предельная), кН; γc
- коэффициент условий работы, принимаемый для пылевато-глинистых грунтов в
стабилизированном состоянии γc=0,9. Таким образом, для
нашего случая получим отношение: γc/ γn=0,82.
Вертикальную
составляющую силы предельного сопротивления Nu, кН, основания,
сложенного дисперсными грунтами в стабилизированном состоянии, допускается
определять по формуле:
,
если
фундамент имеет плоскую подошву и грунты основания ниже подошвы однородны до
глубины не менее ее ширины, а в случае различной вертикальной пригрузки с
разных сторон фундамента интенсивность большей из них не превышает 0,5R, где b´ и l´ - соответственно
приведенные ширина и длина фундамента, м, вычисляемые по формулам:
b´ = b - 2*eb; l´ = l - 2*еl
здесь
eb и еl - соответственно эксцентриситеты приложения
равнодействующей нагрузок в направлении поперечной и продольной осей
фундамента, м;γ, Nq, Nc - безразмерные
коэффициенты несущей способности, определяемые по СП 50-101-2004 (табл. 5.10
<#"890886.files/image027.gif"> выполняется.
Расчет фундамента на сдвиг по подошве не производим, так как TII - сдвигающее горизонтальное усилие,
в нашем случае для всех типов фундамента, равно 0.
.11 Расчет плитной части на продавливание
Расчет плитной части железобетонных фундаментов на прочность выполняется
в следующей последовательности:
а) определение реактивного давления грунта на подошву;
б) проверка высоты плитной (ступенчатой) части фундамента;
в) проверка прочности нижней ступени;
г) подбор сечения арматуры плитной части фундамента.
При определении реактивных давлений под подошвой фундамента учитываем
только давление от нагрузок, приложенных к обрезу фундамента и вес
подколонника, т.к. собственный вес плитной части и вес грунта на ее уступах
уравновешиваются реактивными давлениями и не вызывают усилий изгиба в теле
фундамента (рис. 9).
Рис.8 Расчетная схема (размеры в мм)
1=N0+Nпод; M1=M0+T0*Hф; e=M1/N1; Pmax=N1/Aф*(1+6e/l); Pmin=N1/Aф*(1-6e/l);
где N0 - нагрузка, приложенная к обрезу фундамента; Nпод - вес подколонника; M0 - момент, действующий по обрезу фундамента; T0 - сдвигающая сила; Hф - высота фундамента (размер по
вертикали от обреза фундамента до подошвы); e - эксцентриситет силы N1; l - размер подошвы
фундамента в направлении действия момента (так как моменты, заданные в условиях
данного варианта не определены по осям, то принимаем смещение нагрузки только
по b (наиболее узкой части фундамента); Aф - площадь подошвы фундамента. Произведем расчеты для всех
типов фундамента и сведем результаты в таблицу (при проведении расчетов
учитываем, что в нашем случае T0=0, следовательно, M1=M0).
Табл.20 Вычисление давлений под подошвой фундамента
|
Тип фундамента
|
b, м
|
l, м
|
Vпод, м3
|
γж/б, кН/м3
|
Nпод, кН
|
N0, кН
|
N1, кН
|
M1, кН*м
|
e, м
|
Aф, м2
|
1+6e/b
|
1-6e/b
|
Pmax, кН
|
Pmin, кН
|
|
|
|
|
|
|
|
|
|
|
|
|
|
|
|
|
1
|
1
|
1,2
|
0
|
23,00
|
0
|
160
|
160
|
-24
|
-0,13
|
1,2
|
0,34
|
1,66
|
54,79
|
267,54
|
|
2
|
3,60
|
4,80
|
1,39
|
23,00
|
31,97
|
2810
|
2841,97
|
38
|
0,01
|
17,28
|
1,02
|
0,98
|
168,13
|
160,80
|
|
3
|
3,60
|
5,70
|
1,39
|
23,00
|
31,97
|
3410
|
3441,97
|
-45
|
-0,01
|
20,52
|
0,98
|
1,02
|
164,08
|
171,39
|
|
4
|
3,30
|
4,20
|
1,39
|
23,00
|
31,97
|
2210
|
2241,97
|
-122
|
-0,05
|
13,86
|
0,90
|
1,10
|
145,75
|
177,76
|
|
5
|
2,10
|
3,00
|
0,54
|
23,00
|
12,42
|
1060
|
1072,42
|
-184
|
-0,17
|
6,30
|
0,51
|
1,49
|
86,78
|
253,67
|
После расчета давлений под подошвой фундамента, построим эпюру давлений и
пирамиду продавливания.
Расчет на продавливание производится для того, чтобы действующие усилия
были восприняты бетонным сечением фундамента без установки поперечной арматуры.
При расчете на продавливание от верха плитной части принимается, что
продавливание от фундамента при центральном нагружении происходит по боковым
поверхностям пирамиды, стороны которой наклонены под углом 45° к горизонтали
(рис. 8).
Расчетная продавливающая сила определяется по формуле:
=A0*Pmax
где Pmax - наибольшее краевое давление
(выбираем из максимальных значений Pmax и Pmin); A0 - площадь многоугольника abcdef, которая рассчитывается:
0 = 0,56*(l - lпод - 2*h0 ) - 0,25*(b - bпод - 2*h0)2
Где b, l - соответственно ширина и длина подошвы фундамента;
bпод и lпод - ширина и длина стаканной части фундамента;
h0
- размер
по вертикали от верха плитной части фундамента до арматуры, с учетом защитного
слоя равного 50 мм для 2,3,4-го типов фундамента: h0=0,3+0,3+0,3-005=0,85 м.
Табл.21 Вычисление площади многоугольника abcdef и расчетной продавливающей силы
|
Тип фундамента
|
b, м
|
l, м
|
bпод, м
|
lпод, м
|
h0, м
|
A0, м2
|
Pmax, кН
|
F, кН*м2
|
|
1
|
1
|
1,2
|
0
|
0
|
0,25
|
0,27
|
267,54
|
72,24
|
|
2
|
3,60
|
4,80
|
1,50
|
1,50
|
0,85
|
0,86
|
168,13
|
143,92
|
|
3
|
3,60
|
5,70
|
1,50
|
1,50
|
0,85
|
1,36
|
171,39
|
233,09
|
|
4
|
3,30
|
4,20
|
1,50
|
1,50
|
0,85
|
0,56
|
177,76
|
99,10
|
|
5
|
2,10
|
3,00
|
0,90
|
0,90
|
0,55
|
0,16
|
253,67
|
141,42
|
Расчет на продавливание при монолитном сопряжении колонны или
подколонника с плитой производится по формуле:
≤k*Rp*Ucp*h0
где F - расчетная продавливающая сила; k - коэффициент (при монолитном
сопряжении колонны с плитной частью фундамента k = 1); Rp - расчетное сопротивление бетона растяжению (принимается по СП
63.13330.2012, табл.6.7 в зависимости от марки выбранного бетона (В25 для
предельных состояний второй группы равно 1,55 мПа; В7,5 - 0,7 мПа); Ucp - среднее арифметическое значение
периметров верхнего и нижнего оснований пирамиды, образующейся при
продавливании, в пределах рабочей высоты сечения, определяемое по формуле:
cp =2*(lпод
+ bпод +2*h0)
Для 1-го типа фундамента в качестве размеров подколонника используем
размеры ФБС 9.6.6 - 880х600х580 (мм).
Произведем расчеты для всех типов фундамента и сведем результаты в
таблицу.
Табл.22 Выполнение расчета на продавливание
|
Тип фундамента
|
k
|
Rp, кПа
|
h0, м
|
bпод, м
|
lпод, м
|
Ucp, м
|
k*Rp*Ucp*h0
|
F, кН*м2
|
|
1
|
1,00
|
1550,00
|
0,25
|
0,6
|
0,88
|
3,96
|
693
|
72,24
|
|
2
|
1,00
|
1550,00
|
0,85
|
1,50
|
1,50
|
9,40
|
12384,50
|
143,92
|
|
3
|
1,00
|
1550,00
|
0,85
|
1,50
|
1,50
|
9,40
|
12384,50
|
233,09
|
|
4
|
1,00
|
1550,00
|
0,85
|
1,50
|
1,50
|
9,40
|
12384,50
|
99,10
|
|
5
|
1,00
|
1550,00
|
0,55
|
0,90
|
0,90
|
7,00
|
4944,50
|
141,42
|
По результатам расчетов видно, что условие F≤k*Rp*Ucp*h0 выполняется для всех типов фундамента.
Проверка прочности нижней ступени фундамента сводится к определению
выноса нижней ступени C1 (рис.8), который можно расcчитать из условия:
≤ Rp*h01*b1cp
где F=A01*Pгр; b1cp=b1+h01.01 - площадь, с которой собирается
реактивное давление. Здесь определение размеров пирамиды продавливания и
площади выполняют аналогично изложенному ранее, а верхнее основание пирамиды b1 является размером второй ступени фундамента.
01 = 0,56*(l - l1 - 2*h01 ) - 0,25*(b - b1 - 2*h01)2
Следовательно, для 2,3,4-го типов фундамента h01=0,55 м, для 5-го - h01=0,25 м
(т.к. используется только две плиты), а для 1-го - h01=0 (т.к. используется только одна плита) . Произведем расчеты
для 2,3,4,5-го типов фундамента и сведем результаты в таблицу.
Табл.23 Выполнение расчета на продавливание нижней ступени фундамента
|
Тип фундамента
|
b, м
|
l, м
|
b1, м
|
l1, м
|
b1ср, м
|
h01, м
|
A01, м2
|
Pmax, кН
|
Rp, кПа
|
Rp*h01*b1cp
|
F, кН*м2
|
|
|
|
|
|
|
|
|
|
|
|
|
|
2
|
3,60
|
4,80
|
2,40
|
3,60
|
2,95
|
0,55
|
0,18
|
168,13
|
1550,00
|
2514,88
|
29,84
|
|
3
|
3,60
|
5,70
|
2,40
|
4,50
|
2,95
|
0,55
|
0,18
|
171,39
|
1550,00
|
2514,88
|
30,42
|
|
4
|
3,30
|
4,20
|
2,10
|
3,00
|
2,65
|
0,55
|
0,16
|
177,76
|
1550,00
|
2259,13
|
28,89
|
|
5
|
2,10
|
3,00
|
1,50
|
2,40
|
1,75
|
0,25
|
0,10
|
253,67
|
1550,00
|
678,13
|
26,00
|
Вынос нижней ступени не должен превышать значения:
1=k1*h01
где k1 - коэффициент, принимаемый по таблице 24:
Табл.24
|
Давление на грунт, кПа
|
b-b1<2h01
|
b-b1=2h01
|
b-b1>2h01
|
|
B7,5
|
B15
|
B22,5
|
B7,5
|
B15
|
B22,5
|
B7,5
|
B15
|
B22,5
|
|
200
|
3
|
3
|
3
|
3
|
3
|
3
|
3
|
3
|
3
|
|
300
|
3
|
3
|
2,8
|
3
|
3
|
2,3
|
2,5
|
3
|
|
400
|
2,5
|
2,8
|
3
|
2,3
|
2,5
|
3
|
2
|
2,1
|
2,5
|
|
500
|
2,5
|
2,4
|
3
|
2
|
2,2
|
2,6
|
1,8
|
1,9
|
2,2
|
Произведем расчеты для всех типов фундамента и сведем результаты в
таблицу.
Табл.25 Выполнение расчета выноса нижней ступени
|
Тип фундамента
|
b, м
|
b1, м
|
b-b1, м
|
h01, м
|
2*h01, м2
|
Pmax, кН
|
k1
|
C1, м
|
|
2
|
3,60
|
2,40
|
1,20
|
0,55
|
1,10
|
168,13
|
3,00
|
1,65
|
|
3
|
3,60
|
2,40
|
1,20
|
0,55
|
1,10
|
171,39
|
3,00
|
1,65
|
|
4
|
3,30
|
2,10
|
1,20
|
0,55
|
1,10
|
177,76
|
3,00
|
1,65
|
|
5
|
2,10
|
1,50
|
0,60
|
0,25
|
0,50
|
253,67
|
3,00
|
0,75
|
Расчеты показывают, что вынос нижней ступени для 2,3,4,5-го типов фундаментов
не превышает значения С1.
.12 Расчет плитной части на изгиб с подбором арматуры
Площадь сечения рабочей арматуры нижней ступени фундамента рассчитывают
по моменту, действующему в сечении фундамента по грани колонны (сечения 1-1 и
4-4); в сечениях по граням ступеней фундамента проверяют достаточность принятой
по этому расчету арматуры и в случае необходимости вводят изменения. При
прямоугольной подошве площадь сечения арматуры находят расчетом в обоих
направлениях.
Рис.9 Расчетная схема для определения площади сечения арматуры
Определим момент в сечении 1-1 (рис.9): M1-1=[(Pmax+P1)/2]*[(l- l k)2/8]*b;
в сечении 4-4: M4-4=Pcp*l*(b-bk)2/8,
где P1 - давление по подошве в сечении 1-1. Площадь арматуры
для сечения 1-1:
a= M1-1/(0,9*h0*Ra)
где h0 - рабочая высота плитной части фундамента; Ra - расчетное сопротивление арматуры
растяжению, которое определяется по таблице 26, Ra=270000 кПа для арматуры класса А-II.
Табл.20 Расчетное сопротивление арматуры
Табл.27а Выполнение расчета площади сечения арматуры
|
Тип фундамента
|
РIIср, кН
|
Pmax, кН
|
Pmin, кН
|
P1, кН
|
b, м
|
bk, м
|
l, м
|
lk, м
|
|
1
|
198,11
|
54,79
|
267,54
|
242
|
1
|
0,6
|
1,2
|
0,88
|
|
2
|
190,78
|
193,16
|
188,4
|
192,27
|
3,6
|
0,6
|
4,80
|
0,80
|
|
3
|
197,99
|
195,91
|
200,07
|
199,29
|
3,6
|
0,6
|
5,70
|
0,80
|
|
4
|
187,61
|
175,04
|
200,18
|
195,47
|
3,3
|
0,6
|
4,20
|
0,80
|
|
5
|
195,5
|
136,85
|
254,15
|
232,16
|
2,1
|
0,4
|
3,00
|
0,40
|
Табл.27б Выполнение расчета площади сечения арматуры(продолжение)
|
Тип фундамента
|
(Pmax+P1)/2, кН
|
(l- l k)2/8, м2
|
(b-bk)2/8, м2
|
h0, м
|
Ra, кПа
|
М1-1, кН*м
|
Aa(1-1), м2
|
М4-4, кН*м
|
Aa(4-4), м2
|
|
|
|
|
|
|
|
|
|
|
|
1
|
254,77
|
0,01
|
0
|
0,25
|
270000,00
|
2,54
|
0,00004
|
0
|
0
|
|
2
|
192,72
|
2,00
|
1,13
|
0,85
|
270000,00
|
1387,55
|
0,00672
|
1030,21
|
0,00499
|
|
3
|
199,68
|
3,00
|
1,13
|
0,85
|
270000,00
|
2157,44
|
0,01045
|
1269,61
|
0,00615
|
|
4
|
197,83
|
1,45
|
0,91
|
0,85
|
270000,00
|
943,33
|
0,00457
|
718,03
|
0,00348
|
|
5
|
243,16
|
0,85
|
0,36
|
0,55
|
270000,00
|
431,48
|
0,00323
|
211,87
|
0,00159
|
Площадь арматуры для сечений 1-1, 4-4 рассчитываем, принимая защитный
слой 50 мм. По площади сечения арматуры необходимо подобрать по сортаменту
арматуры (Методические указания по выполнению курсовой работы, приложение 3)
количество и диаметр стержней. Для фундаментов диаметр арматуры стержней
принимается не меньше 10 мм, шаг стержней - 20 см, крайних - 15 см. Произведем
подбор для 1,2,3,4-го типов фундамента по полученным расчетам.
Табл.28 Выполнение подбора арматуры
|
Тип фундамента
|
b, м
|
Кол-во стержней
|
Aa(1-1), м2
|
Aa стержня, см2
|
Кол-во и диаметр стержней
|
Aa по сортаменту, м2
|
l, м
|
Кол-во стержней
|
Aa(4-4), м2
|
Aa стержня, см2
|
Кол-во и диаметр стержней
|
Aa по сортаменту, м2
|
|
|
|
|
|
|
|
|
|
|
|
|
|
|
1
|
1
|
10
|
0,00004
|
0,4
|
10ø10
|
0,000785
|
1,2
|
10
|
0
|
0
|
0
|
0
|
|
2
|
3,6
|
17
|
0,00672
|
3,95161
|
17ø25
|
0,00835
|
4,8
|
23
|
0,00499
|
2,16857
|
23ø16
|
0,00585
|
|
3
|
3,6
|
17
|
0,01045
|
6,1442
|
17ø28
|
0,01047
|
5,7
|
28
|
0,00615
|
2,19527
|
28ø18
|
0,00713
|
|
4
|
3,3
|
16
|
0,00457
|
2,85442
|
16ø20
|
0,00503
|
4,2
|
20
|
0,00348
|
1,73815
|
20ø16
|
0,00402
|
|
5
|
2,1
|
10
|
0,00324
|
3,24462
|
10ø22
|
0,0038
|
3
|
14
|
0,00159
|
1,13235
|
14ø14
|
0,00215
|
В сечениях по граням ступеней фундамента проверяем достаточность принятой
арматуры для сечений 2-2, 3-3, 5-5, 6-6, тоже принимая защитный слой 50 мм.
Табл.28а Выполнение проверки достаточности принятой арматуры для сечений
2-2 и 5-5
|
Тип фундамента
|
РIIср, кН
|
Pmax, кН
|
Pmin, кН
|
P2, кН
|
b, м
|
b2, м
|
l, м
|
l2, м
|
|
2
|
190,78
|
193,16
|
188,4
|
192,57
|
3,6
|
2,4
|
4,80
|
3,60
|
|
3
|
197,99
|
195,91
|
200,07
|
199,55
|
3,6
|
2,4
|
5,70
|
4,50
|
|
4
|
187,61
|
175,04
|
200,18
|
197,04
|
3,3
|
2,1
|
4,20
|
3,00
|
|
5
|
195,5
|
136,85
|
254,15
|
244,38
|
2,1
|
1,5
|
3,00
|
2,40
|
Табл.28б Выполнение проверки достаточности принятой арматуры для сечений
2-2 и 5-5
|
Тип фундамента
|
(Pmax+P2)/2, кН
|
(l- l2)2/8, м2
|
(b-b2)2/8, м2
|
h0, м
|
Ra, кПа
|
М2-2, кН*м
|
Aa(2-2), м2
|
М5-5, кН*м
|
Aa(5-5), м2
|
|
|
|
|
|
|
|
|
|
|
|
2
|
192,87
|
0,18
|
0,18
|
0,55
|
270000,00
|
124,98
|
0,00094
|
164,83
|
|
3
|
199,81
|
0,18
|
0,18
|
0,55
|
270000,00
|
129,48
|
0,00097
|
203,14
|
0,00152
|
|
4
|
198,61
|
0,18
|
0,18
|
0,55
|
270000,00
|
117,97
|
0,00088
|
141,83
|
0,00106
|
|
5
|
249,27
|
0,05
|
0,05
|
0,25
|
270000,00
|
23,56
|
0,00039
|
26,39
|
0,00043
|
Табл.29а Выполнение проверки достаточности принятой арматуры для сечений
3-3 и 6-6
|
Тип фундамента
|
РIIср, кН
|
Pmax, кН
|
Pmin, кН
|
P3, кН
|
b, м
|
b3, м
|
l, м
|
l3, м
|
|
2
|
190,78
|
193,16
|
188,4
|
192,57
|
3,6
|
3
|
4,80
|
4,20
|
|
3
|
197,99
|
195,91
|
200,07
|
199,55
|
3,6
|
3
|
5,70
|
5,10
|
|
4
|
187,61
|
175,04
|
200,18
|
197,04
|
3,3
|
2,7
|
4,20
|
3,60
|
Табл.29б Выполнение проверки достаточности принятой арматуры для сечений
3-3 и 6-6
|
Тип фундамента
|
(Pmax+P3)/2, кН
|
(l- l3)2/8, м2
|
(b-b3)2/8, м2
|
h0, м
|
Ra, кПа
|
М3-3, кН*м
|
Aa(3-3), м2
|
М6-6, кН*м
|
Aa(6-6), м2
|
|
|
|
|
|
|
|
|
|
|
|
2
|
192,87
|
0,04
|
0,05
|
0,25
|
270000,00
|
31,24
|
0,00051
|
41,21
|
0,00068
|
|
3
|
199,81
|
0,05
|
0,05
|
0,25
|
270000,00
|
32,37
|
0,00053
|
50,78
|
0,00084
|
|
4
|
198,61
|
0,05
|
0,04
|
0,25
|
270000,00
|
29,49
|
0,00049
|
35,46
|
0,00058
|
Для фундамента 5-го типа используются только две плиты, а для фундамента
1-го типа - одна. Поэтому данные для них по сечениям 3-3 и 6-6 отсутствуют, а
для фундамента 1-го типа - и по сечениям 2-2 и 5-5.
Результаты вычислений и сравнение с подобранной площадью по сортаменту
сведем в таблицу:
Табл.30 Выполнение проверки достаточности принятой арматуры для сечений
2-2, 3-3, 5-5 и 6-6
|
Тип фундамента
|
Aa(2-2), см2
|
Aa(3-3), см2
|
Кол-во и диаметр стержней
|
Aa по сортаменту, см2
|
Aa(5-5), см2
|
Aa(6-6), см2
|
Кол-во и диаметр стержней
|
Aa по сортаменту, см2
|
|
|
|
|
|
|
|
|
|
|
2
|
9,35
|
5,14
|
17ø25
|
83,5
|
12,33
|
6,78
|
23ø18
|
58,5
|
|
3
|
9,69
|
5,33
|
17ø28
|
104,7
|
15,20
|
8,36
|
28ø18
|
71,3
|
|
4
|
8,83
|
4,85
|
16ø20
|
50,3
|
10,61
|
5,84
|
20ø16
|
40,2
|
|
5
|
3,88
|
0,00
|
10ø22
|
38
|
4,34
|
0,00
|
14ø14
|
18,096
|
Как видно из таблицы 30 принятая арматура достаточна по всем сечениям и
для 2,3,4,5-го типов фундамента.
В пояснительной записке необходимо вычертить принятый фундамент в двух
проекциях с указанием арматуры.
.
Расчет свайного фундамента
3.1 Определение глубины заложения подошвы ростверка
При выборе глубины заложения учитываются следующие факторы:
) инженерно-геологические условия площадки строительства.
) особенности возводимого здания.
) климатические особенности.
Основным климатическим фактором, влияющим на глубину заложения, является
промерзание грунтов. Для определения возможности промерзания грунтов под
фундаментами необходимо, прежде всего, знать нормативную глубину промерзания dfn. Расчет произведен в п.2.1 данной
курсовой работы.
Окончательно принимаем глубину заложения ростверка 1,35 м (в зависимости
от нормативной глубины промерзания).
давление грунт фундамент подошва
3.2 Выбор вида, материала и размера сваи
Рис.10 Расчетная схема для определения длины сваи
Примем железобетонные забивные сваи квадратного сечения с ненапрягаемой
арматурой. По характеру работы целесообразно принять висячую сваю.
Определим длину сваи, для фундаментов 2,3,4,5-го типов (рассматривать
устройство свайного фундамента вместо ленточного - 1-го типа не будем, т.к. это
нецелесообразно ввиду явно более дорогого и трудоемкого способа устройства
фундамента в этом случае):
св=H1-df+H2+0,05=4-1,35+2,5+0,05=5,65 м
Табл.31 Подбор сваи по технико-экономическому сравнению вариантов
|
Марка сваи
|
Длина сваи, м
|
Сечение сваи, см
|
Марка бетона
|
Масса сваи, т
|
Продольная арматура А-I
|
Марку сваи принимаем С6-20 по таблице 31 для фундаментов 2,3,4,5-го
типов. Для получения необходимой длины часть сваи необходимо удалить. Основные
характеристики сваи приведены в таблицу 31а.
Табл.32 Основные характеристики сваи
|
Марка сваи
|
Длина сваи, м
|
Сечение сваи, см
|
Класс бетона
|
Масса сваи, т
|
Продольная арматура А-I
|
|
С6-30
|
6
|
30х30
|
В20
|
1,38
|
4ø16
|
.3 Определение несущей способности сваи по материалу и по грунту
1. Расчетное сопротивление (несущая способность) сваи по материалу
определяется по следующей формуле:
d=γс*φ*(Rпр*Ас+Rа.с.*Аа)
где γс =1- коэффициент условий работы сваи; φ=1 - коэффициент, учитывающий условия
погружения; Rпр - расчетное сопротивление бетона при
осевом сжатии (СП 52-101-2003,Таблица 5.2),
Rпр=11500 кПа; Rа.с. - расчетное сопротивление арматуры сжатию (СП 52-101-2003,Таблица 5.8), Rа.с.=215000 кПа; Ас=0,09 м2 - площадь
поперечного сечения сваи; Аа=4,52*10-4 м2 -
площадь поперечного сечения всех продольных стержней арматуры.
Fd=1*1*(11500*0,09+215000*0,000452)=1*1*(1035+97,18)=1132,18 кН
. Несущую способность сваи по грунту (рис.12) находят как сумму
сопротивлений, оказываемых грунтами основания под нижним концом сваи и по ее
боковой поверхности по формуле (СНиП 2.02.03-85, СП 24.13330.2011):
Рис.12 Расчетная схема для расчета висячей сваи по несущей способности
d=γс*(γсR*R*А+u*Ʃγсf*fi*hi)
где γс =1- коэффициент условий работы сваи в
грунте; R=2400 кПа - расчетное сопротивление
грунта под нижним концом сваи, кПа, принимаемое по табл. 7.2, примечание №4;
А=0,09 м2 - площадь опирания на грунт сваи, принимаемая по площади
поперечного сечения сваи брутто; u=1,2
м - наружный периметр поперечного сечения ствола сваи; f1=22 кПа; f2=14 кПа - расчетные сопротивления i-го слоя грунта (1-й - глина серая
пылеватая, слоистая; 2-й - супесь серая, легкая) основания на боковой
поверхности сваи, кПа, принимаемые по табл. 7.3; h1=4 м; h2=1,65 м; - толщина i-го слоя грунта основания,
соприкасающегося с боковой поверхностью сваи (1-й - глина серая пылеватая,
слоистая; 2-й - супесь серая, легкая); γсR=1 и γсf=1 - коэффициенты условий работы грунта
соответственно под нижним концом и по боковой поверхности сваи, учитывающие
влияние способа погружения сваи, принимаемые по таблице 7.4.( погружение
сплошных свай механическими молотами).
Получаем: Fd=1*(1*2400*0,09+1,2*(1*22*4+1*14*1,65)=1*(216+1,2*111,1)=349,32
кН
Определив несущую способность сваи по материалу и грунту, выбираем
наименьшее значение и используем его в дальнейших расчетах - 349,32 кН.
.4 Определение необходимого числа свай в фундаменте
Число свай, необходимых для восприятия нагрузки на фундамент
рассчитывается по следующей формуле:
=(γk*N0I)/(Fd-α2*dp*γcp*γk)
где N0I - расчетная нагрузка на фундамент по первому
предельному состоянию из раздела 2.11 данной курсовой работы; γk - коэффициент надежности, который
равен 1,4, если Fd
определяется расчетным путем; Fd - несущая способность сваи, которая была рассчитана в пункте 3.3
(принимается наименьшее значение, Fd=349,32 кН); a -
расстояние между осями свай, которое принимается для висячих свай α≥3d=0,9 м, где d=0,3
м, размер поперечного сечения сваи, т.о. α2=0,81 м2; dp=1,35 м - глубина заложения
ростверка; принимаем γcp=20 кН/м - средний удельный вес
материал ростверка фундамента и грунта.
Рассчитав необходимое число свай, округляем цифру до целого числа. Так
как на фундамент действует момент, необходимо расчетное количество свай
увеличить на 20%.
Табл.33 Расчет необходимого числа свай
|
Тип фундамента
|
N0I
|
γk
|
γk*N0I
|
Fd
|
a2
|
dp
|
γcp
|
a2*dp* γcp*γk
|
Fd-a2*dp*
γcp*γk
|
nрасч
|
n
|
n*1,2
|
|
|
|
|
|
|
|
|
|
|
|
|
|
|
2
|
3613,58
|
1,4
|
5059,01
|
349,32
|
0,81
|
1,35
|
20
|
30,62
|
318,70
|
15,87
|
16
|
19
|
|
3
|
4425,03
|
1,4
|
6195,04
|
349,32
|
0,81
|
1,35
|
20
|
30,62
|
318,70
|
19,44
|
20
|
24
|
|
4
|
2854,32
|
1,4
|
3996,05
|
349,32
|
0,81
|
1,35
|
20
|
30,62
|
318,70
|
12,54
|
13
|
16
|
|
5
|
1357,71
|
1,4
|
1900,79
|
349,32
|
0,81
|
1,35
|
20
|
30,62
|
318,70
|
5,96
|
6
|
7
|
3.5 Конструирование ростверка и его расчет
Конструирование ростверка начинается с размещения свай в плане. Сваи
располагаем в рядовом порядке. Расстояние между осями свай принимаем равным:
для висячих свай α≥3d=0,9
м. Расстояние от края сваи до края ростверка принимаем ≥ d = 0,4 м.
Табл.34 Расчет размеров ростверка
|
Тип фундамента
|
n
|
n*1,2
|
nоткорр
|
e
|
a*(e-1)
|
k=2*d
|
d
|
b, м
|
l, м
|
|
2
|
16
|
19
|
20
|
4
|
2,70
|
0,80
|
0,30
|
3,80
|
4,70
|
|
3
|
20
|
24
|
25
|
5
|
3,60
|
0,80
|
0,30
|
4,70
|
4,70
|
|
4
|
13
|
16
|
20
|
4
|
2,70
|
0,80
|
0,30
|
3,80
|
4,70
|
|
5
|
6
|
7
|
12
|
3
|
1,80
|
0,80
|
0,30
|
2,70
|
3,80
|
Размеры ростверка: b=(0,4*2+0,9*3)+0,3=3,8
м; l=(0,4*2+0,9*4)+0,3=4,7 м (для 20 свай
- фундаменты 2,4-го типа).
Размеры ростверка: b=(0,4*2+0,9*4)+0,3=4,7
м; l=(0,4*2+0,9*4)+0,3=4,7 м (для 25 свай
- фундаменты 3-го типа).
Размеры ростверка: b=(0,4*2+0,9*2)+0,3=2,7
м; l=(0,4*2+0,9*3)+0,3=3,8 м (для 12 свай
- фундамент 5-го типа).
Проверим возможность опрокидывания ростверка для всех типов фундамента с
учетом приложенного момента. Ширина ростверков под стены должна быть не менее
0,4 м (определяется по формуле: b>d+20 см). Высота ростверка принимается
не менее 0,6 м. Вес ростверка определяется по следующей формуле:
p=Vp*γжб
где Vp - объем ростверка; γжб - удельный вес железобетона, который
принимаем в зависимости от класса, выбранного по СП 63.13330.2012 Бетонные и железобетонные конструкции (для В20 - 23,48
кН/м3).
Расчетные усилия для расчета по несущей способности и
прочности определяются путем умножения заданных усилий на усредненный
коэффициент перегрузки n=1,2.
Табл.35 Проверка условия неопрокидывания
|
Тип фундамента
|
N0II, кН
|
bр, м
|
lр, м
|
hр, м
|
Vp, М3
|
γжб, кН/м3
|
Nр, кН
|
(N0II+Nр)*l/2
|
МII, кН*м
|
3372
|
3,80
|
4,70
|
0,60
|
10,72
|
23,48
|
251,61
|
8515,49
|
38
|
|
3
|
4092
|
4,70
|
4,70
|
0,60
|
13,25
|
23,48
|
311,20
|
10347,53
|
-45
|
|
4
|
2652
|
3,80
|
4,70
|
0,60
|
10,72
|
23,48
|
251,61
|
6823,49
|
-122
|
|
5
|
1272
|
2,70
|
3,80
|
0,60
|
6,16
|
23,48
|
144,54
|
2691,43
|
-184
|
Условие невозможности опрокидывания: МII<(N0II+Nр)*l/2 выполняется при всех типах
фундамента (см. табл.34).
.6 Проверка свайного фундамента по первому предельному состоянию
Проверку свайного фундамента по первому предельному состоянию необходимо
проводить из условия:
I≤
Fd/ γk ,
где NI - расчетная вертикальная нагрузка, действующая на сваю,
определяемая по формуле:
I
= NIф/n+-МIy*x/Ʃxi2
+- МIx*y/Ʃyi2,
где NIф - расчетная вертикальная нагрузка, включая
вес ростверка и грунта на его уступах; МIy и МIx - расчетные моменты относительно
главных осей в плоскости подошвы свайного ростверка; x и y -
расстояние от главных осей до оси сваи, для которой вычисляется нагрузка; xi и yi - расстояние от главных осей свайного
фундамента до оси каждой сваи. Т.к. в нашем случае действует момент только МIx, то дальнейшие расчеты идут с учетом
данного случая.
Рис.13 Схема определения расчетной нагрузки на сваю
Iф=1,2* NI0+1,1*
NIр,гр ;
МIx=1,2*
МIx0+1,2*ТI*Нр ;
Т.к. горизонтальная нагрузка по всем типам фундамента равна 0, то МIx=1,2* МIx0.I0 - расчетная нагрузка на
обрезе фундамента по первому предельному состоянию, МIx0 - момент на обрезе фундамента относительно оси х, NIр,гр
- вес ростверка и грунта.
гр=Vгр* γср ,
где Vгр - объем грунта, Vгр=bp*lp*dp-(Vp+V1), (bp,lp,dp - ширина, длина и глубина заложения
ростверка), γср - средний удельный вес грунта,
лежащего на уступах ростверка.
Рис.14 Расчетная схема для определения веса ростверка и грунта
Фактический вес ростверка с учетом веса грунта, лежащего на уступах
ростверка, определяем по формуле:
Iр,гр = Np+ Nгp
d
- несущая способность сваи; γk= 1,4 - коэффициент надежности, т.к. несущая
способность сваи определена расчетом.
Произведем расчет для 2,3,4,5-го типов фундаментов и результаты сведем в
таблицу.
Табл.36а Проверка свайного фундамента по первому предельному состоянию
|
Тип фундамента
|
N0I, кН
|
1,2*N0I, кН
|
γср, кН/м3
|
bp,м
|
lp,м
|
dp, м
|
hр, м
|
dp-hр, м
|
Сечение подколон- ника, мм
|
V1, М3
|
Vp+V1, М3
|
bp*lp*dp
|
Vгp, М3
|
|
|
|
|
|
|
|
|
|
|
|
|
|
|
|
2
|
2810
|
3372
|
18,2
|
3,80
|
4,70
|
1,35
|
0,60
|
0,75
|
2,25
|
1,69
|
12,40
|
24,11
|
11,71
|
|
3
|
3410
|
4092
|
18,2
|
4,70
|
4,70
|
1,35
|
0,60
|
0,75
|
2,25
|
1,69
|
14,94
|
29,82
|
14,88
|
|
4
|
2210
|
2652
|
18,2
|
3,80
|
4,70
|
1,35
|
0,60
|
0,75
|
2,25
|
1,69
|
12,40
|
24,11
|
11,71
|
|
5
|
1060
|
1272
|
18,2
|
2,70
|
3,80
|
1,35
|
0,60
|
0,75
|
0,81
|
0,61
|
6,76
|
13,85
|
7,09
|
Табл.36б Проверка свайного фундамента по первому предельному состоянию
|
Тип фундамента
|
Nгр, кН
|
Nр, кН
|
NIр,гр, кН
|
1,1*NIр,гр, кН
|
NIф, кН
|
МI, кН*м
|
1,2*МI, кН*м
|
NIф/n, кН
|
1,2*МI*bp/2, кН*м
|
Ʃxi2
|
NI, кН
|
Fd/γk
|
|
|
|
|
|
|
|
|
|
|
|
|
|
|
2
|
213,08
|
251,61
|
464,69
|
511,16
|
3883,16
|
38
|
45,6
|
155,33
|
86,64
|
16,20
|
149,98
|
249,51
|
|
3
|
270,82
|
311,20
|
582,02
|
640,22
|
4732,22
|
-45
|
-54
|
189,29
|
-126,9
|
20,25
|
183,02
|
249,51
|
|
4
|
213,08
|
251,61
|
464,69
|
511,16
|
3163,16
|
-122
|
-146,4
|
126,53
|
-278,16
|
16,20
|
109,36
|
249,51
|
|
5
|
128,99
|
144,54
|
273,54
|
300,89
|
1572,89
|
-184
|
-220,8
|
131,07
|
-298,08
|
6,08
|
82,01
|
249,51
|
Проверка свайного фундамента по первому предельному состоянию выполнена.
Условие NI≤ Fd/ γk , выполняется для 2,3,4,5 типов фундамента. Расчетная
вертикальная нагрузка, действующая на сваю, не превышает несущей способности
сваи.
.7 Проверка свайного фундамента по второму предельному состоянию
Проверяем давление на грунт в плоскости нижних концов свай, т.е. по
подошве условного фундамента abcd,
рис. 4.6:
Рис.14 Определение границ условного фундамента
Для определения размеров подошвы условного фундамента abcd проводим плоскости от внешней грани
крайней сваи (на границе соединения ее с ростверком) под углом α,
который определяем по
следующей формуле:
α=φmtII/4 ,
где φmtII - осредненное расчетное значение угла внутреннего трения
грунта, определяемое по формуле:
где φmtiII - расчетное значение углов
внутреннего трения для отдельных пройденных сваями слоев грунта
(φmtглинаII=20°; φmtсупесьII=24°) толщиной hi (h1=3,8 м; h2=1,8 м); h - глубина погружений сваи в грунт, h=5,65-0,05=5,6 м.
φmtII=(20*3,8+24*1,8)/5,6=21,5°,
α=φmtII/4=21,5/4=5°
Размеры условного фундамента вычисляем по формулам:
y=bc+2*tg α*h,y=lc+2*tg
α*h,
где tgα=0,0875;
by, ly - соответственно ширина и длина
условного фундамента; bс, lс - расстояние между внешними гранями крайних свай.
Табл. №37 Расчет ширины и длины условного фундамента
|
Тип фундамента
|
tgα
|
bс, м
|
lс, м
|
h, м
|
by, м
|
ly, м
|
|
2
|
0,0875
|
2,80
|
4,00
|
5,60
|
3,78
|
4,98
|
|
3
|
0,0875
|
2,80
|
4,90
|
5,60
|
3,78
|
5,88
|
|
4
|
0,0875
|
2,50
|
3,40
|
5,60
|
3,48
|
4,38
|
|
5
|
0,0875
|
1,30
|
2,20
|
5,60
|
2,28
|
3,18
|
Определяем расчетное сопротивление грунта под концами свай по СП
22.13330.2011 (формула (5.7).
где
с1 = 1,1 (коэффициент
зависит
от вида грунтов, лежащих в основании здания. IL =
0,55, т.е. согласно СНиПа с1 = 1,1) - коэффициент, условий работы,
принимаемый по табл. 5.4 <#"890886.files/image042.jpg">
Рис.15 Определение осадки свайного фундамента
Массив грунта под подошвой условного фундамента разбивается на
элементарные слои. Мощность каждого слоя не должна превышать:
i≤0,4by
Для 2,3,4,5-го типов фундамента рассчитаем hi и округлим до первого знака после
запятой:
Табл. №40 Расчет мощности слоя грунта под концами свай
|
Тип фундамента
|
by, м
|
hi, м
|
|
2
|
3,78
|
1,5
|
|
3
|
3,78
|
1,5
|
|
4
|
3,48
|
1,3
|
|
5
|
2,28
|
0,9
|
В каждой из точек (начиная с т.0), необходимо определить природные и
дополнительные напряжения. Напряжения от собственного веса грунта (природные)
определяются:
σzg,i=Σγi*hi ,
где γi - удельный вес i-го слоя грунта; hi - толщина элементарного слоя грунта.
При определении дополнительного напряжения σzp , принимают, что грунт однороден и
изотропен на значительную глубину, давление по подошве условного фундамента
распределено равномерно.
σzp,i=α*(РII-
γiII*dzn,i) ,
где α - коэффициент, зависящий от отношений l/b = КП,
2z/b = m и
принимаемый по таблице 15, l и b соответственно длина и ширина
фундамента; z - расстояние от подошвы фундамента
до i-ой точки; γiII - удельный вес грунта в пределах
глубины заложения; dzn -
глубина заложения точки.
Дополнительное напряжение и природное напряжение в точке 0 определяются
по формулам:
В нижележащих точках дополнительные напряжения определяются:
При определении σzp принимаем, что грунт однороден и
изотропен на значительную глубину, давление по подошве условного фундамента
распределяется равномерно. По полученным значениям σzp и σzg строим эпюры давлений на разных
глубинах: эпюру σzp - от природной поверхности земли, а
эпюру σzg - от подошвы условного фундамента
(рис. 15). Эти эпюры строят до нижней границы активной зоны, которую
устанавливают из условия:
σ,гр
≤0,2σ,zg
Для определения напряжений σzp необходимо найти дополнительные
давления, МПа, в плоскости подошвы фундамента из выражения:
σzp0 = pII - σz0g = pII - γIIddф ,
где pII - давление по подошве фундамента от
расчетных нагрузок при расчете по II группе предельных состояний, кПа; σz0g - природное вертикальное напряжение на глубине
подошвы фундамента, считая от природного рельефа, кПа; γIId - удельный вес грунта в пределах
глубины заложения фундамента d,
кН/м3.
Ниже границы сжимаемой толщи грунт можно считать практически несжимаемым,
поэтому осадку условного фундамента считаем до нижней границы сжимаемой толщи
по формуле:
Где β0
- безразмерный коэффициент, учитывающий условность расчетной схемы, принимаемый
равным 0,8; n - число слоев, на которые разделена
сжимаемая толща основания; σzpi - среднее вертикальное
(дополнительное) напряжение, возникающее в i-ом слое, кПа); hi - толщина i-ого
слоя грунта (м) (не более 0,4b); E0i - модуль общей деформации i-ого слоя грунта, кПа.
Для типов фундамента 2,3,4,5 рассчитываем значения σzg0 и σzp0:
Табл.41 Значения σzg0 и σzp0 для условного фундамента
|
Тип фундамента
|
dy, м
|
γc
|
σzg0
|
РII
|
σzp0
|
|
2
|
7,00
|
19,20
|
134,4
|
311,54
|
177,14
|
|
3
|
7,00
|
19,20
|
134,4
|
316,62
|
182,22
|
|
4
|
7,00
|
19,20
|
134,4
|
378,73
|
244,33
|
|
5
|
7,00
|
19,20
|
134,4
|
309,46
|
175,06
|
Определяем α для каждого типа фундамента по таблице 15. Для
2,3,4,5-го типов фундамента значения Кп=ly/by, равны соответственно 1,32; 1,56; 1,77 и 1,39,
(выбор α
по таблице 15
осуществлялся методом аппроксимации).
Результаты вычислений сводим в таблицы:
Таблица 42а
|
|
Тип фундамента 2
|
|
|
|
Слои основания
|
№ точки
|
hi, м
|
z, м
|
m=2z/b
|
α
|
σzg, кПа
|
σzp, кПа
|
0,2*σzg, кПа
|
σzpi*hi/E0i
|
S, м
|
|
супесь серая, легкая, слабо слоистая с линзами песка, γII=19,2
кН/м 3, Е0=14000 кПа
|
0
|
0
|
0
|
0
|
1,00
|
134,4
|
177,14
|
26,88
|
0,0000
|
|
|
1
|
0,50
|
0,945
|
0,5
|
144,00
|
171,83
|
28,80
|
0,0061
|
|
|
суглинок темно-серый, тяжелый, с линзами песка, включениями
гальки (морена), γII =21,5 кН/м 3, Е0=18000 кПа
|
2
|
1,50
|
3,78
|
2,00
|
0,400
|
176,25
|
68,73
|
35,25
|
0,0057
|
|
|
3
|
1,50
|
6,62
|
3,50
|
0,163
|
208,50
|
11,20
|
41,70
|
0,0009
|
0,010
|
|
4
|
1,50
|
9,45
|
5,00
|
0,085
|
240,75
|
0,95
|
48,15
|
0,0001
|
|
|
|
Тип фундамента 3
|
|
|
|
супесь серая, легкая, слабо слоистая с линзами песка, γII=19,2
кН/м 3, Е0=14000 кПа
|
0
|
0
|
0
|
0
|
1,00
|
134,4
|
177,14
|
26,88
|
0,0000
|
|
|
1
|
0,50
|
0,945
|
0,5
|
0,973
|
144,00
|
172,36
|
28,80
|
0,0062
|
|
|
суглинок темно-серый, тяжелый, с линзами песка, включениями
гальки (морена), γII =21,5 кН/м 3, Е0=18000 кПа
|
2
|
1,50
|
3,78
|
2,00
|
0,430
|
176,25
|
74,11
|
35,25
|
0,0062
|
|
|
3
|
1,50
|
6,62
|
3,50
|
0,190
|
208,50
|
14,08
|
41,70
|
0,0012
|
0,011
|
|
4
|
1,50
|
9,45
|
5,00
|
0,120
|
240,75
|
1,69
|
48,15
|
0,0001
|
|
Таблица 42в
|
Тип фундамента 4
|
|
|
|
Слои основания
|
№ точки
|
hi, м
|
z, м
|
m=2z/b
|
α
|
σzg, кПа
|
σzp, кПа
|
0,2*σzg, кПа
|
σzpi*hi/E0i
|
S, м
|
|
супесь серая, легкая, слабо слоистая с линзами песка, γII=19,2
кН/м 3, Е0=14000 кПа
|
0
|
0
|
0
|
0
|
1,00
|
134,4
|
177,14
|
26,88
|
0,0000
|
|
|
1
|
0,50
|
0,87
|
0,5
|
0,975
|
144,00
|
172,71
|
28,80
|
0,0062
|
|
|
суглинок темно-серый, тяжелый, с линзами песка, включениями
гальки (морена), γII =21,5 кН/м 3, Е0=18000 кПа
|
2
|
1,30
|
3,13
|
1,80
|
0,520
|
168,96
|
89,81
|
33,79
|
0,0065
|
|
|
3
|
1,30
|
5,39
|
3,10
|
0,275
|
193,92
|
24,70
|
38,78
|
0,0018
|
0,012
|
|
4
|
1,30
|
7,66
|
4,40
|
0,160
|
218,88
|
3,95
|
43,78
|
0,0003
|
|
Таблица 42г
|
Тип фундамента 5
|
|
|
|
Слои основания
|
№ точки
|
hi, м
|
z, м
|
m=2z/b
|
α
|
σzg, кПа
|
σzp, кПа
|
0,2*σzg, кПа
|
σzpi*hi/E0i
|
S, м
|
|
супесь серая, легкая, слабо слоистая с линзами песка, γII=19,2
кН/м 3, Е0=14000 кПа
|
0
|
0
|
0
|
0
|
1,00
|
134,4
|
177,14
|
26,88
|
0,0000
|
|
|
1
|
0,50
|
0,95
|
0,5
|
0,970
|
144,00
|
171,83
|
28,80
|
0,0061
|
|
|
суглинок темно-серый, тяжелый, с линзами песка, включениями
гальки (морена), γII =21,5 кН/м 3, Е0=18000 кПа
|
2
|
0,90
|
2,65
|
1,40
|
0,600
|
163,35
|
103,10
|
32,67
|
0,0052
|
|
|
3
|
0,90
|
4,35
|
2,30
|
0,330
|
182,70
|
34,02
|
36,54
|
0,0017
|
0,010
|
|
4
|
0,90
|
6,05
|
3,20
|
0,210
|
202,05
|
7,14
|
40,41
|
0,0004
|
|
В зависимости от типа фундамента нижняя граница сжимаемой толщи, где
соблюдается условие σгр
≤0,2 σzg (ниже
грунт можно считать практически не сжимаемым), для каждого вида:
для 2-го типа: в 3-й точке (3,50 м) и осадка S = 0,010 м;
для 3-го типа: в 3-й точке (3,50 м) и осадка S = 0,011 м;
для 4-го типа: в 3-й точке (3,10 м) и осадка S = 0,012 м;
для 5-го типа: в 3-й точке (2,30 м) и осадка S = 0,010 м;
Предельные деформации (максимальная предельная осадка) для
производственных многоэтажных зданий с устройством монолитных перекрытий равны
15 см (приложение Е, СП 50-101-2004). Таким образом, по всем видам фундаментов
полученные расчетные осадки проходят до уровня предельно допустимых. Большие
величины осадок вызваны тем, что первым слоем грунта является глина серая
пылеватая, слоистая (ленточная) сильносжимаемая (Е0=3,5 Мпа).
.10 Расчет свайного ростверка на прочность
.10.1 Расчет на продавливание колонной (рис.15)
Для расчета используем «Пособие по проектированию
железобетонных свайных фундаментов под колонны зданий и сооружений (к СНиП
2.03.01-84)».
Расчет
на продавливание колонной центрально-нагруженных ростверков свайных фундаментов
с кустами из четырех и более свай производится по формуле:
<#"890886.files/image045.jpg">
Рис.15
Схема образования пирамиды продавливания под сборной железобетонной колонной
прямоугольного сечения
где Fper - расчетная продавливающая сила, равная сумме реакций всех
свай, расположенных за пределами нижнего основания пирамиды продавливания,
определяемая из условия:
per=N*n1/n
При этом реакции свай подсчитываются только от
продольной силы N, действующей в
сечении колонны у верхней горизонтальной грани ростверка;
здесь n -
число свай в ростверке;
n1 - число свай, расположенных за пределами нижнего основания
пирамиды продавливания;
Rbt - расчетное сопротивление бетона
растяжению для железобетонных конструкций с учетом коэффициента условий работы
бетона, для В20 Rbt=900
кПа (СП 52-101-2003, Таблица 5.2);0
- рабочая высота сечения ростверка на проверяемом участке, равная расстоянию от
рабочей арматуры плиты до низа колонны, условно расположенного на 5 см выше дна
стакана;
иi
- полусумма оснований i-й
боковой грани фигуры продавливания с числом граней m;
сi
- расстояние от грани колонны до боковой грани сваи, расположенной за пределами
фигуры продавливания;
коэффициент, учитывающий частичную передачу продольной
силы на плитную часть через стенки стакана, определяемый по формуле:
=(1-0,4*Rbt*Af /N)≥0,85
здесь Af - площадь боковой поверхности колонны, заделанной в стакан фундамента,
определяемая по формуле
f =2*(bk+ak)*hапс
здесь bk, ak - размеры сечения колонны;
hапс=0,85 м - длина заделки колонны в стакан фундамента (для
колонн 2,3,4,5-го типов фундамента).
При
расчете на продавливание центрально-нагруженных ростверков колонной
прямоугольного сечения формула (1
<#"890886.files/image046.jpg">
Рис.16. Схема продавливания ростверка угловой сваей
Примечания:
. При h01/c01 и h02/c02, меньшем 1, коэффициенты β1 и β2 принимаются соответственно такими же, как и при h01/c0i=1, то есть равными 0,6; при этом c01 и c02 принимаются равными h01. При h01/c01 и h02/c02, большем 2,5, коэффициенты β1 и β2 принимаются равными 1, а величины c01 и c02 равными 0,4h01.
. В тех случаях, когда угловая свая в
ростверках с подколонником по проекту заходит в плане за обе грани подколонника
на 50 мм и более, проверка на продавливание плиты ростверка угловой сваей не
производится.
Табл.45 Таблица подбора коэффициентов β1 и β2
|
Тип фундамента
|
с01, м
|
с02, м
|
h01, м
|
h01/с01
|
h01/с02
|
β1
|
β2
|
|
2
|
0,90
|
0,50
|
0,55
|
0,61
|
1,10
|
0,60
|
0,65
|
|
3
|
0,90
|
0,90
|
0,55
|
0,61
|
0,61
|
0,60
|
0,60
|
|
4
|
0,90
|
0,50
|
0,55
|
0,61
|
1,10
|
0,60
|
0,65
|
|
5
|
0,45
|
0,10
|
0,55
|
1,22
|
5,50
|
0,69
|
1,00
|
Проведем указанные вычисления и выполним проверку:
Табл.45 Таблица проверки условия продавливания
|
Тип фундамента
|
NI, кН
|
с01, м
|
с02, м
|
b01, м
|
b02, м
|
β1
|
β2
|
h01, м
|
Rbt, кПа
|
β1*(b02+c02/2)
|
β2*(b01+c01/2)
|
Rbt*h01*[β1*(b02+c02/2)+β2*(b01+c01/2)]
|
|
|
|
|
|
|
|
|
|
|
|
|
|
|
2
|
149,98
|
0,90
|
0,50
|
0,70
|
0,70
|
0,60
|
0,65
|
0,55
|
900
|
0,57
|
0,74
|
649,32
|
|
3
|
183,02
|
0,90
|
0,90
|
0,70
|
0,70
|
0,60
|
0,60
|
0,55
|
900
|
0,69
|
0,69
|
683,10
|
|
4
|
109,36
|
0,90
|
0,50
|
0,70
|
0,70
|
0,60
|
0,65
|
0,55
|
900
|
0,57
|
0,74
|
649,32
|
|
5
|
82,01
|
0,45
|
0,22
|
0,70
|
0,70
|
0,69
|
1,00
|
0,55
|
900
|
0,56
|
0,93
|
734,53
|
условие на продавливание NI≤Rbt*h01*[β1*(b02+c02/2)+β2*(b01+c01/2)] угловой сваей выполняется.
3.10.3 Расчет ростверка на изгиб с побором арматуры
Площадь рабочей арматуры ростверка рассчитываем по моменту, действующему
в сечении (см. рис. 17) по грани колонн: сечения 1-1 и 3-3.
Рис.15 Расчетная схема
Расчет моментов для сечений производим по формулам:
1-1=[(Pmax+p1)/2]*[(l-lk)2/8]*b,3-3=pcp*l*(b-bk)2/8,
где pcp - среднее давление под подошвой
фундамента, определяем по формуле:
где NII= N0+ Nф+ Nгр.
PIImaxmin - краевое давление, рассчитываемое по формуле:
IImaxmin=pcpII(1+-6е/l)
Площадь арматуры для сечений 1-1, 3-3 рассчитываем, принимая защитный
слой 50 мм, по формуле:
a(1-1)=M1-1/(0,9*h0*Ra);a(3-3)=M3-3/(0,9*h0*Ra);
где h0 - рабочая высота ростверка за вычетом защитного слоя;
Ra - расчетное сопротивление арматуры
растяжению, которое определяется по таблице 26, Ra=270000 кПа для арматуры класса А-II.
Табл.46а Выполнение расчета площади сечения арматуры
|
Тип фундамента
|
N0II, кН
|
b, м
|
l, м
|
Nр, кН
|
Nгр, кН
|
NII, кН
|
pcpII, кН
|
bк, м
|
M3-3, кН*м
|
M1, кН*м
|
|
|
|
|
|
|
|
|
|
|
|
|
2
|
2810
|
2,20
|
2,20
|
68,19
|
35,35
|
2913,54
|
601,97
|
0,60
|
423,79
|
38
|
|
3
|
3410
|
2,20
|
2,20
|
68,19
|
35,35
|
3513,54
|
725,94
|
0,60
|
511,06
|
-45
|
|
4
|
2210
|
2,20
|
2,20
|
68,19
|
35,35
|
2313,54
|
478,00
|
0,60
|
336,51
|
-122
|
|
5
|
1060
|
1,80
|
1,80
|
45,65
|
33,17
|
1138,82
|
351,49
|
0,40
|
155,01
|
-184
|
Табл.46б Выполнение расчета площади сечения арматуры
|
Тип фундамента
|
Vпод, м3
|
γж/б, кН/м3
|
Nпод, кН
|
N0, кН
|
N1, кН
|
e, м
|
1+6*e/b
|
1-6*e/b
|
Pmax, кН
|
Pmin, кН
|
P1, кН
|
|
2
|
1,39
|
23,00
|
31,97
|
2810
|
2841,97
|
0,01
|
1,04
|
0,96
|
623,92
|
580,02
|
615,00
|
|
3
|
1,39
|
23,00
|
31,97
|
3410
|
3441,97
|
-0,01
|
0,96
|
1,04
|
700,05
|
751,82
|
740,00
|
|
4
|
1,39
|
23,00
|
31,97
|
2210
|
2241,97
|
-0,05
|
0,85
|
1,15
|
407,06
|
548,94
|
520,00
|
|
5
|
0,54
|
23,00
|
12,42
|
1060
|
1072,42
|
-0,17
|
0,43
|
1,57
|
150,47
|
552,51
|
445,50
|
Табл.46в Выполнение расчета площади сечения арматуры
|
Тип фундамента
|
h0, м
|
Ra, кПа
|
l, м
|
lк, м
|
(Pmax+p1)/2, кН
|
(l-lk)2/8, м
|
b, м
|
M1-1, кН*м
|
Aa(1-1), м2
|
М3-3, кН*м
|
Aa(3-3), м2
|
|
|
|
|
|
|
|
|
|
|
|
|
|
2
|
0,55
|
270000,00
|
2,20
|
0,80
|
619,46
|
0,25
|
2,20
|
333,89
|
0,00250
|
423,79
|
0,00317
|
|
3
|
0,55
|
270000,00
|
2,20
|
0,80
|
745,91
|
0,25
|
2,20
|
402,05
|
0,00301
|
511,06
|
0,00382
|
|
4
|
0,55
|
270000,00
|
2,20
|
0,80
|
534,47
|
0,25
|
2,20
|
288,08
|
0,00216
|
336,51
|
0,00252
|
|
5
|
0,55
|
270000,00
|
1,80
|
0,40
|
499,00
|
0,25
|
1,80
|
220,06
|
0,00165
|
155,01
|
0,00116
|
Площадь арматуры для сечений 1-1, 3-3 рассчитываем, принимая защитный
слой 50 мм. По площади сечения арматуры необходимо подобрать по сортаменту
арматуры (Методические указания по выполнению курсовой работы, приложение 3)
количество и диаметр стержней. Для фундаментов диаметр арматуры стержней
принимается не меньше 10 мм, шаг стержней - 20 см, крайних - 15 см. Произведем
подбор для 2,3,4,5-го типов фундамента по полученным расчетам.
Табл.47 Выполнение подбора арматуры
|
Тип фундамента
|
b, м
|
Кол-во стержней
|
Aa(1-1), м2
|
Aa стержня, см2
|
Кол-во и диаметр стержней
|
Aa по сортаменту, см2
|
l, м
|
Кол-во стержней
|
Aa(3-3), м2
|
Aa стержня, см2
|
Кол-во и диаметр стержней
|
Aa по сортаменту, см2
|
|
|
|
|
|
|
|
|
|
|
|
|
|
|
2
|
2,20
|
10,00
|
0,00250
|
2,27
|
10ø18
|
2,545
|
2,20
|
10,00
|
0,00317
|
2,88
|
10ø18
|
2,545
|
|
3
|
2,20
|
10,00
|
0,00301
|
2,74
|
10ø20
|
3,142
|
2,20
|
10,00
|
0,00382
|
3,47
|
10ø20
|
3,142
|
|
4
|
2,20
|
10,00
|
0,00216
|
1,96
|
10ø16
|
2,011
|
2,20
|
10,00
|
0,00252
|
2,29
|
10ø16
|
2,011
|
|
5
|
1,80
|
8,00
|
0,00165
|
1,83
|
8ø16
|
2,011
|
1,80
|
8,00
|
0,00116
|
1,29
|
8ø16
|
2,011
|
В сечениях по граням ступеней ростверка проверка достаточности принятой
арматуры не нужна, т.к. ростверк в нашем случае - одноступенчатый.
Принятая арматура достаточна.
. Экономическое сравнение вариантов
Выполняется с использованием укрупненных единичных расценок (Методические
указания по выполнению курсовой работы таблица 5.2).
Экономическое сравнение вариантов проводится для того, чтобы определить
наиболее экономически выгодный вариант. Для данного расчета необходимо
заполнить таблицу 5.1, перечислив все виды работ по устройству фундамента
мелкого заложения и свайного фундамента (одного и того же фундамента).
. Объем выкопанной земли при устройстве плитных фундаментов с
учетом устройства безопасного откоса (для глин и суглинков - крутизна откоса
(отношение его высоты к заложению) при глубине выемки до 1,5 м - 1:0 (табл.4,
СНиП III-4-80*) и необходимости свободного
пространства для последующего устройства гидроизоляции (0,5 м с каждой
стороны):
Табл.48 Расчет объема грунта при устройстве плитного фундамента
|
Тип фундамента
|
Размеры котлована
|
Объем грунта, м3
|
Кол-во фундаментов данного типа
|
Общий объем грунта, м3
|
|
h1, м
|
(b+0,5)*(l+0,5), м2
|
|
|
|
|
|
|
|
|
|
|
1
|
1,35
|
2,55
|
3,44
|
100
|
344
|
|
2
|
1,35
|
21,73
|
29,34
|
7
|
205,35
|
|
3
|
1,55
|
25,42
|
39,4
|
7
|
275,8
|
|
4
|
1,35
|
17,86
|
24,11
|
7
|
168,78
|
|
5
|
1,35
|
9,1
|
12,29
|
2
|
24,57
|
VΣземли=344+205,35+275,8+168,78+24,57=1018,75
м3
Табл.49 Расчет объема железобетона
|
Тип фундамента
|
Кол-во фундаментов данного типа
|
Размеры фундамента, м
|
V1
|
V2
|
V3
|
Vф
|
VƩф
|
|
|
Высота ступеней
|
Размеры плит в плане
|
|
|
|
|
|
|
|
h1
|
h2
|
h3
|
axb
|
a1xb1
|
a2xb2
|
|
|
|
|
|
|
1
|
100
|
-
|
-
|
-
|
-
|
-
|
-
|
-
|
-
|
-
|
0,26
|
26
|
|
2
|
7
|
0,3
|
0,3
|
0,3
|
17,28
|
12,6
|
8,64
|
5,18
|
3,78
|
2,59
|
11,56
|
80,92
|
|
3
|
7
|
0,3
|
0,3
|
0,3
|
20,52
|
15,3
|
10,8
|
6,16
|
4,59
|
3,24
|
97,93
|
|
4
|
7
|
0,3
|
0,3
|
0,3
|
13,86
|
9,72
|
6,3
|
4,16
|
2,92
|
1,89
|
8,96
|
62,72
|
|
5
|
2
|
0,3
|
0,3
|
0
|
6,3
|
3,6
|
0
|
1,89
|
1,08
|
0,00
|
2,97
|
5,94
|
VΣплит=80,92+97,93+62,72+5,94=247,51 м3
. Объем выкопанной земли при устройстве ростверков с учетом
устройства безопасного откоса (для глин - крутизна откоса (отношение его высоты
к заложению) при глубине выемки до 1,5 м - 1:0) и необходимости свободного
пространства для последующего устройства гидроизоляции (0,5 м с каждой
стороны):
Табл.50 Расчет объема грунта при устройстве свайного фундамента
|
Тип фундамента
|
Размеры котлована
|
Объем грунта, м3
|
Кол-во фундаментов данного типа
|
Общий объем грунта, м3
|
|
h, м
|
(b+1)*(l+1), м2
|
|
|
|
|
|
|
|
|
|
|
2
|
1,35
|
22,36
|
30,19
|
7
|
211,3
|
|
3
|
1,35
|
27,04
|
36,5
|
7
|
255,53
|
|
4
|
1,35
|
22,36
|
30,19
|
7
|
211,3
|
|
5
|
1,35
|
13,76
|
18,58
|
2
|
37,15
|
Объем выкопанной земли при устройстве ростверков для всего количества
данных типов фундамента (к нему необходимо добавить вычисленный ранее объем
земли по ленточному фундаменту):
VΣземли=211,3*2+255,53+37,15=715,28 м3
VΣ=715,28+344=1059,28 м3
Количество свай:
n=20*7+25*7+20*7+12*2=479
шт.
Объем свай:
Vсвай=6*0,3*0,3*479=258,66 м3.
Объем ростверков (данные из табл. 34):
VΣрост=10,72+13,25+10,72+6,16=40,85 м3
На основании данных таблицы 5.2 Методических указаний получаем и сводим в
таблицы №№41, 42 данные по нашим типам фундамента:
Табл.51 Расчет стоимости объема земляных работ
|
Наименование работ и конструкций
|
Стоимость на единицу измерения, руб.-коп.
|
Кол-во
|
Количество единиц измерения (объем)
|
Общая стоимость, руб.-коп.
|
Общая стоимость c учетом 7%, руб.-коп.
|
|
|
|
|
|
|
|
|
|
|
|
|
|
Земляные работы I . Разработка грунта под фундаменты:
|
|
при глубине выработки до 2 м и ширине траншеи 1 м, м3; при
ширине котлована более 1 м стоимость земляных работ повышается на 7 %;(при
устройстве плитных фундаментов)
|
3,60
|
123,00
|
1018,75
|
4159,11
|
3667,5
|
|
при глубине выработки до 2 м и ширине траншеи 1 м, м3; при
ширине котлована более 1 м стоимость земляных работ повышается на 7 %;(при
устройстве свайных фундаментов)
|
3,60
|
123,00
|
1059,28
|
3877,85
|
3813,41
|
Табл.52 Расчет стоимости объема бетонных работ
|
I . Сборные фундаменты:
|
|
фундаменты железобетонные сборные для промышленных зданий,
м 3 железобетона;
|
44,90
|
23,00
|
247,51
|
11113,19
|
|
трапецеидальные блоки ленточных фундаментов, м3
железобетона;
|
46,50
|
100
|
26
|
1209
|
|
Итого
|
|
|
|
12322,19
|
|
П. Монолитные фундаменты:
|
|
фундаменты железобетонные, отдельные (под колонны), м 3
железобетона;
|
31,00
|
23,00
|
40,85
|
1266,35
|
|
IV. Железобетонные сваи:
|
|
железобетонные до 12 м (с забивкой), м 3 бетона
|
88,40
|
557,00
|
258,66
|
22865,54
|
|
трапецеидальные блоки ленточных фундаментов, м3
железобетона;
|
46,50
|
100
|
26
|
1209
|
|
Итого
|
|
|
|
25340,89
|
В результате можно определить, даже без применения поправочного
коэффициента, во сколько раз устройство свайных фундаментов дороже устройства
фундаментов мелкого заложения:
Итого: для ФМЗ: 3667,5+12322,19=15989,69 руб.
для свайных фундаментов: 3813,41+25340,89=29154,3 руб.
Получаем: 29154,3/15989,69=1,82
Таким образом, видно, что устройство свайных фундаментов дороже
устройства фундаментов мелкого заложения в 1,82 раза.
Выбираем наиболее выгодный (с экономической точки зрения) вариант:
фундаменты мелкого заложения.