Проектирование свайных и ленточных фундаментов

  • Вид работы:
    Курсовая работа (т)
  • Предмет:
    Строительство
  • Язык:
    Русский
    ,
    Формат файла:
    MS Word
    52,31 Кб
  • Опубликовано:
    2015-11-18
Вы можете узнать стоимость помощи в написании студенческой работы.
Помощь в написании работы, которую точно примут!

Проектирование свайных и ленточных фундаментов

Оглавление

1. Исходные данные и оценка инженерно-геологических условий площадки строительства

. Выбор типа и конструкции фундамента. Назначение глубины заложения фундамента

. Определение размеров подошвы фундаментов

. Проверка напряжений в основании фундамента

. Расчёт осадки фундамента

. Расчёт осадки фундамента во времени

7. Проект свайного фундамента

7.1 Выбор типа и конструкции свай и свайного фундамента. Назначение глубины заложения ростверка

.2 Определение несущей способности сваи и расчётной нагрузки, допускаемой на сваю

.3 Определение количества свай в фундаменте и фактической нагрузки на сваю

.4 Расчёт осадки свайного фундамента

. Сравнение вариантов фундаментов и выбор основного

Литература

 

. Исходные данные и оценка инженерно-геологических условий площадки строительства


Таблица 1

Номер слоя

Мощность слоя, м

Глубина подошвы слоя, м

Отметка подошвы слоя, м

Отметка уровня подземных вод, м

Наименование грунта по типу

Плотность r, г/см3

Плотность частиц rS, г/см3

Влажность w

Предел текучести wl, %

Предел пластичности wP, %

Коэффициент фильтрации kf, см/с

1

0,4

0,4

148,6

146

Почвенный слой

1,5

-

-

-

-

-

2

2

2,4

146,6


Песок мелкий

1,7

2,66

0,12

0

0

2´10-4

3

5

7,4

141,6


Суглинок

1,94

2,7

0,3

30

20

3´10-6

4

4

11,4

137,6


Песок средний

2

2,66

0,2

0

0

1´10-3

5

5

16,4

132,6


Глина

1,9

2,73

0,38

53

30

3´10-8



Отметка поверхности рельефа NL=149,0м; глубина промерзания грунта dfn=1,4 м.

Для оценки свойств грунтов вычисляем характеристики физических свойств:

Коэффициент пористости

.

; ;

; .

Степень влажности грунта

.

; ;

;

Характеристики свойств грунтов и их классификационные показатели приведены в табл. 2.

Таблица 2. - Характеристики физико-механических свойств грунтов строительной площадки

Номер слоя

Из исходных данных

Вычисляемые характеристики

Наименование грунта по ГОСТ 25100-82

Из таблиц СНиП 2.02.01-83


Плотность частиц rs, г/см3

Плотность r, г/см3

Влажность w

Граница текучести wl, %

Граница аскатывания wp, %

Число пластичности Ip, %

Показатель текучести Il

Коэффициент пористости е

Степень влажности Sr


Угол внутреннего трения j, град.

Удельное сцепление с, кПа

Модуль деформации Е, МПа

Условное расчётное сопротивление Rо, кПа

1

-

1,50

-

-

-

-

-

-

-

Почвенный слой

 




2

2,66

1,5

0,12

0

0

-

-

0,75

0,426

Песок мелкий, средней плотности

28

-

18

300

3

2,7

1,7

0,3

30

20

10

1

0,81

1

Суглинок, текуче пластичный

17

18

10

140

4

2,66

1,94

0,2

0

0

-

-

0,59

0,893

Песок средний, средней плотности насыщенный

36,7

1,58

35,8

400

5

2,73

2

0,38

53

30

23

0,35

0,98

1

Глина тугопластичная

8,5

31

8

255



2. Выбор типа и конструкции фундамента. Назначение глубины заложения фундамента


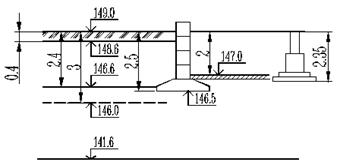
Для вагоноремонтного депо устраиваем фундамент из сборных элементов, глубина заложения которого зависит от:

Расчётная глубина сезонного промерзания грунта df у фундамента определяется по формуле

.

м.

Глубину заложения фундаментов (см. рис. 2).

 

3. Определение размеров подошвы фундаментов


Размеры подошвы фундаментов определяем по формуле:

;

Исходя из полученых значений, в соответствие с ГОСТом подбираем фундаменты. Размеры нижней подушки . После нескольких приближений я получил фундамента:

;

.

1) Подсчитаем нагрузки и воздействия, передающиеся на основание. Для наружной стены здания учитываются: усилие в плоскости обреза фундамента, усилие от собственного веса фундамента и веса грунта на его уступах, а также боковое давление грунта (см. рис. 6). Боковое давление грунта на фундамент определяется с учётом временной нагрузки на поверхности планировки интенсивностью 10 кН/м2. Действие временной нагрузки заменяется эквивалентным весом грунта засыпки пазух фундамента приведённой толщиной

пр = q/g¢II = 10/16=0,6 м.

Рис. 5. Элементы ленточного фундамента.

При этом боковое давление грунта на отметке планировки (см. рис. 6)

s¢б1 = g¢II×hпр×tg2(45 - j/2) = 16×0,6×tg2(45 - 24/2) = 4,05 кПа;

на отметке подошвы фундамента

sб1 = g¢II(d + hпр)tg2(45 - j/2) = 16(2,5 + 0,6)tg2(45 - 24/2) = 20,92 кПа;

Рис. 6. Расчётная схема фундамента под наружную стену здания.

Равнодействующие бокового давления грунта засыпки на стену подвала

E0II = d(s¢б1 + sб1)/2 = 3,95(4,05 + 20,92)/2 = 68,60 кН;

точки приложения равнодействующих

= d/3 × (2s¢б1 + sб1)/(s¢б1 + sб1) = 3,95/3 × (2 × 4,05 + 30,7)/(4,05 + 30,7) = 1,47 м;= d1/3 × (2s¢б2 + sб2)/(s¢б2 + sб2) = 1,8/3 × (2 × 4,05 + 16,19)/(4,05 + 16,19) = 0,72 м.

Расчётные значения моментов в сечении на отметке подошвы фундамента приближённо могут быть приняты

(1) = 6sб1(d + hпр)2/15 = 6×30,7(3,95+ 0,6)2/15 = 254,2кН×м;(2) = 6sб2(d1 + hпр)2/15 = 6×14,17(1,8+ 0,6)2/15 = 32,6 кН×м.

Определим усилия от собственного веса фундамента и веса грунта на его уступахф = 2,7×1,8×0,3+2,1×1,8×0,3+0,9×0,9×1,2+0,4×0,4×2,15 = 3,9 ;

Gф =3,56×23=89,7 кН;

GгрII(1) = (2,7×1,8×1,8-3,56)×16= 83,04 кН;

GгрII(2) = (2,7×1,8×2,15/2)×16= 83,52 кН.

В результате суммарные нагрузки и воздействия по подошве фундамента наружной стены здания для расчёта основания по деформациям можно представить в виде:

а) нормальная вертикальная нагрузка

NII = N0II + GфII + GгрII(1) + GгрII(2) = 1400+89,7+83,04+83,52 = 1656,5 кН;

б) момент в плоскости подошвы фундамента

= MEII(1) - MEII(2) -GгрII(2)×e +Q×d+Mo II = 254,2 - 32,6 + 83,52×0,9 - 10×3,95-110 = 147,3 кН×м.

) На подошву фундамента внутренней колонны здания будет действовать нормальная вертикальная нагрузка, момент и поперечная нагрузка. Определим её:ф = 3×2,4×0,3+2,1×1,5×0,3+0,9×0,9×1,2+0,4×0,4×2,15= 4,36;

GфII =4,36×23=100,3 кН;

GгрII = (3×2,4×1,8-4,02)×= 143,04 кН;

= N0II + GфII + GгрII = 2200+100,3+143,04 = 2442,34 кН.

MII = Mo II+Q×d=95+20×3.95=174 кН×м.

4. Проверка напряжений в основании фундамента


Для фундаментов под наружную и внутреннюю колонн здания должны выполняться условия:

p £ R;£ 1,2 R;> 0.

Определим расчётное сопротивление грунта основания

;

где:

 (табл. В1 СНБ В[1]);= 1,1;

 (табл. В2 СНБ);= 1;

) Для фундамента под наружную колонну здания:= 2,4 м;

gII =  кН/м3;

g¢II =  кН/м3;

сII = 37,6 кПа;= 1,8 м;= 0,15 м;

gcf = 23 кН/м3;

d1 = hs + hcf gcf / g¢II = 1,8 + 0,15×23 / 17,9 = 2,0 м;

db = 2 м.

Получаем:

кПа.

Среднее давление под подошвой фундамента

= NII/A = 1665,3/(2,7×1,8) = 340,8 кПа.

Определяем максимальное и минимальное краевое давление по подошве внецентренно нагруженного фундамента

pmax = NII/A + MII/W = 340,8 + 147,3×6/(2,72×1,8) = 408,1 кПа;= NII/A - MII/W = 340,8 - 147,3×6/(2,72×1,8) = 273,5 кПа.

Итак, получаем:

,8 < 362,9;

,1 < 435,5;

,5 > 0.

Расхождение между p и R составляет 6 %. Размер подошвы фундамента под наружную колонну здания подобран верно.

) Для фундамента под внутреннею колонну здания:

Расчётное сопротивление грунта основания

кПа.

Среднее давление под подошвой фундамента

= NII/A = 2443,3/(3×2,4) = 339,3 кПа

Определяем максимальное и минимальное краевое давление по подошве внецентренно нагруженного фундамента

pmax = NII/A + MII/W = 339,4 + 174×6/(32×2,4) = 387,6 кПа;= NII/A - MII/W = 339,4 - 174×6/(32×2,4) = 281,1 кПа.

Итак, получаем:

339,3 < 361

387,6<433,2

,1>0

Расхождение между p и R составляет 6%. Размер подошвы фундамента под внутреннюю колонну здания подобран верно.

5. Расчёт осадки фундамента


Осадку фундамента будем определять методом послойного суммирования по методике [2].

Определим значение конечной осадки отдельно стоящего фундамента наружной колонны здания по методу послойного суммирования. Ширина подошвы b = 1,8 м; глубина заложения d = 3,95 м; среднее давление под подошвой фундамента p = 340,8 кПа; напряжение от собственного веса грунта в уровне подошвы фундамента szg,о = g¢×d = 17,9×3,95 = 70,8 кПа; дополнительное давление pо = 340,8 - 70,8 = 230,5 кПа. Результаты вычислений осадки данного фундамента сведены в таблицу 3, а эпюры напряжений показаны на рисунке 7.

Таблица 3. - Расчёт осадки фундамента под наружную стену здания.

z, м

2z / b

i, кН/м3

hi, м

zg, кПа

zp, кПа

zp,i, кПа

Ei, МПа

si, мм

1

0

 

 

 

70,8

1

270

 

 

 

2

0,61

0,68

8,97

0,61

76,3

0,889

240,03

255,015

12,3

10,12

3

1,22

1,36

8,97

0,61

81,8

0,632

170,64

205,335

12,3

8,147

4

1,83

2,03

8,97

0,61

92,7

0,419

113,13

141,885

12,3

5,629

5

2,44

2,71

8,97

0,61

98,2

0,286

77,22

95,175

12,3

3,776

6

3,05

3,39

8,97

0,61

103,7

0,202

54,54

65,88

12,3

2,614

7

3,65

4,06

10,7

0,6

110,1

0,15

47,52

23,8

0,958

8

4,25

4,72

10,7

0,6

116,5

0,115

31,05

35,775

23,8

0,722

9

4,85

5,39

10,7

0,6

123

0,091

24,57

27,81

23,8

0,561


32,52


Рис. 7. Эпюры напряжений в основании фундамента под наружную стену здания.

Теперь определим значение конечной осадки отдельно стоящего фундамента внутренней стены здания по методу послойного суммирования. Ширина подошвы b = 2,4 м; глубина заложения d = 3,95 м; среднее давление под подошвой фундамента p = 159 кПа; напряжение от собственного веса грунта в уровне подошвы фундамента szg,о = g¢×d = 17,4×4,25 = 74,04 кПа; дополнительное давление pо = 159-74= 85 кПа. Результаты вычислений осадки данного фундамента сведены в таблицу 4, а эпюры напряжений показаны на рисунке 8.

Таблица 4. - Расчёт осадки фундамента под внутреннею стену здания

z, м

2z / b

i, кН/м3

hi, м

zg, кПа

zp, кПа

zp,i, кПа

Ei, МПа

si, мм

2

0

 

 

 

74

1

225

 

 

 

3

0,92

0,77

8,97

0,92

82,25

0,837

188,3

207

12,3

12,37

4

1,84

1,53

8,97

0,92

90,5

0,522

117,5

153

12,3

9,148

5

2,75

2,29

8,97

0,91

98,67

0,317

71,33

94,4

12,3

5,587

6

3,75

3,13

10,7

1

114,1

0,196

44,1

57,7

23,8

1,94

7

4,75

3,96

10,7

1

124,8

0,131

29,48

36,8

23,8

1,237

8

5,75

4,79

10,7

1

135,5

0,092

20,7

25,1

23,8

0,843










 

31,12

Рис. 8. Эпюры напряжений в основании фундамента под внутреннею стену здания.

Полученные значения осадки меньше предельно допустимых, рекомендованных СНиП [1].

6. Расчёт осадки фундамента во времени


Выполним расчёт консолидации основания ленточного фундамента с шириной подошвы b = 2 м, глубиной заложения d = 3,9 м. Под подошвой фундамента залегает пласт глины мощностью h = 3,9 м. Конечная осадка фундамента за счёт уплотнения глины s = 3,94 см. Коэффициент фильтрации kf = 4×10-8 см/с = 1,26 см/год = 0,0126 м/год.

Коэффициент относительной сжимаемости

= 0,4/Е = 0,4/(11,2×106) = 0,0000357 кПа-1.

Вычисляем значение коэффициента консолидации

= kf / (mvgw) = 1,26/(0,0000357×10) = 3529 см2/год.

Время осадки

.


Рис. 9. График осадки фундамента во времени.

7. Проект свайного фундамента

 

.1 Выбор типа и конструкции свай и свайного фундамента. Назначение глубины заложения ростверка


Для нашего здания принимаем ленточные свайные фундаменты, состоящие из свай и балочного ростверка. В зданиях с подвалом ростверк должен быть заглублен ниже пола подвала, поэтому принимаем глубину заложения подошвы ростверка dр = 3,3 м.

Для выбора марки сваи необходимо определить её длину:

= lз + lн + h = 0,2 + 0,3 + 9,5 = 10 м.

По каталогу принимаем сваю марки С10-30 с характеристиками:

         бетон М250;

         продольное армирование 4 Æ 14 А-II;

         масса 2,28 т;

         расход бетона 0,91 м3.

7.2 Определение несущей способности сваи и расчётной нагрузки, допускаемой на сваю


Несущая способность висячей сваи определяется по формуле

;

где:

gс = 1 (СНиП [3]);= 17950 кПа (табл. 1 СНиП [3]);

А = 0,09 м2;= 1,2 м;= 24 кПа; f2 = 25,5 кПа; f3 = 9,6 кПа; f4 = 9,8 кПа; f5 = 10,3 кПа; f6 = 90 кПа (табл. 2 СНиП [3]);= 2 м; h2 = 2 м; h3 = 2 м; h4 = 2 м; h5 = 1 м; h6 = 0,3 м;

gcR = 1; gcf = 1 (табл. 3 СНиП [3]).

Получаем:

 кН.

Расчёт свайных фундаментов и свай по несущей способности грунтов производится исходя из условия

£ Fd / gk = P; P = 1826/1,4 = 1304 кН;

а по несущей способности сваи

N £ gcj(RbA + RscAs) = P1; P1 = 11500×0,09 + 280000×0,000615 = 1207 кН.

В дальнейших расчётах будем использовать меньшее значение, т.е. расчётная нагрузка, передаваемая на сваю N £ 1207 кН.

7.3 Определение количества свай в фундаменте и фактической нагрузки на сваю


Количество свай в ленточном фундаменте на участке с расчётной длиной 1 м

= (N0I + Gф)/P.

Для наружной и внутренней стен здания соответственно получаем

n = (480×1,2 + 52)/1207 = 0,52; n = (560×1,2 + 52)/1207 = 0,60.

Конструктивно принимаем в обоих случаях n = 1.

Определим фактическую нагрузку на сваю

-        для наружной стены N = (N0I + Gф)/n = (480×1,2 + 5×0,6×0,6×23,6 + 0,6×0,5×25) = 626 кН;

-        для внутренней стены N = (N0I + Gф)/n = (560×1,2 + 5×0,6×0,6×23,6 + 0,6×0,5×25) = 722 кН.

Рис. 10. Схема свайного фундамента.

7.4 Расчёт осадки свайного фундамента


Величину ожидаемой осадки свайного фундамента из висячих свай определяют расчётом по предельным состояниям второй группы. Произведём расчёт осадки фундамента, рассматривая свайный фундамент как условный массив, границы которого показаны на рис. 10. Боковые грани условного массива отстоят от граней сваи на расстоянии

l = htg(jII,mt/4);

где: jII,mt = å(jII,i × hi)/åhi = (13,2×4 + 17,8×5 + 41×0,3)/9,3 = 16,6°.

Получаем:= 9,8tg(16,6/4) = 0,71 м.

Определяем ширину подошвы условного фундамента и его весм = 0,3 + 0,71×2 = 1,72 м;

g¢II = (13,5×0,8 + 19×2,2 + (26,8 - 10)/(1 + 0,862)×0,8 + 19×4 + 19,2×5 + 20,8×0,3)/13,1 = 18,2 кН/м3;м = 5×0,6×0,6×23,6 + 0,6×0,5×25 + 22,8 + 13,1×1,42×18,2 = 411 кН.

Среднее давление под подошвой массива

-  для наружной стены pIIм = (N0II + GIIм)/bм = (480 + 411)/1,72 = 518 кПа;

-        для внутренней стены pIIм = (N0II + GIIм)/bм = (560 + 411)/1,72 = 565 кПа.

Определим значение осадки ленточного свайного фундамента наружной стены здания по методу послойного суммирования. Среднее давление под подошвой массива p = 518 кПа; напряжение от собственного веса грунта в уровне подошвы массива szg,о = g¢×d + gw×hw = 18,2×13,1 + 10×0,8 = 246 кПа (в эпюре напряжений от собственного веса грунта на глубине 3,8 м от поверхности планировки будет скачок с 61,67 кПа до 69,67 кПа, т.е. на величину давления столба воды в грунте); дополнительное давление pо = 518 - 246 = 272 кПа. Результаты вычислений осадки данного фундамента сведены в таблицу 5, а эпюры напряжений показаны на рисунке 11.

Таблица 5. - Расчёт осадки свайного фундамента под наружную стену здания.

z, м

2z / b

gi, кН/м3

hi, м

szg, кПа

a

szp, кПа

szp,i, кПа

Ei, МПа

si, мм

0

0,00

0,00

 

 

246,000

1,000

272,000

 

 

 

1

0,62

0,72

20,80

0,62

258,896

0,884

240,448

256,224

43,4

2,928

2

1,24

1,44

20,80

0,62

271,792

0,692

188,224

214,336

43,4

2,450

3

1,86

2,16

20,80

0,62

284,688

0,521

141,712

164,968

43,4

1,885

4

2,48

2,88

20,80

0,62

297,584

0,411

111,792

126,752

43,4

1,449

5

3,10

3,60

20,80

0,62

310,480

0,337

91,664

101,728

43,4

1,163

6

3,70

4,30

20,80

0,60

322,960

0,287

78,064

84,864

43,4

0,939










å

10,813


Рис. 11. Эпюры напряжений в основании свайного фундамента под наружную стену здания.

Теперь определим значение осадки ленточного свайного фундамента внутренней стены здания по методу послойного суммирования. Среднее давление под подошвой массива p = 565 кПа; напряжение от собственного веса грунта в уровне подошвы массива szg,о = g¢×d + gw×hw = 18,2×13,1 + 10×0,8 = 246 кПа (в эпюре напряжений от собственного веса грунта на глубине 3,8 м от поверхности планировки будет скачок с 61,67 кПа до 69,67 кПа, т.е. на величину давления столба воды в грунте); дополнительное давление pо = 565 - 246 = 319 кПа. Результаты вычислений осадки данного фундамента сведены в таблицу 6, а эпюры напряжений показаны на рисунке 12.

Таблица 6. - Расчёт осадки свайного фундамента под внутреннею стену здания.

z, м

2z / b

gi, кН/м3

hi, м

szg, кПа

a

szp, кПа

szp,i, кПа

Ei, МПа

si, мм

0

0,00

0,00

 

 

246,000

1,000

319,000

 

 

 

1

0,62

0,72

20,80

0,62

258,896

0,884

281,996

300,498

43,4

3,434

2

1,24

1,44

20,80

0,62

271,792

0,692

220,748

251,372

43,4

2,873

3

1,86

2,16

20,80

0,62

284,688

0,521

166,199

193,474

43,4

2,211

4

2,48

2,88

20,80

0,62

297,584

0,411

131,109

148,654

43,4

1,699

5

3,10

3,60

20,80

0,62

310,480

0,337

107,503

119,306

43,4

1,363

6

3,70

4,30

0,60

322,960

0,287

91,553

99,528

43,4

1,101










 å

12,681


Рис. 12. Эпюры напряжений в основании свайного фундамента под внутреннею стену здания.

Полученные значения осадки меньше предельно допустимых, установленных СНиП [1].

8. Сравнение вариантов фундаментов и выбор основного


Выбор основного варианта производится путём сопоставления стоимости устройства фундамента на естественном основании со стоимостью устройства свайного фундамента. Для упрощения подсчётов объёмов работ на рисунках 13 и 14 приведены эскизы ленточного сборного и свайного ленточного фундаментов соответственно.

ленточный фундамент свая осадка

Рис. 13. Эскиз ленточного сборного фундамента.

Рис. 14. Эскиз свайного ленточного фундамента.

Расчёт стоимости запроектированных фундаментов сведён в таблицы 7 и 8.

Таблица 7

Расчёт стоимости устройства ленточного сборного фундамента.

Наименование работ и конструктивных элементов

Количество

Стоимость, руб.



единицы

общая

Стена подвала из бетонных блоков V = 0,6×0,6×6×1 = 2,16 м3

2,16

29,10

62,85

Сборные железобетонные подушки V = 2,4×0,5×1 = 1,2 м3

1,2

33,50

40,20

Отрывка котлована в водонасыщенном грунте в объёме фундамента V = 2,16 + 1,2 = 3,36 м3

3,36

5,04

16,93

Водоотлив V = 2,16 + 1,2 = 3,36 м3

3,36

1,85

6,22

Песчаная подготовка V = 2,8×0,1×1 = 0,28 м3

0,28

4,50

1,26

å

127,46


Таблица 8

Расчёт стоимости устройства свайного ленточного фундамента.

Наименование работ и конструктивных элементов

Количество

Стоимость, руб.



единицы

общая

Стена подвала из бетонных блоков V = 0,6×0,6×5×1 = 1,8 м3

1,8

29,10

52,38

Железобетонные забивные сваи V = 0,91 м3

0,91

63,00

57,33

Монолитный железобетонный ростверк V = 0,6×0,5×1 = 0,3 м3

0,3

37,20

11,16

Отрывка котлована в водонасыщенном грунте в объёме фундамента V = 1,8 + 0,91 + 0,3 = 3,01 м3

3,01

5,04

15,17

Водоотлив V = 1,8 + 0,91 + 0,3 = 3,01 м3

3,01

1,85

5,57

Песчаная подготовка V = 1×0,1×1 = 0,1 м3

0,1

4,50

0,45

å

142,06


На основании произведённого расчёта стоимости устройства запроектированных фундаментов в качестве основного варианта принимаем ленточный фундамент из сборных элементов.

Литература


1.      СНиП 2.02.01-83. Основания зданий и сооружений. М., 1985.

.        Далматов Б.И. Механика грунтов, основания и фундаменты. Л., 1988.

3.      СНиП 2.02.03-85. Свайные фундаменты. НИИОСН. М., 1985.

.        Фундаменты зданий: альбом чертежей. Л.: ЛИИЖТ, 1983.

.        Вотяков И.Ф. Механика грунтов, основания и фундаменты: методические указания к выполнению курсового проекта. Гомель: БелГУТ, 1996.

Похожие работы на - Проектирование свайных и ленточных фундаментов

 

Не нашли материал для своей работы?
Поможем написать уникальную работу
Без плагиата!
Без нейросетей!