Проектирование предприятия по производству железобетонных дорожных плит

  • Вид работы:
    Дипломная (ВКР)
  • Предмет:
    Строительство
  • Язык:
    Русский
    ,
    Формат файла:
    MS Word
    678,38 Кб
  • Опубликовано:
    2016-01-30
Вы можете узнать стоимость помощи в написании студенческой работы.
Помощь в написании работы, которую точно примут!

Проектирование предприятия по производству железобетонных дорожных плит

Оглавление

Введение

Раздел 1. Технико-экономическое обоснование местоположения и мощности проектируемого предприятия

Раздел 2. Охрана окружающей среды

2.1 Экология и охрана окружающей среды. Общие положения

2.2 Охрана окружающей среды при производстве строительных материалов, изделий и конструкций

2.3 Воздействие проектируемого предприятия на окружающую среду и разработка мероприятий, уменьшающих эти воздействия

2.4 Экономическая оценка природоохранных мероприятий проектируемого предприятия

Раздел 3. Технологическая часть

3.1 Номенклатура продукции

3.2 Режим работы предприятия

3.3 Данные о сырье, исходных материалах

3.4 Расчет состава сырья на 1 м3 бетонной смеси

3.5 Обоснование выбора способа производства

3.6 Описание технологической схемы

3.7 Расчет и подбор технологического оборудования

3.8 Описание технологического процесса

3.9 Организация технологического контроля

3.10 Расчет складов сырья, полуфабрикатов и готовой продукции

3.10.1 Расчет и проектирование склада заполнителей

3.10.2 Расчет емкости склада цемента

3.10.3 Расчет и проектирование склада арматуры

.10.4 Расчет и проектирование арматурного цеха

.10.5 Расчет и проектирование бетоносмесительного цеха

.10.6 Расчет площади склада готовой продукции

Часть 4. Архитектурно-строительная

4.1 Решение генерального плана

4.2 Основные технико-экономические показатели генплана

4.3 Архитектурно-планировочное и конструктивное решение проектируемого корпуса

4.4 Теплотехнический расчет ограждающих конструкций производственного здания

Часть 5. Теплотехнический расчет пропарочной камеры

.1 Исходные и дополнительные данные для расчета

.1.1 Определение дополнительных исходных данных

.2 Технологический расчет

.2.1 Определение длины камеры

.2.2 Определение рабочей ширины камеры

.2.3 Определение рабочей высоты камеры

.2.4 Расчет производительности установки

.3 Тепловой расчет

.3.1 Период подогрева

.3.2 Период экзотермической выдержки

.3.3 Период охлаждения

Часть 6. Автоматизация

.1 Автоматизация бетоносмесительного отделения

Часть 7. Экономическая часть

7.1 Определение капитальных вложений на строительство или реконструкцию предприятия

7.2 Определение базовой цены продукции

7.3 Расчет технико-экономических показателей

Часть 8. Охрана труда

8.1 Основные требования безопасности труда

.1.1 Требования безопасности к производственным площадям

.1.2 Требования безопасности к производственным помещениям

.1.3 Требования безопасности к материалам и готовой продукции4

.1.4 Требования безопасности к производственному оборудованию и организации рабочих мест

.1.5 Средства защиты

.1.6 Медицинское обслуживание

8.1.7 Требования по проф. отбору и проверке знаний рабочих

.1.8 Анализ вредностей технологического процесса

8.2 Инженерные решения по охране труда

.2.1 Расчет приточной вентиляции цеха

.2.2 Расчет зануления электродвигателя

8.2.3 Расчет освещенности с использованием коэф. использования

8.2.4 Расчет резиновых виброизоляторов

8.2.5 Безопасная эксплуатация компьютеров

.2.6 Расчет звукоизоляции

.3 Пожарная безопасность

Литература


Введение

Железобетонные дорожные плиты сегодня являются незаменимым изделием во всех строительных отраслях. Стремительное развитие общественного и жилищного строительства постоянно требует подведения качественных подъездных путей к зданиям, развитой и долговечной транспортной инфраструктуры. Именно дорожные плиты позволяют в кратчайшие сроки строить новые трассы и магистрали - технология их укладки позволяет существенно экономить денежные средства, использовать минимальное количество специальной техники.

У дорожных плит много преимуществ перед остальными существующими дорожными покрытиями:

. Дорожные плиты намного прочнее, чем асфальтобетон или асфальт;

. Нагрузки, которые выдерживают плиты гораздо больше, чем у других дорожных покрытий;

. Изделия эти довольно легко и быстро устанавливаются и производятся в самых различных габаритах;

. Толщина плит варьируется в довольно больших пределах, что позволяет использовать их в различных ситуациях.

Плиты, сделанные из тяжелого бетона называются армированными. В связи с тяжелыми климатическими условиями, в России для создания прочного дорожного покрытия используют в основном именно такие дорожные плиты. Поэтому к железобетонным плитам предъявляются особые требования выносливости. Они должны быть морозостойкими, прочными на растяжение, а так же износостойкими. Для того, чтобы обеспечить дорожному покрытию наибольшую прочность, при производстве дорожных плит используют только самые качественные материалы и четко следуют технологической схеме производства. Рецептура состава дорожного покрытия постоянно совершенствуется, что помогает делать дорожное покрытие еще качественнее.

Применение сборных дорожных покрытий обеспечивает индустриализацию дорожного строительства, повышает производительность труда, в ряде случаев снижает себестоимость и позволяет организовывать круглогодичное строительство.

При развитии промышленности сборного железобетона должны учитываться задачи охраны окружающей среды, охраны труда, техники безопасности, рационального использования минеральных и других природных ресурсов, а также широкое использование вторичных продуктов и отходов промышленности.

Бетон и материалы, применяемые для сборных железобетонных плит покрытия дорог должен отвечать требованиям ГОСТ 8424-72 «Бетон дорожный».

Дорожные плиты должны отвечать требованиям ГОСТ 13015-2003 «Изделия железобетонные и бетонные для строительства», ГОСТ 21924.0-84 «Плиты железобетонные для покрытий городских дорог. Технические условия» и ГОСТ 21924.2-84 « Плиты железобетонные с ненапрягаемой арматурой для покрытий городских дорог. Конструкции и размеры.»

Для бетона дорожных покрытий должен применяться портландцемент из клинкера с содержанием СЗА до 8% по массе (ГОСТ 10178-85), марки 400 и 500 с добавкой гранулированного шлака до 15% при начале схватывания не ранее 2 ч 15 мин и удельной поверхностью не менее 2800 см²/г.

Раздел 1. Технико-экономическое обоснование

Технико-экономическое обоснование

Общие данные


Самарская область занимает площадь 53,6 тыс. кв. км, что составляет 0,31% территории России. Область протянулась с севера на юг на 335 км и с запада на восток - на 315 км.

В регионе по состоянию на начало 2014 года проживает 3 211 187 человек, что составляет 2,2% населения России и 10,8% населения Приволжского федерального округа. По численности населения Самарская область занимает 12 место среди регионов России и 4 место среди регионов Приволжского федерального округа. Областной центр - городской округ - Самара с численностью населения 1171598 человек.

География, рельеф

Самарская область расположена почти в центре европейской части России на левом и правом берегах в среднем течении Волги. Реки Волга и Самара делят её по рельефу на три части - Правобережье, Север и Юг левобережья. Правобережье занято Приволжской возвышенностью и Жигулевскими горами (высота до 370 м), пересеченными оврагами, балками и речными долинами. Значительную часть в Жигулях и на Самарской Луке занимают карстовые формы рельефа, представляющие собой глубокие воронки и провалы.

Левобережье области или Заволжье, занимающее 90% площади, низменный район, полого поднимающийся на Востоке. Река Самара делит левобережье на две части (Северную и Южную). Север Левобережья в свою очередь делится рекой Кондурчой на расположенную вдоль Волги плоскую равнину низкого Заволжья на Западе и высокого Заволжья на Востоке. Максимальная высота его в отрогах Бугульминско-Белебеевской возвышенности - 317 метров над уровнем моря. По правым берегам рек Сок и Кондурча проходят Сокские горы и Кинельские горы.

Юг Левобережья или Сыртовое Заволжье имеет сыртовый полого-волнистый (долино-балочный) тип рельефа. На юго-востоке в пределы области заходят отроги возвышенности общего Сырта.

Климат

Климат области характеризуется как умеренно континентальный. Многолетняя среднегодовая температура +4,20 С. Средние многолетние зимы -90 С, среднегодовые лета +13,60 С. Среднегодовая норма солнечных дней - 2113 часов (285 дней). Среднегодовая норма осадков - 400 мм. Время начала ледостава рек - ноябрь, декабрь.

Время вскрытия рек - начало апреля. Продолжительность снежного покрова - 143 дня. Заморозки возможны до середины мая, осадков мало, бывают засухи.

Характерной особенностью ветрового режима является преобладание в холодное время года юго-западных и южных ветров, в теплое - западных и северо-западных. Наиболее сильные ветры бывают южного направления. Средняя годовая скорость ветра составляет 3,2 - 4,4 м/с. В степной зоне области в холодное время года отмечаются ветры скоростью до 30-40 м/с. Отмечаются такие погодные аномалии, как смерчи.

Геология, полезные ископаемые

Самарская область имеет достаточно развитую минерально-сырьевую базу.

Запасы полезных ископаемых представлены углеводородным сырьем, широким разнообразием минерально-строительного сырья, отдельными видами горно-технического и горно-химического сырья, подземными водами, в том числе содержащими гидроминеральное сырье.

Нефть и газ (попутный и природный) - основные по экономической значимости виды полезных ископаемых.

Также Самарская область располагает большими запасами разнообразного минерально-строительного сырья промышленных категорий: строительным камнем, песчано-гравийным материалом, песками строительными и силикатными, кирпично-черепичным сырьем, гипсом и ангидритом, керамзитовым сырьем, аглопоритовыми глинами, стекольным сырьем, битумсодержащими породами, тугоплавкими глинами, цементным сырьем (глинистым сырьем, опоками).

Запасы каменно-строительных материалов (карбонатных пород и щебня) являются крупнейшими в Поволжье.

Горно-техническим сырьем, представленным запасами формовочных песков область обеспечена более чем на 40 лет.

Горно-химическое сырье области представлено фосфоритами, самородной серой, каменной солью, асфальтитами и битумами, природными битумами, горючими сланцами.

Гидрография

В области сосредоточены большие запасы воды, в первую очередь это бассейн реки Волги с притоками, Куйбышевское и Саратовское водохранилища.

Развитая речная сеть с преимущественным направлением течения на Юг и Юго-Запад. Основные реки - Самара, Сок, Большой и Малый Кинель, Кондурча, Уса, Чапаевка, Большой Иргиз, шириной 8-60 метров и глубиной до 4 метров.

В области по всей территории, кроме северной части, большая сеть озер и прудов, общей площадью 268

Экосистема

Расположена в лесостепной и степной зонах. Леса занимают около 12% территории. В Жигулях и на водоразделах преимущественно широколиственные (основные породы - дуб, липа, клён). На песчаных почвах левого берега Волги и вдоль р. Самара - сосновые боры (Ставропольский, Бузулукский и др.).

В южной части области - ковыльно-типчаковые степи (в основном распаханы). В поймах рек - заливные луга.

Почвы преимущественно тёмно-серые и чернозёмы (выщелоченые, среднегумусные и тучные).

Сохранились волк, лисица, лось, косуля, белка, выхухоль, зайцы, грызуны. Из птиц - тетерев, серая куропатка, рябчик, глухарь и др.

Реки и озёра богаты рыбой (осетровые, судак, язь, сазан и др.).

На территории Самарской области национальный парк Самарская Лука, Жигулёвский заповедник.

Экономическая характеристика области

Самарская область является одним из крупных индустриальных центров страны и занимает одно из ведущих мест в стране по производству промышленной и сельскохозяйственной продукции. Из основных видов промышленности развита машиностроение и металлообработка (42 %), топливная (17,4 %), электроэнергетика (12,7 %), химическая и нефтехимическая (17,6 %), строительных материалов (2,9 %) и другие - 7,4%.

По объему промышленного производства Самарская область в Российской Федерации занимает 6 место и составляет 3,4%.

В настоящее время на территории области расположены более 4 тыс. предприятий, которые выпускают пассажирские самолеты, легковые автомобили, станки с программным управлением, промышленные роботы, оборудование для нефтепромыслов, сельскохозяйственные машины, подшипники, продукцию приборостроения, кирпич, цемент, бумагу и картон, телевизоры и мебель, одежду и обувь, практически полный набор продовольственных товаров.

Структура занятости населения по отраслям экономики:

в сфере материального производства - 68,6 %, в том числе:

промышленность - 32,4 %;

сельское хозяйство - 5,8 %;

лесное хозяйство - 0,2%

транспорт - 7,9%;

связь - 1,6 %;

строительство - 6,5 %;

торговля, общественное питание - 9,8 %;

материально-техническое снабжение и сбыт - 0,42%;

информационно-вычислительное обслуживание - 1%;

прочие отрасли сферы материального производства - 2,98 %;

в непроизводственной сфере - 31,4 %, в том числе:

жилищно-коммунальное хозяйство - 4,3 %;

непроизводственные виды бытового обслуживания населения - 0,5 %;

здравоохранение, физич. культура и спорт, социальн. обеспечение - 7,3 %;

образование - 8,6 %; культура и искусство - 1,6 %;

наука и научное обслуживание - 2,4%; управление - 5%;

финансы, кредит, страхование и пенсионное обеспечение - 1,5%;

общественные объединения и организации - 0,2%.

Транспортамарская область, граничащая с Ульяновской, Саратовской, Оренбургской областями и Республикой Татарстан, занимает исключительно выгодное транспортно-географическое положение. На ее территории крупнейшая водная артерия страны - Волга - пересекается железнодорожной магистралью, соединяющей центр и юг страны с Уралом, Сибирью, Средней Азией и Казахстаном.

Самарский транспортный узел включает в себя различные виды коммуникационных направлений (железнодорожные, водные, воздушные и автомобильные).

Транспортная сеть области включает в себя: 635,5 тысячи километров автомобильных дорог областного и местного значения, 1389 километров железнодорожных и подъездных путей, 300 километров внутренних водных путей, 200 километров трамвайных линий, 560 километров троллейбусных линий и 7,8 километра линий метрополитена.

Транспортная система включает в себя 70 транспортных предприятий общего назначения, в том числе 65 акционерных обществ, часть из которых имеет государственную долю собственности.

Все предприятия обеспечивают перевозки грузов и пассажиров, осуществляют транспортно-экспедиционное обслуживание грузополучателей и грузоотправителей.

Куйбышевская железная дорога, протяженностью в пределах Самарской области, имеет мощные пассажирские и грузовые перерабатывающие, а также ремонтные комплексы в городах Самара, Сызрань, Кинель и Тольятти. Дорога занимает 4 - 5 место по объему перевозок в России.

Водная транспортная сеть области включает речные порты Самара и Тольятти, позволяющие принимать суда системы "река-море". Водные пути имеют развитые подъездные коммуникации, погрузо-разгрузочные и терминальные комплексы. Порты через Волго-Донскую и Балтийско-Беломорскую системы имеют выходы практически во все порты Средиземноморья, Каспия, Скандинавии и бассейнов реки Дунай.

Воздушные перевозки осуществляются самолетами ОАО авиакомпании «Самара», услугами которого ежегодно пользуется около 1 млн. пассажиров. По воздуху переправляются свыше тысячи тонн почты и 30 тыс. тонн народнохозяйственных грузов. На территории области расположено два аэропорта: международный аэропорт «Курумоч» и а/п “Смышляевка”.

По территории области проходит автомагистраль Москва - Челябинск с выходами в районы Казахстана, Средней Азии и северные районы России. Более шестидесяти автотранспортных предприятий области выполняют пассажирские и грузовые перевозки по области, России, странам СНГ и Европы.

Запроектированный завод специализируется на выпуске дорожных плит с производительностью 67тыс. м³.

-        Обеспечение цемента будет производиться с цементного завода в городе Жигулевск-7 по железной дороге в закрытых вагонах или авто цементовозами;

Крупный заполнитель - щебень фр.5-20 - поступает с ЗАО "Жигулевское карьеро-управление" из г. Жигулевск.

         Песок будет привезен из имеющихся сырьевых карьеров песка Самарской области (Балашейский карьер.) железнодорожным и автомобильным транспортом;

Композитная арматура для армирования дорожных плит поставляется автомобильным транспортом из г. Новокуйбшевск;

         Вода будет поступать по системе городского водоснабжения;

         Электроэнергия будет поступать с Волжской ГЭС;

Топливом будет являться природный газ, который добывается в Самарской области;

Химические добавки и смазка поступает на завод железнодорожным транспортом в вагонах цистернах с Новокуйбышевского химического завода;

         Квалифицированные кадры будут поступать на завод из учебных заведений г.Самара и др.

Вывоз готовой продукции будет осуществляться железнодорожным и автотранспортом в ближайшие города.

Следующие обстоятельства показывают, что организация завода дорожных плит в пос. Волжском Самарской области целесообразно:

наличие развитых транспортных коммуникаций, наличие собственного автомобильного транспорта и железнодорожных узлов;

         наличие собственной ремонтной и механической базы;

         наличие значительных, незадействованных в настоящее время производственных площадей и открытых площадок;

относительная близость к возможным рынкам сбыта; интенсивное муниципальное, индивидуальное и жилищное строительство.

На оснований указанной информации, определяется вид и номенклатура продукции, перспективной с точки зрения сложившегося спроса и/или долгосрочных программ, а также необходимое для организации производство основное и вспомогательное технологическое оборудование и, оснастка, а также возможности поставки и стоимость необходимых сырьевых материалов.

Применительно к выбранному типу производства и видам продукции определяются необходимые капитальные затраты, включая ремонтные и восстановительные работы, приобретение оснастки и оборудования, устройство транспортных и опорных эстакад, складских ёмкостей (площадок) и прочие энергозатраты, трудозатраты и др., рассчитывается себестоимость продукции и сроки окупаемости капитальных затрат с учетом ее реальной в условиях сложившегося рынка стоимости.

На основании выполненных расчетов можно сделать окончательное заключение о предполагаемой эффективности планируемого производства, при необходимости внести уточнения в производственную программу,

С технико-экономической точки зрения представляется целесообразным поэтапное развитие производства от сравнительно простых составов и технологий с минимизацией первичных капитальных затрат и применением не дорогостоящего оборудования до более сложных, с наращиванием объемов производства или расширением номенклатуры выпускаемой продукции за счет образующихся в результате прибыли на начальной стадии оборотных средств.

Производительность проектируемого предприятия принимается 67000 м3 изделий в год.

Для обеспечения заданной производительности необходимо следующее количество сырьевых материалов:

Цемент - 15043,2 т. в год

Песок - 56669,4 т. в год

Вода - 3159,8 т. в год

Щебень - 93762,0 т. в год

Добавка - 219808,4 литров в год

Вывод: Данные ТЭО показывают, что место проектируемого завода по производству дорожных плит выбрано правильно и строительство завода в этом районе перспективно и целесообразно.

строительный материал бетоносмесительный реконструкция

Раздел 2. Охрана окружающей среды

2.1 Экология, природная среда, промышленная экология и охрана окружающей среды. Общие положения

Основные понятия об экологии и окружающей среде (ОС), охране окружающей среды

Экология - это биологическая наука, исследующая структуру и функционирование систем, популяций, сообществ организмов, экосистем и биосферы в целом. В основу экологии положены балансовый и энергетический принципы существования экосистем, изменение их структуры и деятельности человека.

Объектами экологии могут быть популяции организмов, виды сообщества экосистемы и биосфера в целом. Различают три основных раздела экологии:

аутэкология (экология особи);

демэкология (экология популяций);

синэкология (экология всех сообществ живой и неживой природы)

Экология обосновано считается научной базой охраны природной среды (ОПрС), поскольку объектом ее приложения является физические, химические и биологические параметры функционирования природных систем.

Окружающая среда (ОС) - целостная система взаимосвязанных и антропогенных объектов и явлений, в которых протекает труд, быт и отдых человека. Это понятие включает в себя социальные, природные, искусственно созданные физические, химические и биологические факторы; все, что прямо или косвенно влияет на жизнь человека. Общественное производство изменяет ОС, воздействуя прямо или косвенно на все ее элементы. Это воздействие и его негативные последствия особенно усилились в эпоху современности НТР.

Охрана окружающей среды (ООС) означает систему государственных и общественных мероприятий, обеспечивающих сохранение ПрС, пригодной для жизнедеятельности нашего и будущего поколения людей [8].

ООС включает в себя четыре аспекта:

экологический;

технико-экономический;

социально-политический;

нравственно - этический.

ООС представляет комплекс мер по сохранению, рациональному использованию и восстановлению природных ресурсов Земли, в том числе, видового разнообразия флоры и фауны, богатства недр, чистоты вод и атмосферы.

Общие положения о природной среде (ПрС) и глобальном характере экологических проблем и охране окружающей природной среды

Природная среда (ПрС) - это совокупность объектов и условий природы, в окружении которых протекает деятельность человек или какого-либо субъекта.

ПрС включает в себя не всю природу в естественнонаучном значении этого слова. Сюда входит часть литосферы (до глубины 3-5км), в которой содержатся основные запасы природного минерального сырья. Особую ценность представляет верхний горизонт литосферы - почва как источник продовольственных ресурсов планеты. В ПрС включается нижний слой атмосферы, которой используют в практической деятельности человеческого общества промышленностью, авиацией и др. От степени загрязненности нижнего слоя атмосферы зависят функционирование биосферы и здоровья человека.

В нее также входит поверхностный слой Мирового океана, включая шельфовую зону, богатую биологическими и минерально-сырьевыми ресурсами, а также наиболее мобильную часть гидросферы - пресные воды суши, широко используемые в деятельности человеческого общества. Научно-техническая революция, вызвавшая интенсификацию производственных процессов, привела к резкому увеличению масштабов использования разнообразных природных ресурсов, в особенности минерально-сырьевых, почвенных, биологических и водных. Одновременно возникла опасности нарушения нормативного функционирования биосферы.

Возникает необходимость учета экологических требований к экономике. Необходимо обеспечить такое взаимодействие, при котором высокие темпы расширенного воспроизводства, экономического роста и повышения народного благосостояния сочетались бы не только с сохранением, но и непрерывным улучшением и развитием как отдельных компонентов, так и всей ОС.

Поэтому необходимость углубить изучение ПрС как ресурса воспроизводящей системы и путей повышения ее продукции на основе закономерностей функционирования природных экосистем, а также раскрыть механизмы устойчивости и самовоспроизведения природных комплексов.

Экологические исследования показали, что разрушительное всевозрастающее воздействие антропогенных факторов на природную среду человека привело ее на грань экологического кризиса. В середине 20 века, в связи с усилившимся воздействием человека на природу, экология приобрела особое значение, как рационального природопользования и охраны живых организмов, а сам термин «экология» - более широкий смысл. С 70-х годов 20 века появляется экология; промышленная экология (инженерная экология) и др.

Промышленная экология (ПЭ) - это воздействие промышленного производства на ОС. Это отрицательно воздействует на ПрС, превращая ее в ОС. Вот почему наряду с ранее существующим понятием охраны природной среды (ОПрС) появилось понятие об охране окружающей среды (ООС).

Опасность неконтролируемого изменения ОС и вследствие этого угроза существования на Земле живых организмов, в том числе и человека, потребовали решительных практических мер по защите и ООС, правого урегулирования использования природных ресурсов. К таким мерам относятся создание безотходных технологий, очистных сооружений, упорядочение использование пестицидов, прекращение производства ядохимикатов, способных накапливаться в организм, а также создание охраняемых территорий, центров по разведению редких животных и растений. Природоохранные меры предусмотрены в земельном, лесном, водном и других национальных законодательствах, которые устанавливают ответственность за нарушение природоохраняемых норм.

Общие положения о природной среде и глобальном характере экологических проблем по охране окружающей природной среды

Часть всей совокупности природных и важнейших компонентов ПрС, которые используются и могут быть использованы для удовлетворения разнообразных потребностей общества и общественного производства носит название природные ресурсы (ПрР).

К ПрР относят воду, почву, солнечную радиацию, полезные ископаемые, энергию приливов и отливов, животный мир, растительность, силу ветра и др.

ПрР классифицируют по их использованию (производственные); компонентам природы (земельные, водные, лесные, минеральные, энергетические и др.).

По характеру воздействия человека ПрР делят на исчерпаемые и неисчерпаемые. Исчерпаемые ресурсы, подразделяются на возобновимые и невозобновимые. Невозобновимые ресурсы - это те, которые совершенно не восстанавливаются, или восстанавливаются значительно медленнее, чем идет их использование человеком в обозримый период. Охрана невозобновимых ПрР должна состоять в их экономии, рациональном, комплексном использовании.

Возобновимые ресурсы по мере использования могут восстанавливаться и обеспечить расширенное воспроизводство, необходимо создать определенные условия. Следовательно, темпы расхода возобновимых ресурсов должны соответствовать темпам их восстановления. В противном случае возобновимые ресурсы могут стать невознобновимыми. К неисчерпаемым ресурсам условно можно отнести космические, климатические и водные ресурсы. Использование же ПрР должно быть таким, чтобы не загрязнять ПрС. Взаимодействие человека с природой становится все более актуальной, сложной и труднорешимой проблемой современности.

Действительно, объем добываемого и перерабатываемого сырья удваивается в мире примерно каждые 15 лет, а в нашей стране - каждые 10 лет. При этом в готовую продукцию переходят только 4%, а остальные - в отходы, часто токсичные.

Другой стороной проблемы является продолжающее увеличение загрязнения ОПрС и ее деградация, которая связана с ростом народонаселения; бурной развивающей промышленностью; ростом городов и т.п.

Таким образом, комплексное рациональное использование природных ресурсов (КРИПрР), а также ООПрС, являются главными экологическими проблемами.

Отражение проблемы в законах, постановлениях; международные аспекты охраны окружающей природной среды

Современное общество выработало ряд специальных мер, направленных на охрану окружающей среды и рациональное использование природных ресурсов. Соблюдение правил (норм), в том числе экологических, обеспечивается государством в принудительном порядке.

Источниками, образующими экологическое законодательство Российской Федерации являются следующие правовые документы:

- Конституция Российской Федерации (1993 г);

Законы и иные нормативные акты РФ и субъектов РФ в области природопользования и охраны окружающей среды:

-ФЗ от 10.01.2002 N7-ФЗ«Об охране окружающей среды» (ред. От 12.03.2014);

ФЗ от 23.11.1995 N174-ФЗ «Об экологической экспертизе» (ред. 28.12.2013 N406-ФЗ);

ФЗ от 14.03.1995 N ЗЗ-ФЗ "Об особо охраняемых природных территориях" (ред. от 12.03.2014 N27-ФЗ);

ФЗ от 04.05.1999 N96-ФЗ "Об охране атмосферного воздуха" (ред. 23.07.2013 N226-ФЗ);

Закон РФ от 9.01.1996 N3-ФЗ «О радиационной безопасности населения» (ред. 19.07.2011 N248-ФЗ);

Закон РФ от 24.06.1998 N89-ФЗ «Об отходах производства и потребления» (ред. 25.11.2013 N317-ФЗ);

"Основы законодательства РФ об охране здоровья граждан" (утв. ВС РФ 22.07.1993 N 5487-1) (ред. от 7.12.2011);

Закон Российской Федерации от 21.02.1992 г. N 2395-1 "О недрах" (ред. 28.12.2013 N408-ФЗ);

Земельный кодекс Российской Федерации от 25.10.2001 г. N 136-ФЗ (ред.28.12.2013 N446-ФЗ.);

Водный кодекс РФ от 3.06.2006 N74-ФЗ (ред. 28.12.2013 N396-ФЗ);

Лесной кодекс РФ от 4.12.2006 N200-ФЗ(ред. 12.03.2014 N27-ФЗ);

-Указы и распоряжения Президента РФ и постановления Правительства РФ;

-Нормативные акты министерств и ведомств;

Нормативные решения органов местного самоуправления;

Международное сотрудничество позволяет осуществить создание системы мониторинга с целью получения данных для организации управления состоянием природной среды.

К основным направлениям и приоритетам международного сотрудничества относятся:

гармонизация российских и международных подходов к природно-ресурсной и природоохранной деятельности с учетом национальных интересов Российской Федерации;

подготовка и заключение в установленном порядке международных договоров в сфере природопользования и охраны окружающей среды с заинтересованными зарубежными странами и международными организациями;

выполнение обязательств, вытекающих из участия Российской Федерации в международных договорах и членства в международных организациях в области природопользования и охраны окружающей среды;

активное участие в деятельности межправительственных комиссий по экономическому и научно-техническому сотрудничеству России с зарубежными странами в части, касающейся природопользования и охраны окружающей среды;

обеспечение активного участия Российской Федерации в глобальных и региональных системах мониторинга окружающей среды и контроля освоения природных ресурсов, в разработке международной системы оценки экологических рисков;

разработка и создание эффективной системы природопользования и управления окружающей средой приграничных районов, бассейнов и прибрежных морских зон, с учетом трансграничного контекста;

эффективное использование возможностей международных организаций, международного опыта в природно-ресурсной и природоохранной деятельности, включая взаимодействие по предотвращению и ликвидации последствий экологического терроризма.

Развитие международного сотрудничества предусматривает: -эффективное участие России в деятельности международных организаций системы ООН и других всемирных объединений, организаций Европейского Союза, Азиатско-Тихоокеанского сотрудничества, СНГ и других региональных объединений по природоохранной и природно-ресурсной тематике, использование финансовых возможностей международных доноров, международного опыта, политической и технической поддержки международных организаций;

содействие созданию структур природно-ресурсного и природоохранного сотрудничества Российской Федерации и Европейского Союза, развитию природоохранного сотрудничества Российской Федерации с НАТО в рамках Комитета НАТО по вызовам современного общества и др.;

активное участие в деятельности межправительственных комиссий по торгово-экономическому и научно-техническому сотрудничеству с зарубежными странами по вопросам природопользования и охраны окружающей среды; -охрану окружающей природной среды Арктики (в рамках Программы действий Арктического совета), Каспийского, Балтийского, Черного и Азовского морей, северо-западной части Тихого океана, трансграничных водотоков (бассейнов), а также озера Байкал;

разработку межгосударственных программ сотрудничества в области фундаментальных и прикладных наук, учреждение международных научных центров, развитие двустороннего научно-технического сотрудничества, активизацию обмена научно-технической информацией в области природопользования и охраны окружающей среды с государствами- участниками СНГ;

привлечение общественности, неправительственных организаций, национального и зарубежного бизнеса к осуществлению международного сотрудничества в области природопользования и охраны окружающей среды.

Международные организации, форумы и программы:

Программа ООН по окружающей среде (ЮНЕП);

Глобальный экологический фонд (ГЭФ);

Всемирный союз охраны природы (МСОП);

Межгосударственный экологический совет при СНГ;

Межправительственный совет стран по лесопромышленному комплексу и лесному хозяйству при СНГ;

Межправительственный совет по разведке, использованию и охране недр при СНГ;

Комиссия ООН по устойчивому развитию (КУР);

Программа развития ООН (ПРООН);

Организации Системы ООН;

Организация Объединенных Наций по вопросам образования, науки и культуры (ЮНЕСКО);

Всемирная организация здравоохранения (ВОЗ);

Организация Объединенных Наций по промышленному развитию (ЮНИДО);

Международный орган ООН по морскому дну;

Международная морская организация (ИМО);

Продовольственная и сельскохозяйственная организация Объединенных Наций (ФАО);

Международное агентство по атомной энергии (МАГАТЭ);

Международная организация по стандартизации (ИСО);

Международная стратегия по уменьшению опасности бедствий (МСУОБ);

Экономическая комиссия для Европы (ЕЭК);

Всемирная торговая организация (ВТО);

Форум ООН по лесам.

«Большая восьмерка»;

Всемирный саммит по устойчивому развитию (ВСУР);

Организация по безопасности и сотрудничеству в Европе (ОБСЕ);

Совет Европы;

Европейский Союз.

Правовые и организационные вопросы охраны окружающей среды

Правовая охрана окружающей среды - совокупность установленных государством правовых норм, направленных на выполнение мероприятий по сохранности природной среды, рациональному использованию природных ресурсов и на компенсацию ущерба, нанесенного природе.

Правовая охрана окружающей среды складывается из нормативов, т.е. законов по охране атмосферного воздуха, вод, почвы, недр, лесов, животного мира.

Нормы природоохранительного законодательства образуют юридические основы охраны природы, т.е. законы и подзаконные акты. Наше законодательство основывается тремя формами планирования: планы-прогнозы, перспективные планы, годовые планы.

Целью организации управления природопользованием является обеспечение выполнения норм и требований, ограничивающих водное воздействие выбросов производств и рационального использования природных ресурсов, их восстановление и воспроизводство.

Понятия об источниках, видах загрязнений окружающей среды и их нормировании

Загрязнение может возникать в результате естественных причин - загрязнение природное и под влиянием деятельности человека - загрязнение антропогенное.

Загрязнитель - любой природный или антропогенный агент, попадающий в ОС или возникающий в ней в количествах, выходящих за рамки естественного фона.

Основными источниками загрязнения являются:

- природные: вулканические, селевые, микробиологические; антропогенные

промышленные предприятия и теплоэнергетический комплекс, включая и АЭС;

различные отходы (сельского хозяйства, транспортные, бытовые, производственные и т.п.).

Загрязнения отрицательно сказываются на состоянии ОС. В настоящее время в нашей стране и за рубежом для контроля и управления качеством ОС:

    разрабатываются природоохранные стандарты и нормативы;

осуществляются систематические наблюдения, контроля и оценки ОС;

разрабатываются научные основы гигиены ОС и критерии негативноговоздействия на человека;

-определяются нормы ПДК, ПДВ и ПДС;

-   внедряются автоматизированные системы контроля атмосферы ,воды, почвы;

-        разрабатываются методики оценки экологического ущерба, наносимого загрязнением.

В настоящее время наиболее распространенными критериями оценки качества ОС являются предельно допустимые концентрации (ПДК) вредных веществ в атмосфере, воде и почве.

ПДК - концентрация химического вещества, которая при ежедневном воздействии в течение длительного времени на организм человека не вызывает каких-либо патологических изменений или заболеваний, обнаруженных современными методами.

Кроме ПДК устанавливается и предельно допустимый выброс (ПДВ) - количество вредных веществ, которое не разрешается превышать при выбросе в единицу времени.

Предельно допустимый сброс (ПДС) - экологический норматив: масса вещества в сточных водах, максимально допустимая к отведению в установленном режиме в данном пункте водного объекта в единицу времени с целью обеспечения норм качества воды в контрольном пункте

Общие положения об охране окружающей среды (атмосферного воздуха, водных ресурсов, растительности, животных и заповедных территорий, земель и рациональном использовании недр)

Российским государством выделены три группы объектов, подлежащих охране. К первой -относятся естественные экологические системы и озоновый слой атмосферы. Ко второй группе относятся земля, ее недра, поверхностные и подземные воды, атмосферный воздух, леса и иная растительность, животный мир, микроорганизмы, генетический фонд, природные ландшафты. К третьей категории объектов окружающей природной среды относятся особо охраняемые территории и объекты, имеющие заповедное значение.

Охрана вод и почв от загрязнения должна осуществляться с учетом следующих требований:

-сточные воды сбрасываются в водоемы только после соответствующей очистки (механической, химической и биологической) и подготовки с учетом почвенных и климатических характеристик территорий;

основными критериями, используемыми для оценки степени загрязненности воды или почвы должны быть ПДК и ориентировочные допустимые количества (ОДК) химических веществ в воде или почве;

почвы, отнесенные к категории загрязненных, должны находиться под постоянным контролем внутриведомственных и государственных служб;

особое внимание следует уделять почвам и водоемам, прилегающим к предприятиям и объектам промышленности, жилищно-коммунального и сельского хозяйства, транспорта, которые по характеру своей деятельности могут загрязнять почву и водоемы посредством выбросов, отходов, стоков и осадков сточных вод;

при проведении контроля за загрязнением почв следует учитывать класс опасности химических веществ;

Охрана атмосферного воздуха от загрязнения:

Выбросы в атмосферу из источников загрязнения характеризуются по четырем признакам:

а) по агрегатному состоянию: газообразные (А)

жидкие (К) твердые (Т)

б) по составу

в) по размеру частиц

г) по массе веществ.

Предельно допустимый выброс вредных веществ в атмосферу устанавливают для каждого источника загрязнения атмосферы.

Если в воздухе городов и других населенных пунктов концентрации вредных веществ превышают ПДК, а значения ПДВ по причинам объективного характера в настоящее время не могут быть достигнуты, вводится поэтапное снижение выбросов вредных веществ от действующих предприятий до значений, обеспечивающих соблюдение предельно допустимых концентраций вредных веществ или до полного предотвращения выбросов.

При установлении ПДВ следует учитывать перспективу развития предприятий, физико-географические и климатические условия местности, расположение промышленных площадок.

В целях охраны растений, животных и других организмов учреждаются Красная книга Российской Федерации и красные книги субъектов Российской Федерации. Растения, животные и другие организмы, относящиеся к видам, занесенным в красные книги, повсеместно подлежат изъятию из хозяйственного использования. Запрещается деятельность, ведущая к сокращению численности этих растений, животных и других организмов и ухудшающая среду их обитания.

Охрана заповедных территорий предусматривает систему мероприятий, обеспечивающих сохранение и развитие зеленого фонда и необходимых для нормализации экологической обстановки и создания благоприятной окружающей среды. На территориях, находящихся в составе заповедных территорий, запрещается хозяйственная и иная деятельность, оказывающая негативное воздействие на указанные территории и препятствующая осуществлению ими функций экологического, санитарно-гигиенического и рекреационного назначения.

Охрана земель - это система закрепленных законом мер, направленных на обеспечение рационального использования земель, сохранение и повышение их плодородия, защиту от истощения и разрушения.

Охрана земель осуществляется на основе комплексного подхода к земельным угодьям как к сложным природным образованиям и ставит следующие цели:

предотвратить деградацию и разрушение земель, другие неблагоприятные последствия хозяйственной деятельности путем стимулирования природоохранных технологий производства;

обеспечить улучшение и восстановление земель, подвергшихся деградации или нарушению;

создать механизм учета и проверки экологического состояния земель.

Основными требованиями по рациональному использованию и охране недр являются:

соблюдение установленного законодательством порядка предоставления недр в пользование и недопущение самовольного пользования недрами;

обеспечение полноты геологического изучения, рационального комплексного использования и охраны недр;

охрана месторождений полезных ископаемых от затопления, обводнения, пожаров и других факторов, снижающих качество полезных ископаемых и промышленную ценность месторождений или осложняющих их разработку;

предотвращение загрязнения недр при проведении работ, связанных с пользованием недрами, особенно при подземном хранении нефти, газа или иных веществ и материалов, захоронении вредных веществ и отходов производства, сбросе сточных вод;

предупреждение самовольной застройки площадей залегания полезных ископаемых и соблюдение установленного порядка использования этих площадей в иных целях;

предотвращение накопления промышленных и бытовых отходов на площадях водосбора и в местах залегания подземных вод, используемых для питьевого или промышленного водоснабжения.

Понятие об ущербе, наносимом окружающей среде и ответственности занарушения законодательств

Понятие ущерба, наносимого окружающей среде включает в себя негативные изменения в состоянии окружающей природной среды, вызванные деятельностью человека в результате загрязнения природной среды, истощения природных ресурсов, повреждения, разрушения экологических систем природы, создающие реальную угрозу здоровью человека, растительному и животному миру, материальным ценностям.

Институт эколого-правовой ответственности состоит из двух частей. Первая объединяет правоотношения, возникающие по факту нарушения эколого- правовых норм (земляные, водные, лесные, по охране атмосферного воздуха, животного мира). Вторая - правоотношения по применению санкций за эти правонарушения (уголовным, административным, гражданско-правовым).

Экологический ущерб окружающей среды - фактические экологические, экономические и социальные потери, возникающие в результате правонарушения природоохранного законодательства, хозяйственной деятельности, стихийных экологических бедствий и катастроф. Ущерб проявляется в виде природных, трудовых, материальных и финансовых ресурсов в народном хозяйстве, а также ухудшений социально - гигиенических условий проживания для населения.

Под экологическим правонарушением понимается виновное, противоправное деяние, нарушающее природоохранительное законодательство и причиняющее вред окружающей природной среде и здоровью человека.

Должностные лица и граждане, совершившие экологическое правонарушение, несут дисциплинарную, материальную, гражданско-правовую, административную, уголовную ответственность.

Предприятия, организации и учреждения за совершенные экологические правонарушения несут административную и гражданско-правовую ответственность.

Должностные лица и другие работники предприятий, учреждений, организаций в соответствии с положениями, уставами, правилами внутреннего распорядка и другими нормативными актами несут дисциплинарную ответственность. Установлены следующие меры дисциплинарных взысканий за те или иные нарушения трудовой дисциплины: замечание, выговор, строгий выговор, увольнение. Законодательством о дисциплинарной ответственности могут быть установлены для отдельных категорий работников и другие дисциплинарные взыскания. Законом «Об охране окружающей природной среды» (п. 2 ст. 82) установлено, что руководители предприятий, учреждений, организаций и иные виновные работники могут быть полностью или частично лишены премий или иных средств поощрения за невыполнение планов и мероприятий по охране природы, нарушение нормативов качества окружающей природной среды или природоохранительного законодательства.

Кодекс РФ об административных правонарушениях (ст. 24) предусматривает за совершение административных правонарушений следующие виды административных взысканий:

предупреждение;

штраф;

возмездное изъятие предмета, явившего орудием совершения или непосредственным объектом административного правонарушения;

конфискация предмета, явившегося орудием совершения или непосредственным объектом административного правонарушения;

лишение специального права, предоставленного данному гражданину (права управления транспортным средством, права охоты);

исправительные работы;

административный арест.

При этом предусмотрено (ст. 25 Кодекса), что возмездное изъятие и конфискация предметов, имеющих важное значение в сфере охраны окружающей природной среды, особенно дикой фауны, могут применяться в качестве основных и дополнительных административных взысканий, тогда как другие административные взыскания могут применяться только в качестве основных.

В Законе «Об охране окружающей природной среды» предусмотрены следующие виды экологических правонарушений, влекущих административную ответственность:

-   несоблюдение стандартов, норм и иных нормативов качества окружающей природной среды;

-        невыполнение обязанностей по проведению государственной экологической экспертизы и требований, содержащихся в заключении экологической экспертизы, а также в предоставлении заведомо неправильных и необоснованных экспертных заключений;

         нарушение экологических требований при планировании, технико- экономическом обосновании, проектировании, размещении, строительстве, реконструкции, вводе в эксплуатацию, эксплуатации предприятий, сооружений, технологических линий и иных объектов;

         загрязнение окружающей природной среды и причинение вследствие этого вреда здоровью человека, растительному и животному миру, имуществу граждан и юридических лиц;

         порча, повреждение природных объектов, в том числе памятников природы, истощение и разрушение природно-заповедных комплексов и естественных экологических систем;

         нарушение установленного порядка или правил добывания, сбора, заготовки, продажи, скупки, приобретения, обмена, пересылки, ввоза и вывоза за границу объектов растительного и животного мира, их продуктов, а также ботанических, зоологических и минералогических коллекций;

         невыполнение обязательных мер по восстановлению нарушенной окружающей природной среды и воспроизводству природных ресурсов;

         нарушение экологических требований по обезвреживанию, переработке, утилизации, складированию или захоронению производственных и бытовых отходов;

         несоблюдение экологических требований при использовании в народном хозяйстве и захоронении радиоактивных материалов, химических и иных вредных веществ;

         превышение установленных уровней радиационного воздействия и др.

Административным правонарушениям в области охраны окружающей природной среды и ответственности за их совершение посвящена специальная глава (гл. 7) Кодекса об административных правонарушениях.

Специальные экологические составы сформулированы в отдельной главе «Экологические преступления» (гл. 26). Она помещается в разд. IX «Преступления против общественной безопасности и общественного порядка» и содержит следующие составы:

Статья 246. Нарушение правил охраны окружающей среды при производстве работ

Статья 247. Нарушение правил обращения экологически опасных веществ и отходов

Статья 248. Нарушение правил безопасности при обращении с микробиологическими либо другими биологическими агентами или токсинами

Статья 249. Нарушение ветеринарных правил и правил, установленных для борьбы с болезнями и вредителями растений

Статья 250. Загрязнение вод

Статья 251. Загрязнение атмосферы

Статья 252. Загрязнение морской среды

Статья 253. Нарушение законодательства Российской Федерации о континентальном шельфе и об исключительной экономической зоне Российской Федерации

Статья 254. Порча земли

Статья 255. Нарушение правил охраны и использования недр

Статья 256. Незаконная добыча (вылов) водных биологических ресурсов

Статья 257. Нарушение правил охраны водных биологических ресурсов

Статья 258. Незаконная охота

Статья 260. Незаконная рубка лесных насаждений

Статья 261. Уничтожение или повреждение лесных насаждений

Статья 262. Нарушение режима особо охраняемых природных территорий и природных объектов.

2.2 Охрана окружающей среды в производстве строительных материалов, изделий и конструкций

Схема воздействия промышленности строительных материалов (ПМС) на окружающую среду


В условиях интенсивного развития промышленности, строительства крупных и малых городов встает вопрос предотвращения отрицательного влияния человеческой деятельности на окружающую среду.

Большая роль в решении этой проблемы отводится строительной отрасли, в частности, промышленности строительных материалов. Воздействие промышленности строительных материалов на ОС разнообразно и происходит на всех этапах, начиная от добычи сырья и кончая эксплуатацией зданий и сооружений, т.е. на всем жизненном цикле. Многие предприятия строительной индустрии являются источниками загрязнения окружающей среды (воздушного и водного бассейнов, поверхности Земли) цементной асбестовой, керамзитовой и другими видами пыли; дымовыми газами тепловых установок; сточными водами, различными маслами и эмульсиями; горюче-смазочными материалами; отходами и бракованными изделиями.

Добыча сырья и переработка в строительные материалы и изделия должны проводиться по ресурсосберегающим технологиям, которые не должны оказывать отрицательного воздействия на ОС. Поэтому большое место в строительной отрасли уделяется созданию мало- и безотходной технологий, позволяющих решать не только проблему защиты ОС от техногенного загрязнения, но и проблему рационального использования Пр.

Безотходная технология - это главный способ производства продукции, при котором более рационально и комплексно используются сырье и энергия в цикле сырьевые ресурсы - производство, потребление - вторичные сырьевые ресурсы, таким образом, что любые воздействия на ОС не нарушают ее нормального функционирования.

Одной из форм безотходной технологии являются переработка и утилизация отходов различных отраслей промышленности, в т.ч. и собственных.

Утилизация отходов - это социально-экономическая проблема. Вывоз и отвал промышленных отходов означают потерю части общественного труда и средств, затраченных на производство, а также на защиту ОС от загрязнений.

Промышленные отходы загрязняют водный бассейн и почву. В то же время многие виды отходов представляют собой ценное сырье для производства строительных материалов.

Таким образом, основные направления ООС в промышленности строительных материалов следующие:

использование вторичных минеральных ресурсов многих отраслей промышленности (крупнотоннажных отходов энергетики, металлургии, химии и др.), а также собственных;

рациональное использование топливно

энергетических ресурсов с выбором наиболее эффективных и менее загрязняющих ОС;

переход предприятий на мало- и безотходное производство;

рациональное водопотребление с разработкой и внедрением технологий, предусматривающих минимальный расход воды, замкнутый цикл водоснабжения, эффективную систему очистки сточных вод.

Инженерное обеспечение экологической безопасности в строительнойиндустрии

Обеспечение экологической безопасности в строительной индустрии осуществляется с помощью природоохранных мероприятий и рационального использования ресурсов, потребляемых на изготовление строительных материалов.

Для получения объективной информации о состоянии и об уровне загрязнения различных объектов ОС (воздушной, водной сред и почв), необходимо использовать надежные методы анализа. Эффективность любого метода оценивается совокупностью показателей: селективностью и точностью определения, воспроизводимостью полученных материалов, пределами обнаружения элемента и скоростью анализа.

Содержание загрязняющих веществ в объектах ОС определяются различными методами: фотометрический, фотокалометрический, спектрофотометрический, хроматографический и др.

Одним из важнейших мероприятий, обеспечивающих эффективный контроль состояния ОС является инвентаризация всех выбросов и сбросов, загрязняющих атмосферу, воду и почву.

Контроль за состоянием ОС ведут с помощью анализа воздуха, воды и почвы. Кроме этого, с целью оздоровления ОС и предотвращения ее загрязнения разрабатываются мероприятия, направленные на производство экологически чистых строительных материалов, изделий и конструкций по прогрессивным экологически чистым технологиям.

Одним из направлений стабилизации и последующего улучшения состояния ОС является создание системы экологической паспортизации предприятий строительной индустрии. Методической основой проведения паспортизации является ГОСТ 17.00.04-90 «Паспорт промышленного предприятия. Основные положения». На это направлен и ФЗРФ «О техническом регулировании» [3].

Правовое, эколого-экономическое обеспечение охраны окружающей среды в производстве строительных материалов и изделий

За последнее время Правительство РФ приняло ряд постановлений , которыми урегулирован комплекс вопросов природоохранной деятельности с учетом складывающейся эколого-экономической ситуации в стране «Об утверждении с 1991г. и 1993 г. нормативов платы за выбросы загрязнений в ПрС и порядке их применения», и о «Федеральной программе развития минерально-сырьевой базы РФ на 1994-2000г.г. и др.

Были введены платежи за выбросы, сбросы, размещения отходов с использованием при этом нормативов, стандартов, правил и требований, являющихся важнейшим звеном механизма обеспечения действенности законодательства РФ в области ООПрС и РИПрП, в том числе и относящихся к ПСМ.

Основные нормативно-технические документы по правовым вопросам ООС перечислены в пункте 2.1(подраздел Отражение проблемы в законах, постановлениях; международные аспекты охраны окружающей природной среды) рассматриваемого раздела. Все перечисленные в них требования по ООС полностью распространяются на промышленность строительных материалов, изделий и конструкций.

2.3 Воздействие проектируемого предприятия на окружающую среду и разработка мероприятий, уменьшающих эти воздействия

Позиция инженера в области охраны ОС должна базироваться на положении, что лучшая экологическая политика состоит в том, чтобы предотвратить всякого рода загрязнения и любые неприятные явления, а не в попытках преодолеть последствия загрязнения.

Поэтому при разработке всех разделов дипломного проекта «Завода дорожных плит с использованием композиционной арматуры производительностью67000 м3 в год в поселке ВолжскийСамарской области»руководствовались общими положениями, изложенными в п. 2.1.-2.2.

Согласно статье 40п.1 «Закона об ООПрС», при размещении технико-экономическом обосновании проекта, проектировании строительстве, реконструкции, вводе в эксплуатацию предприятий, сооружений в промышленности и т.д., оказывающих прямое или косвенное влияние на состояние ОС, выполняются требования по экологической безопасности и охране здоровья населения, рациональному использованию и воспроизводству природных ресурсов, оздоровлению ОС.

В ст.41 этого закона говориться о необходимости «...учёта ближайших и отдалённых экологических, экономических, демографических, нравственных последствий деятельности предприятий, сооружений и иных объектов при приоритете охраны здоровья человека и благосостояния населения».

В ст.42, п.1, прямо указывается на то «что при технико-экономическом обосновании объектов учитываются современный уровень научно-технического прогресса и предельно допустимые нагрузки на ОС и предусматриваются надёжные и эффективные меры предупреждения, устранения, загрязнения ОС вредными отходами, их утилизация, внедрение ресурсосберегающих малоотходных и безотходных технологий и производств».

В ст.91п.41, Закона отмечается, что «...недопустимы любые виды хозяйственной или иной деятельности, экологические последствия которой непредсказуемы».

Проектируемое предприятие, так же как и все предприятия строительной индустрии, загрязняет атмосферный воздух, подземные и поверхностные воды, почвы, а так же потребляет большое количество природных ресурсов.

Источники и виды загрязнений проектируемого предприятия приведены на рисунке.

Изложенные выше в основных статьях закона требования, а так же сведения о воздействии проектируемого предприятия на ОС указывают на необходимость разработки комплекса мероприятий по предотвращению экологически вредного воздействия на ОС.

Разрабатываемые в дипломном проекте мероприятия условно можно подразделить на технологические и архитектурно-строительные.

Технологические включают мероприятия, связанные с производственной деятельностью проектируемого предприятия (загрязнение атмосферного воздуха, воды, почвы; сохранение растительного и животного мира; безопасность работающих и населения и т.п.).

Архитектурно-строительные включают разработку мероприятий, касающихся непосредственно экологической чистоты самого здания и сооружений, их размещение формы и планировки, т.е. объёмно-планировочных решений.В разделе «Архитектурно-строительная часть» при разработке генплана учтена «роза ветров», т. е. преобладающего ветра в этом районе. В связи с этим запроектировано не только местоположение самого завода относительно жилой зоны, но и расположение зданий и сооружений, а также автомобильных дорог внутри самого завода. Комплекс мероприятий по охране ОС разработан с учетом СН 245-81. В соответствии с этими требованиями санитарно-защитная зона в зависимости от класса предприятий (для проектируемого предприятия - 3 класс) равна 300 м.

Особого внимания заслуживает выбор мероприятий, связанных с рекультивацией земель, озеленением территории, освещённостью и т.п.

Тщательного решения требуют мероприятия, связанные с устройством дорог и организацией внутризаводского транспорта.

При проектировании промышленного узла во внимании были приняты природные особенности района строительства: температура воздуха, преобладающее направление ветра, снегозаносимость, наличие рек и водоёмов, ценных сельскохозяйственных угодий и другие условия. Транспортная сеть завода запроектирована с учётом минимального загрязнения атмосферного воздуха выхлопными газами автотранспорта и дорожной пылью. В качестве внутризаводского транспорта для уменьшения загазованности используют электрокары. Для снижения запылённости дорог используем поливочные машины. Предусмотрены отводы для дождевой воды. Свободные застройки участки территории озеленены. Используя местное сырьё, мы значительно снижаем энергетические затраты.

Применение конвейерной технологии (изготовляем изделия на конвейере), мы экономим материальные, водные, энергетические и трудовые ресурсы. При тепловлажностной обработке изделий для прогрева камеры оборотное водоснабжение. Для нагрева воды используют котельную установку, работающую на природном газе, что с точки зрения ООС, является практически экологически чистым. Так как при сгорании природного газа выделяется небольшое количество оксида азота 0,7гр/м3, и не выделяется летучая зола, не оксид серы.

Данная технология является малоотходной. Формование изделий производят на виброплощадке, что позволяет свести до минимума отходы материала. Воздействие опасностей и вредностей основных технологических процессов на человека снижены за счёт применения автоматического управления технологическими переделами. Для смазки форм применяют отработанные, не токсичные масла.

Противопожарные мероприятия, освещение, вентиляция, защитные заземления и зануления и другие мероприятия описаны в разделе 8 «Охрана труда».

Мероприятия, обеспечивающие охрану окружающей среды приведены в таблице 2.1.

Табл. 2.1.

Источники и виды загрязнения проектируемого предприятия, а также мероприятия, снижающие эти воздействия.

№ п/п

Место источника загрязнения

Источник загрязнения

Вид загрязнения

Мероприятия, снижающее загрязнения ОС

1

Склад цемента

Бункер выгрузки цемента, транспортировка

Пыль, шум

Предусматривается система аспирации: 1 ступень - циклоны 2 ступень - рукавные фильтры. Герметизация, шумоизолирующий кожух.

2

Склад заполнителей

Бункер выгрузки, транспортировка

Пыль, шум

Местная вытяжка, шумоизолирующий кожух, средства индивидуальной защиты

3

Склад арматуры

Бункер выгрузки, транспортировка

Шум, пыль

Устройство шумоизолирующего кожуха, установка приточной вентиляции

4

БСУ

Смеситель принудительного действия

Шум, вибрация, пыль

Шумоизолирующий кожух, установка на виброгосящийфундамент, местная вытяжка, циклон, рукавный фильтр, индивидуальные средства защиты

5

Формовочный цех

Бетоноукладчик, виброплощадка, раздаточный бункер, камера ТВО, арматурный цех

Шум, вибрация, тепло, сточные воды, газы, пыль, сварка

Шумоизолирующий кожух, виброгосящее основание, средства индивидуальной защиты, теплоизоляция поверхности камеры ТВО, установка приточной вентиляции

6

Склад готовой продукции

Готовая продукция

Пыль

Естественная вентиляция

7

Склад добавок и смазки для форм

Добавки, смазочные материалы для оборудования

Масла

Закрытое помещение, озеленение, герметизация, очистные сооружения

8

Котельная

Котлы

Шум, вибрация

Устройство шумоизолирующего кожуха, установка на виброгасящий фундамент

9

Склад ГСМ

ГСМ

Масла

Предусмотреть расположение, систему пожаротушения и очистные сооружения

10

Трансформаторная подстанция

Шум

Шум

Шумоизолирующий кожух, предусмотреть расположение

11

Компрессорная

Компрессор

Шум, вибрация

Установка шумоизолирующего кожуха, установка на виброгасящий фундамент

12

Гараж

Техника

Шум, газы

Установка шумоизолирующего кожуха, установка приточной вентиляции


2.4 Экономическая оценка природоохранных мероприятий реконструируемого предприятия

На проектируемом предприятии по производству дорожных плит производительностью 67000 м3/год разработан ряд природоохранных мероприятий, к числу которых относятся пылеосадительные системы. Необходимость использования пылеосадительных систем вызвана загрязнением воздуха цементной пылью на БСУ.

Пылеосадительная система (ПОС) основана на очистке загрязненного воздуха от пылевидных материалов. На проектируемом предприятии для этого используются системы циклонов. На предприятии очистка и контроль воздуха, выбрасываемого в атмосферу, осуществляется по экологическому паспорту.

Экономический результат природоохранных мероприятий (Р) выражается величиной предотвращаемого благодаря этим мероприятиям годового экономического ущерба от загрязнения окружающей среды.

Оценим экономический эффект от внедрения системы ПОС.

Потери цемента при установке в БСУ в над бункерном отделении системы очистки, состоящей из циклона:

П1у K1

ПУ - Потребность предприятия в цементе в год.

ПУ= 15 043,2 т/год1 - Коэффициент потери цемента (14%) 0,14

П1 = 15 043,2 * 0,14 = 2106 т/год.

Стоимость потерь цемента С1 руб/год.

1 = П1ц

П1- потери цемента в год.

Сц- стоимость одной тонны цемента руб/год.1 = 3550 * 2106 = 7 476 470,4 р/год.

При концентрации пыли в воздухе превышающих ПДК налагается штраф.

Ущерб наносимый предприятию У руб/год.

У=С1

1 - стоимость потерь цемента Ш - штраф, наложенный на предприятие 500 000 руб.

У = 7 476 470,4 + 500000 = 7 976 470,4 руб/год

Для снижения потерь цемента целесообразно вместе с циклоном установить в БСУ систему рукавных фильтров.

Потери цемента при установке рукавных фильтров. П2 т/год.

П2у2

Пу - потребность предприятия в цементе в год.

К2 - коэффициент потери цемента (3%) 0,03

П2 = 15 043,2* 0,03 = 451,3 т/год.

Стоимость потерь цемента С2 руб/год.

С2 = П2 *Сцц= 451,3* 3550 = 1 602 100,8 руб/год.

Экономия цемента при установке фильтра

Э = П1 - П2 = 2106-451,3 = 1654,7 т/год.

Стоимость рукавных фильтров - 1590000 руб.

Срок службы рукавных фильтров - 10 лет.

Ежегодный расход 1590000/10 = 159000 руб/год.

Экономическая эффективность применения рукавных фильтров в БСУ Э.Э. руб/год.

Э.Э. = У - СР.Ф.;

СР.Ф. - стоимость установки системы рукавных фильтров;

СР.Ф. = 159 000 +1 590 000=1 749 000

Э.Э. = 7 976 470,4 - 159 000 = 6 227 470,4 руб./год.

Раздел 3. Технологическое проектирование основного производства

3.1 Номенклатура продукции предприятия

Железобетонные плиты, изготавливаемые из тяжелого бетона, предназначены для устройства покрытий постоянных и временных городских дорог под автомобильную нагрузку Н-30 и Н-10.

Плиты применяют для дорог в районах с расчетной температурой наружного воздуха (средней наиболее холодной пятидневки района строительства по СНиП 2.01.01 -82) до минус 40°С включительно.

Плиты должны удовлетворять всем требованиям ГОСТ 21924.0-84 и ГОСТ 21924.2-84.

Форма и размеры арматурных и монтажно-стыковых элементов - по ГОСТ 21924.3-84.

Бетон и материалы, применяемые для сборных железобетонных плит покрытия дорог должен отвечать требованиям ГОСТ 26633-91* «Бетоны тяжёлые и мелкозернистые. Технические условия». Дорожные плиты должны отвечать требованиям ГОСТ 13015.0-83. Нормируемая отпускная прочность бетона плит должна составлять (в процентах от класса бетона по прочности на сжатие и марки бетона по прочности на растяжение при изгибе):

- при поставке плит в период с расчетной температурой наружного воздуха наиболее холодной пятидневки в районе строительства выше минус 5°С;

- то же, минус 5°С и ниже.

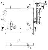
На проектируемом предприятии выпускаются дорожные плиты. Характеристика выпускаемой продукции приводится в таблице 3.1.

Таблица. 3.1.

Номенклатура выпускаемой продукции

Наименование и эскизы изделий

Марка (типоразмер)

Размеры, мм

Масса изделия, т

Вид и класс бетона

Расход на 1 изделие

Программа выпуска изделий






Бетона, м³

Арматуры, кг

Добавки, кг

в год

в сутки



Длина

Ширина

Высота


















шт.

м³

шт.

м³

1

2

3

4

5

6

7

8

9

10





1П-35-28

3500

2750

170

4,8

Бетон дор.,В30

1,63

35

1,1

18 405

30 000

74

121,5


2П-35-28

3500

2750

170

4,08

Бетон дор.,В22,5

1,63

35

1,1

6 135

10 000

25

40,5


1П-30-18

3000

1750

170

2,20

Бетон дор.,В30

0,88



6 818

6 000

27

24,3


2П-30-18

3000

1750

170

2,20

Бетон дор.,В22,5

0,88



4 545

4 000

18

16,2


1П18-18

1750

1750

160

1,20

Бетон дор.,В30

0,48



10 416

5 000

42

20,2


2П18-18

1750

1750

160

1,20

Бетон дор., В22,5

0,48



8 333

4 000

34

16,2


1П18-15

1750

1500

160

1,03

Бетон дор., В30

0,41



12 195

5 000

49

20,2


2П18-15

1750

1500

160

1,03

Бетон дор., В22,5

0,41



7 317

3 000

29

12,1


3.2 Режим работы предприятия

Режим работы предприятия определяется числом рабочих дней в году, количеством рабочих смен в сутки и числом часов работы в смену:

-число рабочих суток на выгрузку сырья и материалов

с железнодорожного транспорта, сут................................. 365

-номинальное количество рабочих суток в году................ 260

-число рабочих смен (кроме тепловой обработки)............ 2

-то же для тепловой обработки............................................ 3

-то же для приемки сырья и материалов и отгрузки на

железнодорожном транспорте............................................. 3

-автотранспортом.................................................................. 2

продолжительность рабочей смены, ч................................. 8

Годовой фонд времени работы технологического оборудования (Тн), сут, при пятидневной рабочей недели вычисляю с учетом плановых остановок технологического оборудования и коэффициента его использования (Ки), равного 0,92 по формуле:

ТНИ×Т, где

Т - расчетное количество рабочих суток в году. Для конвейерной технологии по табл. прил. З [2] принимаю длительность плановых остановок 13 дней и расчетное количество рабочих суток в году - 247 суток.

Таблица 3.2.

Годовой фонд времени

Кол-во рабочих суток в году

Количество смен в сутки

Количество часов в смену

Коэффициент использования оборудования

Годовой фонд рабочего времени, ч.

247

2

8

0,92

3635,8


Таблица 3.3.

Режим работы предприятия

№ п.п.

Наименование цехов

Кол-во рабочих дней в году

Кол-во смен в сутки

Продолж. раб. смены, час

Номин. фонд раб. времени, час

Коэф. исп. оборудования.

Годовой фонд рабочего времени

1

Формовочный цех

247

2

8

3952

0,92

3636

Камера ТВО

247

3

8

5928

0,92

5454

3

Бетоносмесительный цех

247

2

8

3952

0,92

3636

4

Склад сырья

365

3

8

8760

0,92

8059

5

Склад готовой продукции

247

2

8

3952

0,92

3636

6

Склад арматуры

247

2

8

3952

0,92

3636

7

Арматурный цех

247

2

8

3952

0,92

3636


Производственная программа рассчитывается по формулам:

ПР=П/(1-Б/100)

ПР - производительность рассматриваемого передела в принятых единицах измерения

П - производительность передела, следующего по технологическому потоку за расчетным

Б - производственные потери, %.

Расчеты по данному разделу сводятся в табл. 3.4.

Таблица 3.4.

Производственная программа завода

№ п.п.

Наименование технологического передела

Ед. изм

Произ-водственные потери в %

Производительность





в год

в сутки

в смену

в час

1

Складирование

м3

0

67000.0

271.3

135.6

17.0

2

Выдержка

м3

0

67000.0

271.3

90.4

11.3

3

Распалубка

м3

1

67670.0

273.9

91.3

11.4

4

ТВО

м3

0,5

68008.4

275.3

91.8

11.5

5

Формование

м3

0,5

68348.4

276.7

138.4

17.3

6

Приготовление бетонной смеси

м3

0,5

68690.1

278.1

139.0

17.4

год=67000 м3/год;сут=67000:247=271.3 м3/сутки;смен=271.3:2=135.6 м3/смену;час=135.6:8=17.0 м3/час.

3.3 Данные о сырье, исходных материалах

Характеристика исходного сырья

Бетон и материалы, применяемые для его приготовления, должны отвечать требованиям ГОСТ 26633-91* «Бетоны тяжёлые и мелкозернистые. Технические условия». Класс бетона В30. Бетон тяжелый плотностью 2450 кг/м3 в соответствии с требованиями ГОСТ 21924.2-84.

Марки бетона по морозостойкости и водонепроницаемости принимаются для плит, предназначенных для постоянных дорог в районах со среднемесячной температурой наиболее холодного месяца (согласно СНиП 2.01.01-82), ниже минус 5 до минус 15°С - марка по морозостойкости F150, по водонепроницаемости марка W4.

Марки по прочности при изгибе Р40, по прочности на сжатие М400. Коэффициент вариации бетона по прочности высшей категории качества должен быть не более 9%. Бетонная смесь для дорожных плит должна иметь следующие характеристики: водоцементное отношение В/Ц < 0,4, водопоглощение по массе не более 5 %, жесткость 20 с, количество вовлечённого воздуха не более 4..5%.

Цемент

При изготовлении изделий, в качестве вяжущего для приготовления бетонных смесей применяют цемент марки ЦЕМ I32,5 Н ДО ГОСТ 31108-2003 с содержанием трехкальциевого силиката (CзS) - 55-60% и трехкальциевого алюмината (СзА)-до 7%. Нормальная густота ПЦ - 22-27%. Сроки схватывания цемента: начало не ранее 55 мин, конец - не позднее 3,5 ч. с момента затворения водой. Удельная поверхность цемента 3500 м2/кг. Тонкость помола: через сито №008 проходит не менее 91% общей массы цемента. Предел прочности при сжатии в 28 суток не менее 52 МПа.

Начало схватывания цемента должно наступать не ранее 45 минут, а конец схватывания не позднее 12 часов от начала затворения цемента водой. Тонкость помола должна быть такой, чтобы сквозь сито с сеткой № 008 по ГОСТ 6613-86 проходило не менее 85% от массы пробы. Удельная поверхность цемента должна быть 2800... 3200 см2/гр.

Химический анализ клинкера проводят по методике, регламентированной ГОСТ 5382-91.

Цемент должен также удовлетворять требованиям ГОСТ 30515-97. Цемент поступает по железной дороге.

Мелкий заполнитель

Мелким заполнителем для бетона является естественный кварцевый песок или полевошпатовый, а так же искусственный из твёрдых дробленных каменных пород соответствующий требованиям ГОСТ 8736-93. Песок имеет объёмную массу 1,56 г/см3. По гранулометрическому составу и количеству примесей должен отвечать требованиям ГОСТ 26633-91. Зерновой состав песка должен соответствовать следующим требованиям: полный остаток на контрольных ситах в % по массе:

5,0-0%;

2,5-20%;

1,25-15...45%;

0,63-35...70%;

0,315-70...90%;

0,14-80... 100%.

Проход через сито № 014 - 10...0%. Модуль крупности 2,2.

Истинная плотность 2650 кг/м3

Наличие в песке зёрен гравия или щебня размеров более 10 мм не допускается, а зерен размером от 5 мм до 10 мм должно быть не менее 5% по массе. Количество примесей ограничено по ГОСТ 8267-93. Содержание в песке зёрен, проходящих через сито с сеткой № 014 не должно превышать 10% по массе. При этом количество пылевидных частиц, илистых и глинистых частиц, определяемых отмучиванием, не должно превышать 5% по массе. В песке на должно быть комков глины, суглинка и посторонних включений ГОСТ 26633-91, ГОСТ 8735-88.

Крупный заполнитель

В качестве крупного заполнителя используют щебень. Величина зерен крупного заполнителя, не более 20 мм. Должен удовлетворять требованиям ГОСТ 8267-93, ГОСТ 8269.1-97, ГОСТ 8269.0-97, ГОСТ 26633-91.

Плотность щебня - 1480 кг/м3 , истинная плотность- 2610 кг/м3 . Щебень поступает по железной дороге с дробильно-сортировочного завода.

Вода

Вода для затворения применяется в соответствии с ГОСТ 23732, которая имеет показатель рН не менее 4 (т. е. некислую, не окрашивающую лакмусовую бумажку в красный цвет). Вода не должна содержать сульфатов более 2700 мг/л и всех солей не более 5000 мг/л. Воду перед использованием проверяют в лаборатории.

Добавка

Для повышения подвижности и текучести бетона, а также для уменьшения расхода цемента применяется химическая добавка - суперпластификатор С-3 на основе нафталинсульфокислоты в соответствии с ТУ 5870-004-46849456-04.

Арматура и закладные детали

Для арматурных сеток применяется современная композиционная полимерная арматура периодического профиля АКП по ГОСТ 31938-2012 «Арматура композитная полимерная для армирования бетонных конструкций. Общие технические условия».АКП должна изготовляться по технологической документации, утвержденной в установленном порядке.

АКП должна изготовляться из термореактивной смолы и содержать обязательный непрерывный армирующий наполнитель в количестве не менее 75% по массе.

При применении АКП должны соблюдаться требования ГОСТ 17.2.3.02 по охране окружающей среды.

Для петлей гладкая арматура класса А240 (ГОСТ 5781).

Смазка для форм

Смазку на поверхность форм наносят различными распылителями, а в тех местах, где неудобно их использовать, применяют различные механизмы. В качестве смазки для форм используется смазка на основе пасты ОПЛ которая соответствует ТУ 18-16-204-78. В качестве смазки можно применять водоэмульсионную смазку ОЭ-2, которая состоит из эмульсии марки ЭКС кислой, синтетической. Они наиболее стойки и экономичны. Смазку готовят в соответствие с ГОСТ 6243-75.

3.4 Расчет состава сырья на 1 м3 бетонной смеси

Исходные данные для расчета состава бетона:

Бетон дорожный.

Класс бетона ВЗО (М400).

Активность цемента- 400

Содержания С3А - не более 5%

Истинная плотность цемента - 3,1 г/см3

Насыпная плотность цемента -1,1 г/см3

Крупный заполнитель - щебень гранитный

Истинная плотность щебня - 2,61 г/см3

Насыпная плотность щебня - 1,48 г/см3

Наибольшая крупность - 20 мм

Мелкий заполнитель - кварцевый песок.

Вид песка - средний

Истинная плотность песка - 2,65 г/см3

Насыпная плотность песка -1,56 г/см3

Качество заполнителей - высококачественный.

Химическая добавка - «Суперпласт С-3»

Содержание добавки в процентах от массы цемента - 0.5%

Плотность 50-% раствора добавки- 1,17 г/см3

Жесткость бетонной смеси - Ж20.

Полученный состав бетона:

Расход воды - 125 л

Расход воды с учетом влажности заполнителя - 46 л

Расход цемента - 219 кг

Расход добавки - 1,1 кг (3,2 л)

Расход песка - 786 кг

Расход песка с учетом влажности - 825 кг

Расход щебня - 1325 кг

Расход щебня с учетом влажности - 1365 кг

В/Ц - 0,57

Ср. плотность бетонной смеси 2534 кг/м³

Таблица 3.5.

Расходы сырьевых материалов

Наименование

Размер

Расход материалов



на 1 м3

в час

в смену

в сутки

в год

Цемент

т

0.219

3,8

30,5

60,9

15043,2

Вода

л

0.046

0,8

6,4

12,8

3159,8

Песок

т

0.825

14,3

114,7

229,4

56669,4

Щебень

т

1.365

23,7

189,8

379,6

93762

Добавка Суперпласт С-3 (50% раствор)

л

3.2

55,6

445

889,9

219808,4


Цемент:68690,1·0,219=15043,2 т. в год

Песок: 68690,1·0,825=56669,4 т. в год

Вода: 68690,1·0,046=3159,8 литра в год

Щебень: 68690,1·1,365=93762 т. в год

Добавка: 68690,1·3.2=219808,4 литра в год

3.5 Обоснование выбора способа производства

В настоящее время для изготовления железобетонных дорожных плит применяется следующие технологические схемы производства: стендовая, поточно-агрегатная и конвейерная.

При стендовом способе производства изделия, находясь в стационарных формах, в течение всего производственного цикла остаются на месте, а технологическое оборудование для выполнения отдельных операций по укладке арматуры, бетонной смеси и уплотнения перемещается последовательно от одной формы к другой.

Высокий экономический эффект стендовый способ дает при изготовлении длинномерных железобетонных изделий значительных размеров. По стендовой технологии изготовляют также объемные элементы зданий и санитарные узлы полной заводской готовности.

Особое значение стендовый способ производства приобрел при массовом изготовлении изделия в кассетах. При этом способе производства изделия получают в вертикальных формах-кассетах, представляющих ряд отсеков, образованных стальными, прочно укрепленными стенками и перегородками. На кассетной установке осуществляется полностью весь цикл производства тонкостенных изделий, т. е. укладка арматуры, укладка и уплотнение бетонной смеси и твердение.

Отличительной особенностью стендовой технологической схемы является относительно небольшие капитальные затраты и возможность быстрой организации производства сборных железобетонных панелей. Главным недостатками указанной технологии является то, что при ее применении требуются большие производственные площади и относительно высокие трудовые затраты для изготовления конструкций. В связи с этим стендовый способ производства в настоящее время применяется в основном для изготовления крупногабаритных и сложных по форме изделий.

Поточно-агрегатный способ производства состоит в том, что все выполняемые операции по изготовлению изделия: очистка и смазка форм, укладка арматуры и бетонной смеси, твердение и распалубка, выполняются на специальных постах, образующих поточную технологическую линию. При этом форма с изделием последовательно перемещается (с помощью крана) от поста к посту с различными интервалами времени, в зависимости от продолжительности той или иной операции на данном посту.

Основное преимущество поточно-агрегатного способа производства- в универсальности основного технологического оборудования, что позволяет при незначительной затрате средств и времени, связанных с изготовлением лишь новых форм, переходить на выпуск нового вида изделий. Этот способ производства железобетона получил в нашей стране наибольшее распространение и весьма экономически целесообразен для заводов с широкой номенклатурой изделий.

Конвейерный способ производства характеризуется расчленением производственного процесса по отдельным технологическим операциям, выполняемых последовательно на отдельных постах, расположенных последовательно вдоль конвейера, принудительно перемещаемых от поста к посту.

Таким образом изготовляемые изделия движутся с заданным ритмом от одного поста конвейера к другому, а обрабатывающие машины остаются на своих постах.

Гидротермальная обработка бетона осуществляется в тоннельных камерах непрерывного действия. Ритм работы конвейера строго связан с циклом термо-влажностной обработкой.

В сравнении с поточно-агрегатной конвейерный способ производства является более экономичным по величине трудовых затрат благодаря высокой степени механизации и автоматизации всех технологических процессов.

Сооружение заводов по конвейерной схеме производства требует больших капиталовложений и связано с более длительными сроками строительства, чем при сооружении заводов с поточно-агрегатной схемой производства. При конвейерной схеме себестоимость продукции ниже а, следовательно, срок окупаемости завода будет меньше.

Конвейерный способ производства экономически целесообразен при выпуске однотипных изделий на заводах большой мощности.

Основываясь на преимуществах и недостатках вышеперечисленных способов производства выбираю наиболее оптимальный способ производства дорожных плит - конвейерный способ.

3.6 Описание технологической схемы

Общая технологическая схема завода

Складирование заполнителей осуществляется в закрытом эстакаднотраншейном штабельном складе. Цемент хранится в силосных банках. Разгрузка и транспортирование цемента на складе осуществляется пневмотранспортом. Арматура поступает на завод автотранспортом. Арматуру складируют на полузакрытом (под навесом) складе арматуры.

Заполнители для приготовления бетонной смеси поступают в БСУ со штабельно-траншейного закрытого склада заполнителей по системе ленточных конвейеров, расположенных в закрытой наклонной галереи. Цемент поступает пневмотранспортом. Вода подается по системе городского водопровода. Очистка воздуха от пыли осуществляется циклонами, рукавными и электрофильтрами. Химическая добавка -поступает в БСУ в бочках.

Арматура для железобетонных изделий поступает в арматурный и формовочный цех на специальных тележках по внутризаводскому узкоколейному железнодорожному пути.

Композитная арматура, поступающая в прутках режется на мерные длины на отрезном станке СМЖ-175А. Сетки вяжутся работниками цеха вручную при помощи крюков для вязки арматуры на рабочих столах длиной 8м. Для приема готовых сеток установлено 2 стола длиной по 2 м.

Бетонная смесь подается в формовочный цех специальным раздаточным бункером. Пар подается в щелевую камеру из котельной по системе паропроводов. Смазка для смазки форм подается с узла для приготовления эмульсионной смазки расположенном в формовочном цехе.

Изготовление изделий на конвейере ведется в формах вагонетках, которые, передвигаются по ходу производства по рельсовому пути. Каждая вагонетка имеет гладкую поверхность, которая используется, как днище формы для установки бортовой оснастки.

Формовочная линия конвейера делится на отдельные операционные посты, оснащенные специализированным стационарным оборудованием. Характер движения конвейера пульсирующий. Ритм конвейера - 20 мин. Во время остановки на всех операционных постах выполняются соответствующие операции (распалубка, очистка и смазка форм, укладка арматуры, укладка бетонной смеси, выдержка, тепловая обработка и т.д.) после чего конвейер передвигается на длину одной формы, затем снова остановка, снова движение и т.д. По окончанию формования на конвейере формы-вагонетки проезжают в камеру пропаривания, расположенную параллельно конвейеру.

На конвейере прогрева изделия в формах передвигаются с очень малой скоростью, проходя весь путь за 14 ч, а за этот период набирают необходимую прочность. По окончании пропаривания изделие выходит с противоположной стороны камеры, затем происходит распалубка и форма-вагонетка опять подается на конвейер.

На склад готовой продукции изделия поступают на самоходной тележке. Изделия хранят на складе, оборудованном мостовыми кранами и имеющим подъездные пути. Плиты хранятся в рабочем положении. Между плитами должны быть уложены деревянные прокладки прямоугольного сечения толщиной не менее 30 мм. Прокладки под нижний ряд плит следует укладывать по плотному, тщательно выровненному основанию. Прокладки всех вышележащих плит должны быть расположены по вертикали одна под другой вблизи монтажных петель.

Дорожные плиты укладываются в штабеля высотой до 2,5 м с прокладками. При хранении плиты должны быть рассортированы по маркам. На боковой грани каждой плиты должно быть нанесено несмываемой краской: краткое наименование предприятия-изготовителя, марка панели, дата изготовления, штамп ОТК, масса изделия.

3.7 Расчет и подбор технологического оборудования

Расчет конвейерной линии

Производительность конвейерной линии шагового действия рассчитывается по формуле:

П = 60·Н·С·V/ТР, где

Н - количество рабочих часов в сутки, ч

С - количество рабочих дней в году, сут.

V - средневзвешенный объем одного формуемого изделия, м3

Тр - цикл (ритм) работы конвейера, определяется по длительности операции на посту укладки и уплотнения бетонной смеси.

П = 60·16·247·1,63/20=19325,3 м3/год.

Требуемое количество конвейерных линий определяется по формуле:

Г/П=67000/19325,3 =3.47

Принимаю 4 конвейерных линии.

Количество форм на линии определяется по формуле:

Ф =1,05(60* Т0/ Тр +1 + Кп +1), где

Т0-время тепловой обработки, ч.

Кп - количество постов на конвейере.

Ф=1,05(60·9,5/20+1+9+1)=20 шт

Общее количество форм 4·20 = 80 шт.

Принимаю 80 форм-вагонеток.

Технологический расчет щелевой пропарочной камеры

Количество щелевых камер рассчитывается по формуле:

М=60·Ткфисп·Кф·Чя·Тр, где

Ткф - время пребывания форм в камере, ч.

Кисп - коэффициент использования объема камер

Кф - количество форм-вагонеток в камере.

Чя - число ярусов в камере.

М = 60·9.5/0,9·10·1·20 = 3,2;

принимаю 4 камеры на 4 технологические линии.

Длину щелевой камеры определяют по формуле:

Дк= Дф·Кф + Рфф-1) + 2Рк = 4·10 + 0,4(10-1) + 2·0,45 = 44,5 м

Дф - длина формы-вагонетки, м

Кф - число форм, находящихся в камере

Рф - расстояние между формами-вагонетками.

Рк - расстояние между торцом камеры и бортом крайней формы, м.

Ширина щелевой камеры:

Шк= Шф + 2Рс + 2Вс = 3,5 + 2·0,2 + 2·0,3 = 4,5 м, где

Шф - ширина формы-вагонетки, м

Рс - расстояние между формой-вагонеткой и внутренней стеной камеры, м

Вс - толщина наружной стенки камеры, м

Раздаточный бункер СМЖ-2В

Самоходный раздаточный бункер СМЖ-2В предназначен для подачи бетона из бетоносмесительного узла в формовочный цех.

Техническая характеристика. Вместимость-2,4 м3

Скорость передвижения - 40 м/мин

Ширина колеи-1720 мм.

Размеры выходного отверстия - 750x900 мм Установленная мощность электродвигателя - 7,6 кВт Габаритные размеры - 1965x1900x1500 мм.

Масса-1050 кг.

Расчет бункера:

Пропускная способность бункера П (м3/с) и равномерность истечения материала из него зависят от размеров и формы выпускного отверстия. Пропускная способность определяется по формуле:

П=S*U, где

- площадь выпускного отверстия бункера, м2

S = 0,75*0,9= 0,675м2

U -скорость истечения материала, м/с.

U= = = 3,19 м/с, где

- ускорение силы тяжести, м/с2.- максимальный гидравлический радиус.

λ= 0,6 - коэффициент истечения бетонной смеси.

П= 0,675·3,19= 2,15 м3/с.

Время выгрузки бетонной смеси складывается из времени открывания шибера самоходного раздаточного бункера, истечения материала и возвращения шибера после выгрузки бетонной смеси в исходное положение шибера. Принимаю время на выгрузку tВ =10 с.

Время на передвижения бункера от БСУ к формовочному посту.

п= 60L/U = 60·50/40 =75с.

Суммарное время подачи бетонной смеси от БСУ складывается из времени на передвижения бункера от БСУ к формовочному посту и обратно в исходное положение, время на выгрузку и загрузку бункера.=10+75+10+75 =170 с.

Производительность самоходного раздаточного бункера:

Прб= 2,4·3600/170=50 м3

Необходимое количество бетоноукладчиков определяется по формуле:=Пчрб= 17.4/50 =0,35,

где Пч - требуемая часовая производительность по данному технологическому переделу.

Принимаю один раздаточный бункер.

Бетоноукладчик СМЖ-162А

Бетоноукладчик СМЖ-162А предназначен для распределения, укладки, разравнивания бетонной смеси и заглаживания открытой поверхности свеже-отформованного изделия.

Техническая характеристика.

Ширина колеи - 4500 мм.

Число бункеров - 3 шт.

Вместимость бункеров - 3+1+1 м3

Угол наклона стенок бункера - 65°

Выходное отверстие бункера - 400x500

Ширина ленты питателя - 1,4 м.

Скорость передвижения - 0,03... 0,193 м/с

Скорость ленты питателя - 0,1; 0,166 м/с

Установленная мощность электродвигателей - 23,5 кВт

Уровень формирования относительно головок рельс, м:

нижний - 0,3

верхний - 0,86

Продолжительность цикла формования - 12...25 мин.

Механизм распределения - вибронасадок

Устройство для заглаживания поверхности изделия - Реечное

Габаритные размеры - 5,2x6,02x3,1

Масса- 14,5 т.

Расчет бетоноукладчика:

Оптимальное распределение бетонной смеси в объеме формы определяется реологическими свойствами самой смеси, габаритами изделия (формы), шириной заслонки, высотой копильника, скоростью перемещения лента питателя, скоростью передвижения укладчика и бункера.

Пропускная способность бункера П (м3/с) и равномерность истечения материала из него зависят от размеров и формы выпускного отверстия. Пропускная способность определяется по формуле:

П=S·U, где

- площадь выпускного отверстия бункера, м2= 0,4·0,5 = 0,2 м2

U - скорость истечения материала, м/с.

=λ√ 3,2gR = 0,6√(3,2 ·9,8·0,5) = 2,4 м/с, где

λ= 0,6 - коэффициент истечения бетонной смеси.

П= 0,2·2,4= 0,48 м3/с.

Производительность ленточного питателя (м/ч)

Пл=3600·h·b·Uл·Кр,где

высота щели копильника h= 0,1 м.ширина заслонки b= 0,9 м.л - скорость перемещения ленты питателя, м/с Uл=0,1 м/с

Кр - коэффициент разрыхления бетонной смеси Кр = 1,12... 1,2

Пл = 3600·0,1·0,9·0,1·1,12 = 36,3 м3

Производительность бетоноукладчика (м3 /ч) при заполнении формы смесью:

Пб = 60·Vизд·Zизд·Кр·Кв/tц, где

изд = 1,63 - объем изделия, м3изд - количество одновременно формуемых изделий, шт. Zизд = 1.

Кв - коэффициент использования машины по времени. Кв = 0,92ц - продолжительность цикла укладки смеси в форму, мин.

ц =tн +tп +tу +tобр.х.

н = 0,3 мин - продолжительность наполнения бункера бетоноукладчика смесью.

п = L/Uу, где

п - продолжительность передвижения укладчика к форме- расстояния от бетоновозной эстакады до поста формования.у - скорость передвижения укладчика, м/мин. Uу= 3 м/мин.п =3/3=1 мин, где

Продолжительность укладки смеси в форму (мин)

у=(Lф+Lу)nпр/Uу, где

ф - максимальная длина формы, м.у - база бетоноукладчика, мпр- количество проходов бетоноукладчика.у= (6,5+5,2)3/3 =11,7 мин

Продолжительность передвижения укладчика в исходное положение.обр.х= 12/3 =4 минц= 0,3+1,0+11,7+4= 17 мин

Пб=60*1,63*1*1,12*0,92/17= 5,93 м3

Необходимое количество бетоноукладчиков определяю по формуле:

чб= 17,3/5,93 =2,9

Принимаю 4 бетоноукладчика на 4 конвейерные линии.

Виброплощадка для уплотнения бетонной смеси

Выбираю для укладки и уплотнения бетонной смеси с жесткостью 20с по стандартному вискозиметру виброплощадку СМЖ-200Б.

Техническая характеристика

Грузоподъемность Q= 15 т.

Число виброблоков - 8

Грузоподъемность одного блока - 2000 кг

Суммарный момент массы небаланса - 2,96; 3,6; 4,8 кг

Частота колебаний 290с".

Амплитуда колебаний 0,4...0,6 мм.

Усилие, развиваемое одним электромагнитом 60 кН.

Суммарная мощность электродвигателей- 92 кВт.

Масса вибрируемых частей конструкции - 3100 кг

Общая масса - 7850 кг.

Таблица 3.6.

Ведомость технологического оборудования

№ п.п.

Оборудование

Ед. изм.

Кол-во

1

2

3

4

1

Тележка для подачи арматурных заготовок

шт.

2

2

Трансформатор сварочный ТД-30

шт

2

3

Мостовой кран

шт.

4

4

Бетоновозная эстакада

шт.

1

5

Раздаточный бункер

шт.

1

6

Автоматическая траверса

шт.

4

7

Тележка для вывоза готовой продукции СМЖ-151

шт.

2

8

Тележка-прицеп СМЖ-154

шт.

1

9

Машина для обрезки анкеров

шт.

4

10

Щелевая пропарочная камера

шт.

4

11

Станок для гибки

шт.

2

12

Передаточная тележка

шт.

4

13

Многоточечная сварочная машина

шт.

1

14

Форма-вагонетка

шт.

80

15

Бетоноукладчик

шт.

4

16

Виброплощадка

шт.

4

17

Манипулятор

шт.

4

18

Установка для резки арматуры

шт.

2

19

Пакетировщик

шт.

2

20

Траверса

шт.

2


3.8 Описание технологического процесса

Дозирование цемента

Цемент из расходного бункера взвешивают автоматическим весовым дозатором. Точность дозирования ±1,5%. Взвешенная порция цемента, выгружается в бетономешалку принудительного действия, находящуюся на посту загрузки.

Дозирование песка

Песок из бункера запаса взвешивают автоматическим весовым дозатором. Точность дозирования ±2,0%. Взвешенная порция песка, выгружается в бетономешалку принудительного действия, находящуюся на посту загрузки.

Дозирование щебня

Дозирование щебня осуществляется объёмно-весовыми дозаторами с точностью дозирования ±2,5%. Взвешенная порция щебня, выгружается в бетономешалку принудительного действия, находящуюся на посту загрузки.

Дозирование воды

Дозирование воды осуществляется весовыми дозаторами с точностью дозирования ±1,5%. Взвешенная порция воды, выгружается в бетономешалку принудительного действия, находящуюся на посту загрузки.

Приготовление бетонной смеси

Приготовление бетонной смеси производится в бетоносмесителях принудительного действия. Перемешивание продолжается до получения требуемой консистенции. Минимальное время перемешивания 180 секунд. Сначала в смеситель загружается щебень и песок, потом добавляется цемент, после этого заливают воду. Для обеспечения положительной температуры смеси в зимнее время осуществляется подогрев воды затворения до температуры 70 °С.

Чистки, смазка и сборка форм

Дорожные плиты покрытий изготавливаются в железобетонных формах.

Формы очищают от старого бетона продувкой сжатым воздухом и смазывают.

Чистка форм производится при помощи щеточной машины с применением сжатого воздуха.

Смазка форм осуществляется удочкой распылителем. В качестве смазки используется эмульсол

Транспортирование бетонной смеси

Транспортирование бетонной смеси от смесителя к месту укладки производится раздаточным бункером. Время от приготовления бетонной смеси до её укладки не более 30 минут.

Укладка бетонной смеси

Бетонная смесь из бетоносмесительного отделения к бетоноукладчикам подаётся в раздаточном бункере, перемещающийся по специальным металлическим конструкциям.

Для укладки и уплотнения бетонной смеси используют установку состоящую из виброплощадки грузоподъемностью 15т типа СМЖ-200Б, бетоноукладчика с ленточным питателем СМЖ-162.

Бетоноукладчик с загруженным бункером, находясь над формой, заполняет её бетонной смесью, после чего на 25-30 секунд включается виброплощадка, уплотняющая её. При втором проходе форма дополняется смесью с уплотнением её вибраторами, верхняя поверхность заглаживается специальными утюгами, установленными на бетоноукладчике. Закончив формование бетоноукладчик возвращается в исходное положение под загрузку.

Укладку бетона в горизонтально расположенную форму производят при высоте падения не более 1 метра.

Перед подачей изделий на тепловую обработку, они проходят посты предварительной выдержки, где набирают первоначальную прочность.

Тепловая обработка

Тепловая обработка изделий производится в щелевых пропарочных камерах. Формы с изделием загружаются в камеру при помощи специального толкателя установленного на передаточной тележке. Формы-вагонетки устанавливаются и извлекаются после гидротермальной обработки из пропарочных камер передаточными тележками.

Температуру паро-воздушной среды камер контролируют термодатчиками, расположенными равномерно по длине камеры в верхнем и нижнем ярусе. Изделия проходят гидротермальную обработку по «мягкому» режиму: предварительная выдержка 2 часа, скорость подъема температуры и охлаждения не более 10°С/ч, температура изотермической выдержки 60°С, время подъема температуры до 60°С -3 часа, охлаждения изделия - 2.5 ч время изотермической выдержки - 8,5 часов. Для экономии энергии в пропарочных предусмотрена система перепуска водяного пара из охлаждающейся зоны в подогреваемую.

Кантование и транспортирование изделии

После тепловой обработки изделия подаются на пост распалубки. Перед обрезкой стержней производят испытания кубов, бетон к этому времени должен набрать не менее 70% от проектной прочности, т.е. не менее 21 МПа. Открывание бортов формы осуществляется в ручную с помощью лома. Готовое изделие извлекается из формы с помощью мостового крана с автоматической траверсой и транспортируются на вывозную тележку. Изделия транспортируются краном и вывозной тележкой в горизонтальном положении. Допускается транспортирование и в вертикальном.

Складирование и маркировка.

На склад готовой продукции изделия поступают на самоходной тележке. Изделия хранят на складе, оборудованном крановым хозяйством и имеющим подъездные пути. Плиты следует хранить в рабочем положении. Между плитами должны быть уложены Деревянные прокладки прямоугольного сечения толщиной не менее 30 мм. Прокладки под нижний ряд плит следует укладывать по плотному, тщательно выровненному основанию. Прокладки всех вышележащих плит должны быть расположены по вертикали одна под другой вблизи монтажных петель.

Дорожные плиты укладываются в штабеля высотой до 2,5 м с прокладками и подкладками. При хранении плиты должны быть рассортированы по маркам. На боковой грани каждой плиты должно быть нанесено несмываемой краской: краткое наименование предприятия-изготовителя, марка панели, дата изготовления, штамп ОТК, масса изделия.

3.9 Организация технологического контроля

Для получения изделий высокого качества и экономичности, необходимо проводить постоянный контроль за их производством и на его основе управлять технологическими процессами, внося в них необходимые изменения и коррективы, учитывающие колебания свойств исходных материалов и условий производства и гарантирующие получение заданных свойств бетона при минимальных материальных, энергетических и трудовых затратах.

Контроль организуется на всех стадиях производства бетона и изделий из него и включает контроль свойств исходных материалов, приготовление бетонной смеси и ее уплотнения, структурообразование и твердение бетона, натяжения арматуры, свойств готового изделия. Для контроля используют различные способы и приборы. По полученным результатам вносят коррективы в состав бетона, в параметры и режимы технологических операций на основе закономерностей, учитывающих влияние на свойства готового бетона различных технологических факторов. Для большей точности и надежности управления качеством бетона используют зависимости, полученные для условий конкретного производства. Эти зависимости должны постоянно корректироваться по результатам статистического контроля свойств бетона.

Служба контроля качеством на производстве осуществляется:

) Отделом технического контроля (ОТК) завода, на который возлагается выполнение текущего пооперационного контроля за соблюдением установленных технологических режимов и правил производственного процесса, за качеством готовой продукции;

) Лабораторией завода, на которую возлагается контроль за качеством исходных материалов и полуфабрикатов, применяемых на всех технологических переделах производства, а также за качеством бетона в готовых изделиях.

На проектируемом предприятии осуществляется входной, операционный и приемочный контроль.

Под входным контролем понимается контроль продукции, поступившей к потребителю и предназначенный для использования при изготовлении. Входному контролю подлежат материалы, используемые для приготовления бетона, арматурных изделий и закладных деталей, комплектующие элементы и отделочные материалы.

Операционный контроль - это контроль продукции или технологического процесса, осуществляемый во время выполнения определенных операций или после их завершения.

Приемочный контроль - это контроль готовой продукции, по результатам которого принимается решение о ее пригодности и поставке потребителю. Задачей приемочного контроля сборных железобетонных конструкций является установление соответствия качественных показателей готовых конструкций требованиям Государственных стандартов и проекта конструкции. Качество не может быть оценено только на основании измерений, проводимых на готовых конструкциях, поэтому приемочный контроль железобетонных конструкций подразумевает испытания и измерения готовых железобетонных конструкций и обобщение данных входного и операционного контроля.

Таблица 3.7.

Карта контроля технологического процесса


3.10 Расчет складов сырья, полуфабрикатов и готовой продукции

В соответствии с принятым режимом работы, нормами запасов, суточными расходами материалов определяю вместимость и типы складов цемента, заполнителей, арматурной стали и готовой продукции.

В зависимости от требуемой вместимости склада, условий территории и климата района принимаю тип склада, его приемные устройства, внутрискладские транспортные устройства, способы подачи материалов со склада на пункт потребления.

3.10.1 Расчет и проектирование склада заполнителей

Принимаю эстакадно-траншейный штабельный склад заполнителей. Загрузка заполнителей осуществляется сверху системой ленточных конвейеров и сбрасывающей тележкой. Забор материала осуществляется снизу через ленточный конвейер, размещенный в подземной подштабельной галерее. Разгрузка заполнителей осуществляется на точечных разгрузочных пунктах, оборудованных приемным бункером, ленточным питателем, бурорыхлительной машиной и лебедкой. Количество рабочего и обслуживающего персонала - 9 чел.

Годовая потребность производственного предприятия в мелком и крупном заполнителях определяется на основе подбора состава бетонной смеси по нормам технологического проектирования.

Определение производственных запасов заполнителей, м, производится по формуле:

для щебня Q1 = П·Z1·N·1,02/365

для песка Q2=П·Z2·N· 1,02/365

- средний расход соответственно щебня (Z1) и песка (Z2), принимаю в соответствии с нормативным расходом заполнителей Z1 =0,9 Z2=0,45;- запас заполнителей, т. к на данное предприятие заполнитель доставляется железнодорожным транспортом, принимаем N = 10 суток;

П - годовая производительность завода, м3 ;

,02 - коэффициент, учитывающий потери при разгрузке и транспортных операциях;

- расчетный годовой фонд времени работы оборудования, сут.

Производственный запас щебня - 1685 м3.

Производственный запас песка - 843 м3.

Полный запас заполнителей на складе - 2528 м3

Объем штабеля заполнителя V, м³, рассчитываю по формуле(для кругового конуса):

=πH³/3tg²φ

высота штабеля (для песка принимаю 8м, для щебня 7 м),

φ - угол естественного откоса материала (песок - 40º, щебень -15 º)

Площадь склада F, м², определяю по формуле:

=Am,

Где А - количество штабелей, А=Q/V;площадь основания штабеля.

Для кругового конуса диаметр основания D=2H/tgφ.

Объем песка Vп = 430 м³.

Объем щебня Vщ = 490 м³.

Количество штабелей для песка 2 штуки, для щебня 4 штуки.

Полезная площадь склада заполнителей B=1170 м².

Общая площадь склада F1=BKn=1170*1,5=1755 м².

Принимаю склад размером 60х30 м.

3.10.2 Расчет ёмкости склада цемента

Определение запаса цемента на складе производят по формуле:

С = П·С1·3Ц·1,01/365·0,9

П - годовая производительность завода, м3;

С1-средний расход цемента на 1 м3 изделий, принимаю на основании таблицы "Нормы расхода цемента" C1 = 400кг/м3;

Зц - запас цемента, в связи с тем, что цемент, будет транспортироваться железнодорожным транспортом, принимаю

Зц =10 суток;

,01 - коэффициент, учитывающий потери при разгрузке и транспортных операциях;

,9 - коэффициент заполнения силосов;

- расчетный годовой фонд времени работы оборудования, сут.

Запас цемента на складе С=824000кг (824т).

Число силосов для хранения цемента на данном предприятии, производительностью 67000 м3 /год, принимаю равное N = 4,

Емкость каждого силоса определяют по формуле, кг:

В=С\ N где

С - требуемый запас цемента на складе, кг;- число силосов, шт.

Ёмкость каждого силоса B = 206000 кг(206т).

3.10.3 Расчет и проектирование склада арматуры

Определение суточной потребности в арматурной стали каждого вида, т, исходя из чертежей изделий, производят по формуле:

А=Ас·М·1,04

АС - суточная производительность железобетонных изделий, м3;

М - потребность арматурной стали на одно изделие, т;

,04 - коэффициент потерь.

А=271,3·0,057·1,04=15,8

Определение площади для складирования арматурной стали, м, производят по формуле:

П= А·Т·2,5/М1

Т - срок хранения арматурной стали на складе, принимаю Т =25 суток;

,5 - коэффициент, учитывающий проходы при хранении арматуры на стеллажах и в закрытых складах;

М1 - масса стали, по нормам на 1м2

П=15,8·25·2,5/3,2=309 м2

Площадь склада арматурной стали - 309 м2

3.10.4 Расчет и проектирование арматурного цеха

Часовая потребность в комплектующих арматурных элементов определяют в зависимости от объема выпуска изделий формовочным цехом:

Пч = Пгодр·Б, где

Пгод-годовой объем изделий, м3 .

Вр -расчетный фонд времени (час).

Б - объем базового изделия (м3).

Пч = Пгодр·Б = 67000/(3952·1,63) = 10,4 кг/ч

Организационная производительность машин.

Порг = Пмаш·Корг

Пмаш - производительность машины.

Корг - коэффициент организации процесса

Правильно-отрезной станок СМЖ 357

Пмаш = 63 м/мин

Корг =0,7

Порг = 63·0,7 = 44,1 м/мин

Сварочная машина К-724

Пмаш = 63 м/мин

Корг = 0,85

Порг = 63·0,85 = 53,5 м/мин

Всего сеток в рулонах 2487,8 т/год.

Данный цех располагается в унифицированном пролете 96x48 м и условно разделен на 2 отделения.

Заготовительное, в котором производится резка, контактная сварка и гибка стержневой и проволочной арматуры, заготовка закладных деталей.

Сварочное, где изготавливаются сетки на многоточечных и одноточечных станках, привариваются анкеры и закладные детали и т.д.

3.10.5 Расчет и проектирование бетоносмесительного цеха

Определение часовой производительности бетоносмесительного цеха, м3/ч:

Пч =P·1,4·1,2/247·M

- годовая производительность завода, м3, Р=67000 м3 ;

,4 - коэффициент часовой неравномерности работы;

,2 - коэффициент запаса мощности;

- число рабочих дней в году;- число рабочих часов в сутки. M=16ч.

Часовая производительность бетоносмесительного цеха:

Пч = 28, 5 м3 /час;

Определение часовой производительности смесительных машин, м3/ час:

Пч.м=Б·В·Чз·0,001 , где

Б - вместимость смесительного барабана по загрузке, Б=750 дм3;

В - коэффициент выхода бетонной смеси;

Чз - число замесов.

Часовая производительность бетоносмесительной машины:

Пч.м = 15м3/час;

Плотность бетона = более 2400 кг/м3;

Вид смеси: Бетонные смеси для тяжёлого бетона;

Тип смесителя: Принудительного действия;

Коэффициент выхода бетонной смеси = 0,67;

Число замесов =30.

Требуемое количество бетоносмесительных машин:

А=Пчч.м=1,9

Количество бетоносмесительных машин = 2 шт;

По данным расчёта можно принять типовую (высотную) секцию, автоматизированную с двумя смесителями по 750л.

3.10.6 Расчет площади склада готовой продукции

Определение вместимости склада готовой продукции, м, производится по формуле:

=B1·T. где

1 - суточный объём готовых изделий, м3,B1= 271,2

Т - продолжительность хранения, принимаю Т = 10 суток.

Вместимость склада готовой продукции В=2712

Определение площади склада готовой продукции, м2, производят по формуле:

П=В·К1·К22

1- коэффициент, учитывающий площадь склада на проходы и проезды, K1 = 1,5;

К2-коэффициент, учитывающий увеличение склада при применении различных кранов. К2 = 1,3 для мостовых кранов;

В2-нормативный объём изделий, допускаемый на 1 м2 площади (в горизонтальном положении В2=1,5).

П= 2712·1,5·1,3/1,5 = 3530 м2

Раздел 4. Архитектурная часть

.1 Решение генерального плана

Генеральный план завода дорожных плит мощностью 67000 м3 в год разработан по СниП П-89-80 «Генеральные планы промышленных предприятий. Нормы проектирования».

Генеральный план промышленного предприятия - это проект расположения всех зданий, сооружений инженерных сетей, автомобильных дорог и железнодорожных путей, обеспечивающий эффективную деятельность намеченного к строительству предприятия.

В основу проектирования генерального плана закладывается:

принцип прямоточности технологического процесса;

компактность планировочных решений, обеспечивающая использование минимальной территории под застройку, минимальная протяженность инженерных и транспортных коммуникаций;

обеспечение безопасности условий труда и перемещения работающих по территории.

Завод дорожных плит строится в пос. Волжский Самарской области. Расположение зданий и сооружений относительно стран света и преобладающего направления ветров обеспечивает наиболее благоприятные условия для естественного освещения и проветривания помещений.

В целях предельного сокращения вредных воздействий на природу и микроклимат города при размещении основных объектов завода учитывалась характерная для данного региона роза ветров. В соответствии с санитарными нормами санитарная зона установленная вокруг завода в пределах 300 м. Длительность проезда при этом от жилых домов до предприятия не превышает 30 минут.

В состав завода входят: цеха основного производства, бетоносмесительный цех, склады цемента, заполнителей, арматуры, готовой продукции, вспомогательных материалов, административно-бытовой корпус (АБК).

Территория предприятия, как правило, состоит из следующих зон: производственной (включает все производственные здания основного и подсобного назначения), складской зоны, энергетических сооружений, предзаводской площадки.

В предзаводской зоне расположен АБК и автостоянка для рабочего и обслуживающего персонала.

В производственной зоне находится главный корпус, бетоносмесительный узел, сооружения водоснабжения и канализации. Бетоносмесительный цех расположен с восточной стороны главного корпуса.

В складской зоне расположены склады цемента, заполнителей, готовой продукции.

Пролет склада готовой продукции расположен перпендикулярно к пролетам основного корпуса и оснащены мостовыми кранами. Склад готовой продукции предназначен для хранения и выдачи потребителям готовой продукции, которая отгружается на железнодорожный транспорт и автотранспорт.

Похожие работы на - Проектирование предприятия по производству железобетонных дорожных плит

 

Не нашли материал для своей работы?
Поможем написать уникальную работу
Без плагиата!
Без нейросетей!