Планировка площадки, отрывка котлованов и возведение железобетонных фундаментов зданий
МИНИСТЕРСТВО
ОБРАЗОВАНИЯ И НАУКИ РОССИЙСКОЙ ФЕДЕРАЦИИ
Федеральное
агентство по образованию
МОСКОВСКИЙ
ГОСУДАРСТВЕННЫЙ СТРОИТЕЛЬНЫЙ УНИВЕРСИТЕТ (МГСУ)
Кафедра
строительство атомных электростанций
КУРСОВОЙ
ПРОЕКТ
по предмету:
«Технология строительных процессов»
тема:
«Планировка площадки, отрывка котлованов и возведение железобетонных
фундаментов зданий»
Выполнил:
студент ТЭС3-5
Васильев
Александр Викторович
РУКОВОДИТЕЛЬ
ПРОЕКТА: Сборщиков С.Б.
Москва 2012
СОДЕРЖАНИЕ
1. Введение
. Определение положения линии
нулевых работ
. Определение объемов грунта в
планировочных выемке и насыпи, в откосах площадки, отдельных выемках
. Составление баланса и плана
распределения земляных масс
. Определение средней деятельности
перемещения грунта на строительной площадке
. Выбор механизмов для производства
основных видов земляных работ
. Составление спецификации
конструктивных элементов фундаментов
. Технология арматурных работ,
составление спецификации арматурных элементов
. Определение количества фундаментов
на одной захватке
. Выбор комплекта опалубки
. Разработка технологической карты
. Список используемой литературы
Приложение: Графическая часть.
ИСХОДНЫЕ ДАННЫЕ
Схема площадки
Рабочие отметки в вершинах квадратов, м
|
№
пп
|
Номера
вершин
|
Наименование
грунта
|
Расстояние
до резерва
|
|
1
9
|
2
10
|
3
11
|
4
12
|
5
13
|
6
14
|
7
15
|
8
16
|
|
|
|
7
|
0,19
0,32
|
0,21
0,41
|
-0,31
0,18
|
-0,87
0,09
|
0,11
0,12
|
0,28
0,41
|
-0,32
0,18
|
-0,64
0,21
|
глина
|
9
км
|
Котлован находится в V
квадрате
План здания
x12- пролет здания
l - шаг колонн
Исходные данные
|
Размеры
в осях, м
|
Размеры
фундамента, м
|
Глубина
котлована hк, м
|
Диаметр
арматуры, мм
|
Температура,
ºС
|
|
Lxn
|
lxn
|
а1
|
b1
|
а2
|
b2
|
h1
|
h2
|
|
|
|
|
9x2
|
6x12
|
1,6
|
1,5
|
1,2
|
1,1
|
0,9
|
1,2
|
2,2
|
25
|
-15
|
Схема фундамента
. ВВЕДЕНИЕ
При строительстве любого здания или сооружения,
а также планировке и благоустройстве территорий ведут переработку грунта.
Переработка включает следующие основные процессы: разработку грунта, его
перемещение, укладку и уплотнение.
Непосредственно выполнению этих процессов в ряде
случаев предшествуют или сопутствуют подготовительные процессы, которые
осуществляют до начала разработки грунта, и вспомогательные процессы-до или в
процессе возведения земляных сооружений. Весь этот комплект процессов
называется земляными работами. Земляные работы включают подготовительные,
вспомогательные и основные работы.
К подготовительным работам относятся: подготовка
территории (валка деревьев, срезка кустарников и др.), обеспечение водоотвода и
осушение территорий, геодезическая разбивка, прокладка дорог.
К вспомогательным работам относятся: устройство
временных креплений котлованов и траншей, водоотлив, понижение уровня грунтовых
вод, искусственное закрепление слабых грунтов.
Основными процессами в комплексе земляных работ
являются отрывка котлована и траншей, планировка площадок, отсыпка насыпей с
уплотнением грунтов, транспортирование грунта в отвал, подчистка и планировка
дна котлована, отделка откосов.
В настоящее время грунт перерабатывают
механизированным способом с помощью различных землеройных,
землеройно-транспортных машин, средств гидромеханизации, бурением, а также
взрывным способом. Однако на многих объектах при мелких рассредоточенных
объемах работ применяется также ручной труд. Производство работ вручную даже в
небольших объемах влияет на общие затраты труда, т.к. производительность
ручного труда в 20-30 раз ниже механизированного. Поэтому необходимо повысить
уровень механизации при земляных работах.
. ОПРЕДЕЛЕНИЕ ПОЛОЖЕНИЯ ЛИНИИ НУЛЕВЫХ РАБОТ
Линия нулевых работ (ЛНР) соединяет точки с
рабочими отметками, равными нулю, которые располагаются на сторонах квадратов,
соединяющих вершины с рабочими отметками противоположных знаков. Положительные
по знаку рабочие отметки соответствуют проектной насыпи, отрицательные -
выемке.
Рис.1 Схема определения ЛНР.
где, х - расстояние от вершины квадрата с
положительной рабочей отметкой до точки нулевых работ, М;н и hв - значения
рабочих отметок вершин квадратов насыпи и выемки, соответственно, принятых по
абсолютной величине.
,
,
,
,
Рис.2 Положение ЛНР
. ОПРЕДЕЛЕНИЕ ОБЪЕМОВ ГРУНТА В ПЛАНИРОВОЧНЫХ
ВЫЕМКЕ И НАСЫПИ, В ОТКОСАХ ПЛОЩАДКИ, ОТДЕЛЬНЫХ ВЫЕМКАХ.
Объемы грунта отдельных фигур, располагающихся в
пределах насыпи и выемки, V, м3, определяют путем умножения площади основания
каждой фигуры на среднюю высоту ее рабочей отметки:
,
где hn - рабочие отметки всех вершин
фигуры, в том числе и нулевые, м;
n - количество вершин фигуры, в том числе и
нулевые;
hСР - средняя
величина рабочих отметок, м;- площадь фигуры, м2.
Объем грунта в откосах выемки (насыпи) V, м3
(рис.3), определяется по формуле:
,
где Lп - периметр сторон насыпи
(выемки);- коэффициент заложения откоса;o.ср -
абсолютная величина средней рабочей отметки по периметру выемки (насыпи):
.
Объем грунта в угловых откосах
выемки (насыпи) V, м3, определяется по формуле:
,
где h - высота пирамиды, м.
На основании расчетов заполняется таблица 3.1.
При отсыпке насыпи учитывают остаточное разрыхление грунта. Ввиду того, что при
укладке насыпи и интенсивном уплотнении его катками не удается достичь
естественной плотности грунта, то для укладки насыпи объемом Vн требуется объем
грунта равный V/К, где V - объем грунта естественной плотности; К - коэффициент
остаточного разрыхления (принимаем К=1,06)
Таблица 3.1. Расчет объемов грунта насыпи и
выемки
|
№
|
Выемка
(m = 0)
|
Насыпь
(m = 0,67; К = 1,06)
|
|
(h1+h2+…+hn)/n
|
hср,м
|
F,м²
|
V,м3
|
(h1+h2+…+hn)/n
|
hср,м
|
F,м²
|
V,м3
|
V/К,м3
|
|
I
|
|
|
|
|
(0,19+0,21+0,11+0,28)/4
|
0,198
|
10000
|
1975
|
1863
|
|
II
|
(0,31+0,32+0+0)/4
|
0,158
|
5647,4
|
890
|
(0,21+0,28+0+0)/4
|
0,123
|
4352,6
|
533
|
503
|
|
III
|
(0,31+0,32+0,87+0,64)/4
|
0,535
|
10000
|
5350
|
|
|
|
|
|
|
IV
|
|
|
|
|
(0,11+0,28+0,41+0,32)
|
0,28
|
10000
|
2800
|
2641,5
|
|
V
|
(0+0,32+0)/3
|
0,107
|
1706,7
|
182
|
(0,28+0,41+0,18+0+0)/5
|
0,174
|
8293,3
|
1443
|
1361
|
|
VI
|
(0,32+0,64+0+0)/4
|
0,24
|
7583,6
|
1820
|
(0,18+0,09+0+0)/4
|
0,068
|
2416,4
|
163
|
154
|
|
VII
|
|
|
|
|
(0,32+0,41+0,41+0,12)/4
|
0,315
|
10000
|
3150
|
2972
|
|
VIII
|
|
|
|
|
(0,41+0,41+0,18+0,18)/4
|
0,295
|
10000
|
2950
|
2783
|
|
IX
|
|
|
|
|
(0,18+0,18+0,21+0,09)/4
|
0,165
|
10000
|
1650
|
1556,5
|
|
Откосы
|
0
|
|
8
|
7,5
|
|
Итого:
|
8242
|
Итого:
|
14668
|
13842
|
|
|
|
|
|
|
|
|
|
|
|
Общий объем насыпи и выемки находится как сумму
объемов грунта отдельных фигур, лежащих в пределах планируемой площадки.
– объем грунта в откосах насыпи:
(м3)
– объём грунта в откосах (кроме угловых):
(м3),
– объем грунта в угловых откосах:
(м3),
(м3),
(м3).
Для принятия решения об устройстве земляного
сооружения вычерчиваем продольные профили отдельных котлованов под каждый
фундамент по рядам в обоих направлениях с учетом крутизны откосов m = 0,25
(грунт глина) и глубины заложения фундамента Нк = 2,2м (по заданию).
Рис. 3 Продольный профиль разреза фундаментов в
осях А - Б
Рис. 4 Поперечный профиль разреза фундаментов в
осях 1 - 2 (фрагмент)
Так как точка пересечения линий откоса в обоих
направлениях находится выше отметки уровня земли, то принимаем ямы под
отдельные фундаменты и рассчитываем объемы земляных работ при разработке 39
отдельных выемок по заданию:
м3
где НК=2,2 м - глубина котлована по
заданию=3,1x3 = 9,3 м²
-площадь
котлована по верху= 2х1,9=3,8 м² - площадь котлована по низу
После возведения фундаментов оставшийся объем
котлована заполняется грунтом, который называется обратной засыпкой (Vобр.зас.
м3). Её объём определяется по формуле:
,
где Vф - объем конструкций ж/б
фундаментов до планировочной отметки, м3;
a
- коэффициент остаточного разрыхления грунта после уплотнения (для глины-
0,06).ф=39
(1,6
1,5
0,9+1,2
1,1
1,2)=146 м3
м3.
. СОСТАВЛЕНИЕ БАЛАНСА И ПЛАНА РАСПРЕДЕЛЕНИЯ
ЗЕМЛЯНЫХ МАСС
На основании расчетов объемов разрабатываемого
грунта составляется баланс грунта на строительной площадке (табл.4.1.).
Необходимо иметь в виду, что вытесненный фундаментами грунт, может быть уложен
в планировочную насыпь.
Таблица 4.1. Ведомость сводного баланса
грунтовых масс
|
Место
разработки грунта
|
Объем
грунта, м3
|
Место
укладки грунта
|
Объем
грунта,м3
|
|
Планировочная
выемка
|
8242
|
Планировочная
насыпь
|
13842
|
|
Резерв
(карьер)
|
5600
|
Отвал
|
-
|
|
Котлован
под фундаменты
|
478
|
Обратная
засыпка пазух фундамента
|
312
|
|
|
Планировочная
насыпь
|
166
|
|
|
Отвал
|
-
|
|
Итого:
|
14320
|
Итого:
|
14320
|
В данном случае определился отрицательный
баланс, поэтому для устройства планировочной насыпи объем недостающего грунта
разрабатываем в карьере, расположенном за пределами площадки, и доставляем
автосамосвалами.
Схема распределения грунтовых масс на площадке
(см. графическую часть).
В соответствии с полученными данными делим
площадку на три зоны, имеющие при производстве работ самостоятельное значение.
В данном случае из карьера привозится: 5600-166=5434 м3 грунта.
. ОПРЕДЕЛЕНИЕ СРЕДНЕЙ ДАЛЬНОСТИ ПЕРЕМЕЩЕНИЯ
ГРУНТА НА СТРОИТЕЛЬНОЙ ПЛОЩАДКЕ
Среднюю дальность перемещения грунта при
вертикальной планировке определяем аналитическим способом. Для этого сначала
находим координаты центров тяжести объемов выемок и заменяем центрами тяжести
площадей их оснований относительно прямоугольной системы координат, в качестве
осей которой принимаем стороны планируемой площадки. Расчетная формула средней
дальности перемещения грунта:
где
- суммарный объем выемки,
перемещаемый в насыпь;
- объёмы выемок в элементарных
фигурах;
- расстояние между центрами тяжести
элементарных фигур.
Окончательно принимаем среднюю
дальность перемещения грунта на строительной площадке равную Lср = 170м.
. ВЫБОР МЕХАНИЗМОВ ДЛЯ ПРОИЗВОДСТВА
ОСНОВНЫХ ВИДОВ ЗЕМЛЯНЫХ РАБОТ
Необходимо обосновать выбор
следующих основных механизмов:
машин для осуществления
планировочных работ
машин для разработки котлована
машин для отгрузки грунта из
котлована
Выбор машин для планировочных работ.
Основным критерием является
дальность перемещения грунта, которая определяет выбор механизмов. В данном
случае принимаем прицепные скреперы с ковшом от 7 до 15 м³. Согласно
табл.1 ЕНиРа Сборник Е 2-1 «Земляные работы» определяем, что грунт (глина)
относится ко II-й группе по трудности разработки скреперами. Выбор машины для
планировки осуществляем на основании сравнения двух вариантов однотипных машин
(табл.6.1) Данные для сравнения берем согласно § Е2-1-21 «Разработка и
перемещение грунта скреперами» из ЕНиР.
Таблица 6.1. Нормы времени и
расценки на 100 м³
грунта.
|
№
варианта
|
Марка
трактора
|
Марка
скрепера (вместимость ковша скрепера, м3)
|
Расстояние
перемещения грунта
|
Стоимость
машино-смены, р.
|
|
|
|
До
100м
|
Добавлять
на каждые 10м.
|
|
|
|
|
Группа
грунта II
|
|
|
|
|
|
трактор
|
скрепер
|
|
1
|
Т-100
|
ДЗ-20(7)
|
1,7
1-80
|
0,1
0-10,6
|
19,29
|
23,44
|
|
2
|
Т-180
|
ДЗ-26(10)
|
1,1
1-17
|
0,06
0-06,4
|
32,10
|
39,44
|
По ЕНиР определяется норма времени. Норма
времени на 100м3 грунта дается составной - основная до 100м перемещения и
дополнительная на каждые 10м перемещения (сверх 100).
Время работы в маш-см. на весь объём
перемещаемого грунта определяется по следующей формуле:
,
где ТР - трудоёмкость работ по
перемещению грунта из выемки в насыпь; VП.Г. - объём
перемещаемого грунта из выемки в насыпь (100м3); НВР - норма времени на
перемещение 100м3; ТСм - продолжительность смены принимается равной 8ч.
Стоимость 1маш-см. принимается на
основании справочного материала. Например, для прицепных скреперов она будет
складываться из стоимости трактора и самого скрепера.
Принимается для дальнейшей работы
тот вариант, который имеет минимальную стоимость эксплуатации, которая
определяется, как:
,
где СМ-С - стоимость 1маш-см.
Определяем экономические показатели для объема
перемещаемого грунта VП.Г
=8242 м3 на
и при
продолжительности смены равной
Вариант 1 Определяем норму времени
для перемещения 100
грунта на
принятое расстояние:
, тогда
трудоемкость составит:
маш-см.
Определяем затраты на перемещение
100
грунта на
принятое расстояние
тогда стоимость смены тракториста:
Определяем стоимость эксплуатации
Варианта №1. Она складывается из стоимости трактора, скрепера и зарплаты
тракториста:
Вариант 2 Определяем норму времени
для перемещения 100
грунта на
принятое расстояние:
, тогда
трудоемкость составит:
маш-см.
Определяем затраты на перемещение
100
грунта на
принятое расстояние
тогда стоимость
смены тракториста:
Определяем стоимость эксплуатации
Варианта №2. Она складывается из стоимости трактора, скрепера и зарплаты
тракториста:
Окончательно принимаем прицепной
скрепер ДЗ-26 с ковшом вместимость 10 м3 на базе трактора Т-180 под управлением
тракториста 6 разряда
Выбор экскаватора для разработки
котлована
Данные для сравнения берем согласно
§ Е2-1-11 «Разработка грунта в котлованах и траншеях одноковшовыми
экскаваторами, оборудованными обратной лопатой»
Норму времени для экскаватора
определяем как составную «в транспорт» и «навымет». В этой связи трудоемкость
работы экскаватора определяется как
где,
- трудоемкость работы экскаватора в
транспортное средство;
- трудоемкость работы экскаватора
навымет;
;
- объем грунта, соответственно,
перемещаемое в транспортное средство и оставляемое для обратной засыпки пазухов
фундамента;
;
-норма времени работы экскаватора,
соответственно, в транспортное средство и навымет.
- продолжительность смены,
принимается равной 8 часов.
По справочному материалу определяем
стоимость маш.-см. экскаватора, на основании которой и трудоемкости определяют
стоимость эксплуатации. Принимают тот вариант который, имеет наименьшую
величину этого показателя.
Таблица 6.2. Нормы времени и
расценки на 100
грунта
|
№
|
Тип
ковша
|
Марка
экскаватора (вместимость и тип ковша,м³)
|
Способ
разработки грунта
|
Стоимость
машино-смены, руб
|
|
|
|
с
погрузкой в транспортные средства
|
навымет
|
|
|
|
|
Группа
грунта II
|
|
|
1
|
Механический
|
ЭО-1621
(0,15 с зубьями)
|
14
11-06
|
10,5
8-30
|
8,21
|
Механический
|
ЭО-3311
(0,3 с зубьями)
|
5,3
4-82
|
4,2
3-82
|
15,32
|
Определяем экономические показатели для объема
грунта навымет, составляемого для обратной засыпки пазух фундамента
=
312
Вариант 1. Определяем трудоемкость работы
экскаватора:
машино-смен
Тогда стоимость смены машиниста
составит:
Определяем стоимость эксплуатации
Варианта №1. Она складывается из стоимости экскаватора и зарплаты машиниста:
грунт строительный
площадка арматурный
Вариант 2. Определяем трудоемкость
работы экскаватора:
машино-смены
Тогда стоимость смены машиниста
составит:
Определяем стоимость эксплуатации
Варианта №2. Она складывается из стоимости экскаватора и зарплаты машиниста:
Окончательно принимаем одноковшовый
экскаватор ЭО-3311,
оборудованный обратной лопатой с
механическим приводом, с вместимостью ковша 0,3 м³ под
управлением машиниста 5-го разряда.
Выбор самосвалов для перевозки
грунта.
Для отвозки лишнего грунта из
котлована необходимо подобрать марку самосвала, определить их количество,
обеспечивающее бесперебойную работу ведущего механизма - экскаватора.
Определяем объем грунта Vг (м³) в плотном
теле в ковше экскаватора:
м3
где, VКОВШ = 0,3 м³ - емкость
ковша принятого экскаватора;нап = 0,9 - принятый коэффициент наполнения ковша
для обратной лопаты;пр = 1,27 - принятый коэффициент первоночального
разрыхления грунта глина (прил.2. ЕНиР. Сб.Е2 Вып.1).
Определяем массу грунта Q(T)в ковше
экскаватора:
где,
- плотность грунта (ЕНиР сб.2),
равная 1750 кг/м3
На основании справочного материала
(ВСН 10-72 Минавтодор РСФСР) осуществляем подбор марки автосамосвала. Для
достижения наибольшей производительности кузов автосамосвала должен быть больше
емкости ковша экскаватора в 3-8 раз, т.е. в диапазоне 0,9-2,4 м³. Принимаем
автосамосвал ГАЗ-САЗ-53Б с емкостью кузова VКуз = 4,2 м³ и
грузоподъемностью Гп=3,5 т.
Таблица 6.3. Рекомендуемая
грузоподъемность автосамосвалов в зависимости от емкости ковша экскаватора и
расстояния транспортирования грунта.
|
Расстояние
транспортирования, км
|
Грузоподъемность
самосвалов (т), при емкости ковша экскаватора (М³)
|
|
0,4
|
0,65
|
1,0
|
1,25
|
1,6
|
2,5
|
4,6
|
|
0,5
|
4,5
|
4,5
|
7
|
7
|
10
|
-
|
-
|
Таблица 6.4. Технические характеристики
автосамосвалов.
|
Модель
автомобиля
|
Вместимость
кузова, м³/Т
|
Погрузочная
высота, м
|
Скорость
движения, км/ч
|
|
|
|
в
груженом состоянии
|
в
порожнем состоянии
|
|
ГАЗ-САЗ-53Б
|
4,2/3,5
|
1,83
|
30
|
35
|
|
ЗИЛ-ММЗ-555
|
3,7/5,25
|
1,25
|
30
|
35
|
|
МАЗ-503А
|
3,9/7
|
2,42
|
25
|
30
|
|
КамАЗ-5511
|
9/10
|
2,18
|
25
|
30
|
|
КрАЗ-256Б1
|
6,1/12
|
2,34
|
23
|
27
|
Определяем количество ковшей с грунтом n,
загружаемых в самосвал:
где, ГП - грузоподъемность
самосвала;- масса грунта в ковше экскаватора.
Определяем объем грунта в плотном
теле, загружаемого в кузов самосвала:
м3
Определяем продолжительность цикла
работы самосвала в минутах, начиная с погрузки и кончая снова установкой под
погрузку:
где
- время погрузки грунта в самосвал;
- время
разгрузки самосвала в отвал, включая необходимые развороты перед установкой,
обычно 1...2мин;
- время
установки самосвала под погрузку включая маневрирование, принимается 2...3мин;
- время самосвала
в пути соответственно в груженном и порожнем состоянии, мин.;
- скорость
движения самосвала соответственно в груженном и порожнем состоянии, км/ч;
- дальность
перемещения грунта самосвалами, км.
Время погрузки грунта в самосвал
определяется как:
где
-норма времени работы экскаватора в
транспортное средство
При расчете времени погрузки необходимо норму
времени перевезти из маш-ч в маш-мин.
Расчетное количество самосвалов:
где
- трудоемкость работы экскаватора в
транспортное средство и общая трудоемкость работы экскаватора.
Окончательно принимаем 1 автосамосвал
ГАЗ-САЗ-53Б.
. СОСТАВЛЕНИЕ СПЕЦИФИКАЦИИ КОНСТРУКТИВНЫХ
ЭЛЕМЕНТОВ ФУНДАМЕНТОВ
Согласно заданию все возводимые фундаменты
однотипны. Все параметры монолитного железобетонного, отдельно стоящего
фундамента сведены в спецификацию (таблица 7.1).
Таблица 7.1. Спецификация конструктивных
элементов фундамента.
|
№
п/п
|
Конструктивные
элементы
|
Размеры
элементов, м.
|
Объем
м3
|
Объем
ж.б «в деле», м3
|
Площадь
соприкосновения опалубки с бетоном, м2
|
|
|
Ширина
|
Длина
|
Высота
|
|
|
|
|
1
|
Первая
ступень
|
1,5
-
|
1,6
-
|
0,9
-
|
2,16
-
|
2,16
|
2х1,5х0,9+2х1,6х0,9=5,58
|
|
2
|
Вторая
ступень с отверстием под колонну
|
1,1
0,725
|
1,2
0,825
|
1,2
0,8
|
1,584
0,478
|
1,106
|
(1,1+1,2)х2х1,2+(0,725+0,825)х2х0,8=8
|
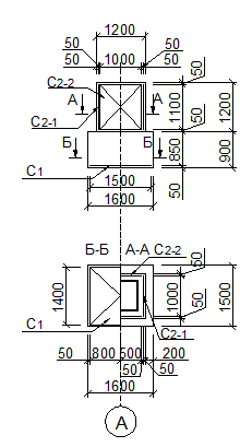
Рис.5 Опалубочный чертеж фундамента.
. ТЕХНОЛОГИЯ АРМАТУРНЫХ РАБОТ, СОСТАВЛЕНИЕ
СПЕЦИФИКАЦИИ АРМАТУРНЫХ ЭЛЕМЕНТОВ
Проектом предусматривается армирование
фундаментов готовыми арматурными сетками, доставленными на строительную
площадку автотранспортом. Размеры сеток не должны превышать размеров кузова
автомобиля по ширине и могут превышать длину кузова не более чем на 1,5 м. В
данном проекте принимаем бортовой автомобиль ЗИЛ-130 с размерами кузова 3,8x2,4х1,9
м и грузоподъемностью 6 т.
Рис.6 Схема армирования фундамента.
Подсчитываем количество стержней, слагающих
сетку, и их общую погонную длину.
м
кг/м
кг
м
кг
м
кг
Таблица 8.1. Спецификация арматурных
элементов.
|
Наименование
элемента
|
марка
|
Размеры
элемента, м
|
Количество,
шт.
|
Масса,
т
|
|
|
длина
|
ширина
|
на
один фундамент
|
на
объект
|
одного
элемента
|
общая
|
|
Горизонтальная
сетка первой ступени
|
С-1
|
1,5
|
1,4
|
1
|
39
|
0,220
|
8,58
|
|
Вертикальная
сетка второй ступени
|
С-2-1
|
1,1
|
1
|
2
|
78
|
0,118
|
9,2
|
|
То
же
|
С-2-2
|
1,1
|
1
|
2
|
78
|
0,118
|
9,2
|
|
Итого:
|
26,98
|
. ОПРЕДЕЛЕНИЕ КОЛИЧЕСТВА ФУНДАМЕНТОВ НА ОДНОЙ
ЗАХВАТКЕ
Выбор комплекта опалубки осуществляется с учетом
технологического соответствия возводимым конструкциям. С одной стороны, это
связано с определением количества фундаментов на захватке и возможной
оборачиваемостью опалубки по каждому рассматриваемому варианту. С другой стороны,
на выбор конструкции опалубки влияет необходимость производства бетонных работ
в зимних условиях и возможность применения метода термоса. Технологическое
соответствие зависит также от расположения фундаментов и их общего количества.
Рекомендуется принимать границы захватки в пределах оси (ряда) здания, либо их
части.
Принимаем 13 фундаментов на захватку. При общем
количестве фундаментов 39, оборачиваемость опалубки составит 39/13=3 раза.
Такой оборачиваемости соответствует деревянная
опалубка из досок толщиной 25 мм. Площадь щитов опалубки соприкасающейся с
бетоном одного фундамента составляет 13,58 м2. Площадь щитов на захватку
составит: 13,58х13=176,54 м2. Материалоемкость 1м2 поверхности опалубки
составляет 22 руб., тогда материалоемкость захватки составит 3883,88 руб.
. ВЫБОР КОМПЛЕКТА ОПАЛУБКИ
На основании расчетов количества фундаментов на
1 захватку (13 фунд) производим подбор комплекта элементов принятой деревянной
опалубки из досок толщиной 25 мм для возведения монолитных железобетонных фундаментов.
Таблица 10.1. Спецификация опалубочных
элементов.
|
Наименование
|
Марка
|
Размеры,
м
|
Площадь
поверхности м2
|
Количество
элементов, шт
|
Масса,
кг
|
|
|
Длина
|
Ширина
|
|
на
1 фундамент
|
на
1 захватку
|
Для
одного фундам.
|
общая
|
|
Щит
1-й ступени
|
Щ-1
|
1,6
|
0,9
|
1,44
|
2
|
26
|
72
|
936
|
|
Щит
1-й ступени
|
Щ-2
|
1,5
|
0,9
|
1,35
|
2
|
26
|
67,5
|
877,5
|
|
Ригель
подколонника
|
Р-1
|
1,6
|
-
|
-
|
2
|
26
|
25
|
325
|
|
Щит
подколонника
|
Щ-3
|
1,2
|
1,2
|
1,44
|
2
|
26
|
72
|
936
|
|
Щит
подколонника
|
Щ-4
|
1,2
|
1,1
|
1,32
|
2
|
26
|
66
|
858
|
|
Стаканообразователь
|
СТ-1
|
|
|
1,68
|
1
|
13
|
42
|
546
|
|
Щит
грани
|
Г-1
|
0.8
|
0.5/0.55
|
-
|
-
|
-
|
-
|
-
|
|
Несущая
балка
|
Б-1
|
0,9
|
|
|
|
|
-
|
-
|
|
Итого
|
-
|
-
|
-
|
-
|
11
|
143
|
344,5
|
4478,5
|
СВОДНАЯ ВЕДОМОСТЬ ОБЪЕМОВ РАБОТ.
|
№
|
Наименование
работы
|
Ед.
изм.
|
Объем
на захватку
|
Объем
на объект
|
|
1
|
Планировка
площадки
|
м3
|
-
|
8242
|
|
2
|
Разработка
грунта в карьере и ввоз на строительную площадку
|
м3
|
-
|
5434
|
|
3
|
Разравнивание
грунта при отсыпке планировочной насыпи
|
м3
|
-
|
5434
|
|
4
|
Уплотнение
грунта планировочной насыпи
|
м3
|
-
|
13842
|
|
5
|
Разработка
ям под отдельно- стоящие фундаменты
|
м3
|
-
|
478
|
|
6
|
Монтаж
щитовой опалубки
|
м2
|
176,5
|
529,6
|
|
7
|
Монтаж
арматурной сетки
|
тонна
|
8,996
|
26,988
|
|
8
|
Бетонирование
опалубки
|
м3
|
48,7
|
146,1
|
|
9
|
Демонтаж
опалубки
|
м2
|
176,5
|
529,6
|
|
10
|
Устройство
гидроизоляции
|
м2
|
144,3
|
432,9
|
|
11
|
Обратная
засыпка пазухов фундаментов
|
м3
|
-
|
312
|
|
12
|
Уплотнение
грунта в пазухах фундаментов
|
м3
|
-
|
312
|
|
13
|
Окончательная
планировка
|
м3
|
-
|
4500
|
. РАЗРАБОТКА ТЕХНОЛОГИЧЕСКОЙ КАРТЫ
Основой для разработки технологической карты
является проектная документация, решения и расчеты, выполненные при разработке
календарного плана работ и строительного генплана.
Технологическая карта состоит из следующих
разделов:
. Область применения.
Технологическая карта разрабатывается для
планировочных работ, работ по отрывке котлована, устройству железобетонных
фундаментов здания. Работы выполняются в летний период года в умеренных
климатических условиях в одну(две) смены. Конструктивно-планировочные решения
сооружения: размер площадки, где производится вертикальная планировка 300х300
м, грунт-глина. Под каждый фундаментный башмак копается отдельная яма глубиной
2,2 м, размеры фундамента в плане - 72x18 м, пролет - 9 м, шаг -6 м.
|
№
п/п
|
Наименование
работ
|
Обоснование
|
Состав
звена
|
|
1
|
Планировка
площадки скрепером
|
§
Е2-1-21 ЕНиР Сб. Е2 Вып.1
|
тракторист
6 разр.-1чел.
|
|
2
|
Разработка
грунта в карьере экскаватором и ввоз на строительную площадку самосвалами
|
§
Е2-1-11 ЕНиР Сб. Е2 Вып.1
|
машинист
5 разр.-1чел.
|
|
3
|
Выравнивание
грунта бульдозером при отсыпке планировочной насыпи
|
§
Е2-1-28 ЕНиР Сб. Е2 Вып.1
|
машинист
6 разр.-1чел.
|
|
4
|
Уплотнение
грунта планировочной насыпи
|
§
Е2-1-30 ЕНиР Сб. Е2 Вып.1
|
тракторист
6 разр.-1чел.
|
|
5
|
Разработка
грунта в котловане экскаватором
|
§
Е2-1-11 ЕНиР Сб. Е2 Вып.1
|
машинист
5 разр.-1чел.
|
|
6
|
Монтаж
деревянной щитовой опалубки
|
§
Е4-1-34 ЕНиР Сб. Е4 Вып.1
|
плотник
4 разр.-1чел. плотник 2 разр.-1чел.
|
|
7
|
Монтаж
арматурных сеток с помощью автокрана
|
§
Е4-1-44 ЕНиР Сб. Е4 Вып.1
|
арматурщик
4 разр.-1чел. арматурщик 2 разр.-3чел.
|
|
8
|
Укладка
бетонной смеси в конструкции
|
§
Е4-1-49 ЕНиР Сб. Е4 Вып.1
|
бетонщик
4 разр.-1чел. бетонщик 2 разр.-1чел.
|
|
9
|
Демонтаж
опалубки
|
§
Е4-1-34 ЕНиР Сб. Е4 Вып.1
|
плотник
3 разр.-1чел. плотник 2 разр.-1чел.
|
|
10
|
Устройство
гидроизоляции
|
§
Е11-40 ЕНиР Сб. Е11
|
гидроизолир.
4 разр.-1чел. гидроизолир. 3 разр.-1чел гидроизолир. 2 разр.-1чел
|
|
11
|
Обратная
засыпка пазух фундаментов
|
§
Е2-1-34 ЕНиР Сб. Е2 Вып.1
|
машинист
6 разр.-1чел.
|
|
12
|
Уплотнение
грунта в пазухах фундаментов
|
§
Е2-1-30 ЕНиР Сб. Е2 Вып.1
|
тракторист
6 разр.-1чел.
|
|
13
|
Окончательная
планировка площадки
|
§
Е2-1-36 ЕНиР Сб. Е2 Вып.1
|
машинист
6 разр.-1чел.
|
. Организация и технология выполнения работ.
Таблица 12.2. Рекомендуемый состав машин и
оборудования
|
Наименование
|
Марка
|
Технические
характеристики
|
Кол-во,
шт.
|
Назначение
|
|
Скрепер
прицепной
|
ДЗ-26 на базе трактора Т-180
|
Емкость
ковша -10м³ Ширина
захвата-2,8м Глубина резания-0,3м Толщина слоя отсыпки-0,5м
Мощность-132(180)кВт(л.с.) Масса скрепера-9,2т
|
1
|
Предварительная
и окончательная планировка площадки
|
|
Вибрационный
каток
|
ЗУР-25
на базе трактора Т-100
|
Ширина
уплотняемой полосы-2,9м Толщина уплотняемого слоя-0,5м Масса катка-15т
|
1
|
Уплотнение
грунта в планировочной насыпи, пазухах фундаментов
|
|
Экскаватор
|
ЭО-3311
|
Вместимость
ковша-0,3м³ Длина стрелы 4,9м
Наибольший радиус резания 7,9м Наибольшая глубина копания-2,6м Наибольшая высота
выгрузки-2,25м Радиус выгрузки в транспорт 4,2м Мощность
двигателя-28(38)кВт(л.с) Масса 11,3т
|
2
|
Отрывка
котлованов под отдельные фундаменты, разработка карьера
|
|
Автосамосвал
|
ГАЗ-САЗ-53Б
|
Вместимость
кузова-4,2м³ Грузоподъемность-3,5т
Погрузочная высота-1,83м Скорость движения в груженом состоянии-30км/ч
Скорость движения в пороженном состоянии-35км/ч
|
6
|
Вывоз
грунта при разработки котлована, ввоз грунта из карьера в планировочную
насыпь,
|
|
Бульдозер
|
ДЗ-9
на базе трактора Т-180
|
Тип
отвала-неповоротный Длинна отвала-3,35м Высота отвала-1,1м
Управление-канатное Мощность двигателя-132(180)кВт(л.с) Масса бульдозерного
оборудования-2,56т
|
1
|
Выравнивание
грунта при отсыпке планировочной насыпи, Обратная засыпка пазух фундамента
|
|
Автокран
|
КС-4361А
|
Максим.
Грузоподъемность-9т Мощность двигателя-75л.с. Длина стрелы-15,5м Высота
подъема крюка-15м Вылет стрелы-5м Масса-23т
|
1
|
Разгрузка
и подача арматурных сеток, подъем грузов
|
|
Автобетоновоз
|
СБ-159А
на базе ЗИЛ-ММЗ-553
|
Темп
выгрузки-1 м³/мин Скорость
движения в груженном состоянии-до 60км/час Длина-7,25м Ширина-2,5м
Высота-3,35м Масса в порожненном сост.-9,5т Масса в груженном сост.-19,15т
|
1
|
транспортирование
бетонной смеси на строительную площадку, заливка бетонной смеси в опалубку
|
|
Автогудронатор
|
ДС-39Б
на базе ЗИЛ-432932
|
Габаритные
размеры 6,65×2,45×2,65м
Масса в снаряженном состоянии-10т Максимальная транспортная скорость-85км/ч
Рабочая скорость: 3,5-24,6км/ч
|
1
|
транспортирование
жидких битумных материалов на строительную площадку, их распыление на
фундаменты
|
|
Бортовой
автомобиль
|
ЗИЛ-130
|
Грузоподъемность-6т
Масса-4,55т Максим. Скорость-90км/ч Размеры кузова: 3,8х2,4х1,9м
|
1
|
Транспортирование
арматурных сеток
|
. Требования к качеству и приемке работ.
Производственный контроль качества
строительно-монтажных работ надлежит осуществлять в соответствии со СНиП
3.01.01-85. Состав контролируемых показателей, допуски в отклонениях, объем, и
методы контроля качества должны соответствовать требованиям СНиП 3.03.01-87
«Несущие и ограждающие конструкции».
При приемочном контроле должна быть представлена
следующая документация:
исполнительные чертежи с внесенными (при их
наличии) отступлениями, допущенными предприятием - изготовителем конструкций, а
также монтажной организацией, согласованными с проектными организациями -
разработчиками чертежей, и документы об их согласовании;
заводские технические паспорта на стальные,
железобетонные конструкции;
документы (сертификаты, паспорта),
удостоверяющие качество материалов, примененных при производстве
строительно-монтажных работ;
акты освидетельствования скрытых работ;
акты промежуточной приемки ответственных
конструкций;
исполнительные геодезические схемы положения
конструкций;
журналы работ;
документы о контроле качества сварных
соединений;
акты испытания конструкций (если испытания предусмотрены
дополнительными правилами настоящих норм и правил или рабочими чертежами).
Таблица 12.3. Требования к укладке и уплотнению
бетонных смесей.
|
Параметр
|
Величина
параметра
|
Контроль
(метод, объем, вид регистрации)
|
|
1.Прочность
поверхностей бетонных оснований при очистке от цементной пленки: водной и
воздушной струей механической металлической щеткой гидропескоструйной
|
Не менее, МПа: 0,3 1,5 5,0
|
Измерительный
по ГОСТ 10180-78, ГОСТ 18105-86, ГОСТ 22690.0-77, журнал работ
|
|
2.Высота
свободного сбрысывания бетонной смеси в опалубку конструкций:
слабоармированных подземных конструкций в сухих и связных грунтах
густоармированных
|
Не более,м: 4,5 3,0
|
Измерительный,
2 раза в смену, журнал работ
|
|
3.Толщина
укладываемых слоев бетонной смеси: при уплотнении смеси тяжелыми подвесными
вертикально расположенными вибраторами при уплотнении смеси подвесными
вибраторами, расположенными под углом к вертикали (до 30º)
при
уплотнении смеси поверхностными вибраторами в конструкциях: неармированных с
одиночной арматурой с двойной арматурой
|
На
5-10 см меньше длинны рабочей части вибратора Не более вертикальной проекции
длины рабочей части вибратора Не более, см: 40 25 12
|
Измерительный,
2 раза в смену, журнал работ
|
Таблица 12.4.Требования при устройстве
арматурных конструкций.
|
Параметр
|
Величина
параметра
|
Контроль
(метод, объем, вид регистрации)
|
|
1.Отклонение
в расстоянии между отдельно установленными рабочими стержнями для: Плит и
стен фундаментов Массивных конструкций
|
±20 ±30
|
Технический
осмотр всех элементов, журнал работ
|
|
2.Отклонение
в расстоянии между рядами арматуры для конструкций толщиной более 1м
|
±20
|
Технический
осмотр всех элементов, журнал работ
|
|
3.Отклонение
от проектной толщины защитного слоя бетона не должно превышать при толщине
размерах поперечного сечения конструкций, мм: До 100 От 100 до 200 От 200 до
300 Св.300
|
+4; -5 +8; -5 +10; -5 +15; -5
|
Технический
осмотр всех элементов, журнал работ
|
Таблица 12.5. Требования, предъявляемые к
законченным бетонным и железобетонным конструкциям или частям сооружений.
|
Параметр
|
Величина
параметра
|
Контроль
(метод, объем, вид регистрации)
|
|
1.Отклонение
линий плоскостей пересечения от вертикали или проектного наклона на всю
высоту конструкций для фундаментов
|
20
мм
|
Измерительный,
каждый конструктивный элемент, журнал работ
|
|
2.Местные
неровности поверхности бетона при проверке двухметровой рейкой, кроме опорных
поверхностей
|
5
мм
|
Измерительный,
не более 5 измерений на каждые 50-100 м, журнал работ
|
|
3.Длинна
или пролет элементов
|
±20
мм
|
Измерительный,
каждый конструктивный элемент, журнал работ
|
|
4.Размер
поперечного сечения элементов
|
+6
мм; -3 мм
|
Измерительный,
каждый конструктивный элемент, журнал работ
|
|
7.Уклон
опорных поверхностей фундаментов при опирании стальных колонн без подливки
|
0,0007
|
Измерительный,
каждый конструктивный элемент, журнал работ, каждый фундамент, исполнительная
схема
|
|
8.Расположение
анкерных болтов: в плане внутри контура опоры в плане вне контура опоры по
высоте
|
5
мм 10 мм +20 мм
|
Измерительный,
каждый конструктивный элемент, журнал работ, каждый фундаментный болт,
исполнительная схема
|
. Калькуляция затрат труда и машинного времени.
|
№
п/п
|
Наименование
процесса
|
§ЕНиР
|
Ед.
изм
|
Объем
работ
|
Норма
времени
|
Затраты
труда
|
|
|
|
|
|
рабочих,
чел.-ч.
|
машинистов,
маш.-ч.
|
рабочих,
чел.-ч.
|
машинистов,
маш.-ч.
|
|
1
|
2
|
3
|
4
|
5
|
6
|
7
|
8
|
9
|
|
1
|
Разработка
грунта скреперами прицепными (планировка площадки 300х300)
|
§
Е2-1-21 ЕНиР Сб. Е2 Вып.1
|
100м³
|
82,42
|
-
|
1,52
|
-
|
125,3
|
|
2
|
Разработка
грунта в карьере экскаватором(в транспортное средство) и ввоз на строительную
площадку самосвалами
|
§
Е2-1-11 ЕНиР Сб. Е2 Вып.1
|
100м³
|
54,34
|
-
|
5,3
|
-
|
288
|
|
3
|
Выравнивание
грунта бульдозером при отсыпке планировочной насыпи
|
§
Е2-1-28 ЕНиР Сб. Е2 Вып.1
|
100м³
|
54,34
|
-
|
0,3
|
-
|
16,3
|
|
4
|
Уплотнение
грунта планировочной насыпи
|
§
Е2-1-30 ЕНиР Сб. Е2 Вып.1
|
100м³
|
13,84
|
-
|
0,27
|
-
|
3,7
|
|
5
|
Разработка
грунта в котловане экскаватором -на вымет -в транспортное средство
|
§
Е2-1-11 ЕНиР Сб. Е2 Вып.1
|
100м³
|
3,12
1,66
|
-
-
|
4,2
5,3
|
-
-
|
13,1
8,8
|
|
6
|
Монтаж
деревянной щитовой опалубки
|
§
Е4-1-34 ЕНиР Сб. Е4 Вып.1
|
м²
|
529,6
|
0,51
|
-
|
270,1
|
-
|
|
7
|
Монтаж
арматурных сеток с помощью автокрана -горизонтальных -вертикальных
|
§
Е4-1-44 ЕНиР Сб. Е4 Вып.1
|
шт
|
39
156
|
0,42
0,79
|
-
-
|
16,4
123,2
|
-
-
|
|
8
|
Укладка
бетонной смеси в конструкции
|
§
Е4-1-49 ЕНиР Сб. Е4 Вып.1
|
м³
|
146,1
|
0,33
|
-
|
48,2
|
-
|
|
9
|
Демонтаж
опалубки
|
§
Е4-1-34 ЕНиР Сб. Е4 Вып.1
|
м²
|
498,3
|
0,13
|
-
|
64,8
|
-
|
|
10
|
Устройство
гидроизоляции
|
§
Е11-40 ЕНиР Сб. Е11
|
100м²
|
4,33
|
11,5
|
-
|
49,8
|
-
|
|
|
11
|
Обратная
засыпка пазух фундаментов
|
§
Е2-1-34 ЕНиР Сб. Е2 Вып.1
|
100м³
|
3,12
|
-
|
0,28
|
-
|
0,9
|
|
|
12
|
Уплотнение
грунта в пазухах фундаментов
|
§
Е2-1-30 ЕНиР Сб. Е2 Вып.1
|
100м³
|
3,12
|
-
|
0,27
|
-
|
0,8
|
|
|
13
|
Окончательная
планировка площадки
|
§
Е2-1-36 ЕНиР Сб. Е2 Вып.1
|
100м³
|
45
|
-
|
1,52
|
-
|
68,4
|
|
. График производства работ.
При производстве работ используем поточный
метод. В отдельные потоки выделяем:
― земляные работы по
вертикальной планировке площадки;
― разработка
котлована под фундаменты;
―железобетонные
монолитные работы;
―работы по установке
щитов опалубки, монтажу арматуры, снятию опалубки. Механизированный процесс
укладки бетона отличается высокой
производительностью. Фронт работ для него
определяется возможностью набора прочности бетоном до снятия опалубки и
перестановки ее на другую захватку. В данном случае время набора прочности
бетона - 3 суток или 72 часа.
Работу проектируем в одну(две) смены при 8,2
часовом рабочем дне и стопроцентном выполнении норм. При составлении графика
продолжительность работ округляем до целого рабочего дня. Продолжительность
работы определяем по формуле:
где, Q - объем работ;
НВР - норма времени на весь объём работ;
Р - количество рабочих в звене;- количество
часов работы звена в один рабочий день.
Продолжительность работ округляем до целого
рабочего дня (смены).
|
Процесс
|
Ед.
изм.
|
Объем
работ
|
Норма
времени,
|
Трудоемкость,
чел.-дн.
|
Продолжительность
времени работы машин, маш.-см.
|
Состав
звена, чел.
|
Принятая
продолжи- тель-ность
|
|
|
|
|
|
|
|
|
|
|
|
чел.-ч.
|
маш.-ч.
|
|
|
|
|
|
Разработка
грунта скреперами прицепными (планировка площадки 300х300)
|
100м³
|
82,42
|
-
|
1,52
|
-
|
7,6
|
1
|
7,6
|
|
Разработка
грунта в карьере экскаватором(в транспортное средство) и ввоз на строительную
площадку самосвалами
|
100м³
|
54,34
|
-
|
5,3
|
-
|
17,6
|
2
|
8,8
|
|
Выравнивание
грунта бульдозером при отсыпке планировочной насыпи
|
100м³
|
54,34
|
0,3
|
-
|
1
|
1
|
1
|
|
Уплотнение
грунта планировочной насыпи
|
100м³
|
13,84
|
-
|
0,27
|
-
|
0,5
|
1
|
0,5
|
|
Разработка
грунта в котловане экскаватором -навымет -в транспортное средство
|
100м³
|
3,12
1,66
|
-
-
|
4,2
5,3
|
-
-
|
0,8
0,5
|
1
|
0,8
0,5
|
|
Монтаж
деревянной щитовой опалубки
|
м²
|
529,6
|
0,51
|
-
|
16,4
|
-
|
2
|
8,2
|
|
Монтаж
арматурных сеток с помощью автокрана -горизонтальных -вертикальных
|
шт
|
39
156
|
0,42
0,79
|
-
-
|
1
7,5
|
-
-
|
4
|
0,3
1,9
|
|
Укладка
бетонной смеси в конструкции
|
м³
|
146,1
|
0,33
|
-
|
3
|
-
|
2
|
1,5
|
|
Демонтаж
опалубки
|
м²
|
498,3
|
0,13
|
-
|
4
|
-
|
2
|
2
|
|
Устройство
гидроизоляции
|
100м²
|
4,33
|
11,5
|
-
|
3
|
-
|
3
|
1
|
|
Обратная
засыпка пазух фундаментов
|
100м³
|
3,12
|
-
|
0,28
|
-
|
0,1
|
1
|
0,1
|
|
Уплотнение
грунта в пазухах фундаментов
|
100м³
|
3,12
|
-
|
0,27
|
-
|
0,1
|
1
|
0,1
|
|
Окончательная
планировка площадки
|
100м³
|
45
|
-
|
1,52
|
-
|
4,2
|
1
|
4,2
|
. Материально-технические ресурсы.
В данном разделе технологической карты
приводится потребность в инструменте, приспособлениях, инвентаре, машинах и
механизмах, необходимых для выполнения проектируемых работ, а также в расходных
материалах, полуфабрикатах, конструкциях и изделиях.
Нормы расходов материалов определяются на
основании ГЭСН-2001-06,
Таблица 12.6. Ведомость потребности в материалах
и полуфабрикатах.
|
Показатель
|
Обоснование
|
Принятая
норма
|
Объем
работ
|
Необходимое
количество
|
|
Щиты
из досок толщиной 25 мм
|
ГЭСН-2001-06
таб.6-01-001-6
|
0,55
|
146,1
|
80,4
м2
|
|
Гвозди
строительные
|
ГЭСН-2001-06
таб.6-01-001-6
|
0,19
|
146,1
|
27,8
кг
|
|
Бетон
(В 15 М300)
|
ГЭСН-2001-06
таб.6-01-001-6
|
1,015
|
146,1
|
148,3
м³
|
|
Вода
|
ГЭСН-2001-06
таб.6-01-001-6
|
0,00364
|
146,1
|
0,53
м³
|
|
Катанка
горячекатаная в мотках Ø 6,3-6,5 мм
|
ГЭСН-2001-06
таб.6-01-001-6
|
0,25
|
146,1
|
36,5
кг
|
|
Проволока
светлая Ø 1,1 мм
|
ГЭСН-2001-06
таб.6-01-001-6
|
0,052
|
146,1
|
7,6
кг
|
|
Рогожа
|
ГЭСН-2001-06
таб.6-01-001-6
|
1,23
|
146,1
|
179,7
м²
|
|
Арматура
Ø
25
мм
|
|
0,157
|
146,1
|
22,94
т
|
|
Смазка
для опалубки
|
|
2,5
|
146,1
|
365,2
кг
|
|
Известь
строительная негашеная комовая, сорт I
|
ГЭСН-2001-06
таб.6-01-001-6
|
0,25
|
146,1
|
36,5
кг
|
Потребность в материально - технических ресурсах
определяется одновременно с разработкой технологических схем комплексной
механизации и графика производства работ.
Исходя из принятого решения по выполнению
процесса, исполнители должны оснащаться тем или иным необходимым набором
инвентаря и инструментов. Комплексно-механизированное выполнение работ требует
использования комплекта строительных машин и механизмов.
Таблица 12.7. Ведомость потребности в
механизмах, инвентарных приспособлениях и инструменте.
|
Наименование
|
Марка
|
Технические
характеристики
|
Количество,
шт.
|
Назначение
|
|
Комплект
оборудования, инструмента и инвентаря на звено арматурщиков
|
|
Сварочный
аппарат
|
ТС-20
|
380
V
|
1
|
Сварка
арматуры
|
|
Набор
инструмента электросварщика:
|
|
Шлем
или щиток
|
ЩС-3
|
|
1
|
Выполнение
сварочных работ
|
|
Светофильтры
|
СФ-7
|
|
2
|
|
|
Электрододержатель
|
ЭД-20
|
|
1
|
|
|
Провод
для электросварки
|
ПРГД
|
2х300
|
30м
|
|
|
Провод
для подключения сварочного аппарата
|
ППСА
|
3х400
|
20м
|
|
|
Шаблон
для проверки размеров швов
|
ШПР-6
|
|
1
|
|
|
Струбцина
для присоединения сварочного кабеля
|
СТРСВ
|
|
1
|
|
|
Молоток
для отбивки шлака
|
МСВ
|
100г
|
1
|
|
|
Зубило
|
ЗСВ-15
|
лезвие
15,25мм
|
2
|
|
|
Домкрат
реечный
|
ДР-5
|
5т
|
2
|
Установка
и крепеж арматурной сетки
|
|
Ножницы
для резки проволоки
|
НРП-8
|
Ø
8 мм
|
1
|
|
|
|
|
|
|
|
Зубило
|
ЗС-20
|
20х60
|
2
|
|
|
Напильник
плоский
|
А-400-1
|
400мм
|
1
|
|
|
Лом
строительный
|
ЛО-24
|
2400мм
|
2
|
|
|
Кувалда
|
КП-1
|
1кг
|
1
|
|
|
Кувалда
кузнечная остроносая
|
КК-3
|
3кг
|
2
|
|
|
Шнур
разметочный в корпусе
|
ШРК-15
|
15м
|
1
|
|
|
Отвес
|
О-400
|
4м
|
2
|
|
|
Рулетка
|
РС-20
|
20м
|
2
|
|
|
Струбцина
|
СС-10
|
200мм
|
8
|
|
|
Комплект
инструмента и оснастки на звено опалубщиков
|
|
Пистолет-краскораспылитель
|
ПКР-50
|
произв.50м³/ч
|
1
|
Установка и крепеж опалубки
|
|
Домкрат
реечный
|
ДР-5
|
5т
|
1
|
|
|
Домкрат
винтовой
|
ДВ-3
|
3т
|
1
|
|
|
Ключ
гаечный разводной
|
КГР-30
|
30мм
|
1
|
|
|
Кувалда
|
КП-1
|
1кг
|
1
|
|
|
Молоток
плотничий
|
МПЛ
|
80г
|
2
|
|
|
Напильник
трехгранный
|
Г-200-3
|
200мм
|
1
|
|
|
Лом-гвоздодер
|
ЛГ-20А
|
2м
|
2
|
|
|
Отвертка
|
ОВ-35
|
350х1,4
|
1
|
|
|
Лом
|
ЛЛ-150
|
1,5м
|
2
|
|
|
Ножницы
для резки проволоки
|
НРП-8
|
Ø
8 мм
|
1
|
|
|
Скребок
на длинной ручке
|
СДР-15
|
1,5м
|
1
|
|
|
Топор
плотничий
|
А-2
|
200г
|
2
|
|
|
Ножовка
по дереву
|
НД-500
|
500мм
|
2
|
|
|
Конопатка
стальная
|
КС-150
|
150мм
|
2
|
|
|
Клещи
строительные
|
КЛС-250
|
250мм
|
2
|
|
|
Стамески
комплект
|
КСТ-64
|
6-40мм
|
1
|
|
|
Шнур
разметочный
|
ШР-15
|
15м
|
2
|
|
|
Уровень
|
УС-2-700
|
700мм
|
1
|
|
|
Рулетка
|
РС-15
|
15м
|
2
|
|
|
Угольник
стальной
|
УСТ-500
|
520х240
|
2
|
|
|
Приспособление
для извлечения вкладышей
|
ПИВ-2
|
200мм
|
2
|
|
|
Брусок
шлифовальный
|
БШЛ
|
|
1
|
|
|
Предохранительный
пояс
|
ПРП
|
|
3
|
|
|
Комплект
инструмента и инвентаря на звено бетонщиков
|
|
Электротрамбовка
|
ЭТР-10
|
7…10
м³/ч
|
1
|
Укладка
и уплотнение бетонных смесей
|
|
Вибратор
поверхностный
|
ВП-6
|
силой
4…6 кН
|
1
|
ВГ-14
|
-1,35…14
кН
|
3
|
|
|
Перегрузочный
бункер
|
ПБ
|
0,5
м³
|
1
|
|
|
Бетонолом
|
БЛ
|
200
мм
|
1
|
|
|
Гребок
для бетонных работ
|
ГБР
|
300
мм
|
2
|
|
|
Лопата
совковая
|
ЛП-2
|
250
мм
|
2
|
|
|
Лопата
штыковая
|
ЛШ-2
|
200
мм
|
1
|
|
|
Лопата
на удлиненной ручке
|
ЛДР-2
|
200
мм
|
1
|
|
|
Кельма
|
КБ
|
100
мм
|
2
|
|
|
Правило
|
ПР-11
|
100
мм
|
2
|
|
|
Молоток
слесарный
|
А-5
|
80г
|
1
|
|
|
Отвертка
|
Б
|
250х0,7
|
1
|
|
|
Лом
строительный
|
ЛО-28
|
1,5м
|
1
|
|
|
Кувалда
|
КП-1
|
1кг
|
2
|
|
|
Скребок
шуровка
|
СШ-2
|
1,5м
|
2
|
|
|
Скребок
на удлиненной ручке
|
СДР-3
|
2,0м
|
3
|
|
|
Гладилка
стальная
|
ГБК-2
|
1,5м
|
1
|
|
|
Щетка
стальная
|
ЩС
|
20см
|
1
|
|
|
Топор
плотничий
|
А-2
|
200г
|
1
|
|
|
Ножовка
по дереву
|
НД-500
|
500мм
|
1
|
|
|
Отвес
|
О-400
|
4м
|
1
|
|
|
Рулетка
|
РС-20
|
20м
|
1
|
|
. Техника безопасности.
(СНиП 12-03-99 БЕЗОПАСНОСТЬ ТРУДА В
СТРОИТЕЛЬСТВЕ;
СНиП III-4-80* ТЕХНИКА БЕЗОПАСНОСТИ В
СТРОИТЕЛЬСТВЕ)
.1. Земляные работы
.1.1 До начала производства земляных работ в
местах расположение действующих подземных коммуникаций должны быть разработаны
и согласованы с организациям, эксплуатирующими эти коммуникации мероприятия по
безопасным условиям труда, а расположение подземных коммуникаций на местности
обозначено соответствующими знаками или надписями.
.1.2 Производство земляных работ в зоне действующих
подземных коммуникаций следует осуществлять под непосредственным руководством
прораба или мастера, а в охранной зоне кабелей, находящихся под напряжением,
или действующего газопровода, кроме того, под наблюдением работников
электросетей или газового хозяйства.
.1.3 При обнаружении взрывоопасных материалов
земляные работы в этих местах следует немедленно прекратить до получения
разрешения от соответствующих органов.
.1.4 Перед началом производства земляных работ
на участках с возможным патогенным заражением почвы (свалка, скотомогильники,
кладбища и т.п.) необходимо разрешение органов Государственного санитарного
надзора.
.1.5 Котлованы и траншеи, разрабатываемые на
улицах, проездах, во дворах нас ленных пунктов, а также местах, где происходит
движение людей или транспорта, должны быть ограждены защитным ограждением с
учетов требований ГОСТ 23407. На ограждении необходимо устанавливать
предупредительные надписи и знаки, а в ночное время - сигнальное освещение.
Места прохода людей через траншеи должны быть
оборудованы переходными мостиками, освещаемыми в ночное время.
.1.6 на расстоянии не менее 0,5 м от бровки
выемки.
.1.7 Разрабатывать грунт в котлованах и траншеях
"подкопом" не допускается.
.1.8 Валуны и камни, а также отслоения грунта,
обнаруженные на откосах, должны быть удалены.
.1.9 Рытье котлованов и траншей с вертикальными
стенками без креплений в нескальных и незамерзших грунтах выше уровня грунтовых
вод и при отсутствии вблизи подземных сооружений допускается на глубину не
более, м:
,0 - в насыпных, песчаных и крупнообломочных
грунтах;
,25 -в супесях;
,50 - в суглинках и глинах.
.1.10 Рытье котлованов и траншей с откосами без
креплений в нескальных грунтах выше уровня грунтовых вод (с учетом капиллярного
поднятия) или в грунтах, осушенных с помощью искусственного водопонижения,
допускается при глубине выемки и крутизне откосов согласно
Таблица 12.8.
|
Виды
грунтов
|
Крутизна
откоса (отношение его высоты к заложению) при глубине выемки, м, не более
|
|
1,5
|
3
|
5
|
|
Насыпные
и неуплотненные Песчаные и гравийные Супесь Суглинок Глина Лессы и
лессовидные
|
1:0,67
1:0,5 1:0,25 1:0 1:0 1:0
|
1:1
1:1 1:0,67 1:0,5 1:0,25 1:0,5
|
1:1,25
1:1 1:0,85 1:0,75 1:0,5 1:0,5
|
|
Примечание.
При напластовании различных видов грунта крутизну откосов для всех пластов
надлежит назначать по наиболее слабому виду грунта.
|
.1.11 Крутизна откосов выемок глубиной более 5 м
во всех случаях и глубиной менее 5 м при гидрогеологических условиях и видах
грунтов, не предусмотренных п. 7.1.10 и таблицей, должна устанавливаться
проектом.
.1.12 При невозможности применения инвентарных
креплений стенок котлованов или траншей следует применять крепления,
изготовленные по стандартной технологии.
.1.13 При установке креплений верхняя часть их
должна выступать над бровкой выемки не менее чем на 15 см.
.1.14 Устанавливать крепления необходимо в
направлении сверху вниз по мере разработки выемки на глубину не более 0,5 м.
Разборку креплений следует производить в
направлении снизу вверх по мере обратной засыпки выемки.
.1.15 Разработка роторными и траншейными
экскаваторами в связных грунтах (суглинках, глинах) траншей с вертикальными
стенками без крепления допускается на глубину не более 3 м. В местах, где
требуется пребывание рабочих, должны устраиваться крепления траншей или
откосов.
.1.16 Производство работ в котлованах и траншеях
с откосами, подвергшимися увлажнению, разрешается только после тщательного
осмотра производителем работ (мастером) состояния грунта откосов и обрушения
неустойчивого грунта в местах, где обнаружены "козырьки" или трещины
(отслоения).
.1.17 Перед допуском рабочих в котлованы или
траншеи глубиной более 1,3 м должна быть проверена устойчивость откосов или
крепления стен.
.1.18 Котлованы и траншеи, разработанные в
зимнее время, при наступлении оттепели должны быть осмотрены, а по результатам
осмотра должны быть приняты меры к обеспечению устойчивости откосов или
креплений.
.1.19* В случаях необходимости выполнения работ,
связанных с электропрогревом грунта, должны соблюдаться требования пп.
6.4.1-6.4.12 СНиП 12-03. Прогреваемую площадь следует ограждать, устанавливать
на ней предупредительные сигналы, а в ночное время освещать. Расстояние между
ограждением и контуром прогреваемого участка должно быть не менее 3 м.
На участках прогреваемой площади, находящихся
под напряжением, пребывание людей не допускается.
.1.20 Линии временного электроснабжения к
прогреваемым участкам
перемещения электрооборудования и перекладки
электропроводок следует визуально проверять их исправность.
.1.21 При извлечении грунта из выемок с помощью
бадей необходимо устраивать защитные навесы-козырьки для укрытия работающих в
выемке.
.1.22 Погрузка грунта на автосамосвалы должна
производиться со стороны заднего или бокового борта.
.1.23 При разработке выемок в грунте
экскаватором с прямой лопатой высоту забоя следует определять с таким расчетом,
чтобы в процессе работы не образовывались "козырьки" из грунта.
.1.24 При разработке, транспортировании,
разгрузке, планировке и уплотнении грунта двумя или более самоходными или
прицепными машинами (скреперами, грейдерами, катками, бульдозерами и др.),
идущими одна за другой, расстояние между ними должно быть не менее 10 м.
.1.25 Односторонняя засыпка пазух у
свежевыложенных подпорных стен и фундаментов допускается после осуществления
мероприятий обеспечивающих устойчивость конструкции, при принятых условиях,
способах и порядке засыпки.
.2. Требования безопасности при эксплуатации
мобильных машин и транспортных средств.
.2.1 При размещении мобильных машин на
производственное территории руководитель работ должен до начала работы
определить рабочую зону машины и границы создаваемой ею опасной зоны. При этом
должна быть обеспечена обзорность рабочей зоны, а также рабочих зон с рабочего
месте машиниста. В случаях, когда машинист, управляющий машиной, не имеет
достаточного обзора, ему должен быть выделен сигнальщик.
Со значением сигналов, подаваемых в процессе
работы и передвижение машины, должны быть ознакомлены все лица, связанные с ее
работой. Опасные зоны, которые возникают или могут возникнуть во время работы
машины должны быть обозначены знаками безопасности и (или) предупредительными
знаками.
.2.2 Техническое состояние и оборудование
автомобилей всех типов, марок и назначений, находящихся в эксплуатации, должны
соответствовать Правилам по охране труда на автомобильном транспорте.
Они должны проходить технические осмотры в
соответствии с Правилами проведения государственного технического осмотра
транспортных средств Государственной инспекцией безопасности дорожного движения
МВД России.
.2.3 При размещении и эксплуатации машин,
транспортных средств должны быть приняты меры, предупреждающие их опрокидывание
или самопроизвольное перемещение под действием ветра, при уклоне местности или
просадке грунта.
.2.4 Перемещение, установка и работа машины,
транспортного средства вблизи выемок (котлованов, траншей, канав и т.п.) с
неукрепленными откосами разрешаются только за пределами призмы обрушения грунта
на расстоянии, установленном организационно-технологической документацией.
При отсутствии соответствующих указаний в
проекте производства работ минимальное расстояние по горизонтали от основания
откоса выемки до ближайших опор машины допускается принимать по таблице 12.9.
Таблица 12.9.
|
Глубина
выемки, м
|
Грунт
|
|
песчаный
|
супесчаный
|
суглинистый
|
Глинистый
|
|
Расстояние
по горизонтали от основания откоса выемки до ближайшей машины, м
|
|
1,0
2,0 3,0 4,0 5,0
|
1,5
3,0 4,0 5,0 6,0
|
1,25
2,40 3,60 4,40 5,30
|
1,00
2,00 3,25 4,00 4,75
|
1,00
1,50 1,75 3,00 3,50
|
.2.5 Строительно-монтажные работы с применением
машин в охранной зоне действующей линии электропередачи следует производить под
непосредственным руководством лица, ответственного за безопасность производства
работ, при наличии письменного разрешения организации -владельца линии и
наряда-допуска, определяющего безопасные условия работ и выдаваемого в
соответствии с требованиями 4.12 при выполнении следующих
.2.6 При установке строительных машин и
применении транспортные средств с поднимаемым кузовом в охранной зоне воздушной
лини электропередачи необходимо снять напряжение с воздушной лини электропередачи.
.2.7 При обоснованной невозможности снятия
напряжения с воздушной линии электропередачи работу строительных машин в
охранной зоне линии электропередачи разрешается производить при условии
выполнение следующих требований:
а) расстояние от подъемной или выдвижной
части строительной машины в любом ее положении до находящейся под напряжением
воздушной линии электропередачи должно быть не менее указанного в таблице 2
согласно ГОСТ 12.1.051;
б) корпуса машин, за исключением машин на
гусеничном ходу, должны быть заземлены при помощи инвентарного переносного
заземления;
Таблица 12.10.
|
Напряжение
воздушной линии, кВ
|
Расстояние,
м
|
|
Минимальное
|
Минимально
измеряемое техническими средствами
|
|
До
20 Св.20-35 »35-100 »110-220 »220-400 »400-750 »750-1150
|
2,0
2,0 3,0 4,0 5,0 9,0 10,0
|
2,0
2,0 4,0 5,0 7,0 10,0 11,0
|
.2.8 Установка стрелового самоходного крана в
охранной зоне линии электропередачи на аутригеры и расцепление стропов перед
подъемом стрелы должны осуществляться непосредственно машинистом крана без
привлечения стропальщиков.
Для технического обслуживания и ремонта
мобильных машин они должны быть выведены из рабочей зоны.
.2.10 При необходимости использования машин в
экстремальных условиях (срезка грунта на уклоне, расчистка завалов вблизи ЛЭП
или эксплуатируемых зданий и сооружений) следует применять машины оборудованные
дополнительными средствами коллективной защитыпроизводственных факторов,
возникающих при работе машин в указанных условиях.
.2.11 При перемещении машины, транспортного
средства своим ходом, на буксире или на транспортных средствах по дорогам
общего назначения должны соблюдаться правила дорожного движения.
Транспортирование машин, транспортных средств
через естественные препятствия или искусственные сооружения, а также через
неохраняемые железнодорожные переезды допускается только после обследования
состояния пути движения. При необходимости путь движения машины, транспортного
средства должен быть спланирован и укреплен с учетом требований, указанных в
эксплуатационной документации машины, транспортного средства.
.2.12 При эксплуатации машин, имеющих подвижные
рабочие органы, необходимо предупредить доступ людей в опасную зону работы,
граница которой находится на расстоянии не менее 5 м от предельного положения
рабочего органа, если в инструкции завода-изготовителя отсутствуют иные
повышенные требования.
.2.13 Не разрешается эксплуатация электротележки
при неисправности токоприемника, контроллера, тормозов и сигналов, а также при
отсутствии средств защиты от воздействия электрического тока (диэлектрического
коврика, диэлектрических перчаток).
.3 Бетонные и железобетонные работы.
.3.1 Опалубку, применяемую для возведения
монолитных железобетонных конструкций, необходимо изготовлять и применять в
соответствии с проектом производства работ, утвержденным в установленном
порядке.
.3.2 При установке элементов опалубки в
несколько ярусов каждый последующий ярус следует устанавливать только после
закрепления нижнего яруса.
.3.3