Планировка площадки, отрывка котлованов и возведение железобетонных фундаментов зданий
МИНИСТЕРСТВО ОБРАЗОВАНИЯ И НАУКИ
РОССИЙСКОЙ ФЕДЕРАЦИИ
Федеральное агентство по образованию
МОСКОВСКИЙ ГОСУДАРСТВЕННЫЙ
СТРОИТЕЛЬНЫЙ УНИВЕРСИТЕТ
Кафедра водоснабжения и водоотведения
Курсовой проект
по предмету: «Технология строительных
процессов»
тема: «Планировка площадки, отрывка
котлованов и возведение железобетонных фундаментов зданий»
РУКОВОДИТЕЛЬ ПРОЕКТА: Сборщиков С.Б
Студент гр.4-ПГС-1-НВ: Глотов С.А.
Нижневартовск 2012
СОДЕРЖАНИЕ
Исходные данные
1. Введение
2. Определение положения линии нулевых работ
. Определение объемов грунта в планировочных выемке и
насыпи, в откосах площадки, отдельных выемках
. Составление баланса и плана распределения земляных
масс
. Определение средней деятельности перемещения грунта
на строительной площадке
. Выбор механизмов для производства основных видов
земляных работ
. Составление спецификации конструктивных элементов
фундаментов
. Технология арматурных работ, составление
спецификации арматурных элементов
. Определение количества фундаментов на одной захватке
. Выбор комплекта опалубки
. Определение параметров бетонирования в зимних
условиях
. Разработка технологической карты
. Список используемой литературы
ИСХОДНЫЕ ДАННЫЕ
Схема площадки
Рабочие отметки в вершинах квадратов, см
|
№ пп
|
Номера вершин
|
Наименование грунта
|
Расстояние до отвала
|
|
1 9
|
2 10
|
3 11
|
4 12
|
5 13
|
6 14
|
7 15
|
8 16
|
|
|
|
1
|
0,65 -0,25
|
0,7 0,0
|
0,35 -0,42
|
0,45 0,15
|
0,45 -0,35
|
0,2 -0,65
|
0,42 -0,75
|
0,35 -0,6
|
песок
|
4
|
План здания
фундамент арматурный
котлован
lx12 -
пролет здания, L - шаг колонн
Исходные данные
|
Размеры в осях, м
|
Размеры фундамента, м
|
Глубина котлована Нк, м
|
Диаметр арматуры, мм
|
Температура, ºС
|
|
Lxn
|
lxn
|
а1
|
b1
|
а2
|
b2
|
h1
|
h2
|
|
|
|
|
12х3
|
6х12
|
1,5
|
1,5
|
1,0
|
1,0
|
0,8
|
1,2
|
1,5
|
18
|
-10
|
Схема фундамента
1.
ВВЕДЕНИЕ
При строительстве любого здания или сооружения, а также планировке и
благоустройстве территорий ведут переработку грунта. Переработка включает
следующие основные процессы: разработку грунта, его перемещение, укладку и
уплотнение.
Непосредственно выполнению этих процессов в ряде случаев предшествуют или
сопутствуют подготовительные процессы, которые осуществляют до начала
разработки грунта, и вспомогательные процессы-до или в процессе возведения
земляных сооружений. Весь этот комплект процессов называется земляными
работами. Земляные работы включают подготовительные, вспомогательные и основные
работы.
К подготовительным работам относятся: подготовка территории (валка
деревьев, срезка кустарников и др.), обеспечение водоотвода и осушение
территорий, геодезическая разбивка, прокладка дорог.
К вспомогательным работам относятся: устройство временных креплений
котлованов и траншей, водоотлив, понижение уровня грунтовых вод, искусственное
закрепление слабых грунтов.
Основными процессами в комплексе земляных работ являются отрывка
котлована и траншей, планировка площадок, отсыпка насыпей с уплотнением
грунтов, транспортирование грунта в отвал, подчистка и планировка дна
котлована, отделка откосов.
В настоящее время грунт перерабатывают механизированным способом с
помощью различных землеройных, землеройно-транспортных машин, средств
гидромеханизации, бурением, а также взрывным способом. Однако на многих
объектах при мелких рассредоточенных объемах работ применяется также ручной
труд. Производство работ вручную даже в небольших объемах влияет на общие
затраты труда, т.к. производительность ручного труда в 20-30 раз ниже
механизированного. Поэтому необходимо повысить уровень механизации при земляных
работах.
2. ОПРЕДЕЛЕНИЕ ПОЛОЖЕНИЯ ЛИНИИ НУЛЕВЫХ РАБОТ
Линия нулевых работ (ЛНР) соединяет точки с рабочими отметками, равными
нулю, которые располагаются на сторонах квадратов, соединяющих вершины с
рабочими отметками противоположных знаков. Положительные по знаку рабочие отметки
соответствуют насыпи, отрицательные - выемке.
Рис.1 Схема определения ЛНР
где, х - расстояние от вершины квадрата с положительной рабочей отметкой
до точки нулевых работ, М;
hн и hв - значения рабочих отметок вершин
квадратов насыпи и выемки, соответственно, принятых по абсолютной величине.

Рис.2 Положение ЛНР
3. ОПРЕДЕЛЕНИЕ ОБЪЕМОВ ГРУНТА В ПЛАНИРОВОЧНЫХ ВЫЕМКЕ И НАСЫПИ, В ОТКОСАХ
ПЛОЩАДКИ, ОТДЕЛЬНЫХ ВЫЕМКАХ
Определяем объем грунта в откосах выемки (кроме угловых):
где,
Lп - периметр сторон выемки;- коэффициент заложения откоса;ср - абсолютная
величина средней рабочей отметки по периметру выемки.
Таблица 1. Расчет объемов грунта насыпи и выемки
|
№
|
Выемка (m = 0,25)
|
Насыпь (m =
0,25; К = 1,04)
|
|
|
(h1+h2+…+hn)/n
|
hср,M
|
F,M²
|
V,M²
|
(h1+h2+…+hn)/n
|
hср,M
|
F,M²
|
V,M²
|
V/К,M²
|
|
|
I
|
|
|
|
|
(0,65+0,7+0,2+0,45)/4
|
0,5
|
10000
|
5000
|
4807,69
|
|
|
II
|
|
|
|
|
(0,7+0,35+0,42+0,2)/4
|
0,4175
|
10000
|
4175
|
4014,42
|
|
|
III
|
|
|
|
|
(0,35+0,45+0,35+0,42)/4
|
0,3925
|
10000
|
3925
|
3774,04
|
|
|
IV
|
(0,25+0+0)/3
|
0,083
|
1800
|
149,4
|
(0,45+0,2+0+0)/4
|
0,1625
|
8200
|
1332,5
|
1281,25
|
|
|
V
|
(0+0,42+0)/3
|
0,14
|
2500
|
350
|
(0,2+0,42+0+0)/4
|
0,31
|
7500
|
2325
|
2235,58
|
|
|
VI
|
(0,42+0+0)/3
|
0,14
|
1750
|
245
|
(0,42+0,35+0,15+0+0)/5
|
0,184
|
8250
|
1518
|
1459,62
|
|
|
VII
|
(0,35+0,65+0+0,25)/4
|
0,313
|
10000
|
3125
|
|
|
|
|
|
|
|
VIII
|
(0,65+0,75+0,42+0)/4
|
0,455
|
10000
|
4550
|
|
|
|
|
|
|
|
IX
|
(0,75+0,6+0+0+0,42)/5
|
0,354
|
9700
|
3433,8
|
(0+0,15+0)/3
|
0,05
|
300
|
15
|
14,42
|
|
|
Отк
|
|
0,371
|
|
8,89
|
|
0,344
|
|
10,13
|
9,74
|
|
|
Итого:
|
11862,09
|
Итого:
|
18300,6
|
17596,7
|
Определяем объем грунта в угловых откосах выемки:
где,
h13 - высота пирамиды в т.13;
где,
h16 - высота пирамиды в т.16;
Определяем
общий объем грунта в откосах выемки:
VВ,общ=Vв+V13+V16=8,88+0,0009+0,0045=8,89М²
Определяем
объем грунта в откосах насыпи (кроме угловых):
где,
Lп - периметр сторон насыпи;- коэффициент заложения откоса;ср - абсолютная
величина средней рабочей отметки по периметру насыпи.
Определяем
объем грунта в угловых откосах насыпи:
где,
h1 - высота пирамиды в т.1;
где,
h4 - высота пирамиды в т.4;
Определяем
объем грунта в откосах насыпи:
VН,общ=Vн+V1+V4=10,12+0,006+0,0019=10,13М²
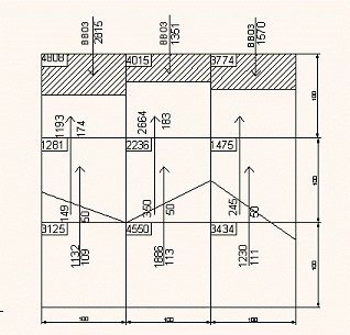
Для
принятия решения об устройстве земляного сооружения вычерчиваем продольные
профили отдельных котлованов под каждый фундамент по рядам в обоих направлениях
с учетом крутизны откосов m = 0,5 (песок) и глубины заложения фундамента Нк =
1,5м (по заданию).
Рис.
3 Продольный профиль отдельных котлованов в осях А - Б
Рис.
4 Поперечный профиль отдельных котлованов в осях 1 - 2
Точка
пересечения линии откоса в продольном профиле находится выше отметки уровня
земли, поэтому принимаем ямы под отдельные фундаменты и рассчитываем объемы земляных
работ при разработке 52 отдельных выемок по заданию:
где
- глубина котлована по заданию, м;
FB=3,4x3.4
= 11.56 М²
-площадь траншеи по верху
FH =
1,9х1,9=3,61М - площадь траншеи по низу
Объем
обратной засыпки:
-
коэффициент остаточного разрыхления грунта после уплотнения для суглинка
.
СОСТАВЛЕНИЕ БАЛАНСА И ПЛАНА РАСПРЕДЕЛЕНИЯ ЗЕМЛЯНЫХ МАСС
Таблица
2. Ведомость сводного баланса грунтовых масс
|
Место разработки грунта
|
Объем грунта, м3
|
Место укладки грунта
|
Объем грунта,м3
|
|
Планировочная выемка
|
11862,09
|
Планировочная насыпь
|
17596,76
|
|
Резерв (карьер)
|
5734,67
|
Отвал
|
-
|
|
Котлован под фундаменты
|
495,7
|
Обратная засыпка пазух
фундамента
|
332,9
|
|
|
Планировочная насыпь
|
162,8
|
|
|
Отвал
|
-
|
|
Итого
|
18092,46
|
Итого
|
18092,46
|
В данном случае определился отрицательный баланс, поэтому для устройства
планировочной насыпи объем недостающего грунта разрабатываем в карьере,
расположенном за пределами площадки, и доставляем автосамосвалами. Необходимо
иметь ввиду, что вытесненых фундаментами грунт будет уложен в планировочную
насыпь.
Рис.5 Схема распределения грунтовых масс на площадке
В соответствии с полученными данными делим площадку на три зоны, имеющие
при производстве работ самостоятельное значение. В данном случае из карьера привозится:
5734,67-162,8=5571,87М/куб грунта.
. ОПРЕДЕЛЕНИЕ СРЕДНЕЙ ДАЛЬНОСТИ ПЕРЕМЕЩЕНИЯ ГРУНТА НА СТРОИТЕЛЬНОЙ
ПЛОЩАДКЕ
Среднюю дальность перемещения грунта при вертикальной планировке
определяем аналитическим способом. Для этого сначала находим координаты центров
тяжести объемов выемок и заменяем центрами тяжести площадей их оснований
относительно прямоугольной системы координат, в качестве осей которой принимаем
стороны планируемой площадки. Расчетная формула средней дальности перемещения
грунта:
=
146,7М.
где,
∑Vi - суммарный объем выемки, перемещаемый в насыпь;
Vi, V2,…V9 -
объемы выемок в элементарных фигурах;
l1, l2,… l9 -
расстояния между центрами тяжести элементарных фигур.
Окончательно
принимаем среднюю дальность перемещения грунта на строительной площадке равную Lср =
150м.
.
ВЫБОР МЕХАНИЗМОВ ДЛЯ ПРОИЗВОДСТВА ОСНОВНЫХ ВИДОВ ЗЕМЛЯНЫХ РАБОТ
Необходимо
обосновать выбор следующих основных механизмов:
машин
для осуществления планировочных работ
машин
для разработки котлована
машин
для отгрузки грунта из котлована
Выбор
машин для планировочных работ.
Основным
критерием является дальность перемещения грунта, которая определяет выбор
механизмов. В данном случае принимаем прицепные скреперы с ковшом от 7 до 15
м3.Согласно табл.1 ЕНиР. Сб. Е2 Вып.1 «Земляные работы» определяем, что грунт
песок относится ко II-й группе по трудности разработки скреперами. Выбор
машины для планировки осуществляем на основании сравнения трех вариантов однотипных
машин (табл.3) Данные для сравнения берем согласно § Е2-1-21 «Разработка и
перемещение грунта скреперами» из ЕНиР.
Таблица 3. Нормы времени и расценки на 100 М3 грунта
|
№ варианта
|
Марка трактора
|
Марка скрепера (вместимость
ковша скрепера, м3)
|
Расстояние перемещения
грунта
|
Стоимость машино-смены, р.
|
|
|
|
До 100м
|
Добавлять на каждые 10м.
|
|
|
|
|
Группа грунта II
|
|
|
|
|
|
трактор
|
скрепер
|
|
1
|
Т-100
|
ДЗ-20(7)
|
1,7 1-80
|
0,1 0-10,6
|
19,29
|
23,44
|
|
2
|
Т-180
|
ДЗ-26(10)
|
1,1 1-17
|
0,06 0-0,64
|
32,10
|
39,44
|
|
3
|
ДЭТ-250
|
ДЗ-23(15)
|
0,93 1,05
|
0,05 0-05,7
|
46,08
|
79,21
|
|
|
|
|
|
|
|
|
Определяем
экономические показатели для объема перемещаемого грунта
на
и при
продолжительности смены равной
Вариант
1 Определяем норму времени для перемещения 100
грунта
на принятое расстояние:
, тогда трудоемкость составит:
машино-времени.
Определяем
затраты на перемещение 100
грунта на принятое расстояние
тогда стоимость смены тракториста:
Определяем
стоимость эксплуатации Варианта №1. Она складывается из стоимость трактора,
скрепера и зарплаты тракториста:
Вариант
2 Определяем норму времени для перемещения 100
грунта
на принятое расстояние:
, тогда трудоемкость составит:
машино-времени.
Определяем
затраты на перемещение 100
грунта на принятое расстояние
тогда стоимость смены тракториста:
Определяем
стоимость эксплуатации Варианта №2. Она складывается из стоимость трактора,
скрепера и зарплаты тракториста:
Вариант
3 Определяем норму времени для перемещения 100
грунта
на принятое расстояние:
, тогда трудоемкость составит:
машино-времени.
Определяем
затраты на перемещение 100
грунта на принятое расстояние
тогда стоимость смены тракториста:
Определяем
стоимость эксплуатации Варианта №1. Она складывается из стоимость трактора,
скрепера и зарплаты тракториста:
Окончательно
принимаем прицепной скрепер ДЗ-26 с ковшом вместимость 10м3 на базе трактора
Т-180 под управлением тракториста 6 разряда
Выбор
экскаватора для разработки котлована
Данные
для сравнения берем согласно § Е2-1-11 «Разработка грунта в котлованах и
траншеях одноковшовыми экскаваторами, оборудованными обратной лопатой»
Норму
времени для экскаватора определяем как составную «в транспорт» и «навымет». В
этой связи трудоемкость работы экскаватора определяется как
где,
- трудоемкость работы экскаватора в транспортное
средство;
-
трудоемкость работы экскаватора навымет;
;
- объем грунта, соответственно, перемещаемое в
транспортное средство и оставляемое для обратной засыпки пазухов фундамента;
;
-норма времени работы экскаватора, соответственно, в
транспортное средство и навымет.
-
продолжительность смены, принимается равной 8 часов.
По
справочному материалу определяем стоимость маш.-см. экскаватора, на основании
которой и трудоемкости определяют стоимость эксплуатации. Принимают тот вариант
который, имеет наименьшую величину этого показателя.
|
№
|
Тип ковша
|
Марка экскаватора
(вместимость и тип ковша, )Способ
разработки грунтаСтоимость машино-смены, р.
|
|
|
|
|
|
с погрузкой в транспортные
средства
|
навымет
|
|
|
|
|
Группа грунта Il
|
|
|
1
|
Механический
|
ЭО-1621 (0,15 с режущей
кромкой)
|
14 11-06
|
10,5 8-30
|
28,78
|
|
2
|
Гидравлический
|
ЭО-2621А(0,25)
|
5,9 5-37
|
5 4-55
|
31,08
|
Определяем
экономические показатели для объема грунта навымет, составляемого для обратной
засыпки пазух фундамента
= 332,9
Вариант
1. Определяем трудоемкость работы экскаватора:
машино-времени.
Тогда
стоимость смены машиниста составит:
Определяем
стоимость эксплуатации Варианта №1. Она складывается из стоимости трактора,
скрепера и зарплаты тракториста:
Вариант
2. Определяем трудоемкость работы экскаватора:
машино-времени.
Тогда
стоимость смены машиниста составит:
Определяем
стоимость эксплуатации Варианта №2. Она складывается из стоимости экскаватора и
зарплаты машиниста:
Окончательно
принимаем одноковшовый экскаватор ЭО-2621А, оборудованный обратной лопатой с
гидравлическим приводом, с вместимостью ковша 0,25 М³ под управлением машиниста 5-го разряда.
Выбор
самосвалов для перевозки грунта. Для отвозки лишнего грунта из котлована
необходимо подобрать марку самосвала, определить их количество, обеспечивающее
бесперебойную работу ведущего механизма - экскаватора.
Определяем
объем грунта Vг (М³) в
плотном теле в ковше экскаватора:
где,
VКОВШ = 0,25 М³ - емкость ковша принятого экскаватора;
kнап = 0,9 -
принятый коэффициент наполнения ковша для обратной лопаты;
kпр = 1,15 -
принятый коэффициент первоночального разрыхления грунта песок (прил.2. ЕНиР.
Сб.Е2 Вып.1).
Определяем
массу грунта Q(T)в ковше экскаватора:
Q=VГ х p,
где
р - плотность грунта (ЕНиР сб.2).
На
основании справочного материала (ВСН 10-72 Минавтодор РСФСР) осуществляем
подбор марки автосамосвала. Для достижения наибольшей производительности кузов
автосамосвала должен быть больше емкости ковша экскаватора в 3-7 раз, т.е. в
диапазоне 0,75-1,75 М³.
Принимаем автосамосвал ЗИЛ-ММЗ-555 с
емкостью кузова VКуз = 3,7 М³ и грузоподъемностью Гп=5,25т.
Таблица
5. Рекомендуемая грузоподъемность автосамосвалов в зависимости от емкости ковша
экскаватора и расстояния транспортирования грунта
|
Расстояние
транспортирования, км
|
Грузоподъемность самосвалов
(т), при емкости ковша экскаватора (М³)
|
|
0,4
|
0,65
|
1,0
|
1,25
|
1,6
|
2,5
|
4,6
|
|
0,5
|
4,5
|
4,5
|
7
|
7
|
10
|
-
|
-
|
Таблица 6. Технические характеристики автосамосвалов.
|
Модель автомобиля
|
Вместимость кузова, М³/Т
|
Погрузочная высота, М
|
Скорость движения, км/ч
|
|
|
|
в груженом состоянии
|
в порожнем состоянии
|
|
ГАЗ-САЗ-53Б
|
4,2/3,5
|
1,83
|
30
|
35
|
|
ЗИЛ-ММЗ-555
|
3,7/5,25
|
1,25
|
30
|
35
|
|
МАЗ-503А
|
3,9/7
|
2,42
|
25
|
30
|
|
КамАЗ-5511
|
9/10
|
2,18
|
25
|
30
|
|
КрАЗ-256Б1
|
6,1/12
|
2,34
|
23
|
27
|
Определяем количество ковшей с грунтом n, загружаемых в самосвал:
где,
ГП - грузоподъемность самосвала;
Q - масса грунта
в ковше экскаватора.
Определяем
объем грунта в плотном теле, загружаемого в кузов самосвала:
VСАМ=VГ х n =
0.2 х16 = 3,2М³
Определяем
продолжительность цикла работы самосвала в минутах, начиная с погрузки и кончая
снова установкой под погрузку:
- время
самосвала в пути в груженом состоянии;
- время
самосвала в пути в порожнем состоянии;
VГР; VПОР
- скорость движения самосвала в груженом и порожнем состоянии, км/ч;
tРАЗГР -
принятое время установки самосвала под погрузку включая маневрирование;
tман - принятое
время установки самосвала под погрузку, включая маневрирование;
время
погрузки грунта в самосвал,
где:
норма времени работы принятого экскаватора ЭО-2621;
V САМ - объем
грунта в плотном теле, загружаемого в кузов самосвала.
Определяем
расчетное количество самосвалов из условия обеспечения бесперебойной работы
экскаватора по формуле:
продолжительность
пробега на расстояние l=0,5 км
при
средней скорости в груженном и порожнем состоянии vcp=32.5км/ч.
Окончательно
принимаем 2 автосамосвала ЗИЛ-ММЗ-555.
7.
СОСТАВЛЕНИЕ СПЕЦИФИКАЦИИ КОНСТРУКТИВНЫХ ЭЛЕМЕНТОВ ФУНДАМЕНТОВ
Согласно
заданию все возводимые фундаменты однотипны. Все параметры монолитного
железобетонного, отдельно стоящего фундамента сведены в спецификацию (таблица
7).
Рис.6
Опалубочный чертеж фундамента
Таблица
7. Спецификация конструктивных элементов фундамента
|
№ п/п
|
Конструктивные элементы
|
Размеры элементов, м.
|
Объем м3
|
Объем ж.б «в деле», м3
|
Площадь соприкосновения
опалубки с бетоном, м2
|
|
|
Ширина
|
Длина
|
Высота
|
|
|
|
|
1
|
Первая ступень
|
1,5 -
|
1,5 -
|
0,8 -
|
1,8 -
|
1,8
|
1,5х0,8х4=4,8
|
|
2
|
Вторая ступень с отверстием
под колонну
|
1,0 0,525
|
1,0 0,525
|
1,2 0,8
|
1,2 0,221
|
0,979
|
1,2х1,0х4+0,525х0,8х4=6,48
|
8. ТЕХНОЛОГИЯ АРМАТУРНЫХ РАБОТ, СОСТАВЛЕНИЕ СПЕЦИФИКАЦИИ АРМАТУРНЫХ
ЭЛЕМЕНТОВ
Проектом предусматривается армирование фундаментов готовыми арматурными
сетками, доставленными на строительную площадку автотранспортом. Размеры сеток
не должны превышать размеры кузова автомобиля более чем на 1,5 м. В данном
проекте принимаем автомобиль МАЗ-200 с размерами кузова 4,5 х 2,48 м и
грузоподъемностью 7т.
Подсчитываем количество стержней, слагающих сетку, и их общую погонную
длину.
Таблица
8. Спецификация арматурных элементов
|
Наименование элемента
|
марка
|
Размеры элемента, м
|
Количество, шт.
|
Масса, т
|
|
|
длина
|
ширина
|
на один фундамент
|
на объект
|
одного элемента
|
общая
|
|
Горизонтальная сетка первой
ступени
|
С-1
|
1,4
|
1,4
|
1
|
52
|
0,0784
|
4,077
|
|
Вертикальная сетка второй
ступени
|
С-2-1
|
1,1
|
0,9
|
2
|
104
|
0,0396
|
4,118
|
|
То же
|
С-2-2
|
1,1
|
0,8
|
2
|
104
|
0,0352
|
3,66
|
|
Итого:
|
11,855
|
9. ОПРЕДЕЛЕНИЕ КОЛИЧЕСТВА ФУНДАМЕНТОВ НА ОДНОЙ ЗАХВАТКЕ
Рекомендуется принимать границы захватки в пределах оси (ряда) здания,
либо их части. Рассмотрим два варианта.
Вариант 1.
Принимаем
4 фундаментов на захватку. При общем количестве фундаментов 52, оборачиваемость
опалубки составит
раз.
Такой
оборачиваемость соответствует деревометаллическая опалубка из досок толщиной 25
мм. Площадь щитов опалубки соприкасающейся с бетоном одного фундамента
соответствует 11,28м2 . Площадь щитов на захватку составит :
Материалоемкость 1м2 поверхности опалубки составляет
42 руб., тогда материалоемкость захватки составит 1895,04 руб.
Вариант
2.
Принимаем
14 фундаментов на захватку. При общем количестве фундаментов 70,
оборачиваемость опалубки составит
раз.
Такой
оборачиваемость соответствует деревометаллическая опалубка из досок толщиной 30
мм. Площадь щитов опалубки соприкасающейся с бетоном одного фундамента
соответствует 11,28м2 . Площадь щитов на захватку составит :
Материалоемкость 1м2 поверхности опалубки составляет
26 руб., тогда материалоемкость захватки составит 4105,92 руб.
Окончательно
принимаем 14 фундаментов под захватку.
10.
ВЫБОР КОМПЛЕКТА ОПАЛУБКИ
На
основании расчетов количества фундаментов на 1 захватку и
технико-экономического сравнения вариантов производим подбор комплекта
элементов принятой деревянной опалубки из досок толщиной 30мм для возведения
монолитных железобетонных фундаментов.
Таблица
9. Спецификация опалубочных элементов.
|
Наименование
|
Марка
|
Размеры, м
|
Площадь поверхности м2
|
Количество элементов, шт
|
Масса, кг
|
|
|
Длина
|
Ширина
|
|
на 1 фундамент
|
на 1 захватку
|
одного элемента
|
общая
|
|
Щит 1-й ступени
|
Щ-1
|
1,5
|
0.8
|
1,2
|
4
|
52
|
80
|
1120
|
|
Ригель подколонника
|
Р-1
|
2,0
|
-
|
-
|
2
|
28
|
32
|
448
|
|
Щит подколонника
|
Щ-2
|
1,2
|
1
|
1,2
|
4
|
52
|
152
|
2128
|
|
Стаканообразователь
|
СТ-1
|
|
|
1,68
|
1
|
14
|
34
|
476
|
|
Щит грани
|
Г-1
|
0.8
|
0.5/0.55
|
-
|
-
|
-
|
-
|
-
|
|
Несущая балка
|
Б-1
|
0,9
|
|
|
|
|
-
|
-
|
|
Итого
|
|
|
|
|
11
|
154
|
298
|
4172
|
. ОПРЕДЕЛЕНИЕ ПАРАМЕТРОВ БЕТОНИРОВАНИЯ В ЗИМНИХ УСЛОВИЯХ
Производство бетонных работ в зимних условиях требует применения
специальных методов бетонирования. Наиболее простой и экономичный - метод
термоса. Задачей расчета метода термоса является определение параметров
бетонирования необходимого коэффициента теплопередачи опалубки, позволяющих
обеспечить набор прочности бетона к концу остывания. Метод термоса
рекомендуется применять для конструкций с модулем поверхности не более 10м-1.
Параметры утепления опалубки рассчитывают по ступени с наибольшим модулем
поверхности и применяют для всей конструкции. Расчет производим в следующей
последовательности.
.Объем бетона конструкции:
.
Площадь поверхности теплоотдачи конструкции (при этом площадь контакта
конструкции с основанием - площадь подошвы фундамента не учитывают):
.Модуль
поверхности конструкции
.Средняя
температура бетона за время остывания:
где,
- конечная температура остывания бетона к концу
остывания, (
если не используются добавки, понижающие температуру
замерзания воды);
- температура бетона после укладки в опалубку,
где,
- начальная температура бетона, при отгрузке с
бетонорастворного узла
при форсированном разогреве на строительной площадке 
- потери
температуры при укладке бетонной смеси, выгрузке и уплотнении, принимают в
зависимости от ветровых условий равными:
- при
ветре 0…5 м/с,
- при ветре 5…10 м/с,
- при
ветре 10…15 м/с.
В
рассматриваемом примере поставку товарного бетона осуществляют с
бетонорастворного узла, отпускная температура бетона равна
.Время
набора прочности бетона
зависит от класса применяемого бетона и марки цемента.
В нашем случае применяют бетон В15 на портландцементе М300. Время набора критической
прочности, равной 40% - 3 суток, или 72 часа.
.Находим
необходимый коэффициент теплопередачи опалубки:
где
- поправочный коэффициент на силу ветра и другие
условия производства работ;
удельная
теплоемкость тяжелого конструкционного бетона;
-
плотность тяжелого конструкционного бетона
- расход
цемента на 1
бетонной смеси (принимается в пределах
);
-
тепловыделение цемента за время остывания бетона;
-заданная температура наружного воздуха
;
tH.B. = -10°C - заданная температура наружного воздуха.
. Сравниваем коэффициенты, должно выполняться условие: К>Коп, где:
Коп = 2,44 Вт/(м2-°С) - коэффициент теплопередачи принятой опалубки
(табл. П8).
К= 3,71 Вт/(м2-°С) > Коп = 2,40 Вт/(м2-°С) (табл. П8).
Условие выполняется.
12. РАЗРАБОТКА ТЕХНОЛОГИЧЕСКОЙ КАРТЫ
Основой для разработки технологической карты является проектная
документация, решения и расчеты, выполненные при разработке календарного плана
работ и стройгенплана.
Технологическая карта состоит из следующих разделов.
1. Область применения.
Технологическая карта разрабатывается для строительно-монтажного
процесса: планировка площадки, отрывка котлованов и возведение железобетонных
фундаментов зданий. Работы выполняются в летний период года в умеренных
климатических условиях в одну смену. Конструктивно-планировочные решения
сооружения: размеры в плане - 36x72 м, пролет - 12 м, шаг -6 м.
Таблица 10. Состав работ, рассмотренных в карте.
|
№ п/п
|
Наименование работ
|
Обоснование
|
Состав звена
|
|
1
|
Разработка и перемещение
грунта скреперами
|
§ Е2-1-21 ЕНиР Сб. Е2 Вып.1
|
тракторист 6 разр.-1чел.
|
|
2
|
Уплотнение грунта
планировочной насыпи
|
§ Е2-1-32 ЕНиР Сб. Е2 Вып.1
|
тракторист 6 разр.-1чел.
|
|
3
|
Разработка грунта в
котлованах экскавторами
|
§ Е2-1-11 ЕНиР Сб. Е2 Вып.1
|
машинист 6 разр.-1чел.
|
|
4
|
Установка деревянной
опалубки
|
§ Е2-1-34 ЕНиР Сб. Е2 Вып.1
|
плотник 4 разр.-1чел.
плотник 2 разр.-1чел.
|
|
5
|
Установка арматурных сеток
в ручную
|
§ Е2-1-44 ЕНиР Сб. Е2 Вып.1
|
арматурщик 3 разр.-1чел.
арматурщик 2 разр.-2чел.
|
|
6
|
Укладка бетонной смеси в
конструкции
|
§ Е2-1-49 ЕНиР Сб. Е2 Вып.1
|
бетонщик 4 разр.-1чел.
бетонщик 2 разр.-1чел.
|
|
7
|
Разборка деревянной
опалубки
|
§ Е2-1-34 ЕНиР Сб. Е2 Вып.1
|
плотник 4 разр.-1чел.
плотник 2 разр.-1чел.
|
|
8
|
Обратная засыпка пазух
фундаментов
|
§ Е2-1-34 ЕНиР Сб. Е2 Вып.1
|
машинист 6 разр.-1чел.
|
. Организация и технология выполнения работ.
Таблица 11. Рекомендуемый состав машин и оборудования
|
Наименование
|
Марка
|
Технические характеристики
|
Кол-во, шт.
|
Назначение
|
|
Скрепер прицепной
|
ДЗ-26 на базе трактора
Т-180
|
3
|
Планировка площадки
|
|
Вибрационный каток
|
Д-480 на базе трактора
Т-180
|
Ширина уплотняемой
полосы-1,4м Толщина уплотняемого слоя-0,5-0,6м Масса катка-3т
|
1
|
Уплотнение грунта
|
|
Экскаватор
|
ЭО-4121А
|
Вместимость ковша-0,65м³ Наибольшая глубина копания-5,8м Наибольшая высота
выгрузки-5м Максимальный радиус копания-9м Мощность двигателя-95(129)кВт(л.с)
|
1
|
Отрывка котлованов под
отдельные фундаменты
|
|
Автосамосвал
|
ЗИЛ-ММЗ-555
|
Вместимость кузова-3,7м³ Грузоподъемность-5,25т Погрузочная высота-1,25м
Скорость движения в груженом состоянии-30км/ч Скорость движения в пороженном
состоянии-35км/ч
|
1
|
Вывоз грунта
|
|
Автомобиль
|
МАЗ-200
|
Размеры кузова-4,5х2,48м
Грузоподъемность-7т
|
1
|
Доставка готовых арматурных
сеток
|
|
Бульдозер
|
ДЗ-24 на базе трактора
Т-180
|
Длинна отвала-3,36м Высота
отвала-1,1м Управление- гидравлическое Масса бульдозерного оборудования-1,96т
|
1
|
Обратная засыпка пазух
фундамента
|
. Требования к качеству и приемке работ.
Производственный контроль качества строительно-монтажных работ надлежит
осуществлять в соответствии со СНиП 3.01.01-85. Состав контролируемых
показателей, допуски в отклонениях, объем, и методы контроля качества должны
соответствовать требованиям СНиП 3.03.01-87 «Несущие и ограждающие
конструкции».
При приемочном контроле должна быть представлена следующая документация:
исполнительные чертежи с внесенными (при их наличии) отступлениями,
допущенными предприятием - изготовителем конструкций, а также монтажной
организацией, согласованными с проектными организациями - разработчиками
чертежей, и документы об их согласовании;
заводские технические паспорта на стальные, железобетонные конструкции;
документы (сертификаты, паспорта), удостоверяющие качество материалов,
примененных при производстве строительно-монтажных работ;
акты освидетельствования скрытых работ;
акты промежуточной приемки ответственных конструкций;
исполнительные геодезические схемы положения конструкций;
журналы работ;
документы о контроле качества сварных соединений;
акты испытания конструкций (если испытания предусмотрены дополнительными
правилами настоящих норм и правил или рабочими чертежами).
Таблица 12. Требования к укладке и уплотнению бетонных смесей
|
Параметр
|
Величина параметра
|
Контроль (метод, объем, вид
регистрации)
|
|
1.Прочность поверхностей
бетонных оснований при очистке от цементной пленки: водной и воздушной струей
механической металлической щеткой гидропескоструйной
|
Не менее, МПа: 0,3 1,5 5,0
|
Измерительный по ГОСТ
10180-78, ГОСТ 18105-86, ГОСТ 22690.0-77, журнал работ
|
|
2.Высота свободного
сбрасывания бетонной смеси в опалубку конструкций: слабоармированных
подземных конструкций в сухих и связных грунтах густоармированных
|
Не более, м: 4,5 3,0
|
Измерительный, 2 раза в
смену, журнал работ
|
|
3.Толщина укладываемых
слоев бетонной смеси: при уплотнении смеси тяжелыми подвесными вертикально
расположенными вибраторами при уплотнении смеси подвесными вибраторами,
расположенными под углом к вертикали (до 30º) при уплотнении смеси поверхностными вибраторами в
конструкциях: неармированных с одиночной арматурой с двойной арматурой
|
На 5-10 см меньше длинны
рабочей части вибратора Не более вертикальной проекции длины рабочей части
вибратора Не более, см: 40 25 12
|
Измерительный, 2 раза в
смену, журнал работ
|
Таблица 13.Требования при устройстве арматурных конструкций
|
Параметр
|
Величина параметра
|
Контроль (метод, объем, вид
регистрации)
|
|
1.Отклонение в расстоянии
между отдельно установленными рабочими стержнями для: Плит и стен фундаментов
Массивных конструкций
|
±20 ±30
|
Технический осмотр всех
элементов, журнал работ
|
|
2.Отклонение в расстоянии
между рядами арматуры для конструкций толщиной более 1м
|
±20
|
Технический осмотр всех
элементов, журнал работ
|
|
3.Отклонение от проектной
толщины защитного слоя бетона не должно превышать при толщине размерах
поперечного сечения конструкций, мм: До 100 От 100 до 200 От 200 до 300
Св.300
|
+4; -5 +8; -5 +10; -5
+15; -5
|
Технический осмотр всех
элементов, журнал работ
|
Таблица 14. Требования, предъявляемые к законченным бетонным и
железобетонным конструкциям или частям сооружений
|
Параметр
|
Величина параметра
|
Контроль (метод, объем, вид
регистрации)
|
|
1.Отклонение линий
плоскостей пересечения от вертикали или проектного наклона на всю высоту
конструкций для фундаментов
|
20 мм
|
Измерительный, каждый
конструктивный элемент, журнал работ
|
|
2.Местные неровности
поверхности бетона при проверке двухметровой рейкой, кроме опорных
поверхностей
|
5 мм
|
Измерительный, не более 5
измерений на каждые 50-100 м, журнал работ
|
|
3.Длинна или пролет
элементов
|
±20 мм
|
Измерительный, каждый
конструктивный элемент, журнал работ
|
|
4.Размер поперечного
сечения элементов
|
+6 мм; -3 мм
|
Измерительный, каждый
конструктивный элемент, журнал работ
|
|
7.Уклон опорных
поверхностей фундаментов при опирании стальных колонн без подливки
|
0,0007
|
Измерительный, каждый
конструктивный элемент, журнал работ, каждый фундамент, исполнительная схема
|
|
8.Расположение анкерных
болтов: в плане внутри контура опоры в плане вне контура опоры по высоте
|
5 мм 10 мм +20 мм
|
Измерительный, каждый
конструктивный элемент, журнал работ, каждый фундаментный болт,
исполнительная схема
|
4. Калькуляция затрат труда и машинного времени.
|
№ п/п
|
Наименование процесса
|
§ ЕНиР
|
Ед. изм
|
Объем работ
|
Норма времени
|
Затраты труда
|
|
|
|
|
|
рабочих, чел.-ч.
|
машинистов, маш.-ч.
|
рабочих, чел.-ч.
|
машинистов, маш.-ч.
|
|
1
|
2
|
3
|
4
|
5
|
6
|
7
|
8
|
9
|
|
2
|
Разработка грунта
скреперами прицепными (планировка площадки 300х300)
|
§Е2-1-21
|
100м³
|
118,62
|
―
|
1,52
|
―
|
180,3
|
|
3
|
Уплотнение грунта
планировочной насыпи
|
§Е2-1-32
|
100м³
|
175,96
|
―
|
0,07
|
―
|
12,32
|
|
4
|
Разработка грунта навымет
экскаватором с обратной лопатой с ковшом 0,65 м³
|
§Е2-1-11
|
100м³
|
3,33
|
―
|
1,8
|
―
|
5,99
|
|
5
|
Разработка грунта в
транспортное средство экскаватором с обратной лопатой с ковшом 0,65 м³
|
§Е2-1-11
|
100м³
|
1,63
|
―
|
2,1
|
―
|
3,42
|
|
6
|
Установка деревянной
опалубки
|
§Е4-1-34
|
м²
|
631,7
|
0,51
|
―
|
322,17
|
―
|
|
7
|
Установка арматурных сеток:
- горизонтальных - вертикальных
|
§Е4-1-44
|
шт
|
52 104
|
0,36 0,17
|
―
|
18,72 17,68
|
―
|
|
8
|
Укладка бетонной смеси в
опалубку
|
§Е4-1-49
|
м³
|
114,5
|
0,34
|
―
|
38,93
|
―
|
|
9
|
Разборка деревянной
опалубки
|
§Е4-1-34
|
м²
|
631,7
|
0,16
|
―
|
101,07
|
―
|
|
10
|
Обратная засыпка пазух
фундаментов
|
§Е2-1-34
|
100м³
|
3,33
|
―
|
0,38
|
―
|
1,27
|
|
|
|
|
|
|
|
498,57
|
203,3
|
. График производства работ.
При производстве работ используем поточный метод. В отдельные потоки
выделяем:
― земляные работы по вертикальной
планировке площадки;
― разработка котлована под фундаменты;
―железобетонные монолитные работы;
―работы по установке щитов опалубки,
монтажу арматуры, снятию опалубки. Механизированный процесс укладки бетона
отличается высокой
производительностью. Фронт работ для него определяется возможностью
набора прочности бетоном до снятия опалубки и перестановки ее на другую
захватку. В данном случае время набора прочности бетона - 3 суток или 72 часа.
Работу проектируем в одну смену при 8 часовом рабочем дне и стопроцентном
выполнении норм. При составлении графика продолжительность работ округляем до
целого рабочего дня. Продолжительность работы определяем по формуле:
где,
Q - объем работ;
НВР
- норма времени на весь объём работ;
Р
- количество рабочих в звене;
n - количество
часов работы звена в один рабочий день.
Продолжительность
работ округляем до целого рабочего дня (смены).
.
Материально-технические ресурсы.
В
данном разделе технологической карты приводится потребность в инструменте,
приспособлениях, инвентаре, машинах и механизмах, необходимых для выполнения
проектируемых работ, а также в расходных материалах, полуфабрикатах,
конструкциях и изделиях.
Нормы
расходов материалов определяются на основании ГЭСН-2001-06,
Таблица
15. Ведомость потребности в материалах и полуфабрикатах
|
Показатель
|
Обоснование
|
Принятая норма
|
Объем работ
|
Необходимое количество
|
|
Пиломатериалы хвойных
пород. Доски обрезные длинной 4-6,5 м, шириной 75-150 мм, толщиной 30 мм и
более III сорта.
|
ГЭСН-2001-06 таб.6-01-001-6
|
0,0062
|
157,92
|
4,74 м³
|
|
Гвозди строительные
|
ГЭСН-2001-06 таб.6-01-001-6
|
0,19
|
157,92
|
30 кг
|
|
Бетон (В 15 М300)
|
ГЭСН-2001-06 таб.6-01-001-6
|
1,015
|
114,5
|
114,5 м³
|
|
Вода
|
ГЭСН-2001-06 таб.6-01-001-6
|
0,00364
|
114,5
|
1,02 м³
|
|
Катанка горячекатаная в
мотках Ø
6,3-6,5 мм
|
ГЭСН-2001-06 таб.6-01-001-6
|
0,25
|
|
69,7 кг
|
|
Проволока светлая Ø 1,1 мм
|
ГЭСН-2001-06 таб.6-01-001-6
|
0,052
|
|
14,5 кг
|
|
Рогожа
|
ГЭСН-2001-06 таб.6-01-001-6
|
1,23
|
|
342,7 м²
|
|
Арматура Ø 18 мм
|
|
0,157
|
52
|
11,855 т
|
|
Смазка для опалубки
|
|
2,5
|
|
6,5 кг
|
|
Известь строительная
негашеная комовая, сорт I
|
ГЭСН-2001-06 таб.6-01-001-6
|
0,25
|
|
69,65 кг
|
Потребность в материально - технических ресурсах определяется
одновременно с разработкой технологических схем комплексной механизации и
графика производства работ.
Исходя из принятого решения по выполнению процесса, исполнители должны
оснащаться тем или иным необходимым набором инвентаря и инструментов.
Комплексно-механизированное выполнение работ требует использования комплекта
строительных машин и механизмов.
Таблица 16. Ведомость потребности в механизмах, инвентарных
приспособлениях и инструменте
|
Наименование
|
Марка
|
Технические характеристики
|
Количество, шт.
|
Назначение
|
|
Комплект оборудования,
инструмента и инвентаря на звено арматурщиков
|
|
Сварочный аппарат
|
ТС-20
|
380 V
|
1
|
Сварка арматуры
|
|
Набор инструмента
электросварщика:
|
|
Шлем или щиток
|
ЩС-3
|
|
1
|
Выполнение сварочных работ
|
|
Светофильтры
|
СФ-7
|
|
2
|
|
|
Электрододержатель
|
ЭД-20
|
|
1
|
|
|
Провод для электросварки
|
ПРГД
|
2х300
|
30м
|
|
|
Провод для подключения
сварочного аппарата
|
ППСА
|
3х400
|
20м
|
|
|
Шаблон для проверки
размеров швов
|
ШПР-6
|
|
1
|
|
|
Струбцина для присоединения
сварочного кабеля
|
СТРСВ
|
|
1
|
|
|
Молоток для отбивки шлака
|
МСВ
|
100г
|
1
|
|
|
Зубило
|
ЗСВ-15
|
лезвие 15,25мм
|
2
|
|
|
Домкрат реечный
|
ДР-5
|
5т
|
2
|
Установка и крепеж
арматурной сетки
|
|
Ножницы для резки проволоки
|
НРП-8
|
Ø
8 мм
|
1
|
|
|
Зубило
|
ЗС-20
|
20х60
|
2
|
|
|
Напильник плоский
|
А-400-1
|
400мм
|
1
|
|
|
Лом строительный
|
ЛО-24
|
2400мм
|
2
|
|
|
Кувалда
|
КП-1
|
1кг
|
1
|
|
|
Кувалда кузнечная
остроносая
|
КК-3
|
3кг
|
2
|
|
|
Шнур разметочный в корпусе
|
ШРК-15
|
15м
|
1
|
|
|
Отвес
|
О-400
|
4м
|
2
|
|
|
Рулетка
|
РС-20
|
20м
|
2
|
|
|
Струбцина
|
СС-10
|
200мм
|
8
|
|
|
Комплект инструмента и
оснастки на звено опалубщиков
|
ПКР-50
|
произв.50м³/ч
|
1
|
Установка и крепеж опалубки
|
|
Домкрат реечный
|
ДР-5
|
5т
|
1
|
|
|
Домкрат винтовой
|
ДВ-3
|
3т
|
1
|
|
|
Ключ гаечный разводной
|
КГР-30
|
30мм
|
1
|
|
|
Кувалда
|
КП-1
|
1кг
|
1
|
|
|
Молоток плотничий
|
МПЛ
|
80г
|
2
|
|
|
Напильник трехгранный
|
Г-200-3
|
200мм
|
1
|
|
|
Лом-гвоздодер
|
ЛГ-20А
|
2м
|
2
|
|
|
Отвертка
|
ОВ-35
|
350х1,4
|
1
|
|
|
Лом
|
ЛЛ-150
|
1,5м
|
2
|
|
|
Ножницы для резки проволоки
|
НРП-8
|
Ø
8 мм
|
1
|
|
|
Скребок на длинной ручке
|
СДР-15
|
1,5м
|
1
|
|
|
Топор плотничий
|
А-2
|
200г
|
2
|
|
|
Ножовка по дереву
|
НД-500
|
500мм
|
2
|
|
|
Конопатка стальная
|
КС-150
|
150мм
|
2
|
|
|
Клещи строительные
|
КЛС-250
|
250мм
|
2
|
|
|
Стамески комплект
|
КСТ-64
|
6-40мм
|
1
|
|
|
Шнур разметочный
|
ШР-15
|
15м
|
2
|
|
|
Уровень
|
УС-2-700
|
700мм
|
1
|
|
|
Рулетка
|
РС-15
|
15м
|
2
|
|
|
Угольник стальной
|
УСТ-500
|
520х240
|
2
|
|
|
Приспособление для
извлечения вкладышей
|
ПИВ-2
|
200мм
|
2
|
|
|
Брусок шлифовальный
|
БШЛ
|
|
1
|
|
|
Предохранительный пояс
|
ПРП
|
|
3
|
|
|
Комплект инструмента и
инвентаря на звено бетонщиков
|
|
Электротрамбовка
|
ЭТР-10
|
7…10 м³/ч
|
1
|
Укладка и уплотнение
бетонных смесей
|
|
Вибратор поверхностный
|
ВП-6
|
силой 4…6 кН
|
1
|
|
|
Вибратор глубинный
|
ВГ-14
|
-1,35…14 кН
|
3
|
|
|
Перегрузочный бункер
|
ПБ
|
0,5 м³
|
1
|
|
|
Бетонолом
|
БЛ
|
200 мм
|
1
|
|
|
Гребок для бетонных работ
|
ГБР
|
300 мм
|
2
|
|
|
Лопата совковая
|
ЛП-2
|
250 мм
|
2
|
|
|
Лопата штыковая
|
ЛШ-2
|
200 мм
|
1
|
|
|
Лопата на удлиненной ручке
|
ЛДР-2
|
200 мм
|
1
|
|
|
Кельма
|
КБ
|
100 мм
|
2
|
|
|
Правило
|
ПР-11
|
100 мм
|
2
|
|
|
Молоток слесарный
|
А-5
|
80г
|
1
|
|
|
Отвертка
|
Б
|
250х0,7
|
1
|
|
|
Лом строительный
|
ЛО-28
|
1,5м
|
1
|
|
|
Кувалда
|
КП-1
|
1кг
|
2
|
|
|
Скребок шуровка
|
СШ-2
|
1,5м
|
2
|
|
|
Скребок на удлиненной ручке
|
СДР-3
|
2,0м
|
3
|
|
|
Гладилка стальная
|
ГБК-2
|
1,5м
|
1
|
|
|
Щетка стальная
|
ЩС
|
20см
|
1
|
|
|
Топор плотничий
|
А-2
|
200г
|
1
|
|
|
Ножовка по дереву
|
НД-500
|
500мм
|
1
|
|
|
Отвес
|
О-400
|
4м
|
1
|
|
|
Рулетка
|
РС-20
|
20м
|
1
|
|
7. Техника безопасности.
(СНиП 12-03-99 БЕЗОПАСНОСТЬ ТРУДА В СТРОИТЕЛЬСТВЕ;
СНиП III-4-80* ТЕХНИКА БЕЗОПАСНОСТИ В
СТРОИТЕЛЬСТВЕ)
.1. Земляные работы
.1.1 До начала производства земляных работ в местах расположение
действующих подземных коммуникаций должны быть разработаны и согласованы с
организациям, эксплуатирующими эти коммуникации мероприятия по безопасным
условиям труда, а расположение подземных коммуникаций на местности обозначено
соответствующими знаками или надписями.
.1.2 Производство земляных работ в зоне действующих подземных
коммуникаций следует осуществлять под непосредственным руководством прораба или
мастера, а в охранной зоне кабелей, находящихся под напряжением, или
действующего газопровода, кроме того, под наблюдением работников электросетей
или газового хозяйства.
.1.3 При обнаружении взрывоопасных материалов земляные работы в этих
местах следует немедленно прекратить до получения разрешения от соответствующих
органов.
.1.4Перед началом производства земляных работ на участках с возможным
патогенным заражением почвы (свалка, скотомогильники, кладбища и т.п.)
необходимо разрешение органов Государственного санитарного надзора.
.1.5Котлованы и траншеи, разрабатываемые на улицах, проездах, во дворах
нас ленных пунктов, а также местах, где происходит движение людей или
транспорта, должны быть ограждены защитным ограждением с учетов требований ГОСТ
23407. На ограждении необходимо устанавливать предупредительные надписи и
знаки, а в ночное время - сигнальное освещение. Места прохода людей через
траншеи должны быть оборудованы переходными мостиками, освещаемыми в ночное
время.
.1.6 на расстоянии не менее 0,5 м от бровки выемки.
.1.7 Разрабатывать грунт в котлованах и траншеях "подкопом" не
допускается.
.1.8 Валуны и камни, а также отслоения грунта, обнаруженные на откосах,
должны быть удалены.
.1.9 Рытье котлованов и траншей с вертикальными стенками без креплений в
нескальных и незамерзших грунтах выше уровня грунтовых вод и при отсутствии
вблизи подземных сооружений допускается на глубину не более, м:
,0 - в насыпных, песчаных и крупнообломочных грунтах;
,25 -в супесях;
,50 - в суглинках и глинах.
.1.10Рытье котлованов и траншей с откосами без креплений в нескальных
грунтах выше уровня грунтовых вод (с учетом капиллярного поднятия) или в
грунтах, осушенных с помощью искусственного водопонижения, допускается при
глубине выемки и крутизне откосов согласно
Таблица 17
|
Виды грунтов
|
Крутизна откоса (отношение
его высоты к заложению) при глубине выемки, м, не более
|
|
1,5
|
3
|
5
|
|
Насыпные и неуплотненные
Песчаные и гравийные Супесь Суглинок Глина Лессы и лессовидные
|
1:0,67 1:0,5 1:0,25 1:0 1:0
1:0
|
1:1 1:1 1:0,67 1:0,5 1:0,25
1:0,5
|
1:1,25 1:1 1:0,85 1:0,75
1:0,5 1:0,5
|
|
Примечание. При
напластовании различных видов грунта крутизну откосов для всех пластов
надлежит назначать по наиболее слабому виду грунта.
|
.1.11 Крутизна откосов выемок глубиной более 5 м во всех случаях и
глубиной менее 5 м при гидрогеологических условиях и видах грунтов, не
предусмотренных п. 7.1.10 и таблицей, должна устанавливаться проектом.
.1.12 При невозможности применения инвентарных креплений стенок
котлованов или траншей следует применять крепления, изготовленные по
.1.13 При установке креплений верхняя часть их должна выступать над
бровкой выемки не менее чем на 15 см.
.1.14 Устанавливать крепления необходимо в направлении сверху вниз по
мере разработки выемки на глубину не более 0,5 м.
Разборку креплений следует производить в направлении снизу вверх по мере
обратной засыпки выемки.
.1.15Разработка роторными и траншейными экскаваторами в связных грунтах
(суглинках, глинах) траншей с вертикальными стенками без крепления допускается
на глубину не более 3 м. В местах, где требуется пребывание рабочих, должны
устраиваться крепления траншей или откосов.
.1.16Производство работ в котлованах и траншеях с откосами, подвергшимися
увлажнению, разрешается только после тщательного осмотра производителем работ
(мастером) состояния грунта откосов и обрушения неустойчивого грунта в местах,
где обнаружены "козырьки" или трещины (отслоения).
.1.17 Перед допуском рабочих в котлованы или траншеи глубиной более 1,3 м
должна быть проверена устойчивость откосов или крепления стен.
.1.18Котлованы и траншеи, разработанные в зимнее время, при наступлении
оттепели должны быть осмотрены, а по результатам осмотра должны быть приняты
меры к обеспечению устойчивости откосов или креплений.
.1.19* В случаях необходимости выполнения работ, связанных с
электропрогревом грунта, должны соблюдаться требования пп. 6.4.1-6.4.12 СНиП
12-03. Прогреваемую площадь следует ограждать, устанавливать на ней
предупредительные сигналы, а в ночное время освещать. Расстояние между
ограждением и контуром прогреваемого участка должно быть не менее 3 м.
На участках прогреваемой площади, находящихся под напряжением, пребывание
людей не допускается.
.1.20 Линии временного электроснабжения к прогреваемым участкам
перемещения электрооборудования и перекладки электропроводок следует
визуально проверять их исправность.
.1.21 При извлечении грунта из выемок с помощью бадей необходимо устраивать
защитные навесы-козырьки для укрытия работающих в выемке.
.1.22Погрузка грунта на автосамосвалы должна производиться со стороны
заднего или бокового борта.
.1.23 При разработке выемок в грунте экскаватором с прямой лопатой высоту
забоя следует определять с таким расчетом, чтобы в процессе работы не
образовывались "козырьки" из грунта.
.1.24 При разработке, транспортировании, разгрузке, планировке и
уплотнении грунта двумя или более самоходными или прицепными машинами
(скреперами, грейдерами, катками, бульдозерами и др.), идущими одна за другой,
расстояние между ними должно быть не менее 10 м.
.1.25Односторонняя засыпка пазух у свежевыложенных подпорных стен и
фундаментов допускается после осуществления мероприятий обеспечивающих
устойчивость конструкции, при принятых условиях, способах и порядке засыпки.
.2. Требования безопасности при эксплуатации мобильных машин и
транспортных средств
.2.1 При размещении мобильных машин на производственное территории
руководитель работ должен до начала работы определить рабочую зону машины и
границы создаваемой ею опасной зоны. При этом должна быть обеспечена обзорность
рабочей зоны, а также рабочих зон с рабочего месте машиниста. В случаях, когда
машинист, управляющий машиной, не имеет достаточного обзора, ему должен быть
выделен сигнальщик.
Со значением сигналов, подаваемых в процессе работы и передвижение
машины, должны быть ознакомлены все лица, связанные с ее работой. Опасные зоны,
которые возникают или могут возникнуть во время работы машины должны быть
обозначены знаками безопасности и (или) предупредительными знаками.
.2.2Техническое состояние и оборудование автомобилей всех типов, марок и
назначений, находящихся в эксплуатации, должны соответствовать Правилам по
охране труда на автомобильном транспорте.
Они должны проходить технические осмотры в соответствии с Правилами
проведения государственного технического осмотра транспортных средств
Государственной инспекцией безопасности дорожного движения МВД России.
.2.3 При размещении и эксплуатации машин, транспортных средств должны
быть приняты меры, предупреждающие их опрокидывание или самопроизвольное
перемещение под действием ветра, при уклоне местности или просадке грунта.
.2.4 Перемещение, установка и работа машины, транспортного средства
вблизи выемок (котлованов, траншей, канав и т.п.) с неукрепленными откосами
разрешаются только за пределами призмы обрушения грунта на расстоянии,
установленном организационно-технологической документацией.
При отсутствии соответствующих указаний в проекте производства работ минимальное
расстояние по горизонтали от основания откоса выемки до ближайших опор машины
допускается принимать по таблице 18.
Таблица 18
|
Глубина выемки, м
|
Грунт
|
|
песчаный
|
супесчаный
|
суглинистый
|
Глинистый
|
|
Расстояние по горизонтали
от основания откоса выемки до ближайшей машины, м
|
|
1,0 2,0 3,0 4,0 5,0
|
1,5 3,0 4,0 5,0 6,0
|
1,25 2,40 3,60 4,40 5,30
|
1,00 2,00 3,25 4,00 4,75
|
1,00 1,50 1,75 3,00 3,50
|
.2.5 Строительно-монтажные работы с применением машин в охранной зоне
действующей линии электропередачи следует производить под непосредственным
руководством лица, ответственного за безопасность производства работ, при
наличии письменного разрешения организации -владельца линии и наряда-допуска,
определяющего безопасные условия работ и выдаваемого в соответствии с требованиями
4.12 при выполнении следующих
.2.6 При установке строительных машин и применении транспортные средств с
поднимаемым кузовом в охранной зоне воздушной лини электропередачи необходимо
снять напряжение с воздушной лини электропередачи.
.2.7 При обоснованной невозможности снятия напряжения с воздушной линии
электропередачи работу строительных машин в охранной зоне линии электропередачи
разрешается производить при условии выполнение следующих требований:
а)расстояние от подъемной или выдвижной части строительной машины в любом
ее положении до находящейся под напряжением воздушной линии электропередачи
должно быть не менее указанного в таблице 2 согласно ГОСТ 12.1.051;
б)корпуса машин, за исключением машин на гусеничном ходу, должны быть
заземлены при помощи инвентарного переносного заземления;
|
Напряжение воздушной линии,
кВ
|
Расстояние, м
|
|
Минимальное
|
Минимально измеряемое
техническими средствами
|
|
До 20 Св.20-35 »35-100
»110-220 »220-400 »400-750 »750-1150
|
2,0 2,0 3,0 4,0 5,0 9,0
10,0
|
2,0 2,0 4,0 5,0 7,0 10,0
11,0
|
.2.8 Установка стрелового самоходного крана в охранной зоне линии
электропередачи на аутригеры и расцепление стропов перед подъемом стрелы должны
осуществляться непосредственно машинистом крана без привлечения стропальщиков.
Для технического обслуживания и ремонта мобильных машин они должны быть
выведены из рабочей зоны.
.2.10При необходимости использования машин в экстремальных условиях
(срезка грунта на уклоне, расчистка завалов вблизи ЛЭП или эксплуатируемых
зданий и сооружений) следует применять машины оборудованные дополнительными
средствами коллективной защиты производственных факторов, возникающих при
работе машин в указанных условиях.
.2.11 При перемещении машины, транспортного средства своим ходом, на
буксире или на транспортных средствах по дорогам общего назначения должны
соблюдаться правила дорожного движения.
Транспортирование машин, транспортных средств через естественные
препятствия или искусственные сооружения, а также через неохраняемые
железнодорожные переезды допускается только после обследования состояния пути
движения. При необходимости путь движения машины, транспортного средства должен
быть спланирован и укреплен с учетом требований, указанных в эксплуатационной
документации машины, транспортного средства.
.2.12 При эксплуатации машин, имеющих подвижные рабочие органы,
необходимо предупредить доступ людей в опасную зону работы, граница которой
находится на расстоянии не менее 5 м от предельного положения рабочего органа,
если в инструкции завода-изготовителя отсутствуют иные повышенные требования.
.2.13 Не разрешается эксплуатация электротележки при неисправности
токоприемника, контроллера, тормозов и сигналов, а также при отсутствии средств
защиты от воздействия электрического тока (диэлектрического коврика,
диэлектрических перчаток).
.3 Бетонные и железобетонные работы.
.3.1Опалубку, применяемую для возведения монолитных железобетонных
конструкций, необходимо изготовлять и применять в соответствии с проектом
производства работ, утвержденным в установленном порядке.
.3.2 При установке элементов опалубки в несколько ярусов каждый
последующий ярус следует устанавливать только после закрепления нижнего яруса.
.3.3