|
19
Здание
в плане имеет прямоугольную форму, имеет три этажа, высота этажа 3000мм.
В
здании имеется чердак, подвал, отметка пола подвала - 2400мм. На каждом этаже
размещены по три квартиры: 2-однокомнатные, 1-двухкомнатная. Планировочная
схема здания обычная.
3. Конструктивная
схема здания
Конструктивная
схема проектируемого здания - это бескаркасная с продольными несущими стенами.
Пространственная жёсткость здания обеспечивается за счёт укладки плит
перекрытия на ЦПР, а также за счёт анкеровки плит перекрытия между собой и
стенами.
4. Описание
конструктивных элементов здания
4.1 Фундаменты
Фундамент
здания принят ленточный сборный, состоящий из фундаментных подушек и
фундаментных блоков.
Рис.1
Фундаментная подушка
Рис.2
Фундаментный блок
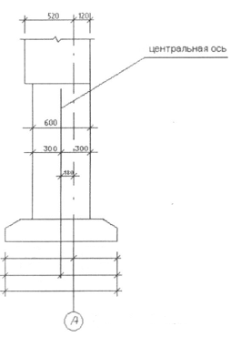
4.1.1 Расчёт
привязки подошвы фундамента
Конструктивно
принимаем ширину подошвы фундамента для продольных стен - 1400мм, для поперечных
стен - 1200мм.


Рис.3
Привязка подошвы фундамента
4.2 Стены
Наружные
стены приняты в виде слоистой кладки. Она состоит из трёх слоёв: внутреннего -
толщиной 380мм, теплоизоляционного слоя - толщиной 130мм из пенополистирола, и
наружного лицевого слоя из кирпичной кладки- толщиной 120мм. Наружный лицевой
слой кладки поэтажно опирается на керамзитобетонные рамки, которые укладываются
в уровне перекрытий этажа. Для предотвращения распространения огня по слою
теплоизоляции в отверстия керамзитобетонных рамок укладывается минеральная
вата. Толщина наружной стены принята 640мм по теплотехническому расчёту.
Рис.4
Теплотехнический расчёт
4.3 Перекрытия
Перекрытия
в здании выполнены из сборных железобетонных многопустотных плит по ГОСТу
9561-91 шириной 3000, 1800 и 1500мм. Плиты укладываются на стены на
предварительно подготовленную цементно-песчаную постель. Для обеспечения
пространственной жёсткости плиты анкеруются со стенами и между собой. Швы
заделываются цементно-песчаным раствором М-100
Рис.5
Плита перекрытия
4.4 Перегородки
Межквартирные
перекрытия в здании - несущие стены выполнены из силикатного кирпича толщиной
640мм, межкомнатные - из силикатного кирпича толщиной 250мм, перегородки
выполнены из силикатного кирпича толщиной 90мм, перегородки в санузлах
выполнены из керамического кирпича толщиной 65мм.
В
местах примыкания перегородок к потолку и стенам оставляются зазоры, которые
заполняются цементно-песчаным раствором М-100.
Перегородки
устанавливаются на плиты перекрытия на заранее подготовленную постель. В местах
примыкания пола к перегородкам устанавливаются плинтуса для увеличения
устойчивости перегородки.
4.5 Полы
В
жилых комнатах, коридоре на кухне на пол уложен линолеум. Пол в санузлах
устраивают из керамической плитки. Полы первого этажа утепляются.
Табл.2
Экспликация полов
|
Номер
помещения или наименование
|
Тип
пола
|
Схема
пола тип по серии
|
Данные
элементов пола (наименование, толщина и др.)
|
Площадьм2
|
|
Зало
спальни кухни коридоры
|
I
|
|
1.Линолеум
ГОСТ 7251-77 - 5 мм 2.Стяжка из цементно-песчаного раствора М150-20 мм
3.Керамзитобетон γ=1100
кг/м,
М75-50мм 4.2 слоя полиэтиленовой плёнки 5.Пенополистирол ПСБ-С35 Ф ГОСТ
15588-80 мм 6.Железобетонные перекрытие-220мм
|
158
|
|
Санузлы
|
II
|
|
1.Керамическая
плитка на цементно-песчаном растворе М150-20 мм 2.Стяжка цементно-песчаная
М150-20 мм 3. Керамзитобетон γ=1100 кг/м, М75-50 мм 4. 2 слоя
полиэтиленовой плёнки 5. Пенополистирол ПСБ-С35 Ф ГОСТ 15588-80 мм
6.Железобетонные перекрытие-220мм
|
14
|
|
Зало
спальни кухни коридоры
|
III
|
|
1.Линолеум
ГОСТ 7251-77 - 5 мм. 2.Стяжка из цементно-песчаного раствора М150-20 мм 3.
Керамзитобетон γ=1100
кг/м
М75-50мм 4. Железобетонные перекрытие-220мм
|
316
|
|
Санузлы
|
IV
|
|
1.Керамическая
плитка на цементно-песчаном растворе М150-20 мм 2.Стяжка цементно-песчаная
М150-20 мм 3. 2 слоя полиэтиленовой плёнки 4. Керамзитобетон γ=1100 кг/м
М75-50мм 5. Железобетонные перекрытие-220мм
|
28
|
4.6 Окна
Окна
принимаем с тройным остеклением ГОСТ 1124-86
Рис.6
ОРС 12-12 О-1
4.6.1 Расчёт
перемычек
ПР-1
Lнес.=1200+2×170=1540мм,
исходя из расчётов принимаем перемычку марки 3ПБ 18-8
L=1810,
М=119, v=0,048
Lненес.=1210+2×100=1410мм,
принимаем перемычку марки 2ПБ 16-2,
L=1550,
m=65кг, v=0,026
ПР-2
Lнес=1210+900+2×170=2450мм,
принимаем перемычку марки 3 ПБ 25-8, L=2460,
m=162, v=0,06
ПР-3
Lнес=1010+2×170=1350мм,
принимаем перемычку марки 3 ПБ 18-8 L=1810,
m=119, v=0,048.
ПР-4
Lненес=710+2×100=910,
принимаем перемычку марки 1ПБ 10-1 L=1030,
M=20кг,
v=0,005.
Внутренние
двери в квартиры, в санузлы, в зал, на кухни, наружные двери глухие принимаем
по ГОСТ 6629-88: ДГ 21-10- в квартиру, ДГ 21-7-в санузлы, ДГ 21-9-в спальни, ДО
21-8-на кухню, ДО 21-13-в зал, ДН 21-15-входная дверь.
Рис.8
ДО 21-13 Д-5
Рис.9
ДН 21-13 Д-5
Рис.10
ДГ 21-9 Д-4
Рис.11ДГ
21-7 Д-3
Рис.12
ДГ 21-10 Д-1
Рис.13
ДО 21-8 Д-3
Таблица
3- Количество и марка дверей
|
Поз
|
Обозначение
|
Наименование
|
Количество
|
|
1
|
ГОСТ
24698-81
|
ДГ
21-10
|
9
|
|
2
|
ГОСТ
24698-81
|
ДГ
21-9
|
15
|
|
3
|
ГОСТ
24698-81
|
ДГ
21-7
|
15
|
|
4
|
ГОСТ
24698-81
|
ДО
21-8
|
9
|
|
5
|
ГОСТ
6629-88
|
ДО
21-13
|
15
|
4.8 Крыша и кровля
Крыша
четырёхскатная из деревянных стропил. Крыша состоит из: мауэрлата 200×200мм,
стропильных ног 150×100мм, шаг
800мм, конькового прогона сечением 200×150мм,
кобылки 100×50, стоек
установленных на лежень сечением 150×50мм.
Кровля
выполнена из металочерепицы. Металочерепицу крепим на саморезы L=120мм.
Кровля оснащена водостоками в водоприёмную воронку. Уклон крыши 1:3.
4.9 Лестницы
Лестницы
приняты сборные железобетонные, состоят из лестничных маршей и площадок.
4.9.1 Расчёт
лестничной клетки
L=6000мм
Hэт=3000мм
A=3000мм
a=300мм
b=150мм
Рис.14
Лестничный марш и площадка
1.
Определяем высоту одного марша
Hм=Hэт/2=3000/2=1500мм
.
Определяем количество подступёнок в марше
n=hм/b=1500/150=10
.
Определяем количество проступней в марше
n-1=10-1=9
.
Определяем длину горизонтальной проекции марша
d=a×(n-1)=300×9=2700мм
.
Определяем ширину лестничной клетки в «чистоте» и подбираем ширину марша ам
A'=A-(α+α)=3000-250-250=2500мм
A'=ам+1,
принимаем ам=1200
A'=1200×2+100=2500мм
.
Определяем длину лестничной клетки в «чистоте» и ширину площадки
L'=L-(a+δ)=7300-(120+190)=6990мм'=2c+d=(6990-2700)/2=2145мм
5. Отделка
5.1 Отделка
наружная
Наружный
слой кладки выполняется из керамического кирпича, швы расшиваются.
5.2 Отделка
внутренняя
Потолки
всех комнат белятся, стены в жилых комнатах оклеиваются обоями, стены санузлов
выполняются из керамической плитки, стены кухонь выполняются из керамической
плитки на высоту 1.5 м.
|
Наименование
помещения
|
Ведомость
отделки элементов интерьера
|
Примечание
|
|
Потолок
|
Площадь
м2
|
Стены
или перегородки
|
Площадь
м2
|
|
|
Зало
|
Побелка
|
58,05
|
Оклейка
обоями
|
146,04
|
|
|
Спальни
|
Побелка
|
207
|
Оклейка
обоями
|
484,34
|
|
|
Кухни
|
Побелка
|
79,38
|
Керамическая
плитка Побелка
|
85,7
|
h=0,5 м
|
|
|
|
|
171,5
|
|
|
Санузлы
|
Побелка
|
41,94
|
Керамическая
плитка
|
80,3
|
|
|
Прихожие
и коридоры
|
Побелка
|
32,44
|
Оклейка
обоями
|
65,9
|
|
6.
Инженерно-техническое оборудование здания
Отопление
в здании предусмотрено водяное центральное, канализация хозяйственно-бытовая, в
городскую канализационную сеть. Вентиляция из всех помещений естественная через
форточки в оконных блоках, в кухнях и санузлах дополнительное, через венканалы,
устраиваемые во внутренних стенах.
Список используемых
источников
1. СНиП 21.01.97 Пожарная
безопасность зданий и сооружений
. СНиП 23.01.99 Строительная
климатология
. СНиП II
-3-79* Строительная теплотехника
. СНиП II-13.8-71
Полы. Нормы проектирования
. СНиП 2.07.01-89*
Градостроительство, планировка и застройка городских и сельских поселений
. СНиП 31.01.2003 Здания жилые
многоквартирные
. Буга. П.Г. Гражданские
промышленные и сельскохозяйственные здания: учебник. - М.:Стройиздат, 2010.-
222 с
Похожие работы на - Архитектурный проект трёхэтажного жилого здания
|