Формирование функциональной математической модели
Формирование функциональной
математической модели
ВВЕДЕНИЕ
Математическое моделирование - это средство изучения реального объекта,
процесса или системы путем их замены математической моделью, более удобной для
экспериментального исследования с помощью ЭВМ.
Математическая модель является приближенным представлением реальных
объектов, процессов или систем, выраженным в математических терминах и
сохраняющим существенные черты оригинала. Математические модели в
количественной форме, с помощью логико-математических конструкций, описывают
основные свойства объекта, процесса или системы, его параметры, внутренние и
внешние связи. Рассмотрим краткую классификацию математических моделей при
проектировании тракторов и с/х машин.
По принципам построения математические модели разделяют на:
аналитические;
имитационные.
В аналитических моделях процессы функционирования реальных объектов,
процессов или систем записываются в виде явных функциональных зависимостей.
Аналитическая модель разделяется на типы в зависимости от математической
проблемы:
уравнения (алгебраические, трансцендентные, дифференциальные,
интегральные),
аппроксимационные задачи (интерполяция, экстраполяция, численное
интегрирование и дифференцирование),
задачи оптимизации,
стохастические проблемы.
Однако по мере усложнения объекта моделирования построение аналитической
модели превращается в трудноразрешимую проблему. Тогда исследователь вынужден
использовать имитационное моделирование.
В имитационном моделировании функционирование объектов, процессов или
систем описывается набором алгоритмов. Алгоритмы имитируют реальные
элементарные явления, составляющие процесс или систему с сохранением их
логической структуры и последовательности протекания во времени. Имитационное
моделирование позволяет по исходным данным получить сведения о состояниях
процесса или системы в определенные моменты времени, однако прогнозирование
поведения объектов, процессов или систем здесь затруднительно. Можно сказать,
что имитационные модели - это проводимые на ЭВМ вычислительные эксперименты с
математическими моделями, имитирующими поведение реальных объектов, процессов
или систем.
1. НАВЕСНЫЕ АГРЕГАТЫ
1.1 Анализ
подъемно-навесных устройств
Навесная система состоит из двух основных частей: подъемно-навесного
устройства (ПНУ) или механизма навески (МН) и гидросистемы. Навесная система
включает собственно МН (комбинацию из одной верхней и двух нижних тяг) и
подъемную часть (подъемные рычаги и раскосы, которые передают усилия от
силового цилиндра гидропривода нижним тягам).
Навесное устройство - устройство, состоящее из трех тяг (верхней и двух
нижних), шарнирно-соединенных передними концами с трактором, а задними концами
- с присоединительными элементами навесной машины через которые трактор
передает тяговое усилие на машину, когда она находиться в рабочем положении и
выполняет сельскохозяйственную технологическую операцию, а также с помощью
подъемного механизма производит подъем машины в транспортное положение.
МН может быть:
. Одноточечным, когда орудие соединяется с трактором в одной шарнирной
точке, перемещаемой по высоте при помощи гидроподъемника. Применяется в
основном для соединения полунавесных орудий и полуприцепов (гидрокрюк).
. Двухточечным - с горизонтальной и вертикальной осями качания. Применяют
в основном на гусеничных тракторах, у которых точки крепления МН помещены перед
ведущим колесом, что обеспечивает уменьшение угла тяги и устойчивый ход орудия
с хорошей приспособляемостью к рельефу, а также для предотвращения чрезмерного
заноса и возможной поломки длинного орудия при крутом повороте трактора.
. Трехточечным, представляющим собой четырехзвенный механизм,
горизонтальные звенья которого образуют две нижние продольные и одну верхнюю
центральную тяги, а вертикальные - верхнюю точку стойки и ось подвеса орудия,
составляющие присоединительный треугольник орудия, и плоскость
присоединительного треугольника корпуса трактора.
. Четырехточечным, имеющим в отличие от трехточечного две верхние
продольные тяги, что обеспечивает большую устойчивость орудия. Применяется для
агрегатирования землеройных машин (бульдозеров) и погрузчиков.
На тракторах ДТ-75, Т-74 и Т-4 применяют унифицированные ПНУ (рисунок
1.1). На нижней оси этих тракторов установлены две боковые и одна центральная
шарнирные головки, к которым крепят нижние тяги. При соединении тяг с
центральной головкой обеспечивается двухточечная схема, а с боковыми -
трехточечная. Центральная головка с нижними тягами, как и верхняя тяга, может
устанавливаться центрально или с некоторым смещением вправо.

а) б)
а - двухточечная наладка МН; б - трехточечная наладка МН
Рисунок 1.1 - Навесное устройство трактора ДТ-75
Эффективность работы унифицированных тяг такого типа снижается за счет
отсутствия автоматического регулирования перемещения нижних тяг по оси в
зависимости от необходимого типа навески, а также автоматического копирования
рельефа поля.
МН трактора Т-40 и Т-150 приведены на рисунок 1.2. МН прикреплены к
задней части корпуса трансмиссии трактора. Навесную машину присоединяют к
шаровым шарнирам на задних концах двух продольных и центральной тяг. В МН есть
возможность регулировать длину центральной тяги и раскосов.
Данные ПНУ обладают малой грузоподъемностью (ГрП), поэтому с постоянно
увеличивающейся в настоящее время энергонасыщенностью массой адаптеров их
применение становиться все менее эффективным.

а) б)
а - Т-40; б - Т-150
Рисунок 1.2 - ПНУ тракторов
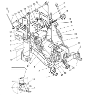
Навесное устройство УЭС-250 (рисунок 1.3) служит для агрегатирования
комбайна и обеспечения правильной ориентации комбайна в рабочем и транспортном
положениях.
, 16 - продольные тяги; 2, 3 - стяжки; 4, 14 - раскосы; 5 - кронштейны
тяг; 6 - кронштейны стяжек; 7 - гидроцилиндр; 8, 13 - фиксаторы; 9 - опора; 10
- тяга; 11 - поворотный вал; 12 - рычаги; 15 - центральная тяга; 17 - шарниры;
18 - винт
Рисунок 1.3 - Навесное устройство
Продольные тяги 1, 16 соединены с рычагами 12, раскосами 4 и 14.
Агрегатирование комбайна к навесному устройству УЭС через захваты продольных
тяг 1, 16 и центральную тягу 15. Для ограничения поперечных перемещений
комбайна продольные тяги 1, 16 блокируются ограничительными стяжками 3.
При транспортных переездах с навешенным сельскохозяйственным орудием для
предотвращения самопроизвольного опускания навесного устройства служат
фиксаторы 8, 13, блокирующие навесное устройство в верхнем положении.
Данное ПНУ являются более унифицированными по сравнению с
вышеприведенными и характеризуются высокими выходными параметрами.
Аналогом ПНУ УЭС-250 может служить МН УЭС-2-250А. Зерноуборочный вариант
навесного устройства УЭС-2-250А (рисунок 1.4) предназначено для агрегатирования
УЭС с комплектом оборудования для зерноуборки.
- захваты; 2 - ручки фиксаторов; 3 - рама навески; 4 - раскосы; 5, 8, 15,
25 - пальцы; 6 - гидроцилиндры; 7 - карданный вал; 9, 19 - фиксаторы; 10 -
рычаги; 11, 13 - тяги; 12 - опора; 14 - кронштейн; 16 - поворотный вал; 17 -
подвеска; 18 - верхняя тяга; 20 - балка ведущего моста; 21 - труба; 22 -
конический редуктор; 23 - серьга; 24 - фланец; 26 - накладка; 27 - кронштейн;
28 - пневмогидроаккумуляторы;
Рисунок 1.4 - Навесное устройство (зерноуборочный вариант)
Для агрегатирования с кормоуборочным адаптерами навесное устройство
переналаживается в соответствии с рисунком 1.5 (кормоуборочный вариант).
- захваты; 2 - ручки фиксатора; 3 - нижние тяги; 4 - раскосы; 5, 8, 15,
22 - пальцы; 6 - гидроцилиндры; 7, 14 - кронштейны; 9, 19, 21, 27 - фиксаторы;
10 - рычаги; 11, 13 - тяги; 12 - опоры; 16 - поворотный вал; 17 - подвеска; 18
- тяга верхняя; 20, 25 - стяжки; 23 - гайка; 24 - шарниры; 26 - скоба;28 -
пневмогидроаккумуляторы;
Рисунок 1.5 - Навесное устройство (кормоуборочный вариант)
МН УЭС-2-250А может работать в режиме гидроувеличителя сцепного веса -
при агрегатировании со свеклоуборочными комбайнами; гидропневмовывешивания -
при агрегатировании в составе зерноуборочного комплекса или в плавающем режиме
- при агрегатировании с комбайном адаптерами. МН УЭС-2-250А (кормоуборочный и
зерноуборочный варианты) приведена на рис. 1.4.
Агрегатируемые сельскохозяйственные машины и орудия присоединяются к
навесному устройству УЭС через захваты 1 (рисунок 2.10) нижних тяг 3 и верхнюю
тягу 18. Для ограничения поперечных перемещений сельскохозяйственного орудия
продольные тяги 3 блокируются ограничительными стяжками 20.
При транспортных переездах с навешенным сельскохозяйственным орудием для
предотвращения самопроизвольного опускания навесного устройства служат
фиксаторы, блокирующие навесное устройство в верхнем положении.
1.2 Беларус 1523
Трактор «БЕЛАРУС-1523» предназначен для выполнения различных
сельскохозяйственных работ общего назначения, основной и предпосевной обработки
почвы, посева зерновых и других культур в составе широкозахватных и
комбинированных агрегатов, уборочных работ в составе высокопроизводительных
уборочных комплексов по заготовке кормов, уборке зерновых культур, транспортных
и погрузочных работ.
Таблица 1.2-Технические характеристики трактора МТЗ 1523
|
Общие данные
|
|
Масса
конструкционная, кг
|
5700
|
|
Масса в состоянии
отгрузки с завода, кг
|
5800
|
|
Масса
эксплуатационная, кг
|
6000
|
|
Масса максимально
допустимая (полная), кг
|
9000
|
|
База , мм
|
2760
|
|
Габаритные размеры:
длина, мм
|
4710
|
|
Габаритные размеры:
ширина, мм
|
2250
|
|
Габаритные размеры:
высота, мм
|
|
Колея по передним
колесам (min), мм
|
1540
|
|
Колея по передним
колесам (max), мм
|
2115
|
|
Колея по задним
колесам (min), мм
|
1520
|
|
Колея по задним
колесам (max), мм
|
2435
|
|
Наименьший радиус
поворота, м
|
5,5
|
|
Дорожный просвет,
мм
|
380
|
|
Агротехнический
просвет трактора под рукавами передних и задних полуосей, не менее, мм
|
620
|
|
Размеры шин
передних колес
|
420/70R24
|
|
Размеры шин задних
колес
|
520/70R38
|
|
Емкость топливного
бака, л
|
130
|
|
Емкость
дополнительного топливного бака, л
|
120
|
|
Скорость движения:
транспортная, км/ч max
|
32.380001
|
|
Скорость движения:
рабочая, км/ч max
|
14.92
|
|
Двигатель
|
|
Марка
|
ММЗ
|
|
Модель
|
Д-260.1S
|
|
Тип
|
4-х тактный, дизельный
с турбонаддувом
|
|
Число цилиндров
|
6
|
|
Диаметр цилиндра,
мм
|
110
|
|
Ход поршня, мм
|
125
|
|
Рабочий объем, л
|
7,12
|
|
Номинальная частота
вращения, об/мин
|
2100
|
|
Мощность
номинальная, кВт (л. с.)
|
114 (153)
|
|
Максимальный
крутящий момент, Н.м
|
596.799988
|
|
Коэффициент запаса
крутящего момента, %
|
15
|
Рисунок 1.6 - Трактор «БЕЛАРУС-1523.5» в базовой комплектации
Оператор при управлении, как передним, так и задним навесным устройством
с помощью выносного пульта управления (при его наличии) должен находиться вне
зоны действия навесного трехточечного устройства, и при этом учитывать габариты
выступающих частей поднимаемой машины.
Заднее навесное устройство состоит из трех тяг (верхней и двух нижних),
соединенных посредством шарниров передними концами с трактором и задних концов
со свободными шарнирами, для соединения с присоединительными пальцами
агрегатируемых машин. ЗНУ предназначено для присоединения к трактору машин
заднего расположения, передачи тягового усилия во время работы и регулировки их
положения во время работы или движения в транспортном положении. ЗНУ
обеспечивает агрегатирование следующих типов машин и орудий:
навесных при трехточечной навеске (верхняя и нижние тяги);
полунавесных (нижние тяги);
полуприцепных с помощью поперечины на ось подвеса нижних тяг.
В конструкции заднего НУ заложена возможность использования
регулировочной штанги, которая путем фиксации нижних тяг между собой с
определенным размером обеспечивает необходимую длину оси подвеса и облегчает их
соединение с машиной. Для предохранения присоединенных машин от раскачивания
служат регулируемые по длине ограничительные наружные стяжки.
Для обеспечения требуемого положения машины предусмотрены следующие
регулировки ЗНУ в вертикальной и горизонтальной плоскостях с помощью верхней
тяги, раскосов и ограничительных стяжек:
Изменение длины верхней тяги.
Производится для обеспечения одинакового заглубления рабочих органов
(выравнивание глубины хода рабочих органов, расположенных друг за другом по
ходу движения трактора). Если рама навесного плуга наклонена вперед по ходу
движения трактора и передний корпус пашет глубже заднего, удлините верхнюю тягу
и укоротите, если, передний корпус пашет с меньшей глубиной, чем задний.
Изменение длины левого или правого раскоса.
Производится в следующих случаях:
обеспечение положения машины в горизонтальной плоскости;
обеспечение равномерной глубины обработки рабочими органами навесной
машины по ширине захвата.
Изменение длины обеих раскосов, верхней тяги для транспортного положения
машины.
Производится в следующих случаях:
обеспечение требуемого дорожного просвета;
обеспечение достаточного безопасного расстояния между элементами трактора
и машины, исключающее касание элементов машины трактора (зазор не менее 100
мм).
Рисунок 1.7 - Схема заднего навесного устройства исполнения
НУ-3
Комбайн полунавесной кормоуборочный КПК-3000 «ПАЛЕССЕ FH40»
агрегатируется с универсальными энергосредствами ПАЛЕССЕ 2U350, ПАЛЕССЕ 2U280A
(2U250A), ПАЛЕССЕ U280 и входит в состав кормоуборочного комплекса ПАЛЕССЕ
K-G-6.
Комбайн предназначен для скашивания кукурузы, в т.ч. фазе восковой
спелости зерна, сорго, подсолнечника и других высокостебельных культур,
скашивания зеленых и подбора из валков подвяленных, сеяных и естественных трав
с измельчением и погрузкой в транспортные средства.
Рисунок 1.8 - КПК3000
ДОСТОИНСТВА
Комбайн ПАЛЕССЕ FH40 оснащен измельчителем радиально-дискового типа,
обеспечивающим максимально высокое качество измельчения листостебельной массы и
дробления зерен кукурузы; комбайн, снабженный роторной жаткой, способен убирать
кукурузу любой высоты и урожайности, независимо от схем и способов посева;
оснащен механизмом продольного копирования; оснащен метало-камнедетектором.
По сравнению с аналогами стран ближнего и дальнего зарубежья, комплекс
имеет более низкую стоимость.
Таблица 1.2-Технические характеристики КПК-3000
|
Характеристика
|
Ед. изм.
|
Значение
|
|
Тип измельчающего
аппарата
|
|
Радиально-дисковый
|
|
Длинна резки
|
мм
|
5 - 48
|
|
Производительность
за час основного времени
|
|
На кошении кукурузы
молочно- восковой спелости зерна, влажностью 80%
|
т/ч
|
90,0
|
|
При подборе
|
|
50,4
|
|
При кошении трав
|
|
43,2
|
|
Степень разрушения
зерен кукурузы молочно-восковой спелости, не менее
|
%
|
96
|
|
Полнота сбора
урожая, не менее
|
%
|
99
|
|
Адаптеры
|
|
Жатка для уборки
кукурузы барабанного типа
|
м
|
3
|
|
Жатка для уборки
трав
|
|
4,2
|
|
Подборщик
|
|
1,85; 3,0
|
|
Установочная высота
режущего аппарата
|
|
Жатки для
грубостебельных культур
|
мм
|
100-140
|
|
Жатки для уборки
трав, минимальная, не более
|
|
60
|
|
Высота загрузки
измельчённой массы в транспортные средства, не менее
|
м
|
4
|
|
Рабочая скорость
движения
|
км/ч
|
12
|
ЗАКЛЮЧЕНИЕ
В процессе выполнения
данного
курсового проекта
был проведен анализ механізм навески. Для анализа была использована плоская математическая модель механизма,
которая позволила проводить исследования с меньшими затратами времени, сил и
энергии.
При выполнении проекта были выполнены геометрический, кинематический и
силовой анализы механизма навески, а также проведен расчет на устойчивость мобильного сельскохозяйственного агрегата.
В результате формирования математической модели расчетным путем получены координаты характерних точек механизма, совпадающие с графическим построением трех положений на ватмане. Это доказывает адекватность сформированной математической модели.
Полученная на основе разработанной математической модели статическая характеристика механизма навески может бать улучшена в процес се параметрической оптимизации, т.е. достижения большей стабильности усилия на гидроцилиндре в процес се подъема навешенного адаптера.
При достижении стабильности, предел управляемости составляет16%,поскольку реакция моста (12% от веса всего мобильного агрегата),то условие управляемости будет выполняться.
СПИСОК ИСПОЛЬЗОВАННОЙ
ЛИТЕРАТУРЫ
математический моделирование сельскохозяйственный агрегат
1 Тарасик В.П. Математическое моделирование технических систем. - Мн.: ДизайнПРО,
1997. - 50 стр.
Бахвалов Н.С., Жидков Н.П., Кобельков Г.М.
Численныеметоды. - М.: ЛабораторияБазовых Знаний, 2001. - 89 стр.
Доценко СВ. Численныеметодыинформатики. Конспект
лекций-СевГТУ 2000г. - 89 стр.
Калиткин Н.Н., Численныеметоды - М.: Наука, 1978. - 25
стр.
Дьяконов В.П. MATHCAD 2000. Серияучебный курс. СПб, Изд.
«Питер», 2000. - 592 стр. MathCad 6 PLUS.:Руководство пользователя.
/ Пер. с англ. - М.: Филинъ. 1996. - 712 стр.
Основы современных
компьютерных технологий. Подредакцией проф. А.Д.
Хомоненко. Санкт-Петербург. Изд. «КОРОНА-принт», 1998 г. - 448 стр.
Грудецкий Г.А., Коробейников Е.В., Самовендюк Н.В.,
Трохова Т.А., Токочаков В.И. Математический пакет MathCad: Практикум по курсу «Информатика» к
лабораторным работам для студентов всех специальностей заочного отделения. №
2774 - Гомель, ГПИ, 2003
Дьяконов В.П. Справочник по MathCadPLUS 6.0 PRO. - М.: СК Пресс. 1997. - 336 стр.
Трохова Т.А. Основные приёмы работы в системе MathCad, версии 6.0 М/ук 2286 . Гомель,
ГГТУ, 1998