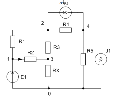
1.
Керовану гілку залежного джерела замінили на резистивний елемент R0, опір якого
Rо = 1 кОм
Рис. 2
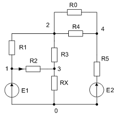
2. Реальні
джерела струму замінили джерелами напруги
Рис. 3

(B).
3. Обчислення
за методом суперпозицій
Теорема суперпозиції (накладання):
реакція лінійного кола на суму незалежних дій дорівнює алгебраїчній сумі
реакцій на кожну дію окремо. Дії в колі представлені двома незалежними
джерелами: джерелом струму J1 та джерелом напруги Е1. Тому при вилученні джерел
необхідно пам’ятати, що:
у відповідності з тим, що ідеальне
джерело струму має нескінченно великий опір, то видалення джерела струму
еквівалентне розмиканню гілки, що його містить;
у відповідності з тим, що ідеальне
джерело напруги має опір рівний нулю, то видалення джерела напруги еквівалентне
закороченню гілки, що його містить.
Замінивши в початковій схемі
заданого кола керовану гілку залежного джерела напруги на резистивний елемент
R0 з опором 
і реальні джерела струму на джерела
напруги, маємо:
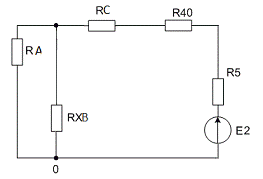
Вилучення джерела напруги Е2.
Вилучаємо зі схеми джерело
напруги E2 й отримуємо нову схему, що зображена:
Рис. 4
Рис. 5
Далі для визначення первинних
параметрів (значень напруги та струму) електричного кола виконаємо еквівалентні
перетворення кола.
Користуємось еквівалентним
перетворенням трикутник-зірка.
Рис. 6
Розраховуємо резистивні елементи RА,
RВ, RС:
RА=
= 
=0,2 (кОм)В=
= 
=0,6 (кОм)С=
= 
=0,7 (кОм)
Резистивні елементи R4 i R0
замінимо на резистивний елемент R40, опір якого дорівнює:
Рис. 7

0,7(кОм).
Далі замінимо елементи RС,
R40 та R5 на елемент RС405 з опором:
Рис. 8

(кОм)
Рис. 9

(кОм)
Далі замінимо елементи RС405
та RВХ на елемент RВХС405 з опором:
Рис. 10

1,25 (кОм)
Тепер можна обчислити загальний опір
кола:=RВХС405+RА=1,25+0,2=1,45 (кOм)
Визначимо струм кола:

(мA)
Для того щоб ми змогли знайти
струм резистора 
потрібно обчислити напругу:
А=
(B).
Так як, резистори RА та RВХ
з‘єднані паралельно, напруга в них однакова:А= UВХ=0,83 (В)
Звідси ми можемо знайти струм

:

(мА)
Струми 
=0.52 (мА)
Оскільки резистори RС405 та
RВХ з‘єднані паралельно, напруга в них однакова
С405= UВХ=0,83 (В)
Знаходимо струм

=0,15 (мА)
Оскільки з’єднання
послідовне:

(мА)
Через напругу U40 обчислимо
струм 
=
(B).
Напруги U40,U4 та U0
однакові, тоді:

=0,1 (мА)

=0,05(мА)
Знайдемо струми

(мА)

(мА)

,52-0,15=0,37 (мА)
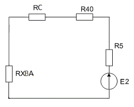
Вилучення джерела напруги Е1.
Вилучаємо зі схеми джерело
напруги Е1 і отримаємо таку схему:
Рис. 11
Далі для визначення первинних
параметрів (значень напруги та струму) електричного кола виконаємо еквівалентні
перетворення кола.
Користуємось еквівалентним
перетворенням трикутник-зірка.
Рис. 12
Розраховуємо резистивні елементи RА,
RВ, RС:
RА=
= 
=0,2 (кОм)В=
= 
=0,6 (кОм)С=
= 
=0,7 (кОм)
Резистивні елементи R4 i R0 замінимо
на резистивний елемент R40, опір якого дорівнює:
Рис. 13

0,7(кОм).
Так як RВ та RХ з’єднані послідовно
маємо:
Рис. 14

(кОм)
Резистори RА та RВХ з’єднані
паралельно, тому:
RАВХ=
(кОм).
Рис. 15
Резистори RХВА, RС і R40 з‘єднані
послідовно, тоді:
АВХС40=RХВА+RС+
R40=3.4+0,7+0,7=4.8(kOм).
Рис. 16
Обчислимо загальний опір для схеми
=RАВХС40+R5=4.8+4,3=9.1 (kOм)
Визначимо загальний струм кола

(мA)
Оскільки з’єднання послідовне
Через напругу UХВС405
обчислимо струм 
ХВС40А=
RХВС40А=2.16 (B)
Оскільки UХВС40А=
UХВ=UА=2.16(В) маємо

=3.18 (мА)

10.79 (мА)
Так як маємо послідовне
з’єднання

(мА)
Через напругу U40 знайдемо
струми
=
= U4= U0 так як з’єднання паралельне

=1 (мА)

=1.99 (мА)
Знаходимо струми

(мА)

(мА)

=1.08 (мА)
Обчислюємо загальні струми:
Перевірка отриманих результатів за
законами Кірхгофа
Перевіримо отримані результати за
першим законом Кірхгофа: алгебраїчна сума миттєвих значень струмів, що
сходиться у вузлі, дорівнює нулю.
Для 3-го вузла:

=0
Для 4-го вузла:

=0
Для 2-го вузла:

=0
Перевіримо чи виконується
другий закон Кірхгофа для контурів кола:
Для першого контура:
Е1=
=4.41*1+3.7*1
Для другого контура:
=
=-3.41*1.2-4.41*1+0.71*3
Для третього контура:
Е2=
.8=-3.7*1+0.71*3-0.37*0.7-2.7*4.3
Згідно до поставленого завдання
виконаємо перевірку отриманих результатів(отриманих значень напруги та струму)
також за умовою балансу потужності.
4.07*6+3.35*25.8=16.56+1.2+16.56*1+0.29*3+1.08*2+11.22*4.3+5.86*1+13.32*1
.85=109.89
Метод контурних струмів.
За методом контурних струмів
для розрахунків режиму складного кола можна обмежитись розв’язанням лише
(l-k-m+1), де l - кількість віток; k- кількість вузлів; m- кількість джерела
струму.
В даній схемі ми замінили
джерело струму на джерело напруги, а також трикутник в зірку.
Рис. 15
2
=6

=0


=U0=U40=I40*R40=1.89 (B)
I4=
=
Перевіримо отримані
результати за першим законом Кірхгофа: алгебраїчна сума миттєвих значень
струмів, що сходиться у вузлі, дорівнює нулю.
Для 3-го вузла:

=0
Для 4-го вузла:

=0
Для 2-го вузла:

=0
Перевіримо чи виконується
другий закон Кірхгофа для контурів кола:
Е1=
=4.41*1+3.7*1
Для другого контура:
=
=-3.41*1.2-4.41*1+0.71*3
Для третього контура:
Е2=
.8=-3.7*1+0.71*3-0.37*0.7-2.7*4.3
Згідно до поставленого
завдання виконаємо перевірку отриманих результатів(отриманих значень напруги та
струму) також за умовою балансу потужності.
.07*6+3.35*25.8=16.56+1.2+16.56*1+0.29*3+1.08*2+11.22*4.3+5.86*1+13.32*1
.85=109.89
Обчислимо напругу в колі:

-3.41*1.2= -4.09(B)

4.41*1=4.41 (B)

-0.71*3=-2.13 (B)

=0.95*2=1.9 (B)

=2.7*4.3=11.61 (B)

=1.89*1=1.89 (B)

=3.7*1=3.7 (B)
струм коло
резистивний кірхгоф
Висновки
В результаті даної
розрахунково-графічної роботи було освоєно та перевірено декілька методів
розрахунку параметрів лінійних резистивних кіл:
· метод еквівалентних
перетворень;
· метод суперпозицій;
· метод контурних
струмів.
При порівнянні методів ми зробили
висновки, що метод контурних струмів є швидший та менш громіздкий у розрахунках
ніж метод суперпозицій.
Теореми про еквівалентне джерело
також мають багато обчислень і в результаті дають значення лише для одного
елемента. Тобто можна сказати, що вони є корисними в часткових випадках
розрахунків параметрів кіл.
В результаті проведених обчислень
можна сказати, що вони були проведені вірно це видно у розрахунках в пунктах
перевірки.
Перелік посилань
1 Основи теорії
електричних кіл: У 3 кн. Кн. 1. Аналіз лінійних резистивних кіл. Часова
область: Підручник / М. Б. Гумен, А.М. Гурій, В.М. Співак; За ред. М.Б. Гумена.
− К.: Вища шк., 2003. − 399 с.: іл.
2 Основні вимоги до
оформлення атестаційних робіт, дипломних та курсових проектів. Методичні
рекомендації для студентів факультету електроніки всіх форм навчання. Укладачі:
Макаренко В.В., Трапезон К.О., Чермянін А. М., Київ НТУУ "КПІ" 2006.