Расчет электрической системы на основе схемы замещения

  • Вид работы:
    Дипломная (ВКР)
  • Предмет:
    Физика
  • Язык:
    Русский
    ,
    Формат файла:
    MS Word
    1,18 Мб
  • Опубликовано:
    2015-03-31
Вы можете узнать стоимость помощи в написании студенческой работы.
Помощь в написании работы, которую точно примут!

Расчет электрической системы на основе схемы замещения

Содержание

Введение

1. Исходные данные

. Схемы замещения и параметры воздушных линий электропередач

. Схемы замещения и параметры автотрансформаторов

. Приведённые мощности подстанций

.1 Расчет приведенной мощности на понижающей подстанции

.2 Расчет схемы замещения трансформаторов ТРДЦН-63

.3 Расчёт приведённой мощности на электростанции

.4 Расчет схемы замещения трансформаторов ТДТН-80

. Упрощенная схема замещения электрической сети

. Расчёт установившегося режима электрической сети

.1 Расчёт потоков мощности в электрической сети

.2 Расчет напряжений на подстанциях

. Расчет карты режима сети

. Расчет потерь мощности и энергии в сети

Заключение

Список литературы

Введение


Одним из основных разделов курса «Передача и распределение электрической энергии», подлежащих изучению, являются методы расчёта установившихся режимов электрических сетей. Различают нормальные и послеаварийные установившиеся режимы. В этих режимах рассчитывается потокораспределение по участкам сети. Знание потокораспределения даёт возможность определить потери мощности в сети, напряжения в различных узлах системы и по полученным результатам оценить выполнение ряда технических условий.

Для выполнения расчётов реальной электрической системе ставится в соответствие схема замещения. Схемы замещения современных сложных электроэнергетических систем содержат десятки и даже сотни узлов и ветвей. При анализе режимов работы таких систем и разработке алгоритмов их расчёта на ЭВМ используются аппарат матричной алгебры, теория графов и современные численные методы решения систем уравнений.

Для простых электрических сетей с небольшим числом контуров и узлов расчёты установившихся режимов обычно проводят «вручную» или на ЭВМ, ограничиваясь одной, двумя итерациями. Практика показывает, что во многих случаях этих приближений вполне достаточно.

В дипломной работе предлагается самостоятельно выполнить расчёт установившегося нормального режима электрической сети «вручную», что поможет освоить методы расчёта режимов сети, развить навыки в составлении схем замещения и определении параметров элементов электрических сетей.

 

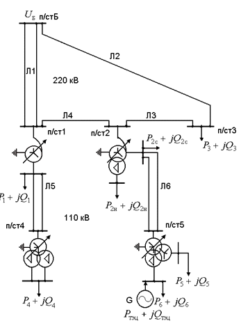
1. Исходные данные


Рисунок 1.1 - Электрическая сеть

Таблица 1.1 - Марки проводов и сечения линий

№ Вар.

№ линии

Марка провода

Кол-во цепей

Расст. между фазами, м

Расположение проводов на опоре

2

1

АС-300/39

2

7

По вершинам D-ка (бочка)


2

АС-240/32

1

- « -

Горизонтальное


3

АС-240/32

1

- « -

- « -


4

АС-300/39

1

- « -

- « -


5

АС-120/19

2

4

По вершинам D-ка (бочка)


6

АС-185/29

2

4

- « -


Таблица 1.2- Длины линий, км

№ варианта

l1

l2

l3

l4

l5

l6

25

100

110

55

45

20

35


Таблица 1.3- Марки (тип) трансформаторов, автотрансформаторов, нагрузки на подстанциях и мощность ТЭЦ

№ Вар.

Подстанция 1

Подстанция 2

П/ст3

30

Тип тр-ра

Кол-

P1,

Тип тр-ра

Кол-

P2н

P2с

P3



во

МВт


во

МВт


АТДЦТН- 63

2

20

АТДЦТН-125

2

50

100

140


Подстанция 4

Подстанция 5

ТЭЦ


Тип тр-ра

Кол-во

P4,

Тип тр-ра

Кол-во

P5

P6

PТЭЦ




МВт



МВт


ТРДН -63

2

45

ТДТН -80

2

60

90

180

 

2. Схемы замещения и параметры воздушных линий электропередач


Воздушные линии электропередачи (ВЛ) напряжением 110 кВ и выше длиной до 300 км обычно представляются П-образной схемой замещения (рисунок 2.1) с сосредоточенными параметрами:  - активное сопротивление учитывает потери активной мощности на нагрев провода,  - индуктивное сопротивление определяет магнитное поле, возникающее вокруг и внутри провода,  - активная проводимость учитывает затраты активной мощности на ионизацию воздуха (потери мощности на корону) и токи утечки через изоляторы, которыми для ВЛ можно пренебречь, - ёмкостная проводимость обусловлена ёмкостями между проводами разных фаз и ёмкостью провод-земля.

Рисунок 2.1 - П-образная схема замещения линии электропередачи.

В проекте предусмотрены величины сечений F воздушных линий,, исключающие возможность появления короны (для сетей  , для сетей с  ), поэтому активные поперечные проводимости в схемах замещения учитывать не следует.

Расчёт параметров схемы замещения начинают с определения их значений для 1 км длины линии (погонные параметры).

Погонное активное сопротивление сталеалюминевого провода при температуре 200С определяем выражением:


где  - удельное электрическое сопротивление алюминия при температуре 200С, ;  - расчётное поперечное сечение токопроводящей (алюминиевой) части,  берётся для заданной марки провода из [3, 4];

 - коэффициент, учитывающий удлинение провода из-за скрутки, .

При выполнении расчётов установившихся режимов сети отличие эксплуатационной температуры от 200С не учитывается, согласно ГОСТ 839-80.

1) линия Л1, = 301 мм2 ;

) линия Л2, = 244мм2 ;

) линия Л3, = 244мм2 ;

) линия Л4, = 301мм2  ;

) линия Л5, = 118 мм2 ;

) линия Л6, = 181 мм2 .

Погонное индуктивное сопротивление сталеалюминевого провода рассчитываем по формуле:

,

где d - диаметр провода, d берётся для заданной марки провода из [1, 3, 4];

 - среднегеометрическое расстояние между фазами, определяемое следующим выражением:

.

Здесь  - расстояние между проводами фаз а, в, с.

При расположении фаз по вершинам равностороннего треугольника  равно междуфазному расстоянию , при горизонтальном расположении проводов

При размещении параллельных цепей на двухцепных опорах потокосцепление каждого фазного провода определяем токами обеих цепей. Однако индуктивное сопротивление одной цепи при учёте и без учёта влияния второй цепи разнится на 5-6%, поэтому в практических расчётах вторая цепь не учитывается.

)       Линия Л1, d = 24 мм, Dср = D=6,5 м = 8,2 м

)       Линия Л2, d = 21,6 мм, Dср = D=6,5 м = 8,2 м

;

)       Линия Л3, d = 21,6 мм, Dср = D=6,5 м = 8,2 м

;

)       Линия Л4, d = 24 мм, Dср = D=6,5 м = 8,2 м

;

5)    Линия Л5, d = 15,2 мм, Dср = D= 4 м

;

6)    Линия Л6, d = 18,8 мм, Dср = D= 4 м

.

Погонная ёмкостная проводимость определяем выражением:

;

При выполнении проектных расчётов установившихся нормальных режимов сетей с напряжениями до 220 кВ допустимо использовать упрощенные схемы замещения (рисунке 2.2), в которых погонные ёмкостные проводимости заменяют погонными зарядными мощностями соответствующих линий :

;

) Линия Л1

;

;

) Линия Л2

;

;

) Линия Л3

;

;

) Линия Л4

;

;

) Линия Л5

;

;

6)      Линия Л6

;

;

Если передача электроэнергии осуществляется по двухцепным линиям или по двум одноцепным, то в расчётах установившихся режимов электрической сети используем эквивалентные схемы замещения. Параметры таких схем определяем как результат параллельного сложения двух одинаковых схем, составленных для каждой линии (цепи).

Рис. 2.2. - Упрощенная схема замещения линии электропередачи

Эквивалентные параметры схемы находим по следующим формулам:


Здесь l - длина линии в км;  - номинальное напряжение;

n - количество параллельных линий.

1) Линия Л1


) Линия Л2


) Линия Л3


) Линия Л4


) Линия Л5


) Линия Л6


Таблица 2.1. Параметры схем замещения линий передач

Исходные данные

Погонные параметры

линии      ,

кВМарка

проводаКол-во

цепейДлина,

кмr0,

Ом/кмx0,

Ом/кмв0, 10-6

См/км







 

1

220

АС-300/39

2

100

0.098

0.425

2.674

2

220

АС-240/32

1

110

0.121

0.432

2.632

3

220

АС-240/32

1

55

0.121

0.432

2.632

4

220

АС-300/39

1

45

0.098

0.425

2.674

5

110

АС-120/19

2

20

0.251

0.409

2.785

6

110

АС-185/29

2

35

0.163

0.396

2.883


Окончание таблицы 2.1.

Расчётные параметры

линии

rлэ, Ом

xлэ, Ом

влэ, 10-4 См

, Мвар

1

4,900

17.085

5,340

28,46

2

13,31

47,52

2,890

14,00

3

6,650

23,76

1,445

7,000

4

4,410

19,125

1,203

5.800

5

2,510

4,090

1,114

1,346

6

2,850

6,930

2,018

2,440

3. Схемы замещения и параметры автотрансформаторов


Автотрансформаторы, как правило, устанавливаются на мощных узловых подстанциях районных сетей и предназначены для связи сетей двух номинальных напряжений. От шин среднего напряжения таких подстанций, обычно, получают электроэнергию целые районы с большим числом потребителей. Изображение автотрансформатора в принципиальной электрической схеме сети при наличии устройства РПН (регулирование напряжения под нагрузкой) представлено на рисунке 3.1.

Автотрансформатор (АТ) имеет последовательную обмотку (П), общую (О) и обмотку низшего напряжения (Н).

Обмотки последовательная и общая электрически соединены друг с другом и пронизываются общим магнитным потоком, тогда как обмотка низшего напряжения связана с ними только магнитной связью, что отражено на рисунке 3.1

а)                                         б)

Рисунок 3.1 - Автотрансформатор

а - изображение автотрансформатора в электрических схемах;

б - схема соединения обмоток автотрансформатора.

Автотрансформаторы характеризуются двумя значениями мощности: номинальная - это предельная мощность, которая может быть передана со стороны высшего напряжения (), типовая - мощность последовательной обмотки (). Расчётная мощность общей обмотки также равна типовой мощности, а обмотка низшего напряжения рассчитывается на мощность меньшую или равную типовой. Связь между номинальной и типовой мощностью АТ определяется выражением , где a- коэффициент выгодности автотрансформатора:

.

Чем меньше коэффициент выгодности, тем автотрансформатор более экономичен по сравнению с трёхобмоточным трансформатором. В электрических сетях с  a=0,25; 0,4; 0,5.

При расчёте электрических сетей автотрансформаторы учитываются схемами замещения (рисунок 3.2.). Полная схема замещения автотрансформатора имеет вид трёхлучевой звезды, где  - активные сопротивления соответствующих обмоток высшего, среднего и низшего напряжений учитывают потери активной мощности на нагрев обмоток;  - соответственно индуктивные сопротивления обмоток учитывают индуктивную мощность на потоки рассеяния. Намагничивающая ветвь подключается со стороны питающей обмотки, при этом  - активная проводимость обусловлена потерями активной мощности на нагрев магнитопровода, а  - реактивная проводимость определяет магнитный поток взаимоиндукции обмоток.

Рисунок 3.2. - Полная схема замещения автотрансформатора

Все параметры схемы замещения приведены к номинальному напряжению обмотки высшего напряжения. Для расчёта действительных значений напряжений и токов в обмотках среднего и низшего напряжений в схему включаются идеальные трансформаторы (трансформаторы без потерь мощности), которые учитывают коэффициент трансформации в режиме холостого хода.

Автотрансформаторы характеризуются следующими каталожными данными:

 - номинальная мощность, МВА;  - номинальные линейные напряжения соответственно обмоток высшего (ВН), среднего (СН), низшего (НН) напряжения, кВ, т.к. параметры схемы замещения отнесены к напряжению обмотки ВН, то в дальнейших расчётах , напряжения заданы при холостом ходе трансформатора;  - максимальное число положительных и отрицательных по отношению к основному выводу обмотки ВН регулировочных ответвлений,  - относительное значение изменения напряжения в процентах от , приходящееся на одно ответвление;

 - суммарные потери короткого замыкания для двух обмоток, кВт;  - напряжения короткого замыкания, %.  - потери холостого хода, кВт;  - ток холостого хода, %.

Для АТ проводят три опыта короткого замыкания, в каждом участвуют две обмотки. Например, при коротком замыкании на выводах обмотки СН, разомкнутой обмотке НН и подключении к источнику выводов обмотки ВН замеряются значения  и  при протекании по обмоткам ВН и СН номинальных токов. Следовательно, величины  и  отнесены к  автотрансформатора. Если в опыте короткого замыкания участвует обмотка низшего напряжения, по обмоткам протекают токи, соответствующие номинальной мощности обмотки НН, т.е. типовой мощности автотрансформатора. Следовательно  и  - отнесены к типовой мощности, поэтому указанные величины приводят к номинальной мощности АТ;

Используя каталожные данные автотрансформатора, проводят расчёт параметров схемы замещения.

Таблица 3.1.Справочные данные выбранных автотрансформаторов

Тип

S, МВА

Uном ВН, кВ

Uном СН, кВ

Uном НН, кВ

Uк ВС, %

Uк ВН, %

Uк СН, %

Px, кВт

Pк, кВт

Ix, %

АТДЦТН- 63000/220/110

63

230

121

6,6; 11; 38,5

11,0

22

45

215

0,5

АТДЦТН- 125000/220/110

125

230

121

6; 11,0; 38,5

11,0

45

28

65

350

0,5


В справочных данных приведено одно значение потерь короткого замыкания . По нему определяем суммарное активное сопротивление двух обмоток:


Мощность обмотки высшего напряжения равна номинальной мощности автотрансформатора, а мощность обмотки низшего напряжения составляет от неё не более 50%. При наличии магнитной связи активные сопротивления в схеме замещения обратно пропорциональны мощностям соответствующих обмоток:


а для обмотки НН:

1)    Расчеты для автотрансформатора АТДЦТН- 63000/220/110


2)    Расчеты для автотрансформатора АТДЦТН- 125000/220/110


Для расчёта индуктивных сопротивлений используют напряжения короткого замыкания. Заданные в каталожных данных напряжения  и  предварительно должны быть приведены к номинальной мощности АТ.

 и .

Если в справочниках напряжения  отнесены к номинальной мощности, пересчёта делать не следует.

Суммарные реактивные сопротивления пар обмоток рассчитываем по формулам:

.

А индуктивное сопротивление каждой обмотки находим из следующих выражений:

 


1)    Расчеты для автотрансформатора АТДЦТН- 63000/220/110

Суммарные реактивные сопротивления пар обмоток:

 Ом;

 Ом;

 Ом;

Индуктивное сопротивление каждой обмотки:


2)    Расчеты для автотрансформатора АТДЦТН- 125000/220/110

Суммарные реактивные сопротивления пар обмоток:

Ом;


Индуктивное сопротивление каждой обмотки:

Если индуктивное сопротивление какой-либо обмотки отрицательно, в дальнейших расчётах его не учитываем.

Проводимости  и  схемы замещения вычисляем по результатам опыта холостого хода (х.х). Потребляемая в этом опыте мощность определяем параметрами цепи намагничивания:


Откуда


Намагничивающая мощность и ток хх в % равны. Так как , следовательно,


1)    Расчеты для автотрансформатора АТДЦТН- 63000/220/110

МВАр;


2)    Расчеты для автотрансформатора АТДЦТН- 125000/220/110

 См;

МВАр;

 См;

Для АТ с  используют упрощенные схемы замещения. В таких схемах отсутствуют идеальные трансформаторы, а ветвь намагничивания учитывается потребляемой мощностью (рисунок 3.2.).

Рисунок 3.3. - Упрощенная схема замещения АТ

В схеме электрической сети промышленного района, рассчитываемой в работе, автотрансформаторы установлены на узловых подстанциях 1 и 2 и служат для связи сетей двух номинальных напряжений. Так как , то в расчётную схему сети они вводятся упрощенной схемой замещения.

Если на подстанции установлено два и более АТ, то для упрощенной схемы замещения (см. рисунок 3.3.) определяем эквивалентные параметры:

,

где n- количество АТ, установленных на подстанции.

Если обмотка НН автотрансформатора не нагружена (п/ст 1), её в схеме замещения не учитывают. Схема замещения упрощается и принимает вид (рисунок 3.4.).

Рисунок 3.4. - Упрощенная эквивалентная схема замещения при отсутствии нагрузки на обмотке НН автотрансформатора

Определим эквивалентные параметры для автотрансформаторов и нарисуем для них упрощенные схемы.

1)    Расчеты для автотрансформатора АТДЦТН- 63000/220/110

Ом; Ом;

Ом; Ом;

Ом; Ом;

 МВА;

2)    Расчеты для автотрансформатора АТДЦТН- 125000/220/110

Ом;  Ом;

Ом; Ом;

Ом; Ом;

 МВА;

Составим схемы замещения для автотрансформаторов:

Рисунок 3.5. - Упрощённая эквивалентная схема замещения автотрансформатора АТДЦТН 125000/220/110

Рисунок 3.6. - Упрощённая эквивалентная схема замещения автотрансформатора АТДЦТН 63000/220/110

 

4. Приведённые мощности подстанций


Количество узлов в расчётной схеме сети можно существенно уменьшить, если на подстанциях заданную нагрузку привести к шинам высшего напряжения. Такое представление нагрузки требует учёта характеристик трансформаторного оборудования.

На понижающих подстанциях 35-330 кВ устанавливаются трёхфазные двухобмоточные трансформаторы с регулированием коэффициента трансформации без отключения трансформатора от сети (РПН). Для ограничения токов короткого замыкания обмотка низшего напряжения таких трансформаторов может быть разделена на 2 идентичных, каждая рассчитана на 50% от номинальной мощности трансформатора.

Расчет приведенной мощности на понижающей подстанции.

Изображение двухобмоточного трансформатора с расщеплённой обмоткой низшего напряжения при наличии РПН в электрической схеме сети представлено на рис. 4.1, а; его полная схема замещения на рис. 4.1, б. Две ветви схемы замещения, учитывающие потери мощности в обмотках, имеют одинаковые сопротивления: , шунт проводимостей учитывает потери в магнитопроводе.

Рисунок 4.1. - Двухобмоточный трансформатор с расщеплённой обмоткой НН и с РПН в электрической схеме сети (а), его полная схема замещения (б).

При проведении опыта КЗ обмотки низшего напряжения соединяются параллельно. При коротком замыкании на выводах этих обмоток и подключении к источнику выводов обмотки ВН замеряются  и , обеспечивающее номинальный ток в обмотках.

Далее, используя формулы, рассчитывают

 и , (4.1)

а т.к. обмотки НН соединены параллельно, то сопротивление каждой определяется:

 (4.2)

Рассматриваемая подстанция в дальнейших расчётах может быть представлена мощностью, приведённой к шинам ВН, причём величина этой мощности определяется с использованием упрощенной схемы замещения трансформатора (рис. 4.2).

Если на подстанции подключено несколько трансформаторов (n), в схеме замещения (см. рис. 4.2) учитываются эквивалентные параметры: сопротивления уменьшаются в n раз, потери мощности в намагничивающей ветви увеличиваются во столько же раз.

Такой пересчёт необходимо провести для всех пар обмоток и далее, рассматривая обмотку Н1, как обмотку СН, Н2 как НН, рассчитывать параметры схем замещения.

Рисунок 4.2. - Упрощенная схема замещения трансформатора с расщеплённой обмоткой НН

Мощность подстанции, приведённая к шинам ВН, увеличивается по сравнению с заданной нагрузкой на величину потерь мощности в трансформаторах:

. (4.3)

Формулы, определяющие потери мощности, зависят от принятой схемы замещения.

Для схемы замещения (рис. 4.2) суммарные потери в n параллельно работающих трансформаторах составляют:

 (4.4)

 (4.5)

где  и  - суммарные нагрузки на первую и вторую обмотки НН для параллельно работающих трансформаторов, применительно к 4-й подстанции.

 (4.6)

 

Таблица 4.1. - Паспортные данные трансформаторов

Тип тр-ра

Uвн, кВ

Uсн, кВ

Uнн, кВ

Рхх, кВтРкз, кВтIхх, %



ТРДЦН-63/110

115

-

6,3

59

260

0,6

ТДТН-80/110

115

38,5

11

82

390

0,6


Расчет схемы замещения трансформаторов ТРДЦН-63.

Произведем расчет параметров трансформатора ТРДЦН-63.

Определяем суммарное активное и реактивное сопротивления двух обмоток по формуле (4.1):


Сопротивление каждой обмотки определяем по формуле (4.2):


Так как на подстанции установлено два трансформатора, то определяем эквивалентные параметры:


Определяем  и  по формуле (4.6)


Определяем суммарные потери двух параллельно работающих трансформаторов по формулам (4.4) и (4.5):


Рассчитаем приведенную мощность подстанции по формуле (4.3):


Рисунок 4.3. - Упрощенная схема замещения трансформатора ТРДЦН-63.

 

Расчёт приведённой мощности на электростанции

Принципиальная схема трёхобмоточного трансформатора представлена на рис. 4.3, а полная схема замещения совпадает со схемой замещения автотрансформатора (см. рис.3.2).

Состав каталожных данных отличается от приведённого в п. 3 тем, что потери мощности короткого замыкания  и относительные значения напряжения короткого замыкания  между парами обмоток отнесены к номинальной мощности трансформатора  (пересчёт не требуется).

Рисунок 4.4. - Изображение трёхобмоточного трансформатора в электрических схемах

Обычно для современных трансформаторов при равных номинальных мощностях обмоток (100%/100%/100%,) задаётся одно значение потерь короткого замыкания - . Учитывая, что при наличии магнитной связи между обмотками, отношение активных сопротивлений обмоток обратно пропорционально их мощностям, получим для определения активных сопротивлений следующие формулы:

 (4.7)

 (4.8)

 

Расчет схемы замещения трансформаторов ТДТН-80.

Произведем расчеты параметров трансформатора ТДТН-80.

Определяем активные сопротивления по формулам (4.7) и (4.8):


Находим индуктивное сопротивление каждой обмотки:

 

Эквивалентные параметры упрощенной схемы замещения.

Так как на подстанции установлено два трансформатора, то определяем эквивалентные параметры по формулам (3.11):

 

Суммарные потери в работающих трансформаторах.

Рассматриваемая в проекте электростанция (ТЭЦ) выдаёт электроэнергию на трёх уровнях напряжений: генераторном, 35кВ, и в энергосистему по линии 110кВ. Все указанные напряжения меньше 220кВ, поэтому в расчётах электростанция может быть представлена приведённой мощностью на шинах ВН. Если за положительное принять направление мощности, генерируемой на станции, то распределение потоков мощности по обмоткам в эквивалентной упрощенной схеме замещения трансформаторов, установленных на ТЭЦ, соответствует представленному на рис. 4.5.

Потери мощности в обмотках не зависят от направления потоков мощности и для схемы замещения (рис. 4.4) суммарные потери в n работающих трансформаторах по приближённым формулам составят:

 (4.9)

 (4.10)

где - суммарные нагрузки на обмотках высшего, среднего и низшего напряжений для n трансформаторов.

Указанные нагрузки применительно к подстанции 5 составляют:

 (4.11)

Рисунок 4.5. - Упрощенная эквивалентная схема замещения трёхобмоточного трансформатора.

Приведённая мощность подстанции, определяется:

 (4.12)

Если полученная в результате расчёта  положительна (), то ТЭЦ по линии 110кВ выдаёт мощность в сеть (является вторым по отношению к балансирующему узлу (Б) источником мощности). Если  отрицательна (),то мощности, генерируемой станцией, недостаточно для электроснабжения потребителей, подключенных к этой станции. В этом случае недостающая мощность поступает из системы (из Б) и подстанция рассматривается как нагрузка.

Проведённые для линий передач и подстанций расчёты позволяют составить упрощенную схему замещения электрической сети.

Определяем нагрузки применительно к подстанции 5 по формулам (4.11):


Определяем суммарные потери двух работающих трансформаторов по формулам (4.9) и (4.10):


Приведенная мощность подстанции.

Определяем приведённую мощность подстанции по формуле (4.12):


Так как полученная в результате расчёта положительна, то ТЭЦ по линии 110 кВ выдаёт мощность в сеть (является вторым по отношению к балансирующему узлу (Б) источником мощности).

Рисунок 4.6.- Упрощённая эквивалентная схема замещения трёхобмоточного трансформатора ТДТН-80.

5. Упрощенная схема замещения электрической сети


В однолинейную схему замещения электрической сети линии передачи вводятся П-образными схемами; автотрансформаторы и трёхобмоточные трансформаторы - трёхлучевыми схемами с подключением намагничивающей ветви со стороны питающей обмотки; двухобмоточные трансформаторы учитываются Г-образными схемами, а двухобмоточные трансформаторы с расщеплёнными обмотками - как трёхобмоточные или содержат в схеме замещения два луча и намагничивающую ветвь со стороны питающей обмотки.

Составляя схему замещения для рассматриваемой в дипломной работе электрической сети, необходимо учесть:

1 Тупиковые подстанции задаются приведёнными значениями мощности;

2 Электрическая сеть имеет участки с разными напряжениями. Связь осуществляется через автотрансформаторы. Для расчёта режима сети желательно все элементы схемы замещения привести к одному базисному напряжению, приняв за него  автотрансформатора. В упрощенной схеме указывают приведённые значения сопротивлений линий Л5 и Л6:


1)  Линия Л5


2)  Линия Л6


За  принимается напряжение 230 кВ, а , т.е. переключатель ответвлений установлен на нулевой отпайке.

3 Со стороны низшего напряжения автотрансформатора подстанции 1 нагрузки нет, поэтому в расчётной схеме не учитывают сопротивления , а участки схемы замещения, определяющие параметры обмоток высшего и среднего напряжений соединяются последовательно.

4 На схеме (рисунок 5.1.) все параметры должны быть представлены числовыми значениями.

Рисунок 5.1.- Упрощённая схема замещения электрической сети

6. Расчёт установившегося режима электрической сети


Перед выполнением расчёта определяем расчётные нагрузки в узлах и составляем расчётную схему замещения. Конфигурация и параметры расчётной схемы полностью соответствуют упрощенной схеме замещения, а расчётные определяем последующим формулам:


Рис. 6.2 Расчётная схема сети

 

Расчёт потоков мощности в электрической сети.

Приведение к кольцевой схеме сети.

Добавляя к потоку мощности у приёмного конца каждого участка потери мощности на нём, определяем значение мощности у его питающего конца. В узловых пунктах производим сложение значений мощности собственной нагрузки и потоков мощности отходящих ветвей. Расчёт продолжаем до определения полной мощности, поступающей в данную сеть из пункта питания. Для каждого участка в соответствии с принятыми на схеме обозначениями (рис. 6.3) используем следующие расчётные формулы:

; (6.1)

; (6.2)

 (6.3)

 (6.4)

Рисунок 6.2. - Потокораспределение для участка электрической сети.

Мощность в начале n - го участка:

 (6.5)

Мощность в конце (n-1) - го участка:

 (6.6)

Рассмотрим распределительную магистраль с узлами 3-7-9:

1.

.

.

.

Рассмотрим разветвлённую магистраль с узлами 2-5-6-8-10:

1.

.

.

.

.

.

.

Рисунок 6.3. - Кольцевая схема цепи.

 

Расчет кольцевой схемы сети.

Рассчитываем кольцевую схему сети, разрезая её по балансирующему узлу Б (рис. 6.4).

Рисунок 6.4. -Кольцевая схема цепи, разрезанная по балансирующему узлу

Сначала находим распределение потоков мощности в сети без учёта потерь в зависимости от нагрузок и полных комплексных сопротивлений ветвей сети, входящих в кольцо; определяем точку потокораздела в соответствующем узле схемы и потоки мощности, поступающие в неё с двух сторон:

 (6.7)

Производим проверку и рассчитываем остальные потоки по балансу мощности для узлов сети.


Производим проверку:


Рисунок 6.5. -Потокораспределение в кольцевой сети.


В результате расчёта получена одна точка потокораздела в узле 4 для активной и реактивной мощности, сеть условно делится по ней на две разомкнутые. Нагрузка в конце каждой разомкнутой сети определяется потоком мощности, поступающей по соединённой с ней линии (рис. 6.6)

Рисунок 6.6. - Разомкнутые расчётные схемы для кольцевой сети.

Потери мощности в линии 2-4':


Поток мощности в начале линии 2-4':


Поток мощности в конце линии 3-2:


Потери мощности в линии 3-2:


Поток мощности в начале линии 3-2:


Поток мощности в конце линии А-3:


Потери мощности в линии А-3:


Поток мощности в начале линии А-3:


Поток мощности, подведённый к узлу А:


Потери мощности в линии Б-4'':


Поток мощности в начале линии Б-4'':


Поток мощности, подведённый к узлу Б:


Мощность балансирующего узла :

 

Расчет напряжений на подстанциях.

Расчет напряжений в узлах и потери напряжений в линиях кольцевой сети.

По напряжению базисного узла  рассчитываем напряжения во всех остальных точках сети последовательно от базисного узла к наиболее удалённым потребителям.

 (6.2.1)

Напряжение в узле j:

 (6.2.2)

и его модуль:

 (6.2.3)

Если на ветви  поток мощности направлен от узла j в узел (j-1), то

 (6.2.4)

 (6.2.5)

Продольная составляющая падения напряжения на линии А-3:

Поперечная составляющая падения напряжения на линии А-3:

Напряжение в узле 3:

Модуль напряжения в узле 3:

Продольная составляющая падения напряжения на линии 3-2:

Поперечная составляющая падения напряжения на линии 3-2:

Напряжение в узле 2:

Модуль напряжения в узле 2:

Продольная составляющая падения напряжения на линии 2-4':

Поперечная составляющая падения напряжения на линии 2-4':

Напряжение в узле 4':

Модуль напряжения в узле 4':

Продольная составляющая падения напряжения на линии Б-4'':

Поперечная составляющая падения напряжения на линии Б-4'':

Напряжение в узле 4'':

Модуль напряжения в узле 4'':

Разница между напряжениями в узлах 4' и 4'':


Среднее значение напряжение в узле 4:


Разница между полученными с двух сторон напряжениями в точке (узле) потокораздела не превышает 2% от . Следовательно, можно приступить к расчёту напряжений на магистральных ответвлениях.

Расчет напряжений в узлах распределительной магистрали.

Рассчитаем падение напряжений на магистрали, идущей от узла 2.

Продольная составляющая падения напряжения ветви 2-7:

Поперечная составляющая падения напряжения ветви 2-7:


Напряжение в узле 7:

Модуль напряжения в узле 7 с учетом коэффициента трансформации:

Продольная составляющая падения напряжения ветви 7-9:


Напряжение в узле 9:

Приведение к среднему напряжению:

Модуль напряжения в узле 9 с учетом коэффициента трансформации:

Расчет напряжений в узлах разветвленной магистрали.

Рассчитаем падение напряжений на магистрали, идущей от узла 4.

Продольная составляющая падения напряжения ветви 4-5:


Поперечная составляющая падения напряжения ветви 4-5:

Напряжение в узле 5:

Модуль напряжения в узле 5:

Продольная составляющая падения напряжения ветви 5-6:


Поперечная составляющая падения напряжения ветви 5-6:


Напряжение в узле 6:

Модуль напряжения в узле 6 с учетом коэффициента трансформации:

Продольная составляющая падения напряжения ветви 5-8:


Поперечная составляющая падения напряжения ветви 5-8:


Напряжение в узле 8:

Модуль напряжения в узле 8 с учетом коэффициента трансформации:

Продольная составляющая падения напряжения ветви 6-10:


Напряжение в узле 10:

Приведение к среднему напряжению:

Модуль напряжения в узле 10 с учетом коэффициента трансформации:

 

. Расчет карты режима сети


Результаты расчёта режима сети необходимо представить в виде карты режима. Карту режима составляют в соответствии с конфигурацией сети. Каждый узел символически обозначают кружком, в верхней части которого указывают его номер или буквенное обозначение, использованное при проведении расчёта режима, в нижней - полученное напряжение в узле. Линии передачи и обмотки трансформаторов и автотрансформаторов символически обозначают прямоугольником, в который заносят цифровые значения активных и реактивных сопротивлений. Стрелками, отходящими от узла, показывают расчётные нагрузки потребителей и расчётные мощности станций, далее указываются потоки мощности в начале  и в конце  ветви, а также потери мощности .



8. Расчет потерь мощности и энергии в сети

Потери активной мощности определяют суммированием потерь мощности в активных сопротивлениях схемы замещения, потери реактивной мощности - в индуктивных. Для определения потерь энергии за год используем следующие формулы:

для линий передач:

для трансформатора с расщеплённой обмоткой ТРДЦН-63:


для трёхобмоточного трансформатора ТДТН-80:


для автотрансформатора АТДТН-125:

для автотрансформатора АТДЦТН-200:

где t- время наибольших потерь рассчитываем по эмпирической формуле


 - число часов использования наибольшей нагрузки.

, ,  - потери мощности в обмотках высшего, среднего и низшего напряжения трансформатора или автотрансформатора;

, - потери мощности в одной и другой ветвях трансформатора с расщеплёнными обмотками.

Суммарные мощности нагрузок и суммарную переданную к потребителям электроэнергию находят следующим образом:

 

Заключение


Одним из основных разделов курса «Передача и распределение электрической энергии», подлежащих изучению, являются методы расчёта установившихся режимов электрических сетей. Различают нормальные и послеаварийные установившиеся режимы. В этих режимах рассчитывается потокораспределение по участкам сети. Знание потокораспределения даёт возможность определить потери мощности в сети, напряжения в различных узлах системы и по полученным результатам оценить выполнение ряда технических условий.

Расчёт реальной электрической системы осуществляется на основе схемы замещения. Схемы замещения современных сложных электроэнергетических систем содержат десятки и даже сотни узлов и ветвей. При анализе режимов работы таких систем и разработке алгоритмов их расчёта на ЭВМ используются аппарат матричной алгебры, теория графов и современные численные методы решения систем уравнений.

Для простых электрических сетей с небольшим числом контуров и узлов расчёты установившихся режимов обычно проводят «вручную» или на ЭВМ, ограничиваясь одной, двумя итерациями. Практика показывает, что во многих случаях этих приближений вполне достаточно.

В работе предлагается самостоятельно выполнить расчёт установившегося нормального режима электрической сети «вручную», что поможет освоить методы расчёта режимов сети, развить навыки в составлении схем замещения и определении параметров элементов электрических сетей.

Список литературы

электрический подстанция трансформатор замещение

1.Справочник по проектированию электрических сетей / И. Г. Карапетян, Д. Л. Файбисович, И. М. Шапиро; под ред. Д. Л. Файбисовича. - М.: ЭНАС, 2011. - 349 с.

.Электротехнический справочник. В 4 т. Т. 3. Производство, передача и распределение электрической энергии. 9-е изд., стер. / Под общ. ред. В.Г. Герасимова и др.; гл. ред. А. И. Попов. - М.: Энергоатомиздат, 2012. - 963 с.

. Передача и распределение электрической энергии: Учебное пособие/ А. А. Герасименко, В. Т. Федин. - Ростов-н/Д.: Феникс; Красноярск: Издательские проекты, 2006. - 720 с.

. Электрические системы и сети: Учебное пособие/ Идельчик В.И. -

М.: Энергоатомиздат, 2009.

. Справочник по проектированию электроэнергетических систем / С.С. Рокотян - М.: Энергоатомиздат, 2013

Похожие работы на - Расчет электрической системы на основе схемы замещения

 

Не нашли материал для своей работы?
Поможем написать уникальную работу
Без плагиата!
Без нейросетей!