Расчет дистанционной защиты от междуфазных коротких замыканий и от коротких замыканий на землю
Содержание
Введение
. Исходные
данные
. Составление
схемы замещения
. Расчет
уставок токовых отсечек
. Расчет
поперечной дифференциальной направленной защиты линии L3(L4)
. Расчет
сопротивлений срабатывания дистанционной защиты по реактивной оси
.1 Расчёт
уставок I ступени
.2 Расчет
уставок II ступени
.3 Расчет
уставок III ступени
. Расчет
сопротивлений срабатывания дистанционной защиты по активной оси
.1 Расчёт
уставок I ступени
.2 Расчёт
уставок II ступени
.3 Расчёт
уставок III ступени
.4 Отстройка
от рабочего режима
. Выбор
трансформаторов тока и проверка чувствительности защит по току точной работы
. Проверка
остаточного напряжения на шинах подстанций
.1 Проверка
остаточного напряжения на шинах подстанции А
.2 Проверка
остаточного напряжения на шинах подстанции B
. Выбор типа
защит линии от замыканий на землю
. Расчет
токов срабатывания I ступеней ТЗНП
. Расчет
токов срабатывания II ступеней ТЗНП
. Расчет
токов срабатывания IV ступени ТЗНП
. Приведение
уставок тзнп ко вторичным цепям
Заключение
Список использованных
источников
ВВЕДЕНИЕ
В энергетических системах на электрооборудовании электростанций, в
электрических сетях потребителей электроэнергии могут возникать повреждения и
ненормальные режимы. Повреждения в большинстве случаев сопровождаются значительным
увеличением тока и глубоким понижением напряжения в элементах энергосистемы.
Повышенный ток выделяет большое количество тепла, вызывающее разрушения в месте
повреждения и опасный нагрев неповреждённых линий и оборудования, по которым
этот ток проходит. Понижение напряжения нарушает нормальную работу потребителей
электроэнергии и устойчивость параллельной работы генераторов и энергосистемы в
целом. Ненормальные режимы обычно приводят к отклонению величин напряжения,
тока, частоты от допустимых значений. При понижении частоты и напряжения
создаётся опасность нарушения нормальной работы потребителей и устойчивой
работы энергосистемы, а повышение напряжения и тока угрожает повреждением
оборудования и линий электропередачи. Для обеспечения нормальной работы
энергетической системы и потребителей необходимо возможно быстрее выявить и
отделить место повреждения от неповреждённой сети, восстанавливая, таким
образом, нормальные условия работы энергосистемы и потребителей.
Релейная защита является основным видом электрической автоматики, без
которой невозможна нормальная и надёжная работа современных энергетических
систем. Она осуществляет непрерывный контроль за состоянием и режимом работы
всех элементов энергосистемы и реагирует на возникновение повреждений и ненормальных
режимов. При возникновении повреждений защита выявляет и отключает повреждённый
участок, воздействуя на силовые выключатели. Целью данного проекта является
получение опыта и практических навыков расчета защит от коротких замыканий
линий электропередачи различных конфигураций. В ходе работы будут рассмотрены
особенности расчета и исполнения защит от междуфазных коротких замыканий и от
замыканий на землю, будут рассчитаны уставки срабатывания средств релейной
защиты. В случае недостаточной чувствительности ступеней защиты будут
предприняты меры для её повышения. По итогам проекта можно будет сделать вывод
о работе защит в целом на защищаемых линиях и об эффективности защит участков
сети от всех видов коротких замыканий.
1.
Исходные данные
Параметры источников:
X1Аmax= 3.1 Ом; X1Amin= 3.5 Ом; X0Amax= 3.1 Ом; X0Аmin= 4 Ом;
X1Bmax= 7.1 Ом; X1Bmin= 7.6 Ом; X0Bmax= 7 Ом; X0Bmin= 8 Ом.
Длины линий:
Автотрансформаторы связи AT1 и AT2:
Трансформаторные подстанции
T1 и
Т2:
.
T3 и
Т4:
T5 и
Т6:
.
Мощность перетока мощности по линии
L1:
Параметры срабатывания защит смежных элементов (от междуфазных КЗ/от КЗ
на землю):
автотрансформатор АТ1:
XIII=95 Ом, IIII=0.35 кА; XIV=165 Ом, IIV=0.2 кА, tIVZ=2.0 сек, tV0=1.6
сек;
автотрансформатор АТ2:
XIII=60 Ом, IIII=0.27 кА, XIV=145 Ом, IIV=0.2 кА, tIVZ=2.2 сек, tV0=1.4
сек;
линия L6:
XI=8.2 Ом, II=0.8
кА, XII=16 Ом, III=0.5 кА, XIIIZ=90 Ом, IIII0=0.12 кА, tIIIZ=2.3 сек, tIII0=1.5
сек.
линия L7:
XI=7 Ом, II=1.5 кА, XII=12 Ом, III=1 кА, XIII=70 Ом, IIII=0.7 кА, tIIIZ=2.3 сек, tIII0=2.2 сек.
Обоснование выбора средств релейной защиты
Поскольку на линиях, отходящих от ПС A (линия L7) и
ПС C (линия L6), для защиты от междуфазных КЗ применена дистанционная
защита, то на линиях предшествующих участков электрической сети для защиты от
междуфазных КЗ также должна быть установлена дистанционная защита. В качестве
защит от междуфазных КЗ используется трехступенчатая дистанционная защита,
встроенная в шкафы ШЭ2607-011(012) и выполненная на базе микропроцессорных
терминалов. Дистанционная защита является защитой с относительной
селективностью, поэтому в некоторых случаях может не удовлетворять требованиям
чувствительности и быстродействия. В таких случаях в качестве основных защит
должны использоваться защиты с абсолютной селективностью.
Характеристики срабатывания реле сопротивлений шкафа ШЭ2607-011(012)
приведены на рис. 1. Они представляют собой параллелограмм, верхняя сторона
которого параллельна оси R и
пересекает ось Х в точке с координатой Хуст, а правая сторона -
имеет угол наклона φ1 относительно оси R и пересекает ее в точке с координатой Rуст (Rуст и Хуст - уставки соответствующей ступени по
активному и реактивному сопротивлению: RIу, RIIу,
RIIIу и ХIу,
ХIIу, ХIIIу).
Характеристики реле сопротивления (РС) направленных ступеней ограничены с
помощью двух отрезков, исходящих из начала координат и расположенных во втором
и четвертом квадрантах, причем направленность определяется углами наклона этих
отрезков относительно оси R:
соответственно φ3 и φ2 (отсчет всех углов производится от оси R против часовой стрелки).
На радиальных линиях (L5), рекомендуется использовать
ступенчатую токовую защиту.
Рисунок 1 - Характеристика срабатывания реле сопротивления ступеней ДЗ
Таким образом, характеристика срабатывания РС определяется пятью
параметрами. Диапазон изменения этих параметров РС приведен в табл. 1.
Таблица 1
Параметры реле сопротивления
|
Ступени
|
Диапазон изменения
параметров
|
|
Rуст, Rнаг
(Ом на фазу)
|
Хуст (Ом на фазу)
|
φ1,0
|
φ2,0
|
φ3,0
|
φ4,0
|
φнаг,0
|
|
I
|
0,2÷100 (Iном = 5А) 1÷500 (Iном = 1А)
|
0,2÷100 (Iном = 5А) 1÷500 (Iном = 1А)
|
45÷89
|
-89÷0
|
91÷179
|
-45÷0
|
5÷60
|
|
II
|
|
|
|
|
|
-
|
|
|
III
|
|
|
|
|
|
-
|
|
|
IV
|
|
|
|
|
|
-
|
|
|
V
|
|
|
|
|
|
-
|
|
Характеристика РС дополнительной ненаправленной ступени имеет форму параллелограмма,
смещенная в третий квадрант на величину не более 0,1Хуст, а ее
уставки по R, Х и φ1 совпадают с аналогичными для РС направленной II ступени.
Ток десятипроцентной точности работы всех РС при работе при угле линии
электропередачи не превышают 0,1Iном. Под углом линии понимается угол φ1. Минимальное междуфазное напряжение, при котором
обеспечивается точностные параметры РС, составляет 0,5 В. Коэффициент возврата
реле сопротивлений Кв = 1,05.
В сетях с эффективно заземленной нейтралью для защиты от однофазных и
двухфазных коротких замыканий на землю используется токовая защита нулевой
последовательности (ТЗНП). Эта защита может иметь от двух до четырех ступеней.
На приёмных концах линий кольцевой сети с одним источником питания для
защит от междуфазных коротких замыканий ПУЭ (п.3.2.112) рекомендуют применить
токовые направленные защиты без выдержки времени.
Дополнительные сведения:
все используемые в схеме выключатели оборудованы трехфазным приводом;
со всех сборных шинах 110 кВ, через которые осуществляется связь с
напряжением 220 кВ через автотрансформаторы, а также с шин, расположенных между
ними подстанций, питаются ответственные потребители с преобладанием
высоковольтных двигателей, потеря устойчивости которых недопустима. Эти сборные
шины оборудованы дифференциальными защитами;
автотрансформаторы имеют резервные двухступенчатые дистанционные защиты и
трёхступенчатые нулевой последовательности на стороне 220 кВ, согласованные с
защитами отходящих ВЛ;
с целью сокращения объема расчетов напряжения в пределах всей сети
принимаются равными их средненоминальному значению, коэффициенты трансформации
автотрансформаторов - средненоминальные, регулированием коэффициентов
трансформации пренебрегаем;
сопротивления цепей двухцепных линий одинаковы;
двухцепные линии могут длительно работать в одноцепном режиме;
ступень селективности по времени Dt принимается равной 0,4 с;
вторичный номинальный ток трансформаторов тока принимается равным 5A;
расчет токов КЗ проводится в именованных единицах при приближённом приведении,
все сопротивления приведены к средненоминальному значению напряжения сети 115
кВ;
сопротивление линий прямой последовательности определяется исходя из
заданной их длины и удельного сопротивления Zл.уд. Максимальная мощность перетока по линии определяется исходя
из заданных максимальных мощностей перетока S1-2 и S2-1 и мощности нагрузки трансформаторных
подстанций при условии Sнагр= 0,6Sном.тр.
Коэффициенты самозапуска задает руководитель. Сопротивление линий нулевой
последовательности можно принять Холф = 3Х1л, а
сопротивление взаимоиндукции двухцепных линий Хмл = 2Х1л.
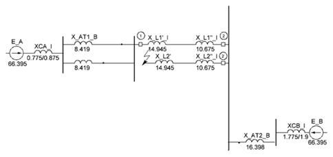
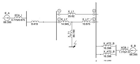
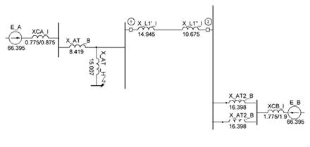
Рисунок 2 - Исходная схема электрической сети
2.
Составление схемы замещения
.1 Выбор элементов схемы
.1.1 Выбор трансформаторов
По номинальной мощности автотрансформаторов связи и по номинальным
напряжениям на шинах определяем марку этих автотрансформаторов и их параметры,
руководствуясь справочными данными [1,2].
Параметры АТ1
Марка АТДЦТН-200000/220/110
Номинальная мощность:
Номинальные напряжения:
Напряжения короткого замыкания:
Параметры АТ2
Марка АТДЦТН-125000/220/110
Номинальная мощность:
Номинальные напряжения:
Напряжения короткого замыкания:
Аналогично выберем марки остальных трансформаторов
Параметры Т1, Т2, Т5 и Т6:
Марка ТДН-16000/110.
Номинальная мощность:
Номинальные напряжения:
Напряжения короткого замыкания:
Параметры Т3 и Т4:
Марка ТДЦН-40000/110.
Номинальная мощность:
.
Номинальные напряжения:
Напряжения короткого замыкания:
2.1.2 Определение сечений проводов электрической сети
1) Выбор сечения провода одноцепной линии L5
Определим максимальный переток мощности по линии, затем, исходя из данных
[4, табл. 1.21], выберем подходящее сечение провода по экономической плотности
тока. Максимальная мощность перетока по линии L5 при условии что трансформаторы Т5 и Т6 загружены на 60%
Максимальный рабочий ток линии:
Принимаем сечение провода для линии L5 равным F1=70 мм2. Выбираем провод
марки АС-70/11. Его погонные параметры, необходимые для дальнейших расчётов,
таковы [1]:
r0
70/11=0.428 Ом/км;
x0
70/11=0.444 Ом/км.
) Выбор сечения провода двухцепной линии L3
Максимальная мощность перетока по линии L3 при условии что трансформаторы Т3 и Т4 загружены на 60%
Ток линии в ремонтном режиме:
Принимаем сечение провода для линии L3 равным F3=95 мм2. Выбираем провод
марки АС-95/16. Его погонные параметры, необходимые для дальнейших расчётов,
таковы [1]:
r0
95/16=0.306 Ом/км;
x0
95/16=0.434 Ом/км.
) Выбор сечения провода двухцепной линии L1
Максимальная мощность перетока по линии L1 при условии что трансформаторы Т3 и Т5 загружены на 60%
Ток линии в ремонтном режиме:
Принимаем сечение провода для линии L1 равным F1=120 мм2. Выбираем провод
марки АС-120/19. Его погонные параметры, необходимые для дальнейших расчётов,
таковы [1]:
r0
120/19 = 0.249
Ом/км; x0 120/19 = 0.427 Ом/км
2.2 Определение параметров элементов схемы
Для расчета токов короткого замыкания необходимо заменить
магнитосвязанные цепи одной электрической цепью путем приведения параметров
элементов различных ступеней напряжения к одной ступени напряжения, принятой за
основную (за основную ступень напряжения принято средненоминальное значение 115
кВ).
) Рассчитаем сопротивления трансформаторов Т1, Т2, Т5 и Т6
) Рассчитаем сопротивления трансформаторов Т3 и Т4
3) Рассчитаем сопротивления автотрансформатора АТ1
Так как напряжение короткого замыкания на стороне среднего напряжения
достаточно мало, то примем его равным нулю и, соответственно, сопротивление
обмотки среднего напряжения также примем равным нулю.
4) Рассчитаем сопротивления автотрансформатора АТ2
5) Рассчитаем сопротивления линий L1 и L2
Имеем
Ом/км,
Ом/км.
Найдем сопротивления прямой последовательности.
Найдем угол φ линии:
) Рассчитаем сопротивления линий L3 и L4
Имеем
Ом/км,
Ом/км.
Найдем сопротивления прямой последовательности.
Найдем угол φ линии:
) Рассчитаем сопротивления линии L5
Имеем
Ом/км,
Ом/км.
Найдем сопротивления прямой последовательности.
Найдем угол φ линии:
8) Приведем все сопротивления к основной ступени напряжения
Необходимо привести к основной ступени напряжения сопротивление систем А
и B, а также параметры срабатывания
защит АТ1 и AT2, установленных на стороне ВН.
Сопротивления прямой последовательности:
Сопротивления нулевой последовательности:
Параметры срабатывания дистанционных защит автотрансформаторов:
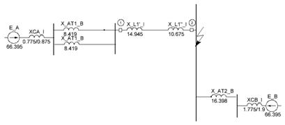
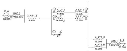
Схема замещения электрической сети по прямой последовательности
представлена далее на рис. 3.
Рисунок 3 - Схема замещения электрической сети по прямой
последовательности
3. Расчет
уставок токовых отсечек
Защита линии Л5 представляет собой двухступенчатую токовую защиту. Первой
ступенью двухступенчатой токовой защиты является мгновенная токовая отсечка.
Второй ступенью является максимальная токовая защита, предназначенная для
ближнего и дальнего резервирования.
3.1 Расчет первой ступени двухступенчатой токовой защиты
линии L5 комплекта 5
Мгновенную токовую отсечку отстраиваем от тока трехфазного КЗ за смежным
элементом, т.е. за трансформатором.
Рисунок 4 - Схема замещения для расчёта тока КЗ
Рассчитаем ток трехфазного КЗ за трансформатором Т5. Определим
эквивалентное сопротивление до точки КЗ:
Тогда, ток трехфазного КЗ в точке К1 будет равняться:
где
- коэффициент надежности, учитывающий неучет влияния
апериодической слагающей на величину полного тока КЗ, отклонение уставок защиты
от расчетных величин .
- для электромагнитных реле типа РТ-40.
3.1.1 Проверка коэффициента чувствительности ТО
Проверку на чувствительность выполняем по току двухфазного КЗ в конце
защищаемой линии (в точке К2).
Режим: СА-min, СB-min, AT1-1, AT2-1, L1-2.
Тогда, ток двухфазного КЗ в точке К2 будет равняться:
Коэффициент чувствительности удовлетворяет условиям ПУЭ
3.2 Расчет второй ступени двухступенчатой токовой защиты
линии L5 комплекта 5
3.2.1 Отстройка от токов самозапуска двигателей
При возникновении КЗ напряжение на шинах противоположной подстанции резко
снижается и электродвигатели питающиеся от этой подстанции через трансформаторы
Т5 и Т6, начинают тормозиться. После того, как поврежденный элемент отключится
соответствующим выключателем, напряжение на шинах восстанавливается, и
затормозившиеся электродвигатели начинают потреблять повышенный ток, увеличивая
свою скорость до номинальной. Для того чтобы токовые реле МТЗ не срабатывали в
этом режиме и надежно возвращались в исходное состояние, необходимо ток
срабатывания рассчитать следующим образом:
где
- коэффициент надежности;
- коэффициент возврата токовых реле;
и
- для электромеханических реле типа
РТ-40;
- коэффициент самозапуска
3.2.2 Отстройка от тока самозапуска электродвигателей после
успешного АПВ на защищаемой линии
Предполагается, что возникшее на ЛЭП КЗ самоустранилось во время
бестоковой паузы, и ЛЭП снова включили под напряжение с помощью АПВ. За время
действия релейной защиты и автоматики электродвигатели успевают затормозиться,
и после повторного включения по ЛЭП протекает большой ток самозапуска.
Требуется, чтобы МТЗ не срабатывала при этом токе, что обеспечивается следующим
условием:
где
- коэффициент надежности;
- коэффициент самозапуска при АПВ.
Из двух рассчитанных токов выбираем наибольший:
.
3.2.3 Проверка коэффициента чувствительности МТЗ
Способность МТЗ реагировать на междуфазные КЗ проверяется посредством
расчета коэффициента чувствительности в двух режимах: при КЗ в конце защищаемой
линии L5 в точке К2 и в режиме дальнего резервирования
при КЗ за трансформатором в точке К1.
) Режим дальнего резервирования
Суммарное сопротивление до трансформатора в минимальном было рассчитано
выше:
Тогда, суммарное сопротивление то точки К1:
Ток трехфазного КЗ в точке К1:
Коэффициент чувствительности удовлетворяет условиям ПУЭ.
) Режим ближнего резервирования
Коэффициент чувствительности удовлетворяет условиям ПУЭ.
.2.3 Расчет выдержки времени МТЗ
Примем время срабатывания 2 ступени защиты комплекта 5 большим на ступень
селективности, по сравнению с резервной защитой трансформатора Т5:
4. Расчет
поперечной дифференциальной направленной защиты линии L3(L4)
На линии L3 и L4 установлены комплекты 4 и 4`, которые выполнены поперечной
дифференциальной направленной защитой
4.1 Расчет тока срабатывания защиты, по условию отстройки от
тока небаланса учитывая переходной режим
За основу определения расчетного тока небаланса принимается ток небаланса
установившегося процесса. Находим наибольший ток трехфазного КЗ на шинах
подстанции С.
Рисунок 5 - Схема замещения для расчёта тока КЗ
Рассчитаем ток трехфазного КЗ на шинах С. Определим эквивалентное
сопротивление до точки КЗ:
Тогда, ток трехфазного КЗ в будет равен:
Ток срабатывания:
где
- коэффициент надежности;
=2 -коэффициент апериодической составляющей;
- коэффициент однотипности при однотипных ТТ;
- полная погрешность ТТ в расчетных условиях;
- максимальный сквозной ток в защищаемом объекте в расчетном
режиме.
4.2 Расчет тока срабатывания защиты, по условию возврата реле
где
- коэффициент возврата.
Выбираем
4.3 Проверка чувствительности поперечной дифференциальной
направленной защиты
Для проверки чувствительности ПДНЗ расчетными являются два режима: в
точке равной чувствительности и в режиме каскадного действия при КЗ вблизи шин
противоположной подстанции.
) Проверка в режиме каскадного действия
Рисунок 5 - Расчетная схема замещения для проверки чувствительности в
режиме каскадного действия
Чувствительность оценивается по току двухфазного КЗ.
2) Проверка в точке равной чувствительности
В связи с тем, что комплекты защиты на линиях L3 различны то нелья принять точку равной чувствительности в
середине линии, поэтому сначала найдем для комплекта 3 зону действия первой
ступени с коэффициентом чувствительности равным 1.5.
Рисунок 6 - Расчетная схема замещения для проверки чувствительности в
точке равной чувствительности
Определим ток, протекающий через защиты:
5. Расчет
сопротивлений срабатывания дистанционной защиты по реактивной оси
Сначала, выполним расчет уставок по реактивной оси.
5.1 Расчёт
уставок I ступени
Первая ступень ДЗ должна быть отстроена от КЗ в конце защищаемой линии на
величину тех возможных погрешностей, которые способны увеличить зону
срабатывания по сравнению с расчетной длиной и тем самым быть причиной
излишнего срабатывания первой ступени при КЗ в начале следующей линии [4].
Первая ступень дистанционной защиты линии должна надежно защищать 85%
линии. Поэтому уставка по реактивной оси может быть найдена по формуле:
где
- коэффициент отстройки, о.е.
- сопротивление защищаемой линии, Ом.
5.1.1 Расчет уставки защиты 1
= 21.777 Ом.
5.1.2 Расчет уставки защиты 2
= 21.777 Ом.
5.1.3 Расчет уставки защиты 3
= 11.067 Ом
5.2 Расчет
уставок II ступени
Вторая ступень дистанционной защиты должна быть отстроена от короткого
замыкания в конце зоны действия первой ступени дистанционной защиты смежной
линии, с которой она согласуется по времени:
По аналогии с токовой ступенчатой защитой по второму условию вторая
ступень дистанционной защиты должна отстраиваться от короткого замыкания за
трансформатором наибольшей мощности подстанции, питающейся по данной линии:
Необходимо отметить, что если среди линий, отходящих от приемной
подстанции, имеется двухцепная линия, то руководящие указания требуют
отстроиться от короткого замыкания в конце этой линии при ее работе в
двухцепном режиме. Поэтому получим:
Также необходимо проверить действие защиты в режиме каскадного отключения
и при КЗ за трансформатором ответвления.
Если на отходящей от приёмной подстанции линии установлена токовая
отсечка с выдержкой или без выдержки времени, то дистанционная защита должна
быть также согласована с токовой отсечкой [5]:
В этой формуле
- сопротивление зоны, надёжно (Kн
) охватываемой отсечкой, с которой производится согласование,
в расчётных условиях (при 2-фазном КЗ в минимальном режиме).
Минимальная
величина
, полученная по этим условиям, является расчетной.
Выдержка
времени второй ступени равна:
. Ступень
селективности Δt
примем равной 0,4 с, а время срабатывания УРОВ равным 0,2 с.
5.2.1 Расчет
уставки защиты 3
1) Отстройка от сопротивления срабатывания первой ступени защиты 6
) Отстройка от КЗ за трансформатором приемной подстанции:
Расчетным является первое условие, принимаем:
Проверка коэффициента чувствительности:
5.2.2 Расчет уставки защиты 1
1) Отстройка от конца зоны действия мгновенной токовой отсечки защиты 5

) Отстройка от КЗ за АТ2 на высокой стороне
3) Условие согласования с первой ступенью защиты 2’ при каскадном
отключении
Рисунок 7 - Расчетная схема замещения для расчета второй ступени
комплекта 1 в режиме каскадного действия
4) Условие согласования с первой ступенью защиты 3
Расчетным является второе условие, примем:
Проверим коэффициент чувствительности:
В данном случае следует согласовать II ступень защиты 1 с III ступенью дифференциальной защиты автотрансформатора 2, так как она
направлена в сторону сети, расположенной за ним и поэтому настроена аналогично II ступени защиты линии (т.е. имеет
выдержку времени).
Нужно согласовать защиту со второй ступенью защиты 3
Коэффициент токораспределения для данного режима был посчитан выше:
Выбираем первое условие. Проверим коэффициент чувствительности:
5.2.3 Расчет уставки защиты 2
1) Отстройка от сопротивления срабатывания первой ступени защиты 7
Рисунок 8 - Расчетная схема замещения для расчета второй ступени
комплекта 2 по первому условию
2) Отстройка от КЗ за АТ1 на высокой стороне
3) Условие согласования с первой ступенью защиты 1’ при каскадном
отключении
Рисунок 9 - Расчетная схема замещения для расчета второй ступени
комплекта 2 в режиме каскадного действия
Коэффициент токораспределения для данного режима посчитан выше:
Расчетным является второе условие, примем:
Проверим коэффициент чувствительности:
В данном случае следует согласовать II ступень защиты 2 с III ступенью дифференциальной защиты автотрансформатора 1, так как она
направлена в сторону сети, расположенной за ним и поэтому настроена аналогично II ступени защиты линии (т.е. имеет
выдержку времени).
Нужно согласовать защиту со второй ступенью защиты 3.
Проверим коэффициент чувствительности:
5.2.4 Определение выдержек времени для II ступеней защит
1) Определение выдержки времени II ступени комплекта защиты 1
При определении сопротивления срабатывания вторых ступеней защиты 1
расчетным условием было согласование ее с III ступенью дифференциальной защиты АТ2. Следовательно.
время срабатывания II ступени защиты
1 должно быть на ступень селективности больше выдержки времени III ступени защиты с учетом УРОВ.
2) Определение выдержки времени II ступени комплекта защиты 2
Аналогично:
) Определение выдержки времени II ступени комплекта защиты 3
Расчетным условием было согласование с I ступенью дистанционной защиты линии 6. I ступень не имеет выдержки времени,
следовательно:
5.3 Расчет
уставок III ступени
Третья ступень предназначена для отключения КЗ в зонах ближнего и
дальнего резервирования. Уставка по реактивной оси выбирается из условия
отключения КЗ в любой точке, находящейся в зоне дальнего резервирования по
выражению:
где принимаем
Режим работы сети выбирается такой, чтобы измеряемое сопротивление было
максимальным. Из всех найденных значений
в качестве уставки выбирается
максимальное значение.
5.3.1 Расчет уставки защиты 3
1) Отстройка от КЗ в конце линии 6
2) Отстройка от КЗ за трансформатором приемной подстанции:
Расчетным является второе условие, принимаем:
5.3.2 Расчет уставки защиты 1
1) Отстройка от КЗ на НН АТ2
Рисунок 10 - Расчетная схема замещения для расчета третьей ступени
комплекта 1 при КЗ на НН АТ2
2) Отстройка от КЗ за отпайкой (в работе две линии)
Рисунок 11 - Расчетная схема замещения для расчета третьей ступени
комплекта 1 при КЗ за отпайкой
Преобразуем треугольник сопротивлений в звезду:
Рисунок 12 - Сэквивалентированная схема для расчета тока КЗ за отпайкой
;
3) Отстройка от КЗ в конце линии 3
4) Отстройка от КЗ в конце линии 5
5) Отстройка от КЗ за отпайкой (в работе одна линия)
Таким образом, расчетным будет являться первое условие:
Ом
5.3.3 Расчет уставки защиты 2
1) Отстройка от КЗ на НН АТ2
2) Отстройка от КЗ за отпайкой (в работе две линии)
Схема замещения аналогична схеме на рисунке 11, только режимы систем
становятся противоположными.
;
3) Отстройка от КЗ в конце линии 7
4) Отстройка от КЗ за отпайкой (в работе одна линия)
Таким образом, расчетным будет являться первое условие:
Ом.
5.3.4 Определение выдержек времени для III ступеней защит
1) Определение выдержки времени III ступени комплекта защиты 1
При определении сопротивления срабатывания третьей ступенеи защиты 1
расчетным условием было согласование ее с IV ступенью резервной защиты АТ2. Следовательно. время
срабатывания III ступени защиты 1 должно быть на
ступень селективности больше выдержки времени III ступени защиты с учетом УРОВ.
2) Определение выдержки времени II ступени комплекта защиты 2
Аналогично:
) Определение выдержки времени III ступени комплекта защиты 3
Выдержка времени III
ступени защиты 3 должна быть согласована с III ступенью защиты 6:
дистанционный защита короткий замыкание
6. Расчет
сопротивлений срабатывания дистанционной защиты по активной оси
6.1 Расчёт
уставок I ступени
Уставка первой ступени по активному сопротивлению может быть найдена по
формуле:
где
- длина канала электрической дуги, м;
- минимальный ток двухфазного КЗ, протекающий через защиту,
кА.
Также стоит отметить, что первая ступень не имеет выдержки времени. Длину
дуги принимаем равной расстоянию между фазами РУ 110 кВ:
6.1.1 Расчёт уставки 1 защиты
Для определения сопротивления срабатывания по активной оси необходимо
рассмотреть КЗ в конце зоны действия.
Рисунок 13 - Расчетная схема для определения уставки первой ступени
первого комплекта
КЗ произошло линии, где находится защита 1, следовательно φ1=φкз. Отсюда:
6.1.2 Расчёт уставки 2 защиты
КЗ произошло линии, где находится защита 2, следовательно φ2=φкз. Отсюда:
6.1.3 Расчёт уставки 3 защиты
КЗ произошло линии, где находится защита 3, следовательно φ3=φкз. Отсюда:
6.2 Расчёт
уставок II ступени
Вторая ступень - ступень для ближнего резервирования. Для определения
сопротивления срабатывания II
ступени необходимо рассмотреть КЗ в конце зоны действия ближнего
резервирования. То есть режим, схема замещения и место КЗ остаются такими же,
как и при определении сопротивления срабатывания I ступени по реактивной оси.
Значит, ток КЗ останется неизменным, а изменится только длина дуги, причем
длина дуги зависит от выдержки времени, то есть от того, сколько она будет
гореть.
6.2.1 Расчёт уставки 1 защиты
6.2.2 Расчёт уставки 2 защиты
6.2.3 Расчёт уставки 3 защиты
6.3 Расчёт
уставок III ступени
Уставки III ступени ДЗ по активной оси
выбираются по двум условиям:
отстройка от режима передачи наибольшей активной мощности по линии:
- обеспечение чувствительности к переходному сопротивлению,
обусловленному горением дуги:
В последнем выражении значение угла
может быть таково, что значение
будет отрицательным. В этом случае
первым слагаемым в формуле пренебрегают, чтобы не уменьшить рассчитанное
значение уставки
и тем самым не “загрубить” защиту. Величина коэффициента
здесь принимается равной 1,1.
Если уставка по активной оси, рассчитанная по первому условию, оказалась
больше значения уставки по второму условию, то вводится блок-программа
отстройки от рабочего режима нагрузки с параметрами:
В расчётах принимаем
Длина
дуги за время действия третей ступени защиты успевает увеличиться примерно в
шесть раз, поэтому примем
=24 м при коротких замыканиях на линии 110 кВ, а при
КЗ на стороне низкого напряжения трансформаторов примем
=6 м.
6.3.1
Расчёт уставки 1 защиты
1)
КЗ в конце линии 5
Минимальный ток протекающий через защиту:
Сопротивление срабатывания:
2) КЗ в конце линии 3
Минимальный ток протекающий через защиту:
Сопротивление срабатывания:
3) КЗ отпайкой (две линии в работе)
4) КЗ на НН АТ2
Минимальный ток протекающий через защиту:
Сопротивление срабатывания:
Очевидно, что определяющим является первое условие, примем:
6.3.2 Расчёт уставки 2 защиты
1) КЗ в конце линии 7
Минимальный ток протекающий через защиту:
Сопротивление срабатывания:
2) КЗ на низкой стороне АТ1
Сопротивление срабатывания:
Очевидно, что определяющим является первое условие, примем:
6.3.3 Расчёт уставки 2 защиты
1) КЗ в конце линии 6
Минимальный ток, протекающий через защиту:
Сопротивление срабатывания:
2) КЗ за транcформатором
Сопротивление срабатывания:
Очевидно, что определяющим является первое условие, примем:
6.4
Отстройка от рабочего режима
Максимальный рабочий ток будет передаваться по линии при передачи
максимальной мощности.
;
Для защиты 1:
Введем блок-программу отстройки от режима нагрузки:
.
Для защиты 2:
Для защиты 3:
Значит, III ступени дистанционных защит 1,2 и 3
отстроены от рабочего режима.
7. Выбор
трансформаторов тока и проверка чувствительности защит по току точной работы
Параметры срабатывания защит от междуфазных коротких замыканий были
рассчитаны выше. Необходимо привести все величины уставок ко вторичной цепи.
Для этого выбираем трансформаторы напряжения и тока с необходимыми коэффициентами
трансформации, чтобы эти величины попадали в заданный диапазон изменения
параметров рассчитываемых в данной работе шкафов защит ШЭ-2607-011(012).
Трансформаторы напряжения выбираем с коэффициентом трансформации nТV=110000/100. Выбор трансформаторов тока осуществляем
по номинальному напряжению и максимальному рабочему току в линии (токи
рассчитаны выше). Результаты сводим в таблицу ниже, где указываем типы
выбранных трансформаторов тока по справочным данным [3].
Таблица 2
Данные по максимальным рабочим токам в линиях и выбранным трансформаторам
тока
|
Защита
|
Максимальный раб. ток, А
|
Коэффициент трансформации
ТТ
|
|
1
|
385.9
|
400/5
|
|
2
|
385.9
|
400/5
|
|
3
|
239.94
|
300/5
|
Зная теперь коэффициенты трансформации, определяем уставки срабатывания
защит, приведенные ко вторичным цепям, по следующим формулам:
Диапазон
уставок при вторичном токе ТТ 5 А составляет 0.2÷100 Ом. Результаты сведём в таблицу ниже.
Таблица 3
Уставки срабатывания ДЗ
|
Защита
|
Ступень
|
ХI, Ом
|
RI, Ом
|
XIp, Ом
|
RIp, Ом
|
|
1 и 1’
|
I
|
21.777
|
1.768
|
1.58
|
0.2
|
|
II
|
36.198
|
5.305
|
2.63
|
0.39
|
|
III
|
323.966
|
52.432
|
23.56
|
3.81
|
|
2 и 2’
|
I
|
21.777
|
2.489
|
1.58
|
0.2
|
|
II
|
32.413
|
7.466
|
2.36
|
0.54
|
|
III
|
303.697
|
43.556
|
22.09
|
3.17
|
|
3
|
I
|
11.067
|
1.322
|
0.6
|
0.2
|
|
II
|
16.32
|
3.965
|
0.89
|
0.22
|
|
III
|
103.064
|
5.62
|
0.68
|
Для значений уставок по активной оси менее 0,2 Ом (например, для защиты
2) на шкафах ШЭ-2607-011(012)необходимо выставить большие значения уставок не
нарушая селективности защит.
Так, для комплекта защит 2 и 2’, выставляем по I ступени RIp=0,2 Ом.
Точность работы реле характеризуется погрешностью
которая показывает, насколько
действительное
отличается от уставки реле
. Основными причинами, вызывающими
погрешность в работе реле и появления зависимости
от тока, являются: во-первых, для
механических реле - наличие механического момента сопротивления и других
факторов, ограничивающих чувствительность конструкции, во-вторых, нелинейность
магнитопроводов и выпрямителей в цепях реле; при малых токах мощность реле
становится соизмеримой с мощностью, потребляемой элементами цепей защиты, что
также значительно искажает величину
. Принято, что для дистанционных реле
погрешность
не должна превышать 10% [4].Величина тока в реле, вызывающая
снижение сопротивления срабатывания на 10%, называется током точной работы Iтр.
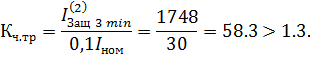
Для надежной работы защиты необходимо, чтобы при токе точной работы
коэффициент чувствительности защиты Кч.тр, равный отношению тока
через защиту к 10%-ному номинальному тока трансформатора тока, был не менее 1,3
для I и II ступени ДЗ и не менее 1,1 для III ступени. Проверку по току точной работы проведём для
комплекта защит 1, 2 и 3.
) Комплект защит 1 и 1’
Для I и II ступени
И в этом случае
Для III ступени
И в этом случае
) Комплект защиты 2 и 2’
Для I и II ступени
И в этом случае
Для III ступени
И в этом случае
) Комплект защиты 3 и 3’
Для I и II ступени
И в этом случае
Для III ступени
И в этом случае
8.
Проверка остаточного напряжения на шинах подстанций
Остаточное напряжение проверяется при трёхфазном КЗ в конце зоны действия
I ступени. Шины подстанций А и B являются системообразующими, поэтому
на них нельзя допускать посадку напряжения ниже 0.6Uном, при отключении КЗ II ступенью защиты.
8.1
Проверка остаточного напряжения на шинах подстанции А
Проверку остаточного напряжения на шинах подстанции А производим в режиме
каскадного отключения, так как точка КЗ находится в зоне действия I ступени защиты 2.
.
.2
Проверка остаточного напряжения на шинах подстанции B
Проверку остаточного напряжения на шинах подстанции А производим в режиме
каскадного отключения, так как точка КЗ находится в зоне действия I ступени защиты 2.
9. Выбор
типа защит линии от замыканий на землю
В качестве защиты от замыканий на землю используем токовую направленную
защиту нулевой последовательности, так как она обладает рядом преимуществ перед
токовой защитой от междуфазных КЗ:
токовые отсечки ТЗНП обладают более высокой чувствительностью, чем
отсечки от междуфазных КЗ, так как сопротивление нулевой последовательности в
два и более раз превышает сопротивление прямой последовательности, что
способствует увеличению зоны защиты;
количество участков в расчетной схеме нулевой последовательности
значительно меньше, чем в МТЗ от междуфазных КЗ, поэтому в общем случае
выдержка времени резервной ступени ТЗНП меньше, чем МТЗ от междуфазных КЗ.
В работе будет рассчитана четырехступенчатая токовая защита нулевой
последовательности комплекта защит 2 и 2’.
Токи срабатывания токовых отсечек нулевой последовательности (I, II и III
ступеней) приходится отстраивать от наибольшего тока нулевой
последовательности, протекающего через защиту при коротком замыкании в заданной
точке. При этом должен быть найден такой вид КЗ, который вызовет самый большой
ток нулевой последовательности через защиту. Приняв одинаковыми сопротивления
прямой и обратной последовательности, получим выражения для определения тока
нулевой последовательности в месте КЗ при однофазном и двухфазном КЗ на землю:
Из анализа данных выражений можно сделать вывод: если
, то будет
и расчетным видом КЗ будет
однофазное короткое замыкание и наоборот. Расчёт всех ступеней токовой защиты
проведём на примере защиты 2, уставки защиты 2’ рассчитывается аналогично.
В ходе задания также необходимо будет рассчитать токи срабатывания I и II ступени защиты 1.
10. Расчет
токов срабатывания I ступеней ТЗНП
Первая ступень ТЗНП - отсечка без выдержки времени, которая защищает
головную часть линии. Ток срабатывания первой ступени выбирают по следующим
условиям:
) отстройка от тока в защите
при КЗ на землю на шинах приемной
подстанции;
) отстройка от тока в защите
при КЗ на землю на соседней цепи
вблизи шин подстанции, на которой расположена рассчитываемая защита в режиме
каскадного отключения.
Рассчитав максимально возможный ток
по указанным выше условиям, найдем
ток срабатывания первой ступени по формуле:
при напряжении 110 кВ.
Перед расчетом определим сопротивления линий нулевой последовательности.
Принимаем, что:
. Тогда:
Т.к. в данной работе расчетные условия никак не будут зависимы от режима
работы линии 3 (не нужно делать КЗ на этой линии для данного комплекта защиты),
то она всегда будет работать в двухцепном режиме.
Тогда ее сопротивление:
10.1 Расчёт уставки I ступени защиты 2
) Отстройка от КЗ на шинах А
Рисунок 14 - Расчетная схема прямой последовательности для определения
уставки первой ступени второго комплекта
Рисунок 15 - Расчетная схема нулевой последовательности для определения
уставки первой ступени второго комплекта
Рассчитаем суммарные сопротивления до точки КЗ
По прямой последовательности:
По нулевой последовательности:
параллельная линия L1 отключена и заземлена, тогда
сопротивление определяется следующим образом:
Рассчитаем ток двухфазного КЗ:
Коэффициент токораспределения:
Ток срабатывания первой ступени ТНЗНП комплекта 2 по условию отстройки от
КЗ на шинах А:
) Отстройка от тока нулевой последовательности, протекающего через защиту
при КЗ на землю на параллельной линии вблизи шин подстанции В при каскадном
отключении
Рисунок 16 - Расчетная схема прямой последовательности для определения
уставки первой ступени второго комплекта при каскадном отключении
Рассчитаем суммарные сопротивления до точки КЗ.
По прямой последовательности:
Рисунок 17 - Расчетная схема нулевой последовательности для определения
уставки первой ступени второго комплекта при каскадном отключении
По нулевой последовательности:
Рассчитаем ток однофазного КЗ:
Коэффициент токораспределения:
Ток срабатывания первой ступени ТНЗНП комплекта 2 по условию отстройки от
КЗ на шинах B:
Расчетным является первое условие, принимаем:
.2 Решение вопроса о направленности I ступени защиты 2
Для решения вопроса направленности необходимо рассчитать ток срабатывания
первой ступени первого комплекта защиты. Расчет приведен ниже. Т.к.
, то первую ступень второго комплекта
необходимо выполнить направленной.
10.3 Расчёт уставки I ступени защиты 1
) Отстройка от КЗ на шинах В
Рисунок 18 - Расчетная схема прямой последовательности
Рисунок 19 - Расчетная схема нулевой последовательности
Рассчитаем суммарные сопротивления до точки КЗ.
По прямой последовательности:
По нулевой последовательности:
Рассчитаем ток двухфазного КЗ:
Коэффициент токораспределения:
Ток срабатывания первой ступени ТНЗНП комплекта 1 по условию отстройки от
КЗ на шинах В:
) Отстройка от тока нулевой последовательности, протекающего через защиту
при КЗ на землю на параллельной линии вблизи шин подстанции А при каскадном
отключении
Рассчитаем суммарные сопротивления до точки КЗ
По прямой последовательности:
По нулевой последовательности:
=
Рассчитаем ток однофазного КЗ:
Коэффициент токораспределения:
Ток срабатывания первой ступени ТНЗНП комплекта 1 по условию отстройки от
КЗ на шинах A:
Расчетным является первое условие, принимаем:
11. Расчет
токов срабатывания II ступеней ТЗНП
Вторая ступень ТЗНП - отсечка с выдержкой времени, которая перекрывает
часть мертвой зоны первой ступени в пределах защищаемой линии. Ток срабатывания
второй ступени выбирают по следующим условиям:
) отстройка от тока в защите
при КЗ на землю в режиме каскадного
действия;
) отстройка от тока в защите
при КЗ на землю на смежной стороне
АТ приемной подстанции;
) отстройка от тока в защите
при КЗ на землю в конце зоны
действия первой ступени ТЗНП следующей линии.
Рассчитав максимально возможный ток
по указанным выше условиям, найдем
ток срабатывания второй ступени по формуле:
при напряжении 110 кВ.
11.1 Расчёт уставки II ступени защиты 2
) Согласование тока срабатывания второй ступени защиты 2 с током
срабатывания первой ступени защиты 7. КЗ на линии 7
Коэффициент токораспределения для данного режима был рассчитан выше, он
равен:
Ток срабатывания II
ступени защиты 2:
2) Отстройка от КЗ на высокой стороне АТ1
По прямой последовательности:
По нулевой последовательности:
Рассчитаем ток двухфазного КЗ:
Коэффициент токораспределения:
Ток срабатывания II
ступени защиты 2:
) Отстройка от КЗ при каскадном отключении
Схемы для данного режима представлены выше в п. 10.1. В дааном случае,
посчитаем токи КЗ протекающие через защиту 2 при перемещении точки КЗ от шин Б
к шинам А.
Рассчитаем суммарные сопротивления до точки КЗ.
По прямой последовательности:
По нулевой последовательности:
Для определения вида КЗ в каждой точке, воспользуемся MathCad:
Коэффициент токораспределения:
Ток протекающий через защиту:
Рисунок 20 - Распределение токов КЗ в режиме каскадного действия
Тогда, ток срабатывания второй ступени:
Расчетным является третье условие, принимаем:
11.2 Проверка коэффициента чувствительности II ступени защиты 2
Чувствительность проверяется при однофазном КЗ на шинах противоположной
станции при этом, в работе две линии L1.
Рассчитаем суммарные сопротивления до точки КЗ.
По прямой последовательности:
По нулевой последовательности:
Рассчитаем ток однофазного КЗ:
Коэффициент токораспределения:
Ток протекающий через защиту:
11.3 Расчёт уставки II ступени защиты 1
В данной работе нужно рассчитать комплект защиты 2, а расчет II ступени защиты 1 нужен только для
согласование III ступени защиты 2 со II ступенью защиты один в режиме
каскадного действия. Очевидно, что самый тяжелый режим - режим каскадного
отключения. Рассчитаем именно его и проверим коэффициент чувствительности.
Отстройка от КЗ при каскадном отключении
Схемы для данного режима представлены выше в п. 10.3. В данном случае,
посчитаем токи КЗ протекающие через защиту 1 при перемещении точки КЗ от шин А
к шинам B.
Рассчитаем суммарные сопротивления до точки КЗ.
По прямой последовательности:
По нулевой последовательности:
Для определения тока КЗ воспользуемся той же самой функцией, которая была
описана выше. Коэффициент токораспределения:
Ток протекающий через защиту:
.
Рисунок
21 - Распределение токов КЗ в режиме каскадного действия
Тогда, ток срабатывания второй ступени:
.4 Проверка коэффициента чувствительности II ступени защиты 1
Чувствительность проверяется при однофазном КЗ на шинах противоположной
станции при этом, в работе две линии L1.
Рассчитаем суммарные сопротивления до точки КЗ.
По прямой последовательности:
По нулевой последовательности:
Рассчитаем ток однофазного КЗ:
Коэффициент токораспределения:
Ток протекающий через защиту:
Вторые ступени комплектов 1 и 2 не прошли по чувствительности,
следовательно, при дальнейшем расчете III ступени защиты 2, коэффициент чувствительности, очевидно, будет меньше
желаемого. Заменим комплект защиты 1 на поперечную направленную
дифференциальную защиту нулевой последовательности. Тогда, режим каскадного
действия можно исключить из расчетного, но нужно учесть, что тогда изменится
ток срабатывания второй ступени защиты два, и он будет равен:
Проверим коэффициент чувствительности для данного тока срабатывания:
Коэффициент удовлетворяет требованиям ПУЭ. Тогда, расчет третьей ступени
отпадает по причине ее ненадобности.
11.5 Определение выдержки времени II ступени защиты 2
Выдержка времени защиты равна ступени селективности с учётом времени
действия УРОВ:
.
12. Расчет
токов срабатывания IV ступени ТЗНП
.1 Расчет
НП линий и автотрансформаторов на шинах приемной подстанции. Ток
срабатывания четвертой ступени выбирают по следующим условиям:
) отстройка от тока небаланса в нулевом проводе при самозапуске;
) отстройкаоттока небалансав нулевом проводе при внешних междуфазных КЗ в
сетях с изолированной нейтралью.
Рассчитав максимально возможный ток небаланса
по указанным выше условиям, найдем
ток срабатывания четвертой ступени по формуле:
Выдержки времени резервных ступеней согласуются между собой по
ступенчатому принципу.
) Отстройка от токов небаланса при трехфазном КЗ на НН АТ1
Замыкание симметричное, следовательно, токов нулевой последовательности
течь не будет.
Рисунок 22 - Расчетная схема для определения тока срабатывания МТЗ НП
Определим сопротивления до места КЗ:
Определим коэффициент небаланса:
Тогда ток срабатывания определится как:
) Отстройка от токов самозапуска
Определим коэффициент небаланса:
Тогда ток срабатывания определится как:
ПУЭ рекомендует принимать ток срабатывания IV ступени не меньше 60 А. Тогда:
12.2 Проверка коэффициента чувствительности
) Проверка при ближнем резервировании. КЗ на шинах А
Ток был рассчитан выше, при проверке коэффициента чувствительности II ступени защиты 2. Тогда:
) Проверка при ближнем резервировании. КЗ на шинах ВН АТ1
Суммарное сопротивление по прямой последовательности:
По нулевой:
Рассчитаем ток КЗ:
Коэффициент токораспределения:
Ток протекающий через защиту:
) Проверка при дальнем резервировании. КЗ в конце линии 7
Суммарное сопротивление по прямой последовательности:
По нулевой:

Рассчитаем ток КЗ:
Коэффициент токораспределения:
Ток протекающий через защиту:
.3 Определение выдержки времени IV ступени защиты 2
Смежными защитами, с которыми нужно произвести согласование по времени,
являются защиты 7 и 8. Выдержки времени этих защит заданы и равны:
.
Время срабатывания резервной ступени защиты 2 согласуется с временем
срабатывания смежных резервных ступеней по ступенчатому принципу. Следовательно,
время срабатывания защиты 1 определится как:
13.
Приведение уставок ТЗНП ко вторичным цепям
Трансформаторы тока были выбраны ранее, коэффициент трансформации равен
. Приведение уставок токовых защит ко
вторичным цепям производится по формуле:
Значения токов срабатывания и уставок защит приведены далее в таблице 6.
|
Т
|
I ступень
|
II ступень
|
IV ступень
|
|
Ток срабатывания, А
|
1571
|
396
|
60
|
|
Уставка, А
|
19,644,950,75
|
|
|
ЗАКЛЮЧЕНИЕ
В данной работе были рассчитаны параметры срабатывания защит от
междуфазных коротких замыканий и от коротких замыканий на землю. В качестве
защиты сети от междуфазных коротких замыканий применена трехступенчатая дистанционная
защита (комплекты 1, 2 и 3). В соответствии с рекомендациями ПУЭ на приемном
конце питающей линий L5 для
защиты от междуфазных КЗ были установлены токовые направленные защиты без
выдержки времени и максимальные токовые защиты, рассчитаны их уставки. В
качестве защит от КЗ на землю были применены токовые защиты нулевой
последовательности. На приемном конце линии L3 поставлен комплект поперечной дифференциальной защиты
(комплект 4).
Для дистанционных защит, уставки по активной оси которых оказались слишком
малы, чтобы выставить их на шкафу ШЭ-2607-011(012), значения соответствующих
уставок были округлены в большую сторону до величины, которую можно было задать
на шкафу защиты.
Все дистанционные защиты прошли по чувствительности. Уровень остаточного
напряжение на шинах системообразующих линий на желаемом уровне.
В связи с тем, что II ступень защиты 2 ТНЗНП не проходила по
чувствительности в режиме каскадного действия, было принято решение заменить
первый комплект защиты на поперечную направленную токовою защиту нулевой
последовательности. Благодаря этому, II ступень прошла по чувствительности и надобность в установке III ступени отпала.
СПИСОК
ИСПОЛЬЗОВАННЫХ ИСТОЧНИКОВ
1. Лыкин А.В.
Электрические системы и сети: Учеб. пособие. - М.: Университетская книга;
Логос, 2006. - 254 с.
. Релейная
защита и автоматика в системах электроснабжения. Программа и методические
указания к выполнению контрольных работ для студентов ФЭН специальности 140211
«Электроснабжение» заочной формы обучения. - Новосибирск: Изд-во НГТУ, 2006. -
43 с.
. Релейная
защита электрических сетей. Методические указания к курсовому проектированию
для студентов IV курса факультета энергетики
(специальность 140203). - Новосибирск: Изд-во НГТУ, 2007. -33 с.
. Чернобровов
Н.В. Релейная защита. Учебное пособие для техникумов. Изд 4-е, перераб. и доп.
М., “Энергия”, 1971. - 642 с. с илл.
. М.А. Шабад.
Расчёты релейной защиты и автоматики распределительных сетей: Монография / М.А.
Шабад. - СПб.: ПЭИПК, 2003. - 4-е изд. перераб. и доп. - 350 стр., ил.
. Неклепаев
Б.Н., Крючков И.П. Электрическая чаcть электростанций и подстанций: Справочные материалы для курсового и
дипломного проектирования: Учеб. пособие для вузов. 4-е - изд., перераб. и доп.
- М.: Энергоатомиздат, 1989. - 608 с.: ил.