Разработка систем частотного регулирования объектов

  • Вид работы:
    Курсовая работа (т)
  • Предмет:
    Физика
  • Язык:
    Русский
    ,
    Формат файла:
    MS Word
    569,15 Кб
  • Опубликовано:
    2012-09-14
Вы можете узнать стоимость помощи в написании студенческой работы.
Помощь в написании работы, которую точно примут!

Разработка систем частотного регулирования объектов

Введение


В мировой промышленности все большее распространение получают электрические машины. Их доля в общем количестве потребляемой электроэнергии составляет около 60 % из всей вырабатываемой, и этот показатель постоянно растет. В нашей стране количество ЭМ, требующих замены, велико, и эта проблема до сих пор не решена. Но по какому пути идти: продолжать заменять традиционными машинами или развивать относительно новое направление - управляемые электрические машины (УЭМ) - машины, диапазон применения которых несравненно шире в силу использования гибких систем электронного управления? В других странах более половины машин - это уже УЭМ, появление которых обусловлено появлением силовой электроники (тиристоры, транзисторы, IGBT, MOSFET). Мощное развитие микропроцессорной техники позволило создавать дешевые, надежные гибкие системы управления (СУ). В условиях кризиса промышленности это непростая задача, но Россия смогла воспользоваться некоторыми преимуществами: уже готовая материальная (но все же импортная) и научно-техническая база, незаполненным остается один промежуток - специалистов, компетентных в области УЭМ, еще мало. Достаточно сложно переквалифицировать уже готового программиста для того, чтобы он смог разрабатывать и обслуживать системы управления для УЭМ, не зная электромеханики и тем более особенностей каждой разрабатываемой УЭМ в частности.

Знание характерных свойств всех существующих ЭМ позволяет при разработке УЭМ использовать наиболее выгодные режимы работы ЭМ, и регулировать их в необходимых пределах. Современные УЭМ делятся на два вида: традиционные, хорошо изученные двигатели постоянного тока с управлением широтно-импульсной модуляцией (ДПТ+ШИМ), асинхронные двигатели с управлением частотным регулированием (АД+ЧР), а также относительно новые вентильные двигатели с постоянными магнитами (ВДПМ), реактивные индукторные двигатели (РИД), преимущество которых в более высоких КПД.

Целью настоящей работы является приобретение навыков в разработке систем частотного регулирования объектов, работающих в реальном масштабе времени, на примере ВДПМ на базе микроконтроллеров семейства MC-52 и их программирования. В качестве объекта разработки выбран электроусилитель руля легкового автомобиля, где немаловажное значение имеют параметры, присущие ВДПМ: большой момент при малых габаритах, надежность и безопасность, экономичность (высокий КПД).

1. Техническое задание


1.    Проанализировать объект управления - электропривод усилителя руля легкового автомобиля (ЭУР)

2.      Разработать структурную схему

.        Разработать принципиальную электрическую схему

.        Выбрать и обосновать элементные компоненты для будущей электрической схемы

.        Разработать алгоритмы управления

.        Написать и отладить программу управления ЭУР

.        Привести диаграмму изменения управляющих сигналов для программы управления ЭУР

2. Разработка аппаратной части

 

.1 Анализ работы объекта управления


По заданию требуется разработать систему управления для электроусилителя руля легкового автомобиля (ЛА) на базе вентильного двигателя с постоянными магнитами. В качестве двигателя выбираем машину с 14-ю магнитами расположенными вдоль оси по касательной к окружности индуктора. Число пар полюсов такой машины равно семи.

Момент на валу двигателя, сопряженного с рулевой механической передачей, должен зависеть от:

− усилий на руле,

−       текущей скорости автомобиля,

Это достигается наличием датчиков момента и скорости.

Также нужно обеспечить необходимую защиту от перегрева двигателя и силового преобразователя, от сквозного короткого замыкания в мостовом инверторе при силовом преобразователе.

Пуск ЭУР происходит сразу же при включении зажигания ЛА и появления напряжения на входе платы управления. Работа происходит в автоматическом режиме. Из средств индикации и управления только индицирующий светодиод на главной панели управления ЛА, работающий на постоянное включение при любой ошибке, с одновременным отключением двигателя ЭУР от управляющей системы. Внешний вид ЭУР зависит от конструкционного исполнения двигателя, равно как и блок силового управления с размещенной в нем платой управления.

2.2 Построение структурной схемы для программы управления автоматизируемой системы


Разработанная структурная схема для программы управления автоматизируемой системы приведена на рис.1.

Рис.1 Структурная схема

Обозначения для структурной схемы:

СУ - система управления

СП - силовой преобразователь

ВД - управляемый двигатель

Drivers - драйвера ключей мостового инвертора

БСП - система подачи электропитания автомобиля

HL - главный индикатор

DM - аналоговый датчик момента

DV - датчик скорости

Dпр - аналоговый датчик положения ротора управляемого двигателя

Dtопр - датчик температуры силового преобразователя

DtоM - датчик температуры управляемого двигателя

Пунктирный контур показывает структурные блоки, электрически размещенные на главной плате управления. Пунктирные линии - механические связи. Сплошные линии - электрические связи.

 

2.3 Компоновка принципиальной электрической схемы


) Система управления:

главным звеном системы управления является микроконтроллер АТ89С52, который управляет мостовым инвертором через драйвера.C52 - быстродействующая CMOS 8-разрядная микроЭВМ с 2 Кб электрически стираемой флэшПЗУ (PEROM). Соединение универсального 8-разрядного процессора с флэш-памятью на одном кристалле, делает AT89C52 мощной микроЭВМ, которая обеспечивает гибкое и недорогое решение многих прикладных задач управления.C52 обеспечивает следующие стандартные возможности: 2 Кб флэш-памяти, 128 байтов ОЗУ, 36 линий ввода/вывода, три 16-разрядных таймера/делителя (один из них с захватом), шестивекторная, трехуровневая система прерываний, полно/дуплексный последовательный порт и тактовый генератор.

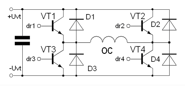
) Силовой преобразователь:

упрощенная схема силового преобразователя, представляющего собой мостовой инвертор, представлена на рис.2

Рис.2 Схема электрическая принципиальная силового преобразователя .

) Вентильный двигатель:

управляемый двигатель, принцип работы которого схож с синхронным при учете замены ОВ на ПМ. Для получения вращающегося поля и момента на выходе определенной величины необходимо подавать в каждую из трех фаз (в зависимости от ОУ, для КР рассматриваем управление одной независимой фазной обмоткой) синусоидальный ток соответствующей величины, формируемый напряжением одинаковой амплитуды при помощи ШИМ.

) Драйверы:

для управления мостовым инвертором используются четыре драйвера IR2127. Основное назначение драйверов - это согласование выходного сигнала контроллера с параметрами управления ключей. Драйвер управляются прямыми сигналами, т.е. высокий уровень на входе соответствует высокому уровню на выходе. Входы управления защищены от помех. Также драйвера имеют выходы обратной связи, при ошибке на которых появляется сигнал высокого уровня. Также в нашем проекте предусмотрена защита от сквозного короткого замыкания для пар ключей VT1-VT3 и VT2-VT4 и задержка на фронте управляющего сигнала для ключа сразу после закрытия другого парного ключа.

) Бортовая система электропитания:

представляет собой совокупность аккумуляторной батареи, автомобильного генератора, а также схемы понижения напряжения для питания СУ.

) Главный индикатор:

светодиод, расположенный на передней панели ЛА, его параметры задаются разработчиками автомобиля.

) Датчик момента:

аналоговый датчик момента представляет собой делитель напряжения, величина уставки которого пропорциональна моменту на руле. Напряжение с него подается на АЦП, после преобразования заводится в МК.

) Датчик скорости автомобиля:

датчик скорости устанавливается независимо от ЭУР, мы только используем его импульсы для своих целей. Его квалитет - 6 имп/1 м., т.е. при скорости 200 км/ч и 10 км/ч эта частота составляет соответственно:


Периоды измеренных сигналов ДС при этих частотах соответственно составляют:

9) Датчик положения ротора:

датчик, сигнал которого меняется сообразно с углом поворота ротора ВИД, по синусоидальному закону. В процессе работы программа считает половину периода сигнала ДПР, необходимого для корректного расчета времени импульса, Учитывая наличие редуктора между рулевым колесом и валом ВДПМ с передаточным числом i=18, а также зная, что максимальная скорость, с которой человек способен вращать рулевое колесо, равна 3 об/с, рассчитаем максимальную частоту сигнала ДПР:


При этой частоте период измеряемого сигнала ДПР будет минимальным:


За минимальную скорость вращения рулевого колеса примем величину равную 0,5 об/с, частота сигнала ДПР в этом случае будет минимальной:

При этой частоте период измеряемого сигнала ДПР будет максимальным:


При тактовой частоте процессора равной 12 МГц все выше посчитанные величины могут быть измерены 16-тиразрядным таймером без использования регистра-расширителя.

) Датчики температуры двигателя и силового преобразователя:

Датчики температуры представляют собой терморезисторы с положительным ТКС (позистор), т. е. с увеличением температуры сопротивление терморезисторов, а следовательно, и напряжение на них увеличиваются. Вид зависимости сопротивления позистора от температуры приведен на рис.3. Это напряжение подается на инвертирующий вход компаратора. При превышении его над опорным напряжением, подаваемым на неинвертирующий вход, компаратор срабатывает, и выходной сигнал меняется с низкого уровня на высокий. Этот сигнал, информирующий о превышении температуры, подается на ножку микроконтроллера. В соответствии с этим микроконтроллер исполняет команды по остановке двигателя. Таким образом, двигатель и силовой преобразователь не перегреваются выше допустимой температуры.

Рис.3 Температурная характеристика позистора.

Из формулы (1) находим величину сопротивления позистора при T2=70 °С.

 


Разработанная принципиальная электрическая схема представлена в приложении 2.

3. Разработка программного обеспечения

 

.1 Построение диаграммы управления


Для получения необходимого момента ВИД разработана диаграмма управления ключами. Она представлена на рис.9.

На ней показаны:

ДПР - Сигнал датчика положения ротора

VT 1-4 - Состояние ключей инвертора

U - Напряжение на ВИД

I - Предполагаемая кривая тока в обмотке ВИД.

3.2 Разработка алгоритмов управления


Характеристика сигнала от ДМ представлена на рис. 3. На рисунках 4 и 5 представлены зависимости компенсационного момента от скорости автомобиля и момента на руле соответственно.

Рис.5 Характеристика ДМ.

Переменная момента, которой присваивается значении после преобразования в АЦП, имеет знаковый формат байта. Мы определяем знак, а затем находим её модуль.

Главный принцип управления приведен ниже:

Tим=Kдпр*Kдм*K (2)

,где Kдпр - коэффициент, учитывающий мгновенное значение сигнала ДПР; Kдм - коэффициент, учитывающий мгновенное значение сигнала датчика момента; K - коэффициент, учитывающий частоту сигнала ДПР, скорость автомобиля, а также константы, полученные в процессе написания и отладки программы, который, в свою очередь вычисляется по формуле:

K=Tf*Tavt/Kprev (3)

где Tf - период сигнала ДПР; Tavt - период сигнала датчика скорости автомобиля; Kprev - коэффициент, учитывающий константы, полученные в процессе написания и отладки программы, вычисляется по формуле:

Kprev= Tkom /Kconst (4)

Kprev= 7*298/2=1043

где Kconst - константа полученная в процессе написания программы и связанная с подсчетом периода сигнала ДПР, а также с числом пар полюсов ВДПМ вычисляется по формуле (5); Tkom - период коммутации, полученный в процессе отладки программы как содержимое Т2, представляющий собой время выполнения команд процессором от одного закрытия управляющих ключей до другого.

Kconst= p/Kf (5)

Kconst=7/2

где Kf - константа, связанная со способом подсчета периода сигнала ДПР, её смысл заключается в том, что мы считаем период сигнала не от «максимального» до «максимального» значения, а от «максимального» до «минимального» значения; p - число пар полюсов дв-ля.

Рис.6 Зависимость компенсационного момента от скорости автомобиля.

Рис.7 Семейство моментных характеристик в зависимости от скорости автомобиля.

После анализа основной задачи СУ, а именно формирования синусоидального тока в ВД, были определены следующие подзадачи:

− Преобразование аналоговых величин (сигналы от ДПР и ДМ) в цифровые величины

−       Измерение частоты вращения ВДПМ;

−       Измерение скорости автомобиля;

−       Расчет времени импульса;

−       Обслуживание ключей;

С учётом возможности объединения некоторых подзадач, а также необходимость разбиения некоторых из них, были разработаны следующие модули для будущей программы, представленные в виде блок-схем

− Основная программа (рис.8);

−       Подпрограмма обслуживания прерывания от Т0 и T2 (рис.9);

−       Подпрограмма обслуживания прерывания от DV (рис.10);

−       Подпрограмма обслуживания прерывания от ADC (рис.11);

−       Подпрограмма обслуживания прерывания для формирования ШИМ по напряжению- Т1 (рис.12);

Рис.8 Блок-схема основной программы.

Рис.9 Блок-схемы ППОП переполнения таймеров ДПР и датчика скорости автомобиля.

Рис.10 Блок-схема ППОП от датчика скорости автомобиля INT1.

Рис.11 Блок-схема ППОП от АЦП - INT0.

Рис.12 Блок-схема ППОП при работе ШИМ для его формирования - Т1.

 

3.3 Написание и отладка программы

На основе разработанных ранее блок-схем была написана программа на языке Assembler, листинг которой приведен в Приложении 1. Для написания, компиляции и отладки использовалась программа μVision2 (рис.13)

управление электроусилитель руль автомобиль

Рис.13 Интерфейс программы μVision2.

Заключение


В процессе разработки системы управления объектом, работающим в реальном масштабе времени (вентильный двигатель с постоянными магнитами), построенной на основе однокристального микроконтроллера серии АТ89С52, мы приобрели навыки:

−    Анализа объекта управления

−    Разработки структурной схемы

−    Разработки принципиальной электрической схемы

−    Построения диаграмм управления

−    Разработки алгоритмов управления объектами, работающими в реальном масштабе времени.

−    Написания и отладки программ управления

Список литературы


1.   Бобрыкин А. В. Однокристальные ЭВМ. - М.: Бином 1994.

2.      Александров К.К. Электротехнические чертежи и схемы. - 1990.

.        Каспер Э. Программирование на языке Ассемблера для микроконтроллеров семейства i8051. - М.: Горячая линия - Телеком, 2004. - 191 с.: ил.

4.   Сташин В.В. Основы микропроцессорной техники.Ч.2: Учебный микроконтроллер семейства MSC-51.-2001.

.     Крайнов Д. В., Попов Е. А. Методические указания к выполнению лабораторных работ на учебном контроллере УК52-ЭМ02 по курсу «Основы микропроцессорной техники» / Юж. - Рос. гос. техн. ун-т - Новочеркасск: ЮРГТУ, 2003. - 28 с.

Похожие работы на - Разработка систем частотного регулирования объектов

 

Не нашли материал для своей работы?
Поможем написать уникальную работу
Без плагиата!
Без нейросетей!