|
Линия
|
Т6
|
36
|
23
|
25
|
15
|
14
|
Т4
|
Т3
|
Т1
|
Т2
|
Т5
|
|
Длина,
км
|
44
|
67,1
|
49,5
|
23,1
|
33
|
25,3
|
66
|
36,3
|
52,8
|
44
|
50,6
|
Определим с учетом коэффициентов мощности
реактивную и полную нагрузку каждого пункта потребления по формулам:
(1.1)
(1.2)
Занесем полученные данные в таблицу
2.
Таблица 2 - Исходные данные пунктов
питания электрической энергии.
|
Пункты
потребления
|
|
1
|
2
|
3
|
4
|
5
|
6
|
|
Активная
мощность Рi, МВт
|
10
|
15
|
25
|
30
|
40
|
36
|
|
Реактивная
мощность Qi, МВАр
|
6,98
|
8,5
|
16,15
|
22,5
|
23,73
|
19,43
|
|
Полная
мощность Si, МВА
|
012,2
|
17,24
|
29,76
|
37,5
|
46,51
|
40,91
|
|
cosφ
|
0,82
|
0,87
|
0,84
|
0,8
|
0,86
|
0,88
|
|
sinφ
|
0,57
|
0,49
|
0,54
|
0,6
|
0,51
|
0,47
|
|
tgφ
|
0,7
|
0,57
|
0,65
|
0,75
|
0,59
|
0,54
|
2. Потребление активной и баланс
реактивноймощности в проектируемой сети
.1 Обеспечение потребителей активной и
реактивной мощности
Задачами расчетов и анализа получаемых
результатов в данном разделе проекта являются:
оценка суммарного потребления реактивной мощности
в проектируемой электрической сети;
анализ выполнения условия баланса реактивной
мощности в проектируемой сети;
определение суммарной мощности компенсирующих
устройств, устанавливаемых в сети;
определение мощности компенсирующих устройств и
их размещение в узлах электрической сети.
Наибольшая суммарная активная мощность,
потребляемая в проектируемой сети, составляет:
,(2.1)
где Рi.нб - наибольшая активная
нагрузка подстанции i, i = 1,2,...n; (p) = 0,95...0,96 - коэффициент
одновременности наибольших нагрузок подстанции;
= 0,05 - суммарные потери мощности в
сети в долях от суммарной нагрузки подстанции.
МВт.
Соответствующая данной Рn.нб
необходимая установленная мощность генераторов электростанций определяется
следующим образом:
Рэс = Рn.нб + Рэс.сн + Рэс.рез ,(2.2)
где Рэс.сн - электрическая нагрузка
собственных нужд;
Рэс.рез - оперативный резерв
мощности электростанции.
Нагрузка собственных нужд зависит от
типа электрической станции и может быть ориентировочно принята для ТЭЦ-4 равной
8%.
Оперативный резерв Рэс.рез обоснован
экономическими сопоставлениями ущербов от вероятного недоотпуска электроэнергии
при аварийном повреждении агрегатов на электростанции с дополнительными
затратами на создание резерва мощности. Ориентировочно резервная мощность
электростанций составляет 10% от суммарной установленной мощности генераторов,
но должна быть не менее номинальной наиболее крупного из генераторов, питающих
рассматриваемых потребителей.
Тогда Рэс = 156 + 156∙0,08 +
156∙0,1 = 184,08 МВт.
.2 Баланс реактивной мощности
Основным, но не единственным
источником реактивной мощности в системе являются генераторы электростанции.
Располагаемая реактивная мощность электростанций определяется согласно
номинальному коэффициенту мощности установленных на станциях генераторов. Кроме
этого, в электрических сетях широко используются дополнительные источники
реактивной мощности -компенсирующие устройства (КУ). Основным типом КУ,
устанавливаемых на подстанциях потребителей, являются конденсаторные батареи.
Уравнение баланса реактивной
мощности в электрической сети имеет вид:
,(2.4)
где Qку - суммарная мощность
компенсирующих устройств, необходимая по условию баланса;
DQл
- потери в сопротивлениях линии;= 0,98-1 - коэффициент несовпадения максимумов
нагрузок по времени суток;
,(2.5)
где DQт = 0,1 - относительная величина потерь
мощности при каждой трансформации напряжения;
aтa - число трансформаций по
мощности для a-групп из d-подстанций;
b
- количество групп подстанций с разным числом трансформаций напряжения;
d
- количество подстанций, имеющих одинаковое число трансформаций нагрузки; -
номинальная мощность j-й подстанции.ГS
= РГS×tgj - наибольшая реактивная
мощность, потребляемая в сети
(cosj=0,8=˃ tgj=0,75);
Уравнение баланса реактивной мощности имеет вид:
(2.6)
- предварительное число
трансформаций, для ТЭЦ-4 m = 2;
Так как мощность компенсирующих
устройств, необходимая по уравнению баланса, оказалась отрицательной, то
установка КУ в электрической сети не требуется.
3. Выбор номинального напряжения, схемы основных
параметров линий и подстанций
.1 Выбор вариантов схем соединения источника
питания и пунктов потребления между собой
Общие принципы экономически целесообразного
формирования электрических сетей могут быть сформулированы следующим образом:
а) схема сети должна быть по возможности простой
и передача электроэнергии потребителям должна осуществляться по возможно
кратчайшему пути, что обеспечивает снижение стоимости сооружения линии и
экономию потерь мощности и электроэнергии;
б) схемы электрических соединений понижающих
подстанций также должны быть возможно простыми, что обеспечивает снижения их
стоимости сооружения и эксплуатации, а также повышение надежности их работ;
в) следует стремиться осуществлять электрические
сети с минимальным количеством трансформаций напряжения, что снижает
необходимую установленную мощность трансформаторов и автотрансформаторов, а
также потери мощности и электроэнергии;
г) комплекс номинального напряжения и схемы сети
должны обеспечивать необходимое качество электроснабжения потребителей и
выполнение технических ограничений электрооборудования линий и подстанций (по
токам в различных режимах сети, по механической прочности и т.д.)
На основе изложенных принципов составим
несколько вариантов схем соединения (рисунки 2 - 4).
Рисунок 2 - Вариант I
Рисунок 3 - Вариант II
Рисунок 4 - Вариант III
.1.1 Потокораспределение для
варианта схемы I
Нормальный режим
МВА;
МВА;
МВА;
МВА;
МВА;
Послеаварийный режим
Рассмотрим отказ линии Т6 в кольце.
Рассчитаем потокораспределение при такой аварии.
МВА;
МВА;
МВА;
МВА;
МВА;
МВА;
Таблица 3 - Результаты расчетов
потокораспределения для схемы варианта I
|
Линия
|
n
|
L,
км
|
Pн,
MBт
|
Qн,
МВАр
|
Pп.ав,
MBт
|
Qп.ав,
МВАр
|
|
Т6
|
1
|
44
|
79,55
|
47,52
|
-
|
-
|
|
36
|
1
|
67,1
|
43,55
|
28,09
|
36
|
19,43
|
|
23
|
1
|
49,5
|
18,55
|
11,94
|
61
|
35,58
|
|
25
|
1
|
23,1
|
3,55
|
3,44
|
76
|
44,08
|
|
15
|
1
|
33
|
36,45
|
20,3
|
116
|
67,81
|
|
14
|
1
|
25,3
|
44,45
|
27,28
|
126
|
74,79
|
|
Т4
|
1
|
66
|
76,45
|
49,78
|
156
|
97,29
|
.1.2 Потокораспределение для варианта схемы II
Нормальный режим
МВА;
МВА;
МВА;
МВА;
МВА;
МВА;
Послеаварийный режим
Наиболее тяжелым будет отказ одной
линии цепи Т1 или Т3. Вторая цепь при этом должна нести на всю нагрузку.
Таблица 4 - Результаты расчетов
потокораспределения для схемы варианта II
|
Линия
|
n
|
L,
км
|
Pн,
MBт
|
Qн,
МВАр
|
Pп.ав,
MBт
|
Qп.ав,
МВАр
|
|
Т3
|
2
|
36,3
|
76
|
44,08
|
76
|
44,08
|
|
23
|
2
|
49,5
|
15
|
8,5
|
15
|
8,5
|
|
36
|
2
|
67,1
|
36
|
19,43
|
36
|
19,43
|
|
Т1
|
2
|
52,8
|
80
|
53,21
|
80
|
53,21
|
|
14
|
2
|
25,3
|
30
|
22,5
|
30
|
22,5
|
|
15
|
2
|
33
|
40
|
23,73
|
40
|
23,73
|
.1.3 Потокораспределение для варианта схемы III
Нормальный режим
МВА;
МВА;
МВА;
МВА;
Послеаварийный режим
Рассмотрим отказ линий Т6 и Т5в
кольце. Рассчитаем потокораспределение при такой аварии.
МВА;
МВА;
МВА;
МВА;
МВА;
МВА;
Таблица 5 - Результаты расчетов
потокораспределения для схемы варианта III
|
Линия
|
n
|
L,
км
|
Pн,
MBт
|
Qн,
МВАр
|
Pп.ав,
MBт
|
Qп.ав,
МВАр
|
|
Т6
|
1
|
44
|
43,09
|
24,56
|
-
|
-
|
|
36
|
1
|
67,1
|
7,09
|
5,13
|
36
|
19,43
|
|
23
|
1
|
49,5
|
17,91
|
11,01
|
61
|
35,58
|
|
Т2
|
1
|
45,1
|
32,91
|
19,52
|
76
|
|
Т4
|
1
|
66
|
35,03
|
24,21
|
80
|
53,21
|
|
14
|
1
|
25,3
|
5,03
|
1,71
|
50
|
30,71
|
|
15
|
1
|
33
|
4,97
|
5,27
|
40
|
23,73
|
|
Т5
|
1
|
50,6
|
44,97
|
29
|
-
|
-
|
.2 Выбор номинального напряжения
.2.1 Выбор номинального напряжения для варианта
I
Номинальное напряжение можно предварительно
определить по известной передаваемой мощности Р и длине линии L по формуле
Илларионова:
(3.1)

Проведя аналогичные расчеты для
остальных участков запишем результаты в таблицу 6.
Таблица 6 - Результаты расчетов
напряжения
|
Линия
|
Т6
|
36
|
23
|
25
|
15
|
14
|
Т4
|
|
U,кВ
|
152,87
|
124,18
|
83,09
|
31,13
|
109,27
|
116,57
|
157,57
|
Для этих линий выбираем Uном = 220 кВ, т.к. все
линии в кольце должны быть одного напряжения, а так же с учетом возможности
дальнейшего расширения сети.
.2.2 Выбор номинального напряжения для варианта
II
Номинальное напряжение можно предварительно
определить по известной передаваемой мощности Р и длине линии L по формуле
Илларионова (3.1).

Проведя аналогичные расчеты для
остальных участков, запишем результаты в таблицу 7.
Таблица 7 - Результаты расчетов
напряжения
|
Линия
|
Т3
|
23
|
36
|
Т1
|
14
|
15
|
|
U,кВ
|
112,11
|
53,96
|
82,66
|
117,88
|
73,24
|
84,47
|
Для этих линий также выбираем Uном = 110 кВ с
учетом возможности дальнейшего расширения сети.
.2.3 Выбор номинального напряжения для варианта
III
Номинальное напряжение можно предварительно
определить по известной передаваемой мощности Р и длине линии L по формуле
Илларионова (3.1).

Проведя аналогичные расчеты для
остальных участков, запишем результаты в таблицу 8.
Таблица 8 - Результаты расчетов
напряжения
|
Линия
|
Т6
|
36
|
23
|
Т2
|
Т4
|
14
|
15
|
Т5
|
|
U,кВ
|
120,05
|
52,68
|
81,74
|
107,19
|
112,55
|
44
|
43,92
|
123,58
|
Для этих линий выбираем Uном = 110 кВ, т.к. все
линии в кольце должны быть одного напряжения, а так же с учетом возможности
дальнейшего расширения сети.
.3 Выбор сечений проводов
.3.1 Выбор сечений проводов для варианта I
Экономический выбор сечений проводов воздушных
линий электропередачи проводится по экономической плотности тока jэк. Порядок
расчета при этом следующий.
Определяем токи на каждом участке сети:
, (3.2)
где Pj, Qj - активная и реактивная
мощности j-й линии в режиме максимальных нагрузок, кВт, кВАр;- количество цепей
линии электропередачи;ном - номинальное напряжение линии, кВ.
А;
А;
В зависимости от материала
проводника, района страны и времени использования наибольших нагрузок Тнб
определяем jэк1=1 А/мм2 [2].
Выбираем стандартное сечение,
ближайшее к экономическому, определенному по формуле:
.(3.3)
При выборе стандартного сечения
следует учитывать, что по механической прочности и отсутствию общей короны,
марки проводов линий электропередачи напряжением 220 кВ - АС-240 и выше[3].
, принимаем FТ6 = 240 мм2;
, принимаем F36 = 240 мм2;
Так как для замкнутых схем все
участки сети выполняются проводами одного сечения, то примем сечение 240 мм2
Проверим выбранные сечения проводов
на ток послеаварийного режима. Токи в линиях подсчитываем с учетом того, что по
условию задания напряжение на шинах ТЭЦ-4 при тяжелых авариях в сети равно U =
1,1∙Uн = 1,1*220 = 242 кВ.
Токи в ветвях системы в
послеаварийном режиме:
А;
А;
Проведя аналогичные расчеты для
остальных участков, заполним таблицу 9.
Таблица 9 - Данные по выбору
проводов для варианта I
|
№
|
n
|
L,
км
|
Iн,
А
|
I
п.ав,А
|
Iдоп,,А
|
Марка
|
R0,
Ом
|
X0,
Ом
|
|
Т6
|
1
|
44
|
243,18
|
-
|
610
|
АС-240/32
|
0,118
|
0,435
|
|
36
|
1
|
67,1
|
136
|
97,6
|
610
|
АС-240/32
|
0,118
|
0,435
|
|
23
|
1
|
49,5
|
57,9
|
68,48
|
610
|
АС-240/32
|
0,118
|
0,435
|
|
25
|
1
|
23,1
|
12,97
|
209,61
|
610
|
АС-240/32
|
0,118
|
0,435
|
|
15
|
1
|
33
|
109,48
|
320,57
|
610
|
АС-240/32
|
0,118
|
0,435
|
|
14
|
1
|
25,3
|
141,36
|
349,58
|
610
|
АС-240/32
|
0,118
|
0,435
|
|
Т4
|
1
|
66
|
239,4
|
438,63
|
610
|
АС-240/32
|
0,118
|
0,435
|
.3.2 Выбор сечений проводов для варианта II
Выбор сечений для варианта II проводим
аналогично варианту I, результаты записываем в таблицу 10.
А;
А;
, принимаем FТ3 = 240 мм2,
, принимаем F23 = 70 мм2;
Токи в ветвях системы в
послеаварийном режиме:
А;
А;
Проведя аналогичные расчеты для
остальных участков, заполним таблицу 10.
Таблица 10 - Данные по выбору
проводов для варианта II
|
№
|
n
|
L,
км
|
Iн,
А
|
I
п.ав,А
|
Iдоп,,А
|
Марка
|
R0,
Ом
|
X0,
Ом
|
|
Т3
|
2
|
36,3
|
230,57
|
419,21
|
610
|
АС-240/32
|
0,118
|
0,405
|
|
23
|
2
|
49,5
|
45,25
|
41,13
|
265
|
АС-70/11
|
0,422
|
0,444
|
|
36
|
2
|
67,1
|
107,36
|
97,6
|
330
|
АС-95/16
|
0,301
|
0,434
|
|
Т1
|
2
|
52,8
|
252,15
|
458,46
|
610
|
АС-240/32
|
0,118
|
0,405
|
|
14
|
2
|
25,3
|
98,41
|
89,47
|
330
|
АС-95/16
|
0,301
|
0,434
|
|
15
|
2
|
33
|
122,06
|
110,96
|
390
|
АС-120/19
|
0,244
|
0,427
|
.3.3 Выбор сечений проводов для варианта III
Выбор сечений для варианта III проводим
аналогично варианту I, результаты записываем в таблицу 11.
А;
А;
, принимаем FТ6 = 240 мм2,;
, принимаем F36 = 70 мм2;
Токи в ветвях системы в
послеаварийном режиме:
А;
А;
Проведя аналогичные расчеты для
остальных участков, заполним таблицу 11. Для замкнутых схем все участки сети
выполняются проводами одного сечения:
Таблица 11 - Данные по выбору проводов
для варианта III
|
№
|
n
|
L,
км
|
Iн,
А
|
I
п.ав,А
|
Iдоп,,А
|
Марка
|
R0,
Ом
|
X0,
Ом
|
|
Т6
|
1
|
44
|
260,31
|
-
|
610
|
АС-240/32
|
0,118
|
0,405
|
|
36
|
1
|
67,1
|
45,93
|
195,2
|
610
|
АС-240/32
|
0,118
|
0,405
|
|
23
|
1
|
49,5
|
110,38
|
336,95
|
610
|
АС-240/32
|
0,118
|
0,405
|
|
Т2
|
1
|
45,1
|
200,81
|
419,21
|
610
|
АС-240/32
|
0,118
|
0,405
|
|
Т4
|
1
|
66
|
223,51
|
458,46
|
610
|
АС-240/32
|
0,118
|
0,405
|
|
14
|
1
|
25,3
|
27,9
|
280
|
610
|
АС-240/32
|
0,118
|
0,405
|
|
15
|
1
|
33
|
38
|
221,93
|
610
|
АС-240/32
|
0,118
|
0,405
|
|
Т5
|
1
|
5,06
|
280,85
|
-
|
610
|
АС-240/32
|
0,118
|
0,405
|
.4 Определение потерь напряжения на участках линий
в нормальном и послеаварийном режимах
Проверка по потере напряжения выполняется как
для нормального, так и для послеаварийного режимов работы сети. Суммарные
потери напряжения до наиболее удаленного пункта сети одного номинального
напряжения в нормальном режиме работы не должны превышать 15%, а при наиболее
тяжелых аварийных отключениях линий 20%.
Потери напряжения для n-цепной линии
определяется по формуле:
(3.4)
где Pj, Qj - активная и реактивная
мощности линии кВт, кВАр; j, x0j - активные и реактивные удельные сопротивления
линии, Ом/км; - длина линии.
Нормальный режим (рассчитывается по
потокораспределению в нормальном режиме работы сети - таблица 3).
кВ;
кВ;
Проведя аналогичные расчеты для остальных
участков, запишем их результаты в таблицу 12.
Суммарная потеря напряжения в сети от источника
питания до самой удаленной точки при нормальном режиме работы:
Аварийный режим.
Рассмотрим отказ линии Т6 в кольце.
Потери напряжения в линиях подсчитываем с учетом того, что по условию задания
напряжение на шинах ТЭЦ-4 при тяжелых авариях в сети равно U = 1,10∙Uн =
1,1∙220 = 242 кВ.
кВ;
кВ;
Проведя аналогичные расчеты для
остальных участков, запишем их результаты в таблицу 12.
Суммарная потеря напряжения в сети
от источника питания до самой удаленной точки при аварийном режиме работы
(отказ линии Т6):
Таблица 12 - Результаты расчета потерь
напряжения для варианта I
|
№
|
n
|
DUн,
кВ
|
DUп.ав,
кВ
|
|
Т6
|
1
|
6,01
|
-
|
|
36
|
1
|
5,29
|
3,52
|
|
23
|
1
|
1,66
|
4,64
|
|
25
|
1
|
0,2
|
2,69
|
|
15
|
1
|
1,97
|
5,89
|
|
14
|
1
|
1,99
|
4,96
|
|
Т4
|
1
|
9,2
|
16,56
|
Суммарные потери напряжения в нормальном режиме
работы не превышают 15%, а в аварийном режиме - 20%. Следовательно сечения
проводов воздушных линий выбраны верно.
.4.2 Определение потерь напряжения на участках
линий в нормальном и послеаварийном режимах для варианта II.
Проверка по потере напряжения выполняется как
для нормального, так и для послеаварийного режимов работы сети. Суммарные
потери напряжения до наиболее удаленного пункта сети одного номинального
напряжения в нормальном режиме работы не должны превышать 15%, а при наиболее
тяжелых аварийных отключениях линий 20%.
Потери напряжения для n-цепной линии
определяется по формуле:
(3.4)
где Pj, Qj - активная и реактивная
мощности линии кВт, кВАр; j, x0j - активные и реактивные удельные сопротивления
линии, Ом/км; - длина линии.
Нормальный режим (рассчитывается по
потокораспределению в нормальном режиме работы сети - таблица 4).
кВ;
кВ;
Проведя аналогичные расчеты для
остальных участков, запишем их результаты в таблицу 13.
Суммарная потеря напряжения в сети
от источника питания до самой удаленной точки при нормальном режиме работы :
.
.
Аварийный режим.
Рассмотрим отказ одной из двух линий
в цепи Т3 и Т1. Потери напряжения в линиях подсчитываем с учетом того, что по
условию задания напряжение на шинах ТЭЦ-4 при тяжелых авариях в сети равно U =
1,10∙Uн = 1,1∙110 = 121 кВ.
кВ;
кВ;
Проведя аналогичные расчеты для
остальных участков, запишем их результаты в таблицу 13.
Суммарная потеря напряжения в сети
от источника питания до самой удаленной точки при аварийном режиме работы:
.
Таблица 13 - Результаты расчета
потерь напряжения варианта 2
|
№
|
n
|
ΔUнорм,
кВ
|
ΔUп.ав,
кВ
|
|
Т3
|
2
|
4,43
|
8,05
|
|
23
|
2
|
2,27
|
2,07
|
|
36
|
2
|
5,88
|
5,34
|
|
Т1
|
2
|
7,44
|
13,52
|
|
14
|
2
|
2,16
|
1,96
|
|
15
|
2
|
2,98
|
2,71
|
Суммарные потери напряжения в нормальном режиме
работы не превышают 15%, а в аварийном режиме - 20%. Следовательно сечения
проводов воздушных линий выбраны верно.
.4.3 Определение потерь напряжения на участках
линий в нормальном и послеаварийном режимах для варианта III
Проверка по потере напряжения выполняется как
для нормального, так и для послеаварийного режимов работы сети. Суммарные
потери напряжения до наиболее удаленного пункта сети одного номинального
напряжения в нормальном режиме работы не должны превышать 15%, а при наиболее
тяжелых аварийных отключениях линий 20%.
Потери напряжения для n-цепной линии
определяется по формуле:
(3.4)
где Pj, Qj - активная и реактивная
мощности линии кВт, кВАр; j, x0j - активные и реактивные удельные сопротивления
линии, Ом/км; - длина линии.
Нормальный режим (рассчитывается по
потокораспределению в нормальном режиме работы сети - таблица 5).
кВ;
кВ;
Проведя аналогичные расчеты для
остальных участков, запишем их результаты в таблицу 14.
Суммарная потеря напряжения в сети
от источника питания до самой удаленной точки при нормальном режиме работы :
.
.
Аварийный режим.
Рассмотрим отказ линий Т6 и Т5.
Потери напряжения в линиях подсчитываем с учетом того, что по условию задания
напряжение на шинах ТЭЦ-4 при тяжелых авариях в сети равно U = 1,10∙Uн =
1,1∙110 = 121 кВ.
кВ;
кВ;
Проведя аналогичные расчеты для
остальных участков, запишем их результаты в таблицу 14.
Суммарная потеря напряжения в сети
от источника питания до самой удаленной точки при аварийном режиме работы
(отказ линии Т6):
.
Таблица 14 - Результаты расчета
потерь напряжения варианта 3
|
№
|
n
|
ΔUнорм,
кВ
|
ΔUп.ав,
кВ
|
|
Т6
|
1
|
6,01
|
-
|
|
36
|
1
|
1,78
|
6,72
|
|
23
|
1
|
2,96
|
8,84
|
|
Т2
|
1
|
4,83
|
10
|
|
Т4
|
1
|
8,36
|
16,9
|
|
14
|
1
|
0,3
|
3,83
|
|
15
|
1
|
0,82
|
3,91
|
|
Т5
|
1
|
7,84
|
-
|
Суммарные потери напряжения в нормальном режиме
работы не превышают 15%, а в аварийном режиме превышают 20%. Потери напряжения
больше указанных допустимых значений, такой вариант сети необходимо исключить
из дальнейшего рассмотрения, обеспечение необходимого уровня напряжения у
потребителей потребует чрезмерно больших затрат на установку устройств
регулирования напряжения и данный вариант сети будет экономически
нецелесообразным.
. Выбор числа и мощности трансформаторов
При проектировании электрических сетей на
подстанциях всех категорий рекомендуется применять не более двух трехфазных
трансформаторов. При определении номинальной мощности трансформаторов
необходимо учитывать допустимые систематические и аварийные перегрузки
трансформаторов в целях снижения суммарной установленной мощности. При
выполнении курсового проекта конкретные суточные графики активных и реактивных
нагрузок пунктов потребления не заданы и оценить допустимые систематические
перегрузки в проекте не представляется возможным. Поэтому при расчете
номинальных мощностей трансформаторов следует исходить из следующих положений:
. На двухтрансформаторных подстанциях при
отсутствии резервирования по сетям вторичного напряжения мощность каждого
трансформатора выбирают равной не более 0,7…0,8 суммарной нагрузки подстанции
на расчетный период (в период максимальной нагрузки).
. При отключении наиболее мощного трансформатора
оставшийся в работе должен обеспечить питание потребителей I, II категорий во
время ремонта или замены этого трансформатора с учетом допустимой перегрузки
40%.
Мощность трансформатора на понижающих
подстанциях рекомендуется выбирать с учетом коэффициента перегрузки 1,4, т.е.
по условию
(4.1)
где nТ = 2 - число однотипных
трансформаторов, устанавливаемых на подстанции.



Для расчетной сети примем наибольшие
ближайшие мощности трансформаторов [3]. Данные занесем в таблицы 15.1 и 15.2.
Таблица 15.1 - Данные по
трансформаторам для I варианта.
|
ПС
|
Тип
трансформатора
|
SТ.расч,
МВА
|
SТ.ном,
МВА
|
ΔРхх,
кВт
|
ΔРк,
кВт
|
Uк,
%
|
Iх,
%
|
|
1
|
ТРДН-25000/220
|
8,71
|
25
|
22
|
120
|
11,5
|
0,2
|
|
2
|
ТРДН-25000/220
|
12,32
|
25
|
22
|
120
|
11,5
|
0,2
|
|
3
|
ТРДН-25000/220
|
21,23
|
25
|
22
|
120
|
11,5
|
0,2
|
|
4
|
ТРДН-32000/220
|
26,79
|
32
|
45
|
150
|
11,5
|
0,65
|
|
5
|
ТРДН-40000/220
|
33,22
|
40
|
50
|
170
|
11,5
|
0,9
|
|
6
|
ТРДН-32000/220
|
29,2
|
32
|
45
|
150
|
11,5
|
0,65
|
Таблица 15.2 - Данные по трансформаторам для II
варианта.
|
ПС
|
Тип
трансформатора
|
SТ.расч,
МВА
|
SТ.ном,
МВА
|
ΔРхх,
кВт
|
ΔРк,
кВт
|
Uк,
%
|
Iх,
%
|
|
1
|
ТДН-10000/110
|
8,71
|
10
|
14
|
60
|
10,5
|
0,7
|
|
2
|
ТДН-16000/110
|
12,32
|
16
|
19
|
85
|
10,5
|
0,7
|
|
3
|
ТДН-25000/110
|
21,23
|
25
|
27
|
120
|
10,5
|
0,7
|
|
4
|
ТДН-40000/110
|
26,79
|
40
|
34
|
170
|
10,5
|
0,55
|
|
5
|
ТДН-40000/110
|
33,22
|
40
|
34
|
170
|
10,5
|
0,55
|
|
6
|
ТДН-40000/110
|
29,2
|
40
|
34
|
170
|
10,5
|
0,55
|
5. Выбор главных схем электрических соединений
подстанций
Схемы электрических соединений понижающих ПС
110…220/10 кВ на стороне ВН определяется назначением каждой из ПС и ее
местоположением в составе сети. Это могут быть узловая, проходная, тупиковая
или на ответвлениях от линии ПС. В соответствии с классификацией ПС
подразделяются на подгруппы:
. ПС 110…330 кВ, осуществляемые по так
называемым упрощенным схемам на стороне ВН с минимальным количеством или без
выключателей, с одним или двумя трансформаторами, питающимися по одной или двум
линиям ВН; на стороне СН (110 или 35 кВ) может быть до шести присоединений
воздушных линий.
. ПС проходные 110…500 кВ с количеством
трансформаторов или автотрансформаторов от двух до четырех, с количеством
присоединяемых воздушных линий ВН - до четырех и на СН до десяти с количеством
выключателей на ВН до девяти.
. Узловые ПС (общесистемного значения) 35…1150
кВ с количеством автотрансформаторов - до четырех, воздушных линий на ВН - до
восьми и на СН - до десяти.
Для рассматриваемых вариантов выбираем главные
схемы электрических соединений подстанций [4]:
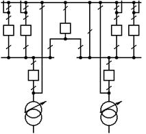
А) для кольцевых сетей применяется схема
«мостик» (рисунок 5);
Б) для тупиковых ПС в радиальных сетях применяем
схему с двумя блочными соединениями воздушных линий и трансформаторов (рисунок
6);
В) для кольцевых и магистральных схем, если
количество приходящих и отходящих линий 4 и более, применяем схему с одной
рабочей, секционированной выключателем, и обходной системами шин (рисунок 7).
Рисунок 5 - Схема «мостик»
Рисунок 6 - Схема с двумя блочными
соединениями воздушных линий и трансформаторов
Рисунок 7 - Схема с одной рабочей,
секционированной выключателем,
и
обходной системами шин
Сведем результаты выбора главных схем для
вариантов в таблицу 16.
Таблица 16 - Результаты выбора главных схем для
вариантов сетей
|
Вариант
|
Пункты
питания
|
|
1
|
2
|
3
|
4
|
5
|
6
|
|
I
|
А
|
А
|
А
|
А
|
А
|
А
|
|
II
|
В
|
Б
|
В
|
Б
|
Б
|
Б
|
6. Технико-экономический выбор
Экономическая целесообразность схемы
определяется минимальными дисконтированными затратами по формуле:
= Dэкв·Kсоор + Зпот, (6.1)
где Dэкв - эквивалентный дисконтированный
множитель;соор - капиталовложения на сооружение объекта;
Зпот - затраты на потери электроэнергии.
, (6.2)
где арен - коэффициент отчислений на
реновацию;
а - общие нормы отчислений от
капиталовложений;
Е = 0,1 - норматив дисконтирования;
Тэ = Тр - Тс = 10 - 2 = 8 лет -
время эксплуатации объекта до окончания расчетного периода;эр - расчетный
дисконтированный множитель за срок эксплуатации до окончания расчетного
периода.
(6.3)
(6.4)
где
- издержки на возмещение потерь
электроэнергии;
ΔW = (ΔРтр + ΔРл)∙τ - потери
электроэнергии в объекте;
- время максимальных потерь;
Тнб = 5500 ч - максимальная
продолжительность использования наибольшей нагрузки в году;
С - стоимость 1 кВт, руб./кВт·ч.
.1 Технико-экономический расчет
первого варианта
Расчетный дисконтированный множитель
за срок эксплуатации до окончания расчетного периода по формуле (6.3):
.
Эквивалентный дисконтированный
множитель для ЛЭП по формуле (6.2):
Эквивалентный дисконтированный
множитель для ПС по формуле (6.2):

(6.5)
ч.
Потери в линиях определяем по формуле:
, (6.6)
МВА.
МВА.
аналогично:
МВА.
МВА.
МВА.
МВА.
МВА.
ΔРЛ =
0,92+0,44+0,06+0,001+0,14+0,18+1,34=3,079 МВт.
Потери в трансформаторах определяем
по формулам:
.(6.7)
.(6.8)
кВт.
кВАр.
Проведя аналогичные расчеты для
остальных пунктов, запишем их результаты в таблицу 17.
Таблица 17 - Потери мощности в
трансформаторах
|
№
пункта питания
|
Активные
DP,
кВт
|
Реактивные
DQ,
кВАр
|
|
1
|
51,28
|
274,52
|
|
2
|
55,56
|
448,83
|
|
3
|
87,38
|
1139,43
|
|
4
|
142,55
|
1705,21
|
|
5
|
105,86
|
2306,63
|
|
6
|
152,54
|
1950,27
|
ΔPТ
=51,28+55,56+87,38+142,55+105,86+152,54=598,18 кВт.
Общие активные потери линий и трансформаторов:
ΔРS
= ΔРТ
+ ΔРЛ.
(6.9)
ΔРS
= 3079+598,18=3677,18 кВт.
Затраты на потери электроэнергии по формуле
(6.5):
тыс. руб.
Капитальные затраты на сооружение
линий определяются по формуле:
(6.10)
где Слi - стоимость 1 км линии [5],
тыс.руб./км;- длина линии, км;- число линий.
тыс. руб.
Капитальные затраты на сооружение
подстанций соответственно [5].
тыс. руб.
Общие минимальные дисконтированные
затраты по формуле:
(6.12)
З1 = 0,71∙344960+ 0,98∙744000
+ 613,06 = 974655 тыс. руб.
.2 Технико-экономический расчет
второго варианта
Потери в линиях по формуле (6.6):
МВА.
МВА.
аналогично:
МВА.
МВА.
МВА.
МВА.
ΔРЛ =
1,37+0,26+1,4+2,38+0,44+0,72=6,559 МВт.
Потери в трансформаторах определяем
по формулам:
.(6.7)
.(6.8)
кВт.
кВАр.
Проведя аналогичные расчеты для
остальных пунктов, запишем их результаты в таблицу 18.
Таблица 18 - Потери мощности в
трансформаторах
|
№
пункта питания
|
Активные
DP,
кВт
|
Реактивные
DQ,
кВАр
|
|
1
|
50,76
|
538,36
|
|
2
|
63,18
|
721,65
|
|
3
|
97,38
|
1299,04
|
|
4
|
106,12
|
1381,69
|
|
5
|
126,64
|
1888,66
|
|
6
|
113,36
|
1560,68
|
ΔPТ =
50,76+63,18+97,38+106,12+126,64+113,36=557,44кВт.
Общие активные потери линий и трансформаторов по
формуле (6.9):
ΔРS
= 557,44+6559=7116,44 кВт.
Затраты на потери электроэнергии по формуле
(6.5):
тыс. руб.
Капитальные затраты на сооружение линий по
формуле (6.10):
Капитальные затраты на сооружение
подстанций соответственно [5].
тыс. руб.
Общие минимальные дисконтированные
затраты по формуле (6.12):
З2 = 0,71∙396000 + 0,98∙414000
+ 1186,45 = 640808 тыс. руб.
Таблица 19 - Капитальные затраты на
сооружение и эксплуатацию вариантов сети
|
Вариант
сети
|
I
|
II
|
|
Капитальные
затраты, тыс.руб.
|
974655
|
640808
|
Выбираем второй вариант сети (рисунок 5).
Удельная себестоимость передачи полезно
отпущенной потребителям электроэнергии в спроектированной сети определяется по
формуле:
, (6.13)
где ИS - суммарные ежегодные издержки по эксплуатации
спроектированной сети, определяются по формуле:
. (6.14)
. Расчет параметров основных режимов
сети
Задачей данного раздела курсового
проекта является определение потоков мощности по линиям выбранного варианта
электрической сети и напряжений на шинах подстанций в основных расчетных
нормальных и послеаварийных режимах работы с учетом потерь мощности и
напряжения в элементах сети.
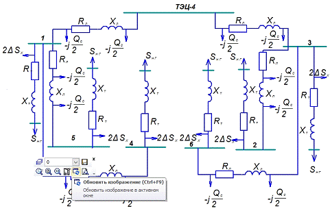
.1 Составление схемы замещения
районной сети
Схема замещения районной сети
объединяет замещения трансформаторов подстанций, линий электропередачи,
компенсирующих устройств, генераторов в соответствии с коммутационной схемой
системы.
В целях упрощения расчетов
проводимости трансформаторов учитываются потерями холостого хода
трансформаторов:
,(7.1)
а емкостные проводимости линии -
зарядной мощностью Qc:
(7.2)
Схема замещения данной энергосистемы
приведена на рисунке 8.
Рисунок 8 - Схема замещения
энергосистемы
Все параметры схемы замещения
вычисляются в именованных единицах по удельным параметрам r0, х0, b0 для ВЛ и
паспортным данным Uк, DPк, Iк и DPх - для трансформаторов по
следующим формулам:
(7.3)
где n - число цепей в линии.
Для двух параллельно работающих
трансформаторов данные возьмем из таблицы 18 и занесем в таблицу 21.
Таблица 20 - Расчетные параметры воздушных линий
|
Линия
|
Активное
сопротивление RЛ, Ом
|
Реактивное
сопротивление XЛ, Ом
|
Проводимость
bЛ, ∙10-6 Cм
|
Зарядная
мощность QC/2, МВАр
|
|
Т3
|
2,14
|
7,35
|
203,86
|
1,23
|
|
23
|
10,44
|
10,99
|
252,15
|
1,53
|
|
36
|
10,10
|
14,56
|
350,4
|
2,12
|
|
Т1
|
3,12
|
10,69
|
296,52
|
1,79
|
|
14
|
3,81
|
5,49
|
132,12
|
0,8
|
|
15
|
4,03
|
7,05
|
175,43
|
1,06
|
Таблица 21 - Расчетные параметры трансформаторов
|
№
пункта питания
|
Сопротивления
|
Потери
мощности в трансформаторе
|
|
активное
RТР, Ом
|
реактивное
XTР, Ом
|
активные
DPТР,
кВт
|
реактивные
DQТР,
кВАр
|
полные
DSТР,
кВА
|
|
1
|
7,95
|
139
|
50,76
|
538,36
|
540,75
|
|
2
|
4,38
|
86,7
|
63,18
|
721,65
|
724,41
|
|
3
|
2,54
|
55,9
|
97,38
|
1299,04
|
1302,69
|
|
4
|
1,4
|
34,7
|
106,12
|
1381,69
|
1385,75
|
|
5
|
1,4
|
34,7
|
126,64
|
1888,66
|
1892,9
|
|
6
|
1,4
|
34,7
|
113,36
|
1560,68
|
1564,8
|
.2 Электрический расчет
Электрический расчет предлагается проводится для
случая, когда известна максимальная нагрузка на шинах НН трансформаторов.
Расчет режимов выполняется методом последовательных приближений. По заданию,
напряжение при наибольших нагрузках равно 1,15Uн , а при тяжелых авариях 1,1Uн.
При таком условии находимо распределение мощностей в сети с учетом потерь
мощности и зарядных мощностей, генерируемых линиями.
Электрический расчет производим для двух
режимов:
режим максимальных нагрузок;
послеаварийный режим.
При расчете этих режимов используются следующие
формулы:
мощность в конце линии:
,(7.5)
потери в линии
мощность в начале линии:
,(7.7)
поток мощности в линии:
.(7.8)
Режим максимальных нагрузок.
Линия Т3.
Расчет для остальных линий
аналогичен приведенному выше, сведем его результаты в таблицу 22.
Таблица 22 - Электрический расчет
для режима максимальной мощности
Линия Мощность
в конце линии
, МВАПотери
мощности
DSл,
МВАМощность в начале
линии
, МВАПоток
мощности
|
Sл,
МВА
|
|
|
|
|
|
Т3
|
76,1+j44,15
|
1,04+j3,56
|
77,13+j47,7
|
77,13+j46,47
|
|
23
|
15,06+j7,42
|
0,18+j0,19
|
15,24+j7,62
|
15,24+j6,09
|
|
36
|
36,11+j18,87
|
1,05+j1,51
|
37,16+j20,38
|
37,16+j18,26
|
|
Т1
|
80,05+j51,96
|
1,77+j6,09
|
81,82+j58,04
|
81,82+j56,25
|
|
14
|
30,11+j23,08
|
0,34+j0,49
|
30,45+j23,58
|
30,45+j22,78
|
|
15
|
40,13+j24,56
|
0,56+j0,97
|
40,68+j25,54
|
40,68+j24,48
|
Послеаварийный режим.
Расчет послеаварийных режимов производится для
максимальных нагрузок.
В дальнейшем будем рассматривать обрыв линий А1
и А6.
Значения, вычисленные по формулам (7.5); (7.6);
(7.7); (7.8).
Линия Т3.
Расчет для остальных линий
аналогичен приведенному выше, сведем его результаты в таблицу 23.
Таблица 23 - Электрический расчет для
послеаварийного режима
Линия Мощность
в конце линии
, МВАПотери
мощности
DSл,
МВАМощность в начале
линии
, МВАПоток
мощности
|
Sл,
МВА
|
|
|
|
|
|
Т3
|
76,1+j44,15
|
2,26+j7,77
|
78,36+j51,92
|
78,36+j50,68
|
|
23
|
15,06+j7,42
|
0,2+j0,21
|
15,26+j7,64
|
15,26+j6,11
|
|
36
|
36,11+j18,87
|
1,15+j1,65
|
37,26+j20,52
|
37,26+j18,4
|
|
Т1
|
80,05+j51,96
|
3,88+j13,30
|
83,93+j65,26
|
83,93+j63,47
|
|
14
|
30,11+j23,08
|
0,37+j0,54
|
30,48+j23,62
|
30,48+j22,82
|
|
15
|
40,13+j24,56
|
0,61+j1,07
|
40,74+j25,63
|
40,74+j24,57
|
На следующем этапе расчета определяются
напряжения в узловых точках. Исходными данными при этом служат: напряжение в
точках сети, т.е. на шинах системной подстанции, и значение мощностей в начале
каждой схемы замещения, определенные на первом этапе.
Напряжения в узловых точках в режиме
максимальных нагрузок.
Напряжение на источнике питания составляет UИП =
1,15Uном =126,5 кВ.
Напряжение в k-м узле находится по формуле:
(7.9)
кВ.
кВ.
Аналогично:
кВ.
кВ.
кВ.
кВ.
Напряжения в узловых точках в
послеаварийном режиме.
Рассматриваем обрыв линий Т1и Т3.
Напряжение на источнике питания
составляет UИП = 1,1Uном =121 кВ.
кВ.
кВ.
Аналогично:
кВ.
кВ.
кВ.
кВ.
8. Регулирование напряжения в сети
Одним из важнейших показателей
качества электроэнергии служит отклонение напряжения. Установленные ГОСТом
нормы на отклонение напряжения в определенной степени обеспечиваются средствами
регулирования напряжения. Наиболее эффективным методом регулирования напряжения
является регулирование под нагрузкой (РПН). Они способны обеспечивать любой вид
регулирования напряжения, включая и встречное регулирование.
Согласно ПУЭ, на шинах 10 кВ
подстанций должен осуществляться закон встречного регулирования напряжения от
+5 (или более) до 0% при изменении нагрузки подстанций от наибольшей до
наименьшей.
Обычно при наибольших нагрузках
достаточны отклонения напряжения на этих шинах в пределах 5…6%.
Режим максимальных нагрузок.
Для пункта 1.
Напряжение на шинах НН, приведенное
к стороне ВН, определяется по формуле:
(8.1)
где Рн, Qн - активная и реактивная
мощности нагрузки в рассматриваемом режиме;Т, ХТ - активное и реактивное
сопротивления трансформаторов с учетом количества параллельно работающих
трансформаторов, Ом.
Число рабочих ответвлений понижающих
трансформаторов, а также линейных регулировочных трансформаторов:
(8.2)
где Uнн, Uвн - номинальные
напряжения обмоток НН и ВН;н.жел - желаемое напряжение на шинах НН;
Вычисленное значение округляется до
ближайшего целого числа nотв c учетом максимального числа ответвлений, которое
может колебаться от 8 до 10 для различных типов трансформаторов. Принимаем nотв
= 3.
Действительное напряжение на шинах
НН:
(8.3)
кВ.
Отклонение напряжения на шинах НН от
номинального (Uном = 10,5кВ):
(8.4)
Расчеты для остальных пунктов сведем
в таблицу 24.
Таблица 24 - Результаты расчетов
ответвлений трансформаторов в режиме максимальных нагрузок
|
пункт
питания
|
Uн’,
кВ
|
nотв.жел
|
nотв
|
Uн,кВ
|
dU,%
|
|
1
|
115,17
|
2,9
|
3
|
5,99
|
0,17
|
|
2
|
117,29
|
3,98
|
4
|
6
|
0,03
|
|
3
|
118,41
|
4,42
|
4
|
10,57
|
0,7
|
|
4
|
114,23
|
2,28
|
2
|
10,55
|
0,48
|
|
5
|
113,18
|
1,88
|
2
|
5,99
|
0,21
|
|
6
|
114,26
|
2,43
|
2
|
6,04
|
0,74
|
Послеаварийный режим.
Для пункта 1:
кВ.
Расчеты для остальных пунктов сведем
в таблицу 25.
Таблица 25 - Результаты расчетов ответвлений
трансформаторов в послеаварийном режиме
|
пункт
питания
|
Uн’,
кВ
|
nотв.жел
|
nотв
|
Uн,кВ
|
dU,%
|
|
1
|
94,33
|
-7,79
|
-8
|
6,03
|
0,43
|
|
2
|
106,43
|
-1,59
|
-2
|
6,05
|
0,76
|
|
3
|
102,66
|
-3,64
|
-4
|
10,57
|
0,69
|
|
4
|
99,33
|
-5,35
|
-5
|
10,43
|
0,67
|
|
5
|
98,2
|
-5,81
|
-6
|
6,02
|
0,38
|
|
6
|
103,23
|
-3,23
|
-3
|
5,97
|
0,43
|
Заключение
В данном курсовом проекте был рассмотрен
технический и экономический расчет электроснабжения районной электрической
сети. Проведенные расчеты показали необходимость использования линии
электропередач напряжением
кВ. В результате проектирования был разработан
проект электрической сети, имеющей шесть подстанций, питающихся от ТЭЦ-4. Были
рассмотрены три возможных варианта схем соединения пунктов питания и
потребления между собой. Потери напряжения III варианта больше указанных
допустимых значений, поэтому такой вариант сети исключили из дальнейшего
рассмотрения, обеспечение необходимого уровня напряжения у потребителей
потребует чрезмерно больших затрат и данный вариант сети будет экономически
нецелесообразным.
На основании проведенного технико-экономического
сравнения вариантов был выбран наиболее дешевый II вариант. Применяются провода
марки АС на железобетонных опорах.
Подстанции выполнены двухтрансформаторными для
обеспечения необходимой надежности электроснабжения потребителей, а также для
бесперебойного транзита мощности в проходных и узловых подстанциях. Выбраны
двухобмоточные трансформаторы марок ТДН мощностью от 10 до
40
МВА.
Для выбранной схемы сети определены потери
напряжения, которые не превышают 9,37 % от номинального в режиме передачи
максимальной мощности и 13,42% при аварии в сети.
Для обеспечения необходимого уровня напряжения у
конечных потребителей применяется встречное регулирование напряжения.
Стоимость сооружения и эксплуатации
спроектированной сети составила 640808 тыс. руб. Удельная себестоимость
передачи электроэнергии в такой сети составила 0,08
.
Литература
Проектирование
электрической сети: Методические указания к выполнению курсового проекта по
дисциплине «Электроэнергетические системы и сети» / Уфимск. гос. авиац. техн.
ун-т.; Сост. Т.Ю. Волкова, Т.А. Ишмеев. - Уфа, 2005. - 42 с.
Правила
устройства электроустановок. Изд. 7-ое, перераб. и доп. - М.: Энергоатомиздат,
2003г. - 549 с.
Кабышев
А.В., Обухов С.Г. Расчет и проектирование систем электроснабжения: Справочные материалы
по электрооборудованию: Учеб. пособие / Том. политехн. ун-т. - Томск, 2005. -
168 с.
Трунина
Е.Р. Районная электрическая сеть электроэнергетической системы/ Методические
указания, Йошкар-Ола, 2000 г. - 55с.
Справочник
по проектированию электрических сетей /под ред. Д. Л. Файбисовича. - 4-е изд.,
перераб. и доп. - М. :ЭНАС, 2012. - 376 с. : ил.