Одноковшовые карьерные экскаваторы

  • Вид работы:
    Курсовая работа (т)
  • Предмет:
    Транспорт, грузоперевозки
  • Язык:
    Русский
    ,
    Формат файла:
    MS Word
    377,96 Кб
  • Опубликовано:
    2015-06-18
Вы можете узнать стоимость помощи в написании студенческой работы.
Помощь в написании работы, которую точно примут!

Одноковшовые карьерные экскаваторы

Введение

Одноковшовые карьерные экскаваторы являются основными машинами, применяемыми на угольных и рудных карьерах, как наиболее удовлетворяющие требованиям работы в самых тяжелых горно-геологических и климатических условиях.

Определяющее влияние на производительность и надежность работы экскаваторов оказывает тип применяемого силового электропривода.

Электроприводы главных механизмов экскаваторов ЭКГ-10, ЭКГ-8УС и ЭКГ-5У построены по системе Г-Д с тиристорным возбуждением. Система Г-Д имеет высокую управляемость, хорошие статические и динамические характеристики, большую надежность и сравнительно простое обслуживание.

Для управления магнитным полем генераторов и двигателей используются тиристорные возбудители, составленные из унифицированных моноблоков типа ПТЭМ с микропроцессорным управлением и цифровой информационной сетью.

Настоящая инструкция определяет основные правила эксплуатации одноковшовых карьерных экскаваторов ЭКГ-10 и его модификаций в общепромышленном исполнении.

Инструкция предназначена для наладчиков-электриков, машинистов экскаватора, электромонтеров и других лиц, занятых наладкой, эксплуатацией и ремонтом экскаватора.

Нормальная эксплуатация экскаваторов зависит от качественной наладки электроприводов, грамотного обслуживания и своевременного выявления, и устранения неисправностей.

Во всем, не оговоренном настоящей инструкцией, руководствоваться инструкциями заводов-изготовителей электрооборудования.

1.       Общий вид, конструкция, кинематика, технические характеристики экскаватора ЭКГ-10

Экскаватор ЕКГ-10 - карьерная, полноповоротная электрическая лопата на малоопорном гусеничному ходу - предназначенный для разработки и нагрузки в транспортные приспособления полезные ископаемые или пород крошку на открытых горных работах. Он может быть использован также для размещения пород крошки в отвалы.

Экскаватор ЕКГ-10 состоит из рабочего оборудования, поворотной платформы с установленными на ней механизмами й ходовой тележкой, Общий вид экскаватора ЕКГ-10 показаний на рис. 1.1.

В рабочее оборудование входят ковш з подвеской, рукоять, стрела, подвеска стрелы и механизм открывания днища ковша.

На поворотной платформ! (рис. 1.2) установлен! подъёмная лебедка, моторная лебедка, поворотный механизм и электрическое оборудование экскаватора. Поворотная платформа опирается на ходовую тележку через опорно-поворотной устройство, которое состоит из зубастого венца, роликового круга и центральной цапфы.

Подъёмная лебедка 13 (див. рис. 1.2) предназначена для подъёма ковша экскаватора благодаря сдвоенному полиспасту.

Кинематическая схема лебедки наведена на рис. 1.3 лебедка приводиться в дно двумя электродвигателями 1. Двигатели соединены с редуктором 4 двумя упругими муфтами 2. На концах выходного вала редуктора закреплен при помощи прессового конического соединения барабаны 5 й 6. Подъёмный канат экскаватора закреплен обоими концами на барабанах 4 й 5 лебедки, срединой охватывает сравнительные блоки подвески ковша 1, главные блоки 2 и сравнительные полу блоки 5 и 6. расположены на оси головных блоков.

Рисунок 1.1 Общий вид экскаватора ЭКГ-10

Рис. 1.2. Электрооборудование на поворотной платформе: 1 - преобразовательный агрегат; 2 - Электрический двигатель (ЕД) подъема; 3 - ЕД поворота; 4 - ЕД напора; 5 - вспомогальные ЕД; 6 - шкаф управления главными приводами; 7 - шкаф управление возбуждением синхронного двигателя; 8 - шкаф управления вспомогательными приводами; 9 - кольцевой токоприемник; 10 - высоковольтный распределительный прибор (ВРП): 11 - двигатель открывания днища ковша

Рис 1.3. Кинематическая схема лебедки

Для ограничения подъёма ковша на площадке стрелы установленный концевой выключатель подъёма, который при подтягивании ковша к главным блокам срабатывает и выключает привод подъёма лебедки.

Редуктор подъёма лебедки горизонтальный двухступенчатый цилиндрический. Кузов экскаватора - металлический, сваренный с штампованных листов. Крыша кузова секционная, крепиться к кузову болтами.

Вентиляция двигателей и генераторов повороту и подъёма принудительная при помощи вентиляторов с электродвигателями, которые всасывают воздух с кузова.

Для вентиляции преобразовательного агрегата и другого электрооборудования предвидены четыре вентилятора, установленные на крыше кузова й удовлетворяют поток воздуха чтобы обдувать электрооборудование.

Внешнее освещение экскаватора выполнено в виде прожекторов освещения, которое заливает, и автомобильных фар.

Ходовая тележка предназначена для установки поворотной платформы с механизмами и рабочим оборудованием и передвижения экскаватора.

Электрооборудование экскаватора ЕКГ - 10 являет собой сложный электромеханический комплекс, общей чертой которого - использование тиристорных преобразовательных модулей для возбуждения генераторов и двигателей главных электроприводов (ЕП), а также для возбуждения синхронного двигателя (СД).

Главное оборудование экскаватора находится на поворотной платформе (рис.1.2). На ней установлен главный преобразовательный агрегат 1, электрические двигатели (ЕД) подъёма, ЕД повороту, ЕД напору, вспомогательные ЕД, шкаф управления главными ЕП, шкаф управления возбуждением СД, шкаф управления вспомогательными ЕП, кольцевой токоприемник, высоковольтные РП (распределительные приборы), двигатель открывания днища ковша, трансформатор освещения 380/220В, трансформатор возбуждения СД, трансформатор цепей управления.

На нижней раме расположены два ходовых ЕД, электромагниты, двигатель кабельного барабана и кольцевой токоприемник кабельного барабана.

В кабине машиниста экскаватора на верхнем этаже установлены коммандоаппараты подъёма, напора и поворота, напольный пульт

2. Электроснабжение

Экскаватор получает питание от сети переменного тока напряжением 6000В переносным гибким кабелем, подключаемым к соответствующему переключательному пункту, установленное непосредственно в карьере.

От кольцевого токоприемника кабельного барабана высокое напряжение подается через вводной ящик и комбинированный кольцевой токоприемник к высоковольтному распределительному устройству. В распределительном устройстве высокое напряжение распределяется по двум направлениям:

через разъединитель и вакуумный выключатель к синхронному электродвигателю преобразовательного агрегата;

через разъединитель и высоковольтные трубчатые предохранители к силовому трехфазному трансформатору, от которого питаются электрооборудование вспомогательных механизмов экскаватора, обмоток возбуждения синхронного двигателя, генераторов, двигателей главных приводов и т.д.

3. Расположение злектрооборудования на экскаваторе

На поворотной платформе экскаватора установлены (рис 3.1):

- Четырёхаршинный преобразовательный агрегат;

- Двигатели подъема (М1Н, М2Н) с вентиляторами- "наездниками";

- Двигатели поворота (М1S, М2S) с вентиляторами- "наездниками";

- Двигатель напора (МС) с вентилятором- "наездником";

- Низковольтное комплектное устройство НКУ ЭГ-РЦ-У2;

- Комбинированный кольцевой токоприемник (ХА);

- Комплектное распределительное устройство (КРУ);

- Высоковольтный трансформатор (ТV 1);

- Двигатель открывания днища ковша (М2);

- Командоаппарат ограничения напора (SQС);

- Двигатель компрессора (М25);

- Электропневматические вентили тормозов двигателей подъема (YВН), поворота (YBS), напора (YВС), звукового сигнала (YA1);

В редукторе лебедки напора расположены электронагреватели масла (Ек5...Ек8) и датчики температуры масла (Sk1, Sк2). В редукторах поворота расположены электронагреватели масла (Ек9...Ек20), датчики температуры масла (Sк3...Sк6), двигатели насосов смазки (М17, М18).

Под левой площадкой поворотной платформы (рис.2) установлены:

- Трансформатор освещения (ТV2);

- Трансформатор возбуждения синхронного двигателя (ТVЗ);

- Трансформатор питания возбудителей двигателей (ТV4);

- Трансформатор питания тиристорного преобразователя разгона открывания днища ковша (ТV5);

- Трансформатор питания цепей управления (ТV6);

- Трансформатор питания возбудителя генератора поворота (ТV1S);

- Трансформатор питания возбудителя генератора напора (ТV1С);

- Трансформатор питания возбудителя генератора подъема (ТV1Н);

- Балластный резистор управления двигателем кабельного барабана (R7).

На нижней раме расположены два двигателя хода (М1Р, М2Р) с тормозными электромагнитами, двигатель кабельного барабана (МЗ), кольцевой токоприемник кабельного барабана (ХАК), ящик вводной (ЯВ).

В кабине машиниста экскаватора на нижнем этаже установлены электропечи обогрева, выключатель освещения нижней кабины, розетка 12В 50Гц, светильник, зарядное устройство, аккумуляторные батареи.

На верхнем этаже кабины установлены кресло-пульт с джойстиками и аппаратурой управления, электропечи обогрева, светильники розетки 220В 50Гц, щит управления кондиционером, стеклоочиститель, вентилятор настольный.

На стреле устанавливаются конечный выключатель ограничения пере подъёма ковша и прожектор.

На крыше расположены двигатели вентиляторов кузова, вспомогательная лебедка, прожектор.

Кольцевой токоприемник кабельного барабана с двигателем на нижней раме и балластный резистор под левой площадкой поворотной платформы устанавливаются при комплектовании экскаватора кабельным барабаном.



4. Характеристики электрооборудования, назначение и устройство


Комбинированный кольцевой токоприемник (рис.3) предназначен для передачи напряжения 6000 В с нижней рамы к высоковольтному распределительному устройству, а также для питания низковольтного оборудования, расположенного на нижней раме.

Токоприемник состоит из высоковольтной и низковольтной части, которые соединены между собой фланцевым соединением.

Высоковольтная часть токоприемника состоит из медных токосъемных колец, установленных на опорных изоляторах, закрепленных на несущей стойке.

На три кольца подается напряжение, четвертое - контроль целостности заземляющей жилы, пятое кольцо - заземляющее.

Токосъем осуществляется щеточными блоками, состоящими из медно-графитовых щеток, закрепленных на изолированной траверсе.

Низковольтная часть токоприемника состоит из кольцевого барабана, состоящего из изолированных друг от друга контактных колец, и верхнего и нижнего фланцев. Каждое контактное кольцо имеет выводную шпильку. Фланцы кольцевого барабана охватываются вращающимися на них ободами, служащими подшипниками, скрепленными между стяжными шпильками, на которых устанавливаются держатели для тяги щеткодержатели.

Низковольтные кольца рассчитаны на 500В и 300А при ПВ 40% и 500В и 250А при ПВ 100%.

Токоприемник помещен в металлическую разъемную оболочку, состоящую из верхней и нижней частей. Для обслуживания токоприемника в верхней и нижней частях оболочек предусмотрены по две двери, расположенные с противоположных сторон и закрывающиеся специальными замками. В оболочке высоковольтной части токоприемника проем за дверью, являющийся одновременно смотровым окном, закрыт органическим стеклом.

При подаче напряжения питания на экскаватор пятижильным кабелем с устройством контроля целостности заземляющей жилы, расположенном на переключательном пункте, предусмотрена электрическая блокировка, которая препятствует включению высоковольтного выключателя переключательного пункта или производит его отключение при открытых дверях оболочки высоковольтного токоприемника. Для этого на дверях устанавливаются конечные выключатели, блок-контакты которых последовательно включены в цепь контроля целостности жилы заземления питающего кабеля.

Высоковольтная часть токоприемника оборудована местным освещением.

.2 Комплектное распределительное устройство 2КВЭ-М-6-630-10 УХЛ2

экскаватор электрооборудование токоприемник распределительный

Высоковольтное распределительное устройство предназначено для приема и распределения электроэнергии, защиты электрооборудования при перегрузках и коротких замыканиях, а также для оперативных включений электрических цепей.

В целях предотвращения неправильного оперирования разъединителем распределительное устройство снабжено механизмами блокировки. Блокировки позволяют оперировать разъединителем только при отключенном вакуумном выключателе.

Примечания:

.         При отключении вакуумного выключателя высоковольтный трансформатор и кольцевой токоприемник находятся под напряжением.

.         При отключении разъединителя кольцевой токоприемник находится под напряжением.

.         Снятие напряжения с кольцевого токоприемника производится на переключательном пункте или подстанции.

.3 Высоковольтный трансформатор ТМЭГ-160/6

Силовой трехфазный понижающий трансформатор с естественным масляным охлаждением, герметичный в гофрированном баке с полным заполнением маслом, предназначен для питания электрооборудования экскаватора.

Трансформатор имеет мощность 160кВА, напряжение 6000/400В.

Трансформатор имеет герметичную конструкцию, т.е. внутренний объем трансформатора не имеет сообщения с окружающей средой. Трансформатор полностью заполнен трансформаторным маслом, а температурные изменения объема масла, происходящие в процессе эксплуатации, компенсируются за счет изменения объема гофров стенки бака.

Трансформатор состоит из активной части, бака, крышки с вводами ВН, НН. Вводы трансформатора закрыты защитным кожухом.

Активная часть жестко соединена с крышкой бака и состоит из магнитопровода с обмотками, нижних и верхних ярмовых балок, отводов ВН и НН, переключателя ответвлений обмоток.

Бак трансформатора сварной, овальной формы. В нижней части бака имеется узел заземления и сливная пробка. Ко дну бака приварены швеллеры с отверстиями для крепления трансформатора.

На крышке смонтированы:

вводы ВН и НН, допускающие замену изоляторов без подъема активной части;

привод переключателя, предназначенного для регулирования напряжения путем соединения соответствующих ответвлений обмоток ВН;

пробивной предохранитель, предназначенный для защиты сети низшего напряжения от попадания повышенного потенциала. Предохранитель должен быть соединен с выведенной нулевой точкой.

патрубок для заливки маслом трансформатора.

Трансформатор заполнен трансформаторным маслом, имеющим пробивное напряжение не менее 40кВ.

Приводной синхронный двигатель

Схемой управления предусмотрен предпусковой разгон двигателя путем подачи выпрямленного напряжения в якорную цепь генератора напора. Возбуждение двигателя осуществляется от тиристорного преобразователя. Направление вращения показано стрелками на агрегате.

Схема разгона агрегата не исключает возможность прямого пуска четырехмашинного реостата.

Параметры синхронных двигателей представлены в таблице 2

Таблица 2

№п.п

Наименование параметра

СД800-6У2

ДСЭ750-6У2

1

Мощность, кВт

800

750

2

Напряжение, В

6000

6000

3

Ток статора, А

90

84

4

Частота, Гц

50

50

5

Частота вращения, об/мин

1000

1000

6

Напряжение возбуждения, В

36

34

7

Ток ротора, А

250

290


Запрещается:

а) пуск двигателя с разомкнутой цепью обмотки ротора;

Генераторы постоянного тока

Генераторы постоянного тока типа ГПЭМ800-1000У2, ГПЭМ450-1000У2, ГПЭМ220-1000У2 закрытого исполнения с вентиляцией по разомкнутому циклу. Коробки выводов со встроенными измерительными шунтами установлены на боковой стенке. Возбуждение генераторов независимое.

Типы подшипников агрегата приведены в таблице 3.

Таблица 3

Типы машин

Агрегат: СД-800, ГПЭМ-800, ГПЭМ-450, ГПЭМ-220


СД-800

ГПЭМ-800

ГПЭМ-450

ГПЭМ-220

Типы подшипников

Сторона привода

226К5

330Л

330

326


Сторона коллектора

2226М

32234М

32234

32238


Генераторы постоянного тока тина 4ГПЭ300-1/2У2, 4ГПЭМ170-1/1У2 закрытого исполнения с самовентиляцией. Генератор 4ГПЭМ600-1/1У2 закрытого исполнения с вентиляцией, но разомкнутому циклу. Коробки выводов со встроенными измерительными шунтами установлены на верхней половине станины. Возбуждение генераторов независимое.

Типы подшипников приведены в таблице 4

Таблица 4

Типы машин

Агрегат: ДСЭ750-6, 4ГПЭМ600-1/1, 4ГПЭ300-1/2, 4ГПЭМ170-1/1


ДСЭ750-6

4ГПЭМ600-1/1

4ГПЭ300-1/2

4ГПЭМ170-1/1

Типы подшипников

Сторона привода

3530

3632

3626

2320


Сторона коллектора

П32230М

32326

32326М

318


Общие данные машин агрегата

Все генераторы агрегата допускают кратковременную перегрузку по току в течение 10 секунд:

а) при номинальном напряжении - двукратную;

б) при напряжении 0,25Ш - 2,5-кратную;

в) отключающую - 2,75 кратную.

Режим работы генераторов - продолжительный со знакопеременной цикличной нагрузкой. Частота кратковременных перегрузок должна быть такой, чтобы среднеквадратичное значение тока якоря за 60 мин. не превышало номинального.

Обмотки генераторов имеют изоляции класса "F". Изоляция обмоток ротора синхронного двигателя класса "F". Изоляция обмоток статора выполнена термореактивной, не ниже класса "В" по ГОСТ 8865-70.

.5 Главные электродвигатели

К главным двигателям относятся двигатели приводов подъема ковша, поворота платформы, напора, хода экскаватора и открывания днища ковша. Все двигатели постоянного тока специального исполнения характеризуются повышенной механической прочностью. Исполнение электродвигателей подъема, напора, хода и открывания днища ковша - горизонтальное, а поворота - вертикальное.

Двигатели подъема, поворота и напора имеют принудительную вентиляцию. Вентиляция осуществляется посредством вентиляторов, приводимых во вращение отдельными двигателями. Вентиляторы с двигателями установлены на корпусах двигателей.

Двигатели подъема и поворота устанавливаются внутри кузова и защищены от попадания на них атмосферных осадков.

Двигатели хода и открывания днища приняты закрытого исполнения. Все двигатели (кроме двигателя открывания днища ковша) имеют независимое возбуждение.

Двигатель открывания днища ковша имеет смешанное возбуждение.

Монтажные схемы соединений обмоток двигателей приведены на рис.4-8. согласованное направление токов в параллельной и последовательной обмотках возбуждения. Двигатель открывания днища ковша находится длительно под моментом, достаточным для выбирания слабины каната.

4.6 Низковольтное комплектное устройство НКУ ЭГ-РЦ-У2

Низковольтное комплектное устройство предназначено для:

обеспечения регулируемым напряжением постоянного тока цепей возбуждения генераторов по системе "тиристорный преобразователь - генератор -двигатель" (ТВ-Г-Д) с цифровой двухконтурной системой подчиненного регулирования параметров и цифровым адаптивным задатчиком интенсивности на входе системы;

обеспечения питания стабилизированным током цепей возбуждения двигателей главных электроприводов;

предварительного разгона четырехмашинного преобразовательного агрегата до подсинхронной скорости по системе "тиристорный преобразователь-двигатель" (ТП-Д);

подачи в функции времени тока возбуждения синхронному двигателю с последующим автоматическим регулированием возбуждения в зависимости от величины активной составляющей тока статора СД;

управления двигателем открывания днища ковша по системе ТП-Д;

управления электроприводами вспомогательных механизмов;

формирования, требуемых статических и динамических характеристик главных электроприводов;

подачи на пульт машиниста информационных световых сигналов о включенном состоянии электроприводов, а также светового и звукового сигнала при аварийном состоянии электрооборудования;

управления релейно-контакторной схемой;

диагностики и автоматического управления тиристорными преобразователями с микропроцессорным управлением.

Низковольтное комплектное устройство состоит из:

шкафа управления главными приводами с устройством контроля изоляции (ШГУП);

шкафа статических преобразователей (ШСП),

- шкафа вспомогательных приводов со встроенными реле утечки РУП-М 220В и РУП-М 380В (ШВП);

кресла-пульта с джойстиками (КП).

Все шкафы одностороннего обслуживания. С лицевой стороны шкафы имеют двери, оснащенные специальными замками. На крышах шкафов расположены транспортные скобы. При установке на экскаваторе скобы необходимо снять и освободившиеся отверстия использовать для дополнительного крепления шкафов к стенкам кузова.

Внутри шкафов расположена аппаратура управления и защиты. Измерительные приборы и светосигнальная арматура установлены на дверях шкафов и поворотных панелях.

В нижней части шкафов установлены блоки зажимов для подключения внешних монтажных кабелей. Подвод кабелей осуществляется через открытые проемы нижних рам. Заземление шкафов осуществляется через внешние и внутренние заземляющие зажимы, расположенные в правой или левой нижней части шкафов.

Тип и технические данные аппаратов, установленных в шкафах управления, соответствуют перечням элементов, прилагаемым к принципиальным схемам шкафов.

Подробное описание работы системы управления изложено в руководстве по эксплуатации на НКУ и его составные части завода-изготовителя.

Шкаф управления главными приводами (ШУГП)

Шкаф управления главными приводами предназначен для:

возбуждения генераторов и двигателей главных электроприводов;

управления электроприводами основных механизмов экскаватора (подъем, напор, поворот, ход) по системе ТВ-ГД с подчиненным регулированием параметров;

получения заданных механических характеристик в статических и динамических режимах с точностью до 10% во всем заданном диапазоне изменения температуры окружающей среды;

ограничения производных якорных токов в заданных пределах;

плавного выбора зазоров в механических передачах главных электроприводов;

снижения динамических перегрузок в механических передачах механизмов подъема и напора при стопорениях;

автоматического ослабления поля двигателей хода при якорном токе двигателей меньше номинального;

автоматического ослабления поля двигателей подъема в режиме спуска ковша при определенном напряжении генератора подъема;

контроля токов возбуждения двигателей при обрыве поля или при

превышении номинальных значений;

осуществления логики переключения силовых контакторов в якорных цепях напора и поворота с режима "ход" на режим "экскавация" и наоборот;

диагностики исправного состояния моноблочных преобразователей;

обеспечения возможности быстрой замены моноблочных тиристорных преобразователей;

ограничения максимального подъема ковша и перемещения рукояти;

контроля сопротивления изоляции главных приводов.

Конструктивно шкаф разделен на две части. В левой установлены сборные шины, автоматические выключатели трансформаторов возбудителей генераторов и двигателей, синхронизации, питания джойстиков, релейно- контакторная аппаратура управления главными приводами, защитные R-C цепи возбудителей генераторов и двигателей, закрытые в пластмассовые корпуса.

На двери этой части смонтировано устройство контроля изоляции (УКИ) якорных цепей главных приводов и цепей управления = 110 В. Для визуального наблюдения лицевая часть УКИ выведена наружу. Выше УКИ установлены счетчики времени включенного состояния синхронного двигателя и главных электроприводов. Сигнальный индикатор указывает, что сборные шины шкафа находятся под сетевым напряжением 380В 50Гц. Дверь шкафа запирается специальным замком.

В правой части шкафа в двух направляющих установлены технологический контроллер и тиристорные преобразователи, предназначенные для возбуждения электрических машин главных приводов. В нижнем ряду расположены возбудители генераторов подъема, напора, поворота и резервный преобразователь. Над возбудителями генераторов установлены платы гальванических развязок. Рядом с платами установлены универсальные датчики напряжения и тока. Платы закрыты отворотными панелями с установленными на них измерительными приборами и кнопками тестовой проверки преобразователей. В верхнем ряду установлены возбудители двигателей и технологический контроллер. Выше возбудителей в один ряд установлены автоматические выключатели возбудителей двигателей, реле максимальной токовой защиты привода подъема и блок ограничения перенапряжений. В верхней части шкафа установлена сборка резисторов гашения поля генераторов.

Правая часть шкафа закрыта двухстворчатой дверью, запираемой специальным замком. На правой створке двери предусмотрено окно для наблюдения за показаниями цифрового индикатора технологического контроллера. Шкаф статических преобразователей (ШШП)

Шкаф статических преобразователей предназначен для:

разгона четырехмашинного агрегата до подсинхронной частоты вращения с использованием в качестве разгонного двигателя генератора напора-хода;

управления двигателем открывания днища ковша;

возбуждения синхронного двигателя с автоматическим регулированием.

5. Главные электродвигатели

К главным электродвигателям относятся электродвигатели приводов подъема ковша, поворота платформы, напора, хода экскаватора и открывания днища ковша.

Все электродвигатели постоянного тока специального исполнения характеризуются повышенной механической прочностью.

Исполнение электродвигателей подъема, напора хода и открывания днища ковша - горизонтальное, а поворота - вертикальное. Корпуса электродвигателей подъема, напора и поворота разъемные вдоль оси вала. Электродвигатели подъема, поворота и напора имеют независимую вентиляцию.

Вентиляция осуществляется посредством вентиляторов, приводимых во вращение отдельными двигателями.

Двигатели подъема и поворота устанавливаются внутри кузова и защищены от попадания на них атмосферных осадков.

В табл. 5 приведены основные технические данные двигателей.

Таблица 5 Технические данные электродвигателей

Данные машины

ДЭ-818 (подъем)

ДЭВ-812 (поворот)

ДЭ-812 (напор)

ДПЭ-52 (ход)

Мощность, кВт

270

100

62,5

54

Скорость вращения, об/мин

450

750

750

1200

Напряжение номинальное, В

375

305

165

395

Номинальный ток якоря, А

800

360

360

150

Продолжительность включения, ПВ %

80

80

80

45

23.4

17.2

17.2

11.5

Число полюсов

4

4

4

4

Сопротивление обмотки якоря при t= 20 °С, Ом

0.0039

0.014

0.014

0.33

Сопротивление обмотки возбуждения независимой при 20 °С, Ом

2.5

4.76

4.76

6.3

Сопротивление обмотки дополнительных полюсов при 20 °С, Ом

0.0034

0.009

0.009

0.021

Число секций обмотки якоря

35

35

35

35

Соединение обмотки якоря

Лягушка

Волна

Волна

волна

Соединение катушек независимой обмотки возбуждения

последоват.

последоват.

последоват.

последоват.


Система управления главными электроприводами экскаватора предназначена для управления электроприводами главных механизмов экскаватора, вспомогательных электроприводов, а также для питания оперативных цепей управления.

Система управления состоит из: шкафа возбуждения главных приводов, станции управления вспомогательными приводами, шкафа возбуждения синхронного двигателя, шкафа контроля изоляции, которые расположены на поворотной платформе; пультов управления правого и левого, пульта напольного расположенными в кабине машиниста.

Аппаратура управления расположена в шкафах группами по соответствующим механизмам. Контактные, зажимы выведены на клемники. Обслуживание станции одностороннее. Ввод внешних проводов к клеммам системы управления осуществляется через дно шкафов. Тип и технические данные установленных в системе аппаратов соответствуют перечням элементов, прилагаемым к принципиальным схемам шкафов систем.

Описание принципиальных схем

Описание принципиальной схемы вспомогательных приводов Принципиальная схема вспомогательных электроприводов, освещения и обогрева приведена на рис. 5.1.

Для всех приводов вспомогательных механизмов приняты асинхронные, короткозамкнутые электродвигатели напряжением 380 В. Защита двигателей осуществляется:

от коротких замыканий - максимальными реле в автоматических выключателях;

от перегрузок - тепловыми реле;

от замыканий на "землю" - приборы Ф-4106А.

. Двигатели насосов смазки редукторов поворота М18 и М19 включаются автоматом QF4 и магнитным пускателем КМ1. Управление пускателем осуществляется кнопками SB. Защита от перегрузок осуществляется тепловыми реле КХ1 и КХ2.

. Двигатель компрессора М3 включается автоматом QF5 и магнитным пускателем КМ2. Управление пускателем осуществляется пакетным выключателем SА7 и реле давления SР.

. Двигатели вентиляторов М4-М9 главных двигателей включаются автоматом QF6 и магнитным пускателем КМЗ. Управление пускателем осуществляется пакетным выключателем SA2. Для защиты от перегрузок в цепь двигателей М4-М9 включены тепловые роле КК3-КК8.

. Двигатели вентиляторов кузова М10-М13 включаются автоматом QF7 и магнитным пускателем КМ4. Управление пускателем осуществляется пакетным выключателем SA1. Для защиты от перегрузок в цепь двигателей М10-М13 включены тепловые реле КК9-КК12.

. Двигатели вентиляторов генераторов M15-M16 и двигатель вентилятора синхронного двигателя M14 включаются автоматом QF8 и магнитными пускателями КМ5 и КМ6. Управление пускателем КМ5 осуществляется нормально-открытым блок- контактом, расположенным в КРУ, а управление пускателем КМ6 осуществляется SA2,

Защита от перегрузок осуществляется тепловыми реле KK13-KK15.

. Двигатель вспомогательной лебедки Д получает питание от автомата QP9 через реверсивные магнитные пускатели КВ и КН. Управление пускателями может осуществляться кнопочным постом, рас положенным непосредственно на лебедке или дистанционно от подвесного кнопочного поста. Лебедка должна работать в толчковом режиме, т.е. только при нажатой кнопке 2КУ или 3КУ. Для защиты от одновременного включения пускателей В и Н имеется механическая и электрическая блокировки. Для аварийной остановки имеется кнопка "стоп", а на дистанционном кнопочном посту блок-контакт защиты БКЗ.

. От автомата QF11 питается двигатель сварочного агрегата.

. Обогрев масла в редукторах поворота осуществляется электрическими нагревателями, запитываемыми от пускателей КМ8 и КМ9 через автомат QF12. Включение и отключение электронагревателей происходит автоматически при помощи термореле, включенных в цепь катушек реле KV1 и KV2.

. Обогрев масла в редукторе напора осуществляется электрическими нагревателями, запитывается от пускателя КМ10 через автомат QF13. Включение и отключение электронагревателей происходит автоматически при помощи термореле, включенное в цепь катушки KV3.

.Автоматы QF1-QF3 защищающие токоприемники, питаемые от сборных шин 380 В. Сборные шины питаются от понижающего трансформатора 6/0,4 кВ, установленного на поворотной платформе экскаватора через автомат QF1.

Автоматы QF2 и QF3, питающие трансформатор освещения 380/230 в и трансформатор местного освещения 380/12 В, включены до фидерного автомата QF1.

Автоматы QF1 и QF2 снабжены дистанционными расцепителями, на которые воздействуют приборы контроля изоляции. К вторичной обмотке трансформатора 380/220 В подключены автоматы SF1, QF2, от которых питается освещение экскаватора и автомат QF3, от которого в свою очередь питаются катушки промежуточных реле КV1..KV3 для термосигнализаторов масла редукторов. Напряжение шин 220 В и 380 В контролируется соответственно вольтметрами PV1, PV2.

.Для подключения ремонтной аппаратуры и ламп переносного освещения предусмотрены розетки XS1 (220 В) и ХS2 (12 В).




Функциональные схемы электроприводов

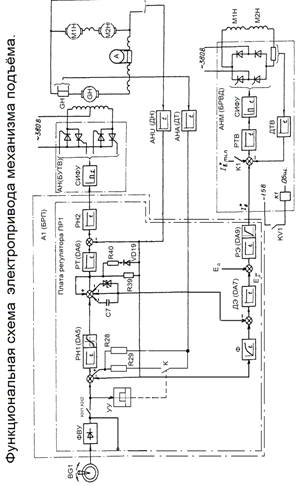
Структура системы управления напряжением генератора привода подъема (см. рис. 5.2) в основном соответствует рассмотренной выше типовой структуре системы управления.

Отличие состоит в том, что положительные ОС по напряжению в контуре тока и по току во внешнем контуре регулирования напряжения, выполнены нелинейными. Сигнал положительной ОС по напряжению, действующий через резистор R39 придает механической характеристике требуемое значение коэффициента отсечки в 1-ом квадранте механической характеристики. При работе привода в III-ем и IV-ом квадранте благодаря применению диода VD19 начинает поступать дополнительный сигнал положительной ОС по напряжению через резистор R4. В сумме положительная ОС по напряжению приобретает критическое значение. Механическая характеристика привода подъема имеет при этом вид, показанный на рис. 5.3a.

Рис. 5.3a Рис. 5.3б

Пунктиром на этом рисунке показана характеристика в случае, когда отсутствуют элементы VD19 и R40. Видно, что при такой характеристике при реверсе со спуска на подъём ток может превышать стопорное значение, что нежелательно.

Отличительной особенностью схемы является также то, что сельсинный командоконтроллер BG1 и фазочувствительное выпрямительное устройство (ФВУ) привода подъема используется для управления приводом хода. Соответствующая коммутация осуществляется контактами реле KH1 и КН2.

Что касается системы управления полем подъемных двигателей, то она выполнена двухконтурной с внутренним контуром регулирования тока возбуждения и внешним контуром регулирования ЭДС двигателей. Регулятор тока возбуждения РТВ входит в состав тиристорного возбудителя АНМ, а регулятор ЭДС РЭ - в состав блока A1, регулирования главных приводов. Регулятор РЭ пропорциональный. Его статическая характеристика однополярна и имеет насыщение. На вход РЭ поступает сигнал Ед заданного значения ЭДС и сигнал ее истинного значения с выхода датчика ДЭ. Вычисление ЭДС происходит на основании уравнения


Где Rя - сопротивление якоря двигателя,

Rдп - сопротивление добавочных полюсов.

Тяд - постоянная времени участка цепи, с которого снимается сигнал ОС по напряжению.

В соответствии с этим уравнением необходимо производить дифференцирование тока якоря. Более целесообразно решать такое уравнение:


которое менее точно, но позволяет, однако, избежать дифференцирования и связанных с ним помех. В соответствии с этим уравнением постоянная времени фильтра Ф на входе датчика ДЭ должна быть равна Тяд.

Рассмотрим, как осуществляется управление полем двигателей М1Н и М2Н. Сигнал задания ЭДС Ед* заводит регулятор ЭДС РЭ в насыщение. При этом его выходной сигнал Iв принимает значение Iвн-Iв min. На второй вход регулятора тока возбуждения РТВ поступает в рабочем режиме сигнал Iвmin. При этом суммарный сигнал Iв.сум = Iвн задает номинальное значение тока возбуждения.

При работе привода на подъем полярность истинного значения ЭДС такая же, что и заданного Ед. Поэтому уровень выходного сигнала регулятора РЭ не изменяется и остается равным Iвн-Iв min. Соответственно поток двигателей имеет номинальное значение.

Когда происходит разгон на опускание, полярность ЭДС изменяется. При ее увеличении до заданного значения регулятор РЭ выходит из насыщения, что вызывает уменьшение сигнала на его выходе вплоть до нулевого уровня. Соответственно уменьшается суммарный сигнал задания тока возбуждения Iв cум, поток ослабляется и скорость привода увеличивается до максимальной.

При наложении тормозов реле K1 теряет питание и сигнал Iв min отключается, от входа регулятора РТВ. Регулятор РЭ при этом находится в насыщении и задает минимальное значение тока возбуждения Iвн-Iв min. Этим обеспечивается экономия электроэнергии и замедление процесса старения изоляции двигателей.

Перечень ссылок

. Электропривод одноковшовых экскаваторов. Бариев Н.В., "Энергия", Москва 1975.

. Одноковшовые экскаваторы: конструкция, монтаж и ремонт. Учеб. Пособие. Дроздова Л.Г., Курбатова О.А. Владивосток: ДВГТУ, 2007 г.- 235 с.

. Инструкция по эксплуатации экскаватора экг-10. http://www.avstrahto.ru/instruct/instruktsiya-po-ekspluatatsii-ekskavatora-ekg-10.php

Похожие работы на - Одноковшовые карьерные экскаваторы

 

Не нашли материал для своей работы?
Поможем написать уникальную работу
Без плагиата!
Без нейросетей!