Устройство и принцип работы гидроприводов
Министерство
образования Республики Беларусь
Учреждение
образования
Жодинский
государственный политехнический колледж
Заочное
отделение
Специальность:2-36.01.01
«Технология машиностроения»
КОНТРОЛЬНАЯ
РАБОТА
По
дисциплине: Гидропривод и гидропневматика
Работу
выполнил: Гнедчик С.В.
Студент
группы 15-ТМзк
Преподаватель:
Потапенко Р.А.
Жодино 2013
Содержание
Введение
1. Назначение,
классификация, устройство и принцип работы направляющей аппаратуры; логических
клапанов, выдержки времени
1.1
Классификация и принцип работы гидроприводов
1.2
Клапан двух давлений: логическая "И"- функция
1.3
Клапаны выдержки времени (таймеры)
2. Классификация,
назначения, основные элементы уплотнительных устройств гидроприводов.
Уплотнитель, как основной элемент уплотнительного устройства
3. Закон
Архимеда
. Задача
Заключение
Список
использованных источников
Введение
Гидравлические приводы (гидроприводы) в силу
хорошей управляемости и простоты регулирования, а также высокой плотности
энергии (примерно в 20 раз выше, чем в электромеханизмах) получили широкое
распространение в машиностроении.
Гидропривод -
совокупность устройств для передачи движения механизмам станка или иной
технологической машины посредством рабочей среды, которой является жидкость,
находящаяся в приводе под давлением. Существует более узкое понятие объёмный
гидропривод - это совокупность объёмных гидромашин, гидроаппаратуры,
вспомогательных устройств, предназначенная для передачи энергии и
преобразования движения посредством жидкости. В дальнейшем под словом
"Гидропривод" будет подразумеваться объёмный гидропривод.
Жидкостью называют вещество, находящееся в таком
агрегатном состоянии, которое сочетает в себе черты твёрдого состояния (весьма
малая сжимаемость) и газообразного (текучесть).
Раздел механики, называемый механикой жидкости
или гидромеханикой, представляющий по сути самостоятельную науку, занимается
исследованием вопросов, связанных с покоем или равновесием жидкости (раздел
науки - гидростатика) и с её движением (гидродинамика).
Если в науке помимо жидкостей изучают движение
газов и обтекание ими тел, то её называют аэрогидродинамикой.
Главное внимание в гидромеханике
сосредотачивается на решении двух, связанных между собой задач: определении
распределения скоростей и давлений внутри жидкости и определении силового
взаимодействия между жидкостью и окружающими ее твердыми телами.
В теории этой науки изначально рассматривалась
невязкая (или "идеальная") жидкость, т.е. такая, внутри которой при
её перемещении не возникает внутреннее трение. Реально таких жидкостей не
существует.
Закономерности теории можно с достаточной
степенью точности отнести лишь к той части потока вязкой (реальной) жидкости,
которая не прилегает к стенкам и обтекаемым поверхностям.
В пограничном (пристенном) слое жидкости имеет
место внутреннее трение, т.к. скорость жидкости в нем увеличивается от нуля (на
стенке) до некоторого значения, не зависящего от наличия в потоке обтекаемой
поверхности.
Теория пограничного слоя была разработана в
начале 20 века (автор - Людвиг Прандтль).
Применением законов равновесия и движения
жидкостей к решению практических задач занимается техническая гидромеханика или
гидравлика.
В гидравлике рассматриваются в основном
осредненные характеристики потока (средние скорости, среднее давление), что
позволяет создавать упрощенные модели потоков и упрощать математический
аппарат.
Началом гидрофикации металлорежущих станков в
СССР можно считать 1925 г., когда впервые появились гидрофицированные
шлифовальные станки. В 1934-5 гг. в ЭНИМСе были спроектированы агрегатные
сверлильные гидрофицированные станки для работы с малыми рабочими скоростями и
большими усилиями. В дальнейшем этим же НИИ была проделана большая работа по
нормализации гидравлической аппаратуры, а также разработаны гидравлические схемы
для станков различных типов. После второй мировой войны производство
гидрофицированных станков стало интенсивно развиваться. Было создано несколько
специализированных заводов для производства гидронасосов, гидродвигателей,
гидроаппаратуры. Налаживался выпуск гидрофицированных станков шлифовальных,
протяжных, строгальных, долбёжных, токарных, агрегатных, сверлильных,
фрезерных, копировальных и других, в т.ч. автоматов и полуавтоматов.
Примерно 25% гидрооборудования устанавливается в
сборочных агрегатах, манипуляторах и промышленных роботах, в транспортирующих и
управляющих системах станков. Однако в области регулируемых приводов подач
станков с ЧПУ гидроприводы оказались вытесненными электроприводами, и в
частности, тиристорными приводами постоянного тока, несмотря на то, что
энергетические и динамические характеристики последних хуже, чем современных
электрогидравлических приводов.
Из-за имеющихся недостатков гидроприводов
(утечек, шума, возможности засорения) многие потребители предпочитают
использовать электричество в качестве единственного вида энергии для управления
и привода.
Фирмы, выпускающие гидрооборудование, постоянно
проводят широкие теоретические исследования и осуществляют конструкторские
разработки с целью повышения эффективности работы гидроприводов.
1. Назначение, классификация,
устройство и принцип работы направляющей аппаратуры; логических клапанов,
выдержки времени
.1 Классификация и принцип работы
гидроприводов
В зависимости от конструкции и типа входящих в
состав гидропередачи элементов объемные гидроприводы можно классифицировать по
нескольким признакам.
1. По характеру движения выходного
звена гидродвигателя:
- гидропривод вращательного движения, когда в
качестве гидродвигателя применяется гидромотор, у которого ведомое звено (вал
или корпус) совершает неограниченное вращательное движение;
гидропривод поступательного движения, у которого
в качестве гидродвигателя применяется гидроцилиндр - двигатель с
возвратно-поступательным движением ведомого звена (штока поршня, плунжера или корпуса);
гидропривод поворотного движения, когда в
качестве гидродвигателя применен поворотный гидроцилиндр, у которого ведомое
звено (вал или корпус) совершает возвратно-поворотное движение на угол, меньший
360 .
2. По возможности регулирования:
- регулируемый гидропривод, в котором в процессе
его эксплуатации скорость выходного звена гидродвигателя можно изменять по
требуемому закону. В свою очередь регулирование может быть дроссельным,
объемным, объемно-дроссельным или изменением скорости двигателя, приводящего в
работу насос. Регулирование может быть ручным или автоматическим. В зависимости
от задач регулирования гидропривод может быть стабилизированным, программным
или следящим. Регулированию гидропривода будет посвящена отдельная лекция;
нерегулируемый гидропривод, у которого нельзя
изменять скорость движения выходного звена гидропередачи в процессе
эксплуатации.
3. По схеме циркуляции рабочей
жидкости:
- гидропривод с замкнутой схемой циркуляции, в
котором рабочая жидкость от гидродвигателя возвращается во всасывающую
гидролинию насоса. Гидропривод с замкнутой циркуляцией рабочей жидкости
компактен, имеет небольшую массу и допускает большую частоту вращения ротора
насоса без опасности возникновения кавитации, поскольку в такой системе во
всасывающей линии давление всегда превышает атмосферное. К недостаткам следует
отнести плохие условия для охлаждения рабочей жидкости, а также необходимость
спускать из гидросистемы рабочую жидкость при замене или ремонте
гидроаппаратуры;
гидропривод с разомкнутой системой циркуляции, в
котором рабочая жидкость постоянно сообщается с гидробаком или атмосферой.
Достоинства такой схемы - хорошие условия для охлаждения и очистки рабочей
жидкости. Однако такие гидроприводы громоздки и имеют большую массу, а частота
вращения ротора насоса ограничивается допускаемыми (из условий бескавитационной
работы насоса) скоростями движения рабочей жидкости во всасывающем
трубопроводе.
4. По источнику подачи рабочей
жидкости:
насосные гидроприводы, в которых рабочая
жидкость подается в гидродвигатели насосами, входящих в состав этих
гидроприводов;
аккумуляторные гидроприводы, в которых рабочая
жидкость подается в гидродвигатели из гидроаккумуляторов, предварительно
заряженных от внешних источников, не входящих в состав данных гидроприводов;
магистральные гидроприводы, в которых рабочая
жидкость подается к гидродвигателям от специальной магистрали, не входящей в
состав этих приводов.
5. По типу приводящего двигателя
гидроприводы могут быть с электроприводом, приводом от ДВС, турбин и т.д.
Принцип работы объемного гидропривода основан на
законе Паскаля, по которому всякое изменение давления в какой-либо точке
покоящейся жидкости, не нарушающее ее равновесия, передается в остальные ее
точки без изменения.
Насосом рабочая жидкость подается в напорную
гидролинию и далее через распределитель к гидродвигателю. При одном положении
гидрораспределителя совершается рабочий ход гидродвигателя, а при другом
положении - холостой. Из гидродвигателя жидкость через распределитель поступает
в сливную гидролинию и далее или в гидробак, или во всасывающую гидролинию
насоса (в гидроприводах с замкнутой схемой циркуляции рабочей жидкости. В
резервуаре жидкость охлаждается и снова поступает в гидросистему. Надежная
работа гидропривода возможна только при соответствующей очистке рабочей
жидкости фильтрами.
Регулирование скорости движения выходного звена
гидродвигателя может быть дроссельным или объемным. При дроссельном
регулировании в гидросистеме устанавливаются нерегулируемые насосы, а изменение
скорости движения выходного звена достигается изменением расхода рабочей
жидкости через дроссель 6. При объемном регулировании скорость движения
выходного звена гидродвигателя изменяется подачей регулируемого насоса либо за
счет применения регулируемого гидромотора.
Защита гидросистемы от чрезмерного повышения
давления обеспечивается предохранительным или переливным клапанами, которые
настраиваются на максимально допустимое давление. Если нагрузка на
гидродвигатель возрастает сверх установленной, то весь поток рабочей жидкости
будет идти через предохранительный или переливной клапаны, минуя
гидродвигатель. Контроль за давлением на отдельных участках гидросистемы
осуществляется по манометрам.
Элементы, обладающие свойствами обратного
клапана, могут выполнять логические операции над двумя входными сигналами,
формируя выходной сигнал управления. В качестве элементов, осуществляющих
логические операции, рассмотрим два типа клапанов, имеющих один выходной и два
входных канала. Клапан двух давлений, реализующий логическую функцию "И",
вырабатывает на выходе сигнал только при наличии обоих входных сигналов, а
перекидной клапан, реализующий логическую функцию "ИЛИ", для
получения выходного сигнала требует присутствия на входе хотя бы одного из двух
сигналов. По функциональному назначению эти клапаны относятся к
логико-вычислительным элементам системы управления.
.2 Клапан двух давлений: логическая
"И"- функция
Клапан двух давлений: логическая "И"-
функция (рис. 1) имеет два входных и один выходной каналы. Сжатый воздух
проходит через клапан только в случае подачи сигнала на оба его входа. При
подаче одного входного сигнала проход воздуха через клапан блокируется. Если
сигналы появляются на обоих входах X и Y клапана, то последний из поданных
сигналов проходит на выход. Если давление входных сигналов различно, то большее
по значению давление прижимает подвижный элемент к упору, а на выход проходит
сигнал с меньшим давлением. Клапан двух давлений используется главным образом
для блокировки сигналов, реализации условий безопасности, контрольных функций и
логических операций.
Рисунок 1.1 - Клапан двух давлений:
логическая "И"-функция
Рисунок 1.2 - Принципиальная схема:
клапан двух давлений
Принципиальная схема пневматической цепи с
клапаном "И" эквивалентна схеме с последовательным подключением двух
информационных устройств (распределителей с управлением от кнопок), то есть -
одно за другим (рис. 1.3). Пневматический сигнал проходит к управляющему
распределителю только при одновременном включении обоих информационных
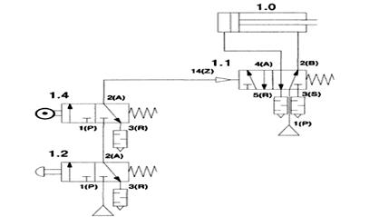
элементов 1.2 и 1.4.

Недостатком этого варианта схемы является то,
что на практике часто между двумя клапанами имеется длинный участок
трубопровода, оказывающий сопротивление течению воздуха. Кроме того, сигнал
клапана 1.4 не может быть использован в других логических операциях, так как он
появляется только при включенном клапане 1.2.
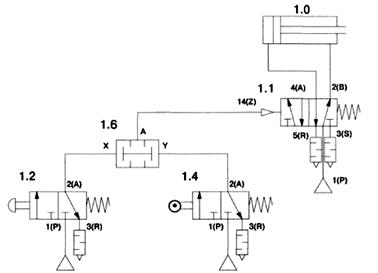
Перекидной клапан: логическая
"ИЛИ"-функция
Этот элемент имеет также два входа, X и Y, и
один выход А. Если сжатый воздух подается на вход X, то подвижный элемент
клапана прикрывает вход Y, позволяя воздуху проходить на выход А. Если воздух
следует на выход А от входа Y, то запирается вход X. При обратном течении
сжатого воздуха, то есть когда воздух из полости цилиндра или от распределителя
выпускается в атмосферу, подвижный элемент остается в положении последнего
переключения и удерживается в нем давлением протекающего через клапан воздуха.
Этот клапан также называют клапаном "ИЛИ". Если необходимо управлять
цилиндром или управляющим распределителем по двум или более каналам управления,
то следует установить один или несколько перекидных клапанов. В представленном
примере перемещением цилиндра можно управлять с помощью любой из двух
пневмокнопок, расположенных либо рядом с ним, либо на большом расстоянии от
него. Если не устанавливать в схему перекидной клапан, то, например, при
нажатии на кнопку 1.2 сжатый воздух главным образом будет поступать не в канал
14(Z) распределителя 1.1, а в канал сброса 3(R) клапана 1.4.
Рисунок 1.4 - Перекидной клапан:
"ИЛИ"- функция
Рисунок 1.5 - Принципиальная схема: управление
цилиндром от двух входных элементов
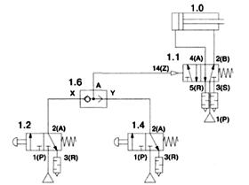
Для реализации "ИЛИ"- функции на три
или большее число входов клапаны "ИЛИ" могут подключаться
последовательно, как показано на рис.1.6. Тогда при нажатии на любую из трех
пневмокнопок шток цилиндра 1.0 выдвигается.
Рисунок 1.6 - Принципиальная схема:
управление цилиндром от трех входных элементов
.3 Клапаны выдержки времени
(таймеры)
Клапаны выдержки времени делятся на:
• клапаны выдержки времени: задержка
пневматических сигналов,
• пневмоблоки управления: генерация сигналов для
реализации
реверсивных и циклических движений цилиндров
двустороннего действия,
• 5/4-распределители: устройство управления
цилиндром двустороннего действия,
• 8-линейные распределители с пневмоуправлением:
управление тактовым устройством,
• тактовые генераторы: мультивибраторы для
управления быстрым движением цилиндров,
• вакуумные головки с выбрасывателем: для
захвата и отпускания деталей,
• тактовые цепочки: для реализации задач
управления,
• командные модули с памятью: для пуска при
определенных входных условиях.
Клапан выдержки времени состоит из
3/2-распределителя, дросселя с обратным клапаном и небольшой пневмоемкости.
3/2-распределитель может быть нормально открытым или нормально закрытым. Обычно
выпускаются клапаны выдержки времени в обоих вариантах исполнения с диапазоном
выдержки времени 0...30 секунд.
Рисунок 1.7 - Клапан выдержки времени,
нормально закрытый
Этот диапазон может быть значительно расширен
при подключении дополнительных пневмоемкостей. Точность выдержки времени
зависит от степени чистоты воздуха и постоянства давления.
Принцип действия клапана выдержки времени
рассматривается на примере клапана с нормально закрытым 3/2-распределителем.
Сжатый воздух подводится к клапану по каналу 1(Р). Пневматический сигнал
управления подается на вход 12(Z) и через регулируемый дроссель начинает
заполнять емкость. Настройка дросселя влияет на величину расхода воздуха, а
значит, и на время, за которое в емкости повысится давление. После достижения в
емкости заданного значения давления запорный орган 3/2-распределителя
перемещается вниз. При этом блокируется проход от выхода 2(A) к выхлопному
отверстию 3(R), a затем открывается проход от канала питания 1(Р) к выходу
2(A). Время, необходимое для наполнения пневмоемкости сжатым воздухом до
заданного значения давления, и является временем настройки данного устройства.
Чтобы переключить клапан выдержки времени в
исходное положение, необходимо снять сигнал со входа 12(Z). Воздух из емкости
через обратный клапан быстро вытечет в атмосферу, и 3/2-распределитель под
действием пружины вернется в исходное положение, блокируя канал питания 1 (Р) и
соединяя выход 2(A) с выхлопом 3(R).
Рисунок 1.8 - Клапан выдержки времени,
нормально открытый
В нормально открытом клапане выдержки времени в
исходном положении выход 2(A) 3/2-распределителя соединен с питанием 1(Р). При
подаче сигнала на вход 10(Z) выход 2(A) через заданное время соединяется с
атмосферой, а канал питания 1(Р) запирается. В результате выходной сигнал будет
отключен через установленное время.
Время выдержки соответствует моменту достижения
определенного уровня давления в пневмоемкости.
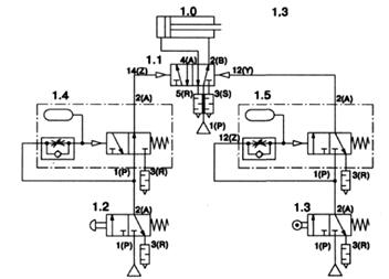
В изучаемой принципиальной схеме используются
нормально открытый 1.4 и нормально закрытый 1.5 клапаны выдержки времени. При
нажатии на кнопку 1.2 сигнал проходит через клапан 1.4 и, переключая
распределитель 1.1, заставляет шток цилиндра выдвигаться. Клапан имеет
настройку времени 0,5 секунды. Этого достаточно, чтобы стартовый сигнал
поступил на вход 14(Z) распределителя 1.1. Но спустя 0,5 секунды клапан
выдержки времени 1.4, на вход 10(Z) которого также поступает стартовый сигнал
от кнопки 1.2, выключается и снимает сигнал со входа 14(Z) распределителя 1.1.
Однако распределитель 1.1 остается в положении, соответствующем выдвижению
штока цилиндра 1.0. В крайнем выдвинутом положении шток цилиндра 1.0 нажимает
на концевой выключатель 1.3, который посылает сигнал на вход 12(Z) нормально
закрытого клапана выдержки времени 1.5. Через установленное время, определяемое
настройкой дросселя в клапане 1.5, на выходе 2(A) клапана 1.5 появляется
сигнал. Этот сигнал поступает на вход 12(Y) распределителя 1.1, который
переключается в исходное положение, поскольку на его противоположном входе
14(Z) сигнала уже нет. Шток цилиндра втягивается. Новый цикл можно будет
начинать, если кнопка 1.2 отпущена. После отпускания кнопки сигнал на входе
10(Z) клапана выдержки времени 1.4 пропадает и клапан 1.4 возвращается в
исходную позицию, подготовив линию для подачи нового сигнала на вход 14(Z)
распределителя 1.1.
клапан насос блок гидропривод
Рисунок 1.9 - Принципиальная схема:
клапан выдержки времени
На рис. 1.10 представлены графики переключения
клапанов выдержки времени.
Рисунок 1.10 - Графики переключения
клапанов выдержки времени
2 Классификация, назначения,
основные элементы уплотнительных устройств гидроприводов. Уплотнитель, как
основной элемент уплотнительного устройства
В местах соединения корпусных деталей, а также в
местах входа и выхода валов в корпус механизма устанавливаются уплотняющие
устройства (уплотнения), предназначенные для защиты внутреннего
пространства механизма от попадания вредных ингредиентов внешней среды (воды,
пыли, абразивных частиц) и для предохранения от вытекания из внутреннего
пространства смазочных материалов.
Классификация уплотнений:
. по характеру относительной подвижности
деталей, между которыми устанавливается уплотнение - подвижное и неподвижное;
. по характеру взаимодействия с движущейся
деталью - контактные и бесконтактные;
. по способу создания уплотняющего давления
между уплотнительным элементом и подвижной деталью - пассивные или натяжные,
в которых необходимое давление между уплотняемыми поверхностями создается за
счёт деформации уплотняющего элемента и не зависит от давления среды в полости
корпуса механизма, и активные, в которых давление между уплотняемыми
поверхностями растет пропорционально увеличению давления во внутренней полости
механизма;
. в зависимости от материала, из которого
изготовлен уплотняющий элемент - металлические и неметаллические;
. по форме подвижной уплотняемой поверхности -
торцевые, цилиндрические, конические, сферические.
В зависимости от требований, предъявляемых к гидравлическим
агрегатам, уплотнительные устройства должны обеспечивать полную герметизацию
рабочей жидкости или существенно уменьшать утечку ее. Утечка не допускается для
большинства уплотнений, запирающих жидкость от вытекания наружу, а также для
уплотнений гидропневматических устройств, гидравлических грузоподъемных
устройств и др.. Незначительная утечка жидкости допускается для многих
уплотнений, разделяющих отдельные полости с разным давлением от перетекания
жидкости внутри агрегатов, например, внутренние уплотнения тормозов, буферов,
рабочих цилиндров, гидронасосов, гидродвигателей, компрессоров и др.
Уплотнительное устройств -
устройство или способ предотвращения, или уменьшения утечки жидкости, газа
путём создания преграды в местах соединения между деталями машин
<https://ru.wikipedia.org/wiki/%D0%94%D0%B5%D1%82%D0%B0%D0%BB%D0%B8_%D0%BC%D0%B0%D1%88%D0%B8%D0%BD>
(механизма) состоящее из одной детали и более. Существуют две большие группы:
неподвижные уплотнительные устройства (торцевые, радиальные, конусные) и
подвижные уплотнительные устройства (торцевые, радиальные, конусные,
комбинированные).
. Неподвижные уплотнительные
устройства:
герметик (вещество с высокой
адгезией
<https://ru.wikipedia.org/wiki/%D0%90%D0%B4%D0%B3%D0%B5%D0%B7%D0%B8%D1%8F>
к соединяемым деталям и нерастворимое в запорной среде);
прокладки из различных материалов и
различной конфигурации;
кольца круглого сечения из
эластичного материала[1]
<https://ru.wikipedia.org/wiki/%D3%EF%EB%EE%F2%ED%E8%F2%E5%EB%FC%ED%EE%E5_%F3%F1%F2%F0%EE%E9%F1%F2%E2%EE>;
уплотнительные шайбы;
пробки;
применение конусной резьбы;
контактное уплотнение.
. Подвижные уплотнительные
устройства (позволяют совершать различные движения, такие как: осевое
перемещение, вращение (в одном или двух направлениях) или сложное движение):
канавочные уплотнения;
лабиринты;
кольца круглого сечения из
эластичного материала;
войлочные кольца;
маслоотражательные устройства;
манжеты различной конфигурации;
лепестковое уплотнение;
шевронные многорядные уплотнения;
сальниковые устройства
<https://ru.wikipedia.org/wiki/%D0%A1%D0%B0%D0%BB%D1%8C%D0%BD%D0%B8%D0%BA%D0%BE%D0%B2%D0%BE%D0%B5_%D1%83%D1%81%D1%82%D1%80%D0%BE%D0%B9%D1%81%D1%82%D0%B2%D0%BE>;
сильфонные
<https://ru.wikipedia.org/wiki/%D0%A1%D0%B8%D0%BB%D1%8C%D1%84%D0%BE%D0%BD>
уплотнения;
торцевые механические уплотнения;
торцевые газовые уплотнения.
На рисунке 2.1 представлены виды
уплотнения валов.
Рисунок 2.1 - Уплотнения валов: а -
сальник; б - металлические кольца; в - манжетное; г - торцовое; д -
лабиринтное; е - двойное лабиринтное ж - комбинированное (сальник + щелевое)
На рисунке 2.2 представлена
конструкция резиновой армированной манжеты.
Рисунок 2.2 - Конструкция резиновой
армированной манжеты: 1 - браслетная пружина; 2 - тело манжеты; 3 -
металлическая армирующая вставка
3. Закон Архимеда
Закон Архимеда - закон
статики жидкостей и газов, согласно которому на погруженное в жидкость (или
газ) тело действует выталкивающая сила, равная весу жидкости в объеме тела.
Тот факт, что на погруженное в воду
тело действует некая сила, всем хорошо известен: тяжелые тела как бы становятся
более легкими - например, наше собственное тело при погружении в ванну. Купаясь
в речке или в море, можно легко поднимать и передвигать по дну очень тяжелые
камни - такие, которые не удается можем поднять на суше; то же явление
наблюдается, когда по каким-либо причинам, выброшенным на берегу оказывается
кит - вне водной среды животное не может передвигаться - его вес превосходит возможности
его мышечной системы. В то же время легкие тела сопротивляются погружению в
воду: чтобы утопить мяч размером с небольшой арбуз требуется и сила, и
ловкость; погрузить мяч диаметром полметра скорее всего не удастся.
Интуитивно ясно, что ответ на вопрос
- почему тело плавает (а другое - тонет), тесно связан с действием жидкости на
погруженное в нее тело; нельзя удовлетвориться ответом, что легкие тела
плавают, а тяжелые - тонут: стальная пластинка, конечно, утонет в воде, но если
из нее сделать коробочку, то она может плавать; при этом ее вес не изменился.
Чтобы понять природу силы, действующей на погруженное тело со стороны жидкости,
достаточно рассмотреть простой пример (рис. 3.1).
<#"867449.files/image014.jpg"> <#"867449.files/image015.jpg">
Принимаем число поршней z
= 9 и угол наклона блока цилиндров β = 30 °, определяем
диаметр поршня:
dп =
=
2,7
см = 27 мм
Диаметр окружности расположения осей цилиндров в
блоке:
D =0.4dпz
= 0.4·27·9 = 97.3 мм
Принимаем D
= 98 мм
Наружный диаметр блока:
Dнар
= D + 1.6dп
= 98 + 1,6·27 = 142 мм.
Полезная мощность насоса:
Nп =Qpном
= 4·16 = 64 к Вт.
Мощность, потребляемая насосом:
N =
=
Ответ: были рассчитаны основные размеры
аксиально-поршневого насоса с наклонным блоком и двойным несиловым карданным
валом,
Заключение
В первом вопросе данной контрольной работы были
рассмотрены назначение, классификация, устройство и принцип работы направляющей
аппаратуры; логических клапанов, выдержки времени.
Принцип работы объемного гидропривода основан на
законе Паскаля, по которому всякое изменение давления в какой-либо точке
покоящейся жидкости, не нарушающее ее равновесия, передается в остальные ее
точки без изменения.
Насосом рабочая жидкость подается в напорную
гидролинию и далее через распределитель к гидродвигателю. При одном положении
гидрораспределителя совершается рабочий ход гидродвигателя, а при другом
положении - холостой. Из гидродвигателя жидкость через распределитель поступает
в сливную гидролинию и далее или в гидробак, или во всасывающую гидролинию
насоса (в гидроприводах с замкнутой схемой циркуляции рабочей жидкости. В
резервуаре жидкость охлаждается и снова поступает в гидросистему. Надежная
работа гидропривода возможна только при соответствующей очистке рабочей
жидкости фильтрами.
Во втором вопросе рассмотрели классификацию,
назначение, основные элементы уплотнительных устройств гидроприводов, а также
уплотнитель, как основной элемент уплотнительного устройства.
В местах соединения корпусных деталей, а также в
местах входа и выхода валов в корпус механизма устанавливаются уплотняющие
устройства (уплотнения), предназначенные для защиты внутреннего
пространства механизма от попадания вредных ингредиентов внешней среды (воды,
пыли, абразивных частиц) и для предохранения от вытекания из внутреннего
пространства смазочных материалов.
Классификация уплотнений:
. по характеру относительной подвижности
деталей, между которыми устанавливается уплотнение - подвижное и неподвижное;
. по характеру взаимодействия с движущейся
деталью - контактные и бесконтактные;
. по способу создания уплотняющего давления
между уплотнительным элементом и подвижной деталью - пассивные или натяжные,
в которых необходимое давление между уплотняемыми поверхностями создается за
счёт деформации уплотняющего элемента и не зависит от давления среды в полости
корпуса механизма, и активные, в которых давление между уплотняемыми
поверхностями растет пропорционально увеличению давления во внутренней полости
механизма;
. в зависимости от материала, из которого
изготовлен уплотняющий элемент - металлические и неметаллические;
. по форме подвижной уплотняемой поверхности -
торцевые, цилиндрические, конические, сферические.
В зависимости от требований, предъявляемых к
гидравлическим агрегатам, уплотнительные устройства должны обеспечивать полную
герметизацию рабочей жидкости или существенно уменьшать утечку ее. Утечка не
допускается для большинства уплотнений, запирающих жидкость от вытекания
наружу, а также для уплотнений гидропневматических устройств, гидравлических
грузоподъемных устройств и др.. Незначительная утечка жидкости допускается для
многих уплотнений, разделяющих отдельные полости с разным давлением от
перетекания жидкости внутри агрегатов, например, внутренние уплотнения
тормозов, буферов, рабочих цилиндров, гидронасосов, гидродвигателей,
компрессоров и др.
В третьем вопросе рассмотрели закон Архимеда.
Закон Архимеда - закон статики жидкостей и газов, согласно которому на
погруженное в жидкость (или газ) тело действует выталкивающая сила, равная весу
жидкости в объеме тела.
В практической части контрольной работы
определили основные размеры аксиально-поршневого насоса с наклонным блоком и
двойным несиловым карданным валом, имеющим следующие параметры:
подача Q
= 4 дм³/с;
номинальное давление ᵨ ном = 16 Мпа;
номинальная частота вращения n
= 980 об / мин;
ηv
=
0.98; η = 0,94.
Диаметр окружности расположения осей цилиндров в
блоке D = 98 мм, наружный
диаметр блока: Dнар
= 142 мм.
Список используемых источников:
1. Башта
Т.М. Гидравлические следящие приводы. М.: Машгиз, 1960., 282 стр.
2. Трубопроводная
арматура с автоматическим управлением: Справочник/Д.Ф. Гуревич, О.Н. Заринский,
С.И. Косых и др.; Под общ. ред. С.И. Косых. - Л.: Машиностроение, Ленингр.
отд-ние, 1982. - 320 с, ил.
. Maшинocтpoитeльнaя
гидравлика. Примеры расчетов / В.В. Вакина, И.Д. Денисенко, А.Л. Столяров - K.:
Вища шк. Головное изд-во, 1986.- 208 с.
. Элементы
гидропривода. (Справочник). Изд. 2-е, перераб. и доп. Абрамов Е. И.,
Колесниченко К.А., Маслов В.Т. Киев, «Техника», 1977. 320 с.
. А.Е.
Леонов. Насосы гидравлических систем станков и машин. М.-К.: Машгиз, 1960., 226
стр.