Исследование асинхронного двигателя

  • Вид работы:
    Практическое задание
  • Предмет:
    Физика
  • Язык:
    Русский
    ,
    Формат файла:
    MS Word
    40,59 Кб
  • Опубликовано:
    2015-06-18
Вы можете узнать стоимость помощи в написании студенческой работы.
Помощь в написании работы, которую точно примут!

Исследование асинхронного двигателя














Лабораторная работа

Исследование асинхронного двигателя


Цель: исследование асинхронного двигателя с фазным ротором. Экспериментальное определение параметров схемы замещения.

Ход работы

         Паспортные данные машины:

Р = 2,2 кВт

МТ-012-6

n = 895 об/мин

U = 220/380 B = 13/75 A

Тип обмотки - треугольник / звезда.


2       Опыт холостого хода.

Обмотку статора подключаем к источнику напряжения, при этом обмотка ротора остается разомкнутой. Далее понижая напряжение замеряет ток, и вычисляем мощность и соs φ.

U1, B

P0, Вт

i0, А

cos φ

138

240

2.7

0.21

127

255

2.5

0.27

120

255

2.25

0.31

114

225

2.15

0.306

106

210

2.05

0.32

93

195

1.85

0.38

79

165

1.65

0.4

52

150

1.75

0.55


Сos φ высчитываем по формуле:

Cos φ = P0/3*U*I


Определим параметры «Т» - образной схемы замещения.

I0 = i0/Iн

 

I0= 2.7/13 = 0.207 А

zµ = U1н/I0

zµ = 138/0.207= 666.66

rµ = zµ * cos φ = 666.66* 0.21 = 140µ =

xµ = 651.8

Определим коэффициент трансформации ЭДС, тока и напряжения.

Для измерения коэффициента трансформации тока измерим напряжение U1 и U2 для разных фаз.

U1ab=86.1 B                   U1bc=88.3 B                   U1ac=87.5 B2ab=31.8 B            U2bc=33 B                   U2ac=33.3 B

k = U1ср/U2cр

k = 2.67

Вычислим потери в стали.

ΔРст = Р0

ΔРст = 240

Для проведения опыта ротор двигателя затормаживаем.

U1, ВPк, Втiк, Аcos φ




20

0

0

0

20

60

2

0.5

23

30

2.3

0.19

28

90

2.8

0.38

33

150

3.3

0.46

38

180

3.7

0.43

44

270

4.4

0.46

49

390

5

0.53

56

510

5.7

0.53

64

720

6.4

0.59

70

870

7

0.59

78

1110

7.8

0.61

88

1500

8.8

0.65

97

1860

9.7

0.66

104

2100

10

0.67


Сos φ высчитываем по формуле:

Cos φ = P0/3*U*I




Сопротивление каждой фазы - R = 0.1 Ом.

Определим потери в меди.

ΔPм=3*I2 *R

Определим недостающие параметры.

Pэ=3*I12*r1

Po-Pэ=Pммех

Рмех=232.2

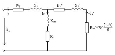
Г-образная схема замещения АД

Т - образная схема замещения АД

I0 = i0/Iн

0= 2.7/13 = 0.207 А

µ = U/I0

асинхронный двигатель ток напряжение

zµ = 138/0.207= 666.66

µ = zµ * cos φ = 666.66* 0.21 = 140µ =

µ = 651.8

Вывод: В ходе выполнения лабораторной работы мы исследовали асинхронный двигатель с фазным ротором способом короткого замыкания и холостого хода. В ходе исследования мы определили cos φ, а также параметры Т - образной и Г-образной схем замещения.

Похожие работы на - Исследование асинхронного двигателя

 

Не нашли материал для своей работы?
Поможем написать уникальную работу
Без плагиата!
Без нейросетей!