Проектирование и исследование асинхронных двигателей малой мощности
Проектирование
и исследование асинхронных двигателей малой мощности
Введение
Электрические машины, в то числе и асинхронные
двигатели, принято разделять по мощности на три группы: большой, средней и
малой мощности. В общем случае представители разных групп, кроме мощности
отличаются также конструктивными, функциональными, эксплуатационными и прочими
особенностями. Деление на три группы является условным и не имеет чётких
границ. Верхняя граница мощности асинхронных микромашин обычно не превышает
1кВт.
Асинхронные микродвигатели с короткозамкнутым
ротором, как трехфазные, так и однофазные являются самыми распространёнными
типами двигателей переменного тока. Они применяются для привода огромного числа
механизмов в промышленности, сельском хозяйстве в системах автоматики и в
электроприводах бытовой техники.
Асинхронные микродвигатели имеют ряд преимуществ
по сравнению с другими типами машин, в частности с коллекторными:
1. простота конструкции и низкая стоимость
производства;
2. отсутствие источника радиопомех;
. малая шумность двигателя;
. простота и надёжность в эксплуатации.
К недостаткам асинхронных двигателей следует
отнести относительно плохие регулировочные характеристики.
Однако этот недостаток относится лишь к машинам
нормального исполнения с короткозамкнутым ротором. Специальные асинхронные
двигатели с массивным ротором допускают регулировочные скорости в широких
пределах.
Данная работа посвящен методике расчёт
асинхронного двигателя малой мощности с короткозамкнутым ротором, а также методам
исследования и определения параметров и характеристик этих двигателей.
1.Определение главных размеров
. Число пар полюсов:
.
. Выбор главных размеров:
По таблице 1.1 [1] для мощности
находим
внешний диаметр статора
, высота оси
вращения
. Внутренний диаметр статора:
где
по таблице 1.2 [1].
. Полюсное деление:
. Расчетная мощность:
.
где
,
значения параметров
,
,
из таблицы
П.2 [1], а
и
из таблицы
П.1 [1].
6. Электромагнитные нагрузки по
таблице П.1. [1]:
;
.
. Обмоточный коэффициент для
однослойной концентрической обмотки по таблице 1.3 [1]:
. Обмотка по рис.1.1.
. Расчётная длина воздушного зазора:
,
,
. Отношение
, что
находится в рекомендуемых пределах (таблица 1.4).
.1 ẟ=0,2+D/2000=0.2
мм.
. Предельные значения t
, по рис.
1.6 [1]:
;
.
. Число пазов статора по [1]:

.
Принимаем Z
= 24, тогда
по табл.1.5
[1].
. Зубцовое деление статора
(окончательно):
.
. Число эффективных проводников в
пазу (предварительно), при условии
:
,
где
.
. Принимаем
, тогда 
.
. Окончательные значения:
,
,
,
.
Значения А и В
находятся в
допустимых пределах (по табл. П.1 [1]).
. Плотность тока в обмотке статора
(предварительно) по П.1
.
17. Сечение эффективного проводника
(предварительно):
,
принимаем
, тогда
.
Для того чтобы коэффициент
заполнения kз находился в
допустимых пределах выбираем обмоточный провод со следующими параметрами:
обмоточный провод ПЭТВ по таблице
П.7 [1]
,
,
.
. Плотность тока в обмотке статора
(окончательно):
.
2.Расчёт размеров зубцовой зоны
статора и воздушного зазора
асинхронный
микродвигатель воздушный зазор
Паз статора по рис.1.5,б с соотношением
размеров, обеспечивающих параллельность боковых граней зубцов. 6
19. Принимаем предварительно по
таблице 1.6 [1]
;
, тогда
,
где
принимаем равным
, тогда
.
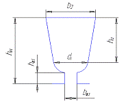
20. Размеры полуовального паза.
Ширина шлица паза
Высоту шлица паза принимаем
.
,
,
,
.
Рис.
. Площадь паза
.
. Принимаем коэффициент уменьшения
полезной площади паза
.
. Площадь паза в свету:
.
Структура изоляции паза для наиболее
распространенных однослойных обмоток показана на рисунке. Пазовую изоляцию
выполняют преимущественно в виде коробочки из лавсановой плёнки толщиной 0,19
мм. Пазовый клин тоже выполняют из лавсана толщиной 0,35 мм или 0,25 мм.
Рис.
. Коэффициент заполнения паза:
,
что входит в диапазон допустимых значений
3.Расчет ротора
. Воздушный зазор:
.
Принимаем
.
. Число пазов ротора по табл. 1.7
[1]
, со скосом
на 0,5 зубцового деления.
. Внешний диаметр:
.
. Длина
.
. Зубцовое деление:
.
. Внутренний диаметр ротора равен
диаметру вала, так как сердечник непосредственно насажен на вал:
.
. Ток в стержне ротора:
,
,
.
. Площадь поперечного сечения
стержня:
.
33. Паз ротора по [1], принимаем
,
.
Допустимая ширина зубца при
:
.
Размеры паза:
.
Принимаем
.
.
Принимаем
.
.
Принимаем
.
Высота зубца ротора:
.
Площадь паза, равная сечению
стержня:
.
. Плотность тока в стержне:
.
. Короткозамыкающие кольца. Площадь
поперечного сечения:
,
здесь,
где
,
.
Размеры замыкающих колец:
.
Принимаем
.
,
.
4.Расчёт намагничивающего тока
. Значения индукций:
,
,
,
,
где расчётная высота ярма ротора
.
,
здесь
,
где
.
. Магнитные напряжения зубцовых зон
статора:
,
ротора
,
где по табл. П.6 [1] для стали 2013
при
,
при
;
,
.
. Коэффициент насыщения зубцовой
зоны:
. Магнитные напряжения ярм статора и
ротора:
,
,
где по табл. П.6 [1]
при
,
при
,
,
,
где
.
. Магнитное напряжение на пару
полюсов:
.
. Коэффициент насыщения магнитной
цепи:
. Намагничивающий ток:
,
относительное значение:
.
5.Параметры рабочего режима
. Активное сопротивление фазы обмотки статора
.
Для класса нагревостойкости изоляции
F расчётная
. Для меди
.
Длина проводников фазы обмотки
,
,
где
,
,
где
; по табл. 1.9 [1],
;
.
Длина вылета лобовой части катушки:
,
где по табл. 1.9 [1]
Относительное значение:
45. Активное сопротивление фазы
обмотки ротора:
,
где
Для литой алюминиевой обмотки ротора
.
Приводим Z
к числу
обмотки статора
.
Относительное значение:
.
. Индуктивное сопротивление фазы
обмотки статора:
где
,
;
,
- относительное укорочение шага
обмотки.
,
,
для
и
по рис. 1.9. [1]
.
Относительное значение:
.
. Индуктивное сопротивление фазы
обмотки ротора:
для рабочего режима
.
,
,
,
так как
.
Приводим x2 к числу
витков статора:
.
.
Принимая во внимание небольшую
величину скоса пазов ротора, учитывать влияние скоса на параметров не будем.
6.Расчёт потерь
. Основные потери в стали:
где 
и
для стали 2013.
,
.
. Сумма добавочных потерь в стали:
.
. Полные потери в стали:
.
. Механические потери:
,
для двигателей
коэффициент
.
. Добавочные потери при номинальном
режиме:
.
. Ток холостого хода двигателя
:
.
. Электрические потери в обмотках
статора:
.
Электрические потери в обмотках
ротора:
,
. Сумма всех потерь в двигателе в
номинальном режиме:
7.Расчёт рабочих и пусковых
характеристик
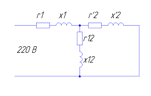
. Для расчёта характеристик асинхронного
двигателя составляем схему замещения:
здесь
,
.
Рис.
Таким образом, исходные данные для
расчёта пусковых и рабочих характеристик двигателя с учётом изменения
параметров ротора от насыщения и поверхностного эффекта и с учётом насыщения
основного магнитного потока следующие:
Результаты расчёта характеристик на
ЭВМ приведены в таблице [1], из которых получаем параметры двигателя в
номинальном режиме (при Р2н = 0,78 кВт).
Исходные данные
X1= 13.174 R1=
11.450 X2= 3.910 R2=
6.430
X12= 132.52 R12=
2.020 P= 2.0 F=
50.0
U3= 220.0 H3=
0.012500 MR= 1.0 R02=.0000000440
8.Характеристика асинхронного
двигателя
Таблица
9.Тепловой расчёт
. Превышение температуры внутренней поверхности
сердечника статора над температурой воздуха внутри двигателя:
где
при
по [1]:
,
где
по табл. 1.11 [1]
по табл. 1.12 [1] -
.
. Перепад температуры в изоляции
пазовой части обмотки статора:
где
,
- толщина пазовой изоляции;
для изоляции класса нагревостойкости
F:
,
из рис. 1.12 [1] для
59. Перепад температуры по толщине
изоляции лобовых частей:
,
где
,
,
.
Превышение температуры наружной
поверхности лобовых частей над температурой воздуха внутри машины:
.
Среднее превышение температуры
обмотки статора над температурой воздуха внутри машины:
Превышение температуры воздуха
внутри машины над температурой окружающей среды:
,
здесь
где
,
по табл. 1.13 [1]
Среднее превышение температуры
обмотки статора над температурой окружающей среды:
.
. Расчёт вентиляции
Требуемый для охлаждения расход
воздуха:
,
,
при 2
Расход воздуха, обеспечиваемый
наружным вентилятором:
,
что соответствует требованиям, т.к.
.
10.Динамические параметры
. Момент инерции ротора:
,
где
при
.
. Допустимое число пусков
асинхронного двигателя в час на холостом ходу:
.
. Допустимое число реверсов в час на
холостом ходу двигателя:
.
. Скорость нарастания температуры
при пуске:
,
где
для холодного состояния двигателя
перед пуском.
Список литературы
. Дмитриев
В.Н. Проектирование и исследование асинхронных двигателей малой мощности: Учеб.
пособие. - Ульяновск, 1996. - 88 с.: ил.
. Токарев
Б.Ф. Электрические машины: Учеб. пособие для вузов. - М.: Энергоатомиздат,
1990. - 624 с.: ил.
. И.П.
Электрические машины: Учеб. для вузов. - 2-е изд., перераб. - М.: Высш. шк.;
Логос; 2000. - 607 с.
. Вольдек
А.И. Электрические машины. Учебник для студентов высш. техн. учебных заведений.
- Изд. 2-е, перераб. и доп. - Л.: Энергия, 1974.
. Дмитриев
В.Н., Кислицын А.Л. Испытание электрических машин: Учебное пособие. -
Ульяновск, 1998. - 100 с.
1.