Исследования рабочих и механических характеристик 3-х фазного асинхронного двигателя
Министерство образования и науки
Российской Федерации
Федеральное агентство по образованию
Государственное образовательное
учреждение высшего профессионального образования
«Магнитогорский государственный
технический университет им. Г.И. Носова»
Кафедра электротехники и
электротехнических систем
Расчетно-графическая работа
по дисциплине «Электроника и
электротехника»
на тему: Исследования рабочих и
механических характеристик 3х фазного асинхронного двигателя
Выполнил: студент группы АВ-08-1
Струков Иван Сергеевич
Проверил: кандидат технических наук
Мугалимов Риф Гарифович
г. Магнитогорск 2010 г.
1.
1. Условие задачи
Цель работы:
Экспериментально получить и построить рабочие и механические
характеристики асинхронного двигателя проанализировать полученные зависимости
сделать выводы по лабораторной работе.
Программа:
1. Изучить электрическую схему замещения 3х фазного асинхронного
двигателя.
. Расчётным путём вычислить параметры электрической схемы
замещения по номинальным данным исходного асинхронного двигателя (см. табл. 1.1).
3. В программе Multisim составить электрическую схему замещения асинхронного двигателя для его
одной фазы.
. Произвести моделирования электрической схемы в программе Multisim и получить рабочие и механические
характеристики асинхронного двигателя.
Таб. 1.1-Номинальные данные 3хфазного асинхронного двигателя (Тип 4А 225-M4
|
P2H, кВт
|
hН
|
cosjН
|
xm
|
R1
|
x1
|
R’2
|
x’2
|
f,Гц
|
P
|
U1H,В
|
KR1
|
KX1
|
KZm
|
|
55
|
0,925
|
0,9
|
4,2
|
0,027
|
0,086
|
0,015
|
0,14
|
50
|
1
|
220
|
1,3
|
0,7
|
1,8
|
2. Расчёт
параметров моделирования для трехфазного асинхронного двигателя
Произведём по данным из табл. 1.1 расчёт параметров электрической схемы
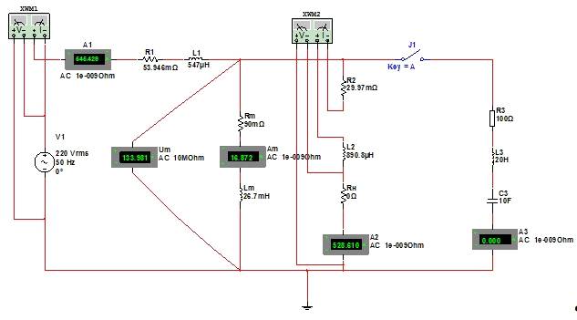
замещения 3х фазного асинхронного двигателя (рис 2.1).
Рисунок 2.1- Схема замещения3х фазного асинхронного двигателя
Определим номинальный ток 3х фазного асинхронного двигателя.
Определим общее сопротивление.
Определим активное и индуктивное сопротивление ветви намагничивания:
Определим активное и индуктивное сопротивление обмотки статора:
Определим активное и индуктивное сопротивление ротора:
Синхронная скорость вращения двигателя:
Угловая частота вращения магнитного поля статора:
Сопротивление нагрузки:
Вращающий момент двигателя:
Угловая частота вращения магнитного поля ротора:
КПД двигателя:
Скорость вращения ротора:
Результаты вычислений по формулам занесены в таблицу - 2.1 в
соответствующие колонки.
3. Моделирование
работы 3х фазного асинхронного двигателя в программе Multisim
Произведём моделирования работы 3х фазного асинхронного двигателя в
программе Multisim по заранее определённым активным и
индуктивным сопротивлениям обмотки статора и ротора. В результате моделирования получим
(рис. 3.1) таблицу значений (таблица 2.1).
Рисунок 3.1-Схема моделирования
Таблица 2.1- Параметры схемы замещения одной фазы асинхронного двигателя
и результаты моделирования
|
Измерено
|
Вычислено
|
|
I1, А
|
, АIM, AUM, ВP1, ВтP2, ВтRH, ОмM, Нмω2, с-1η, о.е.cosφn2, об/мин
|
|
|
|
|
|
|
|
|
|
|
|
45,37
|
35,40
|
26,04
|
213,34
|
23136,00
|
22530,00
|
5,99
|
0,71
|
72,11
|
312,43
|
0,92
|
0,77
|
|
76,57
|
69,22
|
25,72
|
210,62
|
44661,00
|
43125,00
|
3,00
|
0,85
|
138,73
|
310,86
|
0,97
|
0,88
|
|
107,17
|
101,22
|
24,26
|
207,45
|
64440,00
|
61482,00
|
2,00
|
0,87
|
198,78
|
309,29
|
0,95
|
0,91
|
|
138,11
|
131,10
|
24,91
|
203,90
|
82122,00
|
77358,00
|
1,50
|
0,85
|
251,39
|
307,72
|
0,94
|
0,90
|
|
166,35
|
158,72
|
23,34
|
200,21
|
97563,00
|
90711,00
|
1,20
|
0,83
|
296,30
|
306,15
|
0,93
|
0,89
|
|
190,63
|
184,04
|
24,00
|
196,43
|
110799,00
|
101652,00
|
1,00
|
0,81
|
333,74
|
304,58
|
0,92
|
0,88
|
|
214,46
|
206,63
|
23,50
|
192,77
|
121596,00
|
110178,00
|
0,86
|
0,78
|
363,61
|
303,01
|
0,91
|
0,86
|
|
235,63
|
228,14
|
23,09
|
189,05
|
131130,00
|
117078,00
|
0,75
|
0,75
|
388,40
|
301,44
|
0,89
|
0,84
|
|
256,48
|
248,65
|
22,63
|
181,15
|
139209,00
|
122442,00
|
0,66
|
0,72
|
408,32
|
299,87
|
0,88
|
0,82
|
|
273,54
|
264,16
|
21,37
|
182,09
|
144300,00
|
125586,00
|
0,60
|
0,70
|
421,01
|
298,30
|
0,87
|
0,80
|
|
290,96
|
281,19
|
20,89
|
178,55
|
149295,00
|
128067,00
|
0,54
|
0,67
|
431,59
|
296,73
|
0,86
|
0,78
|
|
304,27
|
293,38
|
21,50
|
175,84
|
152226,00
|
129072,00
|
0,50
|
0,64
|
437,30
|
295,16
|
0,85
|
0,76
|
|
317,93
|
306,37
|
21,24
|
172,90
|
151665,00
|
129519,00
|
0,46
|
0,62
|
441,16
|
293,59
|
0,85
|
0,72
|
|
327,68
|
316,72
|
20,68
|
170,56
|
156036,00
|
129435,00
|
0,43
|
0,60
|
443,24
|
292,02
|
0,83
|
0,72
|
|
338,64
|
327,51
|
20,46
|
168,02
|
157191,00
|
128619,00
|
0,40
|
0,58
|
442,83
|
290,45
|
0,82
|
0,70
|
|
352,86
|
338,24
|
20,19
|
165,21
|
157809,00
|
127089,00
|
0,37
|
0,55
|
439,94
|
288,88
|
0,81
|
0,68
|
|
363,26
|
345,75
|
19,95
|
163,29
|
157752,00
|
125667,00
|
0,35
|
0,52
|
437,39
|
287,31
|
0,80
|
0,66
|
|
365,93
|
354,07
|
18,87
|
161,43
|
157392,00
|
124083,00
|
0,33
|
0,51
|
434,25
|
285,74
|
0,79
|
0,65
|
|
382,42
|
367,76
|
19,44
|
159,20
|
156591,00
|
121557,00
|
0,31
|
0,48
|
427,76
|
284,17
|
0,78
|
0,62
|
|
377,74
|
365,54
|
19,35
|
158,28
|
156102,00
|
120357,00
|
0,30
|
0,48
|
425,89
|
282,60
|
0,77
|
0,63
|
|
397,73
|
282,41
|
19,03
|
156,02
|
154572,00
|
117114,00
|
0,28
|
0,45
|
416,73
|
281,03
|
0,76
|
|
402,95
|
38,70
|
18,89
|
154,89
|
153897,00
|
115377,00
|
0,27
|
0,43
|
412,86
|
279,46
|
0,75
|
0,58
|
|
408,29
|
393,45
|
18,74
|
153,79
|
152916,00
|
113427,00
|
0,26
|
0,42
|
408,17
|
277,89
|
0,74
|
0,57
|
|
407,97
|
393,65
|
18,60
|
152,96
|
151602,00
|
111435,00
|
0,25
|
0,41
|
403,28
|
276,32
|
0,74
|
0,56
|
|
404,10
|
390,43
|
18,43
|
151,83
|
150168,00
|
109791,00
|
0,24
|
0,41
|
399,60
|
274,75
|
0,73
|
0,56
|
|
413,30
|
398,57
|
18,52
|
150,71
|
148830,00
|
107451,00
|
0,23
|
0,39
|
393,33
|
273,18
|
0,72
|
0,55
|
|
430,18
|
415,18
|
18,16
|
149,31
|
147330,00
|
104178,00
|
0,22
|
0,37
|
383,56
|
271,61
|
0,71
|
0,52
|
|
436,76
|
421,72
|
18,00
|
150,99
|
145506,00
|
101445,00
|
0,21
|
0,35
|
375,67
|
270,04
|
0,70
|
0,50
|
|
441,76
|
426,19
|
17,87
|
147,05
|
143505,00
|
98493,00
|
0,20
|
0,34
|
366,87
|
268,47
|
0,69
|
0,49
|
|
495,87
|
480,28
|
16,69
|
137,88
|
117906,00
|
63798,00
|
0,11
|
0,19
|
270,90
|
235,50
|
0,54
|
0,36
|
|
498,39
|
482,76
|
16,51
|
135,79
|
106452,00
|
48483,00
|
0,08
|
0,15
|
237,55
|
204,10
|
0,46
|
0,32
|
|
528,00
|
512,94
|
16,38
|
134,29
|
93963,00
|
31566,00
|
0,05
|
0,09
|
182,78
|
172,70
|
0,34
|
0,27
|
|
520,77
|
505,03
|
16,36
|
134,03
|
94791,00
|
25521,00
|
0,04
|
0,07
|
180,62
|
141,30
|
0,27
|
0,28
|
|
537,56
|
521,35
|
16,46
|
133,86
|
91200,00
|
19488,00
|
0,03
|
0,05
|
177,32
|
109,90
|
0,21
|
0,26
|
|
529,03
|
512,75
|
16,44
|
133,59
|
87324,00
|
13266,00
|
0,02
|
0,04
|
168,99
|
78,50
|
0,15
|
0,25
|
|
533,13
|
516,80
|
16,54
|
133,54
|
76515,00
|
6708,00
|
0,01
|
0,02
|
142,42
|
47,10
|
0,09
|
0,22
|
|
545,43
|
528,61
|
16,87
|
133,98
|
70479,00
|
1956,00
|
0,00
|
0,01
|
124,59
|
15,70
|
0,03
|
0,20
|
4. Расчёт
параметров моделирования для трехфазного энергосберегающего асинхронного
двигателя
Определим номинальный ток 3х фазного энергосберегающего асинхронного
двигателя:
Определим общее сопротивление:
Определим активное и индуктивное сопротивление ветви намагничивания:
Определим активное и индуктивное сопротивление обмотки статора:
Определим активное и индуктивное сопротивление ротора:
Определим активное и индуктивное сопротивление 3-ей ветви:
Емкостное сопротивление3-ей ветви:
Ом
Емкость
конденсатора в 3-ей ветви:
мкФ
Синхронная
скорость вращения двигателя:
Угловая
частота вращения магнитного поля статора:
Сопротивление нагрузки:
Вращающий момент двигателя:
Угловая
частота вращения магнитного поля ротора:
КПД двигателя:
Скорость вращения ротора:
КПД энергетический:
Результаты
вычислений по формулам занесены в таблицу - 5.1 в соответствующие колонки.
5. Моделирование
работы 3х фазного асинхронного двигателя в программе Multisim
Произведём моделирования работы 3х фазного асинхронного двигателя в
программе Multisim по заранее определённым активным и
индуктивным сопротивлениям обмотки статора и ротора. В результате моделирования получим
(рис. 5.1) таблицу значений (таблица 5.1).
Рисунок 5.1-Схема моделирования
Таблица 5.1- Параметры схемы замещения одной фазы асинхронного двигателя
и результаты моделирования
|
Измерено
|
Вычислено
|
|
I1, А
|
, АIM, AUM, ВP1, ВтP2, ВтRH, ОмM, Нмω2, с-1η, о.е.cosφn2, об/мин
|
|
|
|
|
|
|
|
|
|
|
|
32,95
|
32,73
|
9,59
|
217,18
|
21567,00
|
21219,00
|
6,60
|
0,88
|
67,92
|
312,43
|
0,91
|
0,91
|
|
64,37
|
64,19
|
5,88
|
214,45
|
42060,00
|
40785,00
|
3,30
|
0,96
|
131,20
|
310,86
|
0,97
|
0,99
|
|
94,46
|
94,10
|
5,80
|
211,48
|
61143,00
|
58470,00
|
2,20
|
0,94
|
189,05
|
309,29
|
0,96
|
0,98
|
|
122,27
|
122,41
|
5,72
|
208,20
|
78684,00
|
74175,00
|
1,65
|
0,92
|
241,05
|
307,72
|
0,94
|
0,98
|
|
148,43
|
148,93
|
5,63
|
204,91
|
94590,00
|
87909,00
|
1,32
|
0,90
|
287,14
|
306,15
|
0,93
|
0,97
|
|
173,41
|
172,03
|
5,54
|
201,95
|
108666,00
|
99654,00
|
1,10
|
0,87
|
327,18
|
304,58
|
0,92
|
0,95
|
|
195,98
|
197,21
|
5,46
|
198,95
|
121371,00
|
109692,00
|
0,94
|
0,85
|
362,01
|
303,01
|
0,90
|
0,94
|
|
215,60
|
219,01
|
5,38
|
195,77
|
132783,00
|
117996,00
|
0,82
|
0,83
|
391,44
|
301,44
|
0,89
|
0,93
|
|
239,30
|
238,53
|
5,30
|
193,17
|
141702,00
|
124602,00
|
0,73
|
415,52
|
299,87
|
0,88
|
0,90
|
|
254,65
|
255,91
|
5,22
|
190,51
|
149526,00
|
129594,00
|
0,66
|
0,77
|
434,44
|
298,30
|
0,87
|
0,89
|
|
271,19
|
272,53
|
5,15
|
187,87
|
156093,00
|
133758,00
|
0,60
|
0,75
|
450,77
|
296,73
|
0,86
|
0,87
|
|
286,62
|
285,40
|
5,08
|
185,58
|
161589,00
|
136890,00
|
0,55
|
0,72
|
463,78
|
295,16
|
0,85
|
0,85
|
|
297,36
|
301208,00
|
5,03
|
183,49
|
166077,00
|
138960,00
|
0,51
|
0,71
|
473,31
|
293,59
|
0,84
|
0,85
|
|
316,62
|
315,62
|
4,95
|
180,82
|
170529,00
|
140466,00
|
0,47
|
0,67
|
481,01
|
292,02
|
0,82
|
0,82
|
|
326,09
|
326,97
|
4,91
|
179,22
|
173448,00
|
141180,00
|
0,44
|
0,66
|
486,07
|
290,45
|
0,81
|
0,81
|
|
338,93
|
338,27
|
4,84
|
177,30
|
176007,00
|
141342,00
|
0,41
|
0,63
|
489,28
|
288,88
|
0,80
|
0,79
|
|
345,94
|
347,28
|
4,81
|
176,31
|
177636,00
|
141159,00
|
0,39
|
0,62
|
491,31
|
287,31
|
0,79
|
0,78
|
|
361,15
|
360,41
|
4,74
|
173,23
|
179514,00
|
140406,00
|
0,36
|
0,59
|
491,38
|
285,74
|
0,78
|
0,75
|
|
376,63
|
369,68
|
4,70
|
172,02
|
180651,00
|
139143,00
|
0,34
|
0,56
|
489,65
|
284,17
|
0,77
|
0,73
|
|
363,02
|
370,16
|
4,68
|
169,46
|
178515,00
|
134460,00
|
0,33
|
0,56
|
475,80
|
282,60
|
0,75
|
0,75
|
|
385,93
|
384,70
|
4,63
|
169,56
|
181320,00
|
136689,00
|
0,31
|
0,54
|
486,39
|
281,03
|
0,75
|
0,71
|
|
392,45
|
389,95
|
4,60
|
169,40
|
181230,00
|
135681,00
|
0,30
|
0,52
|
485,51
|
279,46
|
0,75
|
0,70
|
|
402,44
|
400,49
|
4,56
|
167,05
|
181011,00
|
133089,00
|
0,28
|
0,50
|
478,93
|
277,89
|
0,74
|
0,68
|
|
406,27
|
406,17
|
4,53
|
166,17
|
180561,00
|
131622,00
|
0,27
|
0,49
|
476,34
|
276,32
|
0,73
|
0,67
|
|
414,27
|
412,42
|
4,51
|
165,22
|
180072,00
|
129915,00
|
0,26
|
0,48
|
472,85
|
274,75
|
0,72
|
0,66
|
|
418,59
|
416,31
|
4,48
|
164,01
|
179703,00
|
128112,00
|
0,25
|
0,46
|
468,97
|
273,18
|
0,71
|
0,65
|
|
423,82
|
422793,00
|
4,46
|
163,34
|
178743,00
|
125889,00
|
0,24
|
0,45
|
463,49
|
271,61
|
0,70
|
0,64
|
|
430,42
|
428,99
|
4,43
|
162,56
|
177855,00
|
123675,00
|
0,23
|
0,44
|
457,99
|
270,04
|
0,70
|
0,63
|
|
436,23
|
434,40
|
4,41
|
161,58
|
176898,00
|
121068,00
|
0,22
|
0,42
|
450,96
|
268,47
|
0,68
|
0,61
|
|
440,50
|
433,21
|
4,42
|
161,85
|
177108,00
|
121896,00
|
0,22
|
0,42
|
456,71
|
266,90
|
0,69
|
0,61
|
|
479,96
|
478,13
|
4,13
|
152,82
|
153879,00
|
82929,00
|
0,12
|
0,26
|
352,14
|
235,50
|
0,54
|
0,49
|
|
530,53
|
528,95
|
4,14
|
150,08
|
139395,00
|
59265,00
|
0,08
|
0,17
|
290,37
|
204,10
|
0,43
|
0,40
|
|
544,45
|
542,85
|
4,14
|
149,03
|
130464,00
|
45987,00
|
0,06
|
0,13
|
266,28
|
172,70
|
0,35
|
0,36
|
|
573,56
|
571,62
|
4,21
|
148,24
|
121440,00
|
31683,00
|
0,04
|
0,08
|
224,23
|
141,30
|
0,26
|
0,32
|
|
563,22
|
561,63
|
4,18
|
150,04
|
116622,00
|
24156,00
|
0,03
|
0,06
|
219,80
|
109,90
|
0,21
|
0,31
|
|
570,10
|
568,61
|
4,20
|
147,82
|
111759,00
|
16386,00
|
0,02
|
0,04
|
208,74
|
78,50
|
0,15
|
0,30
|
|
576,66
|
574,98
|
4,24
|
150,61
|
101220,00
|
8364,00
|
0,01
|
0,02
|
177,58
|
47,10
|
0,08
|
0,27
|
|
581,06
|
579,47
|
4,26
|
151,45
|
104262,00
|
2109,00
|
0,00
|
0,01
|
155,55
|
15,70
|
0,27
|
6. Графики
асинхронный двигатель моделирование замещение
Ниже приведены графики, отображающие зависимость, различных механических
характеристик смоделированных нами 2-ух 3-х фазных асинхронных двигателей.
Рисунок 6.1 - Механическая характеристика асинхронного двигателя n2i = f(Mi)
Рисунок 6.2 - Рабочая характеристика асинхронного двигателя, I1i = f(P2i)
Рисунок 6.3 - Рабочая характеристика асинхронного двигателя, n2i = f(P2i)
Рисунок 6.4 - Рабочая характеристика асинхронного двигателя, ηi = f(P2i)
Рисунок 6.5 - Рабочая характеристика асинхронного двигателя, cosφi = f(P2i)
Рисунок 6.6 - Рабочая характеристика асинхронного двигателя, Mi = f(P2i)
Рисунок 6.7 - Рабочая характеристика асинхронного двигателя, ηЭН = f(P2i)
Вывод
В данной расчетно-графической работе была изучена схема замещения одной
фазы асинхронного двигателя, и рассчитаны её основные параметры. По полученным
результатам были построены механическая и рабочие характеристики. Из
механической характеристики видно, что скорость вращения ротора незначительно
снижается при увеличении вращающего момента в пределах от нуля до максимального
значения - критического момента (устойчивый режим работы). При перегрузке свыше
этого значения двигатель входит в область неустойчивого режима и
останавливается.
По рабочим характеристикам видно следующее: сила тока возрастает
практически линейно с возрастанием мощности; скорость вращения незначительно
снижается при увеличении мощности; КПД двигателя сначала резко возрастает до
максимального значения, а потом постепенно снижается; также изначально резко
возрастает, а затем медленно уменьшается; зависимость момента двигателя от
мощности на валу является линейной.