Витратоміри

  • Вид работы:
    Курсовая работа (т)
  • Предмет:
    Физика
  • Язык:
    Украинский
    ,
    Формат файла:
    MS Word
    752,11 Кб
  • Опубликовано:
    2015-06-01
Вы можете узнать стоимость помощи в написании студенческой работы.
Помощь в написании работы, которую точно примут!

Витратоміри

Вступ


Значення лічильників газу дуже велике. З розвитком промисловості вони набувають все більшого значення. Лічильники потрібні на сам перед для управління виробництвом. Без них неможливо забезпечити оптимальний режим технологічних процесів в енергетиці, металургії, в хімічній, нафтовій та багатьох інших галузях промисловості.

Лічильники газу необхідні для обліку маси або об’єму газу, що транспортується по трубам і споживається різними об’єктами. Без цих вимірювань дуже важко контролювати витікання і виключити втрати цінних продуктів.

Зниження похибки хоча б на 1% може забезпечити багатомільйонний економічних ефект. Роль лічильників газу ще більше зростає з необхідністю максимальної економії ресурсів країни.

Сучасні турбінні лічильники мають досить високі метрологічні властивості. Похибки турбінних лічильників зазвичай не перевищують ±(0,5- 1%). При цьому діапазон вимірюваних витрат частіше за все не менше десятикратного. Постійна часу турбінного лічильника знаходиться в діапазоні 1-10мс і рідко перевищує ці значення.

Газова промисловість України як окрема галузь паливно-енергетичного напряму економіки держави складає сьогодні чи не найдинамічнішу та інтелектуально насичену область народногосподарського комплексу яка, до того ж, у вирішальній степені визначає її енергетичну міць, адже частка природного газу у загальному обсязі споживання первинної енергії перевищує 45%.

1.      Характеристика і властивості природного газу

лічильник природний витратомір газ

Приро́дний газ - суміш газів, що утворилася в надрах землі при анаеробному розкладанні органічних речовин. Суміш, компонентами якої переважно є насичені вуглеводні (СпН2п+2)) азот, діоксид вуглецю і сірководень.

Природний газ є корисною копалиною. Часто є побічним газом при видобутку нафти. Природний газ у пластових умовах (умовах залягання в земних надрах) знаходиться в газовому стані у вигляді окремих скупчень (газові поклади) або у вигляді газової шапки нафтогазових родовищ - це вільний газ, або в розчиненому стані в нафті або воді (у пластових умовах), а в стандартних умовах (0,101325 МПа і 20 °C) - тільки в газовому стані. Також природний газ може знаходитися у вигляді газогідратів.

.1 Хімічний склад природного газу

Основну частину природного газу складає метан (CH4) - до 98 %. До складу природного газу можуть також входити більш важкі вуглеводні: етан (C2H6), пропан (C3H8), бутан (C4H10) - гомологи метану, а також інші невуглеводні речовини: водень  (H2), сірководень (H2S), діоксид вуглецю (CO2), азот (N2), гелій (Не2).

.2 Властивості природного газу

Природний газ не має кольору і запаху. Щоб можна було визначити витік по запаху, до нього перед подачею споживачам додають одорант - речовину з різким специфічним запахом. Як одорант може використовуватись етилмеркаптан - C2H5SH або суміш природних меркаптанів - СПМ (C2H3P). У магістральних газопроводах транспортується неодоризований газ, оскільки одорант належить до агресивних речовин, що спричиняють корозію стінок труб. [1, 2]

ГОСТ 5542-87 встановлює наступні основні вимоги до газового палива [3]: за фізико-хімічним показникам природні гази повинні відповідати вимогам і нормам, приведеним в таблиці 1.1.

Таблиця 1.1. Вимоги і норми природного газу

1. Теплота згорання нижча, МДж/м3(ккал/м3), при 20°C 101,325 кПа, не менше

31,8 (7600)

2. Область значень числа Воббе (вищого), МДж/м3 (ккал/м3)

41,2-54,5 (9850-13000)

3. Допустиме відхилення числа Воббе від номінального значення, %, не більше

±5

4. Масова концентрація сірководню, г/м3, не більше

0,02

5. Масова концентрація меркаптанової сірки, г/м3, не більше

0,036

6. Об’ємна частка кисню, %, не більше

1,0

7. маса хімічних домішок в 1м3, г, не більше

0,001

8. інтенсивність запаху газу при об’ємній частці 1% в повітря, балл, не більше

3


.3 Орієнтовні фізичні характеристики

–    густина: ρ = 0,7 г/м³ (сухий газоподібний) або 400 кг/м³ рідкий);

–       температура займання: t = 650 °C;

–       теплота згоряння: 16 - 34 МДж/м³ (для газоподібного);

–    октанове число при використанні на двигунах згоряння: 120 - 130.

2. Огляд та аналіз існуючих лічильників природного газу

Для вимірювання витрат газу використовують різні фізичні явища та процеси, що відбуваються у газі:

–    зміну площі живого перерізу потоку, що викликає перепад тиску у трубопроводі, зміну динамічного тиску, вихрові коливання, обертання та коливання чутливого елементу (ЧЕ), який розташовано у потоці;

–       вплив на потік різноманітних ефектів:

-     теплової дії на потік або тіло, яке контактує з ним;

      зміна магнітного поля;

      акустичних та оптичних ефектів у потоці рухомого газу;

      іонізації потоку вимірюваного газу;

Моніторинг приладів і систем, які широко застосовуються у сучасній витратометрії, показує що найбільшого поширення отримали витратоміри та лічильники кількості, побудовані на ВПВР змінного та постійного перепаду тиску, тахометричні, обтікання, електромагнітні, вихрові та ультразвукові. Ці прилади випускаються серійно, мають досить високі метрологічні та експлуатаційні характеристики і знаходять широке застосування практично у всіх галузях народного господарства.

Існуючі прилади вимірювання кількості речовини, що проходить можна розділити на такі групи:

-    лічильники змінного перепаду тиску;

-        вихрові лічильники;

         тахометричні лічильники;

         ультразвукові лічильники;

         теплові лічильники;

         лічильники з мітками.

2.1 Метод змінного перепаду тиску

Найбільшого поширення серед методів вимірювання витрати отримав метод змінного перепаду тиску (або дросельний метод). Даний метод вимірювання застосовують для вимірювання витрати рідких і газоподібних середовищ, що протікають по трубопроводу круглого перерізу діаметром від 50 мм до 1000 мм за умови повного заповнення перерізу вимірюваним середовищем постійної в'язкості і щільності. Метод змінного перепаду тиску один з найбільш старих і найбільш вивчених методів вимірювання витрати рідких і газоподібних середовищ.

Залежно від конструкції і принципу дії первинного перетворювача виділяють кілька видів вимірювань (рис. 1), але в основі кожного з них лежить залежність перепаду тиску, який створюється первинним перетворювачем від витрати протікаючої рідини. Найбільшого поширення набули засоби вимірювання, що отримали назву «діафрагми».

Рисунок 1 - Лічильники змінного перепаду тиску

Перевагами даного методу вимірювання є порівняльна простота і компактність вимірювальних пристроїв; точність вимірювання фізичної величини; висока стабільність вимірювання; висока надійність роботи; невисокі вимоги до довжин прямолінійних ділянок; можливість дистанційної передачі даних. Це, а також можливість непрямого (косвенной) градуювання та повірки стандартизованих первинних перетворювачів - звужуючих пристроїв, що реалізують метод, їх простота і надійність, серійність випуску вторинних перетворювачів - дифманометрів обумовлює його надзвичайно широке (порівняно з іншими) використання на практиці промислових вимірювань витрати.

Недоліки: вплив точності установки пристрою звуження на якість вимірювання; необхідність періодичної ревізії пристроїв звуження потоку; необхідність введення поправок на температуру і тиск вимірюваного середовища; втрати тиску в водоводі в силу конструктивних особливостей первинного перетворювача; відносно короткий міжповірочний інтервал; невеликий діапазон виміру. І разом з тим в основі цього чисто гідродинамічного методу лежать настільки складні фізичні процеси деформації потоків, настільки велике число неконтрольованих факторів впливає на характер цих процесів, що застосування його в даний час обмежене областями, де потрібна дуже низька точність вимірювань, хоча можливості його «метрологічного вдосконалення» далеко не вичерпані.

Похибка: ± 1% - ± 3% [4-6].

.2 Вихоровий метод

Вихоровими називаються витратоміри, засновані на залежності від витрати частоти коливань тиску, що виникають у потоці в процесі вихроутворення або коливання потоку. Вони поділяються на три групи, істотно відмінні одна від одної (рис.2.).

Рисунок 2 - Класифікація вихорових витратомірів

. Витратоміри, що мають у первинному перетворювачі нерухоме тіло, при обтіканні якого з обох його сторін поперемінно виникають зриваючі вихори, що створюють пульсації тиску.

. Витратоміри, в первинному перетворювачі яких потік закручується і, потрапляючи потім у розширену частину труби, прецисує, створюючи при цьому пульсації тиску.

. Витратоміри, в первинному перетворювачі яких струмінь, що випливає з отвору, здійснює автоколивання, створюючи при цьому пульсації тиску.

Вихоровий метод досить перспективний метод вимірювання витрати рідин і газів з широким діапазоном зміни фізико-хімічних властивостей.

Перевагами є: відсутність рухомих частин; простота і надійність перетворювача витрати; незалежність показань від тиску і температури; великий діапазон вимірювання; лінійність шкали; хороша точність; частотний вимірювальний сигнал; стабільність показань; порівняно не складна вимірювальна схема; можливість отримання універсального градуювання.

До недоліків вихорових витратомірів відносяться: значна втрата тиску, що досягає 30-50 кПа; деякі обмеження можливості їх застосування: вони непридатні при малих швидкостях, і виготовляються лише для труб, що мають діаметри від 25 до 150-300 мм; вони не застосовуються також при Re <103 ÷ 104. Багато конструкцій вихрових витратомірів непридатні для вимірювання забруднених і агресивних речовин, що можуть порушити роботу перетворювачів вихідного сигналу. Але на процесі вихроутворення забруднення, корозія і ерозія тіла обтікання або закручування апарату практично позначаються дуже мало (на відміну, наприклад, від звужуючих пристроїв). Тому при виборі перетворювача вихідного сигналу (наприклад, ультразвукового) вихрові витратоміри можуть служити і для вимірювання забруднених, агресивних і абразивних речовин.

Похибка: ± 0,5-1,5% [4-6].


Тахометричними метод є на сьогоднішній день одним з найбільш точних методів вимірювання об'ємної витрати рідин і газів. Тахометричними називаються витратоміри і лічильники, що мають рухомий, зазвичай обертовий елемент, швидкість руху якого пропорційна об'ємній витраті. Вони поділяються на турбінні, кулькові, роторно-кульові та камерні (рис.3). Принцип дії заснований на вимірюванні швидкості рухомого елемента, який обертається під впливом протікання рідини. Найбільш доступне за вартістю обладнання, але має цілий ряд обмежень до застосування.

Рисунок 3 - Класифікація тахометричних витратомірів

Переваги: первинний перетворювач витрати не потребує живлення, працює автономно; прості в обслуговуванні і ремонті; невисокі вимоги до довжин прямолінійних ділянок; відносно великий міжповірочний інтервал (до 6 років); володіють високою точністю (відомі витратоміри з наведеною основною похибкою 0,1 - 0,2%) і великими межами вимірювань для однієї модифікації (10:1 і більше); можливістю вимірювання як малих (від 5∙10-9 м3/с), так і великих (до 1 м3/с) значень витрати; широкий діапазон тисків (до 250 МПа) і температур (від -240 до +700о С); мала інерційність.

І незважаючи на це, дані витратоміри не знайшли ще настільки широкого застосування, як вони того заслуговують. Це обумовлюється наступними недоліками: необхідністю індивідуального градуювання; впливом зміни в'язкості вимірюваного середовища і гідродинамічних параметрів потоку на показання приладів; рухомі елементи конструкції вимогливі до якості протікаючої рідини - тільки чиста вода; зношення опор, що різко скорочує термін служби приладів (особливо при вимірюванні газових потоків, агресивних і абразивних середовищ) і призводить до зниження їх точності в процесі експлуатації.

Похибка: ± 0,1% - ± 5% [4-6].

.4 Акустичний метод

Акустичними називаються витратоміри, засновані на вимірюванні залежного від витрати того чи іншого ефекту, що виникає при проході акустичних коливань через потік рідини або газу. Майже всі застосовувані на практиці акустичні витратоміри працюють в ультразвуковому діапазоні частот і тому називаються ультразвуковими (рис. 4).

Рисунок 4 - Класифікація ультразвукових витратомірів

Основні труднощі практичного використання акустичних методів вимірювання витрати пов'язані з тим, що, по-перше, швидкість поширення звуку залежить від фізико-хімічних властивостей вимірюваного середовища і, по-друге, вона незрівнянно більше швидкості руху цього середовища. Відмічені обставини обумовлюють необхідність застосування в ультразвукових витратомірах спеціальних методів і засобів компенсації впливів властивостей середовища і диференціальних схем вимірювання, що призводить до великої складності вимірювальної апаратури.

Незважаючи на це, ультразвукові витратоміри все більш широко застосовують в нафтохімічній, харчовій та інших галузях промисловості, при гідравлічних дослідженнях і випробуваннях гідромашин.

Перевагами ультразвукових витратомірів є: мале або повна відсутність гідравлічного опору; придатні для труб будь-якого діаметру (від 10 мм і більше); надійність (бо немає рухомих механічних елементів); перешкодозахищеність; можливість безконтактного вимірювання будь-яких середовищ, в тому числі і неелектропровідних; принципова можливість вимірювання масової витрати рідин і газів; досить висока точність приладів при їх індивідуальній градуюванні і використання спеціальних засобів автокомпенсації найбільш істотних перешкод (відомі ультразвукові витратоміри, основна похибка яких не перевищує 0,3% верхньої межі вимірювань); надвисока швидкодія (до десятих часток мілісекунди) і внаслідок цього можливість використання їх у системах «статистичних вимірювань» витрати.

Похибки ультразвукових витратомірів, зумовлені асиметрією акустичних каналів, акустичними наведеннями в стінках перетворювача, реверберацией (багаторазовим відображенням) звукової хвилі, зводяться нанівець правильним вибором конструктивно-схемних рішень (наприклад, вибором одноканальних схем, відповідних матеріалів і форми каналу перетворювача, застосуванням різних компенсуючих пристроїв, оптимальної швидкості ультразвуку і т. п.). Однак одну з найбільш істотних методичних похибок, притаманну всім описаним акустичним методам, компенсувати до цих пір не вдається. Ця похибка пов'язана з тим, що ультразвуковий витратомір вимірює швидкість руху середовища, осредненную по довжині шляху, який проходить ультразвуковий промінь від випромінювача до приймача. У той же час для отримання об'ємної витрати потрібно осреднение за площею каналу перетворювача. Збіг результатів має місце тільки для повністю симетричного розподілу швидкостей потоку в каналі прямокутного перерізу, витягнутого перпендикулярно до напрямку променя.

Похибка: 0,1 - 2,5% [4-6].

.5 Теплові методи

Тепловими називаються витратоміри, засновані на вимірюванні залежного від витрати ефекту теплового впливу на потік або тіло, яке контактує з потоком. Вони служать для вимірювання витрати газу і рідше для вимірювання витрати рідини.

Існує багато різновидів теплових витратомірів, які відрізняються способом нагріву, розташуванням нагрівача (зовні або всередині трубопроводу) і характером функціональної залежності між витратою і вимірюваним сигналом. Основний спосіб нагрівання - електрично-омічний. Індуктивний нагрів майже не застосовується на практиці. Крім того, в деяких випадках знаходить застосування нагрівання за допомогою електромагнітного поля і за допомогою рідинного теплоносія. При електрично-омічному нагріванні у калориметричних нагрівач розташований всередині, а у термоконвективних - зовні труби. Класифікація наведена на рис. 5.

Калориметричні і термоконвективні витратоміри вимірюють масову витрату за умови незмінності теплоємності вимірюванї речовини, що є їх перевагою. Інша перевага термоконвективних витратомірів - відсутність контакту з вимірюваною речовиною.

Недоліками їх є: велика інерційність; складність вимірювальної схеми; нестабільність характеристик, пов'язана з корозією приймальних пристроїв і осадженням на них різних частинок, які переносяться потоком; вплив на їх покази температури, тиску і різних теплофізичних параметрів потоку.

У зв'язку з дуже малими габаритними розмірами дані прилади отримали переважне поширення в лабораторно-експериментальної практиці при вимірюванні швидкості в найтонших пристінних шарах і плівках.

Похибка: 0,3-3% [4-6].

Рисунок 5 - Класифікація теплових витратомірів

.6 Витратоміри з мітками

Витратоміри з мітками, засновані на вимірі часу переміщення якої-небудь характерної частини (мітки) потоку на контрольній ділянці шляху.

Мітку в потоці створюють, як правило, штучним шляхом. Мітки можуть бути найрізноманітніші (рис.6): іонізаційні, радіоактивні, фізико-хімічні, теплові, оптичні, ядерно-магнітні та ін. Відповідно, існують і різні пристрої для створення мітки і її детектування при проходженні нею контрольного ділянки шляху. Радіоактивні, фізико-хімічні та деякі оптичні мітки створюють шляхом введення в потік сторонньої речовини-індикатора. У більшості інших випадків мітка утворюється в самому потоці без введення сторонньої речовини. Витратоміри з мітками - прилади не безперервної, а дискретної дії, але при високій частоті створення міток можна практично говорити про безперервне вимірюванні витрати.

Значно частіше витратоміри з мітками застосовують не в якості експлуатаційних приладів для безперервного вимірювання, а для різних лабораторних і дослідних робіт, і зокрема при градуюванні і повірці інших витратомірів.

Рисунок 6 - Класифікація витратомірів з мітками

Похибка вимірювання витрати у витратомірів з міткам коливається від (+0,1÷ 0,2) до (+2-3) відсотків залежно від роду мітки, вимірювальної апаратури, способу детектування і відповідності швидкості переміщення мітки до середньої швидкості потоку. Найбільша точність досягається за відсутності необхідності у відборі проб у контрольних перетинах. Довжина контрольної ділянки, залежно від роду мітки, може бути від декількох міліметрів до декількох кілометрів.

Витратоміри з мітками можуть бути з одною або двома детекторами мітками. У першому випадку (рис.7, а) контрольна відстань вважається від місця вводу мітки 1 до детектора 2, у другому (рис.7, б) - між двома детекторами 2 і 3.

Зазвичай у витратомірів з мітками відстань L в процесі вимірювання залишається незмінною, але були розроблені витратоміри, у яких час підтримувалося постійним шляхом автоматичного переміщення одного з детекторів і зміни таким чином відстані L, яка в цьому випадку буде вимірюваною величиною. У цьому випадку досягається лінійність шкали але ускладнюється пристрій. Такі витратоміри не набули поширення.

Рисунок 7- Принципова схема витратоміру з мітками

Витратоміри з мітками при постійній величині відстані L можуть бути з постійною частотою створення міток або з частотою, пропорційною швидкості потоку. У першому вимірюється час або величина, функціонально пов'язана з цим часом, наприклад зсув фаз, у других - частота генерацій міток. Останні працюють за схемою, зображеною на рис.7, а. Чергова мітка створюється в момент, коли попередня детектується елементом 2. Тому період генерації міток дорівнює часу переміщення мітки на ділянці.

Вибір довжини контрольного ділянки залежить насамперед від фізичної природи мітки - тривалості її існування, а також від бажаних точності вимірювання і швидкодії. Іонні мітки швидко знищуються через рекомбінації іонів, а теплові - внаслідок передачі тепла навколишньому середовищу. Тому в цьому випадку обов'язкова мала величина. При свободі вибору відстані потрібно враховувати, що зі збільшенням відстані зростає точність вимірювання, але зменшується швидкодія. У більшості випадків слід віддати перевагу підвищенню точності і не знижувати проміжок.

Точність вимірювання витрати витратоміра з мітками залежить не тільки від точності вимірювання часу, але також від точності визначення середньої площі поперечного перерізу трубопроводу між контрольними відмітками. У змонтованої труби точне вимірювання внутрішнього діаметру труби і оцінка її еліптичності не завжди можливі. У цьому випадку додаткова похибка в визначенні витрати може становити 1-2 %. Крім того, у деяких міток швидкість їх переміщення визначається не тільки швидкістю потоку, але залежить ще й від фізичних властивостей мітки. Так у теплових міток на швидкість їх переміщення впливає теплопровідність вимірюваного речовини.

.6.1 Витратоміри з тепловими мітками

Витратоміри з тепловими мітками можна застосовувати для вимірювання витрати як рідини, так і газу. Вони складаються з нагрівача, що створює теплову мітку, і термоперетворювачів для вимірювання часу переміщення мітки на контрольній ділянці. Іноді нагрівач відсутній. У цьому випадку термоперетворювачі служать для вимірювання часу переміщення випадкових теплових неоднорідностей, наявних в потоці. Є витратоміри, у яких нагрівач розташований як зовні, так і всередині труби.

Запропоновано декілька різновидів витратомірів з зовнішнім розташуванням нагрівача: витратомір, в якому теплова мітка створюється випромінювачем інфрачервоного (ІЧ) або надвисокочастотного (НВЧ) діапазонів, розташованих на зовнішній поверхні трубчастої вставки довжиною 300 мм з кварцу для ІЧ- діапазону і фторопласта для СВЧ - діапазону.

Іноді застосовують витратоміри, у яких теплова мітка створюється нагрівається елементом, зазвичай дротиком, розміщуючись всередині вимірюваного речовини. Якщо струм подається у вигляді окремих імпульсів, то утворюються мітки, швидкість яких дорівнює місцевій швидкості потоку. Якщо ж струм змінюється за синусоїдальним законом, то виникає температурне поле, що рухається зі швидкістю потоку. На контрольній відстані L розміщується малоінерційний термоперетворювач, що фіксує момент приходу мітки або службовець для вимірювання різниці фаз Δφ між температурами, а отже, і струмами в нагрівачі і термоперетворювачем.

У деяких випадках в трубопроводі утворюється теплова мітка шляхом введення в нього порції рідини чи газу, що нагріваються в особливій ємності, розташованої поза даного трубопроводу.

Проблема створення сучасних методів і засобів вимірювання витрат речовин, що володіють специфічними властивостями (агресивність, нестаціонарність фізико-хімічних характеристик, висока в'язкість і т. п.), що функціонують у різного роду складних умовах експлуатації, незважаючи на певний прогрес, залишається досить актуальною.

Розвиток безконтактного теплового методу в напрямку синтезу інтелектуальних багатоканальних теплових витратомірів дозволило істотно підвищити їх метрологічні характеристики при вирішенні складних завдань вимірювання витрати. При створенні таких багатоканальних витратомірів використовувалися деякі принципи теорії інваріантності, відповідно до яких первинний вимірювальний перетворювач (ПІП) теплового витратоміра повинен забезпечувати організацію як мінімум двох каналів передачі первинної інформації, крім каналу компенсації обурюючого впливу (температури потоку речовини). Це є необхідною умовою автономізації інформації про вимірювану величину (витрати) і неінформативних величинах (змінюються властивості речовин). Реалізовано дві структури багатоканальних теплових витратомірів (БТВ), заснованих на термоконвективних ПИП. У БТВ першого типу організація кожного з каналів передачі первинної інформації здійснюється за допомогою окремого термоперетворювача або обидва канали базуються на комплексній інформації, що генерується одним термоперетворювачем. На основі структури другого роду синтезуються тільки БТВ з мітками. Реалізація алгоритмів функціонування БТВ припускає використання широких можливостей обчислювальної техніки. Створення БТВ дозволило знизити методичну похибку вимірювання витрати в'язких рідин. Для цього використовувалася структура БТВ першого типу. Так для витратоміра мазуту додаткова похибка вимірювання зменшена у 5 разів і склала 0,2% /10°С.

Істотно знижено вплив нестабільності властивостей вимірюваних потоків розчинів рідин на показання БТВ з мітками, в якому використані дві контрольні ділянки виміру часу перенесення мітки . Причому, на першій ділянці по ходу мітки на інформативну величину часу впливає як значення об'ємної витрати, так і властивості розчину (наприклад, густина), а на другому - величина часу визначається тільки об'ємною витратою (швидкістю) розчину. Диференціальне включення цих каналів дозволило знизити похибку вимірювання витрати розчинів в умовах вимірювання їх властивостей на 1-1.25%.

Поряд із зазначеним напрямком розвитку теплових витратомірів постійно вдосконалювалися структурні методи підвищення їх динамічної точності. Розроблено методи адаптивної динамічної корекції по миттєвому значенню вихідного сигналу ПІП або темпу його зміни, при різних законах збурень по витраті, реалізовані на ЕОМ і що забезпечили підвищення швидкодії теплових витратомірів в 10-15 разів.

Удосконалення динамічних методів вимірювання включає дослідження можливості зменшення величин вимірюваних витрат газів, а також розширення динамічного діапазону вимірювання та створення методики визначення градуювальної характеристики розрахунковим шляхом. Критерієм оцінки ефективності вирішення поставлених завдань були метрологічні показники кращих зарубіжних теплових витратомірів газів.

Розроблено дослідний зразок парціального теплового витратоміра з мітками, структурна схема якого представлена на рис. 8.

Рисунок 8 - Структурна схема парціального витратоміра: 1 - корпус ПИП; 2 - вимірювальний (основний канал); 3 - обвідний канал; 4,5 - вимірювальний плівкові терморезистори ; 6,7 - компенсанційні плівкові терморезистори; 8 - нагрівач плівковий; 9 - вставка з набором діаграм; 10 - вимірювально перетворюючий блок ; 11 - ПЕОМ

Експериментальні дослідження парціального витратоміра показали, що його динамічний діапазон збільшився більш ніж у 7 разів, що забезпечило вимірювання витрати повітря в діапазоні 10-300 мл/с з наведеної похибкою, що не перевищує ± 1,2 %. Градуювальні характеристики парціального витратоміра при різних діафрагмах обвідного каналу показали для отворів діафрагми 6 мм витрати 140-320 мл/с при часу 580-980 мс , для 5 мм - 70-140 мл/с, а при закритому отворі 5-35 мл/с [4-6].

2.      Структурна схема


В даній курсовій роботі ми розробили ВПВ з тепловими мітками. Його структурна схема представлена на рис.9. При русі газу по трубопроводу, він нагрівається під дією вивільненої теплоти від нагрівача (який підключений до джерела живлення), проходить два терморезистори, які фіксують різницю фаз між температурами, а отже і струмами. Далі цей струм підсилюється і йде в мікроконтроллер, який дає команду на нагрів наступної мітки.

Рисунок 9 - Структурна схема ВПВ з тепловими мітками

де Qv - об’ємна витрата;- вивільнена теплота;

∆T - зміна температури;

∆R - зміна опору;- струм;

Кпід - коефіцієнт підсилення;

МК - мікроконтроллер

3.      Принципова схема


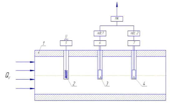
Принципова схема розробленого лічильника з тепловими міткам наведена на рис.10.

Рисунок 10 - Принципова схема: 1 - трубопровід; 2 - нагрівач; 3, 4 - терморезистори; 5 - джерело живлення нагрівача; 6, 7 - мостові схеми; підс.1, підс. 2 - підсилювачі 1 та 2 відповідно; МК - мікроконтроллер

4.      Розрахунки


Розрахуємо, який струм необхідно подавати на нагрівач.

Нагрівач, який складається з мідного дроту, ми будемо нагрівати електричним струмом. Тож, згідно закону Джоуля-Ленца:


де I - сила струму в мідному дроті, А;- опір мідного дроту;- час проходження струму.

Опір нагрівача обчислюється за формулою:


де ρм - питомий опір міді;нагр - довжина дроту нагрівача;нагр - площа поперечного перерізу дроту.



де c - питома теплоємність;- маса речовини;

∆T - різниця температур.

Прирівнюємо та :


Підставляємо:


Виражаємо струм:


Відповідно до табличних даних [7] та конструктивних міркувань, вихідні величини: lнагр =20 мм, ρм = 1,75*10-8 Ом/м, t =1 с, с = 2,2 кДж/(кг*с), m = 0,03 кг, ∆T = 2ºС. Підставляємо величини і отримуємо:



Отже, згідно з розрахунками, на нагрівач необхідно подавати струм величиною 5А, щоб нагріти мітку на 2ºС.

5.      Математична модель


Для визначення об’ємної витрати теплових витратомірів використовують формулу:


де Q - обємна витрата;- швидкість речовини;- площа поперечного перерізу;- коефіцієнт охолодження.

Відомо, що в разі круглого вимірювального каналу, площа розраховується за формулою:


де d - діаметр вимірювального каналу.

У розробленому витратомірі, термоперетворювач фіксує час приходу теплової мітки, і слугує для вимірювання різниці фаз ∆φ між температурами, а отже, і струмами в термоперетворювачах. Згідно з цього швидкість потоку визначається за формулою:


де ∆φ - різниця фаз між терморезисторами;н - частота струму.

Підставивши отримуємо:

Виразимо ∆φ:


Побудуємо статичну характеристику (рис.11). Згідно завдання на курсовий проект, Qmin=50 м3/год, Qmax=250м3/год.

Рисунок 11 - Статична характеристика

6.      Аналіз можливостей застосування комп’ютерного моделювання при проектуванні ВПВ з тепловими мітками


Всі знають, що проектування і виробництво нерозривно пов'язані між собою. Конструктор розробляє геометрію виробу, встановлює технічні вимоги і оформляє конструкторську документацію. Технолог забезпечує виготовлення виробу з урахуванням специфіки виробництва, техпроцесів, обладнання. Помилки або незаплановані зміни в конструкції вироби тягнуть за собою додаткові фінансові витрати, які призводять до подорожчання виробленої продукції і таким чином знижують її конкурентоспроможність. З вищесказаного випливає, що можна скоротити витрати на виробництво, лише застосовуючи сучасні засоби інформаційної підтримки життєвого циклу виробу на всіх етапах проектування і технологічної підготовки виробництва.

Допомогти в реалізації цього завдання повинні комплексні програмні рішення SolidWorks та ANSYS, що забезпечують наскрізне проектування і вихід на верстати з ЧПУ.

6.1.   Призначення програмного комплексу SolidWorks

- це не тільки CAD -, але і CAM - система.- це потужний засіб проектування, ядро інтегрованого комплексу автоматизації підприємства , яке дозволяє здійснювати підтримку виробу на всіх етапах його життєвого циклу в повній відповідності з концепцією CALS-технологій. Основне призначення SolidWorks - забезпечення наскрізного процесу проектування та підготовки виробництва виробів будь-якої складності і призначення [8].

Комплексні рішення SolidWorks базуються на передових технологіях гібридного параметричного моделювання, інтегрованих засобах електронного документообігу, а також на широкому спектрі спеціалізованих модулів, серед яких важливе місце займають програми для віртуального моделювання процесів механічної і електроерозійної обробки з виходом на ЧПУ. Багаторічна співпраця корпорації SolidWorks Corp з провідними виробниками програмного забезпечення для технологічної підготовки виробництва призвело до того, що в даний час спеціально для SolidWorks розроблено та сертифіковано 26 CAM- модулів, шість з яких мають статус Certified CAM Product (сертифікований CAM- продукт) і два - Certified Gold Product (сертифікований «золотий » продукт, який забезпечує вищу ступінь інтеграції з SolidWorks: роботу в одному вікні, єдину асоціативну геометричну модель). У Росії , СНД і країнах Балтії найбільшого поширення набули CAM -додатки CAMWorks і Mastercam - вони надають користувачам незалежний і інтегрований режими роботи з SolidWorks. Розглянемо основні завдання, які вирішуються в цих двох CAM -додатках, і зупинимося більш детально на технології розробки постпроцесорів .

7.      Опис інтелектуальної системи моделювання ВПВ та принципу дії


Виходячи з вихідних даних, ми змоделювали електромагнітний лічильник рідини, з прямокутним вимірювальним каналом, використовуючи програмне забезпечення Solid Works (рис. 12).

Рисунок 12 - Електромагнітний лічильник з прямокутним вимірювальним каналом змодельований в середовищі Solid Works

Даний лічильник складається з вимірюваного каналу, на якому закріплено нагрівач та два терморезистора, дроти виводяться в кришку, яка кріпиться до труби за допомогою гвинтів. До трубопроводу вимірювальний канал приєднується за допомогою фланців, які запресовуються на вимірювальний канал.

Вимірювальний канал та фланець виготовлені зі сталі марки 09Г2С.

Клас: Сталь конструкційна низьколегована для зварних конструкцій, марка сталі 09Г2С широко застосовується при виробництві труб і іншого металопрокату.

Використання в промисловості: різні деталі і елементи зварних металоконструкцій, які працюють при температурі від -70 до +425 ° С під тиском.

Розшифровка марки 09Г2С: Позначення 09Г2С означає, що в сталі присутня 0,09% вуглецю, оскільки далі йде буква «Г» яка означає марганець, а цифра 2 - процентний вміст до 2% марганцю. Далі буква «С», яка означає кремній, але оскільки після С цифри немає - це означає вміст кремнію менше 1%. Таким чином, розшифровка 09Г2С означає, що перед нами сталь має 0,09% вуглецю, до 2% марганцю, і менше 1% кремнію і оскільки загальна кількість добавок коливається в районі 2,5% то це низьколегована сталь [9].

 


Висновки


В даній курсовій роботі був проведений аналіз методів вимірювання витрати та огляд існуючих електромагнітних лічильників. Розроблений електромагнітний лічильник рідини з прямокутним каналом, для нього були побудовані функціональна та структурна схеми, розроблена математична модель лічильника. Зроблено аналіз метрологічних характеристик, досліджено вплив витрати на похибку. В результаті знайдені способи зменшення похибки, розширення діапазону вимірювань і підвищення завадостійкості електромагнітних витратомірів.

Виходячи з вихідних даних, був змодельований електромагнітний лічильник рідини, з прямокутним вимірювальним каналом, за допомогою програмного забезпечення Solid Works. Далі, ми дослідили модель в ANSYS, виходячи з вихідних даних. В результаті одержали розподіл тиску на стінках вимірювального каналу при русі рідини та розподіл швидкості рідини по перерізах каналу. Також були розраховані та побудовані: статична характеристика, втрати тиску та випадкові похибки вихідного сигналу в залежності від витрати.

 


Використана література


1.      Богословский С.В. Физические свойства газов и гидкостей. - СПб.: СПбГУАП, 2001. - 73 с.

.        ГОСТ 5542-87 Газы горючие природные для промышленного и коммунального-бытового назначения.

.        Кремлевский П.П. Расходомеры и счетчики количества: Справочник. - 4-е изд., перераб. и доп. - Л.: Машиностроение. Ленингр. Отд-ние, 1989. - 701 с.: ил.

.        Кремлевский П.П. Расходомеры и счетчики количества веществ: Справочник: Кн. 2 / Под общ. ред.. Е.А. Шорникова - 5-е изд., перераб. и доп. СПб.: Политехника, 2004. - 412 с.: ил.

.        Повх И.Л. Техническая гидромеханика. 2-е изд., доп. Л.: Машиностроение. Ленингр. Отд-ние, 1976. - 504 с. с ил.


Не нашли материал для своей работы?
Поможем написать уникальную работу
Без плагиата!
Без нейросетей!