Аналіз методів вимірювання витрати та огляд існуючих електромагнітних лічильників
Вступ
Як відомо, всього 3% запасу води
Землі придатні для застосування людиною. Світова спільнота вже протягом довгого
часу працює над проблемою водозбереження. Танення льодовиків та погіршення
екології загострюють питання прісної води, підіймаючи його значення в
глобальному масштабі. Важливість водозбереження неодноразово розглядалось і в
нашій країні. Верховна Рада України видає з цього приводу, чи не щороку,
постанови та укази. Їх рішення, в основному, відображаються на підвищенні
тарифів за водокористування.
Раціональне використання води
залежить від багатьох факторів, одним з яких є встановлення точного обладнання
обліку. Чим точніше лічильник зніматиме показання, тим економічно вигіднішим
він буде. Як показують дослідження, коли ведеться облік води, то користувачі
намагаються її більш бережно використовувати.
Розвиток світової економіки
ґрунтується на впровадженні останніх досягнень науки та техніки на виробництво,
розробці та серійному виробництві новітніх приладів та систем. Функціонування
будь-якої галузі, наприклад, енергетики, машинобудування, хімічної та харчової
промисловості, неможливе без використання точних та надійних лічильників.
Зниження похибки хоча б на 1% може забезпечити багатомільйонний економічних
ефект. Роль лічильників рідини ще більше зростає з необхідністю максимальної
економії ресурсів країни.
Для вимірювання витрат рідини
використовують різні методи та витратоміри: змінного перепаду тиску, обтікання,
вихорові, тахометричні, силові, акустичні, теплові, електромагнітні та ін.
Одними з найбільш точними та перспективними є електромагнітні лічильники,
оскільки вони мають ряд беззаперечних переваг: витрата визначається на основі
вимірювання середньої швидкості потоку; точність вимірів не залежить від
фізико-хімічних властивостей вимірюваного середовища; можливість вимірювання
дуже малих і великих витрат рідин; можливість застосування в трубах будь-якого
діаметру; необхідність у менших довжинах прямих ділянок труб; висока швидкодія;
можливість вимірювання агресивних, абразивних і в'язких рідин.
Але, є ряд недоліків самого методу
електромагнітного вимірювання витрати: величина ЕРС дуже залежить від
додаткових факторів; величина ЕРС становить мікровольт, тому легко піддається
шумам; вимірюються витрати тільки електропровідних середовищ.
1. Огляд та аналіз існуючих
лічильників та методів вимірювання витрати рідини
.1 Огляд існуючих лічильників
Точний облік витрати тепло- та
енергоресурсів стає все більш актуальним через неухильне зростання тарифів.
Зростаючі вимоги до точності вимірювань на вузлах комерційного обліку тягнуть
за собою заміну застарілих приладів на сучасні, що володіють комп'ютерним
інтерфейсом, зручні для монтажу і експлуатації.
На сьогоднішній день, ЕМ витратоміри
представлені на українському ринку, в основному, такими компаніями:
ENDRESS+Hauser, Krohne Messtechnik, Siemens, Tecfluid, Yokogawa, Взлет, ОТЕЛ,
Теплоком. Розглянемо детальніше характеристики їх останніх виробів.
ПРЕМ
Виробник - Теплоком. Країна виробник
- Росія.
ПРЕМ - це електромагнітний
витратомір (рис.1.1), призначений для вимірювання об'ємної витрати і об'єму
електропровідних рідин на водопроводах від Dу=20мм до Dу=150мм.
Рис. 1.1 - Електромагнітний
витратомір моделі «ПРЕМ»
Витратоміри ПРЕМ мають можливість
передавати результати вимірювань на зовнішні пристрої.
Загальні особливості ПРЕМ:
єдиний тип (модифікацій ПРЕМ не
існує);
три класи виконання з різними
динамічними діапазонами;
різні динамічні діапазони в прямому
і зворотному напрямках;
додатковий струмовий вихід або інтерфейс
RS 485;
число-імпульсні виходи мають кілька
режимів (реверсивний, з урахуванням напрямку потоку; компаратор; індикатор
помилки виміру), що настроюються при замовленні; за замовчуванням
встановлюється реверсивний режим.
Експлуатаційні характеристики:
перетворювачі ПРЕМ використовуються при вимірюванні витрати об'єму води й інших
однорідних рідин з питомою електропровідністю від 10-3 до 10 cм/м.
Прилади призначені для експлуатації
при впливі на них наступних зовнішніх факторів:
вимірюваного середовища,
неагресивним до матеріалу внутрішнього покриття труби - фторопласту Ф4 та
електродів - сталі 12Х18Н10Т;
температури вимірюваного середовища
в діапазоні від 0 до +150°C;
температури навколишнього середовища
від -10 до +50°С;
робочий тиск вимірюваного середовища
до 1,6 МПа;
живлення перетворювачів здійснюється
від джерела постійного струму з номінальною напругою 12В з потужністю 5 Вт;
мінімальна довжина прямих ділянок
трубопроводу до і після перетворювача - 2 Dу .
Вихідні сигнали:
один або два число-імпульсних
сигналу;
струмовий сигнал в діапазоні зміни
струму (4-20) мА, пропорційний измеренному витраті (за замовленням);
цифровий сигнал у стандарті
інтерфейсу RS485 або RS232 (за замовленням) [1].AXF
Виробник - Yokogawa. Країна виробник
- Японія.
Основні характеристики
електромагнітних витратомірів AXF (рис. 1.2)
Рис. 1.2 - Електромагнітний
витратомір моделі «ADMAG AXF»
Вимірюване середовище: рідина.
Параметри вимірюваного середовища:
мінімальна електропровідність: від 1
мкСм /см;
температура робочого середовища: -40
... 180 ° С (уточнюється при виборі футеровки);
температура навколишнього
середовища: -40 ... +60°С;
тиск: від -0,1 до 4 МПа надл.;
швидкість потоку: до 10 м/с.;
умовний прохід трубопроводу: 2,5 ...
400 мм.
Точність: стандартно ± 0,35 % від
показання, ± 0,2 % від показання як опція.
Вихідні сигнали:
від 3-х до 7-ми аналогових 4 ...
20мА і імпульсних виходів залежно від моделі;
цифровий зв'язок (HART);
індикатор: ЖК з підсвічуванням;
постійна часу демпфування: 0,1 . ..
200 с;
живлення: 80 ... 264 В/50 Гц або 24
В;
температура навколишнього
середовища: -40 ... +60 ° С;
Монтаж: фланцевий; безфланцева (типу
"сендвіч"), санітарне виконання. Міжповірочний інтервал 5 років
[1].FX
Виробник - Tecfluid. Країна виробник
- Іспанія.
Електромагнітний витратомір FLOMID
FX (рис. 1.3) може поставлятися в двох виконаннях:
компактна - датчики і електроніка
складають єдиний блок;
роздільна - датчики і електронний
пристрій розділені, з'єднуються кабелем.
Рис. 1.3 - Електромагнітний
витратомір моделі «FLOMID FX»
Витратомір має різні варіанти
перехідників для трубопроводу:
фланці згідно EN 1092-1, ANSI, JIS і
т. д.;
меж флан.: Для фланців EN 1092-1,
ANSI , JIS і т. д.;
санітарне виконання: різьба DIN
11851, ISO 2852 Clamp, різьба SMS 1145;
санітарне зварювання: стандарти DIN
11850 , ISO 2037.
Електромагнітний витратомір може
монтуватися в будь-якому положенні, за умови, що труба завжди заповнена.
Витратомір має низьке споживання енергії, і свідчення не залежать від густини,
температури, в'язкості і тиску. Відсутність загороджувальних елементів дає
нульову втрату тиску і дозволяє проходити сухим речовинам. Електромагнітний
витратомір серії FLOMID не має рухомих частин і, таким чином, відпадає потреба
в регулярному технічному обслуговуванні. Вимірювання витрати не залежить від
профілю потоку.
Технічні характеристики:
л/год ... 7000м3/час, вода;
фланці: DN3 ... DN500, інші - за
запитом:
точність: ± 0,5%;
корпус: EN 1.4404 (AISI 316L);
трубка: PP, PVDF, Ebonite, PTFE;
електроди: Hastelloy C, EN 1.4404,
Zr, Ti, Tantalum;
виходи: 4-20 мА / 0 ... 1000Гц,
індикатор протоки Функція дозування обсягу [1].MAG 5100 W Siemens SITRANS FM
Магнітно-індуктивний витратомір
(рис. 1.4) призначений для застосування в галузі вимірювання витрати грунтових
вод, питної води, стічних вод, забрудненої води та суспензій. Витратомір має
високу зносостійкість, збільшений параметр точності вимірювання, здатний
працювати при закопуванні в грунт і при повному затопленні приладу.
Рис. 1.4 - Електромагнітний
витратомір моделі «MAGFLO MAG 5100 W Siemens SITRANS FM»
Функціональні особливості
витратоміра:
поставляється з сполучними фланцями
по EN 1092-1 (DIN 2501), ANSI, AWWA і AS;
гарантія точності на всьому
діапазоні температур і тиску завдяки обшивці з жорсткого еластоміру;
висока зносостійкість завдяки м'якій
обшивці, тому ущільнення не вимагаються;
високоякісні вбудовані електроди
заземлення та вимірювальні електроди;
збільшена точність при невеликій
витраті для визначення витоків завдяки конічної конструкції обшивки.
Технічні параметри:
діаметр DN=25...40, DN=50...300;
DN=350...1200;
частота збудження 12,5 Гц;
фланець: EN 1092-1, стандарт PN 40,
50...150 мм, PN 16 200...300 мм, PN 10;
роздільний вимірювальний
перетворювач -40 ... +100°C;
компактний вимірювальний
перетворювач MAG 5000/6000 -20 ... +50 ° C;
робочий тиск 0,01 ... 40 бар, 0,03
... 20 бар, 0,01 ... 16 бар;
падіння тиску при 3 м/сек [1].3000
Виробник - Krohne Messtechnik. Країна
виробник - Німеччина.
Конструкція ЕМВ (рис. 1.5.):
цілісний зварний нерозбірний корпус, який не потребує обслуговування.
Рис. 1.5 - Електромагнітний
витратомір моделі «Waterflux 3000»
Умовні діаметри: DN 25 ÷
600.
Межі вимірювань приладу:
у порожнині трубопроводу: - 9 ÷
+9 м / сек;
у порожнині датчика: - 18 ÷
+18 м / сек.
Вимірювана середовище: вода.
Температура вимірюваного середовища:
20 º С / 68 º
F.
Пряма ділянка на вході приладу: 5
DN.
Робочий тиск: 1 бар.
Умови експлуатації:
температура навколишнього середовища
-40 ... +65 ° C;
температура зберігання -50 ... +70 °
C ;
номінальний тиск для фланців до 16
бар [1].
ВР-1
Виробник - ОТЕЛ. Країна виробник -
Україна.
Область застосування лічильника
(рис. 1.6) - промисловий. Тип лічильника - електронний. Вид водо лічильника:
електромагнітний. Кількість обслуговуваних трубопроводів: одноканальний. ВР- 1
застосовується для вимірювання витрати і об'єму води, молока, пива, розчинів
кислот, лугів тощо.
Рис. 1.6 - Електромагнітний
витратомір моделі «ВР-1»
Технічні характеристики:
номінальний діаметр DN , мм: 10, 20,
32, 40, 65, 80, 100, 125, 150;
відносна похибка: + 0,4 % , + 1,0 %;
виходи: струмовий, частотний /
імпульсний, RS485, дозування;
архів даних і подій;
живлення: 220 В , 50 Гц;
споживана потужність, Вт: не більше
- 20 [1].
Лайт М
Виробник - ВЗЛЕТ. Країна виробник -
Росія.
Витратомір - лічильник
електромагнітний ВЗЛЕТ (Лайт М) (рис. 1.7) призначені для вимірювання витрати і
об'єму гарячої та холодної води. Прості в експлуатації і надійні.
Рис. 1.7 - Електромагнітний
витратомір моделі «Лайт М»
Виконання вимірювального блоку:
ЕРСВ - 4х0х В - без індикатора;
ЕРСВ - 5х0х В - з індикатором.
Тип приєднання:
ЕРСВ - хх0Л В - «сендвіч» (від Dy 20
до Dy 150);
ЕРСВ - хх0Ф В - фланцеве (від Dy20
до Dy300).
Відмінні особливості:
повнопрохідні витратоміри без втрат
тиску на вимірювальній ділянці;
не потрібна установка фільтру;
висновок інформації на два універсальних
виходи з можливістю вибору режиму роботи (імпульсного, частотного або
логічного);
контроль спустошення трубопроводу;
вимірювання витрати і об'єму
реверсивного потоку (за замовленням);
короткі прямолінійні ділянки до і
після витратоміра;
ступінь захисту IP65;
похибка 1 % в діапазоні 1:100 (за
замовленням).
Виведення інформації:
на символьний рідкокристалічний
індикатор (тільки для виконань ЕРСВ - 5х0х хх);
у вигляді імпульсів з нормованим
вагою і логічного сигналу напрямку потоку;
по послідовному інтерфейсу RS- 485 (
за замовленням) [1].50H
Виробник - Endress + Hauser.
Технічні характеристики витратоміра
(рис. 1.8):
діаметр: DN 2 ... 100;
діапазон вимірювання: 0 ... 282
м3/год;
робоча температура: -20 ... +150°C;
Діапазон робочого тиску: PN16 ...
40;
похибка вимірювання ± 0.5% ± 0.2%;
вихідні сигнали: 4 ... 20 мА
Імпульсний / Частотний [1].
Рис. 1.8 - Електромагнітний
витратомір моделі «Promag 50H»
1.2 Огляд методів вимірювання
витрати рідини
Технічні пристрої, призначені для
вимірювання масової або об'ємної витрати, називають витратомірами. При цьому
залежно від того, для вимірювання якого (об'ємного або масового) витрати
призначені витратоміри, їх поділяють на об'ємні і масові.
Існує багато різних ознак, за якими можна
класифікувати витратоміри (наприклад, по точності, діапазонами вимірювань, типу
вихідного сигналу і т. п.). Однак найбільш загальною є класифікація за
принципами вимірювань, по тих фізичних явищ, за допомогою яких вимірювана
величина перетворюється у вихідний сигнал первинного перетворювача витратоміра.
На практиці, найбільшого поширення
набули наступні методи вимірювання витрати:
метод змінного перепаду тиску;
витратоміри обтікання;
вихоровий метод;
тахометричний метод;
силові витратоміри;
акустичний метод;
теплові витратоміри;
електромагнітні витратоміри.
Ці витратоміри випускаються серійно
і знаходять застосування практично у всіх галузях народного господарства.
Витратоміри інших груп використовуються поки, в основному, для вирішення
спеціальних вимірювальних завдань (при наукових дослідженнях, в медицині,
кріогеніка, при вимірах агресивних і токсичних середовищ і т. п.),
виготовляються одиничними екземплярами або малими партіями і є на сьогоднішній
день нестандартизованих засобів вимірювань.
Метод змінного перепаду тиску
Найбільшого поширення серед методів
вимірювання витрати отримав метод змінного перепаду тиску (або дросельний
метод). Даний метод вимірювання застосовують для вимірювання витрати рідких і
газоподібних середовищ, що протікають по трубопроводу круглого перерізу
діаметром від 50 мм до 1000 мм за умови повного заповнення перерізу вимірюваним
середовищем постійної в'язкості і щільності. Метод змінного перепаду тиску один
з найбільш старих і найбільш вивчених методів вимірювання витрати рідких і
газоподібних середовищ.
Залежно від конструкції і принципу
дії первинного перетворювача виділяють кілька видів вимірювань (рис. 1.9), але
в основі кожного з них лежить залежність перепаду тиску, який створюється
первинним перетворювачем від витрати протікаючої рідини. Найбільшого поширення
набули засоби вимірювання, що отримали назву «діафрагми».
Рис. 1.9 - Лічильники змінного
перепаду тиску
Перевагами даного методу вимірювання
є порівняльна простота і компактність вимірювальних пристроїв; точність
вимірювання фізичної величини; висока стабільність вимірювання; висока
надійність роботи; невисокі вимоги до довжин прямолінійних ділянок; можливість
дистанційної передачі даних. Це, а також можливість непрямого (косвенного)
градуювання та повірки стандартизованих первинних перетворювачів - звужуючих
пристроїв, що реалізують метод, їх простота і надійність, серійність випуску
вторинних перетворювачів - дифманометрів обумовлює його надзвичайно широке
(порівняно з іншими) використання на практиці промислових вимірювань витрати.
Недоліки: вплив точності установки
пристрою звуження на якість вимірювання; необхідність періодичної ревізії
пристроїв звуження потоку; необхідність введення поправок на температуру і тиск
вимірюваного середовища; втрати тиску в водоводі в силу конструктивних
особливостей первинного перетворювача; відносно короткий міжповірочний
інтервал; невеликий діапазон виміру. І разом з тим в основі цього чисто
гідродинамічного методу лежать настільки складні фізичні процеси деформації
потоків, настільки велике число неконтрольованих факторів впливає на характер
цих процесів, що застосування його в даний час обмежене областями, де потрібна
дуже низька точність вимірювань, хоча можливості його «метрологічного вдосконалення»
далеко не вичерпані.
Похибка: ± 1% - ± 3% [2-4].
Витратоміри обтікання
Витратомірами обтікання називаються
прилади, чутливий елемент яких сприймає динамічний тиск потоку і переміщається
під його впливом, причому величина переміщення залежить від витрати. У
більшості витратомірів тіло обтікання (поплавок, диск, поршень) переміщається
прямолінійно, зазвичай вздовж своєї вертикальної осі. Але є група приладів, в
яких тіло обтікання (лопать, диск) повертається навколо осі підвісу.
Витратоміри обтікання складаються з наступних трьох груп.
. Витратоміри постійного перепаду
тиску, у яких тіло обтікання переміщається вертикально, а протидіюча сила
створюється вагою тіла.
. Витратоміри із змінним перепадом
тиску, в яких у більшості випадків є протидіюча пружина і крім вертикальної
може бути й інша траєкторія переміщення тіла обтікання.
. Витратоміри з поворотною лопаттю.
Протидіюча сила в них створюється не тільки вагою тіла, але в багатьох випадках
ще й пружиною. Крім того, є компенсаційні витратоміри з поворотною лопаттю, в
яких протидіюча сила створюється стороннім джерелом енергії.
Класифікація витратомірів обтікання
наведена на рис.1.10.
До переваг слід віднести: простота
пристрою і експлуатації; наочність показань; надійність у роботі; зручність
використання для вимірювання малих витрат різних рідин і газів (зокрема,
агресивних), а також неньютонових середовищ; значний діапазон вимірювання і
досить рівномірна шкала; порівняно невеликі втрати напору, які мало залежать
від витрати; для виготовлення не потрібні складні технології або дорогі
матеріали, що забезпечує широке їх поширення; легкість переходу на іншу межу
вимірювання за допомогою зміни маси вантажу, що діє на поршень; а також
можливість вимірювання речовин з механічними домішками.
Рис. 1.10 - Класифікація
витратомірів обтікання
Недоліки: непридатність для
вимірювання витрати речовин, що мають значний тиск; зв'язаність приладу з
місцем вимірювання; тільки вказівний характер приладу (відсутність запису і
дистанційної передачі показань); непридатність для вимірювання великих витрат;
необхідність індивідуального градуювання на реальних робочих середовищах і
суттєві втрати точності при вимірюванні інших середовищ, відмінних від тих, на
яких здійснювалось градуювання; вимагають точної установки по вертикалі
(відхилення на 1о-3о призводить до істотних додаткових похибок); висота підйому
поплавка-індикатора залежить від густини і, загальному випадку, в'язкості
протікаючої речовини; показання витратоміра зазвичай зчитуються оператором
візуально, що ускладнює їх використання в автоматизованих системах.
Більшість з перерахованих недоліків
можуть бути усунені у разі виготовлення конусної трубки з металу і використанні
дистанційної передачі. Але при цьому втрачаються простота пристрою і наочність
показань, а також різко скорочується хід поплавця [2-4].
Вихоровий метод
Вихоровими називаються витратоміри,
засновані на залежності від витрати частоти коливань тиску, що виникають у
потоці в процесі вихроутворення або коливання потоку. Вони поділяються на три
групи, істотно відмінні одна від одної (рис.1.11).
Рис. 1.11 - Класифікація вихорових
витратомірів
. Витратоміри, що мають у первинному
перетворювачі нерухоме тіло, при обтіканні якого з обох його сторін поперемінно
виникають зриваючі вихори, що створюють пульсації тиску.
. Витратоміри, в первинному
перетворювачі яких потік закручується і, потрапляючи потім у розширену частину
труби, прецисує, створюючи при цьому пульсації тиску.
. Витратоміри, в первинному
перетворювачі яких струмінь, що випливає з отвору, здійснює автоколивання,
створюючи при цьому пульсації тиску.
Вихоровий метод досить перспективний
метод вимірювання витрати рідин і газів з широким діапазоном зміни
фізико-хімічних властивостей.
Перевагами є: відсутність рухомих
частин; простота і надійність перетворювача витрати; незалежність показань від
тиску і температури; великий діапазон вимірювання; лінійність шкали; хороша
точність; частотний вимірювальний сигнал; стабільність показань; порівняно не
складна вимірювальна схема; можливість отримання універсального градуювання.
До недоліків вихорових витратомірів
відносяться: значна втрата тиску, що досягає 30-50 кПа; деякі обмеження
можливості їх застосування: вони непридатні при малих швидкостях, і
виготовляються лише для труб, що мають діаметри від 25 до 150-300 мм; вони не
застосовуються також при Re <103 ÷ 104. Багато
конструкцій вихрових витратомірів непридатні для вимірювання забруднених і
агресивних речовин, що можуть порушити роботу перетворювачів вихідного сигналу.
Але на процесі вихроутворення забруднення, корозія і ерозія тіла обтікання або
закручування апарату практично позначаються дуже мало (на відміну, наприклад,
від звужуючих пристроїв). Тому при виборі перетворювача вихідного сигналу
(наприклад, ультразвукового) вихрові витратоміри можуть служити і для
вимірювання забруднених, агресивних і абразивних речовин.
Похибка: ± 0,5-1,5% [2-4].
Тахометричними метод
Тахометричними метод є на
сьогоднішній день одним з найбільш точних методів вимірювання об'ємної витрати
рідин і газів. Тахометричними називаються витратоміри і лічильники, що мають
рухомий, зазвичай обертовий елемент, швидкість руху якого пропорційна об'ємній
витраті. Вони поділяються на турбінні, кулькові, роторно-кульові та камерні
(рис.1.12.). Принцип дії заснований на вимірюванні швидкості рухомого елемента,
який обертається під впливом протікання рідини. Найбільш доступне за вартістю
обладнання, але має цілий ряд обмежень до застосування.
Рис. 1.12 - Класифікація
тахометричних витратомірів
Переваги: первинний перетворювач
витрати не потребує живлення, працює автономно; прості в обслуговуванні і
ремонті; невисокі вимоги до довжин прямолінійних ділянок; відносно великий
міжповірочний інтервал (до 6 років); володіють високою точністю (відомі
витратоміри з наведеною основною похибкою 0,1 - 0,2%) і великими межами
вимірювань для однієї модифікації (10:1 і більше); можливістю вимірювання як
малих (від 5∙10-9 м3/с), так і великих (до 1 м3/с) значень витрати;
широкий діапазон тисків (до 250 МПа) і температур (від -240 до +700о С); мала
інерційність.
І незважаючи на це, дані витратоміри
не знайшли ще настільки широкого застосування, як вони того заслуговують. Це
обумовлюється наступними недоліками: необхідністю індивідуального градуювання;
впливом зміни в'язкості вимірюваного середовища і гідродинамічних параметрів
потоку на показання приладів; рухомі елементи конструкції вимогливі до якості
протікаючої рідини - тільки чиста вода; зношення опор, що різко скорочує термін
служби приладів (особливо при вимірюванні газових потоків, агресивних і
абразивних середовищ) і призводить до зниження їх точності в процесі
експлуатації.
Похибка: ± 0,1% - ± 5% [2-4].
Силові витратоміри
Силовими називаються витратоміри, в
яких за допомогою силового впливу, залежного від масової витрати, потоку
повідомляється прискорення того чи іншого роду, і вимірюється який небудь
параметр, що характеризує ступінь цього впливу або його ефекту.
Прискорення потоку виникає в процесі
зміни його первісного руху. Залежно від характеру цієї зміни і отриманого при
цьому прискорення силові витратоміри поділяються на: 1) коріолісові, 2)
гіроскопічні; 3) турбосилові; 4) перепадо-силові (рис. 1.13).
Так само виділяють вібраційні
витратоміри. Вібраційними називаються коріолісові або гіроскопічні витратоміри,
в яких рухомий елемент перетворювача витрати не обертається, а лише робить
безперервні коливання з постійною або періодично затухаючої амплітудою під
впливом зовнішнього силового впливу. Силовий вплив може бути зовнішнім і
внутрішнім.
Рис. 1.13 - Класифікація силових
витратомірів
Вимірювання масової витрати -
основна і досить істотна їх перевага. Крім того, вони придатні для вимірювання
середнього значення пульсуючих витрат, повністю не залежать від в'язкості
вимірюваного середовища, а їх покази порівняно мало залежать від профілю
швидкості, завдяки чому не потрібно значних прямих ділянок після більшості
місцевих опорів, за винятком подвійного коліна, що створює гвинтовий рух
потоку.
Недоліки силових витратомірів:
складність конструкції їх перетворювачів витрати і велике число обертових
елементів усередині трубопроводу; складні в експлуатації; вимагають спеціальних
обертових ущільнювальних пристроїв і великої потужності приводного механізму;
відносно невисока точність (пояснюється великими температурними впливами на
жорсткість пружних елементів, їх гістерезисом і післядією, а також труднощами
підтримання постійного числа обертів привідного механізму при коливаннях
витрати).
Деякі недоліки відсутні у
вібраційних витратомірів (в яких обертальний рух ділянки трубопроводу
замінюється коливальним) проте точність вібраційних витратомірів виходить
меншою [2-4].
Акустичний метод
Акустичними називаються витратоміри,
засновані на вимірюванні залежного від витрати того чи іншого ефекту, що
виникає при проході акустичних коливань через потік рідини або газу. Майже всі
застосовувані на практиці акустичні витратоміри працюють в ультразвуковому
діапазоні частот і тому називаються ультразвуковими (рис. 1.14.).
Рис. 1.14 - Класифікація
ультразвукових витратомірів
Основні труднощі практичного
використання акустичних методів вимірювання витрати пов'язані з тим, що,
по-перше, швидкість поширення звуку залежить від фізико-хімічних властивостей
вимірюваного середовища і, по-друге, вона незрівнянно більше швидкості руху
цього середовища. Відмічені обставини обумовлюють необхідність застосування в
ультразвукових витратомірах спеціальних методів і засобів компенсації впливів
властивостей середовища і диференціальних схем вимірювання, що призводить до
великої складності вимірювальної апаратури.
Незважаючи на це, ультразвукові
витратоміри все більш широко застосовують в нафтохімічній, харчовій та інших
галузях промисловості, при гідравлічних дослідженнях і випробуваннях
гідромашин.
Перевагами ультразвукових
витратомірів є: мала або повна відсутність гідравлічного опору; придатні для
труб будь-якого діаметру (від 10 мм і більше); надійність (бо немає рухомих
механічних елементів); перешкодозахищеність; можливість безконтактного
вимірювання будь-яких середовищ, в тому числі і неелектропровідних; принципова
можливість вимірювання масової витрати рідин і газів; досить висока точність
приладів при їх індивідуальній градуюванні і використання спеціальних засобів
автокомпенсації найбільш істотних перешкод (відомі ультразвукові витратоміри,
основна похибка яких не перевищує 0,3% верхньої межі вимірювань); надвисока
швидкодія (до десятих часток мілісекунди) і внаслідок цього можливість
використання їх у системах «статистичних вимірювань» витрати.
Похибки ультразвукових витратомірів,
зумовлені асиметрією акустичних каналів, акустичними наведеннями в стінках
перетворювача, реверберацией (багаторазовим відображенням) звукової хвилі,
зводяться нанівець правильним вибором конструктивно-схемних рішень (наприклад,
вибором одноканальних схем, відповідних матеріалів і форми каналу
перетворювача, застосуванням різних компенсуючих пристроїв, оптимальної
швидкості ультразвуку і т. п.). Однак одну з найбільш істотних методичних
похибок, притаманну всім описаним акустичним методам, компенсувати до цих пір
не вдається. Ця похибка пов'язана з тим, що ультразвуковий витратомір вимірює
швидкість руху середовища, осредненную по довжині шляху, який проходить
ультразвуковий промінь від випромінювача до приймача. У той же час для
отримання об'ємної витрати потрібно осреднение за площею каналу перетворювача.
Збіг результатів має місце тільки для повністю симетричного розподілу швидкостей
потоку в каналі прямокутного перерізу, витягнутого перпендикулярно до напрямку
променя.
Похибка: 0,1 - 2,5% [2-4].
Теплові методи
Тепловими називаються витратоміри,
засновані на вимірюванні залежного від витрати ефекту теплового впливу на потік
або тіло, яке контактує з потоком. Вони служать для вимірювання витрати газу і
рідше для вимірювання витрати рідини.
Існує багато різновидів теплових
витратомірів, які відрізняються способом нагріву, розташуванням нагрівача
(зовні або всередині трубопроводу) і характером функціональної залежності між
витратою і вимірюваним сигналом. Основний спосіб нагрівання -
електрично-омічний. Індуктивний нагрів майже не застосовується на практиці.
Крім того, в деяких випадках знаходить застосування нагрівання за допомогою електромагнітного
поля і за допомогою рідинного теплоносія. При електрично-омічному нагріванні у
калориметричних нагрівач розташований всередині, а у термоконвективних - зовні
труби. Класифікація наведена на рис. 1.15.
Рис. 1.15 - Класифікація теплових
витратомірів
Калориметричні і термоконвективні
витратоміри вимірюють масову витрату за умови незмінності теплоємності
вимірюваної речовини, що є їх перевагою. Інша перевага термоконвективних
витратомірів - відсутність контакту з вимірюваною речовиною.
Недоліками їх є: велика
інерційність; складність вимірювальної схеми; нестабільність характеристик,
пов'язана з корозією приймальних пристроїв і осадженням на них різних частинок,
які переносяться потоком; вплив на їх покази температури, тиску і різних
теплофізичних параметрів потоку.
У зв'язку з дуже малими габаритними
розмірами дані прилади отримали переважне поширення в
лабораторно-експериментальної практиці при вимірюванні швидкості в найтонших
пристінних шарах і плівках.
Похибка: 0,3-3% [2-4].
Електромагнітний метод
Основний принцип дії
електромагнітних витратомірів ґрунтується на явищі електромагнітної індукції:
при русі провідника в магнітному полі в ньому наводиться електрорушійна сила
(ЕРС), пропорційна магнітній індукції і швидкості провідника. Таким чином,
електромагнітний витратомір являє собою невеликий гідродинамічний генератор
змінного струму, що виробляє ЕРС, пропорційну середньої швидкості потоку, а
отже, і витраті рідини.
Похибка в основному визначається
коефіцієнтом пропорційності (який визначають в процесі калібрування
електромагнітних витратомірів) і точністю вимірювання різниці потенціалів.
Переваги електромагнітних
витратомірів:
найважливіша перевага
електромагнітного витратоміра - витрата визначається на основі результатів
вимірювання середньої швидкості потоку в поперечному перерізі трубопроводу, яка
не залежить від змін густини й в'язкості рідини під впливом температури (тобто
універсальність електромагнітного методу вимірювання обумовлюється широкими функціональними
можливостями, оскільки точність вимірів не залежить від фізико-хімічних
властивостей вимірюваного середовища);
безконтактність вимірювань, і
внаслідок цього відсутність спотворень реальної картини перебігу;
мала інерційність, а отже,
можливість вимірювання миттєвих значень швидкозмінних і пульсуючих витрат;
можливість вимірювання дуже малих
(до 3∙10-9 м3/с) витрат (наприклад, витрати крові по кровоносних судинах)
і великих витрат рідин (3 м3/с);
висока надійність первинного
перетворювача;
можливість застосування в трубах
будь-якого діаметру без обмеження верхньої межі по витраті;
відсутність втрати тиску потоку і
рухомих частин (датчик витрати (чутливий елемент), практично без інерційний,
перебуває поза середовищем, що рухається, і, таким чином, не створює втрати
тиску);
лінійність шкали;
необхідність у менших довжинах
прямих ділянок труб, ніж у інших витратомірів;
висока швидкодія;
можливість вимірювання агресивних,
абразивних і в'язких рідин;
вимірювання майже не залежить від
фізичних характеристик потоку. При осесиметричному потоці покази
електромагнітного витратоміра при одній і тій ж витраті будуть однакові як при
турбулентному, так і при ламінарному режимах. При порушенні осьової симетрії
потоку з'являється вплив деформації поля швидкостей на показання
електромагнітних витратомірів, хоча і в меншій мірі, ніж у витратомірів з
пристроями звуження потоку.
Якщо канал перетворювача витрати
робити не круглим, а прямокутним, і мати електроди у вигляді прямокутних
пластин, рівних за шириною бічним стінкам каналу, паралельних магнітному полю,
то ніяка деформація потоку не буде відображатися на показах витратоміра
внаслідок усередненої дії пластинчастих електродів. Крім того, зміною
співвідношення сторін прямокутного каналу при одній і тій же площі прохідного
перетину і однієї і тієї ж магніторушійної сили електромагніту можна збільшити
індукцію поля за рахунок зменшення міжсталевого зазору магнітної системи.
Витратоміри з прямокутним каналом доцільні для контрольних та зразкових
приладів, від яких потрібна підвищена точність вимірювання.
Незважаючи на ряд позитивних
якостей, є ряд недоліків самого методу електромагнітного вимірювання витрати:
величина ЕРС дуже залежить від
додаткових факторів (зміна електромагнітних характеристик поверхні труби,
випадання осаду, і т.п.) У процесі експлуатації можливе зменшення прохідного
перетину трубопроводу осадами, що випадають з рідини. При цьому іноді
відбувається смолоутворення і карамелізація стінок труби. Підбором вхідного
опору вимірювальної ланцюга можна значною мірою послабити вплив осаду на
показання приладу. Доцільно також перетворювач витрати встановлювати на
вертикальній ділянці трубопроводу. Це перешкоджатиме нерівномірного випадання
осаду;
величина ЕРС становить мікровольт,
тому легко піддається шумам;
вимірюються витрати тільки
електропровідних середовищ. Непридатні для вимірювання витрати газу і пари, а
також рідин діелектриків (спирти і нафтопродукти). Вони придатні для
вимірювання витрати рідини, у яких питома електрична провідність не менше 10-3
См/м.
Дані особливості забезпечили
електромагнітним витратомірів широке поширення у всіх сферах життєдіяльності.
Крім вимірювання витрати різних рідин і пульп з іонною провідністю, а також
витрати розплавлених металів електромагнітний метод застосовується для вимірювання
витрати крові у медичній і фізіологічної практиці, а також для вимірювання
швидкості морських течій і води у відкритих руслах.
При вимірюванні витрати розплавлених
металів застосовується постійне магнітне поле (рис.1.16). При вимірюванні ж
витрати звичайних рідин з іонною провідністю щоб уникнути поляризації
електродів застосовують змінне магнітне поле, створюване електромагнітами. Але
в останні роки все ширше застосовується змінне поле низької частоти і особливої
форми [2-4].
Рис. 1.16 - Класифікація
електромагнітних витратомірів
Природно, наведена класифікація, не
повна і невичерпна, оскільки з кожним роком з'являються нові методи і засоби
вимірювань витрати. Але, проаналізувавши найбільш використовувані методи,
робимо висновок, що електромагнітний метод є одним з найперспективніших завдяки
своїм високим метрологічним характеристикам.
2. Аналіз властивостей
вимірювального середовища
Вода, Н2O - хімічна речовина у
вигляді прозорої безбарвної рідини без запаху і смаку, (в нормальних умовах). В
природі існує у трьох агрегатних станах - твердому (лід), рідкому (вода) і
газоподібному (водяна пара). Молекула води складається з одного атома Оксигену
і двох атомів Гідрогену [5]. Основні фізичні константи води наведені в табл.
2.1.
Таблиця 2.1 - Найважливіші фізичні
константи води
|
Показник
|
Константа
|
|
Густина:вода (0° С)
|
999 кг/м3
|
|
Температура плавлення
|
0° С
|
|
Температура кипіння
|
100° С
|
|
Питома теплота плавлення
|
3,18 · 105Дж/кг
|
|
Питома теплота пароутворення (100° С)
|
2,26 · 106 Дж/кг
|
|
Питома теплоємність (20° С)
|
4182 Дж/(кг·К)
|
|
Показник заломлення (20° С)
|
1,333
|
|
Діелектрична проникність (20° С)
|
81
|
|
Швидкість звуку (20° С)
|
1483м/с
|
Густина води при охолодженні зростає
подібно до інших рідин, але тільки до температури +4,0° С. При температурі
+3,98° С спостерігається максимум густини води (1000 кг/м3) і в процесі
подальшого охолодження до точки замерзання густина води зменшується. У рідкому
стані вода практично не стискається, при замерзанні розширюється на 1/11 від
свого об'єму.
Стисливість води незначна і
характеризується коефіцієнтом стисливості β
= (2,7-5) 10-5 Па. В'язкість води характеризує
внутрішній опір частинок рідини її руху, кількісно вона виражається
коефіцієнтами динамічної і кінематичної в'язкості.
Електропровідність підземних вод
залежить від кількості розчинених у них солей. Прісні води володіють незначною
електропровідністю. Дистильована вода є ізолятором. Електропровідність води
оцінюють за питомою електричному опору, яке виражається в Ом.м і змінюється від
0,02 до 1,0 Ом.м.
Радіоактивність води визначається
вмістом у ній радону, еманації радію. За рідкісним винятком підземні води в тій
чи іншій мірі радіоактивні [6].
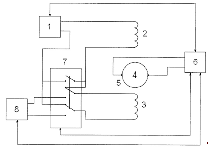
3. Розробка структурної та
функціональної схем ВПВ
Переглянувши та проаналізувавши
методи вимірювання витрат води, визначили, що ЕМ лічильники задовольняють
сучасним вимогам приладобудування, оскільки мають досить високі метрологічні
властивості. Електромагнітні лічильники мають низьку похибку, великий діапазон
витрат, практично не мають обмежень по температурі та властивостям вимірюваної
речовини.
Структурна схема лічильника наведена
на рис.3.1. При русі рідини через трубопровід в магнітному полі, в ньому
наводиться ЕРС, значення якої підсилюється, фільтрується і передається на
вимірювально-обчислювальний блок.
Рис. 3.1 - Структурна схема
електромагнітного лічильника рідини
де Q - об’ємна витрата;поп - площа
поперечного перерізу труби;- швидкість течії рідини;
Н - магнітне поле;
μ - магнітна
проникність;
В - магнітна індукція;
Ф - магнітний потік;
ВП - вимірювальний перетворювач;
Е - електрорушійна сила;
Кпід - коефіцієнт підсилення;ж -
напруга живлення;
Ф - фільтр;
МК - мікроконтроллер;
ПІ - пристрій індикації;
Кл - клавіатура.
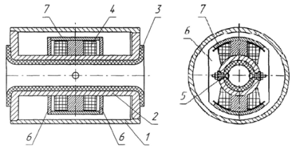
Принцип роботи ЕМ лічильника
показано на рис. 3.2.
Рис. 3.2 - Принципова схема ЕМ
лічильника з прямокутним каналом: 1 - вимірювальний канал; 2 - електромагніт; 3
- електроди; 4 - вимірювально-обчислювальний блок
Електромагніт 2 - пристрій, що
створює магнітне поле при проходженні електричного струму. Звичайно
електромагніт складається з обмотки і феромагнітного осердя, який набуває
властивостей магніту при проходженні по обмотці струму. У електромагнітах,
призначених, перш за все, для створення механічного зусилля також присутній
якір (рухома частина магнітопроводу), що передає зусилля.
Обмотки електромагнітів виготовляють
з ізольованого алюмінієвого або мідного дроту, хоча є і надпровідні
електромагніти. Магнітопроводи виготовляють з магнітом'яких матеріалів -
звичайно з електротехнічної або якісної конструкційної сталі, литої сталі і
чавуну, залізонікельових і залізокобальтових сплавів. Для зниження втрат на
вихрові струми магнітопроводи виконують з набору листів (шихта).
Електромагніти змінного струму. У
цих магнітах живлення обмотки здійснюється від джерела змінного струму, а
магнітний потік періодично змінюється по величині і напряму, внаслідок чого
сила тяжіння пульсує від нуля до максимального значення з подвоєною частотою по
відношенню до частоти струму живлення.
4. Розробка математичної моделі
В основу роботи ЕМВПВР
покладений закон електромагнітної індукції М. Фарадея [8-11], відповідно до
якого зміна повного магнітного потоку
породжує у провіднику індукційну
електрорушійну силу (ЕРС)
,
пропорційну йому:
. (4.1)
При русі провідника у
магнітному полі мають місце такі явища:
індукуються електричні
струми;
з’являється індуковане
магнітне поле, пов’язане з цими струмами, що обурює початкове магнітне поле;
внаслідок взаємодії струмів і
поля з’являється електромагнітна сила, яка зумовлює початковий рух провідника.
Таким чином, ЕРС виникає
незалежно від причини зміни магнітного потоку - як від зміни самого поля, так і
від руху провідника.
Колін і Тюрлеман показали
вперше, що сигнал ЕМ ВПВР (різниця потенціалів між електродами) залежить від
інтегрального значення швидкості по поперечному перетину каналу і не залежить
від зміни числа Рейнольдса, тобто і від в'язкості, густини, температури рідини.
Теорія магнітної
гідродинаміки базується на розгляді рівнянь Джеймса Максвела, закону Ома та
рівнянь гідродинаміки.
Система рівнянь Д. Максвела
описує електромагнітне поле і має вигляд:
, (4.2)
, (4.3)
, (4.4)
де
-
напруженість електричного поля;
- магнітна проникність вимірюваного
середовища;
- індукція магнітного поля;
- густина струму.
Рівняння (4.2) показує, що в
кожній точці магнітного поля його зміна в часі створює електричне поле. Вираз
(4.3) характеризує зв’язок між прикладеним магнітним полем та індукованими ним
струмами. Рівняння (4.4) вказує, що розходження вектора магнітної індукції
дорівнює нулю.
Закон Ома для
електропровідного середовища, що рухається, представляється виразом:
, (4.5)
де
-
індукований струм, що виникає внаслідок руху рідини зі швидкістю
у
магнітному полі з індуктивністю
;
- електрична провідність
вимірюваного середовища.
Система рівнянь
гідродинаміки, представляється рівняннями неперервності і Нав’є-Стокса:
, (4.6)
, (4.7)
де
- густина
вимірюваного середовища;
- тиск вимірюваного середовища;
- кінематичний коефіцієнт в’язкості
вимірюваного середовища;
- сума масових сил;
- сума сил тиску;
- сума сил в'язкості.
При русі рідини в
трубопроводі різноманітні елементи потоку під дією сил тертя рухаються з
різними швидкостями. Швидкість рідини максимальна біля вісі трубопроводу і
зменшується до нуля поблизу його стінок. Градієнт швидкості в радіальному
напрямі призводить до появи циркуляційних струмів, які викликають падіння
напруги між електродами. А тому циркуляційні струми необхідно враховувати при
розрахунках вихідної напруги ВПВР. В першому наближенні такий розрахунок можна
здійснити при введені ряду обмежень:
Рідина тече по трубопроводу в
напрямі вісі
(рис. 4.1),
магнітне поле діє вздовж вісі
, електричне поле вимірюють в
напрямі вісі
Рис. 4.1 - Система координат
для визначення параметрів ЕМВ
Магнітне поле в каналі
однорідне.
Довжина каналу необмежена,
магнітне поле вдовж потоку нескінченно протяжно (умови розрахунку не залежать
від координати
, і
).
Задача є стаціонарною(умови
розрахунку не залежать від часу
).
Рідина однорідна.
Об’ємні сили, що діють на
потік, досить малі і епюра швидкостей симетрична відносно вісі трубопроводу.
Стінки каналу виготовлені з
ізоляційного матеріалу, провідність якого дорівнюю нулю.
Електроди точкові і не
впливають на розподіл електричного поля.
Поперечний переріз каналу має
форму правильного кола.
За умови стаціонарності
задачі, при введених обмеженнях, рівняння (4.2) прийме вигляд:
. (4.8)
Враховуючи, що магнітне поле
в каналі ВПВР постійне, то з рівняння (4.8) можна отримати вираз, який
функціонально пов’язує електричний потенціал
з
:
. (4.9)
З рівняння (4.3) отримуємо:
. (4.10)
Застосувавши операцію div до
обох частин рівняння (4.5) і враховуючи рівняння (4.9) та (4.10), маємо:
.
Так як
, при
магнітному полі несильно перекрученому в рідині індукованими струмами (так що
), то
отримаємо вираз:
.
Для
і тоді
вираз (4.5) набуде вигляду:
. (4.11)
Опускаючи релятивістські
члени, з рівняння (4.11) одержимо вираз для знаходження розподілу потенціалу у
вимірювальному каналі приладу:
, (4.12)
де
-
лапсасіан.
Розподіл потенціалів
для
вісьосиметричного профілю швидкості потоку рідини може бути отриманий з
розв’язку фундаментального рівняння (4.12) і в циліндричних координатах буде
мати вигляд:
, (4.13)
де
- величина
радіус вектора, яка змінюється від 0 до
;
- радіус каналу.
Для прямокутного каналу, у
першому наближенні розглядалася стаціонарна двовимірна задача (магнітне поле
постійне в часі і однорідне, всі умови вздовж потоку зберігаються, швидкість
рідини не залежить від часу і є ся довільною функцією поперечних координат)
[8-12].
Неважко показати, що в цьому
випадку розподіл потенціалу в каналі витратоміра підпорядковується рівнянню:
, (4.14)
де φ - потенціал;
Н - напруженість магнітного
поля;
µ - магнітна проникненість;-
швидкість світла;- швидкість вздовж каналу.
Поперечний переріз каналу
приладу схематично представлено на рис.4.2.
Рис. 4.2 - Поперечний переріз
каналу приладу
Граничні умови для вирішення
(4.14) визначалися такими міркуваннями.
Поблизу стінок каналу приладу
рідина нерухома.
Стінки каналу,
перпендикулярні магнітному полю, виготовлені з ізоляційного матеріалу з
провідністю γ=0:
.
Виконуючі роль електродів
стінки каналу, паралельні магнітному полю, виготовлені з «ідеального» провідника:
Однак ці константи невідомі,
і їх різниця є шуканою при вирішенні задачі.
Вимірювання різниці
потенціалів між електродами проводиться компенсаційним методом або за допомогою
пристрою з нескінченним вхідним опором, і повний струм через межі
електрод-рідина дорівнює нулю:
.
По формулі Гріна для будь
яких двох функцій F1 и F2:
. (4.15)
Нехай Ψ(х,у)
є рішення (4.14), що задовольнить граничним умовам задачі. Вважаючи F1=Ψ
(x, y)
і F2=1,отримаємо:
. (4.16)
Розглянемо область 0 ≤ ξ ≤
x; 0 ≤ y ≤ b.
Згідно з другою та четвертою
граничними умовами інтеграл по контуру дорівнює:
. (4.17)
Інтеграл по площі дорівнює:
, (4.18)
де ψ1 (y) - деяка
довільна функція.
У відповідності з першою
граничною умовою:
.
Та зі співвідношень (4.16) -
(4.18) слідує:


. (4.19)
Домножуємо вираз (4.19) на dx
та інтегруємо від 0 до а, отримаємо:
, (4.20)
де ψ2 (y) - деяка
довільна функція.
Згідно з третьою граничною
умовою:
. (4.21)
При швидкості рідини, яка дорівнює
нулю, різниця потенціалів між електродами також дорівнює нулю, і довільна
постійна в правій частині зникає.
З (4.21) випливає:
, (4.22)
де
- середня
швидкість.
Таким чином, показання
електромагнітних витратомірів з прямокутним каналом і усреднюючим електричне
поле електродами при достатній протяжності каналу і однорідності магнітного
поля не повинні залежати від епюри швидкостей.
У реальному приладі магнітне
поле не є однорідним. Проведений аналіз показав, що при неоднорідності поля, що
не перевищує 1%, залежність показань приладу від епюри швидкостей дуже мала
[11, 12].
Так як розміри приладу вздовж
потоку обмежені, то має місце тривимірний розподіл потенціалу. Тривимірні
ефекти можуть виникати за рахунок градієнта швидкості, градієнта магнітного
поля і градієнта електричного поля в напрямку потоку. Градієнт швидкості, що
виникає при переході від круглого перерізу трубопроводу до прямокутного
перерізу каналу приладу, має місце за межами магніту і не повинно впливати на
розподіл потенціалу. За рахунок градієнта магнітного поля (на кінцях магніту)
виникають циркуляційні струми в площині, перпендикулярній магнітному полю.
Зі струмами провідності в ЕМ
ВПВР існують також і струми зміщення. При провідності рідини більше, чим (
) См/м, вони
досить малі в порівнянні зі струмами провідності, що не впливають на покази
ВПВ. При подальшому зменшенні
струми зміщення швидко зростають та
замикаючись через стінки ВПВ і оточуюче середовище викликають падіння напруги
між електродами . Чим менша відносна діелектрична проникність
рідини, тим
струми більші. Коефіцієнт ослаблення вихідного сигналу в такому випадку буде
дорівнювати:
, (4.23)
де
- кутова
частота магнітного поля;
- діелектрична провідність;
- провідність рідини;
- електрична стала.
З врахуванням (4.13) та
(4.23) вираз для вихідного сигналу ЕМ ВПВР набуде вигляду:
(4.24)
5. Оцінка впливу характеристик
вимірювального середовища на метрологічні характеристики лічильника
.1 Вплив вимірюваного середовища
Вплив форми потоку
Показання більшості витратомірів
суттєво залежать від розподілення швидкостей по поперечному перерізу потоку. В
цьому відношенні електромагнітні витратоміри мають деякі переваги. Так, при осесиметричному
потоці ЕРС, індукованої на кінцях діаметру, перпендикулярного магнітному полю,
при даній витраті буде одна і та ж як при ламінарному, так і при турбулентному
русі, а також і в тому випадку, якщо б всі швидкості були розподілені
рівномірно по перерізу. Причина цього заключається в тому, що по мірі зростання
швидкостей в центральній частині потоку в порівнянні з швидкостями на периферії
збільшується різниця потенціалів між центральною зоною і периферією, в
результаті чого в рідині виникають циркуляційні струми, схематично показані на
рис. 5.1. (для випадку ламінарного потоку). Ці струми знижують е.р.с. на
електродах якраз настільки, наскільки вона виросла б внаслідок збільшення
швидкостей в центральній зоні. На рис. 5.1 показані також лінії рівних
потенціалів: суцільними для ламінарного і штриховими для граничного випадку
турбулентного руху [2].
Дещо інше положення буде у випадку
порушення осьової симетрії потоку яким-небудь близько розташованим місцевим
опором.
Рис. 5.1 - Еквіпотенціальні лінії та
лінії циркуляційних струмів
Річ у тім, що внесок окремих точок
рідини при одній і тій же швидкості в створення різниці потенціалів на
електродах неоднаковий. Чим більш віддалена від електрода точка, тим внесок її
менший. На рис. 5,2, а зображені лінії, які з’єднують лінії рівні за вагою,
тобто точки, які створюють рівний внесок в різницю потенціалів на електродах,
ці точки побудовані по наступному рівнянні, яке визначає залежність вагової
функції W від координат (декартових х і у або полярних r та Ө) будь-якої
точки поперечного перерізу потоку.

(5.1)
де D - відстань між
електродами;
х, у - положення точок в
декартовій системі координат;, Ө - положення точок в полярній системі
координат.
Рис. 5.2 - Ізолінії вагової функції
W: а-теоретичні; б-експериментальні
Експериментально визначені лінії W =
const, показані на рис. 5.2, б, декілька відрізняються від теоретичних ліній
Шеркліфа (рис. 5.2, а), отриманих при рішенні двомірної задачі тільки для
площини електродів.
Внаслідок, порушення осьової
симетрії потоку має відображатися на показаннях електромагнітного витратоміра.
Це було експериментально підтверджено Шеркліфом ще в 1954 г. він різко
деформував потік, вводячи в трубу перегородку з невеликим отвором, розташованим
біля її краю. Чим ближче до електрода встановлювалась перегородка, тим сильніше
змінювались показання приладу. При відстані l>20D будь-яке розташування
перегородки не впливало на показання. Але при l = (2÷З)D
різниця потенціалів на електродах зростала майже в два рази в тому випадку,
коли лоток з отвором в перегородці направлявся до одного з електродів, і
зменшувалась теж в два рази при повороті перегородки на 900, коли потік
направлявся до тієї частини стінки труби, яка найбільш віддалена від
електродів.
Окрім круглого перерізу
використовують прямокутну форму каналу перетворювача електромагнітного
витратоміра. Тут електродами являються прямокутні пластини, рівні по ширині
боковим стінкам каналу, паралельним магнітному полю і тими які знаходяться між
полюсами магнітної системи. Як показали теоретичні дослідження, при такій формі
каналів різниця потенціалів на пластинчатих електродах визначається середньою
швидкістю потоку і не залежить від профілю швидкостей навіть при порушенні його
осьової симетрії. Причина цього полягає в усередненні дії пластинчатих
електродів.
Прямокутна форма каналу дозволяє
також в порівнянні з каналом круглого перерізу рівновеликої форми отримати
велику величину індукованої ЕРС при одній і тій же величині магніторушійній
силі електромагніту. Це досягається шляхом збільшення відношення сторін b/а
прямокутного перерізу каналу, в результаті чого зменшується міжсталевий зазор
магнітної системи і збільшується індукція магнітного поля.
Зважаючи на складність виготовлення
каналу прямокутного профілю особливо для великих витрат цей профіль, незважаючи
на відмічені його переваги, не отримали розповсюдження на практиці. Він
застосовується іноді в дослідних і лабораторних зразках витратомірів, особливо
він підходить для зразкових або контрольних приладів, від яких вимагається
підвищена точність вимірювання.
Вплив осаду
Внаслідок незалежності показань
електромагнітного витратоміра від числа Re і від епюри швидкостей при
осесиметричному потоці, концентрично розташований осад на внутрішніх стінках
труби не буде впливають на показання, якщо осад буде мати ту ж провідність, що
й рідина, але по мірі втоплення осаду його провідність γ0
буде
ставати меншою провідності в рідині. При цьому шунтуючий ефект шару знизиться,
і напруги на електродах зростає на величину, яка буде залежать як від товщини
шару осаду, так і від відношення провідностей γ/γo
(рис. 5.3).
В роботі [2] отримано вираз для
поправочного коефіцієнта, який враховує вплив осаду
(5.3)
де rτ і r0
- радіуси труби і шару осадів.
При правильному підборі
вхідного опору вимірювального ланцюга можна в значній мірі скомпенсувати
збільшення е. р. с, що відбувається за рахунок осадів, падінням напруги на опорі
самого осаду .
В усіх випадках, коли можливе
одностороннє випадіння осаду, рекомендується перетворювач електромагнітного
витратоміра встановлювати на вертикальному ділянки трубопроводу або
застосовувати нерівномірне магнітне поле, задовольняюче умові BW = const.
Рис. 5.3 - Вплив осаду на
похибку
Q
електромагнітного витратоміра при звуженні площі прохідного перерізу труби на:
1 - 19%; 2 - 36%; 3 - 50%
Метою даного розділу є
дослідження способів поліпшення метрологічних характеристик електромагнітних
витратомірів. Розглянемо різноманітні конструктивні рішення, які ведуть до
поліпшення метрологічних характеристик (підвищення точності надійності).
.2 Методи
покращення метрологічних характеристик електромагнітних витратомірів
Збільшення точності
вимірювання витрати електромагнітним витратоміром за допомогою зменшення
розсіювання магнітної енергії
Технічний результат,
створюваний винаходом [13] є таким, що, забезпечується зменшення розсіювання
магнітної енергії, збільшується екранування від зовнішніх магнітних полів без
значного підвищення вартості приладу.
Винахід забезпечує підвищення
чутливості і точності вимірювання завдяки тому, що магнітопровід виконує
функцію магнітного екрана.
Зміна конструкції
магнітопроводу призводить до зміни конфігурації магнітних силових ліній у
витратомірі: ліквідовано додаткові магнітні кола , утворені електромагнітом і
фланцями корпусу. Через те , що магнітопровід екранує більшу частину
електромагніта, він виконує функцію захисного екрана. Технічний результат, який
при цьому досягається, полягає у зменшенні втрат магнітного поля за рахунок
зменшення його розсіювання та збільшенні екрануючих властивостей магнітопроводу
від впливу зовнішніх магнітних полів.
Електромагнітний витратомір
(рис.5.4) містить корпус 1, виконаний з алюмінію і має форму труби. У корпус
поміщений ділянку трубопроводу 2, виконаного з немагнітного матеріалу.
Внутрішня поверхня трубопроводу покрита шаром 3 неелектропроводної ізоляції,
наприклад фторопластом. Трубопровід встановлений між полюсами електромагніту 4.
У трубопроводі встановлені електроди 5. Вони повинні бути встановлені в
площині, перпендикулярній напряму силових ліній поля електромагніту. По обидві
сторони електромагніта на трубопровід 2 надіті дві пластини 6, встановлені
паралельно один одному. Пластини 6 з'єднані одна з одною скобами 7, які
встановлені паралельно осі трубопроводу 2 і жорстко з'єднані з відповідним
сердечником електромагніта . Частина кожної пластини магнітопроводу, спряжена
зі скобою, виконана у формі частини кола, а скоба виконана у формі циліндричної
поверхні, радіус якої дорівнює радіусу кола пластини. Скоби і пластини виконані
з електротехнічної сталі. Ширина скоб може дорівнювати ширині пластин, але може
бути і ширше. У другому випадку екрануючі властивості магнітопроводу будуть
кращі.
Рис. 5.4 - Схематичне зображення
електромагнітного витратоміра: 1 - корпус, 2 - екран, 3 - шар
неелектропровідної ізоляції, 4 - полюса електромагніту, 5 - електроди, 6 - дві
пластини, 7 - скоби
Вимірювання показують , що при
виконанні витратоміра відповідно до описаної вище конструкцією втрати
магнітного поля скорочуються на 20-25 відсотків.
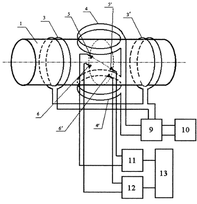
Метод збільшення точності
вимірювання витрати зі складною кінематичною структурою потоку
Технічний результат, створюваний
винаходом [14] є те, що він може точно вимірювати витрату рідин зі складною
кінематичної структурою потоку (рис. 5.5).
Рис. 5.5 - Схема розташування
котушок і електродів на трубі витратоміра: 1 - труба, 2 - електроди, 3 - індукційні
котушки, 4 - магнітопровід
Метою пропонованого винаходу є
підвищення точності вимірювання витрати при складних розподілах швидкості
потоку в робочому обсязі каналу витратоміра. Ця мета досягається тим, що в
пропонованому витратомірі є можливість обчислювати витрату з урахуванням
поправки на асиметрію розподілу швидкості по двох взаємно ортогональними
напрямками поперечного перерізу каналу.
Як відомо, будь-яку складну
кінематичну структуру потоку можна представити як суму двох структур ,
описуваних за взаємно ортогональними напрямками поперечного перерізу каналу, що
перетинаються в центрі каналу.
Відмінність витратоміра в тому, що
він має два однакових ЧЕ, розміщених поруч на одній трубі, але розгорнутих по
осі каналу відносно один одного на 90˚. Труба з двома ЧЕ охоплена одним
загальним циліндричним магнітопроводом, причому вісь магнітопроводу збігається
з віссю каналу. Для того щоб робочі перерізи у каналі з електродами обох ЧЕ
були б максимально наближені, індукційні котушки розташовані на трубі у шаховому
порядку у два ряди таким чином, що суміжні котушки практично примикають своїми
гранями ромба один до одного, а гострими кутами ромба до електродів . При цьому
кожна пара електродів і пара індукційних котушок взаємно розташовані на
трубопроводі за традиційною схемою електромагнітного витратоміра. Кожна
індукційна котушка розташована на трубі короткою діагоналлю вздовж твірної
труби, а довгою діагоналлю - по периметру труби. Причому котушки на трубі
розташовуються таким чином, що довгі осі ромба котушок складають частину
периметра труби , на якому розташовані електроди, а зовнішня сторона кожної
котушки гострими кутами ромба близько примикає до електродів, встановленим на
трубі протилежно один одному по діаметру каналу.
Причому площини, що проходять через
лінію, що сполучає електроди і вісь труби кожного ЧЕ, повернені щодо один
одного навколо осі каналу на 90˚. Вимірювальний пристрій забезпечує
вимірювання сигналів електродів і струмів харчування у двох ЧЕ. Алгоритм
обчислення витрати має вигляд:
(5.4)
де величини U11, U12, I11,
I12 відносяться до першого ЧЕ, U21, U22, I21, I22 до другого ЧЕ, U11, I22 -
напруга між електродами першого ЧЕ і струм живлення індуктора при згодному
включенні котушок збудження магнітного поля, U21, I22 - напруга між електродами
другого ЧЕ і струм живлення індуктора при згодному включенні котушок збудження
магнітного поля, U12, I22 - напруга між електродами і струм живлення індуктора
першого ЧЕ при зустрічному включенні котушок збудження магнітного поля, U22,
I22 - напруга між електродами і струм живлення індуктора другого ЧЕ при
зустрічному включенні котушок збудження магнітного поля; b і с - коефіцієнти,
що визначаються розрахунковим або експериментальним методами.
Таким чином обчислюються
поправки на асиметрію потоку по двох взаємно перпендикулярним напрямам
поперечного перерізу каналу. Одна поправка визначається по лінії ,
перпендикулярній площині, що проходить через вісь каналу і пару електродів
першого ЧЕ, а інша - по лінії, перпендикулярній площині, що проходить через
вісь каналу і пару електродів другого ЧЕ .
Завдяки цьому забезпечується
підвищення точності вимірювання витрати при складному профілі швидкості потоку
(тобто при складній кінематичній структурі потоку).
На рис.5.5 зображена схема
розташування котушок і електродів на трубі витратоміра. Електромагнітний
витратомір має трубу 1, виконану з немагнітного і неелектропровідного
матеріалу. У трубі встановлено дві пари електродів. Електроди 2 кожної пари
розташовані по периметру труби діаметрально один до одного в двох різних
площинах поперечного перерізу каналу. Згадані перетини каналу, в яких
розташовані відповідні пари електродів, розміщені по осі труби на відстані,
рівному приблизно половині зовнішнього розміру короткої діагоналі ромбовидної
індукційної котушки. Причому площини, що проходять через відповідні пари
електродів і вісь каналу, знаходяться під кутом 90˚ один до одного. На
зовнішній поверхні труби розташовані в шаховому порядку, в два ряди чотири
ромбовидні індукційні котушки. Кожна котушка 3 короткою діагоналлю ромба
розташована вздовж твірної труби, а довгою діагоналлю ромба - по периметру
труби. Між гострими кутами суміжних котушок розташовані електроди, а гранями
ромба індукційні котушки близько розташовані один до одного. Витратомір має
магнітопровід 4 циліндричної форми. Він розташований співвісно з трубою і
охоплює трубу з електродами і чотирма індукційними котушками.
Робота витратоміра полягає в
наступному. На горизонтальній ділянці технологічного трубопроводу витратомір
встановлюється таким чином, щоб осі, що з'єднують кожну пару електродів,
перебували під кутом 45˚ до горизонтальної площини. За допомогою
вимірювального пристрою проводиться періодичне і послідовне підключення
індукційних котушок та електродів кожного чутливого елемента (ЧЕ) до загального
джерела живлення. Внаслідок протікання струму по витках індукційних котушок в
робочому обсязі каналу збуджується магнітне поле, спрямоване перпендикулярно
площині, що проходить через вісь електродів і вісь каналу відповідного ЧЕ. При
русі електропровідної рідини по каналу труби в його робочому обсязі, відповідно
до закону Фарадея індукується електричне поле, напруженість якого пропорційна
швидкості потоку рідини. Витратомір має вимірювальний пристрій, за допомогою якого
вимірюються різниця потенціалів між електродами кожного ЧЕ і струм живлення
індукційних котушок. Вимірювання сигналів кожного ЧЕ проводиться по черзі в
двох режимах. Один з режимів вимірювання відповідає традиційному включенню
індукційних котушок до джерела живлення, при якому магнітні поля котушок
взаємно складаються. А інший режим вимірювання відповідає зустрічному включенню
індукційних котушок до джерела живлення, при якому магнітні поля котушок
взаємно віднімаються. При першому режимі вимірювання сигнал між електродами
кожного ЧЕ характеризує приблизно середню швидкість потоку, а при другому
режимі вимірювання сигнал між електродами характеризує асиметрію розподілу
швидкості потоку по лінії, перпендикулярній площині, що проходить через осі
електродів і каналу. Значення об'ємної витрати Q визначається за формулою
(5.4).
Метод вимірювання витрати при
змінюваному рівні заповнення каналу трубопроводу
Технічним результатом [15] є
можливість вимірювання витрати електромагнітним способом у трубопроводах великих
діаметрів при неповністю заповненому каналі, тобто змінюваному рівні заповнення
каналу, і в напірних трубопроводах при вимірюванні витрати багатофазних
середовищ, наприклад пульп. Витратомір має ділянку трубопроводу, виконану з
немагнітного і неелектропровідного матеріалу, дві котушки збудження, що мають
спільну вісь, перпендикулярну осі каналу, кілька пар електродів, розташованих в
центральному перерізі трубопроводу по його периметру, і магнітний корпус, що
охоплює зовні трубопровід з котушками збудження. Дві додаткові котушки
збудження із загальною віссю, що збігається з віссю каналу витратоміра,
розташовані на трубопроводі і рівновіддалені від центрального перетину каналу,
в якому розташовані електроди (рис. 5.6, 5.7).
Рис. 5.6 - Конструкція витратоміра:
1 - ділянка трубопроводу, виконаний з немагнітного і неелектропровідного
матеріалу; 2 - корпус витратоміра, що одночасно є магнітопроводом; 3 і 3
"- дві котушки збудження (їх загальна вісь збігається з віссю каналу); 4 і
4" - дві котушки збудження (їх загальна вісь перпендикулярна осі каналу);
5 і 5 "- пара електродів (розташована по діаметру каналу); 6 і 6" -
пара електродів (розташована по хорді)
Використання запропонованого рішення
дозволяє розширити функціональні можливості електромагнітного способу
вимірювання витрати: вимірювати витрату при змінюваному рівні заповнення каналу
трубопроводу з високою чутливістю як до швидкості потоку, так і до зміни площі
"живого" перерізу потоку.
Рис. 5.7 - Структурна схема
витратоміра: 1 - трубопровід, 3 та 3 "- котушки збудження (вісь яких
збігається з віссю каналу), 4 і 4" - котушки збудження (вісь яких
перпендикулярна осі каналу), 5 і 5 "- пара електродів, розташована по
діаметру каналу, 6 і 6 "- пара електродів, розташована по хорді, 9 -
комутатор, 10 - джерело живлення, 11 - вимірювальний канал сигналу, що
знімається з пари електродів 5 і 5", 12 - вимірювальний канал сигналу, що
знімається з пари електродів 6 і 6 ", 13 - обчислювач
Недоліками є складність конструкції
їх електромагнітної системи, що має чотири котушки збудження. Крім того, для
вимірювання рівня необхідно проводити вимірювання швидкості потоку в каналі,
оскільки в розрахункову формулу обчислення рівня заповнення каналу входить
швидкість потоку рідини. Так само, для виконання функцій магнітопроводу корпус
повинен бути виконаний з дорогої електротехнічної сталі, тому і весь прилад
стає дорогим і малопридатним для масового виробництва.
Робота витратоміра полягає в
наступному. Якщо рівень рідини в каналі знаходиться між повним заповненням і
половиною поперечного перерізу каналу, то вимірювання витрати проводиться
шляхом обробки сигналів, що знімаються з пари електродів, які розташовані по
діаметру каналу (5 і 5', рис. 5.7). Якщо рівень заповнення знаходиться нижче
розташування електродів 5 і 5', то сигнал з 5 них буде відсутній з причини
розімкненості електродів електропровідною рідиною. У цьому випадку вимірювання
витрати здійснюється шляхом обробки сигналів, що знімаються тільки з пари
електродів, які розташовані по хорді (6 і 6', рис. 5.7) і омиваються
вимірюваної середовищем.
Метод збільшення точності
вимірювання витрати електромагнітним витратоміром за допомогою комутаційного
пристрою
Винахід [16] відноситься до
приладобудування, до галузі вимірювання витрати електромагнітним методом і може
бути використано для вимірювання витрати в трубопроводах електропровідних рідин
зі складною кінематичної структурою потоку.
Пропонований електромагнітний
витратомір має трубу, виконану з немагнітного і неелектропровідного матеріалу,
два електроди, магнітопровід, дві індукційні котушки, джерело струму живлення,
вимірювально-обчислювальний пристрій, вхід якого приєднаний до електродів, і
інтегруючий пристрій, причому керуючі ланцюги вимірювально-обчислювального
пристрою з'єднані з джерелом живлення та інтегруючим пристроєм. Також
витратомір містить комутаційний пристрій, керуючий ланцюг якого з'єднаний з
вимірювально-обчислювальним пристроєм, причому комутаційний пристрій має два
положення комутації електричних ланцюгів, з яких одне положення відповідає
послідовному підключенню індукційних котушок до джерела живлення, а інше
положення відповідає підключенню до джерела живлення однією з індукційних
котушок, при цьому друга індукційна котушка підключається до інтегруючого
пристрою. Технічним результатом є підвищення точності вимірювань.
Управління роботою джерела живлення,
інтегруючим пристроєм і комутаційним пристроєм виконується
вимірювально-обчислювальним пристроєм (рис. 5.8).
Витратомір працює в двох режимах,
періодично перемикаються за допомогою комутаційного пристрою: в режимі
вимірювання різниці потенціалів між електродами і в режимі вимірювання
магнітної проникненості вимірюваного середовища. Перший режим вимірювання
відповідає вихідному положенню комутаційного пристрою, зображеному на рис. 7.
Другий режим відповідає положенню комутаційного пристрою, перемиканням щодо
вихідного.
Рис. 5.8 - Схема витратоміра: 1 -
джерело струму живлення, 2 і 3 - індукційні котушки, 4 - труба з електродами, 5
- електрод, 6 - вимірювально-обчислювальний пристрій, 7 - комутаційний
пристрій, 8 - інтегруючий пристрій
У першому режимі схема з'єднань
індукційних котушок відповідає їх послідовному включенню до джерела струму живлення.
Внаслідок протікання змінного струму по витків обох індукційних котушок в
робочому обсязі каналу збуджується змінне магнітне поле, спрямоване
перпендикулярно площині, що проходить через вісь електродів і вісь каналу. При
русі електропровідної рідини по каналу труби в його робочому обсязі, відповідно
до закону Фарадея індукується електричне поле, напруженість якого пропорційна
швидкості потоку рідини. Різниця потенціалів між електродами U визначається
виразом:
де
- магнітна
проникність вимірюваного середовища, Н - напруженість магнітного поля в каналі
труби, V - швидкість потоку вимірюваного середовища, D - діаметр каналу.
У режимі вимірювання
магнітної проникності вимірюваного середовища до джерел струму живлення
підключена тільки одна індукційна котушка . При цьому друга індукційна котушка
підключена до інтегруючому пристрою. У цьому режимі вимірювання другого
індукційна котушка виконує функції індукційної котушки опорного сигналу. При
цьому виконується вимір
згідно
виразу:
Витрата вимірюваного
середовища обчислюється в результаті обробки вимірювань обох режимів за
допомогою вимірювально - обчислювального пристрою за формулою:
де а0 - градуювальний
коефіцієнт.
У режимі вимірювання
магнітної проникненості вимірюваного середовища до джерела струму живлення
підключена тільки одна індукційна котушка. При цьому друга індукційна котушка
підключена до інтегруючого пристрою. У цьому режимі вимірювання друга
індукційна котушка виконує функції індукційної котушки опорного сигналу.
Витрата вимірюваного середовища обчислюється в результаті обробки вимірювань
обох режимів за допомогою вимірювально-обчислювального пристрою.
Перевагою розглянутого
винаходу є можливість використання первинного перетворювача витрати від
витратоміра загальнопромислового застосування без зміни його конструкції.
Змінам підлягають тільки схема вимірювання приладу і програмне забезпечення.
6. Аналіз можливостей застосування
комп’ютерного моделювання при проектуванні лічильника електромагнітного типу
лічильник
електромагнітний індукція
Всі знають , що проектування і
виробництво нерозривно пов'язані між собою. Конструктор розробляє геометрію
виробу, встановлює технічні вимоги і оформляє конструкторську документацію.
Технолог забезпечує виготовлення виробу з урахуванням специфіки виробництва,
техпроцесів, обладнання. Помилки або незаплановані зміни в конструкції вироби
тягнуть за собою додаткові фінансові витрати, які призводять до подорожчання
виробленої продукції і таким чином знижують її конкурентоспроможність. З
вищесказаного випливає, що можна скоротити витрати на виробництво, лише
застосовуючи сучасні засоби інформаційної підтримки життєвого циклу виробу на
всіх етапах проектування і технологічної підготовки виробництва.
Допомогти в реалізації цього
завдання повинні комплексні програмні рішення SolidWorks та ANSYS, що
забезпечують наскрізне проектування і вихід на верстати з ЧПУ.
Призначення програмного комплексу
SolidWorks- це не тільки CAD -, але і CAM - система.- це потужний засіб
проектування, ядро інтегрованого комплексу автоматизації підприємства , яке
дозволяє здійснювати підтримку виробу на всіх етапах його життєвого циклу в
повній відповідності з концепцією CALS-технологій. Основне призначення
SolidWorks - забезпечення наскрізного процесу проектування та підготовки
виробництва виробів будь-якої складності і призначення [17].
Комплексні рішення SolidWorks базуються
на передових технологіях гібридного параметричного моделювання, інтегрованих
засобах електронного документообігу, а також на широкому спектрі
спеціалізованих модулів, серед яких важливе місце займають програми для
віртуального моделювання процесів механічної і електроерозійної обробки з
виходом на ЧПУ. Багаторічна співпраця корпорації SolidWorks Corp з провідними
виробниками програмного забезпечення для технологічної підготовки виробництва
призвело до того, що в даний час спеціально для SolidWorks розроблено та
сертифіковано 26 CAM- модулів, шість з яких мають статус Certified CAM Product
(сертифікований CAM- продукт) і два - Certified Gold Product (сертифікований
«золотий » продукт, який забезпечує вищу ступінь інтеграції з SolidWorks:
роботу в одному вікні, єдину асоціативну геометричну модель). У Росії , СНД і
країнах Балтії найбільшого поширення набули CAM -додатки CAMWorks і Mastercam -
вони надають користувачам незалежний і інтегрований режими роботи з SolidWorks.
Розглянемо основні завдання, які вирішуються в цих двох CAM -додатках, і
зупинимося більш детально на технології розробки постпроцесорів .
Призначення програмного комплексу
ANSYS
Програма ANSYS - це гнучкий,
надійний засіб проектування та аналізу. Вона працює в середовищі операційних систем
найпоширеніших комп'ютерів - від РС до робочих станцій і суперкомп'ютерів.
Особливістю програми є файлова сумісність всіх членів сімейства ANSYS для всіх
використовуваних платформ. Багатоцільова спрямованість програми (тобто
реалізація в ній засобів для опису відгуку системи на впливи різної фізичної
природи) дозволяє використовувати одну й ту ж модель для вирішення таких
пов'язаних завдань, як міцність при тепловому навантаженні, вплив магнітних
полів на міцність конструкції, тепломас в електромагнітному полі. Модель,
створена на РС, може використовуватися на суперкомп'ютері. Це забезпечує всім
користувачам програми зручні можливості для вирішення широкого кола інженерних
задач.
Як новачкам, так і досвідченим
користувачам ця програма пропонує безперервно зростаючий перелік розрахункових
засобів, які можуть врахувати різноманітні конструктивні нелінійності; дають
можливість вирішити самий загальний випадок контактної задачі для поверхонь;
допускають наявність великих (кінцевих) деформацій і кутів повороту; дозволяють
виконати інтерактивну оптимізацію і аналіз впливу електромагнітних полів,
отримати рішення задач гідроаеродинаміки та багато іншого - разом з
параметричним моделюванням, адаптивним перестроюванням сітки, використанням
р-елементів і великими можливостями створення макрокоманд за допомогою мови
параметричного проектування програми ANSYS (APDL). Система меню (на основі
розробки фірми Motif ) забезпечує введення даних і вибір дій програми за
допомогою панелей діалогу, що випадають меню і вікон списку, допомагаючи
користувачеві управляти програмою. Засоби твердотільного моделювання містять у
собі уявлення геометрії, засноване на використанні сплайнової технології NURBS,
геометричних примітивів та операцій булевої алгебри (виконуваних модулем SHAPES
фірми XOX Corp., Який вбудований в програму ANSYS ).
Модуль програми ANSYS Design Data
Access (DDA) забезпечує передачу в програму моделей, створених засобами
комп'ютерного проектування (CAD), що виключає повторення виконаної перш роботи.
Призначення модуля DDA полягає в тому, щоб дати користувачеві можливість
отримати результати звичайно - елементного аналізу, які повною мірою обумовлені
вихідною інформацією, що міститься в проектній розробці, а також надати сучасні
та найдосконаліші засоби обміну даними. Програмні засоби серії DDA Connection
можуть працювати спільно з розробками багатьох провідних постачальників CAD -
програм, включаючи компанії Parametric Technology Corporation, EDS/Unigraphics
і Computervision Corporation. Останньою версією цієї серії є програмний засіб
DDA Interactive, що дозволяє використовувати для кінцево-елементного аналізу
безпосередньо CAD - моделі за рахунок сучасного інтефейса і встановленню
взаємозв'язку між CAD-інформацією та даними, що вимагаються для проведення
аналізу. Крім того, можливості аналізу та оптимізації програми ANSYS легко
переносяться на CAD - моделі за рахунок використання форматів IGES і STEP та
ін. для пересилки геометрії або відповідного інтерфейсу провідних CAD -програм.
7. Опис інтелектуальної системи моделювання
ВПВ та принципу дії
Виходячи з вихідних даних, ми
змоделювали електромагнітний лічильник рідини, з прямокутним вимірювальним
каналом, використовуючи програмне забезпечення Solid Works (рис. 7.1 а, б,в).

а) б) в)
Рис. 7.1 - Електромагнітний
лічильник з прямокутним вимірювальним каналом змодельований в середовищі Solid
Works
Даний лічильник складається з
вимірюваного каналу - 1, на якому закріплено електродні вузли - 2, все
кріпиться в корпус - 3, який закривається з обох боків кришками - 4 за
допомогою гвинтів - 5, для забезпечення герметичності використовуємо прокладки
- 6, до корпусу за допомогою гвинтів - 5 кріпиться корпус
вимірювально-обчислювального блоку - 7, і закривається кришкою - 8.
8. Результати моделювання
В змодельованому електромагнітному
лічильнику, рідина протікає по об’єму зображеному на рис. 8.1. Профіль
швидкості в прямокутному перерізі зображений на рис. 8.2. [18].
Рис. 8.1 - Геометрія, по якій
протікає рідина
Рис. 8.2. Профіль швидкості потоку
Після моделювання в ANSYS ми
отримали наступне розподілення швидкості (рис. 8.4 а, б, в). Перерізи потоку
показані через кожні 10 мм (рис. 8.3).
Рис. 8.3 - Перерізи потоку
Рис. 8.4.а - Розподіл швидкості по
вимірюваному каналі при мінімальній витраті
Рис. 8.4.б - Розподіл швидкості по
вимірюваному каналі при номінальній витраті
Рис. 8.4.в - Розподіл швидкості по
вимірюваному каналі при максимальній витраті
Також було проведено моделювання, і
визначено, який тиск створює вода в каналі (рис. 8.5 а,б).
Рис. 8.5 - Розподіл тиску у
вимірюваному каналі: а - тиск при мінімальній витраті; б - тиск при
максимальній витраті
Проаналізувавши результати
моделювання ми побудували залежність розподілу середньої швидкості по довжині
вимірюваного каналу (рис. 8.6).
Рис. 8.6 - Залежність розподілу
середньої швидкості по довжині вимірюваного каналу
9. Інженерний аналіз результатів
математичного моделювання та імітаційного моделювання роботи ВПВ
Розрахунок статичної характеристики
При розробці математичної моделі
була виведена формула (4.24) розрахунку різниці потенціалів:
Магнітна індукція пов'язана з
напруженістю магнітного поля, що характеризує магнітне поле в середовищі:
, (9.1)
де μ - магнітна
проникненість;
Н - напруженість магнітного
поля.
Для даного ЕМ лічильника,
виходячи з формули 9.1, магнітна індукція дорівнює В=0,01 Тл.
Геометричні розміри (рис.
9.1) прямокутного каналу, в даному випадку, дорівнюють: a = 0,03 м; b = 0,01м.
Рис. 9.1 - Геометричні
розміри вимірювального каналу
Витрата, відповідно до
завдання, змінюється в діапазоні: 0,05м3/год
Q
50 м3/год.
Після проведення розрахунків
в програмному забезпеченні Microsoft Office Excel отримали статичну
характеристику (рис. 9.2).
Рис. 9.2 - Статична
характеристика
Розрахунок метрологічних
характеристик
При розрахунку статичних
характеристик певних приладів було встановлено, що величина вихідного сигналу
залежить не тільки від вимірювальної величини х, але і від цілого ряду
параметрів.
,
де qi - параметри схеми і
конструкції які впливають на вихідний сигнал.
До qi - параметрів відносять
геометричні розміри деталей і величини, які характеризують фізичні властивості
матеріалів. При відхиленні цих параметрів від початкових значень, вихідний
сигнал у при постійному х отримає деякий приріст:
. (9.2)
У відповідності з теорією
точності механізмів залежність між приростом сигналу Δу і
первинними відмітками можна приблизно представити у вигляді повного
диференціалу:
. (9.3)
Нульовий індекс у частинних
похідних означає, що вони вираховуються для початкових значень q1,q2,…qn.
Множник
представляє
собою коефіцієнт впливу первинної похибки Δqi на
помилку в вихідного сигналу приладу [18].
Виходячи із математичної
моделі (4.24) маємо:
де
.
.
Знайдемо частинні похідні:
;
;
;
.
Згідно з (9.3):
Розрахунки проводились в
програмному забезпеченні Microsoft Office Excel. Отримана сумарна похибка не
перевищує 1%. Результати приведені на рис.9.3.
Рис. 9.3 - Випадкові похибки
вихідного сигналу в залежності від витрати
Висновки
В даній курсовій роботі був
проведений аналіз методів вимірювання витрати та огляд існуючих
електромагнітних лічильників. Розроблений електромагнітний лічильник рідини з
прямокутним каналом, для нього були побудовані функціональна та структурна
схеми, розроблена математична модель лічильника. Зроблено аналіз метрологічних
характеристик, досліджено вплив витрати на похибку. В результаті знайдені способи
зменшення похибки, розширення діапазону вимірювань і підвищення завадостійкості
електромагнітних витратомірів.
Виходячи з вихідних даних, був
змодельований електромагнітний лічильник рідини, з прямокутним вимірювальним
каналом, за допомогою програмного забезпечення Solid Works. Далі, ми дослідили
модель в ANSYS, виходячи з вихідних даних. В результаті одержали розподіл тиску
на стінках вимірювального каналу при русі рідини та розподіл швидкості рідини
по перерізах каналу. Також були розраховані та побудовані: статична
характеристика, втрати тиску та випадкові похибки вихідного сигналу в
залежності від витрати.
Література
1. [Электронный ресурс]. - Режим доступа:
<http://prom.ua/Rashodomery-zhidkostej>
. Кремлевский П.П. Расходомеры и счетчики
количества: Справочник. / П.П. Кремлевский - 4-е изд., перераб. и доп. - Л.:
Машиностроение. Ленингр. Отд-ние, 1989. - 701 с.: ил.
. Повх И.Л. Техническая гидромеханика 2-е изд.,
доп.: учеб. пособие для студентов / И.Л. Повх - Л.: Машиностроение. Ленингр.
1976. - 504 с.
. Кремлевский П.П. Расходомеры и счетчики
количества веществ: Справочник: Книга 2 / Под общ. ред. Е.А. Шорникова. - 5-е
изд., перераб. и доп. - СПб.: Политехника, 2004. - 412 с.: ил.
. [Электронный ресурс]. - Режим доступа:
<http://uk.wikipedia.org/wiki/%D0%92%D0%BE%D0%B4%D0%B0>
. Фізико-хімічні властивості води: [Електронний
ресурс]. - Режим доступу:
http://manyava.ucoz.ua/publ/vikoristannja_vodnikh_resursiv/
ekologija_vodnikh_resursiv/fiziko_khimichni_vlastivosti_vodi/25-1-0-275
<http://manyava.ucoz.ua/publ/vikoristannja_vodnikh_resursiv/%20ekologija_vodnikh_resursiv/fiziko_khimichni_vlastivosti_vodi/25-1-0-275>
. Шерклиф Дж. Теория электромагнитного измерения
расхода. - М.: МИР, 1965. - 270 с.
. Повх И.Л. Техническая гидромеханика. 2-е изд.,
доп. Л.: Машиностроение. Ленингр. Отд-ние, 1976. - 504 с. с ил.
. Котлярова С.Л., Романашенко В.В., Саприкіна
П.А. Моделювання електромагнітних витратомірів при складних кінематичних
структурах потоку // Системи обробки інформації. - 2010, №83.
. Оснвы принципа измерений электромагнитных
расходомеров (ЭМР): [Электронный ресурс]. - Режим доступа:
<http://www.ri-rm.ru/> node/19
. [Электронный ресурс]. - Режим доступа:
<http://www.teplovizor.ru/myarticles/article.php?storyid=1&storypage=3>
. Корсунский Л.М. Электромагнитный расходомер с
прямоугольным каналом // Измерительная техника №10 56-60с.
. 2295706 Российская федерация, МПК GO1F 1/60.
Электромагнитный расходомер / А.Н. Шилин, В.В. Будько. Действует от 07.06.2005.
. Пат. 2340877 Российская федерация, МПК GO1F
1/58. Электромагнитный расходомер / И.Д. Вельт, Г.Ю. Сечкина, Н.В. Терехина. -
№ 2005117503/28; заявл. 07.06.05; опубл. 20.03.07, Бюл. № 8.
. Пат. 2343423 Российская федерация, МПК GO1F
1/58. Электромагнитный расходомер / И.Д. Вельт, Г.В. Калашникова, Ю.В. Михайлова,
З.И. Садовая. - № 2007116437/28; заявл. 03.05.07; опубл. 10.01.09, Бюл. № 1.
. Пат. 2277699 Российская федерация, МПК GO1F
1/58. Электромагнитный датчик расхода / Н.В. Пасечник, Б.А. Сивак, А.В.
Прохоров, В С. Коптев, В.Г. Грачев, Ф.С. Солодовник. - № 2004138110/28; заявл.
27.12.04; опубл. 10.06.06, Бюл. № 16.
. Можливості програмного комплексу SolidWorks:
[Електронний ресурс]. - Режим доступу:
<http://ukrbukva.net/page,3,63646-Vozmozhnosti-programmnogo-kompleksa-SolidWorks.html>
. Трубенок А.Д. Методические указания по
изучению дисциплины «Проектирование приборов точной механики». Расчет
статических погрешностей средств измерений. Киев КПИ 1987. - 52 с.