Фильтр верхних частот

  • Вид работы:
    Курсовая работа (т)
  • Предмет:
    Информатика, ВТ, телекоммуникации
  • Язык:
    Русский
    ,
    Формат файла:
    MS Word
    419,87 Кб
  • Опубликовано:
    2015-12-08
Вы можете узнать стоимость помощи в написании студенческой работы.
Помощь в написании работы, которую точно примут!

Фильтр верхних частот

МИНИСТЕРСТВО ОБРАЗОВАНИЯ И НАУКИ РОССИЙСКОЙ ФЕДЕРАЦИИ

Федеральное государственное автономное образовательное учреждение

высшего профессионального образования

«САНКТ-ПЕТЕРБУРГСКИЙ ГОСУДАРСТВЕННЫЙ УНИВЕРСИТЕТ

АЭРОКОСМИЧЕСКОГО ПРИБОРОСТРОЕНИЯ»

КАФЕДРА МЕДИЦИНСКОЙ РАДИОЭЛЕКТРОНИКИ




КУРСОВАЯ РАБОТА

ПО ДИСЦИПЛИНЕ: Узлы и элементы радиоэлектронных биотехнических систем

Фильтр верхних частот











Санкт-Петербург 2015

Оглавление

Техническое задание

Введение

. Анализ ТЗ, формулировка цели и задач данной КР

.1 Активные фильтры

.2 Преимущества активных фильтров

.3 Недостатки активных фильтров

. Анализ технической литературы и других источников по разрабатываемой теме

. Основные параметры и характеристики рассматриваемых устройств

. Классификация устройства по признакам

. Принципы действия рассматриваемых устройств

. Существующие схемы устройств

. Выбор и обоснование принципиальной электрической схемы устройства

. Расчет принципиальной электрической схемы устройства

.1 Полиномиальный расчет фильтра

.2 Расчет элементов фильтра

.3 Выбор номинальных значений, наиболее близких к вычисленным значениям фильтр частота усилитель

.4 Выбор операционного усилителя

. Рассмотрение основных характеристик электрической схемы устройства

. Принципиальная электрическая схема

. Перечень элементов схемы

Заключение

Список используемой литературы

Техническое задание

Необходимо разработать схему фильтра верхних на ОУ со следующими параметрами:

. Частота среза фильтра верхних частот 250 Гц.

. Используемый фильтр - второго порядка.

. Коэффициент передачи в полосе пропускания равен 0.98дБ.

. Коэффициент передачи в полосе заграждения равен нулю.

. Фильтр имеет характеристику Бесселя, из этого следует, что разрабатываемый фильтр имеет хорошую фазо-частотную характеристику и вполне резкий спад.

Введение

Фильтрация - преобразование сигналов с целью изменения соотношения между их различными частотными составляющими. Фильтры обеспечивают выделение полезной информации из смеси информационного сигнала с помехой с требуемыми показателями. Основная задача выбора типа фильтра и его расчета заключается в получении таких параметров, которые обеспечивают максимальную вероятность обнаружения информационного сигнала на фоне помех. Частотно-избирательная цепь, выполняющая обработку смеси сигнала и шума некоторым наилучшим образом, называется оптимальным фильтром. Критерием оптимальности принято считать обеспечение максимума отношения сигнал-шум. Это требование приводит к выбору такой формы частотного коэффициента передачи фильтра, которая обеспечивает максимум отношения сигнал-шум на его выходе. В задачах линейной фильтрации предполагается, что наблюдаемый реальный процесс представляет собой аддитивную смесь сигнала и помехи.

В большинстве случаев электрический фильтр представляет собой частотно-избирательное устройство. Следовательно, он пропускает сигналы определенных частот и задерживает или ослабляет сигналы других частот. Наиболее общими типами частотно-избирательных фильтров являются фильтры нижних частот (пропускают низкие частоты и задерживают высокие частоты), фильтры верхних частот (пропускают высокие частоты и задерживают низкие частоты), полосовые фильтры (пропускают полосу частот и задерживают те частоты, которые расположены выше и ниже этой полосы) и режекторные фильтры (задерживают полосу частот и пропускают частоты, расположенные выше и ниже этой полосы).

Рисунок 1 - Общее изображение электрического фильтра

Диапазоны или полосы частот, в которых сигналы проходят, называются полосами пропускания и в них значение амплитудно-частотной характеристики относительно велико, а в идеальном случае постоянно. Диапазоны частот, в которых сигналы подавляются, образуют полосы задерживания и в них значение амплитудно-частотной характеристики относительно мало, а в идеальном случае равно нулю. В качестве примера на рисунке 2 штриховой линией показана амплитудно-частотная характеристика идеального фильтра нижних частот с единственной полосой пропускания 0<w<wc и полосой задерживания w>wc . Частота wc между двумя этими полосами определяется как частота среза. На практике невозможно реализовать эту идеальную характеристику. Следовательно, основная проблема при конструировании фильтра заключается в приближении реализованной в лаборатории реальной характеристики с заданной степенью точности к идеальной. Вариант такой реальной характеристики показан сплошной линией на рис. 2.

Рисунок 2 - Идеальная и реальная АЧХ фильтра нижних частот

В практическом случае полосы пропускания и задерживания четко не разграничены и должны быть формально определены. Исходя из нашего определения, в качестве полосы пропускания выбирается диапазон частот, где значение амплитудно-частотной характеристики превышает некоторое заранее выбранное число, обозначенное A1 на рис. 2, а полосу задерживания образует диапазон частот, в котором амплитудно-частотная характеристика меньше определенного значения, например, A2 . Интервал частот, в котором амплитудно-частотная характеристика постоянно спадает, переходя от полосы пропускания к полосе задерживания, называется переходной областью. Приведенный на рис. 2 пример имеет полосу пропускания 0<w<wc, полосу задерживания w>w1 и переходную область wc<w<w1.

В основном пропускание в полосе пропускания никогда не превышает 3 дБ. Таким образом, из приведенного примера следует, что значение АЧХ в полосе пропускания составляет по крайней мере 1/20,5=0,707 или 70,7% ее максимального значения. В этом случае можно также сказать, что в полосе пропускания амплитудно-частотная характеристика на 3 дБ ниже или меньше максимального значения.

Для частотно-избирательных фильтров наиболее важной является амплитудно-частотная характеристика, поскольку ее значение на некоторой частоте определяет прохождение сигнала этой частоты или его подавление.

1. Анализ ТЗ, формулировка цели и задач данной КР

В курсовой работе предложено изучить, рассчитать, построить и проанализировать работу фильтра верхних частот на ОУ, используемый в электрокардиографах, со следующими характеристиками:

Частота среза фильтра верхних частот 250 Гц.

Используемый фильтр второго порядка.

Фильтр имеет характеристику Бесселя.

Основной целью является расчет параметров фильтра и проектирование его АЧХ для получения среза частот в заданном диапазоне.

Поставлена задача выбора необходимой схемы из множества вариантов, я её обоснование и подбор рассчитанных элементов. Проводится проектирование активного фильтра. Изучение вопроса начнем с определения активного фильтра и рассмотрения его достоинств и недостатков.

.1 Активные фильтры

Как только получена подходящая передаточная функция, разрабатывают схему фильтра, реализующую данную передаточную функцию. При этом разработка выливается в проектирование активных и пассивных фильтров.

Пассивные фильтры представляют собой устройства, которые создаются на основе резисторов, конденсаторов и катушек индуктивности, а именно из пассивных схемных элементов. Эти фильтры пригодны для работы в определенных диапазонах частот, но не подходят для низких частот, например, ниже 0,5 мГц. Это происходит вследствие того, что на низких частотах параметры требуемых катушек индуктивности становятся неудовлетворительными из-за их больших размеров и значительного отклонения рабочих характеристик от идеальных и, кроме того, в отличие от резисторов и конденсаторов, катушки индуктивности плохо приспособлены для интегрального исполнения.

Таким образом, для применения фильтров в диапазоне низких частот из схем желательно исключить катушки индуктивности. Это достигается разработкой активных фильтров на основе резисторов, конденсаторов и одного или нескольких активных приборов, таких как транзисторы, зависимые источники и т.д.

Активные фильтры построены из сопротивлений, конденсаторов и усилителей (обычно операционных) и предназначены для того, чтобы из всех подаваемых на их вход сигналов пропускать на выход сигналы лишь некоторых заранее заданных частот. Эти обладающие частотной избирательностью схемы используются для усиления или ослабления определенных частот в звуковой аппаратуре, в генераторах электромузыкальных инструментов, в сейсмических приборах, в линиях связи, а также в исследовательской практике для изучения частотного состава самых разнообразных сигналов, таких, например, как биотоки мозга или механические вибрации. Активные фильтры находят применение почти в любой области электроники и потому заслуживают нашего внимания.

Одним из наиболее часто применяемых активных приборов, который в основном и будет использоваться, является интегральная схема (ИС) операционного усилителя или ОУ условное изображение которого приведено на рисунке 3.

Рисунок 3 - Операционный усилитель

Операционный усилитель представляет собой многовходовый прибор, но для простоты показаны только три его вывода: инвертирующий входной (1), неинвертирующий входной (2) и выходной (3). В идеальном случае ОУ обладает бесконечным входным и нулевым выходным сопротивлениями и бесконечным коэффициентом усиления. Вследствие этого можно, при исследованиях рассматривать только напряжение между входными выводами, а также считать, что ток во входных выводах равен нулю. Реальные ОУ по своим характеристикам приближаются к идеальным наиболее близко только для ограниченного диапазона частот, который зависит от типа ОУ.

Непоказанные на рисуке 3 выводы - это обычно выводы подключения источника питания; выводы подключения цепей коррекции, требуемой для ОУ, например типа 709; и выводы балансировки нуля, необходимые для ОУ, типа 741. Эти дополнительные выводы используются в соответствии с рекомендациями, предоставляемыми фирмой-изготовителем. В основном ОУ с внешними цепями коррекции имеют лучшие результаты на более высоких частотах по сравнению с ОУ с внутренней коррекцией, которые не имеют выводов для подключения цепей коррекции.

При реализации активного фильтра разработчик должен применять те же типы ОУ, которые отвечают предъявленным требованиям по коэффициентам усиления и частотным диапазонам. Например, коэффициент усиления ОУ с разомкнутой обратной связью должен по крайней мере в 50 раз превышать коэффициент усиления фильтра.

В некритических конструкциях фильтров наиболее часто используются дешевые угольные композиционные резисторы. Для фильтров четвертого и более низкого порядка достаточно применять угольные композиционные резисторы с 5%-ными допусками, в частности, если предполагается использовать фильтр при комнатной температуре. Для фильтров с высокими рабочими характеристиками необходимо применять высококачественные типы резисторов. Чем выше порядок, тем меньше должны быть допуски. Фильтры с порядком выше четвертого необходимо реализовывать на резисторах с 2%-ным или меньшими допусками.

Что касается конденсаторов, то наиболее подходящим типом является майларовый конденсатор, который можно успешно применять в большинстве конструкций фильтров. Конденсаторы на основе полистирола и тефлона лучше, но применяются в высококачественных фильтрах. Обычные экономичные дисковые керамические конденсаторы должны использоваться исключительно в наименее критических условиях.

.2 Преимущества активных фильтров

Пассивные фильтры построены из катушек индуктивности, конденсаторов и сопротивлений. Большинство пассивных фильтров для работы в тех диапазонах частот, где они находят применение, нуждаются в больших по размеру, тяжелых и дорогих катушках индуктивности и ослабляют частоты в полосе пропускания, а не только в полосе подавления, хотя частоты в этой последней ослабляются сильнее. Используемые в пассивных фильтрах катушки индуктивности обладают активным сопротивлением, межвитковой ёмкостью и потерями в сердечнике, что делает их свойства далекими от идеальных.

По сравнению с пассивными активные фильтры имеют следующие преимущества:

) в них используются только сопротивления и конденсаторы, т.е. компоненты, свойства которых ближе к идеальным, чем свойства катушек индуктивности;

) относительно дешевы;

) они могут обеспечивать усиление в полосе пропускания и редко вносят существенные потери;

) использование в активных фильтрах операционных усилителей обеспечивает развязку входа от выхода (поэтому активные фильтры легко делать многокаскадными и тем самым улучшать их показатели);

) активные фильтры относительно легко настраивать;

) фильтры для очень низких частот могут быть построены из компонентов, имеющих умеренные значения параметров;

) активные фильтры невелики по размерам и массе.

1.3 Недостатки активных фильтров

Они нуждаются в источнике питания, а их рабочий диапазон частот ограничен сверху максимальной рабочей частотой операционного усилителя. Это приводит к тому, что большинство активных фильтров может работать лишь на частотах, не превышающих нескольких мегагерц, хотя отдельные типы операционных усилителей могут обеспечить работу фильтров и на более высоких частотах. По мере улучшения изготовителями операционных усилителей их частотных характеристик будет увеличиваться и верхний частотный предел активных фильтров.

Из вышесказанного можно сделать вывод, что активные фильтры имеют достаточно весомые преимущества при незначительных недостатках. Опираясь на технические условия фильтра можно понять, что реализация его будет более качественной с использованием операционного усилителя.


2. Анализ технической литературы и других источников по разрабатываемой теме

Задание курсовой работы звучит следующим образом: изучить, рассчитать, построить и проанализировать работу фильтра верхних частот на ОУ, используемый в электрокардиографах, соответственно потребуется техническая литература в области схемотехники, и медицинской техники. Изучив предлагаемый перечень литературы, останавливаемся на выборе следующей литературы:

Павлов В.Н., Ногин В.Н. «Схемотехника аналоговых электронных устройств»: учебник для вузов. М.: Горячая Линия-Телеком, 1999.

Кореневский Н.А., Попечителев Е.П. «Элементы и узлы медицинской техники»: учебник для вузов. Старый оскол: ТНТ, 2012.

Так же существует ещё одно неплохое издание, способное помочь в понимании схемотехники и приобретении навыков моделирования:

Хоровиц и Хилл «Искусство Схемотехники».

Так как моделирование будет проводиться в программе Multisim, то потребуется учебник:

Самоучитель по Electronics Workbench Multisim. Хернитер Марк Е. 2006 г.

3. Основные параметры и характеристики рассматриваемого устройства

Фильтр верхних частот представляет собой устройство, пропускающее сигналы высоких частот и подавляющее сигналы низких частот. На рис. 4 изображены идеальная и реальная амплитудно-частотные характеристики и для практического случая обозначены полоса пропускания w>wc, полоса задерживания 0≤w≤w1, переходная область w1<w<wc и частота среза wc (рад/с) или fc=wc/2π (Гц).</w<w.

Рисунок 4 - Идеальная и реальная амплитудно-частотная характеристика фильтра верхних частот

Передаточную функцию фильтра верхних частот с частотой среза wc можно получить из передаточной функции нормированного фильтра нижних частот (имеющего wc, равную 1 рад/с) с помощью замены переменной s на wc/s. Следовательно, функция фильтров верхних частот Баттерворта и Чебышева будет содержать следующие сомножители второго порядка:

 (1)

где wc - частота среза, а B и С представляют собой приведенные в приложении А[1] нормированные коэффициенты звена фильтра нижних частот второго порядка. При нечетном порядке присутствует также звено первого порядка, обладающее передаточной функцией вида

 (2)

где С - нормированный коэффициент нижних частот первого порядка.

Коэффициент усиления фильтра верхних частот представляет собой значение его передаточной функции при бесконечном значении переменной s. Следовательно, для звеньев второго и первого порядков, описываемых соответственно уравнениями, написанными выше, и, коэффициент усиления равен К.

Целью этой главы было подчеркнуть, что основные параметры фильтра, это: полоса пропускания, полоса задержания, частота среза ωср, резонансная частота fР и добротность.

4. Классификация фильтров по признакам

Фильтр это частотно-избирательное устройство, которое пропускает сигналы определенных частот и задерживает или ослабляет сигналы других частот. Фильтры могут быть классифицированы по ряду признаков:

) по виду АЧХ они разделяются на: фильтры нижних частот (ФНЧ); фильтры верхних частот (ФВЧ); полосовые фильтры (ПФ); режекторные (заграждающие) фильтры (РЖ). В отдельную группу могут быть выделены фазовые фильтры (ФФ);

) в зависимости от полиномов, используемых при аппроксимации передаточной функции различают фильтры: критического затухания, Бесселя, Баттерворта, Чебышева;

) по элементной базе фильтры разделяются на: пассивные и активные фильтры. Активные фильтры включают в схему RLC - фильтра активного элемента, в качестве которых часто используются операционные усилители.

АЧХ Баттерворта имеет довольно длинный горизонтальный участок и резко спадает за частотой среза. Переходная характеристика такого фильтра при ступенчатом входном сигнале имеет колебательный характер. С увеличением порядка фильтра колебания усиливаются.

Характеристика фильтра Чебышева спадает более круто за частотой среза. В полосе пропускания она имеет волнообразный характер с постоянной амплитудой. Колебания переходного процесса при ступенчатом входном сигнале сильнее, чем у фильтра Баттерворта.

Фильтр Бесселя характеризуется меньшей длиной горизонтального участка, чем фильтр Баттеворта и более пологим спадом АЧХ за частотой среза, чем фильтры Баттерворта и Чебышева. Данный фильтр обладает оптимальной переходной характеристикой (переходный процесс практически не имеет колебаний).

Фильтр критического затухания обладает значительно худшей амплитудно-частотной характеристикой по сравнению с фильтром Бесселя, но не имеет перерегулирования. В общем фильтр критического затухания уступает фильтру Бесселя в отношении качества отработки входного ступенчатого сигнала.


5. Принцип действия устройства

Рассмотрим в качестве фильтра простейшую цепь RC, принцип работы которой основан на зависимости реактивного сопротивления конденсатора от частоты сигнала.

Рисунок 5 - Простейшая RC цепь

Если к источнику переменного синусоидального напряжения U частотой f подключить последовательно резистор сопротивлением Rи конденсатор ёмкостью C, падение напряжения на каждом из элементов можно вычислить исходя из коэффициента деления с импедансом Z.

Импеданс - комплексное (полное) сопротивление цепи для гармонического сигнала.

Z² = R² + X² ; Z = √(R² + X²) , где Х - реактивное сопротивление.

Тогда на выводах резистора напряжение UR будет составлять:

 (3)

где XC - реактивное сопротивление конденсатора, равное 1/2πfC

При равенстве R = XC на частоте f, выражение упростится сокращением R и примет вид:

 (4)

Следовательно, на частоте f равенство активного и реактивного сопротивлений цепочки RC обеспечит одинаковую амплитуду переменного синусоидального напряжения на каждом из элементов в √2 раз меньше входного напряжения, что составляет приблизительно 0.7 от его значения.

В этом случае частота f определится исходя из сопротивления R и ёмкости С выражением:

 (5)

где τ - постоянная времени цепи RC <#"865561.files/image011.gif"> (6)

Рисунок 6 - Схема простого пассивного ФВЧ первого порядка

Пример схемы активного ФВЧ первого порядка представлен на рисунке 7.

Передаточная функция данного фильтра имеет вид

 (7)

Рисунок 7 - Схема активного ФВЧ первого порядка

Пример схемы активного ФВЧ второго порядка представлен на рисунке 8.

Передаточная функция ФВЧ второго порядка имеет вид

 (8)

Рисунок 8 - Схемы активного ФВЧ второго порядка

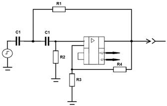
7. Выбор и обоснование принципиальной электрической схемы устройства

В электрокардиографе Kenz-Cardico 1211 используется фильтр верхних частот на ОУ второго порядка с частотой среза 250 Гц и имеющий характеристику Бесселя. Проанализировав задание, можно построить схему проектируемого фильтра в среде разработки Multisim:

Рисунок 9 - Фильтр верхних частот на ОУ второго порядка

8. Расчет принципиальной электрической схемы устройства

.1 Полиномиальный расчет фильтра

В курсе математического анализа доказывается, что через  точек проходит полином  степени и при том только один. Например через две точки можно провести только одну прямую, через три точки только одну параболу и так далее. Соответственно через   также можно провести единственный полином степени , который будет являться результатом интерполяции, то есть:


где  - коэффициенты полинома, которые необходимо рассчитать на основе отсчетов сигнала

При построении фильтра верхних частот используется рассчитанный полином. Тогда непрерывный сигнал может быть представлен как сумма произведения своих отсчетов  на соответствующий полином:

 (9)

Полином используемого фильтра верхних частот = 2.



8.2 Расчет элементов фильтра

Для расчета фильтра верхних частот второго порядка и коэффициентом усиления К≥1, необходимо выполнить следующие шаги.

. Выбрать номинальное значение емкости C1 (предпочтительно близкое к значению 10/fc мкФ) и вычислить значения сопротивлений.

. Выбрать номинальные значения, наиболее близкие к вычисленным значениям, и реализовать фильтр или его звенья в соответствии со схемой, показанной на рисунке 9.

Расчет элементов R1 и C1:

Для фильтра Бесселя для высоких частот справедлива формула:

 (10)

Подставляя наши значения, получим:


Емкость конденсатора оставим неизменной. Раз С1 = 0.66мкФ, то R1 = 10кОм.

Сопротивления R3 и R4 обеспечивают К>1 и выбираются таким образом, чтобы минимизировать смещение ОУ по постоянному току. Коэффициент звена неинвертирующий и равен: K=l+(R4/R3).

Так как R4 = KR2, R2 = 7кОм, а K по условию = 1.5, получаем R4 = 15кОм, а R3 = 30кОм.

8.3 Выбор номинальных значений, наиболее близких к вычисленным значениям

Таблица1 Номиналы резисторов

по ряду Е3, Е6, Е12, Е24

Е6

Е12

Е24

Е3

Е6

Е12

Е24

Е3

Е6

Е12

Е24

1,0

1,0

1,0

2,2

2,2

2,2

2,2

4,7

4,7

4,7

4,7



1,1




2,4




5,1


1,2

1,2



2,7

2,7



5,6

5,6



1,3




3,0




6,2

1,5

1,5

1,5


3,3

3,3

3,3


6,8

6,8

6,8



1,6




3,6




7,5


1,8

1,8



3,9

3,9



8,2

8,2



2,0




4,3




9,1


Е48

Е96

Е192

Е48

Е96

Е192

Е48

Е96

Е192

Е48

Е96

100

100

100

147

147

147

215

215

215

316

316



101



149



218




102

102


150

150


221

221


324



104



152



223



105

105

105

154

154

154

226

226

226

332

332



106



156



229




107

107


158

158


232

232


340



109



160



234



110

110

110

162

162

162

237

237

237

348

348



111



164



240




113

113


165

165


243

243


357



114



167



246



115

115

115

169

169

169

249

249

249

365

365



117



172



252




118

118


174

174


255

255


374



120



176



258



121

121

121

178

178

178

261

261

261

383

383



123



180



264




124

124


182

182


267

267


392



184



271



127

127

127

187

187

187

274

274

274

402

402



129



189



277




130

130


191

191


280

280


412



132



193



284



133

133

133

196

196

196

287

287

287

422

422



135



198



291





137


200

200


294

294


432



138



203



298



140

140

140

205

205

205

301

301

301

442

442



142



208



305




143

143


210

210


309

309


453



145



213



312




Из таблицы номиналов выбираем следующие резисторы:

Ближайшее к вычисленному номинальному значению сопротивления R1 (серия Е24) равно 6.8кОм.

Ближайшее к вычисленному номинальному значению сопротивления R2 (серия Е48) равно 10кОм.

Ближайшее к вычисленному номинальному значению сопротивления R3 (серия Е192) равно 29.8кОм.

Ближайшее к вычисленному номинальному значению сопротивления R4 (серия Е192) равно 15кОм.

Таблица 2 Номиналы емкостных элементов

Кодовое обозначение

пкФ (pF)

нФ (nF)

мкФ (µF)

Ряд Е3

Ряд Е6




101

101

100

0.1

0.0001


151

150

0.15

0.00015

471

471

470

0.47

0.00047


681

680

0.68

0.00068

222

222

2200

2.2

0.0022


332

3300

3.3

0.0033

472

472

4700

4.7

0.0047


682

6800

6.8

0.0068

223

223

22000

22

0.022


333

33000

33

0.033

474

474


470

0.47


684


680

0.68


Ближайшее к вычисленному номинальному значению конденсатора C1 (серия E6) равно 0.68мкФ.

.4 Выбор операционного усилителя

Исходя из требуемых параметров к работе устройства, был выбран быстродействующий операционный усилитель К140УД11.

Корпус К140УД11

Рисунок 10 - Корпус К140УД11

Условное графическое обозначение

 Рисунок 11 - Условное графическое обозначение

Назначение выводов: 1,5,8 - коррекция; 2 - вход инвертирующий; 3 - вход неинвертирующий; 4 - напряжение питания -Uп; 6 - выход; 7 - напряжение питания +Uп;


В таблице 3 представлены электрические параметры устройства.

Таблица 3 Электрические параметры

1

Напряжение питания

 (5...18) В

2

Максимальное выходное напряжение при Uп=  15 В, Rн = 2 кОм

 12 В

3

Напряжение смещения нуля при Uп=  15 В, Rн = 2 кОм

10 мВ

4

Входной ток при Uп=  15 В, Rн = 2 кОм

не более 500 нА

5

Разность входных токов при Uп=  15 В, Rн = 2 кОм

не более 200 нА

6

Ток потребления при Uп=  15 В

не более 10 мА

7

Коэффициент усиления напряжения

не менее 25000

8

Скорость нарастания выходного напряжения при Uп=  15 В, Rн = 2 кОм

(20...50) В/мкс

9

Коэффициент ослабления синфазных входных напряжений при Uп=  15 В

не менее 70 дБ


Таблица 4 Предельно допустимые режимы эксплуатации

1

Напряжение питания (с учетом пульсаций)

 20 В

2

Входное синфазное напряжение

не более  15 В

3

Температура окружающей среды

-10...+70 ° C



9. Рассмотрение основных характеристик электрической схемы устройства

Используемый фильтр имеет характеристику Бесселя. При построении рабочей схемы в программе аналогового и цифрового моделирования Micro-Cap, открывается возможность просмотра характеристик схемы. На рисунке изображена амплитудно-частотная характеристика разработанной схемы, на которой видно, что частота среза совпадает с заданной в техническом задании.

Рисунок - 12 АЧХ ФВЧ на ОУ

На следующем рисунке представлена фазо-частотная характеристика собранной схемы, на которой так же видно совпадение спада с частотой среза устройства.

Рисунок 13 - ФЧХ ФВЧ на ОУ



Заключение

Результатом работы является рассчитанная, спроектированная схема фильтра верхних частот на ОУ, выполняющая требования технического задания и согласованная с электрокардиографом Kenz-Cardico 1211. В данной работе так же отрабатываются навыки работы в программе схемотехнического моделирования Micro-Cap и оформления технической документации.


Список используемой литературы

1. Павлов В.Н., Ногин В.Н. «Схемотехника аналоговых электронных устройств»: учебник для вузов. М.: Горячая Линия-Телеком, 1999.

. Кореневский Н.А., Попечителев Е.П. «Элементы и узлы медицинской техники»: учебник для вузов. Старый оскол: ТНТ, 2012.

. Хоровиц и Хилл «Искусство Схемотехники».

4. Самоучитель по Electronics Workbench Multisim. Хернитер Марк Е. 2006 г.


Не нашли материал для своей работы?
Поможем написать уникальную работу
Без плагиата!
Без нейросетей!